
ГОСУДАРСТВЕННЫЙ СТАНДАРТ СОЮЗА ССР
|
ТАБЛИЧКИ ПРЯМОУГОЛЬНЫЕ ДЛЯ
МАШИН Размеры Rectangular plates for machines |
ГОСТ
|
Утвержден Комитетом стандартов, мер и измерительных приборов при Совете Министров СССР 23 мая 1967 г. Срок введения установлен
с 01.01.69
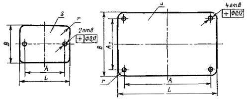
1. Размеры табличек должны соответствовать указанным на чертеже и в таблице настоящего стандарта.

Размеры, мм
|
L (пред. откл. по h14) |
B (пред. откл. по h14) |
A |
A1 |
s |
r |
d (пред. откл. по H14) |
Число отверстий |
Масса 1000 шт. стальных табличек в кг |
|
16 |
6,3 |
10 |
- |
0,8 |
2,5 |
2,4 |
2 |
0,555 |
|
8 |
0,756 |
|||||||
|
10 |
0,957 |
|||||||
|
12 |
1,16 |
|||||||
|
20 |
6,3 |
14 |
0,706 |
|||||
|
8 |
0,957 |
|||||||
|
10 |
1,21 |
|||||||
|
12 |
1,46 |
|||||||
|
16 |
1,96 |
|||||||
|
25 |
6,3 |
18 |
0,894 |
|||||
|
8 |
1,21 |
|||||||
|
10 |
1,52 |
|||||||
|
12 |
1,84 |
|||||||
|
16 |
2,46 |
|||||||
|
(18) |
2,78 |
|||||||
|
32 |
6,3 |
25 |
1,16 |
|||||
|
8 |
1,56 |
|||||||
|
10 |
1,96 |
|||||||
|
12 |
2,36 |
|||||||
|
16 |
3,17 |
|||||||
|
(18) |
3,57 |
|||||||
|
20 |
3,97 |
|||||||
|
40 |
8 |
30 |
1,96 |
|||||
|
10 |
2,46 |
|||||||
|
12 |
2,97 |
|||||||
|
16 |
3,97 |
|||||||
|
(18) |
4,47 |
|||||||
|
20 |
4,98 |
|||||||
|
25 |
6,23 |
|||||||
|
50 |
8 |
40 |
- |
0,8 |
2,5 |
2,4 |
2 |
2,46 |
|
10 |
3,09 |
|||||||
|
12 |
3,72 |
|||||||
|
16 |
4,98 |
|||||||
|
(18) |
5,60 |
|||||||
|
20 |
6,23 |
|||||||
|
25 |
7,80 |
|||||||
|
32 |
22 |
5,0 |
4 |
9,95 |
||||
|
63 |
8 |
53 |
- |
2,5 |
2 |
2,97 |
||
|
10 |
3,72 |
|||||||
|
12 |
4,47 |
|||||||
|
16 |
5,98 |
|||||||
|
(18) |
6,74 |
|||||||
|
20 |
7,49 |
|||||||
|
25 |
22 |
9,37 |
||||||
|
32 |
5,0 |
4 |
11,96 |
|||||
|
(36) |
26 |
14,22 |
||||||
|
40 |
30 |
14,98 |
||||||
|
50 |
40 |
18,75 |
||||||
|
(71) |
8 |
63 |
|
2,5 |
2 |
3,52 |
||
|
10 |
4,40 |
|||||||
|
12 |
5,28 |
|||||||
|
16 |
7,03 |
|||||||
|
(18) |
7,91 |
|||||||
|
20 |
8,79 |
|||||||
|
(71) |
25 |
63 |
|
0,8 |
2,5 |
2,4 |
2 |
10,99 |
|
32 |
22 |
5,0 |
4 |
14,07 |
||||
|
(36) |
26 |
16,71 |
||||||
|
40 |
30 |
17,58 |
||||||
|
50 |
40 |
21,98 |
||||||
|
80 |
8 |
71 |
- |
2,5 |
2 |
3,97 |
||
|
10 |
4,98 |
|||||||
|
12 |
5,98 |
|||||||
|
16 |
7,99 |
|||||||
|
(18) |
99,00 |
|||||||
|
20 |
10,00 |
|||||||
|
25 |
12,51 |
|||||||
|
32 |
22 |
5,0 |
4 |
15,98 |
||||
|
(36) |
26 |
19,00 |
||||||
|
40 |
30 |
20,00 |
||||||
|
50 |
40 |
25,03 |
||||||
|
63 |
53 |
30,05 |
||||||
|
100 |
10 |
90 |
- |
2,5 |
3,4 |
2 |
6,23 |
|
|
12 |
7,49 |
|||||||
|
16 |
10,00 |
|||||||
|
(18) |
11,26 |
|||||||
|
20 |
12,51 |
|||||||
|
25 |
15,65 |
|||||||
|
32 |
22 |
5,0 |
4 |
20,00 |
||||
|
(36) |
26 |
23,77 |
||||||
|
100 |
40 |
90 |
30 |
0,8 |
5,0 |
3,4 |
4 |
25,03 |
|
50 |
40 |
31,31 |
||||||
|
63 |
53 |
37,59 |
||||||
|
80 |
71 |
50,01 |
||||||
|
125 |
10 |
115 |
- |
2,5 |
2 |
7,80 |
||
|
12 |
9,37 |
|||||||
|
16 |
12,51 |
|||||||
|
(18) |
14,08 |
|||||||
|
20 |
15,65 |
|||||||
|
25 |
19,58 |
|||||||
|
32 |
22 |
4 |
25,03 |
|||||
|
(36) |
26 |
5,0 |
29,74 |
|||||
|
40 |
30 |
31,31 |
||||||
|
50 |
40 |
39,16 |
||||||
|
63 |
53 |
47,01 |
||||||
|
80 |
71 |
62,57 |
||||||
|
100 |
90 |
1,0 |
97,84 |
|||||
|
(140) |
16 |
130 |
- |
0,8 |
2,5 |
2 |
14,07 |
|
|
20 |
17,58 |
|||||||
|
25 |
21,98 |
|||||||
|
32 |
22 |
4 |
28,13 |
|||||
|
(36) |
26 |
5,0 |
31,65 |
|||||
|
40 |
30 |
35,17 |
||||||
|
50 |
40 |
43,96 |
||||||
|
63 |
53 |
52,75 |
||||||
|
80 |
71 |
70,34 |
||||||
|
100 |
90 |
1,0 |
109,9 |
|||||
|
160 |
12 |
150 |
- |
0,8 |
2,5 |
3,4 |
2 |
12,01 |
|
16 |
16,03 |
|||||||
|
(18) |
18,04 |
|||||||
|
20 |
20,05 |
|||||||
|
25 |
25,07 |
|||||||
|
32 |
22 |
5,0 |
4 |
32,06 |
||||
|
(36) |
26 |
36,17 |
||||||
|
40 |
30 |
40,10 |
||||||
|
50 |
40 |
50,15 |
||||||
|
63 |
53 |
60,19 |
||||||
|
80 |
71 |
80,38 |
||||||
|
100 |
90 |
1,0 |
125,3 |
|||||
|
125 |
115 |
156,7 |
||||||
|
200 |
12 |
190 |
- |
0,8 |
2,5 |
2 |
15,02 |
|
|
16 |
20,05 |
|||||||
|
(18) |
22,56 |
|||||||
|
20 |
25,07 |
|||||||
|
25 |
31,35 |
|||||||
|
32 |
22 |
5,0 |
4 |
40,10 |
||||
|
(36) |
26 |
45,22 |
||||||
|
40 |
30 |
50,15 |
||||||
|
50 |
40 |
62,71 |
||||||
|
63 |
53 |
75,27 |
||||||
|
80 |
71 |
100,25 |
||||||
|
100 |
90 |
1,0 |
156,7 |
|||||
|
125 |
115 |
196,0 |
||||||
|
(140) |
130 |
219,5 |
||||||
|
(160) |
150 |
250,9 |
||||||
|
250 |
(18) |
240 |
- |
0,8 |
2,5 |
3,4 |
2 |
28,21 |
|
20 |
31,35 |
|||||||
|
25 |
39,20 |
|||||||
|
32 |
22 |
5,0 |
4 |
50,15 |
||||
|
(36) |
26 |
56,52 |
||||||
|
40 |
30 |
62,71 |
||||||
|
50 |
40 |
78,41 |
||||||
|
63 |
53 |
94,11 |
||||||
|
80 |
71 |
125,4 |
||||||
|
100 |
90 |
1,0 |
196,0 |
|||||
|
125 |
115 |
245,0 |
||||||
|
(140) |
130 |
274,5 |
||||||
|
160 |
150 |
313,7 |
||||||
|
200 |
190 |
1,5 |
588,3 |
|||||
|
(280) |
(140) |
270 |
130 |
1,0 |
307,4 |
|||
|
200 |
190 |
1,5 |
659,0 |
|||||
|
320 |
63 |
310 |
53 |
0,8 |
120,5 |
|||
|
80 |
70 |
160,5 |
||||||
|
100 |
90 |
1,0 |
250,9 |
|||||
|
125 |
115 |
313,7 |
||||||
|
(140) |
130 |
351,4 |
||||||
|
160 |
150 |
401,8 |
||||||
|
200 |
190 |
1,5 |
753,2 |
|||||
|
250 |
304 |
234 |
8,0 |
5,5 |
940,9 |
|||
|
320 |
304 |
1205 |
||||||
|
400 |
200 |
384 |
184 |
1,5 |
8,0 |
5,5 |
4 |
940,9 |
|
250 |
234 |
1176 |
||||||
|
320 |
304 |
1506 |
||||||
|
400 |
384 |
1883 |
||||||
|
500 |
320 |
484 |
304 |
1883 |
||||
|
400 |
384 |
2354 |
Примечания:
1. Размеры табличек, заключенные в скобки, по возможности не применять.
2. Допускается применять другие размеры, если использование стандартной таблички требует изменения конструкции изделия, совмещена с передней панелью прибора, или она является художественно-декоративным оформлением изделия.
3. Размеры s приведены для табличек из стали. Для табличек из других материалов - размеры s устанавливаются по согласованию с заказчиком.
4. Допускается изготовление табличек без радиусов закругления r.
5. По согласованию с заказчиком допускается изготовление табличек без отверстий, а также с увеличенным диаметром отверстий.
Пример условного обозначения прямоугольной таблички длиной L = 50 мм, шириной В = 16 мм:
Табличка 50´16 ГОСТ 12971-67
(Измененная редакция, Изм. № 1, 2).
2. Технические требования - по ГОСТ 12969-67.