Нормативные документы размещены исключительно с целью ознакомления учащихся ВУЗов, техникумов и училищ.
Объявления:

МКС 77.140.70

Группа В22

Поправка

к ГОСТ 8240-97 Швеллеры стальные горячекатаные. Сортамент

В каком месте

Напечатано

Должно быть

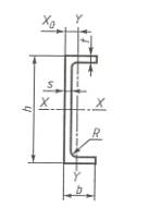
Пункт 2.2. Рисунок 1

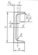
рисунок 2

Пункт 2.3. Таблица 1. Графа SX. Для номера швеллера 8У

23,30

13,30

таблица 2. Графа WУ. Для номера швеллера 8П

3,31

5,31

таблица 5. Графа IУ. Для номера швеллера 26С

1115,60

115,60

Пункт 2.4

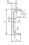
на рисунке 3

на рисунках 1-3

рисунок 3. Обозначение прогиба

t

¦

Пункт 2.7

при длине от 2 до 8 м включ. – до +40 мм;
»  » св. 8 м – до +
[40+5 (l-8)] мм, но не более 100 мм

+ 40 мм – при длине от 2 до 8 м включ.;
+
[40+5(l-8)] мм, но не более 100 мм – при длине св.8 м,

 

(ИУС № 12 2004 г.)

2008-2013. ГОСТы, СНиПы, СанПиНы - Нормативные документы - стандарты.