
ГОСУДАРСТВЕННЫЙ СТАНДАРТ СОЮЗА ССР
СИСТЕМА СТАНДАРТОВ БЕЗОПАСНОСТИ ТРУДА
ШУМ
ОПРЕДЕЛЕНИЕ ШУМОВЫХ ХАРАКТЕРИСТИК ИСТОЧНИКОВ ШУМА В СВОБОДНОМ ЗВУКОВОМ ПОЛЕ НАД ЗВУКООТРАЖАЮЩЕЙ ПЛОСКОСТЬЮ
Технический метод
ГОСТ 12.1.026-80
ГОСУДАРСТВЕННЫЙ КОМИТЕТ СССР ПО СТАНДАРТАМ
Москва
ГОСУДАРСТВЕННЫЙ СТАНДАРТ СОЮЗА ССР
|
Система стандартов безопасности труда ШУМ. ОПРЕДЕЛЕНИЕ ШУМОВЫХ ХАРАКТЕРИСТИК ИСТОЧНИКОВ ШУМА В СВОБОДНОМ ЗВУКОВОМ ПОЛЕ НАД ЗВУКООТРАЖАЮЩЕЙ ПЛОСКОСТЬЮ Технический метод Occupational safety
standards sistem. Noise. Determination of noise characteristics of noise
sources in a free-field over reflecting plane. |
ГОСТ (СТ СЭВ 1412-78) |
Постановлением Государственного комитета СССР по стандартам от 13 октября 1980 г. № 5028 срок введения установлен
с 01.07 1981 г.
Несоблюдение стандарта преследуется по закону
Настоящий стандарт распространяется на машины, технологическое оборудование и другие источники шума (далее - источники шума) размером до 15 м, которые создают в воздушной среде все виды шумов по ГОСТ 12.1.003-76. Стандарт полностью соответствует СТ СЭВ 1412-78.
Стандарт устанавливает технический метод измерения при определении уровней звуковой мощности в полосах частот, корректированного по характеристике A уровня звуковой мощности и показателя направленности излучения источников шума в свободном звуковом поле, над звукоотражающей плоскостью.
1.1. Технический метод измерения в свободном звуковом поле над звукоотражающей плоскостью при выполнении всех условий измерения обеспечивает получение максимального среднего квадратического отклонения уровней звуковой мощности в полосах частот и корректированного по характеристике A уровня звуковой мощности по ГОСТ 23941-79.
1.2. Измерения должны проводиться:
в заглушенных камерах с жестким полом;
на открытых площадках над звукоотражающей плоскостью;
в помещениях.
Проверка условий измерений по пп. 3.2 - 3.7.
Допускаются измерения на более низких или более высоких частотах.
1.4. Величины максимальных средних квадратических отклонений уровней звуковой мощности в полосах частот при расширении частотного диапазона измерений или в более узких полосах частот, чем треть октавы по п. 1.3, должны быть определены в результате дополнительных измерений.
2.1. Для измерения уровней звукового давления и уровней звука применяют шумомеры 1-го или 2-го класса по ГОСТ 17187-71 с полосовыми электрическими фильтрами по ГОСТ 17168-71 или измерительными трактами с характеристиками, соответствующими этим стандартам.
Микрофон шумомера или измерительного тракта должен быть предназначен для измерений в свободном звуковом поле.
2.2. Акустическая и электрическая калибровка шумомера или измерительного тракта должна проводиться до и после проведения измерений.
Погрешность применяемого для акустической калибровки источника шума не должна превышать ±0,5 дБ.
2.3. Образцовый источник шума должен соответствовать требованиям ГОСТ 12.1.025-81.
3.1. Размеры открытой площади, размеры пола заглушенной камеры или размеры испытательной площадки в закрытом помещении должны быть достаточны, чтобы разместить в центре испытываемый источник шума и вокруг него - точки измерений по пп. 4.3 - 4.8.
3.2. Условия измерений на открытых площадках не проверяют, если расстояние от точек измерений до посторонних отражающих звук предметов и ограждений превышает удвоенные размеры измерительных поверхностей: а и b (черт. 1, 2) или удвоенного радиуса измерительной поверхности R.
3.4. Методика проверки условий свободного звукового поля и определения постоянной К приведена в обязательном приложении.
3.5. Постоянная К должна определяться для каждой октавной полосы или для октавной полосы со среднегеометрической частотой 500 Гц при измерении уровня звука.
Если постоянная К превышает 2 дБ, то следует:
выбрать меньшую измерительную поверхность, но так, чтобы она не была в пределах ближнего поля испытываемого источника шума, и определить для нее новую постоянную К;
уменьшить влияние отраженного от посторонних предметов и ограждений звука, увеличив общее звукопоглощение в помещении с помощью звукопоглощающих облицовок;
применить другое испытательное пространство.
3.7. Условия свободного звукового поля удовлетворяют требованиям настоящего стандарта при определении показателя направленности, если постоянная К равна или менее 1 дБ.
3.8. При измерениях температура воздуха не должна изменяться более чем на ±10°С.
3.9. Измерения на открытой площадке не должны проводиться во время выпадения атмосферных осадков и при скорости ветра более 5 м/с. При скорости ветра от 1 до 5 м/с следует применять экран для защиты измерительного микрофона от ветра.
3.10. Шум помех, например, от аэродинамических потоков вблизи микрофона, от вибраций, передаваемых на измерительные приборы, от влияния электрических или магнитных полей или других источников шума должен измеряться в тех же величинах и измерительных точках, что и шум испытываемого источника.
Допускается не учитывать шум помех, если он на 10 дБ (дБА) ниже уровня шума, измеренного при включенном источнике шума.
Число точек измерения шума помех может быть уменьшено, если эквивалентный уровень помех распределен в помещении равномерно.
3.11. Если разность между уровнем измеренного шума и эквивалентным уровнем помех DL в дБ или дБА постоянна и менее, чем 6 дБ, дБА или она менее 10 дБ (дБА) и колеблется во времени, то результат измерения в данной полосе частот и в данной точке измерения не может быть оценен.
Если разность DL³6 дБ, дБА для учета помех следует из уровня, измеренного при работе источника шума, вычесть значение D, приведенные в таблице.
|
DL, дБ (дБА) |
D, дБ (дБА) |
|
От 6 до 8 |
1 |
|
» 9 » 10 |
0,5 |
4.1. Испытываемый источник шума следует установить в середине испытательной площадки, на звукоотражающей плоскости.
Режимы и условия работы источника шума, его установка, монтаж и оснащение по ГОСТ 23941-79.
4.2. Условия свободного звукового поля и постоянная К должны определяться по пп. 3.3 - 3.7.
4.3. Точки измерения следует располагать на измерительной поверхности.
Измерительная поверхность - условная поверхность, которая окружает источник шума и заканчивается на звукоотражающей плоскости.
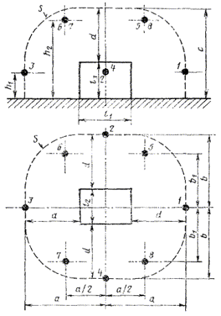
В качестве измерительной поверхности следует принимать полусферу или измерительную поверхность, которая расположена на одном и том же измерительном расстоянии d от огибающего испытываемый источник шума параллелепипеда (см. черт. 1 и 2). Параллелепипед, огибающий источник шума, - условная поверхность, так же окружающая источник шума и заканчивающаяся на звукоотражающей плоскости. Размеры параллелепипеда должны соответствовать габаритным размерам источника шума. При определении их не следует учитывать части источника, которые существенно не излучают звуковой энергии (рычаги, концы валов и т.п.), но следует учитывать траектории, описываемые движущимися при работе частями источника шума.
4.4. Измерительное расстояние следует выбирать таким образом, чтобы точки измерения лежали вне зоны ближнего поля источника шума, и там, где обеспечены условия свободного звукового поля по п. 3.6.
При измерениях в закрытых
помещениях измерительное расстояние d должно быть меньше величины dm, определяемой по формуле
, где А - эквивалентная площадь звукопоглощения на
частоте измерения (см. обязательное приложение).
Измерительное расстояние должно быть равно 1 м (d=1 м); допускается меньшее измерительное расстояние, но не менее 0,25 м.
При измерениях показателя направленности, при измерениях на открытых площадках больших размеров, а также при испытаниях источников шума, которые не допускают приближения микрофона менее чем на 1 м, измерительное расстояние может быть более 1 м (d>1 м).
4.5. Полусферическая измерительная поверхность должна использоваться при измерениях показателя направленности, а также если измерительное расстояние d превышает в 1,5 раза максимальный размер огибающего параллелепипеда (d> 1,5lmax), а радиус R измерительной полусферы больше или равен удвоенному максимальному размеру огибающего параллелепипеда (R>2lmax).
Центр измерительной полусферы должен совпадать с проекцией центра огибающего параллелепипеда на звукоотражающую плоскость. Площадь измерительной полусферы вычисляют по формуле
4.6. Характеристические размеры измерительной поверхности, расположенной на расстоянии d от огибающего источник шума параллелепипеда (черт. 1 и 2), вычисляют по формулам
;
;
, (2)
где l1, l2 - размеры основания параллелепипеда, огибающего источник шума, м (см. п. 4.3);
l3 - высота параллелепипеда, огибающего источник шума, м;
d - измерительное расстояние, м.
Площадь измерительной поверхности в м2 следует определять по формуле
4.7. Количество точек измерения должно быть не менее восьми. Располагать их следует, как указано на черт. 1.
Точки измерения 1 - 4 расположены на высоте h1, которая должна быть не менее 0,15 м. Высоту h1 вычисляют по формуле
Точки измерения 5 - 8 расположены на высоте h2, которая не должна превышать высоты с над звукоотражающей плоскостью. Высоту h2 вычисляют по формуле
Размер b1 не должен превышать размер b и должен вычисляться по формуле
На полусферической измерительной поверхности следует использовать те же точки измерения; их координаты вычисляют по формулам (4), (5) и (6), заменяя величины b, с, d величиной R.
S - измерительная поверхность: 1 - 8 - точки измерения; l1, l2, l3 - размеры огибающего источник шума параллелепипеда; d - измерительное расстояние; а, b, с - характеристические размеры измерительной поверхности
Черт. 1
При определении показателя направленности точки измерения следует располагать на полусфере в определенной плоскости с угловыми интервалами не более 30°.
4.8. Если разность между максимальными и минимальными уровнями звука в точках измерений 1 - 8 превышает 8 дБА, то число точек измерения должно быть удвоено. Дополнительные точки измерения 9 - 16 должны быть расположены между основными точками, как указано на черт. 2.
4.9. Если расположение микрофона в измерительной точке почему-либо затруднено, то две измерительные точки могут быть смещены в сторону при условии сохранения равномерного распределения остальных точек на измерительной поверхности.
4.10. Допускается применение подвижного микрофона, равномерно перемещающегося по измерительной поверхности.
S - измерительная поверхность; 1 - 8 - точки измерения; 9 - 16 - дополнительные точки измерения; l1, l2, l3 - размеры огибающего источник шума параллелепипеда; d - измерительное расстояние; а, b, с - характеристические размеры измерительной поверхности
Черт. 2
5. ПРОВЕДЕНИЕ ИЗМЕРЕНИЙ
5.1. Микрофон должен быть установлен в точке измерения и ориентирован в направлении испытываемого источника шума.
Между микрофоном и испытываемым источником шума не должны находиться люди или предметы, искажающие звуковое поле. Расстояние между микрофоном и наблюдателем должно быть не менее 0,5 м.
5.2. На шумомере должна быть установлена временная характеристика S (медленно). Если показания шумомера колеблются в пределах 5 дБ, то следует отсчитывать среднее значение уровней.
Для импульсных шумов следует дополнительно записывать показания при временной характеристике I (импульс).
Для непостоянных шумов должны быть измерены эквивалентные уровни звука LАэкв, дБА.
6. РЕЗУЛЬТАТЫ ИЗМЕРЕНИЙ
6.1. Средний уровень звукового давления в полосах частот (Lm) в дБ или средний уровень звука (LAm) в дБА на измерительной поверхности вычисляют по формуле
где Li - уровень звукового давления в полосе частот, дБ, или уровень звука, дБА, в i-й точке измерения с поправками по п. 3.11;
n - количество точек измерения на измерительной поверхности;
К - постоянная, учитывающая влияние отраженного звука в полосе частот, дБ, или в уровнях звука дБА, определенная по обязательному приложению.
Если значения Li различаются не более, чем на 5 дБ (дБА), то величину Lm вычисляют по формуле
, (8)
где обозначения те же, что и в формуле (7).
6.2. Уровень звуковой мощности в полосах частот Lp, дБ или корректированный уровень звуковой мощности LРА,. дБА вычисляют по формуле
, (9)
где Lm - средний уровень звукового давления в полосе частот или средний уровень звука на измерительной поверхности по п. 6.1;
S - площадь измерительной поверхности, м2, по пп. 4.5 - 4.6;
S0 - 1 м2.
6.3. Показатель направленности в полосах частот или по уровню звука G в дБ (дБА) следует вычислять по формуле
, (10)
где L1 - уровень звукового давления в полосе частот (уровень звука) в измерительной точке, дБ (дБА);
Lm - средний уровень звукового давления в полосе частот или уровень звука на измерительной полусфере, дБ (дБА) по п. 6.1.
6.4. Результаты измерений следует занести в протокол по ГОСТ 23941-79.
Обязательное
1. Метод образцового источника шума
Для испытания следует использовать образцовый источник шума, уровни звуковой мощности в октавных полосах LPR и корректированный уровень звуковой мощности LPAR которого известны.
Образцовый источник шума должен быть установлен на месте испытываемого источника шума.
Проводят измерения уровней звукового давления при работе образцового источника в полосах частот и уровней звука на выбранной для испытываемого источника шума измерительной поверхности в тех же измерительных точках.
Вычисляют уровни звуковой мощности в полосах частот LP или корректированный уровень звуковой мощности образцового источника шума LPA по п. 6.2 при К=0.
Постоянную К вычисляют по формуле
![]()
в полосах частот, дБ, и для корректированного уровня звуковой мощности, дБА.
Для испытания следует использовать образцовый источник шума (п. 2.3) или испытываемый источник шума, если он удовлетворяет требованиям п. 2.3.
Источник шума, используемый при измерениях, следует установить на месте испытываемого источника. Если размеры огибающего параллелепипеда испытываемого источника в плане менее 2 м, то место установки образцового источника должно соответствовать проекции центра огибающего параллелепипеда на звукоотражающую плоскость. Если размеры огибающего параллелепипеда в плане более 2 м, то измерения проводят при четырех дополнительных положениях образцового источника шума - в середине сторон проекции огибающего параллелепипеда на звукоотражающую плоскость.
После включения источника шума проводят измерения уровней звукового давления в полосах частот и уровней звука на трех измерительных поверхностях.
S1 - измерительная поверхность, выбранная для измерения уровня звуковой мощности испытываемого источника шума.
S2 - подобная S1 измерительная поверхность, но находящаяся вдвое ближе к источнику шума (S2=S1/4).
S3 - подобная S1 измерительная поверхность, но находящаяся вдвое дальше от источника шума (S3@4S1).
Площади измерительных поверхностей вычисляют по формулам (1) или (3). Расположение точек измерения и их количество на измерительных поверхностях S2 и S3 должны соответствовать точкам измерения на измерительной поверхности S1.
Средние уровни звукового давления на измерительных поверхностях вычисляют по п. 6.1 при K=0.
Соответствующие разности уровней вычисляют по формулам
;
;
где Lm1, Lm2, Lm3 - средние уровни звукового давления в полосе частот, дБ, или средние уровни звука, дБА, на измерительных поверхностях S1, S2, S3.
При расположении образцового источника шума в пяти положениях на звукоотражающей плоскости уровни звукового давления Lm1, Lm2, Lm3 являются усредненными по 5n точкам измерений, где n - число точек измерений на измерительной поверхности.
По разностям уровней и соотношению площадей измерительных поверхностей вычисляют постоянные K2 и К3 по формулам
;
![]()
или по номограммам на черт. 3 и 4.
Значение К принимают равным минимальному из значений К2 или К3.
3. В закрытых помещениях постоянную К вычисляют по формуле
,
где S - площадь выбранной измерительной поверхности, м2, вычисленная по формуле (1) или (3);
А - эквивалентная площадь звукопоглощения, м2 в помещении в полосе частот, определяемая по обязательному приложению 4 ГОСТ 12.1.025-81.
Если расстояние от измерительной поверхности до отражающих звук предметов и ограждений в помещении не менее, чем наибольший из размеров а, с или R или постоянная К, вычисленная по формуле п. 3, больше, чем 2 дБ, то постоянную К определяют измерением по пп. 1 и 2 настоящего приложения.
Черт. 3
Черт. 4
СОДЕРЖАНИЕ
|
4. Подготовка к измерениям.. 3 Приложение Проверка условий свободного звукового поля и определение постоянной к.. 6 |