Нормативные документы размещены исключительно с целью ознакомления учащихся ВУЗов, техникумов и училищ.
Объявления:

ГОСТ 1292-81

МЕЖГОСУДАРСТВЕННЫЙ СТАНДАРТ

СПЛАВЫ СВИНЦОВО-СУРЬМЯНИСТЫЕ

ТЕХНИЧЕСКИЕ УСЛОВИЯ

Е

ИПК ИЗДАТЕЛЬСТВО СТАНДАРТОВ

Москва

ИНФОРМАЦИОННЫЕ ДАННЫЕ

1. РАЗРАБОТАН И ВНЕСЕН Министерством цветной металлургии СССР

РАЗРАБОТЧИКИ

А.Сычев, д-р техн. наук; Л.И. Зеленская, канд. техн. наук; Г.А. Калачева; В.Солдатенко; Л.А. Володина; Е.Ф. Сальникова

2. УТВЕРЖДЕН И ВВЕДЕН В ДЕЙСТВИЕ Постановлением Государственного комитета СССР по стандартам от 30.06.81 № 3259

Изменение № 4 принято Межгосударственным Советом по стандартизации, метрологии и сертификации

Зарегистрировано Техническим секретариатом МГС № 2152

За принятие изменения проголосовали:

Наименование государства

Наименование национального органа по стандартизации

Азербайджанская Республика

Азгосстандарт

Республика Беларусь

Госстандарт Беларуси

Республика Казахстан

Госстандарт Республики Казахстан

Киргизская Республика

Киргизстандарт

Республика Молдова

Молдовастандарт

Туркменистан

Главная государственная инспекция Туркменистана

3. ВЗАМЕН ГОСТ 1292-74

4. ССЫЛОЧНЫЕ НОРМАТИВНО-ТЕХНИЧЕСКИЕ ДОКУМЕНТЫ

Обозначение НТД, на который дана ссылка

Номер пункта

ГОСТ 12.1.005-88

3.1, 3.2, 3.2.1

ГОСТ 12.1.007-76

3.1, 3.2.1

ГОСТ 12.1.016-79

3.2.1

ГОСТ 1293.0-83 - ГОСТ 1293.5-83

5.3

ГОСТ 1293.6-78

5.3

ГОСТ 1293.7-83

5.3

ГОСТ 1293.8-78

5.3

ГОСТ 1293.9-78

5.3

ГОСТ 1293.10-83 - ГОСТ 1293.14-83

5.3

ГОСТ 3282-74

6.2

ГОСТ 3560-73

6.2

ГОСТ 4152-89

3.2

ГОСТ 13348-74

5.3

ГОСТ 14192-96

6.1

ГОСТ 18293-72

3.2

ГОСТ 19433-88

6.1, 6.2.3

ГОСТ 21399-75

6.2

ГОСТ 22235-76

6.3

ГОСТ 22477-77

6.2

ГОСТ 24231-80

5.1

5. Ограничение срока действия снято по протоколу № 7-95 Межгосударственного Совета по стандартизации, метрологии и сертификации (ИУС 11-95)

6. ИЗДАНИЕ (март 2000 г.) с Изменениями № 1, 2, 3, 4, утвержденными в апреле 1986 г., марте 1989 г., декабре 1990 г., январе 1999 г. (ИУС 8-86, 6-89, 4-91, 4-99)

МЕЖГОСУДАРСТВЕННЫЙ СТАНДАРТ

СПЛАВЫ СВИНЦОВО-СУРЬМЯНИСТЫЕ

Технические условия

Lead-antimony alloys.

Specifications

ГОСТ
1292-81

Дата введения 01.01.82

Настоящий стандарт распространяется на свинцово-сурьмянистые сплавы, изготовляемые в виде чушек и блоков, предназначенные для производства оболочек кабелей, аккумуляторов и изделий общего назначения, и устанавливает требования к свинцово-сурьмянистым сплавам, изготовляемым для нужд народного хозяйства и экспорта.

(Измененная редакция, Изм. № 2).

1. МАРКИ

1.1. По химическому составу марки свинцово-сурьмянистых сплавов должны соответствовать требованиям, указанным в таблице.

Обозначение марок сплавов

Химический состав, %

Массовая доля основных компонентов

Массовая доля примеси, не более

Сурьма

Медь

Олово

Мышьяк

Свинец

Медь

Мышьяк

Олово

Висмут

Цинк

Железо

Всего

PbSb0,2

SnCu

От 0,15 до 0,30

От 0,02 до 0,05

От 0,35 до 0,5

Те

Те

до 0,005

Остальное

-

0,002

-

0,03

0,003

0,003

0,10

ССуМТ

От 0,3 до 0,45

От 0,02 до 0,05

От 0,03 до 0,05

-

-

0,005

0,005

0,05

0,005

0,005

0,10

ССу

От 0,4 до 0,6

-

-

-

0,002

0,005

0,005

0,05

0,005

0,005

0,10

ССуМ

От 0,4 до 0,6

От 0,02 до 0,05

-

-

-

0,005

0,005

0,05

0,005

0,005

0,10

PbSb0,9

От 0,6

до 1,2

-

-

Se

-

0,02

0,005

0,005

0,06

0,005

0,005

0,10

PbSb2,5AsSe

От 2,4 до 2,9

-

От 0,015 до 0,035

От 0,06 до 0,13

0,02

-

0,01

0,02

0,002

0,005

0,10

ССу2

От 2,5 до 3,5

-

-

-

0,1

0,03

0,2

0,05

0,002

0,01

0,30

УСМ

От 3,0

до 4,0

-

-

От 0,15 до 0,3

0,02

-

0,01

0,03

0,001

0,005

0,10

Ссу3

До 5,0

-

-

-

0,2

0,03

Не ограничивается

0,05

0,03

0,01

0,4

PbSb4

От 3,8

до 4,4

-

-

-

0,02

0,02

0,01

0,03

0,002

0,005

0,10

PbSb5

От 4,5

до 5,5

-

-

-

0,02

0,01

0,01

0,04

0,002

0,005

0,08

PbSb5,5

От 5,0 до 6,0

-

-

-

0,05

0,01

0,01

0,05

0,002

0,005

0,15

УС

От 5,0 до 6,0

-

-

От 0,08 до 0,2

0,06

-

0,01

0,03

0,001

0,005

0,15

PbSb6,5

От 6,0 до 7,0

-

-

-

0,05

0,02

0,01

0,03

0,002

0,005

0,15

ССуА

От 2,0

до 7,0

-

-

-

0,2

0,05

0,01

0,03

0,001

0,005

0,30

ССу8

От 7,0 до 8,5

-

-

-

0,002

0,005

0,01

0,03

0,002

0,005

0,10

Ссу10

От 9,0 до 12,0

-

-

-

0,002

0,005

0,01

0,03

0,002

0,005

0,10

Примечания:

1. В сплаве марки УСМ, применяемой для изготовления дроби, массовая доля основного компонента - мышьяка должна быть от 0,4 % до 0,7 %.

2. Допускается изготовление сплава марки PbSb 0,9, легированного медью с массовой долей от 0,02 до 0,06 %. К обозначению марки такого сплава добавляется обозначение Cu.

(Измененная редакция, Изм. № 3).

1.2. В свинцово-сурьмянистых сплавах, предназначенных для производства оболочек кабелей, массовая доля серебра не должна быть более 0,002 %, суммы кальция, магния и натрия - не более 0,04 %, никеля - не более 0,002 %.

1.3. В свинцово-сурьмянистых сплавах, предназначенных для производства аккумуляторов, массовая доля серебра не должна быть более 0,02 %, натрия - не более 0,0013 %, магния - не более 0,002 %, никеля - не более 0,001 %.

1.4. В свинцово-сурьмянистых сплавах марок УС и ССуА в качестве основного компонента допускается олово, содержание которого устанавливается по согласованию изготовителя с потребителем.

1.5. Применяемость свинцово-сурьмянистых сплавов по маркам дана в приложении 1.

Коды ОКП приведены в приложении 2.

(Измененная редакция, Изм. № 1).

2. ТЕХНИЧЕСКИЕ ТРЕБОВАНИЯ

2.1. Свинцово-сурьмянистые сплавы изготовляют в соответствии с требованиями настоящего стандарта по технологическому регламенту, утвержденному в установленном порядке.

Свинцово-сурьмянистые сплавы изготовляют в виде чушек с плоским основанием или в виде взаимозамыкаемой формы массой не более 40 кг и блоков массой 1000 кг ± 10 %.

Масса блоков может быть изменена по согласованию изготовителя с потребителем.

(Измененная редакция, Изм. № 1, 2).

2.2. Поверхность чушек и блоков не должна иметь порошкообразных окислов, шлаков и других включений. На поверхности чушек и блоков допускаются цвета побежалости.

(Измененная редакция, Изм. № 2).

3. ТРЕБОВАНИЯ БЕЗОПАСНОСТИ

3.1. Основными вредными компонентами свинцово-сурьмянистых сплавов в расплавленном состоянии являются свинец, сурьма, теллур и соединения мышьяка, которые относятся к веществам первого и второго классов опасности по ГОСТ 12.1.005.

Свинцово-сурьмянистые сплавы пожаро-взрывобезопасны.

При плавке, разливе, отборе и подготовке проб свинцово-сурьмянистых сплавов вредные вещества, содержащиеся в них, могут поступать в организм в виде аэрозолей через органы дыхания, желудочно-кишечный тракт, кожу и вызывать поражения нервной, кровеносной и сердечно-сосудистой систем, верхних дыхательных путей, желудочно-кишечного тракта, печени, почек, глаз и кожи, обменные и эндокринные нарушения.

(Измененная редакция, Изм. № 1, 2).

3.2. Общие санитарно-гигиенические требования к воздуху рабочей зоны производственных помещений должны соответствовать требованиям ГОСТ 12.1.005.

Предельно допустимые концентрации в воздухе рабочей зоны производственных помещений свинца - 0,01/0,005 мг/м3; сурьмы - 0,5/0,2 мг/м3; мышьяковистого ангидрида (по мышьяку) - 0,04/0,01 мг/м3 и теллура - 0,01 мг/м3 по ГОСТ 12.1.005.

Предельно допустимая концентрация свинца (Рb+2) в питьевой воде -0,1 мг/л, мышьяка (As3+; 5+) = 0,05 мг/л - по НД.

Анализ питьевой воды на содержание свинца (Рb+2) должен проводиться по ГОСТ 18293, мышьяка - по ГОСТ 4152.

3.2.1. Контроль за содержанием свинца, сурьмы, теллура и мышьяковистого ангидрида в воздухе рабочей зоны производственных помещений должен осуществляться в соответствии с требованиями ГОСТ 12.1.005.

Концентрацию вредных веществ в воздухе рабочей зоны определяют в соответствии с правилами, утвержденными Минздравом СССР и ГОСТ 12.1.016.

3.2, 3.2.1. (Измененная редакция, Изм. № 3).

3.3. Утилизация, обезвреживание и уничтожение свинцово-сурьмянистых сплавов производится в соответствии с нормативно-технической документацией, согласованной с Министерством здравоохранения СССР.

3.4 - 3.11. (Исключены, Изм. № 3).

4. ПРАВИЛА ПРИЕМКИ

4.1. Чушки и блоки свинцово-сурьмянистых сплавов принимают партиями. Партия должна состоять из чушек или блоков одной марки сплава и оформлена одним документом о качестве. Документ о качестве должен содержать:

- товарный знак или наименование и товарный знак предприятия-изготовителя;

- наименование продукта и марку сплава;

- номер партии и номера плавок, входящих в партию;

- массу (нетто) партии;

- результаты химического анализа каждой плавки;

- дату изготовления (для сплавов, предназначенных на длительное хранение);

- обозначение настоящего стандарта.

(Измененная редакция, Изм. № 1).

4.2. Для контроля соответствия качества свинцово-сурьмянистых сплавов требованиям настоящего стандарта проводят приемо-сдаточные испытания на соответствие требованиям п.п. 1.1 - 1.4.

4.3. Для контроля массы и химического состава отбирают каждую тридцатую чушку, но не менее двух чушек, или один блок из партии массой до 6 т и каждую пятидесятую чушку или один блок из партии массой свыше 6 т.

На предприятии-изготовителе допускается отбор проб от жидкого металла равномерно в начале, середине и конце разлива плавки.

Содержание примеси натрия, кальция, магния, висмута, никеля, железа и мышьяка изготовитель определяет по требованию потребителя.

(Измененная редакция, Изм. № 1).

4.4. Контролю качества поверхности подвергают каждую чушку и блок свинцово-сурьмянистых сплавов.

4.5. При получении неудовлетворительных результатов испытаний по химическому составу проводят повторные испытания на удвоенной выборке, взятой от той же партии. Результаты повторных испытаний распространяются на всю партию.

5. МЕТОДЫ ИСПЫТАНИЙ

5.1. Отбор и подготовку проб свинцово-сурьмянистых сплавов для химического анализа проводят по ГОСТ 24231.

5.2. Пробу от жидкого металла отливают в виде стержней диаметром 7 - 10 мм и длиной 70 - 100 мм. Масса объединенной пробы должна быть не менее 1 кг.

Допускается пробу от жидкого металла отливать в виде диска диаметром 42 - 66 мм и толщиной 14 - 16 мм или цилиндра диаметром 38 - 42 мм и толщиной 35 - 40 мм.

(Измененная редакция, Изм. № 4).

5.3. Определение химического состава свинцово-сурьмянистых сплавов проводят по ГОСТ 1293.0 - ГОСТ 1293.14, ГОСТ 13348.

Допускается применение других методов определения химического состава, по точности не уступающих указанным в стандарте.

При возникновении разногласий в определении химического состава свинцово-сурьмянистых сплавов, определение проводят по ГОСТ 1293.0 - ГОСТ 1293.14, ГОСТ 13348.

(Измененная редакция, Изм. № 3).

5.4. Качество поверхности чушек и блоков свинцово-сурьмянистых сплавов проверяют внешним осмотром без применения увеличительных средств.

6. МАРКИРОВКА, УПАКОВКА, ТРАНСПОРТИРОВАНИЕ И ХРАНЕНИЕ

6.1. Каждая чушка и блок свинцово-сурьмянистых сплавов должны иметь маркировку с указанием товарного знака предприятия-изготовителя (литого), должны быть выбиты марка сплава и номер плавки.

Чушки и блоки свинцово-сурьмянистых сплавов дополнительно маркируют краской по торцу:

- сплав марки ССу - одной полосой синего цвета;

- сплав марки ССуМ - одной полосой белого цвета;

- сплавы ССуМТ - одной полосой черного цвета.

На каждом пакете должно быть указано: число чушек в пакете и манипуляционный знак «Крюками не брать».

По согласованию изготовителя с потребителем допускается при формировании чушек в пакеты цветную маркировку наносить только на одну чушку верхнего ряда пакета.

Допускается наносить на верхнюю поверхность пакета водостойкую цифровую маркировку от руки.

Транспортная маркировка - по ГОСТ 14192.

Транспортная маркировка свинцово-сурьмянистых сплавов, предназначенных на экспорт, проводится в соответствии с ГОСТ 14192 и требованиями внешнеторговых организаций.

6.2. Свинцово-сурьмянистые сплавы в чушках транспортируют пакетами или в контейнерах по нормативно-технической документации. Блоки транспортируют без упаковывания.

Масса пакета - не более 1500 кг.

Пакеты плоских чушек и чушек взаимозамыкаемой формы должны быть обвязаны стальной упаковочной лентой, натянутой и скрепленной в замок зажимными машинками.

Замок располагается на верхней стороне пакета. Верхний свободный конец ленты в поясе срезается у замка под прямым углом. Длина нижнего загнутого конца ленты не должна превышать 70 мм от замка. Толщина ленты 0,9 - 1,00 мм, временное сопротивление разрыву не менее 340 (35) Н/мм2 по ГОСТ 3560.

Допускается применение стальной проволоки диаметром от 5,00 до 10,00 мм по ГОСТ 3282.

Схемы укладывания и скрепления чушек в пакеты приведены в приложении 3.

Размещение и крепление пакетов в транспортных средствах проводится в соответствии с правилами перевозок грузов, действующими на транспорте данного вида.

Устройство для крепления пакетов в крытых вагонах должно соответствовать ГОСТ 22477.

6.3. Транспортирование пакетов - по ГОСТ 21399.

Свинцово-сурьмянистые сплавы в блоках и контейнерах перевозят транспортом всех видов, кроме авиационного, в соответствии с правилами перевозок грузов, действующими на транспорте данного вида.

Железнодорожным транспортом пакеты транспортируют в крытых вагонах повагонными отправками; блоки и контейнеры транспортируют открытым подвижным составом в соответствии с требованиями ГОСТ 22235.

Размещение и крепление грузов, перевозимых по железной дороге, должны соответствовать техническим условиям погрузки и крепления грузов, утвержденным Министерством путей сообщения СССР.

6.1 - 6.3. (Измененная редакция, Изм. № 3).

6.4. Свинцово-сурьмянистые сплавы хранят под навесом или на открытых площадках (бетонированных, с деревянным настилом, на поддонах и т.д.). При хранении качество свинцово-сурьмянистых сплавов не меняется.

(Измененная редакция, Изм. № 2).

ПРИЛОЖЕНИЕ 1

Справочное

Обозначение марки сплава

Область применения

PbSb0,2SnCu

СсуМТ

Ссу

СсуМ

PbSb0,9

Для производства кабельной оболочки, облицовки химических сооружений и производства профилей

ССу2

Для производства труб, дроби, типографских и других сплавов и облицовки химических сооружений

УСМ

Для облицовки химической аппаратуры, производства дроби и аккумуляторов

PbSb2,5AsSe

Для производства аккумуляторов

PbSb4

Для производства аккумуляторов, труб, арматуры, дроби, вентилей и облицовки химических сооружений

PbSb5

Для производства аккумуляторов и противорадиационных кирпичей

УС

PbSb5,5

PbSb6,5

СсуА

Ссу3

ССу8

Для производства аккумуляторов, коррозионно-стойкой аппаратуры и в химической промышленности

CСy10

Для производства коррозионно-стойкой аппаратуры, фасонного литья и сплавов

ПРИЛОЖЕНИЕ 2

Справочное

Наименование

Идентификационные признаки

Код ОКП

КЧ

Марка

Масса, кг

Сплавы свинцово-сурьмянистые

ССуМТ

 

17 2537 0200

04

в чушках

ССуМТ

До 40

17 2537 0215

08

в блоках

ССуМТ

Не более 1500

17 2537 0221

10

Сплавы свинцово-сурьмянистые

ССу

 

17 2537 0300

01

в чушках

ССу

До 40

17 2537 0315

05

в блоках

ССу

Не более 1500

17 2537 0321

07

Сплавы свинцово-сурьмянистые

ССуМ

 

17 2537 0400

09

в чушках

ССуМ

До 40

17 2537 0415

02

в блоках

ССуМ

Не более 1500

17 2537 0421

04

Сплавы свинцово-сурьмянистые

ССу2

 

17 2537 0600

03

в чушках

ССу2

До 40

17 2537 0615

07

в блоках

ССу2

Не более 1500

17 2537 0621

09

Сплавы свинцово-сурьмянистые

УСМ

 

17 2537 0700

00

в чушках

УСМ

До 40

17 2537 0715

04

в блоках

УСМ

Не более 1500

17 2537 0721

06

Сплавы свинцово-сурьмянистые

УС

 

17 2537 0800

08

в чушках

УС

До 40

17 2537 0815

01

в блоках

УС

Не более 1500

17 2537 0821

03

Сплавы свинцово-сурьмянистые

ССуА

 

17 2537 1000

06

в чушках

ССуА

До 40

17 2537 1015

10

в блоках

ССуА

Не более 1500

17 2537 1021

01

Сплавы свинцово-сурьмянистые

Ссу3

 

17 2537 1200

00

в чушках

Ссу3

До 40

17 2537 1215

04

в блоках

Ссу3

Не более 1500

17 2537 1221

06

Сплавы свинцово-сурьмянистые

ССу8

 

17 2537 1300

08

в чушках

ССу8

До 40

17 2537 1315

01

в блоках

ССу8

Не более 1500

17 2537 1321

03

Сплавы свинцово-сурьмянистые

ССу10

 

17 2537 1400

05

в чушках

ССу10

До 40

17 2537 1415

09

в блоках

ССу10

Не более 1500

17 2537 1421

00

ПРИЛОЖЕНИЯ 1, 2. (Измененная редакция, Изм. № 3).

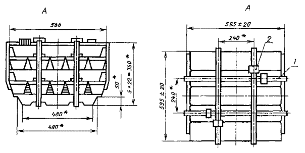
ПРИЛОЖЕНИЕ 3

Справочное

Схема укладки и скрепления чушек свинцово-сурьмянистых сплавов взаимозамыкаемой формы в пакеты

____________

* Размеры для справок.

1 - упаковочная лента; 2 - замок для скрепления чушек

Черт. 1

__________

* Размеры для справок.

1 - упаковочная лента; 2 - замок для скрепления чушек

Черт. 2

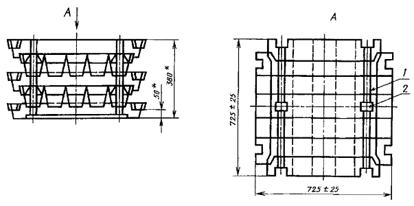
Схема укладки и скрепления плоских чушек свинцово-сурьмянистых сплавов в пакеты

__________

* Размеры для справок.

1 - упаковочная лента; 2 - замок для скрепления чушек

Черт. 3

1 - упаковочная проволока

Черт. 4

__________

* Размеры для справок.

1 - упаковочная лента; 2 - замок для скрепления чушек

Черт. 5

____________

* Размеры для справок.

1 - упаковочная лента; 2 - замок для скрепления чушек

Черт. 6

(Измененная редакция, Изм. № 3).

СОДЕРЖАНИЕ

1. Марки. 2

2. Технические требования. 3

3. Требования безопасности. 3

4. Правила приемки. 4

5. Методы испытаний. 4

6. Маркировка, упаковка, транспортирование и хранение. 4

Приложение 1. 5

Приложение 2. 6

Приложение 3. 6

 

2008-2013. ГОСТы, СНиПы, СанПиНы - Нормативные документы - стандарты.