
ГОСУДАРСТВЕННЫЙ СТАНДАРТ СОЮЗА ССР
СОЕДИНЕНИЯ
КОНТАКТНЫЕ
ЭЛЕКТРИЧЕСКИЕ
КЛАССИФИКАЦИЯ. ОБЩИЕ ТЕХНИЧЕСКИЕ ТРЕБОВАНИЯ
ГОСТ 10434-82
Москва
ГОСУДАРСТВЕННЫЙ СТАНДАРТ СОЮЗА ССР
|
СОЕДИНЕНИЯ КОНТАКТНЫЕ ЭЛЕКТРИЧЕСКИЕ Классификация. Общие технические требования Electric
contact connections. Classification. |
ГОСТ |
Дата ведения 01.01.83
Настоящий стандарт распространяется на разборные и неразборные электрические контактные соединения шин, проводов или кабелей (далее - проводников) из меди, алюминия и его сплавов, стали, алюмомедных проводов с выводами электротехнических устройств, а также на контактные соединения проводников между собой на токи от 2,5 А. Для контактных соединений электротехнических устройств на токи менее 2,5 А требования стандарта являются рекомендуемыми. Требования стандарта в части допустимого значения электрического сопротивления и стойкости контактных соединений при сквозных токах распространяются также на контактные соединения в цепях заземляющих и защитных проводников из стали.
Стандарт не распространяется на электрические контактные соединения электротехнических устройств специального назначения.
Термины, применяемые в стандарте, соответствуют ГОСТ 14312-79, ГОСТ 18311-80.
(Измененная редакция, Изм. № 1, 2, 3).
1.1. В зависимости от области применения электрические контактные соединения (далее - контактные соединения) подразделяются на классы в соответствии с табл. 1.
Таблица 1
|
Класс контактного соединения |
|
|
1. Контактные соединения цепей, сечения проводников которых выбраны по допустимым длительным токовым нагрузкам (силовые электрические цепи, линии электропередачи и т.п.) |
1 |
|
2. Контактные соединения цепей, сечения проводников которых выбраны по стойкости к сквозным токам, потере и отклонению напряжения, механической прочности, защите от перегрузки. Контактные соединения в цепях заземляющих и защитных проводников из стали |
2 |
|
3. Контактные соединения цепей с электротехническими устройствами, работа которых связана с выделением большого количества тепла (нагревательные элементы, резисторы и т.п.) |
3 |
Примечание. В стандартах и технических условиях на конкретные виды электротехнических устройств должны указываться классы 2 и 3, класс 1 не указывается.
1.2. В зависимости от климатического исполнения и категории размещения электротехнических устройств по ГОСТ 15150-69 контактные соединения подразделяются на группы в соответствии с табл. 2.
1.3. По конструктивному исполнению контактные соединения подразделяются на неразборные и разборные.
1.4. В зависимости от материала соединяемых проводников и группы контактных соединений по п. 1.2 разборные контактные соединения подразделяются на:
не требующие применения средств стабилизации электрического сопротивления - см. пп. 2.1.6 и 2.1.8;
требующие применения средств стабилизации электрического сопротивления - см. пп. 2.1.7 и 2.1.8.
Таблица 2
|
Климатическое исполнение и категория размещения электротехнического устройства |
Группа контактного соединения |
|
1. Все климатические исполнения для категории размещения 4.1 при атмосфере типов II и I. Климатические исполнения У, УХЛ, ТС для категории размещения 3 и климатические исполнения УХЛ, ТС для категории размещения 4 при атмосфере типов II и I |
А |
|
2. Любые сочетания климатического исполнения и категории размещения, кроме указанных выше, при атмосфере типов II и I. Любые сочетания климатического исполнения и категории размещения при атмосфере типов III и IV |
Б |
2.1. Требования к конструкции
2.1.1. Контактные соединения должны выполняться в соответствии с требованиями настоящего стандарта, стандартов и технических условий на конкретные виды электротехнических устройств по рабочим чертежам, утвержденным в установленном порядке.
2.1.2. Выводы электротехнических устройств должны соответствовать требованиям ГОСТ 24753-81.
2.1.4. Линейная арматура должна соответствовать требованиям ГОСТ 13276-79.
2.1.5. Неразборные контактные соединения должны выполняться сваркой, пайкой или опрессовкой. Допускается применение других методов, указанных в стандартах или технических условиях на конкретные виды электротехнических устройств.
Примеры выполнения неразборных контактных соединений приведены в приложении 1.
2.1.6. Разборные контактные соединения, не требующие применения средств стабилизации электрического сопротивления, должны выполняться при помощи стальных крепежных изделий, защищенных от коррозии в соответствии с требованиями ГОСТ 9.303-84, ГОСТ 9.005-72.
(Измененная редакция, Изм. № 2).
1) крепежных изделий из цветных металлов с коэффициентом линейного расширения от 18×10-6 до 21×10-6 1/°С;
2) тарельчатых пружин по ГОСТ 3057-90 или техническим условиям на конкретные виды пружин;
3) защитных металлических покрытий рабочих поверхностей, выбранных по ГОСТ 9.303-84 с учетом требований ГОСТ 9.005-72.
Допускается применение других видов защитных покрытий, указанных в стандартах или технических условиях на конкретные виды электротехнических устройств;
4) переходных деталей в виде медно-алюминиевых пластин по ГОСТ 19357-81, медно-алюминиевых наконечников по ГОСТ 9581-80 и аппаратных зажимов из плакированного алюминия по ТУ 34-13-11438-89;
5) переходных деталей в виде пластин и наконечников из алюминиевого сплава с временным сопротивлением разрыву не менее 130 МПа (далее - твердый алюминиевый сплав);
6) штифтовых наконечников по ГОСТ 23598-79 из твердого алюминиевого сплава;
7) штифтовых наконечников по ГОСТ 23598-79, медно-алюминиевых;
8) электропроводящих смазок или других электропроводящих материалов, если возможность их применения подтверждена результатами испытаний по ГОСТ 17441-84 и указана в стандартах или технических условиях на конкретные виды электротехнических устройств.
При применении средств 2)-8) контактные соединения, как правило, должны выполняться при помощи, стальных крепежных деталей, защищенных от коррозии в соответствии с требованиями ГОСТ 9.303-84, ГОСТ 9.005-72.
Примечание. Необходимость нанесения защитного металлического покрытия на рабочие поверхности медных проводников должна быть указана в стандартах или технических условиях на конкретные виды электротехнических устройств.
(Измененная редакция, Изм. № 1, 2, 3).
2.1.8. Разборные контактные соединения в зависимости от группы по п. 1.2 и материала соединяемых проводников и выводов электротехнических устройств должны выполняться в соответствии с требованиями стандарта, указанными:
для контактных соединений проводников с плоскими выводами, а также контактных соединений проводников между собой - в табл. 3;
для контактных соединений проводников со штыревыми выводами - в табл. 4;
для контактных соединений проводников с гнездовыми выводами - в табл. 5.
Таблица 3
|
Материал проводника |
Номер пункта стандарта в зависимости от материала вывода или второго проводника |
||||
|
медь и ее сплавы |
твердый алюминиевый сплав |
алюминий |
сталь |
||
|
А |
Медь, алюмомедь |
2.1.7 1) или 2), или 3), или 4), или 5), или 8) |
|||
|
Твердый алюминиевый сплав |
|||||
|
Алюминий |
2.1.7 1) или 2), или 3), или 4), или 5), или 8) |
||||
|
Б |
Медь, алюмомедь |
2.1.7* 3) или 4), или 5) и 3) |
2.1.7 4) или 5) и 3), или 1) и 3), или 2) и 3) |
||
|
Твердый алюминиевый сплав |
2.1.7* 3) или 4), или 5) и 3) |
2.1.7 1) или 2), или 3), или 4), или 5) |
2.1.7 4) или 5) и 3) |
||
|
Алюминий |
2.1.7 4) или 5) и 3), или 1) и 3), или 2) и 3) |
2.1.7 1) или 2), или 3), или 4), или 5) |
|||
* Контактные соединения электротехнических устройств климатических исполнений У, УХЛ категорий размещения 1 и 2 допускается изготовлять по п. 2.1.6.
Контактные соединения в соответствии с климатическим исполнением и категорией размещения электротехнических устройств, определяемыми по ГОСТ 15150-69 и ГОСТ 15543-70, должны выдерживать воздействие климатических факторов внешней среды, указанных в ГОСТ 15150-69, ГОСТ 15543-70, ГОСТ 15963-79, ГОСТ 16350-80, ГОСТ 17412-72 или в стандартах и технических условиях на конкретные виды электротехнических устройств.
Таблица 4
|
Материал проводника |
Номер пункта стандарта в зависимости от материала штыревого вывода |
|||
|
медь или латунь на номинальный ток |
сталь на номинальный ток до 40 А |
|||
|
до 630 А |
выше 630 А |
|||
|
А |
Медь, алюмомедь |
|||
|
Твердый алюминиевый сплав |
||||
|
Алюминий |
2.1.7 1) |
2.1.7 3) или 4), или 5) |
2.1.7 2) или 3), или 4), или 5) |
|
|
Б |
Медь, алюмомедь |
|||
|
Твердый алюминиевый сплав |
2.1.7 4) или 5) и 3) |
2.1.7* 4) или 5) и 3) |
2.1.7 4) или 5) и 3) |
|
|
Алюминий |
2.1.7 4) или 5) и 3) |
|||
* Контактные соединения электротехнических устройств климатических исполнений У, УХЛ категорий размещения 1 и 2 допускается изготовлять по п. 2.1.6.
Примечание. Во всех случаях для штыревых выводов на номинальный ток выше 40 А должны применяться упорные гайки из меди или латуни.
Таблица 5
|
Материал проводника |
Номер пункта стандарта в зависимости от типа жилы |
||
|
однопроволочная |
многопроволочная |
||
|
А |
Медь |
Непосредственное соединение |
Непосредственное соединение* или 2.1.6*** |
|
Алюмомедь |
- |
||
|
Алюминий |
Непосредственное соединение* или 2.1.7 6) или 7)** |
Непосредственное соединение* или 2.1.7 6) или 7)** |
|
|
Б |
Медь |
Непосредственное соединение* или 2.1.6*** |
2.1.6*** |
|
Алюмомедь |
- |
||
|
Алюминий |
2.1.7 7) или 6) и 3) |
||
* Возможность непосредственного соединения должна быть указана в стандартах или технических условиях на конкретный вид электротехнического устройства.
** Допускается соединение алюминиевых жил, сплавленных в монолит с добавкой легирующих присадок из твердого алюминиевого сплава.
*** Контактное соединение выполняется путем оконцевания медными штифтовыми наконечниками по ГОСТ 22002.5-76, ГОСТ 22002.12-76, ГОСТ 22002.13-76, ГОСТ 23598-79 или путем облуживания жил оловянно-свинцовыми припоями по ГОСТ 21931-76.
Допускается по согласованию с потребителем применять контактные соединения, отличающиеся от указанных в табл. 3-5.
Примеры выполнения разборных контактных соединений приведены в приложении 2.
(Измененная редакция, Изм. № 1, 3).
2.1.9. Контактные соединения пластин из твердого алюминиевого сплава и алюминиевой части медно-алюминиевых пластин с алюминиевыми проводниками (выводами) должны выполняться сваркой или пайкой, а соединения наконечников из твердого алюминиевого сплава и алюминиевой части медно-алюминиевых наконечников с алюминиевыми жилами проводов и кабелей должны выполняться сваркой или опрессовкой.
жил сечением до 16 мм2 - после оконцевания наконечниками по ГОСТ 7386-80 или непосредственно: путем формирования в кольцо или без него с предохранением в обоих случаях от выдавливания фасонными шайбами или другими способами;
жил сечением 25 мм2 и более - после оконцевания наконечниками по ГОСТ 7386-80, ГОСТ 7387-82, ГОСТ 9581-80 или путем формирования конца жилы в плоскую зажимную часть с отверстием под болт.
жил сечением до 10 мм2 - после оконцевания наконечниками по ГОСТ 7386-80, ГОСТ 9688-82, ГОСТ 22002.1-82, ГОСТ 22002.2-76 - ГОСТ 22002.4-76, ГОСТ 22002.6-82, ГОСТ 22002.7-76 - ГОСТ 22002.11-76, ГОСТ 22002.14-76 или непосредственно: путем формирования в кольцо или без него с предохранением в обоих случаях от выдавливания фасонными шайбами, или другими способами;
жил сечением 16 мм2 и более - после оконцевания наконечниками по ГОСТ 7386-80, ГОСТ 7387-82, ГОСТ 9581-80, ГОСТ 22002.1-82, ГОСТ 22002.2-76, ГОСТ 22002.6-82, ГОСТ 22002.7-76.
(Измененная редакция, Изм. № 1, 2).
2.1.12. К каждому болту (винту) плоского вывода или к штыревому выводу рекомендуется присоединять не более двух проводников, если иное не указано в стандартах или технических условиях на конкретные виды электротехнических устройств.
2.1.13. В разборных контактных соединениях должны использоваться крепежные детали классов прочности по ГОСТ 1759.4-87 и ГОСТ 1759.5-87, указанных в табл. 6. Винты в контактных соединениях рекомендуется применять с цилиндрической или шестигранной головкой.
Таблица 6
|
Класс или группа прочности, не ниже |
|
|
Болты, винты, шпильки из углеродистых или легированных сталей |
5.8 |
|
Гайки из углеродистых или легированных сталей |
5 |
|
Болты, винты, шпильки и гайки из цветных металлов |
32 |
2.1.14. Требования к подготовке рабочих поверхностей контактных деталей приведены в приложении 3.
2.2. Требования к электрическим параметрам
2.2.1. Отношение начального электрического сопротивления контактных соединений (кроме контактных соединений со штыревыми выводами) к электрическому сопротивлению участка соединяемых проводников, длина которого равна длине контактного соединения, не должно превышать:
для класса 1 - 1, если иное не указано в стандартах или технических условиях на конкретные виды электротехнических устройств;
для класса 2 - 2;
для класса 3 - 6.
В контактных соединениях проводников с различным электрическим сопротивлением сравнение производится с контакт-деталью с бόльшим электрическим сопротивлением.
2.2.2. Начальное электрическое сопротивление контактных соединений класса 1 проводников со штыревыми выводами не должно превышать значений, указанных в табл. 7.
Таблица 7
|
3 |
4 |
5 |
6 |
8 |
10 |
12 |
16 |
20 |
24 |
30 |
33 |
36 |
42 |
48 |
56 |
|
|
Начальное электрическое сопротивление контактных соединений с медными и латунными выводами по ГОСТ 21242-75, мкОм |
80 |
50 |
30 |
26 |
16 |
14 |
12 |
10 |
8 |
8 |
6 |
6 |
5 |
5 |
5 |
4 |
Требования к контактным соединениям классов 2 и 3, при необходимости, указываются в стандартах или технических условиях на конкретные виды электротехнических устройств.
(Измененная редакция, Изм. № 3).
2.2.4. При протекании номинального (длительно допустимого) тока наибольшая допустимая температура контактных соединений классов 1 и 2 не должна превышать значений, указанных в табл. 8. Токовые нагрузки проводников при этом принимают по «Правилам устройства электроустановок», утвержденным Госэнергонадзором 12.04.69, по стандартам или техническим условиям на конкретные виды электротехнических устройств.
Таблица 8
|
Наибольшая допустимая температура нагрева, °С в установках |
||
|
до 1000 В |
св. 1000 В |
|
|
1. Проводники из меди, алюмомеди, алюминия и его сплавов без защитных покрытий рабочих поверхностей |
95 |
По ГОСТ 8024-90 |
|
2. Проводники из меди, алюмомеди, алюминия и его сплавов с защитными покрытиями рабочих поверхностей неблагородными металлами |
110* |
|
|
3. Проводники из меди и ее сплавов без изоляции или с изоляцией классов В, F и Н по ГОСТ 8865-87 с защитным покрытием рабочих поверхностей серебром |
135 |
|
* Допускается для проводников из меди без изоляции или с изоляцией классов В, F и Н по ГОСТ 8865-87 повышать температуру до 135 °С, если возможность этого подтверждена результатами испытаний по ГОСТ 17441-84 и указана в стандартах или технических условиях на конкретные виды электротехнических устройств.
Температура контактных соединений класса 3 устанавливается в стандартах или технических условиях на конкретные виды электротехнических устройств в зависимости от применяемых материалов, покрытий, класса изоляции присоединяемых проводников и условий эксплуатации.
(Измененная редакция, Изм. № 1, 2, 3).
2.2.5. (Исключен, Изм. № 1).
2.2.6. После режима сквозного тока контактные соединения не должны иметь механических повреждений, препятствующих их дальнейшей эксплуатации. Температура контактных соединений в режиме сквозного тока не должна быть более 200 °С у соединений проводников из алюмомеди, алюминия и его сплавов, а также у соединений этих проводников с медными, 300 °С - у соединений медных проводников и 400 °С - у соединений стальных проводников.
2.2.7. Значение допустимого сквозного тока контактных соединений должно быть не менее допустимых сквозных токов конкретных видов электротехнических устройств, указанных в стандартах или технических условиях на эти устройства.
При отсутствии этих данных значение плотности односекундного тока должно соответствовать 165 А/мм2 - для медных проводников, 105 А/мм2 - для алюминиевых и алюмомедных, 90 А/мм2 - для проводников из алюминиевого сплава и 20 А/мм2 - для стальных проводников.
(Измененная редакция, Изм. №.1).
2.3. Требования по устойчивости к механическим факторам
При отсутствии таких указаний контактные соединения, подверженные вибрации, должны выдерживать вибрацию в течение 1 ч с постоянной частотой от 40 до 50 Гц и амплитудой 1 мм.
2.3.2. Контактные соединения должны выдерживать воздействия статических осевых нагрузок на растяжение, вызывающие напряжения, не менее:
90 % временного сопротивления разрыву целого проводника - для контактных соединений проводов линии электропередачи, работающих на растяжение;
30 % временного сопротивления разрыву целого проводника - для неразборных контактных соединений, не работающих на растяжение, а также для соединений проводников с гнездовыми выводами, соединений неоконцованных проводов и кабелей с плоскими выводами, укомплектованными фасонными шайбами.
2.3.3. Затяжку болтов рекомендуется производить моментными индикаторными ключами, например ДК-25, винтов - тарированными отвертками. Крутящие моменты указаны в приложении 4.
Для проводников сечением до 1,5 мм2 не допускается применять винтовой зажим, конец винта которого проворачивается по жиле.
2.3.1.-2.3.3. (Измененная редакция, Изм. № 1).
2.3.4. Разборные контактные соединения проводников с выводами, одноболтовые контактные соединения, которые могут подвергаться воздействию сквозных токов короткого замыкания, а также разборные контактные соединения, подверженные вибрации или находящиеся во взрывоопасных помещениях, должны быть предохранены от самоотвинчивания контргайками, пружинными шайбами, тарельчатыми пружинами или другими способами.
(Измененная редакция, Изм. № 2).
2.4. Требования к надежности
2.4.1. Для оценки надежности контактных соединений устанавливается гамма-процентный ресурс, если иное не установлено в стандартах или технических условиях на электротехнические устройства конкретных видов.
Нижнее значение гамма-процентного ресурса должно обеспечивать работу электротехнических устройств в соответствии с требованиями к надежности, установленными в стандартах или технических условиях на эти электротехнические устройства.
(Измененная редакция, Изм. № 1).
2.5. Требования безопасности
2.5.1. Контактные соединения в части требований безопасности должны соответствовать ГОСТ 12.2.007.0-75 и обеспечивать условия эксплуатации, установленные «Правилами технической эксплуатации установок потребителей» и «Правилами техники безопасности при эксплуатации электроустановок потребителей», утвержденными Госэнергонадзором 12 апреля 1969 г.
2.5.2. Контактные соединения в части требований пожарной безопасности должны соответствовать ГОСТ 12.1.004-91, что обеспечивается выполнением требований ГОСТ 10434-82.
(Введен дополнительно, Изм. № 3).
Справочное

а - сваркой или пайкой; б - со штыревым выводом сваркой; в - сваркой через переходную медно-алюминиевую пластину; г - соединение жил проводов (кабелей) через соединительную гильзу опрессовкой; д - соединение жилы провода (кабеля) с кабельным наконечником опрессовкой (сваркой, пайкой); е - соединение жил проводов в овальных соединителях
1 - плоский вывод (шина); 2 - шина; 3 - штыревой вывод; 4 - медно-алюминиевая пластина; 5 - провод (кабель); 6 - соединительная гильза; 7 - кабельный наконечник; 8 - овальный соединитель
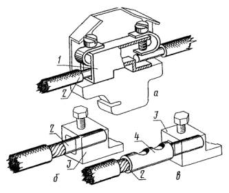
Справочное
Разборные контактные соединения проводников с плоскими выводами без средств стабилизации электрического сопротивления

а - с контргайкой; б - с пружинной шайбой; в - однопроволочная (многопроволочная) жила провода (кабеля) сеч. до 10 мм2 с изгибанием в кольцо; г - однопроволочная (многопроволочная) жила провода (кабеля) сеч. до 10 мм2 без изгибания в кольцо.
1 - плоский вывод (шина); 2 - шина (кабельный наконечник); 3, 4, 5 - шайба, болт и гайка стальные; 6 - пружинная шайба; 7 - винт; 8 - фасонная шайба (шайба-звездочка); 9 - провод (кабель); 10 - фасонная шайба (арочная шайба)
Черт. 1
Разборные контактные соединения проводников с плоскими выводами со средствами стабилизации электрического сопротивления

а - крепежом из цветного металла с контргайкой; б - крепежом из цветного металла с пружинной шайбой; в - стальным крепежом с тарельчатой пружиной; г - стальным крепежом с защитными металлическими покрытиями рабочих поверхностей с контргайкой (пружинной шайбой); д - стальным крепежом через переходную медно-алюминиевую пластину с контргайкой (пружинной шайбой); е - стальным крепежом через переходную пластину из твердого алюминиевого сплава с контргайкой (пружинной шайбой).
1 - плоский вывод (шина); 2 - шина (кабельный наконечник); 3 - 5 - шайба, болт, гайка из цветного металла; 6 - пружинная шайба; 7 - стальная гайка; 8 - стальной болт; 9 - тарельчатая пружина; 10 - стальная шайба (шайба увеличенная); 11 - стальная шайба; 12 - плоский вывод (шина) с защитным металлическим покрытием рабочей поверхности; 13 - шина (кабельный наконечник) с защитным металлическим покрытием рабочей поверхности; 14 - медно-алюминиевая пластина; 15 - пластина из твердого алюминиевого сплава
Черт. 2
Разборные контактные соединения проводников со штыревыми выводами без средств и со средствами стабилизации электрического сопротивления

а - проводник из меди, твердого алюминиевого сплава или алюминия с защитным металлическим покрытием рабочей поверхности; б, в, г - алюминиевый проводник; д - алюминиевый проводник через переходную медно-алюминиевую пластину; е - однопроволочная (многопроволочная) жила провода кабеля сеч. 10 мм2 с изгибанием в кольцо.
1-штыревой вывод из меди или латуни; 2 - гайка из меди или латуни; 3 - шина (кабельный наконечник) из меди, твердого алюминиевого сплава или алюминия с защитным металлическим покрытием рабочих поверхностей; 4 - стальная гайка; 5 - штыревой медный вывод; 6 - стальная шайба; 7 - алюминиевая шина (кабельный наконечник); 8 - штыревой латунный вывод; 9 - штыревой стальной вывод; 10 - тарельчатая пружина; 11 - медно-алюминиевая пластина; 12 - провод (кабель); 13 - пружинная шайба; 14 - фасонная шайба (шайба-звездочка)
Черт. 3
Разборные контактные соединения проводников с гнездовыми выводами

а, б - однопроволочная (многопроволочная, сплавленная в монолит) жила; в - многопроволочная жила, оконцованная кабельным наконечником.
1 - наборный зажим; 2 - провод (кабель); 3 - гнездовой вывод; 4 - кабельный наконечник штифтовой
Черт. 4
Рекомендуемое

1. Контакт-детали, имеющие два и более отверстий под болты в поперечном ряду, рекомендуется выполнять с продольными разрезами, как показано на чертеже.
2. Рабочие поверхности контакт-деталей разборных контактных соединений и неразборных контактных соединений с линейной арматурой непосредственно перед сборкой должны быть подготовлены:
медные без покрытия и алюмомедные - зачищены.
При зачистке алюмомедных проводов не должна быть повреждена медная оболочка;
алюминиевые и из алюминиевых сплавов - зачищены и смазаны нейтральной смазкой (вазелин КВЗ по ГОСТ 15975-70, ЦИАТИМ-221 по ГОСТ 9433-80 или другими смазками с аналогичными свойствами).
Рекомендуемое время между зачисткой и смазкой не более 1 ч;
рабочие поверхности, имеющие защитные металлические покрытия, - промыты органическим растворителем.
(Измененная редакция, Изм. № 3).
3. Рабочие поверхности медных контакт-деталей, соединяемых способом опрессовки, должны быть зачищены, если иное не указано в стандартах или технических условиях на конкретные виды электротехнических устройств.
Рабочие поверхности алюминиевых контакт-деталей должны быть зачищены и смазаны кварцевазелиновой пастой или другими смазками, пастами и компаундами с аналогичными свойствами.
4. Поверхности контакт-деталей, соединяемых сваркой или пайкой, должны быть предварительно зачищены, обезжирены или протравлены.
5. Расположение и размер отверстий под болты в контакт-деталях разборных контактных соединений рекомендуется принимать в соответствии с ГОСТ 21242-75.
По согласованию с потребителем допускается выполнение овальных отверстий.
(Введен дополнительно, Изм. № 2).
Рекомендуемое
Таблица 9
|
Диаметр резьбы, мм |
Крутящий момент, Н×м, для болтового соединения |
|
|
с шлицевой головкой (винты) |
с шестигранной головкой |
|
|
М3 |
0,5+0,1 |
- |
|
М3,5 |
0,8±0,2 |
|
|
М4 |
1,2±0,2 |
|
|
М5 |
2,0±0,4 |
7,5±1,0 |
|
М6 |
2,5±0,5 |
10,5±1,0 |
|
М8 |
- |
22,0±1,5 |
|
M10 |
30,0±1,5 |
|
|
М12 |
40,0±2,0 |
|
|
М16 |
60,0±3,0 |
|
|
М20 |
90,0±4,0 |
|
|
М24 |
130,0±5,0 |
|
|
М30 |
200,0±7,0 |
|
|
М36 |
240,0±10,0 |
|
Примечание. Для болтовых соединений проводников из меди и твердого алюминиевого сплава рекомендуется применять крутящие моменты, значения которых в 1,5 - 1,7 раза превышают установленные в таблице.
(Измененная редакция, Изм. № 3).
ИНФОРМАЦИОННЫЕ ДАННЫЕ
1. РАЗРАБОТАН И ВНЕСЕН Министерством монтажных и специальных строительных работ СССР
РАЗРАБОТЧИКИ
Н. Н. Дзекцер, канд. техн. наук (руководитель темы); В. Л. Фукс; О. В. Фесенко, канд. техн. наук
2. УТВЕРЖДЕН И ВВЕДЕН В ДЕЙСТВИЕ Постановлением Государственного комитета СССР по управлению качеством продукции и стандартам от 03.02.82 № 450
3. ВЗАМЕН ГОСТ 10434-76
4. ССЫЛОЧНЫЕ НОРМАТИВНО ТЕХНИЧЕСКИЕ ДОКУМЕНТЫ
|
Обозначение НТД, на который дана ссылка |
Номер пункта, перечисления, приложения |
|
ГОСТ 3057-90 |
2.1.7, перечисление 2 |
|
ГОСТ 7386-80 |
2.1.10; 2.l.11 |
|
ГОСТ 8024-90 |
|
|
ГОСТ 8865-87 |
|
|
ГОСТ 9433-80 |
|
|
ГОСТ 9581-80 |
|
|
ГОСТ 9688-82 |
|
|
ГОСТ 13276-79 |
|
|
ГОСТ 14312-79 |
Вводная часть |
|
ГОСТ 15543-70 |
|
|
ГОСТ 15975-70 |
Приложение 3 |
|
ГОСТ 17412-72 |
|
|
ГОСТ 17441-84 |
|
|
ГОСТ 17516-72 |
|
|
ГОСТ 18311-80 |
Вводная часть |
|
ГОСТ 19132-86 |
|
|
ГОСТ 19357-81 |
2.1.7, перечисление 4 |
|
ГОСТ 21242-75 |
Приложение 3 |
|
ГОСТ 21931-76 |
|
|
ГОСТ 22002.1-82 |
|
|
ГОСТ 22002.2-76 - ГОСТ 22002.4-76 |
|
|
ГОСТ 22002.5-76 |
|
|
ГОСТ 22002.6-82 |
|
|
ГОСТ 22002.7-76 - ГОСТ 22002.11-76 |
|
|
ГОСТ 22002.12-76 |
|
|
ГОСТ 22002.13-76 |
|
|
ГОСТ 22002.14-76 |
|
|
ГОСТ 23598-79 |
|
|
ГОСТ 24753-81 |
|
|
ГОСТ 25034-85 |
|
|
ГОСТ 34-13-11438-89 |
2.1.7, перечисление 4 |
5. Срок действия продлен до 01.01.96 Постановлением Государственного комитета СССР по управлению качеством продукции и стандартам от 25.05.90 № 1309
6. ПЕРЕИЗДАНИЕ (октябрь 1993 г.) с Изменениями № 1, 2, 3, утвержденными в апреле 1985 г., июне 1987 г., мае 1990 г. (ИУС 7-85, 10-87, 8-90)
СОДЕРЖАНИЕ
|
Приложение 1 Неразборные контактные соединения. 7 Приложение 2 Разборные контактные соединения. 7 Приложение 3 Требования к подготовке рабочих поверхностей контакт-деталей. 9 |