ГОСТ Р МЭК 60065-2002
ГОСУДАРСТВЕННЫЙ СТАНДАРТ РОССИЙСКОЙ ФЕДЕРАЦИИ
АУДИО-, ВИДЕО- И
АНАЛОГИЧНАЯ
ЭЛЕКТРОННАЯ АППАРАТУРА
Требования безопасности
ГОССТАНДАРТ РОССИИ
Москва
Предисловие
1 РАЗРАБОТАН Автономной некоммерческой организацией НТЦСЭ «ИСЭП» и Автономной некоммерческой организацией «СТАНДАРТ-СЕРТИС»
ВНЕСЕН Техническим комитетом по стандартизации ТК 400 «Безопасность аудио-, видео- и аналогичного электронного оборудования»
2 ПРИНЯТ И ВВЕДЕН В ДЕЙСТВИЕ Постановлением Госстандарта России от 21 февраля 2002 г. № 75-ст
3 Настоящий стандарт содержит полный аутентичный текст международного стандарта МЭК 60065 (1998), шестая редакция, «Аудио-, видео- и аналогичная электронная аппаратура. Требования безопасности»
4 ВВЕДЕН ВПЕРВЫЕ
СОДЕРЖАНИЕ
Общие принципы
МЭК (Международная электротехническая комиссия) является всемирной организацией по стандартизации, включающей все национальные комитеты (национальные комитеты МЭК). Целью МЭК является развитие международного сотрудничества по всем вопросам стандартизации в области электрической и электронной аппаратуры. По указанному и другим видам деятельности МЭК публикует международные стандарты. Их подготовка возлагается на технические комитеты. Любой национальный комитет МЭК, заинтересованный данным вопросом, может участвовать в этой подготовительной работе. Международные, правительственные и неправительственные организации, сотрудничающие с МЭК, также участвуют в подготовительной работе. МЭК тесно сотрудничает с Международной организацией по стандартизации (ИСО) в соответствии с условиями, определенными в соответствующем соглашении между двумя организациями.
Официальные решения или соглашения МЭК по техническим вопросам выражают, насколько это возможно, международное согласованное мнение по относящимся к делу вопросам, так как каждый технический комитет имеет представителей от всех заинтересованных национальных комитетов.
Выпускаемые документы имеют форму рекомендаций для международного использования и публикуются в виде стандартов, технических отчетов или руководств и принимаются национальными комитетами именно в таком понимании.
В целях содействия международной унификации (единой системе) национальные комитеты МЭК обязуются при разработке национальных и региональных стандартов брать за основу международные стандарты МЭК, насколько это позволяют условия данной страны. Любое расхождение между стандартами МЭК и соответствующими национальными или региональными стандартами должно быть ясно обозначено в последних.
МЭК не предусматривает процедуры маркировки и не несет ответственности за любое оборудование, заявленное на соответствие одному из стандартов МЭК.
Необходимо обратить внимание на то, что некоторые элементы настоящего международного стандарта могут являться предметом патентного права. МЭК не несет ответственности за установление любого такого патентного права.
Настоящий международный стандарт МЭК 60065 подготовлен Техническим комитетом МЭК ТК 92 «Безопасность аудио-, видео- и аналогичного электронного оборудования».
Настоящее шестое издание аннулирует и заменяет пятое издание, опубликованное в 1985 г., и принятые к нему изменения: 1-е (1987 г.), 2-е (1989 г.) и 3-е (1992 г.). Настоящее издание является техническим пересмотром. Это издание имеет статус публикации группы по безопасности в соответствии с Руководством МЭК 104.
Текст стандарта основан на следующих документах:
|
FDIS |
Отчет о голосовании |
|
92/60/FDIS |
92/61/RVD |
Полную информацию о голосовании по утверждению настоящего стандарта можно найти в отчете о голосовании, указанном выше в таблице.
В настоящем стандарте методы испытаний выделены курсивом, термины набраны прописными буквами.
Приложения N и Р - справочные.
Введение
Настоящее введение предназначено для понимания принципов, на которых базируются требования настоящего стандарта. Это необходимо для того, чтобы облегчить разработку и производство безопасной аппаратуры.
Требования настоящего стандарта предназначены для обеспечения защиты людей и окружающей среды.
Обращается внимание на то, что исходным принципом стандартизированных требований является необходимый минимум для обеспечения достаточного уровня безопасности.
Вследствие дальнейшего развития техники и технологий может возникнуть необходимость последующих изменений настоящего стандарта.
Примечание - Выражение «защита окружающей среды» включает также понятие «защита естественной окружающей среды», в которой находится аппаратура, предназначенная для использования, то есть, если говорить о жизненном цикле аппаратуры, это будет: производство, использование, обслуживание, размещение и возможное повторное использование частей аппаратуры в конце жизненного цикла.
Применение настоящего стандарта предназначено для разработки требований по предотвращению травм или повреждений из-за следующих опасных факторов:
- поражение электрическим током;
- воздействие высоких температур;
- воздействие излучения;
- последствия взрыва;
- механические опасности;
- воспламеняемость.
Поражение электрическим током возникает в результате прохождения электрического тока через тело человека. Токи порядка миллиампера могут вызвать определенную физиологическую реакцию у здоровых людей и могут вызвать вторичные опасности вследствие непроизвольной реакции. Токи более высоких значений могут оказывать более разрушительное действие. Напряжения ниже определенных значений обычно считаются неопасными в определенных условиях.
Для того, чтобы обеспечить защиту от возможных опасностей более высоких напряжений, появляющихся на частях, к которым можно прикоснуться, или частях ручного управления, необходимо их заземлить или соответствующим образом изолировать.
Части, к которым возможно прикосновение, обычно обеспечиваются двумя уровнями защиты от поражения электрическим током из-за неисправности. Таким образом, одна неисправность или любые последующие неисправности не будут создавать опасности.
Обеспечение дополнительных защитных мер, таких как дополнительная изоляция или защитное заземление, не рассматривается как замена или освобождение от необходимости должным образом спроектированной основной изоляции.
Ниже приведены примеры причин возникновения опасностей и способы их предотвращения.
|
Причина |
Предотвращение |
|
Контакты с частями, обычно находящимися под опасным напряжением |
Предотвратить доступ к частям с опасным напряжением применением постоянно закрепленных или запертых кожухов |
|
Пробой изоляции между частями, обычно находящимися под опасным напряжением и доступными частями |
Применить двойную либо усиленную изоляцию между частями, обычно находящимися под опасным напряжением, и доступными частями, так чтобы пробой не мог произойти, или соединить доступные части с защитным заземлением, чтобы напряжение, которое может появиться, было снижено до безопасного значения. Изоляция должна иметь достаточную (отвечающую требованиям) механическую и электрическую прочность |
|
Пробой изоляции между частями, находящимися под опасным напряжением, и цепями с неопасным напряжением, вследствие чего доступные части и соединители оказываются под опасным напряжением |
Разделить части, находящиеся под опасным напряжением, и доступные части либо двойной, либо усиленной изоляцией так, чтобы пробой не мог произойти, или соединить доступные части с защитным заземлением, чтобы напряжение, которое может появиться, было снижено до безопасного значения |
|
Воздействие тока от прикосновения к частям, находящимся под опасным напряжением, через тело человека. (Ток от прикосновения может включать ток, обусловленный компонентами фильтра радиопомех, подключенными между цепями сети электропитания, и доступными частями или соединителями) |
Ограничить ток от прикосновения до безопасного значения, либо обеспечить соединение доступных частей с защитным заземлением |
Воздействие высоких температур
Требования включены для: предотвращения травм от воздействия высоких температур на доступных частях, предотвращения повреждений изоляции от воздействия высоких внутренних температур, и предотвращения механической неустойчивости, вызываемой возникновением высоких температур внутри аппаратуры.
Воздействие излучения
Требования включены для предотвращения травм от высоких энергетических уровней лазерного излучения (например, ограничением излучения до безопасных значений).
Последствия взрыва
Требования включены для предотвращения травм от последствий взрыва кинескопов.
Механические опасности
Требования включены, чтобы гарантировать, что аппаратура и ее части имеют надежную механическую прочность и устойчивость, что она не имеет острых кромок и что предусмотрена охрана или блокировка опасных движущихся частей.
Воспламеняемость
Воспламеняемость может произойти в результате:
- перегрузок;
- неисправности компонента;
- пробоя изоляции;
- плохих соединений;
- дугового пробоя.
Требования включены для предотвращения любого возгорания, которое может произойти внутри аппаратуры и распространиться за пределы источника возгорания или вызвать повреждения вне аппаратуры.
Рекомендуется применение следующих предупредительных мер:
- использование подходящих компонентов и сборочных узлов;
- предотвращение высоких температур, которые могут вызвать воспламенение в нормальных режимах работы или при неисправностях;
- принятие мер, исключающих применение возможных источников воспламенения, таких как: не отвечающие требованиям контакты, плохие соединения, обрывы;
- ограничение количества используемых горючих материалов;
- проверка расположения горючих материалов относительно возможных источников воспламенения;
- применение материалов с высокой сопротивляемостью к воспламенению около потенциальных источников возгорания;
- применение герметизации или перегородок для ограничения распространения пламени внутри аппаратуры;
- использование материалов с достаточной огнестойкостью для изготовления кожуха.
ГОСУДАРСТВЕННЫЙ СТАНДАРТ РОССИЙСКОЙ ФЕДЕРАЦИИ
|
АУДИО-, ВИДЕО- И АНАЛОГИЧНАЯ ЭЛЕКТРОННАЯ АППАРАТУРА Требования безопасности Audio-, video- and similar electronic apparatus. Safety requirements |
Дата введения 2002-07-01
Настоящий стандарт устанавливает нормы, правила и методы испытаний, являющиеся общими для всей аудио-, видео- и аналогичной аппаратуры.
При отсутствии стандарта на конкретный тип аудио-, видео- и аналогичную аппаратуру допускается распространять действие настоящего стандарта (насколько это приемлемо) на этот конкретный тип.
Требования настоящего стандарта являются обязательными.
Для указанной выше аппаратуры, которая получает электроэнергию от источников, отличных от СЕТИ или ИСТОЧНИКОВ ПИТАНИЯ, и которая содержит ЛАЗЕРНЫЕ СИСТЕМЫ или вырабатывает внутреннее РАБОЧЕЕ НАПРЯЖЕНИЕ, превышающее 4000 В (амплитудное значение), настоящий стандарт применяется насколько это приемлемо.
Примечание 1 - В Австралии, Канаде, Дании, Японии, Румынии, Южной Африке, Соединенных Штатах Америки и Великобритании настоящий стандарт применяется, где это приемлемо, как руководство для испытаний аппаратуры, работающей на батареях.
Настоящий стандарт распространяется на указанную выше аппаратуру, предназначенную для подключения к ТЕЛЕКОММУНИКАЦИОННОЙ СЕТИ или аналогичным сетям, например, с помощью встроенного модема.
Некоторыми примерами аппаратуры, относящейся к области применения настоящего стандарта, являются:
- приемная аппаратура и усилители звука и/или изображения;
- автономные ПРЕОБРАЗОВАТЕЛИ НАГРУЗКИ и ИСТОЧНИКИ СИГНАЛА;
- ИСТОЧНИК ПИТАНИЯ, предназначенный для питания аппаратуры, относящейся к области применения настоящего стандарта;
- ЭЛЕКТРОННЫЕ МУЗЫКАЛЬНЫЕ ИНСТРУМЕНТЫ и электронные принадлежности, такие как генераторы ритма, генераторы тона, устройства обработки звука и прочие, для использования с электронными или неэлектронными музыкальными инструментами, а именно:
- звуковая и/или видео аппаратура учебного назначения;
- видеопроекторы;
- видеокамеры и видеомониторы;
- видеоигры и игры типа «флиппер».
Примечание 2 - Видеоигры и игры типа «флиппер» для коммерческого использования относятся к области применения МЭК 60335-2-56 и МЭК 60335-2-82 (см. приложение Р);
- автоматические электропроигрыватели;
- электронные игровые машины и машины, ведущие подсчет очков.
Примечание 3 - Электронные игровые машины и машины, ведущие подсчет очков для коммерческого использования, относятся к области применения МЭК 60335-2;
- оборудование телетекста;
- проигрыватели грампластинок и оптических дисков;
- магнитофоны и устройства записи на оптических дисках;
- антенные конверторы и усилители;
- аппаратура управления положением антенны;
- аппаратура персональной радиосвязи;
- аппаратура для получения ИЗОБРАЖЕНИЯ;
- аппаратура световых эффектов;
-аппаратура системы внутренней связи, использующая СЕТИ низковольтных напряжений как передающую среду.
1.1.2 Настоящий стандарт распространяется на аппаратуру, предназначенную для питания от сети с НОМИНАЛЬНЫМ НАПРЯЖЕНИЕМ ПИТАНИЯ, не превышающим:
- 250 В переменного однофазного или постоянного напряжения;
- 433 В переменного напряжения в случае аппаратуры, подключаемой к сети питания, содержащей более одной фазы.
1.1.3 Настоящий стандарт распространяется на аппаратуру, предназначенную для использования на высотах не более 2000 м над уровнем моря, главным образом в сухих помещениях и в регионах с умеренным или тропическим климатом.
Для аппаратуры, имеющей защиту от брызг воды, дополнительные требования приведены в приложении А.
Для аппаратуры, предназначенной для подключения к ТЕЛЕКОММУНИКАЦИОННЫМ СЕТЯМ, дополнительные требования приведены в приложении В.
Для аппаратуры, предназначенной для использования на наземном транспорте, судах или в авиации, а также на высотах более 2000 м над уровнем моря, могут быть необходимы дополнительные требования.
Для аппаратуры, предназначенной для использования в специальных условиях, могут понадобиться дополнительные требования.
1.1.4 Для аппаратуры, разработанной для питания от СЕТИ, данный стандарт предполагает питание от СЕТИ с перенапряжением от переходных процессов, не превышающим уровень перенапряжения категории II по МЭК 60664-1.
Для аппаратуры, подверженной перенапряжениям от переходных процессов, превышающим уровень перенапряжений категории II, может быть необходима дополнительная защита СЕТЕВОГО ПИТАНИЯ.
1.1.5 Настоящий стандарт не распространяется на следующую аппаратуру, за исключением случаев, где на настоящий стандарт имеется ссылка в стандарте, распространяющемся на данную аппаратуру:
- аппаратура, указанная в области применения МЭК 60950;
- диктофоны (или другие аналогичные устройства);
- проекторы, не перечисленные в 1.1.1, например, кинопроекторы, диапроекторы, пространственные проекторы, эпидиаскопы.
* Оригиналы международных стандартов ИСО/МЭК - во ВНИИКИ Госстандарта России.
В настоящем стандарте применяются ссылки на следующие международные** стандарты:
** Перечень соответствующих межгосударственных стандартов и национальных стандартов РФ приведен в приложении 1.
МЭК 60027 (Все части) Буквенные обозначения, которые должны применяться в электротехнической технологии
МЭК 60038 (1983) Стандартные напряжения МЭК
МЭК 60068-2-3 (1969) Климатические испытания. Испытание Са. Влажное тепло, устойчивое состояние
МЭК 60068-2-6 (1995) Климатические испытания. Испытание Fc. Вибрация (синусоидальная)
МЭК 60068-2-32 (1975) Климатические испытания. Испытание Ed. Свободное падение (Процедура 1)
МЭК 60068-2-75 (1997) Климатические испытания. Испытание Eh. Испытания молотком
МЭК 60083 (1977) Штепсели и розетки бытового и аналогичного назначения
МЭК 60085 (1984) Определение температуры и классификация электрической изоляции
МЭК 60112 (1979) Метод определения сравнительного и контрольного индексов трекингостойкости твердых изоляционных материалов во влажной среде
МЭК 60127 (Все части) Миниатюрные плавкие предохранители
МЭК 60127-6 (1994) Миниатюрные плавкие предохранители. Часть 6. Держатели предохранителей для миниатюрных плавких вставок
МЭК 60130-2 (1965) Соединители на частоты до 3 Мгц. Часть 2. Соединители для радиоприемников и применяемой с ними акустической аппаратуры
МЭК 60130-8 (1976) Соединители на частоты до 3 Мгц. Часть 8. Концентрические соединители для соединения звуковых цепей в радиоприемниках
МЭК 60130-9 (2000) Соединители на частоты до 3 Мгц. Часть 9. Цилиндрические соединители для радиоаппаратуры и связанной с ней акустической аппаратуры
МЭК 60167 (1964) Методы испытаний для определения сопротивления изоляции твердых изоляционных материалов
МЭК 60169-2 (1965) Соединители радиочастотные. Часть 2. Коаксиальные несогласованные усилители
МЭК 60169-3 (1965) Соединители радиочастотные. Часть 3. Двухштырьковые соединители для двухпроводных фидеров симметричных антенн
МЭК 60173 (1964) Цветовая маркировка жил гибких кабелей и шнуров
МЭК 60227 (Все части) Кабели с поливинилхлоридной изоляцией на номинальное напряжение до 450/750 В включительно
МЭК 60227-2 (1997) Кабели с поливинилхлоридной изоляцией на номинальное напряжение до 450/750 В включительно. Методы испытаний
МЭК 60245 (Все части) Кабели с резиновой изоляцией на номинальные напряжения до 450/750 В включительно
МЭК 60249-2 (Все части) Основные материалы для печатных плат. Характеристики
МЭК 60260 (1968) Камеры испытательные неинжекционного типа для получения постоянной относительной влажности
МЭК 60268-1 (1985) Оборудование звуковых систем. Общие положения
МЭК 60317 (Все части) Характеристики специальных типов намоточных проводов
МЭК 60320 (Все части) Соединители бытового и аналогичного назначения
МЭК 60320-1 (1994) Соединители бытового и аналогичного назначения. Технические требования и методы испытаний
МЭК 60320-2-2 (1998) Межблочные соединители бытового и аналогичного назначения
МЭК 60335-1 (1991) Безопасность бытовых и аналогичных электрических приборов. Общие требования
МЭК 60384-1 (1982) Конденсаторы постоянной емкости для использования в электронном оборудовании. Общие характеристики
МЭК 60384-14 (1993) Конденсаторы постоянной емкости для использования в электронном оборудовании. Частные характеристики. Конденсаторы постоянной емкости для подавления электромагнитных помех и подключения к сети электропитания
МЭК 60417 (Все части) Графические символы для использования на оборудовании. Указатели, различимость и содержание отдельных этикеток
МЭК 60417-2 (1998) Графические символы для использования на оборудовании. Оригинальные символы
МЭК 60454 (Все части) Характеристики восприимчивых к давлению липких лент для электрических целей
МЭК 60529 (1989) Степени защиты, обеспечиваемые кожухами (IP код)
МЭК 60536 (1976) Классификация электрического и электронного оборудования по степени защиты от поражения электрическим током
МЭК 60536-2 (1992) Указания к требованиям по защите от поражения электрическим током
МЭК 60664-1 (1992) Согласование изоляции для оборудования, находящегося в пределах низковольтных систем. Принципы, требования и испытания
МЭК 60664-3 (1992) Согласование изоляции для оборудования, находящегося в пределах низковольтных систем. Использование покрытий для достижения согласования изоляции сборок печатных плат
МЭК 60691 (1993) Термопредохранители. Требования и руководство по применению
МЭК 60695 (Все части) Испытания на пожароопасность
МЭК 60695-2-2 (1991) Испытания на пожароопасность. Методы испытаний. Испытания горелкой с игольчатым пламенем
МЭК 60707 (1981) Методы испытания для определения воспламеняемости твердых электроизоляционных материалов при воздействии на них источника возгорания
МЭК 60730 (Все части) Автоматические электрические устройства управления для бытового и аналогичного применения. (Все части)
МЭК 60730-1 (1993) Автоматические электрические устройства управления для бытового и аналогичного применения. Общие требования и методы испытаний
МЭК 60738 (Все части) Терморезисторы прямого подогрева с положительным температурным коэффициентом сопротивления
МЭК 60825-1 (1993) Безопасность лазерной аппаратуры. Классификация оборудования, требования и руководство для пользователей
МЭК 60884 (Все части) Вилки и розетки бытового и аналогичного назначения
МЭК 60885-1 (1987) Электротехнические методы испытаний для электрических кабелей. Электротехнические испытания кабелей, шнуров и проводов на напряжение до 450/750 В включительно
МЭК 60906 (Все части) Система МЭК вилок и розеток бытового и аналогичного назначения
МЭК 60906-1 (1986) Вилки и розетки 16 А, 260 В переменного тока
МЭК 60950 (1991) Безопасность оборудования информационных технологий
МЭК 60990 (1990) Методы измерений тока от прикосновения и тока защитного провода
МЭК 60998-2-2 (1991) Соединители низковольтных цепей бытового и аналогичного назначения. Частные требования для соединителей как отдельных элементов с безвинтовыми фиксирующими узлами
МЭК 60999 (Все части) Соединители. Требования безопасности винтовых и безвинтовых фиксирующих узлов для медных электропроводов
МЭК 61032 (1997) Испытательные щупы для проверки защиты посредством кожухов
МЭК 61058-1 (1996) Коммутирующие устройства для аппаратуры. Общие требования
МЭК 61149 (1995) Руководство для безопасного управления и обслуживания передвижного радиоэлектронного оборудования
МЭК 61260 (1995) Электроакустика. Октавные и дробно-октавные фильтры
МЭК 61293 (1994) Маркировка электрического оборудования с номиналами, относящимися к электропитанию. Требования безопасности.
ИСО 261 (1973) Резьба метрическая ИСО общего назначения. Основные параметры
ИСО 262 (1973) Резьба метрическая ИСО общего назначения. Выборочные размеры винтов, болтов и гаек
ИСО 306 (1994) Пластмассы. Термопластические материалы. Определение температуры размягчения по методу Вика
ИСО 1043-1 (1997) Пластмассы. Обозначение и краткие характеристики. Часть 1. Основные полимеры и их специальные характеристики
ИСО 7000 (1989) Графические символы для нанесения на оборудование. Указатели и обзорные сведения
В настоящем стандарте применяются следующие термины с соответствующими определениями.
2.1 Перечень терминов в алфавитном порядке
ВРУЧНУЮ 2.8.4
ВСЕПОЛЮСНЫЙ СЕТЕВОЙ ВЫКЛЮЧАТЕЛЬ 2.7.11
ВЫКЛЮЧАТЕЛЬ С ТЕПЛОВЫМ РАСЦЕПЛЕНИЕМ 2.7.4
ДВОЙНАЯ ИЗОЛЯЦИЯ 2.6.4
ДЕЖУРНЫЙ РЕЖИМ 2.8.8
ДЕЙСТВИТЕЛЬНАЯ МОЩНОСТЬ 2.3.7
ДИСТАНЦИОННОЕ УПРАВЛЕНИЕ 2.2.9
ДОПОЛНИТЕЛЬНАЯ ИЗОЛЯЦИЯ 2.6.5
ДОСТУПНАЯ (ЫЙ) 2.7.8.3
ЗАЗОР 2.6.11
ЗАЩИТНАЯ БЛОКИРОВКА 2.7.9
ЗАЩИТНОЕ РАЗДЕЛЕНИЕ 2.6.7
ЗАЩИТНОЕ ЭКРАНИРОВАНИЕ 2.6.8
ИЗОЛИРУЮЩИЙ ТРАНСФОРМАТОР 2.7.1
ИСТОЧНИК ПИТАНИЯ 2.2.3
ИСТОЧНИК ПИТАНИЯ ОБЩЕГО НАЗНАЧЕНИЯ 2.2.4
КВАЛИФИЦИРОВАННОЕ ЛИЦО 2.8.5
КЛАСС I 2.6.1
КЛАСС II 2.6.2
КЛЕММА ЗАЩИТНОГО ЗАЗЕМЛЕНИЯ 2.4.6
ЛАЗЕР 2.2.7
ЛАЗЕРНАЯ СИСТЕМА 2.2.6
МАТЕРИАЛ НА ДРЕВЕСНОЙ ОСНОВЕ 2.8.9
МЕХАНИЧЕСКИЙ ВЫКЛЮЧАТЕЛЬ, УПРАВЛЯЕМЫЙ ВРУЧНУЮ 2.7.10
МИКРОРАЗЪЕДИНИТЕЛЬ 2.7.7
НАПРЯЖЕНИЕ БЕЗ ПУЛЬСАЦИЙ 2.3.3
НЕИСКАЖЕННАЯ ВЫХОДНАЯ МОЩНОСТЬ 2.3.4
НЕПОСРЕДСТВЕННОЕ СОЕДИНЕНИЕ С СЕТЬЮ 2.4.3
НОМИНАЛЬНОЕ НАПРЯЖЕНИЕ ПИТАНИЯ 2.3.1
НОМИНАЛЬНОЕ ПОЛНОЕ СОПРОТИВЛЕНИЕ НАГРУЗКИ 2.3.5
НОМИНАЛЬНЫЙ ТОК ПОТРЕБЛЕНИЯ 2.3.6
ОБУЧЕННОЕ ЛИЦО 2.8.6
ОПАСНЫЕ ДЛЯ ЖИЗНИ 2.6.10
ОСНОВНАЯ ИЗОЛЯЦИЯ 2.6.3
ПЕРЕДВИЖНОЙ АППАРАТ 2.2.11
ПЕРИОДИЧЕСКОЕ ИСПЫТАНИЕ 2.8.2
ПЕЧАТНАЯ ПЛАТА 2.7.12
ПОЛЬЗОВАТЕЛЬ 2.8.7
ПОРТАТИВНЫЙ АППАРАТ 2.2.10
ПОСТОЯННО ПОДКЛЮЧЕННАЯ АППАРАТУРА 2.4.2
ПОТЕНЦИАЛЬНЫЙ ИСТОЧНИК ВОСПЛАМЕНЕНИЯ 2.8.11
ПРЕОБРАЗОВАТЕЛЬ ВХОДНЫХ СИГНАЛОВ 2.5.3
ПРЕОБРАЗОВАТЕЛЬ ВЫХОДНЫХ СИГНАЛОВ 2.5.4
ПРОТИВОПОЖАРНЫЙ КОЖУХ 2.8.10
ПУТЬ УТЕЧКИ 2.6.12
РАБОЧЕЕ НАПРЯЖЕНИЕ 2.3.2
РАЗДЕЛИТЕЛЬНЫЙ ТРАНСФОРМАТОР 2.7.2
РАЗЪЕДИНИТЕЛЬ НЕЗАВИСИМОГО ДЕЙСТВИЯ 2.7.6
РОЗОВЫЙ ШУМ 2.5.1
СЕТЬ 2.4.1
СИГНАЛ ШУМА 2.5.2
СОЕДИНЕНИЕ С СЕТЬЮ 2.4.4
СОЕДИНИТЕЛЬ (КЛЕММА) 2.4.5
СПЕЦИАЛЬНЫЙ ИСТОЧНИК ПИТАНИЯ 2.2.5
ТЕЛЕКОММУНИКАЦИОННАЯ СЕТЬ 2.4.7
ТЕПЛОВОЕ РАЗМЫКАЮЩЕЕ УСТРОЙСТВО 2.7.3
ТЕРМОПЛАВКИЙ ПРЕДОХРАНИТЕЛЬ 2.7.5
ТЕРМОРЕЗИСТОР С ПОЛОЖИТЕЛЬНЫМ ТЕМПЕРАТУРНЫМ КОЭФФИЦИЕНТОМ 2.7.8
ТИПОВОЕ ИСПЫТАНИЕ 2.8.1
ТОКОПРОВОДЯЩИЙ РИСУНОК 2.7.13
ТОК ОТ ПРИКОСНОВЕНИЯ 2.6.9
УСИЛЕННАЯ ИЗОЛЯЦИЯ 2.6.6
УСИЛИТЕЛЬ ЗВУКОВОЙ ЧАСТОТЫ 2.2.1
ФОРМИРОВАНИЕ СИГНАЛОВ ИЗОБРАЖЕНИЯ 2.2.8
ЭЛЕКТРОННЫЙ МУЗЫКАЛЬНЫЙ ИНСТРУМЕНТ 2.2.2
2.2 Определения терминов на типы аппаратуры
2.2.1 УСИЛИТЕЛЬ ЗВУКОВОЙ ЧАСТОТЫ
Автономный аппарат или часть аппарата, к которому применим настоящий стандарт, предназначенный для усиления сигналов звуковой частоты.
2.2.2 ЭЛЕКТРОННЫЙ МУЗЫКАЛЬНЫЙ ИНСТРУМЕНТ
Электронное устройство, такое как электронный орган, электронное пианино или музыкальный синтезатор, которое воспроизводит музыку под управлением музыканта.
Аппарат, получающий энергию от СЕТИ и питающий один или несколько других аппаратов.
2.2.4 ИСТОЧНИК ПИТАНИЯ ОБЩЕГО НАЗНАЧЕНИЯ
ИСТОЧНИК ПИТАНИЯ, который может быть использован без специальных мер не только для питания аппаратуры, относящейся к области применения настоящего стандарта, но и к другим устройствам или аппаратам, например, карманным калькуляторам.
2.2.5 СПЕЦИАЛЬНЫЙ ИСТОЧНИК ПИТАНИЯ
ИСТОЧНИК ПИТАНИЯ, предназначенный для питания только специальной аппаратуры, относящейся к области применения настоящего стандарта.
ЛАЗЕР в сочетании с соответствующим источником лазерной энергии, включающим дополнительные компоненты или без них (см. 3.44 МЭК 60825-1).
Устройство, которое может быть предназначено для выработки или усиления электромагнитного излучения в диапазоне длин волн от 180 м-9 до 1 м-3, главным образом, благодаря процессу управляемой индуцированной эмиссии (см. 3.36 МЭК 60825-1).
2.2.8 ФОРМИРОВАНИЕ СИГНАЛОВ ИЗОБРАЖЕНИЯ
Обработка, редактирование, манипулирование и/или накопление, хранение видеосигналов.
2.2.9 ДИСТАНЦИОННОЕ УПРАВЛЕНИЕ
Управление аппаратом на расстоянии, например, механическим, электрическим, акустическим способами или с помощью излучения.
Специальный аппарат, сконструированный для свободной переноски ВРУЧНУЮ, масса которого не превышает 18 кг.
Аппарат, специально сконструированный для часто повторяющихся перемещений с одного места на другое.
2.3 Определения терминов на номинальные параметры и электрические величины
2.3.1 НОМИНАЛЬНОЕ НАПРЯЖЕНИЕ ПИТАНИЯ
Напряжение питания или диапазон напряжений (в случае питания от трехфазной сети - напряжение между фазами), на которое аппарат рассчитан производителем.
Наибольшее напряжение, без учета неповторяющихся переходных процессов, которому подвергается или может быть подвергнута рассматриваемая изоляция во время работы аппарата при НОМИНАЛЬНОМ НАПРЯЖЕНИИ ПИТАНИЯ в нормальных условиях эксплуатации.
2.3.3 НАПРЯЖЕНИЕ БЕЗ ПУЛЬСАЦИИ
Напряжение постоянного тока, среднеквадратическое значение пульсаций которого составляет не более 10 % значения постоянной составляющей напряжения. Максимальное пиковое значение напряжения не превышает 140 В для систем постоянного тока без пульсаций номинальным напряжением 120 В и 70 В - для систем постоянного тока без пульсаций номинальным напряжением 60 В.
2.3.4 НЕИСКАЖЕННАЯ ВЫХОДНАЯ МОЩНОСТЬ
Мощность сигнала синусоидальной формы, рассеиваемая на НОМИНАЛЬНОМ ПОЛНОМ СОПРОТИВЛЕНИИ НАГРУЗКИ и измеренная на частоте 1000 Гц в начале ограничения одного либо обоих пиков сигнала.
В тех случаях, когда усилитель не предназначен для работы на частоте 1000 Гц, испытание необходимо проводить на частоте, при которой усилитель имеет максимальную амплитуду выходного сигнала.
2.3.5 НОМИНАЛЬНОЕ ПОЛНОЕ СОПРОТИВЛЕНИЕ НАГРУЗКИ
Сопротивление, указанное изготовителем, к которому должна быть подключена выходная схема.
2.3.6 НОМИНАЛЬНЫЙ ТОК ПОТРЕБЛЕНИЯ
Ток потребления аппарата, работающего при НОМИНАЛЬНОМ НАПРЯЖЕНИИ ПИТАНИЯ в нормальных условиях эксплуатации.
Максимальная мощность, которая может быть получена от питающей цепи при сопротивлении нагрузки, выбранном по максимальному значению мощности за время более 2 мин при отключенной цепи, получающей электропитание (см. рисунок 1).
2.4 Электропитание и внешние соединения
Источник электроэнергии номинальным напряжением более 35 В (амплитудное значение) переменного или постоянного тока, который используется не только для питания аппаратуры, указанной в 1.1.1.
2.4.2 ПОСТОЯННО ПОДКЛЮЧЕННАЯ АППАРАТУРА
Аппаратура, предназначенная для подключения к СЕТИ посредством соединения, которое не может быть разъединено ВРУЧНУЮ.
2.4.3 НЕПОСРЕДСТВЕННОЕ СОЕДИНЕНИЕ С СЕТЬЮ
Электрическое соединение с сетью, выполненное таким образом, что при его подсоединении к одному из полюсов СЕТИ в соединении возникает ток, равный или более 9 А, при этом защитные устройства аппарата не замыкаются накоротко.
Примечание - Ток 9 А выбран как минимальный ток срабатывания плавкого предохранителя на номинальное значение тока 6 А.
Электрическое соединение с сетью, сделанное таким образом, что при его подсоединении к одному из полюсов СЕТИ через резистор сопротивлением 2000 Ом в этом резисторе возникнет продолжительный ток более 0,7 А (пиковое значение), при этом аппарат не подключается к заземлению.
Часть аппарата, с помощью которой осуществляют соединение с внешними проводниками или другими аппаратами. Соединитель может иметь различное количество контактов.
2.4.6 КЛЕММА ЗАЩИТНОГО ЗАЗЕМЛЕНИЯ
КЛЕММА, с которой соединены части аппаратуры, которые должны быть заземлены в целях безопасности.
2.4.7 ТЕЛЕКОММУНИКАЦИОННАЯ СЕТЬ
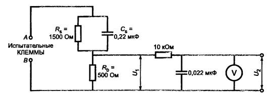
Цепь, оканчивающаяся металлическим контактом, предназначенная для передачи ТЕЛЕКОММУНИКАЦИОННЫХ СИГНАЛОВ звука, информации или другой связи. ТЕЛЕКОММУНИКАЦИОННЫЕ СЕТИ могут быть общедоступными или частными. Они могут подвергаться перенапряжениям от переходных процессов, вызываемых атмосферными разрядами или неисправностями в энергосистемах.
Примечание - Для снижения риска от перенапряжений свыше 1,5 кВ (пиковое значение), которые могут возникать в аппарате, должны быть приняты меры по МТС (Международный Телекоммуникационный Союз) Рекомендации К. 11 (см. приложение Р).
Исключением являются:
- СЕТЕВЫЕ системы для снабжения, передачи и распределения электроэнергии, используемые в качестве промежуточных звеньев телекоммуникационной сети.
- кабельные системы для распределения телевизионных сигналов;
- общественные или частные мобильные системы радиосвязи;
- системы радиопейджинговой связи.
2.5 Сигналы, источники нагрузки
СИГНАЛ ШУМА,
энергия которого на единицу ширины полосы частот
обратно
пропорциональна частоте.
Устойчивый хаотический сигнал, имеющий нормальное вероятностное распределение мгновенных значений, если иначе не установлено, равен нулю.
2.5.3 ПРЕОБРАЗОВАТЕЛЬ ВХОДНЫХ СИГНАЛОВ
Устройство, предназначенное для преобразования энергии неэлектрического сигнала в электрическую энергию.
Примечание - Примерами таких устройств являются: микрофон, формирователь сигналов изображения, магнитная воспроизводящая головка, лазерная воспроизводящая головка.
2.5.4 ПРЕОБРАЗОВАТЕЛЬ ВЫХОДНЫХ СИГНАЛОВ
Устройство, предназначенное для преобразования энергии электрического сигнала в энергию другого вида.
Примечание - Примерами таких устройств являются: громкоговоритель, кинескоп, жидкокристаллический дисплей, магнитная записывающая головка
2.6 Защита от поражения электрическим током, изоляция
Конструкция аппарата, в которой защита от поражения электрическим током осуществляется не только посредством ОСНОВНОЙ ИЗОЛЯЦИИ, но и включает дополнительные меры безопасности, предусматривающие подключение ДОСТУПНЫХ токопроводящих частей к защитному (заземляющему) проводу в фиксированной проводке аппарата таким образом, чтобы ДОСТУПНЫЕ токопроводящие части не могли стать ОПАСНЫМИ ДЛЯ ЖИЗНИ в случае повреждения ОСНОВНОЙ ИЗОЛЯЦИИ (см. 3.2 МЭК 60536).
Примечание - Аппарат такой конструкции может иметь части, относящиеся к КЛАССУ II.
2.6.2 КЛАСС II
Конструкция аппарата, в которой защита от поражения электрическим током осуществляется не только посредством ОСНОВНОЙ ИЗОЛЯЦИИ, но и включает дополнительные меры безопасности, такие как использование ДВОЙНОЙ ИЗОЛЯЦИИ или УСИЛЕННОЙ ИЗОЛЯЦИИ. Эти меры не предусматривают подключение защитного заземления или выполнение специальных условий монтажа (см. 3.3 МЭК 60536)
Изоляция ОПАСНЫХ ДЛЯ ЖИЗНИ частей, обеспечивающая основную защиту от поражения электрическим током.
Примечание - ОСНОВНАЯ ИЗОЛЯЦИЯ необязательно должна включать в себя изоляцию, используемую исключительно для функциональных целей.
Изоляция, включающая как ОСНОВНУЮ ИЗОЛЯЦИЮ, так и ДОПОЛНИТЕЛЬНУЮ ИЗОЛЯЦИЮ (см. 2.3 МЭК 60536)
Независимая изоляция, дополняющая ОСНОВНУЮ ИЗОЛЯЦИЮ и служащая для защиты от поражения электрическим током в случае пробоя ОСНОВНОЙ ИЗОЛЯЦИИ (см. 2.2 МЭК 60536)
Единая система изоляции ОПАСНЫХ ДЛЯ ЖИЗНИ частей, обеспечивающая степень защиты от поражения электрическим током, эквивалентную ДВОЙНОЙ ИЗОЛЯЦИИ.
Примечание - УСИЛЕННАЯ ИЗОЛЯЦИЯ может включать несколько слоев, которые не могут быть испытаны отдельно как ОСНОВНАЯ ИЗОЛЯЦИЯ или как ДОПОЛНИТЕЛЬНАЯ ИЗОЛЯЦИЯ.
Разделение между цепями посредством основной и дополнительной защиты (ОСНОВНАЯ ИЗОЛЯЦИЯ плюс ДОПОЛНИТЕЛЬНАЯ ИЗОЛЯЦИЯ или плюс ЗАЩИТНОЕ ЭКРАНИРОВАНИЕ) или равноценное обеспечение защиты, например, посредством УСИЛЕННОЙ ИЗОЛЯЦИИ (см. 2.9 МЭК 60536-2)
Отделение от ОПАСНЫХ ДЛЯ ЖИЗНИ частей посредством проводящих экранов, соединенных с КЛЕММОЙ ЗАЩИТНОГО ЗАЗЕМЛЕНИЯ.
Ток, проходящий через тело человека при прикосновении к одной или более ДОСТУПНЫМ частям аппаратуры при нормальных рабочих условиях или при неисправностях.
Условия с такими электрическими параметрами объекта, при которых может возникнуть опасный ТОК ОТ ПРИКОСНОВЕНИЯ (см. 9.1.1).
Кратчайшее расстояние между двумя токопроводящими частями в воздухе.
Кратчайшее расстояние между двумя токопроводящими частями, измеренное по внешней поверхности изоляционного материала.
2.7 Компоненты
2.7.1 ИЗОЛИРУЮЩИЙ ТРАНСФОРМАТОР
Трансформатор, имеющий ЗАЩИТНОЕ РАЗДЕЛЕНИЕ между входной и выходной обмотками.
2.7.2 РАЗДЕЛИТЕЛЬНЫЙ ТРАНСФОРМАТОР
Трансформатор, у которого входные обмотки отделены от выходных обмоток, по крайней мере, с помощью ОСНОВНОЙ ИЗОЛЯЦИИ.
Примечание - Такие трансформаторы могут иметь части, удовлетворяющие требованиям ИЗОЛИРУЮЩИХ ТРАНСФОРМАТОРОВ.
2.7.3 ТЕПЛОВОЕ РАЗМЫКАЮЩЕЕ УСТРОЙСТВО
Устройство, предотвращающее сохранение чрезмерно высоких температур в определенных частях аппарата путем отключения этих частей от их источника питания.
Примечание - ТЕРМОРЕЗИСТОРЫ С ПОЛОЖИТЕЛЬНЫМ ТЕПЛОВЫМ КОЭФФИЦИЕНТОМ (см. 2.7.8) не являются ТЕПЛОВЫМИ ВЫКЛЮЧАЮЩИМИ АВТОМАТАМИ в смысле этого определения.
2.7.4 ВЫКЛЮЧАТЕЛЬ С ТЕПЛОВЫМ РАСЦЕПЛЕНИЕМ
ТЕПЛОВОЕ РАЗМЫКАЮЩЕЕ УСТРОЙСТВО с возвратом в исходное положение, не имеющее средств установки температуры срабатывания ПОЛЬЗОВАТЕЛЕМ.
Примечание - ВЫКЛЮЧАТЕЛЬ С ТЕПЛОВЫМ РАСЦЕПЛЕНИЕМ может быть с автоматическим или ручным возвратом в исходное положение.
2.7.5 ТЕРМОПЛАВКИЙ ПРЕДОХРАНИТЕЛЬ
ТЕПЛОВОЕ РАЗМЫКАЮЩЕЕ УСТРОЙСТВО без возврата в исходное положение, которое действует только один раз, после чего требуется полная или частичная его замена.
2.7.6 РАЗЪЕДИНИТЕЛЬ НЕЗАВИСИМОГО ДЕЙСТВИЯ
Автоматический разъединитель с элементами возвратного действия, сконструированный таким образом, что его автоматическое действие не зависит от манипуляции или положения механизма возврата.
Устройство, имеющее контакт разъединения, необходимый для обеспечения функциональной безопасности.
Примечание - Существует требование по электрической прочности промежутка между контактами, но нет требований к его размерам.
2.7.8 ТЕРМОРЕЗИСТОР С ПОЛОЖИТЕЛЬНЫМ ТЕМПЕРАТУРНЫМ КОЭФФИЦИЕНТОМ
Термочувствительный полупроводниковый резистор, который проявляет скачкообразное увеличение своего сопротивления при возрастании температуры до определенного значения. Изменение температуры происходит либо при протекании тока через термочувствительный элемент, либо вследствие изменения окружающей температуры, либо при сочетании обоих факторов.
Средства, которые либо предотвращают доступ к опасной зоне, пока опасность существует, либо автоматически устраняют опасные условия при осуществлении доступа.
2.7.10 МЕХАНИЧЕСКИЙ ВЫКЛЮЧАТЕЛЬ, УПРАВЛЯЕМЫЙ ВРУЧНУЮ
Управляемое ВРУЧНУЮ устройство, не содержащее полупроводниковых приборов, расположенное в любой цепи аппарата, которая может прерывать предполагаемые функции, такие как звук и/или изображение, посредством перемещения контактов.
Примечание - Примерами МЕХАНИЧЕСКИХ ВЫКЛЮЧАТЕЛЕЙ, УПРАВЛЯЕМЫХ ВРУЧНУЮ, являются однополюсные или ВСЕПОЛЮСНЫЕ СЕТЕВЫЕ ВЫКЛЮЧАТЕЛИ, функциональные выключатели и выключающие системы, которые, например, могут быть комбинацией реле и выключателей, управляющих действиями реле.
2.7.11 ВСЕПОЛЮСНЫЙ СЕТЕВОЙ ВЫКЛЮЧАТЕЛЬ
МЕХАНИЧЕСКИЙ ВЫКЛЮЧАТЕЛЬ, УПРАВЛЯЕМЫЙ ВРУЧНУЮ, который разъединяет все полюса сети электропитания, за исключением провода защитного заземления.
Основание, выполненное из материала, обрезанного до требуемых размеров, которое содержит все необходимые отверстия и несущее, по крайней мере, один ТОКОПРОВОДЯЩИЙ РИСУНОК.
Конфигурация, образованная электропроводящим материалом ПЕЧАТНОЙ ПЛАТЫ.
2.8 Разное
Испытание одного или более образцов конкретной конструкции, которое проводят для того, чтобы показать, что данная конструкция аппарата соответствует всем требованиям настоящего стандарта.
Испытание, которому подвергается каждый образец во время или после изготовления, чтобы убедиться в его соответствии определенным критериям.
2.8.3 ДОСТУПНАЯ (ЫЙ)
Такая часть, которой можно коснуться при помощи испытательного пальца, соответствующего МЭК 61032 (испытательный щуп типа В).
Примечание - Любая ДОСТУПНАЯ область непроводящей части рассматривается как область, покрытая токопроводящим слоем (см. рисунок 3).
Действие, которое не требует использования какого-либо предмета, такого как инструмент, монета и т.п.
Лицо с соответствующим образованием и опытом работы, которые дают ему (ей) возможность избежать опасностей и предотвратить риск, который может создать электрический ток.
Лицо, соответственно осведомленное или проинструктированное КВАЛИФИЦИРОВАННЫМИ ЛИЦАМИ, что дает ему (ей) возможность избежать опасностей и предотвратить риск, который может создать электрический ток.
Любое лицо, не являющееся КВАЛИФИЦИРОВАННЫМ ЛИЦОМ или ОБУЧЕННЫМ ЛИЦОМ, которое может соприкасаться с аппаратурой.
Условия эксплуатации, при которых основные функции, такие как звук и/или изображение, выключены, и аппаратура находится в работе только частично. В этих условиях постоянные функции, такие как часы, остаются и позволяют включить аппаратуру в работу полностью, например, автоматически или при помощи ДИСТАНЦИОННОГО УПРАВЛЕНИЯ.
2.8.9 МАТЕРИАЛ НА ДРЕВЕСНОЙ ОСНОВЕ
Материал, в котором основной составляющей частью является механически обработанное натуральное дерево в смеси со связующим веществом.
Примечание - Примерами МАТЕРИАЛА НА ДРЕВЕСНОЙ ОСНОВЕ являются материалы, содержащие корни или ветки дерева в виде твердого волокна или опилок.
Часть аппарата, предназначенная для того, чтобы свести до минимума риск распространения огня или пламени.
2.8.11 ПОТЕНЦИАЛЬНЫЙ ИСТОЧНИК ВОСПЛАМЕНЕНИЯ
Возможная неисправность, такая как плохой контакт или обрыв электрического соединения, включающего ТОКОПРОВОДЯЩИЙ РИСУНОК на ПЕЧАТНОЙ ПЛАТЕ, которая может стать причиной возникновения огня, если в нормальных условиях напряжение разомкнутой цепи превышает 50 В постоянного тока или 50 В амплитудного значения переменного тока, а произведение данного напряжения на измеренный ток, который будет протекать через цепь с возможной неисправностью, превышает 15 В×А.
3.1 Аппаратура должна быть сконструирована и изготовлена таким образом, чтобы она не представляла опасности как при нормальных условиях эксплуатации, так и в условиях неисправностей. Для этого должна быть обеспечена защита от:
- опасных токов, проходящих через тело человека (поражение электрическим током);
- воздействий высоких температур;
- воздействий опасных излучений;
- взрыва и его последствий;
- последствий механической неустойчивости;
- травм от механических частей;
- возникновения и распространения огня.
Соответствие этим требованиям проверяют путем проведения всех необходимых испытаний при нормальной работе и в условиях неисправностей, как указано в 4.2 и 4.3.
Примечание - В Австралии необходимы специальные требования относительно компонентов постоянного тока, используемых в нейтральном проводнике оборудования.
3.2 Аппаратура, разработанная для питания от СЕТИ, должна быть выполнена в соответствии с требованиями к аппаратам КЛАССА I или КЛАССА II.
4.1.1 Испытания, определенные в настоящем стандарте, являются ТИПОВЫМИ ИСПЫТАНИЯМИ.
Примечание - Рекомендации для ПЕРИОДИЧЕСКИХ ИСПЫТАНИЙ приведены в приложении N.
4.1.2 Испытуемый образец или образцы должны быть характерны для аппаратуры, которую будет получать ПОЛЬЗОВАТЕЛЬ, или являться подлинным оборудованием, предназначенным для отправки ПОЛЬЗОВАТЕЛЮ.
Кроме испытаний аппарата в сборе могут проводиться испытания цепей, компонентов или отдельных блоков вне аппарата, но при условии, что проверка аппарата и организации его цепей гарантирует соответствие аппарата в сборе требованиям настоящего стандарта.
Если при любом таком испытании обнаружена вероятность несоответствия аппарата в сборе требованиям настоящего стандарта, испытания должны быть повторены непосредственно в аппарате.
Если испытание, определенное настоящим стандартом, может быть разрушающим, допускается использование модели, позволяющей оценить условия проведения данных испытаний.
Примечания
1 Испытания следует проводить в следующем порядке:
- предварительный отбор компонентов или материалов;
- стендовые испытания компонентов или отдельных блоков;
- испытания, при которых на аппаратуру не подается электропитание;
- испытания работающей аппаратуры:
при нормальных условиях эксплуатации,
в условиях неисправной работы,
в условиях, вызывающих возможные разрушения.
2 В целях уменьшения привлекаемых к испытаниям ресурсов и, следовательно, отходов от испытаний рекомендуется, чтобы все заинтересованные стороны совместно рассматривали программу испытаний, образцы для испытаний и порядок проведения испытаний.
4.1.3 Если нет иных указаний, испытания проводят при нормальных условиях эксплуатации, при:
- температуре окружающей среды от 15 до 35 °С,
- относительной влажности воздуха не более 75 % максимум.
Измерения температуры должны проводиться на аппарате, размещенном в соответствии с указаниями изготовителя в инструкции по эксплуатации. Если такие указания отсутствуют, то аппарат должен быть размещен на 5 см в глубину от переднего края открытой фронтальной стороны деревянного короба для испытаний, при этом вдоль боковых сторон и сверху должно быть свободное пространство по 1 см и 5 см в глубину позади аппарата.
Испытания аппарата, являющегося составной частью другого аппарата, не представленного изготовителем, должны проводиться в соответствии с инструкциями для применения, предусмотренными изготовителем. Особое внимание необходимо обратить на обеспечение соответствующей вентиляции аппарата.
4.1.5 Характеристики источников питания, за исключением указанных в 4.2.1, используемых при испытаниях, не должны оказывать значительного влияния на результаты испытаний.
Примерами таких характеристик являются полное сопротивление и форма колебаний источника.
4.1.6 В тех случаях, когда необходимо, используется стандартный сигнал, состоящий из розового шума, ограниченного полосовым фильтром, характеристики которого приведены на рисунке С.1 приложения С.
Примечание - При необходимости стандартный сигнал может применяться для модуляции несущей частоты.
Выходное измерительное оборудование должно показывать истинные среднеквадратические значения для сигналов, имеющих пик-фактор, достигающий по крайней мере 3. Необходимая частотная характеристика оборудования приведена в приложении С.
4.1.7 Значения переменного тока, приведенные в настоящем стандарте, являются среднеквадратическими значениями, если нет иных указаний. Значения постоянного тока, приведенные в настоящем стандарте, являются значениями БЕЗ ПУЛЬСАЦИЙ.
4.2 Нормальные условия эксплуатации
Нормальные условия эксплуатации - наиболее неблагоприятная комбинация следующих условий.
В сомнительных случаях испытания могут быть проведены при любом значении НОМИНАЛЬНОГО НАПРЯЖЕНИЯ ПИТАНИЯ.
Для аппарата, имеющего диапазон НОМИНАЛЬНЫХ НАПРЯЖЕНИЙ ПИТАНИЯ и не требующего применения переключателя напряжения питания, испытания следует проводить при значениях напряжения питания, равных 0,9 нижнего предела диапазона НОМИНАЛЬНЫХ НАПРЯЖЕНИЙ ПИТАНИЯ или 1,06 верхнего предела этого диапазона. В случае необходимости допускается проводить испытания при любом значении НОМИНАЛЬНОГО НАПРЯЖЕНИЯ ПИТАНИЯ, находящегося в пределах диапазона напряжений, обозначенного на аппарате.
Любое номинальное значение частоты напряжения питания, указанное на аппарате, должно использоваться при испытаниях. Если аппарат предназначен для работы как от переменного, так и от постоянного тока, питание должно осуществляться от источника переменного или постоянного тока.
Для аппаратов с питанием от источников постоянного тока может использоваться любая полярность, если этому не препятствует конструкция аппарата.
4.2.2 Допускается любое положение органов управления или регулирования, ДОСТУПНЫХ ПОТРЕБИТЕЛЮ, для настройки ВРУЧНУЮ, включая ДИСТАНЦИОННОЕ УПРАВЛЕНИЕ, за исключением устройств переключения напряжения питания, требования к которым изложены в 14.8, и регулирования уровня громкости и тона.
Любое устройство ДИСТАНЦИОННОГО УПРАВЛЕНИЯ, соединяемое кабелем и подключаемое при помощи разъема или аналогичного устройства, может быть подключено или отключено.
Крышка, закрывающая ЛАЗЕРНУЮ СИСТЕМУ, которая может открываться ВРУЧНУЮ, может быть открыта полностью, приоткрыта или закрыта.
4.2.3 В случае однофазного питании любая КЛЕММА заземления или любая КЛЕММА ЗАЩИТНОГО ЗАЗЕМЛЕНИЯ может быть соединена с любым полюсом изолирующего источника питания, используемого при испытаниях.
В случае питания от источника, имеющего более одной фазы, любая КЛЕММА заземления или любая КЛЕММА ЗАЩИТНОГО ЗАЗЕМЛЕНИЯ может быть соединена с нейтралью или любой фазой изолирующего источника питания, используемого при испытаниях.
4.2.4 Кроме того, для УСИЛИТЕЛЯ ЗВУКОВОЙ ЧАСТОТЫ:
а) усилитель регулируют таким образом, чтобы используя стандартный сигнал, приведенный в 4.1.6, получить на НОМИНАЛЬНОМ ПОЛНОМ СОПРОТИВЛЕНИИ НАГРУЗКИ 1/8 НЕИСКАЖЕННОЙ ВЫХОДНОЙ МОЩНОСТИ, при этом регуляторы тембра должны находиться в среднем положении.
Если при использовании стандартного сигнала невозможно получить НЕИСКАЖЕННУЮ ВЫХОДНУЮ МОЩНОСТЬ, применяют 1/8 максимально возможной выходной мощности.
В случае, когда часть аппарата или контакт его соединителя находится под ОПАСНЫМ ДЛЯ ЖИЗНИ напряжением, как указано в 4.1.6 и 11.1, аппарат по выбору изготовителя может работать таким образом, чтобы получать НЕИСКАЖЕННУЮ ВЫХОДНУЮ МОЩНОСТЬ на НОМИНАЛЬНОМ ПОЛНОМ СОПРОТИВЛЕНИИ НАГРУЗКИ, используя синусоидальный сигнал частоты 1000 Гц или другой частоты, соответствующей среднему значению частотного диапазона усилительного тракта аппарата;
б) самое неблагоприятное НОМИНАЛЬНОЕ ПОЛНОЕ СОПРОТИВЛЕНИЕ НАГРУЗКИ может быть подключено или не подключено к любой выходной цепи;
в) используются электронные органы или аналогичные электронные музыкальные инструменты, которые имеют генератор тона, управляемый любой комбинацией из десяти органов ручного управления и двух органов управления в виде ножной педали, если они имеются, и всеми регистрами и клавишами, с помощью которых можно повысить выходную мощность.
Для УСИЛИТЕЛЕЙ ЗВУКОВОЙ ЧАСТОТЫ, используемых в ЭЛЕКТРОННОМ МУЗЫКАЛЬНОМ ИНСТРУМЕНТЕ, который не вырабатывает непрерывного тона, стандартный сигнал, указанный в 4.1.6, подается на входные КЛЕММЫ или на вход соответствующего каскада УСИЛИТЕЛЯ ЗВУКОВОЙ ЧАСТОТЫ.
4.2.5 Для аппарата, имеющего электродвигатели, условия нагрузки для электродвигателя выбираются такими, которые могут оказаться в течение предполагаемой эксплуатации, включая остановку ВРУЧНУЮ, если это возможно.
4.2.6 Устройство, предназначенное для питания другой аппаратуры, либо нагружается таким образом, чтобы получить его номинальную выходную мощность, либо работает без нагрузки.
4.2.7 ИСТОЧНИК ПИТАНИЯ, используемый внутри аппарата, для которого он предназначен, испытывают в составе этого аппарата после его установки в соответствии с инструкцией изготовителя по использованию.
4.2.8. Кроме того, для аппаратуры персональной радиосвязи НОМИНАЛЬНОЕ ПОЛНОЕ СОПРОТИВЛЕНИЕ НАГРУЗКИ подключают или не подключают к антенному СОЕДИНИТЕЛЮ, либо выдвигают телескопическую антенну, если таковая имеется, на любую длину. Условия испытаний в режиме передачи определены в МЭК 61149.
4.2.9 Аппаратура управления положением антенны
4.2.9.1 Для аппаратуры управления положением антенны в сочетании с органом управления и ИСТОЧНИКОМ ПИТАНИЯ необходимы:
- четыре последовательных перемещения из одного крайнего положения в другое;
- 15-минутная пауза.
Периоды перемещений и пауз повторяют столько раз, сколько необходимо для соответствующих испытаний. Для измерений температуры периоды перемещений и пауз повторяют до достижения устойчивого состояния температуры, но не более 4 ч.
После последнего периода перемещения 15-минутную паузу при температурных измерениях не применяют.
4.2.9.2 Для аппаратуры дистанционного управления положением спутниковой антенны, состоящей из блока питания и устройства контроля без системы управления мотором, блок питания должен быть нагружен в соответствии с указанной номинальной мощностью и работать циклично в режиме: 5 мин включен, 15 мин выключен.
4.2.10 Аппарат, сконструированный для питания только от СПЕЦИАЛЬНОГО ИСТОЧНИКА ПИТАНИЯ, указанного изготовителем, должен испытываться вместе с этим СПЕЦИАЛЬНЫМ ИСТОЧНИКОМ ПИТАНИЯ. Напряжение питания СПЕЦИАЛЬНОГО ИСТОЧНИКА ПИТАНИЯ определяется в соответствии с 4.2.1.
В случае, когда СПЕЦИАЛЬНЫЙ ИСТОЧНИК ПИТАНИЯ имеет устройство регулирования выходного напряжения, необходимо установить НОМИНАЛЬНОЕ НАПРЯЖЕНИЕ ПИТАНИЯ испытываемого аппарата.
4.2.11 Аппарат, который может питаться от источника питания общего пользования, должен питаться от испытательного источника питания при соответствующем НОМИНАЛЬНОМ НАПРЯЖЕНИИ ПИТАНИЯ для испытываемого аппарата согласно данным, приведенным в таблице 1. Значения напряжений без нагрузки, приведенные в таблице I, увеличивают и уменьшают в соответствии с требованиями, установленными в 4.2.1.
Таблица 1 - Испытательный источник питания
|
Напряжение питания постоянного тока без нагрузки, В |
Внутреннее сопротивление, Ом |
|
|
1,5 |
2,25 |
0,75 |
|
3,0 |
4,50 |
1,50 |
|
4,5 |
6,75 |
2,25 |
|
6,0 |
9,00 |
3,00 |
|
7,5 |
11,25 |
3,75 |
|
9,0 |
13,50 |
4,50 |
|
12,0 |
18,00 |
6,00 |
|
Примечание - В таблице 1 приведены стандартные параметры ИСТОЧНИКОВ ПИТАНИЯ ОБЩЕГО НАЗНАЧЕНИЯ с выходным напряжением в диапазоне от 1,5 до 12 В и номинальным выходным током более 1 А. Параметры источников питания напряжением более 12 В и током на выходе более 1 А - в стадии рассмотрения. |
||
4.2.12 Аппарат, поставляемый изготовителем с дополнительными съемными ножками или подставками, испытывают с прикрепленными ножками или подставками или без них.
Испытания аппаратуры в условиях неисправности предполагают, что кроме перечисленных в 4.2 нормальных условий работы должна поочередно имитироваться каждая из приведенных ниже неисправностей, а также неисправности, являющиеся логическим следствием предыдущих.
Примечание 1 - Логическим следствием условий неисправности является то, что возникает при появлении неисправности.
Цепи или части цепей, питаемые напряжением открытой цепи, не превышающим 35 В (пиковое значение) переменного или постоянного тока, и не вырабатывающие напряжения свыше этого значения, не считают представляющими опасность воспламенения, если ток, который может протекать от питающей цепи в течение более 2 мин при любой нагрузке, включая короткое замыкание, не превышает 0,2 А. Цепи с такими параметрами питания не подлежат испытаниям в условиях неисправности.
Пример испытательной цепи для измерения напряжения и тока приведен на рисунке 1.
Примечания
2 Обследование аппарата и всех его электрических схем, за исключением внутренней структуры интегральных микросхем, обычно обнаруживает условия неисправностей, которые могут порождать опасность и которые необходимо имитировать. Эти условия имитируются последовательно в наиболее удобном порядке.
3 При проведении обследования в соответствии с примечанием 2 необходимо принимать во внимание рабочие характеристики интегральных микросхем.
4 Если имеется вероятность влияния на результаты испытаний, то испытания в условиях неисправностей следует проводить в деревянном коробе, упомянутом в 4.1.4.
При проведении испытаний введенная неисправность может вызвать последующую неисправность, такую как обрыв или короткое замыкание компонента. Для подтверждения постоянства полученных результатов имитация неисправности может быть повторена один или два раза с заменой компонентов. Если это не подтвердится, то необходимо имитировать самый неблагоприятный режим неисправности.
4.3.1 Короткое замыкание через ЗАЗОРЫ и ПУТИ УТЕЧКИ при значениях этих величин менее определяемых в разделе 13 для ОСНОВНОЙ и ДОПОЛНИТЕЛЬНОЙ ИЗОЛЯЦИИ.
4.3.2 Короткое замыкание через части из изоляционного материала; короткое замыкание, которое может привести к нарушению требований по защите от поражения электрическим током или перегреву, за исключением изолирующих деталей, которые удовлетворяют требованиям 10.3.
Примечание - Этот подпункт не подразумевает короткого замыкания через изоляцию между витками обмотки.
4.3.3 Короткое замыкание или, если это возможно, обрыв:
- нитей накала в электронных лампах;
- изоляции между нитями накала и катодом электронных ламп;
- промежутков между электродами в электронных лампах, исключая кинескопы;
- полупроводниковых приборов, один вывод которых обрывается или любые два вывода соединяются между собой поочередно [см. также 4.3.4, перечисление г)].
Примечание - Если электронные лампы имеют конструкцию, в которой короткое замыкание между определенными электродами маловероятно или даже невозможно, такие электроды не должны быть замкнуты накоротко.
Указанные в настоящем подпункте неисправности не распространяются на:
а) резисторы, соответствующие требованиям 14.1 и, насколько это применимо, 11.2;
б) ТЕРМОРЕЗИСТОРЫ С ПОЛОЖИТЕЛЬНЫМ ТЕМПЕРАТУРНЫМ КОЭФФИЦИЕНТОМ, удовлетворяющие требованиям МЭК 60738;
в) конденсаторы и резистивно-емкостные блоки (RC-блоки), удовлетворяющие требованиям 14.2 при условии, что напряжение на их выводах не превышает номинального значения, установленного для этих компонентов, а также при условии, что применение данных компонентов соответствует требованиям 8.5 или 8.6;
г) изоляцию между выводами входа и выхода оптопар, соответствующую требованиям 14.11;
д) обмотки и изоляцию трансформаторов, а также другие обмотки, упомянутые в 14.3 и соответствующие требованиям указанного пункта.
4.3.5 Для аппарата, содержащего УСИЛИТЕЛЬ ЗВУКОВОЙ ЧАСТОТЫ, с помощью стандартного сигнала [см. 4.1, перечисление б)] на НОМИНАЛЬНОМ ПОЛНОМ СОПРОТИВЛЕНИИ НАГРУЗКИ создают наиболее неблагоприятную выходную мощность от нуля до максимально достижимого значения, либо если возможно, к выходным КЛЕММАМ подключают наиболее неблагоприятное сопротивление нагрузки, включая короткое замыкание или обрыв.
4.3.6 Электродвигатели останавливают, если это возможно, во время эксплуатации аппарата посредством внутреннего или внешнего воздействия.
4.3.7 Непрерывная работа электродвигателей, обмоток реле или подобных устройств, предназначенных для кратковременной или нерегулярной работы, если такая возможна во время работы аппарата.
4.3.8 Одновременное подключение аппарата к альтернативным источникам питания, кроме случаев, когда это невозможно из-за конструктивных особенностей.
4.3.9 Подключение выходных КЛЕММ (за исключением СЕТЕВЫХ РОЗЕТОК, НЕПОСРЕДСТВЕННО СОЕДИНЕННЫХ С СЕТЬЮ) аппарата, предназначенных для питания других аппаратов, к наиболее неблагоприятному полному сопротивлению нагрузки, включая короткое замыкание.
4.3.10 Каждая группа вентиляционных отверстий, которые могут быть накрыты одновременно, должна накрываться поочередно и испытываться раздельно.
К вентиляционным отверстиям, которые могут накрываться одновременно, относятся:
- отверстия на верхней части аппарата, которые могут быть накрыты, например, газетой, или
- отверстия на боковых и задней стенках, за исключением передней панели, которые могут перекрываться, например, прижатой висящей занавеской.
4.3.11 Если при замене ПОЛЬЗОВАТЕЛЕМ батарей питания имеется возможность установления батареи с обратной полярностью, то испытания аппарата проводят как при правильной, так и обратной полярности одной или более батарей.
Примечание - В инструкции по эксплуатации должна быть предупредительная надпись: ВНИМАНИЕ! При проведении данного испытания существует опасность взрыва.
4.3.12 Для аппаратуры персональной радиосвязи наиболее неблагоприятное полное сопротивление нагрузки, включая короткое замыкание, подключается к антенному СОЕДИНИТЕЛЮ или к самой антенне, например телескопической, когда антенный СОЕДИНИТЕЛЬ не предусмотрен. Условия испытаний в режиме передачи определены в МЭК 61149.
4.3.13 ПЕРЕНОСНОЙ АППАРАТ, предназначенный для питания от сети переменного тока и имеющий устройство для установления напряжения питания ПОЛЬЗОВАТЕЛЕМ, при испытаниях подключают к напряжению питания 250 В переменного тока, а устройство установления напряжения питания переключают в наиболее неблагоприятное положение.
4.3.14 Аппарат, разработанный для питания от СПЕЦИАЛЬНОГО ИСТОЧНИКА ПИТАНИЯ с устройством регулирования выходного напряжения, установленного изготовителем аппарата, испытывают при установлении устройства регулирования на любое выходное напряжение.
При этих испытаниях применяют условия по 4.2.1, за исключением случаев, когда СПЕЦИАЛЬНЫЙ ИСТОЧНИК ПИТАНИЯ питается от напряжения, соответствующего его НОМИНАЛЬНОМУ НАПРЯЖЕНИЮ ПИТАНИЯ.
Испытания не проводят, если ток, потребляемый аппаратом во время испытания, не может превысить 0,2 А в течение более 2 мин по причине срабатывания плавкого предохранителя.
4.3.15 Аппарат, который может питаться от ИСТОЧНИКА ПИТАНИЯ ОБЩЕГО НАЗНАЧЕНИЯ, при испытании должен питаться от испытательного источника питания, как указано в таблице 1, причем напряжение питания увеличивают ступенями, начиная со значения на одну ступень выше НОМИНАЛЬНОГО НАПРЯЖЕНИЯ ПИТАНИЯ, установленного для испытываемого аппарата.
Данное испытание не применяют к аппаратуре, имеющей НОМИНАЛЬНОЕ НАПРЯЖЕНИЕ ПИТАНИЯ, равное или больше максимального НОМИНАЛЬНОГО НАПРЯЖЕНИЯ ПИТАНИЯ, приведенного в таблице 1.
При этом испытании применяют условия по 4.2.1, за исключением случаев, когда напряжения без нагрузки имеют свои номинальные значения.
Испытание не проводят, если ток, потребляемый аппаратом, не может превысить 0,2 А в течение более 2 мин, например, по причине срабатывания плавкого предохранителя.
Маркировка на аппарате, готовом к эксплуатации, должна быть постоянной, однозначно понимаемой и легко различимой.
Информацию следует наносить преимущественно снаружи аппарата, за исключением нижней части. Однако допускается располагать маркировку в легко ДОСТУПНОМ ВРУЧНУЮ месте, например, под крышкой или на внешней стороне дна ПОРТАТИВНОГО АППАРАТА или аппарата, масса которого не превышает 7 кг, и при условии, что в инструкции по эксплуатации указано место размещения маркировки.
Соответствие маркировки проверяют визуально и протиранием ВРУЧНУЮ в течение 15 с лоскутом ткани, смоченным в воде, а также протиранием в другом месте или на другом образце в течение 15 с лоскутом ткани, смоченным в бензине. После этого маркировка должна быть разборчивой, пластина с маркировкой не должна легко смещаться либо скручиваться.
Бензин, используемый для этих целей, представляет собой раствор гексана в алифатических соединениях с максимальным содержанием ароматических веществ не более 0,1 % объема, со значением каури-бутанола, равным 29, начальной точкой кипения приблизительно 65 °С, точкой испарения приблизительно 69 °С, удельной массой приблизительно 0,7 кг/л.
Буквенные обозначения физических величин и единиц измерений должны соответствовать МЭК 60027.
Графические обозначения должны соответствовать МЭК 60417 или ИСО 7000.
Положения выключателей «включено» и где необходимо «Выключено» должны обозначаться в соответствии с 14.6.3.
Соответствие требованию проверяют обследованием.
5.1 Обозначение и параметры питания
Маркировка, наносимая на аппарат, должна содержать данные, приведенные ниже:
а) наименование изготовителя или ответственной поставляющей организации, торговая марка или фирменный знак;
б) обозначение номера модели или типа:
в) знак КЛАССА II, если
необходимо;
(60417-2-МЭК-5172);
г) маркировка для аппаратуры, разработанной для использования в тропическом климате, - в стадии рассмотрения;
д) вид питания:
- только переменный ток обозначается символом ~ (60417-2-МЭК-5032),
- только
постоянный ток обозначается символом
(60417-2-МЭК-5031),
- переменный или
постоянный ток обозначается символом
(60417-2-МЭК-5033)
- для трехфазных систем обозначение следует выполнять в соответствии с МЭК 61293.
е) НОМИНАЛЬНОЕ НАПРЯЖЕНИЕ ПИТАНИЯ или диапазон НОМИНАЛЬНЫХ НАПРЯЖЕНИЙ ПИТАНИЯ, которое может подаваться без предварительного переключения устройства установки напряжения.
Аппарат, который может устанавливаться на различные НОМИНАЛЬНЫЕ НАПРЯЖЕНИЯ ПИТАНИЯ или диапазоны НОМИНАЛЬНЫХ НАПРЯЖЕНИЙ ПИТАНИЯ, должен быть сконструирован таким образом, чтобы на аппарате, готовом к использованию, было четко отображено напряжение или диапазон напряжений, на которые он установлен.
Номинальные значения напряжений, выбираемые пользователем, должны разделяться косой чертой, например «110/230 В», а диапазон номинальных напряжений должен указываться через тире, например «110-230 В»;
ж) номинальная частота СЕТИ (или диапазон частот) в герцах в том случае, если от правильного выбора частоты СЕТИ зависит безопасность;
и) НОМИНАЛЬНЫЙ ТОК ПОТРЕБЛЕНИЯ или номинальная мощность потребления для аппарата, который может питаться от ИСТОЧНИКА ПИТАНИЯ ОБЩЕГО НАЗНАЧЕНИЯ. В качестве альтернативы данная информация может быть приведена в инструкции по эксплуатации;
к) маркировка потребляемой мощности для аппарата, предназначенного для подключения к СЕТИ питания, имеющей более одной фазы.
Примечание - Подробности измерения потребляемой мощности - в стадии рассмотрения.
Соответствие требованиям проверяют обследованием.
Маркировка, наносимая на СОЕДИНИТЕЛИ, должна быть следующая:
а) КЛЕММА для
подключения провода защитного заземления, входящего в состав провода питания:
(60417-2-МЭК-5019).
Этот символ не должен использоваться для обозначения других заземляющих КЛЕММ.
б) СОЕДИНИТЕЛИ,
являющиеся ОПАСНЫМИ ДЛЯ ЖИЗНИ при нормальных условиях работы, за исключением
СОЕДИНИТЕЛЕЙ, предназначенных для подключения к СЕТИ питания:
(60417-2-МЭК-5036).
в) Выходные КЛЕММЫ, предназначенные для обеспечения питания другой аппаратуры, за исключением СЕТЕВОГО питания, должны иметь маркировку номинального выходного напряжения и, кроме того, маркировку максимального выходного тока, если при самой неблагоприятной нагрузке температура может превысить допустимые значения, указанные в таблице 2. Последнее требование относится к аппаратуре, у которой на выходных КЛЕММАХ отсутствует обозначение типа аппарата, подключение которого допускается.
Розетки, предназначенные для обеспечения СЕТЕВОГО питания другой аппаратуры, должны иметь маркировку максимально допустимой потребляемой мощности или тока.
При наличии только одного СОЕДИНИТЕЛЯ, предназначенного для обеспечения питания другой аппаратуры, маркировка может наноситься на любое место аппарата с учетом требований, изложенных в первых абзацах настоящего раздела.
Соответствие требованиям проверяют обследованием.
5.3 Если в
документации по обслуживанию, представляемой изготовителем, например в
принципиальных схемах или перечнях компонентов, используется символ,
указывающий на то, что определенный компонент может быть заменен только
компонентом, указанным в данной документации по причине безопасности, этот
символ должен иметь вид:
ИСО (7000-0434).
Указанный символ может быть нанесен рядом с соответствующим компонентом, но он не должен размещаться на самих компонентах.
Соответствие требованию проверяют обследованием.
Если указания по безопасности составлены в соответствии с требованиями настоящего стандарта, то они должны быть изложены в инструкции по установке или эксплуатации аппарата, которая должна поставляться вместе с аппаратом. Эти указания должны быть изложены на официальном языке страны, в которую предполагается поставка аппаратуры.
Примечания
1 Ссылка дается на ИСО/МЭК Руководство 37 (см. приложение Р).
2 Следующую информацию по безопасности по мере необходимости рекомендуется включить в инструкцию:
- минимальное расстояние вокруг аппарата для обеспечения необходимой вентиляции;
- указание о недопустимости перекрывания вентиляционных отверстий такими предметами, как газеты, скатерти, занавески и т.п., что препятствует нормальной вентиляции аппарата;
- указание о недопустимости размещения на аппарате каких-либо источников открытого пламени, например свечей;
- необходимо обратить внимание на параметры окружающей среды в местах расположения батарей;
- об использовании аппарата в тропическом и/или умеренном климате.
5.4.1 Кроме того, в инструкцию должны быть включены, насколько это применимо, следующие указания:
а) для аппаратуры, питающейся от СЕТИ, а также для аппаратуры, вырабатывающей внутренние напряжения свыше 35 В переменного (пиковое значение) или постоянного тока и не имеющей защиты от брызг воды согласно приложению А, в инструкции по эксплуатации должно быть указано, что аппарат не должен подвергаться воздействию капель или брызг и никакие емкости с жидкостями, такие как вазы, не должны устанавливаться на аппарате;
б) предупреждение о том, что КЛЕММЫ, отмеченные символом в соответствии с 5.2, перечисление б), являются ОПАСНЫМИ ДЛЯ ЖИЗНИ и что подключение внешней проводки к данным КЛЕММАМ должно проводиться специально ОБУЧЕННЫМ ЛИЦОМ, либо должны быть использованы готовые для подсоединения концы или шнуры;
в) если в аппарате используются заменяемые литиевые батареи, то необходимы следующие указания:
- если замена батарей проводится ПОЛЬЗОВАТЕЛЕМ, то должна быть предупреждающая надпись рядом с батареями, а также в инструкциях по эксплуатации и обслуживанию;
- если замена батарей не проводится ПОЛЬЗОВАТЕЛЕМ, то предупреждающая надпись должна быть рядом с батареями или в инструкции по обслуживанию.
Эта предупреждающая надпись должна содержать следующий или аналогичный текст:
|
ВНИМАНИЕ! При неправильной установке батарей возможен взрыв. Замену батарей проводить тем же или аналогичным типом. |
г) информация в соответствии с требованиями 14.6.3.
Соответствие требованиям проверяют обследованием.
5.4.2 Если ПОСТОЯННО ПОДКЛЮЧЕННЫЙ АППАРАТ не имеет ВСЕПОЛЮСНОГО СЕТЕВОГО ВЫКЛЮЧАТЕЛЯ в соответствии с требованиями 14.6.1, то в инструкции должно быть указано, что ВСЕПОЛЮСНЫЙ СЕТЕВОЙ ВЫКЛЮЧАТЕЛЬ с контактами, разделенными по крайней мере промежутком, равным 3 мм в каждом полюсе, должен быть установлен в систему энергоснабжения здания.
6.1 Ионизирующее излучение
Аппарат, включающий в себя потенциальный источник ионизирующего излучения, должен иметь конструкцию, обеспечивающую защиту человека от воздействия ионизирующего излучения как при нормальных условиях работы, так и в условиях неисправностей.
Соответствие требованию проверяют измерениями при условиях, приведенных ниже.
При проведении испытания в нормальных рабочих условиях все органы управления, доступные с внешней стороны аппарата ВРУЧНУЮ или с помощью любого предмета, такого как инструмент или монета, а также те органы регулирования или предварительной установки, расположенные внутри, которые достаточно надежно не зафиксированы, настраивают таким образом, чтобы получить максимальное излучение, при этом должно быть обеспечено допустимое качество изображения в течение 1 ч, по истечении которого проводят измерение.
Примечание 1 - Фиксация считается достаточно надежной, если она выполнена краской или посредством пайки.
Измерение мощности экспозиционной дозы излучения проводят в любой точке за пределами аппарата, расположенной на расстоянии 5 см от его внешней поверхности, с помощью дозиметра, имеющего эффективную площадь 10 см2.
Кроме того, измерение проводят в условиях неисправностей, которые вызывают увеличение высокого напряжения, при этом должно быть обеспечено допустимое качество изображения в течение 1 ч, по истечении которого проводят измерение.
Мощность экспозиционной дозы излучения не должна превышать 36 пА/кг (0,5 мР/ч).
Примечание 2 - Указанное значение соответствует требованиям МКРЗ 15 (Международная комиссия радиационной защиты), статья 289 (см. приложение Р).
Качество изображения считается допустимым, если соблюдаются следующие условия:
- размер изображения по горизонтали составляет не менее 70 % используемой ширины экрана;
- минимальная яркость синхронизированного изображения белого поля не менее 50 кд/м2;
- разрешающая способность по горизонтали в центре не менее 1,5 МГц при аналогичном ухудшении разрешающей способности по вертикали;
- за каждые 5 мин не более одного высоковольтного пробоя.
6.2 Излучение лазера
Аппарат, включающий в себя ЛАЗЕРНУЮ СИСТЕМУ, должен иметь конструкцию, обеспечивающую защиту человека от воздействия излучения лазера как при нормальных условиях работы, так и в условиях неисправностей.
Аппарат, включающий в себя ЛАЗЕРНУЮ СИСТЕМУ, освобождается от всех следующих требований данного подраздела, если:
- классификация, выполненная производителем в соответствии с разделами 3, 8 и 9 МЭК 60825-1, показывает, что достижимый уровень излучения не превышает допустимого уровня для аппаратуры класса I при всех условиях работы, обслуживания, ремонта и неисправностей, а также
- не содержит встроенных ЛАЗЕРОВ по МЭК 60825-1.
Примечания
1 Информация об измерительном оборудовании приведена в МЭК 61040.
2 Термин «достижимый уровень излучения» по МЭК 60825-1 трактуется как «ДОСТУПНЫЙ УРОВЕНЬ ИЗЛУЧЕНИЯ».
Аппарат должен быть классифицирован и маркирован в соответствии с достижимым уровнем излучения, измеренным в условиях неисправностей. Исключение составляет аппаратура, уровень излучения которой не превышает максимально допустимого для класса I; для данной аппаратуры требования раздела 5 МЭК 60825-1 не применяются.
Все органы управления, доступные с внешней стороны аппарата ВРУЧНУЮ или с помощью любого предмета, такого как инструмент или монета, а также те органы регулирования или предварительной установки, расположенные внутри, которые достаточно надежно не зафиксированы, настраивают таким образом, чтобы получить максимальное излучение.
Примечание 3 - Фиксация считается достаточно надежной, если она выполнена краской или посредством пайки.
Уровень отраженного лазерного излучения, как указано в 3.32, перечисление б), МЭК 60825-1, для ЛАЗЕРНЫХ СИСТЕМ класса I не измеряют.
Соответствие требованиям проверяют в соответствии с МЭК 60825-1 с учетом следующих изменений и дополнений:
6.2.1
а) Аппарат в нормальных рабочих условиях должен соответствовать требованиям для лазерной аппаратуры класса I по уровню достижимого излучения, как определено в таблице 1 МЭК 60825-1. Временная основа классификации соответствует 100 с.
Соответствие требованию проверяют проведением необходимых измерений, как определено в 8.2 МЭК 60825-1.
б) Если аппарат включает в себя ЛАЗЕРНУЮ СИСТЕМУ, которая при нормальных рабочих условиях по уровню достижимого излучения соответствует требованиям для лазерной аппаратуры класса I, то требования, определенные в перечислениях в) и г), к данному аппарату не применяются.
в) Соответствующие меры должны быть предприняты для предотвращения доступа через любые крышки, открываемые ВРУЧНУЮ, к лазерному излучению, уровень которого превышает пределы для КЛАССА I.
Соответствие требованиям проверяют обследованием и проведением измерения.
г) Если безопасность зависит от правильного функционирования механической ЗАЩИТНОЙ БЛОКИРОВКИ, то в случае выхода из строя этой блокировки должна сохраняться безопасность (аппарат отключается или становится безопасным) или блокировка должна выдерживать испытание на надежность - 50000 циклов срабатывания при напряжении и токе, соответствующих нормальным условиям работы.
Соответствие требованию проверяют обследованием и проведением испытания.
а) Если аппарат работает в условиях неисправностей, как определено в 4.3, то уровень достижимого излучения этого аппарата не должен превышать уровень, установленный для лазерной аппаратуры класса 3А при длине волны, находящейся вне диапазона от 400 до 700 нм, и не должен превышать более чем в пять раз уровень, установленный для лазерной аппаратуры класса I при длине волны, находящейся в пределах диапазона от 400 до 700 нм.
Примечание - Допустимые уровни излучений для лазерной аппаратуры класса ЗА установлены в таблице 3 МЭК 60825-1.
Соответствие требованию проверяют проведением соответствующих измерений, определенных в 8.2 МЭК 60825-1.
б) Если аппарат включает в себя ЛАЗЕРНУЮ СИСТЕМУ, которая в условиях неисправностей по уровню достижимого излучения соответствует требованиям, установленным в 6.2.2, перечисление а), то требования, определенные ниже в перечислениях в) и г), к нему не применяются.
в) Соответствующие меры должны быть предприняты для предотвращения доступа через любые крышки, открываемые ВРУЧНУЮ, к лазерному излучению, уровень которого превышает пределы, установленные в 6.2.2, перечисление а).
Соответствие требованиям проверяют обследованием и проведением измерения.
г) Если безопасность зависит от правильного функционирования механической ЗАЩИТНОЙ БЛОКИРОВКИ, то в случае выхода из строя этой блокировки должна сохраняться безопасность (аппарат отключается или становится безопасным), или блокировка должна выдерживать испытание на надежность - 50000 циклов срабатывания при напряжении и токе, соответствующих нормальным условиям работы.
Соответствие требованию проверяют обследованием и проведением испытания.
8 течение предполагаемой эксплуатации аппарата ни одна из его частей не должна нагреваться до чрезмерной температуры.
Соответствие требованию проверяют измерением превышения температуры при нормальных условиях работы после того, как достигнут установившийся режим.
Примечание 1 - Установившийся режим считается достигнутым по истечении 4 ч работы аппарата.
Превышение температуры определяют:
- в случае проводов обмоток - методом измерения сопротивления или любым другим методом, позволяющим определить среднюю температуру проводов обмоток.
Примечание 2 - При измерении сопротивления проводов обмоток необходимо свести к минимуму влияние электрических цепей или нагрузок, подключенных к этим проводам обмоток, во всех остальных случаях - любым подходящим методом.
Превышение температуры не должно быть больше значений, указанных в 7.1.1-7.1.5.
Устройства защиты (за исключением ВЫКЛЮЧАТЕЛЕЙ С ТЕПЛОВЫМ РАСЦЕПЛЕНИЕМ, имеющих автоматический возврат в исходное положение, и ТЕРМОРЕЗИСТОРОВ С ПОЛОЖИТЕЛЬНЫМ ТЕМПЕРАТУРНЫМ КОЭФФИЦИЕНТОМ), влияющие на безопасность аппарата, не должны срабатывать во время испытания.
Превышение температуры ДОСТУПНЫХ частей аппарата не должно быть больше значений, приведенных в перечислении а) таблицы 2 для «условий нормальной работы».
7.1.2 Части аппаратуры, кроме обмоток, обеспечивающие электрическую изоляцию
Превышение температуры изолирующих частей, кроме обмоток, обеспечивающих ОСНОВНУЮ, ДОПОЛНИТЕЛЬНУЮ или УСИЛЕННУЮ ИЗОЛЯЦИИ, и изолирующих частей, разрушение которых может нарушить обеспечение требований 9.1.1 или стать причиной возникновения пожара, не должно быть больше значений, приведенных в перечислении б) таблицы 2 для «условий нормальной работы», с учетом примечания 4 таблицы 2.
Если изолирующая часть применяется для обеспечения ЗАЗОРА или ПУТИ УТЕЧКИ и допустимое значение повышения ее температуры превышено, то используемые участки изолирующей части не рассматриваются при проверке на соответствие требованиям разделов 8 и 11.
7.1.3 Части, выполняющие роль опоры или ограждения от механических воздействий
Превышение температуры частей, механическое повреждение которых будет приводить к нарушению требований 9.1.1, не должно быть больше значений, приведенных в перечислении в) таблицы 2 для «условий нормальной работы».
Превышение температуры обмоток, содержащих изоляцию, обеспечивающую защиту от поражения электрическим током или возникновения пожара, не должно быть больше значений, приведенных в перечислениях б) и г) таблицы 2 для «условий нормальной работы».
Если изолирующая часть применяется для обеспечения ЗАЗОРА или ПУТИ УТЕЧКИ и допустимое значение повышения ее температуры превышено, то используемые участки изолирующей части не рассматриваются при проверке на соответствие требованиям разделов 8 и 11.
Примечание - Если изоляция размешена в обмотке таким образом, что превышение ее температуры невозможно измерить непосредственно, то ее температура принимается такой же, как и проводов обмотки.
7.1.5 Части, на которые не распространяются требования 7.1.1 - 7.1.4
Превышение температуры этих частей не должно быть больше значений, приведенных в перечислении д) таблицы 2 для «условий нормальной работы», в зависимости от типа материала.
Таблица 2 - Допустимое превышение температуры частей аппарата
|
Условия нормальной работы, К |
Условия неисправностей, К |
|
|
а) ДОСТУПНЫЕ части: |
|
|
|
Кнопки, ручки и т.п.: |
|
|
|
- металлические |
30 |
65 |
|
- неметаллические (см. примечание 3) |
50 |
65 |
|
Корпуса: |
|
|
|
- металлические (см. примечание 2) |
40 |
65 |
|
- неметаллические (см. примечания 2 и 3) |
60 |
65 |
|
б) Части, обеспечивающие электрическую изоляцию (см. примечание 4): |
|
|
|
Шнуры питания и провода с изоляцией из: |
|
|
|
- поливинилхлорида или синтетического каучука: |
|
|
|
без механических напряжений |
60 |
100 |
|
с механическими напряжениями |
45 |
100 |
|
- натурального каучука |
45 |
100 |
|
Другие изоляционные материалы: |
|
|
|
- термопластичные материалы (см. примечание 5) |
Примечание 6 |
Примечание 6 |
|
- непропитанная бумага |
55 |
70 |
|
- непропитанный картон |
60 |
80 |
|
- пропитанные хлопок, шелк, бумага и текстиль |
70 |
90 |
|
- слоистые материалы на основе целлюлозы или текстиля, скрепленные: |
|
|
|
фенолформальдегидом, меламиноформальдегидом, фенолфурфуролом или полиэстром |
85 |
ПО |
|
эпоксидной смолой |
120 |
150 |
|
Литые детали из: |
|
|
|
- фенолформальдегида или фенолфурфурола, меламина и меламинофенола в сочетании с: |
|
|
|
целлюлозными наполнителями |
100 |
130 |
|
минеральными наполнителями |
ПО |
150 |
|
- термоотвердевающего полиэстра с минеральными наполнителями |
95 |
150 |
|
- алкида с минеральными наполнителями |
95 |
150 |
|
Составные материалы из: |
|
|
|
- полиэстра, усиленного стекловолокном |
95 |
150 |
|
- эпоксидной смолы, усиленной стекловолокном |
100 |
150 |
|
- силиконовой резины |
145 |
190 |
|
в) Части, выполняющие роль опоры или ограждения от механических воздействий, включая части внутри корпусов (см. примечание 4): |
|
|
|
- дерево и МАТЕРИАЛЫ НА ДРЕВЕСНОЙ ОСНОВЕ |
60 |
90 |
|
- термопластические материалы (см. примечание 5) |
Примечание 6 |
Примечание 6 |
|
г) Провода обмоток (см. примечание 4): |
|
|
|
- изолированные: |
|
|
|
непропитанным шелком, хлопком и т. |
55 |
75 |
|
пропитанным шелком, хлопком и т. |
70 |
100 |
|
материалами из олеосмол |
70 |
135 |
|
поливинилформальдегидными или полиуретановыми смолами |
85 |
150 |
|
полиэстровыми смолами |
120 |
155 |
|
полиэстеримидными смолами |
145 |
180 |
|
д) Другие части: |
|
|
|
Приведенные ниже превышения температуры применяются для частей аппарата, не указанных ранее в перечислениях а), б), в), г): |
|
|
|
части из дерева и МАТЕРИАЛА НА ДРЕВЕСНОЙ ОСНОВЕ |
60 |
140 |
|
литиевые батареи |
40 |
50 |
|
другие части, за исключением резисторов и частей из металла, стекла и керамики |
200 |
300 |
Примечания
1 Общие условия, применимые к таблице 2:
для тропического климата допустимое превышение температуры должно быть на 10 К ниже значений, указанных в таблице 2;
допустимые значения превышения температуры установлены, исходя из максимальной температуры окружающей среды 35 °С для умеренного климата и 45 °С - для тропического климата.
2 При нормальных условиях работы превышение температуры поверхностей, площадь которых не превышает 5 см2, а также теплоотводов или металлических деталей, непосредственно прикрывающих теплоотводы, площадь которых не ограничена, допускается до 65 К при условии, что прикосновение к ним в процессе эксплуатации маловероятно.
Для наружных частей из металла, покрытых пластическим материалом, толщина которого не менее 0,3 мм, допустимым превышением температуры является допустимое превышение температуры для изолирующего материала.
3 Если данное значение превышения температуры выше значения, на которое рассчитан соответствующий тип изолирующего материала, то в этом случае определяющим фактором является тип материала.
4 Допустимые значения превышения температуры, используемые для настоящего стандарта, основаны на определенной опытным путем термоустойчивости материалов. Перечисленные материалы приведены как примеры. Для материалов, температурные пределы которых выше указанных, и для материалов, отличающихся от вышеперечисленных, максимальные значения температуры не должны превышать значении, признанных удовлетворительными, например, на основании требований МЭК 60085.
5 Натуральный и синтетический каучуки не относятся к термопластическим материалам.
6 Большое разнообразие термопластических материалов не позволяет установить для них допустимое превышение температуры. Пока данный вопрос находится на рассмотрении, следует использовать следующий метод:
а) температура размягчения материала определяется на отдельном образце при условиях, установленных ИСО 306, со скоростью нагрева 50 К/ч, а также со следующими изменениями:
- глубина проникновения - 0,1 мм;
- общее усилие 10 Н прикладывают к испытываемому образцу прежде, чем шкала измерительного устройства будет установлена на нулевую отметку или будет отмечено начало отсчета;
б) предельными значениями температуры, которые следует учитывать при определении превышения температуры, являются:
- при нормальных условиях работы - температура на 10 К ниже температуры размягчения, установленной на основании требований перечисления а);
- в условиях неисправностей - непосредственно температура размягчения. Если требуемая температура размягчения превышает 120 °С, необходимо учесть требования примечания 3.
7.2 Теплостойкость изолирующих материалов
Изолирующий материал, поддерживающий детали, СОЕДИНЕННЫЕ С СЕТЬЮ, должен быть устойчив к нагреву, если в течение предполагаемой эксплуатации аппарата через эти детали протекает ток свыше 0,2 А, и они могут вырабатывать значительное количество тепла вследствие плохого контакта.
Соответствие требованию проверяют испытанием, указанным в таблице 2, примечание 6, перечисление а).
Температура размягчения изолирующего материала не должна быть менее 150 °С.
В тех случаях, когда две группы проводников, удерживаемых изолирующими частями, могут быть жестко соединены или могут быть сочленены вместе, например, при помощи вилки и розетки, только одну из изолирующих частей необходимо подвергнуть испытаниям. В том случае, когда одна из этих изолирующих частей установлена в аппарате, именно эта часть должна быть подвергнута испытаниям.
Примечания
1 Примерами частей, которые могут вырабатывать значительное количество тепла в течение предполагаемой эксплуатации, могут быть контакты выключателей и устройств установки напряжения, КЛЕММЫ с винтовыми зажимами и держатели плавких предохранителей.
2 Данному испытанию не подвергаются части, которые соответствуют требованиям необходимых стандартов МЭК.
Соответствие требованию проверяют обследованием.
- установка напряжения питания или изменение вида питания,
- замена плавких вставок и элементов подсветки индикаторов,
- манипулирование выдвижными частями и т.п.
не несли в себе опасности поражения электрическим током.
Соответствие требованию проверяют испытаниями, указанными в 9.1.1.
Соответствие требованию проверяют обследованием и в сомнительных случаях следующим испытанием.
Образец материала, как определено в разделе 9 МЭК 60167, подвергается воздействию температуры (40±2) °С и относительной влажности от 90 % до 95 % в течение:
- 7 дней (168 ч) - для аппаратуры, предназначенной для использования в условиях тропического климата;
- 4 дней (98 ч) - для другой аппаратуры.
Не позднее одной минуты после этой подготовки образец должен выдержать испытания по 10.3, но без обработки влажностью в соответствии с 10.2.
Это требование также относится к внутренним частям батарейных отсеков, которые становятся ДОСТУПНЫМИ после снятия крышки во время замены батарей.
Это требование не распространяется на батарейные отсеки, находящиеся внутри аппарата, замена батарей которых ПОЛЬЗОВАТЕЛЕМ не предусмотрена, например батареи для устройств памяти.
Соответствие требованию обеспечивается выполнением требований 8.5 или 8.6
Примечание - Недоступные контакты КЛЕММ рассматриваются как ДОСТУПНЫЕ части, если они не имеют обозначения в соответствии с 5.2, перечисление б), или если они предназначены для подключения аппарата к СЕТИ питания или для обеспечения СЕТЕВЫМ питанием других аппаратов.
8.5 ДОСТУПНЫЕ проводящие части аппарата КЛАССА I, за исключением тех частей аппарата, которые имеют ДВОЙНУЮ или УСИЛЕННУЮ ИЗОЛЯЦИЮ (конструкция КЛАССА II), должны быть отделены от ОПАСНЫХ ДЛЯ ЖИЗНИ частей ОСНОВНОЙ ИЗОЛЯЦИЕЙ, соответствующей требованиям к изоляции, определенным в разделе 10, и требованиям к ЗАЗОРАМ и ПУТЯМ УТЕЧЕК, определенным в разделе 13.
Это требование не распространяется на изоляцию, короткое замыкание которой не вызывает какой-либо опасности поражения электрическим током.
Примечание 1 - Например, если один конец вторичной обмотки РАЗДЕЛИТЕЛЬНОГО ТРАНСФОРМАТОРА подключен к ДОСТУПНОЙ проводящей части, то нет никакой необходимости в том, чтобы другой конец этой обмотки соответствовал каким-либо специальным требованиям к изоляции, относящимся к той же ДОСТУПНОЙ проводящей части.
Резистор, шунтирующий ОСНОВНУЮ ИЗОЛЯЦИЮ, должен соответствовать требованиям, установленным в 14.1, перечисление а).
Примечание 2 - Части аппарата, которые имеют ДВОЙНУЮ или УСИЛЕННУЮ ИЗОЛЯЦИЮ (конструкция КЛАССА II), могут быть шунтированы резистором в соответствии с требованиями, установленными в 14.1, перечисление а).
Конденсатор или резистивно-емкостной блок, шунтирующий ОСНОВНУЮ ИЗОЛЯЦИЮ между ОПАСНОЙ ДЛЯ ЖИЗНИ частью и ДОСТУПНОЙ проводящей частью, подключенной к КЛЕММЕ ЗАЩИТНОГО ЗАЗЕМЛЕНИЯ, должен соответствовать требованиям 14.2.1, перечисление а).
Такие резисторы, конденсаторы или резистивно-емкостные блоки должны размещаться внутри корпуса аппарата.
Аппарат КЛАССА I должен иметь КЛЕММУ ЗАЩИТНОГО ЗАЗЕМЛЕНИЯ или контакт, к которому должны быть надежно присоединены контакты защитного заземления выходных розеток, при их наличии, и ДОСТУПНЫЕ проводящие части. Такое соединение не требуется для тех ДОСТУПНЫХ проводящих частей, которые отделены от ОПАСНЫХ ДЛЯ ЖИЗНИ частей ДВОЙНОЙ или УСИЛЕННОЙ ИЗОЛЯЦИЕЙ (конструкция КЛАССА II), или для тех, которые защищены от частей, которые становятся ОПАСНЫМИ ДЛЯ ЖИЗНИ, надежным соединением с КЛЕММОЙ ЗАЩИТНОГО ЗАЗЕМЛЕНИЯ.
Примечание 3 - Примерами таких проводящих частей являются: металлический экран в трансформаторе между первичной и вторичной обмотками, металлические шасси и т.п.
Соответствие требованию проверяют обследованием.
8.6 ДОСТУПНЫЕ части аппарата КЛАССА II должны быть отделены от ОПАСНЫХ ДЛЯ ЖИЗНИ частей либо ДВОЙНОЙ ИЗОЛЯЦИЕЙ, определенной ниже в перечислении а), либо УСИЛЕННОЙ ИЗОЛЯЦИЕЙ, определенной в перечислении б).
Данное требование не распространяется на изоляцию, короткое замыкание которой не вызывает никакой опасности поражения электрическим током.
Примечание 1 - Например, если один конец вторичной обмотки РАЗДЕЛИТЕЛЬНОГО ТРАНСФОРМАТОРА подключен к ДОСТУПНОЙ проводящей части, то нет никакой необходимости в том, чтобы другой конец этой обмотки соответствовал каким-либо специальным требованиям к изоляции, относящимся к той же ДОСТУПНОЙ проводящей части.
Компонент, удовлетворяющий требованиям 14.1, перечисление а), или 14.3, за исключением компонентов, соответствующих 14.3.4.3, может шунтировать ОСНОВНУЮ, ДОПОЛНИТЕЛЬНУЮ, ДВОЙНУЮ или УСИЛЕННУЮ ИЗОЛЯЦИИ.
Компоненты, соответствующие 14.3.4.3, могут шунтировать только ОСНОВНУЮ ИЗОЛЯЦИЮ.
ОСНОВНАЯ или ДОПОЛНИТЕЛЬНАЯ ИЗОЛЯЦИЯ может шунтироваться конденсатором или резистивно-емкостным блоком, которые имеют номинальные значения, соответствующие требованиям 14.2.1, перечисление а).
ДВОЙНАЯ или УСИЛЕННАЯ ИЗОЛЯЦИЯ может шунтироваться двумя конденсаторами или резистивно-емкостными блоками, включенными последовательно, каждый из которых должен иметь номинальные значения, соответствующие требованиям 14.2.1, перечисление а).
Кроме того, ДВОЙНАЯ или УСИЛЕННАЯ ИЗОЛЯЦИЯ может шунтироваться одним конденсатором или резистивно-емкостным блоком, которые имеют номинальные значения, соответствующие требованиям 14.2.1, перечисление б).
Примечание 2 - Для наружной изоляции, шунтирующей ДВОЙНУЮ или УСИЛЕННУЮ ИЗОЛЯЦИЮ, кроме того, см. 8.8.
Такие резисторы, конденсаторы или резистивно-емкостные блоки должны размещаться внутри корпуса аппарата.
Соответствие требованию проверяют обследованием.
а) Если ДОСТУПНЫЕ части отделены от ОПАСНЫХ ДЛЯ ЖИЗНИ частей ОСНОВНОЙ и ДОПОЛНИТЕЛЬНОЙ ИЗОЛЯЦИЕЙ, необходимо выполнить следующее:
Каждая из этих изоляций должна соответствовать требованиям к изоляции, определенным в разделе 10, а также требованиям к ЗАЗОРАМ и ПУТЯМ УТЕЧЕК, установленным в разделе 13.
Кожухи из дерева, не отвечающие требованиям 8.3, могут использоваться как ДОПОЛНИТЕЛЬНАЯ ИЗОЛЯЦИЯ, если они выдержали испытание на электрическую прочность по 10.3.
Соответствие требованию проверяют обследованием и/или измерением.
б) Если ДОСТУПНЫЕ части отделены от ОПАСНЫХ ДЛЯ ЖИЗНИ частей УСИЛЕННОЙ ИЗОЛЯЦИЕЙ, необходимо выполнить следующее:
Изоляция должна соответствовать требованиям к изоляции, определенным в разделе 10. Кроме того, изоляция должна соответствовать требованиям к ЗАЗОРАМ и ПУТЯМ УТЕЧЕК, определенным в разделе 13.
Примечание 3 - Пример оценки УСИЛЕННОЙ ИЗОЛЯЦИИ приведен на рисунке 2.
Соответствие требованию проверяют обследованием и/или измерением.
8.7 Для напряжений свыше 35 В (пиковое значение) и до 71 В (пиковое значение) включительно переменного тока или от 60 до 120 В включительно постоянного тока (БЕЗ ПУЛЬСАЦИИ), измеренных при НОМИНАЛЬНОМ НАПРЯЖЕНИИ ПИТАНИЯ, при нормальных условиях работы и в условиях неисправностей с отступлениями от требований 8.5 или 8.6 соответственно, ОСНОВНАЯ ИЗОЛЯЦИЯ, соответствующая требованиям разделов 10 и 13, является достаточной для использования между цепями с напряжениями, указанными выше, и ДОСТУПНЫМИ частями или частями, соединенными с ДОСТУПНЫМИ проводящими частями.
Цепи с напряжениями, приведенными выше, должны быть отделены от ОПАСНЫХ ДЛЯ ЖИЗНИ частей с более высокими напряжениями ДВОЙНОЙ или УСИЛЕННОЙ ИЗОЛЯЦИЕЙ в соответствии с 8.6 либо ИЗОЛИРУЮЩИМ ТРАНСФОРМАТОРОМ в соответствии с 14.3.2 (конструкция КЛАССА II), или проводящей частью, соединенной с КЛЕММОЙ ЗАЩИТНОГО ЗАЗЕМЛЕНИЯ в соответствии с 8.5, или с помощью трансформатора, соответствующего требованиям 14.3 (конструкция КЛАССА I).
Соответствие требованию проверяют обследованием.
8.8 ОСНОВНАЯ, ДОПОЛНИТЕЛЬНАЯ и УСИЛЕННАЯ изоляции должны, каждая в отдельности, выдержать испытание на электрическую прочность, как определено в 10.3.
ДВОЙНАЯ ИЗОЛЯЦИЯ или ОСНОВНАЯ и ДОПОЛНИТЕЛЬНАЯ ИЗОЛЯЦИИ должны иметь толщину не менее 0,4 мм.
УСИЛЕННАЯ ИЗОЛЯЦИЯ может иметь минимальную толщину 0,4 мм в том случае, если она не подвергается никаким механическим воздействиям, которые при температурах в нормальных условиях работы или в условиях неисправностей могли бы привести к деформации или ухудшению изоляционного материала.
Примечание - В случае наличия механических напряжений толщина может быть увеличена, чтобы соответствовать требованиям к изоляции, установленным в разделе 10, и требованиям к механической прочности, определенным в разделе 12.
Требования, приведенные выше, не применяются к изоляции из тонких листовых материалов независимо от их толщины, но при условии, что:
- данная изоляция используется внутри корпуса аппарата, а также:
- ОСНОВНАЯ или ДОПОЛНИТЕЛЬНАЯ ИЗОЛЯЦИЯ содержит по крайней мере два слоя материала, каждый из которых выдерживает испытание на электрическую прочность по 10.3 для ОСНОВНОЙ или ДОПОЛНИТЕЛЬНОЙ ИЗОЛЯЦИИ, или
- ОСНОВНАЯ или ДОПОЛНИТЕЛЬНАЯ ИЗОЛЯЦИЯ содержит три слоя материала, все комбинации которого по два слоя вместе выдерживают испытание на электрическую прочность по 10.3 для ОСНОВНОЙ или ДОПОЛНИТЕЛЬНОЙ ИЗОЛЯЦИИ, или
- УСИЛЕННАЯ ИЗОЛЯЦИЯ содержит по крайней мере два слоя материала, каждый из которых выдерживает испытание на электрическую прочность по 10.3 для УСИЛЕННОЙ ИЗОЛЯЦИИ, или
- УСИЛЕННАЯ ИЗОЛЯЦИЯ содержит три слоя изолирующего материала, все комбинации которого по два слоя выдерживают испытание на электрическую прочность по 10.3 для УСИЛЕННОЙ ИЗОЛЯЦИИ.
Для всех вместе слоев изоляции, выполненных из одного и того же материала, требований не существует.
Соответствие требованию проверяют обследованием и измерением.
8.9 Изоляция внутренней проводки между ОПАСНЫМИ ДЛЯ ЖИЗНИ проводящими жилами проводов или кабелей и ДОСТУПНЫМИ частями или между ОПАСНЫМИ ДЛЯ ЖИЗНИ частями и проводящими жилами проводов или кабелей, соединенными с ДОСТУПНЫМИ проводящими частями, должна иметь толщину не менее 0,4 мм, если она изготовлена из поливинилхлорида. Другие материалы допускаются в том случае, если они выдерживают испытание на электрическую прочность по 10.3 и если их толщина обеспечивает механическую прочность для конкретной конструкции.
Примечание - Например, изоляция из политетрафлуороэтилена, имеющая толщину не менее 0,24 мм, считается соответствующей данным требованиям.
Соответствие требованию проверяют обследованием и измерением.
8.10 В аппарате КЛАССА II ДВОЙНАЯ ИЗОЛЯЦИЯ должна быть обеспечена между:
- ДОСТУПНЫМИ частями и проводящими жилами проводов или кабелей, СОЕДИНЕННЫХ С СЕТЬЮ, и
- проводящими жилами проводов или кабелей, соединенными с ДОСТУПНЫМИ проводящими частями и частями, СОЕДИНЕННЫМИ С СЕТЬЮ.
Одна из изоляций - ОСНОВНАЯ или ДОПОЛНИТЕЛЬНАЯ ИЗОЛЯЦИЯ - должна удовлетворять требованиям 8.9, другая изоляция должна выдерживать испытание на электрическую прочность по 10.3 для ОСНОВНОЙ или ДОПОЛНИТЕЛЬНОЙ ИЗОЛЯЦИИ соответственно.
Если ДВОЙНАЯ ИЗОЛЯЦИЯ состоит из двух слоев, которые не могут быть испытаны отдельно, то изоляция должна выдерживать испытание на электрическую прочность по 10.3 для УСИЛЕННОЙ ИЗОЛЯЦИИ.
Испытательное напряжение в соответствии с 10.3 подают между проводящими жилами и металлической фольгой, плотно обернутой вокруг изоляции провода на длину 10 см.
В случае изоляционной трубки испытательное напряжение в соответствии с 10.3 подают между плотно подогнанным металлическим стержнем, вставленным в трубку, и металлической фольгой, плотно обернутой вокруг трубки на длину 10 см.
Соответствие требованию проверяют обследованием и измерением.
8.11 Конструкция аппарата должна быть такой, чтобы в случае отсоединения любого провода не произошло уменьшения значений ЗАЗОРОВ и ПУТЕЙ УТЕЧЕК, установленных в разделе 13, посредством естественного перемещения отсоединившегося провода. Это требование не применяется, если отсутствует риск отсоединения провода.
Примечание 1 - Предполагается, что одновременно может отсоединиться не более одного провода.
Соответствие требованию проверяют обследованием и измерением.
Примечание 2 - Примерами способов, достаточных, чтобы предотвратить возможное отсоединение провода, являются:
а) проводник перед пайкой надежно прикрепляется к петле контакта при условии, что отсутствует вероятность обрыва провода вблизи места пайки в результате вибрации;
б) провода скручиваются вместе надежным способом;
в) провода надежно скрепляются вместе по типу кабеля с помощью термоотвердевающего клея в соответствии с МЭК 60454 или с помощью трубок, или другими подобными способами;
г) проводящая жила провода вставляется перед пайкой в отверстие ПЕЧАТНОЙ ПЛАТЫ, диаметр которого чуть больше диаметра проводящей жилы, при условии, что отсутствует вероятность обрыва проводника вблизи печатной платы в результате вибрации;
д) проводящую жилу провода и его изоляцию, если она имеется, надежно обкручивают вокруг контакта при помощи специального инструмента;
е) проводящая жила провода и его изоляция, если она имеется, соединяются с контактом посредством обжима при помощи специального инструмента.
Методы, изложенные в перечислениях от а) до е), относятся к внутренним проводам, а методы, изложенные в перечислениях а), б), в), относятся к внешним гибким шнурам.
В сомнительных случаях соответствие требованию проверяют проведением испытания вибрацией по 12.1.2.
8.12 Проводники внутренней проводки, соединяющие СЕТЕВЫЕ розетки, встроенные в аппарат, с СЕТЕВЫМИ КЛЕММАМИ непосредственно или через СЕТЕВОЙ ВЫКЛЮЧАТЕЛЬ, должны соответствовать требованиям к площади поперечного сечения по 16.2.
Соответствие требованию проверяют обследованием.
Примечание - Закрепление посредством только трения не считается надежным.
Соответствие требованию проверяют обследованием и в сомнительных случаях приложением силы 20 Н в течение 10 с в наиболее неблагоприятном месте и в самом неблагоприятном направлении.
8.14 Крышки, которые могут подвергаться воздействию сил в течение предполагаемой эксплуатации, например крышки, закрывающие КЛЕММЫ (см. раздел 15), должны быть надежно закреплены, если при их отсутствии ОПАСНЫЕ ДЛЯ ЖИЗНИ части становятся ДОСТУПНЫМИ.
Примечание - Закрепление посредством только трения не считается надежным.
Соответствие требованию проверяют обследованием и в сомнительных случаях приложением силы 50 Н в течение 10 с в наиболее неблагоприятном месте и в самом неблагоприятном направлении.
После проведения испытаний по 8.13 и 8.14 аппарат не должен иметь никаких повреждений в понимании настоящего стандарта; особое внимание обращают на то, чтобы ОПАСНЫЕ ДЛЯ ЖИЗНИ части не могли стать ДОСТУПНЫМИ.
8.15 Внутренние провода аппарата, повреждение изоляции которых может вызвать опасность в понимании настоящего стандарта, должны:
- быть закреплены таким образом, чтобы они не соприкасались с частями, имеющими температуру свыше допустимых значений превышения температуры для изоляции проводов в соответствии с таблицей 2, когда усилие, равное 2 Н, прилагается к любой части проводов или их окружению, и
- быть расположены так, чтобы не было риска повреждения их изоляции, например, острыми кромками, движущимися частями или воздействиями, которые могут привести к соприкосновениям с другими частями аппарата, когда усилие, равное 2 Н, прилагается к любой части проводов или их окружению.
Соответствие требованию проверяют обследованием и измерением.
8.16 Аппарат, спроектированный для питания исключительно от ИСТОЧНИКА ПИТАНИЯ, определенного изготовителем аппарата, должен быть сконструирован таким образом, чтобы СПЕЦИАЛЬНЫЙ ИСТОЧНИК ПИТАНИЯ не мог быть заменен на ИСТОЧНИК ПИТАНИЯ ОБЩЕГО НАЗНАЧЕНИЯ без его изменения.
Примечание - Требование невозможности замены может быть достигнуто, например, при помощи специального соединителя.
Соответствие требованию проверяют обследованием.
9.1 Испытания с наружной стороны
ОПАСНЫЕ ДЛЯ ЖИЗНИ части не должны быть ДОСТУПНЫМИ.
Примечание 1 - Цепи, предназначенные для соединения с аппаратурой, на которую распространяются другие стандарты, должны соответствовать требованиям 9.1.1; в части конструкции - требованиям 8.5 или 8.6.
Кроме того, при отсутствии соединений с другой аппаратурой недоступные контакты КЛЕММ не должны быть ОПАСНЫМИ ДЛЯ ЖИЗНИ, за исключением:
- контактов выходных сигнальных КЛЕММ, если они являются ОПАСНЫМИ ДЛЯ ЖИЗНИ по причине функциональных особенностей аппарата при условии, что эти контакты отделены от источников питания в соответствии с требованиями раздела 8 для ДОСТУПНЫХ проводящих частей.
Примечания
2 Допускается, чтобы недоступные входные КЛЕММЫ, например у громкоговорителей, были ОПАСНЫМИ ДЛЯ ЖИЗНИ, если они присоединены к данным выходным КЛЕММАМ.
3 Требования к маркировке таких выходных КЛЕММ указаны в 5.2, перечисление б).
- СОЕДИНИТЕЛЕЙ, соответствующих требованиям 15.1.1, предназначенных для подключения аппарата к СЕТИ, выходных розеток и контактов соединяющих устройств для обеспечения питанием других аппаратов.
Чтобы определить, является ли контакт СОЕДИНИТЕЛЯ или его часть ОПАСНЫМ ДЛЯ ЖИЗНИ, проводят измерения между любыми двумя частями или контактами, затем между любой частью или контактом и любым полюсом источника питания, используемого во время испытания.
Примечание 4 - В части определения разряда между полюсами СЕТЕВОЙ вилки см. 9.1.6.
Контакт СОЕДИНИТЕЛЯ или его часть не является ОПАСНЫМ ДЛЯ ЖИЗНИ, если:
а) напряжение разомкнутой цепи не превышает 35 В (пиковое значение) переменного тока или 60 В постоянного тока, или если требования настоящего перечисления а) не применяются;
б) измерение ТОКА ОТ ПРИКОСНОВЕНИЯ должно выполняться в соответствии с требованиями МЭК 60990 по схеме, описанной в приложении D настоящего стандарта.
ТОК ПРИКОСНОВЕНИЯ; выраженный как напряжения U1 и U2 не превышает следующих значений:
- для переменного тока: U1=35 В (пик.) и U2=0,35 В (пик.);
- для постоянного тока: U1=1,0 В.
Примечание 5 - Предельные значения напряжения U2= 0,35 В (пик.) для переменного тока и U1=1,0 В для постоянного тока соответствуют 0,7 мА (пик.) переменного тока и 2,0 мА постоянного тока соответственно.
Предельное значение напряжения U1=35 В (пик.) для переменного тока соответствует 70 мА (пик.) переменного тока для частот свыше 100 кГц;
и кроме того:
в) разряд не превышает 45 мкКл при наличии остаточных напряжений от 60 В до 15 кВ, или
г) энергия разряда не превышает 350 мДж при наличии остаточных напряжений, превышающих 15 кВ.
Примечания
6 Рекомендуется для аппаратуры, предназначенной для применения в странах с тропическим климатом, значения, приведенные выше в перечислениях а) и б), уменьшить вдвое.
7 Чтобы избежать излишне большого значения ТОКА ОТ ПРИКОСНОВЕНИЯ, когда несколько аппаратов взаимосвязаны, рекомендуется, чтобы ТОК ОТ ПРИКОСНОВЕНИЯ каждого из аппаратов не превышал значения, необходимого для его функционирования.
Для определения, является ли ОПАСНАЯ ДЛЯ ЖИЗНИ часть ДОСТУПНОЙ, используется шарнирный испытательный палец, соответствующий испытательному щупу В по МЭК 61032, который без заметного усилия прикладывают к корпусу или вставляют в любые отверстия корпуса, включая отверстия в днище.
Испытательный палец вставляют в отверстия на глубину, ограничиваемую его размерами, при этом палец поворачивают или сгибают в любое положение до, после и во время его введения. Если отверстие не позволяет вставить палец, то к пальцу в прямом положении прикладывают силу, возрастающую до (20±2)Н, затем испытание повторяют согнутым пальцем.
Проводящие части, покрытые только лаком, эмалью на основе растворителя, обычной бумагой, непропитанной тканью, оксидной пленкой или шайбами из диэлектрика, рассматриваются как неизолированные.
Для конструкций КЛАССА II испытательный щуп 13 по МЭК 61032 не должен касаться ОПАСНЫХ ДЛЯ ЖИЗНИ частей при приложении к нему силы, равной (3±0,3)Н в любом возможном положении.
Испытательный щуп не прикладывают к выходным розеткам, соединителям, обеспечивающим СЕТЕВОЕ питание, держателям плавких предохранителей и аналогичным устройствам.
Примечание 8 - Для проверки наличия электрического контакта необходимо использовать напряжение не менее 40 и не более 50 В; также можно использовать пригодную для этого лампу, включенную последовательно.
Приведенные выше требования для определения ДОСТУПНОСТИ ОПАСНЫХ ДЛЯ ЖИЗНИ частей распространяются только на ОПАСНЫЕ ДЛЯ ЖИЗНИ напряжения, не превышающие 1000 В переменного или 1500 В постоянного тока. Для более высоких напряжений ЗАЗОР между частью, находящейся под ОПАСНЫМ ДЛЯ ЖИЗНИ напряжением, и испытательным пальцем или испытательным штырем должен соответствовать требованиям 13.1.1 для ОСНОВНОЙ ИЗОЛЯЦИИ (см. рисунок 3).
9.1.2 Оси управляющих кнопок, ручек, рычагов и аналогичных устройств
Оси управляющих кнопок, ручек, рычагов и аналогичных устройств не должны быть ОПАСНЫМИ ДЛЯ ЖИЗНИ.
Соответствие требованию проверяют обследованием и в сомнительных случаях измерением в соответствии с 9.1.1.
9.1.3 Отверстия корпуса
Аппарат должен быть сконструирован таким образом, чтобы посторонние подвешенные предметы не могли стать ОПАСНЫМИ ДЛЯ ЖИЗНИ при их попадании в вентиляционные или другие отверстия.
Соответствие требованию проверяют посредством прикладывания к отверстиям испытательного металлического штыря диаметром 4 мм и длиной 100 мм. Испытательный штырь, свободно подвешенный за один конец, опускают в отверстие, глубина проникновения штыря ограничивается его длиной.
Испытательный штырь не должен стать ОПАСНЫМ ДЛЯ ЖИЗНИ.
Применение однополюсной вилки или неизолированного провода для соединения с контактом КЛЕММЫ, используемой для подключения заземления или антенны, а также сигналов звука, изображения или взаимодействия не должно создавать опасности поражения электрическим током.
Испытание не применяют к СОЕДИНИТЕЛЯМ, имеющим маркировку символом, указанным в 5.2, перечисление б).
Примечание - См., кроме того, 15.1.2.
Соответствие требованию проверяют следующими испытаниями:
Испытательный штырь, соответствующий испытательному пробнику 16 по МЭК 61032, прикладывают к любому участку в радиусе 25 мм от каждого контакта СОЕДИНИТЕЛЯ и в сомнительных случаях прикладывают усилие (10±1)Н.
Каждый контакт гнезда испытывают с помощью прямого испытательного пробника, соответствующего испытательному щупу D по МЭК 61032, и в сомнительных случаях прикладывают усилие (1±0,1)Н.
Испытательные щупы не должны стать ОПАСНЫМИ ДЛЯ ЖИЗНИ.
9.1.5 Органы предварительной настройки
Если отверстие, через которое обеспечивается доступ к органам предварительной настройки, обозначено соответствующим образом на корпусе или в инструкции по эксплуатации, а для регулирования требуется отвертка или другой инструмент, то процесс регулирования не должен быть связан с риском поражения электрическим током.
Соответствие требованию проверяют путем введения в отверстие испытательного щупа, соответствующего испытательному щупу С по МЭК 61032.
Испытательный щуп прикладывают в любом возможном положении и в сомнительных случаях прикладывают усилие (10±1) Н.
Испытательный щуп не должен стать ОПАСНЫМ ДЛЯ ЖИЗНИ.
9.1.6 Отключение с помощью СЕТЕВОЙ вилки
Аппарат, предназначенный для подключения к СЕТИ с помощью СЕТЕВОЙ вилки, должен быть сконструирован таким образом, чтобы не было опасности поражения электрическим током от заряда, накопленного на конденсаторах, в случае прикосновения к штырям или контактам вилки после ее отсоединения от розетки.
Примечание - В понимании настоящего пункта приборные и кабельные штыревые соединительные устройства рассматриваются как СЕТЕВЫЕ вилки.
Соответствие требованию проверяют измерением в соответствии с 9.1.1, перечисление а) или в), либо вычислением.
СЕТЕВОЙ выключатель, при его наличии, находится в положении «Выключено», если положение «включено» не является более неблагоприятным.
По истечении двух секунд после отсоединения СЕТЕВОЙ вилки штыри или контакты этой вилки не должны быть ОПАСНЫМИ ДЛЯ ЖИЗНИ.
Испытание может повторяться до 10 раз, чтобы охватить наиболее неблагоприятные случаи.
Если номинальная емкость между СЕТЕВЫМИ полюсами не превышает 0,1 мкФ, испытание не проводят.
9.1.7 Противодействие внешним силам
Корпус аппарата должен обладать достаточным противодействием к приложению внешних сил.
Соответствие требованию проверяют следующими испытаниями:
а) жесткий испытательный палец, соответствующий испытательному щупу 11 по МЭК 61032, в течение 10 с прикладывают к различным точкам корпуса, включая отверстия и текстильную обивку, с усилием, направленным внутрь и равным (50±5)Н.
Усилие должно быть оказано концом испытательного пальца таким образом, чтобы избежать заклинивания или действия рычагом.
Во время испытания корпус не должен становиться ОПАСНЫМ ДЛЯ ЖИЗНИ, а ОПАСНЫЕ ДЛЯ ЖИЗНИ части не должны оказаться ДОСТУПНЫМИ; текстильные обивки не должны касаться ОПАСНЫХ ДЛЯ ЖИЗНИ частей;
б) с помощью испытательного крюка, как указано на рисунке 4, прикладывают направленное наружу усилие (20±2) Н во всех точках, где это возможно, в течение 10 с.
Во время испытания ОПАСНЫЕ ДЛЯ ЖИЗНИ части не должны оказаться ДОСТУПНЫМИ;
в) внешние проводящие кожухи и проводящие части внешней части корпуса должны подвергаться в течение 5 с постоянному усилию, равному (250±10) Н для напольной аппаратуры или (100±10) Н - для другой аппаратуры, приложенному к корпусу или части корпуса, прикрепленной к аппарату с помощью соответствующего испытательного инструмента, обеспечивающего поверхностное прикосновение в виде окружности диаметром 30 мм.
Примечание 1 - Контакты СОЕДИНИТЕЛЕЙ не относятся к проводящим частям внешней части корпуса.
После проведения испытаний аппарат не должен иметь повреждений в понимании настоящего стандарта.
Примечание 2 - При испытаниях аппарат не требуется подключать к источнику питания.
Часть, которая становится ДОСТУПНОЙ после удаления крышки ВРУЧНУЮ, не должна быть ОПАСНОЙ ДЛЯ ЖИЗНИ.
Это требование распространяется также на внутренние части батарейных отсеков, которые становятся ДОСТУПНЫМИ после снятия крышки ВРУЧНУЮ или с помощью инструмента, монеты или других предметов во время замены батарей.
Исключение составляют батареи, замена которых ПОЛЬЗОВАТЕЛЕМ не предусмотрена, например, батареи для устройств памяти.
Соответствие требованию проверяют проведением испытаний по 9.1.1, за исключением того, что измерения проводят через 2 с после удаления крышки.
Примечание - Любую часть устройства для установки напряжения, снимаемую ВРУЧНУЮ, считают защитной крышкой.
10.1 Испытание перенапряжением
Изоляция между ДОСТУПНЫМИ частями или частями, подключенными к ним, и ОПАСНЫМИ ДЛЯ ЖИЗНИ частями должна выдерживать перенапряжение, обусловленное переходными процессами, например, атмосферными разрядами, воздействующими на аппарат через СОЕДИНИТЕЛЬ антенны.
Соответствие требованию проверяют следующим испытанием.
Изоляцию между:
- СОЕДИНИТЕЛЕМ для подключения антенны и КЛЕММАМИ для СЕТЕВОГО питания и
- КЛЕММАМИ для СЕТЕВОГО питания и любым другим СОЕДИНИТЕЛЕМ в случае, если аппарат может подключаться к другим аппаратам, имеющим СОЕДИНИТЕЛИ для подключения антенны, подвергают воздействию 50 разрядов с максимальной скоростью 12 разрядов в минуту от конденсатора емкостью 1 нФ, заряженного до напряжения 10 кВ, по схеме испытания, показанной на рисунке 5а.
Примечание - Во время этих испытаний аппарат к источнику питания не подключают.
После испытания испытываемая изоляция должна соответствовать требованиям 10.3.
Безопасность аппарата не должна нарушаться при воздействии влажности, которая может появиться во время эксплуатации.
Соответствие требованию проверяют воздействием влаги, как указано в настоящем пункте, и проведением сразу после этого испытания по 10.3.
Входные гнезда для кабелей, если таковые имеются, должны оставаться открытыми. Если у гнезда имеются заглушки, они должны быть сняты.
Электрические компоненты, крышки и другие части, которые могут быть сняты ВРУЧНУЮ, удаляют и, в случае необходимости, подвергают воздействию влаги вместе с основной частью аппарата.
Испытание на
воздействие влаги проводят в камере влажности при относительной влажности (
) %.
Температуру
воздуха в любом месте, где может быть помещен аппарат, поддерживают равной (
) °С.
Аппаратуру,
предназначенную для использования в странах с тропическим климатом, подвергают
испытаниям при температуре (40±2) °С и относительной влажности (
) %.
Перед помещением в камеру влажности аппарат подогревают до любой температуры, находящейся в диапазоне от указанной до температуры на 4 К выше.
Аппарат выдерживают в камере влажности в течение:
- 5 суток (120 ч) - для аппаратуры, предназначенной для использования в странах с тропическим климатом;
- 2 суток (48 ч) - для остальной аппаратуры.
Примечания
1 В большинстве случаев температура испытываемого аппарата может быть доведена до заданной путем выдержки его при этой температуре в течение не менее 4 ч перед испытанием на влагостойкость.
2 Методы достижения заданной относительной влажности приведены в МЭК 60260.
3 Воздух в камере должен перемешиваться, конструкция камеры должна исключать возможность осаждения тумана или конденсата воды на аппарате.
4 Во время этих испытаний аппарат к источнику питания не подключают.
После проведения испытания аппарат не должен иметь повреждений.
10.3 Электрическая прочность н сопротивление изоляции
10.3.1 Изолирующие материалы должны удовлетворять следующим требованиям.
Соответствие требованиям проверяют по 10.3.2 и, если нет особых указаний, сразу после испытания на воздействие влаги - по 10.2.
Примечание - Для облегчения испытаний на электрическую прочность компоненты и сборочные узлы допускается испытывать отдельно.
10.3.2 Изолирующие материалы, перечисленные ниже в таблице 3, должны быть испытаны на:
- сопротивление изоляции напряжением 500 В постоянного тока и
- электрическую прочность следующим образом:
изоляцию, находящуюся под напряжением постоянного тока (БЕЗ ПУЛЬСАЦИИ), испытывают напряжением постоянного тока;
изоляцию, находящуюся под напряжением переменного тока, испытывают напряжением переменного тока с частотой СЕТИ.
Если имеют место эффекты коронного разряда, ионизации или подобные им, то рекомендуется проводить испытания напряжением постоянного тока.
Примечание 1 - В тех случаях, когда испытываемая изоляция шунтируется конденсаторами, рекомендуется использовать для испытания напряжение постоянного тока.
Испытательное напряжение берут из таблицы 3 для соответствующего типа изоляции (ОСНОВНОЙ, ДОПОЛНИТЕЛЬНОЙ или УСИЛЕННОЙ) и РАБОЧЕГО НАПРЯЖЕНИЯ U, подаваемого на изоляцию.
При определении РАБОЧЕГО НАПРЯЖЕНИЯ U должны быть выполнены следующие требования:
- аппарат должен питаться от своего НОМИНАЛЬНОГО НАПРЯЖЕНИЯ;
- в случае переменного напряжения измеряют истинное пиковое значение напряжения с учетом налагаемых периодических и непериодических импульсов длительностью полуволны более чем 50 нс;
- в случае постоянного напряжения учитывают максимальную величину любой наложенной пульсации;
- не учитывают периодические и непериодические переходные процессы, имеющие длительность полуволны до 50 нс;
- незаземленные ДОСТУПНЫЕ проводящие части рассматривают как подключенные к КЛЕММЕ заземления либо как подключенные к КЛЕММЕ ЗАЩИТНОГО ЗАЗЕМЛЕНИЯ или к ее контакту;
- в тех случаях, когда обмотка трансформатора или другая деталь аппарата имеет плавающий потенциал, то есть не соединена с цепью, устанавливающей их потенциал относительно земли, должно допускаться ее соединение с КЛЕММОЙ заземления или с КЛЕММОЙ или контактом ЗАЩИТНОГО ЗАЗЕМЛЕНИЯ в точке, где РАБОЧЕЕ НАПРЯЖЕНИЕ достигает наибольшего значения;
- там, где используется ДВОЙНАЯ ИЗОЛЯЦИЯ, РАБОЧЕЕ НАПРЯЖЕНИЕ на ОСНОВНОЙ ИЗОЛЯЦИИ должно определяться при предположении короткого замыкания ДОПОЛНИТЕЛЬНОЙ ИЗОЛЯЦИИ, и наоборот. Для изоляции между обмотками трансформатора короткое замыкание должно предполагаться в точке, в которой возникает наибольшее РАБОЧЕЕ НАПРЯЖЕНИЕ на другой изоляции;
- для изоляции между двумя обмотками трансформатора необходимо использовать наибольшее напряжение между двумя точками, имея в виду внешнее напряжение, к которому могут быть подключены обмотки;
- для изоляции между обмоткой трансформатора и другой частью аппарата необходимо использовать наибольшее напряжение между любой точкой обмотки и другой частью аппарата.
Испытательное напряжение должно быть получено от соответствующего источника, который рассчитан таким образом, что при коротком замыкании выходных КЛЕММ, после установления требуемого значения выходного испытательного напряжения, выходной ток достигает не менее 200 мА.
Устройство защиты от перегрузки не должно срабатывать, если выходной ток не превышает 100 мА.
Значение испытательного напряжения необходимо измерять с точностью ±3%.
Сначала прикладывают напряжение, значение которого составляет не более половины значения испытательного напряжения, затем его быстро повышают до требуемого значения, которое удерживают в течение 1 мин.
Измерение сопротивления изоляции и испытание на электрическую прочность проводят в камере влажности или в помещении, в котором аппарат доводят до заданной температуры, после установления на место тех деталей, которые ранее могли быть сняты.
Считается, что аппарат соответствует требованиям, если сопротивление, измеренное по истечении 1 мин, не менее значения, указанного в таблице 3, и не было искрения или пробоев при проведении испытаний изоляции на электрическую прочность.
При испытании кожухов из изолирующего материала металлическая фольга прижимается непосредственно к ДОСТУПНЫМ частям.
При испытании аппарата, имеющего одновременно УСИЛЕННУЮ ИЗОЛЯЦИЮ и другие типы изоляции, необходимо позаботиться, чтобы испытательное напряжение, приложенное к УСИЛЕННОЙ ИЗОЛЯЦИИ, не повредило ОСНОВНУЮ или ДОПОЛНИТЕЛЬНУЮ ИЗОЛЯЦИЮ.
Примечания
2 При испытании на электрическую прочность ДОСТУПНЫЕ проводящие части могут быть соединены вместе.
3 Установка для проведения испытаний на электрическую прочность тонких листов изолирующего материала приведена на рисунке 6.
Резисторы, конденсаторы и резистивно-емкостные блоки, соответствующие требованиям 14.1, 14.2.1 и 14.2.2 соответственно и включенные параллельно испытываемой изоляции, следует отсоединить. Индуктивности и обмотки, которые могут препятствовать проведению испытания, также следует отсоединить.
Таблица 3 - Испытательные напряжения для проведения испытаний на электрическую прочность и сопротивление изоляции
|
Сопротивление изоляции |
Испытательное напряжение переменного (пиковое значение) или постоянного тока, В |
|
|
1 Между полюсами деталей, НЕПОСРЕДСТВЕННО СОЕДИНЕННЫХ С СЕТЬЮ |
2 МОм |
Для номинальных напряжений СЕТИ £150 Вэффект. - 1410 В; для номинальных напряжений СЕТИ > 150 Вэффект. - 2120 В |
|
2 Между частями, разделенными ОСНОВНОЙ или ДОПОЛНИТЕЛЬНОЙ ИЗОЛЯЦИЕЙ |
2 МОм |
Кривая А на рисунке 7 |
|
3 Между частями, разделенными УСИЛЕННОЙ ИЗОЛЯЦИЕЙ |
4 МОм |
Кривая В на рисунке 7 |
Примечание - Кривые А и В на рисунке 7 определяются следующими точками:
|
РАБОЧЕЕ НАПРЯЖЕНИЕ U (пиковое значение) |
Испытательное напряжение (пиковое значение) |
|
|
Кривая А |
Кривая В |
|
|
35 В |
707 В |
1410 В |
|
354 В |
- |
4240 В |
|
1410 В |
3980 В |
- |
|
10 кВ |
15 кВ |
15 кВ |
|
>10 кВ |
1,5U B |
1,5U В |
Примечание - Для проверки соответствия требованиям настоящего раздела могут потребоваться повторные испытания на электрическую прочность. Чтобы избежать испытаний аппарата в условиях влажности более одного раза, целесообразно заранее установить определенную последовательность испытаний всех изоляций, которые должны быть испытаны при наибольшем испытательном напряжении.
11.1 Опасность поражения электрическим током
Защита от поражения электрическим током должна быть обеспечена и в том случае, когда аппарат работает в условиях неисправностей.
Соответствие требованию проверяют проведением испытаний в условиях неисправностей по разделу 9 с учетом изменений, приведенных ниже.
Для контактов КЛЕММ:
- значения, указанные в 9.1.1, перечисление а), увеличивают до 70 В (пиковое значение) переменного тока и 120 В постоянного тока и
- значения, указанные в 9.1.1, перечисление б), увеличивают до U1=70 В (пиковое значение) и U2=1,4 В (пиковое значение) переменного тока и до U1=4,0 В постоянного тока -
при условии, что антенный штекер и штекер заземления не могут быть вставлены в испытываемый СОЕДИНИТЕЛЬ.
Примечание - Для аппаратуры, предназначенной для использования в странах с тропическим климатом, рекомендуется указанные выше значения уменьшить в два раза.
Если короткое замыкание или обрыв резисторов, конденсаторов, резистивно-емкостных блоков, оптопар или индуктивностей вызывает нарушение данных требований, то аппарат считают удовлетворяющим требованиям безопасности при соответствии компонента необходимым требованиям раздела 14 (см. 4.3.4.).
Если во время проведения испытаний одна из указанных в таблице 3 изоляций подвергается воздействию напряжения, превышающего напряжение, которое имеет место при нормальных условиях работы, и если это ведет к увеличению испытательного напряжения по 10.3, то такая изоляция должна выдержать испытание на электрическую прочность при увеличенном напряжении, за исключением тех случаев, когда повышение напряжения является следствием короткого замыкания или обрыва резистора, конденсатора, резистивно-емкостного блока, оптопары или индуктивности, удовлетворяющих требованиям раздела 14.
Когда аппарат работает в условиях неисправностей, то ни одна из его частей не должна нагреваться до такой температуры, чтобы:
- появилась опасность возникновения пожара вблизи аппарата;
- снижалась его безопасность из-за чрезмерного количества тепла, выделяемого аппаратом.
Соответствие требованиям проверяют проведением испытаний по 11.2.1.
Во время испытаний любое пламя, возникшее внутри аппарата, должно погаснуть менее чем за 10 с.
Во время испытаний пайки могут размягчаться или расплавляться до тех пор, пока аппарат не станет опасным.
Кроме того, соединения пайкой не должны использоваться в качестве защитного механизма, за исключением паек, которые предназначены для того, чтобы расплавляться, например таких как ТЕРМОПРЕДОХРАНИТЕЛИ.
11.2.1 Измерение превышений температуры
Измерение превышений температуры частей аппарата, работающего в режиме неисправности, проводят после достижения установившегося режима, но не позже чем через 4 ч после начала работы.
В течение этого периода аппарат должен соответствовать требованиям 11.2.2-11.2.6 включительно.
Если неисправность приводит к разрыву цепи ранее достижения установившегося режима, то измерение превышения температуры проводят сразу после разрыва цепи.
Если превышение температуры ограничивается срабатыванием плавкого предохранителя, то в случае необходимости проводят следующее дополнительное испытание относительно характеристик плавкого предохранителя.
Плавкую вставку шунтируют и в таком состоянии в условиях неисправности измеряют ток, протекающий в цепи плавкого предохранителя:
- если значение этого тока в 2,1 раза меньше номинального значения, на которое рассчитана плавкая вставка, то температуру измеряют после достижения установившегося режима;
- если значение тока сразу равно или в 2,1 раза больше номинального значения тока, на которое рассчитана плавкая вставка, или постепенно достигает этого значения, то плавкую вставку и шунт убирают и измеряют температуру по истечении времени, равного максимальному времени, предшествующему срабатыванию плавкой вставки.
Если сопротивление плавкого предохранителя влияет на величину тока соответствующей цепи, то при определении значения этого тока должно учитываться максимальное значение сопротивления данной плавкой вставки.
Примечание - Данные, приведенные выше, основываются на характеристиках предохранителей, установленных МЭК 60127, в котором также дается информация, необходимая для расчета максимального сопротивления.
При определении тока, проходящего через плавкую вставку, необходимо учитывать тот факт, что значение тока может изменяться во времени. Поэтому его необходимо измерить как можно скорее после включения аппарата, принимая во внимание время любой задержки, до начала полного функционирования рассматриваемой цепи.
Если превышение температуры аппарата выше значений, указанных в таблице 2, обусловлено коротким замыканием изоляции, то не считают, что аппарат не удовлетворяет требованиям, но должно быть проведено испытание на электрическую прочность этой изоляции в соответствии с 10.3.
Если превышение температуры выше значений, указанных в таблице 2, обусловлено коротким замыканием или обрывом резистора, конденсатора, резистивно-емкостного блока, оптопары или индуктивности, то считают, что аппарат удовлетворяет требованиям, если данные компоненты соответствуют требованиям раздела 14 (см. 4.3.4).
Если превышение температуры выше значений, указанных в таблице 2, обусловлено обрывом резистора, то испытание на перегрузку по 14.1, перечисление б), проводят повторно на резисторе, вмонтированном в аппарат, включая соединения, выполненные изготовителем.
Во время этого испытания соединения не должны быть нарушены.
Превышение температуры ДОСТУПНЫХ частей не должно быть выше значений, указанных в таблице 2, перечисление а) «Условия неисправностей».
11.2.3 Части, за исключением обмоток, обеспечивающие электрическую изоляцию
Превышение температуры изолирующих частей, за исключением обмоток, разрушение которых привело бы к нарушению требований 11.1, 11.2.2, 11.2.4 и 11.2.6, не должно быть выше значений, указанных в таблице 2, перечисление б) «Условия неисправностей», за исключением следующих случаев:
- для ПЕЧАТНЫХ ПЛАТ в течение периода времени максимум 5 мин превышение температуры может быть выше значений, указанных в таблице 2, перечисление б) «Условия неисправностей», но не более чем на 100 К;
- для ПЕЧАТНЫХ ПЛАТ, выдерживающих испытание пламенем по 20.1.3, превышение температуры может быть больше:
а) значения, указанного в таблице 2, перечисление б) «Условия неисправностей», но не выше 100 К на одном или нескольких небольших участках, общая площадь которых не превышает 2 см2 для каждой неисправности, и при условии, что отсутствует возможность поражения электрическим током, или
б) в течение не более 5 мин значения, указанного в таблице 2, перечисление б) «Условия неисправностей», но не более значения превышения температуры для «Других частей», указанного в таблице 2, перечисление д) «Условия неисправностей», на одном или нескольких небольших участках, общая площадь которых не превышает 2 см2 для каждой неисправности, и при условии, что отсутствует возможность поражения электрическим током.
Если превышение температуры выше допустимого значения и если есть сомнение, существует возможность поражения электрическим током или нет, то проводящие части, относящиеся к перегреву, замыкают накоротко и повторяют испытания по 11.1.
Если во время испытаний произойдет отслоение, оголение или обрыв проводников ПЕЧАТНОЙ ПЛАТЫ, то аппарат все еще рассматривают как удовлетворяющий требованиям настоящего стандарта, если выполнены следующие условия:
- ПЕЧАТНАЯ ПЛАТА соответствует требованиям 20.1.3;
- обрыв не является ПОТЕНЦИАЛЬНЫМ ИСТОЧНИКОМ ВОСПЛАМЕНЕНИЯ;
- аппарат удовлетворяет требованиям настоящего пункта после того, как обрыв проводника шунтирован перемычкой;
- любой отслоившийся или оголившийся проводник не приводит к уменьшению ЗАЗОРОВ или ПУТЕЙ УТЕЧЕК между ОПАСНЫМИ ДЛЯ ЖИЗНИ частями и ДОСТУПНЫМИ частями ниже значений, установленных в разделе 13;
- в аппарате КЛАССА I сохраняется любое соединение с защитным заземлением, потеря такого соединения недопустима.
11.2.4 Части, выполняющие роль опоры или ограждения от механических воздействий
Превышение температуры частей, механическое разрушение которых может привести к нарушению требований 9.1.1, не должно быть более значений, указанных в таблице 2, перечисление в) «Условия неисправностей».
11.2.5 Обмотки
Превышение температуры обмоток не должно быть более значений, указанных в таблице 2, перечисления б) и в) «Условия неисправностей», за исключением:
- если температура ограничивается вследствие срабатывания заменяемых или восстанавливаемых защитных устройств, то превышение температуры может быть больше допустимых значений в течение промежутка времени длительностью не более 2 мин после срабатывания защитного устройства.
В случае обмоток, обеспечивающих защиту от поражения электрическим током или от возникновения воспламенения, испытания повторяют три раза, затем обмотки подвергают испытаниям на электрическую прочность по 10.3 без испытаний на воздействие влаги по 10.2, начиная измерения по истечении не более 1 мин после измерений превышения температуры.
После проведения испытаний не должно быть никаких повреждений;
- если температура ограничивается вследствие срабатывания встроенного невосстанавливаемого или незаменяемого устройства защиты или из-за обрыва обмотки, то допустимое превышение температуры может быть выше, но испытание должно быть повторено три раза с использованием новых элементов.
В случае обмоток, обеспечивающих защиту от поражения электрическим током или от возникновения воспламенения, испытания повторяют три раза, потом обмотки подвергают испытаниям на электрическую прочность по 10.3 без испытаний на воздействие влаги по 10.2, начиная измерения по истечении не более 1 мин после измерений превышения температуры.
После проведения испытаний не должно быть никаких повреждений;
- более высокое превышение температуры обмоток допускается при условии, что повреждение их изоляции не приведет к опасности поражения электрическим током или опасности воспламенения и при условии, что эти обмотки не подключены к источникам питания, способным выдавать мощность более 5 Вт при нормальных условиях эксплуатации.
Если превышение температуры выше допустимого значения и если есть сомнение, существует возможность поражения электрическим током или нет, то изоляцию, относящуюся к перегреву, шунтируют и повторяют испытания по 11.1 и 11.2.2.
Примечание - Если изоляция размещена в обмотке таким образом, что превышение ее температуры непосредственно измерить невозможно, то ее температура принимается такой же, как и проводов обмотки.
11.2.6 Части, на которые не распространяются требования 11.2.1 - 11.2
В зависимости от типа применяемого материала превышение температуры частей не должно быть больше значений, указанных в таблице 2, перечисление д) «Условия неисправностей».
12.1 Аппарат в целом
Аппарат должен обладать достаточной механической прочностью и должен быть сконструирован так, чтобы выдержать воздействия, возможные в течение его эксплуатации.
Конструкция аппарата должна исключать возможность короткого замыкания изоляции между ОПАСНЫМИ ДЛЯ ЖИЗНИ частями и ДОСТУПНЫМИ частями или частями, соединившимися с ними, например, в результате случайного ослабления или потери винтов.
Соответствие требованию проверяют проведением испытаний по 12.1.1, 12.1.2 и 12.1.3, за исключением элементов, являющихся частью СЕТЕВОЙ вилки.
Примечание - Элементы, являющиеся частью СЕТЕВОЙ вилки, подвергают испытаниям по 15.4.
Аппараты массой более 7 кг подвергают следующему испытанию.
Аппарат устанавливают на горизонтальную деревянную подставку, которую бросают 50 раз с высоты 5 см на деревянный стол.
После окончания испытания аппарат не должен иметь повреждений, нарушающих требования настоящего стандарта.
ПЕРЕДВИЖНЫЕ АППАРАТЫ, предназначенные для усиления звука музыкальных инструментов, ПОРТАТИВНЫЕ АППАРАТЫ, а также аппараты, имеющие металлический корпус, подвергают испытаниям на виброустойчивость с параметрами по МЭК 60068-2-6.
Аппарат с помощью ремней, опоясывающих корпус, закрепляют на вибростенде в положении, предназначенном для эксплуатации. Направление вибрации - вертикальное; условия испытания следующие:
продолжительность - 30 мин;
амплитуда - 0,35 мм;
диапазон частот - от 10 до 55 Гц и от 55 до 10 Гц;
скорость изменения частоты - приблизительно одна октава в минуту.
После окончания испытаний аппарат не должен иметь повреждений, нарушающих требования настоящего стандарта, в особенности не должны нарушаться соединения или ослабляться крепления деталей, приводящие к снижению безопасности.
Аппарат прочно закрепляют на жесткой опоре и по нему наносят три удара молотком пружинного действия в соответствии с МЭК 60068-2-75. Удары наносят с кинетической энергией приблизительно 0,5 Дж по внешней поверхности, которая защищает ОПАСНЫЕ ДЛЯ ЖИЗНИ части в местах, предположительно наиболее ослабленных, включая выдвижные панели в выдвинутом положении, рукоятки, рычаги, кнопки выключателей и т.Перед ударом молоток прижимают к поверхности аппарата под прямым углом.
Этому испытанию подвергают также окошки, линзы, сигнальные лампы и их колпаки и т.п., но при условии, что они выступают над поверхностью более чем на 5 мм или площадь выступающей поверхности превышает 1 см2.
После данного испытания аппарат должен выдержать испытание на электрическую прочность по 10.3 и не должен иметь никаких повреждений, нарушающих требования настоящего стандарта, особенно ОПАСНЫЕ ДЛЯ ЖИЗНИ части не должны оказаться ДОСТУПНЫМИ, на корпусе не должно быть никаких видимых трещин и изолирующие перегородки не должны быть повреждены.
Примечание - Разрушение отделки, небольшие вмятины, которые не уменьшают значения ЗАЗОРОВ и ПУТЕЙ УТЕЧЕК ниже допустимых, трещины, не различимые невооруженным глазом, и поверхностные трещины формовых деталей, усиленных волокном, и т.п. после данного испытания не учитывают.
12.2 Крепление органов управления
Органы управления, например кнопки, ручки, клавиши, рычаги, должны быть сконструированы и закреплены таким образом, чтобы при их использовании не нарушилась защита от поражения электрическим током.
Соответствие требованию проверяют следующими испытаниями.
Крепежные винты, если таковые имеются, отвинчивают, потом завинчивают с приложением крутящего момента, равного 2/3 значения, указанного в таблице 12, затем ослабляют на 1/4 оборота.
После этого к органам управления в течение 1 мин прикладывают вращающий момент по касательной к окружности, соответствующий усилию 100 Н, но не более 1 Н×м, а также в течение 1 мин осевую растягивающую силу, равную 100 Н. Если масса аппарата менее 10 кг, то значение растягивающего усилия не должно превышать массы аппарата, но должно быть не менее 25 Н.
Для органов управления, таких как нажимные кнопки, клавиши и т.п., которые во время эксплуатации могут подвергаться только воздействию силы давления и которые не выступают за пределы поверхности аппарата более чем на 15 мм, растягивающее усилие ограничивают значением менее 50 Н.
После окончания испытания аппарат не должен иметь повреждений, нарушающих требования настоящего стандарта.
12.3 Устройства ДИСТАНЦИОННОГО УПРАВЛЕНИЯ, удерживаемые в руке
Устройство ДИСТАНЦИОННОГО УПРАВЛЕНИЯ, предназначенное для удержания его в руке и содержащее ОПАСНЫЕ ДЛЯ ЖИЗНИ части, должно обладать достаточной механической прочностью и быть сконструировано таким образом, чтобы выдержать воздействия, возможные в течение его эксплуатации.
Устройство ДИСТАНЦИОННОГО УПРАВЛЕНИЯ со своим гибким шнуром, при его наличии, укороченным до 10 см, подвергают испытанию в соответствии с МЭК 60068-2-32, методика 2.
Если масса устройства управления больше 250 г, то барабан должен совершить 25 оборотов, а если масса меньше или равна 250 г, то 50 оборотов.
После окончания испытания аппарат не должен иметь повреждений, нарушающих требования настоящего стандарта.
Те части устройства ДИСТАНЦИОННОГО УПРАВЛЕНИЯ, соединяемого кабелем, которые не предназначены для удержания в руке, испытывают как части вспомогательных аппаратов.
12.4 Выдвижные устройства
Выдвижные устройства, которые предназначены для выдвижения из аппарата только на часть своей длины, должны иметь стопор такой механической прочности, чтобы ОПАСНЫЕ ДЛЯ ЖИЗНИ части не стали ДОСТУПНЫМИ.
Соответствие требованию проверяют следующим испытанием.
Данное устройство выдвигают до тех пор, пока стопор не ограничит его дальнейшее выдвижение; затем в течение 10 с к нему прикладывают усилие 50 Н в наиболее неблагоприятном направлении.
После испытания аппарат не должен иметь повреждений, нарушающих требования настоящего стандарта, в особенности, - ни одна ОПАСНАЯ ДЛЯ ЖИЗНИ часть не должна стать ДОСТУПНОЙ.
12.5 Коаксиальные антенные гнезда, устанавливаемые на аппарате
Коаксиальные антенные гнезда, устанавливаемые на аппарате, содержащем части или компоненты, которые обеспечивают изоляцию между ОПАСНЫМИ ДЛЯ ЖИЗНИ частями и ДОСТУПНЫМИ частями, должны быть сконструированы таким образом, чтобы выдержать воздействия, возможные в течение эксплуатации.
Соответствие требованию проверяют с помощью следующих испытаний, которые проводятся в указанной последовательности.
После проведения этих испытаний аппарат не должен иметь повреждений, нарушающих требования настоящего стандарта.
Испытание на износоустойчивость
Испытательный штекер, показанный на рисунке 8, вставляют и извлекают из антенного гнезда 100 раз. Необходимо позаботиться, чтобы во время введения и извлечения испытательного штекера не произошло преднамеренного повреждения антенного гнезда.
Испытание ударом
Испытательный штекер, показанный на рисунке 8, вставляют в антенное гнездо, затем молотком пружинного действия по МЭК 60068-2-75 наносят последовательно три удара по одному и тому же месту штекера в наиболее неблагоприятном направлении с кинетической энергией удара приблизительно 0,5 Дж.
Испытание вращающим моментом
Испытательный штекер, показанный на рисунке 8, вставляют в антенное гнездо, затем к штекеру в течение 10 с прикладывают без рывков усилие, равное 50 Н, направленное перпендикулярно к его оси. При этом радиальное направление действия силы выбирают таким образом, чтобы нагрузить те части антенного гнезда, которые предположительно являются наиболее слабыми.
Силу измеряют, например, при помощи пружинного динамометра, прикрепленного посредством отверстия в испытательном штекере.
Испытание проводят 10 раз.
Примечание - При проведении испытаний антенных коаксиальных гнезд, отличных от тех, которые приведены в МЭК 60169-2, используют подходящий испытательный штекер такой же длины.
13.1 Общие положения
13.1.1 ЗАЗОРЫ и ПУТИ УТЕЧЕК должны иметь размеры в соответствии с требованиями 13.2.
Эти значения, являющиеся минимальными, должны применяться, за исключением случаев, когда они могут быть уменьшены на 1 мм для ОСНОВНОЙ и ДОПОЛНИТЕЛЬНОЙ ИЗОЛЯЦИИ и на 2 мм для УСИЛЕННОЙ ИЗОЛЯЦИИ при условии выполнения следующих трех требований:
- они не должны находиться между ДОСТУПНЫМИ проводящими частями корпуса и ОПАСНЫМИ ДЛЯ ЖИЗНИ частями, если они могут быть уменьшены под воздействием внешних сил, как определено в 9.1.7;
- они должны поддерживаться посредством жесткой конструкции;
- должно быть маловероятным значительное снижение их изоляционных свойств от любого осаждения проводящей пыли, возникающего внутри аппарата, например от угольных щеток коллекторного электродвигателя.
При этом минимальные ЗАЗОРЫ и ПУТИ УТЕЧЕК не должны быть ниже двух третей значений, определенных кривыми на рисунке 9, принимая во внимание любые снижения для проводов, покрытых эмалью, определенные в примечании 6 к рисунку 9, а также не менее 0,5 мм для ОСНОВНОЙ или ДОПОЛНИТЕЛЬНОЙ ИЗОЛЯЦИИ и не менее 1,0 мм для УСИЛЕННОЙ ИЗОЛЯЦИИ.
Допускаются исключения для изоляции между частями различной полярности, НЕПОСРЕДСТВЕННО СОЕДИНЕННЫМИ С СЕТЬЮ и имеющими ЗАЗОРЫ и ПУТИ УТЕЧЕК меньше допустимых, но при условии соответствия требованиям 4.3.1, 4.3.2 и 11.2.
При оценке соответствия требованиям 13.2 должны применяться следующие условия.
Подвижные части должны устанавливаться в наиболее неблагоприятное положение.
При определении ЗАЗОРОВ и ПУТЕЙ УТЕЧЕК между ДОСТУПНЫМИ частями и ОПАСНЫМИ ДЛЯ ЖИЗНИ частями с использованием стандартного испытательного пальца любая ДОСТУПНАЯ область непроводящей части рассматривается как покрытая проводящим слоем (в качестве примера см. рисунок 3).
13.1.2 Комбинированная изоляция
Расстояния между проводящими частями вдоль нескрепленной комбинированной изоляции должны рассматриваться как ЗАЗОРЫ и ПУТИ УТЕЧЕК, для которых применяют значения, указанные на рисунке 9.
Для надежно скрепленной комбинированной изоляции, соответствующей требованиям следующих испытаний, ЗАЗОРЫ и ПУТИ УТЕЧЕК не существуют. В этом случае применяют требования только по 8.8.
Соответствие требованию проверяют обследованием, измерением и испытанием.
При этих испытаниях провода обмоток, покрытые эмалью, если такие имеются, заменяют неизолированными проводами.
Материалы считают скрепленными вместе, если они выдержали следующее испытание.
Три аппарата, компонента или сборочных узла 10 раз подвергают следующему температурному циклу:
68 ч - при (Х±2) °С;
1 ч - при (25±2) °С;
2 ч - при (0±2) °С;
1 ч - при (25±2) °С,
где X - максимальная температура, измеренная при нормальных условиях эксплуатации на исследуемом аппарате, компоненте или сборочном узле, плюс 10 К, но не менее 85 °С.
Два аппарата, компонента или сборочных узла из указанных выше затем подвергают соответствующему испытанию на электрическую прочность по 10.3, при этом испытательное напряжение умножают на 1,6.
Оставшийся аппарат, компонент или сборочный узел подвергают испытанию на электрическую прочность, но без предварительной обработки влажностью по 10.2, при этом испытательное напряжение также умножают на 1,6.
Испытание проводят немедленно после окончания последнего цикла при самой высокой температуре тепловых циклических испытаний.
Примечание - Испытательное напряжение устанавливают выше нормального испытательного напряжения для того, чтобы однозначно убедиться, что поверхности плотно скреплены вместе, иначе произойдет пробой.
13.2 Размеры ЗАЗОРОВ и ПУТЕЙ УТЕЧЕК
ЗАЗОРЫ и ПУТИ УТЕЧЕК должны иметь размеры в соответствии с рисунком 9, а также с учетом соответствующих условий, указанных в примечаниях под рисунком.
Установленные ЗАЗОРЫ не распространяются на воздушные промежутки между контактами устройств защиты, выключателей, имеющих конструкцию с маленьким коммутационным зазором, и аналогичных компонентов, где ЗАЗОР изменяется при движении контактов.
Размеры ЗАЗОРОВ и ПУТЕЙ УТЕЧЕК между частями различной полярности, НЕПОСРЕДСТВЕННО СОЕДИНЕННЫМИ С СЕТЬЮ, должны иметь значения, определенные рисунком 9, кривая А, с учетом уменьшения, допускаемого по 13.1.1 и/или по примечанию 6 к рисунку 9.
Минимальные расстояния ЗАЗОРОВ и ПУТЕЙ УТЕЧЕК между проводниками (один из которых может быть СОЕДИНЕН С СЕТЬЮ) на ПЕЧАТНЫХ ПЛАТАХ даны на рисунке 10, при этом они должны иметь соответствующую стойкость к отслоению и оголению по МЭК 60249-2 и должны соответствовать требованиям, приведенным ниже:
- эти расстояния применяются только к самим проводникам настолько, насколько позволяет перегрев (см. 11.2), но не применяются к установленным компонентам или соединениям пайкой;
- лаковые или аналогичные покрытия, за исключением покрытий, соответствующих МЭК 60664-3, не учитывают при измерении этих расстояний.
Соответствие требованиям проверяют измерением с учетом требований приложения Е, подчиняющихся условиям, подробно изложенным в 13.1.1.
При необходимости усилия прикладывают одновременно к любой точке внутренних частей и с наружной стороны проводящих кожухов, пытаясь таким образом уменьшить ЗАЗОР во время проведения измерений. Усилия должны иметь значения:
2 Н - для внутренних частей;
30 Н - для кожухов.
Усилие следует прикладывать к кожуху с помощью жесткого испытательного пальца по МЭК 61032 (испытательный щуп 11).
Если ЗАЗОР состоит из двух или более воздушных промежутков, последовательно разделенных проводящими частями, то при расчете его общего расстояния промежутки, имеющие ширину менее 0,2 мм, не учитывают.
13.3 Для аппаратов, сборочных узлов или компонентов, не СОЕДИНЕННЫХ С СЕТЬЮ, которые ограждены, заключены в оболочку или герметично закрыты для предотвращения попадания грязи и влаги, минимальные внутренние ЗАЗОРЫ и ПУТИ УТЕЧЕК могут быть снижены до значений, приведенных в таблице 4.
Примечания
1 Примерами таких конструкций являются герметично запаянные металлические коробки; пластмассовые коробки, запечатанные клеящим веществом; части, покрытые обволакивающим составом или покрытиями типа А для ПЕЧАТНЫХ ПЛАТ по МЭК 60664-3.
2 Указанные снижения допускаются только в том случае, если они не нарушают защиты от поражения электрическим током и не вызывают чрезмерных перегревов.
Таблица 4 - Минимальные ЗАЗОРЫ и ПУТИ УТЕЧЕК (для конструкций, которые заключены в оболочку или герметично закрыты).
|
РАБОЧЕЕ НАПРЯЖЕНИЕ U переменного или постоянного тока, В (пиковое значение) |
Минимальные ЗАЗОРЫ и ПУТИ УТЕЧЕК, мм |
РАБОЧЕЕ НАПРЯЖЕНИЕ U переменного или постоянного тока, В (пиковое значение) |
Минимальные ЗАЗОРЫ и ПУТИ УТЕЧЕК, мм |
|
U£35 |
0,2 |
U£900 |
2,3 |
|
U£45 |
0,2 |
U£1120 |
2,6 |
|
U£56 |
0,3 |
U£1400 |
3,2 |
|
U£70 |
0,3 |
U£1800 |
4,2 |
|
U£90 |
0,4 |
U£2250 |
5,6 |
|
U£110 |
0,4 |
U£2800 |
7,5 |
|
U£140 |
0,5 |
U£3600 |
10,0 |
|
U£180 |
0,7 |
U£4500 |
12,5 |
|
U£225 |
0,8 |
U£5600 |
16,0 |
|
U£280 |
1,0 |
U£7000 |
20,0 |
|
U£160 |
1,1 |
U£9000 |
25,0 |
|
U£450 |
1,3 |
U£11200 |
32,0 |
|
U£560 |
1,6 |
U£14000 |
40,0 |
|
U£700 |
1,9 |
|
|
|
Примечания 1 Указанные значения применяют как для ОСНОВНОЙ, так и для ДОПОЛНИТЕЛЬНОЙ ИЗОЛЯЦИИ. 2 Для УСИЛЕННОЙ ИЗОЛЯЦИИ значения, приведенные в таблице, должны быть удвоены. 3 Для используемых изоляционных материалов сравнительный индекс трекинга должен быть не менее 100. Значение сравнительного индекса трекинга определяют значением, указанным в МЭК 601 12, решение А. 4 Допускается линейная интерполяция между ближайшими двумя точками; расчетный интервал округляют до 0,1 мм в направлении наибольшего значения. |
|||
Соответствие требованию проверяют обследованием, измерением и 10-кратным воздействием на аппарат, сборочный узел или компонент при следующем температурном цикле:
68 ч - при (Y±2) °С;
1 ч - при (25±2) °С;
2 ч - при (0±2) °С;
1 ч - при (25 ±2) °С,
где Y - максимальная температура, измеренная при нормальных условиях эксплуатации на исследуемом аппарате, компоненте или сборочном узле, но не менее 85 °С. В случае трансформаторов Y является максимальной температурой обмотки, измеренной при нормальных условиях эксплуатации, плюс 10 К, но не менее 85 °С.
Затем аппарат, сборочный узел или компонент подвергают испытаниям на электрическую прочность по 10.3.
Испытания проводят на трех образцах.
После испытаний не должно быть никаких повреждений.
13.4 Расстояния между проводящими частями внутри аппарата, сборочного узла, компонента, которые обработаны изолирующим компаундом, заполняющим все пустоты таким образом, что не остается ЗАЗОРОВ и ПУТЕЙ УТЕЧЕК, должны удовлетворять только требованиям 8.8.
Примечание - Примерами такой обработки являются заливка, инкапсуляция и вакуумная пропитка.
Соответствие требованию проверяют по 13.3 с учетом требований 8.8 и следующих условий:
при визуальном обследовании не должно быть обнаружено никаких трещин в герметизациях, пропитках или других материалах, покрытие не должно иметь ослаблений или усадок и после секционирования образца не должно быть значительных пустот в материале.
13.5 Для покрытых ПЕЧАТНЫХ ПЛАТ типа В изоляция между проводниками должна удовлетворять требованиям МЭК 60664-3. Это требование относится только к ОСНОВНОЙ ИЗОЛЯЦИИ.
Примечание - Для указанных ПЕЧАТНЫХ ПЛАТ ЗАЗОРОВ и ПУТЕЙ УТЕЧЕК под покрытием не существует.
Примечания
1 Если значения параметров компонентов являются частью диапазона значений, то нет необходимости проводить испытания каждого значения этого диапазона. Если этот диапазон состоит из технологически однородных поддиапазонов, то испытаниям подвергают образцы из каждого поддиапазона. Кроме того, если это возможно, то рекомендуется использовать понятие структурно подобных компонентов.
2 Если требуется определенная категория огнестойкости в соответствии с МЭК 60707, то в приложении G даны ссылки в отношении выбора альтернативных методов испытаний.
3 Если требования на огнестойкость в настоящем разделе отсутствуют, то дают ссылку на 20.1.1.
Резисторы, короткое замыкание или обрыв которых вызывает нарушение требований безопасности при работе в условиях неисправностей (см. раздел 11), а также резисторы, шунтирующие промежутки между контактами СЕТЕВЫХ выключателей, должны иметь достаточно стабильное значение сопротивления в режиме перегрузки.
Такие резисторы должны размещаться внутри корпуса аппарата.
Соответствие требованию проверяют испытаниями согласно перечислению а) или б), проводимыми на партии из 10 образцов резисторов.
Перед началом испытаний по перечислению а) или б) должны быть измерены значения сопротивления каждого образца, после чего всю партию подвергают воздействию влажного тепла по МЭК 60068-2-3 в течение 21 сут.
а) Резисторы, подключенные между ОПАСНЫМИ ДЛЯ ЖИЗНИ частями и ДОСТУПНЫМИ проводящими частями, а также резисторы, шунтирующие промежуток между контактами СЕТЕВЫХ выключателей, необходимо подвергнуть воздействию 50 разрядов, проводимых с максимальной скоростью не более 12 разрядов в минуту от конденсатора емкостью 1 нФ, заряженного напряжением 10 кВ, по схеме, приведенной на рисунке 5а. Испытание проводят на партии из 10 образцов.
После окончания этого испытания значение сопротивления резистора не должно отличаться от значения, измеренного перед воздействием влажного тепла, более чем на 20 %. После испытаний не должно быть никаких повреждений.
б) В случае других резисторов на каждый из 10 образцов подают такое напряжение, при котором ток, проходящий через него, в 1,5 раза больше значения тока, измеренного в условиях неисправности на вмонтированном в аппарат резисторе с сопротивлением, равным установленному номинальному значению. Во время испытания напряжение поддерживают постоянным.
Сопротивление резистора измеряют после достижения установившегося режима, оно не должно отличаться от значения, измеренного перед воздействием влажного тепла, более чем на 20 %.
После испытаний не должно быть никаких повреждений.
Резисторы, включенные между ОПАСНЫМИ ДЛЯ ЖИЗНИ частями и проводящими ДОСТУПНЫМИ частями, должны соответствовать требованиям к ЗАЗОРАМ и ПУТЯМ УТЕЧЕК между выводами в соответствии с разделом 13 для УСИЛЕННОЙ ИЗОЛЯЦИИ.
Резисторы с выводами, оканчивающимися внутри корпуса резистора, допускаются только в том случае, если внутренние расстояния между выводами могут быть однозначно и точно определены.
Соответствие требованию проверяют измерением и обследованием.
14.2 Конденсаторы и резистивно-емкостные блоки
Там, где есть ссылка на испытания по МЭК 60384-14, таблица II, эти испытания должны быть дополнены следующими условиями:
продолжительность испытания на влажность при устойчивом тепловом состоянии в соответствии с пунктом 4.12 МЭК 60384-14 должна быть 21 сут.
Примечание - Ссылка на МЭК 60384-14 (1993), включая изменение 1 (1995), дается независимо от того, применяется конденсатор или резистивно-емкостной блок для подавления электромагнитных помех или не применяется.
а) выдерживать испытания для подкласса Y2 или Y4 конденсаторов или резистивно-емкостных блоков, как определено МЭК 60384-14, таблица II.
Требования подкласса Y2 конденсаторов или резистивно-емкостных блоков применимы к аппаратам с номинальными СЕТЕВЫМИ напряжениями относительно земли или нейтрали соответственно от 150 В до 250 В включительно.
Требования подкласса Y4 конденсаторов или резистивно-емкостных блоков применимы только к аппаратам с номинальными СЕТЕВЫМИ напряжениями относительно земли или нейтрали соответственно до 150 В включительно;
б) выдерживать испытания для подкласса Y1 или Y2 конденсаторов или резистивно-емкостных блоков, как определено МЭК 60384-14, таблица II.
Требования подкласса Y1 конденсаторов или резистивно-емкостных блоков применимы к аппаратам с номинальными СЕТЕВЫМИ напряжениями относительно земли или нейтрали соответственно от 150 В до 250 В включительно.
Требования подкласса Y2 конденсаторов или резистивно-емкостных блоков применимы только к аппаратам с номинальными СЕТЕВЫМИ напряжениями относительно земли или нейтрали соответственно до 150 В включительно.
Примечание - Для перечислений а) и б) должна быть дана ссылка на 8.5 и 8.6.
Такие конденсаторы и резистивно-емкостные блоки должны быть расположены внутри корпуса аппарата.
14.2.2 Конденсаторы или резистивно-емкостные блоки, НЕПОСРЕДСТВЕННО СОЕДИНЕННЫЕ С СЕТЬЮ, должны выдерживать испытания для подкласса X1 или Х2 конденсаторов или резистивно-емкостных блоков, как определено в МЭК 60384-14, таблица II.
Требования подкласса X1 конденсаторов или резистивно-емкостных блоков должны применяться для ПОСТОЯННО ПОДКЛЮЧЕННОЙ АППАРАТУРЫ, предназначенной для подключения к СЕТИ с номинальными напряжениями относительно земли или нейтрали соответственно от 150 В до 250 В включительно.
Конденсаторы или резистивно-емкостные блоки подкласса Х2 могут использоваться для всех других случаев.
Примечания
1 Подкласс Y2 конденсаторов или резистивно-емкостных блоков может быть использован вместо подкласса X1 или Х2 конденсаторов или резистивно-емкостных блоков.
2 Подкласс Y4 конденсаторов или резистивно-емкостных блоков может быть использован вместо подкласса Х2 конденсаторов или резистивно-емкостных блоков для напряжений до 150 В включительно.
Характеристики конденсаторов или резистивно-емкостных блоков должны соответствовать их функциям в аппарате при нормальных условиях эксплуатации.
14.2.4 (Преднамеренно оставлен свободным для будущих требований к конденсаторам или резистивно-емкостным блокам, отличающихся от тех, которые упомянуты в 14.2.1-14.2.3).
14.2.5 Конденсаторы или резистивно-емкостные блоки объемом более 1750 мм3 и используемые в цепях, где при коротком замыкании конденсатора или резистивно-емкостного блока ток короткого замыкания превышает 0,2 А, должны соответствовать требованиям на огнестойкость категории В или лучше по 4.38 МЭК 60384-1. Конденсаторы или резистивно-емкостные блоки объемом менее 1750 мм3 могут не соответствовать требованиям на огнестойкость.
Если расстояние между ПОТЕНЦИАЛЬНЫМ ИСТОЧНИКОМ ВОСПЛАМЕНЕНИЯ и конденсаторами или резистивно-емкостными блоками объемом более 1750 мм3 не превышает значений, установленных в таблице 5, то эти конденсаторы или резистивно-емкостные блоки должны соответствовать требованиям на огнестойкость по 4.38 МЭК 60384-1, как определено в таблице 5 или лучше.
Если эти конденсаторы или резистивно-емкостные блоки защищены перегородкой, соответствующей требованиям огнестойкости категории FV 0 по МЭК 60707, или перегородкой, выполненной из металла, то к ним требования на огнестойкость не предъявляются. Перегородка должна иметь размеры, покрывающие, по крайней мере, области, определенные в таблице 5 и представленные на рисунке 13.
Эти требования не применяются к конденсаторам или резистивно-емкостным блокам, имеющим металлический кожух. При этом толщина покрытия таких кожухов значения не имеет.
Таблица 5 - Категории огнестойкости в зависимости от расстояния до ПОТЕНЦИАЛЬНЫХ ИСТОЧНИКОВ ВОСПЛАМЕНЕНИЯ
|
Напряжение разомкнутой цепи ПОТЕНЦИАЛЬНОГО ИСТОЧНИКА ВОСПЛАМЕНЕНИЯ |
Расстояние вниз или в сторону от ПОТЕНЦИАЛЬНЫХ ИСТОЧНИКОВ ВОСПЛАМЕНЕНИЯ до конденсатора или резистивно-емкостного блока менее чем1), мм |
Расстояние вверх от ПОТЕНЦИАЛЬНЫХ ИСТОЧНИКОВ ВОСПЛАМЕНЕНИЯ до конденсатора или резистивно-емкостного блока менее чем1), мм |
Категория огнестойкости в соответствии с МЭК 60384-1 |
|
От 50 до 4000 В включительно (пиковое значение) переменного или постоянного тока |
13 |
50 |
В |
|
Св. 4 кВ (пиковое значение) переменного или постоянного тока |
D2) |
D3) |
В |
|
1) См. рисунок 13. 2) Если D равно 13 мм либо напряжению разомкнутой цепи ПОТЕНЦИАЛЬНОГО ИСТОЧНИКА ВОСПЛАМЕНЕНИЯ в киловольтах, то принимают наибольшее значение. 3) Если D равно 50 мм либо напряжению разомкнутой цепи ПОТЕНЦИАЛЬНОГО ИСТОЧНИКА ВОСПЛАМЕНЕНИЯ в киловольтах, то принимают наибольшее значение. |
|||
Соответствие требованию проверяют по 4.38 МЭК 60384-1.
14.3.1 Маркировка
Индуктивности, неисправность которых может ухудшить безопасность аппарата, например ИЗОЛИРУЮЩИЙ ТРАНСФОРМАТОР, должны иметь маркировку с указанием имени производителя или торговой марки с обозначением типа или номера по каталогу. Имя производителя и обозначение типа могут быть заменены кодовыми номерами.
Соответствие требованию проверяют обследованием.
Примечание 1 - В зависимости от использования необходимо обратить внимание на требования к изоляции обмоток в аппарате по 10.1.
ИЗОЛИРУЮЩИЕ ТРАНСФОРМАТОРЫ должны соответствовать требованиям:
- 14.3.3 и
РАЗДЕЛИТЕЛЬНЫЕ ТРАНСФОРМАТОРЫ должны соответствовать требованиям:
- 14.3.3 и
- 14.3.4.3, и
Другие обмотки, например асинхронных двигателей, где энергия подается только на статор, петли размагничивания, обмотки реле, автотрансформаторы - должны соответствовать требованиям 14.3.3.1, 14.3.5.1 и 14.3.5.2 настолько, насколько они применимы.
Трансформаторы, предназначенные для включения режимов питания, должны соответствовать требованиям для ИЗОЛИРУЮЩИХ ТРАНСФОРМАТОРОВ настолько, насколько они применимы.
Примечание 2 - Специальные требования для трансформаторов, предназначенных для включения режимов питания, находятся в стадии рассмотрения.
Изолирующие материалы индуктивностей и обмоток должны соответствовать требованиям 20.1.4, за исключением тонкого листового материала.
14.3.3 Требования к конструкции
ЗАЗОРЫ и ПУТИ УТЕЧЕК должны соответствовать требованиям раздела 13.
14.3.3.2 Конструкции, имеющие более одной обмотки
В случае использования изолирующих перегородок каркаса, состоящих из насаживаемых нескрепляемых частей стенок, измерение ПУТЕЙ УТЕЧЕК проводят в местах стыков. Если места стыков покрыты скрепляющей липкой лентой по МЭК 60454, на каждую сторону перегораживающей стенки необходимо нанести один слой липкой ленты, чтобы предотвратить возможный риск, возникающий из-за деформации липкой ленты во время ее нанесения.
Первичная и вторичная обмотки должны быть электрически разделены друг от друга, а конструкция обмоток должна быть такой, чтобы не было возможности никаких соединений между этими обмотками непосредственно или через проводящие части.
В частности, должны быть приняты меры, чтобы предотвратить:
- недопустимое смещение первичной или вторичной обмоток или их витков;
- недопустимое смещение внутренних проводов или проводов внешних соединений;
- недопустимое смещение частей обмотки или внутренних проводов в результате обрыва проводов или нарушения соединений;
- шунтирование любой части изоляции между первичной и вторичной обмотками, а также соединений обмоток, которое может произойти при утере или ослаблении проводников, болтов, шайб и других подобных деталей.
Последний виток каждой обмотки должен быть закреплен соответствующим образом, например с помощью ленты, подходящим клеящим веществом, либо технологический процесс должен предусматривать способ крепления.
В случае использования катушек без щечек конечные обороты каждого слоя должны быть закреплены соответствующим образом. Каждый слой может, например, чередоваться с соответствующим изоляционным материалом, защищающим конечные обороты каждого слоя, кроме того:
- обмотки должны быть пропитаны спекаемым материалом или материалом, отвердевающим при низкой температуре, значительно заполняющим пространство между слоями и надежно закрепляющим концы обмоток или:
- обмотки должны удерживаться вместе изоляционным материалом, или
- обмотки должны быть закреплены, например, технологическим процессом.
Примечание - Считается, что два независимых способа фиксации обмоток не могут быть нарушены одновременно.
Если используется лента зубчатой формы, то ее зубчатая часть не считается изоляцией.
Соответствие требованию проверяют обследованием.
14.3.4 Разделение обмоток
14.3.4.1 Обмотки конструкции КЛАССА II
Разделение ОПАСНЫХ ДЛЯ ЖИЗНИ обмоток и обмоток, предназначенных для соединения с ДОСТУПНЫМИ проводящими частями, должно проводиться ДВОЙНОЙ или УСИЛЕННОЙ ИЗОЛЯЦИЕЙ, соответствующей 8.8, за исключением каркасов катушек и разделительных перегородок, обеспечивающих УСИЛЕННУЮ ИЗОЛЯЦИЮ и имеющих толщину не менее 0,4 мм, к которым дополнительные требования не предъявляют.
Если промежуточная проводящая часть, например железный сердечник, не предназначенная для соединения с ДОСТУПНЫМИ проводящими частями, расположена между соответствующими обмотками, то изоляция между этими обмотками должна состоять из ДВОЙНОЙ или УСИЛЕННОЙ ИЗОЛЯЦИИ, как упомянуто выше.
Соответствие требованию проверяют обследованием и измерением.
14.3.4.2 Обмотки конструкции КЛАССА I
Разделение ОПАСНЫХ ДЛЯ ЖИЗНИ обмоток и обмоток, предназначенных для соединения с ДОСТУПНЫМИ проводящими частями, следует проводить ОСНОВНОЙ ИЗОЛЯЦИЕЙ и ЗАЩИТНЫМ ЭКРАНИРОВАНИЕМ, но только в том случае, если выполнены перечисленные ниже условия:
- изоляция между ОПАСНЫМИ ДЛЯ ЖИЗНИ обмотками и защитным экраном соответствует требованиям для ОСНОВНОЙ ИЗОЛЯЦИИ по 8.8 с учетом ОПАСНОГО ДЛЯ ЖИЗНИ напряжения;
- изоляция между защитным экраном и не ОПАСНОЙ ДЛЯ ЖИЗНИ обмоткой соответствует требованиям к электрической прочности в соответствии с таблицей 3, пункт 2;
- защитный экран, предназначенный для соединения с контактом или КЛЕММОЙ ЗАЩИТНОГО ЗАЗЕМЛЕНИЯ, расположен между первичной и вторичной обмотками таким образом, что в случае нарушения изоляции эффективно предотвращает попадание напряжения первичной обмотки на любую вторичную обмотку;
- защитный экран состоит из металлической фольги или экрана, намотанного проводом по меньшей мере на всю глубину одной из обмоток, прилегающих к экрану. Экран из намотанного провода должен быть намотан плотно без промежутков между витками;
- защитный экран расположен таким образом, что его концы не касаются друг друга и одновременно не касаются металлического сердечника, что необходимо для предотвращения потерь, возникающих из-за короткого замыкания витков;
- защитный экран и его выходной провод имеют поперечное сечение, достаточное, чтобы они не разрушились до срабатывания плавкого предохранителя или защитного устройства в случае пробоя изоляции;
- выходной провод присоединяется к защитному экрану надежным способом, например, пайкой, сваркой, заклепкой или обжимом.
Соответствие требованию проверяют обследованием и измерением.
14.3.4.3 Обмотки разделяющих конструкций
Разделение между ОПАСНЫМИ ДЛЯ ЖИЗНИ обмотками и обмотками, предназначенными для соединения с частями, отделенными от ДОСТУПНЫХ частей ДОПОЛНИТЕЛЬНОЙ ИЗОЛЯЦИЕЙ, должно осуществляться по крайней мере ОСНОВНОЙ ИЗОЛЯЦИЕЙ в соответствии с 8.8.
Соответствие требованию проверяют обследованием и измерением.
14.3.5 Изоляция между ОПАСНЫМИ ДЛЯ ЖИЗНИ частями и ДОСТУПНЫМИ частями
14.3.5.1 Обмотки конструкции КЛАССА II
Изоляция между ОПАСНЫМИ ДЛЯ ЖИЗНИ частями и ДОСТУПНЫМИ частями или частями, предназначенными для соединения с ДОСТУПНЫМИ проводящими частями, например металлическим сердечником,
и
изоляция между ОПАСНЫМИ ДЛЯ ЖИЗНИ частями, например металлическим сердечником, соединенным с ОПАСНЫМИ ДЛЯ ЖИЗНИ обмотками и обмотками, предназначенными для соединения с ДОСТУПНЫМИ проводящими частями, - должны состоять из ДВОЙНОЙ или УСИЛЕННОЙ ИЗОЛЯЦИИ в соответствии с 8.8, за исключением каркасов катушек и разделительных перегородок, обеспечивающих УСИЛЕННУЮ ИЗОЛЯЦИЮ и имеющих толщину не менее 0,4 мм, к которым дополнительные требования не предъявляются.
Соответствие требованию проверяют обследованием и измерением.
14.3.5.2 Обмотки конструкции КЛАССА I
Изоляция между ОПАСНЫМИ ДЛЯ ЖИЗНИ обмотками и ДОСТУПНЫМИ проводящими частями или частями, предназначенными для соединения с ДОСТУПНЫМИ проводящими частями, соединенными с контактом или КЛЕММОЙ ЗАЩИТНОГО ЗАЗЕМЛЕНИЯ, например металлическим сердечником,
изоляция между ОПАСНЫМИ ДЛЯ ЖИЗНИ частями, например металлическим сердечником, соединенным с ОПАСНЫМИ ДЛЯ ЖИЗНИ обмотками и обмоткой или фольгой защитного экрана, предназначенного для соединения с контактом или КЛЕММОЙ ЗАЩИТНОГО ЗАЗЕМЛЕНИЯ, - должны состоять из ОСНОВНОЙ ИЗОЛЯЦИИ в соответствии с 8.8.
Провода обмоток, предназначенных для соединения с контактом или КЛЕММОЙ ЗАЩИТНОГО ЗАЗЕМЛЕНИЯ, должны не разрушившись выдавать ток, достаточный для срабатывания плавкого предохранителя или защитного устройства в случае возникновения пробоя изоляции.
Соответствие требованию проверяют обследованием и измерением.
14.4 Высоковольтные компоненты в блоки
Примечание - Ссылки для кабелей высокого напряжения приведены в 20.1.2.
Компоненты, работающие при напряжениях более 4 кВ (пиковое значение) и искровые разрядники, предназначенные для защиты от перенапряжений, если в 20.1 нет иного указания, не должны служить источником пожара или какой-либо иной опасности в понимании настоящего стандарта.
Соответствие требованию проверяют, как указано для категории FV1 по МЭК 60707 или испытанием по 14.4.1, при которых разрушения не допускаются.
14.4.1 Высоковольтные трансформаторы и умножители
Три образца трансформаторов с одной или более высоковольтными обмотками или три высоковольтных умножителя подвергают предварительной подготовке согласно перечислению а), затем испытывают согласно перечислению б).
а) Предварительная подготовка
В случае трансформатора к высоковольтной обмотке подводят мощность 10 Вт (постоянного или переменного тока с частотой СЕТИ). Эту мощность поддерживают в течение 2 мин, затем ступенями по 10 Вт с интервалом в 2 мин увеличивают до 40 Вт.
Подготовку проводят в течение 8 мин или прекращают в тот момент, когда происходит обрыв обмотки или заметное разрушение защитного покрытия.
Примечание 1 - Некоторые трансформаторы имеют такую конструкцию, что проведение данной предварительной подготовки является невозможным. В этих случаях следует провести испытания только по перечислению б), приведенному ниже.
В случае высоковольтных умножителей к каждому образцу с короткозамкнутой выходной цепью подводят напряжение от соответствующего высоковольтного трансформатора.
Значение выходного напряжения устанавливают на таком уровне, чтобы исходное значение постоянного тока короткого замыкания составляло (25±5) мА. Это напряжение поддерживают в течение 30 мин или отключают в момент разрыва цепи или заметного разрушения покрытия.
Примечание 2 - Если конструкция высоковольтного умножителя такова, что ток короткого замыкания, равный 25 мА, не может быть получен, то при предварительной подготовке используют максимально достижимое значение тока, определяемое конструкцией умножителя или условиями его применения в данном аппарате.
б) Испытание пламенем
Образец подвергают испытанию пламенем в соответствии с разделом G.1.2 приложения G.
14.5 Устройства защиты
Устройства защиты должны применяться в соответствии с их номинальными значениями.
Внешние ЗАЗОРЫ и ПУТИ УТЕЧЕК устройств защиты и их соединений должны удовлетворять требованиям для ОСНОВНОЙ ИЗОЛЯЦИИ раздела 13 для напряжения, прилагаемого к разомкнутому устройству.
Соответствие требованию проверяют обследованием.
14.5.1 ТЕПЛОВЫЕ РАЗМЫКАЮЩИЕ УСТРОЙСТВА
ТЕПЛОВЫЕ РАЗМЫКАЮЩИЕ УСТРОЙСТВА, применяемые для обеспечения безопасности аппаратуры, должны удовлетворять требованиям каждого из подпунктов в отдельности: 14.5.1.1; 14.5.1.2 или 14.5.1.3, в зависимости от того, какой из них подходит.
14.5.1.1 ВЫКЛЮЧАТЕЛИ С ТЕПЛОВЫМ РАСЦЕПЛЕНИЕМ должны удовлетворять одному из следующих требований:
а) ВЫКЛЮЧАТЕЛЬ С ТЕПЛОВЫМ РАСЦЕПЛЕНИЕМ, испытываемый как отдельный компонент, должен удовлетворять требованиям и испытываться, насколько это применимо, в соответствии с МЭК 60730 соответствующей серии.
В настоящем стандарте применяются требования следующих стандартов:
- ВЫКЛЮЧАТЕЛЬ С ТЕПЛОВЫМ РАСЦЕПЛЕНИЕМ должен быть 2-го типа действия (см. 6.4.2 МЭК 60730-1);
- ВЫКЛЮЧАТЕЛЬ С ТЕПЛОВЫМ РАСЦЕПЛЕНИЕМ должен иметь по крайней мере МИКРОРАЗЪЕДИНИТЕЛЬ типа 2 В (см. 6.4.3.2 и 6.9.2 МЭК 60730-1);
- ВЫКЛЮЧАТЕЛЬ С ТЕПЛОВЫМ РАСЦЕПЛЕНИЕМ должен иметь механизм РАЗЪЕДИНИТЕЛЯ НЕЗАВИСИМОГО ДЕЙСТВИЯ, в котором контакты не могут препятствовать размыканию при продолжении неисправности (тип 2Е) (см. 6.4.3.5 МЭК 60730-1);
- число циклов автоматического действия должно быть не менее:
3000 циклов - для ВЫКЛЮЧАТЕЛЕЙ С ТЕПЛОВЫМ РАСЦЕПЛЕНИЕМ с автоматическим возвратом в исходное положение, которые используются в цепях, не выключающихся, когда аппарат выключен (см. 6.11.8 МЭК 60730-1),
300 циклов - для ВЫКЛЮЧАТЕЛЕЙ С ТЕПЛОВЫМ РАСЦЕПЛЕНИЕМ с автоматическим возвратом в исходное положение в цепях, которые выключатся одновременно с аппаратурой, и для ВЫКЛЮЧАТЕЛЕЙ С ТЕПЛОВЫМ РАСЦЕПЛЕНИЕМ, не имеющих автоматического возврата, и которые могут устанавливаться в исходное положение ВРУЧНУЮ с внешней стороны аппарата (см. 6.11.10 МЭК 60730-1),
30 циклов - для ВЫКЛЮЧАТЕЛЕЙ С ТЕПЛОВЫМ РАСЦЕПЛЕНИЕМ, не имеющих автоматического возврата в исходное положение, и которые не могут быть установлены ВРУЧНУЮ в исходное положение с внешней стороны аппарата (см. 6.11.11 МЭК 60730-1);
- ВЫКЛЮЧАТЕЛЬ С ТЕПЛОВЫМ РАСЦЕПЛЕНИЕМ должен быть испытан в течение длительного периода воздействия электрического напряжения, на которое он спроектирован, на изолирующие части устройства (см. 6.14.2 МЭК 60730-1);
- ВЫКЛЮЧАТЕЛЬ С ТЕПЛОВЫМ РАСЦЕПЛЕНИЕМ должен удовлетворять требованиям к старению для предполагаемого использования в течение не менее 10000 ч (см. 6.16.3 МЭК 60730-1);
- по электрической прочности ВЫКЛЮЧАТЕЛЬ С ТЕПЛОВЫМ РАСЦЕПЛЕНИЕМ должен удовлетворять требованиям 10.3 настоящего стандарта, за исключением промежутков между контактами и контактами выходных концов, для которых применяют требования от 13.2 до 13.2.4 МЭК 60730-1.
Характеристики ВЫКЛЮЧАТЕЛЯ С ТЕПЛОВЫМ РАСЦЕПЛЕНИЕМ, такие как:
- номиналы ВЫКЛЮЧАТЕЛЯ С ТЕПЛОВЫМ РАСЦЕПЛЕНИЕМ (см. раздел 5 МЭК 60730-1),
- классификация ВЫКЛЮЧАТЕЛЯ С ТЕПЛОВЫМ РАСЦЕПЛЕНИЕМ, относящаяся к:
виду питания (см. 6.1 МЭК 60730-1),
типу нагрузки, которая должна подключаться (см. 6.2 МЭК 60730-1),
степени защиты, обеспечиваемой кожухами от проникновения твердых частиц и пыли (см. 6.5.1 МЭК 60730-1),
степени защиты, обеспечиваемой кожухом от вредного проникновения воды (см. 6.5.2 МЭК 60730-1),
условиям загрязнения, для которых ВЫКЛЮЧАТЕЛЬ С ТЕПЛОВЫМ РАСЦЕПЛЕНИЕМ пригоден (см. 6.5.3 МЭК 60730-1),
максимальному пределу окружающей температуры (см. 6.7 МЭК 60730-1) - должны соответствовать использованию аппаратуры в нормальных рабочих условиях и в условиях неисправностей.
Соответствие требованию проверяют испытаниями, определяемыми серией стандартов МЭК 60730, а также обследованием и измерением.
б) ВЫКЛЮЧАТЕЛЬ С ТЕПЛОВЫМ РАСЦЕПЛЕНИЕМ, испытываемый как часть аппарата, должен:
- иметь по крайней мере МИКРОРАЗЪЕДИНИТЕЛЬ в соответствии с МЭК 60730-1, выдерживающий испытательное напряжение, установленное в 13.2 МЭК 60730-1, и
- подвергаться испытанию на старение в течение 300 ч при температуре, соответствующей окружающей температуре ВЫКЛЮЧАТЕЛЯ С ТЕПЛОВЫМ РАСЦЕПЛЕНИЕМ при работе в нормальных условиях эксплуатации и окружающей температуре 35 °С (45 °С - для аппаратуры, предназначенной для использования в странах с тропическим климатом), и
- подвергаться испытаниям на число циклов автоматического действия, как установлено в перечислении а) для ВЫКЛЮЧАТЕЛЯ С ТЕПЛОВЫМ РАСЦЕПЛЕНИЕМ, испытываемого как отдельный компонент при установлении соответствующих условий неисправности.
Испытание проводят на трех образцах.
При испытании не должно возникать устойчивого искрения.
После испытания ВЫКЛЮЧАТЕЛЬ С ТЕПЛОВЫМ РАСЦЕПЛЕНИЕМ не должен иметь никаких повреждений, нарушающих требования настоящего стандарта. В особенности он не должен иметь повреждений кожуха, не должны уменьшиться ЗАЗОРЫ и ПУТИ УТЕЧЕК и не должно произойти нарушения электрических соединений или механических креплений.
Соответствие требованию проверяют обследованием и указанными испытаниями в установленном порядке.
14.5.1.2 ТЕРМОПЛАВКИЕ ПРЕДОХРАНИТЕЛИ должны удовлетворять одному из следующих требований:
а) ТЕРМОПЛАВКИЙ ПРЕДОХРАНИТЕЛЬ, испытываемый как отдельный компонент, должен удовлетворять требованиям и выдерживать испытания по МЭК 60691.
Характеристики ТЕРМОПЛАВКОГО ПРЕДОХРАНИТЕЛЯ, такие как:
- условия окружающей среды (см. 6.1 МЭК 60691),
- параметры цепи (см. 6.2 МЭК 60691),
- номиналы ТЕРМОПЛАВКОГО ПРЕДОХРАНИТЕЛЯ [см. раздел 8, перечисление б), по МЭК 60691],
- устойчивость к впаиванию или к применению пропитывающих жидкостей, или к очистке растворителем [см. раздел 8, перечисление в), по МЭК 60691] - должны обеспечивать его использование в аппаратуре при нормальных условиях эксплуатации и в условиях неисправности.
Электрическая прочность ТЕРМОПЛАВКОГО ПРЕДОХРАНИТЕЛЯ должна удовлетворять требованиям 10.3 настоящего стандарта, за исключением разъединителя (контактные части) и промежутка между выходными контактами и выводами, для которых применяются требования 11.3 МЭК 60691.
Соответствие требованию проверяют испытанием по МЭК 60730, а также обследованием и измерением.
б) ТЕРМОПЛАВКИЙ ПРЕДОХРАНИТЕЛЬ, испытываемый как часть аппарата, должен быть:
- подвержен испытанию на старение в течение 300 ч при температуре, соответствующей окружающей температуре ТЕРМОПЛАВКОГО ПРЕДОХРАНИТЕЛЯ при работе аппарата в нормальных условиях эксплуатации и температуре окружающей среды 35 °С (45 °С - для аппаратуры, предназначенной для использования в странах с тропическим климатом), и
- подвержен испытанию в таких условиях неисправности, которые вызывают срабатывание ТЕРМОПЛАВКОГО ПРЕДОХРАНИТЕЛЯ, при этом не должно возникать устойчивого искрения и повреждений, нарушающих требования настоящего стандарта, и
- способен выдержать удвоенное напряжение на контактах разъединителя и иметь сопротивление изоляции не менее 0,2 МОм, измеренное с напряжением, равным удвоенному напряжению и поданным на контакты разъединителя.
Испытание проводят 10 раз, при этом не допускается никаких повреждений.
ТЕРМОПЛАВКИЙ ПРЕДОХРАНИТЕЛЬ заменяется частично или полностью после каждого испытания.
Примечание - Если ТЕРМОПЛАВКИЙ ПРЕДОХРАНИТЕЛЬ не может быть заменен частично или полностью, необходимо заменить целиком компонент, содержащий ТЕРМОПЛАВКИЙ ПРЕДОХРАНИТЕЛЬ, например трансформатор.
Соответствие требованию проверяют обследованием и испытаниями в установленном порядке.
14.5.1.3 Тепловые прерывающие устройства, предназначенные для восстановления при помощи пайки, должны испытываться в соответствии с требованиями 14.5.1, перечисление б).
При этом прерывающий элемент не заменяется после срабатывания, а восстанавливается в соответствии с инструкцией изготовителя или, при отсутствии инструкции, при помощи пайки припоем оловянно-свинцовым ПОС-60.
Примечание - Примерами прерывающих устройств, которые предназначены для восстановления при помощи пайки, являются ТЕПЛОВЫЕ РАЗМЫКАЮЩИЕ УСТРОЙСТВА, установленные на мощные резисторы, например, снаружи.
14.5.2 Плавкие вставки и держатели плавких предохранителей
14.5.2.1 Плавкие вставки, НЕПОСРЕДСТВЕННО СОЕДИНЯЕМЫЕ С СЕТЬЮ, применяются с целью обеспечения безопасности аппарата в соответствии с требованиями настоящего стандарта и МЭК 60127, если значение номинального тока плавкого предохранителя не выходит за пределы диапазона, установленного настоящим стандартом.
В последнем случае они должны соответствовать требованиям МЭК 60127, насколько это применимо.
Соответствие требованию проверяют обследованием.
14.5.2.2 В соответствии с требованиями МЭК 60127 плавкие вставки должны иметь следующую маркировку, наносимую на каждый держатель плавкого предохранителя или вблизи с плавкой вставкой, в следующем порядке:
- символ, обозначающий амперсекундную характеристику; например:
F - быстродействующий,
Т - замедленный;
- номинальный ток в миллиамперах для значений номинального тока до 1 А и в амперах для значений номинального тока более 1 А;
- символ, обозначающий отключающую способность плавкой вставки, например:
L - низкая отключающая способность,
Е - повышенная отключающая способность,
Н - высокая отключающая способность.
Примеры маркировки:
T315L или Т315 мАL;
F1,25H или F1,25AH.
Допускается размещать маркировку где-либо в другом месте, внутри или снаружи аппарата, но при условии, чтобы было понятно, к какому держателю плавкого предохранителя относится маркировка.
Требования к маркировке применяют и в том случае, если плавкие вставки имеют номинальный ток, находящийся за пределами диапазона, установленного МЭК 60127.
Соответствие требованию проверяют обследованием.
14.5.2.3 Держатели плавких предохранителей должны быть так сконструированы, чтобы параллельное включение нескольких плавких вставок в одну и ту же цепь было невозможным.
Соответствие требованию проверяют обследованием.
14.5.2.4 Если ОПАСНЫЕ ДЛЯ ЖИЗНИ части аппарата окажутся ДОСТУПНЫМИ при замене плавких предохранителей или прерывающих устройств, то необходимо предотвратить возможность доступа к этим частям ВРУЧНУЮ.
Держатели миниатюрных цилиндрических плавких вставок винтового или байонетного типа, если носители плавких вставок можно снять ВРУЧНУЮ с внешней стороны аппарата, должны быть сконструированы таким образом, чтобы ОПАСНЫЕ ДЛЯ ЖИЗНИ части не становились ДОСТУПНЫМИ ни во время установки или снятия плавкой вставки, ни после снятия плавкой вставки. Держатели плавких предохранителей, соответствующие требованиям МЭК 60127-6, удовлетворяют этим требованиям.
Если носитель плавкого предохранителя имеет конструкцию, удерживающую плавкую вставку, то во время испытания плавкую вставку помещают в носитель плавкого предохранителя.
Соответствие требованию проверяют обследованием.
14.5.3 ТЕРМОРЕЗИСТОРЫ С ПОЛОЖИТЕЛЬНЫМ ТЕМПЕРАТУРНЫМ КОЭФФИЦИЕНТОМ (далее - ТЕРМОРЕЗИСТОРЫ)
ТЕРМОРЕЗИСТОРЫ применяют с целью обеспечения безопасности аппарата в соответствии с требованиями настоящего стандарта и МЭК 60738.
Соответствие требованию проверяют обследованием и испытаниями по 11.2 настоящего стандарта.
Для ТЕРМОРЕЗИСТОРОВ, у которых мощность рассеяния превышает 15 Вт при номинальном сопротивлении, соответствующем нулевой мощности, и при окружающей температуре 25 °С, герметизация или инкапсуляция должны удовлетворять требованиям огнестойкости категории FV-1 или лучше в соответствии с требованиями МЭК 60707.
Соответствие требованию проверяют по МЭК 60707 или по разделу G.1.2 приложения G.
14.5.4 Устройства защиты, не рассматриваемые в 14.5.1, 14.5.2 или 14.5.3
Такие устройства защиты, как например плавкие резисторы, плавкие вставки, не рассматриваемые в МЭК 60127, или миниатюрные прерыватели, должны иметь необходимую размыкающую способность.
У защитных устройств, не восстанавливающихся в исходное состояние, таких как плавкие вставки, маркировка должна наноситься вблизи устройства защиты, чтобы была возможность произвести их правильную замену.
Соответствие требованию проверяют обследованием и проведением испытаний в условиях неисправностей (см. 11.2).
Испытания в условиях неисправности проводятся три раза.
При этом не допускаются никакие повреждения.
14.6 Выключатели
14.6.1 ПОСТОЯННО ПОДКЛЮЧЕННАЯ АППАРАТУРА должна быть оснащена ВСЕПОЛЮСНЫМ СЕТЕВЫМ ВЫКЛЮЧАТЕЛЕМ, за исключением случаев, когда выполняются требования 5.4.2.
ВСЕПОЛЮСНЫЙ СЕТЕВОЙ ВЫКЛЮЧАТЕЛЬ должен иметь контактные разъединения не менее 3 мм в каждом полюсе.
Выключатель должен быть так подсоединен, чтобы при положении «выключено» было обеспечено потребление мощности менее 15 Вт и/или импульсное напряжение не превышало 4 кВ при работе в нормальных рабочих условиях и в условиях неисправности в соответствии с 4.3.
Выключатель должен быть размещен так, чтобы был легкодоступным для ПОЛЬЗОВАТЕЛЯ; не допускается его установка на гибком СЕТЕВОМ кабеле или шнуре.
Независимо от мощности потребления не требуется установка выключателей в аппаратуре или части аппаратуры, которая функционирует самостоятельно и у которой в нормальных условиях эксплуатации пиковое значение напряжения не превышает 4 кВ, при условии, что:
- она включается автоматически без вмешательства человека, например радиочасы, видеомагнитофоны, аппаратура, управляемая по линии связи, или
- предназначена для непрерывной работы, например антенные усилители, радиочастотные преобразователи и модуляторы, устройства, образующие часть СЕТЕВОЙ вилки.
Соответствие требованию проверяют обследованием и измерениями.
Измерения в условиях неисправности по 4.3 выполняют спустя 2 мин после введения неисправности.
14.6.3 На аппарате, для которого требуется МЕХАНИЧЕСКИЙ ВЫКЛЮЧАТЕЛЬ, УПРАВЛЯЕМЫЙ ВРУЧНУЮ по 14.6.2, положение выключателя «включено» должно быть указано.
Примечание - Указание положения «включено» может выполняться световой или звуковой индикацией или другими подходящими способами.
Индикация, выполняемая в форме маркировки, должна удовлетворять требованиям раздела 5.
Маркировка положения «включено» символом
(по МЭК 60417-2) допускается только для
ВСЕПОЛЮСНЫХ СЕТЕВЫХ ВЫКЛЮЧАТЕЛЕЙ.
Если маркировка, сигнальные лампы или аналогичные средства могут давать восприятие, что аппаратура полностью отключена от СЕТИ, в инструкцию должна быть включена полная и ясная информация о состоянии аппаратуры. При применении символов их значение также должно быть объяснено.
Соответствие требованию проверяют обследованием.
14.6.4 Аппаратура, которую можно переводить в рабочее состояние из ДЕЖУРНОГО РЕЖИМА и где требуется МЕХАНИЧЕСКИЙ ВЫКЛЮЧАТЕЛЬ, УПРАВЛЯЕМЫЙ ВРУЧНУЮ, установленный согласно требованиям 14.6.2, должна быть оснащена индикацией, указывающей, что аппаратура находится в состоянии ДЕЖУРНОГО РЕЖИМА.
Примечание - Индикация состояния ДЕЖУРНОГО РЕЖИМА может выполняться световой или звуковой индикацией или другими подходящими способами.
Индикация не требуется, если ток потребления аппаратуры в состоянии ДЕЖУРНОГО РЕЖИМА не превышает 0,7 мА (пиковое значение) переменного тока или постоянного тока.
Соответствие требованию проверяют обследованием.
14.6.5 Если резисторы, конденсаторы или резистивно-емкостные блоки используются для шунтирования промежутков между контактами механических выключателей, СОЕДИНЕННЫХ С СЕТЬЮ, то эти компоненты должны удовлетворять требованиям 14.1, перечисление а), или 14.2.2.
Примечание - К выключателям, управляющим током менее 0,2 А среднеквадратического значения переменного или постоянного тока, не предъявляют никаких требований при условии, что напряжение, поступающее на разомкнутые контакты, не превышает 35 В (пиковое значение) переменного тока или 24 В постоянного тока.
МЕХАНИЧЕСКИЙ ВЫКЛЮЧАТЕЛЬ, УПРАВЛЯЕМЫЙ ВРУЧНУЮ, управляющий током более 0,2 А среднеквадратического значения переменного или постоянного тока, должен удовлетворять одному из следующих требований [см. перечисления а) и б), приведенные ниже], если напряжение на разомкнутых контактах превышает 35 В (пиковое значение) переменного тока или 24 В постоянного тока:
а) выключатель, испытываемый как отдельный компонент, должен удовлетворять требованиям и испытываться в соответствии с МЭК 61058-1 с учетом следующего:
- число рабочих циклов должно быть 10000 (см. 7.1.4.4 МЭК 61058-1);
- выключатель должен быть пригоден для использования в условиях нормального загрязнения (см. 7.1.6.2 МЭК 61058-1);
- по теплостойкости и огнестойкости выключатель должен относиться к 3-му уровню (см. 7.1.9.3 МЭК 61058-1);
- скорость включения и разрыва контактов СЕТЕВЫХ выключателей не должна зависеть от скорости воздействия (см. 13.1, МЭК 61058-1). Кроме того, СЕТЕВЫЕ выключатели должны удовлетворять требованиям G.1.1 приложения G.
Выключатель со следующими характеристиками:
- номиналы выключателей (см. раздел 6 МЭК 61058-1),
- классификация выключателей по:
1) виду питания (см. 7.1.1 МЭК 61058-1),
2) типу нагрузки, управляемой выключателем (см. 7.1.2 МЭК 61058-1),
3) окружающей температуре воздуха (см. 7.1.3 МЭК 61058-1) - должен быть способен выполнять функции выключения в нормальных рабочих условиях.
Соответствие требованию проверяют испытанием по МЭК 61058-1, а также обследованием и измерениями.
Если СЕТЕВОЙ выключатель аппарата управляет выходными СЕТЕВЫМИ розетками, то при измерении должны учитываться общий номинальный ток и импульсные броски тока выходных розеток в соответствии с указаниями 14.6.10;
б) выключатель, испытываемый как часть аппарата, работающего в нормальных условиях, должен удовлетворять требованиям 14.6.7, 14.6.10 и 20.1.4 с учетом следующего:
- выключатели, управляющие током, превышающим 0,2 А среднеквадратического значения переменного или постоянного тока, должны удовлетворять требованиям 14.6.8 и 14.6.9, если напряжение, поступающее на разомкнутые контакты выключателя, превышает 35 В (пиковое значение) переменного тока или 24 В постоянного тока;
- выключатели, управляющие током, превышающим 0,2 А среднеквадратического значения переменного или постоянного тока, должны удовлетворять требованиям 14.6.8, если напряжение, поступающее на разомкнутые контакты, не превышает 35 В (пиковое значение) переменного тока или 24 В постоянного тока;
- выключатели, управляющие током до 0,2 А среднеквадратического значения переменного или постоянного тока, должны удовлетворять требованиям 14.6.9, если напряжение, поступающее на разомкнутые контакты, не превышает 35 В (пиковое значение) переменного тока или 24 В постоянного тока;
СЕТЕВЫЕ выключатели должны удовлетворять требованиям G.1.1 приложения G.
14.6.7 Выключатель, испытываемый по 14.6.6, перечисление б), должен выдерживать без чрезмерного износа или других вредных эффектов электрические, тепловые и механические усилия, которые возникают во время предполагаемого использования, и должен иметь механизм, удовлетворяющий требованиям 13.1 МЭК 61058-1, для выключателей постоянного тока. Кроме того, скорость включения и разрыва контактов СЕТЕВЫХ выключателей не должна зависеть от скорости воздействия.
Соответствие требованию проверяют по 13.1 МЭК 61058-1 и следующим испытанием на износоустойчивость:
выключатель подвергают 10000 циклам переключения с последовательностью по 17.1.2 МЭК 61058-1, за исключением испытаний при повышенном напряжении с повышенной скоростью, установленных в 17.2.4 МЭК 61058-1, и при электрических и тепловых условиях, определяемых нормальными рабочими условиями аппаратуры.
Испытания проводят на трех образцах, при этом не допускаются никакие повреждения.
14.6.8 Выключатель, испытываемый по 14.6.6, перечисление б), должен быть сконструирован таким образом, чтобы во время его предполагаемого использования не было чрезмерного повышения температуры. Используемые материалы должны быть такими, чтобы характеристики выключателя не оказывали неблагоприятного действия на работу аппаратуры во время его предполагаемого использования. В частности, материал и конструкция контактов и выводов должны быть такими, чтобы работа и манипуляции выключателя не приводили к их окислению и другим видам износа.
Соответствие требованию проверяют в положении «включено» в нормальных рабочих условиях и в соответствии с требованиями 16.2.2, перечисления d), l) и m) по МЭК 61058-1 с учетом общего номинального тока и импульсных бросков тока выходных СЕТЕВЫХ розеток в соответствии с указаниями 14.6.10.
Превышение температуры в течение этих испытаний не должно быть более 55 К.
14.6.9 Выключатель, испытываемый по 14.6.6, перечисление б), должен иметь соответствующую электрическую прочность.
Соответствие требованию проверяют следующими испытаниями.
Выключатель должен выдержать испытания на электрическую прочность, как установлено в 10.3, без предварительной обработки влагой, при этом испытательное напряжение снижают до 75 % соответствующего испытательного напряжения, установленного в 10.3, но не менее 500 В среднеквадратического значения (700 В пикового значения).
Испытательное напряжение подают в положении «включено» между ОПАСНЫМИ ДЛЯ ЖИЗНИ частями и ДОСТУПНЫМИ проводящими частями или частями, которые соединены с ДОСТУПНЫМИ проводящими частями и, кроме того, между полюсами в случае применения многополюсного выключателя.
Испытательное напряжение подают в положении «включено» на все промежутки между контактами. При испытаниях резисторы, конденсаторы и резистивно-емкостные блоки, подключаемые параллельно контактному промежутку, могут быть отсоединены.
Общий номинальный ток дополнительной нагрузки должен соответствовать маркировке выходных розеток [см. 5.2, перечисление в)]. Импульсные броски тока дополнительной нагрузки должны иметь значение, указанное в таблице 6.
Таблица 6 - Импульсные броски тока
В амперах
|
Общий номинальный ток выключателя, управляющего выходными розетками |
Импульсные броски тока |
|
До 0,5 включ. |
20 |
|
Св. 0,5 » 1,0 включ. |
50 |
|
» 1,0 » 2,5 включ. |
100 |
|
» 2,5 |
150 |
Если выходные розетки имеют маркировку значения тока, на который их можно нагружать, то это значение берут как общий номинальный ток выходных розеток.
Если выходные розетки имеют маркировку значения мощности, на которую их можно нагружать, то общий номинальный ток выходных розеток рассчитывается на основании значения этой мощности.
После окончания испытаний выключатель не должен иметь повреждений, нарушающих требования настоящего стандарта, в частности, не должно быть повреждений кожуха, уменьшений ЗАЗОРОВ и ПУТЕЙ УТЕЧЕК и нарушений электрических соединений или механических креплений.
Соответствие требованию проверяют обследованием и испытаниями, установленными 14.6.8 и/или 14.6.9.
14.7 Защитные блокировки
Установка ЗАЩИТНЫХ БЛОКИРОВОК должна предусматриваться там, где возможен доступ ВРУЧНУЮ к зонам, представляющим опасность, как указано в настоящем стандарте.
Требования и условия испытаний приведены в 2.8 МЭК 60950.
14.8 Устройства установки напряжения и аналогичные устройства
Аппаратура должна быть сконструирована таким образом, чтобы изменение установки одного напряжения на другое или одного типа питания на другой не могло произойти случайно.
Соответствие требованию проверяют обследованием и испытанием вручную.
Примечание - Изменение установки посредством последовательных перемещений, проводимых ВРУЧНУЮ, считают соответствующим данным требованиям.
14.9 Электродвигатели
14.9.1 Электродвигатели должны быть сконструированы так, чтобы исключить при их длительной нормальной эксплуатации вероятность каких-либо электрических и механических неисправностей, приводящих к нарушению требований настоящего стандарта. Изоляция не должна повреждаться, а контакты и соединения при нагреве, вибрации и т.п. не должны нарушаться.
Соответствие требованию проверяют с помощью следующих испытаний аппарата при нормальных условиях эксплуатации:
а) во время испытаний на электродвигатель подают сначала 1,06 значения НОМИНАЛЬНОГО НАПРЯЖЕНИЯ ПИТАНИЯ, затем 0,9 значения НОМИНАЛЬНОГО НАПРЯЖЕНИЯ ПИТАНИЯ - каждый раз в течение 48 ч. Электродвигатели, рассчитанные на кратковременную работу или на работу с перерывами, включают на время, соответствующее времени работы аппаратуры, если это время ограничено конструкцией аппаратуры.
При кратковременном режиме работы электродвигателей необходимо предусмотреть соответствующие перерывы для охлаждения.
Примечание 1 - Рекомендуется проводить это испытание сразу после испытаний по 7.1;
б) электродвигатель включают 50 раз при подаче на него 1,06 значения НОМИНАЛЬНОГО НАПРЯЖЕНИЯ ПИТАНИЯ и 50 раз при 0,9 значения НОМИНАЛЬНОГО НАПРЯЖЕНИЯ ПИТАНИЯ. Продолжительность каждого периода работы должна быть в 10 раз больше времени от момента включения электродвигателя до момента, когда он наберет полную скорость, но не менее 10 с.
Интервалы между включениями должны быть не менее чем в 3 раза больше продолжительности периода работы.
Если электродвигатель рассчитан на работу при нескольких скоростях, то его испытывают при наиболее неблагоприятной скорости.
После этих испытаний электродвигатель должен выдержать испытание на электрическую прочность в соответствии с 10.3. Ни одно из соединений не должно быть нарушено, кроме того, не должно быть никаких повреждений, в результате которых нарушаются требования безопасности.
Примечание 2 - Для асинхронных электродвигателей, питание к которым подается только через статор, см. также 14.3.2.
14.9.2 Электродвигатели должны быть сконструированы или установлены так, чтобы во время предполагаемой эксплуатации на провода, обмотки, коллекторы, контактные кольца и т.п. не попадало масло, смазка или другие вещества, обладающие разрушающим действием.
Соответствие требованию проверяют обследованием.
14.9.3 Движущие части, которые могут нанести травму, должны быть закрыты таким образом, чтобы при нормальных условиях работы была обеспечена надежная защита. Защитные кожухи, ограждения и т.п. должны обладать механической прочностью и не должны сниматься ВРУЧНУЮ.
Соответствие требованию проверяют обследованием и испытанием вручную.
14.9.4 К двигателям, имеющим фазосдвигающую емкость, трехфазным двигателям и серийным двигателям применяют требования приложения В МЭК 60950, разделы В.8, В.9 и В. 10.
14.10 Батареи
14.10.1 Батареи должны быть размещены таким образом, чтобы исключить опасность накопления огнеопасных газов и чтобы утечка электролита не могла повредить изоляцию.
Соответствие требованию проверяют обследованием.
14.10.2 При наличии возможности для ПОЛЬЗОВАТЕЛЯ заменить перезаряжаемые батареи (которые могут быть заряжены в аппаратуре) на незаряжаемые в аппаратуре должны быть предусмотрены специальные средства, исключающие попадание любого тока заряда на незаряжаемую батарею.
Эти требования не применяются к батареям внутри аппарата, замена которых ПОЛЬЗОВАТЕЛЕМ не предусматривается, например, батареи памяти.
Соответствие требованию проверяют обследованием.
Примечание - Дополнительные требования, относящиеся к инструкции по эксплуатации, приведены в 5.4.1.
14.10.3 В нормальных рабочих условиях и в условиях неисправности:
- для перезаряжаемых батарей ни ток заряда, ни время заряда,
- для литиевых батарей ни ток заряда, ни обратный ток -
не должны превышать допустимых значений, указанных изготовителем батарей.
Соответствие требованию проверяют измерением.
При измерениях литиевые батареи должны быть вынуты и заменены замыкающим накоротко проводником.
Конструкция оптопары должна удовлетворять требованиям раздела 8.
Внутренние и внешние ЗАЗОРЫ и ПУТИ УТЕЧЕК оптопар должны удовлетворять требованиям 13.1.1.
Примечание - Внутренние перегородки надежно скрепленными не считаются.
15.1 Вилки и розетки
Примерами соответствующих стандартов МЭК являются: МЭК 60083, МЭК 60320, МЭК 60884 и МЭК 60906.
Примечания
1 В Австралии, Дании, Японии, Новой Зеландии, Южной Африке, Швейцарии и Великобритании имеют силу специальные национальные требования на вилки и розетки.
2 В Южной Африке, где используется шнуровая установка как средство присоединения к СЕТИ питания, эта установка может быть оснащена пересоединяемой вилкой при условии, что эта вилка соответствует национальным требованиям.
СЕТЕВЫЕ розетки, имеющиеся на аппарате КЛАССА II и служащие для подключения других аппаратов, должны обеспечивать возможность подключения только аппаратов КЛАССА II.
СЕТЕВЫЕ розетки, имеющиеся на аппарате КЛАССА I, предназначенные для подключения других аппаратов, должны обеспечивать возможность подключения только аппаратов КЛАССА II или должны быть снабжены клеммой ЗАЩИТНОГО ЗАЗЕМЛЕНИЯ, надежно соединяемой с клеммой ЗАЩИТНОГО ЗАЗЕМЛЕНИЯ других аппаратов КЛАССА I.
Примечания
3 Для аппаратуры КЛАССА I допускается оснащение обоими типами сетевых розеток и внутренних соединителей на самой аппаратуре.
4 Розетки, предназначенные только для подключения аппаратуры КЛАССА II, могут быть сконструированы, например, в соответствии с рекомендациями МЭК 60906-1, страницы стандарта 3-1 или 3-2, либо стандарта МЭК 60320-2-2, страницы стандарта D или Н.
У аппаратов, имеющих розетки, обеспечивающие подачу СЕТЕВОГО питания на другие аппараты, должны быть приняты меры, предотвращающие перегрузку их вилок или входных соединителей, обеспечивающих соединение аппарата с СЕТЬЮ, если номинальный ток вилок и устройств ввода менее 16 А.
Примечание 5 - Маркировка вилок не считается достаточной мерой для предотвращения перегрузки.
Внешние провода розеток, обеспечивающих подачу СЕТЕВОГО питания на другие аппараты, должны иметь поперечное сечение, установленное в 16.2 для внешних гибких шнуров.
Соответствие требованию проверяют согласно требованиям соответствующих стандартов, а также обследованием по 16.2.
Примечание - Примерами соединителей, удовлетворяющих этим требованиям, являются соединители, сконструированные по МЭК 60130-2, МЭК 60130-8, МЭК 60130-9, МЭК 60169-2 или МЭК 60169-3, когда они применяются так, как предписано. Примером соединителя, не удовлетворяющего требованиям настоящего раздела, являются так называемые вилки типа «банан».
Розетки для ПРЕОБРАЗОВАТЕЛЕЙ ВЫХОДНЫХ СИГНАЛОВ звука и изображения, обозначенные символом по 5.4, перечисление б), должны быть сконструированы таким образом, чтобы штекеры для антенн, соединители заземления и цепей ПРЕОБРАЗОВАТЕЛЕЙ ВЫХОДНЫХ СИГНАЛОВ звука и изображения, а также ПРЕОБРАЗОВАТЕЛЕЙ ВХОДНЫХ СИГНАЛОВ звука, изображения, данных и т.п., не обозначенные по 5.4, перечисление б), не могли быть вставлены в эти розетки.
Соответствие требованию проверяют обследованием.
15.1.3 КЛЕММЫ и соединители, используемые в выходных цепях ИСТОЧНИКОВ ПИТАНИЯ, выходное напряжение которых не соответствует стандартным номинальным напряжениям СЕТИ по МЭК 60038, таблица 1, не должны быть совместимыми с контактными устройствами, которые установлены для бытовой и аналогичной аппаратуры, например для той, которая приведена в стандартах МЭК 60083, МЭК 60320, МЭК 60884, МЭК 60906.
Соответствие требованию проверяют обследованием и испытаниями вручную.
КЛЕММЫ или соединители должны быть сконструированы таким образом, чтобы выдерживали нагрузку, которая может появиться при эксплуатации в нормальных условиях и во время предполагаемого использования.
Соответствие требованию проверяют по МЭК 60320 в части, относящейся к безопасности (например, в части поражения электрическим током или в части нагрева).
15.2 Обеспечение защитного заземления
ДОСТУПНЫЕ проводящие части аппаратуры КЛАССА I, которые могут оказаться под опасным напряжением при нарушении ОСНОВНОЙ ИЗОЛЯЦИИ, и контакты защитного заземления в розетках должны быть надежно соединены с КЛЕММОЙ ЗАЩИТНОГО ЗАЗЕМЛЕНИЯ аппарата.
В цепях защитного заземления не должно быть выключателей или плавких предохранителей.
У ИСТОЧНИКОВ ПИТАНИЯ КЛАССА I, имеющих НЕ ОПАСНЫЕ ДЛЯ ЖИЗНИ выходные напряжения, выходные цепи не должны соединяться с проводом защитного заземления.
Проводники защитного заземления могут быть оголенными или изолированными. Изолированные провода должны иметь зелено-желтую изоляцию, за исключением следующих двух случаев:
а) изоляция заземляющей оплетки должна быть либо зелено-желтой, либо прозрачной;
б) для внутренних защитных проводников в таких монтажных сборках, как резиновые кабели, шины, гибкая печатная проводка и т.п., может использоваться любой цвет при условии, что при их использовании не возникнет никакого неправильного толкования.
Провода зелено-желтой расцветки должны использоваться только для соединений защитного заземления.
Для ПОСТОЯННО ПОДКЛЮЧЕННОЙ АППАРАТУРЫ или аппаратуры, снабженной несъемным гибким шнуром или кабелем, должна быть использована независимая КЛЕММА ЗАЩИТНОГО ЗАЗЕМЛЕНИЯ, расположенная вблизи СЕТЕВЫХ КЛЕММ, которая должна соответствовать требованиям 15.3 и не должна служить для крепления других компонентов.
Если части, снимаемые ВРУЧНУЮ, имеют соединение с защитным заземлением, то при установке этих частей на место соединение с защитным заземлением должно происходить до включения токонесущих соединений и, наоборот, при снятии частей отсоединение защитного заземления должно происходить после отключения токонесущих соединений.
Проводящие части при контакте с проводниками защитного заземления не должны подвергаться существенной электрохимической коррозии. Необходимо избегать сочетаний, указанных выше сплошной разделительной линии в таблице приложения F настоящего стандарта.
КЛЕММЫ ЗАЩИТНОГО ЗАЗЕМЛЕНИЯ должны быть устойчивы к существенной коррозии.
Примечание 1 - Устойчивость к коррозии может быть достигнута соответствующим способом гальванической обработки или покрытия.
Соответствие требованию проверяют обследованием и сверкой с таблицей электрохимических потенциалов, приведенной в приложении F.
Сопротивление соединения между контактами или КЛЕММАМИ ЗАЩИТНОГО ЗАЗЕМЛЕНИЯ и частями, которые должны быть подсоединены к защитному заземлению, не должно быть более 0,1 Ом.
Соответствие требованию проверяют следующим испытанием.
Испытание проводят в течение 1 мин при подаче переменного или постоянного тока 25 А. Испытательное напряжение не должно превышать 12 В.
Примечание 2 - В Канаде при испытаниях применяют ток 30 А.
Измеряют падение напряжения между контактом или КЛЕММОЙ ЗАЩИТНОГО ЗАЗЕМЛЕНИЯ и частью, подключенной к ним, и определяют сопротивление по значению тока и падению напряжения. Сопротивление подводящих проводников для подключения источника питания к защитному заземлению при этом должно быть исключено из результата измерения.
Примечание 3 - Необходимо следить, чтобы контактное сопротивление между концом измерительного щупа и испытываемой металлической частью при испытаниях не влияло на результат измерения.
15.3 КЛЕММЫ для гибких внешних шнуров и для постоянного подключения к СЕТЕВОМУ питанию
Соответствие требованию проверяют обследованием.
Требования к отверстиям ввода приведены в МЭК 60335-1.
15.3.2 В аппаратуре с несъемными СЕТЕВЫМИ шнурами питания присоединение отдельных проводников к внутренней проводке аппаратуры должно производиться с помощью средств, которые будут обеспечивать надежное электрическое и механическое соединения, за исключением проводников питания и защитного заземления несъемного СЕТЕВОГО шнура или кабеля, которые не должны паяться непосредственно к проводникам ПЕЧАТНОЙ ПЛАТЫ.
Спаянные, скрученные и другие аналогичные соединения могут применяться для соединения внешних проводников. Паяные или скрученные соединения должны быть выполнены таким образом, чтобы ЗАЗОРЫ и ПУТИ УТЕЧЕК не были меньше значений, установленных в разделе 13, и чтобы не было возможности разрушения паяных соединений или соскальзывания скрученных соединений. Кроме того, проводники должны быть расположены и зафиксированы таким образом, чтобы была уверенность в том, что перемещение проводников не произойдет, а будет поддерживаться их правильное положение.
Соответствие требованию проверяют обследованием и, при необходимости, путем приложения усилия, равного 5 Н, в любом направлении соединения.
Примечание - Выводы компонента (например выключателя), встроенного в аппаратуру, могут быть использованы как КЛЕММЫ для подачи СЕТЕВОГО питания для аппаратуры при условии, что они удовлетворяют требованиям 15.3.1.
Соответствие требованию проверяют обследованием.
15.3.4 При применении требований к СЕТЕВЫМ шнурам питания необходимо учитывать следующие положения:
- предполагается, что два независимых крепления не могут быть нарушены одновременно;
- проводники, соединенные пайкой, не являются надежной фиксацией, если независимо от пайки они не закреплены вблизи конца провода. При этом «зацепление крюком» конца провода перед пайкой считается достаточной мерой для закрепления и удерживания проводников СЕТЕВОГО шнура в правильном положении при условии, что отверстие, через которое пропускается проводник, не слишком большое;
- проводники, присоединенные к КЛЕММАМ или соединенные другим способом, не считаются надежно закрепленными, если не имеется дополнительного крепления вблизи КЛЕММЫ или конца провода; это дополнительное крепление может одновременно закреплять и изоляцию, и проводник.
15.3.5 КЛЕММЫ для внешних гибких шнуров должны позволять соединение с проводниками, имеющими номинальное поперечное сечение, указанное в таблице 7.
Для номинальных токов, превышающих 16 А, необходимо применять требования МЭК 60950, таблица 14.
Соответствие требованию проверяют обследованием, измерением и проверкой подбора шнуров наименьшего и наибольшего поперечного сечения в соответствии с данными таблицы 7.
Таблица 7 - Номинальные поперечные сечения, которые должны иметь КЛЕММЫ
|
Номинальное поперечное сечение, мм2 |
|
|
До 3 включ. |
От 0,5 до 0,75 включ. |
|
Св. 3 » 6 » |
Св. 0,75 до 1,0 » |
|
» 6 » 10 » |
» 1,0 » 1,5 » |
|
» 10 » 16 » |
» 1,5 » 2,5 » |
|
*Значения НОМИНАЛЬНОГО ТОКА ПОТРЕБЛЕНИЯ включают токи, которые могут проходить через розетки, подающие СЕТЕВОЕ питание на другие аппараты. |
|
15.3.6 КЛЕММЫ в соответствии с требованиями 15.3.3 должны иметь минимальные размеры, указанные в таблице 8.
КЛЕММЫ шпилечного типа должны быть оснащены шайбами.
Для номинальных токов, превышающих 16 А, должны быть применены требования МЭК 60950, таблица 14.
Соответствие требованию проверяют измерением и обследованием.
Таблица 8 - Минимальные номинальные размеры диаметра резьбы
|
Минимальный номинальный диаметр резьбы, мм |
||
|
Стойка или шпилька |
Винт |
|
|
До 10 включ. |
3,0 |
3,5 |
|
Св. 10 » 16 включ. |
3,5 |
4,0 |
|
*Значения НОМИНАЛЬНОГО ТОКА ПОТРЕБЛЕНИЯ включают токи, которые могут проходить через розетки, подающие СЕТЕВОЕ питание на другие аппараты. |
||
15.3.7 КЛЕММЫ должны быть сконструированы так, чтобы они зажимали проводник между металлическими поверхностями с достаточным давлением контакта и без повреждения проводника.
КЛЕММЫ должны быть сконструированы или расположены так, чтобы провод не мог выскользнуть при натяжении проводника.
КЛЕММЫ должны быть так зафиксированы, чтобы когда зажим проводника усиливается или ослабевает:
- сама КЛЕММА не теряла фиксации;
- внутренние провода не подвергались натяжению;
- ЗАЗОРЫ и ПУТИ УТЕЧЕК не становились меньше установленных в разделе 13.
Соответствие требованию проверяют обследованием и измерениями.
15.3.8 КЛЕММЫ в цепях, пропускающих ток более 0,2 А в нормальных рабочих условиях, должны быть сконструированы так, чтобы давление контакта не передавалось на изоляционный материал, кроме керамики, если нет достаточной упругости металлических частей, способных скомпенсировать возможную усадку изоляционных материалов.
Соответствие требованию проверяют обследованием.
15.3.9 У несъемных СЕТЕВЫХ шнуров питания каждая КЛЕММА должна устанавливаться вблизи КЛЕММЫ другого соответствующего потенциала и КЛЕММЫ ЗАЩИТНОГО ЗАЗЕМЛЕНИЯ при ее наличии.
Соответствие требованию проверяют обследованием.
КЛЕММЫ должны быть установлены, защищены или изолированы таким образом, чтобы не было риска случайного контакта между проводом, отделившимся от скрученного многожильного кабеля, и
- ДОСТУПНЫМИ проводящими частями или проводящими частями, соединенными с ними,
- проводящими частями, не соединенными с КЛЕММОЙ ЗАЩИТНОГО ЗАЗЕМЛЕНИЯ и отделенными от ДОСТУПНЫХ проводящих частей только ДОПОЛНИТЕЛЬНОЙ ИЗОЛЯЦИЕЙ.
Соответствие требованию проверяют обследованием и если не имеется специального шнура, предотвращающего отделение жилы от многожильного скрученного провода, то следующим испытанием.
С конца многожильного провода, имеющего номинальную площадь поперечного сечения, снимают изоляцию на участке длиной 8 мм, после чего провод этим концом подсоединяют к КЛЕММЕ так, чтобы одна жила осталась свободной.
Свободную жилу изгибают в любом возможном направлении без нарушения изоляции и закручивания конца жилы за имеющиеся препятствия.
Если проводник является ОПАСНЫМ ДЛЯ ЖИЗНИ, то свободный провод не должен касаться никакой проводящей ДОСТУПНОЙ части или части, соединенной с ДОСТУПНОЙ проводящей частью, или если прибор имеет ДВОЙНУЮ ИЗОЛЯЦИЮ - никакой проводящей части, которая отделена от ДОСТУПНЫХ частей только ДВОЙНОЙ ИЗОЛЯЦИЕЙ.
Если проводник соединен с КЛЕММОЙ заземления, свободный провод не должен касаться никакой ОПАСНОЙ ДЛЯ ЖИЗНИ части.
15.4 Устройства, сконструированные в виде СЕТЕВОЙ вилки
Соответствие требованию проверяют путем присоединения аппарата к розетке установки для испытаний, показанной на рисунке 11. Балансирующий рычаг имеет горизонтальную ось вращения, проходящую через центры (по диаметру) втулок розетки на расстоянии 8 мм над лицевой поверхностью розетки.
Перед вводом штырей испытуемого аппарата рычаг следует сбалансировать, лицевая поверхность розетки при этом находится в вертикальном положении.
После подсоединения аппарата к розетке испытательной установки (как при нормальном пользовании) следует при помощи груза, расположенного на балансирующем рычаге, возвратить лицевую поверхность розетки в вертикальное положение. Приложенный момент не должен превышать 0,25 Н×м.
Примечание - Настоящее испытание соответствует испытанию, описанному в МЭК 60884.
15.4.2 Устройства должны соответствовать требованиям стандартов на размеры СЕТЕВОЙ вилки.
Соответствие требованию проверяют измерением, как указано в стандартах, относящихся к данным испытаниям.
Примечание - Размеры некоторых типов СЕТЕВЫХ вилок установлены в МЭК 60083.
15.4.3 Устройства должны иметь необходимую механическую прочность.
Соответствие требованию проверяют обследованием и следующими испытаниями.
а) Устройство должно подвергаться испытаниям на падение.
Образец укомплектованного устройства должен подвергаться трем ударам при падении с высоты 1 м на горизонтальную поверхность в самом неблагоприятном положении.
Горизонтальная поверхность должна быть выполнена из твердого дерева толщиной не менее 13 мм, уложенного на два слоя фанеры, каждый из которых имеет толщину от 19 до 20 мм, и установлена на бетонный или аналогичный неупругий стол.
После испытаний образец должен удовлетворять требованиям настоящего стандарта, но не обязательно должен быть пригодным к работе.
Примечания
1 Маленькие кусочки могут отламываться от образца при условии, что это не повлияет на защиту от поражения электрическим током.
2 Появление к концу испытаний повреждения штырей и небольших зазубрин не принимают во внимание, если они не приводят к уменьшению значения ЗАЗОРОВ или ПУТЕЙ УТЕЧЕК, установленных в разделе 13.
б) Штыри не должны прокручиваться при приложении момента кручения, равного 0,4 Н×м, сначала в течение 1 мин в одном направлении, затем в противоположном направлении также в течение 1 мин.
Примечание 3 - Данное испытание проводят, если вращение не ухудшает требований безопасности по настоящему стандарту.
в) К каждому штырю прилагают силу натяжения, приведенную в таблице 9, в направлении продолжения оси штыря в течение 1 мин.
Силу натяжения прилагают к устройству, помещенному в камеру тепла с температурой (70±2) °С, после 1 ч пребывания в ней.
После испытаний устройство охлаждают до окружающей температуры, при этом не должно быть смещения штыря в корпусе устройства более чем на 1 мм.
Таблица 9 - Сила натяжения, действующая на штыри
|
Количество полюсов |
Сила натяжения, Н |
|
|
До 10 А включ. |
2 |
40 |
|
130/250 В |
3 |
50 |
|
От 10 А до 16 А включ. |
2 |
50 |
|
130/250 В |
3 |
54 |
|
От 10 А до 16 А включ. |
3 |
54 |
|
440 В |
Более 3 |
70 |
При этих испытаниях контакты защитного заземления, независимо от их числа, считаются как один полюс.
Испытания по перечислениям б) и в) выполняют отдельно с использованием новых образцов.
Примечание 1 - В Австралии и Новой Зеландии для наружных гибких шнуров применяют национальные требования.
Соответствие требованию проверяют испытанием гибких СЕТЕВЫХ шнуров в соответствии с МЭК 60227 или МЭК 60245.
Несъемные гибкие кабели и шнуры аппаратуры КЛАССА I должны быть оснащены зелено-желтой изолированной жилой, соединяющей КЛЕММУ ЗАЩИТНОГО ЗАЗЕМЛЕНИЯ вилки при ее наличии.
Соответствие требованию проверяют обследованием.
Примечание 2 - Цветовой код гибких СЕТЕВЫХ шнуров приведен в МЭК 60173.
16.2 Провода шнуров питания должны иметь номинальную площадь поперечного сечения не менее значений, указанных в таблице 10.
Таблица 10 - Номинальные значения площади поперечного сечения наружных гибких шнуров
|
Номинальное значение площади поперечного сечения, мм2 |
|
|
До 3 включ. |
< 0,50** |
|
Св. 3 » 6 » |
0,75 |
|
» 6 » 10 » |
<1,0 |
|
» 10 » 16 » |
1,5 |
*Значения НОМИНАЛЬНОГО ТОКА ПОТРЕБЛЕНИЯ включают токи, которые могут проходить через розетки, подающие СЕТЕВОЕ питание на другие аппараты.
**Это номинальное значение площади поперечного сечения допускается только для аппаратуры КЛАССА II и при условии, что длина шнура питания, измеренная между вводом шнура в аппарат и вилкой, не превышает 2 м.
Для больших значений номинального тока потребления аппарата и номинальной площади поперечного сечения ссылки приведены в таблице 11 МЭК 60950.
Соответствие требованию проверяют измерением.
Примечание - В США и Канаде требуется применение минимальной площади поперечного сечения проводов 0,81 мм2.
16.3
а) Гибкие шнуры, не удовлетворяющие требованиям 16.1, используемые для подключения других аппаратов, применяемых совместно, и являющиеся ОПАСНЫМИ ДЛЯ ЖИЗНИ, должны обладать соответствующей электрической прочностью.
Соответствие требованию проверяют проведением испытаний на электрическую прочность образцов длиной приблизительно 1 м, применяя соответствующее испытательное напряжение по 10.3 для следующих градаций изоляции:
- для изоляции проводника - применяя метод испытаний по 3.1 и 3.2 МЭК 60885-1;
- для ДОПОЛНИТЕЛЬНОЙ ИЗОЛЯЦИИ, например оплетки вокруг группы проводников, - между проводником, заключенным в оболочку, и металлической фольгой, плотно обернутой вокруг оболочки по длине не менее 100 мм.
Примечание - Если шнур питания, изоляционные свойства которого соответствуют свойствам типов шнуров, указанных в 16.1, применяется внутри оборудования или используется как удлинитель кабеля, его изоляционная оболочка должна являться надежной ДОПОЛНИТЕЛЬНОЙ ИЗОЛЯЦИЕЙ в соответствии с требованиями настоящего раздела.
б) Гибкие шнуры, не удовлетворяющие требованиям 16.1, применяемые в качестве соединителей между испытуемым аппаратом и другими аппаратами, используемыми совместно с ним, и содержащие ОПАСНЫЕ ДЛЯ ЖИЗНИ провода, должны выдерживать перегибы и другие механические напряжения, имеющие место при нормальной эксплуатации.
Соответствие требованию проверяют испытаниями по 3.1 МЭК 60227-2, за исключением случаев, когда применяют условия таблицы 11.
Таблица 11 - Масса и диаметр блока для испытаний натяжением
|
Масса, кг |
Диаметр блока, мм |
|
|
До 6 включ. |
1,0 |
60 |
|
Св. 6 » 12 включ. |
1,5 |
120 |
|
Св. 12 » 20 » |
2,0 |
180 |
Несущее устройство совершает движение назад-вперед 15000 раз (30000 перемещений).
Напряжение между проводниками U - по 10.3.
После этого испытания образец должен выдержать испытание на электрическую прочность по 10.3.
16.4 Провода гибких шнуров, используемых для соединения одного аппарата с другим, работающим совместно с ним, должны иметь такую площадь поперечного сечения, чтобы повышение температуры изоляции как в нормальных условиях работы, так и при наличии неисправности было ничтожно мало.
Соответствие требованию проверяют обследованием. В сомнительных случаях измеряют превышение температуры при нормальных условиях работы и при неисправностях. Превышение температуры не должно быть более значений, указанных в таблице 2.
Кроме того, конструкция должна быть такова, чтобы исключалась возможность проталкивания наружного шнура внутрь аппарата в месте его ввода, если это может повлиять на степень безопасности аппарата и тем самым нарушить требования настоящего стандарта.
Способы, с помощью которых предотвращается натяжение и перекручивание проводов, должны быть очевидны.
Не разрешается пользоваться такими приемами, как завязывание шнура на узел или перевязывание шнура веревкой.
Устройства, с помощью которых предотвращается натяжение и перекручивание проводов, должны быть изготовлены из изоляционного материала либо иметь стойкое покрытие из изоляционного материала, но не из натуральной резины, на случай, если в результате повреждения изоляции шнура или провода ДОСТУПНЫЕ проводящие части могут стать ОПАСНЫМИ ДЛЯ ЖИЗНИ.
В аппаратуре КЛАССА I размещение присоединительных КЛЕММ и длина выводов гибкого присоединительного СЕТЕВОГО шнура между приспособлением, препятствующим натяжению жил, и этими КЛЕММАМИ должны быть подобраны таким образом, чтобы в случае высвобождения шнура из этого приспособления и его обрыва последней оборвалась КЛЕММА ЗАЩИТНОГО ЗАЗЕМЛЕНИЯ.
Соответствие требованию проверяют обследованием и следующими испытаниями.
Испытания проводят на гибких шнурах, присоединенных к аппаратам.
Гибкий шнур соединяют с аппаратом, при этом используют устройство для предотвращения натяжения и перекручивания жил. Жилы вводят в КЛЕММЫ, а КЛЕММНЫЕ винты (если такие имеются) слегка затягивают для того, чтобы провода не могли легко изменить свое положение.
После того как подготовка закончена, продвижение шнура дальше внутрь аппарата должно быть исключено, в противном случае оно не должно вызывать никакой опасности.
На натянутом шнуре, в месте его ввода в отверстие, делают пометку, после чего гибкий шнур подвергают 100-кратному натяжению с силой 40 Н, каждое длительностью 1 с. Натяжение нельзя проводить рывками.
Сразу после этого к шнуру в течение 1 мин прикладывают вращающий момент 0,25 Н×м.
Во время испытаний шнур не должен смещаться более чем на 2 мм. Это измерение проводят, когда шнур натянут. Концы проводов не должны быть заметно смещены, а гибкий шнур не должен иметь повреждений, причиненных устройством для предотвращения натяжения и перекручивания.
16.6 Входное отверстие для наружных гибких шнуров, упомянутых в 16.5, должно быть сконструировано таким образом, чтобы при введении или перемещении шнура не происходило его повреждение.
Примечание - Это может быть достигнуто, например, путем закругления кромки входного отверстия или использования соответствующей втулки из изоляционного материала.
Соответствие требованию проверяют обследованием и установкой гибких шнуров.
16.7 ПЕРЕДВИЖНЫЕ АППАРАТЫ, такие как музыкальные инструменты и работающие совместно с ними усилители, должны иметь устройства ввода наружного шнура по МЭК 60320-1 для подключения к СЕТИ с помощью съемного шнура или должны иметь приспособление для его укладки, когда он не используется (например в отсек), или закрепления на скобах или других приспособлениях.
Соответствие требованию проверяют обследованием.
17.1 Винтовые КЛЕММЫ, обеспечивающие электрический контакт, и фиксирующие винты, которые при эксплуатации аппарата многократно отвинчивают и завинчивают, должны обладать механической прочностью.
Винты, обеспечивающие прижим контактов, и винты диаметром менее 3 мм, являющиеся частью упомянутых выше винтовых креплений, необходимо ввинчивать в металлическую гайку или металлическую вставку.
При этом винты, имеющие диаметр менее 3 мм, которые не осуществляют прижим контактов, допускается не ввинчивать в металл при условии, что винтовые крепления выдерживают вращающий момент, указанный в таблице 12 для винтов диаметром 3 мм.
К винтовым креплениям, которые в течение срока эксплуатации аппарата ослабляют или завинчивают несколько раз, относятся винтовые КЛЕММЫ, винты для закрепления крышек (поскольку они должны ослабляться при открывании аппарата), винты для крепления ручек, кнопок и т.п.
Соответствие требованию проверяют следующим испытанием.
Винты ослабляют, затем завинчивают и затягивают вращающим моментом по таблице 12:
- винты, завинчиваемые в резьбу в металле, подвергают испытанию 5 раз;
- винты, завинчиваемые в дерево, МАТЕРИАЛ НА ДРЕВЕСНОЙ ОСНОВЕ или в резьбу в изоляционном материале, подвергают испытанию 10 раз.
В последнем случае винты следует вывинчивать полностью, а затем каждый раз завинчивать снова.
Винты не допускается завинчивать рывками.
После этих испытаний безопасность аппарата не должна ухудшаться, нарушая требования настоящего стандарта.
Материал, в который проводилось ввинчивание, проверяют обследованием.
Таблица 12 - Вращающий момент, прикладываемый к винтам
|
Вращающий момент, Н×м |
|||
|
I |
II |
III |
|
|
До 2,8 включ. |
0,20 |
0,4 |
0,40 |
|
Св. 2,8 » 3,0 включ. |
0,25 |
0,5 |
0,50 |
|
» 3,0 » 3,2 » |
0,30 |
0,6 |
0,60 |
|
» 3,2 » 3,6 » |
0,40 |
0,8 |
0,60 |
|
» 3,6 » 4,1 » |
0,70 |
1,2 |
0,60 |
|
» 4,1 » 4,7 » |
0,80 |
1,8 |
0,90 |
|
» 4,7 » 5,3 » |
0,80 |
2,0 |
1,00 |
|
» 5,3 » 6,0 » |
- |
2,5 |
1,25 |
Испытание осуществляют с помощью соответствующей отвертки, гаечного или иного ключа, прикладываемых с вращающим моментом, указанным в соответствующей графе таблицы 12:
- для металлических винтов без головок, если винты при затягивании не выходят из отверстия, - I
- для других металлов и для гаек - II
- для винтов из изолирующих материалов - II, при этом:
имеющих шестиугольную головку с размерами, превышающими диаметр резьбы, или с цилиндрической головкой с углублениями, составляющими не менее 0,83 раза от общего диаметра резьбы, или
с головкой, имеющей прорез или крестовый прорез, превышающий в 1,5 раза общий диаметр резьбы;
- для других типов винтов из изолирующих материалов - III.
17.2 Если при эксплуатации аппарата предусмотрена необходимость многократного ослабления и затяжения какого-либо винта, а надежность этого соединения обеспечивает выполнение требований безопасности по настоящему стандарту, необходимо применять дополнительные меры с целью безошибочного введения болта или винта в резьбу, нарезанную в неметаллическом материале.
Соответствие требованию проверяют обследованием и проверкой вручную.
Примечание - Требование считают выполненным, если исключен перекос при введении винта, например, снятием части резьбы на винте или гайке.
17.3 Винты и другие крепежные элементы, предназначенные для задних и нижних крышек и т.п., не должны выпадать после отвинчивания, чтобы их нельзя было заменить при ремонте на винты и крепежные элементы других типов, применение которых может привести к уменьшению ПУТЕЙ УТЕЧЕК и ЗАЗОРОВ между ДОСТУПНЫМИ проводящими частями и ОПАСНЫМИ ДЛЯ ЖИЗНИ частями ниже значений, указанных в таблице 13.
Если при замене винта другим винтом, длина которого равна его 10-кратному номинальному диаметру, ПУТИ УТЕЧКИ и ЗАЗОРЫ будут соответствовать значениям, указанным в таблице 13, то выполнение этого требования необязательно.
Соответствие требованию проверяют обследованием и измерением.
17.4 Токопроводящие детали, постоянно соединенные между собой и через которые протекает ток более 0,2 А, должны быть скреплены таким образом, чтобы исключалась возможность ослабления соединения.
Соответствие требованию проверяют обследованием и испытанием вручную.
Примечания
1 Заливка компаундом обеспечивает достаточное законтривание только тех винтовых соединений, которые не подвергаются действию крутящего момента.
2 Если крепление состоит более чем из одного винта или заклепки, то только одно из этих средств должно быть законтрено.
3 Заклепка неправильной формы или соответствующий паз могут в достаточной мере предотвратить взаимное перемещение соединенных частей.
17.5 Электрические соединения в цепях током более 0,2 А при нормальных условиях должны быть такими, чтобы контактное давление не передавалось через изоляционный материал (это не относится к керамике), за исключением тех случаев, когда металлические детали не обладают достаточной эластичностью, которая может компенсировать любую возможную усадочную деформацию изоляционного материала.
Соответствие требованию проверяют обследованием.
17.6 Многожильные провода гибких шнуров питания, присоединяемые к винтовым КЛЕММАМ, не должны скрепляться оловянно-свинцовым припоем, если они подвергаются контактному давлению, за исключением случаев, когда конструкция крепления не допускает возможности плохого контакта, обусловленного холодной пайкой.
Соответствие требованию проверяют обследованием.
17.7 Устройства для крепления крышек, которыми могут неоднократно пользоваться во время эксплуатации аппарата, должны обладать достаточной механической прочностью, если при их неисправности может быть нарушена безопасность аппарата.
Открытые и закрытые положения устройства не должны иметь неопределенности и не должно возникать случайное открывание аппарата.
Соответствие требованию проверяют обследованием, проверкой работы запирающего устройства и проведением одного из следующих испытаний.
В запирающих устройствах, работа которых основана на сочетании поступательного и вращательного движений, измеряют прикладываемый момент и силу, необходимые для открывания и закрывания устройства. Затем к устройству, находящемуся в положении «закрыто», в направлении закрывания прикладывают вращающий момент (или силу), вдвое больший, чем это необходимо, чтобы устройство закрыть (минимальные значения вращающего момента или силы составляют 1 Н×м или 10 Н соответственно), если это устройство не открывается меньшим вращающим моментом или силой, приложенными в том же направлении.
Эту операцию повторяют 10 раз.
Вращающий момент (или сила), необходимый для открывания устройства, должен быть не менее 0,1 Н×м или 1 Н соответственно.
- В случае крепления крышек с помощью зажимов крышку десять раз снимают и ставят на место принятым способом.
После этих испытаний крышка должна выдержать проверку с помощью испытательного крючка и жесткого испытательного пальца по 9.1.7, перечисления а) и б).
17.8 Съемные ножки или подставки, поставляемые изготовителем аппарата, должны быть снабжены комплектом крепежных элементов, за исключением случаев, когда их поставляют в сборе с аппаратом.
Соответствие требованию проверяют обследованием.
17.9 Внутренние съемные соединения должны быть сконструированы таким образом, чтобы не происходило непреднамеренное разъединение, если это может привести к нарушению требований по безопасности аппарата.
Соответствие требованию проверяют обследованием и в сомнительных случаях путем приложения усилия, равного 2 Н, в любом направлении соединения.
Примечание - Для других внутренних соединений см. 8.11.
18.1 Кинескоп телевизионного приемника с размерами экрана по диагонали более 16 см должен быть взрывозащищенным без дополнительной защиты; в противном случае телевизионный приемник должен иметь надежную защиту от последствий взрыва кинескопа.
Кинескоп, не имеющий защиты от взрыва, должен быть оснащен экраном, который не может быть снят ВРУЧНУЮ. Если используют отдельный экран из стекла, то он не должен соприкасаться с поверхностью кинескопа.
Соответствие требованию проверяют обследованием, измерениями и с помощью следующих испытаний:
- по 18.2 - для взрывозащищенных кинескопов, включая кинескопы со встроенными защищенными экранами;
- по 18.3 - для аппаратов, имеющих взрывонезащищенные кинескопы.
Примечания
1 Кинескоп считают взрывозащищенным с точки зрения последствий взрыва, если при его правильной установке в корпусе аппарата не требуется дополнительная защита.
2 Для обеспечения испытаний изготовитель кинескопов может указать критическое место на испытуемом кинескопе.
18.2 Взрывозащищенные кинескопы, включая кинескопы со встроенными защитными экранами
Каждое из испытаний по 18.2.2 и 18.2.3 проводят на шести кинескопах, три из которых испытывают сразу после получения, а другие - после того, как подверглись искусственному старению по 18.2.1.
Не допускается выход из строя ни одного образца.
Для проведения испытаний по 18.2.2 и 18.2.3 кинескопы устанавливают в испытательный футляр, который размещают на горизонтальной подставке на высоте (75±5) см от пола.
Следует предусмотреть, чтобы во время испытаний футляр не скользил по подставке.
Примечание - Ниже приведен пример описания испытательного футляра:
- футляр изготавливают из фанеры толщиной около 12 мм - для кинескопов с размером экрана по диагонали не более 50 см и толщиной 19 мм - для кинескопов с большим размером экрана;
- внешние размеры футляра примерно на 25 % больше габаритов кинескопа;
- на передней панели футляра имеется окно, которое плотно охватывает кинескоп при его установке. Задняя стенка с отверстием диаметром 5 см присоединена к деревянному упору высотой 25 мм, который прикреплен к подставке и исключает скольжение футляра.
Искусственное старение проводят в режиме, указанном ниже:
а) Влажное тепло:
24 ч - при (25±2) °С и от 90 % до 95% относительной влажности;
24 ч - при (45±2) °С и от 75 % до 80% относительной влажности;
24 ч - при (25±2) °С и от 90 % до 95% относительной влажности.
б) Смена температуры в два цикла, каждый из которых включает в себя:
1 ч - при плюс (20 ± 2) °С;
1 ч - при минус (25 ± 2) °С;
1 ч - при плюс (20 ± 2) °С;
1 ч - при плюс (50 ± 2) °С.
Примечание - Смена температур не ставит своей целью усиление термических напряжений на кинескопе и может осуществляться при использовании одной или двух камер.
в) Влажное тепло: по перечислению а).
На баллон каждого кинескопа наносят сетку царапин следующим методом:
на боковую или переднюю сторону кинескопа алмазным стеклорезом наносят царапины в соответствии с рисунком 12. Затем это место несколько раз охлаждают жидким азотом или веществом, ему подобным, до образования трещин. Для предотвращения отекания охлаждающей жидкости с испытуемого места необходимо это место оградить пластилином или подобным материалом.
После данного испытания:
ни один осколок стекла массой более 2 г не должен вылетать за пределы барьера высотой 25 см, установленного на полу на расстоянии 50 см от проекции на пол лицевой панели кинескопа;
ни один осколок стекла не должен вылетать за пределы аналогичного барьера, удаленного на расстояние 200 см.
18.2.3 Испытание на механическую прочность
Каждый кинескоп
подвергают испытанию ударом шара диаметром (
) мм из закаленной стали, имеющей твердость по Роквеллу R62, который подвешен на шнуре в
фиксированной точке.
Шар отводят при натянутом шнуре и затем предоставляют ему возможность падать на любое место кинескопа с такой высоты, чтобы расстояние по вертикали между шаром и точкой удара составляло:
210 см - для кинескопов с размером экрана по диагонали свыше 40 см;
170 см - для остальных кинескопов.
Удар по лицевой поверхности экрана должен наноситься в точку, удаленную от краев экрана не менее чем на 20 мм.
После данного испытания:
ни один осколок стекла массой более 10 г не должен вылетать за пределы барьера высотой 25 см, установленного на полу на расстоянии 150 см от проекции на пол лицевой панели кинескопа.
18.3 Взрывонезащищенные кинескопы
Аппарат с установленным кинескопом и защитным экраном размещают на горизонтальной подставке на высоте (75±5) см от пола или непосредственно на полу, если аппарат предназначен для работы на полу.
Кинескоп взрывают внутри корпуса аппарата методом термоудара, описанного в 18.2.2.
После данного испытания:
ни один осколок стекла массой более 2 г не должен вылетать за пределы барьера высотой 25 см, установленного на полу на расстоянии 50 см от проекции на пол лицевой панели кинескопа;
ни один осколок стекла не должен вылетать за пределы аналогичного барьера, удаленного на расстояние 200 см.
Аппарат, предназначенный для установки на полу и имеющий массу более 18 кг, должен обладать достаточной механической устойчивостью.
Кроме того, устойчивость должна обеспечиваться при установке аппарата на ножки или подставку, поставляемые изготовителем.
Соответствие требованию проверяют по 19.1 и 19.2.
Во время этих испытаний аппарат не должен выходить из положения равновесия.
Если конструкция аппарата такова, что при наклоне аппарата на угол 10° по отношению к горизонтальной плоскости часть его, которая в нормальном положении не имеет контакта с поддерживающей поверхностью, коснется горизонтальной плоскости, то аппарат помещают на горизонтальную подставку и после этого отклоняют на угол 10° в наиболее неблагоприятном направлении.
Примечание - Испытание на горизонтальной подставке может оказаться необходимым для аппаратов, оснащенных короткими ножками, рамками и т.п.
В любой точке горизонтальной поверхности, выступа или углубления прикладывают усилие 100 Н, направленное вертикально вниз таким образом, чтобы получить максимальный опрокидывающий момент при условии, что расстояние от этой точки до поверхности пола не превышает 75 см.
19.3 Острые кромки или углы, кроме тех, которые необходимы для нормального функционирования аппарата, должны быть сглажены (без резких разрывов), в противном случае они могут представлять опасность для ПОЛЬЗОВАТЕЛЯ при размещении или применении аппарата.
Соответствие требованию проверяют обследованием.
19.4 Стекла, за исключением кинескопов, с площадью поверхности, превышающей 0,1 м2, или с наибольшим размером, превышающим 450 мм, не должны разбиваться так, чтобы это могло привести к травме кожи человека.
Соответствие требованию проверяют испытаниями по 12.1.3.
Если при этом стекло разбивается или трескается, проводят дополнительные испытания по 19.4.1 на отдельном образце.
19.4.1 Испытания стекла на разбивание на осколки
Образец стекла поддерживают по всей поверхности и принимают меры, чтобы частицы стекла при его разбивании на осколки не были разбросаны. Затем испытуемый образец разбивают ударом в центр, отстоящий примерно на 15 мм от центральной точки большей стороны испытуемого образца. За 5 мин дробления без использования каких-либо оптических средств, кроме очков, если ими обычно пользуются, считают частицы стекла, расположенные в квадрате со стороной 50 мм, находящемся в центре зоны самой грубой ломки, за исключением любой зоны, расположенной в пределах 15 мм от любого края или отверстия испытуемого стекла.
Испытуемый образец должен быть раздроблен таким образом, чтобы число сосчитанных осколков в квадрате со стороной 50 мм было не менее 45.
Примечание - Подходящим методом для счета частиц является метод, при котором квадрат со стороной 50 мм, выполненный на прозрачном материале, размещают над испытательным образцом. Чернилами помечают на квадрате место каждой частицы и считают их количество. Чтобы сосчитать частицы на сторонах квадрата, выбирают любые две смежные стороны квадрата и считают все частицы, пересекаемые ими, исключая все другие пересекаемые частицы.
Аппаратура должна быть спроектирована таким образом, чтобы, насколько это возможно, предотвращалось начало и распространение огня и не возникало опасности выхода огня за пределы аппарата.
Это достигается следующим образом:
- использованием хорошей инженерной практики в проектировании и производстве аппаратуры, дающей возможность избежать ПОТЕНЦИАЛЬНЫЕ ИСТОЧНИКИ ВОСПЛАМЕНЕНИЯ, и
- использованием огнестойких материалов вблизи ПОТЕНЦИАЛЬНЫХ ИСТОЧНИКОВ ВОСПЛАМЕНЕНИЯ,
и
- использованием ПРОТИВОПОЖАРНЫХ КОЖУХОВ, ограничивающих распространение огня.
Требования считают выполненными, если аппаратура удовлетворяет требованиям 20.1 и 20.2.
Примечания
1 В интересах минимального загрязнения окружающей среды рекомендуется ограничить применение, насколько это возможно, неблагоприятных материалов, используемых для замедления распространения огня.
2 В Австралии и Новой Зеландии применяются специальные условия, которые включают испытания, основанные на испытаниях по МЭК 60695 раскаленным проводом, узким пламенем, заключительным испытанием и испытаниями конечной продукции.
20.1 Электрические компоненты и механические части
Электрические компоненты и механические части, за исключением тех, которые приведены в перечислениях а) и б), должны удовлетворять требованиям 20.1.1, 20.1.2, 20.1.3 и 20.1.4.
а) Компоненты, заключенные в кожух категории огнестойкости FV0 по МЭК 60707, имеющий отверстия только для соединительных проводов, которые полностью заполняют эти отверстия, а также отверстия для вентиляции шириной не более 1 мм, независимо от их длины.
б) Следующие части, которые могут являться незначительной добавкой горючего материала при воспламенении:
- мелкие механические части, масса которых не превышает 4 г, такие как опорные части, приводы, шестерни, кулачки, приводные ремни, подшипники;
- мелкие электрические компоненты, такие как конденсаторы объемом, не превышающим 1750 мм3, интегральные схемы, транзисторы и корпусы оптопар, если эти компоненты установлены на материал, имеющий категорию огнестойкости FV1 или лучше, соответствующий требованиям МЭК 60707.
Примечание - При рассмотрении, каким образом достичь наименьшего распространения огня и какие части являются «мелкими», необходимо принимать во внимание совокупное влияние мелких частей, примыкающих друг к другу, и возможность распространения огня от одной части к другой.
20.1.1 Электрические компоненты
Электрические компоненты должны удовлетворять соответствующим требованиям по огнестойкости раздела 14.
В тех случаях, когда требования по огнестойкости раздела 14 не подходят, применяют требования 20.1.4.
Соответствие требованию проверяют соответствующими испытаниями по разделу 14 и по 20.1.4.
Изоляция проводов не должна способствовать распространению огня в следующих условиях:
а) проводка, работающая под напряжением, превышающим 4 кВ (пиковое значение) переменного тока или постоянного тока, или
б) проводка, выходящая из внутреннего ПРОТИВОПОЖАРНОГО КОЖУХА, за исключением изоляции, состоящей из определенных типов полихлорвинила, тетрафторэтилена, фторированного этиленпропилена или неопрена (ПВХ, ТФЭ, ФЭП).
Примечание - Расшифровка аббревиатур - по ИСО 1043-1
Соответствие требованию проверяют испытаниями по разделу G.3 приложения G.
Материал основания ПЕЧАТНЫХ ПЛАТ, у которых ДЕЙСТВИТЕЛЬНАЯ МОЩНОСТЬ превышает 15 Вт, работающих в нормальных рабочих условиях с напряжением, превышающим 50 В и равным или менее 400 В (пиковое значение) переменного или постоянного тока, должен иметь огнестойкость категории FV1 или лучше по МЭК 60707, за исключением ПЕЧАТНЫХ ПЛАТ, заключенных в кожух, удовлетворяющий требованиям по огнестойкости категории FV0 по МЭК 60707 или изготовленный из металла и имеющий отверстия только для соединяющих проводов, которые целиком заполняют эти отверстия.
Материал основания ПЕЧАТНЫХ ПЛАТ, у которых ДЕЙСТВИТЕЛЬНАЯ МОЩНОСТЬ превышает 15 Вт, работающих в нормальных рабочих условиях с напряжением, превышающим 400 В (пиковое значение) переменного или постоянного тока, и материал основания ПЕЧАТНЫХ ПЛАТ, несущих искровые разрядники, обеспечивающие защиту от перенапряжений, должен иметь огнестойкость категории FV0 по МЭК 60707, за исключением ПЕЧАТНЫХ ПЛАТ, заключенных в металлический кожух, имеющий отверстия только для соединяющих проводов, которые целиком заполняют эти отверстия.
Соответствие требованию проверяют для ПЕЧАТНЫХ ПЛАТ, имеющих самую маленькую толщину в соответствии с требованиями МЭК 60707 или раздела G.1 приложения G после предварительной 24-часовой выдержки в камере с циркуляцией воздуха, а затем 4-часового охлаждения до комнатной температуры в сушильной камере, содержащей безводный хлорид кальция.
20.1.4 Компоненты и части, на которые не распространяются требования 20.1.1, 20.1.2 и 20.1.3, за исключением ПРОТИВОПОЖАРНЫХ КОЖУХОВ.
В случае, если расстояния между ПОТЕНЦИАЛЬНЫМИ ИСТОЧНИКАМИ ВОСПЛАМЕНЕНИЯ и компонентами или частями, на которые не распространяются требования 20.1.1, 20.1.2 и 20.1.3, за исключением ПРОТИВОПОЖАРНЫХ КОЖУХОВ, не превышают значений, установленных в таблице 13, эти компоненты и части должны удовлетворять соответствующей категории огнестойкости по МЭК 60707, как установлено в таблице 13, за исключением случаев, когда установлена защищающая от ПОТЕНЦИАЛЬНОГО ИСТОЧНИКА ВОСПЛАМЕНЕНИЯ перегородка, изготовленная из металла или удовлетворяющая требованиям огнестойкости категории FV0 по МЭК 60707. Перегородка должна иметь размеры, позволяющие закрывать зоны, установленные в таблице 13 и показанные на рисунке 13.
Перегородка должна быть отделена от ПОТЕНЦИАЛЬНОГО ИСТОЧНИКА ВОСПЛАМЕНЕНИЯ не менее чем на 5 мм.
При наличии в перегородке отверстий применяются требования, указанные на рисунке 13, если отсутствует возможность проникновения через перегородку узкого пламени, определяемого в МЭК 60695-2-2.
ПЕЧАТНЫЕ ПЛАТЫ, несущие ПОТЕНЦИАЛЬНЫЕ ИСТОЧНИКИ ВОСПЛАМЕНЕНИЯ, не рассматриваются как защищающая перегородка, удовлетворяющая требованиям настоящего раздела.
На ПОТЕНЦИАЛЬНЫЕ ИСТОЧНИКИ ВОСПЛАМЕНЕНИЯ, имеющиеся внутри электрических компонентов, настоящие требования не распространяются.
Таблица 13 - Расстояния до ПОТЕНЦИАЛЬНЫХ ИСТОЧНИКОВ ВОСПЛАМЕНЕНИЯ
|
Напряжение разомкнутых цепей ПОТЕНЦИАЛЬНОГО ИСТОЧНИКА ВОСПЛАМЕНЕНИЯ, В |
Расстояние от ПОТЕНЦИАЛЬНОГО ИСТОЧНИКА ВОСПЛАМЕНЕНИЯ до компонентов или частей, расположенных внизу или сбоку (см. рисунок 13), мм, не менее |
Расстояние от ПОТЕНЦИАЛЬНОГО ИСТОЧНИКА ВОСПЛАМЕНЕНИЯ до компонентов или частей, расположенных сверху, (см. рисунок 13), мм, не менее |
Категория огнестойкости по МЭК 60707 |
|
Св. 50 до 400 включ. (пиковое значение) переменного или постоянного тока |
13 |
50 |
FH от 3 до 40 мм/мин |
|
Св. 400 до 4000 включ. (пиковое значение) переменного или постоянного тока |
13 |
50 |
FV2 |
|
Св. 4000 (пиковое значение) переменного или постоянного тока |
D* |
D** |
FV1 |
|
*D равно 13 мм или напряжение разомкнутой цепи ПОТЕНЦИАЛЬНОГО ИСТОЧНИКА ВОСПЛАМЕНЕНИЯ в кВ, в зависимости от того, какой больше. **D равно 50 мм или напряжение разомкнутой цепи ПОТЕНЦИАЛЬНОГО ИСТОЧНИКА ВОСПЛАМЕНЕНИЯ в кВ, в зависимости от того, какой больше. Примечание - Дерево и МАТЕРИАЛЫ НА ДРЕВЕСНОЙ ОСНОВЕ толщиной не менее 6 мм рассматриваются как соответствующие требованиям огнестойкости категории FV1 настоящего раздела. |
|||
Соответствие требованию проверяют по МЭК 60707 или разделу G.1 приложения G для наименьшей используемой толщины, кроме категории огнестойкости FH от 3 до 40 мм/мин; в этом случае испытание проводят на испытательных образцах толщиной (3±0,2) мм.
20.2 Противопожарный кожух
Дерево и МАТЕРИАЛЫ НА ДРЕВЕСНОЙ ОСНОВЕ толщиной не менее 6 мм рассматриваются как соответствующие требованиям огнестойкости категории FV1.
Соответствие требованию проверяют по МЭК 60707 или разделу G.1 приложения G для самых малых толщин используемых материалов.
Отверстия для соединяющих проводов должны быть целиком заполнены проводами.
Соответствие требованию проверяют обследованием и измерением.
20.2.3 Если внутренние ПРОТИВОПОЖАРНЫЕ КОЖУХИ удовлетворяют требованиям 20.2.1 и 20.2.2, то к наружным кожухам аппаратуры или компонентов, или частей, примыкающих к внутреннему ПРОТИВОПОЖАРНОМУ КОЖУХУ, не применяют никаких требований. Изоляция внутренней проводки, соответствующая требованиям 20.1.2, рассматривается как внутренний ПРОТИВОПОЖАРНЫЙ КОЖУХ.
Соответствие требованию проверяют обследованием.
X - должен быть сделан разрыв
Примечание - См. 4.3.
Рисунок 1 - Схема испытательной цепи для условий неисправности
На чертеже показан РАЗДЕЛИТЕЛЬНЫЙ ТРАНСФОРМАТОР Т, где точка а является ОПАСНОЙ ДЛЯ ЖИЗНИ относительно точки b. Если точка b находится внутри прибора, при проверке соответствия требованиям 8.6 принимают во внимание сумму расстояний х и у.
Примечание - См. 8.6
Рисунок 2 - Пример оценки УСИЛЕННОЙ ИЗОЛЯЦИИ
Точка А используется для определения доступности (см. 9.1.1)
Точка В используется для измерений ВОЗДУШНЫХ ЗАЗОРОВ и ПУТЕЙ УТЕЧКИ (см. раздел 13).
Примечание - См. 9.1.1 и 13.1.1.
Рисунок 3 - Пример ДОСТУПНЫХ частей
Примечание - См. 9.1.7
Рисунок 4 - Испытательный крюк
Обозначения:
С1=1 нФ; R1=1 кОм; R2=4 МОм; R3=100 МОм; R4=0,1 МОм; R5=15 МОм
(Резистор R2 используется, когда испытания по 14.2 выполняются на компоненте, включающем только конденсатор).
Выключатель S является критической частью цепи. Он должен быть сконструирован так, чтобы по возможности уменьшить потери энергии на искрение или в случае недостаточной изоляции. Пример такого выключателя приведен на рисунке 5b.
Испытываемый компонент X подключается к клеммам С и D. Дополнительно в схему можно включить делитель напряжения на резисторах R3 и R4, чтобы с помощью подключенного параллельно резистору R4 осциллографа наблюдать формы напряжения на испытуемом компоненте. Этот делитель напряжения скорректирован так, чтобы наблюдаемая форма волны соответствовала форме волны через испытуемый компонент.
Рисунок 5а - Испытательная цепь

Выключатель (S на рисунке 5а) включает следующие части:
- латунные опоры А и В, поддерживающие дисковые электроды Е, расположенные на расстоянии 15 мм;
- К - латунный шар диаметром 7 мм, закрепленный на жестком стержне из изоляционного материала длиной приблизительно 150 мм.
Желательно, чтобы было исключено отскакивание шара К.
Рисунок 5b - Пример исполнения переключателя, который используется в схеме испытания перенапряжением
Размеры в миллиметрах
1 - металлическая рама, удерживающая штырь в вертикальном положении (штырь свободно двигается вверх в вниз); 2 - испытываемый образец; 3 - клеммы для подачи испытательного напряжения; 4 - изоляционное основание
Примечание - См. 10.3.2.
Рисунок 6 - Установка для испытаний на электрическую прочность
Примечание - См. 10.3.2 и таблицу 3.
Рисунок 7 - Испытательное напряжение
Размеры в миллиметрах

Материал - сталь (закаленная)
|
Æa |
Æbmin |
Æc |
dmin |
emin |
f |
g |
Æh |
j |
kmin |
|
9,576 |
8,05 |
2,438 |
9,1 |
7,112 |
0,8±0,4 |
40±0,4 |
12±0,4 |
43±0,4 |
0,3 |
Сопрягаемый участок испытательной вилки - в соответствии с рисунком 7 МЭК 60169-2.
Примечание - См. 12.5.
Рисунок 8 - Испытательный штекер для механических испытаний антенных коаксиальных соединителей
Примечания
1 Указанные значения применяются к ОСНОВНОЙ, ДОПОЛНИТЕЛЬНОЙ и УСИЛЕННОЙ ИЗОЛЯЦИЙ.
2 Для ОСНОВНОЙ, ДОПОЛНИТЕЛЬНОЙ и УСИЛЕННОЙ ИЗОЛЯЦИЙ предполагается, что все детали цепи, НЕПОСРЕДСТВЕННО СОЕДИНЕННОЙ С СЕТЬЮ, находятся под напряжением не менее номинального напряжения СЕТИ по отношению к земле.
Для деталей, непосредственно соединенных с СЕТЬЮ напряжением от 220 до 250 В (эффективное значение), размеры выбирают под напряжением 354 В (пиковое значение).
3 Напряжение, приложенное к ОСНОВНОЙ ИЗОЛЯЦИИ, определяют при закорачивании ДОПОЛНИТЕЛЬНОЙ ИЗОЛЯЦИИ и наоборот.
4 Для напряжений, превышающих 4000 В (пиковое значение) переменного или постоянного тока, при испытании с напряжением по 10.3 в условиях неисправности необходимо ввести короткое замыкание ВОЗДУШНЫХ ЗАЗОРОВ или ПУТЕЙ УТЕЧКИ.
5 Кривые построены, исходя из следующего:
Кривая А: 35 В соответствуют 0,6 мм; 354 В соответствуют 3,0 мм.
Кривая В: 35 В соответствуют 1,2 мм; 354 В соответствуют 6,0 мм.
6 Если провода, имеющие лаковые покрытия, выдержат испытательное напряжение, установленное для 2-й степени или выше по МЭК 60317, считается, что это способствует уменьшению на 1 мм минимальных значений ВОЗДУШНЫХ ЗАЗОРОВ и ПУТЕЙ УТЕЧКИ, установленных в 13.1.1.
7 Установленные ВОЗДУШНЫЕ ЗАЗОРЫ и ПУТИ УТЕЧКИ являются минимально существующими разделениями с учетом точности в сборках и деталях.
8 См. раздел 13.
Рисунок 9 - Величины ВОЗДУШНЫХ ЗАЗОРОВ и ПУТЕЙ УТЕЧКИ
Кривую рассчитывают по формуле
log d= 0,78 log (V/300),
где d - расстояние (при минимальном расстоянии зазора и пути утечки, равном 0,2 мм);
V - пиковое значение рабочего напряжения, В.
Примечание - См. 13.2.
Рисунок 10 - Минимальные расстояния ЗАЗОРОВ и ПУТЕЙ УТЕЧЕК для печатных плат
Примечание - См. 15.4.1.
Рисунок 11 - Установка для испытаний устройств, составляющих часть СЕТЕВОЙ вилки
Размеры в миллиметрах
Рисунок 12 - Образец царапин для испытаний на взрывоопасность
Рисунок 13 - Расстояния от ПОТЕНЦИАЛЬНЫХ ИСТОЧНИКОВ ВОСПЛАМЕНЕНИЯ. Лист 1

D - по таблице 13 настоящего стандарта.
Примечание - См. 20.1.4.
Рисунок 13. Лист 2
(обязательное)
Настоящее приложение дополняет или заменяет требования настоящего стандарта, которые применяются к аппаратуре, оснащенной защитой от брызг.
А.5 Маркировка и инструкции1)
1) Нумерация разделов настоящего приложения соответствует нумерации разделов настоящего стандарта.
Дополнить 5.1 перечислением л) после перечисления к):
А.5.1 л) Защита от брызг
Аппаратура, оснащенная защитой от брызг, должна иметь маркировку по крайней мере с указанием степени защиты IPX4 в соответствии с МЭК 60529.
Соответствие требованию проверяют обследованием.
А.5.4.1 а) Подпункт 5.4.1. Перечисление а) не применяют.
А.10 Требования к изоляции
Внести следующие изменения в 10.2:
А.10.2 Воздействие брызг и влаги
А.10.2.1 Воздействие брызг
Кожух должен иметь надежную защиту от брызг.
Соответствие требованию проверяют воздействием, определяемым ниже, которое применяют к аппаратуре, оснащенной внешними гибкими шнурами, как указано в разделе 16.
Аппаратуру подвергают испытаниям по 14.2.4, перечисление а), МЭК 60529.
Сразу после этого испытания следует провести испытания в соответствии с 10.3. Обследование должно показать, что вода, которая может проникнуть в аппаратуру, не вызывает никаких повреждений, определяемых настоящим стандартом, в частности, не должно быть следов воды на изоляции, для которой устанавливаются ПУТИ УТЕЧЕК.
А.10.2.2 Воздействие влаги
Применяют 10.2, за исключением изменения длительности испытаний: 7 суток (168 ч).
(обязательное)
Настоящее приложение, дополняет требования настоящего стандарта, которые применяются к аппаратуре, предназначенной для подключения к ТЕЛЕКОММУНИКАЦИОННЫМ СЕТЯМ.
Примечания
1 Необходимо обратить внимание на то, что администрация сетей электросвязи может налагать дополнительные требования на аппаратуру, которая должна подключаться к ТЕЛЕКОММУНИКАЦИОННЫМ СЕТЯМ. Эти требования обычно касаются защиты сетей так же, как и пользователей аппаратуры.
2 В Австралии администрация сетей электросвязи требует соответствия национальным изменениям МЭК 60950.
В.2 Определения1)
1)Нумерация разделов настоящего приложения соответствует нумерации разделов настоящего стандарта.
Дополнить раздел 2.5 следующими определениями:
В.2.5.5 ТЕЛЕКОММУНИКАЦИОННЫЙ СИГНАЛ
Установившееся с изменяющейся амплитудой нестационарное напряжение или ток, предназначенные для использования в ТЕЛЕКОММУНИКАЦИОННОЙ СЕТИ.
Примечание - Предельные значения установлены в 6.2.1.1 МЭК 60950.
В.2.5.6. ЦЕПЬ С НАПРЯЖЕНИЕМ ТЕЛЕКОММУНИКАЦИОННОЙ СЕТИ
Цепь, которая в нормальных рабочих условиях передает ТЕЛЕКОММУНИКАЦИОННЫЕ СИГНАЛЫ.
В.5 Маркировка инструкции
Дополнить 5.4.1 перечислением д):
В.5.4.1 д) В тех случаях, где разделение ЦЕПИ С НАПРЯЖЕНИЕМ ТЕЛЕКОММУНИКАЦИОННОЙ СЕТИ от других цепей возлагается на защитное заземление аппаратуры, а также в других описаниях, должно быть указано на необходимость обеспечения целостности защитного заземления.
Примечания
1 В Норвегии для случаев, когда разделение между СЕТЬЮ и КОММУНИКАЦИОННОЙ СИСТЕМОЙ/СЕТЬЮ, отличной от общественной ТЕЛЕКОММУНИКАЦИОННОЙ СЕТИ, возлагается на соединение с заземлением, обеспечивающим безопасность, аппаратура должна иметь маркировку с указанием о необходимости подключения к розетке, имеющей защитное заземление.
В части требований к аппаратуре для подсоединения к общественной ТЕЛЕКОММУНИКАЦИОННОЙ СЕТИ см В.5.1.
2 В Швеции для аппаратуры, которая должна подключаться к СЕТИ с помощью вилки, в тех случаях, когда разделение между СЕТЬЮ и ТЕЛЕКОММУНИКАЦИОННОЙ СЕТЬЮ возлагается на соединение с защитным заземлением, аппаратура должна иметь маркировку, указывающую на необходимость подключения к розетке, имеющей защитное заземление.
В.8 Требования к конструкции, относящиеся к защите от поражения электрическим током
В.8.1 Дополнить 8.1 следующим текстом:
ЦЕПИ С НАПРЯЖЕНИЕМ ТЕЛЕКОММУНИКАЦИОННОЙ СЕТИ должны быть отделены от цепей, СОЕДИНЕННЫХ С СЕТЬЮ, и от ОПАСНЫХ ДЛЯ ЖИЗНИ частей или цепей, определенных в 9.1.1, одним из следующих методов:
а) ДВОЙНОЙ или УСИЛЕННОЙ ИЗОЛЯЦИЕЙ, как подробно изложено в 8.6.
б) ОСНОВНОЙ ИЗОЛЯЦИЕЙ вместе с ЗАЩИТНЫМ ЭКРАНИРОВАНИЕМ, соединенным с КЛЕММОЙ ЗАЩИТНОГО ЗАЗЕМЛЕНИЯ, как подробно изложено в 8.5.
Примечания
1 В Дании метод по перечислению б) допускается только для постоянно подключенной аппаратуры.
2 В Норвегии метод по перечислению б) не допускается. Изоляция между частями, СОЕДИНЕННЫМИ С СЕТЬЮ, и частями, соединенными с общественной ТЕЛЕКОММУНИКАЦИОННОЙ СЕТЬЮ, должна удовлетворять требованиям для ДВОЙНОЙ или УСИЛЕННОЙ ИЗОЛЯЦИИ.
Для аппаратуры, указанной в 8.5 и 8.6, значения напряжения складываются как сумма напряжения СЕТИ и напряжения ТЕЛЕКОММУНИКАЦИОННОЙ СЕТИ, которая не должна превышать 135 В (пиковое значение) переменного тока.
Примечание 3 - В США и Канаде напряжение ТЕЛЕКОММУНИКАЦИОННОЙ СЕТИ допускается до 170 В (пиковое значение).
В.8.2 Дополнить 8.2 следующим текстом:
ЦЕПИ ТЕЛЕКОММУНИКАЦИОННОЙ СЕТИ должны быть отделены от других цепей, кроме цепей, упомянутых в В.8.1, и от ДОСТУПНЫХ проводящих частей ОСНОВНОЙ ИЗОЛЯЦИЕЙ, удовлетворяющей требованиям изоляции для ЗАЗОРОВ и ПУТЕЙ УТЕЧЕК, как установлено в разделе 13 для напряжения, которое является суммой напряжения рассматриваемой цепи и напряжения ТЕЛЕКОММУНИКАЦИОННОЙ СЕТИ, которое допускается до 135 В (пиковое значение) переменного тока.
Примечание - В США и Канаде напряжение ТЕЛЕКОММУНИКАЦИОННОЙ СЕТИ допускается до 170 В (пиковое значение).
В.9 Опасность поражения электрическим током в нормальных рабочих условиях
В.9.1.1 Дополнить 9.1.1 следующим текстом:
Если к контактам КЛЕММ ТЕЛЕКОММУНИКАЦИОННОЙ СЕТИ невозможно прикоснуться испытательным щупом, представленным на рисунке В.1, то требования для недоступных контактов КЛЕММ на них не распространяются.
Размеры в миллиметрах
Рисунок В.1 - Испытательный щуп
В.9.1.4 Дополнить 9.1.4 следующим текстом:
Прямой испытательный щуп по МЭК 61032 (испытательный пробник D) не применяют к КЛЕММАМ ЦЕПЕЙ ТЕЛЕКОММУНИКАЦИОННОЙ СЕТИ.
В.10 Требования к изоляции
В.10.1 Дополнить 10.1 следующим текстом:
Изоляция между КЛЕММАМИ ЦЕПИ ТЕЛЕКОММУНИКАЦИОННОЙ СЕТИ и:
- КЛЕММАМИ для соединения с антенной,
- любыми другими КЛЕММАМИ в случае, если аппаратура может соединяться с другой аппаратурой, имеющей антенные СОЕДИНИТЕЛИ, должна также подвергаться воздействию 50 разрядов.
В.10.3 Дополнить 10.3 следующим текстом:
Испытательное напряжение между ЦЕПЯМИ ТЕЛЕКОММУНИКАЦИОННОЙ СЕТИ и другими частями должно определяться в соответствии с рабочими напряжениями, приведенными в В.8.1.
Подавители выбросов должны быть отключены во время испытания на электрическую прочность.
В.14 Компоненты
Дополнить новым подразделом:
В.14.12 Подавитель выбросов напряжения
Подавитель выбросов, подключенный между ЦЕПЯМИ ТЕЛЕКОММУНИКАЦИОННОЙ СЕТИ и другими частями аппаратуры, должен иметь номинальное напряжение постоянного тока искрового разряда, равное не менее 1,8 номинального напряжения СЕТЕВОГО питания аппаратуры.
Примечания
1 В Дании применение подавителей выбросов напряжения между ТЕЛЕКОММУНИКАЦИОННОЙ СЕТЬЮ и ДОСТУПНЫМИ проводящими частями или КЛЕММАМИ, которые считаются ДОСТУПНЫМИ, допускается только для ПОСТОЯННО ПОДКЛЮЧЕННОЙ АППАРАТУРЫ.
2 В Швеции и Норвегии для аппаратуры КЛАССА I, предназначенной для подключения к СЕТИ с помощью вилки, подавитель выбросов напряжения может подключаться только между ЦЕПЯМИ ТЕЛЕКОММУНИКАЦИОННОЙ СЕТИ и ДОСТУПНЫМИ частями в том случае, если аппаратура имеет маркировку, указывающую, что аппаратура должна подключаться к розеткам электропитания, имеющим защитное заземление.
(обязательное)
(Выдержка из МЭК 60268-1)
Рисунок С.1 - Полосовой фильтр для измерения широкополосного шума (пределы амплитудного/частотного диапазона, см. ниже)
Измерение в широкой полосе - см. 6.1 МЭК 60268-1.
Фильтр должен быть полосовым фильтром, имеющим частотный диапазон в пределах, показанных на рисунке С.1.
Полосовой фильтр, который имеет в значительной степени постоянный коэффициент передачи в полосе частот от 22,4 Гц до 22,4 кГц, уменьшаясь за пределами этой частотной полосы на уровне, определенном для октавного фильтра со средней полосой частот от 31,5 Гц до 15 кГц по МЭК 61260, имеет диапазон в пределах этой спецификации.
Примечания
1 Внимание! Следует иметь в виду, что результаты испытаний будут зависеть до некоторой степени от индивидуальной частотной характеристики использованного фильтра.
2 См. 4.1.6 настоящего стандарта.
(обязательное)

Рисунок D.1 - Схема для измерения ТОКА ОТ ПРИКОСНОВЕНИЯ по МЭК 60990
Обозначение:
V - вольтметр или осциллограф (среднеквадратическое или пиковое значение) с характеристиками:
входное сопротивление ³ 1 МОм;
входная емкость £ 200 пФ.
Измерение переменного напряжения в частотном диапазоне от 15 Гц до 1 МГц и измерение постоянного напряжения.
Примечания
1 Соответствующие измерения должны использоваться, чтобы получить правильное значение в случае несинусоидальной формы сигнала.
Измерительный инструмент калибруется сравнением частоты напряжения U2 с линией на рисунке F.2 МЭК 60990 на различных частотах. Калибровочная кривая создана для того, чтобы показать отклонение напряжения U2 от идеальной кривой как функции частоты.
Ток от прикосновения равен U2/500 (пиковое значение).
2 См. 9.1.1 настоящего стандарта.
(обязательное)
Методы измерения ПУТЕЙ УТЕЧЕК и ЗАЗОРОВ, представленных на рисунках Е.1 – Е.10, применяют в соответствии с требованиями настоящего стандарта.
Минимальное расстояние X=0,25 мм для условий по 13.3 и 1,0 мм - для условий по 13.2.
Однако, если необходимая величина ЗАЗОРА и рассматриваемого здесь же ПУТИ УТЕЧКИ менее 3 мм, то величина Х принимается равной одной трети определенного зазора, но не менее 0,2 мм.

|
Условие: рассматриваемый путь включает канавку любой глубины, с параллельными или сходящимися боковыми сторонами, шириной менее X мм. |
Правило: ПУТЬ УТЕЧКИ и ЗАЗОР измеряют непосредственно через канавку. |
Рисунок Е.1 - Узкая канавка

|
Условие: рассматриваемый путь включает канавку с параллельными сторонами, любой глубины, шириной 1 мм и более. |
Правило: ЗАЗОРОМ является отрезок прямой между частями (длина «прицельной прямой»). ПУТЬ УТЕЧКИ определяют по пути огибания контура канавки. |
Рисунок Е.2 - Широкая канавка

|
Условие: рассматриваемый путь включает канавку V-образной формы с углом менее 80° и шириной более X мм. |
Правило: ЗАЗОРОМ является длина «прицельной прямой». ПУТЬ УТЕЧКИ определяется длиной линии, огибающей контур канавки, но с «коротким замыканием» дна канавки звеном, равным 1 мм (0,25 мм - для незагрязненных случаев). |
Рисунок Е.3 - V-образная канавка

|
Условие: рассматриваемый путь включает ребро. |
Правило: ЗАЗОРОМ является прямой кратчайший путь по воздуху через вершину ребра. ПУТИ УТЕЧКИ определяют линией, огибающей контур ребра. |
Рисунок Е.4 - Ребро

|
Условие: рассматриваемый путь включает несплошной стык с канавкой и шириной менее X мм с каждой стороны. |
Правило: ПУТЬ УТЕЧКИ и ЗАЗОР являются отрезками прямых между частями (длина «прицельной прямой»). |
Рисунок Е.5 - Несплошной стык с узкими канавками

|
Условие: рассматриваемый путь включает несплошной стык с канавками шириной Х мм и более с каждой стороны. |
Правило: ЗАЗОР является отрезком прямой между частями. ПУТЬ УТЕЧКИ огибает контур канавок. |
Рисунок Е.6 - Несплошной стык с широкими канавками
|
Условие: рассматриваемый путь включает несплошной стык с канавкой с одной стороны, имеющей ширину менее X мм, и с канавкой с другой стороны, имеющей ширину 1 мм и более. |
Правило: ЗАЗОР и расстояние УТЕЧКИ определяют, как показано на рисунке Е.7. |
Рисунок Е.7 - Несплошной стык с узкой и широкой канавками
Неконтактирующие проводящие части

|
Условие: Расстояние изоляции с интервалом; проводящая часть, не имеющая соединения |
Правило: ЗАЗОР - это расстояние (d+D), ПУТЬ УТЕЧКИ - так же (d+D). Если величина (d+D) менее X, она принимается равной нулю. |
Рисунок Е.8 - Промежуточная, несоединенная проводящая часть

Зазор между головкой винта и стенкой выемки слишком мал, чтобы его учитывать.
Рисунок Е.9 - Малое углубление

Зазор между головкой винта и стенкой выемки достаточно велик и должен учитываться.
Рисунок Е.10 - Глубокое углубление
(обязательное)

Примечания
1 Коррозия в результате электрохимической реакции между разнородными металлами, находящимися в контакте друг с другом, сводится к минимуму, если совокупный электрохимический потенциал ниже 0,6 В. В таблице представлены совокупные электрохимические потенциалы некоторых распространенных пар металлов. Следует избегать сочетаний, указанных над разделительной линией.
2 См. 15.2 настоящего стандарта.
(обязательное)
Примечание - В Австралии и Новой Зеландии применяются национальные условия, которые включают испытания в соответствии с МЭК 60695: испытания раскаленным проводом, узким пламенем; заключительное испытание и испытание конечной продукции.
G.1 При отсутствии образцов для проведения испытаний по разделу 4 МЭК 60707 могут применяться следующие методы.
Испытания по МЭК 60695-2-2, которые проводят на трех образцах обрезков продукции, используемой в аппаратуре.
Для испытаний по настоящему стандарту используются следующие разделы МЭК 60695-2-2:
Раздел 7 Предварительные испытания - не проводятся.
Раздел 8 Методика испытаний:
- подраздел 8.2
Первое предложение заменить следующим:
Испытуемые образцы размещают таким образом, чтобы создавались такие же условия, которые имеются при их установке в аппаратуре;
- пункт 8.4
Третий абзац заменить следующим:
Испытательное пламя подводят к нескольким точкам образца, чтобы все критические области были проверены.
Раздел 9 Наблюдения и измерения:
- пункт 9.2
Второй абзац заменить следующим:
Длительность горения означает интервал времени с момента удаления испытательного пламени до момента, пока любое пламя не погаснет.
G.1.1 Если категория воспламеняемости FV0 в соответствии с требованиями МЭК 60707 требуется, то также следует использовать необходимые требования МЭК 60695-2-2:
Раздел 5 Жесткость условий испытания
Длительности приложения испытательного пламени следующие:
Испытательное пламя подают в течение 10 с. Если самоподдерживающее пламя не держится дольше 15 с, испытательное пламя прикладывают снова в течение 1 мин к той же точке или к любой другой точке. Если снова самоподдерживающее пламя не держится дольше 15 с, испытательное пламя прикладывают опять, но уже в течение 2 мин к той же точке или к любой другой точке.
Раздел 10 Оценка результатов испытаний
Существующий текст раздела 10 заменить следующим текстом:
После первого приложения испытательного пламени испытываемые образцы не должны полностью обгореть. После любого приложения испытательного пламени длительность горения любого образца не должна превышать 15 с, тогда как среднее время горения не должно превышать 10 с. Папиросная бумага не должна зажигаться и доска не должна опаливаться.
G.1.2 Если категория воспламеняемости FV1 в соответствии с требованиями МЭК 60707 требуется, то также следует использовать необходимые требования по следующим разделам МЭК 60695-2-2:
Раздел 5 Жесткость условий испытания
Длительности приложения испытательного пламени следующие:
Испытательное пламя подают в течение 10 с. Если самоподдерживающее пламя не держится дольше 15 с, испытательное пламя прикладывают снова в течение 1 мин к той же точке или к любой другой точке. Если снова самоподдерживающее пламя не держится дольше 15 с, испытательное пламя прикладывают опять, но уже в течение 2 мин к той же точке или к любой другой точке.
Раздел б Подготовка (только применительно к компонентам по 14.4.1 настоящего стандарта)
Существующий текст заменяется следующим:
Образцы помещают в термокамеру на 2 ч при температуре (100±2) °С.
Раздел 10 Оценка результатов испытаний
Существующий текст раздела 10 заменить следующим текстом:
После первого приложения испытательного пламени испытываемый образец не должен полностью обгореть. После любого приложения испытательного пламени любое самоподдерживающее пламя должно погаснуть в течение 30 с. Папиросная бумага не должна зажигаться и доска не должна опаливаться.
G.1.3 Если категория воспламеняемости FV2 в соответствии с требованиями МЭК 60707 требуется, то также следует использовать необходимые требования по следующим разделам МЭК 60695-2-2.
Раздел 5 Жесткость условий испытания
Длительности приложения испытательного пламени следующие:
Испытательное пламя подают в течение 10 с. Если самоподдерживающее пламя не держится дольше 30 с, испытательное пламя прикладывают снова в течение 1 мин к той оке точке или к любой другой точке. Если снова самоподдерживающее пламя не держится дольше 30 с, испытательное пламя прикладывается опять, но уже в течение 2 мин к той же точке или к любой другой точке.
Раздел 10 Оценка результатов испытаний
Существующий текст раздела 10 заменить следующим текстом:
После первого приложения испытательного пламени испытываемый образец не должен полностью обгореть.
После любого приложения испытательного пламени любое самоподдерживающее пламя должно погаснуть в течение 30 с.
G.1.4 Если категория воспламеняемости FV от 3 до 40 мм/мин в соответствии с требованиями МЭК 60707 требуется, то также следует использовать необходимую оценку по МЭК 60695-2-2.
Независимо от фактически имеющейся в аппарате толщины, испытания проводят на испытательных образцах толщиной 3 мм.
Примечание - Испытания в стадии рассмотрения.
G.2 Соответствие кабелей и изоляции проводов требованию проверяют согласно МЭК 60695-2-2. Доя цели указанного стандарта также следует использовать необходимые требования по следующим разделам МЭК 60695-2-2:
Раздел 5 Жесткость условий испытания
Длительности приложения испытательного пламени следующие:
- первого образца - 10 с;
- второго образца - 60 с;
- третьего образца - 120 с.
Раздел 7 Начальные размеры - не применяются.
Раздел 8 Процедуры испытаний
Пункт 8.4 дополнить следующим текстом:
Горелка фиксируется таким образом, чтобы ее ось находилась под углом 45° к вертикали. Кабель или провод крепят под углом 45° к вертикали, его ось располагают в вертикальной плоскости, перпендикулярной к вертикальной плоскости, через которую проходит ось горелки.
Пункт 8.5 заменить следующим:
Испытания проводят на трех образцах, взятых от каждого типа кабеля или провода в том виде, в каком они используются в аппарате, например с дополнительным экранированием и трубками.
Раздел 9 Наблюдения и измерения
Пункт 9.1 не применяют
Пункт 9.2
Второй абзац заменить следующим:
Длительность горения означает интервал времени с момента удаления испытательного пламени до момента, пока любое пламя не погаснет.
Раздел 10 Оценка результатов испытаний
Существующий текст раздела 10 заменить следующим текстом:
Во время испытания любое горение изоляционных материалов должно быть устойчивым и не должно распространяться значительно. Любое пламя должно само погаснуть в течение 30 с после удаления испытательного пламени.
(справочное)
ВВЕДЕНИЕ
Испытания, указанные в настоящем приложении, предназначены для того, чтобы показать, насколько нежелательные изменения в материале или производстве имеют отношения к безопасности. Эти испытания не нарушают качества и надежности аппарата и должны быть проведены изготовителем для каждого аппарата в течение или конце производства.
В общих чертах большинство испытаний, как например повторение ТИПОВЫХ ИСПЫТАНИЙ и испытания образцов, должно быть проведено изготовителем, чтобы удостовериться, что каждый аппарат соответствует образцу, прошедшему ТИПОВЫЕ ИСПЫТАНИЯ на соответствие требованиям настоящего стандарта (согласно опыту, приобретенному изготовителем аппарата).
Изготовитель может использовать испытательную процедуру, которая наиболее подходит для его структуры производства, и может проводить испытания на соответствующей стадии производства, если будет доказано, что испытания, выполненные изготовителем, обеспечивают, по крайней мере, ту же степень безопасности, что и аппарат, который прошел испытания, указанные в настоящем приложении.
Примечание - Обычно применяют систему качества в соответствии с серией ИСО 9000 (см. приложение Р).
Нижеприведенные правила даны как пример для ПЕРИОДИЧЕСКОГО ИСПЫТАНИЯ
N.1 Испытания в течение промышленного процесса
N.1.1 Правильная полярность и соединение компонентов или подсистем
Если неправильная полярность или соединение компонентов или подсистем могут закончиться угрозой безопасности, то полярность и соединение этих компонентов или подсистем должны проверяться измерением или проверкой.
N.1.2 Правильность выбора параметров компонентов
Если неправильный выбор параметров компонентов может закончиться угрозой безопасности, то правильный выбор параметров компонентов должен проверяться измерением или проверкой.
N.1.3 Защитное заземление экранов и металлических ограждений
Для аппарата КЛАССА I с экраном или металлическим ограждением (см. 8.5 настоящего стандарта) между ОПАСНЫМИ ДЛЯ ЖИЗНИ частями и КЛЕММАМИ, считающимися ДОСТУПНЫМИ (см. 8.4), или ДОСТУПНЫМИ проводящими частями непрерывность соединения с защитным заземлением необходимо проверять в течение промышленного процесса между экраном или металлическим ограждением и
- контактом защитного заземления сетевой вилки или входного разъема, или
- КЛЕММОЙ ЗАЩИТНОГО ЗАЗЕМЛЕНИЯ в случае ПОСТОЯННО ПОДКЛЮЧЕННОГО АППАРАТА.
Испытательный ток порядка 10 А прикладывают между вышеперечисленными точками в течение от 1 до 4 с от источника, имеющего выходное переменное напряжение без нагрузки не более 12 В.
Измеренное сопротивление не должно быть более:
0,1 Ом - для аппарата со съемным шнуром питания,
0,2 Ом - для аппарата с несъемным шнуром питания.
Примечание - Следует отметить, что контактное сопротивление между концом измерительного щупа и испытываемыми металлическими частями не влияет на результаты испытаний
N.1.4 Правильность расположения внутренней проводки
Если неправильное расположение внутренней проводки может уменьшить безопасность, то правильность расположения внутренней проводки проверяют обследованием.
N.1.5 Правильность крепления соединений внутреннего разъема
Если неправильное крепление соединений внутреннего разъема может уменьшить безопасность, то правильность крепления соединений внутреннего разъема проверяют обследованием вручную.
N.1.6 Основные маркировки, относящиеся к безопасности, расположенные внутри аппарата
Разборчивость маркировок, относящихся к безопасности и расположенных внутри аппарата, например плавких предохранителей, проверяют обследованием.
N.1.7 Правильность установки механических частей
Если неправильная установка механических частей может уменьшить безопасность, то правильность установки проверяют обследованиями вручную.
N.2 Испытания в конце промышленного процесса
Следующие испытания должны быть сделаны с полностью собранным аппаратом перед его упаковкой.
N.2.1 Электрическая прочность изоляции
Изоляцию аппарата проверяют следующими испытаниями. Считается, что эти тесты будут достаточными.
Переменное испытательное напряжение синусоидальной формы, имеющее частоту СЕТИ, или постоянное испытательное напряжение, или их комбинация с пиковым значением, приведенным в таблице N.1, прилагается между СЕТЕВЫМИ КЛЕММАМИ, соединенными параллельно, и:
- КЛЕММАМИ, рассматриваемыми как ДОСТУПНЫЕ (см. 8.4 настоящего стандарта), а также
- ДОСТУПНЫМИ проводящими частями, которые могут стать ОПАСНЫМИ ДЛЯ ЖИЗНИ в случае дефекта изоляции в результате неправильной сборки.
Примечание 1 - КЛЕММЫ, рассматриваемые как ДОСТУПНЫЕ, и ДОСТУПНЫЕ проводящие части могут во время испытания на электрическую прочность быть соединены вместе.
Таблица N.1 - Испытательное напряжение
|
Испытательное напряжение, В (пиковое значение) переменного или постоянного тока |
||
|
Установленное напряжение сети <150 В |
Установленное напряжение сети >150 В |
|
|
ОСНОВНАЯ ИЗОЛЯЦИЯ |
ИЗО (800 - среднеквадратическое значение) |
2120 (1500 - среднеквадратическое значение) |
|
ДВОЙНАЯ или УСИЛЕННАЯ ИЗОЛЯЦИЯ |
2120 (1500 - среднеквадратическое значение) |
3540 (2500 - среднеквадратическое значение) |
Прежде, чем прикладывать испытательное напряжение, должен быть обеспечен плотный контакт с испытываемым образцом.
Первоначально подается не более чем половина заданного напряжения, затем повышается с крутизной не более 1560 В/мс до полного значения, которое выдерживается в течение от 1 до 4 с.
Примечание 2 - Крутизна 1560 В/мс согласовывается с крутизной синусоидальной формы при частоте СЕТИ 60 Гц.
Во время испытания СЕТЕВЫЕ выключатели и функциональные выключатели, если таковые имеются, СОЕДИНЕННЫЕ С СЕТЬЮ, должны быть во включенном состоянии, и это должно обеспечиваться пригодными способами, так чтобы испытательное напряжение было полностью эффективным.
Не должно быть искрения или пробоя в течение испытания. Источник испытательного напряжения должен предусматривать наличие устройства контроля тока пробоя. Источник испытательного напряжения должен подавать заданное напряжение, пока не произойдет текущее отключение.
Примечания
3 Отключающий ток не должен превышать 100 мА.
4 Отключение защитного устройства означает наличие искрения или пробоя.
N.2.2 Соединение защитного заземления
Для аппарата КЛАССА I непрерывность соединения защитного заземления должна проверяться между контактом защитного заземления сетевой вилки или входного разъема или между КЛЕММОЙ ЗАЩИТНОГО ЗАЗЕМЛЕНИЯ, в случае ПОСТОЯННО ПОДКЛЮЧЕННОГО АППАРАТА, и
- ДОСТУПНЫМИ проводящими частями, включая КЛЕММЫ, рассматриваемые как ДОСТУПНЫЕ (см. 8.4), которые должны подключаться к КЛЕММЕ ЗАЩИТНОГО ЗАЗЕМЛЕНИЯ, а также
- контактом защитного заземления выходной сетевой розетки испытываемого аппарата, если предусмотрено, что от нее запитываются другие аппараты.
Испытательный ток порядка 10 А прикладывают между вышеперечисленными точками в течение от 1 до 4 с от источника, имеющего выходное переменное напряжение без нагрузки не более 12 В.
Измеренное сопротивление не должно быть более:
0,1 Ом - для аппарата со съемным шнуром питания,
0,2 Ом - для аппарата с несъемным шнуром питания.
Примечание - Следует отметить, что контактное сопротивление между концом измерительного щупа и испытываемыми металлическими частями не влияет на результаты испытаний
N.2.3 Основные маркировки, относящиеся к безопасности и расположенные снаружи аппарата
Разборчивость маркировок, относящихся к безопасности и расположенных снаружи аппарата, например маркировка сетевого напряжения, должна проверяться обследованием.
(справочное)
|
МЭК 60130 (Все части) |
Соединители для частот до 3 МГц |
|
МЭК 60169 (Все части) |
Высокочастотные разъемы |
|
МЭК 60335-2-56 (1997) |
Безопасность бытовых и аналогичных электрических приборов. Часть 2. Дополнительные требования к проекторам и аналогичной аппаратуре |
|
МЭК 60335-2-82 (1999) |
Безопасность бытовых и аналогичных электрических приборов. Часть 2. Частные требования для обслуживающих машин и машин для развлечений |
|
ИСО/ МЭК Руководство 37 (1995) |
Руководство по использованию товаров массового потребления |
|
ИСО 9000 (Все части) |
Системы качества. Модель для обеспечения качества при проектировании, разработке, производстве, монтаже и обслуживании |
|
МКРЗ 15 (1969) |
Защита от внешних источников ионизирующего излучения. Опубликован международной комиссией по радиационной защите |
|
МТС Рекомендации К. 11 (1993) |
Принципы защиты от перегрузок по напряжению и току |
(справочное)
Таблица 1
|
Обозначение ссылочного международного стандарта |
Обозначение соответствующего межгосударственного стандарта, национального стандарта РФ |
|
МЭК 60027 (Все части) |
- |
|
МЭК 60038 (1983) |
ГОСТ 29322-92 |
|
МЭК 60068-2-3 (1969) |
ГОСТ 11478-88 ГОСТ 28201-89 |
|
МЭК 60068-2-6 (1995) |
- |
|
МЭК 60068-2-32 (1975) |
ГОСТ 11478-88; ГОСТ 28218-89 |
|
МЭК 60068-2-75 (1997) |
- |
|
МЭК 60083 (1977) |
- |
|
МЭК 60085 (1984) |
- |
|
МЭК 601 12 (1979) |
|
|
МЭК 60127 (Все части) |
ГОСТ Р 50537-93; ГОСТ Р 50538-93; ГОСТ Р 50539-93; ГОСТ Р 50540-93; ГОСТ Р 50541-93 |
|
МЭК 60127-6 (1994) |
ГОСТ Р МЭК 127-6-99 |
|
МЭК 60130-2 (1965) |
- |
|
МЭК 60130-8 (1976) |
- |
|
МЭК 60130-9 (2000) |
- |
|
МЭК 60167 (1964) |
ГОСТ Р 50344-92 |
|
МЭК 60169-2 (1965) |
- |
|
МЭК 60169-3 (1965) |
- |
|
МЭК 60173 (1964) |
ГОСТ Р МЭК 60173-99 |
|
МЭК 60227 (Все части) |
ГОСТ Р МЭК 60227-1-99; ГОСТ Р МЭК 60227-3-2002; ГОСТ Р МЭК 227-7-98 |
|
МЭК 60227-2 (1997) |
ГОСТ Р МЭК 60227-2-99 |
|
МЭК 60245 (Все части) |
ГОСТ Р МЭК 245-1-97; ГОСТ Р МЭК 60245-2-2002; ГОСТ Р МЭК 245-3-97; ГОСТ Р МЭК 245-5-97; ГОСТ Р МЭК 245-6-97; ГОСТ Р МЭК 245-7-97; |
|
МЭК 60249-2 (Все части) |
ГОСТ 26246.1-89 |
|
МЭК 60260 (1968) |
ГОСТ 28237-89 |
|
МЭК 60268-1 (1985) |
- |
|
МЭК 60317 (Все части) |
- |
|
МЭК 60320 (Все части) |
- |
|
МЭК 60320-1 (1994) |
ГОСТ Р 51325.1-99 |
|
МЭК 60320-2-2 (1998) |
ГОСТ Р 51325.2.2-99 |
|
МЭК 60335-1 (1991) |
ГОСТ Р МЭК 335-1-94 |
|
МЭК 60335-2-56 (1997) |
- |
|
МЭК 60335-2-82 (1999) |
- |
|
МЭК 60384-1 (1982) |
ГОСТ 28309-89; ГОСТ 28896-91 |
|
МЭК 60384-14 (1993) |
ГОСТ МЭК 384- 14-95 |
|
МЭК 60417 (Все части) |
ГОСТ 28312-89 |
|
МЭК 60417-2 (1998) |
- |
|
МЭК 60454 (Все части) |
ГОСТ 28018-89¸ГОСТ 28027-89 |
|
МЭК 60529 (1989) |
|
|
МЭК 60536 (1976) |
ГОСТ Р МЭК 536-94 |
|
МЭК 60536-2 (1992) |
ГОСТ Р МЭК 60536-2-2001 |
|
МЭК 60664-1 (1992) |
- |
|
МЭК 60664-3 (1992) |
- |
|
МЭК 60691 (1993) |
- |
|
МЭК 60695 (Все части) |
|
|
МЭК 60695-2-2 (1991) |
- |
|
МЭК 60707 (1981) |
ГОСТ 28779-90; ГОСТ Р 50695-94 |
|
МЭК 60730 (Все части) |
ГОСТ МЭК 730- 1-95; ГОСТ МЭК 730-2-1-95 |
|
МЭК 60730-1 (1993) |
ГОСТ МЭК 730-1-95 |
|
МЭК 60738 (Все части) |
- |
|
МЭК 60825-1 (1993) |
- |
|
МЭК 60884 (Все части) |
ГОСТ 7396-2-91; ГОСТ Р 51322.1-99; ГОСТ Р 51322.2.2-99; ГОСТ Р 51322.2.4-99; ГОСТ Р 51322.2.5-99; ГОСТ Р 51322.2.6-99 |
|
МЭК 60885-1 (1987) |
- |
|
МЭК 60906 (Все части) |
ГОСТ Р МЭК 906-3-96 |
|
МЭК 60906-1 (1986) |
- |
|
МЭК 60950 (1991) |
ГОСТ Р МЭК 60950-2002 |
|
МЭК 60990 (1990) |
- |
|
МЭК 60998-2-2 (1991) |
ГОСТ Р 50043.3-2000 |
|
МЭК 60999 (Все части) |
ГОСТ Р 51686.1-2000; ГОСТ Р 51686.2-2000 |
|
МЭК 61032 (1997) |
ГОСТ Р МЭК 61032-2000 |
|
МЭК 61058-1 (1996) |
ГОСТ Р МЭК 61058.1-2000 |
|
МЭК 6 1149 (1995) |
- |
|
МЭК 61260 (1995) |
- |
|
МЭК 61293 (1994) |
ГОСТ Р МЭК 61293-2000 |
|
ИСО 261 (1973) |
- |
|
ИСО 262 (1973) |
- |
|
ИСО 1043-1 (1997) |
- |
|
ИСО 7000 (1989) |
ГОСТ Р 51362-99 |
Ключевые слова: вручную, всеполюсный сетевой выключатель, выключатель с тепловым расцеплением, двойная изоляция, дежурный режим, действительная мощность, дистанционное управление, дополнительная изоляция, доступный, зазор, защитная блокировка, защитное разделение, защитное экранирование, изолирующий трансформатор, источник питания, источник питания общего назначения, квалифицированное лицо, класс I, класс II, клемма защитного заземления, лазер, лазерная система, материал на древесной основе, механический выключатель, управляемый вручную, микроразъединитель, напряжение без пульсаций, неискаженная выходная мощность, непосредственное соединение с сетью, номинальное напряжение питания, номинальное полное сопротивление нагрузки, номинальный ток потребления, обученное лицо, основная изоляция, передвижной аппарат, периодические испытания, печатная плата, пользователь, портативный аппарат, постоянно подключенная аппаратура, потенциальный источник воспламенения, преобразователь входных сигналов, преобразователь выходных сигналов, противопожарный кожух, путь утечки, рабочее напряжение, разделительный трансформатор, разъединитель независимого действия, розовый шум, сеть, сигнал шума, соединение с сетью, соединитель (клемма), специальный источник питания, телекоммуникационная сеть, тепловое размыкающее устройство, термоплавкий предохранитель, терморезистор с положительным температурным коэффициентом, типовое испытание, токопроводящий рисунок, ток от прикосновения, усиленная изоляция, усилитель звуковой частоты