Нормативные документы размещены исключительно с целью ознакомления учащихся ВУЗов, техникумов и училищ.
Объявления:

ГОСТ Р 50030.2-99
(МЭК 60947-2-98)

АППАРАТУРА РАСПРЕДЕЛЕНИЯ
И УПРАВЛЕНИЯ НИЗКОВОЛЬТНАЯ

ЧАСТЬ 2

АВТОМАТИЧЕСКИЕ ВЫКЛЮЧАТЕЛИ

ГОССТАНДАРТ РОССИИ

Москва

Предисловие

1 РАЗРАБОТАН Акционерным обществом открытого типа «НИИЭлектроаппарат»

ВНЕСЕН Техническим комитетом по стандартизации ТК 331 «Коммутационная аппаратура и аппаратура управления»

2 ПРИНЯТ И ВВЕДЕН В ДЕЙСТВИЕ Постановлением Госстандарта России от 17 декабря 1999 г. № 539-ст

3 Настоящий стандарт, за исключением приложения L, представляет собой аутентичный текст международного стандарта МЭК 60947-2 (1998-03), издание 2.1 «Низковольтная аппаратура распределения и управления. Часть 2. Автоматические выключатели» с дополнительными требованиями, отражающими потребности экономики страны

4 ВЗАМЕН ГОСТ Р 50030.2-94

СОДЕРЖАНИЕ

1 Общие положения. 2

1.1 Область применения. 2

1.2 Нормативные ссылки. 3

2 Определения. 4

3 Классификация. 6

4 Характеристики автоматических выключателей. 7

4.1 Перечень характеристик. 7

4.2 Тип автоматического выключателя. 7

4.3 Номинальные и предельные значения параметров главной цепи. 7

4.4 Категории применения. 9

4.5 Цепи управления. 10

4.6 Вспомогательные цепи. 10

4.7 Расцепители. 10

4.8 Встроенные плавкие предохранители (автоматические выключатели со встроенными плавкими предохранителями) 11

4.9 Коммутационные перенапряжения. 11

5 Информация об аппаратах. 12

5.1 Характер информации. 12

5.2 Маркировка. 12

5.3 Инструкции по монтажу, управлению и обслуживанию.. 13

6 Нормальные условия эксплуатации, монтажа и транспортирования. 13

7 Требования к конструкции и работоспособности. 13

7.1 Требования к конструкции. 13

7.2 Требования к работоспособности. 14

7.3 Электромагнитная совместимость. 18

8 Испытания. 19

8.1 Виды испытаний. 19

8.2 Соответствие требованиям к конструкции. 19

8.3 Типовые испытания. 19

8.4 Контрольные испытания. 39

Приложение А Координация в условиях короткого замыкания между выключателем и другим устройством защиты от короткого замыкания, объединенными в одной цепи. 42

Приложение В Автоматические выключатели со встроенными защитными устройствами, управляемыми дифференциальным током.. 48

Приложение С Цикл испытаний на короткое замыкание отдельных полюсов. 70

Приложение D Воздушные зазоры и расстояния утечки. 70

Приложение Е Вопросы, подлежащие согласованию между изготовителем и потребителем.. 71

Приложение F Дополнительные требования к автоматическим выключателям с электронной защитой от сверхтоков. 72

Приложение G Потери мощности. 82

Приложение Н Цикл испытаний автоматических выключателей для систем IT. 83

Приложение J Электромагнитная совместимость (ЭМС). Требования и испытания автоматических выключателей. 84

Приложение К Словарь символов, относящихся к изделиям, на которые распространяется действие настоящего стандарта. 85

Приложение L Дополнительные требования, учитывающие потребности экономики страны и требования государственных стандартов на электротехнические изделия. 87

Приложение М Библиография. 87

Введение

Настоящий стандарт полностью соответствует международному стандарту МЭК 60947-2 (1998-03), издание 2.1 и разработан для применения на территории Российской Федерации взамен ГОСТ Р 50030.2-94.

Настоящий стандарт отличается от ГОСТ Р 50030.2-94 введением требований к выключателям со встроенными защитными устройствами, управляемыми дифференциальным током (приложение В), к выключателям с электронной защитой от сверхтоков (приложение F), к электромагнитной совместимости выключателей (приложение J). Кроме того, в настоящем стандарте приведен цикл испытаний выключателей для системы IT, словарь символов, относящихся к изделиям, являющихся предметом рассмотрения настоящего стандарта.

В приложении L приведены дополнительные требования, учитывающие потребности экономики страны и требования государственных стандартов на электротехнические изделия.

ГОСТ Р 50030.2-99
(МЭК 60947-2-98)

ГОСУДАРСТВЕННЫЙ СТАНДАРТ РОССИЙСКОЙ ФЕДЕРАЦИИ

Аппаратура распределения и управления низковольтная

Часть 2

АВТОМАТИЧЕСКИЕ ВЫКЛЮЧАТЕЛИ

Low-voltage switchgear and controlgear.
Part 2. Circuit-breakers

Дата введения 2002-01-01

1 Общие положения

Стандарт должен использоваться совместно с МЭК 60947-1 [1]. Общие правила, пункты, подпункты, а также таблицы, рисунки и приложения определяются ссылкой на этот стандарт.

1.1 Область применения

Настоящий стандарт распространяется на автоматические выключатели (далее - выключатели), главные контакты которых предназначены для коммутации цепей напряжением до 1000 В переменного или 1500 В постоянного тока, а также содержит дополнительные требования для выключателей со встроенными плавкими предохранителями.

Стандарт применяется для выключателей с любыми номинальными токами, различных конструкций и способов применения.

Требования к выключателям, предназначенным также для обеспечения защиты от токов утечки на землю, содержатся в приложении В.

Дополнительные требования к выключателям с электронной защитой от сверхтоков содержатся в приложении F.

Дополнительные требования к выключателям для систем IT содержатся в приложении Н.

Дополнительные требования к выключателям, используемым в качестве пускателей для прямого пуска двигателей, приведены в ГОСТ 30011.4.1, который распространяется на контакторы и пускатели низкого напряжения.

Требования к выключателям, предназначенным для защиты электропроводок зданий и аналогичных объектов, где обслуживание осуществляется необученным персоналом, приведены в ГОСТ Р 50345.

Требования к выключателям для оборудования (например, электроприборов) приведены в ГОСТ Р 50031.

К выключателям, предназначенным для защиты электрооборудования специальных установок (например, тяговые, прокатные станы, корабельные и т.д.) могут быть предъявлены особые или дополнительные требования.

Примечание - Выключатели, являющиеся объектом рассмотрения настоящего стандарта, могут иметь устройства, приводящие к автоматическому отключению не только при токах перегрузки или недопустимом падении напряжения, но и при изменении направления мощности или тока. Настоящий стандарт не предусматривает проверки работоспособности в этих условиях.

Настоящий стандарт устанавливает:

a) характеристики выключателей;

b) условия, которым должны удовлетворять выключатели, применительно к:

1) работоспособности и поведению в нормальном режиме эксплуатации,

2) работоспособности и поведению при перегрузках, коротких замыканиях, в том числе к координации при эксплуатации (селективности и резервной защите),

3) электроизоляционным свойствам;

c) испытания, направленные на проверку выполнения этих условий, и методику проведения таких испытаний;

d) информацию, которая должна быть маркирована на аппаратах или поставляться вместе с ними;

e) дополнительные требования к выключателям, устанавливаемые в стандартах и технических условиях на изделия конкретных серий и типов.

1.2 Нормативные ссылки

В настоящем стандарте использованы ссылки на следующие стандарты:

ГОСТ 9.005-72 Единая система защиты от коррозии и старения. Металлы, сплавы, металлические и неметаллические неорганические покрытия. Допустимые и недопустимые контакты с металлами и неметаллами

ГОСТ 12.2.007.0-75 Система стандартов безопасности труда. Изделия электротехнические. Общие требования безопасности

ГОСТ 12.2.007.6-75 Система стандартов безопасности труда. Аппараты коммутационные низковольтные. Требования безопасности

ГОСТ 15.001-88 Система разработки и постановки продукции на производство. Продукция производственно-технического назначения

ГОСТ 15150-69 Машины, приборы и другие технические изделия. Исполнения для различных климатических районов. Категории, условия эксплуатации, хранения и транспортирования в части воздействия климатических факторов внешней среды

ГОСТ 15543.1-89 Изделия электротехнические. Общие требования в части стойкости к климатическим внешним воздействующим факторам

ГОСТ 16504-81 Система государственных испытаний продукции. Испытания и контроль качества продукции. Основные термины и определения

ГОСТ 16962.1-89 (МЭК 68-2-1-74) Изделия электротехнические. Методы испытаний и устойчивость к климатическим внешним воздействующим факторам

ГОСТ 16962.2-90 Изделия электротехнические. Методы испытаний на стойкость к механическим внешним воздействующим факторам

ГОСТ 17516.1-90 Изделия электротехнические. Общие требования в части стойкости к механическим внешним воздействующим факторам

ГОСТ 18620-86 Изделия электротехнические. Маркировка

ГОСТ 23216-78 Изделия электротехнические. Общие требования к хранению, транспортированию, временной противокоррозионной защите и упаковке

ГОСТ 24753-81 Выводы контактные электротехнических устройств. Общие технические требования

ГОСТ 27473-87 (МЭК 112-79) Материалы электроизоляционные твердые. Метод определения сравнительного и контрольного индексов трекингостойкости во влажной среде

ГОСТ 28216-89 (МЭК 68-2-30-87) Основные методы испытаний на воздействие внешних факторов. Часть 2. Испытания. Испытание Db и руководство. Влажное тепло, циклическое (12+12-часовой цикл)

ГОСТ Р 50031-99 (МЭК 60934-94) Автоматические выключатели для оборудования (АВО)

ГОСТ Р 50339.0-92 (МЭК 269-1-86) Низковольтные плавкие предохранители. Часть 1. Общие требования

ГОСТ Р 50339.1-92 (МЭК 269-2-86) Низковольтные плавкие предохранители. Часть 2. Дополнительные требования к плавким предохранителям промышленного назначения

ГОСТ Р 50339.3-92 (МЭК 269-3-87) Низковольтные плавкие предохранители. Часть 3. Дополнительные требования к плавким предохранителям бытового и аналогичного назначения

ГОСТ Р 50345-99 (МЭК 60898-95) Автоматические выключатели для защиты от сверхтоков для бытового и аналогичного оборудования

ГОСТ Р 50807-99 (МЭК 60755-83) Устройства защитные, управляемые дифференциальным (остаточным) током. Общие требования и методы испытаний

ГОСТ Р 51317.4.2-99 (МЭК 61000-4-2-95) Совместимость технических средств электромагнитная. Устойчивость к электростатическим разрядам. Требования и методы испытаний

ГОСТ Р 51317.4.3-99 (МЭК 61000-4-3-98) Совместимость технических средств электромагнитная. Устойчивость к радиочастотному электромагнитному полю. Требования и методы испытаний

ГОСТ Р 51317.4.4-99 (МЭК 61000-4-4-95) Совместимость технических средств электромагнитная. Устойчивость к наносекундным импульсным помехам. Требования и методы испытаний

ГОСТ Р 51317.4.5-99 (МЭК 61000-4-5-95) Совместимость технических средств электромагнитная. Устойчивость к микросекундным импульсным помехам большой энергии. Требования и методы испытаний

ГОСТ Р 51317.4.6-99 (МЭК 61000-4-6-96) Совместимость технических средств электромагнитная. Устойчивость к кондуктивным помехам, наведенным радиочастотными электромагнитными полями. Требования и методы испытаний

ГОСТ Р 51317.4.11-99 (МЭК 61000-4-11-94) Совместимость технических средств электромагнитная. Устойчивость к динамическим изменениям напряжения сети электропитания. Требования и методы испытаний

ГОСТ Р 51318.11-99 (СИСПР 11-97) Совместимость технических средств электромагнитная. Радиопомехи индустриальные от промышленных, научных, медицинских и бытовых (ПНМ) высокочастотных установок. Нормы и методы испытаний

ГОСТ Р 51318.22-99 (СИСПР 22-97) Совместимость технических средств электромагнитная. Радиопомехи индустриальные от оборудования информационных технологий. Нормы и методы испытаний

ГОСТ Р 51326.1-99 (МЭК 61008-1-96) Выключатели автоматические, управляемые дифференциальным током, бытового и аналогичного назначения без встроенной защиты от сверхтоков. Часть 1. Общие требования и методы испытаний

ГОСТ Р 51327.1-99 (МЭК 61009-1-96) Выключатели автоматические, управляемые дифференциальным током, бытового и аналогичного назначения со встроенной защитой от сверхтоков. Часть 1. Общие требования и методы испытаний

2 Определения

По разделу 2 МЭК 60947-1 со следующими дополнительными терминами:

2.1 автоматический выключатель (МЭС 441-14-20): Механический коммутационный аппарат, способный включать, проводить и отключать токи при нормальных условиях цепи, включать и проводить токи в течение определенного промежутка времени и прерывать их при определенных аномальных условиях цепи, например при коротких замыканиях.

2.1.1 типоразмер: Термин, определяющий группу выключателей, внешние физические размеры которых объединяют диапазон номинальных токов. Типоразмер выражают в амперах, соответственно наибольшему номиналу тока группы. В пределах одного типоразмера выключателя ширина может меняться в зависимости от числа полюсов.

Примечание - Данное определение не касается стандартизованных размеров.

2.1.2 конструктивное различие: Значительная разница в конструкции между выключателями данного типоразмера, требующая дополнительных типовых испытаний.

2.2 автоматический выключатель со встроенными плавкими предохранителями (МЭС 441-14-22): Аппарат, состоящий из выключателя и плавких предохранителей, по одному предохранителю в каждом полюсе выключателя, предназначенному для присоединения к фазному проводнику.

2.3 токоограничивающий автоматический выключатель (МЭС 441-14-21): Выключатель с чрезвычайно малым временем отключения, в течение которого ток короткого замыкания не успевает достичь своего максимального значения.

2.4 автоматический выключатель втычного исполнения: Выключатель, который дополнительно к своим отключающим контактам имеет комплект контактов, позволяющих снимать выключатель.

Примечание - Некоторые выключатели могут быть втычными только со стороны питания, зажимы со стороны нагрузки обычно пригодны для присоединения проводников.

2.5 автоматический выключатель выдвижного исполнения: Выключатель, который дополнительно к своим отключающим контактам имеет комплект разъединяющих контактов, дающих возможность отсоединить этот выключатель от главной цепи в выдвинутом положении для создания изолирующего промежутка в соответствии с установленными требованиями.

2.6 автоматический выключатель в пластмассовом корпусе (МЭС 441-14-24): Выключатель, снабженный корпусом из литого изоляционного материала, составляющим неотъемлемую часть автоматического выключателя.

2.7 воздушный автоматический выключатель (МЭС 441-14-27): Выключатель, контакты которого размыкаются и замыкаются в воздухе при атмосферном давлении.

2.8 вакуумный автоматический выключатель (МЭС 441-14-29): Выключатель, контакты которого размыкаются и замыкаются в сильно разряженной атмосфере внутри оболочки.

2.9 газовый автоматический выключатель: Выключатель, контакты которого размыкаются и замыкаются в газовой среде, отличающейся от воздуха, при атмосферном или повышенном давлении.

2.10 расцепитель тока включения: Расцепитель, допускающий отключение выключателя без выдержки времени во время операции включения, если ток включения превышает заданное значение, и не срабатывающий, когда выключатель находится во включенном состоянии.

2.11 расцепитель токов короткого замыкания: Расцепитель максимального тока, предназначенный для защиты от коротких замыканий.

2.12 расцепитель токов короткого замыкания с кратковременной выдержкой времени: Расцепитель токов короткого замыкания, предназначенный для срабатывания по истечении кратковременной выдержки времени (см. 2.5.26 МЭК 60947-1).

2.13 аварийный выключатель: Вспомогательный выключатель, срабатывающий только при отключении автоматического выключателя, с которым он связан.

2.14 автоматический выключатель с блокировкой, препятствующей замыканию: Выключатель, каждый подвижный контакт которого защищен от замыкания, достаточного для прохождения тока, если команда на включение подается в то время, как сохраняются определенные условия.

2.15 наибольшая отключающая (или включающая) способности: Отключающая (или включающая) способность, для которой предписанные условия содержат короткое замыкание.

2.15.1 предельная наибольшая отключающая способность: Отключающая способность, для которой согласно предписанным условиям, в соответствии с установленным циклом испытаний, не предполагают способности данного выключателя длительно проводить свой номинальный ток.

2.15.2 рабочая наибольшая отключающая способность: Отключающая способность, для которой согласно предписанным условиям, в соответствии с установленным циклом испытаний, предполагают способность данного выключателя длительно проводить свой номинальный ток.

2.16 время размыкания: По 2.5.39 МЭК 60947-1 со следующим дополнением:

- для выключателя с непосредственным управлением начальным моментом времени размыкания служит момент появления тока, достаточного, чтобы вызвать срабатывание выключателя;

- для выключателя, управляемого источником энергии любой формы, начальным моментом времени размыкания служит момент подачи или прекращения подачи энергии этого источника на отключающий расцепитель.

Примечание - Для выключателей «время размыкания контактов» часто называют длительностью отключения, хотя длительность отключения включает промежуток времени от момента размыкания контактов до момента, когда команда на размыкание контактов становится необратимой.

2.17 координация для защиты от сверхтоков: По 2.5.22 МЭК 60947-1.

2.17.1 селективность по сверхтокам (МЭС 441-17-15): По 2.5.23 МЭК 60947-1.

2.17.2 полная селективность: Селективность по сверхтокам, когда при последовательном соединении двух аппаратов защиты от сверхтоков аппарат со стороны нагрузки осуществляет защиту без срабатывания второго защитного аппарата.

2.17.3 частичная селективность: Селективность по сверхтокам, когда при последовательном соединении двух аппаратов защиты от сверхтоков аппарат со стороны нагрузки осуществляет защиту до определенного уровня сверхтока без срабатывания второго защитного аппарата.

2.17.4 предельный ток селективности (Is): Предельный ток селективности - токовая координата точки пересечения полной время-токовой характеристики защитного аппарата со стороны нагрузки и преддуговой (для плавких предохранителей) время-токовой характеристики или время-токовой характеристики расцепления второго защитного аппарата.

Предельный ток селективности (см. рисунок А.1) - это предельное значение тока:

- ниже которого при последовательном соединении двух аппаратов защиты от сверхтоков защитный аппарат со стороны нагрузки завершает операцию отключения, чтобы воспрепятствовать началу действия второго защитного аппарата (т.е. обеспечивается селективность);

- выше которого при последовательном соединении двух аппаратов защиты от сверхтоков защитный аппарат со стороны нагрузки может не успеть вовремя завершить операцию отключения, чтобы воспрепятствовать началу действия второго защитного аппарата (т.е. селективность не обеспечивается).

2.17.5 резервная защита: По 2.5.24 МЭК 60947-1.

2.17.6 ток координации (Iв): По 2.5.25 МЭК 60947-1 со следующим дополнением:

С точки зрения настоящего стандарта, 2.5.25 МЭК 60947-1 касается двух последовательно соединенных аппаратов защиты от сверхтоков для времени срабатывания, равном или свыше 0,05 с. Для времени срабатывания менее 0,05 едва последовательно соединенных аппарата защиты от сверхтоков считают комбинацией аппаратов, см. приложение А.

Примечание - Ток координации - это токовая координата точки пересечения характеристик максимальное время отключения / ток двух последовательно соединенных аппаратов защиты от сверхтока.

2.18 характеристика I2t автоматического выключателя: Информация (как правило, в виде кривой), представленная максимальными, по времени отключения, значениями I2t как функция ожидаемого тока (действующее значение симметричной составляющей для переменного тока) от пикового значения ожидаемого тока, удовлетворяющего номинальной отключающей способности при коротком замыкании и соответствующем напряжении.

3 Классификация

Автоматические выключатели классифицируют:

3.1 по категории применения: А или В (см. 4.4);

3.2 по среде, в которой происходит отключение:

- воздушные,

- вакуумные,

- газовые;

3.3 по конструкции:

- открытого исполнения,

- в оболочке;

3.4 по способу управления:

- с зависимым ручным управлением,

- с независимым ручным управлением,

- с зависимым управлением от источника энергии,

- с независимым управлением от источника энергии,

- с накопителем энергии;

3.5 по пригодности к разъединению:

- пригодные,

- непригодные;

3.6 по возможности обслуживания:

- обслуживаемые,

- необслуживаемые;

3.7 по способу монтажа:

- стационарные,

- втычные,

- выдвижные;

3.8 по степени защиты, обеспечиваемой оболочкой, - согласно 7.1.11 МЭК 60947-1.

4 Характеристики автоматических выключателей

4.1 Перечень характеристик

Характеристики выключателей должны быть установлены в следующих терминах:

- тип выключателя (п. 4.2);

- номинальные и предельные значения параметров главной цепи (п. 4.3);

- категории применения (п. 4.4);

- цепи управления (п. 4.5);

- вспомогательные цепи (п. 4.6);

- расцепители (п. 4.7);

- встроенные плавкие предохранители (выключатели со встроенными плавкими предохранителями) (п. 4.8);

- коммутационные перенапряжения (п. 4.9).

4.2 Тип автоматического выключателя

Необходимо указать:

4.2.1 число полюсов;

4.2.2 род тока: переменный или постоянный, и для переменного тока - число фаз и номинальную частоту.

4.3 Номинальные и предельные значения параметров главной цепи

Номинальные значения характеристик выключателя должны устанавливаться по 4.3.1-4.4, но если нет необходимости, то устанавливают не все номинальные параметры.

4.3.1 Номинальные напряжения

Выключатель характеризуют номинальные напряжения, указанные ниже.

4.3.1.1 Номинальное рабочее напряжение (Ue)

По 4.3.1.1 МЭК 60947-1 со следующими дополнениями:

Выключатели по перечислению а) примечания 2.

Ue обычно определяется как напряжение между фазами.

Выключатели для незаземленных систем или для заземленных систем с полным сопротивлением (IT) требуют дополнительных испытаний согласно приложению Н.

Выключатели по перечислению b) примечания 2.

Для этих выключателей необходимы дополнительные испытания по приложению С.

Ue следует указывать как межфазное напряжение с предшествующей буквой С.

4.3.1.2 Номинальное напряжение изоляции (Ui)

По 4.3.1.2 МЭК 60947-1.

4.3.1.3 Номинальное импульсное выдерживаемое напряжение (Uimp)

По 4.3.1.3 МЭК 60947-1.

4.3.2 Токи

Выключатель характеризуют токи, указанные ниже.

4.3.2.1 Условный тепловой ток на открытом воздухе (Ith)

По 4.3.2.1 МЭК 60947-1.

4.3.2.2 Условный тепловой ток в оболочке (Ithe)

По 4.3.2.2 МЭК 60947-1.

4.3.2.3 Номинальный ток (In)

Для выключателей номинальным является непрерывный ток (Iu) (см. 4.3.2.4 МЭК 60947-1), равный условному тепловому току на открытом воздухе (Ith)

4.3.2.4 Номинальный ток четырехполюсных автоматических выключателей

По 7.1.8 МЭК 60947-1.

4.3.3 Номинальная частота

По 4.3.3 МЭК 60947-1.

4.3.4 Номинальный режим эксплуатации

Нормальными считают номинальные режимы, указанные ниже.

4.3.4.1 Восьмичасовой режим

По 4.3.4.1 МЭК 60947-1.

4.3.4.2 Непрерывный режим

По 4.3.4.2 МЭК 60947-1.

4.3.5 Характеристики в условиях короткого замыкания

4.3.5.1 Номинальная наибольшая включающая способность (Icm)

Это значение наибольшей включающей способности, установленное для данного выключателя изготовителем при номинальных рабочем напряжении, частоте и определенных коэффициенте мощности для переменного тока или постоянной времени для постоянного тока. Она выражается максимальным ожидаемым пиковым током.

На переменном токе номинальная наибольшая включающая способность выключателя должна быть не ниже его номинальной предельной наибольшей отключающей способности, умноженной на коэффициент п из таблицы 2 (см. 4.3.5.3).

На постоянном токе номинальная наибольшая включающая способность выключателя должна быть не ниже его номинальной предельной наибольшей отключающей способности при условии, что установившийся ток короткого замыкания постоянен по величине.

Номинальная наибольшая включающая способность означает, что данный выключатель должен быть способен включать ток, соответствующий этой номинальной способности, при напряжении до включения, соотнесенном с номинальным рабочим напряжением.

4.3.5.2 Номинальные наибольшие отключающие способности

Это значения наибольшей отключающей способности, установленные изготовителем для данного выключателя при номинальном рабочем напряжении в определенных условиях.

Номинальные наибольшие отключающие способности означают, что данный выключатель должен отключать любой ток короткого замыкания, не превышающий этих его номинальных способностей, при возвращающемся напряжении, соответствующем предписанным значениям испытательного напряжения, и:

- на переменном токе - при любом коэффициенте мощности не ниже указанного в таблице 11 (см. 8.3.2.2.4);

- на постоянном токе - при любой постоянной времени не выше указанной в таблице 11 (см. 8.3.2.2.5).

При возвращающихся напряжениях, превышающих установленные значения испытательного напряжения (см. 8.3.2.2.6), наибольшая отключающая способность не гарантируется.

На переменном токе выключатель должен отключать ожидаемый ток, соответствующий его номинальной наибольшей отключающей способности при коэффициенте мощности по таблице 11, независимо от значения его апериодической составляющей, при условии, что его периодическая составляющая постоянна по величине.

Номинальные наибольшие отключающие способности определяются как номинальные предельная и рабочая наибольшие отключающие способности.

4.3.5.2.1 Номинальная предельная наибольшая отключающая способность (Icu)

Это значение предельной наибольшей отключающей способности (см. 2.15.1), установленное изготовителем для данного выключателя при соответствующем номинальном рабочем напряжении в условиях, определяемых п. 8.3.5. Она выражается как значение ожидаемого тока отключения в килоамперах (действующее значение периодической составляющей в случае переменного тока).

4.3.5.2.2 Номинальная рабочая наибольшая отключающая способность (Ics)

Это значение рабочей наибольшей отключающей способности (см. 2.15.2), установленное изготовителем для данного выключателя при соответствующем номинальном рабочем напряжении в условиях, указанных в 8.3.4. Она выражается как значение ожидаемого тока отключения в килоамперах, соответствующего одному из определенных процентных значений номинальной предельной наибольшей отключающей способности согласно таблице 1, округленному до ближайшего целого числа. Она может выражаться в процентах от Icu (например, Ics = 25 % Icu).

С другой стороны, когда номинальная рабочая наибольшая отключающая способность равна номинальному кратковременно выдерживаемому току (см. 4.3.5.4), она может быть задана значением в килоамперах, при условии, что она не ниже минимума по таблице 1.

Если Icu превышает 200 кА для категории применения А (см. 4.4) или 100 кА для категории применения В, изготовитель может указать значение Ics, равное 50 кА.

4.3.5.3 Стандартное соотношение между наибольшей включающей и отключающей способностями и соответствующий коэффициент мощности для автоматических выключателей переменного тока

Стандартное соотношение между наибольшими отключающей и включающей способностями приведено в таблице 2.

Таблица 1 - Стандартные соотношения между Ics и Icu

В процентах от Icu

Категория применения А

Категория применения В

25

-

50

50

75

75

100

100

Таблица 2 - Соотношение п между наибольшими включающей и отключающей способностями и соответствующий коэффициент мощности (для выключателей переменного тока)

Наибольшая отключающая способность Icu (действующее значение), кА

коэффициент мощности cos φ

Минимальное значение n

4,5 < Icu ≤ 6

0,70

1,5

6 < Icu ≤ 10

0,50

1,7

10 < Icu ≤ 20

0,30

2,0

20 < Icu ≤ 50

0,25

2,1

50 < Icu

0,20

2,2

Примечание - Для значений отключающей способности ниже 4,5 кА коэффициент мощности определяют по таблице 11.

Эти значения способностей действительны только при условии соответствия требованиям 7.2.1.1 и 7.2.1.2.

При наличии особых требований изготовитель может установить более высокое значение номинальной наибольшей включающей способности, чем указано в таблице 2. Испытания для проверки этих номинальных значений должны быть согласованы между изготовителем и потребителем.

4.3.5.4 Номинальный кратковременно выдерживаемый ток (Icw)

Это значение кратковременно выдерживаемого тока, установленное для выключателя изготовителем в условиях испытаний по 8.3.6.2.

Для переменного тока - это действующее значение периодической составляющей ожидаемого тока короткого замыкания, который рассматривают как неизменный на протяжении определенного короткого времени.

Длительность прохождения Icw должна составлять по крайней мере 0,05 с.

Предпочтительные значения: 0,05; 0,1; 0,25; 0,5; 1 с.

Номинальный кратковременно выдерживаемый ток должен быть не ниже указанного в таблице 3.

4.4 Категории применения

Категорию применения выключателя следует определять с учетом того, предназначается ли он или нет для обеспечения селективности благодаря намеренной выдержке времени относительно других выключателей, последовательно присоединенных со стороны нагрузки в условиях короткого замыкания (см. рисунок А.3).

Следует иметь в виду различия испытаний в обеих категориях применения (см. таблицу 9, п. 8.3.4-8.3.6 и 8.3.8).

Таблица 3 - Минимальные значения номинального кратковременного выдерживаемого тока

Номинальный ток In, А

Минимальное значение Icw

До 2500

12 In или 5 кА, что больше

Св. 2500

30 кА

Категории применения определяются в таблице 4.

Таблица 4 - Категории применения

Категория применения

Область применения в зависимости от селективности

А

Выключатели, не предназначенные специально для обеспечения селективности в условиях короткого замыкания относительно других устройств защиты от коротких замыканий, последовательно присоединенных со стороны нагрузки, т.е. без заданной кратковременной выдержки времени, предусматриваемой для обеспечения селективности в условиях короткого замыкания, а поэтому без номинального кратковременного выдерживаемого тока согласно 4.3.5.4.

В

Выключатели, специально предназначенные для обеспечения селективности в условиях короткого замыкания относительно других устройств защиты от коротких замыканий, последовательно присоединенных со стороны нагрузки, т.е. с заданной кратковременной выдержкой времени (которая может быть регулируемой), предусматриваемой с целью селективности в условиях короткого замыкания. Такие выключатели имеют номинальный кратковременно выдерживаемый ток по 4.3.5.4.

Примечание - Селективность обеспечивается не обязательно до предельной наибольшей отключающей способности выключателей (например, в случае срабатывания расцепителя мгновенного действия), но по крайней мере до величины, указанной в таблице 3.

Примечания

1 Коэффициент мощности или постоянная времени для каждого значения номинального тока короткого замыкания указаны в таблице 11 (см. 8.3.2.2.4 и 8.3.2.2.5).

2 Следует обратить внимание на разные требования к минимальному соотношению Ics для категорий применения А и В по таблице 1.

3 Выключатель категории применения А может иметь заданную кратковременную выдержку времени в целях обеспечения селективности в условиях, не связанных с коротким замыканием с кратковременно выдерживаемым током ниже указанного в таблице 3. В этом случае необходимы испытания цикла IV (см. 8.3.6) при заданном кратковременно выдерживаемом токе.

4.5 Цепи управления

4.5.1 Электрические цепи управления

По 4.5.1 МЭК 60947-1 со следующим дополнением.

Если номинальное напряжение питания цепи управления и главной цепи отличаются, рекомендуется выбирать его значение по таблице 5.

Таблица 5 - Предпочтительные значения номинального напряжения питания цепи управления, если оно отличается от напряжения главной цепи

В вольтах

Напряжение постоянного тока

Однофазное напряжение переменного тока

24; 48; 110; 125; 220; 250

24; 48; 110; 127; 220; 230

Примечание - Изготовитель должен указать одно или несколько значений тока, проходящего через цепи управления при номинальном напряжении их питания.

4.5.2 Цепи управления на сжатом воздухе (пневматические или электропневматические)

По 4.5.2 МЭК 60947-1.

4.6 Вспомогательные цепи

По 4.6 МЭК 60947-1.

4.7 Расцепители

4.7.1 Типы

1) Независимый расцепитель.

2) Максимальный расцепитель тока:

a) мгновенного действия;

b) с независимой выдержкой времени;

c) с обратнозависимой выдержкой времени:

- не зависимой от предварительной нагрузки;

- зависимой от предварительной нагрузки (например, терморасцепитель).

Примечания

1 Для обозначения максимальных расцепителей тока, предназначенных для защиты от перегрузок (см. 2.4.30 МЭК 60947-1), используют термин «расцепители токов перегрузки». Для обозначения максимальных расцепителей тока, предназначенных для защиты от коротких замыканий (см. 2.11), используют термин «расцепители токов короткого замыкания»

2 Термин «регулируемый расцепитель», применяемый в настоящем стандарте, подразумевает также взаимосвязанные расцепители.

3) Минимальный расцепитель напряжения (для размыкания).

4) Прочие расцепители.

4.7.2 Характеристики

1) Для независимого расцепителя и минимального расцепителя напряжения (для размыкания):

- номинальное напряжение цепи управления (Uc);

- род тока;

- номинальная частота, если ток переменный.

2) Для максимального расцепителя тока:

- номинальный ток (In);

- род тока;

- номинальная частота, если ток переменный;

- токовая уставка (или диапазон уставок);

- временная уставка (или диапазон уставок).

Номинальный ток максимального расцепителя - это значение тока (действующее, если ток переменный), соответствующее максимальной уставке тока, который этот расцепитель способен проводить в условиях испытания по 8.3.2.5 без выхода превышения температуры за пределы, установленные в таблице 7.

4.7.3 Токовая уставка максимальных расцепителей тока

В выключателях, имеющих регулируемые расцепители (см. 4.7.1, перечисление 2, примечание 2), токовая уставка (или диапазон уставок) должна маркироваться на расцепителе или его шкале регулирования. Значение тока уставки может быть выражено в амперах или в виде кратного тока, маркированного на расцепителе.

В выключателях, имеющих нерегулируемые расцепители, можно наносить маркировку на выключатель. Если рабочие характеристики расцепителя токов перегрузки соответствуют требованиям таблицы 6, достаточно маркировать выключатель значением его номинального тока (In).

При наличии расцепителей непрямого действия, управляемых трансформаторами тока, маркировка может относиться либо к первичному току трансформатора, питающего их, либо к токовой уставке расцепителя токов перегрузки. В любом случае следует указывать коэффициент трансформации.

При отсутствии других указаний:

- значение срабатывания расцепителей перегрузки нетеплового типа не зависит от температуры окружающего воздуха от минус 5 до плюс 40 °С;

- для тепловых расцепителей значения срабатывания указывают для контрольной температуры (30±2) °С. Изготовитель должен указать влияние колебаний температуры окружающего воздуха (см. 7.2.1.2.4b).

4.7.4 Уставка по времени расцепления максимальных расцепителей тока

1) Максимальные расцепители тока с независимой выдержкой времени

Выдержка времени таких расцепителей не зависит от значения сверхтока. Уставка по времени расцепления должна быть указана как время отключения выключателя в секундах, если выдержка времени нерегулируемая, или в предельных значениях времени отключения, если выдержка времени регулируемая.

2) Максимальные расцепители тока с обратнозависимой выдержкой времени

Выдержка времени таких расцепителей зависит от значения сверхтока.

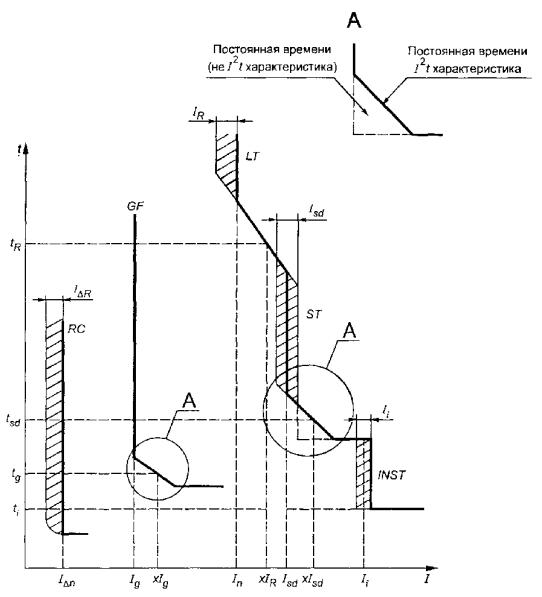
Время-токовые характеристики должны быть представлены в виде кривых, построенных изготовителем. Они должны показывать изменение времени размыкания, начиная с холодного состояния, в зависимости от тока в пределах рабочего диапазона расцепителя. Изготовитель должен указать удобным способом допускаемые отклонения от этих кривых.

Кривые должны быть приведены для каждого предельного значения токовой уставки, а если временная уставка, соответствующая данной токовой уставке, регулируется, рекомендуется, кроме того, построить такую кривую для каждого предельного значения временной уставки.

Примечание - Рекомендуется ток обозначать по оси абсцисс, а время - по оси ординат, используя в обоих случаях логарифмическую шкалу. Кроме того, для облегчения изучения координации различных типов защиты от сверхтоков рекомендуется выражать значения токов в виде кратного тока уставки, а время в секундах на стандартных листах для графиков, описанных в ГОСТ Р 50339.0, 5.6.1 и показанных на рисунках 4 (I), 3 (II) и 4 (II) ГОСТ Р 50339.2.

4.8 Встроенные плавкие предохранители (автоматические выключатели со встроенными плавкими предохранителями)

По 4.8 МЭК 60947-1.

Изготовитель должен предоставить необходимую информацию.

4.9 Коммутационные перенапряжения

По 4.9 МЭК 60947-1, если указано номинальное импульсное выдерживаемое напряжение (Uimp).

5 Информация об аппаратах

5.1 Характер информации

По 5.1 МЭК 60947-1 в применении к конкретной конструкции.

Кроме того, изготовитель должен по запросу предоставить информацию относительно характерных потерь мощности для разных типоразмеров (см. 2.1.1). См. приложение G.

5.2 Маркировка

Маркировка каждого выключателя должна быть прочной.

a) Следующие данные следует маркировать на самом выключателе или на одной или нескольких фирменных табличках, прикрепленных к выключателю в таком месте, чтобы после его установки их можно было видеть и читать:

- номинальный ток (In);

- пригодность к разъединению, при ее наличии, обозначаемая символом ;

- указание разомкнутого и замкнутого положений соответственно символами  и, если они применяются (см. 7.1.5.1 МЭК 60947-1).

b) Следующие сведения также должны быть маркированы на автоматическом выключателе снаружи согласно перечислению а), но после установки выключателя они могут быть не видны:

- наименование или товарный знак изготовителя;

- обозначение типа или серийный номер;

- ГОСТ Р 50030.2, если изготовитель подтверждает соответствие этому стандарту;

- категория применения;

- одно или несколько значений номинального рабочего напряжения (Ue) (см. 4.3.1.1 и, где необходимо, приложение Н);

- значение (или диапазон значений) номинальной частоты (например, 50 Гц) и/или обозначение «постоянный ток» (либо символ );

- номинальная рабочая наибольшая отключающая способность (Ics);

- номинальная предельная наибольшая отключающая способность (Icu);

- номинальный кратковременно выдерживаемый ток (Icw) и соответствующая ему выдержка времени для категории применения В;

- вводные и выводные зажимы, если их дифференциация не безразлична;

- выводы нейтрального полюса, при его наличии, обозначаемые буквой N;

- защитный вывод заземления, при его наличии, обозначаемый символом (см. 7.1.9.3 МЭК 60947-1) ;

- контрольная температура для некомпенсируемых тепловых расцепителей, если она отличается от 30 °С.

c) Следующая информация должна либо маркироваться на выключателе согласно перечислению b), либо содержаться в информационных материалах изготовителя:

- номинальная наибольшая включающая способность (Icm), если она выше указанной в 4.3.5.1;

- номинальное напряжение изоляции (Ui), если оно выше максимального номинального рабочего напряжения;

- номинальное импульсное выдерживаемое напряжение (Uimp), если оно указывается;

- степень загрязнения, если она отличается от 3;

- условный тепловой ток в оболочке (Ithe), если он отличается от номинального;

- код IP, где необходимо (см. приложение С МЭК 60947-1);

- минимальные размеры оболочки и характеристика вентиляции (если она предусматривается), при которых действительны маркированные номинальные параметры;

- минимальные расстояния между выключателем и заземленными частями для выключателей, предназначенных для использования без оболочек;

- пригодность для условий окружающей среды 1 или 2 (см. 7.3.1 МЭК 60947-1).

d) Данные о размыкающих и замыкающих устройствах выключателя следует поместить либо на их собственных фирменных табличках, либо на фирменной табличке выключателя, либо, при недостатке места, в информационных материалах изготовителя:

- номинальное напряжение цепи управления замыкающего устройства (см. 7.2.1.2 МЭК 60947-1) и номинальная частота для переменного тока;

- номинальное напряжение цепи управления независимого расцепителя (см. 7.2.1.4 МЭК 60947-1) и/или минимального расцепителя напряжения (либо расцепителя нулевого напряжения) (см. 7.2.1.3 МЭК 60947-1), и номинальная частота переменного тока;

- номинальный ток максимальных расцепителей тока непрямого действия;

- количество и тип вспомогательных контактов и род тока, номинальная частота для переменного тока и номинальные напряжения вспомогательных контактов, если они отличаются от параметров главной цепи.

е) Маркировка выводов

По 7.1.7.4 МЭК 60947-1 (см. также перечисление b) настоящего пункта).

5.3 Инструкции по монтажу, управлению и обслуживанию

По 5.3 МЭК 60947-1.

6 Нормальные условия эксплуатации, монтажа и транспортирования

По разделу 6 МЭК 60947-1 со следующим дополнением.

Степень загрязнения (см. 6.1.3.2 МЭК 60947-1).

В отсутствие других указаний изготовителя выключатель предназначается для установки в окружающей среде со степенью загрязнения 3.

7 Требования к конструкции и работоспособности

7.1 Требования к конструкции

По 7.1 МЭК 60947-1 со следующими дополнениями.

Примечание - Дополнительные требования к материалам и токопроводящим частям по 7.1.1 и 7.1.2 МЭК 60947-1 находятся в стадии рассмотрения. Их применимость к настоящему стандарту будет рассмотрена позже.

7.1.1 Автоматические выключатели выдвижного исполнения

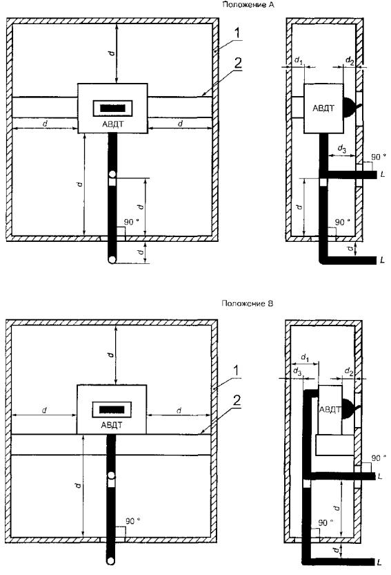
В отсоединенном положении разъединяющие контакты главной цепи и, если необходимо, вспомогательных цепей выключателей выдвижного исполнения должны иметь расстояния, соответствующие требованиям для функции разъединения, с учетом допусков при изготовлении и изменении размеров вследствие износа.

Механизм выдвижения должен быть оснащен надежным индикатором, однозначно показывающим положение разъединяющих контактов.

Механизм выдвижения должен иметь надежные блокировки, допускающие разъединение или повторное замыкание разъединяющих контактов только при разомкнутых главных контактах автоматического выключателя.

Кроме того, механизм выдвижения должен иметь блокировки, допускающие замыкание главных контактов только при условии, когда разъединяющие контакты полностью замкнуты или когда достигнуто заданное расстояние между неподвижными и подвижными частями разъединяющих контактов (разъединенное положение).

Для выключателя в разъединенном положении необходимо предусмотреть средства, гарантирующие невозможность непреднамеренного уменьшения установленных расстояний между разъединяющими контактами.

7.1.2 Дополнительные требования к автоматическим выключателям, пригодным для разъединения

По 7.1.6 МЭК 60947-1 со следующим дополнением.

Примечание - Если положение разъединения не совпадает с маркированным положением размыкания, его следует четко обозначить.

Обозначенное положение разъединения - это единственное положение, в котором гарантируется установленный зазор между контактами.

Дополнительные требования к работоспособности - по 7.2.7.

7.1.3 Воздушные зазоры и расстояния утечки

Для выключателей с указанным изготовителем значением номинального импульсного выдерживаемого напряжения (Uimp) минимальные значения приводятся в таблицах 13 и 15 МЭК 60947-1.

Для выключателей, для которых изготовитель не указал значения Uimp, ориентировочные минимальные значения приведены в приложении D.

7.1.4 Требования к безопасности оператора

Не должно быть путей или отверстий, которые бы сделали возможным выброс раскаленных частиц из зоны органа ручного управления. Соответствие проверяют по 8.3.2.6.1b.

7.1.5 Перечень конструктивных различий

Считают, что выключатели данного типоразмера имеют конструктивное различие (см. 2.1.2), если какой-нибудь из нижеперечисленных признаков имеет отличие:

- материал, покрытия и размеры внутренних токоведущих частей, допуская, однако, различия, приведенные в перечислениях а), b) и с);

- размер, материал, форма и способ крепления главных контактов;

- любой встроенный механизм управления ручного действия, его материалы и физические характеристики;

- литьевые и изоляционные материалы;

- принцип действия, материалы и конструкция дугогасительного устройства;

- базовая конструкция устройств отключения сверхтоков, допуская, однако, различия, приведенные в перечислениях а), b) и с).

Следующие изменения не составляют конструктивное различие:

a) размеры зажимов, при условии, что воздушные зазоры и пути утечки не уменьшаются;

b) в тепловых и электромагнитных расцепителях размеры и материалы элементов расцепителя, которые определяют номинал тока;

c) вторичные обмотки трансформаторов тока, приводящие в действие расцепители;

d) внешние органы управления, дополняющие встроенные органы управления, выполненные как одно целое.

7.2 Требования к работоспособности

7.2.1 Рабочие условия

7.2.1.1 Замыкание

Для надежного замыкания выключателя под воздействием тока включения, соответствующего его номинальной наибольшей включающей способности, важно его оперирование с такой же скоростью и жесткостью, как во время типовых испытаний на наибольшую включающую способность.

7.2.1.1.1 Ручное замыкание при наличии привода зависимого действия

Для выключателя с механизмом ручного замыкания при наличии привода зависимого действия невозможно установить номинальную наибольшую включающую способность без учета условий механического срабатывания.

Такой выключатель не следует использовать в цепях с ожидаемым пиковым током включения св. 10 кА.

Однако это не относится к выключателю, имеющему механизм ручного управления, при наличии привода зависимого действия, и встроенный быстродействующий размыкающий расцепитель, вызывающий надежное отключение выключателя, независимо от скорости и жесткости, с которыми он оперируется, ожидаемых пиковых токов св. 10 кА; для такого выключателя можно установить номинальную наибольшую включающую способность.

7.2.1.1.2 Ручное замыкание при наличии привода независимого действия

Для выключателя с механизмом ручного замыкания при наличии привода независимого действия можно установить номинальную наибольшую включающую способность, независимо от условий механического срабатывания.

7.2.1.1.3 Замыкание при наличии двигательного привода зависимого действия

Механизм замыкания при наличии двигательного привода, имеющий, при необходимости, промежуточные реле управления, должен обеспечить замыкание выключателя в любых условиях, от нулевой нагрузки до номинальной включающей способности, когда напряжение питания, измеренное во время замыкания, не выходит за пределы 85-110 % номинального напряжения питания цепи управления при номинальной частоте, если ток переменный.

При 110 % номинального напряжения питания цепи управления замыкание в отсутствие нагрузки не должно приводить к повреждению выключателя.

При 85 % номинального напряжения питания цепи управления замыкание должно осуществляться, когда ток, включаемый выключателем, равняется его номинальной включающей способности в пределах, допускаемых срабатыванием его реле или расцепителей и, если для замыкания указывается верхний предел времени, за время, не превышающее этого предела.

7.2.1.1.4 Замыкание при наличии двигательного привода независимого действия

Для выключателя с двигательным приводом независимого действия для осуществления замыкания может быть установлена номинальная наибольшая включающая способность, не зависящая от двигательного привода.

Устройства для взвода механизма управления и части механизма управления замыканием должны быть работоспособны в соответствии с техническими условиями изготовителя.

7.2.1.1.5 Замыкание при наличии накопителя энергии

Механизм такого типа должен обеспечить замыкание выключателя в любых условиях при нагрузке от нуля до номинальной включающей способности.

Если энергия накапливается в самом выключателе, должно быть предусмотрено устройство, показывающее, что механизм накопления полностью взведен.

Механизм взвода и части механизма управления замыканием должны быть работоспособны при напряжении вспомогательного источника питания от 85 до 110 % номинального напряжения питания цепи управления.

Подвижные контакты не должны приходить в движение, если запасенной энергии недостаточно для полного осуществления операции замыкания.

Если механизм аккумулирования энергии имеет ручной привод, то направление, в котором осуществляется его взведение, должно быть указано.

Последнее требование не распространяется на выключатели, имеющие привод независимого действия.

7.2.1.2 Размыкание

7.2.1.2.1 Общие положения

Выключатели, размыкающиеся автоматически, должны иметь свободное расцепление и, в отсутствие другого соглашения между изготовителем и потребителем, должны накапливать энергию для расцепления до завершения замыкания.

7.2.1.2.2 Размыкание минимальными расцепителями напряжения

По 7.2.1.3 МЭК 60947-1.

7.2.1.2.3 Размыкание независимыми расцепителями

По 7.2.1.4 МЭК 60947-1.

7.2.1.2.4 Размыкание максимальными расцепителями тока

а) Размыкание в условиях короткого замыкания

Расцепитель токов короткого замыкания должен вызывать размыкание выключателя с погрешностью 20 % от значения тока срабатывания токовой уставки при любых значениях токовой уставки этого расцепителя.

Если необходимо для координации по сверхтокам (см. 2.17), изготовитель должен предоставить информацию (обычно в виде кривых) относительно:

- максимального пикового тока отсечки (сквозного тока) (см. 2.5.19 МЭК 60947-1) в зависимости от ожидаемого тока (действующего симметричного значения);

- характеристик I2t (cм. 2.18) для выключателей категории применения А и, при необходимости, В для выключателей мгновенного действия (см. примечание к 8.3.5).

Соответствие этой информации может проверяться в ходе надлежащих типовых испытаний циклов II и III (см. 8.3.4 и 8.3.5).

Примечание - Для проверки координационных характеристик выключателей возможно предоставление и другой информации, например об испытаниях комбинаций аппаратов защиты от коротких замыканий.

b) Размыкание в условиях перегрузки

1) Мгновенное или с независимой выдержкой времени

Расцепитель должен вызвать размыкание выключателя с погрешностью ±10 % от значения тока срабатывания токовой уставки при любых значениях токовой уставки расцепителя токов перегрузки.

2) С обратнозависимой выдержкой времени

Условные параметры срабатывания с обратнозависимой выдержкой времени приведены в таблице 6.

Таблица 6 - Характеристики размыкания максимальных расцепителей тока с обратнозависимой выдержкой времени при контрольной температуре

Нагружены все полюса

Условное время, ч

Условный ток нерасцепления

Условный ток нерасцепления

1,05-кратная токовая уставка

1,3-кратная токовая уставка

2*

* 1 ч, если In < 63 А.

При контрольной температуре (см. 4.7.3) и 1,05-кратном токе уставки (см. 2.4.37 МЭК 60947-1), т.е. при условном токе нерасцепления (см. 2.5.30 МЭК 60947-1) в условиях нагрузки всех фазных полюсов расцепителя, расцепление должно происходить не ранее чем истечет условное время (см. 2.5.30 МЭК 60947-1) от холодного состояния, т.е. когда выключатель находится при контрольной температуре.

По истечении условного времени нерасцепления значение тока быстро повышают до 1,3-кратной токовой уставки, т.е. до условного тока расцепления (см. 2.5.31 МЭК 60947-1), и расцепление должно происходить до истечения условного времени.

Примечание - Контрольной называют температуру окружающего воздуха, к которой относится время-токовая характеристика выключателя.

Если изготовитель гарантирует независимость характеристик расцепления от температуры окружающего воздуха, значения тока по таблице 6 должны быть действительны в пределах диапазона температур, указанного изготовителем, с допускаемым отклонением 0,3 % / °С.

Этот диапазон температур должен составлять не менее 10 °С по обе стороны от контрольной температуры

7.2.2 Превышение температуры

7.2.2.1 Пределы превышения температуры

Превышение температуры различных частей выключателя, измеренное в условиях по 8.3.2.5, не должно выходить за пределы, указанные в таблице 7, во время испытаний по 8.3.3.6. Превышение температуры выводов не должно выходить за пределы, указанные в таблице 7, во время испытаний по 8.3.4.3 и 8.3.6.3.

7.2.2.2 Температура окружающего воздуха

Пределы превышения температуры, указанные в таблице 7, действительны только в случае, если температура окружающего воздуха не выходит за пределы, оговоренные в 6.1.1 МЭК 60947-1.

7.2.2.3 Главная цепь

Главная цепь выключателя вместе с включенными в нее максимальными расцепителями тока должна проводить условный тепловой ток (Ith или Ithe, что применимо, см. 4.3.2.1 или 4.3.2.2) без выхода превышения температуры за пределы, указанные в таблице 7.

7.2.2.4 Цепи управления

Цепи управления и аппараты для цепей управления, используемые для замыкания и размыкания выключателя, должны допускать работу в номинальном режиме по 4.3.4 и испытания на превышение температуры в условиях, указанных в 8.3.2.5, без выхода превышения температуры за пределы, указанные в таблице 7.

Таблица 7 - Пределы превышения температуры выводов для наружных соединений и доступных частей

Вид части1)

Предел превышения температуры, °С2)

Выводы

80

Органы ручного управления:

- металлические

25

- неметаллические

35

Части, предназначенные для того, чтобы касаться их, но не держать в руках:

 

- металлические

40

- неметаллические

50

Части, которых не требуется касаться в нормальных условиях:

 

- металлические

50

- неметаллические

60

1) Для других частей значения не устанавливают, но не допускаются повреждения соседних частей, выполненных из изоляционных материалов.

2) Относятся не к новым образцам, а применяют при проверке превышения температуры в ходе циклов испытаний по разделу 8.

Соответствие требованиям данного пункта должно проверяться на новом выключателе. С другой стороны, на усмотрение изготовителя, проверка может проводиться во время испытания на превышение температуры по 8.3.3.6.

7.2.2.5 Вспомогательные цепи

Вспомогательные цепи вместе со вспомогательными устройствами должны проводить свой условный тепловой ток без выхода превышения температуры за пределы, указанные в таблице 7, при испытаниях по 8.3.2.5.

7.2.3 Электроизоляционные свойства

Если изготовитель указал значение номинального импульсного выдерживаемого напряжения (Uimp), действительны требования 7.2.3 МЭК 60947-1, и выключатель должен выдерживать испытания изоляции по 8.3.3.4 МЭК 60947-1.

Если значение номинального импульсного выдерживаемого напряжения не указано, для проверки электрической прочности изоляции в циклах испытаний выключатель должен удовлетворять требованиям испытаний изоляции по 8.3.3.2.1-8.3.3.2.4.

7.2.4 Способность к включению без нагрузки, при нормальной нагрузке и в условиях перегрузки

7.2.4.1 Работоспособность в условиях перегрузки

Это требование относится к выключателям с номинальным током до 630 А включ. Выключатель должен выполнять определенное число циклов оперирования при токе в главной цепи, превышающем его номинальный ток, в условиях испытаний по 8.3.3.4.

Каждый цикл оперирования подразумевает включение тока с последующим отключением.

7.2.4.2 Работоспособность в условиях эксплуатации

По 7.2.4.2 МЭК 60947-1 со следующими дополнениями.

Выключатель должен удовлетворять требованиям таблицы 8 при испытаниях на работоспособность:

- без тока в главной цепи в условиях по 8.3.3.3.3;

- при прохождении тока в главной цепи в условиях по 8.3.3.3.4.

Каждый цикл оперирования состоит либо из операции замыкания с последующей операцией размыкания (оперирование без тока), либо из включения тока с последующим его отключением (операции при прохождении тока).

7.2.5 Способность включать и отключать ток в условиях короткого замыкания

По 7.2.5 МЭК 60947-1 со следующими дополнениями.

Таблица 8 - Число циклов оперирования

Номинальный ток, А1)

Число циклов в час2)

Число циклов оперирования

Без тока

С током3)

Общее

In ≤ 100

120

8500

1500

10000

100 < In ≤ 315

120

7000

1000

8000

315 < In ≤ 630

60

4000

1000

5000

630 < In ≤ 2500

20

2500

500

3000

2500 < In

10

1500

500

2000

1) Максимальный номинальный ток для данного типоразмера.

2) Минимальная частота срабатывания. С согласия изготовителя ее можно увеличить, и в этом случае ее следует указать в протоколе испытания.

3) В каждом цикле оперирования выключатель должен оставаться замкнутым достаточно долго, чтобы ток полностью установился, но не более 2 с.

Номинальная наибольшая включающая способность должна соответствовать 4.3.5.1 и 4.3.5.3. Номинальная наибольшая отключающая способность должна соответствовать 4.3.5.2. Номинальный кратковременно выдерживаемый ток должен соответствовать 4.3.5.4.

Примечание - Обязанность изготовителя - обеспечить совместимость характеристик расцепления выключателя и его способности выдерживать внутренние термические и электродинамические нагрузки.

7.2.6 Коммутационные перенапряжения

По 7.2.6 МЭК 60947-1. Соответствующие испытательные цепи и методы измерений находятся в стадии рассмотрения.

7.2.7 Дополнительные требования к автоматическим выключателям, пригодным для разъединения

Выключатели, пригодные для разъединения, должны соответствовать испытаниям по 8.3.3.2, 8.3.3.5, 8.3.3.9, 8.3.4.3, 8.3.5.3 и 8.3.7.7, что применимо.

7.2.8 Особые требования к автоматическим выключателям со встроенными плавкими предохранителями

Примечание - О координации выключателей с автономными плавкими предохранителями, включенными в ту же цепь, см. 7.2.9.

Выключатель должен соответствовать настоящему стандарту во всех аспектах, вплоть до номинальной предельной отключающей способности. В частности, он должен удовлетворять требованиям цикла испытаний V (см. 8.3.7).

Выключатель должен срабатывать без расплавления предохранителей под воздействием сверхтоков, не превышающих предельного тока селективности Is, указанного изготовителем.

При всех сверхтоках, вплоть до номинальной предельной наибольшей отключающей способности, установленной для комбинированного аппарата, выключатель должен размыкаться после срабатывания одного или нескольких плавких предохранителей (во избежание однофазного питания). Если выключатель, по информации изготовителя, снабжен блокировкой, препятствующей замыканию (см. 2.14), повторное замыкание выключателя должно быть невозможно, пока либо не будут заменены расплавившиеся или недостающие плавкие вставки, либо не будет заново настроена блокировка.

7.2.9 Координация между автоматическим выключателем и другим устройством защиты от короткого замыкания

См. приложение А.

7.3 Электромагнитная совместимость

Примечание - Перечень соответствующих требований и испытаний приведен в приложении J.

7.3.1 Общие положения

По 7.3.1 МЭК 60947-1. Условия окружающей среды 1 и 2, как они определены в МЭК 60947-1, могут применяться к выключателям согласно настоящему стандарту.

7.3.2 Устойчивость к электромагнитным помехам

В настоящем стандарте принято, что устойчивость к электромагнитным полям промышленной частоты уже проверяют соответствующими испытаниями по 8.3, которые не нуждаются в повторении (например, испытания в условиях перегрузки и короткого замыкания).

7.3.2.1 Выключатели, в состав которых не входят электронные цепи

По 7.3.2.1 МЭК 60947-1.

Примечание - Вопрос о необходимости требований к высокочувствительным расцепителям для выключателей согласно приложению В, не связанных с электронными цепями, находится в стадии рассмотрения.

7.3.2.2 Выключатели, в состав которых входят электронные цепи

По 7.3.2.2 МЭК 60947-1 со следующим дополнением.

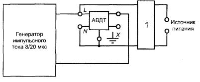
Приложение В учитывает требования к испытаниям АВДТ на устойчивость к электромагнитным помехам.

Приложение F учитывает требования к испытаниям выключателей с электронной защитой от сверхтоков на устойчивость к электромагнитным помехам.

Во всех остальных случаях испытание должно проводиться согласно 8.3.9.

7.3.3 Излучение электромагнитных помех

7.3.3.1 Выключатели, в состав которых не входят электронные цепи

По 7.3.3.1 МЭК 60947-1.

7.3.3.2 Выключатели, в состав которых входят электронные цепи

По 7.3.3.2 МЭК 60947-1 со следующими дополнениями.

7.3.3.2.1 Выключатели, в состав которых входят электронные цепи, не содержащие осцилляторов, работающих длительные периоды времени

Примечание - Длительным считают период более 40 мс.

Такие выключатели не генерируют длительные электромагнитные помехи, а генерируют переходные электромагнитные помехи во время коммутаций. Частота и последовательность этих переходных процессов считаются частью нормальной электромагнитной среды низковольтных установок и не нуждаются в измерениях.

7.3.3.2.2 Выключатели, в состав которых входят электронные цепи, содержащие осцилляторы, работающие длительные периоды времени

В приложении В описаны требования к излучению электромагнитных помех и испытания АВДТ с электронной защитой от сверхтоков.

8 Испытания

8.1 Виды испытаний

По 8.1 МЭК 60947-1 со следующими дополнениями.

8.1.1 Для проверки характеристик выключателей проводят испытания:

- типовые (см. 8.3);

- контрольные или выборочные (см. 8.4).

8.1.2 К типовым испытаниям относят:

- превышение температуры (см. 8.3.2.5);

- пределы и характеристики расцепления (см. 8.3.3.1);

- электроизоляционные свойства (см. 8.3.3.2);

- работоспособность в условиях эксплуатации (см. 8.3.3.3);

- работоспособность при перегрузках (при необходимости) (см. 8.3.3.4);

- наибольшую отключающую способность (см. 8.3.4 и 8.3.5);

- кратковременно выдерживаемый ток (при необходимости) (см. 8.3.6);

- работоспособность выключателей со встроенными плавкими предохранителями (см. 8.3.7).

Типовые испытания должен выполнять изготовитель в своих цехах или в любой подходящей лаборатории по своему выбору.

8.1.3 К контрольным или выборочным испытаниям относят:

- механическое срабатывание (см. 8.4.1);

- калибровку расцепителей (см. 8.4.2);

- электрическую прочность изоляции (см. 8.4.3).

Примечание - Выборочные испытания для проверки воздушных зазоров по 8.3.3.4.3 МЭК 60947-1 находятся в стадии рассмотрения.

8.2 Соответствие требованиям к конструкции

По 8.2 МЭК 60947-1 (при этом см. 7.1).

8.3 Типовые испытания

Во избежание повторения одних и тех же испытаний применительно к разным циклам в начале этого пункта общие условия испытаний сведены в три группы:

- действительные для всех циклов (см. 8.3.2.1-8.3.2.4);

- условия испытаний на превышение температуры (см. 8.3.2.5);

- условия испытаний на короткое замыкание (см. 8.3.2.6).

Во всех случаях, когда это необходимо, делаются ссылки на общие требования МЭК 60947-1 или общие условия испытаний, основывающиеся на общих требованиях.

Каждый цикл испытаний опирается на применимые общие условия испытаний. Для этого требуются перекрестные ссылки, зато удается намного упростить описание каждого цикла испытаний.

Во всем этом разделе термин «испытание» относится к любому испытанию, которое подлежит выполнению, а термин «проверка» следует понимать как «испытание с целью проверки» и применять в случаях, когда предполагается проверять состояние выключателя после предыдущего испытания цикла, способного отрицательно повлиять на него.

Для облегчения поисков какого-либо конкретного условия или испытания они перечисляются в 8.3.1 в алфавитном порядке, с использованием наиболее распространенных терминов (не обязательно точно воспроизводящих термины из заголовков соответствующих пунктов).

8.3.1 Циклы испытаний

Типовые испытания объединяют в несколько циклов согласно таблице 9.

Таблица 9 - Общая схема циклов испытаний1)

Цикл испытаний

Испытуемые выключатели

Испытания

I

 

 

Общие рабочие характеристики (см. 8.3.3)

Все выключатели

Пределы и характеристики расцепления

Электроизоляционные свойства

Механическое срабатывание и работоспособность в условиях эксплуатации

Работоспособность при перегрузках (когда необходимо)

Проверка электрической прочности изоляции

Проверка превышения температуры

Проверка расцепителей токов перегрузки

Проверка положения главных контактов (когда необходимо)

II

 

 

Номинальная рабочая наибольшая отключающая способность (см. 8.3.4)

Все выключатели2)

Номинальная рабочая наибольшая отключающая способность

Работоспособность в условиях эксплуатации

Проверка электрической прочности изоляции

Проверка превышения температуры

Проверка расцепителей токов перегрузки

III

 

 

Номинальная предельная наибольшая отключающая способность (см. 8.3.5)

Все выключатели3) категории А и выключатели категории В с управлением мгновенного действия4)

Проверка расцепителей токов перегрузки

Номинальная предельная наибольшая отключающая способность

Проверка электрической прочности изоляции

Проверка расцепителей токов перегрузки

IV

 

 

Номинальный кратковременно выдерживаемый ток (см. 8.3.6)

Выключатели категории В2)

Проверка расцепителей токов перегрузки

Номинальный кратковременно выдерживаемый ток

Проверка превышения температуры

Наибольшая отключающая способность при максимальном кратковременно выдерживаемом токе

Проверка электрической прочности изоляции

Проверка расцепителей токов перегрузки

V

 

 

Работоспособность выключателей со встроенными плавкими предохранителями (см. 8.3.7)

Выключатели со встроенными плавкими предохранителями

Этап 1

Короткое замыкание при предельном токе селективности

Проверка превышения температуры

Проверка электрической прочности изоляции

Проверка расцепителей токов перегрузки

Этап 2

Короткое замыкание при токе координации

Короткое замыкание при номинальной предельной наибольшей отключающей способности

Проверка электрической прочности изоляции

Проверка расцепителей токов перегрузки

Комбинированный цикл испытаний (см. 8.3.8)

Выключатели категории В:

- если Icw = Ics (вместо циклов испытаний II и IV)

- если Icw = Ics = Icu (вместо циклов испытаний II-IV)

Проверка расцепителей токов перегрузки

Номинальный кратковременно выдерживаемый ток

Номинальная рабочая наибольшая отключающая способность

Работоспособность в условиях эксплуатации

Проверка электрической прочности изоляции

Проверка превышения температуры

Проверка расцепителей токов перегрузки

Цикл испытаний на короткое замыкание отдельных полюсов (приложение С)

Выключатели для применения в фазозаземленных системах

Наибольшая отключающая способность отдельного полюса (Isu)

Проверка электрической прочности изоляции

Проверка расцепителей токов перегрузки

Цикл испытаний на короткое замыкание отдельных полюсов (Приложение Н)

Выключатели для применения в системах IT

Наибольшая отключающая способность отдельного полюса (IIТ)

Проверка электрической прочности изоляции

Проверка расцепителей токов перегрузки

1) Для выбора выключателей для испытаний и применяемости различных испытательных циклов согласно соотношению между Ics, Icu и Icw (см. таблицу 9а).

2) Кроме комбинированного испытательного цикла.

3) Кроме выключателей: у которых Ics = Icu (но см. 8.3.5), для которых применяют комбинированный испытательный цикл; со встроенными плавкими предохранителями.

4) См. примечание к 8.3.5.

В каждом цикле испытания следует выполнять в указанной последовательности.

Со ссылкой на 8.1.1 МЭК 60947-1 следующие испытания могут быть изъяты из цикла испытаний I и выполнены на отдельных образцах:

- испытание электроизоляционных свойств (см. 8.3.3.2);

- испытание минимальных расцепителей по 8.3.3.3.2с и 8.3.3.3.3 на соответствие требованиям 7.2.1.3 МЭК 60947-1;

- испытание независимых расцепителей по 8.3.3.3.2d и 8.3.3.3.3 на соответствие требованиям 7.2.1.4 МЭК 60947-1;

- дополнительные испытания на работоспособность без тока для выключателей выдвижного исполнения (см. 8.3.3.3.5).

Применимость испытательных циклов согласно соотношению между Ics, Icu и Icw приведена в таблице 9а.

Таблица1) - Применение испытательных циклов согласно соотношению между Ics, Icu и Icw

Соотношения между Ics, Icu и Icw

Цикл испытаний

Категория применения

А

А со встроенным предохранителем

B

B со встроенным предохранителем

Вариант 1

IcsIcu - для категории А;

IcsIcuIcw - для категории В

I

X

X

X

X

II

X

X

X

X

III

X

 

Х2)

 

IV

X4)

 

X

X

V

 

X

 

X

Вариант 2

Ics = Icu Icw - для категории В

I

 

 

X

X

II

 

 

X

X

III

 

 

X2)

 

IV

 

 

X

X

V

 

 

 

X

Комбинированный

 

 

X3)

X3)

Вариант 3

Ics = Icu - для категории А;

Ics = IcuIcw - для категории В

I

X

X

X

X

II

X

X

X

X

III

 

 

 

 

IV

Х4)

 

X

X

V

 

X

 

X

Вариант 4

Ics = Icu = Icw - для категории В

I

 

 

X

 

II

 

 

X

 

III

 

 

 

 

IV

 

 

X

 

V

 

 

 

 

Комбинированный

 

 

Х3)

 

1) Применяется для любого одного значения Uc. Когда значений несколько, таблица применяется для каждого значения Uc. Применение цикла указано знаком «X» в соответствующей графе.

2) Испытание проводят, только если Icu > Icw.

3) По указанию изготовителя или по согласованию с ним данный цикл может выполняться на выключателях категории применения В, в этом случае он заменяет циклы испытаний II и IV.

4) Цикл испытаний IV применяют только для выключателей, соответствующих примечанию 3 к таблице 4.

Алфавитный перечень испытаний

1) Общие условия испытаний

Восстанавливающееся и возвращающееся напряжение............................ 8.3.2.2.6

Допускаемые отклонения.............................................................................. 8.3.2.2.2

Записи (толкование)...................................................................................... 8.3.2.6.6

Испытание на превышение температуры................................................... 8.3.2.5

Коэффициент мощности............................................................................... 8.3.2.2.4

Методы испытаний на короткое замыкание............................................... 8.3.2.6.4

Постоянная времени...................................................................................... 8.3.2.2.5

Размещение выключателей для испытания на короткое замыкание........ 8.3.2.6.1

Размещение выключателей. Общие требования......................................... 8.3.2.1

Цепи для испытания на короткое замыкание............................................. 8.3.2.6.2

Частота............................................................................................................ 8.3.2.2.3

2) Испытания (схема циклов испытаний, см. таблицу 9)

Выключатели выдвижного исполнения (дополнительные испытания).. 8.3.3.3.5

Выключатели со встроенными плавкими предохранителями

(испытания на короткое замыкание)............................................................ 8.3.7.1, 8.3.7.5, 8.3.7.6

Испытание на короткое замыкание отдельного полюса

(для фазозаземленных систем)...................................................................... приложение С

Испытание на короткое замыкание отдельного полюса

(для систем IT).............................................................................................. приложение Н

Испытание на наибольшую отключающую способность при

максимальном кратковременно выдерживаемом токе............................... 8.3.6.4

Кратковременно выдерживаемый ток......................................................... 8.3.6.2,8.3.8.2

Превышение температуры (проверка)......................................................... 8.3.3.6, 8.3.4.3, 8.3.6.3, 8.3.7.2, 8.3.8.5

Пределы и характеристики расцепления..................................................... 8.3.3.1

Предельная наибольшая отключающая способность................................. 8.3.5.2

Работоспособность в условиях эксплуатации............................................. 8.3.3.3, 8.3.4.2, 8.3.4.4

Работоспособность при перегрузках............................................................ 8.3.3.4

Рабочая наибольшая отключающая способность........................................ 8.3.4.1, 8.3.8.3

Расцепители токов перегрузки (проверка)............................................. 8.3.3.7, 8.3.4.4, 8.3.5.1, 8.3.5.4, 8.3.6.1, 8.3.6.6, 8.3.7.4, 8.3.7.8, 8.3.8.1, 8.3.8.6

Электрическая прочность изоляции (проверка).................................... 8.3.3.5, 8.3.4.3, 8.3.5.3, 8.3.6.5, 8.3.7.3, 8.3.7.7, 8.3.8.5

Электроизоляционные свойства.................................................................. 8.3.2.2

Указание положения главных контактов.................................................... 8.3.3.9

8.3.2 Общие условия испытаний

Примечания

1 Условия испытаний для проверки на коммутационные перенапряжения находятся в стадии рассмотрения.

2 Испытания согласно требованиям настоящего стандарта не исключают необходимости проведения дополнительных испытаний выключателей, входящих в состав сборок, например, согласно ГОСТ 22789.

8.3.2.1 Общие требования

В отсутствие другого соглашения с изготовителем, каждый цикл испытаний следует выполнять на образце (или комплекте образцов) нового чистого выключателя.

Число образцов, подлежащих испытаниям каждого цикла, и условия испытания (например, уставки расцепителей токов перегрузки, присоединения) в соответствии с параметрами выключателей приведены в таблице 10.

Таблица 10 - Число образцов для испытания

Цикл испытаний

Число маркированных номиналов Ue

Зажимы с маркировкой линия / нагрузка

Число образцов

Номер образца

Уставка тока1)

Испытательное напряжение

Испытательный ток

Проверка превышения температуры

Примечание

1

2

Мн.

Да

Нет

Мин.

Макс.

Соотв.

Макс.

I

X

X

X

X

X

1

1

 

X

Ue макс

См. 8.3.3

X

8)

II

(Ics) и комбинированный

X

 

 

X

 

2

1

 

X

Ue

X

 

X

8), 9)

2

X

 

Ue

X

 

 

2)

X

 

 

 

X

3

1

 

X

Ue

X

 

X

8), 9)

2

X

 

Ue

X

 

 

2)

3

 

X

Ue

X

 

X

3)

 

X

 

X

X

3

1

 

X

Ue макс соотв.

 

X

X

8), 9)

2

X

 

Ue макс соотв.

 

X

 

2)

3

 

X

Ue макс

X

 

X

4)

 

 

X

X

X

4

1

X

X

Ue макс соотв.

 

X

X

8), 9)

2

 

Ue макс соотв.

 

X

 

2)

3

X

Ue пром

X

 

X

6)

4

X

Ue макс

X

 

X

4)

III

(Icu)

X

 

 

X

 

2

1

 

X

Ue

X

 

 

8)

2

X

 

Ue

X

 

 

2)

X

 

 

 

X

3

1

 

X

Ue

X

 

 

8)

2

X

 

Ue

X

 

 

2)

3

 

X

Ue

X

 

 

3)

 

X

 

X

X

3

1

 

X

Ue макс соотв.

 

X

 

8)

2

X

 

Ue макс соотв.

 

X

 

2)

3

 

X

Ue макс

X

 

 

4)

 

 

X

X

X

4

1

 

X

Ue макс соотв.

 

X

 

8)

2

X

 

Ue макс соотв.

 

X

 

2)

3

 

X

Ue пром

X

 

 

6)

4

 

X

Ue макс

X

 

 

4)

IV

(Icw)

Как для цикла испытаний III

5)

V

(Icu)

X

X

X

X

X

2

1

 

X

Ue макс

X

 

 

7), 8)

2

X

 

Ue макс

X

 

 

2)

Отдельный полюс (приложение С) (Isu)

X

X

X

X

X

2

1

 

X

Ue макс

Isu

 

 

8)

2

X

 

Ue макс

Isu

 

 

-

Отдельный полюс (приложение Н) (Isu)

X

X

X

X

X

1

 

 

X

Ue макс

IIT

 

 

8)

Сокращения принятые в таблице: Мн. - множество; соотв. - соответствующее; пром. - промежуточное; мин. - минимальное; макс. - максимальное.

1) Минимум означает минимальное значение In данного типоразмера; при регулируемом максимальном расцепителе это означает минимальную уставку минимального In. Максимум означает максимальный In данного типоразмера.

2) Этот образец исключают для выключателя, имеющего единственный нерегулируемый номинал тока для данного типоразмера и для выключателя, снабженного только независимым расцепителем (т.е. без встроенного максимального расцепителя тока).

3) Подсоединения меняют местами.

4) Подсоединения меняют местами, если зажимы не маркированы.

5) Применяют для выключателей категории В, а также категории А, соответствующих примечанию 3 к таблице 4.

6) Согласуется испытательной лабораторией и изготовителем.

7) Если зажимы не маркированы, испытывают дополнительный образец при этом подсоединения меняют местами.

8) При наличии одного или более конструктивных различий (см. 2.1.2 и 7.1.5) в пределах одного типоразмера для каждой конструкции на максимальном номинальном токе испытывают дополнительный образец по условиям, заданным для образца 1.

9) Требование 8) применяют только для комбинированного цикла испытаний.

При необходимости, в соответствующих пунктах помещена дополнительная информация.

В отсутствие других указаний, испытываться должен выключатель с максимальным номинальным током для данного типоразмера, и предполагается, что этим охватываются все номинальные токи для данного типоразмера.

В случае одного или более конструктивных различий (см. 2.1.2 и 7.1.5) в пределах определенного типоразмера должны испытываться дополнительные образцы согласно сноске 8) к таблице 10.

Если не указано иначе, расцепители токов короткого замыкания должны быть откалиброваны на максимум (по времени и по току) для всех испытаний.

Подлежащие испытаниям выключатели должны во всех основных деталях соответствовать типовой конструкции.

В отсутствие других указаний, для испытаний следует использовать ток такого же рода, а на переменном токе - той же номинальной частоты и с тем же числом фаз, что и в предполагаемых условиях эксплуатации.

Механизму с электрическим управлением должно быть обеспечено питание при минимальном напряжении согласно 7.2.1.1.3. Кроме того, питание механизмов с электрическим управлением должно осуществляться через соответствующие цепи управления выключателя в комплекте с коммутационными аппаратами. Необходимо проверить правильность срабатывания выключателя в отсутствие нагрузки в случае оперирования в указанных условиях.

Испытуемый выключатель следует установить в укомплектованном виде на его собственной или эквивалентной опоре.

Выключатели должны испытываться на открытом воздухе.

Если выключатель может быть использован в специфических индивидуальных оболочках и прошел испытания на открытом воздухе, он должен пройти дополнительные испытания в наименьшей из оболочек, указанных изготовителем, на новом образце согласно 8.3.5 при Ue max/соответствующий Icu с максимальными уставками расцепителя (см. сноску 1) к таблице 10).

Подробности этих испытаний, в том числе размеры оболочки, должны быть указаны в протоколе испытаний.

Примечание - Индивидуальной считают оболочку, которая сконструирована и рассчитана только для одного выключателя.

Однако если выключатель может быть использован в специфических индивидуальных оболочках и испытывается постоянно в наименьшей из указанных изготовителем оболочек, испытаний на открытом воздухе может не потребоваться, при условии, что такая оболочка - чисто металлическая, без изоляции. Подробности, в том числе размеры оболочки, должны быть указаны в протоколе испытаний.

При испытаниях на открытом воздухе, касающихся работоспособности при перегрузках (см. 8.3.3.4), коротких замыканиях (см. 8.3.4.1, 8.3.5.2, 8.3.6.4, 8.3.7.1, 8.3.7.5, 8.3.7.6 и 8.3.8.3) и кратковременно выдерживаемом токе (см. 8.3.6.2 и 8.3.8.2), где необходимо, со всех сторон выключателя должен устанавливаться металлический экран согласно указаниям изготовителя. Подробности, в том числе расстояния металлического экрана от выключателя, должны указываться в протоколе испытаний.

Характеристики металлического экрана должны быть следующие:

- структура - плетеная металлическая сетка или дырчатый просверленный металлический лист;

- отношение площадь отверстия / общая площадь - от 0,45 до 0,65;

- размер отверстия - не более 30 мм2;

- покрытие - токопроводящее, или без покрытия;

- сопротивление - должно быть учтено в расчете ожидаемого тока повреждения в цепи плавкого элемента (см. 8.3.4.1.2d МЭК 60947-1) при измерении от наиболее удаленной точки на металлическом экране, достигаемой дуговыми выбросами.

Крутящие моменты при затягивании винтов на зажимах должны указываться изготовителем, а в отсутствие таких указаний должны соответствовать таблице 3 МЭК 60947-1.

Обслуживание или замена частей не допускается.

Если для удобства испытаний целесообразно усилить их жесткость (например, повысить частоту оперирования с целью сокращения длительности испытания), этого нельзя делать без согласия изготовителя.

Относительно однофазных испытаний отдельных полюсов многополюсных выключателей, предназначенных для фазозаземленных систем, см. приложение С.

Сведения о дополнительных испытаниях выключателей для незаземленных или заземленных через импеданс систем см. в приложении Н.

8.3.2.2 Параметры испытаний

8.3.2.2.1 Значения параметров испытаний

По 8.3.2.2.1 МЭК 60947-1.

8.3.2.2.2 Допуски по параметрам испытаний

По 8.3.2.2.2 МЭК 60947-1.

8.3.2.2.3 Частота для испытательной цепи переменного тока

Все испытания должны выполняться при номинальной частоте выключателя. При всех испытаниях на короткое замыкание, когда от частоты практически зависит номинальная отключающая способность, допускаемое отклонение не должно превышать ±5 %.

Если, по утверждению изготовителя, номинальная отключающая способность практически не зависит от значения частоты, допускаемое отклонение не должно превышать ±25 %.

8.3.2.2.4 Коэффициент мощности испытательной цепи

По 8.3.4.1.3 МЭК 60947-1 со следующим изменением.

Таблицу 16 МЭК 60947-1 заменяют таблицей 11 настоящего стандарта.

Таблица 11 - Значения коэффициентов мощности и постоянных времени в зависимости от испытательных токов

Испытательный ток I, кА

Коэффициент мощности

Постоянная времени, мс

Короткое замыкание

Работоспособность

Перегрузка

Короткое замыкание

Работоспособность

Перегрузка

I ≤ 3

0,90

0,8

0,5

5

2

2,5

3 < I ≤ 4,5

0,80

4,5 < I ≤ 6

0,70

6 < I ≤ 10

0,50

10 < I ≤ 20

0,30

10

20 < I ≤ 50

0,25

15

50 < I

0,20

8.3.2.2.5 Постоянная времени испытательной цепи

По 8.3.4.1.4 МЭК 60947-1 со следующим изменением.

Таблицу 16 МЭК 60947-1 заменяют таблицей 11 настоящего стандарта.

8.3.2.2.6 Возвращающееся напряжение промышленной частоты

По 8.3.2.2.3а МЭК 60947-1.

8.3.2.3 Оценка результатов испытаний

Состояние выключателя после испытаний следует проверять методами, предусмотренными для каждого цикла.

Выключатель считают удовлетворяющим требованиям настоящего стандарта, если он соответствует требованиям каждого предусмотренного цикла.

Корпус не должен быть поврежден, но допускаются волосные трещины.

Примечание - Волосные трещины являются следствием высокого давления газа или тепловых нагрузок в результате воздействия дуги, когда прерываются большие токи, и имеют поверхностный характер. Следовательно, они не распространяются на всю толщину литого корпуса аппарата.

8.3.2.4 Протоколы испытаний

По 8.3.2.4 МЭК 60947-1.

8.3.2.5 Условия испытания на превышение температуры

Выключатель должен удовлетворять требованиям 7.2.2.

По 8.3.3.3 МЭК 60947-1 (за исключением 8.3.3.3.6) со следующим дополнением.

Выключатель должен быть установлен согласно 8.3.2.1.

На катушки минимальных расцепителей, если применимо, должно подаваться максимальное номинальное напряжение цепи управления.

В четырехполюсных выключателях вначале подлежат испытанию три полюса, оснащенные максимальными расцепителями тока. Выключатель с номинальным током не выше 63 А дополнительно испытывают путем пропускания тока через четвертый и соседний с ним полюсы.

При более высоких номинальных токах методика испытания должна особо согласовываться изготовителем и потребителем.

8.3.2.6 Условия испытаний на короткое замыкание

8.3.2.6.1 Общие требования

Примечание 1 - Следует обратить внимание на примечание 3, которое введено во избежание ненужного дублирования в результате введения нового пункта b).

Пункт 8.3.4.1.1 МЭК 60947-1 следует дополнить перечислениями а) - е):

a) Выключатель должен быть установлен в соответствии с требованиями 8.3.2.1;

b) Если не очевидно, что вокруг органа ручного управления в любом его положении нет отверстия, через которое можно бы было ввести рояльную струну диаметром 0,26 мм в зону дугогасительной камеры, следует использовать следующую испытательную установку.

Исключительно для операций размыкания лист из полиэтилена низкой плотности, прозрачный, толщиной (0,05±0,01) мм, размером (100×100) мм помещают, как показано на рисунке 1, закрепляют и натягивают в раме на расстоянии 10 мм от:

- наиболее выступающей части ручного замыкающего устройства выключателя без утапливания этого устройства;

- или от края ниши для ручного замыкающего устройства выключателя с утапливанием этого устройства.

Полиэтиленовый лист должен обладать следующими свойствами:

- плотность при 23 °С ... (0,92±0,05) г/см3

- температура плавления ... 110-120 °С.

Со стороны, удаленной от выключателя, должна размещаться соответствующая подставка во избежание разрыва полиэтиленовой пленки вследствие волны давления, которая может возникнуть при испытании на короткое замыкание (см. рисунок 1).

Для испытаний, кроме испытаний в индивидуальной оболочке, между металлическим экраном и полиэтиленовой пленкой помещают щит из изоляционного материала или металла (см. рисунок 1).

Примечания

2 Данную испытательную установку используют только для операций отключения, поскольку ее выполнение для операции СО сложно и поэтому условлено, что операции О не менее жесткие, чем операции СО (см. 8.3.2.6.4).

3 Во избежание необходимости проведения новой серии испытательных циклов на короткое замыкание для подтверждения соответствия данному пункту временно разрешено, по согласованию с изготовителем, устанавливать соответствие посредством отдельной операции О для каждого применяемого цикла испытаний.

c) Оперирование выключателем во время испытаний должно как можно достовернее имитировать условия эксплуатации.

Выключатель с зависимым управлением при испытаниях должен замыкаться при подаче питания в цепь управления (напряжения или давления), составляющем 85 % от его номинального значения.

Выключатель с независимым управлением при испытаниях должен замыкаться при максимальном питании механизма управления, указанном изготовителем.

Выключатель с управлением при наличии накопителя энергии при испытаниях должен замыкаться при питании механизма управления, составляющем 85 % номинального напряжения вспомогательного источника.

d) Если выключатель оснащен регулируемыми максимальными расцепителями тока, уставка этих расцепителей должна соответствовать предписанной для каждого цикла испытаний.

Если выключатель без максимальных расцепителей тока оснащен независимым расцепителем, то на этот расцепитель должно подаваться напряжение, составляющее 70 % номинального напряжения питания для цепи управления расцепителя (см. 7.2.1.2.3), в момент не ранее начала короткого замыкания и не позднее 10 мс от его начала.

е) Для всех этих испытаний зажимы питания выключателя, маркированные изготовителем, должны подсоединяться в испытательную цепь со стороны питания. При отсутствии такой маркировки испытательные соединения должны быть как указано в таблице 10.

8.3.2.6.2 Испытательная цепь

По 8.3.4.1.2 МЭК 60947-1.

8.3.2.6.3 Калибровка испытательной цепи

По 8.3.4.1.5 МЭК 60947-1.

8.3.2.6.4 Методика испытания

По 8.3.4.1.6 МЭК 60947-1 со следующим дополнением.

После калибровки испытательной цепи по 8.3.2.6.3 временные соединения заменяют испытуемым выключателем и его соединительными проводами, при их наличии.

Испытания на работоспособность в условиях короткого замыкания должны выполняться циклами согласно таблице 9 (см. 8.3.1).

Для выключателей с номинальным током не выше 630 А предусматривается кабель длиной 75 см, имеющий площадь поперечного сечения соответственно условному тепловому току (см. 8.3.3.3.4, таблицы 9 и 10 МЭК 60947-1), подсоединяемый следующим образом:

- 50 см со стороны источника питания;

- 25 см со стороны нагрузки.

Последовательность оперирования должна соответствовать предписанной для каждого цикла испытаний согласно 8.3.4.1, 8.3.5.2, 8.3.6.4 и 8.3.7.6.

Четырехполюсные выключатели подлежат дополнительному циклу оперирования на одном или нескольких новых образцах согласно таблице 10 с выполнением циклов III и IV или IV и V, что подходит, на четвертом и соседнем с ним полюсах при напряжении до включения , используя цепь, представленную в рисунке 12 МЭК 60947-1. Значение испытательного тока должно быть согласовано между изготовителем и потребителем, но должно быть не менее 60 % Icu или Icw, что подходит.

По указанию изготовителя, эти дополнительные испытания могут выполняться на тех же образцах, причем каждое испытание в соответствующем цикле должно охватывать испытания:

- на трех смежных фазовых полюсах;

- на четвертом и смежном с ним полюсах.

Для определения последовательности оперирования следует использовать условные обозначения:

О - операция отключения;

СО - операция включения с последующей, по истечении соответствующего времени размыкания, операцией отключения;

t - интервал времени между двумя последовательными операциями в условиях короткого замыкания, который должен быть равен 3 мин или времени взвода выключателя, в зависимости от продолжительности. Фактическое значение t должно быть зафиксировано в протоколе испытания.

В протоколе испытания может быть записано максимальное значение I2t (см. 2.5.18 МЭК 60947-1) во время этих испытаний (см. 7.2.1.2.4а).

Примечание - Максимальное значение I2t, зафиксированное во время испытаний, может не быть максимально допустимым значением для предписанных условий.

Если требуется определить это максимальное значение, необходимы дополнительные испытания.

8.3.2.6.5 Поведение выключателя во время испытаний на включение и отключение в условиях короткого замыкания.

По 8.3.4.1.7 МЭК 60947-1.

8.3.2.6.6 Интерпретация записей

По 8.3.4.1.8 МЭК 60947-1.

8.3.2.6.7 Проверка после испытаний на короткое замыкание

a) После операций отключения при испытаниях на наибольшую включающую и отключающую способности по 8.3.4.1, 8.3.5.2, 8.3.6.4, 8.3.7.1, 8.3.7.6, 8.3.8.3, что применимо, полиэтиленовая пленка не должна иметь отверстий, видимых без применения увеличительных приборов.

Примечание - Мелкими видимыми отверстиями диаметром менее 0,26 мм можно пренебречь.

b) После испытаний на короткое замыкание выключатель должен удовлетворять проверкам, указанным для каждого испытательного цикла.

8.3.3 Цикл испытаний I. Общие характеристики работоспособности

Этот цикл действителен для всех выключателей и включает такие испытания:

- пределы и характеристики расцепления (см. 8.3.3.1);

- электроизоляционные свойства (см. 8.3.3.2);

- механическое срабатывание и работоспособность в условиях эксплуатации (см. 8.3.3.3);

- работоспособность при перегрузках (если необходимо) (см. 8.3.3.4);

- проверка электрической прочности изоляции (см. 8.3.3.5);

- проверка превышения температуры (см. 8.3.3.6);

- проверка токов перегрузки (см. 8.3.3.7);

- проверка минимального и независимого расцепителей (если имеется) (см. 8.3.3.8);

- проверка положения главных контактов (для автоматических выключателей, пригодных для разъединения) (см. 8.3.3.9).

Должен испытываться один образец; регулируемые уставки расцепителей должны соответствовать таблице 10.

8.3.3.1 Испытание на пределы и характеристики расцепления

Пункт 8.3.3.2 МЭК 60947-1 со следующими дополнениями.

8.3.3.1.1 Общие положения

Температуру окружающего воздуха следует измерять как при испытаниях на превышение температуры (см. 8.3.2.5).

Если максимальный расцепитель тока является составной частью выключателя, то он должен быть проверен на соответствующем выключателе.

Любой отдельно используемый расцепитель должен быть смонтирован как при нормальных условиях эксплуатации. Укомплектованный выключатель должен быть установлен в соответствии с 8.3.2.1. Испытуемые выключатели должны быть защищены от чрезмерного нагрева или охлаждения, вызванного внешними факторами.

Присоединения отдельно используемого расцепителя или выключателя с расцепителем должны осуществляться таким же образом, как и при нормальных условиях эксплуатации, с помощью проводников, поперечное сечение которых рассчитано на номинальный ток Iв (см. таблицы 9 и 10, 8.3.3.3.4 МЭК 60947-1), а длину выбирают в соответствии с 8.3.3.3.4 МЭК 60947-1.

Для выключателей, имеющих регулируемые максимальные расцепители тока, испытания следует проводить при минимальной или максимальной токовой уставке проводниками, соответствующими номинальному току Iв (см. 4.7.2).

Для выключателей с нейтральным полюсом, снабженным расцепителем перегрузки, проверка расцепителя перегрузки должна проводиться только в нейтральном полюсе.

Испытания должны проводиться при любом удобном напряжении.

8.3.3.1.2 Отключение в условиях короткого замыкания

Срабатывание расцепителей токов короткого замыкания (см. 4.7.1) следует проверять при 80 и 120 % уставки расцепителя по току короткого замыкания.

Испытательный ток не должен быть асимметричным.

При испытательном токе, равном 80 % уставки по току короткого замыкания, расцепитель не должен срабатывать с начала прохождения тока в течение:

- 0,2 с - для расцепителей мгновенного действия;

- интервала времени, равного удвоенной выдержке, указанной изготовителем, для расцепителей с независимой выдержкой времени.

При испытательном токе, равном 120 % уставки по току короткого замыкания, расцепитель должен сработать в течение:

- 0,2 с - для расцепителей мгновенного действия;

- интервала времени, равного удвоенной выдержке, указанной изготовителем, для расцепителей с независимой выдержкой времени.

Срабатывание многополюсных расцепителей при отключении следует проверять, подавая испытательный ток в любые два полюса, соединенные последовательно, с использованием всех возможных комбинаций полюсов, имеющих расцепители короткого замыкания.

Кроме того, срабатывание расцепителей токов короткого замыкания должно проверяться на каждом фазном полюсе отдельно, при указанном изготовителем токе расцепления, при котором расцепитель должен сработать в течение:

- 0,2 с - для расцепителей мгновенного действия;

- интервала времени, равного удвоенной выдержки времени, указанной изготовителем, для расцепителей с независимой выдержкой времени.

Расцепители с независимой выдержкой времени, кроме того, должны соответствовать требованиям 8.3.3.1.4.

8.3.3.1.3 Отключение в условиях перегрузки

a) Расцепители мгновенного действия или с независимой выдержкой времени

Срабатывание таких расцепителей (4.7.1, примечание 1) следует проверять при 90 и 110 % уставки расцепителя по току перегрузки. Испытательный ток не должен быть асимметричным. Срабатывание расцепителей многополюсных аппаратов должно проверяться при одновременном пропускании испытательного тока через все фазные полюса.

Кроме того, расцепители с независимой выдержкой времени должны отвечать требованиям 8.3.3.1.4.

При испытательном токе, равном 90 % уставки по току, расцепитель не должен срабатывать с начала прохождения тока в течение:

- 0,2 с - для расцепителей мгновенного действия;

- интервала времени, равного удвоенной выдержке, указанной изготовителем, для расцепителей с независимой выдержкой времени.

При испытательном токе, равном 110 % уставки по току, расцепитель должен срабатывать в течение:

- 0,2 с - для расцепителей мгновенного действия;

- интервала времени, равного удвоенной выдержке, указанной изготовителем, для расцепителей с независимой выдержкой времени.

Для выключателей с обозначенным нейтральным полюсом, снабженным расцепителем перегрузки (см. 8.3.3.1.1), испытательный ток этого расцепителя должен быть равным 1,2 от 110 % уставки по току.

b) Расцепители с обратнозависимой выдержкой времени

Рабочие характеристики таких максимальных расцепителей следует проверять в соответствии с требованиями к работоспособности по 7.2.1.2.4b2).

Для выключателей с обозначенным нейтральным полюсом, снабженным расцепителем перегрузки (см. 8.3.3.1.1), испытательный ток этого расцепителя должен быть равен указанному в таблице 6, с той лишь разницей, что испытательный ток при условном токе расцепления должен умножаться на коэффициент 1,2.

Рабочие характеристики расцепителей, зависящие от температуры окружающего воздуха, следует проверять при контрольной температуре (см. 4.7.3 и 5.2b), подавая испытательный ток во все фазные полюса расцепителя.

Если это испытание выполняют при другой температуре окружающего воздуха, необходима корректировка в соответствии с характеристиками температура/ток, представленными изготовителем.

Рабочие характеристики расцепителей, по утверждению изготовителя, не чувствительных к температуре окружающего воздуха, следует проверять путем двух измерений при температурах (30±2) °С для одного и (20±2) °С или (40±2) °С - для другого, с подачей испытательного тока во все фазные полюса расцепителя.

Для проверки соответствия время-токовых характеристик расцепителя (в пределах указанных допусков) кривым, представленным изготовителем, требуется дополнительное испытание при значении тока, предусмотренном изготовителем.

Примечание - Кроме испытаний по этому пункту, расцепители выключателей подвергают также проверке в каждом полюсе отдельно в ходе циклов испытаний III-V (см. 8.3.5.1, 8.3.5.4, 8.3.6.1, 8.3.6.6, 8.3.7.4, 8.3.7.8, 8.3.8.1 и 8.3.8.6).

8.3.3.1.4 Дополнительное испытание расцепителей с независимой выдержкой времени

a) Выдержка времени

Это испытание выполняют при токе, равном 1,5-кратной токовой уставке:

- для максимальных расцепителей токов перегрузки - с подачей испытательного тока во все фазные полюса;

- для максимальных расцепителей токов короткого замыкания - с прохождением испытательного тока через два полюса, соединенных последовательно, с использованием всех возможных комбинаций полюсов, оснащенных расцепителями токов короткого замыкания, поочередно.

Для выключателей с обозначенным нейтральным полюсом, снабженным расцепителем перегрузки (см. 8.3.3.1.1), испытательный ток этого расцепителя должен быть равен 1,5-кратной уставке по току.

Измеренная выдержка времени не должна выходить за пределы, указанные изготовителем.

b) Время нерасцепления

Это испытание выполняют в условиях по подпункту а) как для расцепителей токов перегрузки, так и для расцепителей токов короткого замыкания.

Вначале испытательный ток, равный 1,5-кратной токовой уставке, поддерживают в течение времени нерасцепления, указанного изготовителем, затем ток уменьшают до номинального и поддерживают на этом уровне в течение удвоенной выдержки времени, указанной изготовителем. Выключатель не должен расцепляться.

8.3.3.2 Испытание электроизоляционных свойств

Это испытание следует проводить:

- по 8.3.3.4 МЭК 60947-1, если изготовитель указал значение номинального импульсного выдерживаемого напряжения Uimp (см. 4.3.1.3);

- по 8.3.3.2.1-8.3.3.2.4, если значение Uimp не указано, и для проверки электрической прочности изоляции по соответствующим пунктам настоящего стандарта.

Выключатели, пригодные для разъединения, следует испытывать по 8.3.3.4 МЭК 60947-1. Это требование не относится к проверке электрической прочности изоляции в ходе циклов испытаний.

Для выключателей, пригодных для разъединения (см. 3.5), имеющих рабочее напряжение Ue более 50 В, ток утечки должен измеряться в каждом полюсе при разомкнутом положении контактов при испытательном напряжении 1,1 Ue, и не должен превышать 0,5 мА.

8.3.3.2.1 Состояние выключателя, подлежащего испытанию

Испытаниям изоляции следует подвергать выключатель, смонтированный как в условиях эксплуатации, в том числе снабженный внутренней проводкой, и в сухом состоянии.

Если выключатель имеет основание из изоляционного материала, во все точки крепления следует поместить металлические части в соответствии с условиями нормального монтажа выключателя и рассматривать эти части как элемент корпуса выключателя. Если выключатель в пластмассовом корпусе или без него помещают в изоляционную оболочку, ее следует покрыть металлической фольгой, присоединенной к корпусу. Если ручка управления металлическая, ее следует присоединить к корпусу, если из изоляционного материала, ее следует покрыть металлической фольгой, присоединенной к корпусу.

Если электрическая прочность изоляции выключателя зависит от обмотки проводов или применения специальной изоляции, такая обмотка или специальная изоляция должны также применяться во время испытаний.

8.3.3.2.2 Подача испытательного напряжения

Если к цепи выключателя присоединены такие устройства, как электродвигатели, приборы, щелчковые выключатели и полупроводники, по своим техническим условиям подлежащие испытанию изоляции меньшим напряжением, чем по 8.3.3.2.3, их следует отсоединить, прежде чем подвергать выключатель требуемым испытаниям.

a) Главная цепь

Для проведения этих испытаний все цепи управления и вспомогательные цепи, которые в нормальных условиях не присоединяют к главной цепи, должны быть соединены со всеми частями выключателя, которые обычно в условиях эксплуатации заземлены.

Испытательное напряжение следует прикладывать в течение 1 мин:

1) во включенном положении:

- между всеми находящимися под напряжением частями всех полюсов, соединенными между собой, и корпусом выключателя,

- между каждым полюсом и всеми прочими полюсами, присоединенными к корпусу выключателя;

2) в отключенном положении выключателя и, дополнительно, в положении расцепления, если имеется:

- между всеми находящимися под напряжением частями всех полюсов, соединенными между собой, и корпусом выключателя;

- между выводами одной стороны, соединенными между собой, и выводами другой стороны, соединенными между собой.

b) Цепи управления и вспомогательные цепи

Для проведения этих испытаний главная цепь должна быть соединена с теми частями выключателя, которые обычно в условиях эксплуатации заземлены.

Испытательное напряжение следует прикладывать в течение 1 мин:

1) между всеми цепями управления и вспомогательными цепями, которые обычно в условиях эксплуатации не присоединяют к главной цепи, соединенными между собой, и корпусом выключателя;

2) когда необходимо, между каждой частью цепей управления и вспомогательных цепей, которую можно отсоединить от других частей при нормальном оперировании, и всеми прочими частями, соединенными между собой.

8.3.3.2.3 Значение испытательного напряжения

Испытательное напряжение должно характеризоваться практически синусоидальной формой волны и частотой от 45 до 62 Гц. Оно должно быть таким, чтобы при установке его значения согласно таблице 12 и последующем коротком замыкании выходной ток составлял не менее 0,2 А.

Значения одноминутного испытательного напряжения должны составлять:

a) для главной цепи и цепей управления и вспомогательных цепей, не охватываемых подпунктом b), - согласно таблице 12;

b) для цепей управления и вспомогательных цепей, охарактеризованных изготовителем как не подлежащие присоединению к главной цепи при номинальном напряжении по изоляции:

- Ui не выше 60 В ... 1000 В

- Ui выше 60 В ... 2Ui + 1000 В, при минимуме 1500 В

Таблица 12 - Испытательное напряжение для проверки изоляции в зависимости от номинального напряжения по изоляции

В вольтах

Номинальное напряжение по изоляции

Напряжение при испытании изоляции (переменный ток, действующее значение)

Номинальное напряжение по изоляции

Напряжение при испытании изоляции (переменный ток, действующее значение)

Ui ≤ 60

1000

690 < Ui800

3000

60 < Ui ≤ 300

2000

800 < Ui1000

3500

300 < Ui690

2500

1000 < Ui1500*

3500

* Только для постоянного тока.

8.3.3.2.4 Требуемые результаты

Испытание считают успешным при отсутствии пробоя или перекрытия.

8.3.3.3 Испытание на механическое срабатывание и работоспособность в условиях эксплуатации

8.3.3.3.1 Общие условия испытания

Выключатель должен монтироваться по 8.3.2.1, но для проведения этих испытаний может быть закреплен на металлическом каркасе. Выключатель следует защищать от чрезмерного внешнего нагрева или охлаждения.

Эти испытания должны выполняться при температуре окружающего воздуха в помещении испытательной лаборатории.

Питающее напряжение каждой цепи управления следует измерять на выводах при номинальном токе.

В цепь должны быть включены все омические или полные сопротивления, составляющие часть устройства управления. Однако между источником тока и выводами аппарата не следует вводить никаких дополнительных сопротивлений.

Испытания по 8.3.3.3.2-8.3.3.3.4 следует выполнять на одном и том же автоматическом выключателе в произвольной последовательности. Однако испытания минимальных и независимых расцепителей по 8.3.3.3.2 и 8.3.3.3.3 могут тем не менее выполняться на новом образце.

Если выключатели, подлежащие обслуживанию, необходимо подвергнуть большему числу оперирований, чем указано в таблице 8, вначале следует выполнить эти дополнительные оперирования с последующим обслуживанием в соответствии с инструкциями изготовителя, а затем оперирования в количестве, указанном в таблице 8, без обслуживания до окончания этого цикла испытаний.

Примечание - Для удобства испытаний допускается разделение каждого из них на два или более периодов. Однако ни один из этих периодов не должен быть менее 3 ч.

8.3.3.3.2 Конструкция и механическое срабатывание

a) Конструкция

Выключатель выдвижного исполнения следует проверять на соответствие требованиям 7.1.1.

Выключатель с накопителем энергии следует проверять на соответствие п. 7.2.1.1.5, обращая внимание на показания индикатора взвода и направление взвода ручного накопителя энергии.

b) Механическое срабатывание

Испытания следует проводить по 8.3.3.3.1 с целью убедиться:

- в удовлетворительном расцеплении выключателя при прохождении тока через контакты;

- в удовлетворительном поведении выключателя при подаче команды на замыкание во время срабатывания расцепителя;

- что воздействие на аппарат с двигательным приводом, когда выключатель уже замкнут, не приведет к повреждению выключателя и не создаст опасности для оператора.

Механическое срабатывание выключателя можно проверять в обесточенном состоянии.

Выключатель с двигательным приводом зависимого действия должен отвечать требованиям 7.2.1.1.3.

Выключатель с двигательным приводом зависимого действия должен срабатывать при минимальной и максимальной нагрузках механизма управления в пределах, установленных изготовителем.

Выключатель с накопителем энергии должен отвечать требованиям 7.2.1.1.5 при вспомогательном питающем напряжении, равном 85 и 110 % номинального питающего напряжения цепи управления. Следует также проверить, что подвижные контакты не могут переместиться из разомкнутого положения, когда запас энергии механизма управления, по показаниям индикатора, несколько ниже полного.

Контакты выключателя со свободным расцеплением не должны находиться в соприкасающемся или в замкнутом положении, когда расцепитель находится в положении расцепления.

Если время замыкания и размыкания выключателя указано изготовителем, то оно должно соответствовать заданным значениям.

c) Минимальные расцепители

Минимальные расцепители должны отвечать требованиям 7.2.1.3 МЭК 60947-1. С этой целью расцепитель должен быть установлен на выключателе, имеющем максимальный номинальный ток, для которого предназначен расцепитель.

1) Напряжение размыкания

Следует проверить, чтобы расцепитель срабатывал на размыкание выключателя в заданных пределах напряжения.

Напряжение должно понижаться от номинального до 0 В приблизительно в течение 30 с.

Испытание для нижнего предела выполняют без тока в главной цепи и без предварительного нагрева катушки расцепителя.

Если расцепитель рассчитан на диапазон номинальных напряжений, то испытание проводят на максимальном напряжении диапазона.

Испытание для верхнего предела выполняют, начиная с установившейся температуры, соответствующей прикладыванию номинального напряжения питания цепи управления к расцепителю и номинальному току в главных полюсах выключателя. Это испытание может быть совмещено с испытанием на превышение температуры по 8.3.3.6.

Если расцепитель рассчитан на диапазон номинальных напряжений, это испытание выполняют как на минимальном, так и на максимальном номинальном напряжениях питания цепи управления.

2) Испытание для пределов срабатывания

Начиная с того, что выключатель находится в разомкнутом положении при температуре испытательного помещения и напряжении питания, составляющем 30 % номинального максимального напряжения питания цепи управления, следует проверить, что выключатель не может быть замкнут действием привода. Когда напряжение питания повышается до 85 % минимального напряжения питания цепи управления, необходимо проверить возможность замыкания выключателя посредством привода.

3) Работоспособность в условиях перенапряжения

Должно быть проверено, что минимальный расцепитель при включенном выключателе без тока в главной цепи выдерживает приложение 110 % номинального напряжения питания в цепи управления в течение 4 ч без изменения его функций.

d) Независимые расцепители

Независимые расцепители должны соответствовать требованиям 7.2.1.4 МЭК 60947-1. С этой целью расцепитель должен быть установлен в выключателе, имеющем максимальный номинальный ток, для которого предназначен расцепитель.

Необходимо проверить, чтобы расцепитель сработал на размыкание выключателя при 70 % номинального напряжения питания цепи управления в процессе испытания при температуре окружающей среды (55±2) °С без тока в главных полюсах выключателя. Если расцепитель рассчитан на диапазон номинальных напряжений питания для цепи управления, испытательное напряжение должно составлять 70 % минимального номинального напряжения питания цепи управления.

8.3.3.3.3 Работоспособность в обесточенном состоянии

Эти испытания следует проводить в условиях, описанных в 8.3.2.1. Число циклов оперирования, подлежащих выполнению выключателем, приводится в графе 3, частота их выполнения - в графе 2 таблицы 8.

Испытания должны выполняться без тока в главной цепи выключателя.

Для выключателей с независимыми расцепителями 10 % общего числа циклов оперирования замыкание - размыкание должно быть проведено независимым расцепителем при максимальном номинальном напряжении питания цепи управления.

Для выключателей, имеющих минимальные расцепители, 10 % общего числа циклов оперирования замыкание - размыкание должно быть проведено минимальным расцепителем при минимальном номинальном напряжении питания цепи управления, при этом после каждой операции замыкания напряжение питания расцепителя отключают для расцепления выключателя.

В любом случае половина соответствующего числа циклов оперирования должна выполняться в начале, а вторая половина - в конце испытания.

Для автоматических выключателей с минимальными расцепителями перед испытанием на работоспособность при эксплуатации следует проверить, что без подачи питания на минимальный расцепитель автоматический выключатель не может быть замкнут путем десятикратной попытки осуществить операцию замыкания автоматического выключателя.

Испытываться должен выключатель с собственным механизмом замыкания. Если выключатель оснащен электрическим или пневматическим замыкающим устройством, питание таких устройств должно осуществляться при номинальном напряжении питания цепи управления или номинальном давлении. Следует принять меры, чтобы не допускать выхода превышения температуры электрических частей за пределы, указанные в таблице 7.

Оперирование выключателями с ручным управлением должно производиться как в нормальных условиях эксплуатации.

8.3.3.3.4 Работоспособность при прохождении тока

Состояние и монтаж выключателя должны соответствовать 8.3.2.1, испытательная цепь - 8.3.3.5.2 МЭК 60947-1.

Частота оперирования и число подлежащих выполнению циклов оперирования указаны в графах 2 и 4 таблицы 8.

Оперирование выключателем должно осуществляться с таким расчетом, чтобы он включал и отключал свой номинальный ток при своем максимальном номинальном рабочем напряжении, установленном изготовителем, при коэффициенте мощности или постоянной времени, что применяется, согласно таблице 11 с допускаемыми отклонениями по 8.3.2.2.2.

Выключатели переменного тока должны испытываться при частоте от 45 до 62 Гц.

Выключатели, оснащенные расцепителями с регулируемой уставкой, должны испытываться с максимальной уставкой по перегрузке и минимальной уставкой по току короткого замыкания.

Этим испытаниям должен подвергаться выключатель с собственным механизмом замыкания. Если выключатель оснащен электрическим или пневматическим замыкающим устройством, питание таких устройств должно осуществляться при номинальном напряжении питания цепи управления или номинальном давлении. Следует принять меры, чтобы превышение температуры электрических частей не выходило за пределы, указанные в таблице 7.

Оперирование выключателями с ручным управлением должно осуществляться как в нормальных условиях эксплуатации.

8.3.3.3.5 Дополнительное испытание на работоспособность в обесточенном состоянии выключателей выдвижного исполнения.

Испытанию на работоспособность в обесточенном состоянии подлежат механизм выдвижения и соответствующие блокировки выключателей в выдвижном исполнении.

Число циклов оперирования должно равняться 100.

После этого испытания разъединяющие контакты, механизм выдвижения и блокировки должны быть пригодны для дальнейшей эксплуатации. Проверка должна проводиться путем осмотра.

8.3.3.4 Работоспособность при перегрузках

Этому испытанию подлежат выключатели с номинальным током до 630 А включ.

Примечание - По просьбе изготовителя, этому испытанию можно подвергнуть также выключатели с номинальным током св. 630 А.

Состояние и способ монтажа выключателя должны соответствовать 8.3.2.1, испытательная цепь - 8.3.3.5.2 МЭК 60947-1.

Испытания должны проводиться при максимальном рабочем напряжении Ue max, установленном изготовителем для данного выключателя.

Выключатели, оснащенные расцепителями с регулируемой уставкой, должны испытываться при максимальной уставке расцепителя.

Выключатель следует девять раз разомкнуть вручную и три раза автоматически (максимальным расцепителем), за исключением выключателей, имеющих уставку расцепителя тока короткого замыкания ниже испытательного тока, в которых все 12 операций должны быть автоматическими.

В каждом из циклов с ручным управлением выключатель должен оставаться замкнутым достаточно долго, чтобы ток полностью установился, но не более 2 с.

Частота оперирования должна соответствовать графе 2 таблицы 8. Если при такой частоте выключатель не взводится, ее можно уменьшить настолько, чтобы выключатель мог быть включен до установления полного тока.

Если условия в испытательной лаборатории не дают возможности проводить испытания с частотой, указанной в таблице 8, ее можно уменьшить, но зафиксировать в протоколе испытаний.

Значения испытательного тока и возвращающегося напряжения должны соответствовать указанным в таблице 13 при коэффициенте мощности или постоянной времени, что применяется, по таблице 11 с допускаемыми отклонениями согласно 8.3.2.2.2.

Примечание - С согласия изготовителя это испытание может проводиться в более жестких условиях, чем указано.

Таблица 13 - Характеристики испытательной цепи при испытании на работоспособность при перегрузке

Род тока

Переменный ток

Постоянный ток

Значение тока

6In

2,5In

Значение восстанавливающегося и возвращающегося напряжения

1,05 Ue max

1,05 Ue max

Ue max - максимальное рабочее напряжение выключателя.

Выключатели переменного тока следует испытывать при частоте от 45 до 62 Гц. Ожидаемый ток на выводах питания выключателя должен быть не менее 10-кратного испытательного тока или по крайней мере 50 кА (выбирают меньшее из двух значений).

8.3.3.5 Проверка электрической прочности изоляции

После испытания по 8.3.3.4 необходимо проверить способность выключателя без обслуживания выдерживать напряжение, равное удвоенному номинальному рабочему напряжению Ue, но не менее 1000 В согласно 8.3.3.2.2а.

Для выключателей, пригодных для разъединения, ток утечки должен определяться согласно 8.3.3.2, с той лишь разницей, что его значение не должно превышать 2 мА.

8.3.3.6 Проверка превышения температуры

После испытания по 8.3.3.5 необходимо провести испытание на превышение температуры при условном тепловом токе по 8.3.2.5. В конце этого испытания значения превышения температуры не должны выходить за пределы, указанные в таблице 7.

8.3.3.7 Проверка максимальных расцепителей токов перегрузки

Немедленно после испытания по 8.3.3.6 следует проверить срабатывание максимальных расцепителей при их 1,45-кратной токовой уставке при контрольной температуре (см. 7.2.1.2.4b, перечисление 2).

Для проведения этого испытания следует последовательно соединить все полюса. Допускается использование источника трехфазного тока.

Это испытание можно выполнять при любом удобном напряжении.

Время размыкания не должно превышать условного времени расцепления.

Примечания

1 С согласия изготовителя допустим временной интервал между испытаниями по 8.3.3.6 и 8.3.3.7.

2 Для расцепителей, чувствительных к температуре окружающего воздуха, это испытание можно выполнять при температуре окружающего воздуха с изменением испытательного тока в соответствии с представленными изготовителем характеристиками температура / ток.

8.3.3.8 Проверка минимальных и независимых расцепителей

Выключатели, оснащенные минимальными расцепителями, должны подвергаться испытанию по 8.3.3.3.2с, перечисление 1), за исключением того, что испытания для верхнего и нижнего пределов должны проводиться при температуре испытательного помещения без тока в главной цепи.

Расцепитель не должен срабатывать при 70 % минимального напряжения питания цепи управления и должен срабатывать при 35 % максимального номинального напряжения питания цепи управления.

Выключатели, оснащенные независимыми расцепителями, должны подвергаться испытанию по 8.3.3.3.2d, за исключением того, что испытание может выполняться при температуре окружающего помещения. Расцепитель должен вызывать расцепление при 70 % минимального номинального напряжения питания цепи управления.

8.3.3.9 Проверка положения главных контактов

Для выключателей, пригодных для разъединения (см. 3.5), после проверки по 8.3.3.7 необходимо проведение испытания по проверке эффективности указания положения главных контактов в соответствии с 8.2.5 МЭК 60947-1.

8.3.4 Цикл испытаний II

Номинальная рабочая наибольшая отключающая способность

Этот цикл испытаний требуется для всех выключателей, за исключением случаев применения комбинированных циклов испытаний (см. 8.3.8), и включает такие испытания:

- номинальная рабочая наибольшая отключающая способность (см. 8.3.4.1);

- проверка работоспособности (см. 8.3.4.2);

- проверка электрической прочности изоляции (см. 8.3.4.3);

- проверка превышения температуры (см. 8.3.4.4);

- проверка расцепителей токов перегрузки (см. 8.3.4.5).

Если Ics = Icu, см. 8.3.5.

Число образцов, подлежащих испытанию, и уставка расцепителей с регулируемой уставкой должны соответствовать таблице 10.

8.3.4.1 Испытание на номинальную рабочую наибольшую отключающую способность

Испытание током короткого замыкания выполняют в общих условиях по 8.3.2 при значении ожидаемого тока Ics по указанию изготовителя, в соответствии с 4.3.5.2.2.

Коэффициент мощности для этого испытания должен соответствовать таблице 11, в зависимости от испытательного тока.

Последовательность операций должна быть следующей: О-t-СО-t-СО.

В выключателях со встроенными плавкими предохранителями после каждой операции следует заменять любой расплавившийся предохранитель. Для этого может потребоваться увеличение интервала t.

8.3.4.2 Проверка работоспособности

После испытания по 8.3.4.1 должна быть проверена работоспособность согласно 8.3.3.3.4 с той лишь разницей, что эта проверка должна проводиться при том же номинальном рабочем напряжении, что и при испытании по 8.3.4.1, а количество циклов оперирования должно составлять 5 % от указанного в графе 4 таблицы 8.

8.3.4.3 Проверка электрической прочности изоляции

После испытания по 8.3.4.2 следует проверить электрическую прочность изоляции по 8.3.3.5. Для выключателей, пригодных для разъединения, ток утечки должен измеряться согласно 8.3.3.5.

8.3.4.4 Проверка превышения температуры

После испытания по 8.3.4.3 следует проверить превышение температуры выводов согласно 8.3.2.5. Превышение температуры не должно быть выше значений, указанных в таблице 7.

В проведении этой проверки нет необходимости, если для данного типоразмера испытание по 8.3.4.1 выполнено на выключателе с минимальным Iп или при минимальной уставке расцепителя перегрузки.

8.3.4.5 Проверка расцепителей токов перегрузки

Немедленно после испытания по 8.3.4.4 следует проверить срабатывание расцепителей токов перегрузки по 8.3.3.7.

Примечание - С согласия изготовителя допустим интервал времени между испытаниями по 8.3.4.4 и 8.3.4.5.

8.3.5 Цикл испытаний III

Номинальная предельная наибольшая отключающая способность

Этому испытанию подлежат, за исключением случаев применения комбинированных циклов испытаний (см. 8.3.8), выключатели категории А, а также В, у которых номинальная предельная наибольшая отключающая способность выше номинального кратковременного выдерживаемого тока.

Примечание - Для этого типа выключателя категории применения В расцепитель мгновенного действия срабатывает при значениях тока, выше указанных в графе 2 таблицы 3 (см. 4.3.5.4), и может быть назван «сверхмгновенным расцепителем».

Для выключателей категории применения В, у которых номинальный кратковременно выдерживаемый ток равен номинальной предельной наибольшей отключающей способности, этот цикл испытаний не нужен, так как в этом случае номинальная предельная наибольшая отключающая способность проверяется в ходе испытаний цикла IV.

Для выключателей со встроенными плавкими предохранителями вместо этого цикла выполняют цикл V.

Если Ics = Icu, то этот испытательный цикл не выполняют, в этом случае в испытательном цикле II следует дополнительно провести следующие проверки:

- по 8.3.5.1 в начале испытательного цикла;

- по 8.3.5.4 в конце испытательного цикла.

Этот цикл включает следующие испытания:

- проверка расцепителей токов перегрузки (см. 8.3.5.1);

- номинальная предельная наибольшая отключающая способность (см. 8.3.5.2);

- проверка электрической прочности изоляции (см. 8.3.5.3);

- проверка расцепителей токов перегрузки (см. 8.3.5.4).

Число подлежащих испытанию образцов и уставки расцепителей с регулируемой уставкой должны соответствовать таблице 10.

8.3.5.1 Проверка максимальных расцепителей

Срабатывание расцепителей токов перегрузки следует проверять при удвоенной токовой уставке отдельно в каждом полюсе. Это испытание можно выполнять при любом удобном напряжении.

Примечание - Если температура окружающего воздуха отличается от контрольной, испытательный ток следует изменить в соответствии с представленными изготовителем характеристиками температура / ток для расцепителей, чувствительных к температуре окружающей среды.

Время размыкания не должно превышать максимального значения, указанного изготовителем для удвоенного тока уставки при контрольной температуре для отдельного полюса.

8.3.5.2 Испытание на номинальную предельную наибольшую отключающую способность

После испытания по 8.3.5.1 выполняют испытание на наибольшую отключающую способность при значении ожидаемого тока, равном номинальной предельной наибольшей отключающей способности, указанной изготовителем, в общих условиях по 8.3.2.

Последовательность операций: О-t-СО.

8.3.5.3 Проверка электрической прочности изоляции

После испытания по 8.3.5.2 следует провести испытание для проверки, что выключатель способен без обслуживания выдерживать испытательное напряжение, равное удвоенному соответствующему номинальному рабочему напряжению Ue, но не менее 1000 В согласно 8.3.3.2.2а.

Для выключателей, пригодных для разъединения, ток утечки должен измеряться согласно 8.3.3.2 с той лишь разницей, что он не должен превышать 6 мА.

8.3.5.4 Проверка расцепителей токов перегрузки

После испытания по 8.3.5.3 следует проверить срабатывание расцепителей токов перегрузки по 8.3.5.1, но при испытательном токе, в 2,5 раза превышающем ток их уставки.

Время размыкания не должно превышать максимального значения, установленного изготовителем для удвоенного тока уставки при контрольной температуре для одного полюса.

8.3.6 Цикл испытаний IV

Номинальный кратковременно выдерживаемый ток

Испытаниям этого цикла подлежат, за исключением случаев применения комбинированного цикла испытаний (см. 8.3.8), выключатели категорий применения В и А, на которые распространяется примечание 3 к таблице 4. Это цикл включает следующие испытания:

- проверка расцепителей токов перегрузки (см. 8.3.6.1);

- номинальный кратковременно выдерживаемый ток (см. 8.3.6.2);

- проверка превышения температуры (см. 8.3.6.3);

- наибольшая отключающая способность при максимальном кратковременно допустимом токе (см. 8.3.6.4);

- проверка электрической прочности изоляции (см. 8.3.6.5);

- проверка расцепителей токов перегрузки (см. 8.3.6.6).

Выключатели со встроенными плавкими предохранителями, относящиеся к категории применения В, должны удовлетворять требованиям этого цикла.

Число подлежащих испытанию образцов и уставки расцепителей с регулируемой уставкой должны соответствовать таблице 10.

8.3.6.1 Проверка расцепителей токов перегрузки

Срабатывание расцепителей токов перегрузки следует проверять по 8.3.5.1.

8.3.6.2 Испытание на номинальный кратковременно выдерживаемый ток

По 8.3.4.3 МЭК 60947-1 со следующим дополнением.

На время испытания следует сделать неработоспособным любой максимальный расцепитель тока, в том числе расцепитель сверхмгновенного действия, при его наличии, если он может сработать во время испытания.

8.3.6.3 Проверка превышения температуры

После испытания по 8.3.6.2 следует проверить превышение температуры выводов по 8.3.2.5. Оно не должно быть выше значений, указанных в таблице 7.

8.3.6.4 Испытание на наибольшую отключающую способность при максимальном кратковременно выдерживаемом токе

После испытания по 8.3.6.3 следует провести испытание на короткое замыкание с последовательностью операций О-t-СО в общих условиях по 8.3.2, при таком же ожидаемом токе, как в испытании на кратковременно выдерживаемый ток (см. 8.3.6.2), и при наибольшем напряжении, возможном при номинальном кратковременно выдерживаемом токе.

Выключатель должен оставаться замкнутым в течение короткого времени, соответствующего максимально возможной временной уставке расцепителя токов короткого замыкания с кратковременной выдержкой времени, и расцепитель сверхмгновенного действия (если имеется) не должен сработать. Это требование не касается операции СО, если выключатель имеет расцепитель тока включения (см. 2.10), который сработает, если ожидаемый ток превысит заданное значение.

8.3.6.5 Проверка электрической прочности изоляции

После испытания по 8.3.6.4 следует проверить электрическую прочность изоляции по 8.3.3.5.

8.3.6.6 Проверка расцепителей токов перегрузки

После испытания по 8.3.6.5 следует проверить срабатывание максимальных расцепителей токов перегрузки по 8.3.5.1.

8.3.7 Цикл испытаний V

Работоспособность автоматических выключателей со встроенными плавкими предохранителями

Испытаниям этого цикла подлежат автоматические выключатели со встроенными плавкими предохранителями. Он заменяет цикл испытаний III и включает следующие испытания.

1) Этап 1:

- короткое замыкание при предельном токе селективности (см. 8.3.7.1);

- проверка превышения температуры (см. 8.3.7.2);

- проверка электрической прочности изоляции (см. 8.3.7.3);

2) Этап 2:

- проверка расцепителей токов перегрузки (см. 8.3.7.4);

- короткое замыкание при 1,1-кратном токе координации (см. 8.3.7.5);

- короткое замыкание при предельной наибольшей отключающей способности (см. 8.3.7.6);

- проверка электрической прочности изоляции (см. 8.3.7.7);

- проверка расцепителей токов перегрузки (см. 8.3.7.8).

Цикл испытаний V делят на два этапа:

- на этапе 1 выполняют испытания по 8.3.7.1-8.3.7.3;

- на этапе 2 выполняют испытания по 8.3.7.4-8.3.7.8.

Этапы испытаний могут выполняться:

- на двух отдельных выключателях;

- или на одном и том же выключателе с промежуточным обслуживанием;

- или на одном выключателе без какого-либо обслуживания, и в этом случае можно пропустить испытание по 8.3.7.3.

Испытание по 8.3.7.2 необходимо только при условии Ics > Is.

Испытания по 8.3.7.1, 8.3.7.5 и 8.3.7.6 должны проводиться при максимальном рабочем напряжении выключателя.

Число подлежащих испытанию образцов и уставки расцепителей с регулируемой уставкой должны соответствовать таблице 10.

8.3.7.1 Короткое замыкание при предельном токе селективности

Испытание на короткое замыкание проводят в общих условиях по 8.3.2 при ожидаемом токе, равном предельному току селективности, по указанию изготовителя (см. 2.17.4).

Для такого испытания должны быть установлены плавкие предохранители.

Испытание должно заключаться в одной операции О, по завершении которой плавкие предохранители должны оставаться неповрежденными.

8.3.7.2 Проверка превышения температуры

Примечание - Превышение температуры проверяют, поскольку во время короткого замыкания по циклу испытаний II, см. 8.3.4.1 плавкие предохранители могут расплавиться, и в этом случае испытание по 8.3.7.1 оказывается более жестким.

После испытания по 8.3.7.1 следует проверить превышение температуры выводов согласно 8.3.2.5.

Превышение температуры не должно быть выше значений, указанных в таблице 7.

8.3.7.3 Проверка электрической прочности изоляции

После испытания по 8.3.7.2 следует проверить электрическую прочность изоляции согласно 8.3.3.5.

8.3.7.4 Проверка расцепителей токов перегрузки

Срабатывание расцепителей токов перегрузки следует проверять по 8.3.5.1.

8.3.7.5 Короткое замыкание при 1,1-кратном токе координации

После испытания по 8.3.7.4 выполняют испытание на короткое замыкание в общих условиях по 8.3.7.1 при ожидаемом токе, равном 1,1-кратному току координации, указанному изготовителем (см. 2.17.6).

Для проведения этого испытания необходимо установить плавкие предохранители.

Испытание заключается в одной операции О, по завершении которой должны расплавиться по крайней мере два плавких предохранителя.

8.3.7.6 Короткое замыкание при предельной наибольшей отключающей способности

После испытания по 8.3.7.5 проводят испытание на короткое замыкание в общих условиях по 8.3.7.1 при ожидаемом токе, равном предельной наибольшей отключающей способности Icu, указанной изготовителем.

Для проведения этого испытания необходимо установить новый комплект плавких предохранителей.

Последовательность срабатывания должна быть следующей: О-t-СО.

Следующий новый комплект плавких предохранителей устанавливают в паузе t, которую может потребоваться продлить для этой цели.

8.3.7.7 Проверка электрической прочности изоляции

После испытания по 8.3.7.6 и установки нового комплекта плавких предохранителей следует проверить электрическую прочность изоляции по 8.3.5.3.

8.3.7.8 Проверка расцепителей токов перегрузки

После испытания по 8.3.7.7 следует проверить срабатывание расцепителей токов перегрузки по 8.3.5.1, но испытательный ток должен в 2,5 раза превышать ток уставки.

Время срабатывания не должно превышать максимального значения, указанного изготовителем для удвоенного тока уставки при контрольной температуре для отдельного полюса.

8.3.8 Комбинированный цикл испытаний

Этому циклу испытаний подлежат выключатели категории применения В, на усмотрение или по согласованию с изготовителем:

a) когда номинальный кратковременно выдерживаемый ток и номинальная рабочая наибольшая отключающая способность имеют одинаковое значение (Icw = Ics), и в этом случае он заменяет циклы испытаний II и IV;

b) когда кратковременно выдерживаемый ток, номинальная рабочая наибольшая отключающая способность и номинальная предельная наибольшая отключающая способность имеют одинаковое значение (Icw = Ics = Icu), и в этом случае он заменяет циклы испытаний II-IV.

В состав этого цикла входят следующие испытания:

- проверка расцепителей токов перегрузки (см. 8.3.8.1);

- номинальный кратковременно выдерживаемый ток (см. 8.3.8.2);

- номинальная рабочая наибольшая отключающая способность (см. 8.3.8.3);

- проверка работоспособности (см. 8.3.8.4);

- проверка электрической прочности изоляции (см. 8.3.8.5);

- проверка превышения температуры (см. 8.3.8.6);

- проверка расцепителей токов перегрузки (см. 8.3.8.7).

Примечание - Номинальная рабочая наибольшая отключающая способность для выключателей, охватываемых подпунктом b), это также номинальная предельная наибольшая отключающая способность.

Число подлежащих испытанию образцов и уставки расцепителей с регулируемой уставкой должны соответствовать таблице 10.

8.3.8.1 Проверка расцепителей токов перегрузки

Следует проверить срабатывание расцепителей токов перегрузки по 8.3.5.1.

8.3.8.2 Испытание на номинальный кратковременно выдерживаемый ток

После испытания по 8.3.8.1 необходимо испытание при номинальном кратковременно выдерживаемом токе по 8.3.6.2.

8.3.8.3 Испытание на номинальную рабочую наибольшую отключающую способность

После испытания по 8.3.8.2 необходимо испытание при номинальной рабочей наибольшей отключающей способности по 8.3.4.1 при наибольшем напряжении, возможном при номинальном кратковременно выдерживаемом токе. Выключатель должен оставаться замкнутым все время, соответствующее максимально возможной временной уставке расцепителя токов короткого замыкания с кратковременной выдержкой времени.

Во время этого испытания расцепитель сверхмгновенного действия (при его наличии) не должен срабатывать, а расцепитель тока включения (при его наличии) должен сработать.

8.3.8.4 Проверка работоспособности

После испытания по 8.3.8.3 должна быть проверена работоспособность согласно 8.3.4.2.

8.3.8.5 Проверка электрической прочности изоляции

После испытания по 8.3.8.4 следует проверить электрическую прочность изоляции по 8.3.3.5. Для выключателей, пригодных для разъединения, должен быть измерен ток утечки согласно 8.3.3.5.

8.3.8.6 Проверка превышения температуры

После испытания по 8.3.8.5 следует проверить превышение температуры выводов по 8.3.2.5. Превышение температуры не должно быть более значения, указанного в таблице 7. В этой проверке нет необходимости, если для данного типоразмера испытание по 8.3.8.3 проведено на выключателе с минимальным In или при минимальной уставке расцепителя токов перегрузки.

8.3.8.7 Проверка расцепителей токов перегрузки

После испытания по 8.3.8.6 и последующего охлаждения следует проверить срабатывание расцепителей токов перегрузки по 8.3.3.7.

Соответственно срабатывание расцепителей токов перегрузки должно проверяться на каждом полюсе отдельно в соответствии с 8.3.5.1, за исключением того, что испытательный ток должен соответствовать 2,5-кратному значению их уставки по току.

Время срабатывания не должно превышать максимального значения, указанного изготовителем для двукратной уставки по току при контрольной температуре для отдельного полюса.

8.3.9 Испытания на устойчивость к электромагнитным помехам для автоматических выключателей, в состав которых входят электронные цепи, кроме автоматических выключателей, на которые распространяются приложения В и F

По 8.4 МЭК 60947-1.

Методы испытаний и критерии работоспособности для выключателей, в состав которых входят электронные цепи, кроме автоматических выключателей, на которые распространяются приложения В (АВДТ) и F (с электронной защитой от сверхтока), находятся в стадии рассмотрения.

8.4 Контрольные испытания

Определение контрольных испытаний - по 2.6.2 и 8.1.3 МЭК 60947-1.

Они включают в себя следующие виды испытаний:

- механическое срабатывание (см. 8.4.1);

- проверка калибровки максимальных расцепителей тока (см. 8.4.2);

- проверка срабатывания минимальных расцепителей напряжения и независимых расцепителей (см. 8.4.3);

- дополнительные испытания для АВДТ согласно приложению В (см. 8.4.4);

- проверка электрической прочности изоляции (см. примечание) (см. 8.4.5);

- проверка воздушных зазоров (см. 8.4.6).

Примечание - Если постоянство изоляционных свойств подтверждено контролем материалов и производственных процессов при изготовлении аппаратов, указанные контрольные испытания могут быть заменены выборочными испытаниями согласно утвержденному плану отбора образцов (см. МЭК 60410) [4].

Однако проверка срабатывания, осуществляемая изготовителем в процессе производства и/или при других видах контрольных испытаний, может заменить вышеперечисленные испытания при соблюдении условий испытаний и числе операций, не меньшем указанного.

В контексте испытаний по 8.4.1-8.4.6 термин «выключатели» охватывает АВДТ, где это применимо.

8.4.1 Испытания на механическое срабатывание

Испытания по 8.4.1.1 и 8.4.1.2 должны проводиться без тока в цепи главных контактов, за исключением случаев, когда он требуется для срабатывания расцепителей. В процессе испытаний не должны выполняться различные регулировки, а срабатывание должно соответствовать установленным требованиям.

8.4.1.1 Следующие испытания должны быть проведены на выключателях с ручным управлением:

- две операции замыкания - размыкания;

- две операции свободного расцепления.

Примечание - Определение механического коммутационного устройства со свободным расцеплением см. 2.4.23 МЭК 60947-1.

8.4.1.2 Следующие испытания должны быть проведены на выключателях с дистанционным управлением при 110 % максимального номинального напряжения питания цепи управления и/или номинального давления системы и при 85 % минимального напряжения цепи управления и/или номинального давления системы:

- две операции замыкания - размыкания;

- две операции свободного расцепления;

- для выключателей с автоматическим повторным включением - две операции автоматического повторного включения.

8.4.2 Проверка калибровки максимальных расцепителей тока

8.4.2.1 Расцепители с обратнозависимой выдержкой времени

Проверка калибровки расцепителей с обратнозависимой выдержкой времени должна проводиться при установленной кратности уставки по току для определения того, что время расцепления соответствует (в пределах допусков) кривой, указанной изготовителем.

Эта проверка может выполняться при любой подходящей температуре с введением соответствующих поправок при отклонении от контрольной температуры (см. 4.7.3).

8.4.2.2 Расцепители мгновенного действия и с независимой выдержкой времени

Проверка калибровки расцепителей мгновенного действия и с независимой выдержкой времени должна выявить несрабатывание и срабатывание расцепителей при значениях тока, указанных в 8.3.3.1.2 и 8.3.3.1.3а, что применимо, без измерения времени отключения.

Испытания могут проводиться путем нагрузки испытательным током двух полюсов, соединенных последовательно, с проверкой всех возможных комбинаций полюсов, имеющих расцепители, или путем нагрузки испытательным током отдельно каждого полюса, имеющего расцепитель.

Один из способов определения уровня расцепления состоит в подаче медленно возрастающего испытательного тока, начиная от величины ниже нижнего предела до величины расцепления выключателя. Расцепление должно происходить между нижним и верхним пределами испытательного тока.

8.4.3 Проверка срабатывания минимального расцепителя напряжения и независимого расцепителя

Испытания по 8.4.3.1 и 8.4.3.2 должны проводиться на расцепителях, установленных в выключатели или в соответствующие испытательные установки, имитирующие механическое срабатывание выключателей.

8.4.3.1 Минимальный расцепитель напряжения

Испытания должны проводиться для проверки соответствия работы расцепителя требованиям 7.2.1.3 МЭК 60947-1 следующим образом.

а) Напряжение удержания

Расцепитель должен замкнуться при напряжении, соответствующем 85 % минимального номинального напряжения питания цепи управления.

b) Напряжение отпускания

Расцепитель должен разомкнуться, когда напряжение медленно понижается до значения в пределах 70-35 % номинального напряжения питания цепи управления, регулируемого с учетом необходимости срабатывания в условиях, указанных в 8.3.3.3.2 с 1). Если расцепитель имеет диапазон номинальных напряжений питания цепи управления, то верхний предел должен соответствовать минимальному напряжению диапазона, а нижний предел - максимальному напряжению диапазона.

8.4.3.2 Независимый расцепитель (на размыкание)

Испытание должно проводиться для проверки срабатывания расцепителя в соответствии с 7.2.1.4 МЭК 60947-1. Испытание может выполняться при любой подходящей температуре, при пониженном испытательном напряжении с учетом непременного срабатывания расцепителя в условиях, указанных в 8.3.3.3.2d. Если расцепитель имеет диапазон номинальных напряжений питания цепи управления, то пониженное испытательное напряжение должно соответствовать 70 % минимального номинального напряжения питания цепи управления.

8.4.4 Дополнительные испытания АВДТ

На АВДТ или выключателях с УДТ должны проводиться следующие дополнительные испытания.

a) Срабатывание устройства эксплуатационного контроля

АВДТ должен подвергаться двум операциям «замыкание-расцепление» или для выключателей с УДТ - двум операциям «приведение в исходное положение - расцепление», расцепление вручную устройства эксплуатационного контроля с АВДТ при наименьшем номинальном рабочем напряжении.

b) Проверка калибровки расцепляющего устройства дифференциального тока АВДТ

Используя переменный синусоидальной дифференциальный ток, необходимо проверить, что:

- АВДТ не расцепляется дифференциальным током 0,5 IΔn в каждом полюсе отдельно, при минимальной уставке IΔn, если регулируется;

- АВДТ расцепляется дифференциальным током IΔn в каждом полюсе отдельно, при минимальной уставке IΔn, если регулируется.

8.4.5 Испытание электрической прочности изоляции

Условия испытаний должны соответствовать 8.3.3.2.1, за исключением того, что применение металлической фольги не требуется. Длительность каждого испытания не должна быть менее 1 с. Испытательное напряжение должно соответствовать 8.3.3.2.3 и прикладывается:

- при разомкнутом выключателе - между каждой парой выводов, электрически соединенных между собой, когда контакты выключателя замкнуты;

- при замкнутом выключателе (для выключателей, не имеющих электронных цепей, соединенных с главными полюсами) - между всеми смежными полюсами и каждым полюсом и корпусом, если применимо;

- при разомкнутом выключателе (для выключателей, в состав которых входят электронные цепи, соединенные с главными полюсами) - между всеми смежными полюсами и каждым полюсом и корпусом, если применимо, либо со стороны ввода, либо со стороны вывода, в зависимости от расположения электронных компонентов.

Примечание - Как вариант, допускается отсоединение электронных цепей в процессе испытания электрической прочности изоляции.

В качестве альтернативы испытаниям при промышленной частоте может быть проведена в тех же самых точках проверка сопротивления изоляции при напряжении 500 В постоянного тока. Сопротивление изоляции, измеренное в любой точке, должно быть не менее 0,5 МОм.

8.4.6 Испытание по проверке воздушных зазоров, меньше указанных для случая А таблицы 13 МЭК 60947-1

По 8.3.3.4.3 МЭК 60947-1, за исключением того, что в интересах настоящего стандарта данное испытание должно быть контрольным.

Для воздушных зазоров, равных или больших указанных для случая А таблицы 13 МЭК 60947-1, никаких дополнительных испытаний не требуется.

1) Орган управления может быть любой длины для нормальной операции замыкания.

2) Назначение жесткого экрана - препятствовать попаданию выбросов из других зон, кроме рукоятки и кнопки, на полиэтиленовую пленку. (Не требуется для испытания в индивидуальной оболочке).

3) Жесткий экран и фронтальная часть металлического экрана могут быть объединены в единую токопроводящую металлическую пластину.

4) Выполнена из любого подходящего жесткого материала для предотвращения пробоя полиэтиленовой пленки.

Рисунок 1 - Установка для испытания на короткое замыкание
(соединительные провода не показаны)

ПРИЛОЖЕНИЕ А

(обязательное)

Координация в условиях короткого замыкания между выключателем и другим устройством защиты от короткого замыкания, объединенными в одной цепи

А.1 Введение

Для обеспечения координации в условиях короткого замыкания между выключателем С1 и другим устройством защиты от короткого замыкания (далее - УЗКЗ), объединенными в одной цепи, необходимо учитывать характеристики каждого из устройств, так же как и их поведение в этом объединении.

Примечание - УЗКЗ может включать дополнительные защитные устройства, например реле перегрузки.

УЗКЗ может состоять из плавкого предохранителя (или комплекта плавких предохранителей) (см. рисунок А.1) или другого выключателя С2 (см. рисунки А.2-А.5).

Сравнение индивидуальных рабочих характеристик каждого из двух объединенных устройств может быть недостаточным, поэтому необходимо обратить внимание на поведение этих двух устройств, включенных последовательно, поскольку полным сопротивлением устройств не всегда можно пренебречь. Рекомендуется это учитывать. Для токов короткого замыкания рекомендовано вместо времени сделать ссылку на I2t.

C1 часто соединен последовательно с другим УЗКЗ по причине способа распределения энергии, принятого для данной установки, или вследствие того, что наибольшая отключающая способность одного С1 может быть недостаточной для предложенного назначения. В таких случаях УЗКЗ может быть установлен в удалении от С1. УЗКЗ может защищать линию питания нескольких выключателей С1 или лишь одного выключателя.

В таком случае потребителю или компетентной службе приходится чисто теоретически принимать решение о способах достижения оптимального уровня координации. Данное приложение должно способствовать принятию такого решения и дать представление о типе информации, которую изготовитель должен предоставить потенциальному потребителю.

В приложении приводятся также требования к испытаниям, если для предполагаемой области применения они необходимы.

Термин «координация» определяется как селективность (см. 2.5.23 МЭК 60947-1, а также 2.17.2 и 2.17.3), а также как резервная защита (2.5.24 МЭК 60947-1).

Рассмотрение селективности может быть проведено чисто теоретически (см. А.5), в то время как для проверки резервной защиты обычно требуются испытания (см. А.6).

В зависимости от выбранного критерия при проверке отключающей способности возможно указание номинальной предельной наибольшей отключающей способности (Icu) или номинальной рабочей наибольшей отключающей способности (Icu).

А.2 Область применения

Данное приложение служит инструкцией и формулирует требования по координации выключателей с другими УЗКЗ, объединенными в одной цепи, как в отношении селективности, так и резервной защиты. Цель данного приложения - установить:

- общие требования к координации выключателя с другим УЗКЗ;

- методы и испытания (если необходимо), предназначенные для проверки условий соблюдения координации.

А.3 Общие требования к координации автоматического выключателя с другим УЗКЗ

А.3.1 Общие положения

Теоретически координация должна быть такой, чтобы выключатель (С1) срабатывал один при любых значениях сверхтока вплоть до номинальной наибольшей отключающей способности Icu (или Ics).

Примечание - Если значение ожидаемого тока повреждения в данной точке установки ниже номинальной предельной наибольшей отключающей способности С1, можно предположить, что включение в цепь УЗКЗ не связано с резервной защитой.

Практически получается следующее:

а) если значение предельного тока селективности Is (см. 2.17.4) слишком низкое, существует опасность нежелательной потери селективности;

b) если значение ожидаемого тока повреждения в данной точке установки превышает номинальную предельную наибольшую отключающую способность С1, УЗКЗ должен быть выбран так, чтобы поведение С1 соответствовало А.3.3, а ток координации Iв (см. 2.17.6), если имеется, удовлетворял требованиям А.3.2.

Где это возможно, УЗКЗ должен размещаться со стороны питания С1. Если УЗКЗ размещен со стороны нагрузки, соединение между С1 и УЗКЗ должно быть таким, чтобы свести к минимуму опасность возникновения короткого замыкания.

Примечание - Для заменяемых расцепителей все вышеуказанное применяют в каждом конкретном случае.

А.3.2 Ток координации

С точки зрения резервной защиты ток координации Iв не должен превышать номинальную предельную наибольшую отключающую способность Icu отдельного С1 (см. рисунок А.4).

А.3.3 Поведение С1 в комбинации с другим УЗКЗ

Для всех значений максимального тока, вплоть до наибольшей отключающей способности комбинации, С1 должен соответствовать требованиям 7.2.5 МЭК 60947-1, а комбинация должна отвечать требованиям 7.2.1.2.4а.

А.4 Тип и характеристики взаимодействующего УЗКЗ

По запросу, изготовитель выключателя должен предоставить информацию о типе и характеристиках УЗКЗ, используемого с С1, и о максимальном ожидаемом токе короткого замыкания, на который рассчитана комбинация, при заданном рабочем напряжении.

Подробное описание УЗКЗ, использованного для любых проведенных испытаний, в соответствии с настоящим приложением, а именно: наименование изготовителя, типоисполнение, номинальное напряжение, номинальный ток и наибольшая отключающая способность должны быть указаны в протоколе испытаний.

Максимальный условный ток короткого замыкания (см. 2.5.29 МЭК 60947-1) не должен превышать номинальной предельной наибольшей отключающей способности УЗКЗ.

Если взаимодействующим УЗКЗ является выключатель, он должен отвечать требованиям настоящего стандарта или любого другого соответствующего стандарта.

Если взаимодействующим УЗКЗ является предохранитель, он должен отвечать требованиям соответствующего стандарта на предохранители.

А.5 Проверка селективности

Селективность обычно можно проверить чисто теоретически, т.е. путем сравнения рабочих характеристик С1 и взаимодействующего УЗКЗ, например, когда взаимодействующим УЗКЗ является выключатель (С2) с преднамеренной задержкой срабатывания.

Изготовители С1, равно как и УЗКЗ должны предоставить необходимую информацию, касающуюся соответствующих рабочих характеристик, позволяющих определить Is для каждой отдельной комбинации.

В определенных случаях испытания при Is необходимы для комбинации, например:

- когда С1 токоограничивающего типа, а С2 не снабжен заданной задержкой срабатывания;

- когда время срабатывания УЗКЗ меньше, чем время, соответствующее одному полупериоду.

Чтобы добиться необходимой селективности, когда взаимодействующий УЗКЗ является выключателем, заданная кратковременная задержка срабатывания может потребоваться для С2.

Селективность может быть частичной (см. рисунок А.4) или полной вплоть до номинальной наибольшей отключающей способности Icu (или Ics) C1.

Для получения полной селективности характеристика несрабатывания С2 или преддуговая характеристика предохранителя должна проходить выше характеристики срабатывания (полного времени) С1.

Два примера полной селективности представлены на рисунках А.2 и А.3.

А.6 Проверка резервной защиты

А.6.1 Определение тока координации

Соответствие требованиям А.3.2 можно проверить сравнением рабочих характеристик С1 и взаимодействующего УЗКЗ на всех уставках С1 и, если необходимо, на всех уставках С2.

А.6.2 Проверка резервной защиты

а) Проверка испытаниями

Соответствие требованиям А.3.3 обычно проверяют испытанием по А.6.3. В этом случае должны быть соблюдены все условия испытаний, указанные в 8.3.2.6, при регулируемых резисторах и катушках индуктивности для испытаний на короткое замыкание со стороны питания комбинации.

b) Проверка сравнением характеристик

На практике, если УЗКЗ является выключателем (см. рисунки А.4 и А.5), возможно сравнение рабочих характеристик С1 и взаимодействующего УЗКЗ, при этом особо рекомендуется учитывать:

- значение интеграла Джоуля С1 при его Icu и это же значение УЗКЗ при ожидаемом токе комбинации;

- влияние на С1 (к примеру, дуговой энергии, максимального пикового тока, тока отсечки) при пиковом рабочем токе УЗКЗ.

Пригодность комбинации можно оценивать по полной максимальной рабочей характеристике I2t УЗКЗ в диапазоне от номинальной наибольшей отключающей способности Icu (или Ics) С1 до ожидаемого тока короткого замыкания данного назначения, но не более максимального допустимого I2t для С1 при его номинальной наибольшей отключающей способности или другом, более низком предельном значении, указанном изготовителем.

Примечание - Если взаимодействующим УЗКЗ является предохранитель, теоретическое значение ограничивают Icu для С1.

А.6.3 Испытания для проверки резервной защиты

Если С1 оснащен регулируемыми максимальными расцепителями тока, рабочие характеристики должны соответствовать минимальным уставкам по времени и току.

Если С1 может быть оснащен максимальными расцепителями мгновенного действия, то применяемые рабочие характеристики должны соответствовать характеристикам С1, оснащенного такими расцепителями.

Если взаимодействующим УЗКЗ является выключатель (С2), оснащенный регулируемыми максимальными расцепителями, применяемые рабочие характеристики должны соответствовать максимальным уставкам по времени и току.

Если взаимодействующее УЗКЗ состоит из комплекта предохранителей, испытание каждый раз должно проводиться на новом комплекте предохранителей, даже если какой-то из них во время предыдущих испытаний не вышел из строя.

Где необходимо, должны использоваться соединительные провода, как указано в 8.3.2.6.4, за исключением того, что если взаимодействующее УЗКЗ является выключателем (С2), кабель полной длины (75 см), связанный с данным выключателем, может устанавливаться со стороны питания (см. рисунок А.6).

Каждое испытание должно состоять из цикла операций О-t-СО, выполняемых в соответствии с 8.3.5 либо при Icu или Ics; операцию СО выполняют на С1.

Испытание проводят с максимальным ожидаемым током для предлагаемого назначения. Он не должен превышать номинальный условный ток короткого замыкания (см. 4.3.6.4 МЭК 60947-1).

Дальнейшее испытание должно проводиться при значении ожидаемого тока, равном номинальной наибольшей отключающей способности Icu (или Ics) С1, для которого может быть использован новый образец С1, а также, если взаимодействующим УЗКЗ является выключатель, новый образец С2.

Во время каждой операции:

a) если взаимодействующим УЗКЗ является автоматический выключатель (С2):

- или С1 и С2 должны сработать при обоих испытательных токах, тогда дальнейших испытаний не требуется.

Это общий случай и гарантирует только резервную защиту;

- или C1 должен сработать, а С2 должен быть в замкнутом положении в конце каждой операции при обоих испытательных токах, тогда не требуется дальнейших испытаний.

При этом требуется, чтобы контакты С2 кратковременно размыкались во время каждой операции. В этом случае обеспечивается восстановление подачи питания в дополнение к резервной защите (см. примечание 1 к рисунку А.4). Длительность прерывания подачи питания, если имеется, должна быть зарегистрирована;

- или С1 должен сработать при более низком испытательном токе, или С1 и С2 должны сработать при более высоком испытательном токе.

При этом требуется, чтобы контакты С2 кратковременно размыкались при более низком токе. Дополнительные испытания должны быть проведены при промежуточных токах для установления наименьшего тока, при котором С1 и С2 срабатывают, вплоть до тока, при котором обеспечивается восстановление подачи питания;

b) если взаимодействующим УЗКЗ является предохранитель (или комплект предохранителей):

- в однофазной цепи по крайней мере один предохранитель должен перегореть;

- в многофазной цепи либо должны перегореть два или более предохранителей, либо один предохранитель должен перегореть, а С1 должен сработать.

А.6.4 Ожидаемые результаты

По 8.3.4.1.7 МЭК 60947-1.

В результате испытаний С1 должен соответствовать 8.3.5.3 и 8.3.5.4.

Кроме того, если взаимодействующим УЗКЗ является выключатель С2, следует проверить вручную или другим подходящим способом, что контакты С2 не приварились.

I - ожидаемый ток короткого замыкания; Icu - номинальная предельная наибольшая отключающая способность (см. 4.3.5.2.1); Is - предельный ток селективности (см. 2.17.4); Iв - ток координации (см. 2.17.6); А - преддуговая характеристика плавкого предохранителя; В - рабочая характеристика плавкого предохранителя; С - рабочая характеристика нетокоограничивающего выключателя (N) (время отключения/ток и I2t/ток)

Примечания

1 А считают нижним пределом, В и С - верхними пределами.

2 Неадиабатическая зона для I2t показана пунктиром.

Рисунок А.1 - Координация по сверхтокам между автоматическим выключателем и предохранителем или резервной защитой, осуществляемой предохранителем, рабочие характеристики

Полная селективность между двумя выключателями

C1 - токоограничивающий выключатель (L) (характеристика времени отключения); С2 - нетокоограничивающий выключатель (N) (характеристика срабатывания)

Значения Icu (или Ics) не указаны

Рисунок А.2

С1 - нетокоограничивающий выключатель (N) (характеристика времени отключения); С2 - выключатель с преднамеренной задержкой срабатывания (ПЗС) (характеристика срабатывания)

Значения Icu (или Ics) не указаны

Рисунок А.3

Резервная защита, осуществляемая автоматическим выключателем; рабочие характеристики

С1 - нетокоограничивающий выключатель (N); С2 - токоограничивающий выключатель (L)

Примечания

1 Где необходимо, происходит восстановление подачи питания посредством С2.

2 Icu (С1+С2) ≤ Icu (С2).

3 Для значений I > Iв графиком является график комбинации (жирная линия), данные для которого получены при испытании.

Рисунок А.4

С1, С2 - нетокоограничиваюшие выключатели (N); Iв - ток координации

Примечания

1 Где необходимо, происходит восстановление подачи питания посредством С2.

2 Icu (С1+С2) ≤ Icu (С2).

3 Для значений I > Iв графиком является график комбинации (жирная линия), данные для которого получены при испытании.

Рисунок А.5

S - источник питания; V - вольтметр; Ur1, Ur2, Ur3, Ur4, Ur5, Ur6 - датчики напряжения; I1, I2, I3 - датчики тока; L - реакторы; F - плавкий элемент (8.3.4.1.2 МЭК 60947-1); R1 - регулируемый резистор; RL - сопротивление, ограничивающее ток повреждения; А - замыкающее устройство; В - временные перемычки для калибровки; W1 - кабель длиной 75 см, калиброванный для УЗКЗ; W2 - кабель длиной 50 см, калиброванный для C1; W3 - кабель длиной 25 см, калиброванный для С1; УЗКЗ - автоматический выключатель С2 или комплект из трех плавких предохранителей; N - нейтраль источника питания (или искусственная нейтраль); Т - земля, только одна точка заземления (со стороны нагрузки или источника питания; r - шунтовое сопротивление (8.3.4.1.2b МЭК 60947-1).

Примечания

1 Регулируемые нагрузки R1 и L могут размещаться либо с высоковольтной, либо с низковольтной стороны цепи питания; замыкающее устройство А размещают с низковольтной стороны.

2 Ur1, Ur2, Ur3 могут альтернативно подсоединяться между фазой и нейтралью.

3 Если устройства предназначены для использования в фазозаземленной сети, F должен подсоединяться к одной фазе питания.

Рисунок А.6 - Пример испытательной цепи для испытаний на отключающую способность при условном токе короткого замыкания, показывающий схему соединений для трехполюсного выключателя (С1)

ПРИЛОЖЕНИЕ В

(обязательное)

Автоматические выключатели со встроенными защитными устройствами, управляемыми дифференциальным током

Введение

Устройства, управляемые дифференциальным током, используют для защиты от поражения электрическим током.

Такие устройства часто используют в сочетании или в качестве неотъемлемой части автоматического выключателя, выполняя при этом двойную функцию, а именно:

- обеспечение защиты установок от перегрузок и токов короткого замыкания;

- обеспечение защиты персонала от косвенного прикосновения, т.е. при опасном увеличении потенциала земли вследствие повреждения изоляции.

Устройства, управляемые дифференциальным током, могут также обеспечивать дополнительную защиту от пожаров или поражения электрическим током, возникающих вследствие длительного протекания тока повреждения без срабатывания устройства защиты от сверхтоков.

Устройства дифференциального тока, имеющие номинальный отключающий дифференциальный ток не более 30 мА, могут быть также использованы в качестве средства дополнительной защиты при прямом контакте, в случае выхода из строя соответствующих защитных средств.

Требования к электроустановкам до 1000 В с такими устройствами приведены в ряде разделов комплекса стандартов ГОСТ Р 50571.

Настоящее приложение разработано в соответствии с требованиями ГОСТ Р 50807, ГОСТ Р 51326.1, ГОСТ Р 51327.1.

В.1 Область применения

Настоящее приложение распространяется на автоматические выключатели, обеспечивающие защиту от дифференциального тока (АВДТ). Оно учитывает требования к аппаратам, которые одновременно выполняют функцию обнаружения дифференциального тока, сравнения его величины с заданной величиной и отключения защищаемой цепи, когда дифференциальный ток превосходит эту величину.

Настоящее приложение распространяется на:

- автоматические выключатели, соответствующие настоящему стандарту, неотъемлемым признаком которых является выполнение функции отключения дифференциального тока (далее - АВДТ со встроенной защитой);

- АВДТ, состоящие из комбинации устройства дифференциального тока (далее - УДТ) и выключателя, соответствующего настоящему стандарту; их соединение как механическое, так и электрическое, может выполняться либо в заводских условиях, либо в условиях эксплуатации потребителем по инструкциям изготовителя.

Настоящее приложение учитывает требования к АВДТ, относящиеся к электромагнитной совместимости (ЭМС).

Примечание - Устройство обнаружения тока в нулевом проводнике, если имеется, может располагаться вне выключателя или комбинации, в зависимости от условий.

Настоящее приложение распространяется только на АВДТ, предназначенные для использования в цепях переменного тока.

Функция отключения дифференциального тока АВДТ, на которые распространяется действие настоящего приложения, может быть или не быть функционально зависимой от напряжения сети. На АВДТ, зависящие от вспомогательного источника питания переменного тока, приложение не распространяется.

Приложение не распространяется на оборудование, где токочувствительные устройства (за исключением устройств обнаружения тока в нулевом проводнике) или устройства программирования установлены отдельно от выключателя.

Целью настоящего приложения является установление:

a) специфических характеристик дифференциального тока;

b) специфических требований, которым должен отвечать АВДТ:

- в нормальных и аварийных условиях эксплуатации (при появлении дифференциального тока в цепи),

- в аномальных условиях цепи по причине дифференциального тока или иной;

c) испытаний, которые должны проводиться для проверки соответствия требованиям перечисления b) по определенным методикам испытаний;

d) информации об аппаратах.

В.2 Определения

В дополнение к разделу 2 настоящего стандарта используют определения по ГОСТ Р 50807.

B.2.1 Определения, относящиеся к токам, стекающим с токоведущих частей, находящихся под напряжением, в землю

B.2.1.1 ток замыкания на землю: Ток, уходящий в землю вследствие повреждения изоляции.

B.2.1.2 ток утечки: Ток, проходящий в землю или на сторонние проводящие части в электрически неповрежденной цепи.

B.2.2 Определения, относящиеся к подводимым величинам АВДТ

B.2.2.1 подводимая величина: Электрическая величина, которая сама по себе или совместно с другими электрическими величинами должна быть приложена к АВДТ, чтобы он мог выполнять свои функции в заданных условиях.

B.2.2.2 входная подводимая величина: Электрическая величина, вызывающая отключение АВДТ в заданных условиях.

К таким условиям может относиться, например, обеспечение электропитания некоторых вспомогательных элементов.

B.2.2.3 дифференциальный ток (IΔ): Действующее значение векторной суммы токов, протекающих в первичной цепи АВДТ.

B.2.2.4 отключающий дифференциальный ток: Значение дифференциального тока, вызывающего отключение АВДТ в заданных условиях эксплуатации.

B.2.2.5 неотключающий дифференциальный ток: Значение дифференциального тока, при котором и ниже которого АВДТ в заданных условиях не отключается.

B.2.3 Определения, относящиеся к работе и различным функциям АВДТ

B.2.3.1 автоматический выключатель со встроенной защитой, управляемой дифференциальным током (АВДТ): Выключатель (см. 2.1), предназначенный для размыкания контактов в случае, когда значение дифференциального тока достигает заданной величины в определенных условиях.

B.2.3.2 АВДТ, функционально не зависящий от напряжения источника питания: АВДТ, для которого функции обнаружения, сравнения и отключения не зависят от напряжения источника питания.

Примечание - Данное устройство определено 2.3.2 ГОСТ Р 50807 как устройство дифференциального тока без вспомогательного источника питания.

B.2.3.3 АВДТ, функционально зависящий от напряжения источника питания: АВДТ, для которого функции обнаружения, сравнения и отключения зависят от напряжения источника питания

Примечания

1 Данное определение частично распространяется на определение устройств дифференциального тока со вспомогательным источником питания, приведенное в 2.3.3 ГОСТ Р 50807.

2 Подразумевается, что напряжение источника питания прикладывается к АВДТ для обнаружения, сравнения или отключения.

B.2.3.4 обнаружение: Функция, состоящая в обнаружении дифференциального тока.

Примечание - Данная функция может, например, выполняться трансформатором, осуществляющим векторное суммирование токов.

B.2.3.5 сравнение: Функция, обеспечивающая возможность отключения АВДТ в случае, когда обнаруженный дифференциальный ток превосходит заранее установленное значение в определенных заданных условиях.

B.2.3.6 отключение: Функция, состоящая в переводе исполнительного органа АВДТ из замкнутого положения в разомкнутое.

B.2.3.7 предельное время неотключения: Максимальный промежуток времени, в течение которого через АВДТ можно пропускать дифференциальный ток, превышающий номинальный неотключающий дифференциальный ток, не вызывая отключения АВДТ.

B.2.3.8 АВДТ с выдержкой времени: АВДТ, специально предназначенные для обеспечения заранее заданного предельного времени неотключения, соответствующего данному значению дифференциального тока.

АВДТ с выдержкой времени может быть или не быть с обратнозависимой время-токовой характеристикой.

B.2.3.9 АВДТ с возвращаемым в исходное положение УДТ: АВДТ с УДТ, который должен быть умышленно взведен способом, иным, чем посредством органа управления АВДТ для его возврата в исходное положение, в котором он способен реагировать на дифференциальный ток.

В.2.3.10 устройство эксплуатационного контроля: Устройство, имитирующее аварийный дифференциальный ток для проверки работоспособности АВДТ.

В.2.4 Определения, относящиеся к значениям и диапазонам подводимых величин

B.2.4.1 предельное значение тока неотключения в случае однофазной нагрузки: Максимальное значение тока, который в отсутствие дифференциального тока может протекать через АВДТ (независимо от числа полюсов), не вызывая его отключения (см. В.7.2.7).

B.2.4.2 способность включения и отключения дифференциального тока условиях короткого замыкания: Значение переменной составляющей ожидаемого дифференциального тока короткого замыкания, которое АВДТ способен включать, пропускать в течение своего времени отключения и отключать при заданных условиях эксплуатации и поведения.

B.3 Классификация

АВДТ классифицируют:

B.3.1 По методу управления функцией дифференциального тока:

B.3.1.1 АВДТ, функционально не зависящие от напряжения источника питания (см. В.2.3.2)

B.3.1.2 АВДТ, функционально зависящие от напряжения источника питания (см. В.2.3.3 и В.7.2.11):

B.3.1.2.1 отключающиеся автоматически при отказе источника питания с выдержкой времени или без нее;

B.3.1.2.2 не отключающиеся автоматически при отказе источника питания:

B.3.1.2.2.1 способные произвести отключение в случае аварийной ситуации (например, при замыкании на землю), после отказа источника питания при обрыве одной фазы в трехфазной системе или при понижении напряжения.

Примечание - Классификация согласно данному подпункту также распространяется на АВДТ, не способные автоматически отключаться в отсутствие опасной ситуации.

B.3.1.2.2.2 не способные произвести отключение в случае опасной ситуации (например, при замыкании на землю), возникающей при отказе источника питания.

B.3.2 По возможности регулирования отключающего дифференциального тока:

B.3.2.1 АВДТ нерегулируемые

B.3.2.2 АВДТ регулируемые (см. примечание В.4.1.1.1):

- с дискретным регулированием уставки;

- с плавным регулированием уставки.

B.3.3 По выдержке времени отключения дифференциального тока:

B.3.3.1 АВДТ без выдержки времени

B.3.3.2 АВДТ с выдержкой времени (см. В.2.3.8):

B.3.3.2.1 АВДТ с нерегулируемой выдержкой времени;

B.3.3.2.2 АВДТ с регулируемой выдержкой времени:

- с дискретным регулированием уставки;

- с плавным регулированием уставки.

B.3.4 Классификация в зависимости от поведения при наличии постоянной составляющей:

- АВДТ типа АС (см. В.4.4.1);

- АВДТ типа А (см. В.4.4.2).

B.4 Характеристики АВДТ в части функции дифференциального тока

В.4.1 Номинальные значения

B.4.1.1 Номинальный отключающий дифференциальный ток (IΔn)

Действующее значение синусоидального отключающего дифференциального тока (см. В.2.2.4), указанное для АВДТ изготовителем, при котором АВДТ должен отключаться в заданных условиях.

Примечание - Для регулируемых АВДТ отключающий дифференциальный ток наибольшей уставки служит для обозначения его номинала. Тем не менее, следует см. В.5, касающийся маркировки.

B.4.1.2 Номинальный неотключающий дифференциальный ток (IΔn0)

Действующее значение синусоидального неотключающего дифференциального тока (см. В.2.2.5), указанное для АВДТ изготовителем, при котором АВДТ не должен отключаться в заданных условиях.

В.4.1.3 Номинальная включающая и отключающая способности дифференциального тока (IΔm)

Действующее значение переменной составляющей ожидаемого дифференциального тока (см. В.2.4.2), указанное для ВДТ изготовителем, которое АВДТ может включать, проводить и отключать в заданных условиях.

В.4.2 Предпочтительные и предельные значения

B.4.2.1 Предпочтительные значения номинального отключающего дифференциального тока (IΔn)

Предпочтительными значениями номинального отключающего дифференциального тока являются: 0,006; 0,01; 0,03; 0,1; 0,3; 0,5; 1; 3; 10; 30 А.

Могут потребоваться более высокие значения.

Значение IΔn может быть выражено в процентах от номинального тока.

B.4.2.2 Минимальное значение номинального неотключающего дифференциального тока (IΔn0)

Минимальным значением номинального неотключающего дифференциального тока является 0,5 IΔn.

B.4.2.3 Предельное значение неотключающего тока при однофазной нагрузке

Предельное значение неотключающего тока при однофазной нагрузке должно соответствовать требованиям В.7.2.7.

B.4.2.4 Рабочие характеристики

В.4.2.4.1 АВДТ без выдержки времени

Рабочая характеристика АВДТ без выдержки времени приведена в таблице В.1.

Таблица В.1 - Рабочая характеристика АВДТ без выдержки времени

Дифференциальный ток

IΔn

2 IΔn

5 IΔn1)

10 IΔn2)

Максимальное время отключения, с

0,30

0,15

0,04

0,04

1) Для АВДТ с IΔn < 30 мА в качестве альтернативы к 5 IΔn можно взять ток 0,25 мА.

2) 0,5 А, если ток 0,25 А использован согласно сноске1).

АВДТ, имеющие IΔn < 30 мА, должны быть без выдержки времени.

В.4.2.4.2 АВДТ с выдержкой времени

B.4.2.4.2.1 Предельное время неотключения (см. В.2.3.7)

Для АВДТ с выдержкой времени предельное время неотключения отнесено к 2 IΔn и должно быть указано изготовителем.

Минимальное предельное время неотключения при 2 IΔn составляет 0,06 с.

Предпочтительными значениями предельного времени неотключения при 2 IΔn являются: 0,06; 0,1; 0,2; 0,3; 0,4; 0,5; 1 с.

Для защиты от косвенного контакта максимальная выдержка времени при IΔn составляет 1 с (см. 413-1 ГОСТ Р 50571.3).

B.4.2.4.2.2 Рабочая характеристика

Для АВДТ, имеющих предельное время неотключения более 0,06 с, изготовитель должен указать максимальное время отключения при IΔn, 2 IΔn, 5 IΔn и 10 IΔn.

Для АВДТ, предельное время неотключения которых составляет 0,06 с, рабочая характеристика приведена в таблице В.2.

Таблица В.2 - Рабочая характеристика АВДТ с выдержкой времени, имеющего предельное время неотключения 0,06 с

Дифференциальный ток

IΔn

2 IΔn

5 IΔn

10 IΔn

Максимальное время отключения, с

0,50

0,20

0,15

0,15

Если АВДТ имеет обратнозависимую время-токовую характеристику, то изготовитель должен указать характеристику - дифференциальный ток / время отключения.

В.4.3 Значение номинальной включающей и отключающей способностей дифференциального тока (IΔm)

Минимальное значение IΔm составляет 25 % от IΔcu.

Более высокие значения могут быть проверены и указаны изготовителем.

В.4.4 Рабочие характеристики в случае замыкания на землю при наличии или отсутствии постоянной составляющей

В.4.4.1 АВДТ типа АС

АВДТ, который обеспечивает отключение при синусоидальных переменных дифференциальных токах в отсутствие постоянной составляющей, внезапно появляющихся или медленно нарастающих.

B.4.4.2 АВДТ типа А

АВДТ, который обеспечивает отключение при синусоидальных переменных дифференциальных токах в присутствии заданных пульсирующих постоянных составляющих, внезапно появляющихся или медленно нарастающих.

B.5 Маркировка

a) В дополнение к маркировке, приведенной в 5.2, на АВДТ, выполненном за одно целое, должны быть маркированы и ясно видимы в установленном положении аппарата следующие данные:

- номинальный отключающий дифференциальный ток IΔn;

- уставки отключающего дифференциального тока, где имеются;

- предельное время неотключения при 2 IΔn для АВДТ с выдержкой времени - символом Δt, за которым следует значение предельного времени неотключения в миллисекундах, или, если предельное время неотключения составляет 0,06 с, - символом;

- орган управления устройства эксплуатационного контроля, где необходимо, буквой Т (см. также В.7.2.6);

- рабочая характеристика в случае дифференциальных токов в присутствии или в отсутствии постоянной составляющей:

для АВДТ типа АС - символом;

для АВДТ типа А - символом.

b) Следующие данные должны быть маркированы на УДТ и ясно видимы в установленном положении:

- номинальное напряжение, если отличается от номинального напряжения выключателя;

- значение (или диапазон значений) номинальной частоты, если отличается от указанной для выключателя;

- указание о том, что In ≤ ... А (где IΔn - максимальный номинальный ток выключателя, с которым может соединяться УДТ);

- номинальный отключающий дифференциальный ток IΔn;

- уставки отключающего дифференциального тока, где имеются:

- предельное время неотключения, как указано в перечислении а);

- орган управления устройством эксплуатационного контроля, как указано в перечислении а);

- рабочая характеристика в случае дифференциальных токов в присутствии или в отсутствии постоянной составляющей, как указано в перечислении а).

c) Следующие данные должны быть маркированы на УДТ и ясно видны после сборки с выключателем:

- наименование изготовителя или торговая марка;

- типоисполнение или серийный номер;

- обозначение выключателя(ей), с которым(ми) может соединяться УДТ, если неправильная сборка (которая могла бы сделать защиту неэффективной) не исключена конструктивно;

- ГОСТ Р 50030.2.

d) Следующие данные должны маркироваться на едином АВДТ или УДТ, что применяется, или содержаться в документации изготовителя:

- номинальная включающая и отключающая способности дифференциального тока IΔm, если она более 25 % от Icu (см. В.4.3);

- схема соединений, включая соединения испытательной цепи и, если необходимо, то соединения сети для АВДТ, зависящих от напряжения источника питания.

B.6 Нормальные условия эксплуатации, монтажа и транспортирования

Применяется раздел 6.

В.7 Требования к конструкции и работоспособности

B.7.1 Требования к конструкции

Должна быть исключена возможность изменения рабочей характеристики АВДТ, кроме способа специально предназначенного для регулировки номинального отключающего дифференциального тока или уставки выдержки времени.

АВДТ, состоящий из выключателя, должен иметь такую конструкцию, чтобы:

- соединяющая система УДТ с выключателем не требовала никаких механических и/или электрических соединений, которые могли бы оказать отрицательное воздействие на монтаж или нанести вред потребителю;

- присоединение УДТ не оказало отрицательного воздействия на нормальную работу и характеристики автоматического выключателя;

- УДТ не поддерживало длительного повреждения, обусловленного токами короткого замыкания во время испытательных циклов.

B.7.2 Требования к работоспособности

B.7.2.1 Действие при дифференциальном токе

АВДТ должен автоматически отключиться под действием любого тока утечки на землю или тока замыкания на землю, равного или превышающего номинальный отключающий дифференциальный ток в течение времени, превышающего время неотключения.

Срабатывание АВДТ должно удовлетворять требованиям по времени, указанным в В.4.2.4. Соответствие проверяют испытанием по В.8.2.

B.7.2.2 Номинальная включающая и отключающая способности дифференциального тока IΔm

АВДТ должен соответствовать требованиям к испытанию, приведенным в В.8.10.

B.7.2.3 Работоспособность

АВДТ должен удовлетворять испытаниям согласно В.8.1.1.1.

B.7.2.4 Воздействие условий окружающей среды

АВДТ должен работать удовлетворительно, принимая во внимание воздействие условий окружающей среды. Соответствие проверяют испытанием по В.8.11.

B.7.2.5 Электрическая прочность изоляции

АВДТ должны выдерживать испытания по В.8.3.

B.7.2.6 Устройство эксплуатационного контроля

АВДТ, предназначенные для защиты от поражения электрическим током, должны быть снабжены устройством эксплуатационного контроля, имитирующим прохождение дифференциального тока через устройство его обнаружения для обеспечения периодического контроля работоспособности АВДТ.

Устройство эксплуатационного контроля должно удовлетворять испытаниям по В.8.4.

На защитный проводник, если он имеется, не должно подаваться напряжение при работе устройства эксплуатационного контроля.

Не должно быть возможным появление в защищаемой цепи при использовании устройства эксплуатационного контроля, когда АВДТ находится в отключенном положении.

Устройство эксплуатационного контроля не должно быть единственным средством, осуществляющим операцию отключения, и не предназначено для использования в этом качестве.

Орган управления устройством эксплуатационного контроля должен маркироваться буквой Т. Он должен быть предпочтительно светлого цвета, но не красного и не зеленого.

Примечание - Устройство эксплуатационного контроля предназначено только для проверки функции отключения, но не значений, при которых осуществляется эта функция, т.е. номинального отключения дифференциального тока и времени отключения.

8.7.2.7 Предельное значение неотключающего тока при однофазной нагрузке

АВДТ должны выдерживать без отключения наименьшее из двух значений сверхтока:

- 6 IΔn;

- 80 % максимальной уставки расцепителя тока короткого замыкания.

Соответствие проверяют испытанием по В.8.5.

Однако это испытание не является обязательным для АВДТ категории применения В, поскольку соответствие требованиям данного подпункта проверяют во время цикла испытаний IV (или комбинированного цикла испытаний).

Примечание - Испытания при многофазных уравновешенных нагрузках не являются обязательными, поскольку считают, что на них распространяются требования настоящего пункта.

B.7.2.8 Устойчивость АВДТ к нежелательному отключению вследствие импульсов токов, вызванных импульсными напряжениями

В.7.2.8.1 Устойчивость к нежелательному отключению при возникновении емкостной сетевой нагрузки

АВДТ должны выдерживать испытание по В.8.6.1.

В.7.2.8.2 Устойчивость к нежелательному отключению в случае искрения без последующего тока

АВДТ должны выдерживать испытание по В.8.6.2.

В.7.2.9 Поведение АВДТ типа А в случае тока замыкания на землю, содержащего постоянную составляющую

В случае тока замыкания на землю, содержащего постоянную составляющую, АВДТ должен быть работоспособным при значениях максимального времени отключения, указанных в таблицах В.1 и В.2, что подходит, однако указанные значения испытательного тока должны быть увеличены на коэффициент:

1,4 - для АВДТ, имеющих IΔn > 0,015 А;

2 - для АВДТ, имеющих IΔn ≤ 0,015 А (или 0,03 А, берут большее значение).

Соответствие проверяют испытанием по В.8.7.

B.7.2.10 Условия работы АВДТ с возвращаемым в рабочее положение УДТ

Не должно быть возможным повторное включение АВДТ, имеющих УДТ с возвращением в рабочее положение (см. В.2.3.9), после отключения под действием дифференциального тока, если они не были возвращены в исходное положение.

Соответствие проверяют в процессе испытания по 8.3.3.3.4 согласно В.8.1.1.1.

B.7.2.11 Дополнительные требования к АВДТ, функционально зависящим от напряжения источника питания

АВДТ, функционально зависящие от напряжения источника питания, должны отключаться при любом значении напряжения источника питания между 0,85 и 1,1 его номинального значения.

Соответствие проверяют испытанием по В.8.2.3.

Если АВДТ рассчитан более чем на одну номинальную частоту или диапазон номинальных частот, то он должен срабатывать в соответствии с данным подпунктом при всех частотах. Соответствие проверяют проведением испытаний по В.8.2 и В.8.4.

Согласно их классификации, АВДТ, функционально зависящие от напряжения источника питания, должны соответствовать требованиям, указанным в таблице В.3.

Таблица В.3 - Требования к АВДТ, функционально зависящим от напряжения источника питания

Классификация АВДТ по 8.3.1

Поведение при отказе источника питания

Автоматически отключающиеся при отказе источника питания (В.3.1.2.1)

Без выдержки времени

Отключение без выдержки времени согласно В.8.8.2а

С выдержкой времени

Отключение с выдержкой времени согласно В.8.8.2b

Не отключающиеся автоматически при отказе источника питания (В.3.1.2.2)

Неотключение

То же, но способные к отключению в случае возникновения опасной ситуации (В.3.1.2.2.1)

Отключение согласно В.8.9

8.7.2.12 Устойчивость к высокочастотным помехам

8.7.2.12.1 Наносекундные импульсные помехи - общий вид.

АВДТ должен соответствовать требованиям ГОСТ Р 51317.4.4, уровень 4, т.е.:

4 кВ - на зажимах питания;

2 кВ - на вводных/выводных зажимах.

Испытания проводят в соответствии с В.8.12.1.

B.7.2.12.2 Устойчивость к скачкам тока

АВДТ должен соответствовать требованиям ГОСТ Р 51317.4.5, за исключением того, что испытательное напряжение должно быть 4 кВ между фазами, а также между фазой и землей.

Примечание - Вопрос о необходимости применения более высоких испытательных напряжений - в стадии рассмотрения.

Испытания проводят в соответствии с В.8.12.2.

B.7.2.12.3 Излучаемые радиочастотные электромагнитные поля

АВДТ должен соответствовать требованиям ГОСТ Р 51317.4.3, уровень 3, т.е. 10 В/м. Испытания проводят в соответствии с В.8.12.3.

B.7.2.12.4 Устойчивость к кондуктивным электромагнитным помехам, излучаемым радиочастотными полями

Вопрос - в стадии рассмотрения, согласно ГОСТ Р 51317.4.6.

B.7.2.13 Устойчивость к электростатическим разрядам

По ГОСТ Р 51317.4.2.

Испытание должно проводиться контактным разрядом по ГОСТ Р 51317.4.2, уровень 4, соответствующее напряжение 8 кВ.

Испытания проводят в соответствии с В.8.13.

В.7.2.14 Устойчивость к изменению напряжения

По ГОСТ Р 51317.4.11

Устойчивость к изменению напряжения учтена требованиями В.7.2.11.

В.7.3 Проверка радиочастотных излучений

По 7.3.3.2 МЭК 60947-1. АВДТ должен соответствовать требованиям таблицы 18 для условий окружающей среды 1 или таблице 19 - для условий окружающей среды 2, что применимо. Испытания проводят в соответствии с В.8.14.

В.8 Испытания

Настоящий раздел содержит испытания для АВДТ с номинальным отключающим дифференциальным током IΔn до 30 А включ.

Вопрос пригодности испытаний, содержащихся в настоящем пункте, когда IΔn > 30 А, должен согласовываться между изготовителем и потребителем.

Приборы для измерения дифференциального тока должны иметь класс точности не ниже 0,5 (см. МЭК 51 [3]) и показывать (или позволять определить) достоверное действующее значение.

Приборы для измерения времени должны иметь относительную погрешность не более 10 % от измеряемой величины.

В.8.1 Общие положения

Испытания, указанные в настоящем приложении, являются типовыми испытаниями, дополнительными к указанным в разделе 8.

АВДТ должны подвергаться всем соответствующим циклам испытаний раздела 8. При проверке электрической прочности изоляции во время этих циклов испытаний цепь управления УДТ, функционально зависящего от напряжения источника питания, может быть отсоединена от главной цепи (см. 8.3.3.2.2).

Испытания должны проводиться при токах практически синусоидальной формы.

Для АВДТ, содержащих отдельное УДТ и автоматический выключатель, сборка должна выполняться по инструкциям изготовителя.

Для АВДТ с несколькими уставками отключающего дифференциального тока испытания должны проводиться на наименьшей уставке, если не оговорено иначе.

Для АВДТ с регулируемой выдержкой времени (см. В.3.3.2.2) должна устанавливаться максимальная выдержка времени, если не оговорено иное.

В.8.1.1 Испытания, проводимые во время испытательных циклов раздела 8

B.8.1.1.1 Работоспособность в условиях эксплуатации

Во время циклов оперирования с током (см. 8.3.3.3.4), указанных в таблице 8 (см. 7.2.4.2), одна треть операций отключения должна выполняться устройством эксплуатационного контроля, другая треть - посредством дифференциального тока величиной IΔn (или, если применимо, величиной наименьшей уставки отключающего дифференциального тока) в одном из полюсов.

Не допускаются отказы при отключении.

Для АВДТ с возвращаемым в исходное положение УДТ необходимо проверить невозможность повторного включения АВДТ после расцепления без намеренного возвращения в исходное положение. Данная проверка должна проводиться с током в начале и в конце испытания на работоспособность (8.3.3.3.4).

B.8.1.1.2 Проверка устойчивости к токам короткого замыкания

B.8.1.1.2.1 Номинальная рабочая наибольшая отключающая способность (цикл испытаний II).

Согласно испытаниям по 8.3.4 проверку правильности срабатывания АВДТ в случае дифференциального тока следует проводить согласно В.8.2.4.1.

B.8.1.1.2.2 Номинальная предельная наибольшая отключающая способность (цикл испытаний III).

С целью проверки правильности срабатывания расцепителей токов перегрузки, испытания для единичного полюса, указанные в 8.3.5.1 и 8.3.5.4, следует заменить испытаниями для двух полюсов во всех возможных комбинациях фазовых полюсов по очереди; условия испытаний такие же, как в 8.3.5.1 и 8.3.5.4, но применительно к двум полюсам.

После испытания по 8.3.5 должна проводиться проверка правильности отключения АВДТ в соответствии с В.8.2.4.3.

B.8.1.1.2.3 Номинальный кратковременно выдерживаемый ток (цикл испытаний IV или комбинированный цикл испытаний)

a) Поведение во время испытания на номинальный кратковременно выдерживаемый ток

В процессе испытания по 8.3.6.2 или 8.3.8.2 (что применяется) не должно произойти отключения.

b) Проверка расцепителей токов перегрузки

Для цикла испытаний IV

При проверке правильности срабатывания расцепителей токов перегрузки согласно 8.3.6.1 и 8.3.6.6 испытания для единичного полюса, указанные в 8.3.5.1, должны быть заменены испытаниями для двух полюсов, выполняемыми во всех возможных комбинациях фазовых полюсов поочередно.

Для комбинированного цикла испытаний

Для проверки правильности срабатывания расцепителей токов перегрузки согласно 8.3.8.1 испытания для единичного полюса, указанные в 8.3.5.1, должны быть заменены испытаниями для двух полюсов, выполняемыми во всех возможных комбинациях фазовых полюсов поочередно.

Для проверки правильности срабатывания расцепителей токов перегрузки согласно 8.3.8.6 испытание, указанное в 8.3.3.7, должно проводиться с использованием трехфазного источника питания.

с) Проверка устройства отключения дифференциального тока

После испытаний по 8.3.6 или 8.3.8, что применяется, проверка устройства отключения дифференциального тока должна выполняться в соответствии с В.8.2.4.3.

B.8.1.1.2.4 Выключатели со встроенными предохранителями (цикл испытаний V)

После проверки правильности срабатывания расцепителей токов перегрузки испытания для единичного полюса, указанные в 8.3.7.4 и 8.3.7.8, должны быть заменены испытаниями для двух полюсов во всех возможных комбинациях фазных полюсов поочередно; условия испытаний - как указано в 8.3.7.4 и 8.3.7.8, но для двух полюсов. После испытания по 8.3.7 проверка правильности отключения АВДТ должна проводиться в соответствии с В.8.2.4.3.

B.8.1.1.2.5 Комбинированный цикл испытаний

После испытаний по 8.3.8 проверку правильности отключения АВДТ следует проводить в соответствии с требованиями В.8.2.4.3.

В.8.1.2 Дополнительные циклы испытаний

Дополнительные циклы испытаний должны проводиться на АВДТ согласно таблице В.4.

Таблица В.4 - Дополнительные циклы испытаний

Цикл

Испытание

Пункт

BI

Рабочая характеристика

В.8.2

Электроизоляционные свойства

В.8.3

Действие устройства эксплуатационного контроля при пределах номинального напряжения

В.8.4

Предельное значение неотключающего тока в условиях сверхтока

В.8.5

Устойчивость к нежелательному отключению вследствие импульсов токов, вызванных импульсными напряжениями

В.8.6

Поведение в случае тока замыкания на землю при наличии постоянной составляющей

В.8.7

Поведение в случае отказа источника питания для АВДТ, классифицируемых согласно В.3.1.2.1

В.8.8

Поведение в случае отказа источника питания для АВДТ, классифицируемых согласно В.3.1.2.2.1

В.8.9

BII

Наибольшая включающая и отключающая способности дифференциального тока (IΔm)

В.8.10

BIII

Воздействие условий окружающей среды

В.8.11

BIV

Устойчивость к высокочастотным электромагнитным помехам

В.8.12

Устойчивость к электростатическим разрядам

В.8.13

Радиочастотные излучения

В.8.14

В каждом из циклов испытаний BI-BIII испытывают по одному образцу.

В цикле испытаний ВIV для каждого испытания может использоваться новый образец, или один образец может использоваться для нескольких испытаний, по указанию изготовителя.

Цикл испытаний ВI

В.8.2 Проверка рабочей характеристики

B.8.2.1 Испытательная цепь

АВДТ должен устанавливаться как при нормальной эксплуатации. Испытательная цепь должна соответствовать рисунку В.1.

B.8.2.2 Испытательное напряжение для АВДТ, функционально независящего от напряжения источника питания

Испытание может проводиться при любом подходящем напряжении.

B.8.2.3 Испытательное напряжение для АВДТ, функционально зависящего от напряжения источника питания

Испытания должны проводиться при следующих значениях напряжения, прикладываемого к соответствующим зажимам:

0,85-кратном минимальном номинальном напряжении для испытаний, указанных в В.8.2.4 и В.8.2.5.1;

1,1-кратном максимальном номинальном напряжении для испытаний, указанных в В.8.2.5.2.

АВДТ, рассчитанные более чем на одну номинальную частоту или диапазон номинальных частот, должны испытываться в каждом случае при наибольшей и наименьшей номинальных частотах. Однако для АВДТ, рассчитанного на номинальную частоту 50 и 60 Гц, испытания при 50 или 60 Гц считают отвечающими требованиям.

B.8.2.4 Испытание без нагрузки при температуре (20±5) °С

Соединения показаны на рисунке В.1 АВДТ должен выдержать испытания по В.8.2.4.1-В.8.2.4.3, а также, где подходит, В.8.2.4.4. Все испытания проводят только на одном полюсе. Каждое испытание должно содержать три измерения или проверки, что подходит.

Если не оговорено иначе в данном приложении, то:

- для АВДТ, имеющих дискретное регулирование отключающего дифференциального тока, испытания должны проводиться для каждой уставки;

- для АВДТ, имеющих плавное регулирование отключающего дифференциального тока, испытания должны проводиться на наибольшей и наименьшей уставках и на одной промежуточной уставке;

- для АВДТ с регулируемой выдержкой времени ее устанавливают на минимальное значение.

B.8.2.4.1 Проверка правильности срабатывания в случае постепенного нарастания дифференциального тока

Выключатели S1, S2 и АВДТ устанавливают в замкнутое положение, дифференциальный ток постепенно увеличивают, начиная от величины не более 0,2 IΔn, до достижения величины IΔn в течение приблизительно 30 с, при этом ток отключения измеряют каждый раз. Каждое из трех результатов измеренных значений должно быть больше чем IΔn0, и меньше или равно IΔn.

B.8.2.4.2 Проверка правильности отключения в присутствии дифференциального тока

При откалиброванной на номинальное значение отключающего дифференциального тока IΔn цепи (или специальные уставки отключающего дифференциального тока, если имеются, см. В.8.2.4) и включенных выключателях S1 и S2, АВДТ включают в цепь так, чтобы возможно точнее имитировались рабочие условия. Время отключения измеряют три раза.

Результат измерения не должен быть более предельного значения, указанного для IΔn в В.4.2.4.1 или В.4.2.4.2.2, что применимо.

B.8.2.4.3 Проверка правильности срабатывания в случае внезапного появления дифференциального тока

Испытательную цепь калибруют на каждое из значений отключающего дифференциального тока IΔ, указанное в В.4.2.4.1 или В.4.2.4.2, что применимо. Выключатель S1 и АВДТ находятся в замкнутом положении, а дифференциальный ток внезапно подают включением выключателя S2.

АВДТ должен отключаться при каждой проверке.

При каждом значении IΔn проводят три измерения времени отключения. Ни одно из значений времени отключения не должно превысить соответствующее предельное значение.

B.8.2.4.4 Проверка предельного времени неотключения АВДТ с выдержкой времени

Испытательную цепь калибруют на 2 IΔ, испытательный выключатель S1 и АВДТ находятся в замкнутом положении, дифференциальный ток подают замыканием выключателя S2 и прикладывают в течение времени, равного предельному времени неотключения, указанному изготовителем согласно В.4.2.4.2.1.

Во время каждой из трех проверок АВДТ не должен отключаться. Если АВДТ имеет регулируемую уставку отключаемого дифференциального тока и/или регулируемую выдержку времени, испытание проводят, как применимо, при низшей уставке отключающего дифференциального тока и максимальной уставке выдержки времени.

B.8.2.5 Испытания при предельных температурах

Примечание - Верхний предел температуры может быть контрольной температурой.

Пределы температуры по данному пункту могут быть, по согласованию между изготовителем и потребителем, расширены. В этом случае испытания должны проводиться при согласованных пределах температуры.

B.8.2.5.1 Испытания без нагрузки при температуре минус 5 °С

АВДТ помещают в камеру при стабильной температуре окружающей среды от минус 7 до минус 5 °С. После достижения установившихся температурных условий АВДТ подвергают испытаниям по В.8.2.4.3 и, если необходимо, по В.8.2.4.4.

B.8.2.5.2 Испытания под нагрузкой при контрольной температуре или при температуре 40 °С

АВДТ с соединениями, выполненными по рисунку В.1, помещают в камеру с установившейся температурой среды, равной контрольной температуре (см. 4.7.3), или, в отсутствие контрольной температуры, равной (40±2) °С. Ток нагрузки, равный In (не указан на рисунке В.1), пропускают через все фазовые полюса.

После достижения установившихся температурных условий АВДТ подвергают испытаниям по В.8.2.4.3 и, где необходимо, по В.8.2.4.4.

B.8.3 Проверка электроизоляционных свойств

Электроизоляционные свойства АВДТ должны проверяться по устойчивости к импульсным напряжениям.

Испытание проводят согласно 8.3.3.4 МЭК 60947-1.

B.8.4 Проверка срабатывания устройства эксплуатационного контроля при пределах номинального напряжения

a) На АВДТ подают напряжение, равное 1,1-кратному наибольшему номинальному напряжению, устройство эксплуатационного контроля кратковременно приводят в действие 25 раз с интервалом 5 с, при этом АВДТ включают вновь перед каждой операцией.

b) Затем испытание а) повторяют при 0,85-кратном наименьшем номинальном напряжении; устройство эксплуатационного контроля приводят в действие три раза.

c) Затем испытание а) повторяют только один раз, при этом орган управления контрольного устройства удерживают во включенном положении в течение 5 с.

Для данных испытаний:

- в АВДТ с обозначенными зажимами питания и нагрузки соединения со стороны питания должны соответствовать маркировке;

- в АВДТ с необозначенными зажимами питания и нагрузки питание должно присоединяться к каждому набору зажимов по очереди или, альтернативно, к обоим наборам зажимов одновременно.

В каждом испытании АВДТ должен отключаться.

Для АВДТ, имеющих регулируемый отключающий дифференциальный ток:

- наименьшая уставка должна использоваться при испытаниях а) и с);

- наибольшая уставка должна применяться для испытания b).

Для АВДТ, имеющих регулируемую выдержку времени, испытание проводят при максимальной уставке выдержки времени.

Примечание - Проверку работоспособности контрольного устройства проводят испытанием В.8.1.1.1.

B.8.5 Проверка предельного значения неотключающего тока в условиях сверхтока

Соединения АВДТ должны соответствовать рисунку В.2. Полное сопротивление Z отрегулировано, чтобы в цепи создавался ток, равный меньшему из двух значений:

6 IΔn;

80 % максимальной уставки расцепителя тока короткого замыкания.

Примечание - С целью регулирования тока АВДТ D (см. рисунок В.2) может быть заменен перемычками с незначительным сопротивлением.

Для АВДТ с регулируемой уставкой дифференциального тока испытание проводят при наименьшей уставке.

АВДТ, функционально не зависящие от напряжения источника питания, испытывают при любом удобном напряжении.

АВДТ, функционально зависящие от напряжения источника питания, испытывают при своем номинальном напряжении (или, если уместно, при напряжении любого значения из диапазона номинальных напряжений).

Испытание проводят при коэффициенте мощности 0,5.

Выключатель S1, будучи разомкнутым, замыкают и снова размыкают через 2 с. Испытание повторяют три раза для каждой возможной комбинации токопроводящих путей с интервалом между последовательными операциями замыкания 1 мин.

АВДТ не должен сработать.

Примечание - Время 2 с можно уменьшить (но не менее минимального времени отключения) во избежание риска отключения под действием расцепителя (расцепителей) тока перегрузки АВДТ.

B.8.6 Проверка устойчивости к нежелательному отключению вследствие импульсов токов, вызванных импульсными напряжениями

Для АВДТ с регулируемой выдержкой времени (см. В.3.3.2.2) выдержка времени должна быть установлена на минимум.

В.8.6.1 Проверка устойчивости к нежелательному отключению в случае емкостной нагрузки сети

АВДТ испытывают с применением генератора импульсного тока, способного подавать затухающий колебательный ток, как показано на рисунке В.4.

Пример схемы цепи для подсоединения АВДТ показан на рисунке В.5.

Один полюс АВДТ, выбранный произвольно, должен подвергнуться 10 импульсам тока. Полярность волны импульсного тока должна меняться после каждых двух воздействий. Интервал между двумя последовательными воздействиями должен быть приблизительно 30 с. Ток импульса должен измеряться соответствующим способом и калиброваться с использованием дополнительного образца АВДТ такого же типа (см. В.3.4), отвечая следующим требованиям:

- пиковое значение ... 200 А+10 %

- фактическая длительность фронта ... 0,5 мкс ±30 %

- период следующей волны колебания ... 10 мкс ±20 %

- каждый последующий пик импульса ... около 60 % предыдущего пика.

В процессе испытаний АВДТ не должен отключаться.

В.8.6.2 Проверка устойчивости к нежелательному отключению в случае искрения без последующего тока

АВДТ испытывают с применением генератора импульсного тока, способного подавать волну импульсного тока 8/20 мкс без изменения полярности, как показано на рисунке В.6. Пример схемы цепи для подсоединения АВДТ показан на рисунке В.7.

Один полюс АВДТ, взятый произвольно, должен подвергнуться 10 импульсам тока. Полярность волны импульсного тока должна меняться после каждых двух воздействий. Интервал между двумя последовательными операциями должен составлять приблизительно 30 с.

Импульс тока должен измеряться соответствующим способом и калиброваться использованием дополнительного образца АВДТ такого же типа (см. В.3.4), отвечая следующим требованиям:

- пиковое значение ... 250 А+10 %

- фактическая длительность фронта (T1) ... 8 мкс ±10 %

- фактическое время достижения половинного значения (T2) ... 20 мкс ±10 %

В процессе испытаний АВДТ не должен отключиться.

В.8.7 Проверка поведения АВДТ типа А в случае тока замыкания на землю при наличии постоянной составляющей

B.8.7.1 Условия испытаний

Применяют условия испытаний по В.8 и В.8.2.1-В.8.2.3, а испытательные цепи должны соответствовать рисункам В.8 и В.9.

B.8.7.2 Проверки

В.8.7.2.1 Проверка правильности отключения в случае постепенного нарастания дифференциального пульсирующего постоянного тока

Испытание должно выполняться по схеме рисунка В.8. Вспомогательные выключатели S1, S2 и АВДТ D должны быть замкнуты. Соответствующий тиристор должен настраиваться таким образом, чтобы получить угол задержки тока α, равный 0,90, 135°.

Каждый полюс АВДТ должен испытываться при каждом значении угла задержки тока: дважды - в положении I и дважды - в положении II вспомогательного выключателя S3.

При каждом испытании ток, начиная с нуля, должен постепенно возрастать с приблизительной скоростью:

1,4 IΔn / 30 А/с - для АВДТ с IΔn > 0,015 А;

2,0 IΔn / 30 А/с - для АВДТ с IΔn < 0,015 А.

Ток отключения должен соответствовать значениям, указанным в таблице В.5.

Таблица В.5 - Диапазон отключающих токов для АВДТ, содержащих постоянную составляющую, в случае замыкания на землю

Угол α

Отключающий ток

Нижний предел

Верхний предел

0,35 IΔn

0,03 А - для IΔn ≤ 0,015 А

90°

0,25 IΔn

или

135°

0,11 IΔn

1,4 IΔn - для IΔn > 0,015 А

В.8.7.2.2 Проверка правильности отключения в случае внезапного появления дифференциального пульсирующего постоянного тока

Испытание должно выполняться по схеме рисунка В.8.

Цепь последовательно калибруют на нижеуказанные значения; вспомогательный выключатель S1 и АВДТ находятся в замкнутом положении, дифференциальный ток внезапно создается замыканием выключателя S2.

Примечание - В случае АВДТ, функционально зависящих от напряжения источника питания, классифицируемых по В.3.1.2.2.1, цепь управления которых питается со стороны главной цепи, данная проверка не учитывает время, необходимое для активизации АВДТ. Поэтому в этом случае считают, что проверка выполняется созданием дифференциального тока путем замыкания S1; испытуемый АВДТ и S2 предварительно замкнуты.

Для каждого значения испытательного тока при угле задержки тока α = 0° проводят четыре измерения: два - при вспомогательном выключателе в положении I и два - в положении II.

Для АВДТ с IΔn > 0,015 А испытание проводят при каждом значении IΔ, указанном в таблице В.1, умноженном на коэффициент 1,4.

Для АВДТ с IΔn ≤ 0,015 А испытание проводят при каждом значении IΔ, указанном в таблице В.1, умноженном на коэффициент 2 (или при 0,03 А, выбирают большее).

Ни одно из значений не должно превысить заданных предельных значений (см. 7.2.9).

B.8.7.2.3 Проверка правильности отключения под нагрузкой при контрольной температуре

Испытания по В.8.7.2.1 и В.8.7.2.2 повторяют с подачей в испытуемый полюс и один из остальных полюсов АВДТ номинального тока, включаемого непосредственно перед испытанием.

Примечание - Подача номинального тока на рисунке В.8 не показана.

B.8.7.2.4 Проверка правильности отключения в случае дифференциальных пульсирующих постоянных токов, на которые накладывается стабилизированный постоянный ток 0,006 А.

АВДТ испытывают по схеме рисунка В.9 с наложением на полуволну выпрямленного дифференциального тока (угол задержки тока α = 0°) стабилизированного постоянного тока 0,006 А.

Каждый полюс АВДТ испытывают по очереди, дважды в каждом из положений I и II.

Для АВДТ с IΔn > 0,015 А ток полуволны, начиная с нуля, равномерно возрастает с приблизительной скоростью 1,4 IΔn / 30 А/с; при этом отключение должно произойти до того, как ток достигнет значения не более 1,4 IΔn +0,006 А.

Для АВДТ с IΔn ≤ 0,015 А ток полуволны, начиная с нуля, равномерно возрастает с приблизительной скоростью 2 IΔn / 30 А/с; при этом отключение должно произойти до того, как ток достигнет значения не более 0,03+0,006 A.

B.8.8 Проверка поведения АВДТ, функционально зависящих от напряжения источника питания, классифицируемых по В.3.1.2.1

Для АВДТ, имеющих регулируемый отключающий дифференциальный ток, испытание проводят при наименьшей уставке.

Для АВДТ с регулируемой выдержкой времени испытание проводят при любой из уставок выдержки времени.

B.8.8.1 Определение предельной величины напряжения источника питания

Напряжение, равное номинальному напряжению, прикладывают к зажимам питания АВДТ, а затем постепенно понижают до нуля в течение периода времени, соответствующего наибольшему из двух значений, указанных ниже, до тех пор, пока не произойдет автоматическое отключение:

- около 30 с;

- период, достаточно продолжительный относительно отключения АВДТ с выдержкой времени, если таковая имеется (см. В.7.2.11).

Соответствующее напряжение измеряют.

Проводят три измерения. Все результаты должны быть менее 0,85-кратного минимального номинального напряжения АВДТ.

В результате этих измерений должно быть выявлено, что АВДТ отключается, когда пропускается дифференциальный ток, равный IΔn, а прикладываемое напряжение незначительно выше наибольшей измеренной величины. Затем должно быть проверено, что при любой величине напряжения, меньшей, чем минимальная измеренная величина, невозможно включить АВДТ органом ручного управления.

B.8.8.2 Проверка автоматического отключения в случае отказа источника питания

При включенном АВДТ напряжение, равное его номинальному напряжению, или, при наличии диапазона напряжений, одно из номинальных напряжений прикладывают к его сетевым зажимам. Затем напряжение отключают. АВДТ должен отключиться. Интервал времени между отключением напряжения и размыканием главных контактов измеряют.

Проводят три измерения:

a) для АВДТ, отключающихся без выдержки времени (см. В.7.2.11), ни одно значение не должно превышать 0,2 с;

b) для АВДТ, отключающихся с выдержкой времени, максимальное и минимальное значения должны входить в диапазон, указанный изготовителем.

B.8.9 Проверка поведения АВДТ, функционально зависящих от напряжения источника питания по классификации В.3.1.2.2.1 в случае отказа источника питания

Для АВДТ, имеющих регулируемый отключающий дифференциальный ток, испытание проводят при наименьшей уставке.

Для АВДТ, имеющих регулируемую выдержку времени, испытание проводят при любой из уставок выдержки времени.

B.8.9.1 Обрыв одной фазы в трехфазной системе

АВДТ подсоединяют по схеме рисунка В.3 и со стороны сети подают 0,85-кратное номинальное напряжение, или, при наличии диапазона номинальных напряжений, 0,85-кратное наименьшее номинальное напряжение. Затем одну фазу отключают размыканием выключателя S4, после чего АВДТ подвергают испытанию по В.8.2.4.3. Выключатель S4 замыкают вновь, далее испытание выполняют размыканием выключателя S5. Затем АВДТ подвергают испытанию по В.8.2.4.3.

Эту процедуру испытания повторяют при подсоединении регулируемого резистора R к каждой из двух оставшихся фаз поочередно.

B.8.9.2 Понижение напряжения (классификация по В.3.1.2.2.1)

АВДТ подсоединяют по схеме рисунка В.3 и со стороны сети подают номинальное напряжение или, при наличии диапазона номинальных напряжений, наименьшее номинальное напряжение.

Затем питание отключают размыканием S1. АВДТ не должен сработать. Затем S1 вновь замыкают и напряжение снижают следующим образом:

- для АВДТ с IΔn ≤ 1 А - до 50 В относительно нейтрали;

- для АВДТ с IΔn > 1 А - до 55 % наименьшего номинального напряжения.

Затем пропускают ток IΔn. АВДТ должен сработать. Эту процедуру повторяют при подсоединении регулируемого резистора R к каждой из двух оставшихся фаз поочередно.

Цикл испытаний ВII

B.8.10 Проверка наибольшей включающей и отключающей способностей дифференциального тока

Настоящее испытание предназначено для проверки способности АВДТ включать, пропускать в течение заданного времени и отключать дифференциальный ток короткого замыкания.

B.8.10.1 Условия испытаний

АВДТ должен испытываться согласно общим условиям испытаний, указанным в 8.3.2.6, используя рисунок 9 МЭК 60947-1, но при таком соединении, чтобы током короткого замыкания являлся дифференциальный ток.

Испытание проводят при напряжении фаза-нейтраль только на одном полюсе, который не должен быть нейтральным. Токопроводящие пути, которые не должны проводить дифференциальный ток короткого замыкания, подсоединяют к питающему напряжению со стороны зажимов питания.

Где необходимо, АВДТ регулируют на наименьшую уставку отключающего дифференциального тока и на максимальную уставку выдержки времени.

Если АВДТ имеет более одного значения Icu, каждое из которых имеет соответствующее значение IΔm, испытание проводят при максимальном значении IΔm и соответствующем напряжении фаза-нейтраль.

B.8.10.2 Методика испытания

Цикл выполняемых операций: О-t-СО.

B.8.10.3 Состояние АВДТ после испытания

B.8.10.3.1 После испытания по В.8.10.2 АВДТ не должен иметь повреждений, влияющих на его дальнейшую эксплуатацию, и должен без обслуживания:

- выдерживать в течение 1 мин напряжение, равное его двукратному максимальному номинальному рабочему напряжению, в условиях п. 8.3.3.2;

- включать и отключать свой номинальный ток при максимальном номинальном рабочем напряжении.

B.8.10.3.2 АВДТ должен удовлетворительно выдержать испытания, указанные в В.8.2.4.3, но при значении 1,25 IΔn и без измерения времени отключения. Испытание проводится на любом одном, выбранном произвольно, полюсе.

Если АВДТ имеет регулируемый дифференциальный рабочий ток, испытание проводят на наименьшей уставке при значении тока, равном 1,25-кратному току уставки.

B.8.10.3.3 Где необходимо, АВДТ должен также подвергаться испытанию по В.8.2.4.4.

B.8.10.3.4 АВДТ, функционально зависящие от напряжения источника питания, должны также выдерживать испытания по В.8.8 или В.8.9, что применимо.

Цикл испытаний BIII

B.8.11 Проверка воздействия условий окружающей среды

По ГОСТ 28216.

Значение верхней температуры должно быть (55±2) °С, число циклов должно быть:

6 - для IΔn > 1А;

28 - для IΔn ≤ 1А.

Примечание - Для АВДТ, с регулированием дифференциального тока, проводят 28-цикловое испытание, когда одна из возможных уставок меньше или равна 1А.

В конце циклов испытаний АВДТ должен удовлетворять испытаниям В.8.2.4.3, но при отключающем дифференциальном токе 1,25 IΔn и без измерения времени отключения. Необходимо провести только одну проверку.

При необходимости, АВДТ также должен удовлетворять испытанию по В.8.2.4.4. Необходимо провести только одну проверку.

В.8.12 Проверка устойчивости к высокочастотным электромагнитным помехам

B.8.12.1 Испытание на устойчивость к наносекундным импульсным помехам

По 7.2.1 ГОСТ Р 51317.4.4.

АВДТ должен быть установлен в соответствии с рисунком В.10, за исключением АВДТ, предназначенных для установки в специальной металлической оболочке (см. рисунок В.11).

Если применяют рисунок В.10, то экранирующая контрольная плоскость может быть как горизонтальной, так и вертикальной.

Для АВДТ с регулируемыми уставками отключающего дифференциального тока и/или выдержки времени испытания должны проводиться при наименьшей из этих уставок.

Напряжение питания АВДТ - номинальное рабочее, или в диапазоне номинальных рабочих напряжений - наибольшее номинальное рабочее напряжение.

Испытательные схемы должны соответствовать рисунку 4 ГОСТ Р 51317.4.4 с учетом инструкций по монтажу изготовителя.

Примечание - Вопрос о необходимости подсоединения вспомогательных цепей, не подлежащих испытанию, находится в стадии рассмотрения.

Испытания должны проводиться в соответствии с испытательным уровнем, приведенным в 8.7.2.12.1.

После испытания должна быть проверена правильность срабатывания АВДТ при внезапном появлении дифференциального тока согласно В.8.2.4.3, но только при IΔn.

Время отключения не должно превышать предельного времени, указанного для IΔn по В.4.2.4.1 или В.4.2.4.2, что применимо.

B.8.12.2 Испытание на устойчивость к скачкам тока

По 7.2 ГОСТ Р 51317.4.5.

Для удобства можно воспользоваться условиями монтажа, указанными в В.8.12.1, но использование экранирующей контрольной плоскости не обязательно.

Для АВДТ с регулируемыми уставками отключающего дифференциального тока и/или выдержки времени испытания должны проводиться при наименьшей из этих уставок.

Напряжение питания АВДТ - номинальное рабочее, или в диапазоне номинальных рабочих напряжений - наибольшее номинальное рабочее напряжение.

Условия испытаний и испытательные схемы должны соответствовать рисункам 6-9 ГОСТ Р 51317.4.5, что применимо, с учетом инструкций по монтажу изготовителя.

Испытания должны проводиться в соответствии с испытательным уровнем, приведенным в В.7.2.12.2.

В процессе испытаний АВДТ не должен расцепляться.

После испытания должна быть проверена правильность срабатывания АВДТ при внезапном появлении дифференциального тока согласно В.8.2.4.3, но только при IΔn.

Время отключения не должно превышать предельного времени, указанного для IΔn по В.4.2.4.1 или В.4.2.4.2, что применимо.

B.8.12.3 Испытание на устойчивость к излучаемым радиочастотным электромагнитным полям

По разделу 7 ГОСТ Р 51317.4.3.

АВДТ должны испытываться на открытом воздухе, если не предназначены для использования только в специальной индивидуальной оболочке; в этом случае они должны испытываться в указанной оболочке. Детали испытания, включая размеры оболочки, должны быть приведены в протоколе испытаний.

Для АВДТ с регулируемыми уставками отключающего дифференциального тока и/или выдержки времени испытания должны проводиться при наименьшей из этих уставок.

Напряжение питания АВДТ - номинальное рабочее, или в диапазоне номинальных рабочих напряжений - наибольшее номинальное рабочее напряжение.

Условия испытаний и испытательные схемы должны соответствовать рисункам 5 или 6 ГОСТ Р 51317.4.3, что применимо, с учетом инструкций по монтажу изготовителя. Тип используемого кабеля должен быть приведен в протоколе испытаний.

При использовании антенны, генерирующей поляризованный сигнал, например биконической или логопериодической антенны, испытание следует проводить дважды: один раз - при горизонтальной поляризации и другой раз - при вертикальной поляризации, на двух плоскостях, с выбором наиболее чувствительных.

Испытания должны проводиться в соответствии с требованиями В.7.2.12.3.

Один из полюсов АВДТ, выбираемый произвольным образом, нагружают дифференциальным током, равным 0,3 IΔn.

Затем частоту развертывают в диапазоне 80-1000 МГц в соответствии с разделом 8 ГОСТ Р 51317.4.3.

В процессе испытаний АВДТ не должен расцепляться.

На каждой из следующих частот - 80, 120, 160, 240, 320, 480, 640 и 960 МГц - АВДТ должен нагружаться дифференциальным током, равным 1,25 IΔn. Время развертки на каждой из частот должно быть не менее, чем максимальное время отключения, указанное для IΔn в таблице В.1 или В.2, что применимо.

АВДТ должен расцепляться на каждой испытуемой частоте.

После испытания должна быть проверена правильность срабатывания АВДТ при внезапном появлении дифференциального тока согласно В.8.2.4.3, но только при IΔn.

Время отключения не должно превышать предельного времени, указанного для IΔn в таблице В.1 или В.2, что применимо.

Примечание - Вопрос об одобрении других вариантов испытаний для кондуктивных электромагнитных помех, вызванных радиочастотными полями согласно ГОСТ Р 51317.4.6, находится в стадии рассмотрения.

B.8.13 Испытания на устойчивость к электростатическим разрядам

По разделу 7 ГОСТ Р 51317.4.2.

АВДТ должны испытываться на открытом воздухе, если не предназначены для использования только в специальной индивидуальной оболочке; в этом случае они должны испытываться в указанной оболочке.

Детали испытания, включая размеры оболочки, должны быть приведены в протоколе испытаний.

Для АВДТ с регулируемыми уставками отключающего дифференциального тока и/или выдержки времени испытания должны проводиться при наименьшей из этих уставок. Напряжение питания АВДТ - номинальное рабочее, или в диапазоне номинальных рабочих напряжений - наибольшее номинальное рабочее напряжение.

Условия испытаний и испытательные схемы должны соответствовать рисункам 5 или 6 ГОСТ Р 51317.4.2, что применимо, с учетом инструкций по монтажу изготовителя. Тип используемого кабеля должен быть приведен в протоколе испытаний.

Испытанию подвергают только те части выключателя, которые доступны для оператора при нормальной эксплуатации (например, устройство регулировки, кнопочная панель, орган управления, оболочка).

В случае возникновения разряда в любой испытательной точке испытание повторяют десять раз с интервалом не менее 1 с.

К металлическим оболочкам, при их наличии, разряды должны прикладываться в достаточном количестве точек (см. 8.3.2 ГОСТ Р 51317.4.2).

Условия испытаний - в соответствии с требованиями В.7.2.13.

Испытания проводят без нагрузки.

После испытания должна быть проверена правильность срабатывания АВДТ при внезапном появлении дифференциального тока согласно В.8.2.4.3, но только при IΔn.

Время отключения не должно превышать предельного времени, указанного для IΔn в таблице В.1 или В.2, что применимо.

B.8.14 Испытания на радиочастотные излучения

АВДТ должны отвечать требованиям В.7.3.

АВДТ должны испытываться на открытом воздухе.

Примечание - Поскольку считают, что испытания на открытом воздухе относятся к наиболее жестким условиям, в испытаниях в оболочке нет необходимости.

Тип используемого кабеля должен быть приведен в протоколе испытаний.

B.8.14.1 Испытания на кондуктивные радиочастотные излучения

Описание испытания, методика и испытательное устройство приведены в ГОСТ Р 51318.11 - для условий окружающей среды 1 и в ГОСТ Р 51318.22 - для условий окружающей среды 2.

B.8.14.2 Испытание на радиочастотное электромагнитное излучение

Испытания проводят в соответствии с F.11.2, но со следующими изменениями:

- напряжение питания АВДТ - номинальное рабочее, или в диапазоне номинальных рабочих напряжений - наибольшее номинальное рабочее напряжение;

- испытание проводят без тока нагрузки и дифференциального тока.

B.8.15 Испытание на изменение или отключение напряжения и провалы напряжения

Примечание - Определение провала напряжения см. ГОСТ Р 51317.4.11.

Соответствующие испытания по В.8.8 и В.8.9 считают учитывающими требования к ЭМС.

Поэтому дополнительных испытаний не требуется.

S1 - многополюсный выключатель; S2 - однополюсный выключатель; D - испытуемый АВДТ; V - вольтметр; А - амперметр; R - регулируемый резистор

Рисунок В.1 - Испытательная цепь для проверки рабочей характеристики (см. В.8.2)

А - амперметр; V - вольтметр; D - испытуемый АВДТ; S1 - двухполюсный выключатель; Z - регулируемое полное сопротивление

Рисунок В.2 - Испытательная цепь для проверки предельной величины тока неотключения в условиях сверхтока (см. В.8.5)

V - вольтметр; А - амперметр; D - испытуемый АВДТ; S1 - многополюсный выключатель; S2 - однополюсный выключатель; S3, S4, S5 - однополюсные выключатели, размыкающие одну фазу (поочередно); R - регулируемый резистор

Рисунок В.3 - Испытательная цепь для проверки поведения АВДТ, классифицируемого согласно В.3.1.2.2.1 (см. В.8.9)

Рисунок В.4 - Волна тока 0,5 мкс / 100 кГц

1 - фильтр; L = 5 мкГн; R1 = R2 = 25 Ом; C1 = 0,5 мкФ; С2 = 5 нФ; X - зажим заземления, если имеется, подсоединенный к нейтральному зажиму, если он маркирован, или, в отсутствие такой маркировки, к любому фазовому зажиму

Примечание - Значения компонентов цепи даны исключительно ориентировочно, и может потребоваться регулировка для приведения формы волны в соответствие с требованиями рисунка В.4.

Рисунок В.5 - Пример испытательной цепи для проверки устойчивости к нежелательному отключению

Рисунок В.6 - Волна импульсного тока 8/20 мкс

1 - фильтр; X - зажим заземления, если имеется, подсоединяемый к нейтральному зажиму, если он маркирован, или, в отсутствие такой маркировки, к любому фазовому зажиму

Рисунок В.7 - Пример испытательной цепи для проверки устойчивости к нежелательному отключению в случае искрения без последующего тока (см. В.8.6.2)

D - испытуемый АВДТ; V - вольтметр; А - амперметр (измерение действующего значения); R - регулируемый резистор; S1 - многополюсный выключатель; S2 - однополюсный выключатель; S3 - выключатель на два направления; SCR - тиристоры

Рисунок В.8 - Испытательная цепь для проверки правильности отключения АВДТ в случае дифференциальных пульсирующих постоянных токов (см. В.8.7.2.1-В.8.7.2.3)

D - испытуемый АВДТ; V - вольтметр; А - амперметр (измерение действующего значения); R1, R2 - регулируемые резисторы; S1 - многополюсный выключатель; S2 - однополюсный выключатель; S3 - выключатель на два направления; SCR - тиристоры

Рисунок В.9 - Испытательная цепь для проверки правильности отключения АВДТ в случае дифференциального пульсирующего постоянного тока, на который накладывается сглаженный постоянный дифференциальный ток (см. В.8.7.2.4)

X - экранирующая контрольная плоскость согласно ГОСТ Р 51317.4.4; Y - изоляционная панель

Рисунок В.10 - Испытательная установка для проверки АВДТ, кроме предназначенных для использования в специальных металлических оболочках, на устойчивость к наносекундным импульсным помехам (см. В.8.12.1)

1 - металлическая оболочка; 2 - металлическая панель; L 1 м - максимальная длина кабеля между АВДТ и соединительным устройством; d - любой размер, но не менее 0,1 м; d1, d2 - согласно конструкции изготовителя; d3 - максимальное расстояние, допускаемое конструкцией

Рисунок В.11 - Испытательная установка для проверки АВДТ, предназначенных для использования в специальных металлических оболочках, на устойчивость к наносекундным импульсным помехам (см. В.8.12.1)

ПРИЛОЖЕНИЕ С

(обязательное)

Цикл испытаний на короткое замыкание отдельных полюсов

С.1 Общие положения

Испытаниям этого цикла подлежат многополюсные выключатели, предназначенные для систем с заземлением фазы и идентифицируемые по 4.3.1.1. В цикл входят следующие испытания:

- наибольшая отключающая способность отдельных полюсов (Isu) (С.2);

- проверка электрической прочности изоляции (см. С.3);

- проверка расцепителей токов перегрузки (см. С.4).

С.2 Испытание на наибольшую отключающую способность отдельного полюса

Испытание на короткое замыкание выполняют в общих условиях по 8.3.2 при значении ожидаемого тока Isu, равном 25 % номинальной предельной наибольшей отключающей способности Icu.

Примечание - Значения выше 25 % от Icu могут быть проверены и указаны изготовителем.

Прикладываемое напряжение до включения должно равняться межфазному напряжению, соответствующему максимальному номинальному рабочему напряжению выключателя, при котором он пригоден для использования в системах с заземлением фазы. Число образцов, подлежащих испытанию, и уставки расцепителей с регулируемой уставкой должны соответствовать таблице 10. Коэффициент мощности должен соответствовать таблице 11 в зависимости от испытательного тока.

Испытательная цепь должна соответствовать 8.3.4.1.2 и рисунку 9 МЭК 60947-1 с питанием от двух фаз трехфазного источника питания и с присоединением плавкого элемента F к оставшейся фазе. Оставшийся полюс (или полюса) должны быть также соединены с этой фазой через плавкий элемент F.

Цикл выполняемых операций: О-t-СО.

Цикл должен проводиться на каждом отдельном полюсе поочередно.

С.3 Проверка электрической прочности изоляции

После испытания по С.2 следует проверить электрическую прочность изоляции по 8.3.5.3.

С.4 Проверка расцепителей токов перегрузки

После испытания по С.3 следует проверить срабатывание расцепителей токов перегрузки по 8.3.5.4.

ПРИЛОЖЕНИЕ D

(рекомендуемое)

Воздушные зазоры и расстояния утечки

D.1 Общие положения

D.1.1 Требуемые значения воздушных зазоров и расстояний утечки в большей степени зависят от таких переменных факторов, как атмосферные условия, тип применяемой изоляции, расположение путей утечки и состояние системы, в которой должен использоваться выключатель. Поэтому ответственность за выбор нужного значения несет изготовитель.

D.1.2 Поверхность изоляционных частей рекомендуется выполнять ребристой, с таким расположением ребер, чтобы не нарушить целостность токопроводящих осадков, которые могли бы на ней образоваться.

D.1.3 Токоведущие части, покрытые только лаком или эмалью, либо защищенные только оксидированием или аналогичным процессом, не следует считать изолированными с точки зрения определения воздушных зазоров или расстояний утечки.

D.1.4 Воздушные зазоры и расстояния утечки должны сохраняться при следующих обстоятельствах:

- с одной стороны, - при отсутствии внешних электрических соединений; с другой стороны, - когда проводники, изолированные или оголенные, типа и размеров, указанных для выключателя, установленного согласно инструкциям изготовителя, при их наличии;

- после замены взаимозаменяемых частей с учетом максимальных допусков при изготовлении;

- принимая во внимание возможные деформации, обусловленные влиянием температуры, старения, толчков, вибрации или условиями короткого замыкания, которые должен выдерживать автоматический выключатель.

D.2 Определение воздушных зазоров и расстояний утечки

При определении воздушных зазоров и расстояний утечки рекомендуется учитывать ряд факторов.

D.2.1 При определении расстояния утечки желобки шириной и глубиной по крайней мере 2 мм измеряют по контуру. Желобки меньших размеров, а также любых размеров, подверженные осаждению грязи, не учитывают, а расстояние измеряют по прямой.

D.2.2 При определении расстояний утечки ребра высотой менее 2 мм не учитывают. Ребра высотой по крайней мере 2 мм измеряют:

- по контуру, если они составляют неотъемлемую часть детали из изоляционного материала (например, литые или приваренные);

- по более короткому из двух расстояний: по длине стыка или профилю ребра, если они не составляют неотъемлемой части детали из изоляционного материала.

D.2.3 Применение этих рекомендаций иллюстрируется примерами 1-11 из приложения G МЭК 60947-1.

ПРИЛОЖЕНИЕ Е

(рекомендуемое)

Вопросы, подлежащие согласованию между изготовителем и потребителем

Примечание - В данном приложении:

- «соглашение» понимают в очень широком смысле;

- к «потребителям» относятся также испытательные лаборатории.

По приложению J МЭК 60947-1 со следующими дополнениями:

Раздел или пункт настоящего стандарта

Содержание

4.3.5.3

Выключатели с более высокой наибольшей включающей способностью, чем по таблице 2

7.2.1.2.1

Автоматическое размыкание иное, чем свободное расцепление и посредством накопления энергии

8.3.2.1, таблица 10

Уставки максимальных расцепителей токов перегрузки с промежуточными значениями при испытаниях на короткое замыкание

8.3.2.5

Метод испытания на превышение температуры четырехполюсных выключателей с условным тепловым током св. 63 А

8.3.2.6.4

Значение испытательного тока для испытания на короткое замыкание четвертого полюса четырехполюсных выключателей

8.3.3.1.3b

Значение испытательного тока для проверки время-токовых характеристик с обратнозависимой выдержкой времени

8.3.3.4

Повышение жесткости условий испытаний на работоспособность при перегрузках

8.3.3.7 и 8.3.3.4

Допустимый интервал между проверками превышения температуры и работы расцепителей токов перегрузки в циклах испытаний I и II

8.4.2

Калибровка расцепителей, иных чем максимальные, независимые и минимальные

В.8

Применяемость испытаний, когда IΔn > 30 А

В.8.2.5

Расширение пределов испытательной температуры окружающего, воздуха

F.4.1.3

Испытание при токе, меньшем двукратной уставки тока

ПРИЛОЖЕНИЕ F

(обязательное)

Дополнительные требования к автоматическим выключателям с электронной защитой от сверхтоков

F.1 Область применения

Настоящее приложение относится к выключателям, обеспечивающим защиту от максимальных токов посредством электронного устройства, встроенного в выключатель и независимого от сетевого напряжения или любого другого вспомогательного источника.

В приложении содержатся испытания для проверки работоспособности автоматических выключателей в заданных условиях окружающей среды.

Настоящее приложение не включает специфических испытаний, предназначенных для проверки иных функций электронного устройства, чем защита от сверхтоков. Тем не менее испытания по данному приложению должны гарантировать, что электронное устройство не влияет на исполнение функции защиты от сверхтоков.

F.2 Перечень испытаний

Испытания, указанные в настоящем приложении, являются типовыми и дополнительными испытаниями к разделу 8.

Примечание - При наличии стандарта на специфические условия окружающей среды, на него следует ссылаться, если уместно.

F.2.1 Испытания на устойчивость к электромагнитным помехам

F.2.1.1 Испытания на устойчивость к низкочастотным электромагнитным помехам в силовых электросетях

a) Испытания на устойчивость к несинусоидальным токам, результирующим от гармоник, проводят по F.4.1.

b) Испытания на устойчивость к провалам и разрывам тока проводят по F.4.2.

F.2.1.2 Испытания на устойчивость к кратковременным кондуктивным помехам и высокочастотным электромагнитным помехам

Проводят согласно F.5.

F.2.1.3 Испытания на устойчивость к электростатическим разрядам

Проводят согласно F.6.

F.2.1.4 Испытания на устойчивость к воздействию излучения электромагнитного поля

a) Когда поле генерируется радиочастотными излучениями, испытания проводят согласно F.7.

b) Когда поле генерируется токами промышленной частоты в непосредственной близости от проводов, считают, что проверка устойчивости к ложному срабатыванию и повреждению учитывается в циклах испытаний.

F.2.2 Испытание на сухое тепло

Проводят согласно F.8.

F.2.3 Испытание на влажное тепло

Проводят согласно F.10.

F.2.4 Испытание на тепловой удар

Проводят согласно F.9.

F.2.5 Проверка радиочастотных излучений

Проводят согласно F.11.

F.3 Общие условия испытаний

Испытания согласно настоящему приложению могут проводиться отдельно от испытательных циклов раздела 8.

Для испытаний на электромагнитную совместимость (ЭМС) (см. F.2.1.2-F.2.1.4) берут один выключатель каждого типоразмера.

В испытаниях на устойчивость к низкочастотным электромагнитным помехам (см. F.2.1.1) для каждого типоразмера испытывают один выключатель каждого типа датчика тока; замену числа витков обмотки в этом случае не считают отличием.

Для каждого испытания может испытываться новый выключатель, или один выключатель может использоваться для нескольких испытаний, по усмотрению изготовителя.

После каждого испытания или серии испытаний, выполняемых на одном и том же выключателе, должна проводиться проверка соответствия требованиям 7.2.1.2.4, если не указано иначе. В этой проверке нет необходимости, если испытания выполняют до испытательного цикла I на одном и том же выключателе.

Во время испытаний по F.2.1 все уставки расцепителей должны быть отрегулированы на минимальное значение; исключение составляет испытание по F.2.1.1, согласно которому испытание должно преимущественно проводиться при минимальном значении, но может выполняться и при любом подходящем значении.

Принято, чтобы характеристики срабатывания выключателей с электронной защитой от сверхтока были одни и те же, независимо от того, какие испытания проводят:

- на отдельных полюсах многополюсных выключателей;

- на двух или трех полюсах, соединенных последовательно;

- при трехфазном соединении.

Это дает возможность провести сравнение результатов испытаний, полученных при разных комбинациях полюсов, как требуется в испытательных циклах.

Для проверки на радиочастотные излучения согласно F.11 должен испытываться в наиболее неблагоприятных условиях один выключатель для расцепителя каждого типа и типоразмера.

Для выключателей дифференциального тока (АВДТ) (см. приложение В):

- согласно F.2.1.2-F.2.1.4 испытания проводят на паре полюсов для многополюсных выключателей во избежание непреднамеренного срабатывания вследствие дифференциального тока;

- согласно F.2.1.1 испытания могут выполняться при любой комбинации полюсов до тех пор, пока возможно избежать непреднамеренного срабатывания вследствие дифференциального тока.

F.4 Испытания на устойчивость к низкочастотным электромагнитным помехам в силовых электросетях

Целью данных испытаний является проверка устойчивости максимальных расцепителей тока к наличию гармоник, провалам и разрывам тока.

F.4.1 Испытания, касающиеся несинусоидальных токов в результате гармоник

Эти испытания должны проводиться для выключателей, устройства обнаружения тока которых чувствительны к действующему значению тока.

Эта информация должна либо маркироваться надписью «действ. значение» поблизости от устройства уставки расцепителя токов перегрузки, либо указываться в документации изготовителя.

F.4.1.1 Условия испытаний

Где необходимо, испытания должны проводиться при частоте как 50, так и 60 Гц.

Испытательные токи генерируются силовым источником на базе тиристоров, сердечников с подмагничиванием, программируемых источников или других подходящих источников.

Форма волны (волн) испытательного тока должна соответствовать одному из двух следующих вариантов:

a) две формы волны, прикладываемые последовательно:

- одна форма волны, состоящая из основной составляющей и третьей гармонической составляющей;

- другая форма волны, состоящая из основной составляющей и пятой гармонической составляющей;

b) форма волна, состоящая из основной составляющей и третьей, пятой и седьмой гармонических составляющих.

Испытательные токи указаны в F.4.1.1.1 и F.4.1.1.2 для варианта а) и в F.4.1.1.3 - для варианта b).

F.4.1.1.1 Испытание третьей гармоникой и коэффициент амплитуды

Испытательный ток должен определяться так:

- 72 % основной составляющей ≤ третья гармоника ≤ 88 % основной составляющей;

- коэффициент амплитуды ... 2,0 ± 0,2.

Примечание - Коэффициент амплитуды - это пиковое значение тока, деленное на действующее значение волны тока.

F.4.1.1.2 Испытание пятой гармоникой и коэффициент амплитуды Испытательный ток должен определяться так:

- 45 % основной составляющей ≤ пятая гармоника ≤ 55 % основной составляющей;

- коэффициент амплитуды ... 1,9 ± 0,2.

F.4.1.1.3 Испытание составными гармониками и коэффициент амплитуды Испытательный ток должен определяться так:

- время прохождения тока в течение каждого полупериода, меньшего или равного 42 % периода;

- коэффициент амплитуды равен или больше 2,1.

Примечание - Упомянутый испытательный ток имеет следующие гармонические составляющие по отношению к основной составляющей:

- третья гармоника св. 60 %;

- пятая гармоника св. 14 %;

- седьмая гармоника св. 7 %.

F.4.1.2 Методика испытания

Испытания проводят на любой паре фазовых полюсов согласно 7.2.1.2.4b и в соответствии с требованиями F.4.1.3 при испытательном токе, соответствующем напряжении и соединениях, выполненных согласно рисунку F.1.

Во время испытания все вспомогательные устройства должны быть отключены.

F.4.1.3 Требования к испытаниям

При пропускании каждого из испытательных токов характеристики расцепителей токов перегрузки должны соответствовать следующим требованиям:

- при токе, равном 0,95-кратному условному току несрабатывания (см. таблицу 6), не должно произойти срабатывание. Длительность испытания должна составлять 10-кратное время срабатывания, соответствующее двукратной уставке по току;

- при токе, равном 1,05-кратному условному току срабатывания (см. таблицу 6), срабатывание должно произойти в течение условного времени;

- при токе, равном двухкратной уставке по току, время срабатывания должно быть в пределах 1,1-кратного максимального и 0,9-кратного минимального значений время-токовых характеристик, установленных изготовителем.

Примечание - Если располагаемым испытательным оборудованием нельзя достичь тока, равного двукратной уставке по току, можно, по согласованию с изготовителем, использовать более низкое значение испытательного тока, которое должно быть как можно выше.

F.4.2 Испытание, относящееся к провалам и разрывам тока

F.4.2.1 Условия испытаний

Испытательная цепь должна соответствовать рисунку F.1.

F.4.2.2 Методика испытания

Испытания выполняют на любой одной паре фазовых полюсов, пропускающей синусоидальные испытательные токи при любом подходящем напряжении. Ток должен пропускаться согласно рисунку F.2 и таблице F.1, где T - период синусоидального тока.

Длительность каждого испытания должна быть между трех- и четырехкратным максимальным временем срабатывания, соответствующим двукратной уставке по току, или 10 мин, берут меньшее.

F.4.2.3 Требования к испытанию

Выключатель не должен сработать во время ни одного из испытаний.

Таблица F.1 - Испытательные параметры провалов и разрывов тока

Номер испытания

I2

Δt

Номер испытания

I2

Δt

 

1

0

0,5 Т

6

0,4 I1

10,0 Т

 

2

1,0 T

7

25,0 Т

 

3

5,0 Т

8

50,0 T

 

4

25,0 Т

9

0,7 I1

10,0 Т

5

50,0 Т

10

 

11

25,0 Т

 

50,0 Т

 

F.4.3 Испытание, относящееся к изменениям частоты питания

Испытание проводят для выключателей, которые определены как не чувствительные к изменениям частоты питания (например, 50 или 60 Гц).

F.4.3.1 Условия испытаний

Испытательный ток должен быть синусоидальным и генерируемым соответствующим источником питания.

Частота тока должна регулироваться с шагом 1 Гц в пределах диапазона частоты, указанной изготовителем.

F.4.3.2 Методика испытания

Испытание проводят на любой паре фазовых полюсов, пропускающих испытательный ток, при любом подходящем напряжении согласно рисунку F.1.

Во время испытаний все вспомогательные устройства должны быть отключены.

F.4.3.3 Требования к испытаниям

Для каждой испытательной частоты характеристики расцепителей токов перегрузки должны отвечать следующим требованиям:

- при токе, равном 0,95-кратному условному току несрабатывания (см. таблицу 6), не должно происходить срабатывания. Длительность испытания должна быть равна 10-кратному времени срабатывания, соответствующему двукратной уставке по току;

- при токе, равном 1,05-кратному условному току срабатывания (см. таблицу 6), срабатывание должно произойти в пределах условного времени;

- при токе, равном двукратной уставке по току, время срабатывания должно быть в пределах 1,1-кратного максимального и 0,9-кратного минимального значений время-токовых характеристик, указанных изготовителем.

Каждая уставка по току расцепителя мгновенного действия или с выдержкой времени должна, если уместно, регулироваться до 2,5-кратной уставки по току. Если данная уставка не применима, должны использоваться ближайшие наибольшие уставки.

F.5 Испытания на устойчивость к кондуктивным и высокочастотным электромагнитным помехам

Целью данных испытаний является проверка правильности срабатывания максимальных расцепителей тока в присутствии электромагнитных помех.

F.5.1 Нормативные ссылки

В разделе F.5 используют ссылки на следующие стандарты:

ГОСТ Р 51317.4.4-99 (МЭК 61000-4-4-95) Совместимость технических средств электромагнитная. Устойчивость к наносекундным импульсным помехам. Требования и методы испытаний

ГОСТ Р 51317.4.5-99 (МЭК 61000-4-5-95) Совместимость технических средств электромагнитная. Устойчивость к микросекундным импульсным помехам, большой энергии. Требования и методы испытаний

F.5.2 Испытания

F.5.2.1 Условия испытаний

Испытания на устойчивость к наносекундным импульсным помехам (ГОСТ Р 51317.4.4) проводят по уровню жесткости 4, колебания - общего типа.

Испытания на устойчивость к скачкам напряжения / тока (ГОСТ Р 51317.4.5) проводят при колебаниях общего и дифференциального типа:

- на уровне 4 кВ / 2 кА - для выключателей с Uimp ≤ 4 кВ;

- на уровне 6 кВ / 3 кА - для выключателей с Uimp > 4 кВ.

Испытательная цепь должна соответствовать рисункам F.3-F.6.

Выключатель должен испытываться в металлической оболочке, соединенной плоским основанием с заземлением, при помощи генератора переходных процессов согласно рисунку F.7 (соединительные провода не показаны).

Минимальное расстояние токоведущих частей до металлической оболочки должно быть 0,1 м. Отверстие в оболочке должно обеспечивать доступ к органу управления, устройствам регулировки и индикаторам, при их наличии.

F.5.2.2 Методика испытаний

F.5.2.2.1 Испытания по ГОСТ Р 51317.4.4.

Наносекундные импульсные помехи

a) Помехи, прикладываемые к главной цепи.

Испытания проводят на всех полюсах поочередно по рисунку F.3.

b) Помехи, прикладываемые к вспомогательным цепям, которые могут быть присоединены к главной цепи.

Испытания проводят между вводом и выводом каждой вспомогательной цепи, которые могут быть присоединены к главной цепи согласно рисунку F.5.

F.5.2.2.2 Испытания по ГОСТ Р 51317.4.5

Скачки напряжения/тока

Число помех должно быть 10 для каждой полярности.

Испытательные скачки напряжения / тока повторяют шесть раз в минуту без синхронизации.

a) Помехи, прикладываемые к главной цепи.

Испытания проводят на всех полюсах поочередно согласно рисунку F.3 или F.4.

b) Помехи, прикладываемые к вспомогательным цепям, которые могут подсоединяться к главной цепи.

Испытания проводят между вводом и выводом каждой вспомогательной цепи, которая может подсоединяться к главной цепи, согласно рисунку F.5 или F.6.

F.5.2.3 Требования к испытаниям

Во время приложения помех характеристики расцепителей токов перегрузки должны отвечать следующим требованиям:

- при токе, равном 0,9-кратной уставке по току во время прикладывания помех не должно произойти срабатывание. Длительность испытания должна быть между трех- и четырехкратным максимальным временем срабатывания, соответствующим двукратной уставке по току, или 10 мин, берут меньшее;

- при токе, равном двукратной уставке по току, время срабатывания должно быть между максимальным временем срабатывания и 0,5-кратным минимальным временем срабатывания время-токовых характеристик, указанных изготовителем.

Каждая уставка по току расцепителя мгновенного действия или с выдержкой времени должна регулироваться, если уместно, до 2,5-кратной уставки по току, Если такая уставка не применима, должны использоваться ближайшие наибольшие уставки.

F.6 Испытания на устойчивость к электростатическим разрядам

Целью данных испытаний является проверка устойчивости расцепителей токов перегрузки при произведенных электростатических разрядах, например при касании выключателя оператором.

F.6.1 Нормативные ссылки

В разделе F.6 используют ссылку на ГОСТ Р 51317.4.2-99 (МЭК 61000-4-2-95) Совместимость технических средств электромагнитная. Устойчивость к электростатическим разрядам. Требования и методы испытаний.

F.6.2 Испытания

F.6.2.1 Условия испытаний

Испытание должно выполняться контактным разрядом по ГОСТ Р 51317.4.2, уровень жесткости 4, соответствующее напряжение 8 кВ.

Испытательная цепь должна соответствовать приведенной на рисунке F.1.

Выключатель должен испытываться в металлической оболочке, соединенной плоским основанием с заземлением, при помощи генератора переходных процессов согласно рисунку F.7 (соединительные провода не показаны).

Минимальное расстояние токоведущих частей до металлической оболочки должно быть 0,1 м. Отверстие в оболочке должно обеспечивать доступ к органу управления, устройствам регулировки и индикаторам, при их наличии.

F.6.2.2 Методика испытания

Испытания проводят на всех частях выключателя, нормально доступных для оператора (например, устройства регулировки, распределительная панель, орган управления, оболочка).

Испытательный ток прикладывают к одной из пар фазовых полюсов при любом подходящем напряжении.

Если в какой-то испытательной точке возникнет разряд, испытание повторяют 10 раз с интервалом минимум 1 с.

Разряды должны производиться на металлических оболочках в достаточном числе точек (см. 8.3.2 ГОСТ Р 51317.4.2).

Выключатель может быть повторно замкнут так часто, насколько это возможно, если в ходе испытания произойдет срабатывание при двукратной уставке по току в зависимости от числа разрядных точек.

F.6.2.3 Требования к испытанию

При приложении разрядов характеристики расцепителей токов перегрузки должны отвечать следующим требованиям:

- при токе, равном 0,9-кратной уставке по току, срабатывание не должно произойти;

- при токе, равном двукратной уставке по току, время срабатывания должно соответствовать время-токовым характеристикам, указанным изготовителем.

Каждая из уставок по току расцепителя мгновенного действия или с выдержкой времени должна, если уместно, регулироваться до 2,5-кратной уставки по току. Если такая уставка не подходит, должны использоваться ближайшие наибольшие уставки.

F.7 Испытания на устойчивость к воздействию излучения электромагнитного поля

Целью настоящих испытаний является проверка устойчивости расцепителей токов перегрузки к воздействию электромагнитных полей, генерируемых радиочастотными излучениями.

F.7.1 Нормативные ссылки

В разделе F.7 используют ссылку на ГОСТ Р 51317.4.3-99 (МЭК 61000-4-3-98) Совместимость технических средств электромагнитная. Устойчивость к радиочастотному электромагнитному полю. Требования и методы испытаний.

F.7.2 Испытания

F.7.2.1 Условия испытаний

Требуемый уровень жесткости - 3, напряженность поля 10 В/м, от 26 МГц до 1 ГГц.

Источник сигналов: генератор(ы) сигналов, способный(ные) обеспечить диапазон частот и имеющий(щие) скорость автоматической развертки 0,005 октавы/с (1,5×10-3 декады/с) или менее, или с шагом 10 кГц (от 26 до 200 МГц), или 20 кГц (от 200 до 1000 МГц) с возможностью ручной развертки.

Генератор сигналов обеспечивает амплитудную модуляцию.

Скорость развертки составляет 0,005 октавы/с (1,5×10-3 декады/с) или менее.

Испытания должны выполняться с амплитудной модуляцией 80 % или более при синусоидальном сигнале частотой 1000 Гц.

Когда частота менее 50 МГц, испытания должны проводиться с амплитудной модуляцией 90 % при синусоидальном сигнале 1000 Гц.

Схема испытания должна соответствовать рисунку F.1. Все вспомогательные устройства во время испытания должны быть отключены. Выключатели могут испытываться на открытом воздухе или в индивидуальной оболочке (см. F.5.2.1 и F.6.2.1) согласно инструкциям изготовителя.

Если подводящие и отводящие провода выключателя не специфицированы, должен использоваться неэкранированный кабель длиной 1 м, установленный таким образом, чтобы выключатель подвергался наибольшим помехам.

Испытание должно проводиться в полубезэховом экранированном помещении или в безэховой камере.

При использовании антенны, генерирующей поляризованный сигнал, например биконической или логопериодической, испытания должны проводиться дважды: один раз - при горизонтальной поляризации и другой раз - при вертикальной поляризации с двух сторон, считающихся наиболее чувствительными.

F.7.2.2 Методика испытания

Испытательный ток прикладывают к одной паре фазовых полюсов при любом удобном напряжении.

Генератор сигналов служит для развертки требуемого диапазона частот и задержки на минимуме из трех частот на октаву для проверки защитной функции выключателя.

F.7.2.3 Требования к испытаниям

При развертке требуемого диапазона частот характеристики расцепителей токов перегрузки должны соответствовать следующим требованиям:

- при токе, равном 0,9-кратной максимальной уставке по току, не должно произойти срабатывание;

- при каждой из трех частот на октаву при токе, равном двукратной уставке по току, время срабатывания должно быть между максимальным временем срабатывания и 0,5-кратным минимальным временем срабатывания по время-токовым характеристикам, указанным изготовителем.

Каждая уставка по току расцепителя мгновенного действия и с выдержкой времени должна, если уместно, регулироваться до 2,5-кратной уставки по току. Если эта уставка не подходит, тогда должны использоваться ближайшие наибольшие уставки.

F.8 Испытание на сухое тепло

F.8.1 Методика испытания

Испытание проводят на выключателе согласно 7.2.2 при максимальном номинальном токе для соответствующего типоразмера, на всех полюсах, за исключением нейтрального полюса четырехполюсного выключателя, при температуре окружающей среды 40 °С. После достижении установившейся температуры длительность испытания должна составлять 168 ч.

Крутящие моменты при затягивании, прикладываемые к зажимам, должны соответствовать указаниям изготовителя или таблице 4 МЭК 60947-1 (при отсутствии указаний).

Наряду с этим, испытание может выполняться следующим образом:

- измеряют и записывают наибольшее превышение температуры воздуха, окружающего электронные компоненты, во время проверки превышения температуры в испытательном цикле I;

- устанавливают устройства электронной защиты в испытательной камере;

- подают входной величины питание к устройству электронной защиты;

- регулируют температуру испытательной камеры до значения, на 40 °С превышающего температуру, зарегистрированную для воздуха, окружающего электронные компоненты, и поддерживают эту температуру в течение 168 ч.

F.8.2 Требования к испытанию

Выключатель или устройство электронной защиты должны отвечать следующим требованиям:

- не должно произойти срабатывание выключателя;

- не должно происходить действий электронной защиты, способных вызвать срабатывание выключателя.

F.8.3 Проверка расцепителей токов перегрузки

После испытания по F.8.1 действие расцепителей токов перегрузки выключателя должно проверяться согласно 7.2.1.2.4b.

F.9 Испытание на тепловой удар

F.9.1 Условия испытаний

Устройство электронной защиты каждого типа должно подвергаться циклическому изменению температуры согласно рисунку F.8.

Скорость изменения температуры при повышении и понижении должна быть (3±1) °С/мин.

Температура по достижении своего уровня должна удерживаться не менее 2 ч.

Число циклов должно быть 28.

F.9.2 Методика испытаний

Для этих испытаний электронная защита:

- может быть встроенной или устанавливаться отдельно для автоматических выключателей на номинальные токи, равные или менее 250 А;

- должна устанавливаться отдельно для автоматических выключателей других номинальных токов;

- должна снабжаться питанием, как при эксплуатации, для выключателей всех номинальных токов.

F.9.3 Требования к испытаниям

Электронная защита должна отвечать следующему требованию:

- не должно происходить действий электронной защиты, которые могли бы вызвать срабатывание выключателя в течение 28 циклов.

F.9.4 Проверка расцепителей перегрузки

После испытания по F.9.2 должна быть проверена работа расцепителей токов перегрузки выключателя в соответствии с 7.2.1.2.4b.

F.10 Испытание на влажное тепло

F.10.1 Методика испытания

Испытание проводят в соответствии с В.8.11 (проверка влияния условий окружающей среды), число проводимых циклов - шесть.

В качестве альтернативы можно провести испытание, помещая в испытательную камеру только электронные элементы управления.

F.10.2 Проверка расцепителей перегрузки

После испытания по F.10.1 должна проводиться проверка срабатывания расцепителей перегрузки выключателя согласно 7.2.1.2.4b.

F.11 Испытание на излучаемые радиочастотные электромагнитные помехи

Примечание - Испытание на кондуктивные радиочастотные излучения не применяют, поскольку приложение F касается выключателей, обеспечивающих защиту от сверхтоков электронным устройством, входящим в состав выключателя и не зависящим от напряжения питания сети или любого вспомогательного источника питания (см. F.1).

Целью данного испытания является проверка соответствия пределам электромагнитных излучений, которые могут генерироваться выключателями при нормальной эксплуатации. Эти излучения могут вызвать помехи в других устройствах (ГОСТ Р 51318.22).

F.11.1 Условия испытания

Испытание должно проводиться по рисунку F.9 либо на открытом воздухе, либо в полубезэховом экранированном помещении.

Выключатель должен устанавливаться на изолирующей панели на расстоянии 1 м от экранирующей плоскости.

Испытательный ток должен соответствовать уставке по току расцепителя перегрузки и прикладываться к любой паре полюсов при любом подходящем напряжении.

Из практических соображений два испытуемых полюса замыкают накоротко у верхних выводов, как можно ближе к выключателю. Подводящие кабели подсоединяют к нижним выводам, и они должны оставаться параллельными на протяжении 1 м. Затем их перекручивают до источника питания.

Для того чтобы ограничить мощность питания для выключателя данного типоразмера, можно использовать минимальный номинальный ток этого типоразмера. Уставку по току расцепителя перегрузки регулируют до его минимального значения.

Измерения должны выполняться согласно 11.2.1 ГОСТ Р 51318.22. Относительное расположение выключателя и антенны должно быть таким, чтобы получить максимальный уровень излучения.

Если установлены электронные устройства, предназначенные для функций, кроме защиты от сверхтока, они не должны влиять на результаты измерения уровня излучения.

Если же эти устройства влияют на уровень излучения, то они должны быть либо экранированы, либо вынесены за пределы испытательной комнаты, соединительные провода должны подсоединяться к этим устройствам через фильтры подавления радиопомех.

Схема испытания должна быть приведена в протоколе испытаний.

F.11.2 Методика испытания

Прежде чем подать питание к выключателю, измеряют уровень шума окружающей среды. Пригодность местоположения определяют по уровню шума окружающей среды по крайней мере на 6 дБ ниже пределов, указанных в F.11.3.

Если источник питания установлен в испытательной комнате, он должен подавать питание во время этого измерения.

Измерение высокочастотных электромагнитных излучений проводят в диапазоне 30-1000 МГц с применением квазипикового детектора. Однако, с целью ускорения, на первом этапе испытания в течение 0,1 с может использоваться пиковый детектор. Затем, если измерения на определенных частотах равны или превышают указанные значения, испытания повторяют с квазипиковым детектором в течение 1 с.

F.11.3 Требования к испытанию

По 7.3.3.2 МЭК 60947-1.

Выключатель должен отвечать требованиям таблицы 18 МЭК 60947-1 для условий окружающей среды 1 и таблицы 19 МЭК 60947-1 для условий окружающей среды 2 в части излучаемых электромагнитных помех.

Рисунок F.1 - Испытательная цепь для проверки влияния низкочастотных помех, электростатических разрядов и излучений электромагнитных полей

I1 - ток уставки; I2 - испытательный ток провала; Δt - время провала

Рисунок F.2 - Испытательный ток для проверки влияния провалов и разрывов тока

Рисунок F.3 - Испытательная цепь для проверки влияния электромагнитных помех в главной цепи (общий тип)

Рисунок F.4 - Испытательная цепь для проверки влияния электромагнитных помех в главной цепи (дифференциальный тип)

Рисунок F.5 - Испытательная цепь для проверки влияния электромагнитных помех во вспомогательных цепях (общий тип)

Рисунок F.6 - Испытательная цепь для проверки влияния электромагнитных помех во вспомогательных цепях (дифференциальный тип)

1 - металлическая оболочка; 2 - выключатель; 3 - металлическое основание; 4 - генератор переходных процессов и устройство включения/отключения сети

Рисунок F.7 - Испытательная установка для проверки влияния направления электромагнитных помех и электростатических разрядов

Рисунок F.8 - Цикл испытаний на тепловой удар

1 - испытуемый выключатель; 2 - изолирующая опора; 3 - источник питания; 4 - антенна

Рисунок F.9 - Испытательная установка для проверки излучаемых радиочастотных электромагнитных помех

ПРИЛОЖЕНИЕ G

(обязательное)

Потери мощности

G.1 Общие положения

Потери мощности - не основная характеристика автоматического выключателя, и не нуждается в маркировке на изделии. Она указывает на выделение тепла в определенных условиях.

Измерение потерь мощности должно проводиться на открытом воздухе, на новых образцах.

G.2 Методы испытания

G.2.1 Потери мощности вычисляют по формуле (соединения по рисунку G.1)

где р - число фазовых полюсов;

k - номер полюса;

ΔU - падение напряжения, В;

I - испытательный ток, который должен быть равен In в пределах допусков по 8.3.2.2.2, А;

cos φ - коэффициент мощности.

Рекомендуется использование на каждом полюсе ваттметра.

G.2.2 Для выключателей переменного тока на номинальный ток не более 400 А допустимо измерение с использованием однофазного переменного тока без измерения коэффициента мощности.

Потери мощности вычисляют по формуле (соединения по рисунку G.2)

где р - число фазовых полюсов;

k - номер полюса;

ΔU - падение напряжения, В;

In - номинальный ток, А.

G.2.3 Для выключателей постоянного тока потери мощности должны измеряться при постоянном токе.

Они определяются как в G.2.2.

G.3 Методика испытания

Определение потерь мощности должно проводиться при номинальном токе и установившейся температуре.

Падение напряжения должно измеряться между вводными и выводными зажимами на каждом полюсе.

Соединительные провода для измерительных приборов (например, вольтметров, ваттметров) должны быть скручены вместе. Измерительный шлейф должен быть настолько мал, насколько это практически возможно, и располагаться одинаково для каждого полюса.

Для определения потерь мощности трех- и четырехполюсных выключателей переменного тока согласно G.2.1 испытание проводят в условиях трехфазного тока (см. рисунок G.1) без тока в четвертом полюсе четырехполюсных выключателей.

Рисунок G.1 - Пример измерения потерь мощности согласно G.2.1

Рисунок G.2 - Пример измерения потерь мощности согласно G.2.2 и G.2.3

ПРИЛОЖЕНИЕ Н

(обязательное)

Цикл испытаний автоматических выключателей для систем IT

Примечание - Этот цикл испытаний используют в случае второго замыкания на землю при наличии первого замыкания на противоположной стороне выключателя, установленного в системах IT (см. 4.3.1.1)

Н.1 Общие сведения

Этот цикл испытаний относится к многополюсным автоматическим выключателям, используемым в системах IT согласно 4.3.1.1. Он содержит следующие испытания:

- короткое замыкание отдельного полюса (IIT) (см. Н.2);

- проверка электрической прочности изоляции (см. Н.3);

- проверка расцепителей токов перегрузки (см. Н.4).

Н2. Короткое замыкание отдельного полюса (IIT)

Испытание на короткое замыкание отдельных полюсов многополюсного выключателя проводят при общих условиях 8.3.2 при значении тока IIT, равном:

1,2-кратной максимальной уставке тока срабатывания расцепителя с выдержкой времени, или, в отсутствие такого расцепителя, 1,2-кратной максимальной уставке тока срабатывания расцепителя мгновенного действия, или

1,2-кратной максимальной уставке тока срабатывания расцепителя с независимой выдержкой времени, но не выше 50 кА.

Примечание - Могут потребоваться значения, более высокие, чем IIT, испытанные и подтвержденные изготовителем.

Напряжение до включения должно быть межфазным напряжением, соответствующим максимальному номинальному рабочему напряжению выключателя, при котором последний пригоден для эксплуатации в системах IT.

Число испытуемых образцов и уставки расцепителей должны соответствовать таблице 10. Коэффициент мощности должен соответствовать таблице 11, применительно к испытательному току.

Испытательная цепь должна соответствовать 8.3.4.1.2 и рисунку 9 МЭК 60947-1; источник питания - от двух фаз трехфазного источника питания; предохранительный элемент F подсоединен к оставшейся фазе. Оставшийся полюс или полюса должны быть также подключены к этой фазе через предохранительный элемент F.

Цикл операций должен быть: О-t-СО и выполняться отдельно на каждом фазовом полюсе поочередно.

Н.3 Проверка электрической прочности изоляции

После испытания по Н.2 должна быть проверена электрическая прочность изоляции в соответствии с 8.3.5.3.

Н.4 Проверка расцепителей токов перегрузки

После испытания по Н.3 должна быть проверена работа расцепителей токов перегрузки в соответствии с 8.3.5.4.

Н.5 Маркировка

Выключатели, для которых все значения номинального напряжения были испытаны согласно данному приложению или не требующие такого испытания, дополнительно не маркируют.

Выключатели, для которых были испытаны не все значения номинального напряжения согласно данному приложению или не включенные в эти испытания, должны быть помечены символом , который наносят на выключателе после значения номинального напряжения, например 690 В , согласно 5.2b.

Примечание - Если выключатель не был испытан согласно данному приложению, может использоваться только маркировка символом , при условии такого ее размещения, которое однозначно распространяется на все номинальные напряжения.

ПРИЛОЖЕНИЕ J

(рекомендуемое)

Электромагнитная совместимость (ЭМС). Требования и испытания автоматических выключателей

J.1 Устойчивость к электромагнитным помехам

Требования

Испытания

J.1.1 Выключатели, в состав которых не входят электронные цепи

7.3.2.1

Не требуется

J.1.2 Выключатели, в состав которых входят электронные цепи

7.3.2.2

 

J.1.2.1 АВДТ согласно приложению В:

 

 

(i) устойчивость к нежелательному отключению при возникновении емкостной сетевой нагрузки

В.7.2.8.1

В.8.6.1

(ii) устойчивость к нежелательному отключению в случае искрения без последующего тока

В.7.2.8.2

В.8.6.2

(iii) постоянная составляющая дифференциального тока:

 

 

- АВДТ типа АС

Нет

Не требуется

- АВДТ типа А

В.7.2.9

В.8.7

(iv) изменение частоты источника питания

В.7.2.11

В.8.2, В.8.4

(v) наносекундные импульсные помехи

В.7.2.12.1

В.8.12.1

(vi) устойчивость к скачкам тока

В.7.2.12.2

В.8.12.2

(vii) излученное радиочастотное электромагнитное поле

В.7.2.12.3

В.8.12.3

(viii) кондуктивные электромагнитные помехи, вызванные радиочастотными полями

В.7.2.12.4

На рассмотрении

(ix) электростатические разряды

В.7.2.13

В.8.13

(х) изменения напряжения

В.7.2.14, см. примечание 1

В.8.2.4, В.8.2.5, В.8.4, В.8.8

(xi) провал напряжения

В.7.2.14

В.8.9.2

(xii) разбаланс напряжений

В.7.2.14, см. примечание 1

В.8.9.1

(xiii) Электромагнитное поле промышленной частоты

7.3.2

См. примечание 2

J.1.2.2 Выключатели с электронными расцепителями токов перегрузки согласно приложению F (см. примечания 3 и 4):

 

 

(i) гармоники, интергармоники, несинусоидальные токи

F.2.1.1

F.4.1

(ii) провалы и разрывы тока

F.2.1.1

F.4.2

(iii) изменение частоты источника питания

F.2.1.1

F.4.3

(iv) электромагнитное поле промышленной частоты

F.2.1.4

См. примечание 2

(v) наносекундные импульсные помехи

F.2.1.2

F.5.2.2.1

(vi) устойчивость к броскам тока

F.2.1.2

F.5.2.2.2

(vii) электростатические разряды

F.2.1.3

F.6.2

(viii) излученное радиочастотное электромагнитное поле

F.2.1.4

F.7.2

J.1.2.3 Выключатели, в состав которых входят электронные цепи, кроме вышеперечисленных

7.3.2.2

8.3.9

J.2.1 Выключатели, в состав которых не входят электронные цепи

7.3.3.1

Не требуются

J.2.2 Выключатели, в состав которых входят электронные цепи, длительно бездействующие

7.3.3.2.1

Не требуются

J.2.3 Выключатели, в состав которых входят электронные цепи длительного действия (см. 7.3.3.2.1)

 

 

J.2.3.1 АВДТ согласно приложению В

В.7.3

В.8.14

J.2.3.2 Выключатели с электронными расцепителями перегрузки согласно приложению F

F.2.5

F.11.2

J.2.3.3 Выключатели, в состав которых входят электронные цепи длительного действия (см. 7.3.3.2.1), кроме вышеперечисленных

7.3.4.2
МЭК 60947-1

На рассмотрении

Примечания

1 АВДТ, функционально зависящие от напряжения источника питания, отвечают требованию В.7.2.11.

2 Устойчивость к электромагнитному полю промышленной частоты засчитывают по испытанию с током в главных полюсах (например, цикл испытаний III)

3 Выключатели согласно приложению F, в состав которых входят электронные расцепители перегрузки, не зависящие от напряжения источника питания, испытаниям на изменение напряжения питания не подвергают.

4 Требования к электромагнитным помехам, кроме вышеперечисленных, - в стадии рассмотрения, например, постоянные токи в сети переменного тока.

ПРИЛОЖЕНИЕ К

(рекомендуемое)

Словарь символов, относящихся к изделиям, на которые распространяется действие настоящего стандарта

Перечень характеристик

Символ

Пункт/приложение

Автоматический выключатель, замкнутое положение

5.2

Автоматический выключатель, разомкнутое положение

5.2

Пригодность для разъединения

5.2

Вывод нейтрального полюса

N

5.2

Защитный заземляющий зажим

5.2

Номинальное напряжение цепи управления

Uc

4.7.2

Номинальный ток

In

4.3.2.3

Номинальное импульсное выдерживаемое напряжение

Uimp

4.3.1.3

Номинальное напряжение изоляции

Ui

4.3.1.2

Номинальное рабочее напряжение

Ue

4.3.1.1

Номинальная рабочая наибольшая отключающая способность

Ics

4.3.5.2.2

Номинальная наибольшая включающая способность

Icm

4.3.5.1

Номинальный кратковременно выдерживаемый ток

Icw

4.3.5.4

Номинальная предельная наибольшая отключающая способность

Icu

4.3.5.2.1

Предельный ток селективности

Is

2.17.4

Ток координации

IB

2.17.6

Условный тепловой ток в оболочке

Ithe

4.3.2.2

Условный тепловой ток на открытом воздухе

Ith

4.3.2.1

АВДТ типа АС

В.4.4.1

АВДТ типа А

В.4.4.2

Уставка по току регулируемого расцепителя перегрузки

IR

*

Соответствующее время расцепления

tR

*

Уставка по току замыкания на землю

Ig

*

Соответствующее время расцепления

tg

*

Наибольшая отключающая способность отдельного полюса (для фазо-заземленных систем)

Isu

Приложение С

Ток короткого замыкания отдельного полюса (для систем IT)

IIT

Приложение Н

Ток уставки расцепителя мгновенного действия

Ii

*

Максимальное соответствующее время расцепления

ti

*

Непригодность для использования в системах IT

Приложение Н

Номинальная наибольшая включающая и отключающая способность дифференциального тока

IΔm

Приложение В

Номинальный неотключающий дифференциальный ток

IΔn0

Приложение В

Номинальный отключающий дифференциальный ток

IΔn

Приложение В

Рабочий дифференциальный ток

IΔR

*

Ток уставки расцепителя с кратковременной выдержкой времени

Isd

*

Соответствующее время расцепления

tsd

*

Пригодность для фазозаземленных систем

С

4.3.1.1

Предельное время несрабатывания при 2Iдп

Δt

В.4.2

Выдержка времени АВДТ с предельным временем несрабатывания 0,06 с

В.5а

* Термины не используют в настоящем стандарте. Их разъяснение приведено на рисунке К.1.

LT - длительное время; RC - дифференциальный ток; ST - короткое время; GF - замыкание на землю; INST - мгновенный

Рисунок К.1 - Связь между символами и характеристиками расцепления

ПРИЛОЖЕНИЕ L

(обязательное)

Дополнительные требования, учитывающие потребности экономики страны и требования государственных стандартов на электротехнические изделия

L.1 Виды климатических исполнений - по ГОСТ 15150 и ГОСТ 15543.1.

Виды климатических исполнений и номинальные значения климатических факторов должны устанавливаться в стандартах и технических условиях на выключатели конкретных серий и типов.

L.2 Номинальные значения механических внешних воздействующих факторов - по ГОСТ 17516.1, и должны устанавливаться в стандартах и технических условиях на выключатели конкретных серий и типов.

L.3 Маркировка выключателей должна соответствовать требованиям настоящего стандарта и ГОСТ 18620.

L.4 Выводы выключателей должны допускать присоединение алюминиевых проводов и кабелей и соответствовать ГОСТ 24753. Контактные участки выводов должны иметь защитные покрытия по ГОСТ 9.005.

L.5 Конструкция выключателей должна соответствовать требованиям ГОСТ 12.2.007.6, ГОСТ 21991. Усилие оперирования на рукоятке управления - ГОСТ 12.2.007.0.

L.6 Транспортирование и хранение выключателей - по ГОСТ 23216.

Условия транспортирования и хранения и допустимые сроки сохраняемости должны устанавливаться в стандартах и технических условиях на выключатели конкретных серий и типов.

L.7 Упаковка и временная противокоррозионная защита для условий транспортирования и хранения по ГОСТ 23216 должна устанавливаться в стандартах и технических условиях на выключатели конкретных серий и типов.

L.8 В настоящем стандарте виды испытаний и их наименования приняты по МЭК 60947-2 [2].

Программа типовых испытаний по МЭК 60947-2 является основой для установления программ любых видов контрольных испытаний по ГОСТ 16504.

Выключатели подвергают квалификационным, периодическим, приемо-сдаточным и типовым испытаниям; порядок их проведения должен соответствовать ГОСТ 15.001; периодичность испытаний, программы испытаний и условия их проведения должны устанавливаться в стандартах и технических условиях на выключатели конкретных серий и типов.

L.9 Программы приемочных и квалификационных испытаний выключателей должны включать в себя полную программу типовых испытаний по настоящему стандарту, а также испытания на стойкость к внешним воздействующим факторам по ГОСТ 16962.1, ГОСТ 16962.2, ГОСТ 17516.1.

L.10 Правила приемки выключателей должны устанавливаться в стандартах и технических условиях на выключатели конкретных серий и типов.

L.11 Изготовитель должен гарантировать соответствие выключателей требованиям настоящего стандарта, а также технических условий на выключатели конкретных серий и типов при условии соблюдения правил эксплуатации, транспортирования и хранения, устанавливаемых техническими условиями на выключатели конкретных серий и типов.

Гарантийный срок эксплуатации выключателей - не менее двух лет со дня ввода в эксплуатацию, и устанавливается в технических условиях на выключатели конкретных серий и типов.

ПРИЛОЖЕНИЕ М

(справочное)

Библиография*

[1] МЭК 60947-1-88 Низковольтная аппаратура распределения и управления. Часть 1. Общие требования

[2] МЭК 60947-2-95 Низковольтная аппаратура распределения и управления. Часть 2. Автоматические выключатели

[3] МЭК 60051-84 Аналоговые прямопоказывающие электроизмерительные приборы и их принадлежности. Часть 2. Специальные требования к амперметрам и вольтметрам.

[4] МЭК 60410-73 Правила и планы выборочного контроля по характерным признакам.

* Международные стандарты МЭК, ИСО и их переводы находятся во Всероссийском научно-исследовательском институте классификации, терминологии и информации по стандартизации и качеству (ВНИИКИ).

Адрес: 103001, Москва, Гранатный пер., 4.

Ключевые слова: автоматические выключатели, технические требования, испытания

2008-2013. ГОСТы, СНиПы, СанПиНы - Нормативные документы - стандарты.