Нормативные документы размещены исключительно с целью ознакомления учащихся ВУЗов, техникумов и училищ.
Объявления:

ГОСТ Р 50345-99

(МЭК 60898-95)

ГОСУДАРСТВЕННЫЙ СТАНДАРТ РОССИЙСКОЙ ФЕДЕРАЦИИ

 

Аппаратура малогабаритная электрическая

АВТОМАТИЧЕСКИЕ ВЫКЛЮЧАТЕЛИ
ДЛЯ ЗАЩИТЫ ОТ СВЕРХТОКОВ БЫТОВОГО
И АНАЛОГИЧНОГО НАЗНАЧЕНИЯ

 

ГОССТАНДАРТ РОССИИ

Москва

 

Предисловие

1 РАЗРАБОТАН Акционерным обществом открытого типа «НИИЭлектроаппарат»

ВНЕСЕН Техническим комитетом по стандартизации ТК 330 «Электроустановочные изделия»

2 ПРИНЯТ И ВВЕДЕН В ДЕЙСТВИЕ Постановлением Госстандарта России от 23 декабря 1999 г. № 680-ст

3 Настоящий стандарт, за исключением приложения К, представляет собой аутентичный текст международного стандарта МЭК 60898 (1995-02). Издание 2.0 «Автоматические выключатели для защиты от сверхтоков бытового и аналогичного назначения» с дополнительными требованиями, учитывающими потребности экономики страны и требования действующих государственных стандартов

4 ВЗАМЕН ГОСТ Р 50345-92

 

Содержание

1 Общие положения

1.1 Область применения

1.2 Цель

2 Нормативные ссылки

3 Определения

4 Классификация

5 Характеристики автоматических выключателей

6 Маркировка и другая информация об автоматических выключателях

7 Нормальные условия эксплуатации

8 Требования к конструкции и работоспособности

9 Испытания

Приложение А

Определение коэффициента мощности при коротком замыкании

Приложение В

Определение воздушных зазоров и расстояний утечки

Приложение С

Число представляемых образцов и циклы применяемых испытаний для проверки соответствия

Приложение D

Координация между выключателями и автономными плавкими предохранителями, соединенными в одной цепи

Приложение Е

Дополнительные требования, которые должны применяться к вспомогательным цепям со сверхнизким безопасным напряжением

Приложение F

Примеры выводов

Приложение G

Соотношение между сортаментом медных проводов ИСО и АWG

Приложение H

Устройство для испытаний на короткое замыкание

Приложение К

Дополнительные требования к выключателям для защиты от сверхтоков бытового и аналогичного назначения, устанавливаемые в стандартах и технических условиях на изделия конкретных серий и типов и учитывающие потребности экономики страны

Приложение L

Библиография

 

Введение

Настоящий стандарт полностью соответствует международному стандарту МЭК 60898-95, издание 2.0 и разработан для применения на территории Российской Федерации взамен действующего Российского стандарта ГОСТ Р 50345-92.

Настоящий стандарт отличается от действующего, в основном, требованиями к координации между автоматическими выключателями и автономными плавкими предохранителями, соединенными в одной цепи (приложение Д), требованиями к устройству для испытания на короткое замыкание (приложение Н).

В приложении К приведены дополнительные требования к автоматическим выключателям, учитывающие требования действующих государственных стандартов.

 

ГОСУДАРСТВЕННЫЙ СТАНДАРТ РОССИЙСКОЙ ФЕДЕРАЦИИ

Аппаратура малогабаритная электрическая

АВТОМАТИЧЕСКИЕ ВЫКЛЮЧАТЕЛИ ДЛЯ ЗАЩИТЫ ОТ СВЕРХТОКОВ БЫТОВОГО И АНАЛОГИЧНОГО НАЗНАЧЕНИЯ

Electrical accessories.
Circuit-breakers for overcurrent protection
for household and similar installations

 

Дата введения 2001-01-01

 

1 Общие положения

1.1 Область применения

Настоящий стандарт распространяется на воздушные автоматические выключатели (далее - выключатели) переменного тока для работы при частоте 50 или 60 Гц с номинальным напряжением (между фазами) не более 440 В, номинальным током не более 125 А и номинальной отключающей способностью более 25000 А.

По возможности он согласуется с требованиями, содержащимися в ГОСТ Р 50030.2.

Выключатели предназначены для защиты от сверхтоков систем в зданиях и аналогичных установок; они рассчитаны на использование специально необученными для этого людьми и не нуждаются в обслуживании.

Стандарт устанавливает требования к выключателям, рассчитанным как на одно, так и на несколько значений номинального тока, при условии, что устройство для перехода от одного значения номинального тока к другому в нормальных условиях эксплуатации недоступно и этот переход невозможен без инструмента.

Настоящий стандарт не распространяется на выключатели:

- предназначенные для защиты двигателей;

- ток уставки которых регулируется средствами, доступными потребителю.

Для выключателей со степенью защиты выше IР20 по ГОСТ 14254, используемых в местах с жесткими условиями окружающей среды (например, с чрезмерной влажностью, слишком высокой или низкой температурой, с отложениями пыли) и в опасных условиях (например, взрывоопасных), может потребоваться особая конструкция.

Дополнительные требования предъявляются к выключателям, имеющим защитные устройства, управляемые дифференциальным током по ГОСТ Р 51327.1, МЭК 1009-2-1[2], МЭК 1009-2-2[3].

Инструкция по координации выключателей с плавкими предохранителями приведена в приложении D.

Примечания

1 Выключатели по настоящему стандарту считают пригодными для разъединения (см. 8.1.3). Если на входной стороне возможны чрезмерные перенапряжения (например, при питании по надземным проводам), могут потребоваться специальные меры предосторожности (например, применение громоотводов).

2 Выключатели по настоящему стандарту могут также использоваться для защиты от электрических ударов при аварии в зависимости от их характеристик расцепления и технических данных установки.

Критерии этого применения рассматриваются в монтажных правилах.

1.2 Цель

В настоящем стандарте приводятся все требования, соблюдение которых должно обеспечить соответствие рабочим характеристикам, необходимым для этих выключателей согласно типовым испытаниям.

В нем содержатся также требования, относящиеся к критериям и методике испытаний, необходимые для обеспечения воспроизводимости результатов испытаний.

В стандарте устанавливают:

а) характеристики выключателей;

б) условия, которым должны отвечать выключатели относительно;

1) работы и поведения в нормальных условиях эксплуатации;

2) работы и поведения при перегрузках;

3) работы и поведения при коротких замыканиях до номинальной наибольшей отключающей способности;

4) электроизоляционных свойств;

в) испытания, предназначенные для подтверждения соответствия техническим требованиям, и методы, которыми следует проводить эти испытания;

г) данные, маркируемые на выключателях;

д) циклы испытаний и число образцов для испытаний с целью сертификации (см. приложение С);

е) координацию с плавкими предохранителями, выключенными в одну цепь с выключателем (см. приложение D).

2 Нормативные ссылки

В настоящем стандарте использованы ссылки на следующие стандарты:

ГОСТ 14254-96 (МЭК 529-89) Степени защиты, обеспечиваемые оболочками (Код IР)

ГОСТ 15150-69 Машины, приборы и другие технические изделия. Исполнения для различных климатических районов. Категории, условия эксплуатации, хранения и транспортирования в части воздействия климатических факторов внешней среды

ГОСТ 15543.1-89 Изделия электротехнические. Общие требования в части стойкости к климатическим внешним воздействующим факторам

ГОСТ 16504-81 Система государственных испытаний продукции. Основные термины и определения

ГОСТ 16962.1-89 (МЭК 68-2-1-74) Изделия электротехнические. Методы испытаний и устойчивость к климатическим внешним воздействующим факторам

ГОСТ 16962.2-90 Изделия электротехнические. Методы испытаний на стойкость к механическим внешним воздействующим факторам

ГОСТ 17516.1-90 Изделия электротехнические. Общие требования в части стойкости к механическим внешним воздействующим факторам

ГОСТ 18620-86 Изделия электротехнические. Маркировка

ГОСТ 23216-78 Изделия электротехнические. Общие требования к хранению, транспортированию, временной противокоррозионной защите и упаковке

ГОСТ 24622-91 (ИСО 2039-2-87) Пластмассы. Определение твердости. Твердость по Роквеллу

ГОСТ 24682-81 Изделия электротехнические. Общие технические требования в части воздействия специальных средств

ГОСТ 24683-81 Изделия электротехнические. Методы контроля стойкости к воздействию специальных сред

ГОСТ 24753-81 Выводы контактные электротехнических устройств. Общие технические требования

ГОСТ 27483-87 (МЭК 695-2-1-80) Испытания на пожароопасность. Методы испытания нагретой проволокой

ГОСТ 28312-89 (МЭК 417-73) Аппаратура радиоэлектронная профессиональная. Условные графические обозначения

ГОСТ 29322-92 (МЭК 38-83) Стандартные напряжения

ГОСТ Р 50030.2-99 (МЭК 947-2-95) Низковольтная аппаратура распределения и управления. Часть 2. Автоматические выключатели

ГОСТ Р 50339.0-92 (МЭК 269-1-86) Низковольтные плавкие предохранители. Общие требования

ГОСТ Р 50339.3-92 (МЭК 269-3-87) Низковольтные плавкие предохранители. Часть 4. Дополнительные требования к плавким предохранителям бытового и аналогичного назначения

ГОСТ 30331.3-95 (МЭК 364-4-41-92) / ГОСТ Р 50571.3-94 (МЭК 364-4-41-92) Электроустановки зданий. Часть 4.

Требования по обеспечению безопасности. Защита от поражения электрическим током

ГОСТ Р 51327.1-99 (МЭК 61009-1-96) Выключатели автоматические, управляемые дифференциальным током, бытового и аналогичного назначения со встроенной защитой от сверхтоков. Часть 1. Общие требования и методы испытаний

ГОСТ Р МЭК 60227-1-99 Кабели с поливинилхлоридной изоляцией на номинальное напряжение до 450/750 В включительно. Общие требования

3 Определения

В настоящем стандарте используют термины, приведенные в МЭК 60050(441) [4], а также нижеследующие.

3.1 Аппараты

3.1.1 коммутационный аппарат (МЭС 441-14-01): Аппарат, предназначенный для включения или отключения тока в одной или более электрических цепях.

3.1.2 механический коммутационный аппарат (МЭС 441-14-02): Коммутационный аппарат, предназначенный для замыкания и размыкания одной или более электрических цепей с помощью разъединяемых контактов.

3.1.3 плавкий предохранитель (МЭС 441-18-01): Коммутационный аппарат, который вследствие расплавления одного или более специально спроектированных и калиброванных элементов размыкает цепь, в которую он включен, и отключает ток, когда он превышает заданную величину в течение достаточного времени.

3.1.4 автоматический выключатель (механический) (МЭС 441-14-20): Механический коммутационный аппарат, способный включать, проводить и отключать токи при нормальном состоянии цепи, а также включать, проводить в течение заданного времени и автоматически отключать токи в указанном аномальном состоянии цепи, таких как токи короткого замыкания.

3.1.5 автоматический выключатель втычного типа: Выключатель с одним или несколькими штыревыми выводами (см. 3.3.20), использующийся с соответствующим устройством для штепсельного соединения.

3.2 Общие термины

3.2.1 сверхток (МЭС 441-11-06): Любой ток, превышающий номинальный.

3.2.2 ток перегрузки: Сверхток в электрически не поврежденной цепи.

Примечание - Достаточно длительный ток перегрузки может привести к повреждению.

3.2.3 ток короткого замыкания (МЭС 441-11-07): Сверхток, обусловленный замыканием с ничтожно малым полным сопротивлением между точками, которые в нормальных условиях эксплуатации должны иметь различный потенциал.

Примечание - Ток короткого замыкания может явиться результатом повреждения или неправильного соединения.

3.2.4 главная цепь (автоматического выключателя): Совокупность всех токопроводящих частей автоматического выключателя, входящих в цепь, которую он предназначен замыкать и размыкать.

3.2.5 цепь управления (автоматическим выключателем): Цепь (кроме главной цепи), предназначенная для осуществления замыкания или размыкания, или осуществления обеих функций автоматического выключателя.

3.2.6 вспомогательная цепь (автоматического выключателя): Совокупность токопроводящих частей автоматического выключателя, предназначенных для включения в цепь, кроме главной цепи и цепи управления автоматического выключателя.

3.2.7 полюс (автоматического выключателя): Часть автоматического выключателя, связанная исключительно с одним электрически независимым токопроводящим путем главной цепи и имеющая контакты, предназначенные для замыкания и размыкания главной цепи, и не включающая элементы, предназначенные для монтажа и оперирования всеми полюсами.

3.2.7.1 защищенный полюс: Полюс, оснащенный максимальным расцепителем тока (см. 3.3.6)

3.2.7.2 незащищенный полюс: Полюс, не оснащенный максимальным расцепителем тока (см. 3.3.6), но в остальном способный функционировать так же, как защищенный полюс того же автоматического выключателя:

а) во исполнение этого требования незащищенный полюс может иметь такую же конструкцию, как один или более защищенных полюсов, или особую конструкцию;

б) если отключающая способность незащищенного полюса иная, чем у одного или более защищенных полюсов, это должно быть оговорено изготовителем.

3.2.7.3 отключающий нейтральный полюс: Полюс, предназначенный только для отключения нейтрали, и не предназначенный для включения и отключения токов короткого замыкания.

3.2.8 замкнутое положение: положение, в котором обеспечивается заданная непрерывность главной цепи автоматического выключателя.

3.2.9 разомкнутое положение: Положение, в котором обеспечивается заданный зазор между разомкнутыми контактами в главной цепи автоматического выключателя.

3.2.10 Температура воздуха

3.2.10.1 температура окружающего воздуха (МЭС 441-11-13): Определенная в предписанных условиях температура воздуха, окружающего автоматический выключатель (для автоматического выключателя, заключенного в оболочку, это температура воздуха вне оболочки).

3.2.10.2 контрольная температура окружающего воздуха: Температура окружающего воздуха, при которой устанавливают время-токовые характеристики.

3.2.11 срабатывание: Перемещение одного или более подвижных контактов из разомкнутого положения в замкнутое или наоборот.

Примечание - Если необходимо различие, срабатывание под нагрузкой (например, включение или отключение тока) обозначает коммутацию, а без нагрузки (например, замыкание или размыкание цепи без тока) - механическое срабатывание.

3.2.12 цикл оперирования (МЭС 441-16-03): Последовательность переходов из одного положения в другое с возвратом в начальное положение.

3.2.13 последовательность срабатываний: Последовательность заданных срабатываний с указанными интервалами времени.

3.2.14 продолжительный режим: Режим при котором главные контакты автоматического выключателя остаются замкнутыми, непрерывно проводя установившийся ток в течение длительного времени (неделями, месяцами или даже годами).

3.3 Конструкционные элементы

3.3.1 главный контакт: Контакт, включенный в главную цепь автоматического выключателя и предназначенный для проведения в замкнутом положении тока главной цепи.

3.3.2 дугогасительный контакт (МЭС 441-15-08): Контакт, на котором предполагается возникновение дуги.

Примечание - Дугогасительный контакт может играть роль главного контакта, но может быть и отдельным контактом, спроектированным так, чтобы размыкаться позже, а замыкаться раньше другого контакта, для защиты которого от повреждений он предназначен.

3.3.3 контакт управления: Контакт, входящий в цепь управления автоматического выключателя и механически приводимый в действие этим автоматическим выключателем.

3.3.4 вспомогательный контакт: Контакт, входящий во вспомогательную цепь и механически приводимый в действие автоматическим выключателем (например, для указания положения контактов).

3.3.5 расцепитель: Устройство, механически связанное с автоматическим выключателем (или встроенное в него), которое освобождает удерживающее устройство в механизме автоматического выключателя и вызывает автоматическое срабатывание выключателя.

3.3.6 максимальный расцепитель тока: Расцепитель, вызывающий срабатывание автоматического выключателя с выдержкой времени или без нее, когда ток в этом расцепителе превышает заданное значение.

Примечание - В некоторых случаях эта величина может зависеть от скорости нарастания тока.

3.3.7 максимальный расцепитель тока с обратно-зависимой выдержкой времени: Максимальный расцепитель тока, срабатывающий после выдержки времени, находящейся в обратной зависимости от значения сверхтока.

Примечание - Такой расцепитель может быть спроектирован так, чтобы эта выдержка времени при высоких значениях сверхтока достигала определенного минимального значения.

3.3.8 максимальный расцепитель тока прямого действия: Максимальный расцепитель тока, срабатывающий непосредственно от протекающего тока в главной цепи автоматического выключателя.

3.3.9 расцепитель перегрузки: Максимальный расцепитель тока, предназначенный для защиты от перегрузок.

3.3.10 токопроводящая часть: Часть, способная проводить ток, но не обязательно предназначенная для проведения тока в нормальных условиях эксплуатации.

3.3.11 открытая токопроводящая часть: Токопроводящая часть, открытая для прикосновения и в нормальных условиях эксплуатации не находящаяся под напряжением, но которая может оказаться под напряжением в аварийных условиях.

Примечание - Типичные открытые токопроводящис части - стенки металлических оболочек, металлические ручки управления и т. п.

3.3.12 вывод: Токопроводящая часть аппарата, предназначенная для электрического соединения с внешними цепями.

3.3.13 резьбовый вывод: Вывод для присоединения и отсоединения проводника или разъемного соединения между собой двух или нескольких проводников, осуществляемого прямо или косвенно винтами или гайками любого типа.

3.3.14 столбчатый вывод: Резьбовый вывод, в котором проводник вводится в отверстие или полость и зажимается одним или более винтами. Давление зажима может передаваться непосредственно винтом или через промежуточный зажимный элемент, прижимаемый винтом.

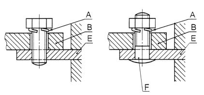
Примечание - Примеры столбчатых выводов представлены в приложении F, рисунок F1.

3.3.15 винтовый вывод: Резьбовый вывод, в котором проводник зажимается под головкой винта. Давление зажима передается непосредственно головкой винта или через промежуточный элемент типа шайбы, зажимной пластины или устройства, препятствующего выскальзыванию проводника.

Примечание - Примеры винтовых выводов представлены в приложении F, рисунок F2.

3.3.16 болтовой вывод: Резьбовый вывод, в котором проводник зажимается под гайкой. Зажимное давление может передаваться непосредственно от гайки соответствующей конфигурации или через промежуточную часть типа шайбы, зажимной пластины или устройства, препятствующего выскальзыванию проводника.

Примечание - Примеры болтовых выводов представлены в приложении F, рисунок F2.

3.3.17 пластинчатый вывод: Резьбовый вывод, в котором проводник зажимается под изогнутой пластиной двумя или более винтами или гайками.

Примечание - Примеры пластинчатых выводов представлены в приложении F, рисунок F3.

3.3.18 вывод для кабельных наконечников и шин: Винтовой или болтовой вывод, предназначенный для зажима наконечника или шины с помощью винта или гайки.

Примечание - Примеры данных выводов представлены в приложении F, рисунок F4.

3.3.19 безрезьбовый вывод: Вывод для присоединения и последующего отсоединения одного проводника или разъемного соединения между собой двух или более проводников, осуществляемого прямо или косвенно пружинами, клиньями, эксцентриками, конусами и т. п. без специальной подготовки проводника, за исключением удаления изоляции.

3.3.20 штыревой вывод: Вывод, присоединение и отсоединение которого осуществляется без перемещения проводников соответствующей цепи.

Присоединение осуществляется без использования инструмента и обеспечивается упругостью неподвижных и(или) подвижных частей и(или) пружинами.

3.3.21 самонарезающий винт: Винт, изготовленный из материала с более высоким сопротивлением деформации и вставляемый посредством вращения в отверстие, выполненное в материале с меньшим сопротивлением деформации.

Винт имеет коническую резьбу, т. е. с уменьшением диаметра резьбы на конце винта.

Резьба при ввинчивании надежно формуется только после числа оборотов, превышающего число витков резьбы на коническом участке.

3.3.22 самонарезающий формующий винт: Самонарезающий винт с непрерывной резьбой, не предназначенный для удаления материала из отверстия.

Примечание - Пример самонарезающего формующего винта представлен на рисунке 1.

3.3.23 самонарезающий режущий винт: Самонарезающий винт с непрерывной резьбой, предназначенной для удаления материала из отверстия.

Примечание - Пример самонарезающего режущего винта представлен на рисунке 2.

3.4 Условия оперирования

3.4.1 замыкание: Действие, в результате которого выключатель переводится из разомкнутого положения в замкнутое.

3.4.2 размыкание: Действие, в результате которого выключатель переводится из замкнутого положения в разомкнутое.

3.4.3 ручное управление при наличии зависимого привода (МЭС 441-16-13): Управление только путем прямого приложения физической энергии оператора, от которой зависит скорость и сила оперирования.

3.4.4 ручное управление при наличии привода независимого действия (МЭС 441-16-16): Оперирование за счет энергии оператора, накопленной в механизме, при которой скорость и сила, развиваемая механизмом, не зависят от действия оператора.

3.4.5 выключатель со свободным расцеплением: Автоматический выключатель, подвижные контакты которого возвращаются в разомкнутое положение и остаются в нем, когда операция автоматического размыкания начинается после начала операции замыкания, даже если сохраняется команда на замыкание.

Примечание - Чтобы обеспечивалось полное отключение тока, который мог бы включиться, может потребоваться мгновенное достижение контактами замкнутого положения.

3.5 Характеристические параметры

При отсутствии других указаний все значения тока и напряжения действующие.

3.5.1 номинальное значение: Указанное значение любого характеристического параметра, определяющее рабочие условия, для которых спроектирован и построен автоматический выключатель.

3.5.2 ожидаемый ток (цепи, и применительно к автоматическому выключателю) (МЭС 441-17-01):

Ток, который протекал бы в цепи, если бы каждый полюс автоматического выключателя был заменен проводником с ничтожно малым сопротивлением.

Примечание - Ожидаемый ток можно квалифицировать также, как действительный, например: ожидаемый ток отключения, ожидаемый пиковый ток.

3.5.3 ожидаемый пиковый ток (МЭС 441-17-02): Пиковое значение ожидаемого тока во время переходного периода после его возникновения.

Примечание - Это определение подразумевает, что ток выключается идеальным автоматическим выключателем, т. е. с мгновенным переходом от бесконечного к нулевому значению полного сопротивления. Для цепей, в которых ток может проходить по нескольким различным путям, например многофазных цепей, предполагается так же, что ток включается одновременно во всех полюсах, даже если рассматривается ток только в одном полюсе.

3.5.4 максимальный ожидаемый пиковый ток (цепи переменного тока) (МЭС 441-17-04): Ожидаемый пиковый ток, возникающий в момент, обусловливающий его наибольшее значение.

Примечание - В многополюсном автоматическом выключателе, входящем в многофазную цепь, максимальный ожидаемый пиковый ток относится только к одному полюсу.

3.5.5 наибольшая включающая и отключающая способность: Переменная составляющая ожидаемого тока, выраженная его действующим значением, которую выключатель может включать, проводить в течение времени отключения и отключать при указанных условиях.

3.5.5.1 предельная наибольшая отключающая способность: Отключающая способность, для которой предписанные условия соответственно указанному циклу испытаний не предусматривают способности выключателя проводить в течение условного времени ток, равный 0,85 его тока нерасцепления.

3.5.5.2 рабочая наибольшая отключающая способность: Отключающая способность, для которой предписанные условия соответственно указанному циклу испытаний предусматривают способность выключателя проводить в течение условного времени ток, равный 0,85 тока нерасцепления.

3.5.6 ток отключения: Ток в полюсе выключателя в момент возникновения дуги при отключении.

3.5.7 напряжение до включения: Напряжение между выводами полюса выключателя непосредственно перед включением тока.

Примечание - Это определение относится к однополюсному выключателю. В многополюсном выключателе напряжение до включения - это напряжение между входными выводами аппарата.

3.5.8 восстанавливающееся напряжение (МЭС 441-17-25): Напряжение, появляющееся на выводах полюса автоматического выключателя после отключения тока.

Примечания

1 Это напряжение можно рассматривать на протяжении двух последовательных интервалов времени, на первом из которых напряжение переходное, а на последующем втором - напряжение промышленной частоты.

2 Это определение действительно для однополюсного выключателя. Для многополюсного выключателя - это напряжение между входными выводами аппарата.

3.5.8.1 восстанавливающееся напряжение (МЭС 441-17-26): Напряжение в период, когда оно носит в значительной степени переходный характер.

Примечания

1 Это переходное напряжение может быть колебательным или неколебательным, или их комбинацией, в зависимости от характеристик цепи и выключателя. При этом учитывают сдвиг напряжения нейтрали многофазной цепи.

2 Восстанавливающееся напряжение в трехфазных цепях в отсутствие других указаний - это напряжение между выводами первого полюса, отключающего ток, поскольку оно, как правило, выше, чем между выводами каждого из двух других полюсов.

3.5.8.2 возвращающееся напряжение промышленной частоты: Возвращающееся напряжение после исчезновения переходных процессов.

3.5.9 время размыкания: Время, замеренное от момента, когда в выключателе, находящемся в замкнутом положении, ток в главной цепи достигает уровня срабатывания максимального расцепителя тока, до момента разъединения дугогасительных контактов во всех полюсах.

Примечание - Время размыкания обычно называют временем расцепления, хотя, точнее, время расцепления относится к интервалу между начальным моментом размыкания и моментом, когда команда на размыкание становится необратимой.

3.5.10 Время горения дуги (МЭС 441-17-37)

3.5.10.1 время горения дуги в полюсе: Интервал между моментом появления дуги и моментом окончательного гашения дуги в этом полюсе.

3.5.10.2 время горения дуги в многополюсном выключателе: Интервал между моментом первого появления дуги и моментом окончательного гашения дуг во всех полюсах.

3.5.11 время отключения: Интервал между началом размыкания автоматического выключателя и концом времени горения дуги.

3.5.12 I2t (интеграл Джоуля): Интеграл квадрата силы тока по данному интервалу времени

3.5.13 характеристика I2t выключателя: Кривая, отражающая максимальные значения I2t как функцию ожидаемого тока в указанных условиях эксплуатации.

3.5.14 Координация между последовательно соединенными аппаратами защиты от сверхтоков

3.5.14.1 предельный ток селективности (Is): Координата точки пересечения время-токовой характеристики в зоне наибольшей отключающей способности защитного аппарата на стороне нагрузки и преддуговой характеристикой (для предохранителя) или время-токовой характеристикой расцепителя (для автоматического выключателя) другого защитного аппарата.

Примечания

1 Предельный ток селективности - это предельное значение тока:

- ниже которого при наличии двух последовательно соединенных аппаратов защиты от сверхтоков аппарат со стороны нагрузки успевает завершить процесс отключения до того, как его начнет второй аппарат (т. е. обеспечивается селективность);

- выше которого при наличии двух последовательно соединенных аппаратов защиты от сверхтоков аппарат со стороны нагрузки может не успеть завершить процесс отключения до того, как его начнет второй аппарат (т. е. селективность не обеспечивается).

2 Вместо время-токовых характеристик можно использовать характеристики I2t.

3.5.14.2 ток координации (Iв): Координата точки пересечения время-токовых характеристик наибольшей отключающей способности двух аппаратов защиты от сверхтоков.

Примечания

1 Ток координации - предельное значение тока, выше которого при наличии двух последовательно соединенных аппаратов защиты от сверхтоков защитный аппарат, расположенный со стороны питания, как правило, но не обязательно обеспечивает резервную защиту второго защитного аппарата

2 Вместо время-токовых характеристик можно использовать характеристики I2t.

3.5.15 условный ток нерасцепления (Int): Установленное значение тока, который выключатель способен проводить заданное (условное) время без расцепления.

3.5.16 условный ток расцепления (It): Установленное значение тока, вызывающее расцепление выключателя в пределах заданного (условного) времени.

3.5.17 ток мгновенного расцепления: Минимальное значение тока, вызывающее срабатывание выключателя без выдержки времени.

3.5.18 воздушный зазор (МЭС 441-17-31) (см. приложение В): Кратчайшее расстояние в воздухе между двумя токопроводящими частями вдоль линии наименьшей протяженности между этими токоведущими частями.

Примечание - Для определения воздушного зазора относительно доступных частей следует рассматривать доступную поверхность изоляционной оболочки как токопроводящую, как если бы она была покрыта металлической фольгой во всех местах, где ее можно коснуться рукой или стандартным испытательным пальцем в соответствии с рисунком 9.

3.5.19 расстояние утечки (см. приложение В): Кратчайшее расстояние по поверхности изоляционного материала между двумя токопроводящими частями.

Примечание - При определении расстояния утечки относительно доступных частей следует рассматривать доступную поверхность изоляционной оболочки как токопроводящую, как если бы она была покрыта металлической фольгой во всех местах, где ее можно коснуться рукой или стандартным испытательным пальцем в соответствии с рисунком 9.

4 Классификация

Выключатели подразделяют:

4.1 по числу полюсов:

- однополюсные выключатели,

- двухполюсные выключатели с одним защищенным полюсом,

- двухполюсные выключатели с двумя защищенными полюсами,

- трехполюсные выключатели с тремя защищенными полюсами,

- четырехполюсные выключатели с тремя защищенными полюсами,

- четырехполюсные выключатели с четырьмя защищенными полюсами.

Примечание - Полюс, не являющийся защищенным, может быть:

- незащищенным (см. 3.2.7.2) или

- отключающим нейтраль (см. 3.2.7.3);

4.2 по защите от внешних воздействий:

- закрытого исполнения (не нуждающиеся в соответствующей оболочке),

- открытого исполнения (для использования с соответствующей оболочкой);

4.3 по способу монтажа:

- настенного типа,

- утопленного типа,

- панельно-щитового типа для установки в распределительных шкафах.

Примечание - Эти типы могут предназначаться для установки на рейках;

4.4 по способу присоединения:

- выключатели, электрическое присоединение которых не связано с механическими креплениями,

- выключатели, соединения которых связано с механическими креплениями.

Например: втычного типа, болтового типа, ввинчиваемого типа.

Некоторые выключатели могут быть снабжены втычными или болтовыми соединениями только на входной стороне, а выходные выводы обычно пригодны для присоединения проводников;

4.5 по току мгновенного расцепления (см. 3.5.17) - типов В, С, D.

Примечание - Выбор конкретного типа может зависеть от правил монтажа.

4.6 по характеристике I2t (в стадии изучения).

В дополнение к характеристике I2t, указываемой изготовителем, автоматические выключатели могут классифицироваться по характеристике I2t.

5 Характеристики автоматических выключателей

5.1 Перечень характеристик

Характеристики выключателей должны быть выражены следующими определениями:

- число полюсов (4.1);

- защита от внешних воздействий (4.2);

- способ монтажа (4.3);

- способ присоединения (4.4);

- значение номинального рабочего напряжения (5.3.1);

- значение номинального тока (5.3.2);

- значение номинальной частоты (5.3.3);

- диапазон токов мгновенного расцепления (4.5 и 5.3.5);

- значение номинальной наибольшей отключающей способности (5.3.4);

- характеристика I2t (3.5.13);

- классификация по I2t (4.6).

5.2 Номинальные значения

5.2.1 Номинальные напряжения

5.2.1.1 Номинальное рабочее напряжение (Ue)

Номинальное рабочее напряжение (далее - номинальное напряжение) выключателя - устанавливаемое изготовителем значение напряжения, связанное с его работоспособностью (особенно при коротких замыканиях).

Примечание - Для одного выключателя можно установить несколько значений номинального напряжения с соответствующими значениями номинальной наибольшей отключающей способности.

5.2.1.2 Номинальное напряжение изоляции (Ui)

Номинальное напряжение изоляции выключателя - установленное изготовителем значение напряжения, по которому определяют испытательное напряжение при испытании на электрическую прочность изоляции и расстояния утечки.

В отсутствие других указаний номинальное напряжение изоляции - это максимальное номинальное напряжение выключателя. Максимальное номинальное напряжение ни в коем случае не должно превышать номинальное напряжение изоляции.

5.2.2 Номинальный ток (In)

Установленный изготовителем ток, который выключатель способен проводить в продолжительном режиме (см. 4.3.2.14) при указанной контрольной температуре окружающего воздуха.

Стандартная контрольная температура окружающего воздуха 30 °С. Если для данного выключателя используется другое контрольное значение температуры окружающего воздуха, необходимо учитывать ее влияние на защиту кабелей от перегрузки, так как согласно монтажным правилам она также основывается на контрольной температуре окружающего воздуха.

Примечание - Контрольную температуру для защиты кабелей от перегрузок принимают 25 °С по МЭК 369 [5].

5.2.3 Номинальная частота

Промышленная частота, на которую рассчитан данный выключатель для обеспечения заданных характеристик. Один выключатель может быть рассчитан на несколько значений номинальной частоты.

5.2.4 Номинальная отключающая способность (Icn) Значение предельной наибольшей отключающей способности, установленное для выключателя (см. 3.5.5.1).

Примечание - Данной номинальной отключающей способности выключателя соответствует определенная рабочая отключающая способность (Ics) (см. таблицу 15).

5.3 Стандартные и предпочтительные значения

5.3.1 Предпочтительные значения номинального напряжения

К предпочтительным значениям номинального напряжения относятся значения, указанные в таблице 1.

Таблица 1 - Предпочтительные значения номинального напряжения

Выключатели

Цепь питания выключателя

Номинальное напряжение, В

Однополюсные

Однофазная (фаза с нейтралью)

230

Однофазная (фаза с нулевым заземленным проводом или фаза с нейтралью)

120

Однофазная (фаза с нейтралью) или трехфазная (три однополюсных автоматических выключателя) (трех- или четырехпроводная)

230/400

Двухполюсные

Однофазная (фаза с нейтралью)

230

Однофазная (фаза с фазой)

400

Однофазная (фаза с фазой, трехпроводная)

120/240

Трехполюсные

Трехфазная (трех- или четырехпроводная)

240

Четырехполюсные

400

1 В ГОСТ 29322 стандартизировано значение напряжения 230/400 В. Это значение должно постепенно вытеснить значения 220/380 и 240/415 В

2 Там, где в настоящем стандарте имеется ссылка на напряжения 230 или 400 В, возможно считать это равным напряжением 220 или 240 В и 380 или 415 В соответственно

3 Выключатели, соответствующие требованиям настоящего стандарта, могут использоваться в IТ системах.

 

5.3.2 Предпочтительные значения номинального тока

К предпочтительным значениям номинального тока относятся: 6, 8, 10, 13, 16, 20, 25, 32, 40, 50, 63, 80, 100 и 125 А.

5.3.3 Стандартные значения номинальной частоты

Стандартными значениями номинальной частоты являются 50 и 60 Гц.

5.3.4 Значения номинальной отключающей способности

5.3.4.1 Стандартные значения до 10 000 А включ.

Стандартные значения номинальной отключающей способности: 1 500, 3 000, 4 500, 6 000, 10 000 А.

Соответствующие диапазоны значений коэффициента мощности указаны в 9.12.5.

Примечание - В некоторых странах считают стандартными также значения 1 000, 2 000, 2 500, 5 000, 7 500 и 9 000 А.

5.3.4.2 Значения св. 10 000 до 25 000 А включ.

При значениях св. 10 000 до 25 000 А включ. предпочтительное значение 20 000 А.

Соответствующий диапазон значений коэффициента мощности указан в 9.12.5

5.3.5 Стандартные диапазоны мгновенного расцепления

Стандартные диапазоны мгновенного расцепления указаны в таблице 2.

Таблица 2 - Диапазоны токов мгновенного расцепления

Тип

Диапазон

В

Св. 3In до 5In включ.

С

«   5In   «   10In   «

D

«   10In   «   50In   «

6 Маркировка и другая информация об автоматических выключателях

На каждом выключателе должны быть стойко маркированы:

а) наименование или товарный знак изготовителя;

в) типовое обозначение, каталожный или серийный номер;

с) одно или несколько номинальных напряжений;

d) номинальный ток без обозначения «А» с предшествующим обозначением типа мгновенного расцепления (В, С или D), например В16;

е) номинальная частота, если автоматический выключатель рассчитан только на одну частоту (см. 5.3.3);

f) номинальная отключающая способность в амперах;

g) коммутационная схема, если правильный способ соединения не очевиден;

h) контрольная температура окружающего воздуха, если она отличается от 30 °С;

i) степень защиты (если она отличается от IР20)

Маркировка по перечислению d) должна быть ясно видна после установки выключателя. Если на малогабаритном аппарате недостаточно места, маркировку по перечислениям а), в), с), е), f), h), и i), можно расположить на боковой или задней стенке выключателя, маркировка по перечислению g) может быть расположена на внутренней поверхности любой крышки, которую приходится снимать для присоединения питающих проводников. Эта схема не должна находиться на табличке, непосредственно прикрепленной к выключателю. Любая другая ненанесенная информация приводится в документации изготовителя. По запросу изготовитель обязан предоставлять характеристику I2t (см. 3.5.13). Изготовитель может указать класс характеристики I2t (см. 4.6) и наносит его на автоматический выключатель.

Для выключателей, управляемых не нажимными кнопками, разомкнутое положение должно обозначаться знаком О (окружность), а замкнутое - | (короткой вертикальной чертой). Эти обозначения должны быть хорошо видны когда автоматический выключатель установлен.

Для выключателей, управляемых двумя нажимными кнопками, только кнопка, предназначенная для размыкания, должна быть красного цвета и/или промаркирована знаком О.

Красный цвет не следует использовать для других кнопок выключателя.

Если кнопка служит для замыкания контактов и это четко обозначено, для указания замкнутого положения достаточно ее вдавливания.

Если для замыкания и размыкания контактов применяют одну нажимную кнопку, соответственно обозначенную, для указания замкнутого положения достаточно оставить ее вдавленной. В случае, если кнопка не остается вдавленной, следует предусмотреть дополнительный указатель положения контактов.

Для выключателей с несколькими номинальными токами следует маркировать максимальное значение тока как указано в перечислении d) и, кроме того, значение номинального тока, на который отрегулирован выключатель.

Если необходимо различать входные и выходные выводы, первые следует обозначить стрелками, направленными к выключателю, а вторые - стрелками, направленными от него.

Выводы, предназначенные исключительно для нейтрали, следует обозначить буквой N.

Выводы, предназначенные для защитного проводника, если он предусматривается, должны быть маркированы обозначением ^ по ГОСТ 25874.

Примечание - Рекомендованное ранее обозначение ^ (МЭК 417-5017) будет в дальнейшем заменено указанным предпочтительным символом по ГОСТ 25874.

Маркировка должна быть нестираемой и четкой, и не должна помещаться на винтах, шайбах и других съемных частях.

Соответствие проверяют путем осмотра и испытания по 9.3.

7 Нормальные условия эксплуатации

Выключатели должны быть работоспособны в нормальных условиях, приведенных в настоящем разделе.

7.1 Диапазон температур окружающего воздуха

Температура окружающего воздуха не должна превышать 40 °С, а ее среднесуточное значение не должна превышать 35 °С.

Нижний предел температуры окружающего воздуха минус 5 °С.

Выключатели, предназначенные для эксплуатации при температуре окружающего воздуха выше 40 °С (в частности, в тропических странах) или ниже минус 5 °С, должны либо специально быть спроектированы, либо использоваться согласно указаниям в каталоге изготовителя.

7.2 Высота над уровнем моря

Высота места установки над уровнем моря не должна превышать 2000 м.

При установке на большей высоте необходимо учитывать уменьшение электрической прочности изоляции и охлаждающее действие воздуха. Включатели, предназначенные для эксплуатации в этих условиях, должны специально проектироваться или применяться по соглашению между изготовителем и потребителем. Такое соглашение может заменить информация, содержащаяся в каталоге изготовителя.

7.3 Атмосферные условия

Воздух должен быть чистым, относительная влажность не должна превышать 50 % при максимальной температуре 40 °С.

При более низких температурах допускается более высокая относительная влажность, например 90 % при 20 °С.

Следует принять меры защиты (например, предусмотреть дренажные отверстия) против умеренной конденсации влаги, которая может обусловливаться колебанием температуры.

7.4 Условия монтажа

Выключатель следует устанавливать по инструкциям изготовителя.

8 Требования к конструкции и работоспособности

8.1 Механическая конструкция

8.1.1 Общие положения

Автоматический выключатель должен быть спроектирован и изготовлен так, чтобы надежно работать в нормальных условиях эксплуатации, не создавая опасности для потребителя или окружающей среды.

Выполнение этого требования проверяют проведением всех предусмотренных для этих целей испытаний.

8.1.2 Механизм

Подвижные контакты многополюсных выключателей должны быть сблокированы с таким расчетом, чтобы все полюса, за исключением отключающего нейтраль (при его наличии), включали и отключали ток практически одновременно независимо от того, осуществляется оперирование вручную или автоматически, даже если перегрузке подвергается только один защищенный полюс.

Полюс, отключающий нейтраль (см. 3.2.7.3), должен размыкаться позже и замыкаться раньше защищенных полюсов.

Если полюс с соответствующей наибольшей включающей и отключающей способностью используют как нейтральный, а выключатель снабжен ручным управлением с приводом независимого действия (см. 3.4.4), практически одновременно могут срабатывать все полюса, в том числе и нейтральный.

Выключатель должен быть оснащен механизмом свободного расцепления.

Должна предусматриваться возможность включать и отключать ток вручную. Для автоматических выключателей втычного исполнения без рукоятки управления это требование не выполняется, однако отключение цепи выключателем производится снятием с основания.

Выключатели должны быть сконструированы так, чтобы при оперировании подвижные контакты переходили или в замкнутом положении (см. 3.2.8) или в разомкнутом положении (см. 3.2.9), даже если орган управления освобождается в промежуточном положении.

Выключатели должны быть оснащены указателями замкнутого и разомкнутого положения, легко различимыми спереди, когда передняя панель закрыта одной или несколькими крышками или закрывающими пластинами, если они предусматриваются (см. раздел 6)

Если положение контактов указывает орган управления, он должен по освобождении автоматически занимать положение, соответствующее положению одного или нескольких подвижных контактов; в этом случае орган управления должен иметь два четко различающихся состояния покоя соответственно положению контактов, для автоматического срабатывания может быть предусмотрено третье отдельное положение органа управления.

На работу этого механизма не должны влиять положение оболочек или крышек, либо какая-то съемная часть.

Крышку, запломбированную изготовителем, рассматривают как несъемную часть.

Если крышка служит направляющей для нажимных кнопок, удаление кнопок извне должно быть невозможным.

Органы управления должны быть надежно закреплены, и удаление их без помощи инструмента должно быть невозможно. Допускается закрепление органа управления непосредственно к крышке.

Если орган управления переключается движением «вверх-вниз», когда выключатель установлен, как в нормальных условиях эксплуатации (вертикально), контакты должны замыкаться движением органа управления вверх.

Выполнение этих требований проверяют путем осмотра и испытания вручную.

Примечание - Временно в некоторых странах допускается замыкание движением вниз.

8.1.3 Воздушные зазоры и расстояния утечки (см. приложение В) Воздушные зазоры и расстояния утечки должны быть не меньше указанных в таблице 3, если выключатель устанавливается как в нормальных условиях эксплуатации.

8.1.4 Винты, токопроводящие части и соединения

8.1.4.1 Соединения, электрические и механические, должны выдерживать механические нагрузки, характерные для нормальных условий эксплуатации.

Винты, используемые для монтажа выключателей, не должны быть самонарезающего типа.

Примечания

1 К винтам (или гайкам), используемым для монтажа автоматических выключателей, относятся винты для крепления крышек или защитных щитков и панелей, но не для присоединения вводных сальников и крепления основания автоматического выключателя внутри оболочек.

Соблюдение этого требования проверяют путем осмотра и испытания по 9.4.

2 Проверка винтовых соединений предполагается осуществленной в ходе испытаний по 9.8, 9.9, 9.12 - 9.14.

8.1.4.2 Винты, вворачивающиеся в резьбовые отверстия в изоляционном материале и используемые для монтажа автоматического выключателя, должны без перекосов и затираний вставляться в резьбовое отверстие или гайку.

Соблюдение этого требования проверяют путем осмотра и пробного ввода винтов.

Примечание - Требование правильной посадки удовлетворяется, если, например, исключается косой ввод винта, используется в качестве направляющей для него на закрепляемой части углубление в резьбе, в которую он ввинчивается, или применяется винт без резьбы.

Таблица 3 - Воздушные зазоры и расстояния утечки

Наименование

Расстояние,
мм

Воздушные зазоры

 

1 Между находящимися под напряжением частями, разъединенными, когда выключатель находится в разомкнутом положении 1)

3

2 Между находящимися под напряжением частями различной полярности

3

3 Между находящимися под напряжением частями и

 

- доступными поверхностями органов управления:

3

- винтами или другими средствами крепления крышек, которые должны удаляться при установке

3

- поверхностью, на которой монтируют основание 2)

6(3)

- винтами или другими средствами крепления выключателя 2)

6(3)

- металлическими крышками или коробками 2)

6(3)

- прочими доступными металлическими частями 3)

3

- металлическими опорными рамами выключателей утопленного монтажа

3

4 Между металлическими частями механизма и:

 

- доступными металлическими частями 3)

3

- винтами или другими средствами крепления выключателя

3

- металлическими опорными рамами выключателей скрытого монтажа

3

Расстояние утечки

 

1 Между находящимися под напряжением частями, разъединенными, когда выключатель находится в разомкнутом положении 1)

3

2 Между находящимися под напряжением частями различной полярности:

 

- для автоматических выключателей на номинальное напряжение не выше 250 В

3

- для прочих автоматических выключателей

4

3 Между находящимися под напряжением частями и:

 

- доступными поверхностями органов управления

3

- винтами или другими средствами крепления крышек, которые должны сниматься при остановке выключателей

3

- винтами или другими средствами крепления автоматических выключателей 2)

6(3)

- доступными металлическими частями 3)

3

1) Неприменимо к вспомогательным контактам и контактам управления.

2) Если воздушные зазоры и расстояния утечки между находящимися под напряжением частями и металлическим экраном или поверхностью, на которой монтируется выключатель, зависят только от конструкции выключателя, так что не могут быть уменьшены, когда выключатель устанавливается в самых неблагоприятных условиях (даже в металлической оболочке), достаточно значений, заключенных в скобки.

3) С учетом металлической фольги, соприкасающейся с поверхностями из изоляционного материала, доступными после монтажа, аналогичного нормальным условиям эксплуатации. Эту фольгу заталкивают в углы, пазы и т. п. с помощью испытательного пальца согласно 9.6 (см. рисунок 9).

Примечания

1 Следует принять меры предосторожности, чтобы обеспечить соответствующие зазоры между находящимися под напряжением частями различной полярности выключателей втычного типа, смонтированных близко друг от друга. Значения находятся в стадии изучения.

2 В некоторых странах в соответствии с национальной практикой используют более широкие зазоры между выводами.

3 Значения таблицы 3 пересматривают.

4 Вспомогательные цепи с безопасным напряжением см. в приложении F.

8.1.4.3 Электрические соединения должны быть спроектированы так, чтобы контактное давление не передавалось через изоляционный материал, кроме керамики, чистой слюды или другого материала с равнозначными характеристиками, если металлические части не имеют упругих элементов, чтобы компенсировать любую возможную усадку или пластичность изоляционного материала.

Проверку осуществляют путем осмотра.

Примечание - Пригодность материала оценивают по стабильности контактного давления.

8.1.4.4 Токопроводящие части и соединения, в том числе части, предназначенные для защитных проводников, при их наличии, должны изготовляться из:

- меди,

- сплава, содержащего не менее 58 % меди, для частей, подлежащих холодной обработке, или не менее 50 % меди - для прочих частей, или

- другого металла или металла с соответствующим покрытием не менее коррозиеустойчивого, чем медь, и с не менее пригодными механическими свойствами.

Примечание - Новые требования и испытания для определения антикоррозионной стойкости находятся в стадии изучения. Эти требования должны допускать применение других материалов с соответствующими покрытиями.

Требования, содержащиеся в этом пункте, не относятся к контактам, магнитным контурам, нагревательным и биметаллическим элементам, токоограничивающим элементам, шунтам, частям электронных устройств, а также винтам, гайкам, шайбам, зажимным пластинам и аналогичным частям выводов.

8.1.5 Выводы для внешних проводников

8.1.5.1 Выводы для внешних проводников должны обеспечивать такое присоединение проводников, чтобы постоянно поддерживалось необходимое контактное давление.

Настоящий стандарт предусматривает только резьбовые выводы для внешних медных проводников.

Примечание - Требования к выводам быстрого присоединения, безрезьбовым выводам и выводам для присоединения алюминиевых проводников находятся в стадии изучения.

Допускается применение устройств, предназначенных для присоединения шин при условии, что они не используются для присоединения кабелей.

Такие устройства могут быть втычного или болтового типа.

Выводы должны быть легко доступными для присоединения проводников в предполагаемых условиях эксплуатации.

Проверку осуществляют путем осмотра и испытаний по 9.5.

8.1.5.2 Выключатели должны быть оснащены выводами, допускающими присоединение медных проводников номинальной площадью поперечного сечения согласно таблице 4.

Проверку осуществляют путем осмотра, измерений и поочередного ввода одного проводника с минимальной и одного с максимальной указанной площадью поперечного сечения.

Примечание - Примеры возможных форм и конструкций выводов представлены в приложении F.

8.1.5.3 Зажимные элементы для проводников в выводах не должны служить для закрепления каких-либо других элементов, хотя могут удерживать выводы на месте или предотвращать их проворачивание.

Проверку осуществляют путем осмотра и испытаний по 9.5.

8.1.5.4 Выводы на номинальные токи до 32 А включ. должны допускать присоединение проводников без специальной подготовки.

Проверку осуществляют путем осмотра.

Примечание - Термин «специальная подготовка» подразумевает пропаивание жилы проводника, использование кабельных наконечников, образование петель и т. п., но не изменение формы перед его вводом в зажим или скручивание гибкого проводника для укрепления его конца.

Таблица 4 - Поперечные сечения медных проводников для резьбовых выводов

Номинальный ток, А 1)

Номинальные поперечные сечения проводников, присоединяемых к зажиму, мм2

 

Номинальный ток, А 1)

Номинальные поперечные сечения проводников, присоединяемых к зажиму, мм2

До 13 включ.

От 1,0 до 2,5

 

Св. 32 до 50 включ.

От 4,0 до 16,0

Св. 13 до 16 включ.

«   1,0   «   4,0

 

« 50 « 80 «

« 10,0 « 25,0

« 16 « 25 «

«   1,5   «   6,0

 

« 80 « 100 «

« 16,0 « 35,0

« 25 « 32 «

«   2,5   «  10,0

 

« 100 « 125 «

« 25,0 « 50,0

1) При номинальных токах до 50 А включ. выводы должны быть рассчитаны на зажим и одножильных и жестких многожильных проводников; допускается применение гибких проводников.

Выводы для проводников с поперечными сечениями 1,0 - 6,0 мм2 могут быть рассчитаны на зажим только одножильных проводников.

Примечание - Относительно медных проводников в системе АWG см. приложение G.

8.1.5.5 Выводы должны обладать достаточной механической прочностью. Резьба винтов и гаек для зажима проводников должна характеризоваться метрическим шагом ИСО или сопоставимыми шагом и механической прочностью.

Проверку осуществляют путем осмотра и испытаний по 9.4 и 9.5.1.

Примечание - Временно эквивалентной резьбе ИСО по шагу и механической прочности считают резьбы SI, ВА и UN.

8.1.5.6 Выводы должны быть сконструированы так, чтобы зажимать проводник без серьезного повреждения жилы или изоляции проводника.

Проверку осуществляют путем осмотра и испытания по 9.5.2

8.1.5.7 Выводы должны быть сконструированы так, чтобы зажимать проводник надежно и между металлическими поверхностями.

Проверку осуществляют путем осмотра и испытаний по 9.4 и 9.5.1

8.1.5.8 Выводы должны быть сконструированы и расположены так, чтобы исключить возможность выскальзывания жесткого одножильного проводника или жилы многожильного проводника в процессе затягивания зажимных винтов или гаек.

Это требование не предъявляют к шинным выводам.

Проверку осуществляют испытанием по 9.5.3

8.1.5.9 Выводы должны быть сконструированы или размещены так, чтобы при затягивании или отпускании зажимных винтов или гаек не ослабевались крепления выводов к автоматическим выключателям.

Примечания

1 Эти требования не означают, что конструкция выводов должна полностью предотвращать их вращение или смещение, но любое движение должно быть достаточно ограниченным во избежание нарушений требований настоящего стандарта.

2 Для предотвращения ослабления выводов считают достаточным применение уплотняющей массы или смолы при условии, что:

- они не испытывают нагрузок в нормальных условиях эксплуатации;

- эффективность уплотняющей массы или смолы не снижается под воздействием температур, достигаемых выводом в наиболее неблагоприятных условиях, оговоренных в настоящем стандарте.

Проверку осуществляют путем осмотра, измерений и испытаний по 9.4

8.1.5.10 Зажимные винты или гайки выводов, предназначенных для присоединения защитных проводников, должны быть достаточно защищены от случайного ослабления их затяжки.

Проверку осуществляют путем испытания вручную.

Примечание - Конструкции выводов, примеры которых представлены в приложении F, достаточно упруги и удовлетворяют этому требованию; для других конструкций могут потребоваться специальные приспособления типа достаточно упругой части, которую невозможно было бы удалить случайно.

8.1.5.11 Столбчатые зажимы должны допускать полный ввод и надежный зажим провода. Проверку осуществляют путем осмотра после полного ввода и зажима одножильного проводника с наибольшей площадью поперечного сечения, соответствующей данному номинальному току

по таблице 4, и крутящим моментом по таблице 9.

8.1.5.12 Винты и гайки зажимов для присоединения внешних проводников должны ввинчиваться (навинчиваться) на резьбовые детали, выполненные из металла. Винты не должны быть самонарезающими.

8.1.6 Отсутствие взаимозаменяемости

Конструкция выключателя, предназначенного для установки в основание, образующее с ним единую конструкцию (втычного или ввинчиваемого типа), после установки и подключения, как в нормальных условиях эксплуатации, не должна допускать возможность замены его, без помощи инструмента, другим того же типа, но с более высоким номинальным током.

Проверку осуществляют путем осмотра.

Примечание - Выражение «как в нормальных условиях эксплуатации» подразумевает, что выключатель устанавливают по инструкциям изготовителя.

8.1.7 Механическая установка выключателей втычного типа

Механическая установка выключателей штепсельного типа должна быть надежной и иметь соответствующую устойчивость.

8.1.7.1 Выключатели втычного типа, фиксация которых обеспечивается не только за счет штепсельного соединения

Проверку осуществляют испытанием по 9.13.

8.1.7.2 Выключатели втычного типа, фиксация которых обеспечивается только штепсельным соединением

Проверку осуществляют испытанием по 9.13.

Дополнительные требования для выключателей этого типа находятся в стадии рассмотрения,

8.2 Защита от электрического удара

Выключатели должны быть спроектированы так, чтобы после установки и присоединения, как в нормальных условиях эксплуатации (см. примечание к 8.1.6), части, находящиеся под напряжением, были недоступными.

Часть считают «доступной», если ее можно коснуться испытательным щупом (см. 9.6).

В выключателях, за исключением втычного типа, наружные части, кроме винтов или других средств крепления крышек и табличек, доступные после установки и присоединения выключателя, как в нормальных условиях эксплуатации, должны либо изготавливаться из изоляционного материала, либо полностью покрываться изоляционным материалом, если части, находящиеся под напряжением, не помещены во внутреннюю оболочку из изоляционного материала.

Оболочка должна быть закреплена так, чтобы не потеряться во время монтажа автоматического выключателя. Она должна иметь толщины стенок, обеспечивающие необходимую механическую прочность, в том числе на углах и ребрах, для выполнения защитной функции оболочки.

Входные отверстия для проводов или кабелей должны выполняться из изоляционного материала или снабжаться втулками либо другими аналогичными приспособлениями из изоляционного материала. Такие приспособления должны надежно закрепляться и обладать достаточной механической прочностью.

В выключателях втычного типа наружные части, за исключением винтов или других креплений для крышек, доступные в нормальных условиях эксплуатации, должны выполняться из изоляционного материала.

Металлические органы управления должны быть изолированы от частей, находящихся под напряжением, а их открытые части, за исключением обеспечивающих связь изолированных органов управления нескольких полюсов, должны быть покрыты изоляционным материалом.

Металлические части механизма должны быть недоступными.

Кроме того, они должны быть изолированы от доступных металлических частей, металлических монтажных панелей выключателей утопленного монтажа, винтов и других средств крепления основания к панели и металлической панели, используемой в качестве монтажной.

Должна предусматриваться возможность легкой замены выключателя втычного типа без касания частей, находящихся под напряжением.

Лак или эмаль не считают эффективной изоляцией для указанных выше мер по изоляции механических частей.

Проверку осуществляют путем осмотра и испытания по 9.6.

8.3 Электроизоляционные свойства

Выключатели должны обладать достаточными электроизоляционными свойствами.

Проверку осуществляют испытаниями по 9.7.

После испытаний на износостойкость по 9.11 и короткое замыкание по 9.12 выключатели должны выдерживать испытание по 9.7.3, но с пониженным испытательным напряжением (см. 9.11.3) и без предварительного выдерживания во влажной камере по 9.7.1.

8.4 Превышение температуры

8.4.1 Предельные превышения температуры

Превышение температуры частей выключателя, измеренное в условиях, указанных в 9.8.2, не должно выходить за пределы, установленные в таблице 5.

Выключатель не должен иметь повреждений, препятствующих его функционированию и безопасной эксплуатации.

8.4.2 Температура окружающего воздуха

Предельные превышения температуры, приведенные в таблице 5, действительны только при температурах окружающего воздуха, указанных в 7.1.

8.5 Продолжительный режим

Выключатели должны обеспечивать защитную характеристику даже после длительной эксплуатации.

Проверку осуществляют испытанием по 9.9.

Таблица 5 - Значения превышения температуры

Части 1), 2)

Превышение температуры, °С

Выводы для внешних соединений 3)

60

Наружные части, к которым возможно касание при ручном управлении выключателем, органы управления, выполненные из изоляционного материала, и металлические связи между изолированными органами управления нескольких полюсов

40

Наружные металлические части органов управления

25

Прочие наружные части, части выключателя, непосредственно соприкасающиеся с монтажными поверхностями

60

1) Значения для контактов не устанавливают, так как конструкция большей части выключателей не допускает прямого измерения их температуры без изменения или смещения деталей, способных повлиять на достоверность измерений при испытаниях. Для косвенной проверки работоспособности контактов с точки зрения чрезмерного перегрева в условиях эксплуатации считают достаточным 28-суточное испытание (см. 9.9).

2) Для частей, не вошедших в этот перечень, значения не устанавливают, но они не должны вызывать повреждений соседних частей, выполненных из изоляционных материалов, и не должна снижаться работоспособность выключателя.

3) Для выключателей втычного типа - выводы основания, на которых устанавливают выключатель.

8.6 Автоматическое оперирование

8.6.1 Нормальная время-токовая характеристика

Характеристика расцепления выключателей должна обеспечивать эффективную защиту цепи без срабатывания при номинальном токе.

Эта время-токовая характеристика (характеристика расцепления) выключателя определяется условиями и значениями согласно таблице 6.

Таблица 6 действительна для выключателя, смонтированного в соответствии с условиями 9.2 и работающего при контрольной температуре калибровки 30+5 °С.

Проверку осуществляют путем испытаний по 9.10.

Испытания проводят при любой температуре воздуха, а результаты корректируют к температуре 30 °С на основании поправочных коэффициентов, предоставляемых изготовителем.

При этом отклонение испытательного тока от указанного в таблице 6 не должны превышать 1,2 % на 1 °С изменения температуры калибровки.

Если выключатель маркирован температурой калибровки, отличной от 30 °С, испытание проводят для этой температуры.

Таблица 6 - Время-токовые рабочие характеристики

Испытание

Тип защитной характеристики

Испытательный ток In

Начальное состояние

Пределы времени расцепления или нерасцепления

Требуемые результаты

Примечание

а

B, С, D

1,13

Холодное 1)

t ³ 1 ч (при In £ 63 A);
t ³ 2 ч (при In > 63 A)

Без расцепления

-

b

B, С, D

1,45

Немедленно после испытания а

t < 1 ч (при In £ 63 A);
t
< 2 ч (при In > 63 A)

Расцепление

Непрерывное нарастание тока в течение 5с

c

B, С, D

2,55

Холодное

1 с < t < 60 с (при In £ 32 A);
1 с
< t < 120 с (при In > 32 A)

Расцепление

-

d

B

3,00

Холодное

t ³ 0,1 с

Без расцепления

Ток создается путем замыкания вспомогательного выключателя

С

5,00

D

10,00

e

A

5,00

Холодное

t < 0,1 с

Расцепление

-

B

10,00

С

50,00

1) Термин «холодное» означает без предварительного пропускания тока при контрольной температуре калибровки.

Примечание - Для выключателей типа D рассматривается возможность дополнительного промежуточного значения между с и d.

 

Изготовитель должен предоставить информацию об изменениях характеристики расцепления при температурах калибровки, отличающихся от контрольной.

8.6.2 Условные параметры

8.6.2.1 Условное время равно 1 ч для выключателей с номинальным током до 63 А включ. и 2 ч - с номинальным током св. 63 А.

8.6.2.2 Условный ток нерасцепления (Int)

Условный ток нерасцепления выключателя равен 1,13 его номинального тока.

8.6.2.3 Условный ток расцепления (It)

Условный ток расцепления выключателя равен 1,45 его номинального тока.

8.6.3 Характеристика расцепления

Характеристика расцепления выключателей должна проходить в зоне, определенной 8.6.1

Примечания

1 На характеристику расцепления выключателей могут влиять температура и условия монтажа, отличающиеся от указанных в 9.2 (например, монтаж в специальной оболочке, компановка нескольких выключателей в одной оболочке и т. п.).

2 Изготовитель должен предоставить информацию об изменении характеристики расцепления при температурах окружающего воздуха, отличных от контрольной, в пределах, установленных в 7.1.

8.6.3.1 Влияние однополюсной нагрузки на характеристику расцепления многополюсного выключателя

Если в выключателе более чем с одним защищенным полюсом проходит ток нагрузки только через один защищенный полюс, начиная с холодного состояния, он должен расцепляться в пределах условного времени при токе, равном:

- 1,1 условного тока расцепления для двухполюсных выключателей с двумя защищенными полюсами,

- 1,2 условного тока расцепления для трех- и четырехполюсных выключателей. Выключатели должны расцепляться в пределах условного времени, указанного в 8.6.2.1 Проверку осуществляют испытанием по 9.10.3

8.6.3.2 Влияние температуры окружающего воздуха на характеристику расцепления

Температура окружающего воздуха, отличающаяся от контрольной в пределах минус 5 - минус 40 °С, не должна существенно отражаться на характеристиках расцепления автоматических выключателей.

Проверку осуществляют испытаниями по 9.10.4

8.7 Механическая и коммутационная износостойкость

Выключатели должны выполнять достаточное число циклов на номинальном токе.

Проверку осуществляют испытанием по 9.11

8.8 Работоспособность при токах короткого замыкания

Выключатели должны выполнять установленное число операций при коротких замыканиях безопасно для оператора и не иметь перекрытия между токоведущими частями или токоведущими частями и заземлением.

Проверку осуществляют испытаниями по 9.12.

Выключатели должны выключать и отключать любой ток до уровня, соответствующего номинальной наибольшей коммутационной способности включительно, при номинальной частоте и возвращающемся напряжении, равном (105 ± 5) % номинального рабочего напряжения, и любом коэффициенте мощности не менее нижнего предела диапазона, указанного в 9.12.5; требуется также, чтобы соответствующее значение I2t было ниже характеристики I2t (см. 3.5.13).

8.9 Стойкость к механическим толчкам и ударам

Выключатели должны обладать достаточной механической прочностью, чтобы выдерживать нагрузки, возникающие в процессе монтажа и эксплуатации.

Проверку осуществляют испытаниями 9.13.

8.10 Термостойкость

Выключатели должны быть достаточно термостойкими.

Проверку осуществляют испытанием по 9.14.

8.11 Стойкость против аномального нагрева и огня

Наружные части выключателей, изготовленные из изоляционного материала, не должны легко воспламеняться и распространять огонь, если находящиеся близ них токопроводящие части в условиях аварии или перегрузки достигают высокой температуры.

Проверку осуществляют путем осмотра и испытания по 9.15.

8.12 Коррозиеустойчивость

Части, выполненные из черных металлов, должны быть в достаточной мере защищены от коррозии.

Проверку осуществляют испытанием по 9.16.

9 Испытания

9.1 Типовые испытания и их последовательность

9.1.1 Характеристики выключателей проверяют в ходе типовых испытаний.

Объем типовых испытаний приведен в таблице 7.

9.1.2 С целью сертификации типовые испытания выполняют циклами.

Циклы испытаний и число испытуемых образцов указаны в приложении С.

В отсутствие других указаний каждому типовому испытанию (или циклу) подвергают чистые и новые выключатели.

Примечание - Испытания на соответствие стандартам могут выполняться:

- изготовителем при заполнении декларации о соответствии поставки (ИСО/МЭК Руководство 2 [6], пункт 13.5.1);

- независимой организацией в целях сертификации продукции (ИСО/МЭК Руководство 2 [6], пункт 13.5.2).

В соответствии с Руководством 2 ИСО/МЭК [6] термин «сертификация» может использоваться только во втором случае.

Таблица 7 - Перечень типовых испытаний

Испытания

Пункт

Стойкость маркировки

9.3

Надежность винтов, токопроводящих частей и соединений

9.4

Надежность выводов для внешних проводников

9.5

Защита от электрических ударов

9.6

Электроизоляционные устройства

9.7

Превышение температуры

9.8

28-суточное испытание

9.9

Характеристика расцепления

9.10

Механическая и коммутационная износостойкость

9.11

Короткое замыкание 1)

9.12

Стойкость против механических толчков и ударов

9.13

Термостойкость

9.14

Стойкость против аномального нагрева и огня

9.15

Коррозиеустойчивость

9.16

1) Это испытание состоит из нескольких типовых испытаний.

 

9.2 Условия испытания

Выключатель устанавливают автономно, вертикально, на открытом воздухе при температуре 20 - 25 °С (в отсутствие других указаний) и защищают от чрезмерного наружного нагрева или охлаждения.

Выключатели, предназначенные для установки в отдельной оболочке, испытывают в наименьшей из оболочек, предписанных изготовителем.

В отсутствие других указаний выключатели присоединяют с помощью кабеля, соответствующего таблице 8, и закрепляют на фанерном щите толщиной около 20 мм, окрашенном в матовый черный цвет, любым способом, удовлетворяющим требованиям, предъявляемым изготовителем к средствам монтажа.

Если допускаемое отклонение не оговаривается, типовые испытания выполняют при значениях не менее жестких, чем приведенные в настоящем стандарте.

В отсутствие других указаний испытания проводят при номинальной частоте (с допуском ±5 Гц) любом приемлемом напряжении.

Во время испытаний не допускается обслуживание или разборка образцов.

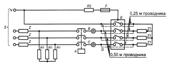
Для испытаний по 9.8 - 9.11 выключатель подсоединяют следующим образом:

1) соединения осуществляют одножильными медными кабелями в поливинилхлоридной изоляции согласно ГОСТ 26413.0;

2) испытания выполняют однофазным током с последовательным соединением всех полюсов, за исключением испытаний по 9.8.2, 9.10.2 и 9.11;

3) соединения размещают на открытом воздухе с промежутками не менее расстояния между выводами.

Минимальная длина каждого временного соединения от вывода до вывода составляет:

1 м - при поперечных сечениях до 10 мм2 включ.,

2м - при поперечных сечениях св. 10 мм2.

Крутящие моменты, прилагаемые для затягивания винтов в выводах, составляют 2/3 указанных в таблице 9.

Таблица 8 - Площади поперечного сечения (S) испытательных медных проводников в зависимости от номинальных токов

S, мм2

Значения номинального тока In, А

 

S, мм2

Значения номинального тока In, А

1

In £ 6

 

10

32 < In £ 50

1,5

6 < In £ 13

 

16

50 < In £ 63

2,5

13 < In £ 20

 

25

63 < In £ 80

4

20 < In £ 25

 

35

80 < In £ 100

6

25 < In £ 32

 

50

100 < In £ 125

Примечание - Для медных проводников в системе АWG см. приложение G.

9.3 Проверка стойкости маркировки

Для проверки следует вручную потереть маркировку в течение 15 с ватой, пропитанной водой, и еще 15 с - ватой, смоченной растворителем - алифатическим гексаном с содержанием ароматических углеводов не более 0,1 % по объему, каурибутаноловым числом 29, начальной температурой кипения » 65 °С, конечной температурой кипения » 69 °С и плотностью » 0,68 г/см3.

Рельефную литую, штампованную или гравированную маркировку этому испытанию не подвергают.

После испытания маркировка должна легко читаться.

Она должна оставаться четкой и по завершении всех испытаний, предусмотренных настоящим стандартом.

Таблички не должны легко сниматься или деформироваться.

9.4 Проверка надежности винтов, токопроводящих частей и соединений

Проверку соответствия требованиям

8.1.4 осуществляют путем осмотра, а для винтов и гаек, используемых при подключении выключателя, следующим испытанием.

Винты или гайки затягивают и отпускают:

- десять раз при зацеплении с резьбой в изоляционном материале;

- пять раз во всех остальных случаях.

Винты или гайки, закрепляющиеся с резьбой в изоляционном материале, каждый раз полностью вынимают и вставляют заново.

Испытание проводят с применением отвертки или гаечного ключа с приложением крутящего момента согласно таблице 9.

Винты и гайки не следует затягивать рывками.

Каждый раз, когда винт или гайку отпускают, проводник смещают.

Таблица 9 - Диаметры резьбы винтов и прилагаемые крутящие моменты

Номинальный диаметр резьбы, мм

Крутящий момент, Н × м

I

II

III

До 2,8 включ.

0,20

0,4

0,4

Св. 2,8 до 3,0 включ.

0,25

0,5

0,5

« 3,0 « 3,2 «

0,30

0,6

0,6

« 3,2 « 3,6 «

0,40

0,8

0,8

« 3,6 « 4,1 «

0,70

1,2

1,2

« 4,1 « 4,7 «

0,80

1,8

1,8

« 4,7 « 5,3 «

0,80

2,0

2,0

« 5,3 « 6,0 «

1,20

2,5

3,0

« 6,0 « 8,0 «

2,50

3,5

6,0

« 8,0 « 10,0 «

-

4,0

10,0

Графа I относится к винтам без головок, в затянутом состоянии не выступающим из отверстий, и к другим винтам, которые невозможно затянуть с помощью отвертки с лезвием более широким, чем диаметр винта.

Графа II относится к другим винтам, затягиваемым отверткой.

Графа III относится к винтам и гайкам, затягиваемым другими способами, без отвертки.

Если винт снабжен шестигранной головкой со шлицем для затягивания с помощью отвертки, а значения в графах II и III различны, испытание выполняют дважды: вначале к шестигранной головке прилагают крутящий момент согласно графе III, затем к другому образцу - согласно графе II с применением отвертки. Если значения в графах II и III одинаковы, проводят только испытание с помощью отвертки.

Во время этого испытания резьбовые соединения не должны разбалтываться и не должно быть поломки винтов или повреждения шлицев на головках, резьбы, шайб или хомутов, которые помешали бы дальнейшей эксплуатации автоматического выключателя.

Кроме того, не должны быть повреждены оболочки и крышки.

Проверку штыревых соединений выполняют путем пятикратной стыковки и расстыковки выключателя.

После испытания соединения не должны ослабляться и ухудшать электрические свойства.

9.5 Испытание на надежность выводов для внешних проводников

Соответствие требованиям 8.1.5 проверяют:

- путем осмотра, испытанием по 9.4, когда зажимают в выводе жесткий проводник с наибольшей площадью поперечного сечения, указанной в таблице 4 (если номинальная площадь поперечного сечения превышает 6 мм2, используют жесткий многожильный провод, в остальных случаях - одножильный);

- испытаниями по 9.5.1 - 9.5.3, осуществляемыми с помощью отвертки или гаечного ключа с приложением крутящего момента согласно таблице 9.

9.5.1 Выводы оснащают медными проводниками с наименьшей и наибольшей площадью поперечного сечения, указанной в таблице 4, одно- или многожильными, в зависимости от того, какие менее благоприятны.

Проводник вставляют в вывод на минимальное предписанное расстояние, а в отсутствии указаний - до появления конца проводника с противоположной стороны вывода, в положении, когда существует наибольшая вероятность выскальзывания проводника.

Затем затягивают зажимные винты с приложением крутящего момента, равного 2/3 указанного в соответствующей графе таблицы 9.

После этого каждый проводник подвергают вытягиванию с усилием, указанным в таблице 10. Вытягивание осуществляют без рывков, в течение 1 мин, в направлении оси канала проводника.

Таблица 10 - Усилия вытягивания

Поперечное сечение проводника, зажатого в выводе, мм2

До 4

До 6

До 10

До 16

До 50

Усилие вытягивания, Н

50

60

80

90

100

 

Во время этого испытания проводник не должен сдвигаться в выводе.

9.5.2 Выводы оснащают медными проводниками с наименьшей и наибольшей площадью поперечного сечения согласно таблице 4, одно- или многожильными, в зависимости от того, какие наиболее неблагоприятны, и винты в этих выводах затягивают крутящим моментом, равным 2, 3 указанного в соответствующей графе таблицы 9. Затем эти винты в выводах отпускают и осматривают часть проводника, на которую мог воздействовать вывод.

У проводника не должно быть серьезных повреждений или порванных проволок.

Примечание - Проводники считают серьезно поврежденными при наличии глубоких вмятин или надрезов.

Во время испытания выводы не должны разбалтываться, и не должно быть поломки винтов или повреждения шлицев на головках, резьбы, шайб или хомутов, которые могли бы повредить дальнейшей эксплуатации данного вывода.

9.5.3 Выводы оснащают жестким многожильным медным проводником со структурой, соответствующей таблице 11.

Таблица 11 - Размеры проводников

Номинальных сечений, зажимаемых проводников, мм2

Многожильный проводник

Число жил

Диаметр жил, мм

От 1,0 до 2,5 1)

7

0,67

« 1,0 « 4,0 1)

7

0,85

« 1,5 « 6,0 1)

7

1,04

« 2,5 « 10,0

7

1,35

« 4,0 « 16,0

7

1,70

« 10,0 « 25,0

7

2,14

« 16,0 « 35,0

19

1,53

« 25,0 « 50,0

В стадии разработки

В стадии разработки

1) Если вывод предназначен только для зажима одножильных проводников (см. примечание к таблице 4), испытание не проводят.

 

Перед вводом в зажим проволоки проводника соответственно формируют.

Проводник вставляют в вывод до тех пор, пока он не достигнет стенки или не выступит на противоположном конце вывода, в положении, где наиболее велика вероятность его выскальзывания. Затем затягивают зажимной винт или гайку с приложением крутящего момента, равного 2/3 указанного в соответствующей графе таблицы 9.

После испытания ни одна проволока проводника не должна оказаться вне зажима.

9.6 Проверка защиты от электрического удара

Это испытание выполняют с помощью стандартного испытательного пальца (щупа), изображенного на рисунке 9, на образце, смонтированном как в нормальных условиях эксплуатации (см. примечание к 8.1.6) и оснащенном проводниками с наименьшей и наибольшей площадью поперечного сечения согласно таблице 4.

Этот щуп должен быть спроектирован так, чтобы каждая его шарнирная секция могла поворачиваться под углом 90° к оси щупа только в одном направлении.

Такой щуп прилагают в любом изогнутом положении, возможном для обыкновенного пальца, и индикатор электрического контакта сигнализирует о прикосновении к частям, находящимся под напряжением.

В качестве индикатора контакта рекомендуется использовать лампочку напряжением не менее 40 В.

Выключатели с оболочками или крышками, выполненными из термопластичного материала, подвергают дополнительному испытанию при температуре окружающего воздуха (35 ± 2) °С и такой же температуре выключателя.

В течение 1 мин к таким выключателям прилагают усилие 75 Н через прямой жесткий испытательный (нестандартный) палец таких же размеров, как стандартный испытательный палец. Палец прилагают во всех точках, где размягчение изоляционного материала могло бы повлиять на безопасность выключателя, кроме пробивных диафрагм.

Во время этого испытания оболочки или крышки не должны деформироваться в такой степени, чтобы жесткий испытательный палец мог коснуться частей, находящихся под напряжением.

Выключатели открытого исполнения, отдельные части которых не предполагается заключать в оболочку, подвергают этому испытанию с установленной металлической передней панелью и смонтированными как в нормальных условиях эксплуатации (см. 8.1.6).

9.7 Проверка электроизоляционных свойств

9.7.1 Влагоустойчивость

9.7.1.1 Подготовка выключателя к испытанию

Кабельные вводы, в случае их наличия, оставляют открытыми. Если предусмотрены выламываемые диафрагмы, одну из них вскрывают.

Части, которые можно снять без помощи инструмента, удаляют и подвергают влажной обработке наряду с главной частью; пружинные крышки на время этой обработки открывают.

9.7.1.2 Условия испытания

Аппарат подвергают влажной обработке в камере при относительной влажности воздуха в пределах 91 - 95 %.

Температуру воздуха в камере, где находится образец, поддерживают с погрешностью ±1 °С при любом удобном значении температуры Т от 20 до 30 °С.

Перед помещением в камеру образец доводят до температуры от Т до (Т + 4) °С.

9.7.1.3 Методика испытания

Образец выдерживают в камере 48 ч.

Примечания

1 Относительную влажность 91 - 95 % можно обеспечить, поместив в камеру насыщенный раствор сульфата натрия (Nа2SO4) или нитрата калия (КNО3) в воде с достаточно большой поверхностью контактирования с воздухом.

2 Для достижения в камере предписанных условий необходима постоянная циркуляция в ней воздуха и, в основном, применение теплоизоляции.

9.7.1.4 Состояние выключателя после испытания

После такой обработки образец должен соответствовать требованиям настоящего стандарта и выдержать испытания по 9.7.2 и 9.7.3

9.7.2 Сопротивление изоляции главной цепи

Выключатель обрабатывают согласно 9.7.1. Через 30 - 60 мин обработки измеряют сопротивление изоляции спустя 5 с после приложения напряжения постоянного тока » 500 В последовательно:

а) при разомкнутом выключателе - между каждой парой выводов, электрически соединенных, когда автоматический выключатель находится в замкнутом положении - в каждом полюсе поочередно;

б) при замкнутом выключателе - между каждым полюсом поочередно и остальными полюсами, соединенными между собой;

в) при замкнутом выключателе - между всеми полюсами, соединенными между собой, и корпусом вместе с металлической фольгой, соприкасающейся с наружной поверхностью внутренней оболочки из изоляционного материала, при ее наличии;

г) между металлическими частями механизма и корпусом.

Примечание - Для этой проверки могут использоваться специально подготовленные образцы;

д) в выключателях с металлической оболочкой, покрытой изнутри изоляционным материалом, - между корпусом и металлической фольгой, соприкасающейся с внутренней поверхностью покрытия из изоляционного материала, включая втулки и аналогичные приспособления.

Измерения по перечислениям а) - в) выполняют после присоединения к корпусу всех вспомогательных цепей.

Термин «корпус» подразумевает:

- все доступные металлические части и металлическую фольгу, соприкасающуюся с поверхностями из изоляционного материала, доступными после установки как в нормальных условиях эксплуатации;

- поверхность, на которой монтируют основание выключателя, покрытую, если требуется, металлической фольгой;

- винты и другие средства крепления основания к опоре;

- винты для крепления крышек, которые приходится снимать при монтаже выключателя и металлических частей органов управления, упомянутых в 8.2.

Если выключатель снабжен выводом, предназначенным для соединения между собой защитных проводников, этот вывод подсоединяют к корпусу.

Для измерений по перечислениям б) - д) металлическую фольгу накладывают так, чтобы можно было эффективно проверить уплотняющую смесь при ее наличии.

Сопротивление изоляции должно быть не ниже:

2 МОм - при измерениях, указанных в перечислениях а) и б);

5 МОм - при других измерениях.

9.7.3 Электрическая прочность изоляции главной цепи

После испытания выключателей по 9.7.2 в течение 1 мин подают испытательное напряжение по 9.7.5 между частями, указанными в 9.7.2.

Вначале подают напряжение не более половины заданного испытательного напряжения, затем в течение 5 с его повышают до полного значения.

Во время этого испытания не допускаются перекрытия или пробои.

Тлеющие разряды, не вызывающие падения напряжения, во внимание не принимают.

9.7.4 Электрическая прочность изоляции  вспомогательных цепей и цепей управления

Для проведения этих испытаний главную цепь следует присоединить к корпусу. Испытательное напряжение по 9.7.5 в течение 1 мин должно прикладываться:

1) между всеми вспомогательными цепями и цепями управления, в нормальных условиях не подключаемыми к главной цепи, соединенными между собой, и корпусом выключателя;

2) когда уместно, между каждой частью вспомогательных цепей и цепей управления, которую можно отсоединить от прочих частей вспомогательных цепей, и этими прочими частями, соединенными между собой.

9.7.5 Значение испытательного напряжения

Испытательное напряжение должно быть практически синусоидальной формой волны и частотой от 45 до 65 Гц.

Источник этого испытательного напряжения должен быть способен обеспечить ток короткого замыкания не менее 0,2 А.

Максимальные расцепители тока трансформатора не должны срабатывать, когда ток в выходной цепи ниже 100 мА.

Значения испытательного напряжения должны составлять:

а) для главной цепи, вспомогательных цепей, предназначенных для присоединения к главной цепи, и для цепей управления:

2000 В - по 9.7.2, перечисления а) - г),

2500 В - по 9.7.2, перечисление д);

б) для вспомогательных цепей и цепей управления, по указанию изготовителя, не подлежащих подсоединению к главной цепи:

1000 В, если номинальное напряжение изоляции Ui. не превышает 60 В;

2Ui + 1000 В при минимальном значении 1500 В, когда номинальное напряжение изоляции Ui выше 60 В.

9.8 Проверка превышения температуры и измерение потерь мощности

9.8.1 Температура окружающего воздуха

Температуру окружающего воздуха следует измерять в последнюю четверть периода испытаний с помощью не менее двух термометров или термопар, симметрично установленных относительно выключателя приблизительно на половине его высоты и на расстоянии около 1 м от выключателя.

Эти термометры и термопары должны быть защищены от сквозняков и теплового излучения.

9.8.2 Методика испытания

Ток, равный In, пропускают одновременно через все полюса выключателя достаточно длительное время для достижения теплового равновесия или на протяжении условного времени, в зависимости от того, какой период больше.

На практике это состояние достигается, когда изменение превышения температуры составляет не более 1 °С/ч.

В четырехполюсных выключателях с тремя защищенными полюсами испытания вначале проводят, пропуская заданный ток только через три защищенных полюса.

Затем это испытание повторяют, пропуская тот же ток через полюс, предназначенный для присоединения нейтрали, и ближайший защищенный полюс.

Во время испытания превышение температуры не должно быть более значений, указанных в таблице 5.

9.8.3 Измерение температуры частей

Температуру различных частей, указанных в таблице 5, следует измерять с помощью тонкопроволочных термопар или эквивалентных средств, помещенных по возможности ближе к наиболее горячему месту.

Следует обеспечить хорошую теплопроводность между термопарой и поверхностью испытуемой части.

9.8.4 Превышение температуры части равно разности между температурой этой части, измеренной по 9.8.3, и температурой окружающего воздуха, измеренной по 9.8.1

9.8.5 Измерение потерь мощности

Переменный ток, равный In, при напряжении не менее 30 В пропускают главным образом в цепи сопротивления через каждый полюс выключателя.

Потери мощности на полюс рассчитывают путем измерения падений напряжения между его выводами в установившемся режиме, и они не должны превышать значений, приведенных в таблице 12.

Примечания

1 Испытательное напряжение менее 30 В может стать отдельным пунктом соглашения с изготовителем.

2 Измерение падений напряжения может проводиться во время испытания на превышение температуры при условии, что испытания по этому пункту уже выполнены.

Таблица 12 - Максимальные потери мощности на полюс

Ряд номинальных токов, In, А

Максимальная потеря мощности на полюс, Вт

 

Ряд номинальных токов, In, А

Максимальная потеря мощности на полюс, Вт

In £ 10

3,0

 

32 < In £ 40

7,5

10 < In £ 16

3,5

 

40 < In £ 50

9,0

16 < In £ 25

4,5

 

50 < In £ 63

13,0

25 < In £ 32

6,0

 

63 < In £ 125

На рассмотрении

 

9.9 28-суточное испытание

Выключатель подвергают воздействию 28 циклов испытаний, в каждом из которых выключатель находится 21 ч под нагрузкой номинальным током, при напряжении разомкнутой цепи не менее 30 В и 3 ч - в обесточенном состоянии в условиях испытания по 9.2

Выключатель находится в замкнутом положении, а ток включают и отключают вспомогательным выключателем. Во время этого испытания выключатель не должен расцепляться.

В последний период прохождения тока следует измерить превышение температуры выводов.

Это превышение температуры не должно превосходить температуру, замеренную при испытании по 9.8, более чем на 15 °С.

Немедленно после этого измерения превышения температуры, в течение 5 с ток плавно повышают до условного тока расцепления.

Расцепление выключателя должно произойти в пределах условного времени.

9.10 Проверка характеристики расцепления

Это испытание предназначено для проверки соответствия выключателя требованиям 8.6.1

9.10.1 Проверка время-токовой характеристики

9.10.1.1 Ток, равный 1,13In (условный ток нерасцепления), пропускают в течение условного времени (см. 8.6.1 и 8.6.2.1) через все полюса, начиная от холодного состояния (см. таблицу 6). Выключатель не должен расцепляться.

Затем ток постепенно повышают в течение 5 с до 1,45In (условный ток расцепления).

Выключатель должен расцепляться в пределах условного времени.

9.10.1.2 Ток, равный 2,55In, пропускают через все полюса, начиная с холодного состояния. Время размыкания должно составлять не менее 1 с и не более:

60 с - при номинальных токах до 32 А включ.;

120 с - при номинальных токах св. 32 А.

9.10.2 Проверка мгновенного расцепления

9.10.2.1 Для выключателей типа В

Ток, равный 3In, пропускают через все полюса, начиная с холодного состояния.

Время размыкания должно составлять не менее 0,1 с.

Ток, равный 5In, пропускают через все полюса, снова начиная с холодного состояния.

Выключатель должен расцепляться за время менее 0,1 с.

9.10.2.2 Для выключателей типа С

Ток, равный 5In, пропускают через все полюса, начиная с холодного состояния.

Время размыкания должно составлять не менее 0,1 с.

Ток, равный 10In, пропускают через все полюса, снова начиная с холодного состояния.

Выключатель должен расцепляться за менее чем 0,1 с.

9.10.2.3 Для выключателей типа В

Ток, равный 10In, пропускают через все полюса с холодного состояния.

Время размыкания должно быть не менее 0,1 с.

Ток, равный 50In, пропускают через все полюса, снова с холодного состояния.

Выключатель должен расцепляться за менее чем 0,1 с.

9.10.3 Проверка влияния однополюсной нагрузки на характеристику расцепления многополюсных выключателей

Проверку осуществляют путем испытания выключателя, присоединенного согласно 9.2, в условиях, указанных в 8.6.3.1.

Выключатель должен расцепляться в пределах условного времени (см. 8.6.2.1).

9.10.4 Проверка влияния температуры окружающего воздуха на характеристику расцепления

Проверку осуществляют следующими испытаниями.

а) Выключатель помещают в камеру с температурой окружающего воздуха на (35 ± 2) °С ниже контрольной до достижения теплового равновесия.

Через все полюса в течение условного времени пропускают ток, равный 1,13In, (условный ток нерасцепления). Затем в течение 5 с ток постепенно увеличивают до 1,9In.

Выключатель должен расцепляться за условное время.

b) Выключатель помещают в камеру с температурой окружающего воздуха на (10 ± 2) °С выше контрольной до достижения теплового равновесия.

Через все полюса пропускают ток, равный In.

Выключатель не должен расцепляться за условное время.

9.11 Проверка механической и коммутационной износостойкости

9.11.1 Общие условия испытания

Выключатель крепят к металлической опоре. Если же он предназначен для монтажа в отдельной оболочке, его устанавливают в такой оболочке по 9.2.

Испытание выполняют при номинальном напряжении и нагрузке, равной номинальному току, которую устанавливают с помощью последовательного соединения сопротивлений и катушек индуктивности, присоединенных к зажимам со стороны нагрузки.

Если используют катушки индуктивности с воздушными сердечниками, параллельно каждой катушке подсоединяют сопротивление, отводящее » 0,6 % тока, проходящего через катушку.

Ток должен быть практически синусоидальной формы, коэффициент мощности должен составлять 0,85 - 0,90.

При испытаниях однополюсных выключателей и двухполюсных с двумя защищенными полюсами металлическую опору для первой половины всего числа срабатываний подключают к одной стороне источника питания, для второй - к другой.

При испытаниях двухполюсных выключателей с одним защищенным полюсом металлическую опору присоединяют к нейтрали источника питания.

Испытания однополюсных выключателей на номинальное напряжение 230/400 В должны проводиться при нижнем значении напряжения.

Выключатель подключают к цепи проводниками, размеры которых указаны в таблице 8.

9.11.2 Методика испытания

Выключатель должен совершить под нагрузкой номинальным током 4000 циклов оперирования.

Каждый цикл состоит из замыкания с последующим размыканием.

Для выключателей с номинальным током до 32 А включ. частота оперирования должна составлять 240 циклов оперирования в час. Во время каждого цикла выключатель должен оставаться разомкнутым не менее 13с.

Для выключателей с номинальным током более 32 А частота оперирования должна составлять 120 циклов в час. Во время каждого цикла выключатель должен оставаться разомкнутым не менее 28 с.

Выключатель должен работать как при нормальных условиях эксплуатации.

Внимание обращают на то, чтобы:

- испытательное устройство не повреждало испытуемый выключатель;

- не нарушалось свободное движение механизма управления испытуемого выключателя;

- скорость приводного механизма испытуемого устройства не влияла чрезмерно на механизм управления выключателем при испытании.

Выключатель с зависимым ручным управлением должен управляться со скоростью 0,1 м/с ±25 %, причем скорость измеряют в момент, когда и где механизм управления испытательного устройства касается привода испытуемого выключателя. Для поворотных рукояток угловая скорость должна в основном соответствовать вышеуказанным условиям в том, что касается скорости механизма управления (в его пределах) испытуемого выключателя.

9.11.3 Состояние выключателя после испытаний

После испытания по 9.11.2 образец не должен иметь:

- чрезмерного износа;

- различий положения подвижных контактов и соответствующего положения индикатора;

- повреждения оболочки, открывающего доступ испытательному щупу к находящимся под напряжением частям (см. 9.6);

- ослабления электрических или механических соединений;

- утечки уплотняющей смеси.

Кроме того, выключатель должен выдержать испытание по 9.10.1.2 и проверку электрической прочности изоляции по 9.7.3, но при напряжении на 500 В ниже предписанного в 9.7.5 и без предварительной обработки в камере влаги.

9.12 Испытания на короткое замыкание

9.12.1 Общие положения

Стандартные испытания на работоспособность при коротких замыканиях состоят из циклов включений и отключений согласно проверяемым функциям в соответствии с таблицей 13.

Таблица 13 - Перечень испытаний на короткое замыкание

Вид испытания

Аппарат, подлежащий испытанию

Пункт

Испытание при пониженных токах короткого замыкания (9.12.11.2)

 

 

Испытание при токе 1500 А (9.12.11.3)

Все выключатели

9.12.12.1

Испытание при рабочей наибольшей отключающей способности (9.12.11.4.2)

Выключатели с IСn > 1500 А

9.12.12.1

Испытание при номинальной наибольшей отключающей способности (9.12.11.4.3)

9.12.12.2

 

Все выключатели испытывают при более высоком из двух токов: 500 А или 10In - по 9.12.11.2 и при 1500 А - по 9.12.11.3.

Выключатели с номинальной отключающей способностью выше 1500 А дополнительно испытывают:

- при рабочей отключающей способности (см. 3.5.5.2) - по 9.12.11.4.2 и 9.12.12.1, которую определяют путем умножения номинальной отключающей способности на коэффициент К, значения которого указаны в таблице 15;

- при номинальной отключающей способности (см. 5.2.4) - по 9.12.11.4.3 и 9.12.12.2, если коэффициент К меньше 1, с использованием в этом случае новых образцов.

9.12.2 Значения испытательных параметров

Все испытания, относящиеся к проверке на номинальную наибольшую отключающую способность, должны выполняться в условиях, указанных изготовителем, согласно соответствующим таблицам настоящего стандарта.

Для напряжения до включения выбирают значение, необходимое для получения заданного возвращающегося напряжения промышленной частоты.

При испытании возвращающееся напряжение промышленной частоты (см. 3.5.8.2) должно равняться 105 % номинального напряжения испытуемого выключателя.

Для однополюсных выключателей с двойным номинальным напряжением (например 230/400 В), возвращающееся напряжение промышленной частоты должно составлять 105 % от его наибольшего значения (например, 400 В) при испытаниях по 9.12.11.4.2d) и 9.12.11.4.3b) и 105 % от его наименьшего значения (например, 230 В) - при остальных испытаниях по 9.12.

Для двухполюсных выключателей с двойным напряжением (например, 120/240 В) возвращающееся напряжение должно составлять 105 % от его наименьшего значения (например, 120 В) при испытаниях по 9.12.11.2 и 105 % от его наибольшего значения (например, 240 В) - при испытаниях по 9.12.

Примечание - Значение (105 ± 5) % номинального напряжения предлагается с учетом влияния колебаний сетевого напряжения в нормальных условиях эксплуатации. Верхний предел с согласия изготовителя можно повысить.

9.12.3 Допуски по испытательным параметрам

Испытания считают удовлетворительными, если действующие значения, зафиксированные в протоколе испытания, отличаются от заданных в пределах:

- ток ... +5 %

- напряжение (в том числе восстанавливающееся) ... ±5 %

- частота... ± 5 %

9.12.4 Испытательная цепь для проверки работоспособности в условиях короткого замыкания

На рисунках 3 - 6 представлены схемы цепей, предназначенных для испытаний:

- однополюсного выключателя (рисунок 3);

- двухполюсного выключателя с одним защищенным полюсом (рисунок 4а);

- двухполюсного выключателя с двумя защищенными полюсами (рисунок 4b);

- трехполюсного выключателя (рисунок 5);

- четырехполюсного выключателя (рисунок 6).

Сопротивления и катушки индуктивности с полным сопротивлением Z и Z1 должны быть регулируемыми для достижения заданных условий испытания. Катушки индуктивности должны быть предпочтительно с воздушными сердечниками. Они должны быть во всех случаях присоединены последовательно к сопротивлениям, а их заданная индуктивность должна достигаться путем последовательного соединения катушек индуктивности: параллельное соединение катушек индуктивности допускается с практически равными постоянными времени.

Поскольку характеристики восстанавливающегося напряжения (см. 3.5.8.1) испытательных цепей, включающих катушки индуктивности с воздушными сердечниками, не типичны для обычных условий эксплуатации, катушка индуктивности с воздушным сердечником должна быть шунтирована в каждой фазе сопротивлением, отводящим приблизительно 0,6 % тока, проходящего через катушку.

Если используют катушки индуктивности с железными сердечниками, потери мощности из-за железных сердечников этих катушек не должны превышать потерь, обусловленных параллельным присоединением сопротивлений к катушкам индуктивности с воздушными сердечниками.

В каждой испытательной цепи для проверки на номинальную наибольшую коммутационную способность между источником питания S и испытуемым выключателем вставляют сопротивления (импедансы) Z.

Если испытательный ток ниже номинальной наибольшей отключающей способности, на выходной стороне выключателя следует предусмотреть дополнительные импедансы Z1.

Для испытаний на номинальную и рабочую наибольшую отключающую способность выключатель следует подсоединять кабелями длиной 0,75 м на полюс и максимальным поперечным сечением, в зависимости от номинального тока, согласно таблице 4.

Примечание - Рекомендуется использовать длину 0,5 м на входной и 0,25 м - на выходной стороне испытуемого выключателя.

Резистор R2 сопротивлением около 0,5 Ом соединен последовательно с медной проволокой F следующим образом:

- для цепей на рисунках 3 и - между металлической опорой и селекторным выключателем Р, находящимся в одном из двух положений на протяжении приблизительно половины срабатываний автоматического выключателя, а остальная часть срабатываний - в другом положении;

- для цепей на рисунках 4b, 5 и 6 - между металлической опорой и нейтралью источника питания.

Медная проволока F должна иметь длину не менее 50 мм и диаметр:

0,1 мм - для выключателей, подлежащих испытанию на открытом воздухе и смонтированных на металлической опоре;

0,3 мм - для выключателей, подлежащих испытанию в наименьшей отдельной оболочке из указанных изготовителем.

На входной стороне выключателя между импедансами для доведения ожидаемого тока до номинальной наибольшей отключающей способности и выключателем присоединяют сопротивления R1, отводящие ток 10 А на фазу.

9.12.5 Коэффициент мощности испытательной цепи

Коэффициент мощности каждой фазы испытательной цепи должен определяться каким-либо известным методом, который следует указать в протоколе испытания.

В приложении А приводят два примера.

Коэффициент мощности многофазной цепи приравнивают к среднему значению коэффициентов мощности всех фаз.

Коэффициенты мощности указаны в таблице 14.

9.12.6 Измерение и проверка I2t и пикового тока(Ip)

Значения I2t и Ip следует измерять во время испытаний по 9.12.11.2 - 9.12.11.4.

При испытании выключателей в трехфазных цепях значения I2t следует измерять на каждом полюсе.

Таблица 14 - Коэффициенты мощности испытательной цепи

Испытательный ток, Iсс, А

Коэффициенты мощности

 

Испытательный ток, Iсс, А

Коэффициенты мощности

Icc £ 1500

0,93 – 0,98

 

4500 < Iсс £ 6000

0,65 – 0,70

1500 < Iсс £ 3000

0,85 – 0,90

 

6000 < Iсс £ 10000

0,45 – 0,50

3000 < Iсс £ 4500

0,75 – 0,80

 

10000 < Iсс £ 25000

0,20 – 0,25

 

Максимальные измеренные значения I2t следует зафиксировать в протоколе испытаний, они не должны превышать соответствующие значения характеристики I2t, установленные изготовителем.

9.12.7 Калибровка испытательной цепи

9.12.7.1 Для калибровки испытательной цепи следует присоединить в точках, указанных на рисунках 3 - 6, перемычки G, полным сопротивлением которых можно пренебречь по сравнению с полным сопротивлением испытательной цепи.

9.12.7.2 Для получения ожидаемого тока, равного номинальной наибольшей коммутационной способности выключателя при соответствующем коэффициенте мощности согласно таблице 14, на входной стороне перемычек G вставляют импедансы Z.

9.12.7.3 Для получения испытательного тока ниже номинальной наибольшей коммутационной способности выключателя на выходной стороне перемычек G, как показано на рисунках 3 - 6, вставляют дополнительные импедансы Z1.

9.12.8 Толкование записей

а) Определение напряжения до включения и возвращающегося напряжения промышленной частоты

Напряжение до включения и возвращающееся напряжение определяют по записи, соответствующей отключающей операции О (см. 9.12.11.1), выполненной с помощью испытуемого аппарата, и оценивают согласно рисунку 7. Напряжение на входной стороне следует измерять на протяжении первого цикла после гашения дуги во всех полюсах и после затухания высокочастотных явлений.

б) Определение ожидаемого тока короткого замыкания

Составляющую переменного тока для ожидаемого тока приравнивают к действующему значению составляющей переменного тока для калибровки (соответственно А2 на рисунке 7).

Где необходимо, ожидаемый ток короткого замыкания должен равняться среднему значению ожидаемых токов во всех фазах.

9.12.9 Состояние выключателя перед испытанием

Выключатели должны испытываться на открытом воздухе в соответствии с 9.12.9.1, если они не предназначаются исключительно для использования в оболочках, указанных изготовителем, или если они предназначены для применения исключительно в индивидуальных оболочках, в этом случае они должны испытываться в соответствии с 9.12.9.2 или по согласованию с изготовителем согласно 9.12.9.1.

Примечание - Индивидуальная оболочка - это оболочка с одним выключателем.

Выключатель должен управляться вручную или механизмом управления испытательного устройства, имитирующим возможно более точно обычную операцию включения. Внимание обращают на то, чтобы:

- испытательное устройство не повреждало испытуемый выключатель;

- не нарушалось свободное движение механизма управления испытуемого выключателя;

- механизм управления испытуемого выключателя не оказывал чрезмерное влияние на скорость механизма управления испытательного устройства.

По запросу изготовителя, выключатель с зависимым ручным управлением должен срабатывать со скоростью в 0,1 м/с ±25 %. Эту скорость измеряют, когда механизм управления испытательного устройства касается механизма включения испытуемого выключателя.

Для поворотных рукояток угловая скорость, особенно при вышеуказанных условиях, должна в основном соотноситься со скоростью механизма управления (в его пределах) испытуемого выключателя.

9.12.9.1 Испытание на открытом воздухе

Испытуемый выключатель устанавливают как показано на рисунке Н.1 приложения Н

Полиэтиленовую пленку и изолирующую перегородку, указанные в приложении Н, помещают как показано на рисунке Н.1 только при испытании на размыкание (О).

Решетка(и), указанная(ые) в приложении Н, должна(ы) устанавливаться так, чтобы большая часть выходящих ионизированных газов проходила через решетку(и). Решетка(и) должна(ы) помещаться в наиболее неблагоприятном положении(ях).

Примечание - В случае отсутствия отверстий или их неудовлетворительного расположения изготовитель должен дать соответствующую информацию.

Контур решетки(ок) (см. рисунок Н.3) должен подсоединяться в точках В и С согласно схемам испытательной цепи на рисунках 3 - 6; при испытании однополюсных выключателей на номинальное напряжение 230/400 В контур решетки(ок) должен подсоединяться между фазами в точках В и С согласно схеме испытательной цепи рисунка 3.

Резистор R1 должен иметь сопротивление 1,5 Ом. Медная проволока F (см. рисунок Н.3) должна иметь длину 50 мм и диаметр 0,12 мм для автоматических выключателей на номинальное напряжение 230 В и 0,16 мм - для выключателей на номинальное напряжение 400 В или 230/400 В.

Примечание - Показатели для других напряжений находятся в стадии рассмотрения

Для испытательных токов до 1500 А включ. расстояние а должно быть 35 мм.

При токах короткого замыкания св. Iсп расстояние а можно увеличить, но в любом случае его выбирают из ряда 40-45-50-55 - с градацией 5 мм, и может устанавливаться изготовителем.

Для испытаний токами более 1500 А любая дополнительная перегородка или изолирующее приспособление позволяет уменьшить расстояние а, и также устанавливается изготовителем.

9.12.9.2 Испытание в оболочке

Выключатель помещают в оболочку, имеющую самую неудобную форму, и испытание проводят при самых неблагоприятных условиях.

Решетка или изолирующая перегородка, показанная на рисунке Н.1, - отсутствует.

Примечание - Это означает, что если другие выключатели обычно устанавливают на месте, где могла бы разместиться решетка(и), то эти выключатели должны располагаться там же. Их подключают как обычно, но через F1 и R1, как определено в 9.12.9.1, и подсоединяют как показано на рисунках (3, , 4b, 5 или 6).

Согласно инструкциям изготовителей перегородки или другие приспособления, или соответствующие воздушные зазоры могут понадобиться, чтобы предотвратить воздействие ионизированных газов на установку.

Полиэтиленовую пленку, описанную в приложении Н, помещают, как показано на рисунке Н.1, на расстоянии 10 мм от механизма управления, только при его отключении.

9.12.10 Поведение выключателя во время испытаний на короткое замыкание

Во время циклов оперирования по 9.12.11.2 - 9.12.11.4 выключатель не должен создавать опасность для оператора.

Кроме того, не должно быть образования устойчивых дуг, перекрытий между полюсами или между полюсом и корпусом, не должен расплавляться предохранитель F, (или, где применимо, предохранитель F¢).

9.12.11 Методика испытания

9.12.11.1 Общие положения

Испытание представляет собой цикл оперирования.

Для обозначения цикла применяют символы:

О - отключение;

СО - включение с последующим автоматическим отключением;

t - временной интервал между последовательными срабатываниями при коротком замыкании, который должен составлять 3 мин или несколько больше, сколько может потребоваться тепловому расцепителю, чтобы допустить повторное включение выключателя.

Действительное значение t должно быть указано в протоколе испытания.

9.12.11.2 Испытание при пониженных токах короткого замыкания

Дополнительные импедансы Z1 (см. 9.12.7.3) регулируют так, чтобы получить большее значение из двух токов, 500 А или 10In, при коэффициенте мощности от 0,93 до 0,98.

Каждый защищенный полюс выключателя отдельно подвергают испытанию в цепи, соединения которой показаны на рисунке 3.

Выключатель подвергают автоматическому отключению девять раз, при этом цепь замыкают шесть раз вспомогательным выключателем А и три раза самим выключателем.

Последовательность операций должна быть: О-t-O-t-O-t-O-t-O-t-O-t-CO-t-СО-t-CO.

После гашения дуги в течение не менее 0,1 с должно поддерживаться восстанавливающееся и возвращающееся напряжение.

Для проведения испытания вспомогательный выключатель А синхронизируется относительно волны напряжения таким образом, чтобы шесть точек начала размыкания равномерно распределялись по полуволне с допускаемым отклонением ±5°.

9.12.11.3 Испытание при токе 1500 А

Для выключателей с номинальной отключающей способностью 1500 А испытательную цепь калибруют по 9.12.7.1 и 9.12.7.2 для получения тока 1500 А при коэффициенте мощности, соответствующем этому току согласно таблице 14.

Для выключателей с номинальной отключающей способностью св. 1500 А испытательную цепь калибруют по 9.12.7.1 и 9.12.7.3 при коэффициенте мощности, соответствующем току 1500 А согласно таблице 14.

Однополюсные выключатели испытывают в цепи, схема которой представлена на рисунке 3.

Двухполюсные выключатели с одним защищенным полюсом испытывают в цепи, схема которой представлена на рисунке 4а.

Двухполюсные выключатели с двумя защищенными полюсами испытывают в цепи, схема которой представлена на рисунке 4b.

Трех- и четырехполюсные выключатели с тремя защищенными полюсами испытывают в цепи, схемы которых представлены на рисунках 5 и 6 соответственно.

Для трехполюсных выключателей не предусматривается соединение между нейтралью источника питания и общей точкой на выходной стороне выключателя, если она существует.

Для четырехполюсных выключателей с тремя защищенными полюсами нейтраль источника питания соединяют через незащищенный или отключающий нейтральный полюс с общей точкой на выходной стороне выключателя.

Если нейтраль четырехполюсного выключателя не маркирована изготовителем, испытаниям подвергают еще три новых образца с поочередным использованием каждого полюса в качестве нейтрали.

Для испытания одно- и двухполюсных выключателей вспомогательный выключатель А синхронизируется относительно волны напряжения таким образом, чтобы шесть точек начала замыкания равномерно распределялись по полуволне с допускаемым отклонением ±5°.

Последовательность операций должна соответствовать 9.12.11.2, за исключением однополюсных выключателей на номинальное напряжение 230/400 В. В этом случае после шести операций О выполняют только две операции СО, а затем эти выключатели дополнительно испытывают путем одновременного осуществления одной операции О с подключением по одному такому выключателю к каждой фазе испытательной цепи, предусмотренной для трехполюсного выключателя (рисунок 5) без синхронизации вспомогательного выключателя, создающего короткое замыкание.

Для трех- и четырехполюсных выключателей допустимо испытание с произвольным выбором точки по волне.

9.12.11.4 Испытание при токах св. 1500 А

9.12.11.4.1 Соотношение между наибольшей рабочей отключающей способностью и номинальной наибольшей отключающей способностью

Соотношение К между рабочей наибольшей и номинальной наибольшей отключающей способностью должно соответствовать указанному в таблице 15.

Таблица 15 - Соотношение К между рабочей (Ics) и номинальной наибольшей отключающей способностью (Icn)

Ток отключающей способности Icn, А

Коэффициент К

Icn £ 6000

1,00

6000 А Icn £ 10000

0,75 1)

Icn > 10000

0,50 2)

1) При минимальном значении Ics = 6000 А.

2) При минимальном значении Ics = 7500 А.

 

9.12.11.4.2 Испытание при рабочей наибольшей отключающей способности (Ics)

а) Испытательную цепь калибруют по 9.12.7.1 и 9.12.7.3 при коэффициенте мощности согласно таблице 14

В цепи, соответствующей 9.12.11.3, испытывают три образца.

Если входные и выходные выводы испытуемого выключателя не маркированы, два образца подсоединяют в одном направлении, а третий - в обратном.

б) Для одно- двухполюсных выключателей последовательность операций: O-t-O-t-CO.

Для выполнения операций О вспомогательный выключатель А синхронизируется относительно волны напряжения таким образом, чтобы для первого образца при операции О цепь замыкалась в точке 0° по волне.

Для второй операции О на первом образце эта точка смещается на 45°; для второго образца две операции О должны синхронизироваться при 15 и 60°, для третьего образца - при 30 и 75°.

Допускаемое отклонение по синхронизации ±5°.

Для двухполюсных выключателей в качестве контрольного для синхронизации следует использовать один и тот же полюс.

Эта методика испытания приведена в таблице 16.

с) Для трех- и четырехполюсных выключателей последовательность операций: O-t-CO-t-CO.

Для операций О вспомогательный выключатель А синхронизируется относительно волны напряжения таким образом, чтобы при операции О на первом образце цепь замыкалась в любой точке °) по волне.

При операции О на втором образце эта точка смещается на 60° и еще на 60° - для операции О на третьем образце.

Допускаемое отклонение по синхронизации должно составлять ±5°. В целях синхронизации для различных образцов следует использовать в качестве контрольного один и тот же полюс.

Эта методика приведена в таблице 17.

Таблица 16 - Методика испытания на Ics для одно- и двухполюсных автоматических выключателей

Операция

Образец

1

2

3

1

O(0°)

O(15°)

O(30°)

2

O(45°)

O(60°)

O(75°)

3

СО

СО

СО

Таблица 17 - Методика испытания на Ics трех- и четырехполюсных выключателей

Операция

Образец

1

2

3

1

O°)

O°+60°)

O°+120°)

2

СО

СО

СО

3

СО

СО

СО

 

d) При испытаниях однополюсных выключателей на номинальное напряжение 230/400 В в цепи, соответствующей рисунку 5, испытывают дополнительный комплект из трех образцов.

Эти образцы подключают по одному в каждую фазу испытательной цепи без синхронизации вспомогательного выключателя А, создающего короткое замыкание.

Нейтраль источника питания не должна соединяться с общей точкой на выходной стороне выключателей.

Методика испытания приведена в таблице 18.

Примечание - Во время этого испытания не требуется измерять I2t.

Таблица 18 - Методика испытания на Ics при трехфазных испытаниях однополюсных выключателей на номинальное напряжение 230/400 В

Операция

Образец

1

2

3

1

O

O

O

2

-

СО

О

3

O

-

СО

4

СО

O

-

 

9.12.11.4.3 Испытание при номинальной наибольшей отключающей способности (Icn)

а) Испытательную цепь калибруют по 9.12.7.1 и 9.12.7.2

Три образца испытывают в цепи, соответствующей 9.12.11.3.

Если входные и выходные выводы испытуемых выключателей не маркированы, два из образцов подсоединяют в одном направлении, а третий - в обратном.

Последовательность операций: O-t-СО

Для выполнения операций О вспомогательный выключатель А синхронизируется относительно волны напряжения таким образом, что при операции О на первом образце цепь замыкается в точке 15° по волне.

Для операции О на втором образце эта точка смещается на 30° и еще на 30° для операции О на третьем образце.

Допускаемое отклонение по синхронизации должно составлять ±5°.

В многополюсных выключателях в целях синхронизации в качестве контрольного следует использовать один и тот же полюс.

Методика испытания приведена в таблице 19.

Таблица 19 - Методика испытаний на Icn

Операция

Образец

1

2

3

1

O(15°)

O(45°)

O(75°)

2

СО

СО

СО

Таблица 20 - Методика испытания на Icn в случае трехфазных испытаний однополюсных автоматических выключателей на номинальное напряжение 230/400 В

Операция

Образец

1

2

3

4

1

O

O

O

-

2

O

СО

-

-

3

-

-

CO

O

б) При испытаниях однополюсных выключателей на номинальное напряжение 230/400 В испытывают дополнительный комплект из четырех образцов в цепи, соответствующей рисунку 5.

Три из этих образцов подключают по одному в каждую фазу испытательной цепи без синхронизации вспомогательного выключателя А, создающего короткое замыкание.

Не следует соединять нейтраль источника питания с общей точкой на выходной стороне выключателей.

Методика испытаний приведена в таблице 20.

После второй операции О на образце, указанном в таблице 20 первым, этот образец следует заменить четвертым.

Примечание - Во время этого испытания не требуется измерять значения I2t.

9.12.12 Проверка выключателя после испытаний на короткое замыкание

9.12.12.1 После испытаний по 9.12.11.2, 9.12.11.3 или 9.12.11.4.2 выключатели не должны иметь повреждений, ухудшающих их эксплуатационные свойства, и должны без обслуживания выдержать испытание на электрическую прочность изоляции по 9.7.3 при напряжении на 500 В ниже предписанного в 9.7.5 и без предварительной обработки в камере влаги.

Это испытание на электрическую прочность изоляции должно выполняться между 2 и 24 ч после испытаний на короткое замыкание.

Кроме того, после испытаний по 9.12.11.3 или 9.12.11.4.2 выключатели не должны расцепляться при прохождении через все полюса, начиная с холодного состояния, в течение условного времени тока, равного 0,85 условного тока нерасцепления.

В конце этой проверки ток постепенно увеличивают в течение 5 с до 1,1 условного тока расцепления.

Выключатели должны расцепиться в течение 1 ч.

9.12.12.2 После испытаний по 9.12.11.4.3 выключатели должны без обслуживания выдержать испытание на электрическую прочность изоляции по 9.7.3 при испытательном напряжении 900 В и без предварительной обработки в камере влаги.

Это испытание на электрическую прочность изоляции должно выполняться между 2 и 24 ч после испытаний на короткое замыкание.

Кроме того, эти выключатели должны быть способны к расцеплению при прохождении тока, равного 2,8In., за время, установленное для тока 2,557In, но с нижним пределом 0,1 с вместо 1 с.

Образец, обозначенный в таблице 20 первым, не проверяют по этому пункту, но тем не менее он должен удовлетворять требованиям 9.12.10.

9.12.12.3 Полиэтиленовая пленка не должна иметь отверстий, видимых невооруженным глазом.

9.13 Проверка стойкости к механическим толчкам и ударам

9.13.1 Механические толчки

9.13.1.1 Испытательное устройство

Выключатель испытывают на механические толчки в устройстве, приведенном на рисунке 8.

К бетонному блоку прикрепляют деревянное основание A, а к нему нa шарнирах - деревянную платформу В. На этой платформе устанавливают деревянную плиту С, которая может крепиться на разных расстояниях от шарнира в двух вертикальных положениях.

На конце платформы В предусматривается металлический пластинчатый упор D, находящийся на спиральной пружине с постоянной с = 25 Н/мм.

Выключатель монтируют на вертикальной плите таким образом, чтобы расстояние между горизонтальной осью образца и платформой составляло 180 мм, а вертикальную плиту закрепляют так, чтобы расстояние между монтажной поверхностью и шарниром равнялось 200 мм согласно рисунку.

На поверхности С, противолежащей монтажной поверхности выключателя, крепят дополнительную массу с таким расчетом, чтобы создавалось статическое давление на металлический упор 25 Н, обеспечивающее постоянный момент инерции всей системы.

9.13.1.2 Методика испытания

При включенном положении выключателя, но не присоединенном к какому-либо источнику питания, свободный конец платформы поднимают и сбрасывают 50 раз с высоты 40 мм с такими интервалами между последовательными падениями, чтобы образец успел перейти в состояние покоя.

Затем выключатель крепят к противоположной стороне вертикальной плиты С и платформу таким же образом сбрасывают еще 50 раз.

После испытания вертикальную плиту поворачивают на 90° относительно вертикальной оси; если необходимо, ее положение изменяют так, чтобы расстояние между вертикальной осью симметрии выключателя и шарниром составляло 200 мм.

Платформу вновь сбрасывают 50 раз, как описано выше, когда выключатель установлен на одной стороне вертикальной плиты, и 50 раз - на противоположной.

Перед каждым изменением положения выключатель отключают и включают вручную.

Во время испытаний выключатель не должен отключаться.

9.13.2 Механический удар

Проверку осуществляют на открытых частях выключателя, смонтированного как в нормальных условиях эксплуатации (см. примечание к 8.1.6), которые могут подвергнуться механическим ударам в нормальных условиях эксплуатации, испытанием по 9.13.2.1 для выключателей всех типов и, кроме того, испытаниям:

- по 9.13.2.2 - для ввинчиваемых выключателей;

- по 9.13.2.3 - для автоматических выключателей, предназначенных для установки на рейках, и выключателей втычного типа, предназначенных для наружной установки, крепления которых не зависят только от их втычного присоединения.

Выключатели, предназначенные только для использования в полностью закрытых оболочках, этому испытанию не подвергают.

9.13.2.1 По образцам наносят удары в устройстве, приведенном на рисунках 10 - 14

Головку ударного элемента выполняют с полусферической поверхностью радиусом 10 мм из полиамида твердостью 100 HRC.

Ударный элемент массой (250 ± 1) г жестко крепят к нижнему концу стальной трубы наружным диаметром 9 мм и толщиной стенки 0,5 мм, шарнирно подвешенной верхним концом так, что может качаться только в вертикальной плоскости.

Ось шарнира расположена на высоте (1000 ± 1) мм над осью ударного элемента.

Твердость по Роквеллу полиамида головки ударного элемента определяют в таких условиях:

- диаметр шарика (12,7 ± 0,0025) мм;

- начальная нагрузка (100 ± 2) Н;

- дополнительная нагрузка (500 ± 2,5) Н.

Примечание - Дополнительная информация о твердости пластмасс приведена в ГОСТ 24622.

Конструкцию испытательного устройства выполняют так, что для удержания трубы в горизонтальном положении к торцевой поверхности ударного элемента прилагают силу 1,9 - 2,0 Н.

Выключатели настенного монтажа монтируют на квадратном фанерном листе толщиной 8 мм, со стороной размером 175 мм по верхней и нижней кромкам, прикрепленном к жесткому кронштейну, составляющему часть монтажной опоры, в соответствии с рисунком 12.

Монтажная опора массой (10 ± 1) кг должна закрепляться на жесткой раме с помощью шарниров.

Раму прикрепляют к массивной стенке.

Выключатели утопленного монтажа монтируют в устройстве, приведенном на рисунке 13, которое прикрепляют к монтажной опоре, приведенной на рисунке 12.

Выключатели, предназначенные для монтажа на распределительном щите, устанавливают в устройстве, приведенном на рисунке 14, которое прикрепляют к монтажной опоре, приведенной на рисунке 12.

Выключатели втычного типа устанавливают на своих собственных основаниях, закрепленных на фанерном листе для настенного монтажа, или в устройстве, соответствующем рисунку 13 для утопленного монтажа, или рисунку 14 - для монтажа в щитках и панелях, смотря по обстоятельствам.

Выключатели ввинчиваемого типа монтируют в собственном патроне, прикрепленном к квадратной фанерной монтажной плите толщиной 8 мм со стороной 175 мм.

Выключатели винтового крепления закрепляют винтами.

Выключатели реечного монтажа устанавливают на соответствующей рейке.

Выключатели, предназначенные для винтового и реечного монтажа, для испытаний должны закрепляться винтами.

Конструкция испытательного устройства такова, что:

- образец может перемещаться горизонтально и поворачиваться вокруг оси, перпендикулярной поверхности фанерного листа;

- фанерный лист может вращаться вокруг вертикальной оси.

Выключатель монтируют на фанерном листе или соответствующем устройстве, как в нормальных условиях эксплуатации, с крышками, если они предусмотрены, так, чтобы точка удара лежала в вертикальной плоскости, проходящей через ось качания маятника.

Кабельные вводы, не имеющие выламываемых диафрагм, остаются открытыми. Если есть выламываемые диафрагмы, вскрывают две из них.

Перед нанесением ударов винты для закрепления оснований, крышек и т. п. затягивают с применением крутящего момента, равного 3/2 указанного в таблице 9.

Ударный элемент сбрасывают с высоты 10 см на поверхности, открытые, когда выключатель смонтирован как в нормальных условиях эксплуатации.

Высоту падения определяют как расстояние по вертикали между положениями контрольной точки в моменты отпускания и удара маятника.

Контрольную точку обозначают на поверхности ударного элемента в месте пересечения с ней линии, проходящей через точку пересечения осей стальной трубы маятника и ударного элемента перпендикулярно плоскости, в которой лежат обе эти оси.

Примечание - Теоретически контрольной точкой должен служить центр тяжести ударного элемента. Но поскольку центр тяжести с трудом поддается определению, контрольную точку следует выбирать, как указано выше.

Каждый выключатель подвергают десяти ударам, из которых два наносят по органу управления, а остальные равномерно распределяют по тем частям образца, которые могут испытывать удары.

Удары не наносят по выламываемым диафрагмам или каким-л ибо отверстиям, закрытым прозрачным материалом.

Как правило, один удар наносят по каждой боковой стенке образца после поворота насколько возможно, но не более чем 60°, относительно вертикальной оси, а два удара - приблизительно посередине между местом удара по боковой стенке и ударами по органу управления.

Остальные удары наносят таким же образом после поворота образца на 90° вокруг оси, перпендикулярной к фанерному листу.

При наличии кабельных вводов или выламываемых диафрагм образец устанавливают так, чтобы обе линии нанесения ударов располагались по возможности на равных расстояниях от этих отверстий.

Из двух ударов по органу управления один наносят, когда орган управления находится во включенном положении, другой - в отключенном положении.

После испытания образцы не должны иметь повреждений, нарушающих требования настоящего стандарта. Например, не должно быть повреждений крышек, в сломанном виде открывающих доступ к частям, находящимся под напряжением, или ухудшающих эксплуатационные свойства автоматического выключателя, органов управления, прокладок и перегородок из изоляционного материала и т. п.

В сомнительных случаях проверяют возможность удаления и замены внешних частей (оболочек, крышек) без повреждения этих частей или их прокладок.

Примечание - Небольшие вмятины, не уменьшающие расстояния утечек или воздушные зазоры до уровня ниже указанного в 8.1.3 и мелкие осколки, не оказывающие отрицательного влияния на защиту от электрического удара, не считают ухудшением внешнего вида.

9.13.2.2 Выключатели ввинчиваемого исполнения вкручивают до упора в соответствующий патрон с приложением в течение 1 мин крутящего момента 2,5 Н × м.

После испытания не должно быть повреждений, ухудшающих эксплуатационные свойства образца.

9.13.2.3 Выключатели реечного монтажа устанавливают как в нормальных условиях эксплуатации, но без присоединения кабелей и без каких-либо крышек или покрывающих пластин на рейке, жестко закрепленной на вертикальной жесткой стене.

Выключатели втычного исполнения устанавливают вместе с соответствующими основаниями в сочлененном положении, но без подсоединяемых кабелей и крышек.

Направленное вертикально вниз усилие 50 Н прикладывают без толчков в течение 1 мин к передней поверхности выключателя, немедленно после этого прикладывают направленное вертикально вверх усилие 50 Н в течение еще 1 мин (см. рисунок 15).

Во время этого испытания не должны разболтаться крепления, а после испытания выключатель не должен иметь повреждений, ухудшающих его эксплуатационные свойства.

9.14 Проверка термостойкости

9.14.1 Образцы без съемных крышек, если они предусмотрены, выдерживают в течение 1 ч в камере тепла при температуре (100 ± 2) °С; съемные крышки, если они предусмотрены, выдерживают в течение 1 ч в камере при температуре (70 ± 2) °С.

Во время этого испытания не должно произойти изменений, ухудшающих их эксплуатационные свойства, а уплотняющая смесь, в случае ее применения, не должна вытекать настолько, чтобы обнажились части, находящиеся под напряжением.

После испытания и естественного охлаждения образцов приблизительно до комнатной температуры находящиеся под напряжением части, нормально недоступные, должны оставаться недоступными при монтаже, как в нормальных условиях эксплуатации, даже если применяют стандартный испытательный палец с усилием не более 5 Н.

Маркировка после испытания должна оставаться четкой.

Не учитывают обесцвечивание, вздутия и некоторое смещение уплотняющей смеси при условии, что не снижается безопасность, требования к которой установлены настоящим стандартом.

9.14.2 Наружные части выключателей, выполненные из изоляционного материала и предназначенные для удержания в нужном положении токопроводящих частей и частей защитной цепи, подвергают испытанию давлением шариком в устройстве, представленном на рисунке 16, кроме изоляционных частей, необходимых для удержания в нужном положении выводов для подсоединения защитных проводников, смонтированных в коробке, которые должны испытываться по 9.14.3.

Подлежащую испытанию часть помещают на стальную опору так, чтобы соответствующая поверхность оказалась в горизонтальном положении, и к этой поверхности с усилием 20 Н прижимают стальной шарик диаметром 5 мм.

Это испытание выполняют в камере тепла при температуре (125 ± 2) °С.

Через 1 ч шарик снимают с образца, охлаждают в течение 10 с приблизительно до комнатной температуры путем погружения в холодную воду.

Диаметр отпечатка, оставленный шариком, не должен превышать 2 мм.

9.14.3 Наружные части выключателей выполненные из изоляционного материала и не предназначенные для удержания в нужном положении токопроводящих частей и частей защитной цепи, даже и соприкасающихся с ними, подвергают испытанию на давление по 9.14.2, но при температуре (70 ± 2) °С или (40 ± 2) °С плюс наибольшее превышение температуры этой части, определенное во время испытания по 9.8, в зависимости от того, какая из них выше.

Примечания

1 Для испытаний по 9.14.2 и 9.14.3 основания выключателей настенного монтажа причисляют к наружным частям.

2 Испытаниям по 9.14.2 и 9.14.3 не подлежат части, выполненные из керамических материалов.

3 Если две или несколько изоляционных частей, упомянутых в 9.14.2 и 9.14.3, изготовлены из одного материала, испытанию подвергают только одну из этих частей по 9.14.2 или 9.14.3.

9.15 Стойкость против аномального нагрева и огня (испытание раскаленной проволокой)

Испытание раскаленной проволокой проводят по разд. 4 - 10 ГОСТ 27483 в следующих условиях:

- для наружных частей выключателей, выполненных из изоляционного материала, необходимых для удержания в нужном положении токопроводящих частей и частей защитной цепи, - при температуре (960 ± 15) °С;

- для всех остальных наружных частей, выполненных из изоляционного материала, - при температуре (650 ± 10) °С.

Примечания

1 Испытание раскаленной проволокой должно гарантировать, что проволока в определенных условиях испытания не вызовет воспламенения изоляционных частей или что часть, выполненная из изоляционного

материала, которая могла бы воспламениться в определенных условиях такого испытания, будет гореть ограниченное время без выброса пламени или горящих частей, или капель, падающих с испытуемой части.

2 Для такого испытания основания выключателей настенного монтажа причисляют к наружным частям.

3 Части из керамического материала этому испытанию не подвергают.

4 Если несколько изоляционных частей выполнены из одного материала, этому испытанию подвергают только одну из этих частей при соответствующей испытательной температуре раскаленной проволоки.

Испытанию подвергают один образец.

В сомнительном случае испытывают еще два образца.

Раскаленную проволоку прикладывают один раз.

На время испытания образец следует установить в наиболее неблагоприятное положение для предполагаемого использования (испытуемая поверхность в вертикальном положении).

Конец раскаленной проволоки следует приложить к указанной поверхности испытуемого образца с учетом предполагаемых условий эксплуатации, в которых нагретый или раскаленный элемент может соприкасаться с образцом.

Образец считают выдержавшим испытание раскаленной проволокой если:

- отсутствует видимое пламя или длительное свечение;

- пламя и свечение на образце гаснут в течение 30 с после удаления проволоки.

Не должна загореться папиросная бумага или обуглиться сосновая доска, расположенные под испытуемым образцом.

9.16 Испытание на коррозиеустойчивость

Подлежащие испытанию части полностью обезжиривают путем погружения в холодный хим-реагент типа метилхлороформа или очищенного бензина на 10 мин. Затем эти части погружают на 10 мин в 10 %-ный раствор хлористого аммония в воде температурой (20 ± 5) °С.

Без сушки, но стряхнув капли, эти части помещают еще на 10 мин в камеру с воздухом, насыщенным влагой, при температуре (20 ± 5) °С.

После 10 мин сушки этих частей в камере тепла при температуре (100 ± 5) °С на поверхностях частей не должно быть следов коррозии.

Примечание - Следы ржавчины на острых кромках и желтоватую пленку, удаляемую протиранием не учитывают.

Для небольших пружин и аналогичных деталей, и недоступных частей, подверженных абразивному износу, достаточную защиту от коррозии может обеспечить слой смазки. Такие части подвергают испытанию только при возникновении сомнений относительно эффективности смазочной пленки, и в этом случае испытание проводят без предварительного обезжиривания.

Примечание - При использовании указанных реагентов необходимы меры предосторожности во избежание вдыхания паров.

Рисунок 1 - Самонарезающий формующий винт

Рисунок 2 - Самонарезающий режущий винт

 

Рисунок 3 - Однополюсный автоматический выключатель

Рисунок 4а - Двухполюсный автоматический выключатель с одним защищенным полюсом

Рисунок 4b - Двухполюсный автоматический выключатель с двумя защищенными полюсами

Рисунок 5 - Три однополюсных автоматических выключателя (не связанных между собой) или один трехполюсный выключатель

Рисунок 6 - Четырехполюсный автоматический выключатель

Условные обозначения для всех рисунков:

S - источник питания; N - нейтраль; Z1 - полные сопротивления для настройки контура на токи короткого замыкания ниже номинальной отключающей способности; R1 - сопротивления; Е - панель или внешняя оболочка; А - вспомогательный выключатель с синхронизацией по волне напряжения; G - перемычки из проводников малого сопротивления для настройки контура перед испытанием; R2 - сопротивление 2 Ом; F - медная проволочка; Р- селекторный переключатель; В, С и B1 - точки присоединения сетки, указанной в приложении Н (см. 9.12.9.1)

Сечение проводников длиной 0,25 и 0,50 м, указанных на рисунках, выбирают по таблице 4.

Рисунки 3 - 6 - Схемы испытаний автоматических выключателей на короткое замыкание

а) Калибровка цепи:

А1 - ожидаемый ток включения (пиковое значение);

 - ожидаемый симметричный ток отключения (действующее значение);

 - напряжение до включения (действующее значение) (см. 3.5.7).

b) Операция О или СО:

А1 - включающая способность (пиковое значение);

 - отключающая способность (действующее значение);

 - восстанавливающее и возвращающее напряжение (действующее значение) (см. 3.5.8)

Примечание - Амплитуда записи напряжения после подачи испытательного тока изменяется в зависимости от относительного положения замыкающего устройства, регулируемых полных сопротивлений, датчиков напряжения и в соответствие с испытательной схемой.

Рисунок 7 - Пример записи осциллограмм тока и напряжения при испытаниях на включение и отключение токов короткого замыкания однополюсным автоматическим выключателем в однофазной цепи переменного тока

1 - шарнир; 2 - дополнительная масса; 3 - образец; 4 - металлическая плита; 5 - бетонный блок

Рисунок 8 - Устройство для испытаний на механические толчки

Неуказанные допуски на размеры:

- угловые ¼ - 10°

- линейные:

до 25 мм ¼ - 0,05 св.

25 мм ... ±0,2

Материал пальца: термообработанная сталь.

Оба шарнира пальца могут изгибаться под углом 90+10°, но только в одном направлении. Использование штифта и канавки - один из вариантов ограничения угла изгиба шарнира на угол 90°. Поэтому размеры данных деталей и их предельные отклонения на рисунке не указаны. Реальная конструкция пальца должна обеспечивать угол изгиба в шарнире 90+10°.

Рисунок 9 - Стандартный испытательный палец ГОСТ 14254 (как в поправке к МЭК 529)

1 - опора; 2 - образец; . 3 - монтажная опора

Рисунок 10 - Устройство для механических испытаний на удар

Материал деталей устройства: 1 - полиамид; 2 - 5 - сталь 35

Рисунок 11 - Ударный элемент маятника для механических испытаний на удар

1 - главная опора массой (10 ± 1) кг; 2 - поворотный стержень вокруг вертикальной оси; 3 - монтажная опора (из древесины, для настенной установки; для установки выключателей других типов см. рисунки 13 и 14); 4 - зажимы для поворота панели в горизонтальной плоскости

Рисунок 12 - Монтажная опора для испытаний на механический удар (9.13.2)

1 - съемная стальная панель; 2 - алюминиевые листы; 3 - монтажная плита; 4 - рейка для установки выключателей реечного монтажа; 5 - окно в панели для выхода автоматического выключателя; а - зазор между краями окна в панели и корпусом автоматического выключателя: должен составлять 1 - 2 мм; b - высота алюминиевых листов: должна выбираться такой, чтобы стальная панель опиралась на выступы корпуса выключателя, а при их отсутствии обеспечивался зазор 8 мм между панелью и частями выключателя, находящимися под напряжением и требующим зашиты дополнительной крышкой, расположенной снаружи от панели

Рисунок 13 - Пример монтажа автоматического выключателя утопленного монтажа для испытаний на механический удар

1 - внешняя защитная панель из стального; 2 - алюминиевые листы; 3 - монтажная панель; 4 - выход корпуса автоматического выключателя панельно-щитового типа из защитной панели защитной оболочки

Рисунок 14 - Пример монтажа автоматического выключателя панельно-щитового типа при испытании на механический удар

Рисунок 15 - Установка автоматического выключателя на монтажной плите для испытаний на механические толчки

1 - стальной шарик; 2 - испытуемый образец

Рисунок 16 - Установка для испытаний давлением шарика

 

ПРИЛОЖЕНИЕ А

(справочное)

Определение коэффициента мощности при коротком замыкании

Методики точного определения коэффициента мощности при коротком замыкании не существует, но для целей настоящего стандарта возможно определение коэффициента мощности испытательной цепи одним из описанных ниже способов.

Метод 1. Определение по составляющей постоянного тока

Угол j можно определить по кривой составляющей постоянного тока асимметричной волны тока между моментами короткого замыкания и размыкания контактов.

1 Формула составляющей постоянного тока

,

где  - составляющая постоянного тока в момент t;

 - составляющая постоянного тока в начальный момент отсчета времени;

L/R - постоянная времени цепи, с;

t - время, принятое от начального момента, с;

е - основание натурального логарифма.

Из этой формулы можно вывести постоянную времени L/R.

а) измерить значение  в момент короткого замыкания и значение  в другой момент t перед разъединением контактов;

б) определить величину , разделив  на ;

в) по таблице значений е-x установить величину -x, соответствующую значению соотношения /;

г) в этом случае х соответствует Rt/L, откуда рассчитывается L/R.

2 Угол j рассчитывают по формуле

где  (f - фактическую частота)

Этот метод не используют, если токи измеряют с применением трансформаторов тока.

Метод 2. Определение с помощью контрольного генератора

Если используют контрольный генератор, вал которого соединен с валом испытательного генератора, напряжение контрольного генератора на осциллограмме можно сравнить по фазе вначале с напряжением испытательного генератора, а затем с его же током.

Разность фазовых углов между напряжениями контрольного и главного генераторов, с одной стороны, и напряжением контрольного генератора и током испытательного генератора, с другой стороны, равно фазовому углу между напряжением и током испытательного генератора, по которому можно определить коэффициент мощности.

ПРИЛОЖЕНИЕ В

(обязательное)

Определение воздушных зазоров и расстояний утечки

При определении воздушных зазоров и расстояний утечки рекомендуется учитывать следующее.

Если на воздушный зазор или расстояние утечки влияют одна или более металлических частей, сумма отрезков должна быть не меньше заданной минимальной величины.

При расчете общей длины воздушных зазоров и расстояний утечки не следует принимать во внимание отдельные отрезки длиной менее 1 мм.

При определении расстояний утечки:

- канавки шириной и глубиной не менее 1 мм следует измерять по контуру;

- канавками любых меньших размеров следует пренебречь;

- ребра высотой не менее 1 мм:

измеряют по контуру, если составляют неотъемлемую часть детали из изоляционного материала (например, литую, приваренную или приклеенную),

измеряют по более короткому из двух путей вдоль стыка или по профилю ребра, если они не составляют неотъемлемой части детали из изоляционного материала.

Применение этих рекомендаций иллюстрируется следующими рисунками:

- В1 - В3 - показано включение или исключение канавки при определении расстояния утечки;

- В4 - В5 - показано включение или исключение ребра при определении расстояния утечки.

- В6 - показан способ учета стыка, когда ребро образовано вставленным изоляционным барьером, наружный профиль которого длиннее длины стыка;

- В7 - В10 - показано, как определять расстояние утечки до средств крепления, утопленных в изоляции частей из изоляционного материала.

А - изолирующий материал; С - токопроводящая часть; Р - расстояние утечки

Рисунки В.1 - В.10 - Иллюстрации применения рекомендаций по расстояниям утечки

ПРИЛОЖЕНИЕ С

(обязательное)

Число представляемых образцов и циклы применяемых испытаний для проверки соответствия (13.5 ИСО/МЭК Руководство 2 [6])

Примечание - Испытания могут выполняться:

- изготовителем в целях заполнения декларации о соответствии поставки (13.5.1 ИСО/МЭК Руководство 2):

- независимой организацией в целях сертификации (13.5.2 ИСО/МЭК Руководство 2).

С.1 Циклы испытаний

Испытания проводят по таблице С.1, согласно циклам в указанном порядке.

С.2 Число представляемых образцов для полной процедуры испытаний и критерии приемки

Если испытанию подвергают только один номинал выключателя (т. е. только с одним рядом номинальных характеристик, см. 5.2) и одного типа (по числу полюсов, типу мгновенного расцепления), то число образцов, подвергаемых различным циклам испытаний, указано в таблице С.2, в которой приведены критерии приемки.

Соответствие стандарту подтверждается, если все образцы, представленные в графе 2 таблицы С.2, выдерживают испытания. Если испытание выдерживают только минимальное число образцов, указанных в графе 3, то испытывают дополнительные образцы, указанные в графе 4, которые должны полностью отвечать требованиям цикла испытаний.

Для выключателей, имеющих более чем один номинальный ток, испытаниям в каждом цикле подвергают два раздельных комплекта выключателей одного и того же типа: один при максимальном, другой при минимальном номинальном токе. Дополнительно испытанию подвергают по одному образцу всех остальных номинальных токов (испытание D, таблица С.1)

С.3 Число представляемых образцов для упрощенной процедуры испытаний

Этот пункт применяют при одновременном испытании серии выключателей одинаковой принципиальной конструкции.

С.3.1 Для серии выключателей одинаковой принципиальной конструкцией число подлежащих испытанию образцов может быть уменьшено согласно С.3.2 и С.3.3.

Таблица С.1 - Циклы испытаний 1)

Цикл испытания

Раздел, пункт

Испытание (или осмотр)

А

6

Маркировка

8.1.1

Общие положения

8.1.2

Механизм

9.3

Стойкость маркировки

8.1.3

Воздушные зазоры и пути утечки (только внешние части)

8.1.6

Отсутствие взаимозаменяемости

9.4

Надежность винтов, токопроводящих частей и соединений

9.5

Надежность выводов для внешних соединений

9.6

Защита от электрического удара

8.1.3

Воздушные зазоры и пути утечки (только внутренние части)

9.14

Термостойкость

9.15

Стойкость против аномального нагрева и огня

9.16

Коррозиеустойчивость

В

9.7

Электроизоляционные свойства

9.8

Превышение температуры

9.9

28-суточные испытания

С

9.11

Механическая и коммутационная износостойкость

9.12.11.2

Работоспособность при пониженных токах короткого замыкания

9.12.12

Проверка автоматического выключателя после испытаний на короткое замыкание

D

D0

9.10

Характеристика расцепления

D

D1

9.13

Стойкость против толчков и ударов

9.12.11.3

Работоспособность при токе короткого замыкания 1500 А

9.12.12

Проварка выключателя после испытаний на короткое замыкание

Е

E1

9.12.11.4.2

Рабочая наибольшая коммутационная способность (Ics)

9.12.12

Проверка выключателя после испытаний на короткое замыкание

E2

9.12.11.4.3

Рабочая наибольшая коммутационная способность (Icn)

9.12.12

Проверка выключателя после испытаний на короткое замыкание

1) По согласованию с изготовителем одни и те же образцы могут использоваться более чем для одного цикла испытаний.

Таблица С.2 - Число образцов для полной процедуры испытаний

Цикл испытаний

Число образцов

Минимальное число образцов 1) 2)

Число образцов для повторных испытаний 3)

1

2

3

4

А

1

1

-

В

3

2

3

С

3

2 5)

3

D

3

2 5)

3

Е1

3+3 4)

2 5) + 2 4), 5)

3 + 3 4)

E2

3+4 4)

2 5) + 3 4), 5)

3 + 4 4)

1) В целом только два цикла испытаний могут выполняться вторично.

2) Предполагается, что образец, который не прошел испытание, не отвечает требованиям вследствие дефектов изготовления или сборки, непоказательных для конструкции.

3) При повторном испытании все результаты должны быть положительными.

4) Дополнительные образцы только для однополюсных автоматических выключателей на номинальное напряжение 230/400 В (см. таблицу 1).

5) Все образцы должны отвечать требованиям испытаний по 9.12.10, 9.12.11.2, 9.12.11.3 и 9.12.11, что подходит.

 

Что касается остальных дополнений (например, других значений номинальных токов, другого типа по току мгновенного расцепления, другого числа полюсов), то такой серии выключателей предъявляют те же требования.

Примечание - Если конструкция выключателей имеет незначительные различия по сравнению с уже одобренной серией выключателей, то ее подвергает типовым испытаниям, а уменьшение количества образцов и испытаний может быть согласовано дополнительно.

Выключатели считают принципиально одинаковыми, если они имеют:

- одинаковую конструкцию;

- одинаковые внешние физические размеры на полюс;

- идентичные материалы, покрытия и размеры внутренних токоведущих частей, кроме приведенных в перечислении а);

- одинаковые выводы, кроме приведенных в перечислении d);

- идентичные размеры контактов, их материал, форму и способ крепления;

- аналогичные ручные механизмы управления (их материал и физические характеристики);

- идентичные литьевые и изолирующие материалы;

- идентичные материалы, конструкция и принцип действия дугогасительного устройства;

- одинаковую базовую конструкцию расцепителей тока перегрузки, кроме приведенных в перечислении b);

- одинаковую базовую конструкцию расцепителей мгновенного отключения, кроме приведенных в перечислении с);

- их номинальное напряжение предназначено для одного вида распределительной цепи (см. таблицу 1);

- многополюсные выключатели состоят или из однополюсных выключателей, или сконструированы из тех же узлов, что и однополюсные выключатели с одинаковыми размерами на полюс, за исключением внешних перемычек между полюсами.

Допускаются следующие различия в:

а) площади поперечного сечения внутренних токоведущих соединений;

b) размерах и материале расцепителей тока перегрузки;

с) числе витков и площади поперечного сечения катушки расцепителя мгновенного отключения;

d) размерах выводов.

С.3.2 Для выключателей с одинаковым классом мгновенного расцепления по 4.5 число подлежащих испытанию образцов можно сократить согласно таблице С.3

С.3.3 Кроме того, для выключателей с одинаковой принципиальной конструкцией, как указано в С.3.1, но с различными типами мгновенного расцепления по 4.5 можно сократить число образцов согласно таблице С.4 по сравнению с таблицей С.3.

Таблица С.3 - Сокращение числа образцов для серии автоматических выключателей с различным числом полюсов

Цикл испытаний

Число образцов в зависимости от числа полюсов 1)

один полюс 2)

два полюса 3)

три полюса 4)

четыре полюса 5)

А

1 с максимальным номинальным током

1 с максимальным номинальным током 8), 9)

1 с максимальным номинальным током 9)

1 с максимальным номинальным током 9)

В

3 с максимальным номинальным током

3 с максимальным номинальным током 8)

3 с максимальным номинальным током

3 с максимальным номинальным током

С

D0 + D1

D0

1 со всеми другими номинальными токами

-

-

-

Е1

3 + 3 6) с максимальным номинальным током

3 с максимальным номинальным током

3 с максимальным номинальным током

3 с максимальным номинальным током

3 + 3 6) с минимальным номинальным током

3 с минимальным номинальным током

3 с минимальным номинальным током

3 с минимальным номинальным током

Е2

3 + 4 6) с максимальным номинальным током

3 с максимальным номинальным током

3 с максимальным номинальным током

3 с максимальным номинальным током

3 + 4 6) с минимальным номинальным током

3 с минимальным номинальным током

3 с минимальным номинальным током

3 с минимальным номинальным током

1) Если испытание следует повторить после допускаемого отказа согласно таблице С.2, используют новый комплект образцов для соответствующего цикла испытаний. При повторных испытаниях все результаты должны быть положительными.

2) Если испытывают только многополюсные выключатели, эта графа должна относиться к комплекту образцов с наименьшим числом полюсов (вместо соответствующей графы).

3) Действительно для двухполюсных выключателей с двумя защищенными полюсами или с одним защищенным полюсом.

4) Эту графу не применяют, если одновременно испытывают четырехполюсные выключатели.

5) Действительно также для выключателей с тремя защищенными полюсами и нейтральным полюсом.

6) Дополнительные образцы для однополюсных выключателей на номинальное напряжение 230/400 В (см. таблицу 1).

7) Это испытание излишне, если испытывают также трех- или четырехполюсные выключатели.

8) Это испытание излишне для двухполюсных выключателей с двумя защищенными полюсами, если

испытывают трех- или четырехполюсные выключатели.

9) Если представлены многополюсные автоматические выключатели, то испытанию по 9.5 подвергают максимально четыре зажима винтового типа для внешних проводников: два - со стороны питания, и два - со стороны нагрузки.

Таблица С.4 - Циклы испытаний для серии выключателей с различными типами мгновенного расцепления

Тип выключателя, испытываемого первым

Циклы испытаний для выключателей типов

В

C

D

B

-

(D0 + D1) + E

(D0 + D1) + E

C

D0 1) + B 1)

-

(D0 + D1) + E

D

D0 1) + B 1)

D0 1) + B 1), 2)

-

1) Для этих циклов требуются только испытания по 9.8 и 9.10.2.

2) Если сертификации подлежат одновременно выключатели типов В, С, и D с одинаковой номинальной отключающей способностью, требуется только цикл D0 если образцы В и D были испытаны.

 

ПРИЛОЖЕНИЕ D

(справочное)

Координация между выключателями и автономными плавкими предохранителями, соединенными в одной цепи

D.1 Введение

Чтобы обеспечить координацию между выключателями и плавкими предохранителями, необходимо рассмотреть их характеристики (см. рисунок D.1).

Если выключатель имеет максимальные расцепители тока с регулируемой уставкой, следует соотносить время отключения с конкретной уставкой.

Относительно плавких предохранителей следует ссылаться на соответствующую часть публикации МЭК 60269 [1].

Наложение друг на друга рабочих характеристик двух аппаратов, для каждого из которых на оси абсцисс обозначается ожидаемый ток, неточно, если имеется в виду поведение этих аппаратов, соединенных последовательно, поскольку не всегда можно пренебречь полным их сопротивлением; это рекомендуется учитывать. При высоких сверхтоках рекомендуется сопоставить не длительность, а значения I2t.

Выключатели часто соединяют последовательно с автономными плавкими предохранителями по причине выбранного метода распределения энергии в системе или недостаточной наибольшей отключающей способности самого выключателя для предполагаемого применения. Плавкие предохранители можно устанавливать вдали от выключателя. Один или несколько плавких предохранителей могут защищать главный фидер, питающий несколько выключателей или один автономный выключатель.

Как правило, в такой комбинации плавкие предохранители располагают на входной стороне выключателя. Однако специальные инструкции по монтажу могут предписывать их установку со стороны нагрузки выключателя. Проблемы координации в обоих случаях одинаковы.

От потребителя или компетентной службы может потребоваться чисто теоретически принимать решение, как лучше обеспечить оптимальный уровень координации. Настоящее приложение призвано помочь в принятии такого решения и показать, какого характера информацию должен изготовитель выключателей предоставить потенциальному потребителю.

Термин «координация» подразумевает как избирательность (т. е. селективность срабатывания) так и резервную защиту.

Ориентировочно излагаются также требования к испытаниям, если такие испытания считают существенными для предполагаемого применения. Но в подавляющем большинстве случаев дорогостоящие и сложные испытания не нужны. Это относится к самым разнообразным областям применения, например, когда ожидаемый ток короткого замыкания ниже номинальной наибольшей отключающей способности одного выключателя или незначительно ее превышает.

Это приложение можно использовать для руководства по координации выключателей с другими защитными аппаратами, помимо плавких предохранителей.

D.2 Область распространения и цель

Настоящее приложение служит инструкцией по координации выключателей с автономными плавкими предохранителями, соединенными в одной цепи.

Цель настоящего приложения заключается в установлении:

- общих требований по координации выключателя с одним или несколькими плавкими предохранителями;

- методики испытаний (если требуется), предназначенных для проверки соблюдения условий координации.

D.3 Общие требования к координации автоматических выключателей с одним или несколькими плавкими предохранителями, соединенными с ним

D.3.1 Общие положения

В идеальных условиях координация должна осуществляться так, чтобы при всех значениях сверхтока вплоть до предела номинальной отключающей способности выключателя срабатывал только этот выключатель.

На практике действительны такие соображения:

а) если ожидаемый аварийный ток в месте установки ниже номинальной отключающей способности выключателя, можно предположить, что один или несколько плавких предохранителей предусматривается в цепи по причинам, не связанным с резервной защитой; если же ток координации Iв (см. 3.5.14.2) слишком низкий, возможна опасность потери селективности (т. е. селективного срабатывания);

б) если ожидаемый аварийный ток в месте установки превышает номинальную отключающую способность выключателя, один или несколько плавких предохранителей следует выбирать с таким расчетом, чтобы обеспечить соответствие требованиям D.3.2 и D.3.3.

D.3.2 Ток координации Iв не должен превышать номинальной отключающей способности самого выключателя.

D.3.3 Поведение выключателя в комбинации с плавкими предохранителями

При любых значениях сверхтока вплоть до отключающей способности, установленной для комбинации:

- во время замыкания автоматического выключателя и отключения тока комбинацией не должны возникать внешние проявления (такие как выброс пламени), распространяющиеся за пределы, указанные изготовителем;

- недопустимы перекрытия между полюсами либо между полюсами и корпусом или сваривания контактов.

См. также D.5.2 и D.5.3.

D.4 Тип и характеристики плавких предохранителей, входящих в комбинацию

По запросу изготовитель выключателей должен указать тип и характеристики плавких предохранителей согласно ГОСТ Р 50339.0 и ГОСТ Р 50339.3, предписанных для использования с этим выключателем, и максимальный ожидаемый ток короткого замыкания, на который рассчитана эта комбинация при указанном номинальном рабочем напряжении.

По возможности плавкие предохранители следует помещать на входной стороне выключателя. Если плавкие предохранители находятся на выходной стороне, важно так спроектировать соединения между выключателем и плавкими предохранителями, чтобы свести к минимуму опасность короткого замыкания.

D.5 Методика проверки координации

D.5.1 Определение тока координации

Соответствие требованиям D.3.2 проверяют путем сопоставления рабочих характеристик выключателя и плавкого предохранителя.

Если выключатель оснащен максимальными расцепителями тока с регулируемой уставкой (см. 1.12), надлежащие рабочие характеристики должны соответствовать минимальной токовой уставке.

D.5.2 Проверка поведения комбинации выключатель-плавкий предохранитель (в условиях короткого замыкания)

а) Соответствие требованиям D.3.3 можно проверить только испытаниями по D.5.3.

В этом случае все условия испытания должны определяться 9.12, с установкой регулируемых сопротивлений и катушек индуктивности со стороны комбинации.

б) в некоторых практических случаях может оказаться достаточно сравнить рабочие характеристики выключателя и плавкого предохранителя, построенные в одинаковых масштабах, уделив особое внимание:

- значениям I2t выключателя и плавкого предохранителя во время отключения тока;

- влиянию на выключатель (например, энергии дуги, максимального пикового тока и т. п.) при пиковому токе отсечки плавкого предохранителя.

Пригодность данной комбинации можно оценить путем рассмотрения максимальной рабочей характеристики I2t плавкого предохранителя в диапазоне от номинальной наибольшей отключающей способности выключателя до ожидаемого тока короткого замыкания в предполагаемой области применения, но не за пределами наибольшей отключающей способности комбинации. Это значение не должно превосходить максимального значения I2t выключателя при его номинальной отключающей способности или другом предельном значении, указанном изготовителем.

D.5.3 Ток для проверки координации по току в условиях короткого замыкания

Испытание на короткое замыкание проводят при максимальном ожидаемом токе для данной области применения. Он не должен превышать максимального ожидаемого тока короткого замыкания, установленного изготовителем для комбинации.

Кроме того, если Iв близок к номинальной предельной отключающей способности (Icn) выключателя, например превышает 80 % Icn, необходима дополнительная серия испытаний при ожидаемом токе, равном 120 % Icn. По крайней мере один из плавких предохранителей должен сработать.

Таким дополнительным испытаниям может быть подвергнут новый и чистый выключатель по просьбе изготовителя.

Если испытания проводят согласно D.5.2, следует выполнить испытание СО по 9.12.11.4.3 и 9.12.12.2

D.5.4 Требуемые результаты

См. D.3.3.

I - ожидаемый ток короткого замыкания; Icn - номинальная наибольшая отключающая способность; Is - предельный ток селективности; Iв - ток координации; А - минимальная преддуговая характеристика предохранителя; В - максимальная рабочая характеристика предохранителя; С - максимальная время-токовая характеристика и характеристика I2t автоматическою выключателя.

Рисунок D.1 - Время-токовая характеристика и характеристика I2t

ПРИЛОЖЕНИЕ Е

(обязательное)

Дополнительные требования, которые должны применяться к вспомогательным цепям со сверхнизким безопасным напряжением

8.1.3 Воздушные зазоры и расстояния утечки

Таблицу 3 дополнить примечанием:

5 Находящиеся под напряжением части вспомогательных цепей, предназначенных для присоединения к источнику сверхнизкого безопасного напряжения, должны быть отделены от цепей с более высоким напряжением согласно требованиям 4.11.1.3.3 ГОСТ 30331.3/ГОСТ Р 50571.3.

9.7.4 Электрическая прочность изоляции вспомогательных цепей

Пункт дополнить примечанием:

Примечание - Испытание цепей, предназначенных для присоединения к источнику сверхнизкого безопасного напряжения, находится на рассмотрении.

9.7.5 Значения испытательного напряжения Перечисление б) дополнить примечанием:

Примечание - Значения испытательных напряжений для цепей со сверхнизким безопасным напряжением находятся в стадии изучения.

ПРИЛОЖЕНИЕ F

(справочное)

Примеры выводов

В настоящем приложении приводятся несколько примеров конструкций выводов.

В выводах канал для присоединения проводника должен иметь такой диаметр или такую площадь поперечного сечения, чтобы в него можно было вставить как одножильный, так и многожильный проводник (см. 8.1.5).

Часть вывода, снабженная резьбовым отверстием, и та часть, к которой винтом прижимается провод, могут быть двумя различными частями, как в выводе с хомутиком.

Рисунок F. 1 - Примеры столбчатых выводов

Винтовые выводы

Винты, не требующие применения шайбы или прижимной пластины

Винты, нуждающиеся в применении шайбы, прижимной пластины или приспособления, препятствующего выскальзыванию жилы

 

Штыревые выводы

А - неподвижная часть; В - шайба или прижимная пластина; С - устройство, препятствующее выскальзыванию жилы; D - канал для проводника; Е - штырь

Рисунок F.2 - Примеры винтовых и штыревых выводов

 

А - изогнутая пластина; В - неподвижная часть; С - штырь; D - канал для проводника

Обе стороны изогнутой пластины могут иметь различную форму для укладки проводов с малой или большой площадью поперечного сечения посредством переворачивания пластины. Выводы могут крепиться более чем двумя зажимными винтами или штырями.

Рисунок F.3 - Примеры пластинчатых выводов

А - запорное устройство; В - кабельный наконечник или шина; Е - неподвижная часть; F-  штырь

Для выводов этого типа необходима упругая шайба или другое равно эффективное запорное устройство, и поверхность в зоне зажима должна быть гладкой.

Для некоторых типов оборудования допускается применение выводов для кабельных наконечников и шин меньших размеров, чем требуемые

Рисунок F.4 - Примеры выводов для кабельных наконечников и шин

ПРИЛОЖЕНИЕ G

(справочное)

Соотношение между сортаментом медных проводов ИСО и АWG

Поперечное сечение по ИСО, мм2

AWG

 

Поперечное сечение по ИСО, мм2

AWG

Размер

Поперечное сечение, мм2

 

Размер

Поперечное сечение, мм2

1,0

18

0,82

 

10,0

8

8,40

1,5

16

1,30

 

16,0

6

13,30

2,5

14

2,10

 

25,0

3

26,70

4,0

12

3,30

 

35,0

2

33,60

6,0

10

5,30

 

50,0

0

53,50

Примечание - В основном применяют размеры ИСО. По запросу изготовителя могут использоваться размеры АWG.

ПРИЛОЖЕНИЕ Н

(обязательное)

Устройство для испытаний на короткое замыкание

Испытуемый аппарат устанавливают, как показано на рисунке Н.1, в соответствии с особенностями конструкции аппарата и инструкцией изготовителя.

Когда требуется (например, в течение операции О), прозрачную полиэтиленовую пленку толщиной (0,05 ± 0,01) мм размерами по крайней мере на 50 мм больше в каждом направлении фронтальной части аппарата, но не менее чем 200´200 мм, закрепляют в рамке, помещенной на расстоянии 10 мм от:

- любой максимально выступающей части механизма управления аппарата для механизма управления, неутапливаемого типа;

- края ниши для механизма управления для аппаратов с механизмом управления утопленного типа. Пленка должна иметь следующие физические свойства:

- плотность при 23 °С ¼ (0,92 ± 0,05) г/см3

- точка плавления ¼ 110 - 120 °С

Когда требуется, между выхлопным отверстием и полиэтиленовой пленкой помещают перегородку из изолирующего материала толщиной не менее 2 мм, как показано на рисунке Н.1, чтобы не повредить пленку при выбросе из выхлопного отверстия горячих частиц.

Когда требуется, решетку(и), соответствующую(ие) приведенной на рисунке Н.2, располагают на расстоянии а от выхлопного отверстия аппарата.

Цепь решетки (см. рисунок Н.3) должна подсоединяться к точкам В и С или С¢ (см. рисунки 3 - 6), как принято.

Параметры цепи(ей) решетки:

- резистор R' ¼ 1,5 Ом;

- медный провод F' - сечением 50 мм2, длиной и диаметром, как указано в 9.12.9.1.

1 - к нейтрали; 2 - металлическая панель; 3 - кабель; 4 - выхлопное окно; 5 - решетка;
6 - щиток; 7 - полиэтиленовая пленка; 8 - рамка

Рисунок Н.1 - Схема испытаний

1 - рамка из изоляционного материала; 2 - решетка из медных проволочек; 3 - металлическая панель, соединенная с медными проволочками

Рисунок Н.2 – Решетка

Рисунок Н.3 - Схема соединения решетки

ПРИЛОЖЕНИЕ К

(обязательное)

Дополнительные требования к выключателям для защиты от сверхтоков бытового и аналогичного назначения, устанавливаемые в стандартах и технических условиях на изделия конкретных серий и типов и учитывающие потребности экономики страны

К.1 Виды климатических исполнений - по ГОСТ 15150.

Номинальные значения климатических факторов - по ГОСТ 15150 и ГОСТ 15543.

Виды климатических исполнений и номинальные значения климатических факторов должны устанавливаться в стандартах и технических условиях на выключатели конкретных видов.

К.2 Маркировка выключателей - по ГОСТ 18620 и разделу 6 настоящего стандарта.

К.3 Номинальные значения механических внешних воздействующих факторов - по ГОСТ 17516.1, и должны устанавливаться в стандартах и технических условиях на выключатели конкретных видов.

К.4 Пункт 8.1.5.1 дополнить абзацем:

Выводы выключателей должны допускать присоединение алюминиевых проводов и кабелей и соответствовать ГОСТ 24753. Выводы, предназначенные для присоединения алюминиевых проводников, должны дополнительно подвергаться ускоренному испытанию в режиме циклического нагревания по ГОСТ 17441. Поперечные сечения алюминиевых проводников должны быть указаны в стандартах и технических условиях на изделия конкретных серий и типов. Контактирующие поверхности выводов должны иметь гальванопокрытие.

К.5 В части стойкости к воздействию специальных сред выключатели должны соответствовать требованиям ГОСТ 24682.

К.6 Транспортирование и хранение выключателей - ГОСТ 23216.

Условия транспортирования и хранения и допустимые сроки сохраняемости должны устанавливаться в стандартах и технических условиях на автоматические выключатели конкретных видов.

К.7 Упаковка и временная противокоррозионная защита для условий транспортирования и хранения по ГОСТ 23216 должна устанавливаться в стандартах и технических условиях на выключатели конкретных видов.

К.8 Виды испытаний автоматических выключателей - по ГОСТ 16504.

Для проверки соответствия выключателей требованиям настоящего стандарта, а также стандартов и технических условий на выключатели конкретных видов, изготовитель проводит приемосдаточные, периодические и типовые испытания, а при постановке выключателей на производство - квалификационные.

Испытания на воздействие климатических, механических внешних воздействующих факторов и специальных сред проводят в соответствии с ГОСТ 16962.1, ГОСТ 16962.2, ГОСТ 24683, и должны устанавливаться в стандартах и технических условиях на автоматические выключатели конкретных видов.

К.9 Гарантии изготовителя

Изготовитель гарантирует соответствие выключателей требованиям настоящего стандарта при соблюдении условий эксплуатации, транспортирования и хранения, установленных настоящим стандартом.

Гарантийные сроки должны устанавливаться в стандартах и технических условиях на выключатели конкретных видов.

ПРИЛОЖЕНИЕ L

(справочное)

Библиография*

[1] МЭК 60269 Предохранители плавкие низковольтные

[2] МЭК 1009-2-1 (1991) Автоматические выключатели токов утечки с защитой от сверхтоков бытового и аналогичного назначения. Часть 2-1. Применение общих требований к ВУЗС, работающих независимо от линейного напряжения

[3] МЭК 1009-2-2 (1991) Автоматические выключатели токов утечки с защитой от сверхтоков бытового и аналогичного назначения. Часть 2-2. Применение общих требований к ВУЗС, работающих от линейного напряжения

[4] МЭК 50 (441) Международный электротехнический словарь. Глава 441. Коммутационная аппаратура. Аппаратура управления и предохранители

[5] МЭК 369 (1971) Методы определения рабочих характеристик полотеров бытового и аналогичного назначения

[6] ИСО/МЭК Руководство 2 (1991) Общие термины и определения, относящиеся к деятельности по стандартизации

__________

* Международные стандарты МЭК и ИСО и их переводы находятся во Всероссийском научно-исследовательском институте классификации, терминологии и информации по стандартизации и качеств (ВНИИКИ). Адрес: 103001, Москва, Гранатный пер., 4.

 

Ключевые слова: Автоматические выключатели для защиты от сверхтоков

 

 

2008-2013. ГОСТы, СНиПы, СанПиНы - Нормативные документы - стандарты.