
ГОСУДАРСТВЕННЫЙ СТАНДАРТ СОЮЗА ССР
КИРПИЧ И КАМНИ СИЛИКАТНЫЕ
УЛЬТРАЗВУКОВОЙ МЕТОД ОПРЕДЕЛЕНИЯ
ПРОЧНОСТИ ПРИ СЖАТИИ
ГОСТ 24332-88
ГОСУДАРСТВЕННЫЙ СТРОИТЕЛЬНЫЙ КОМИТЕТ СССР
Москва
ГОСУДАРСТВЕННЫЙ СТАНДАРТ СОЮЗА ССР
|
КИРПИЧ И КАМНИ СИЛИКАТНЫЕ Ультразвуковой метод определения прочности при сжатииSilica
bricks and stones. Ultrasonic method |
ГОСТ |
Дата введения 01.07.89
Несоблюдение стандарта преследуется по закону
Настоящий стандарт распространяется на рядовые и лицевые кирпич и камни силикатные, изготовленные способом прессования (далее - изделия), и устанавливает ультразвуковой импульсный метод (далее - ультразвуковой метод) определения предела прочности при сжатии (далее - прочности) этих изделий.
1.1. Ультразвуковой метод применяют для определения прочности изделий при их приемке техническим контролем предприятия-изготовителя, а также при контрольной проверке качества изделий государственными и ведомственными инспекциями по качеству или потребителем.
1.2. Ультразвуковой метод основан на связи между временем распространения ультразвуковых колебаний в изделии и его прочностью.
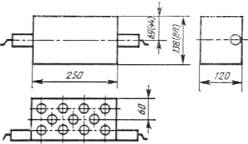
1.3. Ультразвуковые измерения в изделиях проводят способом сквозного соосного прозвучивания согласно черт. 1 и 2.
1.4. Прочность изделий определяют по экспериментально установленным градуировочным зависимостям первого и (или) второго типа.
Градуировочную зависимость первого типа устанавливают по результатам ультразвуковых измерений горячих образцов непосредственно после автоклавирования и механических испытаний тех же образцов после их остывания не менее чем через 24 ч.
Градуировочную зависимость второго типа устанавливают по результатам ультразвуковых измерений остывших образцов не менее чем через 24 ч после автоклавирования и механических испытаний тех же образцов.
Градуировочную зависимость первого типа устанавливают для определения прочности изделий в производственных условиях. Градуировочную зависимость второго типа устанавливают для экспертного определения прочности, а также для определения прочности изделий на стройке или в других случаях.
1.5. Прочность изделий, определенная по градуировочной зависимости первого типа, соответствует прочности тех же изделий, определенной по градуировочной зависимости второго типа.
Схемы расположения преобразователей
Кирпич
Черт. 1
Камень (кирпич) пустотелый
Черт. 2
2.1. Ультразвуковые измерения проводят при помощи приборов, предназначенных для измерения времени распространения ультразвука в кирпиче, камнях и бетоне, аттестованных по ГОСТ 8.383-86.
2.2. Предел допускаемой абсолютной погрешности измерения (D) времени распространения ультразвука на стандартных образцах, входящих в комплект прибора, не должен превышать значения
(1)
где t - время распространения ультразвука, мкс.
2.3. Типы ультразвуковых приборов и их технические характеристики приведены в приложении 1.
Допускается применение других ультразвуковых приборов, предназначенных для испытания кирпича, камней и бетона, если эти приборы удовлетворяют требованиям пп. 2.1 и 2.2.
2.4. Между поверхностями изделия и рабочими поверхностями ультразвуковых преобразователей должен быть обеспечен надежный акустический контакт, для чего применяют вязкие контактные материалы (солидол по ГОСТ 4366-78, технический вазелин по ГОСТ 5774-76 и др.).
Допускается применение переходных устройств или прокладок, обеспечивающих сухой способ акустического контакта и удовлетворяющих требованиям пп. 2.1 и 2.2.
2.5. При ультразвуковых измерениях для установления градуировочной зависимости и определения прочности изделия ультразвуковым методом способ контакта должен быть одинаков.
3.1. Перед испытанием проводят проверку используемых приборов в соответствии с документацией по эксплуатации и установлению градуировочной зависимости для испытываемых изделий.
3.2. Изделия, предназначенные для испытаний и установления градуировочной зависимости, по размерам и внешнему виду должны соответствовать ГОСТ 379-79 и не должны иметь в зоне контакта ультразвуковых преобразователей с поверхностью изделия раковин и воздушных пор глубиной более 3 мм и диаметром более 6 мм, выступов более 0,5 мм, а также трещин. Поверхность изделия должна быть очищена от пыли.
3.3. Установление градуировочных зависимостей
3.3.1. Для установления градуировочной зависимости отбирают не менее чем по 5 изделий одного вида от каждой из 20 или более партий, изготовленных из одного сырья и по одной и той же технологии. При этом изделия нумеруют.
3.3.2. Измерения времени распространения ультразвука в изделиях проводят спустя 0,5 ч, но не более 1 ч после их выгрузки из автоклава при установлении градуировочной зависимости первого типа и (или) спустя не менее 24 ч после выгрузки изделий из автоклава при установлении зависимости второго типа.
3.3.3. За время распространения ультразвука в изделии принимают среднее арифметическое значение результатов измерений при трех последовательных установках преобразователей на этом изделии в одних и тех же точках.
3.3.4. Отклонение отдельного результата измерения времени распространения ультразвука в изделии от среднего арифметического значения для этого изделия не должно превышать 2 %.
Результаты измерения времени распространения ультразвука в изделии, не удовлетворяющие этому условию, исключают, а это изделие заменяют другим изделием того же вида.
3.3.5. Прочность прозвученных изделий определяют по ГОСТ 8462-85не ранее чем через 24 ч после автоклавной обработки. При этом прочность кирпича определяют на образцах, состоящих из двух половинок одного кирпича.
3.3.6. Результаты измерений по пп. 3.3.3, 3.3.4 вносят в журнал по форме, приведенной в приложении 2.
3.3.7. Градуировочную зависимость в первый год применения стандарта устанавливают четыре раза через каждые 3 мес, объединяя каждый раз результаты измерений с последующими результатами, используемыми для установления зависимостей:
первый раз - по результатам измерений не менее чем 100 изделий;
второй раз - по объединенным результатам измерений первого раза и измерений второго раза, но не менее 200 изделий в общей совокупности;
третий раз - по объединенным результатам предшествующих измерений, но не менее 300 изделий в общей совокупности;
четвертый раз - по объединенным результатам предшествующих измерений, но не менее 400 изделий в общей совокупности.
3.3.8. Градуировочную зависимость, построенную по объединенным результатам измерений за год, принимают за итоговую.
3.3.9. Расчет, оценку пригодности и поверку зависимостей, построенных по пп. 3.3.8, 3.3.9, проводят в соответствии с приложением 3 или 4.
3.3.10. Примеры расчета, оценки пригодности и поверки зависимостей приведены в приложении 5.
3.4. Для проведения испытаний отбор изделий проводят по ГОСТ 379-79.
3.5. Схемы установки преобразователей принимают согласно п. 1.3 (черт. 1 и 2).
3.6. Время распространения ультразвука в изделиях определяют согласно пп. 3.3.4, 3.3.5.
3.7. Прочность контролируемого изделия находят по градуировочной зависимости в соответствии со средним значением времени распространения ультразвука, определенным для данного изделия, и типом градуировочной зависимости.
Градуировочную зависимость используют на участке между минимальным и максимальным значениями времени распространения ультразвука, полученными при установлении зависимости.
4.1. Результаты измерений по пп. 3.3.3- 3.3.5 наносят в журнал испытаний по форме, приведенной в приложении 6.
4.2. По полученным индивидуальным значениям прочности изделий, отобранных от данной партии, находят их среднее арифметическое и минимальное значения прочности.
Марку прочности изделий в партии назначают в соответствии с ГОСТ 379-79.
Справочное
Технические характеристики ультразвуковых приборов
для определения прочности кирпича и камней
|
Характеристика |
Технические характеристики приборов типов |
|||
|
«Бетон-12» |
УК-14П |
УК-10ПМС |
УФ-10П |
|
|
Диапазон измерения времени распространения ультразвуковых колебаний, мкс |
20-999,9 |
20-9000 |
8-8500 в ручном, до 9999 в автоматическом режиме |
- |
|
Режим измерения |
Автоматический |
Автоматический и ручной |
Автоматический |
|
|
Индикация |
Цифровая |
|||
|
Электрическое питание |
Автономное |
Универсальное |
Сетевое |
|
|
Наличие ЭЛТ |
Нет |
Есть |
||
|
Число каналов измерения |
1
|
12 |
||
|
Конструктивное исполнение |
Портативный |
Переносной |
Стационарный |
|
|
Масса, кг |
26 |
1,5 |
10,0 |
28 |
|
Наименование предприятия-изготовителя |
Опытный завод ВНИИжелезобетон, Москва |
Завод «Электроточприбор», |
||
Поправка. ИУС 1-90.
Рекомендуемое
ФОРМА ЖУРНАЛА ИСПЫТАНИЙ СИЛИКАТНЫХ КИРПИЧА И КАМНЕЙ ПРИ УСТАНОВЛЕНИИ ГРАДУИРОВОЧНОЙ ЗАВИСИМОСТИ
Вид изделий ___________________ Тип зависимости ________________________
|
Номер образца |
Время распространения ультразвука t, мкс |
Площадь поперечного сечения образца F, см2 |
Наибольшая нагрузка, установленная при испытании образца, Р, кН |
Предел прочности при сжатии по |
Примечание |
|
|
|
|
|
|
|
Обязательное
РАСЧЕТ И ОЦЕНКА ПРИГОДНОСТИ ГРАДУИРОВОЧНОЙ ЗАВИСИМОСТИ МЕТОДОМ НАИМЕНЬШИХ КВАДРАТОВ
Поправка. ИУС 1-90.
1. Градуировочную зависимость устанавливают в виде графика или таблицы, рассчитанных методом наименьших квадратов на основании уравнения регрессии
где
- прочность, МПа;
t - время распространения ультразвука в изделии, мкс;
А и В - коэффициенты.
2. Коэффициенты А и В в уравнении (2) определяют по формулам:
МПа · мкс–1; (3)
МПа, (4)
где Ri - прочность i-го изделия, МПа, определенная по ГОСТ 8462-85;
ti - время распространения ультразвука в i-м изделии, мкс;
n ³ 100 - число изделий (образцов);
и
- средние арифметические значения прочности, МПа, и
времени распространения ультразвука, мкс, определяемые по формулам:
(5)
(6)
3. Для оценки пригодности градуировочной зависимости вычисляют эффективность Е по формуле
(7)
где
- выборочная
дисперсия прочности;
S2 - остаточная дисперсия регрессии;
величины
и S2 определяют по формулам:
(8)
(9)
где
- прочность i-го
изделия, определяемая по градуировочной зависимости
в соответствии со временем ti
распространения ультразвука в этом изделии.
4. Градуировочную
зависимость считают пригодной для определения
прочности изделий, если эффективность Е и отношение
удовлетворяют условиям:
5.
Для построения таблицы значения
вычисляют по формуле (2), задаваясь значениями t с шагом 0,2 мкс.
Обязательное
РАСЧЕТ, ОЦЕНКА ПРИГОДНОСТИ И ПОВЕРКА ГРАДУИРОВОЧНОЙ ЗАВИСИМОСТИ НЕПАРАМЕТРИЧЕСКИМ МЕТОДОМ
1. Градуировочную зависимость устанавливают в виде графика или таблицы, рассчитанных непараметрическим методом на основании уравнения регрессии
![]()
где
- прочность, МПа,
t - время распространения ультразвука в изделии, мкс.
2. Совокупность пар значений
ti и
Ri, непосредственно используемых для расчета градуировочной зависимости, располагают в
порядке возрастания значений ti (значения Ri, соответствующие любым
значениям ti, наблюдаемым повторно, уже
не учитывают). При объединении совокупностей общую совокупность располагают в порядке
возрастания значений ti так, чтобы значения Ri, соответствующие каждому
наблюдаемому числу значений ti,
одинаковых в каких-либо совокупностях, включались в общую поочередно для этих
совокупностей. Если число всех отобранных в общую совокупность точек ti, Ri (i = 1,...,r) нечетно, точку
с номером
опускают.
3. Для вычисления коэффициента А предварительно вычисляют m значений тангенса А (j, j + k) угла наклона прямых, соединяющих точки Rj, tj, с точками Rj+k, tj+k по формуле
(12)
При этом, если r нечетно, то
(13)
(14)
(15)
Если r четно, то
(16)
(17)
Затем т значений А (j, j + k) располагают в порядке неубывания
(18)
Если т нечетно, то коэффициент
(19)
если т четно, то
(20)
Затем точки ti, Ri наносят на координатную миллиметровую бумагу.
4. Коэффициент В рассчитывают по формуле
(21)
где
и
- соответственно
средние значения прочности и времени распространения ультразвука, вычисляемые
по формулам:
где
- номера значений,
отсчитанных на координатных осях R и t сверху соответствующих областей рассеяния;
- номера значений, отсчитанных
на тех же осях снизу областей рассеяния.
5. Среднее квадратическое отклонение SR вычисляют по формуле
(24)
где (0,07r + 1)св и (0,07r + 1)сн - номера значений R, отсчитанных сверху и снизу области рассеяния.
6. После построения прямой градуировочной зависимости
на координатной
бумаге вычисляют среднее квадратическое отклонение регрессии
(25)
где
- расстояние вдоль оси R между отсекающими по 0,07r + 1 точек Н сверху и снизу области рассеяния
прямыми, параллельными прямой
и проходящими через
ближайшие к
из этих точек.
Поправка. ИУС 1-90.
7. Градуировочную
зависимость считают пригодной для определения прочности изделий, если эффективность Е и
отношение
удовлетворяют условиям
(10) и (11).
8. Для поверки градуировочной
зависимости проводят параллельные определения прочности
по настоящему
стандарту в q образцах (q = 1,..., N) и Rq в тех же образцах по ГОСТ 8462-85 в соответствии с п. 3.3.5.
При этом должно быть соблюдено условие
Указанные образцы отбирают еженедельно в течение не менее чем одной смены в количестве не менее 5 изделий.
9. Использование градуировочной зависимости допускается, если число zN положительных разностей
(27)
где i = 1,..., zN, удовлетворяет условию
где U (N) и L (N) - соответственно верхняя и нижняя границы числа zN положительных разностей согласно таблице, а N >15 - число образцов, отвечающее условию (26).
Сопоставление чисел zN, U (N) и L (N) осуществляют в соответствии с периодичностью отбора образцов согласно п. 8.
При больших N указанное сопоставление проводят для различных участков диапазона t. При несоблюдении соотношения (28) использование градуировочной зависимости не допускается. В этом случае накопленное число значений tq и Rq, использованных для поверки градуировочной зависимости, может быть использовано также для построения новой градуировочной зависимости.
Зависимости U (N) и L (N) верхней и нижней границ числа zN положительных разностей значений прочности образцов по настоящему стандарту и ГОСТ 8462-85 от числа N образцов с несовпадающими результатами указанных определений прочности
N |
U (N) |
L (N) |
|
5 |
5 |
0 |
|
10 |
9 |
1 |
|
15 |
12 |
3 |
|
20 |
15 |
5 |
|
25
|
18 |
7 |
|
30 |
20 |
10 |
|
35 |
23 |
12 |
|
40 |
26 |
14 |
|
45 |
29 |
16 |
|
50
|
32 |
18 |
|
55 |
35 |
20 |
|
60 |
37 |
23 |
|
65 |
40 |
25 |
|
70 |
43 |
27 |
|
75
|
46 |
29 |
|
80 |
48 |
32 |
|
85 |
51 |
34 |
|
90 |
54 |
36 |
|
95 |
57 |
38 |
|
100
|
59 |
41 |
|
105 |
62 |
43 |
|
110 |
65 |
45 |
|
115 |
67 |
48 |
|
120 |
70 |
50 |
|
125
|
73 |
52 |
|
130 |
75 |
55 |
|
135 |
78 |
57 |
|
140 |
81 |
59 |
|
145 |
83 |
62 |
|
150
|
86 |
64 |
|
155 |
89 |
66 |
|
160 |
91 |
69 |
|
165 |
94 |
71 |
|
170 |
97 |
73 |
|
175
|
99 |
76 |
|
180 |
102 |
78 |
|
185 |
105 |
80 |
|
190 |
107 |
83 |
|
195 |
110 |
85 |
|
200
|
113 |
87 |
Примечание. Для N > 90,
где Ent (X) - целая часть Х.
При больших N указанное сопоставление чисел zN, U (N) и L (N) проводят для различных участков диапазона t. При несоблюдении соотношения U (N) ³ zN ³ L (N) использование градуировочной зависимости не допускается. В этом случае накопленное число значений tq и Rq, использованных для поверки градуировочной зависимости, может быть использовано также для построения новой градуировочной зависимости.
Поправка. ИУС 1-90.
Справочное
ПРИМЕРЫ РАСЧЕТА, ОЦЕНКИ ПРИГОДНОСТИ И ПОВЕРКИ ГРАДУИРОВОЧНЫХ ЗАВИСИМОСТЕЙ
1. Расчет и оценка пригодности градуировочной зависимости при использовании метода наименьших квадратов
Для установления
градуировочной зависимости проведены испытания
полнотелого силикатного кирпича. Общее число образцов - 200. Диапазон t - от 70,2 до 101,0 мкс. По результатам испытаний вычислены значения: A =
–0,6145 МПа·мкс–1; В = 69,38 МПа;
= 79,71 мкс;
=
20,40 МПа; SR = 4,842 МПа; S =
3,506 МПа. Поскольку E = 1,9 >1,5 и
= 0,17 < 0,20,
определение прочности по градуировочной зависимости по формуле (2)
![]()
в указанном диапазоне времени распространения ультразвука допускается. Результаты установления градуировочной зависимости представлены на черт. 3. Если в испытаниях р-го образца получено значение tp = 82,7 мкс, то прочность этого образца, определенная по градуировочной зависимости, составит
МПа.
2. Расчет градуировочной зависимости непараметрическим методом
Были проведены испытания 190
образцов силикатного кирпича. Располагаем
результаты испытаний в порядке строгого возрастания t : t1 = 70,0, R1 = 24,62; ...; t83 = 80,7, R83 =
21,78; ...; t165
= 110,0, R165 = 6,80. Поскольку r =
165, из этой совокупности точку с номером
опускаем.
Примечание. 25 точек с абсциссами, наблюдаемыми повторно, в расчете не учитывают.
Черт. 3
Затем вычисляем
Поскольку т четно, А определяем по формуле
![]()
где А41 и А42 находим в ряду неубывающих значений А (j, j + k), для которых j = 1, ..., 82; k = 83, т. е.:
![]()
![]()
![]()
![]()
Отсюда
![]()
Наносим точки ti, Ri (i = 1, ..., 165) на координатную бумагу.
Номер
-го места сверху и снизу областей
рассеяния величин t и R равен 28, так что:
![]()
![]()
![]()
![]()
откуда определяем
и
по формулам (22) и (23)
соответственно:
![]()
![]()
так что B =19,14 + 0,63882 · 81,6 = 71,268.
Номер (0,07r+1)-го места сверху и снизу области рассеяния и построенной на координатной бумаге прямой
![]()
равен 12, так что ![]()
и ![]()
Расстояние вдоль оси R между отсекающими по 12
точек сверху и снизу области рассеяния прямыми, параллельными прямой
и проходящими через
ближайшие к
из этих точек, равно h = 26,25
– 16,75 = 9,50 (см. черт. 4).
Тогда S = 0,3388 · 9,50 = 3,219. Поэтому
и
![]()
3. Поверка градуировочной зависимости
Для поверки была определена
прочность N = 20 образцов по настоящему
стандарту и ГОСТ 8462-85.
Определения прочности образцов по ГОСТ
8462-85 были проведены спустя 30 ч после выгрузки
образцов из автоклава. Нулевых значений разностей
не наблюдалось. При этом оказалось, что z90 = 9. Из таблицы следует, что U (20) = 15 и L (20) = 5. Поскольку U (N)
³ zN ³ L (N), использование градуировочной зависимости допускается.
Черт. 4
Сплошными кружками отмечены точки
и
, через которые проходят прямые, параллельные
и отсекающие по 12
точек сверху и снизу области рассеяния относительно
.
Рекомендуемое
ФОРМА ЖУРНАЛА ИСПЫТАНИЙ СИЛИКАТНЫХ КИРПИЧА И КАМНЕЙ УЛЬТРАЗВУКОВЫМ МЕТОДОМ
Вид изделий _____________________ Тип зависимости _____________________
|
Номер образца |
Время
распространения ультразвука в изделии, |
Прочность R, определенная на графике или по таблице, МПа |
Примечание |
|
|
|
|
|
ИНФОРМАЦИОННЫЕ ДАННЫЕ
1. РАЗРАБОТАН И ВНЕСЕН Министерством промышленности строительных материалов СССР
ИСПОЛНИТЕЛИ
Л. А. Дикарев, канд. техн. наук (руководитель темы); А. С. Бычков, канд. техн. наук (руководитель темы); Г. Н. Бабикова; Л. А. Хохлова; М. И. Шиманская; И. Н. Нагорняк
2. УТВЕРЖДЕН И ВВЕДЕН В ДЕЙСТВИЕ Постановлением Государственного строительного комитета СССР от 15.08.88 № 162
3. ВЗАМЕН ГОСТ 24332-80
4. ССЫЛОЧНЫЕ НОРМАТИВНО-ТЕХНИЧЕСКИЕ ДОКУМЕНТЫ (НТД)
|
Обозначение НТД, на который дана ссылка |
Номер пункта, подпункта, приложения |
|
ГОСТ 8.383-86 |
2.1 |
|
ГОСТ 379-79 |
3.2, 3 4, 4.2 |
|
ГОСТ 4366-78 |
2.4 |
|
ГОСТ 5774-76 |
2.4 |
|
3.3.5, приложения 2 - 5 |