ГОСУДАРСТВЕННЫЙ СТАНДАРТ СОЮЗА ССР
|
ПРОВОЛОКА ИЗ НИЗКОУГЛЕРОДИСТОЙ СТАЛИ Технические условия Hard drawh low-carbon
steel wire for reinforced concrete. |
ГОСТ Взамен |
Постановлением Государственного комитета СССР по стандартам от 14 мая 1980 г. № 2108 срок действия установлен
с 01.01.83
до 01.01.88
Срок действия продлен до 01.01.93, ИУС 10-87
* Переиздание с Изменением № 1, утвержденным в декабре 1984 г. (ИУС 3-85)
Настоящий стандарт распространяется на проволоку из низкоуглеродистой стали холоднотянутую периодического профиля класса Вр1 для армирования железобетонных конструкций.
(Измененная редакция. Изм. № 2)
(Измененная редакция. Изм. № 3)
Пункт 1.1
(Измененная редакция. Изм. № 2)
(Исключен. Изм. № 3)
1.2. Основные параметры и размеры проволоки должны соответствовать указанным в табл. 1.
Обозначения размеров проволоки приведены на чертеже.
(Измененная редакция. Изм. № 2)
Таблица 1
мм
|
Номинальный диаметр проволоки |
Номинальный размер а |
Предельные
отклонения на размер |
Глубина вмятин h |
Предельные отклонения по глубине вмятин |
Номинальный |
Предельные отклонения по шагу вмятин |
Длина выступа b |
Предельные отклонения по длине выступа |
|
3,0 |
3,0 |
+0,03 -0,09 |
0,15 |
|
2,0 |
|
0,6 |
|
|
4,0 |
4,0 |
+0,04 |
0,20 |
+0,05 |
2,5 |
±0,2 |
0,8 |
±0,2 |
|
5,0 |
5,0 |
+0,05 |
0,25 |
|
3,0 |
|
1,0 |
|
(Измененная редакция. Изм. № 3)
Примечание. Номинальный шаг вмятин s и радиус сопряжения поверхности вмятин с выступами R являются справочными величинами для конструирования профилирующего инструмента и на проволоке не проверяются.
(Измененная редакция. Изм. № 2)
1.3. Радиус сопряжения поверхности вмятин с выступами R для проволоки всех диаметров должен быть равен (2,5 ± 0,5) мм.
Допускается относительное смещение противоположных вмятин до 0,5s и расположение их по винтовой линии оси проволоки.
(Измененная редакция. Изм. № 2)

(Измененная редакция. Изм. № 3)
1.4. Разность размеров а и а1 не должна превышать поля допуска на размер а.
(Измененная редакция. Изм. № 2)
(Измененная редакция. Изм. № 3)
Пример условного обозначения проволоки номинальным диаметром 3,0 мм:
Проволока 3 Bp1 ГОСТ 6727-80.
(Измененная редакция. Изм. № 2)
(Измененная редакция. Изм. № 3)
2.1. Проволока должна изготовляться в соответствии с требованиями настоящего стандарта по технологическому регламенту, утвержденному в установленном порядке. Проволока должна изготовляться из катанки по ОСТ 14-15-193-86.
(Измененная редакция. Изм. № 1)
(Измененная редакция. Изм. № 2)
2.2. Механические свойства проволоки должны соответствовать указанным в табл. 2.
Таблица 2
|
Номинальный диаметр проволоки, мм |
Разрывное усилие Р, rН (кгс) |
Усилие, соответствующее условному пределу текучести Р0,2, rН (кгс) |
Число перегибов |
Относительное удлинение d100, % |
|
|
не менее |
|||
|
3,0 |
39 (400) |
35 (355) |
4 |
2,0 |
|
4,0 |
71 (720) |
62 (630) |
|
2,5 |
|
5,0 |
106 (1085) |
97 (985) |
|
3,0 |
(Измененная редакция. Изм. № 2)
Примечания:
1. Проволока с нормированным относительным удлинением изготовляется по требованию потребителя.
2. Допускается для проволоки первой категории качества в партии до 5 % мотков с пониженным разрывным усилием не более чем на 5 %.
(Измененная редакция. Изм. № 1)
(Измененная редакция. Изм. № 2)
2.3. На поверхности проволоки не должно быть трещин, плен, закатов, раковин.
Допускаются риски и царапины глубиной не более половины предельных отклонений на размер а и налет ржавчины.
(Измененная редакция. Изм. № 3)
2.4. Проволока изготовляется в мотках массой 500 - 1500 кг. Допускается изготовление проволоки в мотках массой 20 - 100 кг. Каждый моток должен состоять из одного отрезка приволоки. Проволока должна быть свернута в мотки неперепутанными рядами.
(Измененная редакция. Изм. № 2)
2.5. Линейная плотность проволоки должна соответствовать указанной в табл. 3.
(Измененная редакция. Изм. № 2)
Таблица 3
|
Линейная плотность, кг, не более |
|
|
3,0 |
0,052 |
|
4,0 |
0,092 |
|
5,0 |
0,144 |
Расчетная площадь поперечного сечения и теоретическая линейная плотность проволоки приведены в справочном приложении 2.
(Измененная редакция. Изм. № 2)
(Измененная редакция. Изм. № 3)
3.1. Проволоку принимают партиями. Партия должна состоять из проволоки, оформленной одним документом о качестве, в котором следует указывать:
товарный знак или наименование и товарный знак предприятия-изготовителя;
условное обозначение проволоки;
результаты испытаний;
количество мотков;
номер партии;
массу нетто партии;
изображение государственного Знака качества для проволоки высшей категории качества.
(Измененная редакция. Изм. № 2)
(Измененная редакция. Изм. № 3)
3.2. Размер а, разность размеров а и а1 и качество поверхности проволоки проверяют на каждом мотке.
(Измененная редакция. Изм. № 3).
3.3. Для проверки механических свойств проволоки и параметров профиля проволоки от партии должно быть отобрано 3 % мотков, но не менее 5 мотков.
(Измененная редакция. Изм. № 2)
3.4. При получении неудовлетворительных результатов испытаний хотя бы по одному из показателей проводят повторные испытания на удвоенной выборке. Результаты повторной проверки распространяют на всю партию.
4.1. Для каждого вида испытаний отбирают по одному образцу с одного конца мотка.
4.2. Качество поверхности проволоки контролируется невооруженным глазом.
4.3. Размеры а и а1 проволоки измеряют микрометром по ГОСТ 6507-78.
Величина разности размеров а и а1 определяется как среднее арифметическое значение трех измерений, проведенных на участке длиной 1 м.
(Измененная редакция. Изм. № 2)
(Измененная редакция. Изм. № 3)
4.4. Параметры профиля проволоки определяют как среднее арифметическое трех измерений, проведенных на участке длиной 1 м с каждой стороны.
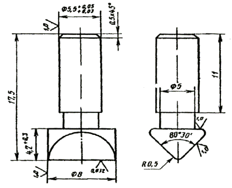
Глубина вмятин h измеряется микрометром по ГОСТ 6507-78, оборудованным специальной пяткой (обязательное приложение 1).
Длина выступа b1 (измеряется отсчетным микроскопом МПБ-2, изготовленным по технической документации.
При разногласиях в измерении параметров профиля проволоки контроль проводится по линейной плотности проволоки (табл. 3).
Линейная плотность проволоки определяется как частное от деления массы двух образцов длиной 1 м, взвешенных с погрешностью до 0,001 кг, на их длину, измеренную с погрешностью до 0,001 м.
(Измененная редакция. Изм. № 2)
(Измененная редакция. Изм. № 3)
4.5. Испытание проволоки на растяжение проводят по ГОСТ 12004-81.
(Измененная редакция. Изм. № 2)
4.6. Испытание проволоки, на перегиб проводят по ГОСТ 1579-80. Проволока диаметром 3,0 и 4,0 мм испытывается на валиках диаметром 20 мм, а диаметром 5,0 мм - на валиках диаметром 30 мм.
При испытании проволоки образец зажимается так, чтобы вмятины были обращены к губкам прибора.
(Измененная редакция. Изм. № 2)
4.7. Глубину рисок и царапин определяют удалением его зачисткой с последующим сравнительным измерением в зачищенном и незачищенном местах.
(Измененная редакция. Изм. № 2)
(Измененная редакция. Изм. № 3)
5.1. Каждый моток массой 500 - 1500 кг должен быть равномерно перевязан по окружности не менее чем в четырех местах, а моток массой 20 - 100 кг - не менее чем в трех местах.
По требованию потребителя моток массой 500 - 1500 кг должен иметь промежуточные вязки, расположенные внутри мотка.
В качестве увязочных материалов применятся катанка по ОСТ 14-15-193-86, ГОСТ 4231-70 или термически обработанная проволока из нормативно-технической документации.
Концы мотка должны быть аккуратно уложены и легко находимы.
(Измененная редакция. Изм. № 2)
(Измененная редакция. Изм. № 4)
5.1a. Мотки проволоки массой 20 - 100 кг связывают в бухты.
Масса грузового места не должна превышать 1500 кг по согласованию изготовителя с потребителем допускается увеличение массы грузового места.
Грузовые места формируют в транспортные пакеты по ГОСТ 21929-76, ГОСТ 24597-81, ГОСТ 21650-76.
(Введен дополнительно. Изм. № 2)
5.2. К каждому мотку (бухте) должен быть прочно прикреплен ярлык, на котором указывают:
товарный знак или наименование и товарный знак предприятия-изготовителя;
условное обозначение проволоки;
номер партии;
клеймо технического контроля;
изображение государственного Знака качества для проволоки высшей категории качества.
(Измененная редакция. Изм. № 2)
5.3. Проволока транспортируется транспортом всех видов в соответствии с правилами перевозки грузов, действующими на транспорте данного вида. Размещение и крепление грузов в транспортных средствах, перевозимых по железной дороге, должно соответствовать техническим условиям погрузки и крепления грузов, утвержденными Министерством путей сообщения СССР. Транспортирование по железной дороге проводится повагонными и малотоннажными или мелкими отправками.
Допускается транспортирование проволоки в универсальных контейнерах по ГОСТ 15102-75, ГОСТ 20435-75, ГОСТ 22225-76.
(Измененная редакция. Изм. № 2)
5.4. Хранение проволоки - по условиям 5 ГОСТ 15150-69.
(Измененная редакция. Изм. № 2)
5.5. Транспортирование проволоки, отправляемой в районы Крайнего Севера и районы, приравниваемые к ним, проводится по ГОСТ 15846-79.
(Введен дополнительно. Изм. № 2)
(Измененная редакция. Изм. № 3)
5.6. Транспортная маркировка - по ГОСТ 14192-77.
(Введен дополнительно. Изм. № 2)

Материал - сталь ШХ15, У10А, У12А. Твердость - НRC48-50
|
Номинальный диаметр проволоки, мм |
Расчетная площадь поперечного сечения, мм2 |
Теоретическая линейная плотность, кг |
|
3,0 |
7,07 |
0,052 |
|
4,0 |
12,57 |
0,092 |
|
5,0 |
19,63 |
0,144 |
(Измененная редакция. Изм. № 2)
(Измененная редакция. Изм. № 3)
СОДЕРЖАНИЕ