Нормативные документы размещены исключительно с целью ознакомления учащихся ВУЗов, техникумов и училищ.
Объявления:

ГОСТ Р МЭК 60901-99

ГОСУДАРСТВЕННЫЙ СТАНДАРТ РОССИЙСКОЙ ФЕДЕРАЦИИ

ЛАМПЫ ЛЮМИНЕСЦЕНТНЫЕ ОДНОЦОКОЛЬНЫЕ

Эксплуатационные требования

ГОССТАНДАРТ РОССИИ

Москва

СОДЕРЖАНИЕ

Предисловие

1. Общие положения

1.1. Область применения

1.2. Общие сведения

1.3. Нормативные ссылки

1.4 Определения

1.5. Требования к лампе

1.6. Информация для расчета ПРА и стартера

1.7. Информация для расчета светильника

ПРИЛОЖЕНИЕ А (обязательное) Метод испытания характеристик зажигания

ПРИЛОЖЕНИЕ В (обязательное) Метод испытания электрических, световых параметров ламп и характеристик катода

ПРИЛОЖЕНИЕ С (обязательное) Метод испытания стабильности светового потока и продолжительности горения

ПРИЛОЖЕНИЕ D (справочное) Информация для расчета ПРА и стартера

ПРИЛОЖЕНИЕ Е (справочное) Информация для расчета светильника

ПРИЛОЖЕНИЕ F (справочное) СООТВЕТСТВИЕ СТАНДАРТОВ МЭК ГОСУДАРСТВЕННЫМ СТАНДАРТАМ

2. Листы с параметрами 

Предисловие

1. РАЗРАБОТАН И ВНЕСЕН Всероссийским научно-исследовательским институтом источников света имени А.Н. Лодыгина (ОАО «Лисма-ВНИИИС»)

2. ПРИНЯТ И ВВЕДЕН В ДЕЙСТВИЕ Постановлением Госстандарта России от 23 августа 1999 г. № 270-ст

3. Настоящий стандарт представляет собой аутентичный текст международного стандарта МЭК 60901 (1996) «Лампы люминесцентные одноцокольные. Эксплуатационные требования» с Изменением № 1 (1997)

4. ВВЕДЕН ВПЕРВЫЕ

ГОСТ Р МЭК 60901-99

ГОСУДАРСТВЕННЫЙ СТАНДАРТ РОССИЙСКОЙ ФЕДЕРАЦИИ

ЛАМПЫ ЛЮМИНЕСЦЕНТНЫЕ ОДНОЦОКОЛЬНЫЕ

Эксплуатационные требования

Single-capped fluorescent lamps. Performance specifications

Дата введения 2002-01-01

1. Общие положения

1.1. Область применения

Настоящий стандарт распространяется на одноцокольные люминесцентные лампы для общего освещения и устанавливает эксплуатационные требования.

Требования настоящего стандарта относятся только к типовому испытанию. Правила приемки, включая методы статистической оценки, - в стадии рассмотрения.

Стандарт распространяется на лампы следующих типов и способов работы с внешними пускорегулирующими аппаратами (далее - ПРА):

a) лампы с внутренними средствами зажигания и предварительным подогревом катодов для работы на сетевых частотах переменного тока;

b) лампы с внешними средствами зажигания и предварительным подогревом катодов для работы на сетевых частотах переменного тока со стартером и на высокой частоте (ВЧ);

c) лампы с внешними средствами зажигания и предварительным подогревом катодов для работы на сетевых частотах переменного тока без стартера (бесстартерные) и на ВЧ;

d) лампы с внешними средствами зажигания и предварительным подогревом катодов для работы на ВЧ;

e) лампы с внешними средствами зажигания и без предварительного подогрева катодов для работы на ВЧ.

1.2. Общие сведения

Лампы должны зажигаться и удовлетворительно работать при напряжениях от 92 до 106 % расчетного питающего напряжения и температуре окружающей среды от 10 до 50°С с ПРА по МЭК 60921 или МЭК 60929, со стартером согласно МЭК 60155 или МЭК 60927 в светильнике, соответствующем МЭК 60598.

Примечание - Для некоторых ламп дается дополнительная информация по расчету ВЧ ПРА для надлежащего зажигания при температуре окружающей среды минус 15°С.

1.3. Нормативные ссылки

Настоящий стандарт содержит положения нижеследующих нормативных документов, на которые даны ссылки.

На дату опубликования настоящего стандарта указанные нормативные документы были действующими.

Все нормативные документы подвергаются пересмотру и частичным согласованным изменениям, поэтому необходимо учитывать возможность применения для настоящего стандарта более поздних изданий нормативных документов, указанных ниже. Члены МЭК и ИСО ведут регистрацию действующих международных стандартов.

МЭК 60050 (845) (1987) Международный электротехнический словарь (МЭС). Глава 845. Освещение

МЭК 60061-1 (1969)* Цоколи и патроны ламп, а также калибры для проверки их взаимозаменяемости и безопасности. Часть 1. Цоколи

МЭК 60081 (1997)* Лампы люминесцентные двухцокольные. Эксплуатационные требования МЭК 60155 (1993)* Стартеры тлеющего разряда для люминесцентных ламп

МЭК 60598-1 (1996)* Светильники. Часть 1. Общие требования и испытания

МЭК 60921 (1988)* Аппараты пускорегулирующие для трубчатых люминесцентных ламп. Требования к рабочим характеристикам

МЭК 60927 (1996)* Зажигающие устройства (кроме стартеров тлеющего разряда). Требования к рабочим характеристикам

МЭК 60929 (1990)* Устройства для ламп. Аппараты пускорегулирующие электронные, питаемые от источников переменного тока, для трубчатых люминесцентных ламп. Требования к рабочим характеристикам

МЭК 61199 (1993)* Лампы люминесцентные одноцокольные. Требования безопасности

МЭК 61231 (1993) Международная система обозначения ламп (МСОЛ)

* Соответствие стандартов МЭК государственным стандартам указано в приложении F.

1.4 Определения

Определения по освещению см. в МЭК 60050 (845).

В настоящем стандарте используют следующие определения.

1.4.1. люминесцентная лампа: Разрядная ртутная лампа низкого давления, в которой свет излучается в основном одним или несколькими слоями люминофора, возбуждаемого ультрафиолетовым излучением разряда.

1.4.2. одноцокольная люминесцентная лампа: Люминесцентная лампа с одним цоколем для работы с внешними схемами с внутренними или внешними средствами зажигания.

1.4.3. номинальное значение: Величина, используемая для обозначения или отличия лампы.

1.4.4. расчетное значение: Величина характеристики лампы для заданных рабочих условий. Значение и условия определяются в настоящем стандарте или устанавливаются изготовителем или ответственным поставщиком.

1.4.5. стабильность светового потока: Отношение светового потока каждой лампы после определенного времени горения к начальному световому потоку лампы, работающей при заданных условиях. Это отношение обычно выражается в процентах.

1.4.6. начальные значения: Характеристики зажигания лампы, измеренные до отжига, и электрические, световые параметры и характеристики катода лампы, измеренные после 100 ч отжига.

1.4.7. период разгорания: Время, необходимое для достижения стабилизации давления пара в разрядной трубке лампы после ее включения.

1.4.8. зажигающее вспомогательное устройство: Проводящая полоса, прикрепленная к внешней поверхности лампы, или проводящая пластинка, расположенная на соответствующем расстоянии от лампы. Зажигающее устройство обычно заземляется, и оно может быть эффективным только тогда, когда имеет достаточную разность потенциалов с одним из концов лампы.

1.4.9. образцовый ПРА: Специальный ПРА или индуктивный для ламп, работающих на сетевых частотах переменного тока, или активный для ламп, работающих на высокой частоте. Рассчитан для использования в качестве эталона сравнения при испытании ПРА, для отбора номинальных ламп и испытания регулярно изготавливаемых ламп при стандартных условиях. Характеризуется тем, что при расчетной частоте он имеет стабильное отношение напряжение/ток, которое относительно не зависит от колебаний тока, температуры и магнитного окружения, как указано в соответствующем стандарте на ПРА.

1.4.10. ток калибровки образцового ПРА: Значение тока, на котором основаны калибровка и контроль образцового ПРА.

1.4.11. типовые испытания: Испытания, проведенные на выборке с целью проверки соответствия конструкции данного изделия требованиям стандарта.

1.4.12. выборка для типовых испытаний: Выборка, состоящая из одной или нескольких ламп одного типа, предъявленная изготовителем или ответственным поставщиком для типовых испытаний.

1.5. Требования к лампе

1.5.1 Общие положения

Лампа должна удовлетворять требованиям МЭК 61199.

Лампа должна быть сконструирована так, чтобы ее эксплуатация была надежной при использовании по назначению. Это может быть обеспечено, если лампа соответствует следующим требованиям.

1.5.2. Цоколи

Размеры цоколей на готовой лампе должны соответствовать МЭК 60061-1.

1.5.3. Размеры

Размеры лампы должны удовлетворять приведенным в соответствующем листе с параметрами лампы (далее - листе, см. раздел 2).

1.5.4. Характеристики зажигания

Лампа должна полностью зажечься в течение времени, указанного в соответствующем листе, и продолжать работать.

Условия и метод испытания приведены в приложении А.

1.5.5. Электрические параметры и характеристики катода

a) Начальное значение напряжения на лампе должно удовлетворять значениям, приведенным в соответствующем листе.

b) Начальное значение мощности, потребляемой лампой, не должно превышать расчетную мощность, приведенную в соответствующем листе, более чем на 5 % + 0,5 Вт.

Примечание - Поскольку катод подвергается дополнительному нагреву, его мощность не включают в расчетную мощность лампы, если в листе не указано иное.

c) Для лампы с предварительным подогревом катодов при работе на сетевых частотах переменного тока в бесстартерных схемах начальное значение сопротивления каждого катода должно быть не менее минимального значения, приведенного в соответствующем листе.

d) Для лампы с предварительным подогревом катодов при работе на ВЧ начальное значение сопротивления каждого катода должно удовлетворять значениям, приведенным в соответствующем листе.

Условия и метод испытания приведены в приложении В.

1.5.6. Световые параметры

a) Начальное значение светового потока лампы должно быть не менее 90 % расчетного значения.

b) Начальное значение координат цветности Х и Y лампы должно быть в пределах 5 SDCM (стандартное отклонение выравнивания цвета) от расчетных значений.

Примечание - См. также соответствующее приложение по характеристикам расчетного цвета в МЭК 60081.

c) Начальное значение общего индекса цветопередачи Ra лампы не должно отличаться от расчетного значения менее чем на три единицы.

Условия и метод испытания приведены в приложении В.

1.5.7. Стабильность светового потока

Световой поток лампы в заданное время ее продолжительности горения должен быть не менее 90 % (в стадии рассмотрения) расчетного значения.

Условия и метод испытания приведены в приложении С.

1.5.8. Подавление радиопомех

Лампа с внутренним стартером должна содержать средства, помогающие подавления радиопомех, эквивалентные конденсатору для подавления радиопомех по МЭК 60155.

1.5.9. Маркировка

На лампе должны быть нанесены следующие данные:

a) номинальная мощность.

Примечание - При необходимости для более точного отличия следует приводить дополнительную информацию (например, номинальный диаметр трубки в миллиметрах);

b) обозначение, определяющее электрические и световые параметры лампы, объявленные изготовителем или ответственным поставщиком.

1.6. Информация для расчета ПРА и стартера

Информация для расчета ПРА и стартера приведена в соответствующем листе и приложении D.

1.7. Информация для расчета светильника

Информация для расчета светильника приведена в соответствующем листе и приложении Е.

ПРИЛОЖЕНИЕ А (обязательное)
Метод испытания характеристик зажигания

А.1 Общие положения

Испытания должны проводиться в условиях отсутствия сквозняков при температуре окружающей среды от 20 до 27°С и относительной влажности не более 65 %.

Вблизи лампы не должны находиться металлические детали и провода кроме необходимых зажигающих вспомогательных устройств.

До испытания на зажигание лампы должны находиться в нерабочем состоянии при температуре окружающей среды от 20 до 27°С и относительной влажности не более 65 % в течение по крайней мере 24 ч.

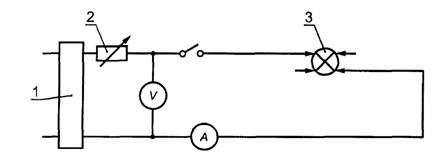
А.2. Лампы с предварительным подогревом катодов и внутренним или внешним стартером для работы на сетевых частотах переменного тока

А.2.1. Испытательная схема

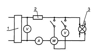
Лампы должны испытываться в схемах источника питания частоты 50 или 60 Гц, приведенных на рисунках:

- А.1. для ламп с внутренним стартером;

- А.2. для ламп с внешним стартером.

А.2.2 ПРА

ПРА должен удовлетворять требованиям МЭК 60921 и иметь расчетные характеристики, приведенные в соответствующем листе.

Когда ПРА при его расчетном напряжении соединен с контрольной лампой, эта лампа должна потреблять мощность, не отличающуюся от ее расчетного значения более чем на 4 %. Контрольной является такая лампа, напряжение на которой не отличается более чем на 2 % от ее расчетного значения при работе с образцовым ПРА.

Ток предварительного подогрева, измеренный при 90 % расчетного напряжения ПРА, должен быть от 1,1 до 1,2 расчетного тока лампы. Для получения значения тока предварительного подогрева в заданном диапазоне можно применять ПРА существующих или разработанных специально для этого типов. В некоторых случаях возможно получение тока предварительного подогрева в данном диапазоне путем добавления сопротивления последовательно со стартером.

А.2.3. Стартер

Для ламп, работающих с внешним стартером, тип применяемого стартера должен удовлетворять требованиям МЭК 60155 и должен быть согласован с изготовителем ламп или ответственным поставщиком.

А.2.4. Испытательное напряжение

Испытательное напряжение, приложенное к схеме, должно удовлетворять указанному в соответствующем листе.

А.3 Лампы с предварительным подогревом катодов для работы на сетевых частотах переменного тока в бесстартерных схемах

А.3.1. Испытательная схема

Лампы должны испытываться от источника питания частоты 50 или 60 Гц в схеме, приведенной на рисунке А.3.

А.3.2. ПРА

ПРА должен удовлетворять требованиям МЭК 60921 и иметь расчетные характеристики, приведенные в соответствующем листе.

Когда ПРА при его расчетном напряжении соединен с контрольной лампой, эта лампа должна потреблять мощность, не отличающуюся от ее расчетного значения более чем на 4 %. Контрольной является такая лампа, напряжение на которой не отличается более чем на 2 % от его расчетного значения при работе с образцовым ПРА.

Примечание - Заземление схемы, показанное на рисунке А.3, может стать необходимым при питании ее через изолирующий трансформатор.

А.3.3. Зажигающее вспомогательное устройство (далее - ЗВУ)

ЗВУ в виде проводящей металлической пластинки должно быть заземлено. Размеры ЗВУ должны быть не менее приведенных для наибольших контуров ламп. Расстояние между поверхностью лампы и ЗВУ должно быть таким, которое указано в соответствующем листе.

Необходимость во внешнем ЗВУ определяет изготовитель или ответственный поставщик. Когда для ламп не требуется отдельное ЗВУ, металлическая пластинка должна быть удалена.

А.3.4. Испытательные напряжения

Напряжение тока подогрева, приложенное к катодам, и напряжение холостого хода на лампе для испытания на зажигание должны удовлетворять указанным на соответствующем листе.

Примечание - Напряжения, заданные для испытания на зажигание, выбраны прежде всего для воспроизводимости результатов испытания, и нет необходимости применять их при расчете ПРА.

Напряжения сети и цепи подогрева должны подаваться одновременно.

Напряжение должно прикладываться к цепям подогрева катодов так, чтобы оно не увеличивало напряжение сети. Две цепи должны быть соединены с одной фазой.

Два трансформатора для подогрева катодов могут быть заменены одним с изолированными вторичными обмотками. Номинальные параметры трансформатора (ов) должны быть такими, чтобы напряжение не изменялось более чем на 2 % при присоединении наибольшей нагрузки катода.

Если лампа не зажигается при заданном напряжении холостого хода, то это напряжение должно быть постепенно увеличено не более чем до 110 % испытательного значения. Если лампа после этого не зажигается, то ее бракуют. Если лампа зажигается, то она должна поработать в течение 30 мин при расчетном напряжении, и затем снова проводят испытание после выдержки ее в нерабочем состоянии в течение 24 ч.

А.4. Лампы для работы на ВЧ

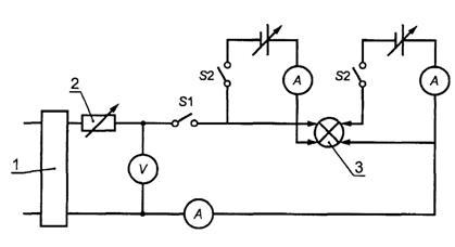
Лампы должны испытываться с источником питания переменного тока частоты от 20 до 26 кГц в схемах, приведенных на рисунках:

- А.4 для ламп с предварительным подогревом катодов;

- А.5 для ламп без предварительного подогрева катодов.

Неиндуктивный балластный резистор должен быть отрегулирован так, чтобы ток ВЧ лампы был равен значению, приведенному в соответствующем листе.

Напряжение холостого хода, приложенное к схеме, должно удовлетворять указанному в соответствующем листе.

ЗВУ не используют, если иное не указано в соответствующем листе или не заявлено изготовителем или ответственным поставщиком.

Для ламп с предварительным подогревом катодов источники питания нагрева катодов должны быть отрегулированы так, чтобы ток предварительного подогрева был идентичен указанному в соответствующем листе. В течение времени предварительного подогрева, указанного в соответствующем листе, выключатель S1 должен быть отключен, а выключатели S2 включены. После этого выключатели S2 отключают и одновременно включают выключатель S1.

1 - ПРА; 2 - лампа

1 - ПРА; 2 - лампа; 3 - стартер

Рисунок А.1. - Схема для испытания на зажигание ламп с внутренним стартером

 

Рисунок А. 2 - Схема для испытания на зажигание ламп с внешним стартером ГОСТ Р МЭК 60901-99

1 - трансформатор; 2 - лампа; 3 - ПРА; 4 - ЗВУ

Рисунок А.3. - Схема для испытания на зажигание ламп с предварительным подогревом катодов для работы в бесстартерных схемах

1 - ВЧ генератор; 2 - резистор; 3 - лампа

Рисунок А.4 - Схема для испытания на зажигание ламп с предварительным подогревом катодов для работы на ВЧ

1 - ВЧ генератор; 2 - резистор; 3 - лампа

Рисунок А. 5 - Схема для испытания на зажигание ламп без предварительного подогрева катодов для работы на ВЧ

ПРИЛОЖЕНИЕ В
(обязательное)
Метод испытания электрических, световых параметров ламп и характеристик катода

В.1. Электрические и световые параметры

В.1.1. Общие положения

Световые параметры измеряют в соответствии с рекомендациями МКО (Международная комиссия по освещению).

До измерения лампы отжигают в нормальном режиме в течение 100 ч.

Лампы испытывают при отсутствии сквозняков при температуре окружающей среды (25 +1)°С, если иное не указано в соответствующем листе.

Лампы испытывают в положении, указанном в соответствующем листе.

Для ламп с внешними средствами зажигания соединения контактов лампы с зажимами ПРА должны быть надежными в течение всего времени проведения испытаний.

Измерения проводят после достаточного периода стабилизации лампы. Приблизительное время стабилизации 15 мин после периода разгорания, объявленного изготовителем или ответственным поставщиком.

Примечание - При перевозке и нормальном обращении с лампами внутри разрядной трубки могут появиться небольшие капельки избыточной ртути. Стабилизация достигается тогда, когда вся ртуть сконцентрируется в наиболее холодном месте трубки. Опыт показывает, что первоначально этот процесс может продолжаться до 15 ч. Если лампа, прошедшая этот период разгорания, повторно горит в течение 24 ч, то для стабилизации потребуется только 15 мин, при этом лампа должна выдерживаться в том же положении и не должна подвергаться вибрации или удару.

В.1.2. Испытательная схема

Лампы испытывают в схеме, приведенной на рисунках:

- В.1. для ламп с внутренними средствами зажигания;

- В.2. для ламп с внешними средствами зажигания;

- В.3. для ламп для работы на ВЧ.

В испытательной схеме, приведенной на рисунке В.3, соединения должны быть по возможности короче и прямее, чтобы избежать паразитной емкости. Паразитная емкость, параллельная лампе, должна быть менее 1 нФ.

В.1.3. ПРА

Для этих испытаний применяют образцовые ПРА по МЭК 60921 для сетевых частот переменного тока или по МЭК 60929 для ВЧ. Электрические параметры образцовых ПРА должны быть такими, как указаны в соответствующем листе.

В.1.4. Питающее напряжение

Питающее напряжение должно быть равно расчетному напряжению образцового ПРА. В период стабилизации питающее напряжение должно быть стабильным в пределах ±0,5 %, этот допуск уменьшается до ±0,2 % в течение измерения.

Для сетевых источников переменного тока частота должна быть равна расчетной частоте образцового ПРА с допуском 0,5 %. Для ВЧ источников питания частота должна быть от 20 до 26 кГц.

Форма волны питающего напряжения должна быть синусоидальной. Полная гармоническая составляющая не должна превышать 3 % (для ВЧ источников питания это значение в стадии рассмотрения). Полную гармоническую составляющую определяют как среднеквадратичную сумму отдельных гармонических составляющих, принимая основную за 100 %.

Примечание - Под этим подразумевают, что источник питания должен иметь достаточную мощность, а питающая цепь - достаточно низкое полное сопротивление по сравнению с полным сопротивлением ПРА. Необходимо следить, чтобы это выполнялось при всех возможных условиях.

В.1.5. Электрические приборы

Приборы должны показывать действующие значения, не искажать форму волны и быть пригодны для работы на соответствующей частоте.

Цепь измерения напряжения приборов должна иметь полное сопротивление не менее 100 кОм и отключаться, когда не используется. Схема измерения тока приборов должна иметь наиболее возможное низкое сопротивление и при необходимости закорачиваться, когда не используется.

При измерении мощности лампы не учитывается поправка на потребление ваттметром (соединение схемы - на ламповой стороне цепи измерения тока).

При измерении светового потока вольтметр и цепь напряжения ваттметра должны быть отключены.

В.2. Характеристики катода ламп с предварительным подогревом катодов, работающих в бесстартерных схемах

В.2.1. Испытательная схема

Сопротивление катода измеряют путем использования источника питания постоянного тока или источника питания переменного тока частоты 50 или 60 Гц.

В.2.2. Лампы для работы на сетевых частотах переменного тока

Напряжение на катоде регулируют до значения, приведенного в соответствующем листе, и измеряют ток.

Из этих значений после вычета поправки на потребление вольтметром определяют сопротивление катода.

В.2.3. Лампы для работы на ВЧ

Ток, идущий через катод, регулируют до значения, приведенного в соответствующем листе, и измеряют питающее напряжение. Из этих значений после вычета разницы потенциала на амперметре определяют сопротивление катода.

1 - образцовый ПРА; 2 - лампа

1 - образцовый ПРА; 2 - лампа; 3 - стартер

Рисунок В.1 - Схема для измерения электрических и световых параметров ламп с внутренним стартером

Рисунок В.2 - Схема для измерения электрических и световых параметров ламп с внешним стартером

1 - ВЧ генератор; 2 - ПРА; 3 - лампа

Рисунок В.3 - Схема для измерения электрических и световых параметров ламп для работы на ВЧ

ПРИЛОЖЕНИЕ С
(обязательное)
Метод испытания стабильности светового потока и продолжительности горения

С.1. Общие положения

Световой поток в заданное время продолжительности горения лампы измеряют в соответствии с приложением В.

В течение испытания на продолжительность горения лампы должны работать в следующих условиях.

Температура окружающей среды - от 15 до 50°С. Следует избегать чрезмерных сквозняков, а лампы не должны подвергаться вибрации и удару.

Испытательное положение лампы - согласно соответствующему листу.

Для ламп с внешними средствами зажигания соединения контактов ламп с зажимами ПРА должны быть надежными в течение всего времени испытания.

Лампы работают в схеме, указанной изготовителем.

Испытательные значения напряжения и частоты должны быть равны расчетным значениям напряжения и частоты ПРА.

Лампы выключают на 15 мин после каждых 2 ч 45 мин работы.

С.2. Лампы для работы на сетевых частотах переменного тока

Используемые ПРА должны удовлетворять требованиям МЭК 60921.

Когда ПРА при его расчетном напряжении соединен с контрольной лампой, эта лампа должна потреблять мощность, не отличающуюся от ее расчетного значения более чем на 4 %. Контрольной является такая лампа, напряжение на которой не отличается более чем на 2 % от его расчетного значения при работе с образцовым ПРА.

Примечание - Тип ПРА для этих испытаний не устанавливается, однако он может влиять на результаты испытания. Рекомендуется объявлять тип используемого ПРА. В сомнительных случаях рекомендуется использовать индуктивный ПРА, имеющий наименьшее количество параметров, способных повлиять на результаты.

Для ламп, работающих с внутренним или внешним стартером, ток предварительного подогрева при расчетном питающем напряжении не должен отличаться более чем на 10 % от расчетного значения, приведенного в соответствующем листе.

Для ламп, работающих с внешним стартером, тип используемого стартера должен удовлетворять требованиям МЭК 60155 и в любом случае должен быть согласован с изготовителем или ответственным поставщиком.

С.3. Лампы для работы на ВЧ

Используемый ПРА должен удовлетворять требованиям МЭК 60929.

ПРИЛОЖЕНИЕ D
(справочное)
Информация для расчета ПРА и стартера

D.1. Общие положения

Для обеспечения безопасной работы лампы информация, приведенная в соответствующем листе и настоящем приложении, должна учитываться при расчете ПРА и стартеров.

D.2. Лампы, работающие с внутренними средствами зажигания

Лампы с внутренним стартером не должны работать в ВЧ схемах.

D.3. Условия предварительного подогрева ламп, работающих на ВЧ

Для ламп с предварительным подогревом катодов и внешними средствами зажигания, работающих на ВЧ, требования для предварительного подогрева приведены в соответствующем листе. Комментарии требований приведены в приложении D МЭК 60929 и приложении В МЭК 60927.

ПРИЛОЖЕНИЕ Е
(справочное)
Информация для расчета светильника

Е.1. Общие положения

Для обеспечения безопасной работы лампы информация, приведенная в соответствующем листе и настоящем приложении, должна учитываться при расчете светильников.

Е.2. Наибольшие контуры лампы

Для механического соответствия ламп, удовлетворяющих настоящему стандарту, в светильнике должно быть предусмотрено свободное пространство, основанное на наибольших контурах лампы. Рисунки наибольших контуров приведены в 2.4.

Е.3. Конденсаторы для последовательного включения в емкостных схемах

Начальный 10 %-ный допуск, типичный для шунтирующих конденсаторов, непригоден для конденсаторов при их последовательном включении. При совпадении предельных допусков на конденсатор и ПРА их суммирование может привести к ухудшению характеристики лампы.

Чтобы удовлетворить требованиям, приведенным в соответствующих листах, допуск на конденсатор должен быть небольшим, или конденсатор и индуктивная реактивная составляющая ПРА должны подбираться так, чтобы неблагоприятные допуски не совпадали.

Е.4. Лампы, работающие с внутренними средствами зажигания

Е.4.1. Лампы с внутренним стартером не должны работать в ВЧ схемах.

Е.4.2. При нормальных рабочих условиях испытания по 12.4.1 МЭК 60598-1 температура на цоколе лампы, измеренная в основании направляющего штырька, не должна превышать наибольшего значения, приведенного в соответствующем листе.

Примечание - Ограничение температуры необходимо из-за наличия в цоколе стартера и конденсатора для подавления радиопомех.

Е.5 Зажигающее вспомогательное устройство

Работа ламп на сетевых частотах переменного тока в бесстартерных схемах требует наличия заземленного проводящего ЗВУ, которым может быть часть светильника.

Расстояние между поверхностью лампы и ЗВУ не должно превышать наибольшего значения, приведенного в соответствующем листе.

Е.6 Опора для конца лампы

Некоторые лампы требуют дополнительное устройство для опирания конца лампы. Оно должно быть рассчитано так, чтобы исключить влияние на заданные характеристики лампы.

Учитывая незначительный зазор между каналами лампы, приведенными в соответствующем листе, часть устройства, расположенная между каналами, не должна оказывать никакого усилия на лампу.

Устройство располагают на таком расстоянии от базовой плоскости цоколя, которое указано в соответствующем листе.

ПРИЛОЖЕНИЕ F
(справочное)

СООТВЕТСТВИЕ СТАНДАРТОВ МЭК ГОСУДАРСТВЕННЫМ СТАНДАРТАМ

Обозначение стандартов МЭК

Обозначение государственных стандартов

МЭК 60061-1 (1969)

ГОСТ 28108-89

МЭК 60081 (1997)

ГОСТ Р МЭК 60081-99

МЭК 60155 (1993)

ГОСТ Р МЭК 60155-99

МЭК 60598-1 (1996)

ГОСТ Р МЭК 598-1-99

МЭК 60921 (1988)

ГОСТ Р МЭК 921-97

МЭК 60927 (1996)

ГОСТ Р МЭК 927-98

МЭК 60929 (1990)

ГОСТ Р МЭК 929-98

МЭК 61199 (1993)

ГОСТ Р МЭК 61199-99

2. Листы с параметрами

2.1 Общие принципы нумерации листов

Первое число с последующими буквами «МЭК» означает номер настоящей публикации. Второе число означает порядковый номер листа.

Третье число означает номер страницы листа. Если лист имеет более одной страницы, то они будут иметь соответствующие номера, хотя номер листа с параметрами будет одинаковым.

2.2. Листы для нанесения размеров ламп

2.2.1 Перечень листов с размерами

60901-МЭК-01 Лампы двухканальные

60901-МЭК-02 Лампы четырехканальные

60901-МЭК-03 Лампы квадратные

60901-МЭК-04 Лампы кольцевые

60901-МЭК-05 Лампы многоканальные

60901-МЭК-06 Лампы квадратные (цоколь 2G10)

 

ЛАМПА ЛЮМИНЕСЦЕНТНАЯ ОДНОЦОКОЛЬНАЯ

ЛИСТ С ПАРАМЕТРАМИ ДЛЯ ИЗМЕРЕНИЯ РАЗМЕРОВ ЛАМП

Двухканальная

 

Эти рисунки предназначены только для показа контролируемых размеров и должны использоваться с соответствующими стандартными листами на лампы

Примечание - Размеры А и В относятся к стеклянным частям лампы.

60901-МЭК-01-1

 

ЛАМПА ЛЮМИНЕСЦЕНТНАЯ ОДНОЦОКОЛЬНАЯ

ЛИСТ С ПАРАМЕТРАМИ ДЛЯ ИЗМЕРЕНИЯ РАЗМЕРОВ ЛАМП

Четырехканальная

 

Эти рисунки предназначены только для показа контролируемых размеров и должны использоваться с соответствующими стандартными листами на лампы

Примечание - Размеры А и В относятся к стеклянным частям лампы.

60901-МЭК-02-1

 

ЛАМПА ЛЮМИНЕСЦЕНТНАЯ ОДНОЦОКОЛЬНАЯ

ЛИСТ С ПАРАМЕТРАМИ ДЛЯ ИЗМЕРЕНИЯ РАЗМЕРОВ ЛАМП

Квадратные

 

Эти рисунки предназначены только для показа контролируемых размеров и должны использоваться с соответствующими стандартными листами на лампы

60901-МЭК-03-1

 

ЛАМПА ЛЮМИНЕСЦЕНТНАЯ ОДНОЦОКОЛЬНАЯ

ЛИСТ С ПАРАМЕТРАМИ ДЛЯ ИЗМЕРЕНИЯ РАЗМЕРОВ ЛАМП

Кольцевые

 

Эти рисунки предназначены только для показа контролируемых размеров и должны использоваться с соответствующими стандартными листами на лампы

60901-МЭК-04-1

 

ЛАМПА ЛЮМИНЕСЦЕНТНАЯ ОДНОЦОКОЛЬНАЯ

ЛИСТ С ПАРАМЕТРАМИ ДЛЯ ИЗМЕРЕНИЯ РАЗМЕРОВ ЛАМП

Многоканальные

 

Эти рисунки предназначены только для показа контролируемых размеров и должны использоваться с соответствующими стандартными листами на лампы

Примечание - Размеры А и В относятся к стеклянным частям лампы.

60901-МЭК-05-1

 

ЛАМПА ЛЮМИНЕСЦЕНТНАЯ ОДНОЦОКОЛЬНАЯ

ЛИСТ С ПАРАМЕТРАМИ ДЛЯ ИЗМЕРЕНИЯ РАЗМЕРОВ ЛАМП

 

Цоколь: 2G10

Квадратные

Эти рисунки предназначены только для показа контролируемых размеров и должны использоваться с соответствующими стандартными листами на лампы

Примечание - Размеры А и В относятся к стеклянным частям лампы.

60901-МЭК-06-1

2.3. Листы с параметрами ламп

2.3.1. Перечень листов по номерам

Номер листа

Номинальная мощность, Вт

Частота, Гц

Форма

Цоколь

Средства зажигания

Схема

Тип катода

Сеть переменного тока

ВЧ

60901-МЭК- 0005

5

50

60

Двухканальная

G23

Внутрен
ние

-

-

Предварительного подогрева

- 0007

7

50

60

»

G23

»

-

-

То же

- 0009

9

50

60

»

G23

»

-

-

»

- 0011

11

50

-

»

G23

»

-

-

»

- 0013

13

-

60

»

GX23

»

-

-

»

- 0510

10

50

60

Четырехка-
нальная

G24d-1

»

-

-

»

- 0513

13

50

60

»

G24d-1

»

-

-

»

- 0518

18

50

60

»

G24d-2

»

-

-

»

- 0526

26

50

60

»

G24d-3

»

-

-

»

- 0715

15

-

60

»

GX32d-l

»

-

-

»

- 0720

20

-

60

»

GX32d-2

»

-

-

»

- 0727

27

-

60

»

GX32d-3

»

-

-

»

- 1016

16

50

-

Квадратная

GR8

»

-

-

»

- 1028

28

50

-

»

GR8

»

-

-

»

- 1413

13

50

60

Многоканальная

GX24d-l

»

-

-

»

- 1418

18

50

60

»

GX24d-2

»

-

-

»

- 1426

26

50

60

»

GX24d-3

»

-

-

»

- 2005

5

50

-

Двухканальная

2G7

Внешние

Стартерная

Бесстар-
терная

»

- 2007

7

50

-

»

2G7

»

»

»

»

- 2009

9

50

-

»

2G7

»

»

»

»

- 2011

11

50

-

»

2G7

»

»

»

»

- 2127

27

50

60

»

GY10q-4

»

»

-

»

-2128

28

50

60

»

GY10q-5

»

»

-

»

- 2130

30

50

60

»

GY10q-4

»

»

-

»

- 2136

36

50

60

»

GY10q-6

»

»

-

»

- 2218

18

50

60

»

2G11

»

»

Бесстар-
терная

»

- 2224

24

50

60

»

2G11

»

»

»

»

- 2236

36

50

60

»

2G11

»

»

»

»

- 2510

10

50

-

Четырехка-
нальная

G24q-1

»

»

»

»

- 2513

13

50

-

»

G24q-1

»

»

»

»

- 2518

18

50

-

»

G24q-2

»

»

»

»

- 2526

26

50

-

»

G24q-3

»

»

»

»

- 2613

13

50

60

»

GX10q-2

»

»

-

»

- 2618

18

50

60

»

GX10q-3

»

»

Бесстар-
терная

»

- 2627

27

50

60

»

GX10q-4

»

»

-

»

- 3010

10

50

-

Квадратная

GR10q

»

»

-

»

- 3016

16

50

-

»

GR10q

»

»

-

»

- 3021

21

50

-

»

GR10q

»

»

-

»

- 3028

28

50

-

»

GR10q

»

»

-

»

60901-МЭК-3038

38

50

-

»

GR10q

»

»

-

»

60901-МЭК-3118

18

50

60

Квадратная

2G10

Внешние

Стартерная

Бесстар-

терная

Предварительного подогрева

- 3124

24

50

60

»

2G10

»

»

»

То же

- 3136

36

50

60

»

2G10

»

»

»

»

- 3222

22 (D29)

50

60

Кольцевая

G10q

»

»

»

»

- 3231

32 (D29)

50

60

»

G10q

»

»

»

»

- 3232

32 (D32)

50

60

»

G10q

»

»

»

»

- 3239

40 (D29)

50

-

»

G10q

»

»

»

»

- 3240

40 (D32)

50

-

»

G10q

»

»

»

»

-4224

24/27

-

60

Двухканальная

2G11

»

Бесстар-
терная

-

Предварительного подогрева, низкоомный

-4236

36/39

-

60

»

2G11

»

»

-

То же

- 5010

10

50

 

Квадратная

GR10q

»

»

 

То же, высокоомный

- 5016

16

50

-

»

GR10q

»

»

-

»

- 5021

21

50

-

»

GR10q

»

»

-

»

- 5028

28

50

 

»

GR10q

»

»

 

Предварительного подогрева, низкоомный

- 5038

38

50

-

»

GR10q

»

»

-

То же

- 5222

22 (D29)

-

60

Кольцевая

G10q

»

»

-

»

- 5232

32 (D32)

-

60

»

G10q

»

»

-

»

- 5240

40 (D32)

-

60

»

G10q

»

»

-

»

- 6240

40

≥20 кГц

Двухканальная

2G11

»

-

Бесстар-
терная

Предварительного подогрева

- 6255

55

≥20 кГц

»

2G11

»

-

»

То же

- 7412

12

≥20 кГц

Многоканальная

GX24q-1

»

-

»

»

- 7416

16

≥20 кГц

»

GX24q-2

»

-

»

»

- 7424

24

≥20 кГц

»

GX24q-3

»

-

»

»

- 7432

32

≥20 кГц

»

GX24q-2

»

-

»

»

-7442

42

≥20 кГц

»

GX24q-4

»

-

»

»

60901-МЭК-8240

40

≥20 кГц

Двухканальная

2G11

»

-

»

Без предварительного подогрева

2.3.2. Перечень листов, расположенных по мощности

Номер листа

Номинальная мощность, Вт

Частота, Гц

Форма

Цоколь

Средства зажигания

Схема

Тип катода

Сеть переменного тока

ВЧ

 

60901-МЭК-0005

5

50

60

Двухканальная

G23

Внутренние

-

-

Предвари-
тельного подогрева

- 2005

5

50

-

»

2G7

Внешние

Стартерная

Бесстар-
терная

То же

- 0007

7

50

60

»

G23

Внутрен ние

-

-

»

- 2007

7

50

-

»

2G7

Внешние

Стартерная

Бесстар-
терная

»

- 0009

9

50

60

»

G23

Внутренние

-

-

»

-2009

9

50

-

»

2G7

Внешние

Стартерная

Бесстар-
терная

»

-0510

10

50

60

Четырехка-
нальная

G24d-1

Внутренние

-

-

»

- 2510

10

50

-

»

G24q-1

Внешние

Стартерная

Бесстар-
терная

»

- 3010

10

50

-

Квадратная

GR10q

»

»

-

»

- 5010

10

50

-

»

GR10q

Внутренние

Бесстар-
терная

-

Предвари-
тельного подогрева, высокоомный

- 0011

11

50

-

Двухканальная

G23

»

-

-

Предвари-
тельного подогрева

- 2011

11

50

-

»

2G7

Внешние

Стартерная

Бесстар- терная

То же

- 7412

12

≥20 кГц

Многока-
нальная

GX24q-1

»

-

»

»

- 0013

13

-

60

Двухканальная

GX23

Внутренние

-

-

»

- 0513

13

50

60

Четырехка-
нальная

G24d-1

»

-

-

»

- 1413

13

50

60

Многока-
нальная

GX24d-1

»

-

-

»

- 2513

13

50

-

Четырехка-
нальная

G24q-1

Внешние

Стартерная

Бесстар-
терная

»

- 2613

13

50

60

»

GX10q-2

»

»

-

»

- 0715

15

-

60

»

GX32d-1

Внутренние

-

-

»

- 1016

16

50

-

Квадратная

GR8

»

-

-

»

60901 -МЭК-3016

16

50

-

»

GR10q

Внешние

Стартерная

-

»

60901-МЭК-5016

16

50

-

Квадратная

GR10q

Внешние

Бесстар-
терная

 

Предвари-
тельного подогрева, высокоомный

- 7416

16

≥20 кГц

Многоканальная

GX24q-2

»

-

Бесстар-
терная

Предварительного подогрева

- 0518

18

50

60

Четырехка-
нальная

G24d-2

Внутренние

-

-

То же

- 1418

18

50

60

Многоканальная

GX24d-2

»

-

-

»

- 2218

18

50

60

Двухканальная

2G11

Внешние

Стартерная

Бесстар-
терная

»

- 2518

18

50

-

Четырехка-
нальная

G24q-2

»

»

»

»

- 2618

18

50

60

»

GX10q-3

»

»

»

»

- 3118

18

50

60

Квадратная

2G10

»

»

Бесстар-
терная

»

- 0720

20

-

60

Четырехка-
нальная

GX32d-2

Внутренние

-

-

»

- 3021

21

50

-

Квадратная

GR10q

Внешние

Стартерная

-

»

- 5021

21

50

-

»

GR10q

»

Бесстар-
терная

-

Предвари-
тельного подогрева, высокоомный

- 3222

22 (D29)

50

60

Кольцевая

G10q

»

Стартерная

Бесстар-
терная

Предвари-
тельного подогрева

- 5222

22 (D29)

-

60

»

G10q

»

Бесстар-
терная

 

Предвари-
тельного подогрева, низкоомный

- 2224

24

50

60

Двухканальная

2G11

»

Стартерная

Бесстар-
терная

Предвари-
тельного подогрева

- 3124

24

50

60

Квадратная

2G10

»

»

»

То же

60901- МЭК-4224

24/27

-

60

Двухканальная

2G11

»

Бесстар-
терная

 

Предвари-
тельного подогрева, низкоомный

60901-МЭК-7424

24

≥20 кГц

Многоканальная

GX24q-3

Внешние

-

Бесстар-
терная

Предва-
рительного подогрева

- 0526

26

50

60

Четырехка-
нальная

G24d-3

Внутренние

-

-

То же

- 1426

26

50

60

Многоканальная

GX24d-3

»

-

-

»

- 2526

26

50

-

Четырехка-
нальная

G24q-3

Внешние

Стартерная

Бесстар-
терная

»

- 0727

27

-

60

»

GX32d-3

Внутренние

-

-

»

- 2127

27

50

60

Двухканальная

GY10q-4

Внешние

Стартерная

-

»

- 2627

27

50

60

Четырехка-
нальная

GX10q-4

»

»

-

»

- 1028

28

50

-

Квадратная

GR8

Внутренние

-

-

»

- 2128

28

50

60

Двухканальная

GY10q-5

Внешние

Стартерная

-

»

- 3028

28

50

-

Квадратная

GR10q

»

»

-

»

- 5028

28

50

-

»

GR10q

»

Бесстар-
терная

 

Предвари-
тельного подогрева, низкоомный

- 2130

30

50

60

Двухканальная

GY10q-4

»

Стартерная

-

Предвари-тельного подогрева

- 3231

32 (D29)

50

60

Кольцевая

G10q

»

»

Бесстар-терная

То же

- 3232

32 (D32)

50

60

»

G10q

»

»

»

»

- 5232

32 (D32)

-

60

»

G10q

»

Бесстар-
терная

 

Предвари-
тельного подогрева, низкоомный

- 7432

32

≥20 кГц

Многоканальная

GX24q-3

»

-

Бесстар-
терная

Предва-
рительного подогрева

- 2136

36

50

60

Двухканальная

GY10q--6

»

Стартерная

-

То же

60901-МЭК-2236

36

50

60

»

2G11

»

»

Бесстар-
терная

»

60901-МЭК-3136

36

50

60

Квадратная

2G10

Внешние

Стартерная

Бесстар-
терная

Предва-
рительного подогрева

- 4236

36/39

-

60

Двухканальная

2G11

»

Бесстар-
терная

-

Предвари-
тельного подогрева, низкоомный

- 3038

38

50

-

Квадратная

GR10q

»

Стартерная

-

Предвари-
тельного подогрева

- 5038

38

50

-

»

GR10q

»

Бесстар-
терная

-

Предвари-
тельного подогрева, низкоомный

- 3239

40 (D29)

50

-

Кольцевая

G10q

»

Стартерная

Бесстар-терная

Предвари-
тельного подогрева

- 3240

40 (D32)

50

-

»

G10q

»

»

»

То же

- 5240

40 (D32)

-

60

»

G10q

»

Бесстар-
терная

-

Предвари-
тельного подогрева, низкоомный

- 6240

40

≥20 кГц

Двухканальная

2G11

»

 

Бесстар-
терная

Предвари-
тельного подогрева

- 8240

40

≥20 кГц

»

2G11

»

 

»

Без предвари-
тельного подогрева

- 7442

42

≥20 кГц

Многоканальная

GX24q-4

»

-

»

То же

60901-МЭК-6255

55

≥20 кГц

Двухканальная

2G11

»

-

»

»

 

 

ЛАМПА ЛЮМИНЕСЦЕНТНАЯ ОДНОЦОКОЛЬНАЯ

ЛИСТ С ПАРАМЕТРАМИ

Двухканальная

 

МСОЛ: FSD-5-I-G23

Номинальная мощность, Вт

Схема

Катод

Цоколь

5

Внутренний стартер

Предварительного подогрева

G23

Размеры, мм

А, не более

В, не более

С, не более

28

13

85

Цоколь: см. лист 7004-69 МЭК 60061

Характеристики зажигания

Частота, Гц

Расчетное напряжение ПРА, В

Испытательное напряжение (действующее значение), В

Время зажигания, с

50

220

198

10

60

118

106

10

Электрические параметры

Частота, Гц

Расчетная мощность, Вт

Напряжение на лампе (действующее значение), В

Расчетный ток лампы, А

Расчетный ток предварительного подогрева, А

расчетное

не менее

не более

50

5,4

35

30

40

0,180

0,190

60

5,5

35

30

40

0,180

1,190

Испытательное положение: вертикальное цоколем вверх.

Характеристики образцового ПРА

Частота, Гц

Номинальная мощность, Вт

Расчетное напряжение, В

Ток калибровки, А

Отношение напряжения к току, Ом

Коэффициент мощности

50

9

220

0,170

1180

0,12

60

5,5

118

0,180

605

0,075

Информация для расчета ПРА

Частота, Гц

50

60

Ток предварительного подогрева катода, А

не менее

0,153

0,153

не более

0,240

0,240

Напряжение холостого хода на лампе, В

действующее значение, не менее

198

108

пиковое, не более

400

440

Заменяющий резистор для обоих последовательно соединенных катодов, Ом

160

160

Рабочий ток лампы, А, не более

0,190

0,190

Информация для расчета светильника

Наибольший контур лампы: см. лист 60901-МЭК-А010, с размером Н, мм

85

Наибольшая температура на направляющем штырьке цоколя, °С

90

60901-МЭК-0005-1

 

ЛАМПА ЛЮМИНЕСЦЕНТНАЯ ОДНОЦОКОЛЬНАЯ

ЛИСТ С ПАРАМЕТРАМИ

Двухканальная

 

МСОЛ: FSD-7-1-G23

Номинальная мощность, Вт

Схема

Катод

Цоколь

7

Внутренний стартер

Предварительного подогрева

G23

Размеры, мм

А, не более

В, не более

С, не более

28

13

115

Цоколь: см. лист 7004-69 МЭК 60061-1.

Характеристики зажигания

Частота, Гц

Расчетное напряжение ПРА, В

Испытательное напряжение (действующее значение), В

Время зажигания, с

50

220

198

10

60

118

106

10

Электрические параметры

Частота, Гц

Расчетная мощность, Вт

Напряжение на лампе (действующее значение), В

Расчетный ток лампы, А

Расчетный ток предварительного подогрева, А

расчетное

не менее

не более

50

7,1

47

42

52

0,175

0,190

60

7,0

45

40

50

0,180

1,190

Испытательное положение: вертикальное цоколем вверх.

Характеристики образцового ПРА

Частота, Гц

Номинальная мощность, Вт

Расчетное напряжение, В

Ток калибровки, А

Отношение напряжения к току, Ом

Коэффициент мощности

50

9

220

0,170

1180

0,12

60

7

118

0,180

570

0,075

Информация для расчета ПРА

Частота, Гц

50

60

Ток предварительного подогрева катода, А

не менее

0,153

0,153

не более

0,240

0,240

Напряжение холостого хода на лампе, В

действующее значение, не менее

198

108

пиковое, не более

400

440

Заменяющий резистор для обоих последовательно соединенных катодов, Ом

160

160

Рабочий ток лампы, А, не более

0,190

0,190

Информация для расчета светильника

Наибольший контур лампы: см. лист 60901-МЭК-АОЮ, с размером Н, мм

85

Наибольшая температура на направляющем штырьке цоколя, °С

90

60901-МЭК-0007-1

 

ЛАМПА ЛЮМИНЕСЦЕНТНАЯ ОДНОЦОКОЛЬНАЯ

ЛИСТ С ПАРАМЕТРАМИ

Двухканальная

 

МСОЛ: FSD-9-1-G23

Номинальная мощность, Вт

Схема

Катод

Цоколь

9

Внутренний стартер

Предварительного подогрева

G23

Размеры, мм

А, не более

В, не более

С, не более

28

13

145

Цоколь: см. лист 7004-69 МЭК 60061-1.

Характеристики зажигания

Частота, Гц

Расчетное напряжение ПРА, В

Испытательное напряжение (действующее значение), В

Время зажигания, с

50

220

198

10

60

118

106

10

Электрические параметры

Частота, Гц

Расчетная мощность, Вт

Напряжение на лампе (действующее значение), В

Расчетный ток лампы, А

Расчетный ток предварительного подогрева, А

расчетное

не менее

не более

50

8,7

60

54

66

0,170

0,190

60

9,0

59

53

65

0,180

1,190

Испытательное положение: вертикальное цоколем вверх.

Характеристики образцового ПРА

Частота, Гц

Номинальная мощность, Вт

Расчетное напряжение, В

Ток калибровки, А

Отношение напряжения к току, Ом

Коэффициент мощности

50

9

220

0,170

1180

0,12

60

9

118

0,180

515

0,075

Информация для расчета ПРА

Частота, Гц

50

60

Ток предварительного подогрева катода, А

не менее

0,153

0,153

не более

0,240

0,240

Напряжение холостого хода на лампе, В

действующее значение, не менее

198.

108

пиковое, не более

400

440

Заменяющий резистор для обоих последовательно соединенных катодов, Ом

160

160

Рабочий ток лампы, А, не более

0,190

0,190

Информация для расчета светильника

Наибольший контур лампы: см. лист 60901-МЭК-АОЮ, с размером Н, мм

145

Наибольшая температура на направляющем штырьке цоколя, °С

90

60901-МЭК-0009-1

 

ЛАМПА ЛЮМИНЕСЦЕНТНАЯ ОДНОЦОКОЛЬНАЯ

ЛИСТ С ПАРАМЕТРАМИ

Двухканальная

 

МСОЛ:Р8Б-11-1-С23

Номинальная мощность, Вт

Схема

Катод

 

Цоколь

11

Внутренний стартер

Предварительного подогрева

 

G23

Размеры, мм

А, не более

В, не более

С, не более

28

13

215

Цоколь: см. лист 7004-69 МЭК 60061-1.

Характеристики зажигания

Частота, Гц

Расчетное напряжение ПРА, В

Испытательное напряжение (действующее значение), В

Время зажигания, с

50

220

198

10

60

-

-

-

Электрические параметры

Частота, Гц

Расчетная мощность, Вт

Напряжение на лампе (действующее значение), В

Расчетный ток лампы, А

Расчетный ток предварительного подогрева, А

расчетное

не менее

не более

50

11,8

91

81

101

0,155

0,190

60

-

-

-

-

-

-

Испытательное положение: вертикальное цоколем вверх.

Характеристики образцового ПРА

Частота, Гц

Номинальная мощность, Вт

Расчетное напряжение, В

Ток калибровки, А

Отношение напряжения к току, Ом

Коэффициент мощности

50

9

220

0,170

1180

0,12

60

-

-

-

-

-

Информация для расчета ПРА

Частота, Гц

50

60

Ток предварительного подогрева катода, А

не менее

0,153

-

не более

0,240

-

Напряжение холостого хода на лампе, В

действующее значение, не менее

198

-

пиковое, не более

400

-

Заменяющий резистор для обоих последовательно соединенных катодов, Ом

160

-

Рабочий ток лампы, А, не более

0,190

-

Информация для расчета светильника

Наибольший контур лампы: см. лист 60901-МЭК-АОЮ, с размером Н, мм

215

Наибольшая температура на направляющем штырьке цоколя, "С

90

60901-МЭК-0011-1

 

ЛАМПА ЛЮМИНЕСЦЕНТНАЯ ОДНОЦОКОЛЬНАЯ

ЛИСТ С ПАРАМЕТРАМИ

Двухканальная

 

МСОЛ: FSD-13-1-G23

Номинальная мощность, Вт

Схема

Катод

Цоколь

13

Внутренний стартер

Предварительного подогрева

G23

Размеры, мм

А, не более

В, не более

С, не более

28

13

170

Цоколь: см. лист 7004-69 МЭК 60061-1.

Характеристики зажигания

Частота, Гц

Расчетное напряжение ПРА, В

Испытательное напряжение (действующее значение), В

Время зажигания, с

50

-

-

-

60

118

106

10

Электрические параметры

Частота, Гц

Расчетная мощность, Вт

Напряжение на лампе (действующее значение), В

Расчетный ток лампы, А

Расчетный ток предварительного подогрева, А

расчетное

не менее

не более

50

-

-

-

-

-

-

60

13,4

59

53

65

0,285

0,400

Испытательное положение: вертикальное цоколем вверх.

Характеристики образцового ПРА

Частота, Гц

Номинальная мощность, Вт

Расчетное напряжение, В

Ток калибровки, А

Отношение напряжения к току, Ом

Коэффициент мощности

50

-

-

-

-

-

60

13

118

0,285

325

0,075

Информация для расчета ПРА

Частота, Гц

50

60

Ток предварительного подогрева катода, А

не менее

-

0,270

не более

-

0,525

Напряжение холостого хода на лампе, В

действующее значение, не менее

-

106

пиковое, не более

-

440

Заменяющий резистор для обоих последовательно соединенных катодов, Ом

-

25

Рабочий ток лампы, А, не более

-

*

Информация для расчета светильника

Наибольший контур лампы: см. лист 60901-МЭК-АОЮ, с размером Н, мм

170

Наибольшая температура на направляющем штырьке цоколя, °С

90

* В стадии рассмотрения.

60901-МЭК-0013-1

 

ЛАМПА ЛЮМИНЕСЦЕНТНАЯ ОДНОЦОКОЛЬНАЯ

ЛИСТ С ПАРАМЕТРАМИ

Четырехканальная

 

МСОЛ: FSQ-10-1-G24d-1

Номинальная мощность, Вт

Схема

Катод

Цоколь

10

Внутренний стартер

Предварительного подогрева

G24d-1

Размеры, мм

А, не более

В, не более

С, не более

28

28

95

Цоколь: см. лист 7004-78 МЭК 60061-1.

Характеристики зажигания

Частота, Гц

Расчетное напряжение ПРА, В

Испытательное напряжение (действующее значение), В

Время зажигания, с

50

220

198

10

60

220

198

10

Электрические параметры

Частота, Гц

Расчетная мощность, Вт

Напряжение на лампе (действующее значение), В

Расчетный ток лампы, А

Расчетный ток предварительного подогрева, А

расчетное

не менее

не более

50

10

64

58

70

0,190

0,210

60

10

64

58

70

0,190

0,210

Испытательное положение: вертикальное цоколем вверх.

Характеристики образцового ПРА

Частота, Гц

Номинальная мощность, Вт

Расчетное напряжение, В

Ток калибровки, А

Отношение напряжения к току, Ом

Коэффициент мощности

50

10

220

0,190

1070

0,12

60

10

220

0,190

1080

0,075

Информация для расчета ПРА

Частота, Гц

50

60

Ток предварительного подогрева катода, А

не менее

0,153

0,153

не более

0,275

0,275

Напряжение холостого хода на лампе, В

действующее значение, не менее

198

198

пиковое, не более

400

440

Заменяющий резистор для обоих последовательно соединенных катодов, Ом

100

100

Рабочий ток лампы, А, не более

0,210

0,210

Информация для расчета светильника

Наибольший контур лампы: см. лист 60901-МЭК-А510, с размером Н, мм

95

Наибольшая температура на направляющем штырьке цоколя, °С

90

60901-МЭК-0510-1

 

ЛАМПА ЛЮМИНЕСЦЕНТНАЯ ОДНОЦОКОЛЬНАЯ

ЛИСТ С ПАРАМЕТРАМИ

Четырехканальная

 

МСОЛ: FSQ-13-1-G24d-1

Номинальная мощность, Вт

Схема

Катод

Цоколь

 

13

Внутренний стартер

Предварительного подогрева

G24d-1

 

Размеры, мм

А, не более

В, не более

С, не более

28

28

130

Цоколь: см. лист 7004-78 МЭК 60061-1.

Характеристики зажигания

Частота, Гц

Расчетное напряжение ПРА, В

Испытательное напряжение (действующее значение), В

Время зажигания, с

50

220

198

10

60

220

198

10

Электрические параметры

Частота, Гц

Расчетная мощность, Вт

Напряжение на лампе (действующее значение), В

Расчетный ток лампы, А

Расчетный ток предварительного подогрева, А

расчетное

не менее

не более

50

13

91

81

101

0,175

0,210

60

13

91

81

101

0,175

0,210

Испытательное положение: вертикальное цоколем вверх.

Характеристики образцового ПРА

Частота, Гц

Номинальная мощность, Вт

Расчетное напряжение, В

Ток калибровки, А

Отношение напряжения к току, Ом

Коэффициент мощности

50

13

220

0,165

1070

0,12

60

13

220

0,170

1080

0,075

Информация для расчета ПРА

Частота, Гц

50

60

Ток предварительного подогрева катода, А

не менее

0,153

0,153

не более

0,275

0,275

Напряжение холостого хода на лампе, В

действующее значение, не менее

198

198

пиковое, не более

400

440

Заменяющий резистор для обоих последовательно соединенных катодов, Ом

100

100

Рабочий ток лампы, А, не более

0,190

0,190

Информация для расчета светильника

Наибольший контур лампы: см. лист 60901-МЭК-А510, с размером Н, мм

130

Наибольшая температура на направляющем штырьке цоколя, °С

90

60901-МЭК-0513-1

 

ЛАМПА ЛЮМИНЕСЦЕНТНАЯ ОДНОЦОКОЛЬНАЯ

ЛИСТ С ПАРАМЕТРАМИ

Четырехканальная

 

МСОЛ: FSQ-18-1-G24d-2

Номинальная мощность, Вт

Схема

Катод

 

Цоколь

18

Внутренний стартер

Предварительного подогрева

 

G24d-2

Размеры, мм

А, не более

В, не более

С, не более

28

28

150

Цоколь: см. лист 7004-78 МЭК 60061-1

Характеристики зажигания

Частота, Гц

Расчетное напряжение ПРА, В

Испытательное напряжение (действующее значение), В

Время зажигания, с

50

220

198

10

60

220

198

10

Электрические параметры

Частота, Гц

Расчетная мощность, Вт

Напряжение на лампе (действующее значение), В

Расчетный ток лампы, А

Расчетный ток предварительного подогрева, А

расчетное

не менее

не более

50

18

100

90

110

0,220

0,280

60

18

100

90

110

0,220

0,280

Испытательное положение: вертикальное цоколем вверх.

Характеристики образцового ПРА

Частота, Гц

Номинальная мощность, Вт

Расчетное напряжение, В

Ток калибровки, А

Отношение напряжения к току, Ом

Коэффициент мощности

50

18

220

0,220

800

0,12

60

18

220

0,220

815

0,075

Информация для расчета ПРА

Частота, Гц

50

60

Ток предварительного подогрева катода, А

не менее

0,190

0,190

не более

0,375

0,375

Напряжение холостого хода на лампе, В

действующее значение, не менее

198

198

пиковое, не более

400

440

Заменяющий резистор для обоих последовательно соединенных катодов, Ом

80

80

Рабочий ток лампы, А, не более

0,240

0,240

Информация для расчета светильника

Наибольший контур лампы: см. лист 60901-МЭК-А510, с размером Н, мм

150

Наибольшая температура на направляющем штырьке цоколя, °С

90

60901-МЭК-0518-1

 

ЛАМПА ЛЮМИНЕСЦЕНТНАЯ ОДНОЦОКОЛЬНАЯ

ЛИСТ С ПАРАМЕТРАМИ

Четырехканальная

 

МСОЛ: FSQ-26-1-G24d-3

Номинальная мощность, Вт

Схема

Катод

Цоколь

26

Внутренний стартер

Предварительного подогрева

G24d-3

Размеры, мм

А, не более

В, не более

С, не более

28

28

170

Цоколь: см. лист 7004-78 МЭК 60061-1.

Характеристики зажигания

Частота, Гц

Расчетное напряжение ПРА, В

Испытательное напряжение (действующее значение), В

Время зажигания, с

50

220

198

10

60

220

198

10

Электрические параметры

Частота, Гц

Расчетная мощность, Вт

Напряжение на лампе (действующее значение), В

Расчетный ток лампы, А

Расчетный ток предварительного подогрева, А

расчетное

не менее

не более

50

26

105

95

115

0,325

0,420

60

26

105

95

115

0,325

0,420

Испытательное положение: вертикальное цоколем вверх.

Характеристики образцового ПРА

Частота, Гц

Номинальная мощность, Вт

Расчетное напряжение, В

Ток калибровки, А

Отношение напряжения к току, Ом

Коэффициент мощности

50

26

220

0,315

540

0,10

60

26

220

0,315

546

0,075

Информация для расчета ПРА

Частота, Гц

50

60

Ток предварительного подогрева катода, А

не менее

0,270

0,270

не более

0,550

0,550

Напряжение холостого хода на лампе, В

действующее значение, не менее

198

198

пиковое, не более

400

440

Заменяющий резистор для обоих последовательно соединенных катодов, Ом

25

25

Рабочий ток лампы, А, не более

0,360

0,360

Информация для расчета светильника

Наибольший контур лампы: см. лист 60901-МЭК-А510, с размером Н, мм

170

Наибольшая температура на направляющем штырьке цоколя, °С

90

60901-МЭК-0526-1

 

ЛАМПА ЛЮМИНЕСЦЕНТНАЯ ОДНОЦОКОЛЬНАЯ

ЛИСТ С ПАРАМЕТРАМИ

Четырехканальная

 

МСОЛ: FSQ-15-I-GX32d-l

Номинальная мощность, Вт

Схема

Катод

Цоколь

15

Внутренний стартер

Предварительного подогрева

GX32d-l

Размеры, мм

А, не более

В, не более

С, не более

41

41

117

Цоколь: см. лист 7004-87 МЭК 60061-1.

Характеристики зажигания

Частота, Гц

Расчетное напряжение ПРА, В

Испытательное напряжение (действующее значение), В

Время зажигания, с

50

-

-

-

60

118

108

10

Электрические параметры

Частота, Гц

Расчетная мощность, Вт

Напряжение на лампе (действующее значение), В

Расчетный ток лампы, А

Расчетный ток предварительного подогрева, А

расчетное

не менее

не более

50

-

-

-

-

-

-

60

15

53

*

*

0,325

*

Испытательное положение: вертикальное цоколем вверх.

Характеристики образцового ПРА

Частота, Гц

Номинальная мощность, Вт

Расчетное напряжение, В

Ток калибровки, А

Отношение напряжения к току, Ом

Коэффициент мощности

50

-

-

-

-

-

60

15

118

0,325

290

0,075

Информация для расчета ПРА

Частота, Гц

50

60

Ток предварительного подогрева катода, А

не менее

-

0,280

не более

-

0,650

Напряжение холостого хода на лампе, В

действующее значение, не менее

-

108

пиковое, не более

-

400

Заменяющий резистор для обоих последовательно соединенных катодов, Ом

-

25

Рабочий ток лампы, А, не более

-

*

Информация для расчета светильника

Наибольший контур лампы: см. лист 60901-МЭК-А710, с размером Н, мм

117

Наибольшая температура на направляющем штырьке цоколя, °С

90

* В стадии рассмотрения.

60901-МЭК-0715-1

 

ЛАМПА ЛЮМИНЕСЦЕНТНАЯ ОДНОЦОКОЛЬНАЯ

ЛИСТ С ПАРАМЕТРАМИ

Четырехканальная

 

МСОЛ: FSQ-20-1-GX32d-2

Номинальная мощность, Вт

Схема

Катод

Цоколь

20

Внутренний стартер

Предварительного подогрева

GX32d-2

Размеры, мм

А, не более

В, не более

С, не более

41

41

130

Цоколь: см. лист 7004-87 МЭК 60061-1.

Характеристики зажигания

Частота, Гц

Расчетное напряжение ПРА, В

Испытательное напряжение (действующее значение), В

Время зажигания, с

50

-

-

-

60

118

108

10

Электрические параметры

Частота, Гц

Расчетная мощность, Вт

Напряжение на лампе (действующее значение), В

Расчетный ток лампы, А

Расчетный ток предварительного подогрева, А

расчетное

не менее

не более

50

-

-

-

-

-

-

60

20

53

*

*

0,450

*

Испытательное положение: вертикальное цоколем вверх.

Характеристики образцового ПРА

Частота, Гц

Номинальная мощность, Вт

Расчетное напряжение, В

Ток калибровки, А

Отношение напряжения к току, Ом

Коэффициент мощности

50

-

-

-

-

-

60

20

118

0,450

209

0,075

Информация для расчета ПРА

Частота, Гц

50

60

Ток предварительного подогрева катода, А

не менее

-

0,405

не более

-

0,850

Напряжение холостого хода на лампе, В

действующее значение, не менее

-

108

пиковое, не более

-

400

Заменяющий резистор для обоих последовательно соединенных катодов, Ом

-

25*

Рабочий ток лампы, А, не более

-

*

Информация для расчета светильника

Наибольший контур лампы: см. лист 60901-МЭК-А710, с размером Н, мм

 

Наибольшая температура на направляющем штырьке цоколя, °С

 

* В стадии рассмотрения.

60901-МЭК-0720-1

 

ЛАМПА ЛЮМИНЕСЦЕНТНАЯ ОДНОЦОКОЛЬНАЯ

ЛИСТ С ПАРАМЕТРАМИ

Четырехканальная

 

МСОЛ: FSQ-27-1-GX32d-3

Номинальная мощность, Вт

Схема

Катод

Цоколь

27

Внутренний стартер

Предварительного подогрева

GX32d-3

Размеры, мм

А, не более

В, не более

С, не более

41

41

146

Цоколь: см. лист 7004-87 МЭК 60061-

Характеристики зажигания

Частота, Гц

Расчетное напряжение ПРА, В

Испытательное напряжение (действующее значение), В

Время зажигания, с

50

-

-

-

60

118

108

10

Электрические параметры

Частота, Гц

Расчетная мощность, Вт

Напряжение на лампе (действующее значение), В

Расчетный ток лампы, А

Расчетный ток предварительного подогрева, А

расчетное

не менее

не более

50

-

-

-

-

-

-

60

27

54

*

*

0,625

*

Испытательное положение: вертикальное цоколем вверх.

Характеристики образцового ПРА

Частота, Гц

Номинальная мощность, Вт

Расчетное напряжение, В

Ток калибровки, А

Отношение напряжения к току, Ом

Коэффициент мощности

50

-

-

-

-

-

60

27

118

0,625

154

0,075

Информация для расчета ПРА

Частота, Гц

50

60

Ток предварительного подогрева катода, А

не менее

-

0,540

не более

-

1,080

Напряжение холостого хода на лампе, В

действующее значение, не более

-

108

пиковое, не более

-

400

Заменяющий резистор для обоих последовательно соединенных катодов, Ом

-

25*

Рабочий ток лампы, А, не более

-

*

Информация для расчета светильника

Наибольший контур лампы: см. лист 60901-МЭК-А710, с размером Н, мм

146

Наибольшая температура на направляющем штырьке цоколя, °С

90

* В стадии рассмотрения.

60901-МЭК-0727-1

 

ЛАМПА ЛЮМИНЕСЦЕНТНАЯ ОДНОЦОКОЛЬНАЯ

ЛИСТ С ПАРАМЕТРАМИ

Квадратная

 

МСОЛ: FSS-16-1-GR8

Номинальная мощность, Вт

Схема

Катод

Цоколь

16

Внутренний стартер

Предварительного подогрева

GR8

Размеры, мм

А, не более

В, не более

С, не более

D не более

Е, не более

F, не более

G

не менее

не более

138

141

27,5

15

41

40

49

51

Цоколь: см. лист 7004-68 МЭК 60061-1.

Характеристики зажигания

Частота, Гц

Расчетное напряжение ПРА, В

Испытательное напряжение (действующее значение), В

Время зажигания, с

50

220

198

10

60

-

-

-

Электрические параметры

Частота, Гц

Расчетная мощность, Вт

Напряжение на лампе (действующее значение), В

Расчетный ток лампы, А

Расчетный ток предварительного подогрева, А

расчетное

не менее

не более

50

16

103

93

113

0,195

0,260

60

-

-

-

-

-

-

Испытательное положение: горизонтальное.

Характеристики образцового ПРА

Частота, Гц

Номинальная мощность, Вт

Расчетное напряжение, В

Ток калибровки, А

Отношение напряжения к току, Ом

Коэффициент мощности

50

16

220

0,195

890

0,12

60

-

-

-

-

-

Информация для расчета ПРА

Частота, Гц

50

60

Ток предварительного подогрева катода, А

не менее

0,175

-

не более

0,410

-

Напряжение холостого хода на лампе, В

действующее значение, не менее

198

-

пиковое, не более

400

-

Заменяющий резистор для обоих последовательно соединенных катодов, Ом

130

-

Рабочий ток лампы, А, не более

*

-

Информация для расчета светильника

Наибольший контур лампы: см. лист 60901-МЭК-В020

* В стадии рассмотрения.

60901-МЭК-1016-1

 

ЛАМПА ЛЮМИНЕСЦЕНТНАЯ ОДНОЦОКОЛЬНАЯ

ЛИСТ С ПАРАМЕТРАМИ

Квадратная

 

МСОЛ: FSS-28-1-GR8

Номинальная мощность, Вт

Схема

Катод

Цоколь

28

Внутренний стартер

Предварительного подогрева

GR8

Размеры, мм

А, не более

B, не более

C, не более

D, не более

Е, не более

F, не более

G

не менее

не более

205

207

33

24

41

47

74

77

Цоколь: см. лист 7004-68 МЭК 60061-1.

Характеристики зажигания

Частота, Гц

Расчетное напряжение ПРА, В

Испытательное напряжение (действующее значение), В

Время зажигания, с

50

220

198

10

60

-

-

-

Электрические параметры

Частота, Гц

Расчетная мощность, Вт

Напряжение на лампе (действующее значение), В

Расчетный ток лампы, А

Расчетный ток предварительного подогрева, А

расчетное

не менее

не более

50

28

108

98

118

0,320

0,410

60

-

-

-

-

-

-

Испытательное положение: горизонтальное.

Характеристики образцового ПРА

Частота, Гц

Номинальная мощность, Вт

Расчетное напряжение, В

Ток калибровки, А

Отношение напряжения к току, Ом

Коэффициент мощности

50

28

210

0,320

480

0,10

60

*-

-

-

-

-

Информация для расчета ПРА

Частота, Гц

50

60

Ток предварительного подогрева катода, А

не менее

0,290

-

не более

0,680

-

Напряжение холостого хода на лампе, В

действующее значение, не менее

198

-

пиковое, не более

400

-

Заменяющий резистор для обоих последовательно соединенных катодов, Ом

18

-

Рабочий ток лампы, А, не более

*

-

Информация для расчета светильника

Наибольший контур лампы: см. лист 60901-МЭК-В030

* В стадии рассмотрения.

60901-МЭК-1028-1

 

ЛАМПА ЛЮМИНЕСЦЕНТНАЯ ОДНОЦОКОЛЬНАЯ

ЛИСТ С ПАРАМЕТРАМИ

Многоканальная

 

МСОЛ: FSM-13-1-GX24d-1

Номинальная мощность, Вт

Схема

Катод

Цоколь

13

Внутренний стартер

Предварительного подогрева

GX24d-1

Размеры, мм

А, не более

В, не более

С, не более

52

52

90

Цоколь: см. лист 7004-87 МЭК 60061-1.

Характеристики зажигания

Частота, Гц

Расчетное напряжение ПРА, В

Испытательное напряжение (действующее значение), В

Время зажигания, с

50

220

198

10

60

220

198

10

Электрические параметры

Частота, Гц

Расчетная мощность, Вт

Напряжение на лампе (действующее значение), В

Расчетный ток лампы, А

Расчетный ток предварительного подогрева, А

расчетное

не менее

не более

50

13

91

81

101

0,175

0,210

60

13

91

81

101

0,175

0,210

Испытательное положение: вертикальное цоколем вверх.

Характеристики образцового ПРА

Частота, Гц

Номинальная мощность, Вт

Расчетное напряжение, В

Ток калибровки, А

Отношение напряжения к току, Ом

Коэффициент мощности

50

13

220

0,165

1070

0,12

60

13

220

0,170

1080

0,075

Информация для расчета ПРА

Частота, Гц

50

60

Ток предварительного подогрева катода, А

не менее

0,153

0,153

не более

0,275

0,275

Напряжение холостого хода на лампе, В

действующее значение, не менее

198

198

пиковое, не более

400

440

Заменяющий резистор для обоих последовательно соединенных катодов, Ом

100

100

Рабочий ток лампы, А, не более

0,190

0,190

Информация для расчета светильника

Наибольший контур лампы: см. лист 60901-МЭК-*, с размером Н, мм

*

Наибольшая температура на направляющем штырьке цоколя, оС

90

* В стадии рассмотрения.

60901-МЭК-1413-1

 

ЛАМПА ЛЮМИНЕСЦЕНТНАЯ ОДНОЦОКОЛЬНАЯ

ЛИСТ С ПАРАМЕТРАМИ

Многоканальная

 

МСОЛ: FSM-18-1-GX24d-2

Номинальная мощность, Вт

Схема

Катод

Цоколь

18

Внутренний стартер

Предварительного подогрева

GX24d-2

Размеры, мм

А, не более

В, не более

С, не более

52

52

110

Цоколь: см. лист 7004-78 МЭК 60061-1

Характеристики зажигания

Частота, Гц

Расчетное напряжение ПРА, В

Испытательное напряжение (действующее значение), В

Время зажигания, с

50

220

198

10

60

220

198

10

Электрические параметры

Частота, Гц

Расчетная мощность, Вт

Напряжение на лампе (действующее значение), В

Расчетный ток лампы, А

Расчетный ток предварительного подогрева, А

расчетное

не менее

не более

50

18

100

90

110

0,225

0,280

60

18

100

90

110

0,225

0,280

Испытательное положение: вертикальное цоколем вверх.

Характеристики образцового ПРА

Частота, Гц

Номинальная мощность, Вт

Расчетное напряжение, В

Ток калибровки, А

Отношение напряжения к току, Ом

Коэффициент мощности

50

18

220

0,220

800

0,12

60

18

220

0,220

815

0,075

Информация для расчета ПРА

Частота, Гц

50

60

Ток предварительного подогрева катода, А

не менее

0,190

0,190

не более

0,375

0,375

Напряжение холостого хода на лампе, В

действующее значение, не менее

198

198

пиковое, не более

400

440

Заменяющий резистор для обоих последовательно соединенных катодов, Ом

80

80

Рабочий ток лампы, А, не более

0,240

0,240

Информация для расчета светильника

Наибольший контур лампы: см. лист 60901-МЭК-*, с размером Н, мм

*

Наибольшая температура на направляющем штырьке цоколя, оС

90

* В стадии рассмотрения.

60901-МЭК-1418-1

 

ЛАМПА ЛЮМИНЕСЦЕНТНАЯ ОДНОЦОКОЛЬНАЯ

ЛИСТ С ПАРАМЕТРАМИ

Многоканальная

 

МСОЛ: FSM-26-I-GX24d-3

Номинальная мощность, Вт

Схема

Катод

Цоколь

26

Внутренний стартер

Предварительного подогрева

GX24d-3

Размеры, мм

А, не более

В, не более

С, не более

52

52

130

Цоколь: см. лист 7004-78 МЭК 60061-1.

Характеристики зажигания

Частота, Гц

Расчетное напряжение ПРА, В

Испытательное напряжение (действующее значение), В

Время зажигания, с

50

220

198

10

60

220

198

10

Электрические параметры

Частота, Гц

Расчетная мощность, Вт

Напряжение на лампе (действующее значение), В

Расчетный ток лампы, А

Расчетный ток предварительного подогрева, А

расчетное

не менее

не более

50

26,5

105

95

115

0,325

0,420

60

26,5

105

95

115

0,325

0,420

Испытательное положение: вертикальное цоколем вверх.

Характеристики образцового ПРА

Частота, Гц

Номинальная мощность, Вт

Расчетное напряжение, В

Ток калибровки, А

Отношение напряжения к току, Ом

Коэффициент мощности

50

26

220

0,315

540

0,10

60

26

220

0,315

540

0,075

Информация для расчета ПРА

Частота, Гц

50

60

Ток предварительного подогрева катода, А

не менее

0,270

0,270

не более

0,550

0,550

Напряжение холостого хода на лампе, В

действующее значение, не менее

198

198

пиковое, не более

400

440

Заменяющий резистор для обоих последовательно соединенных катодов, Ом

25

25

Рабочий ток лампы, А, не более

0,360

0,360

Информация для расчета светильника

Наибольший контур лампы: см. лист 60901-МЭК-*, с размером Н, мм

*

Наибольшая температура на направляющем штырьке цоколя, °С

90

* В стадии рассмотрения.

60901-МЭК-1426-1

 

ЛАМПА ЛЮМИНЕСЦЕНТНАЯ ОДНОЦОКОЛЬНАЯ

ЛИСТ С ПАРАМЕТРАМИ

Двухканальная

С.1

МСОЛ: FSD-5-E-2G7

Номинальная мощность, Вт

Схема

Катод

Цоколь

5

Внешний стартер

Предварительного подогрева

2G7

Размеры, мм

А, не более

В, не более

С, не более

28

13

85

Цоколь: см. лист 7004-102 МЭК 60061-1.

Характеристики зажигания

Частота, Гц

Расчетное напряжение ПРА, В

Испытательное напряжение (действующее значение), В

Время зажигания, с

50

220

198

10

60

-

-

-

Электрические параметры

Частота, Гц

Расчетная мощность, Вт

Напряжение на лампе (действующее значение), В

Расчетный ток лампы, А

Расчетный ток предварительного подогрева, А

расчетное

не менее

не более

50

5,4

35

30

40

0,180

0,190

60

-

-

-

-

-

-

Испытательное положение: вертикальное цоколем вверх.

Характеристики образцового ПРА

Частота, Гц

Номинальная мощность, Вт

Расчетное напряжение, В

Ток калибровки, А

Отношение напряжения к току, Ом

Коэффициент мощности

50

9

220

0,170

1180

0,12

60

-

-

-

-

-

Информация для расчета ПРА

Частота, Гц

50

60

Ток предварительного подогрева катода, А

не менее

0,153

-

не более

0,240

-

Напряжение холостого хода на стартере (действующее значение), В, не менее

198

-

Пиковое напряжение холостого хода на лампе, В, не более

400

-

Заменяющий резистор для обоих последовательно соединенных катодов, Ом

160

-

Напряжение на стартере с работающей лампой (действующее значение), В, не более

*

-

Рабочий ток лампы, А, не более

0,190

-

* В стадии рассмотрения.

60901-МЭК-2005-1

 

ЛАМПА ЛЮМИНЕСЦЕНТНАЯ ОДНОЦОКОЛЬНАЯ

ЛИСТ С ПАРАМЕТРАМИ

Двухканальная

С.2

МСОЛ: FSD-5-E-2G7

Информация для расчета стартера

Импульсное напряжение, В, не менее

Напряжение неконтактирования, В, не более

Конденсатор для подавления радиопомех, нФ

не менее

не более

*

*

*

*

Информация для расчета светильника

Наибольший контур лампы: см. лист 60901-МЭК-*, с размером Н, мм

*

Информация для расчета ВЧ ПРА

 

Типичные параметры лампы

Частота, кГц

Мощность лампы, Вт

Напряжение на лампе, В

Ток лампы, А

≥20

5

27

0,190

 

Ток в любом вводе катода, А, не более

0,240

Рабочий ток лампы, А

не менее

0,120

не более

0,190

 

Ток, контролирующий предварительный подогрев

Наименьший ток предварительного подогрева iK, А, (за время эмиссии ic, с, iK = (a/te + i2m)0,5

a

0,025

im, A

0,135

Наибольший ток предварительного подогрева, А

t ≤ 0,4

0,400

0,4 < t < 2,0

0,430 - 0,090 t

t2,0

0,250

Напряжение холостого хода на лампе (действующее значение) без ЗВУ, В

tte

не более

120

t > te

не менее

250

Заменяющий резистор для каждого катода, Ом

50

 

Напряжение, контролирующее предварительный подогрев

*

* В стадии рассмотрения.

60901-МЭК-2005-1

 

ЛАМПА ЛЮМИНЕСЦЕНТНАЯ ОДНОЦОКОЛЬНАЯ

ЛИСТ С ПАРАМЕТРАМИ

Двухканальная

С.1

МСОЛ: FSD-7-E-2G7

Номинальная мощность, Вт

Схема

Катод

Цоколь

7

Внешний стартер

Предварительного подогрева

2G7

Размеры, мм

А, не более

В, не более

С, не более

28

13

115

Цоколь: см. лист 7004-102 МЭК 60061-1

Характеристики зажигания

Частота, Гц

Расчетное напряжение ПРА, В

Испытательное напряжение (действующее значение), В

Время зажигания, с

50

220

198

10

60

-

-

-

Электрические параметры

Частота, Гц

Расчетная мощность, Вт

Напряжение на лампе (действующее значение), В

Расчетный ток лампы, А

Расчетный ток предварительного подогрева, А

расчетное

не менее

не более

50

7,1

47

42

52

0,175

0,190

60

-

-

-

-

-

-

Испытательное положение: вертикальное цоколем вверх.

Характеристики образцового ПРА

Частота, Гц

Номинальная мощность, Вт

Расчетное напряжение, В

Ток калибровки, А

Отношение напряжения к току, Ом

Коэффициент мощности

50

9

220

0,170

1180

0,12

60

-

-

-

-

-

Информация для расчета ПРА

Частота, Гц

50

60

Ток предварительного подогрева катода, А

не менее

0,153

-

не более

0,240

-

Напряжение холостого хода на стартере (действующее значение), В, не менее

198

-

Пиковое напряжение холостого хода на лампе, В, не более

400

-

Заменяющий резистор для обоих последовательно соединенных катодов, Ом

160

-

Напряжение на стартере с работающей лампой (действующее значение), В, не более

*

-

Рабочий ток лампы, А, не более

0,190

-

* В стадии рассмотрения.

60901-МЭК-2007-1

 

ЛАМПА ЛЮМИНЕСЦЕНТНАЯ ОДНОЦОКОЛЬНАЯ

ЛИСТ С ПАРАМЕТРАМИ

Двухканальная

С.2

МСОЛ: FSD-7-E-2G7

Информация для расчета стартера

Импульсное напряжение, В, не менее

Напряжение неконтактирования, В, не более

Конденсатор для подавления радиопомех, нФ

не менее

не более

*

*

*

*

Информация для расчета светильника

Наибольший контур лампы: см. лист 60901-МЭК-*, с размером Н, мм

*

Информация для расчета ВЧ ПРА

 

Типичные параметры лампы

Частота, кГц

Мощность лампы, Вт

Напряжение на лампе, В

Ток лампы, А

≥20

6,5

37

0,175

 

Ток в любом вводе катода, А, не более

0,240

Рабочий ток лампы, А

не менее

0,120

не более

0,190

 

Ток, контролирующий предварительный подогрев

Наименьший ток предварительного подогрева iK, А, за время эмиссии te, с, iK = (а/te + i2m)0,5

a

0,025

im, A

0,135

Наибольший ток предварительного подогрева, А

t ≤ 0,4

0,400

0,4 < t < 2,0

0,430 - 0,090t

t2,0

0,250

Напряжение холостого хода на лампе (действующее значение) без ЗВУ, В

tte

не более

130

tte

не менее

270

Заменяющий резистор для каждого катода, Ом

50

 

Напряжение, контролирующее предварительный подогрев

*

* В стадии рассмотрения.

60901-МЭК-2007-1

 

ЛАМПА ЛЮМИНЕСЦЕНТНАЯ ОДНОЦОКОЛЬНАЯ

ЛИСТ С ПАРАМЕТРАМИ

Двухканальная

С.1

МСОЛ: FSD-9-E-2G7

Номинальная мощность, Вт

Схема

Катод

Цоколь

9

Внешний стартер

Предварительного подогрева

2G7

Размеры, мм

А, не более

В, не более

С, не более

28

13

145

Цоколь: см. лист 7004-102 МЭК 60061-1

Характеристики зажигания

Частота, Гц

Расчетное напряжение ПРА, В

Испытательное напряжение (действующее значение), В

Время зажигания, с

50

220

198

10

60

-

-

-

Электрические параметры

Частота, Гц

Расчетная мощность, Вт

Напряжение на лампе (действующее значение), В

Расчетный ток лампы, А

Расчетный ток предварительного подогрева, А

расчетное

не менее

не более

50

8,7

60

54

66

0,170

0,190

60

-

-

-

-

-

-

Испытательное положение: вертикальное цоколем вверх.

Характеристики образцового ПРА

Частота, Гц

Номинальная мощность, Вт

Расчетное напряжение, В

Ток калибровки, А

Отношение напряжения к току, Ом

Коэффициент мощности

50

9

220

0,170

1180

0,12

60

-

-

-

-

-

Информация для расчета ПРА

Частота, Гц

50

60

Ток предварительного подогрева катода, А

не менее

0,153

-

не более

0,240

-

Напряжение холостого хода на стартере (действующее значение), В, не менее

198

-

Пиковое напряжение холостого хода на лампе, В, не более

400

-

Заменяющий резистор для обоих последовательно соединенных катодов, Ом

160

-

Напряжение на стартере с работающей лампой (действующее значение), В, не более

*

-

Рабочий ток лампы, А, не более

0,190

-

* В стадии рассмотрения.

60901-МЭК-2009-1

 

ЛАМПА ЛЮМИНЕСЦЕНТНАЯ ОДНОЦОКОЛЬНАЯ

ЛИСТ С ПАРАМЕТРАМИ

Двухканальная

С.2

МСОЛ: FSD-9-E-2G7

Информация для расчета стартера

Импульсное напряжение, В, не менее

Напряжение неконтактирования, В, не более

Конденсатор для подавления радиопомех, нФ

не менее

не более

*

*

*

*

Информация для расчета светильника

Наибольший контур лампы: см. лист 60901-МЭК-*, с размером Н, мм

*

Информация для расчета ВЧ ПРА

Типичные параметры лампы

Частота, кГц

Мощность лампы, Вт

Напряжение на лампе, В

Ток лампы, А

≥20

8

48

0,170

 

Ток в любом вводе катодов, А, не более

0,240

Рабочий ток лампы, А

не менее

0,120

не более

0,190

 

Ток, контролирующий предварительный подогрев

Наименьший ток предварительного подогрева iK, А, за время эмиссии te, с, iK = (a/te + i2m )0,5

a

0,025

im, A

0,135

Наибольший ток предварительного подогрева, А

t ≤ 0,4

0,400

0,4 <t < 2,0

0,430 - 0,090t

t ≥ 2,0

0,250

Напряжение холостого хода на лампе (действующее значение) без ЗВУ, В

tte

не более

150

ttе

не менее

290

Заменяющий резистор для каждого катода, Ом

50

 

Напряжение, контролирующее предварительный подогрев

*

* В стадии рассмотрения.

60901-МЭК-2009-1

 

ЛАМПА ЛЮМИНЕСЦЕНТНАЯ ОДНОЦОКОЛЬНАЯ

ЛИСТ С ПАРАМЕТРАМИ

Двухканальная

С.1

МСОЛ: FSD-11-E-2G7

Номинальная мощность, Вт

Схема

Катод

Цоколь

11

Внешний стартер

Предварительного подогрева

2G7

Размеры, мм

А, не более

В, не более

С, не более

28

13

215

Цоколь: см. лист 7004-102 МЭК 60061-1.

Характеристики зажигания

Частота, Гц

Расчетное напряжение ПРА, В

Испытательное напряжение (действующее значение), В

Время зажигания, с

50

220

198

10

60

-

-

-

Электрические параметры

Частота, Гц

Расчетная мощность, Вт

Напряжение на лампе (действующее значение), В

Расчетный ток лампы, А

Расчетный ток предварительного подогрева, А

расчетное

не менее

не более

50

11,8

91

81

101

0,155

0,190

60

-

-

-

-

-

-

Испытательное положение: вертикальное цоколем вверх.

Характеристики образцового ПРА

Частота, Гц

Номинальная мощность, Вт

Расчетное напряжение, В

Ток калибровки, А

Отношение напряжения к току, Ом

Коэффициент мощности

50

9

220

0,170

1180

0,12

60

-

-

-

-

-

Информация для расчета ПРА

Частота, Гц

50

60

Ток предварительного подогрева катода, А

не менее

0,153

-

не более

0,240

-

Напряжение холостого хода на стартере (действующее значение), В, не менее

198

-

Пиковое напряжение холостого хода на лампе, В, не более

400

-

Заменяющий резистор для обоих последовательно соединенных катодов, Ом

160

-

Напряжение на стартере с работающей лампой (действующее значение), В, не более

*

-

Рабочий ток лампы, А, не более

0,190

-

* В стадии рассмотрения.

60901-МЭК-2011-1

 

ЛАМПА ЛЮМИНЕСЦЕНТНАЯ ОДНОЦОКОЛЬНАЯ

ЛИСТ С ПАРАМЕТРАМИ

Двухканальная

С.2

МСОЛ: FSD-11-E-2G7

Информация для расчета стартера

Импульсное напряжение, В, не менее

Напряжение неконтактирования, В, не более

Конденсатор для подавления радиопомех, нФ

не менее

не более

*

*

*

*

Информация для расчета светильника

Наибольший контур лампы: см. лист 60901-МЭК-*, с размером H, мм

*

Информация для расчета ВЧ ПРА

 

Типичные параметры лампы

Частота, кГц

Мощность лампы, Вт

Напряжение на лампе, В

Ток лампы, А

≥20

11

75

0,150

 

Ток в любом вводе катода, А, не более

0,240

Рабочий ток лампы, А

не менее

0,120

не более

0,190

 

Ток, контролирующий предварительный подогрев

Наименьший ток предварительного подогрева iK, А, за время эмиссии te, с, iK = (a/te + i2m )0,5

a

0,025

im, A

0,135

Наибольший ток предварительного подогрева, А

t ≤ 0,4

(

0,400

0,4 <t < 2,0

0,43(

1 - 0,090 t

t ≥ 2,0

С

1,250

Напряжение холостого хода на лампе (действующее значение) без ЗВУ, В

tte

не более

170

ttе

не менее

330

Заменяющий резистор для каждого катода, Ом

50

 

Напряжение, контролирующее предварительный подогрев

*

* В стадии рассмотрения.

60901-МЭК-2011-1

 

ЛАМПА ЛЮМИНЕСЦЕНТНАЯ ОДНОЦОКОЛЬНАЯ

ЛИСТ С ПАРАМЕТРАМИ

Двухканальная

С.1

МСОЛ: FSD-27-E-GY10q-4

Номинальная мощность, Вт

Схема

Катод

Цоколь

27

Внешний стартер

Предварительного подогрева

GY10q-4

Размеры, мм

А, не более

В, не более

С

не менее

не более

44

21

240

265

Цоколь: см. лист 7004-85 МЭК 60061-1.

Характеристики зажигания

Частота, Гц

Расчетное напряжение ПРА, В

Испытательное напряжение (действующее значение), В

Время зажигания, с

50

100

94

10

60

100

94

10

Электрические параметры

Частота, Гц

Расчетная мощность, Вт

Напряжение на лампе (действующее значение), В

Расчетный ток лампы, А

Расчетный ток предварительного подогрева, А

расчетное

не менее

не более

50

27

56

50

62

0,610

0,850

60

27

56

50

62

0,610

0,850

Испытательное положение: вертикальное цоколем вверх.

60901-МЭК-2127-1

 

ЛАМПА ЛЮМИНЕСЦЕНТНАЯ ОДНОЦОКОЛЬНАЯ

ЛИСТ С ПАРАМЕТРАМИ

Двухканальная

С.2

МСОЛ: FSD-27-E-GY10q-4

Характеристики образцового ПРА

Частота, Гц

Номинальная мощность, Вт

Расчетное напряжение, В

Ток калибровки, А

Отношение напряжения к току, Ом

Коэффициент мощности

50

27

100

0,620

118

0,075

60

27

100

0,620

118

0,075

Информация для расчета ПРА

Частота, Гц

50

60

Ток предварительного подогрева катода, А

не менее

0,640

0,640

не более

1,100

1,100

Напряжение холостого хода на стартере (действующее значение), В, не менее

97

97

Пиковое напряжение холостого хода на лампе, В, не более

400

400

Заменяющий резистор для обоих последовательно соединенных катодов, Ом

30

30

Напряжение на стартере с работающей лампой (действующее значение), В, не более

65

65

Рабочий ток лампы, А, не более

*

*

Информация для расчета стартера

Импульсное напряжение, В, не менее

Напряжение неконтактирования, В, не более

Конденсатор для подавления радиопомех, нФ

не менее

не более

700

70

5,0

10,0

Информация для расчета светильника

Наибольший контур лампы: см. лист 60901-МЭК-АПО, с размером Н, мм

265

* В стадии рассмотрения.

60901-МЭК-2127-1

 

ЛАМПА ЛЮМИНЕСЦЕНТНАЯ ОДНОЦОКОЛЬНАЯ

ЛИСТ С ПАРАМЕТРАМИ

Двухканальная

С.1

МСОЛ: FSD-28-E-GY10q-5

Номинальная мощность, Вт

Схема

Катод

Цоколь

28

Внешний стартер

Предварительного подогрева

GY10q-5

Размеры, мм

A, не более

В, не более

С

не менее

не более

44

21

317

340

Цоколь: см. лист 7004-85 МЭК 60061-1.

Характеристики зажигания

Частота, Гц

Расчетное напряжение ПРА, В

Испытательное напряжение (действующее значение), В

Время зажигания, с

50

147

137

10

60

147

137

10

Электрические параметры

Частота, Гц

Расчетная мощность, Вт

Напряжение на лампе (действующее значение), В

Расчетный ток лампы, А

Расчетный ток предварительного подогрева, А

расчетное

не менее

не более

50

28,4

83

77

89

0,425

0,610

60

• 28,4

83

77

89

0,425

0,610

Испытательное положение: вертикальное цоколем вверх.

60901-МЭК-2128-1

 

ЛАМПА ЛЮМИНЕСЦЕНТНАЯ ОДНОЦОКОЛЬНАЯ

ЛИСТ С ПАРАМЕТРАМИ

Двухканальная

С.2

МСОЛ: FSD-28-E-GY10q-5

Характеристики образцового ПРА

Частота, Гц

Номинальная мощность, Вт

Расчетное напряжение, В

Ток калибровки, А

Отношение напряжения к току, Ом

Коэффициент мощности

50

28

147

0,435

241

0,075

60

28

147

0,435

241

0,075

Информация для расчета ПРА

Частота, Гц

50

60

Ток предварительного подогрева катода, А

не менее

0,450

0,450

не более

0,800

0,800

Напряжение холостого хода на стартере (действующее значение), В, не менее

140

140

Пиковое -напряжение холостого хода на лампе, В, не более

400

400

Заменяющий резистор для обоих последовательно соединенных катодов, Ом

40

40

Напряжение на стартере с работающей лампой (действующее значение), В, не более

93

93

Рабочий ток лампы, А, не более

*

*

Информация для расчета стартера

Импульсное напряжение, В, не менее

Напряжение неконтактирования, В, не более

Конденсатор для подавления радиопомех, нФ

не менее

не более

700

96

5,0

10,0

Информация для расчета светильника

Наибольший контур лампы: см. лист 60901-МЭК-АПО, с размером Н, мм

340

* В стадии рассмотрения.

60901-МЭК-2128-1

 

ЛАМПА ЛЮМИНЕСЦЕНТНАЯ ОДНОЦОКОЛЬНАЯ

ЛИСТ С ПАРАМЕТРАМИ

Двухканальная

С.1

МСОЛ: FSD-30-E-GY10q-4

Номинальная мощность, Вт

Схема

Катод

Цоколь

.30

Внешний стартер

Предварительного подогрева

GY10q-4

Размеры, мм

А, не более

В, не более

С

не менее

не более

54

25

270

280

Цоколь: см. лист 7004-85 МЭК 60061-1.

Характеристики зажигания

Частота, Гц

Расчетное напряжение ПРА, В

Испытательное напряжение (действующее значение), В

Время зажигания, с

50

100

94

10

60

100

94

10

Электрические параметры

Частота, Гц

Расчетная мощность, Вт

Напряжение на лампе (действующее значение), В

Расчетный ток лампы, А

Расчетный ток предварительного подогрева, А

расчетное

не менее

не более

50

29

55

49

61

0,620

0,850

60

29

55

49

61

0,620

0,850

Испытательное положение: вертикальное цоколем вверх.

60901-МЭК-2130-1

 

ЛАМПА ЛЮМИНЕСЦЕНТНАЯ ОДНОЦОКОЛЬНАЯ

ЛИСТ С ПАРАМЕТРАМИ

Двухканальная

С.2

МСОЛ: FSD-30-E-GY10q-4

Характеристики образцового ПРА

Частота, Гц

Номинальная мощность, Вт

Расчетное напряжение, В

Ток калибровки, А

Отношение напряжения к току, Ом

Коэффициент мощности

50

30

100

0,620

118

0,075

60

30

100

0,620

118

0,075

Информация для расчета ПРА

Частота, Гц

50

60

Ток предварительного подогрева катода, А

не менее

0,640

0,640

не более

1,100

1,100

Напряжение холостого хода на стартере (действующее значение), В, не менее

97

97

Пиковое напряжение холостого хода на лампе, В, не более

400

400

Заменяющий резистор для обоих последовательно соединенных катодов, Ом

30

30

Напряжение на стартере с работающей лампой (действующее значение), В, не более

65

65

Рабочий ток лампы, А, не более

*

*

Информация для расчета стартера

Импульсное напряжение, В, не менее

Напряжение неконтактирования, В, не более

Конденсатор для подавления радиопомех, нФ

не менее

не более

700

70

5,0

10,0

Информация для расчета светильника

Наибольший контур лампы: см. лист 60901-МЭК-А120, с размером Н, мм

280

* В стадии рассмотрения.

60901-МЭК-2130-1

 

ЛАМПА ЛЮМИНЕСЦЕНТНАЯ ОДНОЦОКОЛЬНАЯ

ЛИСТ С ПАРАМЕТРАМИ

Двухканальная

С.1

МСОЛ: FSD-36-E-GY10q-6

Номинальная мощность, Вт

Схема

Катод

Цоколь

36

Внешний стартер

Предварительного подогрева

GY10q-6

Размеры, мм

А, не более

В, не более

С

не менее

не более

44

21

405

430

Цоколь: см. лист 7004-85 МЭК 60061-1.

Характеристики зажигания

Частота, Гц

Расчетное напряжение ПРА, В

Испытательное напряжение (действующее значение), В

Время зажигания, с

50

200

180

10

60

200

180

10

Электрические параметры

Частота, Гц

Расчетная мощность, Вт

Напряжение на лампе (действующее значение), В

Расчетный ток лампы, А

Расчетный ток предварительного подогрева, А

расчетное

не менее

не более

50

36

105

97

ИЗ

0,435

0,630

60

36

105

97

ИЗ

0,435

0,630

Испытательное положение: вертикальное цоколем вверх.

60901-МЭК-2136-1

 

ЛАМПА ЛЮМИНЕСЦЕНТНАЯ ОДНОЦОКОЛЬНАЯ

ЛИСТ С ПАРАМЕТРАМИ

Двухканальная

С.2

МСОЛ: FSD-36-E-GY10q-6

Характеристики образцового ПРА

Частота, Гц

Номинальная мощность, Вт

Расчетное напряжение, В

Ток калибровки, А

Отношение напряжения к току, Ом

Коэффициент мощности

50

36

200

0,435

341

0,075

60

36

200

0,435

341

0,075

Информация для расчета ПРА

Частота, Гц

50

60

Ток предварительного подогрева катода, А

не менее

0,460

0,460

не более

0,830

0,830

Напряжение холостого хода на стартере (действующее значение), В, не менее

185

185

Пиковое напряжение холостого хода на лампе, В, не более

400

400

Заменяющий резистор для обоих последовательно соединенных катодов, Ом

40

40

Напряжение на стартере с работающей лампой (действующее значение), В, не более

119

119

Рабочий ток лампы, А, не более

*

*

Информация для расчета стартера

Импульсное напряжение, В, не менее

Напряжение неконтактирования, В, не более

Конденсатор для подавления радиопомех, нФ

не менее

не более

800

134

5,0

10,0

Информация для расчета светильника

Наибольший контур лампы: см. лист 60901-МЭК-АПО, с размером Н, мм

430

* В стадии рассмотрения.

60901-МЭК-2136-1

 

ЛАМПА ЛЮМИНЕСЦЕНТНАЯ ОДНОЦОКОЛЬНАЯ

ЛИСТ С ПАРАМЕТРАМИ

Двухканальная

С.1

МСОЛ: FSD-18-E-2G11

Номинальная мощность, Вт

Схема

Катод

 

Цоколь

18

Внешний стартер

Предварительного подогрева

 

2G11

Размеры, мм

А, не более

В, не более

С, не более

40

20

225

Цоколь: см. лист 7004-82 МЭК 60061-1

Характеристики зажигания

Частота, Гц

Расчетное напряжение ПРА, В

Испытательное напряжение (действующее значение), В

Время зажигания, с

50

ПО

103,5

10

60

*

*

10

Электрические параметры

Частота, Гц

Расчетная мощность, Вт

Напряжение на лампе (действующее значение), В

Расчетный ток лампы, А

Расчетный ток предварительного подогрева, А

расчетное

не менее

не более

50

18

58

52

64

0,375

0,540

60

*

*

*

*

*

*

Испытательное положение: горизонтальное, с горизонтальной плоскостью, проходящей через каналы.

Примечание - Для сокращения времени испытания можно использовать другие положения по согласованию между изготовителем и испытательным органом. В спорном случае горизонтальное положение должно быть предпочтительным.

Характеристики образцового ПРА

Частота, Гц

Номинальная мощность, Вт

Расчетное напряжение, В

Ток калибровки, А

Отношение напряжения к току, Ом

Коэффициент мощности

50

20

127

0,370

270

0,12

60

18

118

0,380

240

0,075

Информация для расчета ПРА

Частота, Гц

50

60

Ток предварительного подогрева катода, А

не менее

0,315

*

не более

0,670

*

Напряжение холостого хода на стартере (действующее значение), В, не менее

103,5

*

Пиковое напряжение холостого хода на лампе, В, не более

400

*

Заменяющий резистор для обоих последовательно соединенных катодов, Ом

50

*

Напряжение на стартере с работающей лампой (действующее значение), В, не более

68

*

Рабочий ток лампы, А, не более

0,425

*

* В стадии рассмотрения.

60901-МЭК-2218-1

 

ЛАМПА ЛЮМИНЕСЦЕНТНАЯ ОДНОЦОКОЛЬНАЯ

ЛИСТ С ПАРАМЕТРАМИ

Двухканальная

С.2

МСОЛ: FSD-18-E-2G11

Информация для расчета стартера

Импульсное напряжение, В, не менее

Напряжение неконтактирования, В, не более

Конденсатор для подавления радиопомех, нФ

не менее

не более

800

70

*

*

Информация для расчета светильника

Наибольший контур лампы: см. лист 60901-МЭК-А210, с размером Н, мм

225

Опора конца лампы: расстояние от базовой плоскости цоколя, мм

не менее

140

не более

175

Зазор между каналами лампы, мм, не менее

1,8

Информация для расчета ВЧ ПРА

 

 

Типичные параметры лампы

Частота, кГц

Мощность лампы, Вт

Напряжение на лампе, В

Ток лампы, А

≥20

16

50

0,320

 

Ток в любом вводе катода, А, не более

0,640

Рабочий ток лампы, А

не менее

0,260

 

не более

0,425

 

Ток, контролирующий предварительный подогрев

 

Наименьший ток предварительного подогрева iK, А, за время эмиссии te, с, iK = (a/te +i 2,„)0,5

а

0,290

im, A

0,310

Наибольший ток предварительного подогрева, А

t ≤ 0,4

0,200

0,4 < t < 2,0

1,350 - 0,350 t

t ≥ 2,0

0,650

Напряжение холостого хода на лампе (действующее значение) без ЗВУ, В

ttе

не более

150

t > tе

не менее

300

Заменяющий резистор для каждого катода, Ом

12,5

 

Напряжение, контролирующее предварительный подогрев

 

*

* В стадии рассмотрения.

60901-МЭК-2218-1

 

ЛАМПА ЛЮМИНЕСЦЕНТНАЯ ОДНОЦОКОЛЬНАЯ

ЛИСТ С ПАРАМЕТРАМИ

Двухканальная

С.1

MCОЛ: FSD-24-E-2G11

Номинальная мощность, Вт

Схема

Катод

Цоколь

24

Внешний стартер

Предварительного подогрева

2G11

Размеры, мм

А, не более

В, не более

С, не более

40

20

320

Цоколь: см. лист 7004-82 МЭК 60061-1.

Характеристики зажигания

Частота, Гц

Расчетное напряжение ПРА, В

Испытательное напряжение (действующее значение), В

Время зажигания, с

50

220

198

10

60

*

*

10

Электрические параметры

Частота, Гц

Расчетная мощность, Вт

Напряжение на лампе (действующее значение), В

Расчетный ток лампы, А

Расчетный ток предварительного подогрева, А

расчетное

не менее

не более

50

24

87

77

97

0,345

0,510

60

*

*

*

*

*

*

Положение горения: горизонтальное с горизонтальной плоскостью, проходящей через каналы.

Примечание - Для сокращения времени испытания можно использовать другие положения по согласованию между изготовителем и испытательным органом. В спорном случае горизонтальное положение должно быть предпочтительным.

Характеристики образцового ПРА

Частота, Гц

Номинальная мощность, Вт

Расчетное напряжение, В

Ток калибровки, А

Отношение напряжения к току, Ом

Коэффициент мощности

50

24

220

0,340

540

0,10

60

24

236

0,340

605

0,075

* В стадии рассмотрения.

60901-МЭК-2224-1

 

ЛАМПА ЛЮМИНЕСЦЕНТНАЯ ОДНОЦОКОЛЬНАЯ

ЛИСТ С ПАРАМЕТРАМИ

Двухканальная

С.2

MCОЛ: FSD-24-E-2G11

Информация для расчета ПРА

Частота, Гц

50

60

Ток предварительного подогрева катода, А

не менее

0,315

*

не более

0,670

*

Напряжение холостого хода на стартере (действующее значение), В, не менее

198

*

Пиковое напряжение холостого хода на лампе, В, не более

400

*

Заменяющий резистор для обоих последовательно соединенных катодов, Ом

50

*

Напряжение на стартере с работающей лампой (действующее значение), В, не более

128

*

Рабочий ток лампы, А, не более

0,425

*

Информация для расчета стартера

Импульсное напряжение, В, не менее

Напряжение неконтактирования, В, не более

Конденсатор для подавления радиопомех, нФ

не менее

не более

800

140

*

*

Информация для расчета светильника

Наибольший контур лампы: см. лист 60901-МЭК-А210, с размером Н, мм

320

Опора конца лампы: расстояние от базовой плоскости цоколя, мм

не менее

140

не более

270

Зазор между каналами лампы, мм, не менее

1,8

Информация для расчета ВЧ ПРА

 

Типичные параметры лампы

Частота, кГц

Мощность лампы, Вт

Напряжение на лампе, В

Ток лампы, А

≥20

22

75

0,300

 

Ток в любом вводе катода, А, не более

0,640

Рабочий ток лампы, А

не менее

0,260

не более

0,425

 

Ток, контролирующий предварительный подогрев

Наименьший ток предварительного подогрева iK, А, за время эмиссии te, с, iK = (a/te +i 2,„)0,5

а

0,290

im, A

0,310

Наибольший ток предварительного подогрева, А

t ≤ 0,4

1,200

0,4 < t < 2,0

1,350-0,350 t

t ≥ 2,0

0,650

Напряжение холостого хода на лампе (действующее значение) без ЗВУ, В

ttе

не более

170

t > tе

не менее

320

Заменяющий резистор для каждого катода, Ом

12,5

 

Напряжение, контролирующее предварительный подогрев

*

* В стадии рассмотрения.

60901-МЭК-2224-1

 

ЛАМПА ЛЮМИНЕСЦЕНТНАЯ ОДНОЦОКОЛЬНАЯ

ЛИСТ С ПАРАМЕТРАМИ

Двухканальная

С.1

MCОЛ: FSD-36-E-2G11

Номинальная мощность, Вт

Схема

Катод

Цоколь

36

Внешний стартер

Предварительного подогрева

2G11

Размеры, мм

А, не более

В, не более

С, не более

40

20

415

Цоколь: см. лист 7004-82 МЭК 60061-1.

Характеристики зажигания

Частота, Гц

Расчетное напряжение ПРА, В

Испытательное напряжение (действующее значение), В

Время зажигания, с

50

220

198

10

60

*

*

10

Электрические параметры

Частота, Гц

Расчетная мощность, Вт

Напряжение на лампе (действующее значение), В

Расчетный ток лампы, А

Расчетный ток предварительного подогрева, А

расчетное

не менее

не более

50

36

106

96

116

0,435

0,650

60

*

*

*

*

*

*

Испытательное положение: горизонтальное с горизонтальной плоскостью, проходящей через каналы.

Примечание - Для сокращения времени испытаний можно использовать другие положения по согласованию между изготовителем и испытательным органом. В спорном случае горизонтальное положение должно быть предпочтительным.

Характеристики образцового ПРА

Частота, Гц

Номинальная мощность, Вт

Расчетное напряжение, В

Ток калибровки, А

Отношение напряжения к току, Ом

Коэффициент мощности

50

40

220

0,430

390

0,10

60

36

236

0,430

439

0,075

* В стадии рассмотрения.

60901-МЭК-2236-1

 

ЛАМПА ЛЮМИНЕСЦЕНТНАЯ ОДНОЦОКОЛЬНАЯ

ЛИСТ С ПАРАМЕТРАМИ

Двухканальная

С.2

MCОЛ: FSD-36-E-2G11

Информация для расчета ПРА

Частота, Гц

50

60

Ток предварительного подогрева катода, А

не менее

0/365

*

не более

0,775

*

Напряжение холостого хода на стартере (действующее значение), В, не менее

198

*

Пиковое напряжение холостого хода на лампе, В, не более

400

*

Заменяющий резистор для обоих последовательно соединенных катодов, Ом

40

*

Напряжение на стартере с работающей лампой (действующее значение), В, не более

128

*

Рабочий ток лампы, А, не более

0,500

*

Информация для расчета стартера

Импульсное напряжение, В, не менее

Напряжение неконтактирования, В, не более

Конденсатор для подавления радиопомех, нФ

не менее

не более

800

140

*

*

Информация для расчета светильника

Наибольший контур лампы: см. лист 60901-МЭК-А210, с размером Н, мм

415

Опора конца лампы: расстояние от базовой плоскости цоколя, мм

не менее

330

не более

365

Зазор между каналами лампы, мм, не менее

1,8

Информация для расчета ВЧ ПРА

 

Типичные параметры лампы

Частота, кГц

Мощность лампы, Вт

Напряжение на лампе, В

Ток лампы, А

≥20

32

90

0,360

 

 

Ток в любом вводе катода, А, не более

0,700

Рабочий ток лампы, А

не менее

0,300

не более

0,500

 

 

Ток, контролирующий предварительный подогрев

 

Наименьший ток предварительного подогрева iK, А, за время эмиссии te, с, iK = (a/te +i2,„)0,5

а

0,380

im, A

0,360

Наибольший ток предварительного подогрева, А

t ≤ 0,4

1,400

0,4 < t < 2,0

1,550 - 0,400 t

t ≥ 2,0

0,750

Напряжение холостого хода на лампе (действующее значение) без ЗВУ, В

ttе

не более

190

t > tе

не менее

340

Заменяющий резистор для каждого катода, Ом

10

 

Напряжение, контролирующее предварительный подогрев

*

* В стадии рассмотрения.

60901-МЭК-2236-1

 

ЛАМПА ЛЮМИНЕСЦЕНТНАЯ ОДНОЦОКОЛЬНАЯ

ЛИСТ С ПАРАМЕТРАМИ

Четырехканальная

С.1

MCOJI: FSQ-10-E-G24q-1

Номинальная мощность, Вт

Схема

Катод

Цоколь

10

Внешний стартер

Предварительного подогрева

G24q-1

Размеры, мм

А, не более

В, не более

С, не более

28

28

95

Цоколь: см. лист 7004-78 МЭК 60061-1.

Характеристики зажигания

Частота, Гц

Расчетное напряжение ПРА, В

Испытательное напряжение (действующее значение), В

Время зажигания, с

50

220

198

10

60

-

-

-

Электрические параметры

Частота, Гц

Расчетная мощность, Вт

Напряжение на лампе (действующее значение), В

Расчетный ток лампы, А

Расчетный ток предварительного подогрева, А

расчетное

не менее

не более

50

10

64

58

70

0,190

0,210

60

-

-

-

-

-

-

Испытательное положение: вертикальное цоколем вверх.

Характеристики образцового ПРА

Частота, Гц

Номинальная мощность, Вт

Расчетное напряжение, В

Ток калибровки, А

Отношение напряжения к току, Ом

Коэффициент мощности

50

10

220

0,190

1070

0,12

60

-

-

-

-

-

60901-МЭК-2510-1

 

ЛАМПА ЛЮМИНЕСЦЕНТНАЯ ОДНОЦОКОЛЬНАЯ

ЛИСТ С ПАРАМЕТРАМИ

Четырехканальная

С.2

MCОЛ: FSQ-10-E-G24q-1

Информация для расчета ПРА

Частота, Гц

50

60

Ток предварительного подогрева катода, А

не менее

0,153

-

не более

0,375

-

Напряжение холостого хода на стартере (действующее значение), В, не менее

198

-

Пиковое напряжение холостого хода на лампе, В, не более

400

-

Заменяющий резистор для обоих последовательно соединенных катодов, Ом

100

-

Напряжение на стартере с работающей лампой (действующее значение), В, не более

*

-

Рабочий ток лампы, А, не более

0,210

-

Информация для расчета стартера

Импульсное напряжение, В, не менее

Напряжение неконтактирования, В, не более

Конденсатор для подавления радиопомех, нФ

не менее

не более

*

*

*

*

Информация для расчета светильника

Наибольший контур лампы: см. лист 60901-МЭК-А510, с размером Н, мм

95

Информация для расчета ВЧ ПРА

 

Типичные параметры лампы

Частота, кГц

Мощность лампы, Вт

Напряжение на лампе, В

Ток лампы, А

≥20

9,5

51

0,190

 

Ток в любом вводе катода, А, не более

0,240

Рабочий ток лампы, А

не менее

0,135

не более

0,210

 

Ток, контролирующий предварительный подогрев

Наименьший ток предварительного подогрева iK, А, за время эмиссии te, с, iK = (a/te +i2,„)0,5

а

0,045

im, A

0,140

Наибольший ток предварительного подогрева, А

t ≤ 0,4

0,460

0,4 < t < 2,0

0,500 - 0,110 t

t ≥ 2,0

0,280

Напряжение холостого хода на лампе (действующее значение) без ЗВУ, В

ttе

не более

180

t > tе

не менее

340

Заменяющий резистор для каждого катода, Ом

35

 

Напряжение, контролирующее предварительный подогрев

*

* В стадии рассмотрения.

60901-МЭК-2510-1

 

ЛАМПА ЛЮМИНЕСЦЕНТНАЯ ОДНОЦОКОЛЬНАЯ

ЛИСТ С ПАРАМЕТРАМИ

Четырехканальная

С.1

MCOЛ: FSQ-13-E-G24q-1

Номинальная мощность, Вт

Схема

Катод

Цоколь

13

Внешний стартер

Предварительного подогрева

G24q-1

Размеры, мм

А, не более

В, не более

С, не более

28

28

130

Цоколь: см. лист 7004-78 МЭК 60061-1.

Характеристики зажигания

Частота, Гц

Расчетное напряжение ПРА, В

Испытательное напряжение (действующее значение), В

Время зажигания, с

50

220

198

10

60

-

-

-

Электрические параметры

Частота, Гц

Расчетная мощность, Вт

Напряжение на лампе (действующее значение), В

Расчетный ток лампы, А

Расчетный ток предварительного подогрева, А

расчетное

не менее

не более

50

13

91

81

101

0,175

0,210

60

-

-

-

-

-

-

Испытательное положение: вертикальное цоколем вверх.

Характеристики образцового ПРА

Частота, Гц

Номинальная мощность, Вт

Расчетное напряжение, В

Ток калибровки, А

Отношение напряжения к току, Ом

Коэффициент мощности

50

13

220

0,165

1070

0,12

60

-

-

-

-

-

60901-МЭК-2513-1

 

ЛАМПА ЛЮМИНЕСЦЕНТНАЯ ОДНОЦОКОЛЬНАЯ

ЛИСТ С ПАРАМЕТРАМИ

Четырехканальная

С.2

MCJK: FSQ-13-E-G24q-1

Информация для расчета ПРА

Частота, Гц

50

60

Ток предварительного подогрева катода, А

не менее

0,153

-

не более

0,275

-

Напряжение холостого хода на стартере (действующее значение), В, не менее

198

-

Пиковое напряжение холостого хода на лампе, В, не более

400

-

Заменяющий резистор для обоих последовательно соединенных катодов, Ом

100

-

Напряжение на стартере с работающей лампой (действующее значение), В, не более

*

-

Рабочий ток лампы, А, не более

0,190

-

Информация для расчета стартера

Импульсное напряжение, В, не менее

Напряжение неконтактирования, В, не более

Конденсатор для подавления радиопомех, нФ

не менее

не более

*

*

*

*

Информация для расчета светильника

Наибольший контур лампы: см. лист 60901-МЭК-А510, с размером H, мм

130

Информация для расчета ВЧ ПРА

 

Типичные параметры лампы

Частота, кГц

Мощность лампы, Вт

Напряжение на лампе, В

Ток лампы, А

≥20

12,5

77

0,165

 

Ток в любом вводе катода, А, не более

0,240

Рабочий ток лампы, А

не менее

0,120

не более

0,190

 

Ток, контролирующий предварительный подогрев

Наименьший ток предварительного подогрева iK, А, за время эмиссии te, с, iK = (a/te +i2,„)0,5

а

0,025

im, A

0,135

Наибольший ток предварительного подогрева, А

t ≤ 0,4

0,400

0,4 < t < 2,0

0,430 - 0,090 t

t ≥ 2,0

0,250

Напряжение холостого хода на лампе (действующее значение) без ЗВУ, В

ttе

не более

190

t > tе

не менее

380

Заменяющий резистор для каждого катода, Ом

50

 

Напряжение, контролирующее предварительный подогрев

*

* В стадии рассмотрения.

60901-МЭК-2513-1

 

ЛАМПА ЛЮМИНЕСЦЕНТНАЯ ОДНОЦОКОЛЬНАЯ

ЛИСТ С ПАРАМЕТРАМИ

Четырехканальная

С.1

MCOЛ: FSQ-18-E-G24q-2

Номинальная мощность, Вт

Схема

Катод

Цоколь

18

Внешний стартер

Предварительного подогрева

G24q-2

Размеры, мм

А, не более

В, не более

С, не более

28

28

150

Цоколь: см. лист 7004-78 МЭК 60061-1.

Характеристики зажигания

Частота, Гц

Расчетное напряжение ПРА, В

Испытательное напряжение (действующее значение), В

Время зажигания, с

50

220

198

10

60

-

-

-

Электрические параметры

Частота, Гц

Расчетная мощность, Вт

Напряжение на лампе (действующее значение), В

Расчетный ток лампы, А

Расчетный ток предварительного подогрева, А

расчетное

не менее

не более

50

18

100

90

ПО

0,220

0,280

60

-

-

-

-

-

-

Испытательное положение: вертикальное цоколем вверх.

Характеристики образцового ПРА

Частота, Гц

Номинальная мощность, Вт

Расчетное напряжение, В

Ток калибровки, А

Отношение напряжения к току, Ом

Коэффициент мощности

50

18

220

0,220

800

0,12

60

-

-

-

-

-

60901 -МЭК-2518-1

 

ЛАМПА ЛЮМИНЕСЦЕНТНАЯ ОДНОЦОКОЛЬНАЯ

ЛИСТ С ПАРАМЕТРАМИ

Четырехканальная

С.2

MCОЛ: FSQ-18-E-G24q-2

Информация для расчета ПРА

Частота, Гц

50

60

Ток предварительного подогрева катода, А

не менее

0,190

-

не более

0,375

-

Напряжение холостого хода на стартере (действующее значение), В, не менее

198

-

Пиковое напряжение холостого хода на лампе, В, не более

400

-

Заменяющий резистор для обоих последовательно соединенных катодов, Ом

80

-

Напряжение на стартере с работающей лампой (действующее значение), В, не более

*

-

Рабочий ток лампы, А, не более

0,240

-

Информация для расчета стартера

Импульсное напряжение, В, не менее

Напряжение неконтактирования, В, не более

Конденсатор для подавления радиопомех, нФ

не менее

не более

*

*

*

*

Информация для расчета светильника

Наибольший контур лампы: см. лист 60901-МЭК-А510, с размером Н, мм

150

Информация для расчета ВЧ ПРА

 

Типичные параметры лампы

Частота, кГц

Мощность лампы, Вт

Напряжение на лампе, В

Ток лампы, А

≥20

16,5

80

0,210

 

Ток в любом вводе катода, А, не более

0,330

Рабочий ток лампы, А

не менее

0,160

не более

0,240

 

Ток, контролирующий предварительный подогрев

Наименьший ток предварительного подогрева iK, А, за время эмиссии te, с, iK = (a/te +i2,„)0,5

а

0,044

im, A

0,170

Наибольший ток предварительного подогрева, А

t ≤ 0,4

0,500

0,4 < t < 2,0

0,550 - 0,115 t

t ≥ 2,0

0,320

Напряжение холостого хода на лампе (действующее значение) без ЗВУ, В

ttе

не более

220

t > tе

не менее

400

Заменяющий резистор для каждого катода, Ом

30

 

Напряжение, контролирующее предварительный подогрев

*

* В стадии рассмотрения.

60901-МЭК-2518-1

 

ЛАМПА ЛЮМИНЕСЦЕНТНАЯ ОДНОЦОКОЛЬНАЯ

ЛИСТ С ПАРАМЕТРАМИ

Четырехканальная

С.1

МСОЛ: FSQ-26-Е-G24q-3

Номинальная мощность, Вт

Схема

Катод

Цоколь

26

Внешний стартер

Предварительного подогрева

G24q-3

Размеры, мм

А, не более

В, не более

С, не более

28

28

170

Цоколь: см. лист 7004-78 МЭК 60061 -1.

Характеристики зажигания

Частота, Гц

Расчетное напряжение ПРА, В

Испытательное напряжение (действующее значение), В

Время зажигания, с

50

220

198

10

60

-

-

-

Электрические параметры

Частота, Гц

Расчетная мощность, Вт

Напряжение на лампе (действующее значение), В

Расчетный ток лампы, А

Расчетный ток предварительного подогрева, А

расчетное

не менее

не более

50

26

105

95

115

0,325

0,420

60

-

-

-

-

-

-

Испытательное положение: вертикальное цоколем вверх.

Характеристики образцового ПРА

Частота, Гц

Номинальная мощность, Вт

Расчетное напряжение, В

Ток калибровки, А

Отношение напряжения к току, Ом

Коэффициент мощности

50

26

220

0,135

540

0,10

60

-

-

-

-

-

60901-МЭК-2526-1

 

ЛАМПА ЛЮМИНЕСЦЕНТНАЯ ОДНОЦОКОЛЬНАЯ

ЛИСТ С ПАРАМЕТРАМИ

Четырехканальная

С.2

MCОЛ: FSQ-26-E-G24q-3

Информация для расчета ПРА

Частота, Гц

50

60

Ток предварительного подогрева катода, А

не менее

0,270

-

не более

0,550

-

Напряжение холостого хода на стартере (действующее значение), В, не менее

198

-

Пиковое напряжение холостого хода на лампе, В, не более

400

-

Заменяющий резистор для обоих последовательно соединенных катодов, Ом

25

-

Напряжение на стартере с работающей лампой (действующее значение), В, не более

*

-

Рабочий ток лампы, А, не более

0,360

-

Информация для расчета стартера

Импульсное напряжение, В, не менее

Напряжение неконтактирования, В, не более

Конденсатор для подавления радиопомех, нФ

не менее

не более

*

*

*

*

Информация для расчета светильника

Наибольший контур лампы: см. лист 60901-МЭК-А510, с размером Н, мм

170

Информация для расчета ВЧ ПРА

 

Типичные параметры лампы

Частота, кГц

Мощность лампы, Вт

Напряжение на лампе, В

Ток лампы, А

≥20

24

80

0,300

 

Ток в любом вводе катода, А, не более

0,480

Рабочий ток лампы, А

не менее

0,220

не более

0,360

 

Ток, контролирующий предварительный подогрев

Наименьший ток предварительного подогрева iK, А, за время эмиссии te, с, iK = (a/te +i2,„)0,5

а

0,130

im, A

0,250

Наибольший ток предварительного подогрева, А

t ≤ 0,4

0,850

0,4 < t < 2,0

0,940 - 0,230 t

t ≥ 2,0

0,480

Напряжение холостого хода на лампе (действующее значение) без ЗВУ, В

ttе

не более

240

t > tе

не менее

420

Заменяющий резистор для каждого катода, Ом

10

 

Напряжение, контролирующее предварительный подогрев

*

* В стадии рассмотрения.

60901-МЭК-2526-1

 

ЛАМПА ЛЮМИНЕСЦЕНТНАЯ ОДНОЦОКОЛЬНАЯ

ЛИСТ С ПАРАМЕТРАМИ

Четырехканальная

С.1

МСОЛ: FSQ-13-Е-GX10q-2

Номинальная мощность, Вт

Схема

Катод

Цоколь

13

Внешний стартер

Предварительного подогрева

GX10q-2

Размеры, мм

А, не более

В, не более

С

не менее

не более

39

39

105

120

Цоколь: см. лист 7004-84 МЭК 60061-1.

Характеристики зажигания

Частота, Гц

Расчетное напряжение ПРА, В

Испытательное напряжение (действующее значение), В

Время зажигания, с

50

100

94

10

60

100

94

10

Электрические параметры

Частота, Гц

Расчетная мощность, Вт

Напряжение на лампе (действующее значение), В

Расчетный ток лампы, А

Расчетный ток предварительного подогрева, А

расчетное

не менее

не более

50

13,3

54

48

60

0,300

0,440

60

13,3

54

48

60

0,300

0,440

Испытательное положение: вертикальное цоколем вверх.

60901-МЭК-2613-1

 

ЛАМПА ЛЮМИНЕСЦЕНТНАЯ ОДНОЦОКОЛЬНАЯ

ЛИСТ С ПАРАМЕТРАМИ

Четырехканальная

С.2

MCОЛ: FSQ-13-E-GX10q-2

Характеристики образцового ПРА

Частота, Гц

Номинальная мощность, Вт

Расчетное напряжение, В

Ток калибровки, А

Отношение напряжения к току, Ом

Коэффициент мощности

50

13

100

0,300

244

0,075

60

13

100

0,300

244

0,075

Информация для расчета ПРА

Частота, Гц

50

60

Ток предварительного подогрева катода, А

не менее

0,320

0,320

не более

0,580

0,580

Напряжение холостого хода на стартере (действующее значение), В, не менее

97

97

Пиковое напряжение холостого хода на лампе, В, не более

400

400

Заменяющий резистор для обоих последовательно соединенных катодов, Ом

50

50

Напряжение на стартере с работающей лампой (действующее значение), В, не более

65

65

Рабочий ток лампы, А, не более

*

*

Информация для расчета стартера

Импульсное напряжение, В, не менее

Напряжение неконтактирования, В, не более

Конденсатор для подавления радиопомех, нФ

не менее

не более

700

70

5,0

10,0

Информация для расчета светильника

Наибольший контур лампы: см. лист 60901-МЭК-А610, с размером Н, мм

120

* В стадии рассмотрения.

60901-МЭК-2613-1

 

ЛАМПА ЛЮМИНЕСЦЕНТНАЯ ОДНОЦОКОЛЬНАЯ

ЛИСТ С ПАРАМЕТРАМИ

Четырехканальная

С.1

MCОЛ: FSQ-18-E-GX10q-3

Номинальная мощность, Вт

Схема

Катод

Цоколь

18

Внешний стартер

Предварительного подогрева

GX10q-3

Размеры, мм

А, не более

В, не более

С

не менее

не более

39

39

113

128

Цоколь: см. лист 7004-84 МЭК 60061-1.

Характеристики зажигания

Частота, Гц

Расчетное напряжение ПРА, В

Испытательное напряжение (действующее значение), В

Время зажигания, с

50

100

94

10

60

100

94

10

Электрические параметры

Частота, Гц

Расчетная мощность, Вт

Напряжение на лампе (действующее значение), В

Расчетный ток лампы, А

Расчетный ток предварительного подогрева, А

расчетное

не менее

не более

50

17,5

55

49

61

0,375

0,530

60

17,5

55

49

61

0,375

0,530

Испытательное положение: вертикальное цоколем вверх.

60901-МЭК-2618-1

 

ЛАМПА ЛЮМИНЕСЦЕНТНАЯ ОДНОЦОКОЛЬНАЯ

ЛИСТ С ПАРАМЕТРАМИ

Четырехканальная

С.2

MCОЛ: FSQ-18-E-GX10q-3

Характеристики образцового ПРА

Частота, Гц

Номинальная мощность, Вт

Расчетное напряжение, В

Ток калибровки, А

Отношение напряжения к току, Ом

Коэффициент мощности

50

18

100

0,375

190

0,075

60

18

100

0,375

190

0,075

Информация для расчета ПРА

Частота, Гц

50

60

Ток предварительного подогрева катода, А

не менее

0,380

0,380

не более

0,730

0,730

Напряжение холостого хода на стартере (действующее значение), В, не менее

97

97

Пиковое напряжение холостого хода на лампе, В, не более

400

400

Заменяющий резистор для обоих последовательно соединенных катодов, Ом

50

50

Напряжение на стартере с работающей лампой (действующее значение), В, не более

65

65

Рабочий ток лампы, А, не более

*

*

Информация для расчета стартера

Импульсное напряжение, В, не менее

Напряжение неконтактирования, В, не более

Конденсатор для подавления радиопомех, нФ

не менее

не более

700

70

5,0

10,0

Информация для расчета светильника

Наибольший контур лампы: см. лист 60901-МЭК-А610, с размером Н, мм

128

* В стадии рассмотрения.

60901-МЭК-2618-1

 

ЛАМПА ЛЮМИНЕСЦЕНТНАЯ ОДНОЦОКОЛЬНАЯ

ЛИСТ С ПАРАМЕТРАМИ

Четырехканальная

С.1

MCOЛ: FSQ-27-E-GX10q-4

Номинальная мощность, Вт

Схема

Катод

Цоколь

27

Внешний стартер

Предварительного подогрева

GX10q-4

Размеры, мм

А, не более

В, не более

С

не менее

не более

39

39

120

142

Цоколь: см. лист 7004-84 МЭК 60061-1.

Характеристики зажигания

Частота, Гц

Расчетное напряжение ПРА,В

Испытательное напряжение (действующее значение), В

Время зажигания, с

50

100

94

10

60

100

94

10

Электрические параметры

Частота, Гц

Расчетная мощность, Вт

Напряжение на лампе (действующее значение), В

Расчетный ток лампы, А

Расчетный ток предварительного подогрева, А

расчетное

не менее

не более

50

26,8

56

50

62

0,610

0,850

60

26,8

56

50

62

0,610

0,850

Испытательное положение: вертикальное цоколем вверх.

60901-МЭК-2627-1

 

ЛАМПА ЛЮМИНЕСЦЕНТНАЯ ОДНОЦОКОЛЬНАЯ

ЛИСТ С ПАРАМЕТРАМИ

Четырехканальная

С.2

MCОЛ: FSQ-27-E-GX10q-4

Характеристики образцового ПРА

Частота, Гц

Номинальная мощность, Вт

Расчетное напряжение, В

Ток калибровки, А

Отношение напряжения к току, Ом

Коэффициент мощности

50

27

100

0,620

118

0,075

60

27

100

0,620

118

0,075

Информация для расчета ПРА

Частота, Гц

50

60

Ток предварительного подогрева катода, А

не менее

0,640

0,640

не более

1,100

1,100

Напряжение холостого хода на стартере (действующее значение), В, не менее

97

97

Пиковое напряжение холостого хода на лампе, В, не более

400

400

Заменяющий резистор для обоих последовательно соединенных катодов, Ом

30

30

Напряжение на стартере с работающей лампой (действующее значение), В, не более

65

65

Рабочий ток лампы, А, не более

*

*

Информация для расчета стартера

Импульсное напряжение, В, не менее

Напряжение неконтактирования, В, не более

Конденсатор для подавления радиопомех, нФ

не менее

не более

700

70

5,0

10,0

Информация для расчета светильника

Наибольший контур лампы: см. лист 60901-МЭК-А610, с размером Н, мм

142

* В стадии рассмотрения.

60901-МЭК-2627-1

 

ЛАМПА ЛЮМИНЕСЦЕНТНАЯ ОДНОЦОКОЛЬНАЯ

ЛИСТ С ПАРАМЕТРАМИ

Квадратная

С.1

MCОЛ: FSS-10-E-GR10q

Номинальная мощность, Вт

Схема

Катод

Цоколь

10

Внешний стартер

Предварительного подогрева

GR10q

Размеры, мм

А, не более

В, не более

С, не более

D, не более

Е, не более

F, не более

G

не менее

не более

92

95

34,5

14-

34,2

38,2

28,5

29,5

Цоколь: см. лист 7004-77 МЭК 60061-1.

Характеристики зажигания

Частота, Гц

Расчетное напряжение ПРА, В

Испытательное напряжение (действующее значение), В

Время зажигания, с

50

220

198

10

60

-

-

-

Электрические параметры

Частота, Гц

Расчетная мощность, Вт

Напряжение на лампе (действующее значение), В

Расчетный ток лампы, А

Расчетный ток предварительного подогрева, А

расчетное

не менее

не более

50

10,5

72

65

79

0,180

0,215

60

-

-

-

-

-

-

Испытательное положение: горизонтальное.

60901-МЭК-3010-1

 

ЛАМПА ЛЮМИНЕСЦЕНТНАЯ ОДНОЦОКОЛЬНАЯ

ЛИСТ С ПАРАМЕТРАМИ

Квадратная

С.2

MCОЛ: FSS-10-E-GR10q

Характеристики образцового ПРА

Частота, Гц

Номинальная мощность, Вт

Расчетное напряжение, В

Ток калибровки, А

Отношение напряжения к току, Ом

Коэффициент мощности

50

10

220

0,180

1070

0,12

60

-

-

-

-

-

Информация для расчета ПРА

Частота, Гц

50

60

Ток предварительного подогрева катода, А

не менее

0,162

-

не более

0,378

-

Напряжение холостого хода на стартере (действующее значение), В, не менее

198

-

Пиковое напряжение холостого хода на лампе, В, не более

400

-

Заменяющий резистор для обоих последовательно соединенных катодов, Ом

НО

-

Напряжение на стартере с работающей лампой (действующее значение), В, не более

87

-

Рабочий ток лампы, А, не более

*

-

Информация для расчета стартера

Импульсное напряжение, В, не менее

Напряжение неконтактирования, В, не более

Конденсатор для подавления радиопомех, нФ

не менее

не более

500*

130

5,0

8,0

Информация для расчета светильника

Наибольший контур лампы: см. лист 60901-МЭК-В010

* В стадии рассмотрения.

60901-МЭК-3010-1

 

ЛАМПА ЛЮМИНЕСЦЕНТНАЯ ОДНОЦОКОЛЬНАЯ

ЛИСТ С ПАРАМЕТРАМИ

Квадратная

С.1

MCОЛ: FSS-16-E-GR10q

Номинальная мощность, Вт

Схема

Катод

Цоколь

16

Внешний стартер

Предварительного подогрева

GR10q

Размеры, мм

А, не более

В, не более

С, не более

D, не более

Е, не более

F, не более

G

не менее

не более

138

141

27,5

15

41

40

49

51

Цоколь: см. лист 7004-77 МЭК 60061-1.

Характеристики зажигания

Частота, Гц

Расчетное напряжение ПРА, В

Испытательное напряжение (действующее значение), В

Время зажигания, с

50

220

198

10

60

-

-

-

Электрические параметры

Частота, Гц

Расчетная мощность, Вт

Напряжение на лампе (действующее значение), В

Расчетный ток лампы, А

Расчетный ток предварительного подогрева, А

расчетное

не менее

не более

50

16

103

93

113

0,195

0,260

60

-

-

-

-

-

-

Испытательное положение: горизонтальное.

60901-МЭК-3016-1

 

ЛАМПА ЛЮМИНЕСЦЕНТНАЯ ОДНОЦОКОЛЬНАЯ

ЛИСТ С ПАРАМЕТРАМИ

Квадратная

С.2

MCОЛ: FSS-16-E-GR10q

Характеристики образцового ПРА

Частота, Гц

Номинальная мощность, Вт

Расчетное напряжение, В

Ток калибровки, А

Отношение напряжения к току, Ом

Коэффициент мощности

50

16

220

0,195

890

0,12

60

-

-

-

-

-

Информация для расчета ПРА

Частота, Гц

50

60

Ток предварительного подогрева катода, А

не менее

0,175

-

не более

0,410

-

Напряжение холостого хода на стартере (действующее значение), В, не менее

198

-

Пиковое напряжение холостого хода на лампе, В, не более

400

-

Заменяющий резистор для обоих последовательно соединенных катодов, Ом

130

-

Напряжение на стартере с работающей лампой (действующее значение), В, не более

128

-

Рабочий ток лампы, А, не более

*

-

Информация для расчета стартера

Импульсное напряжение, В, не менее

Напряжение неконтактирования, В, не более

Конденсатор для подавления радиопомех, нФ

не менее

не более

500*

130

1,0

3,0

Информация для расчета светильника

Наибольший контур лампы: см. лист 60901-МЭК-В020

* В стадии рассмотрения.

60901-МЭК-3016-1

 

ЛАМПА ЛЮМИНЕСЦЕНТНАЯ ОДНОЦОКОЛЬНАЯ

ЛИСТ С ПАРАМЕТРАМИ

Квадратная

С.1

MСОЛ: FSS-21-E-GR10q

Номинальная мощность, Вт

Схема

Катод

Цоколь

21

Внешний стартер

Предварительного подогрева

GR10q

Размеры, мм

А, не более

В, не более

С, не более

D, не более

Е, не более

F, не более

G

не менее

не более

138

141

27,5

15

41

40

49

51

Цоколь: см. лист 7004-77 МЭК 60061-1.

Характеристики зажигания

Частота, Гц

Расчетное напряжение ПРА, В

Испытательное напряжение (действующее значение), В

Время зажигания, с

50

220

198

10

60

-

-

-

Электрические параметры

Частота, Гц

Расчетная мощность, Вт

Напряжение на лампе (действующее значение), В

Расчетный ток лампы, А

Расчетный ток предварительного подогрева, А

расчетное

не менее

не более

50

21

102

92

112

0,260

0,310

60

-

-

-

-

-

-

Испытательное положение: горизонтальное.

60901-МЭК-3021-1

 

ЛАМПА ЛЮМИНЕСЦЕНТНАЯ ОДНОЦОКОЛЬНАЯ

ЛИСТ С ПАРАМЕТРАМИ

Квадратная

С.2

MCОЛ: FSS-21-E-GR10q

Характеристики образцового ПРА

Частота, Гц

Номинальная мощность, Вт

Расчетное напряжение, В

Ток калибровки, А

Отношение напряжения к току, Ом

Коэффициент мощности

50

21

220

0,260

605

0,10

60

-

-

-

-

-

Информация для расчета ПРА

Частота, Гц

50

60

Ток предварительного подогрева катода, А

не менее

0,234

-

не более

0,546

-

Напряжение холостого хода на стартере (действующее значение), В, не менее

198

-

Пиковое напряжение холостого хода на лампе, В, не более

400

-

Заменяющий резистор для обоих последовательно соединенных катодов, Ом

70

-

Напряжение на стартере с работающей лампой (действующее значение), В, не более

130

-

Рабочий ток лампы, А, не более

*

-

Информация для расчета стартера

Импульсное напряжение, В, не менее

Напряжение неконтактирования, В, не более

Конденсатор для подавления радиопомех, нФ

не менее

не более

500*

130

5,0

8,0

Информация для расчета светильника

Наибольший контур лампы: см. лист 60901-МЭК-В020

* В стадии рассмотрения.

60901-МЭК-3021-1

 

ЛАМПА ЛЮМИНЕСЦЕНТНАЯ ОДНОЦОКОЛЬНАЯ

ЛИСТ С ПАРАМЕТРАМИ

Квадратная

С.1

МСОЛ: FSS-28-E-GR10q

Номинальная мощность, Вт

Схема

Катод

Цоколь

28

Внешний стартер

Предварительного подогрева

GR10q

Размеры, мм

А, не более

В, не более

С, не более

D, не более

Е, не более

F, не более

G

не менее

не более

205

207

33

24

41

49

74

77

Цоколь: см. лист 7004-77 МЭК 60061-1.

Характеристики зажигания

Частота, Гц

Расчетное напряжение ПРА, В

Испытательное напряжение (действующее значение), В

Время зажигания, с

50

220

198

10

60

-

-

-

Электрические параметры

Частота, Гц

Расчетная мощность, Вт

Напряжение на лампе (действующее значение), В

Расчетный ток лампы, А

Расчетный ток предварительного подогрева, А

расчетное

не менее

не более

50

28

108

98

118

0,320

0,410

60

-

-

-

-

-

-

Испытательное положение: горизонтальное.

60901-МЭК-3028-1

 

ЛАМПА ЛЮМИНЕСЦЕНТНАЯ ОДНОЦОКОЛЬНАЯ

ЛИСТ С ПАРАМЕТРАМИ

Квадратная

С.2

МСОЛ: FSS-28-E-GR10q

Характеристики образцового ПРА

Частота, Гц

Номинальная мощность, Вт

Расчетное напряжение, В

Ток калибровки, А

Отношение напряжения к току, Ом

Коэффициент мощности

50

28

210

0,320

480

0,10

60

-

-

-

-

-

Информация для расчета ПРА

Частота, Гц

50

60

Ток предварительного подогрева катода, А

не менее

0,290

-

не более

0,670

-

Напряжение холостого хода на стартере (действующее значение), В, не менее

198

-

Пиковое напряжение холостого хода на лампе, В, не более

400

-

Заменяющий резистор для обоих последовательно соединенных катодов, Ом

18

-

Напряжение на стартере с работающей лампой (действующее значение), В, не более

130

-

Рабочий ток лампы, А, не более

*

-

Информация для расчета стартера

Импульсное напряжение, В, не менее

Напряжение неконтактирования, В, не более

Конденсатор для подавления радиопомех, нФ

не менее

не более

500*

130

5,0

8,0

Информация для расчета светильника

Наибольший контур лампы: см. лист 60901-МЭК-В030

* В стадии рассмотрения.

60901-МЭК-3028-1

 

ЛАМПА ЛЮМИНЕСЦЕНТНАЯ ОДНОЦОКОЛЬНАЯ

ЛИСТ С ПАРАМЕТРАМИ

Квадратная

С.1

МСОЛ: FSS-38-E-GR10q

Номинальная мощность, Вт

Схема

Катод

Цоколь

38

Внешний стартер

Предварительного подогрева

GR10q

Размеры, мм

А, не более

В, не более

С, не более

D, не более

Е, не более

F, не более

G

не менее

не более

205

207

33

24

41

49

74

77

Цоколь: см. лист 7004-77 МЭК 60061-1.

Характеристики зажигания

Частота, Гц

Расчетное напряжение ПРА, В

Испытательное напряжение (действующее значение), В

Время зажигания, с

50

220

198

10

60

-

-

-

Электрические параметры

Частота, Гц

Расчетная мощность, Вт

Напряжение на лампе (действующее значение), В

Расчетный ток лампы, А

Расчетный ток предварительного подогрева, А

расчетное

не менее

не более

50

38,5

ПО

100

120

0,430

0,580

60

-

-

-

-

-

-

Испытательное положение: горизонтальное.

60901-МЭК-3038-1

 

ЛАМПА ЛЮМИНЕСЦЕНТНАЯ ОДНОЦОКОЛЬНАЯ

ЛИСТ С ПАРАМЕТРАМИ

Квадратная

С.2

МСОЛ: FSS-38-E-GR10q

Характеристики образцового ПРА

Частота, Гц

Номинальная мощность, Вт

Расчетное напряжение, В

Ток калибровки, А

Отношение напряжения к току, Ом

Коэффициент мощности

50

40

220

0,430

390

0,10

60

-

-

-

-

-

Информация для расчета ПРА

Частота, Гц

50

60

Ток предварительного подогрева катода, А

не менее

0,390

-

не более

0,780

-

Напряжение холостого хода на стартере (действующее значение), В, не менее

198

-

Пиковое напряжение холостого хода на лампе, В, не более

400

-

Заменяющий резистор для обоих последовательно соединенных катодов, Ом

18

-

Напряжение на стартере с работающей лампой (действующее значение), В, не более

130

-

Рабочий ток лампы, А, не более

*

-

Информация для расчета стартера

Импульсное напряжение, В, не менее

Напряжение неконтактирования, В, не более

Конденсатор для подавления радиопомех, нФ

не менее

не более

500*

130

5,0

8,0

Информация для расчета светильника

Наибольший контур лампы: см. лист 60901-МЭК-ВОЗО

* В стадии рассмотрения.

60901-МЭК-3038-1

 

ЛАМПА ЛЮМИНЕСЦЕНТНАЯ ОДНОЦОКОЛЬНАЯ

ЛИСТ С ПАРАМЕТРАМИ

Квадратная

С.1

MOСJI: FSS-18-E-2G10

Номинальная мощность, Вт

Схема

Катод

Цоколь

18

Внешний стартер

Предварительного подогрева

2G10

Размеры, мм

А, не более

В, не более

С, не более

79

17,5

122

Цоколь: см. лист 7004-118 МЭК 60061-1.

Характеристики зажигания

Частота, Гц

Расчетное напряжение ПРА, В

Испытательное напряжение (действующее значение), В

Время зажигания, с

50

110

103,5

10

60

*

*

10

Электрические параметры

Частота, Гц

Расчетная мощность, Вт

Напряжение на лампе (действующее значение), В

Расчетный ток лампы, А

Расчетный ток предварительного подогрева, А

расчетное

не менее

не более

50

18

58

52

64

0,375

0,540

60

*

*

*

*

*

*

Испытательное положение: вертикальное цоколем вверх.

Примечание - Для уменьшения времени испытания можно применять другие положения по согласованию между изготовителем и испытательными органами. В спорном случае вертикальное положение должно быть предпочтительным.

Характеристики образцового ПРА

Частота, Гц

Номинальная мощность, Вт

Расчетное напряжение, В

Ток калибровки, А

Отношение напряжения к току, Ом

Коэффициент мощности

50

20

127

0,370

270

0,12

60

18

118

0,380

240

0,075

В стадии рассмотрения.

60901-МЭК-3118-1

 

ЛАМПА ЛЮМИНЕСЦЕНТНАЯ ОДНОЦОКОЛЬНАЯ

ЛИСТ С ПАРАМЕТРАМИ

Квадратная

С.2

МСОЛ: FSS-18-E-2G10

Информация для расчета ПРА

Частота, Гц

50

60

Ток предварительного подогрева катода, А

не менее

0,315

*

не более

0,670

*

Напряжение холостого хода на стартере (действующее значение), В, не менее

103,5

*

Пиковое напряжение холостого хода на лампе, В, не более

400

*

Заменяющий резистор для обоих последовательно соединенных катодов, Ом

50

*

Напряжение на стартере с работающей лампой (действующее значение), В, не более

68

*

Рабочий ток лампы, А, не более

0,425

*

Информация для расчета стартера

Импульсное напряжение, В, не менее

Напряжение неконтактирования, В, не более

Конденсатор для подавления радиопомех, нФ

не менее

не более

800

70

*

*

Информация для расчета светильника

Наибольший контур лампы: см. лист 60901-МЭК-В110, с размером Н, мм

122

Информация для расчета ВЧ ПРА

 

Типичные параметры лампы

Частота, кГц

Мощность лампы, Вт

Напряжение на лампе, В

Ток лампы, А

≥20

16

50

0,320

 

Ток в любом вводе катода, А, не более

0,640

Рабочий ток лампы, А

не менее

0,260

не более

0,425

 

Ток, контролирующий предварительный подогрев

Наименьший ток предварительного подогрева iK, А, за время эмиссии te, с, iK - (a/te+i2m)0,5

a

0,290

im, А

0,310

Наибольший ток предварительного подогрева, А

t ≤ 0,4

1,200

0,4 < t 2,0

1,350 - 0,350 t

t ≥ 2,0

0,650

Напряжение холостого хода на лампе (действующее значение) без ЗВУ, В

tte

не более

150

t >te

не менее

350

Заменяющий резистор для каждого катода, Ом

1,5

 

Предварительный подогрев контролирует напряжение

*

* В стадии рассмотрения.

60901-МЭК-3118-1

 

ЛАМПА ЛЮМИНЕСЦЕНТНАЯ ОДНОЦОКОЛЬНАЯ

ЛИСТ С ПАРАМЕТРАМИ

Квадратная

С.1

МСОЛ: FSS-24-E-2G10

Номинальная мощность, Вт

Схема

Катод

Цоколь

24

Внешний стартер

Предварительного подогрева

2G10

Размеры, мм

А, не более

В, не более

С, не более

79

17,5

165

Цоколь: см. лист 7004-118 МЭК 60061-1.

Характеристики зажигания

Частота, Гц

Расчетное напряжение ПРА, В

Испытательное напряжение (действующее значение), В

Время зажигания, с

50

230

198

10

60

*

*

10

Электрические параметры

Частота, Гц

Расчетная мощность, Вт

Напряжение на лампе (действующее значение), В

Расчетный ток лампы, А

Расчетный ток предварительного подогрева, А

расчетное

не менее

не более

50

24

87

77

97

0,345

0,510

60

*

*

*

*

*

*

Испытательное положение: вертикальное цоколем вверх.

Примечание - Для уменьшения времени испытания можно применять другие положения по согласованию между изготовителем и испытательным органом. В спорном случае вертикальное положение должно быть предпочтительным.

Характеристики образцового ПРА

Частота, Гц

Номинальная мощность, Вт

Расчетное напряжение, В

Ток калибровки, А

Отношение напряжения к току, Ом

Коэффициент мощности

50

24

220

0,340

540

0,10

60

24

236

0,340

605

0,075

* В стадии рассмотрения.

60901-МЭК-3124-1

 

ЛАМПА ЛЮМИНЕСЦЕНТНАЯ ОДНОЦОКОЛЬНАЯ

ЛИСТ С ПАРАМЕТРАМИ

Квадратная

С.2

МСОЛ: FSS-24-E-2G10

Информация для расчета ПРА

Частота, Гц

50

60

Ток предварительного подогрева катода, А

не менее

0,315

*

не более

0,670

*

Напряжение холостого хода на стартере (действующее значение), В, не менее

198

*

Пиковое напряжение холостого хода на лампе, В, не более

400

*

Заменяющий резистор для обоих последовательно соединенных катодов, Ом

50

*

Напряжение на стартере с работающей лампой (действующее значение), В, не более

128

*

Рабочий ток лампы, А, не более

0,425

*

Информация для расчета стартера

Импульсное напряжение, В, не менее

Напряжение неконтактирования, В, не более

Конденсатор для подавления радиопомех, нФ

не менее

не более

800

140

*

*

Информация для расчета светильника

Наибольший контур лампы: см. лист 60901-МЭК-В110, с размером Н, мм

165

Информация для расчета ВЧ ПРА

 

Типичные параметры лампы

Частота, кГц

Мощность лампы, Вт

Напряжение на лампе, В

Ток лампы, А

≥20

22

75

0,300

 

Ток в любом вводе катода, А, не более

0,640

Рабочий ток лампы, А

не менее

0,260

не более

0,425

 

Ток, контролирующий предварительный подогрев

Наименьший ток предварительного подогрева iK, А, за время эмиссии te, с, iK - (a/te+i2m)0,5

a

0,290

im, А

0,310

Наибольший ток предварительного подогрева, А

t ≤ 0,4

1,200

0,4 < t 2,0

1,350 - 0,350 t

t ≥ 2,0

0,650

Напряжение холостого хода на лампе (действующее значение) без ЗВУ, В

tte

не более

170

t >te

не менее

400

Заменяющий резистор для каждого катода, Ом

12,5

 

Предварительный подогрев контролирует напряжен!

 

* В стадии рассмотрения.

60901-МЭК-3124-1

 

ЛАМПА ЛЮМИНЕСЦЕНТНАЯ ОДНОЦОКОЛЬНАЯ

ЛИСТ С ПАРАМЕТРАМИ

Квадратная

С.1

МСОЛ: FSS-36-E-2G10

Номинальная мощность, Вт

Схема

Катод

Цоколь

36

Внешний стартер

Предварительного подогрева

2G10

Размеры, мм

А, не более

В, не более

С, не более

79

17,5

217

Цоколь: см. лист 7004-118 МЭК 60061 -1.

Характеристики зажигания

Частота, Гц

Расчетное напряжение ПРА, В

Испытательное напряжение (действующее значение), В

Время зажигания, с

50

230

198

10

60

*

*

10

Электрические параметры

Частота, Гц

Расчетная мощность, Вт

Напряжение на лампе (действующее значение), В

Расчетный ток лампы, А

Расчетный ток предварительного подогрева, А

расчетное

не менее

не более

50

36

106

96

116

0,435

0,650

60

*

*

*

*

*

*

Испытательное положение: вертикальное цоколем вверх.

Примечание - Для уменьшения времени испытания можно применять другие положения по согласованию между изготовителем и испытательным органом. В спорном случае вертикальное положение должно быть предпочтительным.

Характеристики образцового ПРА

Частота, Гц

Номинальная мощность, Вт

Расчетное напряжение, В

Ток калибровки, А

Отношение напряжения к току, Ом

Коэффициент мощности

50

40

220

0,430

390

0,10

60

36

236

0,430

439

0,075

* В стадии рассмотрения.

60901-МЭК-3136-1

 

ЛАМПА ЛЮМИНЕСЦЕНТНАЯ ОДНОЦОКОЛЬНАЯ

ЛИСТ С ПАРАМЕТРАМИ

Квадратная

С.2

МСОЛ: FSS-36-E-2G10

Информация для расчета ПРА

Частота, Гц

50

60

Ток предварительного подогрева катода, А

не менее

0,365

*

не более

0,775

*

Напряжение холостого хода на стартере (действующее значение), В, не менее

198

*

Пиковое напряжение холостого хода на лампе, В, не более

400

*

Заменяющий резистор для обоих последовательно соединенных катодов, Ом

40

*

Напряжение на стартере с работающей лампой (действующее значение), В, не более

128

*

Рабочий ток лампы, А, не более

0,500

*

Информация для расчета стартера

Импульсное напряжение, В, не менее

Напряжение неконтактирования, В, не более

Конденсатор для подавления радиопомех, нФ

не менее

не более

800

140

*

*

Информация для расчета светильника

Наибольший контур лампы: см. лист 60901-МЭК-В110, с размером Н, мм

217

Информация для расчета ВЧ ПРА

 

Типичные параметры лампы

Частота, кГц

Мощность лампы, Вт

Напряжение на лампе, В

Ток лампы, А

≥20

32

90

0,360

 

Ток в любом вводе катода, А, не более

0,700

Рабочий ток лампы, А

не менее

0,300

не более

0,500

 

Ток, контролирующий предварительный подогрев

Наименьший ток предварительного подогрева iK, А, за время эмиссии te, с, iK - (a/te+i2m)0,5

a

0,380

im, А

0,360

Наибольший ток предварительного подогрева, А

t ≤ 0,4

1,400

0,4 < t 2,0

1,550 - 0,400 t

t ≥ 2,0

0,750

Напряжение холостого хода на лампе (действующее значение) без ЗВУ, В

tte

не более

190

t >te

не менее

420

Заменяющий резистор для каждого катода, Ом

11

 

Предварительный подогрев контролирует напряжение

*

* В стадии рассмотрения.

60901-МЭК-3136-1

 

ЛАМПА ЛЮМИНЕСЦЕНТНАЯ ОДНОЦОКОЛЬНАЯ

ЛИСТ С ПАРАМЕТРАМИ

Кольцевая

С.1

МСОЛ: FC-22-E-G10q-29

Номинальная мощность, Вт

Схема

Катод

Цоколь

22(D29)

Внешний стартер

Предварительного подогрева

G10q

Размеры, мм

А

В

C и D

D1

не менее

не более

не менее

не более

не менее

. не более

не менее

не более

149,1

155,6

147,6

157,2

203,2

215,9

26,2

30,9

Цоколь: см. лист 7004-54 МЭК 60061-1.

Характеристики зажигания

Частота, Гц

Расчетное напряжение ПРА, В

Испытательное напряжение (действующее значение), В

Время зажигания, с

50

110

103,5

10

60

120

103,5

10

Электрические параметры

Частота, Гц

Расчетная мощность, Вт

Напряжение на лампе (действующее значение), В

Расчетный ток лампы, А

Расчетный ток предварительного подогрева, А

расчетное

не менее

не более

50

22

62

55

69

0,400

0,600

60

21,5

62

55

69

0,370

0,600

Испытательное положение: горизонтальное.

Характеристики образцового ПРА

Частота, Гц

Номинальная мощность, Вт

Расчетное напряжение, В

Ток калибровки, А

Отношение напряжения к току, Ом

Коэффициент мощности

50

22

127

0,400

240

0,12

60

22

236

0,370

575

0,075

60901-МЭК-3222-1

 

ЛАМПА ЛЮМИНЕСЦЕНТНАЯ ОДНОЦОКОЛЬНАЯ

ЛИСТ С ПАРАМЕТРАМИ

Кольцевая

С.2

МСОЛ: FC-22-E-G10q-29

Информация для расчета ПРА

Частота, Гц

50

60

Ток предварительного подогрева катода, А

не менее

0,360

0,450

не более

0,840

0,770

Напряжение холостого хода на стартере (действующее значение), В, не менее

103,5

103,5

Пиковое напряжение холостого хода на лампе, В, не более

400

400

Заменяющий резистор для обоих последовательно соединенных катодов, Ом

40

40

Напряжение на стартере с работающей лампой (действующее значение), В, не более

70

70

Рабочий ток лампы, А, не более

*

*

Информация для расчета стартера

Импульсное напряжение, В, не менее

Напряжение неконтактирования, В, не более

Конденсатор для подавления радиопомех, нФ

не менее

не более

250

70

*

*

Информация для расчета ВЧ ПРА

 

Типичные параметры лампы

Частота, кГц

Мощность лампы, Вт

Напряжение на лампе, В

Ток лампы, А

≥20

19

57

0,340

 

Ток в любом вводе катода, А, не более

*

Рабочий ток лампы, А

не менее

*

не более

*

 

Ток, контролирующий предварительный подогрев

Наименьший ток предварительного подогрева iK, А, за время эмиссии te, с, iK - (a/te+i2m)0,5

a

0,290

im, А

0,340

Наибольший ток предварительного подогрева, А

t ≤ 0,4

1,760

0,4 < t 2,0

1,990 - 0,575 t

t ≥ 2,0

0,840

Напряжение холостого хода на лампе (действующее значение) без ЗВУ, В

tte

не более

*

t >te

не менее

*

Заменяющий резистор для каждого катода, Ом

10

 

Напряжение, контролирующее предварительный подогрев

*

* В стадии рассмотрения.

60901-МЭК-3222-1

 

ЛАМПА ЛЮМИНЕСЦЕНТНАЯ ОДНОЦОКОЛЬНАЯ

ЛИСТ С ПАРАМЕТРАМИ

Кольцевая

С.1

МСОЛ: FC-32-Е-G10q-29

Номинальная мощность, Вт

Схема

Катод

Цоколь

32(D29)

Внешний стартер

Предварительного подогрева

G10q

Размеры, мм

А

В

С и D

D1

не менее

не более

не менее

не более

не менее

не более

не менее

не более

239,7

246,1

236,5

246,1

292,1

304,8

26,2

30,9

Цоколь: см. лист 7004-54 МЭК 60061-1.

Характеристики зажигания

Частота, Гц

Расчетное напряжение ПРА, В

Испытательное напряжение (действующее значение), В

Время зажигания, с

50

220

198

10

60

120/240

132

10

Электрические параметры

Частота, Гц

Расчетная мощность, Вт

Напряжение на лампе (действующее значение), В

Расчетный ток лампы, А

Расчетный ток предварительного подогрева, А

расчетное

не менее

не более

50

32

84

74

94

0,450

0,675

60

31

84

74

94

0,430

0,650

Испытательное положение: горизонтальное.

Характеристики образцового ПРА

Частота, Гц

Номинальная мощность, Вт

Расчетное напряжение, В

Ток калибровки, А

Отношение напряжения к току, Ом

Коэффициент мощности

50

32

220

0,450

415

0,10

60

32

236

0,425

470

0,075

60901-МЭК-3231-1

 

 

ЛАМПА ЛЮМИНЕСЦЕНТНАЯ ОДНОЦОКОЛЬНАЯ

ЛИСТ С ПАРАМЕТРАМИ

Кольцевая

С.2

MCОJI: FC-32-E-G10q-29

Информация для расчета ПРА

Частота, Гц

50

60

Ток предварительного подогрева катода, А

не менее

0,405

0,550

не более

0,945

0,750

Напряжение холостого хода на стартере (действующее значение), В, не менее

198

132

Пиковое напряжение холостого хода на лампе, В, не более

400

400

Заменяющий резистор для обоих последовательно соединенных катодов, Ом

40

20

Напряжение на стартере с работающей лампой (действующее значение), В, не более

128

95

Рабочий ток лампы, А, не более

*

*

Информация для расчета стартера

Импульсное напряжение, В, не менее

Напряжение неконтактирования, В, не более

Конденсатор для подавления радиопомех, нФ

не менее

не более

400

140

*

*

Информация для расчета ВЧ ПРА

 

Типичные параметры лампы

Частота, кГц

Мощность лампы, Вт

Напряжение на лампе, В

Ток лампы, А

≥20

30

72

0,430

 

Ток в любом вводе катода, А, не более

*

Рабочий ток лампы, А

не менее

*

не более

*

 

Ток, контролирующий предварительный подогрев

Наименьший ток предварительного подогрева iK, А, за время эмиссии te, с, iK - (a/te+i2m)0,5

a

0,360

im, А

0,380

Наибольший ток предварительного подогрева, А

t ≤ 0,4

1,980

0,4 < t 2,0

2,240 - 0,650 t

t ≥ 2,0

0,940

Напряжение холостого хода на лампе (действующее значение) без ЗВУ, В

tte

не более

*

t >te

не менее

*

Заменяющий резистор для каждого катода, Ом

10

 

Напряжение, контролирующее предварительный подогрев

*

* В стадии рассмотрения.

60901 -МЭК-3231-1

 

ЛАМПА ЛЮМИНЕСЦЕНТНАЯ ОДНОЦОКОЛЬНАЯ

ЛИСТ С ПАРАМЕТРАМИ

Кольцевая

С.1

МСОЛ: FC-32-Е-G10q-32

Номинальная мощность, Вт

Схема

Катод

Цоколь

32(D32)

Внешний стартер

Предварительного подогрева

G10q

Размеры, мм

А

В

C и D

D1

не менее

не более

не менее

не более

не менее

не более

не менее

не более

239,7

246,1

236,5

246,1

298,5

311,2

29,4

34,1

Цоколь: см. лист 7004-54 МЭК 60061-1.

Характеристики зажигания

Частота, Гц

Расчетное напряжение ПРА, В

Испытательное напряжение (действующее значение), В

Время зажигания, с

50

220

198

10

60

120/240

132

10

Электрические параметры

Частота, Гц

Расчетная мощность, Вт

Напряжение на лампе (действующее значение), В

Расчетный ток лампы, А

Расчетный ток предварительного подогрева, А

расчетное

не менее

не более

50

32

81

71

91

0,450

0,675

60

31

82

73

91

0,425

0,650

Испытательное положение: горизонтальное.

Характеристики образцового ПРА

Частота, Гц

Номинальная мощность, Вт

Расчетное напряжение, В

Ток калибровки, А

Отношение напряжения к току, Ом

Коэффициент мощности

50

32

220

0,450

415

0,10

60

32

236

0,425

470

0,075

60901 -МЭК-3232-1

 

ЛАМПА ЛЮМИНЕСЦЕНТНАЯ ОДНОЦОКОЛЬНАЯ

ЛИСТ С ПАРАМЕТРАМИ

Кольцевая

С.2

МСОЛ: FC-32-E-G10q-32

Информация для расчета ПРА

Частота, Гц

50

60

Ток предварительного подогрева катода, А

не менее

0,405

0,490

не более

0,945

0,830

Напряжение холостого хода на стартере (действующее значение), В, не менее

198

132

Пиковое напряжение холостого хода на лампе, В, не более

400

400

Заменяющий резистор для обоих последовательно соединенных катодов, Ом

40

40

Напряжение на стартере с работающей лампой (действующее значение), В, не более

128

95

Рабочий ток лампы, А, не более

*

*

Информация для расчета стартера

Импульсное напряжение, В, не менее

Напряжение неконтактирования, В, не более

Конденсатор для подавления радиопомех, нФ

не менее

не более

400

140

*

*

Информация для расчета ВЧ ПРА

 

Типичные параметры лампы

Частота, кГц

Мощность лампы, Вт

Напряжение на лампе, В

Ток лампы, А

≥20

30

72

0,430

 

Ток в любом вводе катода, А, не более

*

Рабочий ток лампы, А

не менее

*

не более

*

 

Ток, контролирующий предварительный подогрев

Наименьший ток предварительного подогрева iK, А, за время эмиссии te, с, iK - (a/te+i2m)0,5

a

0,360

im, А

0,380

Наибольший ток предварительного подогрева, А

t ≤ 0,4

1,980

0,4 < t 2,0

2,240 - 0,650 t

t ≥ 2,0

0,940

Напряжение холостого хода на лампе (действующее значение) без ЗВУ, В

tte

не более

*

t >te

не менее

*

Заменяющий резистор для каждого катода, Ом

10

 

Напряжение, контролирующее предварительный подогрев

*

* В стадии рассмотрения.

60901-МЭК-3232-1

 

ЛАМПА ЛЮМИНЕСЦЕНТНАЯ ОДНОЦОКОЛЬНАЯ

ЛИСТ С ПАРАМЕТРАМИ

Кольцевая

С.1

МСОЛ: FC-40-Е-G10q-29

Номинальная мощность, Вт

Схема

Катод

Цоколь

40(D29)

Внешний стартер

Предварительного подогрева

G10q

Размеры, мм

А

В

С и D

D1

не менее

не более

не менее

не более

не менее

не более

не менее

не более

341,3

347,7

338,1

347,7

393,7

406,4

26,2

30,9

Цоколь: см. лист 7004-54 МЭК 60061-1.

Характеристики зажигания

Частота, Гц

Расчетное напряжение ПРА, В

Испытательное напряжение (действующее значение), В

Время зажигания, с

50

220

198

10

60

-

-

-

Электрические параметры

Частота, Гц

Расчетная мощность, Вт

Напряжение на лампе (действующее значение), В

Расчетный ток лампы, А

Расчетный ток предварительного подогрева, А

расчетное

не менее

не более

50

40

115

105

125

0,415

0,630

60

-

-

-

-

-

-

Испытательное положение: горизонтальное.

Характеристики образцового ПРА

Частота, Гц

Номинальная мощность, Вт

Расчетное напряжение, В

Ток калибровки, А

Отношение напряжения к току, Ом

Коэффициент мощности

50

40

220

0,430

390

0,10

60

-

-

-

-

-

60901 -МЭК-3239-1

 

ЛАМПА ЛЮМИНЕСЦЕНТНАЯ ОДНОЦОКОЛЬНАЯ

ЛИСТ С ПАРАМЕТРАМИ

Кольцевая

С.2

МСОЛ: FC-40-E-G10q-29

Информация для расчета ПРА

Частота, Гц

50

60

Ток предварительного подогрева катода, А

не менее

0,378

-

не более

0,882

-

Напряжение холостого хода на стартере (действующее значение), В, не менее

198

-

Пиковое напряжение холостого хода на лампе, В, не более

400

-

Заменяющий резистор для обоих последовательно соединенных катодов, Ом

40

-

Напряжение на стартере с работающей лампой (действующее значение), В, не более

128

-

Рабочий ток лампы, А, не более

*

-

Информация для расчета стартера

Импульсное напряжение, В, не менее

Напряжение неконтактирования, В, не более

Конденсатор для подавления радиопомех, нФ

не менее

не более

400

140

*

*

Информация для расчета ВЧ ПРА

 

Типичные параметры лампы

Частота, кГц

Мощность лампы, Вт

Напряжение на лампе, В

Ток лампы, А

≥20

32

107

0,310

 

Ток в любом вводе катода, А, не более

*

Рабочий ток лампы, А

не менее

*

не более

*

 

Ток, контролирующий предварительный подогрев

Наименьший ток предварительного подогрева iK, А, за время эмиссии te, с, iK - (a/te+i2m)0,5

a

0,360

im, А

0,360

Наибольший ток предварительного подогрева, А

t ≤ 0,4

1,840

0,4 < t 2,0

2,080 - 0,600 t

t ≥ 2,0

0,880

Напряжение холостого хода на лампе (действующее значение) без ЗВУ, В

tte

не более

*

t >te

не менее

*

Заменяющий резистор для каждого катода, Ом

10

 

Напряжение, контролирующее предварительный подогрев

*

* В стадии рассмотрения.

60901-МЭК-3239-1

 

ЛАМПА ЛЮМИНЕСЦЕНТНАЯ ОДНОЦОКОЛЬНАЯ

ЛИСТ С ПАРАМЕТРАМИ

Кольцевая

С.1

МСОЛ: FC-40-Е-G10q-32

Номинальная мощность, Вт

Схема

Катод

Цоколь

40(D32)

Внешний стартер

Предварительного подогрева

G10q

Размеры, мм

А

В

С и D

D1

не менее

не более

не менее

не более

не менее

не более

не менее

не более

341,3

347,7

338,1

347,7

400,0

412,8

29,4

34,1

Цоколь: см. лист 7004-54 МЭК 60061-1.

Характеристики зажигания

Частота, Гц

Расчетное напряжение ПРА,В

Испытательное напряжение (действующее значение), В

Время зажигания, с

50

220

198

10

60

-

-

-

Электрические параметры

Частота, Гц

Расчетная мощность, Вт

Напряжение на лампе (действующее значение), В

Расчетный ток лампы, А

Расчетный ток предварительного подогрева, А

расчетное

не менее

не более

50

40

110

100

120

0,420

0,630

60

-

-

-

-

-

-

Испытательное положение: горизонтальное.

Характеристики образцового ПРА

Частота, Гц

Номинальная мощность, Вт

Расчетное напряжение, В

Ток калибровки, А

Отношение напряжения к току, Ом

Коэффициент мощности

50

40

220

0,430

390

0,10

60

-

-

-

-

-

60901-МЭК-3240-1

 

ЛАМПА ЛЮМИНЕСЦЕНТНАЯ ОДНОЦОКОЛЬНАЯ

ЛИСТ С ПАРАМЕТРАМИ

Кольцевая

С.2

МСОЛ: FC-40-E-G10q-32

Информация для расчета ПРА

Частота, Гц

50

60

Ток предварительного подогрева катода, А

не менее

0,378

-

не более

0,882

-

Напряжение холостого хода на стартере (действующее значение), В, не менее

198

-

Пиковое напряжение холостого хода на лампе, В, не более

400

-

Заменяющий резистор для обоих последовательно соединенных катодов, Ом

40

-

Напряжение на стартере с работающей лампой (действующее значение), В, не более

128

-

Рабочий ток лампы, А, не более

*

-

Информация для расчета стартера

Импульсное напряжение, В, не менее

Напряжение неконтактирования, В, не более

Конденсатор для подавления радиопомех, нФ

не менее

не более

400

140

*

*

Информация для расчета ВЧ ПРА

Типичные параметры лампы

Частота, кГц

Мощность лампы, Вт

Напряжение на лампе, В

Ток лампы, А

≥20

32

107

0,310

 

Ток в любом вводе катода, А, не более

*

Рабочий ток лампы, А

не менее

*

не более

*

 

Ток, контролирующий предварительный подогрев

Наименьший ток предварительного подогрева iK, А, за время эмиссии te, с, iK - (a/te+i2m)0,5

a

0,360

im, А

0,360

Наибольший ток предварительного подогрева, А

t ≤ 0,4

1,840

0,4 < t 2,0

2,080 - 0,600 t

t ≥ 2,0

0,880

Напряжение холостого хода на лампе (действующее значение) без ЗВУ, В

tte

не более

*

t >te

не менее

*

Заменяющий резистор для каждого катода, Ом

10

 

Напряжение, контролирующее предварительный подогрев

*

* В стадии рассмотрения.

60901-МЭК-3240-1

 

ЛАМПА ЛЮМИНЕСЦЕНТНАЯ ОДНОЦОКОЛЬНАЯ

ЛИСТ С ПАРАМЕТРАМИ

Двухканальная

С.1

МСОЛ: FSD-24-L/P/L-2G11

Номинальная мощность, Вт

Схема

Катод

Цоколь

24/27

Бесстартерная

Предварительного подогрева

2G11

Размеры, мм

А, не более

В, не более

С, не более

40

20

320

Цоколь: см. лист 7004-82 МЭК 60061-1.

Характеристики зажигания

Частота, Гц

Номинальная мощность ПРА, Вт

Расчетное напряжение ПРА, В

Расстояние до ЗВУ, мм

Напряжение на катоде (действующее значение), В

Напряжение холостого хода (действующее значение), В

Время зажигания, с

50

-

-

-

-

-

-

60

*

*

13

3,05

*

10

Электрические параметры

Частота, Гц

Расчетная мощность, Вт

Напряжение на лампе (действующее значение), В

Расчетный ток лампы, А

расчетное

не менее

не более

50

-

-

-

-

-

60

25,7**

87

79

95

0,335

Испытательное положение: горизонтальное с горизонтальной плоскостью, проходящей через каналы.

Примечание - Для уменьшения времени испытания можно применять другие положения по согласованию между изготовителем и испытательным органом. В спорном случае горизонтальное положение должно быть предпочтительным.

Характеристики катода

Катод

Испытательное напряжение (действующее значение), В

Сопротивление каждого катода, Ом

расчетное

не менее

Низкоомный

3,6

9,6

7,0

* В стадии рассмотрения.

** Включает около 2 Вт на дополнительный нагрев катода с напряжением 3,6 В на каждом катоде.

60901-МЭК-4224-1

 

ЛАМПА ЛЮМИНЕСЦЕНТНАЯ ОДНОЦОКОЛЬНАЯ

ЛИСТ С ПАРАМЕТРАМИ

Двухканальная

С.2

МСОЛ: FSD-24-L/P/L-G11

Характеристики образцового ПРА

Частота, Гц

Номинальная мощность, Вт

Расчетное напряжение, В

Ток калибровки, А

Отношение напряжения к току, Ом

Коэффициент мощности

50

-

-

-

-

-

60

24

236

0,340

605

0,075

Информация для расчета ПРА

Частота, Гц

50

60

Напряжение предварительного подогрева катода (действующее значение), В

не менее

-

3,05

не более

-

4,4

Напряжение холостого хода на лампе (действующее значение), В

Коэффициент амплитуды напряжения

не менее

-

220

не более

-

285

не менее

-

1,8

Напряжение холостого хода (действующее значение) на двух последовательно соединенных лампах, В

Коэффициент амплитуды напряжения

не менее

-

240

не более

-

310

не менее

-

1,75

Заменяющий резистор для каждого катода, Ом

 

9

Коэффициент амплитуды напряжения зажигания, не более

-

2,2

Пиковое напряжение на ЗВУ, В, не менее

-

520

Ток в любом вводе катодов, А, не более

-

0,570

Рабочий ток лампы, А, не более

-

*

Информация для расчета светильника

Наибольший контур лампы: см. лист 60901-МЭК-*, с размером Н, мм

*

Наибольшее расстояние до ЗВУ, мм

13

Опора конца лампы: расстояние от базовой плоскости цоколя, мм

не менее

241

не более

267

Зазор между коленами лампы, мм

не менее

1,8

* В стадии рассмотрения.

60901-МЭК-4224-1

 

ЛАМПА ЛЮМИНЕСЦЕНТНАЯ ОДНОЦОКОЛЬНАЯ

ЛИСТ С ПАРАМЕТРАМИ

Двухканальная

С.1

МСОЛ: FSD-36-L/P/L-2G11

Номинальная мощность, Вт

Схема

Катод

Цоколь

36/39

Бесстартерная

Предварительного подогрева

2G11

Размеры, мм

А, не более

В, не более

С, не более

40

20

415

Цоколь: см. лист 7004-82 МЭК 60061-1.

Характеристики зажигания

Частота, Гц

Номинальная мощность ПРА, Вт

Расчетное напряжение ПРА,В

Расстояние до ЗВУ, мм

Напряжение на катоде (действующее значение), В

Напряжение холостого хода (действующее значение), В

Время зажигания, с

50

-

-

-

-

-

-

60

*

*

13

3,05

*

10

Электрические параметры

Частота, Гц

Расчетная мощность, Вт

Напряжение на лампе (действующее значение), В

Расчетный ток лампы, А

расчетное

не менее

не более

50

-

-

-

-

-

60

38,1**

107

96

118

0,428

Испытательное положение: горизонтальное с горизонтальной плоскостью, проходящей через каналы.

Примечание - Для уменьшения времени испытания можно применять другие положения по согласованию между изготовителем и испытательным органом. В спорном случае горизонтальное положение должно быть предпочтительным.

Характеристики катода

Катод

Испытательное напряжение (действующее значение), В

Сопротивление каждого катода, Ом

расчетное

не менее

Низкоомный

3,6

9,6

7,0

* В стадии рассмотрения.

** Включает около 2 Вт на дополнительный нагрев катода с напряжением 3,6 В на каждом катоде.

60901-МЭК-4236-1

 

ЛАМПА ЛЮМИНЕСЦЕНТНАЯ ОДНОЦОКОЛЬНАЯ

ЛИСТ С ПАРАМЕТРАМИ

Двухканальная

С.2

МСОЛ: FSD-39-L/P/L-2G11

Характеристики образцового ПРА

Частота, Гц

Номинальная мощность, Вт

Расчетное напряжение, В

Ток калибровки, А

Отношение напряжения к току, Ом

Коэффициент мощности

50

-

-

-

-

-

60

36

236

0,430

439

0,075

Информация для расчета ПРА

Частота, Гц

50

60

Напряжение предварительного подогрева катода (действующее значение), В

не менее

-

3,05

не более

-

4,4

Напряжение холостого хода на лампе (действующее значение), В Коэффициент амплитуды напряжения

не менее

-

230

не более

-

300

не менее

-

1,8

Напряжение холостого хода (действующее значение) на двух последовательно соединенных лампах, В Коэффициент амплитуды напряжения

не менее

-

300

не более

-

390

не менее

-

1,6

Заменяющий резистор для каждого катода, Ом

-

9

Коэффициент амплитуды напряжения зажигания, не более

-

2,2

Пиковое напряжение на ЗВУ, В, не менее

-

520

Ток в любом вводе катодов, А, не более

-

0,730

Рабочий ток лампы, А, не более

-

*

Информация для расчета светильника

Наибольший контур лампы: см. лист 60901-МЭК-*, с размером Я, мм

*

Наибольшее расстояние до ЗВУ, мм

13

Опора конца лампы: расстояние от базовой плоскости цоколя, мм

не менее

330

не более

356

Зазор между коленами лампы, мм, не менее

1,8

* В стадии рассмотрения.

60901-МЭК-4236-1

 

ЛАМПА ЛЮМИНЕСЦЕНТНАЯ ОДНОЦОКОЛЬНАЯ

ЛИСТ С ПАРАМЕТРАМИ

Квадратная

С.1

МСОЛ: FSS-10-L/P/H-GR10q

Номинальная мощность, Вт

Схема

Катод

Цоколь

10

Бесстартерная

Предварительного подогрева

GR10q

Размеры, мм

А, не более

В, не более

С, не более

D, не более

Е, не более

F, не более

G

не менее

не более

92

95

34,5

14

34,2

38,2

28,5

29,5

Цоколь: см. лист 7004-77 МЭК 60061-1.

Характеристики зажигания

Частота, Гц

Номинальная мощность ПРА, Вт

Расчетное напряжение ПРА, В

Расстояние до ЗВУ, мм

Напряжение на катоде (действующее значение), В

Напряжение холостого хода (действующее значение), В

Время зажигания, с

50

13

240

6

6,5

*

10

60

-

-

-

-

-

-

Электрические параметры

Частота, Гц

Расчетная мощность, Вт

Напряжение на лампе (действующее значение), В

Расчетный ток лампы, А

расчетное

не менее

не более

50

10,5

72

65

79

0,180

60

-

-

-

-

-

Испытательное положение: горизонтальное.

Характеристики катода

Катод

Испытательное напряжение (действующее значение), В

Сопротивление каждого катода, Ом

расчетное

не менее

Высокоомный

8

55

40

* В стадии рассмотрения.

60901-МЭК-5010-1

 

ЛАМПА ЛЮМИНЕСЦЕНТНАЯ ОДНОЦОКОЛЬНАЯ

ЛИСТ С ПАРАМЕТРАМИ

Квадратная

С.2

МСОЛ: FSS-10-L/P/H-GR10q

Характеристики образцового ПРА

Частота, Гц

Номинальная мощность, Вт

Расчетное напряжение, В

Ток калибровки, А

Отношение напряжения к току, Ом

Коэффициент мощности

50

10

220

0,180

1070

0,12

60

-

-

-

-

-

Информация для расчета ПРА

Частота, Гц

50

60

Напряжение предварительного подогрева катода (действующее значение), В

не менее

6,5

-

не более

11

-

Напряжение холостого хода на лампе, В

действующее значение, не менее

*

-

пиковое, не более

*

-

Заменяющий резистор для каждого катода, Ом

 

*

-

Пиковое напряжение на ЗВУ, В, не менее

 

*

-

Ток в любом вводе катодов, А, не более

 

0,315

-

Рабочий ток лампы, А, не более

 

*

-

Информация для расчета светильника

Наибольший контур лампы: см. лист 60901-МЭК-В010

Наибольшее расстояние до ЗВУ, мм

6

* В стадии рассмотрения.

60901-МЭК-5010-1

 

ЛАМПА ЛЮМИНЕСЦЕНТНАЯ ОДНОЦОКОЛЬНАЯ

ЛИСТ С ПАРАМЕТРАМИ

Квадратная

С.1

МСОЛ: FSS-16-L/P/H-GR10q

Номинальная мощность, Вт

Схема

Катод

Цоколь

16

Бесстартерная

Предварительного подогрева

GR10q

Размеры, мм

А, не более

В, не более

С, не более

D, не более

Е, не более

F, не более

G

не менее

не более

138

141

27,5

15

41

40

49

51

Цоколь: см. лист 7004-77 МЭК 60061-1.

Характеристики зажигания

Частота, Гц

Номинальная мощность ПРА, Вт

Расчетное напряжение ПРА, В

Расстояние до ЗВУ, мм

Напряжение на катоде (действующее значение), В

Напряжение холостого хода (действующее значение), В

Время зажигания, с

50

16

240

6

6,5

*

10

60

-

-

-

-

-

-

Электрические параметры

Частота, Гц

Расчетная мощность, Вт

Напряжение на лампе (действующее значение), В

Расчетный ток лампы, А

расчетное

не менее

не более

50

16

103

93

113

0,195

60

-

-

-

-

-

Испытательное положение: горизонтальное.

Характеристики катода

Катод

Испытательное напряжение (действующее значение), В

Сопротивление каждого катода, Ом

расчетное

не менее

Высокоомный

8

65

50

* В стадии рассмотрения.

60901-МЭК-5016-1

 

ЛАМПА ЛЮМИНЕСЦЕНТНАЯ ОДНОЦОКОЛЬНАЯ

ЛИСТ С ПАРАМЕТРАМИ

Квадратная

С.2

МСОЛ: FSS-16-L/P/H-GR10q

Характеристики образцового ПРА

Частота, Гц

Номинальная мощность, Вт

Расчетное напряжение, В

Ток калибровки, А

Отношение напряжения к току, Ом

Коэффициент мощности

50

16

220

0,195

890

0,12

60

-

-

-

-

-

Информация для расчета ПРА

Частота, Гц

50

60

Напряжение предварительного подогрева катода (действующее значение), В

не менее

6,5

-

не более

11

-

Напряжение холостого хода на лампе, В

действующее значение, не менее

*

-

пиковое, не более

*

-

Заменяющий резистор для каждого катода, Ом

*

-

Пиковое напряжение на ЗВУ, В, не менее

*

-

Ток в любом вводе катодов, А, не более

0,280

-

Рабочий ток лампы, А, не более

*

-

Информация для расчета светильника

Наибольший контур лампы: см. лист 60901-МЭК-В010

Наибольшее расстояние до ЗВУ, мм

6

* В стадии рассмотрения.

60901-МЭК-5016-1

 

ЛАМПА ЛЮМИНЕСЦЕНТНАЯ ОДНОЦОКОЛЬНАЯ

ЛИСТ С ПАРАМЕТРАМИ

Квадратная

С.1

МСОЛ: FSS-21-L/P/H-GR10q

Номинальная мощность, Вт

Схема

Катод

Цоколь

21

Бесстартерная

Предварительного подогрева

GR10q

Размеры, мм

А, не более

В, не более

С, не более

D, не более

Е, не более

F, не более

G

не менее

не более

138

141

27,5

15

41

40

49

51

Цоколь: см. лист 7004-77 МЭК 60061-1.

Характеристики зажигания

Частота, Гц

Номинальная мощность ПРА, Вт

Расчетное напряжение ПРА, В

Расстояние до ЗВУ, мм

Напряжение на катоде (действующее значение), В

Напряжение холостого хода (действующее значение), В

Время зажигания, с

50

21

240

6

6,5

*

10

60

-

-

-

-

-

-

Электрические параметры

Частота, Гц

Расчетная мощность, Вт

Напряжение на лампе (действующее значение), В

Расчетный ток лампы, А

расчетное

не менее

не более

50

21

103

92

112

0,260

60

-

-

-

-

-

Испытательное положение: горизонтальное.

Характеристики катода

Катод

Испытательное напряжение (действующее значение), В

Сопротивление каждого катода, Ом

расчетное

не менее

Высокоомный

8

35

25

* В стадии рассмотрения.

60901-МЭК-5021-1

 

ЛАМПА ЛЮМИНЕСЦЕНТНАЯ ОДНОЦОКОЛЬНАЯ

ЛИСТ С ПАРАМЕТРАМИ

Квадратная

С.2

МСОЛ: FSS-21-L/P/H-GR10q

Характеристики образцового ПРА

Частота, Гц

Номинальная мощность, Вт

Расчетное напряжение, В

Ток калибровки, А

Отношение напряжения к току, Ом

Коэффициент мощности

50

21

205

0,260

605

0,10

60

-

-

-

-

-

Информация для расчета ПРА

Частота, Гц

50

60

Напряжение предварительного подогрева катода, В

не менее

6,5

-

не более

11

-

Напряжение холостого хода на лампе, В

действующее значение, не менее

*

-

пиковое, не более

*

-

Заменяющий резистор для каждого катода, Ом

*

-

Напряжение на ЗВУ, В, не менее

*

-

Ток в любом вводе катодов, А, не более

0,450

-

Рабочий ток лампы, А, не более

*

-

Информация для расчета светильника

Наибольший контур лампы: см. лист 60901-МЭК-В020

Наибольшее расстояние до ЗВУ, мм

6

* В стадии рассмотрения.

60901-МЭК-5021-1

 

ЛАМПА ЛЮМИНЕСЦЕНТНАЯ ОДНОЦОКОЛЬНАЯ

ЛИСТ С ПАРАМЕТРАМИ

Квадратная

С.1

МСОЛ: FSS-28-L/P/L-GR10q

Номинальная мощность, Вт

Схема

Катод

Цоколь

28

Бесстартерная

Предварительного подогрева

GR10q

Размеры, мм

А, не более

В, не более

С, не более

D, не более

Е, не более

F, не более

G

не менее

не более

205

207

33

24

41

49

74

77

Цоколь: см. лист 7004-77 МЭК 60061-1.

Характеристики зажигания

Частота, Гц

Номинальная мощность ПРА, Вт

Расчетное напряжение ПРА, В

Расстояние до ЗВУ, мм

Напряжение на катоде (действующее значение), В

Напряжение холостого хода (действующее значение), В

Время зажигания, с

50

28

240

13

3,05

250

10

60

-

-

-

-

-

-

Электрические параметры

Частота, Гц

Расчетная мощность, Вт

Напряжение на лампе (действующее значение), В

Расчетный ток лампы, А

расчетное

не менее

не более

50

28

108

98

118

0,320

60

-

-

-

-

-

Испытательное положение: горизонтальное.

Характеристики катода

Катод

Испытательное напряжение (действующее значение), В

Сопротивление каждого катода, Ом

расчетное

не менее

Низкоомный

3,6

9

7

60901-МЭК-5028-1

 

ЛАМПА ЛЮМИНЕСЦЕНТНАЯ ОДНОЦОКОЛЬНАЯ

ЛИСТ С ПАРАМЕТРАМИ

Квадратная

С.2

МСОЛ: FSS-28-L/P/L-GR10q

Характеристики образцового ПРА

Частота, Гц

Номинальная мощность, Вт

Расчетное напряжение, В

Ток калибровки, А

Отношение напряжения к току, Ом

Коэффициент мощности

50

28

210

0,320

480

0,10

60

-

-

-

-

-

Информация для расчета ПРА

Частота, Гц

50

60

Напряжение предварительного подогрева катода (действующее значение), В

не менее

3,05

-

не более

4,4

-

Напряжение холостого хода на лампе, В

действующее значение, не менее

250

-

пиковое, не более

500

-

Заменяющий резистор для каждого катода, Ом

*

-

Пиковое напряжение на ЗВУ, В, не менее

*

-

Ток в любом вводе катодов, А, не более

0,530

-

Рабочий ток лампы, А, не более

*

-

Информация для расчета светильника

Наибольший контур лампы: см. лист 60901-МЭК-В030

Наибольшее расстояние до ЗВУ, мм

13

* В стадии рассмотрения.

60901-МЭК-5028-1

 

ЛАМПА ЛЮМИНЕСЦЕНТНАЯ ОДНОЦОКОЛЬНАЯ

ЛИСТ С ПАРАМЕТРАМИ

Квадратная

С.1

МСОЛ: FSS-38-L/P/L-GR10q

Номинальная мощность, Вт

Схема

Катод

Цоколь

38

Бесстартерная

Предварительного подогрева

GR10q

Размеры, мм

А, не более

В, не более

С, не более

D, не более

Е, не более

F, не более

G

не менее

не более

205

207

33

24

41

49

74

77

Цоколь: см. лист 7004-77 МЭК 60061-1.

Характеристики зажигания

Частота, Гц

Номинальная мощность ПРА, Вт

Расчетное напряжение ПРА, В

Расстояние до ЗВУ, мм

Напряжение на катоде (действующее значение), В

Напряжение холостого хода (действующее значение), В

Время зажигания, с

50

38

240

13

3,05

250

10

60

-

-

-

-

-

-

Электрические параметры

Частота, Гц

Расчетная мощность, Вт

Напряжение на лампе (действующее значение), В

Расчетный ток лампы, А

расчетное

не менее

не более

50

38,5

110

100

120

0,430

60

-

-

-

-

-

Испытательное положение: горизонтальное.

Характеристики катода

Катод

Испытательное напряжение (действующее значение), В

Сопротивление каждого катода, Ом

расчетное

не менее

Низкоомный

3,6

9

7

60901-МЭК-5038-1

 

ЛАМПА ЛЮМИНЕСЦЕНТНАЯ ОДНОЦОКОЛЬНАЯ

ЛИСТ С ПАРАМЕТРАМИ

Квадратная

С.2

МСОЛ: FSS-38-L/P/L-GR10q

Характеристики образцового ПРА

Частота, Гц

Номинальная мощность, Вт

Расчетное напряжение, В

Ток калибровки, А

Отношение напряжения к току, Ом

Коэффициент мощности

50

40

220

0,430

390

0,10

60

-

-

-

-

-

Информация для расчета ПРА

Частота, Гц

50

60

Напряжение предварительного подогрева катода (действующее значение), В

не менее

3,05

-

не более

4,4

-

Напряжение холостого хода на лампе, В

действующее значение, не менее

250

-

пиковое, не более

500

-

Заменяющий резистор для каждого катода, Ом

*

-

Пиковое напряжение на ЗВУ, В, не менее

*

-

Ток в любом вводе катодов, А, не более

0,700

-

Рабочий ток лампы, А, не более

*

-

Информация для расчета светильника

Наибольший контур лампы: см. лист 60901-МЭК-В030

Наибольшее расстояние до ЗВУ, мм

13

* В стадии рассмотрения.

60901-МЭК-5038-1

 

ЛАМПА ЛЮМИНЕСЦЕНТНАЯ ОДНОЦОКОЛЬНАЯ

ЛИСТ С ПАРАМЕТРАМИ

Кольцевая

С.1

МСОЛ: FC-22-L/P/L-G10q-29

Номинальная мощность, Вт

Схема

Катод

Цоколь

22 (D29)

Бесстартерная

Предварительного подогрева

G10q

Размеры, мм

А

В

С и D

D1

не менее

не более

не менее

не более

не менее

не более

не менее

не более

149,1

155,6

147,6

157,2

203,2

215,9

26,2

30,9

Цоколь: см. лист 7004-54 МЭК 60061-1.

Характеристики зажигания

Частота, Гц

Номинальная мощность ПРА, Вт

Расчетное напряжение ПРА, В

Расстояние до ЗВУ, мм

Напряжение на катоде (действующее значение), В

Напряжение холостого хода (действующее значение), В

Время зажигания, с

50

-

-

-

-

-

-

60

22

120/240

13

3,05

*

10

Электрические параметры

Частота, Гц

Расчетная мощность, Вт

Напряжение на лампе (действующее значение), В

Расчетный ток лампы, А

расчетное

не менее

не более

50

-

-

-

-

-

60

22,5**

61

55

67

0,370

Характеристики катода

Катод

Испытательное напряжение (действующее значение), В

Сопротивление каждого катода, Ом

расчетное

не менее

Низкоомный

3,6

9,6

7,0

Испытательное положение: горизонтальное.

* В стадии рассмотрения.

** Включает около 2 Вт для дополнительного нагрева катода с напряжением 3,6 В на каждом катоде.

60901-МЭК-5222-1

 

ЛАМПА ЛЮМИНЕСЦЕНТНАЯ ОДНОЦОКОЛЬНАЯ

ЛИСТ С ПАРАМЕТРАМИ

Кольцевая

С.2

МСОЛ: FC-22-L/P/L-G10q-29

Характеристики образцового ПРА

Частота, Гц

Номинальная мощность, Вт

Расчетное напряжение, В

Ток калибровки, А

Отношение напряжения к току, Ом

Коэффициент мощности

50

-

-

-

-

-

60

22

236

0,370

575

0,075

Информация для расчета ПРА

Частота, Гц

50

60

Напряжение предварительного подогрева катода (действующее значение), В

не менее

-

3,05

не более

-

5,5

Напряжение холостого хода на лампе, В

действующее значение, не менее

-

180

пиковое, не более

-

*

Заменяющий резистор для каждого катода, Ом

-

9*

Пиковое напряжение на ЗВУ, В, не менее

-

290

Ток в любом вводе катодов, А, не более

-

*

Рабочий ток лампы, А, не более

-

*

Информация для расчета светильника

Наибольшее расстояние до ЗВУ, мм

13

* В стадии рассмотрения.

60901-МЭК-5222-1

 

ЛАМПА ЛЮМИНЕСЦЕНТНАЯ ОДНОЦОКОЛЬНАЯ

ЛИСТ С ПАРАМЕТРАМИ

Кольцевая

С.1

МСОЛ: FC-32-L/P/L-G10q-32

Номинальная мощность, Вт

Схема

Катод

Цоколь

32 (D32)

Бесстартерная

Предварительного подогрева

G10q

Размеры, мм

А

В

С и D

D1

не менее

не более

не менее

не более

не менее

не более

не менее

не более

239,7

246,1

236,5

246,1

298,5

311,2

29,4

34,1

Цоколь: см. лист 7004-54 МЭК 60061-1.

Характеристики зажигания

Частота, Гц

Номинальная мощность ПРА, Вт

Расчетное напряжение ПРА, В

Расстояние до ЗВУ, мм

Напряжение на катоде (действующее значение), В

Напряжение холостого хода (действующее значение), В

Время зажигания, с

50

-

-

-

-

-

-

60

32

120/240

13

3,05

200

10

Электрические параметры

Частота, Гц

Расчетная мощность, Вт

Напряжение на лампе (действующее значение), В

Расчетный ток лампы, А

расчетное

не менее

не более

50

-

-

-

-

-

60

33*

81

73

89

0,425

Испытательное положение: горизонтальное.

Характеристики катода

Катод

Испытательное напряжение (действующее значение), В

Сопротивление каждого катода, Ом

расчетное

не менее

Низкоомный

3,6

9,6

7,0

* Включает около 2 Вт для дополнительного нагрева катода с напряжением 3,6 В на каждом катоде.

60901-МЭК-5232-1

 

ЛАМПА ЛЮМИНЕСЦЕНТНАЯ ОДНОЦОКОЛЬНАЯ

ЛИСТ С ПАРАМЕТРАМИ

Кольцевая

С.2

МСОЛ: FC-32-L/P/L-G10q-32

Характеристики образцового ПРА

Частота, Гц

Номинальная мощность, Вт

Расчетное напряжение, В

Ток калибровки, А

Отношение напряжения к току, Ом

Коэффициент мощности

50

-

-

-

-

__

60

32

236

0,425

470

0,075

Информация для расчета ПРА

Частота, Гц

50

60

Напряжение предварительного подогрева катода (действующее значение), В

не менее

-

3,05

не более

-

5,5

Напряжение холостого хода на лампе, В

действующее значение, не менее

-

200

пиковое, не более

-

*

Заменяющий резистор для каждого катода, Ом

-

9*

Пиковое напряжение на ЗВУ, В, не менее

-

290

Ток в любом вводе катодов, А, не более

-

*

Рабочий ток лампы, А, не более

-

*

Информация для расчета светильника

Наибольшее расстояние до ЗВУ, мм

13

* В стадии рассмотрения.

60901-МЭК-5232-1

 

ЛАМПА ЛЮМИНЕСЦЕНТНАЯ ОДНОЦОКОЛЬНАЯ

ЛИСТ С ПАРАМЕТРАМИ

Кольцевая

С.1

МСОЛ: FC-40-L/P/L-G10q-32

Номинальная мощность, Вт

Схема

Катод

Цоколь

40 (D32)

Бесстартерная

Предварительного подогрева

G10q

Размеры, мм

А

В

С и D

D1

не менее

не более

не менее

не более

не менее

не более

не менее

не более

341,3

347,7

338,1

347,7

400,0

412,8

29,4

34,1

Цоколь: см. лист 7004-54 МЭК 60061-1.

Характеристики зажигания

Частота, Гц

Номинальная мощность ПРА, Вт

Расчетное напряжение ПРА, В

Расстояние до ЗВУ, мм

Напряжение на катоде (действующее значение), В

Напряжение холостого хода (действующее значение), В

Время зажигания, с

50

-

-

-

-

-

-

60

40

120/240

13

3,05

205

10

Электрические параметры

Частота, Гц

Расчетная мощность, Вт

Напряжение на лампе (действующее значение), В

Расчетный ток лампы, А

расчетное

не менее

не более

50

-

-

-

-

-

60

.41,5*

108

97

119

0,415

Испытательное положение: горизонтальное.

Характеристики катода

Катод

Испытательное напряжение (действующее значение), В

Сопротивление каждого катода, Ом

расчетное

не менее

Низкоомный

3,6

9,6

7,0

* Включает около 2 Вт для дополнительного нагрева катода с напряжением 3,6 В на каждом катоде.

60901-МЭК-5240-1

 

ЛАМПА ЛЮМИНЕСЦЕНТНАЯ ОДНОЦОКОЛЬНАЯ

ЛИСТ С ПАРАМЕТРАМИ

Кольцевая

С.2

МСОЛ: FC-40-L/P/L-G10q-32

Характеристики образцового ПРА

Частота, Гц

Номинальная мощность, Вт

Расчетное напряжение, В

Ток калибровки, А

Отношение напряжения к току, Ом

Коэффициент мощности

50

-

-

-

-

-

60

40

236

0,420

439

0,075

Информация для расчета ПРА

Частота, Гц

50

60

Напряжение предварительного подогрева катода (действующее значение), В

не менее

-

3,05

не более

-

5,5

Напряжение холостого хода на лампе, В

действующее значение, не менее

-

205

пиковое, не более

-

*

Заменяющий резистор для каждого катода, Ом

-

9*

Пиковое напряжение на ЗВУ, В, не менее

-

290

Ток в любом вводе катодов, А, не более

-

*

Рабочий ток лампы, А, не более

-

*

Информация для расчета светильника

Наибольшее расстояние до ЗВУ, мм

13

* В стадии рассмотрения.

60901-МЭК-5240-1

 

ЛАМПА ЛЮМИНЕСЦЕНТНАЯ ОДНОЦОКОЛЬНАЯ

ЛИСТ С ПАРАМЕТРАМИ

С.1

ВЧ

Двухканальная

МСОЛ: FSDH-40-L/P-2G11

Номинальная мощность, Вт

Схема

Катод

Цоколь

40

ВЧ бесстартерная

Предварительного подогрева

2G11

Размеры, мм

А, не более

В, не более

С, не более

40

20

535

Цоколь: см. лист 7004-82 МЭК 60061-1.

Характеристики зажигания

Частота, кГц

Ток предварительного подогрева, А

Время предварительного подогрева, с

Напряжение холостого хода (действующее значение), В

Время зажигания, с

20-26

0,470

2

350

0,1

Электрические параметры

Частота, кГц

Расчетная мощность, Вт

Напряжение на лампе (действующее значение), В

Расчетный ток лампы, А

расчетное

не менее

не более

20-26

40

126

116

136

0,320

Испытательное положение: горизонтальное с горизонтальной плоскостью, проходящей через каналы.

Примечание - Для уменьшения времени испытания можно применять другие положения по согласованию между изготовителем и испытательным органом. В спорном случае горизонтальное положение должно быть предпочтительным.

Характеристики катода

Испытательный ток, А

Сопротивление каждого катода, Ом

расчетное

не менее

не более

0,470

16

11

*

* В стадии рассмотрения.

60901-МЭК-6240-1

 

ЛАМПА ЛЮМИНЕСЦЕНТНАЯ ОДНОЦОКОЛЬНАЯ

ЛИСТ С ПАРАМЕТРАМИ

С.2

ВЧ

Двухканальная

МСОЛ: FSDH-40-L/P-2G11

Характеристики образцового ПРА

Частота, кГц

Номинальная мощность, Вт

Расчетное напряжение, В

Ток калибровки, А

Сопротивление, Ом

20-26

40

254

0,320

400

Информация для расчета ВЧ ПРА

Частота, кГц

≥20

Ток в любом вводе катодов, А, не более

0,640

Рабочий ток лампы, А

не менее

0,260

не более

0,425

 

Ток, контролирующий предварительный подогрев

Наименьший ток предварительного подогрева iK, А, за время эмиссии te, с, te, c, iK = (a/te+i2m)0,5

а

0,290

im, А

0,310

Наибольший ток предварительного подогрева, А

t ≤ 0,4

1,200

0,4 < t< 2,0

1,350-0,350 t

t ≥ 2,0

0,650

Напряжение холостого хода на лампе (действующее значение) без ЗВУ, В

ttе

не более

220

t >tе

не менее

360

Заменяющий резистор для каждого катода, Ом

12,5

 

Напряжение, контролирующее предварительный подогрев

*

Информация для расчета светильника

Наибольший контур лампы: см. лист 60901-МЭК-А210, с размером Н, мм

535

Опора конца лампы: расстояние от базовой плоскости цоколя, мм

не менее

450

не более

485

Зазор между коленами лампы, мм, не менее

1,8

* В стадии рассмотрения.

60901-МЭК-6240-1

 

ЛАМПА ЛЮМИНЕСЦЕНТНАЯ ОДНОЦОКОЛЬНАЯ

ЛИСТ С ПАРАМЕТРАМИ

С.1

ВЧ

Двухканальная

МСОЛ: FSDH-55-L/P-2G11

Номинальная мощность, Вт

Схема

Катод

Цоколь

55

ВЧ бесстартерная

Предварительного подогрева

2G11

Размеры, мм

А, не более

В, не более

С, не более

40

20

535

Цоколь: см. лист 7004-82 МЭК 60061-1

Характеристики зажигания

Частота, кГц

Ток предварительного подогрева, А

Время предварительного подогрева, с

Напряжение холостого хода (действующее значение), В

Время зажигания, с

20-26

0,760

2

350

0,1

Электрические параметры

Частота, кГц

Расчетная мощность, Вт

Напряжение на лампе (действующее значение), В

Расчетный ток лампы, А

расчетное

не менее

не более

20-26

55

101

91

111

0,550

Испытательное положение: горизонтальное с горизонтальной плоскостью, проходящей через каналы.

Примечание - Для уменьшения времени испытания можно применять другие положения по согласованию между изготовителем и испытательным органом. В спорном случае горизонтальное положение должно быть предпочтительным.

Характеристики катода

Испытательный ток, А

Сопротивление каждого катода, Ом

расчетное

не менее

не более

0,545

8,0

6,4

9,6

60901-МЭК-6255-1

 

ЛАМПА ЛЮМИНЕСЦЕНТНАЯ ОДНОЦОКОЛЬНАЯ

ЛИСТ С ПАРАМЕТРАМИ

С.2

ВЧ

Двухканальная

МСОЛ: FSDH-55-L/P-2G11

Характеристики образцового ПРА

Частота, кГц

Номинальная мощность, Вт

Расчетное напряжение, В

Ток калибровки, А

Сопротивление, Ом

20-26

55

202

0,550

185

Информация для расчета ВЧ ПРА

Частота, кГц

≥20

Ток в любом вводе катодов, А, не более

0,780

Рабочий ток лампы, А

не менее

0,450

не более

0,650

 

Ток, контролирующий предварительный подогрев

Наименьший ток предварительного подогрева iK, А, за время эмиссии te, с, te, c, iK = (a/te+i2m)0,5

а

0,580

im, А

0,525

Наибольший ток предварительного подогрева, А

t ≤ 0,4

1,800

0,4 < t< 2,0

2,000-0,500 t

t ≥ 2,0

1,000

Напряжение холостого хода на лампе (действующее значение) без ЗВУ, В

ttе

не более

220

t >tе

не менее

360

Заменяющий резистор для каждого катода, Ом

7

 

Напряжение, контролирующее предварительный подогрев

*

Информация для расчета светильника

Наибольший контур лампы: см. лист 60901-МЭК-А210, с размером Н, мм

535

Опора конца лампы: расстояние от базовой плоскости цоколя, мм

не менее

450

не более

485

Промежуток между каналами лампы, мм, не менее

1,8

* В стадии рассмотрения.

60901-МЭК-6255-1

 

ЛАМПА ЛЮМИНЕСЦЕНТНАЯ ОДНОЦОКОЛЬНАЯ ЛИСТ С ПАРАМЕТРАМИ

С.1

ВЧ

Многоканальная

МСОЛ: FSMH-12-L/P-2GX24q-l

Номинальная мощность, Вт

Схема

Катод

Цоколь

12

ВЧ бесстартерная

Предварительного подогрева

GX24q-l

Размеры, мм

А, не более

В, не более

С, не более

52

52

90

Цоколь: см. лист 7004-78 МЭК 60061-1.

Характеристики зажигания

Частота, кГц

Ток предварительного подогрева, А

Время предварительного подогрева, с

Напряжение холостого хода (действующее значение), В

Время зажигания, с

20-26

0,175

2

380

0,1

Электрические параметры

Частота, кГц

Расчетная мощность, Вт

Напряжение на лампе (действующее значение), В

Расчетный ток лампы, А

расчетное

не менее

не более

20-26

12,5

77

67

87

0,165

Испытательное положение: вертикальное, цоколем вверх.

Характеристики катода

Испытательный ток, А

Сопротивление каждого катода, Ом

расчетное

не менее

не более

0,135

40

30

50

60901-МЭК-7412-1

 

ЛАМПА ЛЮМИНЕСЦЕНТНАЯ ОДНОЦОКОЛЬНАЯ ЛИСТ С ПАРАМЕТРАМИ

С.2

ВЧ

Многоканальная

МСОЛ: FSMH-12-L/P-GX24q-l

Характеристики образцового ПРА

Частота, кГц

Номинальная мощность, Вт

Расчетное напряжение, В

Ток калибровки, А

Сопротивление, Ом

20-26

12

155

0,165

470

Информация для расчета ВЧ ПРА

Частота, кГц

≥20

Ток в любом вводе катодов, А, не более

0,240

Рабочий ток лампы, А

не менее

0,120

не более

0,190

 

Ток, контролирующий предварительный подогрев

Наименьший ток предварительного подогрева iK, А, за время эмиссии te, с, te, c, iK = (a/te+i2m)0,5

а

0,025

im, А

0,135

Наибольший ток предварительного подогрева, А

t ≤0,4

0,400

0,4 < t < 2,0

0,430-0,090?

t ≥ 2,0

0,250

Напряжение холостого хода на лампе (действующее значение) без ЗВУ, В

tte

не более

190

t > te (+10°C)

не менее

380

t > tе (-15°С)

не менее

410*

Заменяющий резистор для каждого катода, Ом

50

 

Напряжение, контролирующее предварительный подогрев

*

Информация для расчета светильника

Наибольший контур лампы: см. лист 60901-МЭК-А210, с размером Н, мм

*

* В стадии рассмотрения.

60901-МЭК-7412-1

 

ЛАМПА ЛЮМИНЕСЦЕНТНАЯ ОДНОЦОКОЛЬНАЯ ЛИСТ С ПАРАМЕТРАМИ

С.1

ВЧ

Многоканальная

МСОЛ: FSMH-16-L/P-2GX24q-2

Номинальная мощность, Вт

Схема

Катод

Цоколь

16

ВЧ бесстартерная

Предварительного подогрева

GX24q-2

Размеры, мм

А, не более

В, не более

С, не более

52

52

ПО

Цоколь: см. лист 7004-78 МЭК 60061-1.

Характеристики зажигания

Частота, кГц

Ток предварительного подогрева, А

Время предварительного подогрева, с

Напряжение холостого хода (действующее значение), В

Время зажигания, с

20-26

0,220

2

400

0,1

Электрические параметры

Частота, кГц

Расчетная мощность, Вт

Напряжение на лампе (действующее значение), В

Расчетный ток лампы, А

расчетное

не менее

не более

20-26

16,5

80

70

90

0,210

Испытательное положение: вертикальное, цоколем вверх.

Характеристики катода

Испытательный ток, А

Сопротивление каждого катода, Ом

расчетное

не менее

не более

0,170

24

18

30

60901-МЭК-7416-1

 

ЛАМПА ЛЮМИНЕСЦЕНТНАЯ ОДНОЦОКОЛЬНАЯ ЛИСТ С ПАРАМЕТРАМИ

С.2

ВЧ

Многоканальная

МСОЛ: FSMH-16-L/P-GX24q-2

Характеристики образцового ПРА

Частота, кГц

Номинальная мощность, Вт

Расчетное напряжение, В

Ток калибровки, А

Сопротивление, Ом

20-26

16

160

0,210

380

Информация для расчета ВЧ ПРА

Частота, кГц

≥20

Ток в любом вводе катодов, А, не более

0,330

Рабочий ток лампы, А

не менее

0,160

не более

0,240

 

Ток, контролирующий предварительный подогрев

Наименьший ток предварительного подогрева iK, А, за время эмиссии te, с, te, c, iK = (a/te+i2m)0,5

а

0,044

im, А

0,170

Наибольший ток предварительного подогрева, А

t ≤0,4

0,500

0,4 < t < 2,0

0,550-0,115t

t ≥ 2,0

0,320

Напряжение холостого хода на лампе (действующее значение) без ЗВУ, В

tte

не более

220

t > te (+10°C)

не менее

400

t > tе (-15°С)

не менее

440*

Заменяющий резистор для каждого катода, Ом

30

 

Напряжение, контролирующее предварительный подогрев

*

Информация для расчета светильника

Наибольший контур лампы: см. лист 60901-МЭК-*, с размером Н, мм

-

* В стадии рассмотрения.

60901-МЭК-7416-1

 

ЛАМПА ЛЮМИНЕСЦЕНТНАЯ ОДНОЦОКОЛЬНАЯ ЛИСТ С ПАРАМЕТРАМИ

С.1

ВЧ

Многоканальная

МСОЛ: FSMH-24-L/P-GX24q-3

Номинальная мощность, Вт

Схема

Катод

Цоколь

24

ВЧ бесстартерная

Предварительного подогрева

GX24q-3

Размеры, мм

А, не более

В, не более

С, не более

52

52

130

Цоколь: см. лист 7004-78 МЭК 60061-1.

Характеристики зажигания

Частота, кГц

Ток предварительного подогрева, А

Время предварительного подогрева, с

Напряжение холостого хода (действующее значение), В

Время зажигания, с

20-26

0,360

2

420

0.1

Электрические параметры

Частота, кГц

Расчетная мощность, Вт

Напряжение на лампе (действующее значение), В

Расчетный ток лампы, А

расчетное

не менее

не более

20-26

24

80

70

90

0,300

Испытательное положение: вертикальное, цоколем вверх.

Характеристики катода

Испытательный ток, А

Сопротивление каждого катода, Ом

расчетное

не менее

не более

0,250

12

9

15

60901-МЭК-7424-1

 

ЛАМПА ЛЮМИНЕСЦЕНТНАЯ ОДНОЦОКОЛЬНАЯ ЛИСТ С ПАРАМЕТРАМИ

С.2

ВЧ

Многоканальная

МСОЛ: FSMH-24-L/P-GX24q-3

Характеристики образцового ПРА

Частота, кГц

Номинальная мощность, Вт

Расчетное напряжение, В

Ток калибровки, А

Сопротивление, Ом

20-26

24

160

0,300

265

Информация для расчета ВЧ ПРА

Частота, кГц

≥20

Ток в любом вводе катодов, А, не более

0,480

Рабочий ток лампы, А

не менее

0,220

не более

0,360

 

Ток, контролирующий предварительный подогрев

Наименьший ток предварительного подогрева iK, А, за время эмиссии te, с, te, c, iK = (a/te+i2m)0,5

а

0,130

im, А

0,250

Наибольший ток предварительного подогрева, А

t ≤0,4

0,850

0,4 < t < 2,0

0,940-0,230 t

t ≥ 2,0

0,480

Напряжение холостого хода на лампе (действующее значение) без ЗВУ, В

tte

не более

240

t > te (+10°C)

не менее

420

t > tе (-15°С)

не менее

480*

Заменяющий резистор для каждого катода, Ом

15

 

Напряжение, контролирующее предварительный подогрев

*

Информация для расчета светильника

Наибольший контур лампы: см. лист 60901-МЭК-*, с размером Н, мм

*

* В стадии рассмотрения.

60901-МЭК-7424-1

 

ЛАМПА ЛЮМИНЕСЦЕНТНАЯ ОДНОЦОКОЛЬНАЯ ЛИСТ С ПАРАМЕТРАМИ

С.1

ВЧ

Многоканальная

МСОЛ: FSMH-32-L/P-GX24q-3

Номинальная мощность, Вт

Схема

Катод

Цоколь

24

ВЧ бесстартерная

Предварительного подогрева

GX24q-3

Размеры, мм

А, не более

В, не более

С, не более

52

52

145

Цоколь: см. лист 7004-78 МЭК 60061-1.

Характеристики зажигания

Частота, кГц

Ток предварительного подогрева, А

Время предварительного подогрева, с

Напряжение холостого хода (действующее значение), В

Время зажигания, с

20-26

0,360

2

220

0,1

Электрические параметры

Частота, кГц

Расчетная мощность, Вт

Напряжение на лампе (действующее значение), В

Расчетный ток лампы, А

расчетное

не менее

не более

20-26

32

100

90

НО

0,320

Испытательное положение: вертикальное, цоколем вверх.

Характеристики катода

Испытательный ток, А

Сопротивление каждого катода, Ом

расчетное

не менее

не более

0,250

12

9

15

60901-МЭК-7432-1

 

ЛАМПА ЛЮМИНЕСЦЕНТНАЯ ОДНОЦОКОЛЬНАЯ ЛИСТ С ПАРАМЕТРАМИ

С.2

ВЧ

Многоканальная

МСОЛ: FSMH-32-L/P-GX24q-3

Характеристики образцового ПРА

Частота, кГц

Номинальная мощность, Вт

Расчетное напряжение, В

Ток калибровки, А

Сопротивление, Ом

20-26

32

200

0,320

315

Информация для расчета ВЧ ПРА

Частота, кГц

≥20

Ток в любом вводе катодов, А, не более

0,480

Рабочий ток лампы, А

не менее

0,220

не более

0,360

 

Ток, контролирующий предварительный подогрев

Наименьший ток предварительного подогрева iK, А, за время эмиссии te, с, te, c, iK = (a/te+i2m)0,5

а

0,130

im, А

0,250

Наибольший ток предварительного подогрева, А

t ≤0,4

0,850

0,4 < t < 2,0

0,940-0,230 t

t ≥ 2,0

0,480

Напряжение холостого хода на лампе (действующее значение) без ЗВУ, В

tte

не более

240

t > te (+10°C)

не менее

440

t > tе (-15°С)

не менее

520*

Заменяющий резистор для каждого катода, Ом

15

 

Напряжение, контролирующее предварительный подогрев

*

Информация для расчета светильника

Наибольший контур лампы: см. лист 60901-МЭК-*, с размером Н, мм

*

* В стадии рассмотрения.

60901-МЭК-7432-1

 

ЛАМПА ЛЮМИНЕСЦЕНТНАЯ ОДНОЦОКОЛЬНАЯ ЛИСТ С ПАРАМЕТРАМИ

С.1

ВЧ

Многоканальная

МСОЛ: FSMH-42-L/P-GX24q-4

Номинальная мощность, Вт

Схема

Катод

Цоколь

42

ВЧ бесстартерная

Предварительного подогрева

GX24q-4

Размеры, мм

А, не более

В, не более

С, не более

52

52

155

Цоколь: см. лист 7004-78 МЭК 60061-1.

Характеристики зажигания

Частота, кГц

Ток предварительного подогрева, А

Время предварительного подогрева, с

Напряжение холостого хода (действующее значение), В

Время зажигания, с

20-26

0,360

2

550

0,1

Электрические параметры

Частота, кГц

Расчетная мощность, Вт

Напряжение на лампе (действующее значение), В

Расчетный ток лампы, А

расчетное

не менее

не более

20-26

43

135

125

145

0,320

Испытательное положение: вертикальное, цоколем вверх.

Характеристики катода

Испытательный ток, А

Сопротивление каждого катода, Ом

расчетное

не менее

не более

0,310

13

10,4

15,6

60901-МЭК-7442-1

 

ЛАМПА ЛЮМИНЕСЦЕНТНАЯ ОДНОЦОКОЛЬНАЯ ЛИСТ С ПАРАМЕТРАМИ

С.2

ВЧ

Многоканальная

МСОЛ: FSMH-42-L/P-GX24q-4

Характеристики образцового ПРА

Частота, кГц

Номинальная мощность, Вт

Расчетное напряжение, В

Ток калибровки, А

Сопротивление, Ом

20-26

42

270

0,320

420

Информация для расчета ВЧ ПРА

Частота, кГц

≥20

Ток в любом вводе катодов, А, не более

0,480

Рабочий ток лампы, А

не менее

0,220

не более

0,360

 

Ток, контролирующий предварительный подогрев

 

Наименьший ток предварительного подогрева iK, А, за время эмиссии te, с, te, c, iK = (a/te+i2m)0,5

а

0,130

im, А

0,250

Наибольший ток предварительного подогрева, А

t ≤ 0,4

0,850

0,4 < t < 2,0

0,940-0,230 t

t2,0

0,480

Напряжение холостого хода на лампе (действующее значение) без ЗВУ, В

tte

не более

265

t > te (+10°C)

не менее

550

t > tе (-15°С)

не менее

575*

Заменяющий резистор для каждого катода, Ом

15

 

Напряжение, контролирующее предварительный подогрев

*

Информация для расчета светильника

Наибольший контур лампы: см. лист 60901-МЭК-*, с размером Н, мм

*

* В стадии рассмотрения.

60901-МЭК-7442-1

 

ЛАМПА ЛЮМИНЕСЦЕНТНАЯ ОДНОЦОКОЛЬНАЯ ЛИСТ С ПАРАМЕТРАМИ

 

ВЧ

Двухканальная

МСОЛ: FSDH-40-L/N-2G11

Номинальная мощность, Вт

Схема

Катод

Цоколь

40

ВЧ бесстартерная

Предварительного подогрева

2G11

Размеры, мм

А, не более

В, не более

С, не более

40

20

535

Цоколь: см. лист 7004-82 МЭК 60061-1.

Характеристики зажигания

Частота, кГц

Напряжение холостого хода (действующее значение), В

Время зажигания, с

20-26

475

0,1

Электрические параметры

Частота, кГц

Расчетная мощность, Вт

Напряжение на лампе (действующее значение), В

Расчетный ток лампы, А

расчетное

не менее

не более

20-26

40

126

116

136

0,320

Испытательное положение: горизонтальное с горизонтальной плоскостью, проходящей через каналы.

Примечание - Для уменьшения времени испытания можно применять другие положения по согласованию между изготовителем и испытательным органом. В спорном случае горизонтальное положение должно быть предпочтительным.

Характеристики образцового ПРА

Частота, кГц

Номинальная мощность, Вт

Расчетное напряжение, В

Ток калибровки, А

Сопротивление, Ом

20-26

40

254

0,320

400

Информация для расчета ВЧ ПРА

Частота, кГц

≥20

Напряжение холостого хода на лампе (действующее значение), В, не менее

800

Ток через резистор, заменяющий лампу, А, не менее

0,200

Резистор, заменяющий лампу, Ом

1000

Заменяющий резистор для каждого катода, Ом

2

Ток катода, А, не более

1,500

Ток в любом вводе катодов, А, не более

0,640

Рабочий ток лампы, А

не менее

0,260

не более

0,425

Информация для расчета светильника

Наибольший контур лампы: см. лист 60901-МЭК-А210, с размером Н, мм

535

Опора конца лампы: расстояние от базовой плоскости цоколя, мм

не менее

450

не более

485

Зазор между каналами лампы, мм, не менее

 

1,8

60901-МЭК-8240-1

2.4. Листы с наибольшими контурами ламп

2.4.1. Перечень листов с наибольшими контурами ламп

Номер листа

Форма

Цоколь

Мощность, Вт

60901-МЭК-А010

Двухканальная

G23, GX23

Все

-А110

»

GY10q

27, 28, 36

-А120

»

CY10q

30

-А210

»

2G11

Все

-А510

Четырехканальная

G24d, G24q

»

-А610

»

GX10q

»

-А710

»

GX32d

»

-В010

Квадратная

GR10q

10

-В020

»

GR8, GR10q

16, 21

-В030

»

GR8, GR10q

28, 38

60901-МЭК-В110

»

2G10

Все

 

 

ЛАМПА ЛЮМИНЕСЦЕНТНАЯ ОДНОЦОКОЛЬНАЯ ЛИСТ С НАИБОЛЬШИМ КОНТУРОМ ЛАМПЫ

 

Цоколь: G23, GХ23

Двухканальная

Размеры в миллиметрах

Все номинальные мощности

Размер Н приведен на соответствующем листе с параметрами лампы.

60901-МЭК-А010-1

 

ЛАМПА ЛЮМИНЕСЦЕНТНАЯ ОДНОЦОКОЛЬНАЯ ЛИСТ С НАИБОЛЬШИМ КОНТУРОМ ЛАМПЫ

 

Цоколь: GY10q

Двухканальная

Размеры в миллиметрах

Номинальная мощность, Вт: 27, 28, 36

Размер Н приведен на соответствующем листе с параметрами лампы.

60901-МЭК-А110-1

 

ЛАМПА ЛЮМИНЕСЦЕНТНАЯ ОДНОЦОКОЛЬНАЯ ЛИСТ С НАИБОЛЬШИМ КОНТУРОМ ЛАМПЫ

 

Цоколь: GY10q

Двухканальная

Размеры в миллиметрах

Номинальная мощность, Вт: 30

Размер Н приведен на соответствующем листе с параметрами лампы.

60901-МЭК-А120-1

 

ЛАМПА ЛЮМИНЕСЦЕНТНАЯ ОДНОЦОКОЛЬНАЯ ЛИСТ С НАИБОЛЬШИМ КОНТУРОМ ЛАМПЫ

 

Цоколь: 2G11

Двухканальная

Размеры в миллиметрах

Все номинальные мощности

Размер Н приведен на соответствующем листе с параметрами лампы.

60901-МЭК-А210-1

 

ЛАМПА ЛЮМИНЕСЦЕНТНАЯ ОДНОЦОКОЛЬНАЯ ЛИСТ С НАИБОЛЬШИМ КОНТУРОМ ЛАМПЫ

 

Цоколь: G24d, G24q

Четырехканальная

Размеры в миллиметрах

Все номинальные мощности

Размер Н приведен на соответствующем листе с параметрами лампы.

60901-МЭК-А510-1

 

ЛАМПА ЛЮМИНЕСЦЕНТНАЯ ОДНОЦОКОЛЬНАЯ ЛИСТ С НАИБОЛЬШИМ КОНТУРОМ ЛАМПЫ

 

Цоколь: GX10q

Четырехканальная

Размеры в миллиметрах

Все номинальные мощности

Размер H приведен на соответствующем листе с параметрами лампы.

60901-МЭК-А610-1

 

ЛАМПА ЛЮМИНЕСЦЕНТНАЯ ОДНОЦОКОЛЬНАЯ ЛИСТ С НАИБОЛЬШИМ КОНТУРОМ ЛАМПЫ

 

Цоколь: GX32d

Четырехканальная

Размеры в миллиметрах

Все номинальные мощности

Размер Н приведен на соответствующем листе с параметрами лампы.

60901-МЭК-А710-1

 

ЛАМПА ЛЮМИНЕСЦЕНТНАЯ ОДНОЦОКОЛЬНАЯ ЛИСТ С НАИБОЛЬШИМ КОНТУРОМ ЛАМПЫ

 

Цоколь: GR10q

Квадратная

Размеры в миллиметрах

Номинальная мощность, Вт: 10

60901-МЭК-В010-1

 

ЛАМПА ЛЮМИНЕСЦЕНТНАЯ ОДНОЦОКОЛЬНАЯ ЛИСТ С НАИБОЛЬШИМ КОНТУРОМ ЛАМПЫ

 

Цоколь: GR8, GR10q

Квадратная

Размеры в миллиметрах

Номинальная мощность, Вт: 16, 21

60901-МЭК-В020-1

 

ЛАМПА ЛЮМИНЕСЦЕНТНАЯ ОДНОЦОКОЛЬНАЯ ЛИСТ С НАИБОЛЬШИМ КОНТУРОМ ЛАМПЫ

 

Цоколь: GR8, GR10q

Квадратная

Размеры в миллиметрах

Номинальная мощность, Вт: 28, 38

60901-МЭК-В030-1

 

ЛАМПА ЛЮМИНЕСЦЕНТНАЯ ОДНОЦОКОЛЬНАЯ ЛИСТ С НАИБОЛЬШИМ КОНТУРОМ ЛАМПЫ

 

Цоколь: 2G10

Квадратная

Размеры в миллиметрах

Все номинальные мощности

Размер Н приведен на соответствующем листе с параметрами лампы.

60901-МЭК-В110-1

Ключевые слова: эксплуатационные требования, параметры, размеры

2008-2013. ГОСТы, СНиПы, СанПиНы - Нормативные документы - стандарты.