Нормативные документы размещены исключительно с целью ознакомления учащихся ВУЗов, техникумов и училищ.
Объявления:

ГОСТ Р МЭК 60081-99

ГОСУДАРСТВЕННЫЙ СТАНДАРТ РОССИЙСКОЙ ФЕДЕРАЦИИ

ЛАМПЫ ЛЮМИНЕСЦЕНТНЫЕ ДВУХЦОКОЛЬНЫЕ

Эксплуатационные требования

СОДЕРЖАНИЕ

Предисловие

1. Общие положения

1.1. Область применения

1.2. Пояснение

1.3. Нормативные ссылки

1.4 Определения

1.5 Требования к лампам

1.6 Информация для расчета ПРА и стартера

1.7 Информация для расчета светильника

ПРИЛОЖЕНИЕ А (обязательное) Метод испытания характеристик зажигания

ПРИЛОЖЕНИЕ В (обязательное) Метод испытаний электрических и световых параметров и характеристик катода

ПРИЛОЖЕНИЕ С (обязательное) Метод испытания стабильности светового потока и продолжительности горения

ПРИЛОЖЕНИЕ D (обязательное) Координаты цветности

ПРИЛОЖЕНИЕ Е (справочное) Информация для расчета ПРА и стартера

ПРИЛОЖЕНИЕ F (справочное) Информация для расчета светильника

ПРИЛОЖЕНИЕ G (справочное) Соответствие стандартов МЭК государственным стандартам 

Предисловие

1 РАЗРАБОТАН И ВНЕСЕН Всероссийским научно-исследовательским институтом источников света имени А.Н. Лодыгина (ОАО «Лисма - ВНИИИС»)

2. ПРИНЯТ И ВВЕДЕН В ДЕЙСТВИЕ Постановлением Госстандарта России от 30 сентября 1999 г. № 318-ст

3. Настоящий стандарт представляет собой аутентичный текст международного стандарта МЭК 60081-97 «Лампы люминесцентные двухцокольные. Эксплуатационные требования»

4. ВВЕДЕН ВПЕРВЫЕ

ГОСТ Р МЭК 60081-99

ГОСУДАРСТВЕННЫЙ СТАНДАРТ РОССИЙСКОЙ ФЕДЕРАЦИИ

ЛАМПЫ ЛЮМИНЕСЦЕНТНЫЕ ДВУХЦОКОЛЬНЫЕ

Эксплуатационные требования

Double-capped fluorescent lamps. Performance requirements

Дата введения 2001-01-01

1. Общие положения

1.1. Область применения

Настоящий стандарт распространяется на лампы люминесцентные двухцокольные для общего освещения и устанавливает эксплуатационные требования к ним.

Испытания по настоящему стандарту являются типовыми. Правила приемки, включая методы статистической оценки, находятся в стадии рассмотрения.

Стандарт предусматривает следующие группы ламп и способы их работы:

а) лампы с предварительным подогревом катодов, предназначенные для работы на сетевых частотах переменного тока со стартером, а также на высокой частоте (далее - ВЧ);

б) лампы с предварительным подогревом высокоомных катодов, предназначенные для работы на сетевых частотах переменного тока без стартера (бесстартерные), а также на ВЧ;

в) лампы с предварительным подогревом низкоомных катодов, предназначенные для работы на сетевых частотах переменного тока без стартера (бесстартерные), а также на ВЧ;

г) лампы с предварительным подогревом катодов, предназначенные для работы на ВЧ;

д) лампы без предварительного подогрева катодов, предназначенные для работы на сетевых частотах переменного тока;

ж) лампы без предварительного подогрева катодов, предназначенные для работы на ВЧ.

1.2. Пояснение

Лампы, удовлетворяющие настоящему стандарту, должны зажигаться и удовлетворительно функционировать при напряжениях от 92 до 106 % расчетного питающего напряжения и температуре окружающей среды от 10 до 50°С, когда они работают с пускорегулирующим аппаратом (ПРА) согласно МЭК 60921 или МЭК 60929, стартером по МЭК 60155 или МЭК 60927 в светильнике, соответствующем МЭК 60598.

1.3. Нормативные ссылки

Настоящий стандарт содержит положения нижеследующих нормативных документов, на которые даны ссылки.

На дату опубликования настоящего стандарта указанные нормативные документы были действующими.

Все нормативные документы подвергаются пересмотру и частичным согласованным изменениям, поэтому необходимо учитывать возможность применения для настоящего стандарта более поздних изданий нормативных документов, указанных ниже. Члены МЭК и ИСО ведут регистрацию действующих международных стандартов.

МЭК 60050 (845) (1987) Международный электротехнический словарь (МЭС). Глава 845. Освещение

МЭК 60061-1 (1969)* Цоколи и патроны ламп, а также калибры для проверки их взаимозаменяемости и безопасности. Часть 1. Цоколи ламп

МЭК 60155 (1993)* Стартеры тлеющего разряда для люминесцентных ламп

МЭК 60598 (все части) Светильники

МЭК 60921 (1968)* Аппараты пускорегулирующие для трубчатых люминесцентных ламп. Требования к рабочим характеристикам

МЭК 60927 (1996)* Устройства вспомогательные для ламп. Зажигающие устройства (кроме стартеров тлеющего разряда). Требования к рабочим характеристикам

МЭК 60929 (1990)* Аппараты пускорегулирующие электронные переменного тока для трубчатых люминесцентных ламп. Требования к рабочим характеристикам

МЭК 61049 (1991) Конденсаторы для использования в схемах трубчатых люминесцентных и других разрядных ламп. Требования к рабочим характеристикам

МЭК 61195 (1993)* Лампы люминесцентные двухцокольные. Требования безопасности

МЭК 61231 (1995) Международная система обозначений ламп (МСОЛ)

* Соответствие стандартов МЭК государственным стандартам указано в приложении G.

1.4. Определения

В дополнение к определениям по МЭК 60050 (845) в настоящем стандарте используют следующие определения:

1.4.1 люминесцентная лампа: Разрядная ртутная лампа низкого давления, в которой главным образом свет излучается одним или несколькими слоями люминофора, возбуждаемого ультрафиолетовым излучением разряда [МЭС 845-07-26, измененный].

1.4.2 лампа люминесцентная двухцокольная: Люминесцентная лампа как правило трубчатой прямолинейной формы с двумя отдельными цоколями.

1.4.3 номинальное значение: Величина, используемая для обозначения или идентификации лампы.

1.4.4 расчетное значение: Количественное значение параметров лампы при заданных рабочих условиях. Значение и условия приведены в настоящем стандарте или объявлены изготовителем или ответственным поставщиком.

1.4.5 стабильность светового потока: Отношение светового потока лампы после определенного времени продолжительности горения к ее начальному световому потоку, выраженное в процентах.

1.4.6 начальные значения: Характеристики зажигания лампы, измеренные до отжига, электрические и световые параметры и характеристики катода, измеренные после отжига в течение 100 ч.

1.4.7 зажигающее вспомогательное устройство (далее - ЗВУ): Проводящая полоса, закрепленная на внешней поверхности лампы, или проводящая пластинка, расположенная на соответствующем расстоянии от лампы. Зажигающее вспомогательное устройство обычно заземляется и может быть эффективно только тогда, когда имеет достаточную разницу потенциалов с одним из концов лампы.

1.4.8 образцовый ПРА: Специальный ПРА, индуктивный для ламп, работающих на сетевых частотах переменного тока, или резисторный для ламп, работающих на ВЧ, является эталоном для испытания других ПРА и применяется при отборе номинальных ламп для измерения электрических и световых параметров. Главная особенность его состоит в том, что при его расчетной частоте он имеет стабильное отношение напряжения к току, которое мало зависит от колебаний тока, температуры и от внешних магнитных полей, как указано в соответствующем стандарте на ПРА МЭК [845-08-36, измененный].

1.4.9 ток калибровки образцового ПРА: Значение тока, на котором основаны калибровка и проверка образцового ПРА.

1.4.10 типовые испытания: Испытание или серия испытаний, проведенное на выборке для типовых испытаний с целью проверки соответствия конструкции данного изделия требованиям соответствующего стандарта.

1.4.11 выборка для типовых испытаний: Выборка, состоящая из одной или нескольких одинаковых единиц, представленная изготовителем или ответственным поставщиком для типовых испытаний.

1.5. Требования к лампам

1.5.1 Общие положения

Лампа, соответствующая требованиям настоящего стандарта, должна удовлетворять требованиям МЭК 61195.

Лампа должна быть надежной при нормальной ее эксплуатации. Это обеспечивается соответствием ламп требованиям нижеследующих пунктов.

Примечание - Требования и допуски, установленные настоящим стандартом, основаны на испытании выборки для типовых испытаний, представленной изготовителем для этой цели. Выборка должна состоять из ламп, имеющих характеристики, типичные для продукции изготовителя, которые по возможности должны быть ближе к средним их значениям. Можно ожидать, что большая часть ламп с допусками по настоящему стандарту будет удовлетворять стандарту, если они изготовлены аналогично лампам выборки для типовых испытаний. Некоторые параметры из-за их разброса неизбежно окажутся вне заданных допусков. Руководство по правилам и планам выборочного контроля по качественным признакам см. МЭК 60410.

1.5.2 Цоколи

Размеры цоколей на готовых лампах должны соответствовать МЭК 60061 -1.

а) Для ламп с цоколями G5 или G13: штырьки (включая буртики) цоколей на готовой лампе должны проходить одновременно и свободно через параллельные, продольно расположенные пазы шириной 2,87 мм (для цоколей G5) и 3,05 мм (для цоколей G13).

б) Для ламп с цоколями R17d: выступы цоколей на готовой лампе должны одновременно и свободно проходить через параллельные, продольно расположенные пазы, каждый из которых глубиной 6,35 мм и шириной 9,22 мм. Дно паза должно находиться против концов выступов.

1.5.3 Размеры

Размеры лампы должны удовлетворять значениям, указанным в соответствующем листе с параметрами лампы (далее - лист).

1.5.4 Характеристики зажигания

Лампа должна зажигаться полностью в течение времени, указанного в соответствующем листе, и оставаться зажженной. Условия и метод испытания приведены в приложении А.

1.5.5 Электрические параметры и характеристики катода

а) Начальное значение напряжения на лампе должно удовлетворять значениям, указанным в соответствующем листе.

б) Начальное значение мощности, потребляемой лампой, не должно превышать расчетную мощность, указанную в соответствующем листе, более чем на 5 % ±0,5 Вт.

Примечание - Мощность катода из-за дополнительного нагрева не включают в расчетную мощность лампы, если иное не указано в листе.

в) Для лампы с предварительным подогревом катодов, работающей на сетевых частотах переменного тока в бесстартерных схемах, начальное значение сопротивления каждого катода должно быть не менее наименьшего значения, указанного в соответствующем листе.

г) Для лампы с предварительным подогревом катодов для работы на ВЧ начальное значение сопротивления каждого катода должно удовлетворять значениям, указанным в соответствующем листе.

Условия и метод испытания приведены в приложении В.

1.5.6 Световые параметры

а) Начальное значение светового потока лампы должно быть не менее 92 % расчетного значения.

б) начальное значение координат цветности х и у лампы должно быть в пределах 5 СОЦС (стандартное отклонение цвета сравнения) от расчетных значений.

Примечание - См. также приложение D.

в) Начальное значение общего индекса цветопередачи Ra лампы должно быть не менее расчетного значения, уменьшенного на три единицы. Условия и метод испытания приведены в приложении В.

1.5.7 Стабильность светового потока

Стабильность светового потока лампы должна быть не менее 92 % (находится в стадии рассмотрения) значения расчетной стабильности светового потока в заданное время ее продолжительности горения.

Условия и метод испытания приведены в приложении С.

1.5.8 Маркировка

На лампе должны быть нанесены следующие данные:

а) номинальная мощность или ток.

Примечание - При необходимости для более точного отличия следует приводить дополнительную информацию (например, номинальные размеры лампы в миллиметрах);

б) обозначения, определяющие электрические и световые параметры ламп, объявленные изготовителем или ответственным поставщиком.

1.6. Информация для расчета ПРА и стартера

Информация по расчету ПРА и стартера приведена в соответствующем листе и приложении Е.

1.7. Информация для расчета светильника

Информация по расчету светильника приведена в приложении F.

ПРИЛОЖЕНИЕ А
(обязательное)
Метод испытания характеристик зажигания

А.1 Общие положения

Испытания должны проводиться при условии отсутствия сквозняков, температуре окружающей среды от 20 до 27°С и относительной влажности не более 65 %.

Вблизи ламп не должно быть лишних металлических частей и проводов, за исключением ЗВУ.

До испытания на зажигание лампы должны находиться в нерабочем состоянии при температуре окружающей среды от 20 до 27°С и относительной влажности не более 65 % в течение не менее 24 ч.

А.2 Лампы с предварительным подогревом катодов для работы на сетевых частотах переменного тока со стартером

А.2.1 Схема испытания

Лампы должны испытываться с источником питания 50 или 60 Гц по схеме на рисунке А.1.

А.2.2 ПРА

Используемый ПРА должен быть индуктивного типа, если не указано иное в соответствующем листе, и удовлетворять требованиям МЭК 60921. Его расчетные характеристики должны удовлетворять указанным в соответствующем листе. Если задается емкостная схема, то дополнительно используемый конденсатор должен удовлетворять требованиям МЭК 61049.

Когда ПРА при его расчетном напряжении соединен с контрольной лампой, тогда ее мощность не должна отличаться от расчетного значения более чем на 4 %. Контрольной лампой является такая, напряжение на которой не должно отличаться более чем на 2 % от расчетного значения при работе с образцовым ПРА.

Ток предварительного подогрева, измеренный при 90 % расчетного напряжения ПРА, должен составлять от 1,1 до 1,2 расчетного тока лампы. Для получения значения тока предварительного подогрева в этом диапазоне может потребоваться специальный отбор из коммерческих ПРА или ПРА, рассчитанных и изготовленных для этой заданной цели. Допускается для уменьшения тока предварительного подогрева до значений диапазона применение дополнительного сопротивления, включаемого последовательно со стартером.

Примечание - В некоторых случаях ПРА может содержать автотрансформатор, повышающий (или понижающий) напряжение до соответствующего значения для зажигания и работы лампы.

А.2.3 Стартер

Стартер тлеющего разряда должен удовлетворять требованиям МЭК 60155, и его тип должен быть согласован с изготовителем лампы или ответственным поставщиком.

А.2.4 Испытательное напряжение

Испытательное напряжение, приложенное к схеме, должно соответствовать указанному в листе.

А.3 Лампы с предварительным подогревом катодов для работы на сетевых частотах переменного тока без стартера (бесстартерные)

А.3.1 Схема испытания

Лампы должны испытываться с источником питания 50 или 60 Гц по схеме на рисунке А.2.

А.3.2 ПРА

Используемый ПРА должен быть индуктивного типа и удовлетворять требованиям МЭК 60921. Его расчетные характеристики должны быть такими, как указано в соответствующем листе.

Когда ПРА при его расчетном напряжении соединен с контрольной лампой, ее мощность не должна отличаться от расчетного значения более чем на 4 %. Контрольной лампой является такая, напряжение на которой не должно отличаться более чем на 2 % от расчетного значения при работе с образцовым ПРА.

Примечания

1. В некоторых случаях ПРА может содержать автотрансформатор, повышающий (или понижающий) напряжение до соответствующего значения для зажигания и работы лампы.

2. Может потребоваться заземление схемы, как показано на рисунке А.2, чтобы питать ее через изолирующий трансформатор.

А.3.3 Зажигающее вспомогательное устройство

ЗВУ - металлическая пластинка, которая должна быть заземлена совместно с одним из катодов лампы. Ее длина должна быть не менее длины испытуемой лампы, а ширина должна быть 25 мм для ламп диаметром 16 и 40 мм - для ламп диаметром 26 и 38 мм. Расстояние между поверхностью лампы и ЗВУ должно быть таким, как указано в соответствующем листе.

Необходимость применения внешнего ЗВУ и заземления определяет изготовитель или ответственный поставщик. Если для ламп не требуется ЗВУ, металлическая пластинка должна быть изъята.

А.3.4 Испытательные напряжения

Напряжение цепи подогрева, которое должно быть приложено к зажимам катода, и напряжение холостого хода на зажимах лампы для испытания на зажигание должны быть такими, как указано в соответствующем листе.

Примечание - Напряжения, указанные для испытания на зажигание, выбирают прежде всего для воспроизведения результатов испытания, и нет необходимости приспосабливать их к конструкции ПРА.

Напряжения сетевой цепи и цепей подогрева должны прикладываться одновременно.

Напряжение, приложенное к цепям подогрева катодов, не должно увеличивать напряжение сетевой цепи. Две цепи должны быть присоединены к одной и той же фазе источника питания.

Два трансформатора для подогрева катодов могут быть заменены одним с изолированными вторичными обмотками. Трансформатор(ы) должен(ны) быть таким(ми), чтобы напряжение не изменялось более чем на 2 %, когда присоединяется максимальная катодная нагрузка.

Если лампа не зажигается при заданном напряжении холостого хода, то напряжение постепенно повышают до не более 110 % испытательного значения. Если лампа при этом не зажигается, то ее бракуют. Если лампа зажигается, то она должна работать 30 мин при расчетном напряжении, и после выдержки в нерабочем состоянии в течение 24 ч. она должна быть снова подвергнута нормальному испытанию.

А.4 Лампы без предварительного подогрева катодов для работы на сетевых частотах переменного тока

А.4.1 Схема испытания

Лампы должны испытываться с источником питания 50 или 60 Гц по схеме на рисунке А.3.

А.4.2 ПРА

Используемый ПРА должен быть индуктивного типа и удовлетворять требованиям МЭК 60921. Он должен иметь необходимое напряжение холостого хода.

А.4.3 Испытательное напряжение

Напряжение холостого хода на зажимах лампы для испытания на зажигание должно быть таким, как указано в соответствующем листе.

Примечание - Напряжения, указанные для испытания на зажигание, выбираются прежде всего для воспроизведения результатов испытания, и нет необходимости приспосабливать их к конструкции ПРА.

Если лампа не зажигается при заданном напряжении холостого хода, то напряжение постепенно повышают до значения не более 125 % расчетного. Если лампа после этого все еще не зажигается, то ее бракуют. Если лампа зажигается, то она должна работать 50 мин. при расчетном напряжении, и после выдержки в нерабочем состоянии в течение 24 ч. должна быть снова подвергнута нормальному испытанию.

А.5 Лампы для работы на ВЧ

А.5.1 Схема испытания

Лампы должны испытываться с источником питания переменного тока частоты от 20 до 26 кГц, если не указано иное в соответствующем листе, по схемам, приведенным на рисунках:

- А.4 для ламп с предварительным подогревом катодов;

- А.5 для ламп без предварительного подогрева катодов.

Примечание - Диапазон частоты, заданный для этого испытания, не следует связывать с конструкцией ПРА (см. также приложение Е).

А.5.2 Резистор

Резистор должен быть отрегулирован так, чтобы высокочастотный ток лампы равнялся значению, приведенному в соответствующем листе.

А.5.3 ЗВУ

Для ламп с предварительным подогревом катодов ЗВУ - металлическая пластинка, которая должна быть заземлена совместно с одним из катодов лампы. Ее длина должна быть не менее длины испытуемой лампы, а ширина должна быть 25 мм для ламп диаметром 16 и 40 мм - для ламп диаметром 26 и 38 мм. Расстояние между поверхностью лампы и ЗВУ должно быть таким, как указано в соответствующем листе.

Изготовитель или ответственный поставщик должен указать о необходимости применения внешнего ЗВУ и заземления одного из катодов. Если лампам не требуется отдельное ЗВУ, металлическая пластинка должна быть изъята.

А.5.4 Испытательное напряжение и ток

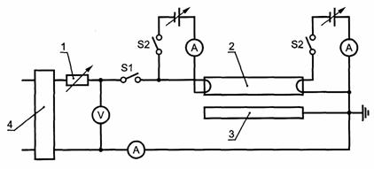
Ток предварительного подогрева катодов, указанный в соответствующем листе, устанавливается источниками питания для подогрева катодов. В течение времени предварительного подогрева, указанного в соответствующем листе, выключатель S1 должен быть разомкнут, а выключатели S2 замкнуты. После этого периода времени выключатели S2 размыкают одновременно с замыканием выключателя S1.

Напряжение холостого хода, приложенное к цепи, должно быть таким, как указано в соответствующем листе.

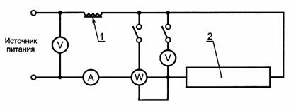
1 - ПРА; 2 - стартер; 3 - лампа

Рисунок А.1 - Схема испытания на зажигание со стартером

1 - лампа; 2 - трансформатор; 3 - ЗВУ; 4 - ПРА

Рисунок А.2 - Схема испытания на зажигание ламп с предварительным подогревом катодов для работы в бесстартерных схемах

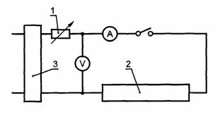
1 - ПРА; 2 - лампа

Рисунок А.3 - Схема испытания на зажигание ламп без предварительного подогрева катодов

1 - резистор;2 - лампа; 3 - ЗВУ; 4 - ВЧ генератор

Рисунок А.4 - Схема испытания на зажигание ламп с предварительным подогревом катодов для работы на ВЧ

1 - резистор; 2 - лампа; 3 - ВЧ генератор

Рисунок А.5 - Схема испытания на зажигание ламп без предварительного подогрева катодов для работы на ВЧ

ПРИЛОЖЕНИЕ В
(обязательное)
Метод испытаний электрических и световых параметров и характеристик катода

В.1 Электрические и световые параметры ламп без дополнительного подогрева катодов

В.1.1 Общие положения

Световые параметры должны измеряться в соответствии с рекомендациями МКО (Международная комиссия по освещению).

Перед измерениями лампы должны подвергаться отжигу в течение 100 ч. нормальной работы.

Измерения должны проводиться после периода стабилизации лампы. Период стабилизации приблизительно 15 мин.

Примечание - Если лампа поступает со стенда на испытательную установку, то перед началом измерений необходим дополнительный период стабилизации. Перерыв в питании лампы должен быть как можно короче, а дополнительный период стабилизации должен составлять не менее 5 мин.

Лампы должны испытываться в горизонтальном положении.

Соединения контактов лампы с зажимами ПРА не должны меняться во время испытаний. Для ламп с цоколями, имеющими два штырька или контакта, принята следующая схема:

х - контакты, подключаемые к источнику питания.

Лампы должны испытываться в условиях отсутствия сквозняков, при температуре окружающей среды (25 ±1)°С, если иное не указано в соответствующем листе.

При измерении в фотометрическом шаре за окружающую температуру принимают температуру воздуха в следующих местах фотометрического шара:

- на расстоянии, равном не менее 10 % номинального диаметра шара от трубки-колбы;

- на расстоянии от стенки шара, равном не менее одной шестой его номинального диаметра;

- на уровне центра лампы.

При испытании в шаре должна поддерживаться равномерная температура. В горизонтальной плоскости, проходящей через центр лампы, за исключением непосредственной близости к стенке лампы, требуется равномерная температура с допуском ±1°С. Необходимо уделять особое внимание, если шар включает в себя систему нагрева.

Температуру обычно измеряют термопреобразователем или термистором, которые должны быть защищены от излучения небольшим экраном.

В.1.2 Схема испытания

Лампы должны испытываться по схемам, приведенным на рисунках:

- В.1 для ламп с предварительным подогревом катодов;

- В.2 для ламп без предварительного подогрева катодов;

- В.3 для ламп, предназначенных для работы на ВЧ.

До проведения измерений любое устройство, используемое для зажигания лампы, должно быть отсоединено от испытательной цепи.

В испытательной схеме, приведенной на рисунке В.5 для ламп, предназначенных для работы на ВЧ, соединения должны быть короче и прямее, насколько возможно, во избежание паразитной емкости, которая не должна быть более 1 нФ.

В.1.3 П РА

Для этих испытаний должны использоваться образцовые ПРА по МЭК 60921 для сетевых частот переменного тока или по МЭК 60929 для ВЧ. Электрические параметры образцовых ПРА должны быть такими, как указано в соответствующем листе.

В.1.4 Питающее напряжение

Питающее напряжение должно быть равно расчетному напряжению образцового ПРА. При стабилизации питающее напряжение должно быть стабильным с допуском +0,5 % (допускается до 0,2 % при измерении).

Для сетевых частот переменного тока частота должна быть равна расчетной частоте образцового ПРА с допуском 0,5 %. Для высокочастотных источников питания частота должна быть от 20 до 26 кГц, если не указано иное в соответствующем листе.

Примечание - Диапазон частоты, указанный для этого испытания лампы, не следует увязывать с конструкцией ПРА, см. также приложение Е.

Форма кривой питающего напряжения должна быть синусоидальной. Полная гармоническая составляющая не должна превышать 3 % основной (для высокочастотных источников питания это значение находится в стадии рассмотрения). Полную гармоническую составляющую определяют как среднее квадратичное суммы отдельных гармонических составляющих, принимая основную за 100 %.

Примечание - Имеется ввиду, что источник питания имеет достаточную мощность, а цепь источника питания имеет достаточно низкое полное сопротивление, сравнимое с полным сопротивлением ПРА. Необходимо следить, чтобы это соблюдалось при всех условиях, возможных при измерении.

В.1.5 Электрические приборы

Приборы должны показывать действующие значения, не искажать форму волны и быть пригодными для работы на соответствующей частоте.

Цепь измерения напряжения приборов должна иметь полное сопротивление не менее 100 кОм и должна отключаться, когда не используется. Цепь измерения тока приборов должна иметь наименьшее возможное сопротивление и при необходимости закорачиваться, если не используется.

При измерении мощности лампы не делается поправка на потребление мощности ваттметром (цепь соединяется на ламповой стороне цепи измерения тока).

При измерении светового потока цепь измерения напряжения вольтметра и ваттметра должна быть разомкнута.

В.2 Электрические и световые параметры ламп с дополнительным подогревом катодов

В.2.1 Общие положения

Для ламп с низкоомными катодами предварительного подогрева для работы в бесстартерных схемах на 60 Гц параметры должны измеряться также с дополнительным подогревом катодов при работе.

Условия и метод испытания - по В.1, за исключением схемы испытания.

Для ламп, измеренных по настоящему методу, за мощность лампы принимают суммарную мощность, получаемую через образцовый ПРА (измеренную в условной части цепи), и мощность, используемую для нагрева катодов (мощность, измеренная на входной стороне трансформаторов для нагрева катодов, за вычетом потерь в трансформаторе, определенных как указано в В.2.4).

В.2.2 Схема испытания

Лампы должны испытываться по схеме на рисунке В.4.

Напряжение источника питания А - это напряжение образцового ПРА и измеряемой лампы. Напряжение источника питания В должно подаваться отдельно, чтобы его можно было регулировать и контролировать независимо от источника питания А. Напряжения питания А и В должны подаваться от одного источника питания, и не должны - от разных фаз многофазного источника питания.

Напряжение на первичной обмотке трансформаторов низкого напряжения, используемых для нагрева катодов, должно регулироваться для получения необходимого выходного напряжения. Трансформаторы катодов должны присоединяться так, чтобы их напряжение не влияло на напряжение цепи ПРА.

В.2.3 Трансформаторы для подогрева катодов

Два трансформатора для подогрева катодов (или один трансформатор с двумя вторичными обмотками) должны иметь значение тока, в несколько раз превышающий требуемый фактический ток. Они также должны иметь низкие потери, чтобы свести к минимуму любую погрешность при измерении этих потерь, влияющих на полную мощность лампы.

Базовое значение напряжение низкоомных катодов составляет 3,6 В, при этом можно использовать накальный трансформатор на 6,3 В, работающий при уменьшенном напряжении на первичной обмотке для получения на выходе 3,6 В.

В.2.4 Калибровка трансформатора для подогрева катодов

Каждый катодный трансформатор (или пара трансформаторов) должен(ны) быть откалиброван(ы) отдельно, чтобы определить потери мощности, возможные при нормальной работе.

Потери мощности зависят от тока, проходящего через каждый тип катода, которые необходимо определить один раз для данного трансформатора. Эти потери в трансформаторе должны быть учтены при измерении мощности ламп различных типов.

Необходимо проводить калибровку напряжения на каждом трансформаторе определением и установлением напряжения на первичной обмотке, чтобы получить требуемое выходное напряжение на вторичной обмотке. Такая калибровка дает возможность использовать установление напряжения на первичной обмотке для текущей работы без необходимости постоянного применения малодиапазонных вольтметров с термопреобразователями.

При калибровке каждая вторичная обмотка трансформатора должна быть присоединена к заменяющему резистору, имеющему электрические параметры, установленные для катода конкретного типа. Напряжение на первичной обмотке регулируют так, чтобы среднее значение напряжений на двух вторичных обмотках составляло 3,6 В, а затем фиксируют напряжение на первичной обмотке. Важно, чтобы эта калибровка повторялась для любого катода другого типа, с которым используется трансформатор.

Потери мощности в трансформаторе (потери в сердечнике и E2/R учитывают вместе) определяют для каждой конкретной нагрузки. Входную мощность измеряют при таком напряжении первичной обмотки, чтобы на заменяющих резисторах получить напряжение 3,6 В. Учитывая, что полная входная мощность вероятно будет менее 10 Вт, используют малодиапазонный ваттметр. Потери в трансформаторе могут быть подсчитаны как полная входная мощность без учета поправок на приборы и мощности, потребляемой заменяющими резисторами. Эта мощность в резисторах может быть подсчитана E2/R для каждой из обмоток.

Потери в трансформаторе считают постоянными для всех ламп с одинаковым сопротивлением катода, и не следует учитывать незначительные различия параметров катодов.

В.3 Характеристики катодов ламп с предварительным подогревом катодов для работы в бесстартерных схемах

В.3.1 Схема испытания

Сопротивление катода должно измеряться с использованием соответствующего источника питания постоянного или переменного тока на 50 или 60 Гц.

В.3.2 Лампы для работы на сетевых частотах переменного тока

Напряжение на зажимах катода доводят до значения испытательного напряжения, приведенного в соответствующем листе, и измеряют ток. По этим данным, без учета потребления вольтметром, определяют сопротивление катода.

В.3.3 Лампы для работы на ВЧ

Ток, проходящий через катод, доводят до значения испытательного тока, приведенного в соответствующем листе, и измеряют питающее напряжение. По этим данным, без учета напряжения амперметра, определяют сопротивление катода.

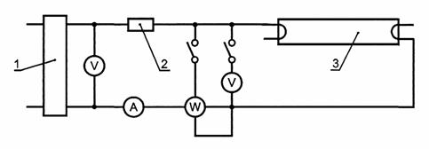
1 - образцовый ПРА; 2 - стартер; 3 - лампа

Рисунок В.1 - Схема измерения электрических и световых параметров ламп с предварительным подогревом катодов

1 - образцовый ПРА; 2 - лампа

Рисунок В.2 - Схема измерения электрических и световых параметров ламп без предварительного подогрева катодов

1 - ВЧ генератор; 2 - образцовый ПРА; 3 - лампа

Рисунок В.3 - Схема измерения электрических и световых параметров ламп для работы на ВЧ

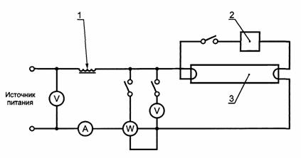
1 - трансформатор; 2 - лампа; 3 - образцовый ПРА

Рисунок В.4 - Схема измерения электрических и световых параметров ламп с дополнительным подогревом катодов

ПРИЛОЖЕНИЕ С
(обязательное)
Метод испытания стабильности светового потока и продолжительности горения

С.1 Общие положения

Световой поток в заданное время продолжительности горения лампы измеряют согласно приложению В. Испытания на продолжительность горения ламп проводят при следующих условиях:

- температура окружающей среды от 15 до 50°С, без чрезмерных сквозняков;

- отсутствие чрезмерных вибраций и ударов;

- лампы должны работать в горизонтальном положении;

- соединения контактов ламп относительно зажимов ПРА должны оставаться неизменными в течение всех испытаний;

- лампы должны работать в схеме, для которой они предназначены изготовителем;

- лампы должны выключаться каждый раз на 15 мин после каждой работы в течение 2 ч. 45 мин.

С.2 Лампы для работы на сетевых частотах переменного тока

Используемый ПРА должен удовлетворять требованиям МЭК 60921. Для емкостных цепей дополнительно используемый конденсатор должен удовлетворять требованиям МЭК 61049.

Когда ПРА при его расчетном напряжении соединен с испытуемой лампой, ее мощность не должна отличаться от расчетного значения более чем на 4 %. Испытуемой лампой является лампа, напряжение на зажимах которой не отклоняется более чем на 2 % от расчетного значения, когда она работает с образцовым ПРА.

Примечание - Возможно применение ПРА других типов, но используемый ПРА может оказать влияние на результаты испытания. Рекомендуется установить тип используемого ПРА. При сомнении рекомендуется использовать ПРА индуктивного типа, так как он имеет наименьшее количество параметров, способных влиять на результаты.

Для ламп, работающих со стартером, ток предварительного подогрева при расчетном питающем напряжении не должен отличаться более чем на 10 % от расчетного значения, приведенного в соответствующем листе.

Для ламп, работающих со стартером, тип используемого стартера должен удовлетворять требованиям МЭК 60155 и быть согласован с изготовителем лампы или ответственным поставщиком.

При испытании на продолжительность горения испытательное напряжение и частота не должны отличаться более чем на 2 % от расчетного напряжения и частоты используемого ПРА.

С.3 Лампы для работы на ВЧ

Используемый ПРА должен удовлетворять требованиям МЭК 60929.

ПРИЛОЖЕНИЕ D
(обязательное)
Координаты цветности

D.1 Общие положения

Приложение охватывает стандартизованные расчетные значения и площади допусков для координат цветности х и у, применимые для люминесцентных ламп.

Для ламп с нестандартизованными координатами цветности расчетные значения должны быть установлены изготовителем или ответственным поставщиком.

Примечание - Координаты цветности х и у заданы по МКО (1931 г.) «Стандартная колориметрическая система» (см. Публикацию 15-2 МКО)1. Площади допусков основаны на эллипсах, установленных Д.Л. МакАдамом в его статье «Спецификация малых различий цветности», опубликованной в журнале оптического общества США, том 1, № 1, 1943 г., стр. 18-26.

1) МКО 15-2: 1986 Колориметрия

Площади допусков определяются эллипсами МакАдама из 5 СОЦС (стандартное отклонение цвета сравнения). Координаты 5 СОЦС в отсутствии расчетных значений даются уравнением:

g11Δx2 + 2g12ΔxΔy + g22Δy2 = 52,

в котором х и у представляют собой отклонения от расчетных координат, в то время как коэффициенты g11, g12, g22 зависят от этих расчетных значений. Коэффициенты служат основой для подсчета Θ, а и b, где b - угол между большой осью эллипса и осью х, а и b - большая и малая полуоси эллипса 1 СОЦС.

D.2 Стандартные координаты цветности

Для стандартизованных координат цветности следующие расчетные значения х и у применимы для различных цветностей ламп (коррелированная цветовая температура TC в Кельвинах приведена как дополнительная информация):

Цветность

TC

x

y

Цветность

TC

x

y

F6500

6400

0,313

0,337

F3500

3450

0,409

0,394

F5000

5000

0,346

0,359

F3000

2940

0,440

0,403

F4000

4040

0,380

0,380

F2700

2720

0,463

0,420

Для коэффициентов g11, g12 и g22 применимы следующие значения:

Цветность

g11

g12

g22

Цветность

g11

g12

g22

F6500

86×104

-40×104

45×104

F3500

38×104

-20×104

25×104

F5000

56×104

-25×104

28×104

F3000

39×104

-19,5×104

27,5×104

F4000

39,5×104

-21,5×104

26×104

F2700

44×10

-18,6×104

27×104

Для коэффициентов Θ, а и b применимы следующие значения:

Цветность

Θ

а

b

Цветность

Θ

а

b

F6500

58° 23'

0,00223

0,00095

F3500

52° 58'

0,00317

0,00139

F5000

59° 37'

0,00274

0,00118

F3000

53° 10'

0,00278

0,00136

F4000

54° 00'

0,00313

0,00134

F2700

57° 17'

0,00258

0,00137

Площади допусков показаны на рисунках D.l - D.6 совместно с расчетными значениями, частью линии черного тела и прямыми постоянной коррелированной цветовой температуры.

D.3 Смещенные координаты цветности

Для некоторых ламп, указанных в соответствующем листе, применимы незначительно смещенные координаты цветности, но только для типов с общим индексом цветопередачи менее 80.

Используют те же площади допусков, что и приведенные в D.2, но с центрами расчетных значений, указанных в таблице:

Цветность

x

y

Цветность

x

y

F6500

0,309

0,337

F3500

0,403

0,394

F5000

0,342

0,359

F3000

0,433

0,403

F4000

0,375

0,380

F2700

-

-

Координаты центра эллипса: х = 0,313; у = 0,337

Рисунок D.1 - Площадь допусков для стандартной цветности F 6500

Координаты центра эллипса: х = 0,346; у - 0,359

Рисунок D.2 - Площадь допусков для стандартной цветности F 5000

Координаты центра эллипса: х = 0,380; у = 0,380

Рисунок D.3 - Площадь допусков для стандартной цветности F 4000

Координаты центра эллипса: х = 0,409; у = 0,394

Рисунок D.4 - Площадь допусков для стандартной цветности F 3500

Координаты центра эллипса: х = 0,440; у = 0,403

Рисунок D.5 - Площадь допусков для стандартной цветности F 3000

Координаты центра эллипса: х = 0,463; у = 0,420

Рисунок D.6 - Площадь допусков для стандартной цветности F 2700

ПРИЛОЖЕНИЕ Е
(справочное)
Информация для расчета ПРА и стартера

Е. 1 Общие положения

Для обеспечения нормальной работы лампы при расчете ПРА и стартеров необходимо учитывать информацию, приведенную в соответствующем листе и настоящем приложении.

Е.2 Условия предварительного зажигания ламп, работающих на ВЧ

Для этих ламп, имеющих катоды предварительного подогрева, требования предварительного подогрева приведены в соответствующем листе. Пояснение этих требований дается в приложении D МЭК 60929 и приложении В МЭК 60927.

Для некоторых ламп информация относительно требований высокочастотного зажигания без предварительного подогрева приводится в соответствующем листе.

Е.3 Частота, используемая для ламп, работающих на ВЧ

Для этих ламп листы с параметрами лампы содержат диапазон частоты для образцового ПРА и испытания ламп (зажигание, электрические и световые параметры). Диапазон частоты выбирают для облегчения воспроизведения результатов испытания, он не предназначен для ограничения в конструкции ВЧ ПРА, когда для практических целей может быть приемлема более высокая частота.

ПРИЛОЖЕНИЕ F
(справочное)
Информация для расчета светильника

F.1 Общие положения

Для обеспечения безопасной работы лампы необходимо при расчете светильников учитывать информацию, приведенную в настоящем приложении.

F.2 Свободное пространство

Для механической приемки ламп, удовлетворяющих настоящему стандарту, в светильнике следует предусмотреть свободное пространство, основанное на наибольших размерах лампы, приведенных в соответствующем листе.

F.3 Конденсаторы для последовательного включения, применяемые в емкостных схемах

Начальный допуск в 10 %, типичный для зашунтированных конденсаторов, не пригоден для конденсаторов последовательного включения. При совпадении предельных допусков на конденсатор и ПРА их суммирование может привести к ухудшению характеристики лампы. Чтобы удовлетворить требованиям, приведенным в соответствующих листах с параметрами лампы, допуск на конденсатор должен быть небольшим, или конденсатор и индуктивная реактивная составляющая ПРА должны подбираться так, чтобы неблагоприятные допуски не совпадали.

F.4 ЗВУ

Работа ламп в сетевых цепях переменного тока или высокочастотных бесстартерных цепях требует в большинстве случаев наличие проводящего ЗВУ с заземлением. Оно может быть условной частью светильника.

Расстояние между поверхностью лампы и ЗВУ не должно превышать значения, приведенного в соответствующем листе. Кроме того, должно соблюдаться минимальное расстояние 3 мм.

ПРИЛОЖЕНИЕ G
(справочное)
Соответствие стандартов МЭК государственным стандартам

Обозначение стандартов МЭК

Обозначение государственных стандартов

Обозначение стандартов МЭК

Обозначение государственных стандартов

МЭК 60061-1 (1969)

ГОСТ 28108-89

МЭК 60598-2-10 (1987)

ГОСТ Р МЭК 598-2-10-98

МЭК 60155 (1993)

ГОСТ Р МЭК 60155-99

МЭК 60598-2-17 (1984)

ГОСТ Р МЭК 598-2-17-97

МЭК 60598-1 (1996)

ГОСТ Р МЭК 598-1-99

МЭК 60598-2-18 (1993)

ГОСТ Р МЭК 598-2-18-98

МЭК 60598-2-1 (1979)

ГОСТ Р МЭК 598-2-1-97

МЭК 60598-2-19 (1981)

ГОСТ Р МЭК 598-2-19-97

МЭК 60598-2-2 (1996)

ГОСТ Р МЭК 598-2-2-99

МЭК 60598-2-20 (1996)

ГОСТ Р МЭК 598-2-20-97

МЭК 60598-2-3 (1997)

ГОСТ Р МЭК 598-2-3-99

МЭК 60598-2-22 (1997)

ГОСТ Р МЭК 598-2-22-99

МЭК 60598-2-4 (1997)

ГОСТ Р МЭК 598-2-4-99

МЭК 60598-2-23 (1995)

ГОСТ Р МЭК 598-2-23-98

МЭК 60598-2-5 (1998)

ГОСТ Р МЭК 598-2-5-99

МЭК 60598-2-25 (1994)

ГОСТ Р МЭК 598-2-25-98

МЭК 60598-2-6 (1994)

ГОСТ Р МЭК 598-2-6-98

МЭК 60921 (1988)

ГОСТ Р МЭК 921-97

МЭК 60598-2-7 (1982)

ГОСТ Р МЭК 598-2-7-98

МЭК 60927 (1996)

ГОСТ Р МЭК 927-98

МЭК 60598-2-8 (1996)

ГОСТ Р МЭК 598-2-8-97

МЭК 60929 (1990)

ГОСТ Р МЭК 929-98

МЭК 60598-2-9 (1987)

ГОСТ Р МЭК 598-2-9-98

МЭК 61195 (1993)

ГОСТ Р МЭК 61195-99

2 Листы с параметрами

2.1 Общие принципы нумерации листов с параметрами

Первое число и последующие после дефиса буквы «МЭК» обозначают номер настоящего стандарта, например: 60081-МЭК.

Второе число обозначает номер листа.

Третье число обозначает номер страницы листа. Если лист состоит из более чем одной страницы, то возможно, что страницы будут иметь различные номера, а номер листа останется прежним.

2.2 Листы для нанесения размеров ламп

2.2.1 Перечень листов:

60081-МЭК-01 Лампы линейной формы с цоколями G5 или G13.

60081-МЭК-02 Лампы линейной формы с цоколями Fa6, Fa8 или R17d.

2.3 Листы с параметрами ламп

2.3.1 Перечень листов с параметрами ламп по номерам

Номер листа

Номи-.нальная мощность, Вт

Частота, Гц

Номиналь-ные размеры, мм

Цоколь

Схема

Тип катода

Сетевая перемен-ного тока

Высоко-частотная

60081-МЭК-1020

4

50

60

16×150

G5

Стартерная

-

Предвари-тельного подогрева

-1030

6

50

60

16×225

G5

»

-

То же

-1040

8

50

60

16×300

G5

»

-

»

-1060

13

50

60

16×525

G5

»

-

»

-2120

15

50

60

26×450

G13

»

Бесстар-терная

»

-2220

18

50

-

26×600

G13

»

»

»

-2230

20

50

60

32×600

G13

»

-

»

-2240

20

50

60

38×600

G13

»

-

»

-2315

25

50

-

38×970

G13

»

-

»

60081-МЭК-2320

30

50

60

26×900

G13

»

Бесстар-терная

»

60081-МЭК-2340

30

50

-

38×900

G13

Стартерная

-

Предварительного подогрева

-2420

36

50

-

26×1200

G13

»

Бесстар-терная

То же

-2425

38

50

-

26×1050

G13

»

»

»

-2430

40

50

60

32×1200

G13

»

-

»

-2440

40

50

60

38×120

G13

»

-

»

-2520

58

50

-

26×1500

G13

»

Бесстар-терная

»

-2530

65

50

-

32×1500

G13

»

-

»

-2540

65

50

-

38×1500

G13

»

-

»

-2620

70

50

60

26×1800

G13

»

Бесстар-терная

»

-2640

75

50

-

38×1800

G13

»

-

»

-2660*

80

50

-

38×1500

G13

»

-

»

-2670*

85

50

-

38×1800

G13

»

-

»

-2840

100

50

-

38×2400

G13

»

-

»

-2880*

125

50

-

38×2400

G13

»

-

»

-3020

4

50

60

16×150

G5

Бесстар-терная

 

Предвари-тельного подогрева, высокоомный

-3030

6

50

60

16×255

G5

»

-

То же

-3040

8

50

60

16×300

G5

»

-

»

-4240

20

50

60

38×600

G13

»

-

»

-4340

30

50

-

38×900

G13

»

-

»

-4440

40

50

60

38×1200

G13

»

-

»

-4540

65

50

-

38×1500

G13

»

-

»

-4640

75

50

-

38×1800

G13

»

-

»

-4660*

80

50

-

38×1500

G13

»

-

»

-4670*

85

50

-

38×1800

G13

»

-

»

-4880

125

50

-

38×2400

G13

»

-

»

-5230

20

50

60

32×600

G13

»

-

Предвари-тельного подогрева, низкоомный

-5240

20

50

60

38×600

G13

»

-

То же

-5340

30

50

60

38×900

G13

»

-

»

-5430

40

50

60

32×1200

G13

»

-

»

-5440

40

50

60

38×1200

G13

»

-

»

-5540

65

50

-

38×1500

G13

»

-

»

-5840

85

50

-

38×2400

G13

»

-

»

-5960

60

-

60

38×1200

R17d

»

-

»

-5970

87

-

60

38×1800

R17d

»

-

»

60081-МЭК-5980

112

-

60

38×2400

R17d

»

-

»

60081-МЭК-6520

14

≥ 20 кГц

16×550

G5

-

Бесстар-терная

Предварительного подогрева

-6530

21

≥ 20 кГц

16×850

G5

-

»

То же

-6640

28

≥ 20 кГц

16×1150

G5

-

»

»

-6650

35

≥ 20 кГц

16×1450

G5

-

»

»

-7220

16

≥ 20 кГц

26×600

G13

-

»

»

-7420

32

≥ 20 кГц

26×1200

G13

-

»

»

-7520

50

≥ 20 кГц

26×1500

G13

-

»

»

-8240

20

50

-

38×600

Fa6

Бесстар-терная

-

Без предварительного подогрева

-8440

40

50

-

38×1200

Fa6

»

-

То же

-8540

65

50

-

38×1500

Fa6

»

-

»

-8640

39

-

60

38×1200

Fa8

»

-

»

-8740

57

-

60

38×1800

Fa8

»

-

»

-8840

75

-

60

38×2400

Fa8

»

-

»

-9420

32

≥ 20 кГц

26×1200

Fa6

-

-

»

60081-МЭК-9520

50

≥ 20 кГц

26×1500

Fa6

-

Бесстар-терная

»

* Предназначена для замены.

2.3.2 Перечень листов с параметрами ламп по мощности

Номер листа

Номинальная мощность, Вт

Частота, Гц

Номинальные размеры, мм

Цоколь

Схема

Тип катода

Сетевая переменного тока

Высоко-частотная

60081-МЭК-1020

4

50

60

16×150

G5

Стартерная

-

Предварительного подогрева

-3020

4

50

60

16×150

G5

Бесстар-терная

-

То же, высокоомный

-1030

6

50

60

16×225

G5

Стартерная

-

Предварительного подогрева

-3030

6

50

60

16×225

G5

Бесстар-терная

-

То же, высокоомный

-1040

8

50

60

16×300

G5

Стартерная

-

Предварительного подогрева

60081-МЭК-3040

8

50

60

16×300

G5

Бесстар-терная

-

То же, высокоомный

60081-МЭК-1060

13

50

60

16×525

G5

Стартерная

-

Предварительного подогрева

-6520

14

≥ 20 кГц

16×550

G5

-

Бесстар-терная

То же

-2120

15

50

60

26×450

G13

Стартерная

»

»

-7220

16

≥ 20 кГц

26×600

G13

-

»

»

-2220

18

50

-

26×600

G13

Стартерная

»

»

-2230

20

50

60

32×600

G13

»

»

»

-2240

20

50

60

38×600

G13

»

-

»

-4240

20

50

60

38×600

G13

Бесстар-терная

-

То же, высокоомный

-5230

20

50

60

32×600

G13

»

-

Предварительного подогрева, низкоомный

-5240

20

50

60

38×600

G13

»

-

То же

-8240

20

50

-

38×600

Fa6

»

-

Без предварительного подогрева

-6530

21

≥ 20 кГц

16×850

G5

-

Бесстар-терная

Предварительного подогрева

-2315

25

50

38×970

G13

Стартерная

-

То же

-6640

28

≥ 20 кГц

16×1150

G5

-

Бесстар-терная

»

-2320

30

50

60

26×900

G13

Стартерная

»

»

-2340

30

50

-

38×900

G13

»

-

Предварительного подогрева

-4340

30

50

-

38×900

G13

Бесстар-терная

-

То же, высокоомный

-5340

30

50

60

38×900

G13

»

-

Предварительного подогрева, низкоомный

60081-МЭК-7420

32

≥ 20 кГц

26×1200

G13

-

Бесстар-терная

Предварительного подогрева

60081-МЭК-9420

32

≥ 20 кГц

26×1200

Fa6

-

Бесстар-терная

Без предварительного подогрева

-6650

35

≥ 20 кГц

16×1450

G5

-

»

Предварительного подогрева

-2420

36

50

-

26×1200

G13

Стартерная

»

То же

-2425

38

50

-

26×1050

G13

»

»

»

-8640

39

-

60

38×1200

Fa8

Бесстар-терная

-

Без предварительного подогрева

-2430

40

50

60

32×1200

G13

Стартерная

-

Предварительного подогрева

-2440

40

50

60

38×1200

G13

»

-

То же

-4440

40

50

60

38×1200

G13

Бесстар-терная

-

Предварительного подогрева, высокоомный

-5430

40

50

60

32×1200

G13

»

-

То же, низкоомный

-5440

40

50

60

38×1200

G13

»

-

»

-8440

40

50

-

38×1200

Fa6

»

-

Без предварительного подогрева

-7520

50

≥ 20 кГц

26×1500

G13

»

Бесстар-терная

Предварительного подогрева

-9520

50

≥ 20 кГц

26×1500

Fa6

-

»

Без предварительного подогрева

-8740

57

-

60

38×1800

Fa8

Бесстар-терная

-

То же

-2520

58

50

-

26×1500

G13

Стартерная

Бесстар-терная

Предварительного подогрева

-5960

60

-

60

38×1200

R17

Бесстар-терная

-

То же, низкоомный

-2530

65

50

-

32×1500

G13

Стартерная

-

Предварительного подогрева

-2540

65

50

-

38×1500

G13

»

-

То же

-4540

65

50

-

38×1500

G13

Бесстар-терная

-

Предварительного подогрева, высокоомный

60081-МЭК-5540

65

50

-

38×1500

G13

»

-

То же, низкоомный

60081-МЭК-8540

65

50

-

38×1500

Fa6

Бесстар-терная

-

Без предварительного подогрева

-2620

70

50

60

26×1800

G13

Стартерная

Бесстар-терная

Предварительного подогрева

-2640

75

50

-

38×1800

G13

»

-

То же

-4640

75

50

-

38×1800

G13

Бесстар-терная

-

Предварительного подогрева, высокоомный

-8840

75

-

60

38×2400

Fa8

»

-

Без предварительного подогрева

-2660*

80

50

-

38×1500

G13

Стартерная

-

Предварительного подогрева

-4660*

80

50

-

38×1500

G13

Бесстар- терная

-

То же, высокоомный

-2670*

85

50

-

38×1800

G13

Стартерная

-

Предварительного подогрева

-4670*

85

50

-

38×1800

G13

Бесстар терная

-

То же, высокоомный

-5840

85

50

-

38×2400

G13

»

-

Предварительного подогрева, низкоомный

-5970

87

-

60

38×1800

R17

»

-

То же

-2840

100

50

-

38×2400

G13

Стартерная

-

Предварительного подогрева

-5980

112

-

60

38×2400

R17

Бесстар-терная

-

То же, низкоомный

-2880*

125

50

-

38×2400

G13

Стартерная

-

Предварительного подогрева

60081-МЭК-4880

125

50

-

38×2400

G13

Бесстар-терная

-

То же, высокоомный

* Предназначена для замены

 

 

ДВУХЦОКОЛЬНЫЕ ЛЮМИНЕСЦЕНТНЫЕ ЛАМПЫ

ЛИСТ С ПАРАМЕТРАМИ ДЛЯ НАНЕСЕНИЯ РАЗМЕРОВ

Линейной формы

 

Рисунок предназначен только для показа проверяемых размеров и должен применяться совместно с соответствующими листами на лампы.

Цоколи G5 и G13 по МЭК 60061-1

Для ламп с цоколями G5 и G13.

Значения размеров А, В и С вычисляют из базового значения, обозначенного X.

А - расстояние от основания одного цоколя до основания противоположного цоколя.

Амакс = Х

В - расстояние от основания одного цоколя до конца штырьков противоположного цоколя.

Вмакс = X + 7,1 мм.

Вмин = Х + 4,7 мм*.

С - полная длина лампы между концами штырьков обоих цоколей.

Смакс = Х + (2×7,1) = Х + 14,2 мм.

Смин не задается.

Рисунки предназначены для показа контролируемых размеров и должны применяться совместно с соответствующими листами на лампы.

Примечания

1. Очевидно, что при переводе приведенных выше значений в миллиметрах в дюймы теряется соответствие между округленными превращенными значениями.

2. В некоторых случаях размеры, приведенные в национальных спецификациях, слегка отличаются от указанных в листах с параметрами.

Так как эти спецификации уже составлены, то не предусматривается их изменение. Размеры в листах с параметрами рассматривают как объективные.

3. Некоторые типы ламп США иногда обозначают номинальной полной длиной в дюймах лампы, установленной в два патрона, каждый из которых имеет толщину 5/16 дюйма для цоколей G5 и 3/8 дюйма для цоколей G13.

* В некоторых странах Вмин = Х + 4,6 мм.

 

ДВУХЦОКОЛЬНЫЕ ЛЮМИНЕСЦЕНТНЫЕ ЛАМПЫ

ЛИСТ С ПАРАМЕТРАМИ ДЛЯ НАНЕСЕНИЯ РАЗМЕРОВ

Линейной формы

 

Рисунки предназначены только для показа проверяемых размеров и должны применяться совместно с соответствующими листами на лампы.

Цоколь Fa6 по МЭК 60061-1

Цоколь Fa8 по МЭК 60061-1

Цоколь R17d по МЭК 60061-1

60081-МЭК-02-1

 

ЛАМПА ЛЮМИНЕСЦЕНТНАЯ ДВУХЦОКОЛЬНАЯ

ЛИСТ С ПАРАМЕТРАМИ

 

МСОЛ: FD-4-E-G5-16/150

Номинальная мощность, Вт

Схема

Катод

Цоколь

Номинальные размеры, мм

4

Со стартером

Предварительного подогрева

G5

16×150

Размеры, мм

А

В

С

D

не более

не менее

не более

не более

не более

135,9

140,6

143,0

150,1

16,0

Характеристики зажигания

Частота, Гц

Расчетное напряжение ПРА, В

Испытательное напряжение, действующее значение, В

Время зажигания, с

50

110/120

103,5

30

60

110/120

103,5

30

Электрические параметры

Частота, Гц

Расчетная мощность, Вт

Напряжение на лампе, действующее значение, В

Расчетный ток лампы, А

Расчетный ток предварительного подогрева, А

расчетное

не менее

не более

50

4,5

29

24

34

0,170

0,205

60

4,5

29

24

34

0,170

0,205

Координаты цветности: см. D.2, приложение D.

Характеристики образцового ПРА

Частота, Гц

Номинальная мощность, Вт

Расчетное напряжение, В

Ток калибровки, А

Отношение напряжения к току, Ом

Коэффициент мощности

50

6

127

0,160

700

0,12

60

6

118

0,160

650

0,075

Информация для расчета ПРА

Частота, Гц

50

60

Ток предварительного подогрева катода, А

не менее

0,144

0,144

не более

0,275

0,275

Напряжение холостого хода на стартере, действующее значение, В, не менее

103,5

103,5

Напряжение холостого хода на лампе, пиковое, В, не более

400

400

Сопротивление заменяющего резистора обоих последовательно соединенных катодов, Ом

140

140

Напряжение на стартере при работающей лампе, В, не более

68

68

Информация для расчета стартера

Импульсное напряжение, В, не менее

Напряжение неконтактирования, В, не более

250

70

 

 

ЛАМПА ЛЮМИНЕСЦЕНТНАЯ ДВУХЦОКОЛЬНАЯ

ЛИСТ С ПАРАМЕТРАМИ

 

МСОЛ: FD-6-E-G5-16/225

Номинальная мощность, Вт

Схема

Катод

Цоколь

Номинальные размеры, мм

6

Со стартером

Предварительного подогрева

G5

16×225

Размеры, мм

А

В

С

D

не более

не менее

не более

не более

не более

212,1

216,8

219,2

226,3

16,0

Характеристики зажигания

Частота, Гц

Расчетное напряжение ПРА, В

Испытательное напряжение, действующее значение, В

Время зажигания, с

50

110/120

103,5

30

60

110/120

103,5

30

Электрические параметры

Частота, Гц

Расчетная мощность, Вт

Напряжение на лампе, действующее значение, В

Расчетный ток лампы, А

Расчетный ток предварительного подогрева, А

расчетное

не менее

не более

50

6

42

36

48

0,160

0,205

60

6

42

36

48

0,160

0,205

Координаты цветности: см. D.2, приложение D.

Характеристики образцового ПРА

Частота, Гц

Номинальная мощность, Вт

Расчетное напряжение, В

Ток калибровки, А

Отношение напряжения к току, Ом

Коэффициент мощности

50

6

127

0,160

700

0,12

60

6

118

0,160

650

0,075

Информация для расчета ПРА

Частота, Гц

50

60

Ток предварительного подогрева катода, А

не менее

0,144

0,144

не более

0,275

0,275

Напряжение холостого хода на стартере, действующее значение, В, не менее

103,5

103,5

Напряжение холостого хода на лампе, пиковое, В, не более

400

400

Сопротивление заменяющего резистора обоих последовательно соединенных катодов, Ом

140

140

Напряжение на стартере при работающей лампе, действующее значение, В, не более

68

68

Информация для расчета стартера

Импульсное напряжение, В, не менее

Напряжение неконтактирования, В, не более

250

70

 

 

ЛАМПА ЛЮМИНЕСЦЕНТНАЯ ДВУХЦОКОЛЬНАЯ

ЛИСТ С ПАРАМЕТРАМИ

 

МСОЛ: FD-8-E-G5-16/300

Номинальная мощность, Вт

Схема

Катод

Цоколь

Номинальные размеры, мм

8

Со стартером

Предварительного подогрева

G5

16×300

Размеры, мм

А

В

С

D

не более

не менее

не более

не более

не более

288,3

293,0

295,4

302,5

16,0

Характеристики зажигания

Частота, Гц

Расчетное напряжение ПРА, В

Испытательное напряжение, действующее значение, В

Время зажигания, с

50

110/120

103,5

30

60

110/120

103,5

30

Электрические параметры

Частота, Гц

Расчетная мощность, Вт

Напряжение на лампе, действующее значение, В

Расчетный ток лампы, А

Расчетный ток предварительного подогрева, А

расчетное

не менее

не более

50

7,1

56

48

64

0,145

0,205

60

7,2

57

48

64

0,145

0,205

Координаты цветности: см. D.2, приложение D.

Характеристики образцового ПРА

Частота, Гц

Номинальная мощность, Вт

Расчетное напряжение, В

Ток калибровки, А

Отношение напряжения к току, Ом

Коэффициент мощности

50

6

127

0,160

700

0,12

60

6

118

0,160

650

0,075

Информация для расчета ПРА

Частота, Гц

50

60

Ток предварительного подогрева катода, А

не менее

0,144

0,144

не более

0,275

0,275

Напряжение холостого хода на стартере, действующее значение, В, не менее

103,5

103,5

Напряжение холостого хода на лампе, пиковое, В, не более

400

400

Сопротивление заменяющего резистора обоих последовательно соединенных катодов, Ом

140

140

Напряжение на стартере при работающей лампе, действующее значение, В, не более

68

68

Информация для расчета стартера

Импульсное напряжение, В, не менее

Напряжение неконтактирования, В, не более

250

70

 

 

ЛАМПА ЛЮМИНЕСЦЕНТНАЯ ДВУХЦОКОЛЬНАЯ

ЛИСТ С ПАРАМЕТРАМИ

 

МСОЛ: FD-13-E-G5-16/525

Номинальная мощность, Вт

Схема

Катод

Цоколь

Номинальные размеры, мм

13

Со стартером

Предварительного подогрева

G5

16×525

Размеры, мм

А

В

С

D

не более

не менее

не более

не более

не более

516,9

521,6

524,0

531,1

16,0

 

Характеристики зажигания

Частота, Гц

Расчетное напряжение ПРА, В

Испытательное напряжение, действующее значение, В

Время зажигания, с

50

220

198

30

60

220

198

30

Электрические параметры

Частота, Гц

Расчетная мощность, Вт

Напряжение на лампе, действующее значение, В

Расчетный ток лампы, А

Расчетный ток предварительного подогрева, А

расчетное

не менее

не более

50

13

95

85

105

0,165

0,225

60

13

94

*

*

0,165

0,225

Координаты цветности: см. D.2, приложение D.

Характеристики образцового ПРА

Частота, Гц

Номинальная мощность, Вт

Расчетное напряжение, В

Ток калибровки, А

Отношение напряжения к току, Ом

Коэффициент мощности

50

13

220

0,165

1070

0,12

60

13

236

0,165

1200

0,075

Информация для расчета ПРА

Частота, Гц

50

60

Ток предварительного подогрева катода, А

не менее

0,146

0,146

не более

0,297

0,297

Напряжение холостого хода на стартере, действующее значение, В, не менее

198

198

Напряжение холостого хода на лампе, пиковое, В, не более

400

400

Сопротивление заменяющего резистора обоих последовательно соединенных катодов, Ом

140

140

Напряжение на стартере при работающей лампе, действующее значение, В, не более

128

128

Информация для расчета стартера

Импульсное напряжение, В, не менее

Напряжение неконтактирования, В, не более

400

140

* В стадии рассмотрения.

 

 

ЛАМПА ЛЮМИНЕСЦЕНТНАЯ ДВУХЦОКОЛЬНАЯ

ЛИСТ С ПАРАМЕТРАМИ

С. 1

МСОЛ: FD-15-E-G13-26/450

Номинальная мощность, Вт

Схема

Катод

Цоколь

Номинальные размеры, мм

15

Со стартером

Предварительного подогрева

G13

26×450

Размеры, мм

А

В

С

D

не более

не менее

не более

не более

не более

437,4

442,1

444,5

451,6

28,0

Характеристики зажигания

Частота, Гц

Расчетное напряжение ПРА, В

Испытательное напряжение, действующее значение, В

Время зажигания, с

50

110/120

103,5

30

60

110/120

103,5

30

Электрические параметры

Частота, Гц

Расчетная мощность, Вт

Напряжение на лампе, действующее значение, В

Расчетный ток лампы, А

Расчетный ток предварительного подогрева, А

расчетное

не менее

не более

50

15

55

46

64

0,310

0,440

60

15

55

46

64

0,305

0,550

Координаты цветности: см. D.2, приложение D.

Характеристики образцового ПРА

Частота, Гц

Номинальная мощность, Вт

Расчетное напряжение, В

Ток калибровки, А

Отношение напряжения к току, Ом

Коэффициент мощности

50

15

127

0,310

325

0,12

60

15

118

0,300

305

0,075

Информация для расчета ПРА

Частота, Гц

50

60

Ток предварительного подогрева катода, А

не менее

0,280

0,280

не более

0,650

0,650

Напряжение холостого хода на стартере, действующее значение, В, не менее

103,5

103,5

Напряжение холостого хода на лампе, пиковое, В, не более

400

400

Сопротивление заменяющего резистора обоих последовательно соединенных катодов, Ом

50

50

Напряжение на стартере при работающей лампе, действующее значение, В, не более

68

68

Информация для расчета стартера

Импульсное напряжение, В, не менее

Напряжение неконтактирования, В, не более

250

70

 

 

ЛАМПА ЛЮМИНЕСЦЕНТНАЯ ДВУХЦОКОЛЬНАЯ

ЛИСТ С ПАРАМЕТРАМИ

С. 2

МСОЛ: FD-15-E-G13-26/450

Информация для расчета ВЧ ПРА

Типичные параметры лампы

Частота, кГц

Мощность, Вт

Напряжение на лампе, В

Ток лампы, А

≥ 20

13,5

45

0,310

Ток в любом вводе катодов, А, не более

*

Рабочий ток лампы, А

не менее

*

не более

*

Предварительный подогрев контролируется током

Наименьший ток предварительного подогрева iк, А, за время эмиссии tе, с, iк = (a/tе + i2т)0,5

а

0,130

iт, A

0,260

Наибольший ток предварительного подогрева, А

t ≤ 0,4

1,400

0,4 < t < 2,0

1,580-0,450t

t2,0

0,680

Напряжение действующее холостого хода на лампе, значение, В

не более

ttе

*

не менее

t > tе

*

Напряжение на ЗВУ, пиковое, В

не более

ttе

*

не менее

t > tе

*

Сопротивление заменяющего резистора для каждого катода, Ом

12,5*

Предварительный подогрев контролируется напряжением

*

Без предварительного подогрева

Напряжение холостого хода на лампе, действующее значение на лампе, В, не менее

*

Ток через резистор, заменяющий лампу, А, не менее

*

Сопротивление заменяющего резистора лампы, Ом

*

Сопротивление заменяющего резистора для каждого катода, Ом

*

Ток катода, А, не более

*

* В стадии рассмотрения.

 

 

ЛАМПА ЛЮМИНЕСЦЕНТНАЯ ДВУХЦОКОЛЬНАЯ

ЛИСТ С ПАРАМЕТРАМИ

С. 1

МСОЛ: FD-18-E-G13-26/600

Номинальная мощность, Вт

Схема

Катод

Цоколь

Номинальные размеры, мм

18

Со стартером

Предварительного подогрева

G13

26×600

Размеры, мм

А

В

С

D

не более

не менее

не более

не более

не более

589,8

594,5

596,9

604,0

28,0

Характеристики зажигания

Частота, Гц

Расчетное напряжение ПРА, В

Испытательное напряжение, действующее значение, В

Время зажигания, с

50

110

103,5

30

60

-

-

-

Электрические параметры

Частота, Гц

Расчетная мощность, Вт

Напряжение на лампе, действующее значение, В

Расчетный ток лампы, А

Расчетный ток предварительного подогрева, А

расчетное

не менее

не более

50

18

57

50

64

0,370

0,550

60

-

-

-

-

-

-

Координаты цветности: см. D.2, приложение D.

Характеристики образцового ПРА

Частота, Гц

Номинальная мощность, Вт

Расчетное напряжение, В

Ток калибровки, А

Отношение напряжения к току, Ом

Коэффициент мощности

50

20

127

0,370

270

0,12

60

-

-

-

-

-

Информация для расчета ПРА

Частота, Гц

50

60

Ток предварительного подогрева катода, А

не менее

0,333

-

не более

0,800

-

Напряжение холостого хода на стартере, действующее значение, В, не менее

103,5

-

Напряжение холостого хода на лампе, пиковое, В, не более

400

-

Сопротивление заменяющего резистора обоих последовательно соединенных катодов, Ом

50

-

Напряжение на стартере при работающей лампе, действующее значение, В, не более

68

-

Информация для расчета стартера

Импульсное напряжение, В, не менее

Напряжение неконтактирования, В, не более

800

70

 

 

ЛАМПА ЛЮМИНЕСЦЕНТНАЯ ДВУХЦОКОЛЬНАЯ

ЛИСТ С ПАРАМЕТРАМИ

С. 2

МСОЛ: FD-18-E-G13-16/600

Информация для расчета ВЧ ПРА

Типичные параметры лампы

Частота, кГц

Мощность, Вт

Напряжение на лампе, В

Ток лампы, А

≥ 20

16

55

0,290

Ток в любом вводе катодов, А, не более

0,650

Рабочий ток лампы, А

не менее

*

не более

*

Предварительный подогрев контролируется током

Наименьший ток предварительного подогрева iк, А, за время эмиссии tе, с, iк = (a/tс + i2т)0,5

а

0,240

iт, A

0,315

Наибольший ток предварительного подогрева, А

t ≤ 0,4

1,800

0,4 < t < 2,0

2,000-0,560t

t2,0

0,900

Напряжение действующее холостого хода на лампе, значение, В

не более

ttе

270

не менее

t > tе

280

Напряжение на ЗВУ, пиковое, В

не более

ttе

*

не менее

t > tе

*

Сопротивление заменяющего резистора для каждого катода, Ом

12,5*

Предварительный подогрев контролируется напряжением

*

Без предварительного подогрева

Напряжение холостого хода на лампе, действующее значение на лампе, В, не менее

*

Ток через резистор, заменяющий лампу, А, не менее

*

Сопротивление заменяющего резистора лампы, Ом

*

Сопротивление заменяющего резистора для каждого катода, Ом

*

Ток катода, А, не более

*

* В стадии рассмотрения.

 

 

ЛАМПА ЛЮМИНЕСЦЕНТНАЯ ДВУХЦОКОЛЬНАЯ

ЛИСТ С ПАРАМЕТРАМИ

 

МСОЛ: FD-20-E-G13-32/600

Номинальная мощность, Вт

Схема

Катод

Цоколь

Номинальные размеры, мм

20

Со стартером

Предварительного подогрева

G13

32×600

Размеры, мм

А

В

С

D

не более

не менее

не более

не более

не более

589,8

594,5

596,9

604,0

34,1

Характеристики зажигания

Частота, Гц

Расчетное напряжение ПРА, В

Испытательное напряжение, действующее значение, В

Время зажигания, с

50

110

95

30

60

110

95

30

Электрические параметры

Частота, Гц

Расчетная мощность, Вт

Напряжение на лампе, действующее значение, В

Расчетный ток лампы, А

Расчетный ток предварительного подогрева, А

расчетное

не менее

не более

50

19

58

52

64

0,360

0,550

60

19

58

52

64

0,360

0,550

Координаты цветности: см. D.2, приложение D.

Характеристики образцового ПРА

Частота, Гц

Номинальная мощность, Вт

Расчетное напряжение, В

Ток калибровки, А

Отношение напряжения к току, Ом

Коэффициент мощности

50

20

127

0,370

270

0,12

60

20

118

0,370

240

0,075

Информация для расчета ПРА

Частота, Гц

50

60

Ток предварительного подогрева катода, А

не менее

0,333

0,333

не более

0,800

0,800

Напряжение холостого хода на стартере, действующее значение, В, не менее

95

95

Напряжение холостого хода на лампе, пиковое, В, не более

400

400

Сопротивление заменяющего резистора обоих последовательно соединенных катодов, Ом

50

50

Напряжение на стартере при работающей лампе, действующее значение, В, не более

68

68

Информация для расчета стартера

Импульсное напряжение, В, не менее

Напряжение неконтактирования, В, не более

800

70

 

 

ЛАМПА ЛЮМИНЕСЦЕНТНАЯ ДВУХЦОКОЛЬНАЯ

ЛИСТ С ПАРАМЕТРАМИ

 

МСОЛ: FD-20-E-G13-38/600

Номинальная мощность, Вт

Схема

Катод

Цоколь

Номинальные размеры, мм

20

Со стартером

Предварительного подогрева

G13

38×600

Размеры, мм

А

В

С

D

не более

не менее

не более

не более

не более

589,8

594,5

596,9

604,0

40,5

Характеристики зажигания

Частота, Гц

Расчетное напряжение ПРА, В

Испытательное напряжение, действующее значение, В

Время зажигания, с

50

110

103,5

30

60

110

103,5

30

Электрические параметры

Частота, Гц

Расчетная мощность, Вт

Напряжение на лампе, действующее значение, В

Расчетный ток лампы, А

Расчетный ток предварительного подогрева, А

расчетное

не менее

не более

50

19,3

57

50

64

0,370

0,550

60

20,5

57

50

64

0,380

0,550

Координаты цветности: см. D.2, приложение D.

Характеристики образцового ПРА

Частота, Гц

Номинальная мощность, Вт

Расчетное напряжение, В

Ток калибровки, А

Отношение напряжения к току, Ом

Коэффициент мощности

50

20

127

0,370

270

0,12

60

20

118

0,380

240

0,075

Информация для расчета ПРА

Частота, Гц

50

60

Ток предварительного подогрева катода, А

не менее

0,333

0,333

не более

0,800

0,800

Напряжение холостого хода на стартере, действующее значение, В, не менее

103,5

103,5

Напряжение холостого хода на лампе, пиковое, В, не более

400

400

Сопротивление заменяющего резистора обоих последовательно соединенных катодов, Ом

50

50

Напряжение на стартере при работающей лампе, действующее значение, В, не более

68

68

Информация для расчета стартера

Импульсное напряжение, В, не менее

Напряжение неконтактирования, В, не более

250

70

 

 

ЛАМПА ЛЮМИНЕСЦЕНТНАЯ ДВУХЦОКОЛЬНАЯ

ЛИСТ С ПАРАМЕТРАМИ

 

МСОЛ: FD-25-E-G13-38/970

Номинальная мощность, Вт

Схема

Катод

Цоколь

Номинальные размеры, мм

25

Со стартером

Предварительного подогрева

G13

38×970

Размеры, мм

А

В

С

D

не более

не менее

не более

не более

не более

970,0

974,7

977,1

984,2

40,5

Характеристики зажигания

Частота, Гц

Расчетное напряжение ПРА,В

Испытательное напряжение, действующее значение, В

Время зажигания, с

50

220

198

30

60

-

-

-

Электрические параметры

Частота, Гц

Расчетная мощность, Вт

Напряжение на лампе, действующее значение, В

Расчетный ток лампы, А

Расчетный ток предварительного подогрева, А

расчетное

не менее

не более

50

24,5

94

84

104

0,290

0,450

60

-

-

-

-

-

-

Координаты цветности: см. D.2, приложение D.

Характеристики образцового ПРА

Частота, Гц

Номинальная мощность, Вт

Расчетное напряжение, В

Ток калибровки, А

Отношение напряжения к току, Ом

Коэффициент мощности

50

25

220

0,290

605

0,10

60

-

-

-

-

-

Информация для расчета ПРА

Частота, Гц

50

60

Ток предварительного подогрева катода, А

не менее

0,261

-

не более

0,609

-

Напряжение холостого хода на стартере, действующее значение, В, не менее

198

-

Напряжение холостого хода на лампе, пиковое, В, не более

400

-

Сопротивление заменяющего резистора обоих последовательно соединенных катодов, Ом

50

-

Напряжение на стартере при работающей лампе, действующее значение, В, не более

128

-

Информация для расчета стартера

Импульсное напряжение, В, не менее

Напряжение неконтактирования, В, не более

400

140

 

 

ЛАМПА ЛЮМИНЕСЦЕНТНАЯ ДВУХЦОКОЛЬНАЯ

ЛИСТ С ПАРАМЕТРАМИ

С. 1

МСОЛ: FD-30-E-G13-26/900

Номинальная мощность, Вт

Схема

Катод

Цоколь

Номинальные размеры, мм

30

Со стартером

Предварительного подогрева

G13

26×900

Размеры, мм

А

В

С

D

не более

не менее

не более

не более

не более

894,6

899,3

901,7

908,8

28,0

Характеристики зажигания

Частота, Гц

Расчетное напряжение ПРА, В

Испытательное напряжение, действующее значение, В

Время зажигания, с

50

220

198

30

60

220

198

30

Электрические параметры

Частота, Гц

Расчетная мощность, Вт

Напряжение на лампе, действующее значение, В

Расчетный ток лампы, А

Расчетный ток предварительного подогрева, А

расчетное

не менее

не более

50

30

96

86

106

0,365

0,550

60

30,5

99

89

109

0,355

0,530

Координаты цветности: см. D.2, приложение D.

Характеристики образцового ПРА

 

Частота, Гц

Номинальная мощность, Вт

Расчетное напряжение, В

Ток калибровки, А

Отношение напряжения к току, Ом

Коэффициент мощности

50

30

220

0,360

480

0,10

60

30

236

0,355

548

0,075

Информация для расчета ПРА

Частота, Гц

50

60

Ток предварительного подогрева катода, А

не менее

0,328

0,328

не более

0,766

0,766

Напряжение холостого хода на стартере, действующее значение, В, не менее

198

198

Напряжение холостого хода на лампе, пиковое, В, не более

400

400

Сопротивление заменяющего резистора обоих последовательно соединенных катодов, Ом

50

50

Напряжение на стартере при работающей лампе, действующее значение, В, не более

128

128

Информация для расчета стартера

Импульсное напряжение, В, не менее

Напряжение неконтактирования, В, не более

400

140

 

 

ЛАМПА ЛЮМИНЕСЦЕНТНАЯ ДВУХЦОКОЛЬНАЯ

ЛИСТ С ПАРАМЕТРАМИ

С. 2

МСОЛ: FD-30-E-G13-26/900

Информация для расчета ВЧ ПРА

Типичные параметры лампы

Частота, кГц

Мощность, Вт

Напряжение на лампе, В

Ток лампы, А

≥ 20

24

95

0,260

Ток в любом вводе катодов, А, не более

0,630

Рабочий ток лампы, А

не менее

*

не более

*

Предварительный подогрев контролируется током

Наименьший ток предварительного подогрева iк, А, за время эмиссии tе, с, iк = (a/tс + i2т)0,5

а

0,240

iт, A

0,310

Наибольший ток предварительного подогрева, А

t ≤ 0,4

1,600

0,4 < t < 2,0

1,810-0,525t

t2,0

0,760

Напряжение холостого хода на лампе, действующее значение, В

не более

ttе

*

не менее

t > tе

*

Напряжение на ЗВУ, пиковое, В

не более

ttе

*

не менее

t > tе

*

Сопротивление заменяющего резистора для каждого катода, Ом

12,5*

Предварительный подогрев контролируется напряжением

*

Без предварительного подогрева

Напряжение холостого хода на лампе, действующее значение, В, не менее

*

Ток через резистор, заменяющий лампу, А, не менее

*

Сопротивление заменяющего резистора лампы, Ом

*

Сопротивление заменяющего резистора для каждого катода, Ом

*

Ток катода, А, не более

*

* В стадии рассмотрения

 

 

ЛАМПА ЛЮМИНЕСЦЕНТНАЯ ДВУХЦОКОЛЬНАЯ

ЛИСТ С ПАРАМЕТРАМИ

 

МСОЛ: FD-30-E-G13-36/900

Номинальная мощность, Вт

Схема

Катод

Цоколь

Номинальные размеры, мм

30

Со стартером

Предварительного подогрева

G13

36×900

Размеры, мм

А

В

C

D

не более

не менее

не более

не более

не более

894,6

899,3

901,7

908,8

40,5

Характеристики зажигания

Частота, Гц

Расчетное напряжение ПРА, В

Испытательное напряжение, действующее значение, В

Время зажигания, с

50

220

198

30

60

-

-

-

Электрические параметры

Частота, Гц

Расчетная мощность, Вт

Напряжение на лампе, действующее значение, В

Расчетный ток лампы, А

Расчетный ток предварительного подогрева, А

расчетное

не менее

не более

50

29,5

81

71

91

0,405

0,620

60

-

-

-

-

-

-

Координаты цветности: см. D.2, приложение D.

Характеристики образцового ПРА

Частота, Гц

Номинальная мощность, Вт

Расчетное напряжение, В

Ток калибровки, А

Отношение напряжения к току, Ом

Коэффициент мощности

50

30

220

0,405

460

0,10

60

-

-

-

-

-

Информация для расчета ПРА

Частота, Гц

50

60

Ток предварительного подогрева катода, А

не менее

0,365

-

не более

0,850

-

Напряжение холостого хода на стартере, действующее значение, В, не менее

198

-

Напряжение холостого хода на лампе, пиковое, В, не более

400

-

Сопротивление заменяющего резистора обоих последовательно соединенных катодов, Ом

50

-

Напряжение на стартере при работающей лампе, действующее значение, В, не более

128

-

Информация для расчета стартера

Импульсное напряжение, В, не менее

Напряжение неконтактирования, В, не более

400

140

 

 

ЛАМПА ЛЮМИНЕСЦЕНТНАЯ ДВУХЦОКОЛЬНАЯ

ЛИСТ С ПАРАМЕТРАМИ

С. 1

МСОЛ: FD-36-E-G13-26/1200

Номинальная мощность, Вт

Схема

Катод

Цоколь

Номинальные размеры, мм

36

Со стартером

Предварительного подогрева

G13

26×1200

Размеры, мм

А

В

С

D

не более

не менее

не более

не более

не более

1199,4

1204,1

1206,5

1213,6

28,0

Характеристики зажигания

Частота, Гц

Расчетное напряжение ПРА, В

Испытательное напряжение, действующее значение, В

Время зажигания, с

50

220

198

30

60

-

-

-

Электрические параметры

Частота, Гц

Расчетная мощность, Вт

Напряжение на лампе, действующее значение, В

Расчетный ток лампы, А

Расчетный ток предварительного подогрева, А

расчетное

не менее

не более

50

36

103

93

113

0,430

0,650

60

-

-

-

-

-

-

Координаты цветности: см. D.2, приложение D.

Характеристики образцового ПРА

Частота, Гц

Номинальная мощность, Вт

Расчетное напряжение, В

Ток калибровки, А

Отношение напряжения к току, Ом

Коэффициент мощности

50

40

220

0,430

390

0,10

60

-

-

-

-

-

Информация для расчета ПРА

Частота, Гц

50

60

Ток предварительного подогрева катода, А

не менее

0,387

-

не более

0,904

-

Напряжение холостого хода на стартере, действующее значение, В, не менее

198

-

Напряжение холостого хода на лампе, пиковое, В, не более

400

-

Сопротивление заменяющего резистора обоих последовательно соединенных катодов, Ом

40

-

Напряжение на стартере при работающей лампе, действующее значение, В, не более

128

-

Информация для расчета стартера

Импульсное напряжение, В, не менее

Напряжение неконтактирования, В, не более

800

140

 

 

ЛАМПА ЛЮМИНЕСЦЕНТНАЯ ДВУХЦОКОЛЬНАЯ ЛИСТ С ПАРАМЕТРАМИ

С 2

МСОЛ: FD-36-E-G13-26/1200

Информация для расчета ВЧ ПРА

Типичные параметры лампы

Частота, кГц

Мощность, Вт

Напряжение на лампе, В

Ток лампы, А

≥ 20

32

102

0,320

Ток в любом вводе катодов, А, не более

0,750

Рабочий ток лампы, А

не менее

*

не более

*

Предварительный подогрев контролируется током

Наименьший ток предварительного подогрева iк, А, за время эмиссии tе, с, iк = (a/tе + i2т)0,5

а

0,340

iт, A

0,300

Наибольший ток предварительного подогрева, А

t ≤ 0,4

1,900

0,4 < t < 2,0

2,150-0,630t

t2,0

0,900

Напряжение холостого хода на лампе, действующее значение, В

не более

ttе

290*

не менее

t > tе

330*

Напряжение на ЗВУ, пиковое, В

не более

ttе

410*

не менее

t > tе

465*

Сопротивление заменяющего резистора для каждого катода, Ом

10*

Предварительный подогрев контролируется напряжением

*

Без предварительного подогрева

Напряжение холостого хода на лампе, действующее значение, В, не менее

800

Ток через резистор, заменяющий лампу, А, не менее

0,200

Сопротивление заменяющего резистора лампы, Ом

1000

Сопротивление заменяющего резистора для каждого катода, Ом

2

Ток катода, А, не более

2,200

* В стадии рассмотрения

 

 

ЛАМПА ЛЮМИНЕСЦЕНТНАЯ ДВУХЦОКОЛЬНАЯ

ЛИСТ С ПАРАМЕТРАМИ

С. 1

МСОЛ: FD-38-E-G13-26/1050

Номинальная мощность, Вт

Схема

Катод

Цоколь

Номинальные размеры, мм

38

Со стартером

Предварительного подогрева

G13

26×1050

Размеры, мм

А

В

С

D

не более

не менее

не более

не более

не более

1047,0

1051,7

1054,1

1061,2

28,0

Характеристики зажигания

Частота, Гц

Расчетное напряжение ПРА, В

Испытательное напряжение, действующее значение, В

Время зажигания, с

50

220

198

30

60

-

-

-

Электрические параметры

Частота, Гц

Расчетная мощность, Вт

Напряжение на лампе, действующее значение, В

Расчетный ток лампы, А

Расчетный ток предварительного подогрева, А

расчетное

не менее

не более

50

38,5

104

94

114

0,430

0,650

60

-

-

-

-

-

-

Координаты цветности: см. D.2, приложение D.

Характеристики образцового ПРА

Частота, Гц

Номинальная мощность, Вт

Расчетное напряжение, В

Ток калибровки, А

Отношение напряжения к току, Ом

Коэффициент мощности

50

40

220

0,430

390

0,10

60

-

-

-

-

-

Информация для расчета ПРА

Частота, Гц

50

60

Ток предварительного подогрева катода, А

не менее

0,387

-

не более

0,904

-

Напряжение холостого хода на стартере, действующее значение, В, не менее

198

-

Напряжение холостого хода на лампе, пиковое, В, не более

400

-

Сопротивление заменяющего резистора обоих последовательно соединенных катодов, Ом

40

-

Напряжение на стартере при работающей лампе, действующее значение, В, не более

128

-

Информация для расчета стартера

Импульсное напряжение, В, не менее

Напряжение неконтактирования, В, не более

800

140

 

 

ЛАМПА ЛЮМИНЕСЦЕНТНАЯ ДВУХЦОКОЛЬНАЯ ЛИСТ С ПАРАМЕТРАМИ

С. 2

МСОЛ: FD-38-E-G13-26/1050

Информация для расчета ВЧ ПРА

Типичные параметры лампы

Частота, кГц

Мощность, Вт

Напряжение на лампе, В

Ток лампы, А

≥ 20

32

105

0,310

Ток в любом вводе катодов, А, не более

0,750

Рабочий ток лампы, А

не менее

*

не более

*

Предварительный подогрев контролируется током

Наименьший ток предварительного подогрева iк, А, за время эмиссии tе, с, iк = (a/tе + i2т)0,5

а

0,340

iт, A

0,350

Наибольший ток предварительного подогрева, А

t ≤ 0,4

1,900

0,4 < t < 2,0

2,150-0,630t

t2,0

0,900

Напряжение холостого хода на лампе, действующее значение, В

не более

ttе

240*

не менее

t > tе

230*

Напряжение на ЗВУ, пиковое, В

не более

ttе

340*

не менее

t > tе

325*

Сопротивление заменяющего резистора для каждого катода, Ом

10*

Предварительный подогрев контролируется напряжением

*

Без предварительного подогрева

Напряжение холостого хода на лампе, действующее значение, В, не менее

800

Ток через резистор, заменяющий лампу, А, не менее

0,200

Сопротивление заменяющего резистора лампы, Ом

1000

Сопротивление заменяющего резистора для каждого катода, Ом

2

Ток катода, А, не более

2,200

* В стадии рассмотрения

 

 

ЛАМПА ЛЮМИНЕСЦЕНТНАЯ ДВУХЦОКОЛЬНАЯ

ЛИСТ С ПАРАМЕТРАМИ

 

МСОЛ: FD-40-E-G13-32/1200

Номинальная мощность, Вт

Схема

Катод

Цоколь

Номинальные размеры, мм

40

Со стартером

Предварительного подогрева

G13

32×1200

Размеры, мм

А

В

С

D

не более

не менее

не более

не более

не более

1199,4

1204,1

1206,5

1213,6

34,1

Характеристики зажигания

Частота, Гц

Расчетное напряжение ПРА, В

Испытательное напряжение, действующее значение, В

Время зажигания, с

50

220

180

30

60

220

180

30

Электрические параметры

Частота, Гц

Расчетная мощность, Вт

Напряжение на лампе, действующее значение, В

Расчетный ток лампы, А

Расчетный ток предварительного подогрева, А

расчетное

не менее

не более

50

39

106

99

113

0,420

0,650

60

39,5

105

98

112

0,425

0,650

Координаты цветности: см. D.2, приложение D.

Характеристики образцового ПРА

Частота, Гц

Номинальная мощность, Вт

Расчетное напряжение, В

Ток калибровки, А

Отношение напряжения к току, Ом

Коэффициент мощности

50

40

220

0,430

390

0,10

60

40

236

0,430

439

0,075

Информация для расчета ПРА

Частота, Гц

50

60

Ток предварительного подогрева катода, А

не менее

0,387

0,387

не более

0,904

0,904

Напряжение холостого хода на стартере, действующее значение, В, не менее

180

180

Напряжение холостого хода на лампе, пиковое, В, не более

400

400

Сопротивление заменяющего резистора обоих последовательно соединенных катодов, Ом

40

40

Напряжение на стартере при работающей лампе, действующее значение, В, не более

128

128

Информация для расчета стартера

Импульсное напряжение, В, не менее

Напряжение неконтактирования, В, не более

900

130

 

 

ЛАМПА ЛЮМИНЕСЦЕНТНАЯ ДВУХЦОКОЛЬНАЯ

ЛИСТ С ПАРАМЕТРАМИ

 

МСОЛ: FD-40-E-G13-38/1200

Номинальная мощность, Вт

Схема

Катод

Цоколь

Номинальные размеры, мм

40

Со стартером

Предварительного подогрева

G13

38×1200

Размеры, мм

А

В

С

D

не более

не менее

не более

не более

не более

1199,4

1204,1

1206,5

1213,6

40,5

Характеристики зажигания

Частота, Гц

Расчетное напряжение ПРА, В

Испытательное напряжение, действующее значение, В

Время зажигания, с

50

220

198

30

60

220

198

30

Электрические параметры

Частота, Гц

Расчетная мощность, Вт

Напряжение на лампе, действующее значение, В

Расчетный ток лампы, А

Расчетный ток предварительного подогрева, А

расчетное

не менее

не более

50

39,5

103

93

113

0,430

0,650

60

40

102

92

112

0,435

0,650

Координаты цветности: см. D.2, приложение D.

Характеристики образцового ПРА

Частота, Гц

Номинальная мощность, Вт

Расчетное напряжение, В

Ток калибровки, А

Отношение напряжения к току, Ом

Коэффициент мощности

50

40

220

0,430

390

0,10

60

40

236

0,430

439

0,075

Информация для расчета ПРА

Частота, Гц

50

60

Ток предварительного подогрева катода, А

не менее

0,387

0,387

не более

0,904

0,904

Напряжение холостого хода на стартере, действующее значение, В, не менее

198

198

Напряжение холостого хода на лампе, пиковое, В, не более

400

400

Сопротивление заменяющего резистора обоих последовательно соединенных катодов, Ом

40

40

Напряжение на стартере при работающей лампе, действующее значение, В, не более

128

128

Информация для расчета стартера

Импульсное напряжение, В, не менее

Напряжение неконтактирования, В, не более

400

140

 

 

ЛАМПА ЛЮМИНЕСЦЕНТНАЯ ДВУХЦОКОЛЬНАЯ

ЛИСТ С ПАРАМЕТРАМИ

С. 1

МСОЛ: FD-58-E-G13-26/1500

Номинальная мощность, Вт

Схема

Катод

Цоколь

Номинальные размеры, мм

58

Со стартером

Предварительного подогрева

G13

26×1500

Размеры, мм

А

В

С

D

не более

не менее

не более

не более

не более

1500,0

1504,7

1507,1

1514,2

28,0

Характеристики зажигания

Частота, Гц

Расчетное напряжение ПРА, В

Испытательное напряжение, действующее значение, В

Время зажигания, с

50

220

198

30

60

-

-

-

Электрические параметры

Частота, Гц

Расчетная мощность, Вт

Напряжение на лампе, действующее значение, В

Расчетный ток лампы, А

Расчетный ток предварительного подогрева, А

расчетное

не менее

не более

50

58

ПО

100

120

0,670

1,000

60

-

-

-

-

-

-

Координаты цветности: см. D.2, приложение D.

Характеристики образцового ПРА

Частота, Гц

Номинальная мощность, Вт

Расчетное напряжение, В

Ток калибровки, А

Отношение напряжения к току, Ом

Коэффициент мощности

50

65

220

0,670

240

0,10

60

-

-

-

-

-

Информация для расчета ПРА

Частота, Гц

50

60

Ток предварительного подогрева катода, А

не менее

0,603

-

не более

1,410

-

Напряжение холостого хода на стартере, действующее значение, В, не менее

198

-

Напряжение холостого хода на лампе, пиковое, В, не более

400

-

Сопротивление заменяющего резистора обоих последовательно соединенных катодов, Ом

25

-

Напряжение на стартере при работающей лампе, действующее значение, В, не более

132

-

Информация для расчета стартера

Импульсное напряжение, В, не менее

Напряжение неконтактирования, В, не более

900

140

 

 

ЛАМПА ЛЮМИНЕСЦЕНТНАЯ ДВУХЦОКОЛЬНАЯ

ЛИСТ С ПАРАМЕТРАМИ

С. 2

МСОЛ: FD-58-E-G13-26/1500

Информация для расчета ВЧ ПРА

Типичные параметры лампы

Частота, кГц

Мощность, Вт

Напряжение на лампе, В

Ток лампы, А

≥ 20

50

111

0,455

Ток в любом вводе катодов, А, не более

1,100

Рабочий ток лампы, А

не менее

*

не более

*

Предварительный подогрев контролируется током

Наименьший ток предварительного подогрева iк, А, за время эмиссии tе, с, iк = (a/tе + i2т)0,5

а

0,390

iт, A

0,350

Наибольший ток предварительного подогрева, А

t ≤ 0,4

2,900

0,4 < t < 2,0

3,300-0,970t

t2,0

1,350

Напряжение холостого хода на лампе, действующее значение, В

не более

ttе

295*

не менее

t > tе

335*

Напряжение на ЗВУ, пиковое, В

не более

ttе

420*

не менее

t > tе

475*

Сопротивление заменяющего резистора для каждого катода, Ом

8*

Предварительный подогрев контролируется напряжением

*

Без предварительного подогрева

Напряжение холостого хода на лампе, действующее значение, В, не менее

800

Ток через резистор, заменяющий лампу, А, не менее

0,250

Сопротивление заменяющего резистора лампы, Ом

800

Сопротивление заменяющего резистора для каждого катода, Ом

2

Ток катода, А, не более

3,000

* В стадии рассмотрения.

 

 

ЛАМПА ЛЮМИНЕСЦЕНТНАЯ ДВУХЦОКОЛЬНАЯ

ЛИСТ С ПАРАМЕТРАМИ

 

МСОЛ: FD-65-E-G13-32/1500

Номинальная мощность, Вт

Схема

Катод

Цоколь

Номинальные размеры, мм

65

Со стартером

Предварительного подогрева

G13

32×1500

Размеры, мм

А

В

С

D

не более

не менее

не более

не более

не более

1500,0

1504,7

1507,1

1514,2

34,1

Характеристики зажигания

Частота, Гц

Расчетное напряжение ПРА, В

Испытательное напряжение, действующее значение, В

Время зажигания, с

50

220

198

30

60

-

-

-

Электрические параметры

Частота, Гц

Расчетная мощность, Вт

Напряжение на лампе, действующее значение, В

Расчетный ток лампы, А

Расчетный ток предварительного подогрева, А

расчетное

не менее

не более

50

62

110

100

120

0,670

1,000

60

-

-

-

-

-

-

Координаты цветности: см. D.2, приложение D.

Характеристики образцового ПРА

Частота, Гц

Номинальная мощность, Вт

Расчетное напряжение, В

Ток калибровки, А

Отношение напряжения к току, Ом

Коэффициент мощности

50

65

220

0,670

240

0,10

60

-

-

-

-

-

Информация для расчета ПРА

Частота, Гц

50

60

Ток предварительного подогрева катода, А

не менее

0,603

-

не более

1,410

-

Напряжение холостого хода на стартере, действующее значение, В, не менее

198

-

Напряжение холостого хода на лампе, пиковое, В, не более

400

-

Сопротивление заменяющего резистора обоих последовательно соединенных катодов, Ом

25

-

Напряжение на стартере при работающей лампе, действующее значение, В, не более

132

-

Информация для расчета стартера

Импульсное напряжение, В, не менее

Напряжение неконтактирования, В, не более

900

140

 

 

ЛАМПА ЛЮМИНЕСЦЕНТНАЯ ДВУХЦОКОЛЬНАЯ

ЛИСТ С ПАРАМЕТРАМИ

 

МСОЛ: FD-65-E-G13-38/1500

Номинальная мощность, Вт

Схема

Катод

Цоколь

Номинальные размеры, мм

65

Со стартером

Предварительного подогрева

G13

38×1500

Размеры, мм

А

В

С

D

не более

не менее

не более

не более

не более

1500,0

1504,7

1507,1

1514,2

40,5

Характеристики зажигания

Частота, Гц

Расчетное напряжение ПРА, В

Испытательное напряжение, действующее значение, В

Время зажигания, с

50

220

198

30

60

-

-

-

Электрические параметры

Частота, Гц

Расчетная мощность, Вт

Напряжение на лампе, действующее значение, В

Расчетный ток лампы, А

Расчетный ток предварительного подогрева, А

расчетное

не менее

не более

50

64

НО

100

120

0,670

1,000

60

-

-

-

-

-

-

Координаты цветности: см. D.2, приложение D.

Характеристики образцового ПРА

 

Частота, Гц

Номинальная мощность, Вт

Расчетное напряжение, В

Ток калибровки, А

Отношение напряжения к току, Ом

Коэффициент мощности

50

65

220

0,670

240

0,10

60

-

-

-

-

-

Информация для расчета ПРА

Частота, Гц

50

60

Ток предварительного подогрева катода, А

не менее

0,603

-

не более

1,410

-

Напряжение холостого хода на стартере, действующее значение, В, не менее

198

-

Напряжение холостого хода на лампе, пиковое, В, не более

400

-

Сопротивление заменяющего резистора обоих последовательно соединенных катодов, Ом

25

-

Напряжение на стартере при работающей лампе, действующее значение, В, не более

132

-

Информация для расчета стартера

Импульсное напряжение, В, не менее

Напряжение неконтактирования, В, не более

400

140

 

 

ЛАМПА ЛЮМИНЕСЦЕНТНАЯ ДВУХЦОКОЛЬНАЯ

ЛИСТ С ПАРАМЕТРАМИ

С. 1

МСОЛ: FD-70-E-G13-26/1800

Номинальная мощность, Вт

Схема

Катод

Цоколь

Номинальные размеры, мм

70

Со стартером

Предварительного подогрева

G13

26×1800

Размеры, мм

А

В

С

D

не более

не менее

не более

не более

не более

1763,8

1768,5

1770,9

1778,0

28,0

Характеристики зажигания

Частота, Гц

Расчетное напряжение ПРА, В

Испытательное напряжение, действующее значение, В

Время зажигания, с

50

240

216

30

60

240

216

30

Электрические параметры

Частота, Гц

Расчетная мощность, Вт

Напряжение на лампе, действующее значение, В

Расчетный ток лампы, А

Расчетный ток предварительного подогрева, А

расчетное

не менее

не более

50

69,5

128

118

138

0,700

1,000

60

69,5

128

118

138

0,700

1,000

Координаты цветности: см. D.2, приложение D.

Характеристики образцового ПРА

Частота, Гц

Номинальная мощность, Вт

Расчетное напряжение, В

Ток калибровки, А

Отношение напряжения к току, Ом

Коэффициент мощности

50

70

240

0,700

240

0,10

60

70

240

0,700

240

0,10

Информация для расчета ПРА

Частота, Гц

50

60

Ток предварительного подогрева катода, А

не менее

0,590

0,590

не более

1,470

1,470

Напряжение холостого хода на стартере, действующее значение, В, не менее

216

216

Напряжение холостого хода на лампе, пиковое, В, не более

400

400

Сопротивление заменяющего резистора обоих последовательно соединенных катодов, Ом

25

25

Напряжение на стартере при работающей лампе, действующее значение, В, не более

160

160

Информация для расчета стартера

Импульсное напряжение, В, не менее

Напряжение неконтактирования, В, не более

900

170

 

 

ЛАМПА ЛЮМИНЕСЦЕНТНАЯ ДВУХЦОКОЛЬНАЯ

ЛИСТ С ПАРАМЕТРАМИ

С. 2

МСОЛ: FD-70-E-G13-26/1800

Информация для расчета ВЧ ПРА

Типичные параметры лампы

Частота, кГц

Мощность, Вт

Напряжение на лампе, В

Ток лампы, А

≥ 20

60

129

0,470

Ток в любом вводе катодов, А, не более

1,160

Рабочий ток лампы, А

не менее

*

не более

*

Предварительный подогрев контролируется током

Наименьший ток предварительного подогрева iк, А, за время эмиссии tе, с, iк = (a/tе + i2т)0,5

а

0,800

iт, A

0,400

Наибольший ток предварительного подогрева, А

t ≤ 0,4

3,100

0,4 < t < 2,0

3,500-1,030t

t2,0

1,450

Напряжение холостого хода на лампе, действующее значение, В

не более

ttе

410*

не менее

t > tе

465*

Напряжение на ЗВУ, пиковое, В

не более

ttе

580*

не менее

t > tе

660*

Сопротивление заменяющего резистора для каждого катода, Ом

8*

Предварительный подогрев контролируется напряжением

*

Без предварительного подогрева

Напряжение холостого хода на лампе, действующее значение, В, не менее

*

Ток через резистор, заменяющий лампу, А, не менее

*

Сопротивление заменяющего резистора лампы, Ом

*

Сопротивление заменяющего резистора для каждого катода, Ом

*

Ток катода, А, не более

*

* В стадии рассмотрения.

 

 

ЛАМПА ЛЮМИНЕСЦЕНТНАЯ ДВУХЦОКОЛЬНАЯ

ЛИСТ С ПАРАМЕТРАМИ

 

МСОЛ: FD-75-E-G13-38/1800

Номинальная мощность, Вт

Схема

Катод

Цоколь

Номинальные размеры, мм

75

Со стартером

Предварительного подогрева

G13

38×1800

Размеры, мм

А

В

С

D

не более

не менее

не более

не более

не более

1763,8

1768,5

1770,9

1778,0

40,5

Характеристики зажигания

Частота, Гц

Расчетное напряжение ПРА,В

Испытательное напряжение, действующее значение, В

Время зажигания, с

50

240

216

30

60

-

-

-

Электрические параметры

Частота, Гц

Расчетная мощность, Вт

Напряжение на лампе, действующее значение, В

Расчетный ток лампы, А

Расчетный ток предварительного подогрева, А

расчетное

не менее

не более

50

75

130

120

140

0,670

1,000

60

-

-

-

-

-

-

Координаты цветности: см. D.2, приложение D.

Характеристики образцового ПРА

Частота, Гц

Номинальная мощность, Вт

Расчетное напряжение, В

Ток калибровки, А

Отношение напряжения к току, Ом

Коэффициент мощности

50

75

235

0,670

240

0,10

60

-

-

-

-

-

Примечание - Используется образцовый ПРА мощностью 65 Вт, работающий при 235 В.

Информация для расчета ПРА

Частота, Гц

50

60

Ток предварительного подогрева катода, А

не менее

0,570

-

не более

1,410

-

Напряжение холостого хода на стартере, действующее значение, В, не менее

216

-

Напряжение холостого хода на лампе, пиковое, В, не более

400

-

Сопротивление заменяющего резистора обоих последовательно соединенных катодов, Ом

25

-

Напряжение на стартере при работающей лампе, действующее значение, В, не более

160

-

Информация для расчета стартера

Импульсное напряжение, В, не менее

Напряжение неконтактирования, В, не более

800

170

 

 

ЛАМПА ЛЮМИНЕСЦЕНТНАЯ ДВУХЦОКОЛЬНАЯ

ЛИСТ С ПАРАМЕТРАМИ

 

МСОЛ: FD-80-E-G13-38/1500

Номинальная мощность, Вт

Схема

Катод

Цоколь

Номинальные размеры, мм

80

Со стартером

Предварительного подогрева

G13

38×1500

Размеры, мм

А

В

С

D

не более

не менее

не более

не более

не более

1500,0

1504,7

1507,1

1514,2

40,5

Характеристики зажигания

Частота, Гц

Расчетное напряжение ПРА,В

Испытательное напряжение, действующее значение, В

Время зажигания, с

50

240

198

30

60

-

-

-

Электрические параметры

Частота, Гц

Расчетная мощность, Вт

Напряжение на лампе, действующее значение, В

Расчетный ток лампы, А

Расчетный ток предварительного подогрева, А

расчетное

не менее

не более

50

76

99

89

109

0,870

1,300

60

-

-

-

-

-

-

Координаты цветности: см. D.2, приложение D.

Характеристики образцового ПРА

Частота, Гц

Номинальная мощность, Вт

Расчетное напряжение, В

Ток калибровки, А

Отношение напряжения к току, Ом

Коэффициент мощности

50

80

240

0,865

223

0,06

60

-

-

-

-

-

Информация для расчета ПРА

Частота, Гц

50

60

Ток предварительного подогрева катода, А

не менее

0,790

-

не более

1,830

-

Напряжение холостого хода на стартере, действующее значение, В, не менее

198

-

Напряжение холостого хода на лампе, пиковое, В, не более

400

-

Сопротивление заменяющего резистора обоих последовательно соединенных катодов, Ом

25

-

Напряжение на стартере при работающей лампе, действующее значение, В, не более

128

-

Информация для расчета стартера

Импульсное напряжение, В, не менее

Напряжение неконтактирования, В, не более

400

140

 

 

ЛАМПА ЛЮМИНЕСЦЕНТНАЯ ДВУХЦОКОЛЬНАЯ

ЛИСТ С ПАРАМЕТРАМИ

 

МСОЛ: FD-85-E-G13-38/1800

Номинальная мощность, Вт

Схема

Катод

Цоколь

Номинальные размеры, мм

85

Со стартером

Предварительного подогрева

G13

38×1800

Размеры, мм

А

В

С

D

не более

не менее

не более

не более

не более

1763,8

1768,5

1770,9

1778,0

40,5

Характеристики зажигания

Частота, Гц

Расчетное напряжение ПРА, В

Испытательное напряжение, действующее значение, В

Время зажигания, с

50

240

216

30

60

-

-

-

Примечание - Используется индуктивный ПРА на 80 Вт/240 В.

Электрические параметры

Частота, Гц

Расчетная мощность, Вт

Напряжение на лампе, действующее значение, В

Расчетный ток лампы, А

Расчетный ток предварительного подогрева, А

расчетное

не менее

не более

50

84

120

ПО

130

0,800

1,300

60

-

-

-

-

-

-

Координаты цветности: см. D.2, приложение D.

Характеристики образцового ПРА

Частота, Гц

Номинальная мощность, Вт

Расчетное напряжение, В

Ток калибровки, А

Отношение напряжения к току, Ом

Коэффициент мощности

50

80

240

0,865

223

0,06

60

-

-

-

-

-

Информация для расчета ПРА

Частота, Гц

50

60

Ток предварительного подогрева катода, А

не менее

0,680

-

не более

1,700

-

Напряжение холостого хода на стартере, действующее значение, В, не менее

216

-

Напряжение холостого хода на лампе, пиковое, В, не более

400

-

Сопротивление заменяющего резистора обоих последовательно соединенных катодов, Ом

25

-

Напряжение на стартере при работающей лампе, действующее значение, В, не более

160

-

Информация для расчета стартера

Импульсное напряжение, В, не менее

Напряжение неконтактирования, В, не более

800

170

 

 

ЛАМПА ЛЮМИНЕСЦЕНТНАЯ ДВУХЦОКОЛЬНАЯ

ЛИСТ С ПАРАМЕТРАМИ

 

МСОЛ: FD-100-E-G13-38/2400

Номинальная мощность, Вт

Схема

Катод

Цоколь

Номинальные размеры, мм

100

Со стартером

Предварительного подогрева

G13

38×2400

Размеры, мм

А

В

С

D

не более

не менее

не более

не более

не более

2374,3

2379,0

2381,4

2388,5

40,5

Характеристики зажигания

Частота, Гц

Расчетное напряжение ПРА, В

Испытательное напряжение, действующее значение, В

Время зажигания, с

50

240

220

30

60

-

-

-

Примечание - Используется индуктивный ПРА на 80 Вт/240 В с последовательным конденсатором на 6,8 мкФ.

Электрические параметры

Частота, Гц

Расчетная мощность, Вт

Напряжение на лампе, действующее значение, В

Расчетный ток лампы, А

Расчетный ток предварительного подогрева, А

расчетное

не менее

не более

50

102

125

110

140

0,960

1,300

60

-

-

-

-

-

-

Координаты цветности: см. D.2, приложение D.

Характеристики образцового ПРА

Частота, Гц

Номинальная мощность, Вт

Расчетное напряжение, В

Ток калибровки, А

Отношение напряжения к току, Ом

Коэффициент мощности

50

100

350

0,940

308

0,06

60

-

-

-

-

-

Информация для расчета ПРА

Частота, Гц

50

60

Ток предварительного подогрева катода, А

не менее

0,810

-

не более

2,000

-

Напряжение холостого хода на стартере, действующее значение, В, не менее

216

-

Напряжение холостого хода на лампе, пиковое, В, не более

400

-

Сопротивление заменяющего резистора обоих последовательно соединенных катодов, Ом

25

-

Напряжение на стартере при работающей лампе, действующее значение, В, не более

160

-

Информация для расчета стартера

Импульсное напряжение, В, не менее

Напряжение неконтактирования, В, не более

900

170

 

 

ЛАМПА ЛЮМИНЕСЦЕНТНАЯ ДВУХЦОКОЛЬНАЯ

ЛИСТ С ПАРАМЕТРАМИ

 

В основном предназначена для замены.

МСОЛ: FD-125-E-G13-38/2400

Номинальная мощность, Вт

Схема

Катод

Цоколь

Номинальные размеры, мм

125

Со стартером

Предварительного подогрева

G13

38×2400

Размеры, мм

А

В

С

D

не более

не менее

не более

не более

не более

2374,3

2379,0

2381,4

2388,5

40,5

Характеристики зажигания

Частота, Гц

Расчетное напряжение ПРА, В

Испытательное напряжение, действующее значение, В

Время зажигания, с

50

240

220

30

60

-

-

-

Примечание - Используется индуктивный ПРА на 80 Вт/240 В с последовательным конденсатором на 6,8 мкФ.

Электрические параметры

Частота, Гц

Расчетная мощность, Вт

Напряжение на лампе, действующее значение, В

Расчетный ток лампы, А

Расчетный ток предварительного подогрева, А

расчетное

не менее

не более

50

123

149

134

164

0,940

1,300

60

-

.-

-

-

-

-

Координаты цветности: см. D.2, приложение D.

Характеристики образцового ПРА

Частота, Гц

Номинальная мощность, Вт

Расчетное напряжение, В

Ток калибровки, А

Отношение напряжения к току, Ом

Коэффициент мощности

50

125

350

0,940

308

0,06

60

-

-

-

-

-

Информация для расчета ПРА

Частота, Гц

50

60

Ток предварительного подогрева катода, А

не менее

0,800

-

не более

1,970

-

Напряжение холостого хода на стартере, действующее значение, В, не менее

216

-

Напряжение холостого хода на лампе, пиковое, В, не более

400

-

Сопротивление заменяющего резистора обоих последовательно соединенных катодов, Ом

25

-

Напряжение на стартере при работающей лампе, действующее значение, В, не более

160

-

Информация для расчета стартера

Импульсное напряжение, В, не менее

Напряжение неконтактирования, В, не более

800

180

 

 

ЛАМПА ЛЮМИНЕСЦЕНТНАЯ ДВУХЦОКОЛЬНАЯ

ЛИСТ С ПАРАМЕТРАМИ

С. 1

МСОЛ: FD-4-L/P/H-G5-16/150

Номинальная мощность, Вт

Схема

Катод

Цоколь

Номинальные размеры, мм

4

Бесстартерная

Предварительного подогрева, высокоомный

G5

16×150

Размеры, мм

А

В

С

D

не более

не менее

не более

не более

не более

135,9

140,6

143,0

150,1

16,0

Характеристики зажигания

Частота, Гц

Номинальная мощность ПРА, Вт

Расчетное напряжение ПРА, В

Расстояние от ЗВУ, мм

Напряжение на катоде, действующее значение, В

Напряжение холостого хода, действующее значение, В

Время зажигания, с

50

4/6/8

220

6

8,0

200

10

60

4/6/8

220

6

8,0

200

10

Электрические параметры

Частота, Гц

Расчетная мощность, Вт

Напряжение на лампе, действующее значение, В

Расчетный ток лампы, А

расчетное

не менее

не более

50

4,5

29

24

34

0,170

60

4,5

29

24

34

0,170

Координаты цветности: см. D.2, приложение D.

Характеристики катода

Катод

Испытательное напряжение, действующее значение, В

Сопротивление каждого катода, Ом

расчетное

не менее

Высокоомный

8,0

70

50

 

 

ЛАМПА ЛЮМИНЕСЦЕНТНАЯ ДВУХЦОКОЛЬНАЯ

ЛИСТ С ПАРАМЕТРАМИ

С. 2

МСОЛ: FD-4-L/P/H-G5-16/150

Характеристики образцового ПРА

Частота, Гц

Номинальная мощность, Вт

Расчетное напряжение, В

Ток калибровки, А

Отношение напряжения к току, Ом

Коэффициент мощности

50

6

127

0,160

700

0,12

60

6

118

0,160

650

0,075

Информация для расчета ПРА

Частота, Гц

50

60

Напряжение предварительного подогрева катода, действующее значение, В

не менее

6,5

6,5

не более

9,2

9,2

Напряжение холостого хода на лампе, действующее значение, В

не менее

105

105

не более

145

145

Напряжение холостого хода на двух последовательно соединенных лампах, действующее значение, В

не менее

120

120

не более

165

165

Зажигающий конденсатор, мкФ

не менее

*

0,008

не более

*

0,060

Сопротивление заменяющего резистора для каждого катода, Ом

70

70

Напряжение на ЗВУ, пиковое, В, не менее

400

400

Ток в любом вводе катодов, А, не более

*

*

* В стадии рассмотрения.

 

 

ЛАМПА ЛЮМИНЕСЦЕНТНАЯ ДВУХЦОКОЛЬНАЯ

ЛИСТ С ПАРАМЕТРАМИ

С. 1

МСОЛ: FD-6-L/P/H-G5-16/225

Номинальная мощность, Вт

Схема

Катод

Цокольs

Номинальные размеры, мм

6

Бесстартерная

Предварительного подогрева, высокоомный

G5

16×225

Размеры, мм

А

В

С

D

не более

не менее

не более

не более

не более

212,1

216,8

219,2

226,3

16,0

Характеристики зажигания

Частота, Гц

Номинальная мощность ПРА, Вт

Расчетное напряжение ПРА, В

Расстояние от ЗВУ, мм

Напряжение на катоде, действующее значение, В

Напряжение холостого хода, действующее значение, В

Время зажигания, с

50

4/6/8

220

6

8,0

200

10

60

4/6/8

220

6

8,0

200

10

Электрические параметры

Частота, Гц

Расчетная мощность, Вт

Напряжение на лампе, действующее значение, В

Расчетный ток лампы, А

расчетное

не менее

не более

50

6

42

36

48

0,160

60

6

42

36

48

0,160

Координаты цветности: см. D.2, приложение D.

Характеристики катода

Катод

Испытательное напряжение, действующее значение, В

Сопротивление каждого катода, Ом

расчетное

не менее

Высокоомный

8,0

70

50

 

 

ЛАМПА ЛЮМИНЕСЦЕНТНАЯ ДВУХЦОКОЛЬНАЯ

ЛИСТ С ПАРАМЕТРАМИ

С. 2

МСОЛ: FD-6-L/P/H-G5-16/225

Характеристики образцового ПРА

Частота, Гц

Номинальная мощность, Вт

Расчетное напряжение, В

Ток калибровки, А

Отношение напряжения к току, Ом

Коэффициент мощности

50

6

127

0,160

700

0,12

60

6

118

0,160

650

0,075

Информация для расчета ПРА

Частота, Гц

50

60

Напряжение предварительного подогрева катода, действующее значение, В

не менее

6,5

6,5

не более

9,2

9,2

Напряжение холостого хода на лампе, действующее значение, В

не менее

105

105

не более

145

145

Напряжение холостого хода на двух последовательно соединенных лампах, действующее значение, В

не менее

130

130

не более

180

180

Зажигающий конденсатор, мкФ

не менее

*

0,008

не более

*

0,060

Сопротивление заменяющего резистора для каждого катода, Ом

70

70

Напряжение на ЗВУ, пиковое, В, не менее

400

400

Ток в любом вводе катодов, А, не более

*

*

* В стадии рассмотрения.

 

 

ЛАМПА ЛЮМИНЕСЦЕНТНАЯ ДВУХЦОКОЛЬНАЯ

ЛИСТ С ПАРАМЕТРАМИ

С. 1

МСОЛ: FD-8-L/P/H-G5-16/300

Номинальная мощность, Вт

Схема

Катод

Цоколь

Номинальные размеры, мм

8

Бесстартерная

Предварительного подогрева, высокоомный

G5

16×300

Размеры, мм

А

В

С

D

не более

не менее

не более

не более

не более

288,3

293,0

295,4

302,5

16,0

Характеристики зажигания

Частота, Гц

Номинальная мощность ПРА, Вт

Расчетное напряжение ПРА, В

Расстояние от ЗВУ, мм

Напряжение на катоде, действующее значение, В

Напряжение холостого хода, действующее значение, В

Время зажигания, с

50

4/6/8

220

6

8,0

200

10

60

4/6/8

220

6

8,0

200

10

Электрические параметры

Частота, Гц

Расчетная мощность, Вт

Напряжение на лампе, действующее значение, В

Расчетный ток лампы, А

расчетное

не менее

не более

50

7,1

56

48

64

0,145

60

7,1

56

48

64

0,145

Координаты цветности: см. D.2, приложение D.

Характеристики катода

Катод

Испытательное напряжение, действующее значение, В

Сопротивление каждого катода, Ом

расчетное

не менее

Высокоомный

8,0

70

50

 

 

ЛАМПА ЛЮМИНЕСЦЕНТНАЯ ДВУХЦОКОЛЬНАЯ

ЛИСТ С ПАРАМЕТРАМИ

С. 2

МСОЛ: FD-8-L/P/H-G5-16/300

Характеристики образцового ПРА

Частота, Гц

Номинальная мощность, Вт

Расчетное напряжение, В

Ток калибровки, А

Отношение напряжения к току, Ом

Коэффициент мощности

50

6

127

0,160

700

0,12

60

6

118

0,160

650

0,075

Информация для расчета ПРА

Частота, Гц

50

60

Напряжение предварительного подогрева катода, действующее значение, В

не менее

6,5

6,5

не более

9,2

9,2

Напряжение холостого хода на лампе, действующее значение, В

не менее

105

105

не более

145

145

Напряжение холостого хода на двух последовательно соединенных лампах, действующее значение, В

не менее

140

140

не более

190

190

Зажигающий конденсатор, мкФ

не менее

*

0,008

не более

*

0,060

Сопротивление заменяющего резистора для каждого катода, Ом

70

70

Напряжение на ЗВУ, пиковое, В, не менее

400

400

Ток в любом вводе катодов, А, не более

*

*

* В стадии рассмотрения.

 

 

ЛАМПА ЛЮМИНЕСЦЕНТНАЯ ДВУХЦОКОЛЬНАЯ

ЛИСТ С ПАРАМЕТРАМИ

С. 1

МСОЛ: FD-20-L/P/H-G13-38/600

Номинальная мощность, Вт

Схема

Катод

Цоколь

Номинальные размеры, мм

20

Бесстартерная

Предварительного подогрева, высокоомный

G13

38×600

Размеры, мм

А

В

С

D

не более

не менее

не более

не более

не более

589,8

594,5

596,9

604,0

40,5

Характеристики зажигания

Частота, Гц

Номинальная мощность ПРА, Вт

Расчетное напряжение ПРА, В

Расстояние от ЗВУ, мм

Напряжение на катоде, действующее значение, В

Напряжение холостого хода, действующее значение, В

Время зажигания, с

50

40

220

13

8,0

180

10

60

40

220

13

8,0

180

10

Электрические параметры

Частота, Гц

Расчетная мощность, Вт

Напряжение на лампе, действующее значение, В

Расчетный ток лампы, А

расчетное

не менее

не более

50

19,3

57

50

64

0,370

60

20,5

57

50

64

0,380

Координаты цветности: см. D.2, приложение D.

Характеристики катода

Катод

Испытательное напряжение, действующее значение, В

Сопротивление каждого катода, Ом

расчетное

не менее

Высокоомный

8,0

20

14

 

 

ЛАМПА ЛЮМИНЕСЦЕНТНАЯ ДВУХЦОКОЛЬНАЯ

ЛИСТ С ПАРАМЕТРАМИ

С. 2

МСОЛ: FD-20-L/P/H-G13-38/600

Характеристики образцового ПРА

Частота, Гц

Номинальная мощность, Вт

Расчетное напряжение, В

Ток калибровки, А

Отношение напряжения к току, Ом

Коэффициент мощности

50

20

127

0,370

270

0,12

60

20

118

0,370

240

0,075

Информация для расчета ПРА

Частота, Гц

50

60

Напряжение предварительного подогрева катода, действующее значение, В

не менее

6,5

6,5

не более

10,0

10,0

Напряжение холостого хода на лампе, действующее значение, В

не менее

180

180

не более

345

345

Сопротивление заменяющего резистора для каждого катода, Ом

19

19

Напряжение на ЗВУ, пиковое, В, не менее

*

*

Ток в любом вводе катодов, А, не более

0,650

0,650

* В стадии рассмотрения.

 

 

ЛАМПА ЛЮМИНЕСЦЕНТНАЯ ДВУХЦОКОЛЬНАЯ

ЛИСТ С ПАРАМЕТРАМИ

С. 1

МСОЛ: FD-30-L/P/H-G13-38/900

Номинальная мощность, Вт

Схема

Катод

Цоколь

Номинальные размеры, мм

30

Бесстартерная

Предварительного подогрева, высокоомный

G13

38×900

Размеры, мм

А

В

С

D

не более

не менее

не более

не более

не более

894,6

899,3

901,7

908,8

40,5

Характеристики зажигания

Частота, Гц

Номинальная мощность ПРА, Вт

Расчетное напряжение ПРА, В

Расстояние от ЗВУ, мм

Напряжение на катоде, действующее значение, В

Напряжение холостого хода, действующее значение, В

Время зажигания, с

50

30

220

13

8,0

205

10

60

-

-

-

-

-

-

Электрические параметры

Частота, Гц

Расчетная мощность, Вт

Напряжение на лампе, действующее значение, В

Расчетный ток лампы, А

расчетное

не менее

не более

50

29,5

81

71

91

0,405

60

-

-

-

-

-

Координаты цветности: см. D.2, приложение D.

Характеристики катода

Катод

Испытательное напряжение, действующее значение, В

Сопротивление каждого катода, Ом

расчетное

не менее

Высокоомный

8,0

20

14

 

 

ЛАМПА ЛЮМИНЕСЦЕНТНАЯ ДВУХЦОКОЛЬНАЯ

ЛИСТ С ПАРАМЕТРАМИ

С. 2

МСОЛ: FD-30-L/P/H-G13-38/900

Характеристики образцового ПРА

Частота, Гц

Номинальная мощность, Вт

Расчетное напряжение, В

Ток калибровки, А

Отношение напряжения к току, Ом

Коэффициент мощности

50

30

220

0,405

460

0,10

60

-

-

-

-

-

Информация для расчета ПРА

Частота, Гц

50

60

Напряжение предварительного подогрева катода, действующее значение, В

не менее

6,5

-

не более

10,0

-

Напряжение холостого хода на лампе, В

действующее значение, не менее

205

-

пиковое, не более

420

-

Сопротивление заменяющего резистора для каждого катода, Ом

19

-

Напряжение на ЗВУ, пиковое, В, не менее

*

-

Ток в любом вводе катодов, А, не более

0,750

-

* В стадии рассмотрения.

 

 

ЛАМПА ЛЮМИНЕСЦЕНТНАЯ ДВУХЦОКОЛЬНАЯ

ЛИСТ С ПАРАМЕТРАМИ

С. 1

МСОЛ: FD-40-L/P/H-G13-38/1200

Номинальная мощность, Вт

Схема

Катод

Цоколь

Номинальные размеры, мм

40

Бесстартерная

Предварительного подогрева, высокоомный

G13

38×1200

Размеры, мм

А

В

С

D

не более

не менее

не более

не более

не более

1199,4

1204,1

1206,5

1213,6

40,5

Характеристики зажигания

Частота, Гц

Номинальная мощность ПРА, Вт

Расчетное напряжение ПРА, В

Расстояние от ЗВУ, мм

Напряжение на катоде, действующее значение, В

Напряжение холостого хода, действующее значение, В

Время зажигания, с

50

40

220

13

8,0

205

10

60

40

220

13

8,0

205

10

Электрические параметры

Частота, Гц

Расчетная мощность, Вт

Напряжение на лампе, действующее значение, В

Расчетный ток лампы, А

расчетное

не менее

не более

50

39,5

103

93

113

0,430

60

40

102

92

112

0,435

Координаты цветности: см. D.2, приложение D.

Характеристики катода

Катод

Испытательное напряжение, действующее значение, В

Сопротивление каждого катода, Ом

расчетное

не менее

Высокоомный

8,0

20

14

 

 

ЛАМПА ЛЮМИНЕСЦЕНТНАЯ ДВУХЦОКОЛЬНАЯ

ЛИСТ С ПАРАМЕТРАМИ

С. 2

МСОЛ: FD-40-L/P/H-G13-38/1200

Характеристики образцового ПРА

Частота, Гц

Номинальная мощность, Вт

Расчетное напряжение, В

Ток калибровки, А

Отношение напряжения к току, Ом

Коэффициент мощности

50

40

220

0,430

390

0,10

60

40

236

0,430

439

0,075

Информация для расчета ПРА

Частота, Гц

50

60

Напряжение предварительного подогрева катода, действующее значение, В

не менее

6,5

605

не более

10,0

10,0

Напряжение холостого хода на лампе, В

действующее значение, не менее

205

205

пиковое, не более

420

420

Сопротивление заменяющего резистора для каждого катода, Ом

19

19

Напряжение на ЗВУ, пиковое, В, не менее

*

*

Ток в любом вводе катодов, А, не более

0,750

0,750

* В стадии рассмотрения.

 

 

ЛАМПА ЛЮМИНЕСЦЕНТНАЯ ДВУХЦОКОЛЬНАЯ

ЛИСТ С ПАРАМЕТРАМИ

С. 1

МСОЛ: FD-65-L/P/H-G13-38/1500

Номинальная мощность, Вт

Схема

Катод

Цоколь

Номинальные размеры, мм

65

Бесстартерная

Предварительного подогрева, высокоомный

G13

38×1500

Размеры, мм

А

В

С

D

не более

не менее

не более

не более

не более

1500,0

1504,7

1507,1

1514,2

40,5

Характеристики зажигания

Частота, Гц

Номинальная мощность ПРА, Вт

Расчетное напряжение ПРА,В

Расстояние от ЗВУ, мм

Напряжение на катоде, действующее значение, В

Напряжение холостого хода, действующее значение, В

Время зажигания, с

50

65

220

13

8,0

220

10

60

-

-

-

-

-

-

Электрические параметры

Частота, Гц

Расчетная мощность, Вт

Напряжение на лампе, действующее значение, В

Расчетный ток лампы, А

расчетное

не менее

не более

50

64

110

100

120

0,670

60

-

-

-

-

-

Координаты цветности: см. D.2, приложение D.

Характеристики катода

Катод

Испытательное напряжение, действующее значение, В

Сопротивление каждого катода, Ом

расчетное

не менее

Высокоомный

8,0

11

*

* В стадии рассмотрения.

 

 

ЛАМПА ЛЮМИНЕСЦЕНТНАЯ ДВУХЦОКОЛЬНАЯ

ЛИСТ С ПАРАМЕТРАМИ

С. 2

МСОЛ: FD-65-L/P/H-G13-38/1500

Характеристики образцового ПРА

Частота, Гц

Номинальная мощность, Вт

Расчетное напряжение, В

Ток калибровки, А

Отношение напряжения к току, Ом

Коэффициент мощности

50

65

220

0,670

240

0,10

60

-

-

-

-

-

Информация для расчета ПРА

Частота, Гц

50

60

Напряжение предварительного подогрева катода, действующее значение, В

не менее

6,5

-

не более

11,0

-

Напряжение холостого хода на лампе, В

действующее значение, не менее

220

-

пиковое, не более

475

-

Сопротивление заменяющего резистора для каждого катода, Ом

11

-

Напряжение на ЗВУ, пиковое, В, не менее

*

-

Ток в любом вводе катодов, А, не более

1,100

-

* В стадии рассмотрения.

 

 

ЛАМПА ЛЮМИНЕСЦЕНТНАЯ ДВУХЦОКОЛЬНАЯ

ЛИСТ С ПАРАМЕТРАМИ

С. 1

МСОЛ: FD-75-L/P/H-G13-38/1800

Номинальная мощность, Вт

Схема

Катод

Цоколь

Номинальные размеры, мм

75

Бесстартерная

Предварительного подогрева, высокоомный

G13

38×1800

Размеры, мм

А

В

С

D

не более

не менее

не более

не более

не более

1763,8

1768,5

1770,9

1778,0

40,5

Характеристики зажигания

Частота, Гц

Номинальная мощность ПРА, Вт

Расчетное напряжение ПРА, В

Расстояние от ЗВУ, мм

Напряжение на катоде, действующее значение, В

Напряжение холостого хода, действующее значение, В

Время зажигания, с

50

75

240

13

8,0

250

10

60

-

-

-

-

-

-

Электрические параметры

Частота, Гц

Расчетная мощность, Вт

Напряжение на лампе, действующее значение, В

Расчетный ток лампы, А

расчетное

не менее

не более

50

75

130

120

140

0,670

60

-

-

-

-

-

Координаты цветности: см. D.2, приложение D.

Характеристики катода

Катод

Испытательное напряжение, действующее значение, В

Сопротивление каждого катода, Ом

расчетное

не менее

Высокоомный

8,0

12

9

 

 

ЛАМПА ЛЮМИНЕСЦЕНТНАЯ ДВУХЦОКОЛЬНАЯ

ЛИСТ С ПАРАМЕТРАМИ

С. 2

МСОЛ: FD-75-L/P/H-G13-38/1800

Характеристики образцового ПРА

Частота, Гц

Номинальная мощность, Вт

Расчетное напряжение, В

Ток калибровки, А

Отношение напряжения к току, Ом

Коэффициент мощности

50

75

235

0,670

240

0,10

60

-

-

-

-

-

Примечание - Применяется образцовый ПРА на 65 Вт, работающий при 235 В.

Информация для расчета ПРА

Частота, Гц

50

60,

Напряжение предварительного подогрева катода, действующее значение, В

не менее

6,5

-

не более

11,0

-

Напряжение холостого хода на лампе, В

действующее значение, не менее

220

-

пиковое, не более

500

-

Сопротивление заменяющего резистора для каждого катода, Ом

11

-

Напряжение на ЗВУ, пиковое, В, не менее

*

-

Ток в любом вводе катодов, А, не более

1,100

-

* В стадии рассмотрения.

 

 

ЛАМПА ЛЮМИНЕСЦЕНТНАЯ ДВУХЦОКОЛЬНАЯ

ЛИСТ С ПАРАМЕТРАМИ

С. 1

МСОЛ: FD-80-L/P/H-G13-38/1500

Номинальная мощность, Вт

Схема

Катод

Цоколь

Номинальные размеры, мм

80

Бесстартерная

Предварительного подогрева, высокоомный

G13

38×1500

Размеры, мм

А

В

С

D

не более

не менее

не более

не более

не более

1500,0

1504,7

1507,1

1514,2

40,5

Характеристики зажигания

Частота, Гц

Номинальная мощность ПРА, Вт

Расчетное напряжение ПРА, В

Расстояние от ЗВУ, мм

Напряжение на катоде, действующее значение, В

Напряжение холостого хода, действующее значение, В

Время зажигания, с

50

80

240

13

8,0

220

10

60

-

-

-

-

-

-

Электрические параметры

Частота, Гц

Расчетная мощность, Вт

Напряжение на лампе, действующее значение, В

Расчетный ток лампы, А

расчетное

не менее

не более

50

76

99

89

109

0,870

60

-

-

-

-

-

Координаты цветности: см. D.3, приложение D.

Характеристики катода

Катод

Испытательное напряжение, действующее значение, В

Сопротивление каждого катода, Ом

расчетное

не менее

Высокоомный

8,0

12

9

 

 

ЛАМПА ЛЮМИНЕСЦЕНТНАЯ ДВУХЦОКОЛЬНАЯ

ЛИСТ С ПАРАМЕТРАМИ

С. 2

МСОЛ: FD-80-L/P/H-G13-38/1500

Характеристики образцового ПРА

Частота, Гц

Номинальная мощность, Вт

Расчетное напряжение, В

Ток калибровки, А

Отношение напряжения к току, Ом

Коэффициент мощности

50

80

240

0,865

223

0,06

60

-

-

-

-

-

Информация для расчета ПРА

Частота, Гц

50

60

Напряжение предварительного подогрева катода, действующее значение, В

не менее

6,5

-

не более

11,0

-

Напряжение холостого хода на лампе, В

действующее значение, не менее

220

-

пиковое, не более

475

-

Сопротивление заменяющего резистора для каждого катода, Ом

11

-

Напряжение на ЗВУ, пиковое, В, не менее

*

-

Ток в любом вводе катодов, А, не более

1,600

-

* В стадии рассмотрения.

 

 

ЛАМПА ЛЮМИНЕСЦЕНТНАЯ ДВУХЦОКОЛЬНАЯ

ЛИСТ С ПАРАМЕТРАМИ

С. 1

МСОЛ: FD-85-L/P/H-G13-38/1800

Номинальная мощность, Вт

Схема

Катод

Цоколь

Номинальные размеры, мм

85

Бесстартерная

Предварительного подогрева, высокоомный

G13

38×1800

Размеры, мм

А

В

С

D

не более

не менее

не более

не более

не более

1763,8

1768,5

1770,9

1778,0

40,5

Характеристики зажигания

Частота, Гц

Номинальная мощность ПРА, Вт

Расчетное напряжение ПРА, В

Расстояние от ЗВУ, мм

Напряжение на катоде, действующее значение, В

Напряжение холостого хода, действующее значение, В

Время зажигания, с

50

85

240

13

8,0

250

10

60

-

-

-

-

-

-

Электрические параметры

Частота, Гц

Расчетная мощность, Вт

Напряжение на лампе, действующее значение, В

Расчетный ток лампы, А

расчетное

не менее

не более

50

84

120

110

130

0,800

60

-

-

-

-

-

Координаты цветности: см. D.3, приложение D.

Характеристики катода

Катод

Испытательное напряжение, действующее значение, В

Сопротивление каждого катода, Ом

расчетное

не менее

Высокоомный

8,0

12

9

 

 

ЛАМПА ЛЮМИНЕСЦЕНТНАЯ ДВУХЦОКОЛЬНАЯ

ЛИСТ С ПАРАМЕТРАМИ

С. 2

МСОЛ: FD-85-L/P/H-G13-38/1800

Характеристики образцового ПРА

Частота, Гц

Номинальная мощность, Вт

Расчетное напряжение, В

Ток калибровки, А

Отношение напряжения к току, Ом

Коэффициент мощности

50

80

240

0,865

223

0,06

60

-

-

-

-

-

Информация для расчета ПРА

Частота, Гц

50

60

Напряжение предварительного подогрева катода, действующее значение, В

не менее

6,5

-

не более

11,0

-

Напряжение холостого хода на лампе, В

действующее значение, не менее

250

-

пиковое, не более

500

-

Сопротивление заменяющего резистора для каждого катода, Ом

11

-

Напряжение на ЗВУ, пиковое, В, не менее

*

-

Ток в любом вводе катодов, А, не более

1,300

-

* В стадии рассмотрения.

 

 

ЛАМПА ЛЮМИНЕСЦЕНТНАЯ ДВУХЦОКОЛЬНАЯ

ЛИСТ С ПАРАМЕТРАМИ

С. 1

МСОЛ: FD-125-L/P/H-G13-38/2400

Номинальная мощность, Вт

Схема

Катод

Цоколь

Номинальные размеры, мм

125

Бесстартерная

Предварительного подогрева, высокоомный

G13

38×2400

Размеры, мм

А

В

С

D

не более

не менее

не более

не более

не более

2374,3

2379,0

2381,4

2388,5

40,5

Характеристики зажигания

Частота, Гц

Номинальная мощность ПРА, Вт

Расчетное напряжение ПРА, В

Расстояние от ЗВУ, мм

Напряжение на катоде, действующее значение, В

Напряжение холостого хода, действующее значение, В

Время зажигания, с

50

125

240

13

8,0

315

10

60

-

-

-

-

-

-

Электрические параметры

Частота, Гц

Расчетная мощность, Вт

Напряжение на лампе, действующее значение, В

Расчетный ток лампы, А

расчетное

не менее

не более

50

123

149

134

164

0,940

60

-

-

-

-

-

Координаты цветности: см. D.3, приложение D.

Характеристики катода

Катод

Испытательное напряжение, действующее значение, В

Сопротивление каждого катода, Ом

расчетное

не менее

Высокоомный

8,0

12

9

 

 

ЛАМПА ЛЮМИНЕСЦЕНТНАЯ ДВУХЦОКОЛЬНАЯ

ЛИСТ С ПАРАМЕТРАМИ

С. 2

МСОЛ: FD-125-L/P/H-G13-38/2400

Характеристики образцового ПРА

Частота, Гц

Номинальная мощность, Вт

Расчетное напряжение, В

Ток калибровки, А

Отношение напряжения к току, Ом

Коэффициент мощности

50

125

350

0,940

300

0,06

60

-

-

-

-

-

Информация для расчета ПРА

Частота, Гц

50

60

Напряжение предварительного подогрева катода, действующее значение, В

не менее

6,5

-

не более

11,0

-

Напряжение холостого хода на лампе, В

действующее значение, не менее

315

-

пиковое, не более

*

-

Сопротивление заменяющего резистора для каждого катода, Ом

11

-

Напряжение на ЗВУ, пиковое, В, не менее

*

-

Ток в любом вводе катодов, А, не более

1,600

-

* В стадии рассмотрения.

 

 

ЛАМПА ЛЮМИНЕСЦЕНТНАЯ ДВУХЦОКОЛЬНАЯ

ЛИСТ С ПАРАМЕТРАМИ

С. 1

МСОЛ: FD-20-L/P/L-G13-32/600

Номинальная мощность, Вт

Схема

Катод

Цоколь

Номинальные размеры, мм

20

Бесстартерная

Предварительного подогрева, низкоомный

G13

32×600

Размеры, мм

А

В

С

D

не более

не менее

не более

не более

не более

589,8

594,5

596,9

604,0

34,1

Характеристики зажигания

Частота, Гц

Номинальная мощность ПРА, Вт

Расчетное напряжение ПРА, В

Расстояние от ЗВУ, мм

Напряжение на катоде, действующее значение, В

Напряжение холостого хода, действующее значение, В

Время зажигания, с

50

40

220

16

3,05

180

10

60

40

220

16

3,05

180

10

Электрические параметры

Метод испытания, приложение

Частота, Гц

Расчетная мощность, Вт

Напряжение на лампе, действующее значение, В

Расчетный ток лампы, А

расчетное

не менее

не более

В.1

50

19

58

52

64

0,360

В.1

60

19

58

52

64

0,360

В.2

60

*

*

*

*

*

Координаты цветности: см. D.2, приложение D.

Характеристики катода

Катод

Испытательное напряжение, действующее значение, В

Сопротивление каждого катода, Ом

расчетное

не менее

Низкоомный

3,6

10

7

 

 

ЛАМПА ЛЮМИНЕСЦЕНТНАЯ ДВУХЦОКОЛЬНАЯ

ЛИСТ С ПАРАМЕТРАМИ

С. 2

МСОЛ: FD-20-L/P/L-G13-32/600

Характеристики образцового ПРА

Частота, Гц

Номинальная мощность, Вт

Расчетное напряжение, В

Ток калибровки, А

Отношение напряжения к току, Ом

Коэффициент мощности

50

20

127

0,370

270

0,12

60

20

118

0,380

240

0,075

Информация для расчета ПРА

Частота, Гц

50

60

Напряжение предварительного подогрева катода, действующее значение, В

не менее

3,05

3,05

не более

5,5

5,5

Напряжение холостого хода на лампе, В

действующее значение, не менее

180

180

пиковое, не более

345

345

Сопротивление заменяющего резистора для каждого катода, Ом

9

9

Напряжение на ЗВУ, пиковое, В, не менее

*

*

Ток в любом вводе катодов, А, не более

0,650

0,650

* В стадии рассмотрения.

 

 

ЛАМПА ЛЮМИНЕСЦЕНТНАЯ ДВУХЦОКОЛЬНАЯ

ЛИСТ С ПАРАМЕТРАМИ

С. 1

МСОЛ: FD-20-L/P/L-G13-38/600

Номинальная мощность, Вт.

Схема

Катод

Цоколь

Номинальные размеры, мм

20

Бесстартерная

Предварительного подогрева, низкоомный

G13

38×600

Размеры, мм

А

В

С

D

не более

не менее

не более

не более

не более

589,8

594,5

596,9

604,0

40,5

Характеристики зажигания

Частота, Гц

Номинальная мощность ПРА, Вт

Расчетное напряжение ПРА, В

Расстояние от ЗВУ, мм

Напряжение на катоде, действующее значение, В

Напряжение холостого хода, действующее значение, В

Время зажигания, с

50

40

220

16

3,05

180

10

60

40

220

16

3,05

180

10

Электрические параметры

Метод испытания, приложение

Частота, Гц

Расчетная мощность, Вт

Напряжение на лампе, действующее значение, В

Расчетный ток лампы, А

расчетное

не менее

не более

В.1

50

19,3

57

50

64

0,370

В.1

60

20,0

56

49

63

0,380

В.2

60

*

*

*

*

*

Координаты цветности: см. D.2, приложение D.

Характеристики катода

Катод

Испытательное напряжение, действующее значение, В

Сопротивление каждого катода, Ом

расчетное

не менее

Низкоомный

3,6

10

7

 

 

ЛАМПА ЛЮМИНЕСЦЕНТНАЯ ДВУХЦОКОЛЬНАЯ

ЛИСТ С ПАРАМЕТРАМИ

С. 2

МСОЛ: FD-20-L/P/L-G13-38/600

Характеристики образцового ПРА

Частота, Гц

Номинальная мощность, Вт

Расчетное напряжение, В

Ток калибровки, А

Отношение напряжения к току, Ом

Коэффициент мощности

50

20

127

0,370

270

0,12

60

20

118

0,380

240

0,075

Информация для расчета ПРА

Частота, Гц

50

60

Напряжение предварительного подогрева катода, действующее значение, В

не менее

3,05

3,05

не более

5,5

5,5

Напряжение холостого хода на лампе, В

действующее значение, не менее

180

180

пиковое, не более

345

345

Сопротивление заменяющего резистора для каждого катода, Ом

9

9

Напряжение на ЗВУ, пиковое, В, не менее

*

*

Ток в любом вводе катодов, А, не более

0,650

0,650

* В стадии рассмотрения.

 

 

ЛАМПА ЛЮМИНЕСЦЕНТНАЯ ДВУХЦОКОЛЬНАЯ

ЛИСТ С ПАРАМЕТРАМИ

С. 1

МСОЛ: FD-30-L/P/L-G13-38/900

Номинальная мощность, Вт

Схема

Катод

Цоколь

Номинальные размеры, мм

30

Бесстартерная

Предварительного подогрева, низкоомный

G13

38×900

Размеры, мм

А

В

С

D

не более

не менее

не более

не более

не более

894,6

899,3

901,7

908,8

40,5

Характеристики зажигания

Частота, Гц

Номинальная мощность ПРА, Вт

Расчетное напряжение ПРА, В

Расстояние от ЗВУ, мм

Напряжение на катоде, действующее значение, В

Напряжение холостого хода, действующее значение, В

Время зажигания, с

50

30

220

13

3,05

205

10

60

30

220

13

3,05

205

10

Электрические параметры

Метод испытания, приложение

Частота, Гц

Расчетная мощность, Вт

Напряжение на лампе, действующее значение, В

Расчетный ток лампы, А

расчетное

не менее

не более

В.1

50

29,5

81

71

91

0,405

В.1

60

31,5

78

70

86

0,435

В.2

60

32,5*

77

69

85

0,430

Координаты цветности: см. D.2, приложение D.

Характеристики катода

Катод

Испытательное напряжение, действующее значение, В

Сопротивление каждого катода, Ом

расчетное

не менее

Низкоомный

3,6

10

7

* Включает около 2 Вт для дополнительного катода, действующее значение в вольтах при напряжении 3,6 В на каждом катоде.

 

 

ЛАМПА ЛЮМИНЕСЦЕНТНАЯ ДВУХЦОКОЛЬНАЯ

ЛИСТ С ПАРАМЕТРАМИ

С. 2

МСОЛ: FD-30-L/P/L-G13-38/900

Характеристики образцового ПРА

Частота, Гц

Номинальная мощность, Вт

Расчетное напряжение, В

Ток калибровки, А

Отношение напряжения к току, Ом

Коэффициент мощности

50

30

220

0,405

460

0,10

60

*

*

*

*

*

Информация для расчета ПРА

Частота, Гц

50

60

Напряжение предварительного подогрева катода, действующее значение, В

не менее

3,05

3,05

не более

5,5

5,5

Напряжение холостого хода на лампе, В

действующее значение, не менее

205

205

пиковое, не более

420

420

Сопротивление заменяющего резистора для каждого катода, Ом

9

9

Напряжение на ЗВУ, пиковое, В, не менее

*

*

Ток в любом вводе катодов, А, не более

0,750

0,750

* В стадии рассмотрения.

 

 

ЛАМПА ЛЮМИНЕСЦЕНТНАЯ ДВУХЦОКОЛЬНАЯ

ЛИСТ С ПАРАМЕТРАМИ

С. 1

МСОЛ: FD-40-L/P/L-G13-32/1200

Номинальная мощность, Вт

Схема

Катод

Цоколь

Номинальные размеры, мм

40

Бесстартерная

Предварительного подогрева, низкоомный

G13

32×1200

Размеры, мм

А

В

С

D

не более

не менее

не более

не более

не более

1199,4

1204,1

1206,5

1213,6

34,1

Характеристики зажигания

Частота, Гц

Номинальная мощность ПРА, Вт

Расчетное напряжение ПРА, В

Расстояние от ЗВУ, мм

Напряжение на катоде, действующее значение, В

Напряжение холостого хода, действующее значение, В

Время зажигания, с

50

40

220

16

3,05

205

10

60

40

220

16

3,05

205

10

Электрические параметры

Метод испытания, приложение

Частота, Гц

Расчетная мощность, Вт

Напряжение на лампе, действующее значение, В

Расчетный ток лампы, А

расчетное

не менее

не более

В.1

50

39,0

106

96

116

0,420

В.1

60

39,5

105

98

112

0,425

В.2

60

40,5*

104

97

111

0,420

Координаты цветности: см. D.2, приложение D.

Характеристики катода

Катод

Испытательное напряжение, действующее значение, В

Сопротивление каждого катода, Ом

расчетное

не менее

Низкоомный

3,6

10

7

* Включает около 2 Вт для дополнительного катода, действующее значение в вольтах при напряжении 3,6 В на каждом катоде.

 

 

ЛАМПА ЛЮМИНЕСЦЕНТНАЯ ДВУХЦОКОЛЬНАЯ

ЛИСТ С ПАРАМЕТРАМИ

С. 2

МСОЛ: FD-40-L/P/L-G13-32/1200

Характеристики образцового ПРА

Частота, Гц

Номинальная мощность, Вт

Расчетное напряжение, В

Ток калибровки, А

Отношение напряжения к току, Ом

Коэффициент мощности

50

40

220

0,430

390

0,10

60

40

236

0,430

439

0,075

Информация для расчета ПРА

Частота, Гц

50

60

Напряжение предварительного подогрева катода, действующее значение, В

не менее

3,05

3,05

не более

5,5

5,5

Напряжение холостого хода на лампе, В

действующее значение, не менее

205

205

пиковое, не более

420

420

Сопротивление заменяющего резистора для каждого катода, Ом

9

9

Напряжение на ЗВУ, пиковое, В, не менее

*

*

Ток в любом вводе катодов, А, не более

0,750

0,750

* В стадии рассмотрения.

 

 

ЛАМПА ЛЮМИНЕСЦЕНТНАЯ ДВУХЦОКОЛЬНАЯ

ЛИСТ С ПАРАМЕТРАМИ

С. 1

МСОЛ: FD-40-L/P/L-G13-38/1200

Номинальная мощность, Вт

Схема

Катод

Цоколь

Номинальные размеры, мм

40

Бесстартерная

Предварительного подогрева, низкоомный

G13

38×1200

Размеры, мм

А

В

С

D

не более

не менее

не более

не более

не более

1199,4

1204,1

1206,5

1213,6

40,5

Характеристики зажигания

Частота, Гц

Номинальная мощность ПРА, Вт

Расчетное напряжение ПРА, В

Расстояние от ЗВУ, мм

Напряжение на катоде, действующее значение, В

Напряжение холостого хода, действующее значение, В

Время зажигания, с

50

40

220

13

3,05

205

10

60

40

220

13

3,05

205

10

Электрические параметры

Метод испытания, приложение

Частота, Гц

Расчетная мощность, Вт

Напряжение на лампе, действующее значение, В

Расчетный ток лампы, А

расчетное

не менее

не более

В.1

50

39,0

103

93

113

0,430

В.1

60

40,0

102

92

112

0,435

В.2

60

41,0*

101

91

111

0,430

Координаты цветности: см. D.2, приложение D.

Характеристики катода

Катод

Испытательное напряжение, действующее значение, В

Сопротивление каждого катода, Ом

расчетное

не менее

Низкоомный

3,6

10

7

* Включает около 2 Вт для дополнительного катода, действующее значение в вольтах при напряжении 3,6 В на каждом катоде.

 

 

ЛАМПА ЛЮМИНЕСЦЕНТНАЯ ДВУХЦОКОЛЬНАЯ

ЛИСТ С ПАРАМЕТРАМИ

С. 2

МСОЛ: FD-40-L/P/L-G13-38/1200

Характеристики образцового ПРА

Частота, Гц

Номинальная мощность, Вт

Расчетное напряжение, В

Ток калибровки, А

Отношение напряжения к току, Ом

Коэффициент мощности

50

40

220

0,430

390

0,10

60

40

236

0,430

439

0,075

Информация для расчета ПРА

Частота, Гц

50

60

Напряжение предварительного подогрева катода, действующее значение, В

не менее

3,05

3,05

не более

5,5

5,5

Напряжение холостого хода на лампе, В

действующее значение, не менее

205

205

пиковое, не более

420

420

Сопротивление заменяющего резистора для каждого катода, Ом

9*

9*

Напряжение на ЗВУ, пиковое, В, не менее

*

*

Ток в любом вводе катодов, А, не более

0,750

0,750

* В стадии рассмотрения.

 

 

ЛАМПА ЛЮМИНЕСЦЕНТНАЯ ДВУХЦОКОЛЬНАЯ

ЛИСТ С ПАРАМЕТРАМИ

С. 1

МСОЛ: FD-65-L/P/L-G13-38/1500

Номинальная мощность, Вт

Схема

Катод

Цоколь

Номинальные размеры, мм

65

Бесстартерная

Предварительного подогрева, низкоомный

G13

38×1500

Размеры, мм

А

В

С

D

не более

не менее

не более

не более

не более

1500,0

1504,7

1507,1

1514,2

40,5

Характеристики зажигания

Частота, Гц

Номинальная мощность ПРА, Вт

Расчетное напряжение ПРА, В

Расстояние от ЗВУ, мм

Напряжение на катоде, действующее значение, В

Напряжение холостого хода, действующее значение, В

Время зажигания, с

50

65

220

13

3,05

205

10

60

-

-

-

-

-

-

Электрические параметры

Метод испытания, приложение

Частота, Гц

Расчетная мощность, Вт

Напряжение на лампе, действующее значение, В

Расчетный ток лампы, А

расчетное

не менее

не более

В.1

50

64

110

100

120

0,670

В.1

60

-

-

-

-

-

В.2

60

-

-

-

-

-

Координаты цветности: см. D.2, приложение D.

Характеристики катода

Катод

Испытательное напряжение, действующее значение, В

Сопротивление каждого катода, Ом

расчетное

не менее

Низкоомный

3,6

6

4

 

 

ЛАМПА ЛЮМИНЕСЦЕНТНАЯ ДВУХЦОКОЛЬНАЯ

ЛИСТ С ПАРАМЕТРАМИ

С. 2

МСОЛ: FD-65-L/P/L-G13-38/1500

Характеристики образцового ПРА

Частота, Гц

Номинальная мощность, Вт

Расчетное напряжение, В

Ток калибровки, А

Отношение напряжения к току, Ом

Коэффициент мощности

50

65

220

0,670

240

0,10

60

-

-

-

-

-

Информация для расчета ПРА

Частота, Гц

50

60

Напряжение предварительного подогрева катода, действующее значение, В

не менее

3,05

-

не более

5,5

-

Напряжение холостого хода на лампе, В

действующее значение, не менее

220

-

пиковое, не более

475

-

Сопротивление заменяющего резистора для каждого катода, Ом

6

-

Напряжение на ЗВУ, пиковое, В, не менее

*

-

Ток в любом вводе катодов, А, не более

1,100

-

* В стадии рассмотрения.

 

 

ЛАМПА ЛЮМИНЕСЦЕНТНАЯ ДВУХЦОКОЛЬНАЯ

ЛИСТ С ПАРАМЕТРАМИ

С. 1

МСОЛ: FD-85-L/P/L-G13-38/2400

Номинальная мощность, Вт

Схема

Катод

Цоколь

Номинальные размеры, мм

85

Бесстартерная

Предварительного подогрева, низкоомный

G13

38×2400

Размеры, мм

А

В

С

D

не более

не менее

не более

не более

не более

2374,3

2379,0

2381,4

2388,5

40,5

Характеристики зажигания

Частота, Гц

Номинальная мощность ПРА, Вт

Расчетное напряжение ПРА, В

Расстояние от ЗВУ, мм

Напряжение на катоде, действующее значение, В

Напряжение холостого хода, действующее значение, В

Время зажигания, с

50

85

240

13

3,05

325

10

60

-

-

-

-

-

-

Электрические параметры

Метод испытания, приложение

Частота, Гц

Расчетная мощность, Вт

Напряжение на лампе, действующее значение, В

Расчетный ток лампы, А

расчетное

не менее

не более

В.1

50

85

178

163

193

0,550

В.1

60

-

-

-

-

-

В.2

60

-

-

-

-

-

Координаты цветности: см. D.2, приложение D.

Характеристики катода

Катод

Испытательное напряжение, действующее значение, В

Сопротивление каждого катода, Ом

расчетное

не менее

Низкоомный

3,6

6

4

 

 

ЛАМПА ЛЮМИНЕСЦЕНТНАЯ ДВУХЦОКОЛЬНАЯ

ЛИСТ С ПАРАМЕТРАМИ

С. 2

МСОЛ: FD-85-L/P/L-G13-38/2400

Характеристики образцового ПРА

Частота, Гц

Номинальная мощность, Вт

Расчетное напряжение, В

Ток калибровки, А

Отношение напряжения к току, Ом

Коэффициент мощности

50

85

350

0,550

480

0,06

60

-

-

-

-

-

Информация для расчета ПРА

Частота, Гц

50

60

Напряжение предварительного подогрева катода, действующее значение, В

не менее

3,05

-

не более

5,5

-

Напряжение холостого хода на лампе, В

действующее значение, не менее

*

-

пиковое, не более

*

-

Сопротивление заменяющего резистора для каждого катода, Ом

6

-

Напряжение на ЗВУ, пиковое, В, не менее

*

-

Ток в любом вводе катодов, А, не более

*

-

* В стадии рассмотрения.

 

 

ЛАМПА ЛЮМИНЕСЦЕНТНАЯ ДВУХЦОКОЛЬНАЯ

ЛИСТ С ПАРАМЕТРАМИ

С. 1

МСОЛ: FD-60-L/P/L-R17d-38/1200

Номинальная мощность, Вт

Схема

Катод

Цоколь

Номинальные размеры, мм

60

Бесстартерная

Предварительного подогрева, низкоомный

R17d

38×1200

Размеры, мм

С

D

не менее

не более

не более

1161,2

1166,0

40,5

Характеристики зажигания

Частота, Гц

Номинальная мощность ПРА, Вт

Расчетное напряжение ПРА, В

Расстояние от ЗВУ, мм

Напряжение на катоде, действующее значение, В

Напряжение холостого хода, действующее значение, В

Время зажигания, с

50

-

-

-

-

-

-

60

60

*

13

3,05

205

10

Электрические параметры

Метод испытания, приложение

Частота, Гц

Расчетная мощность, Вт

Напряжение на лампе, действующее значение, В

Расчетный ток лампы, А

расчетное

не менее

не более

В.1

50

-

-

-

-

-

В.1

60

*

*

*

*

*

В.2

60

63**

78

70

86

0,800

Координаты цветности:*

Характеристики катода

Катод

Испытательное напряжение, действующее значение, В

Сопротивление каждого катода, Ом

расчетное

не менее

Низкоомный

3,6

3,2

2,8

* В стадии рассмотрения.

** Включает около 7 Вт для дополнительного катода, действующее значение в вольтах при напряжении 3,6 В на каждом катоде.

 

 

ЛАМПА ЛЮМИНЕСЦЕНТНАЯ ДВУХЦОКОЛЬНАЯ

ЛИСТ С ПАРАМЕТРАМИ

С. 2

МСОЛ: FD-60-L/P/L-R17d-38/1200

Характеристики образцового ПРА

Частота, Гц

Номинальная мощность, Вт

Расчетное напряжение, В

Ток калибровки, А

Отношение напряжения к току, Ом

Коэффициент мощности

50

-

-

-

-

-

60

60

230

0,800

244

0,075

Информация для расчета ПРА

Частота, Гц

50

60

Напряжение предварительного подогрева катода, действующее значение, В

не менее

-

*

не более

-

*

Напряжение холостого хода на лампе, В

действующее значение, не менее

-

*

пиковое, не более

-

*

Сопротивление заменяющего резистора для каждого катода, Ом

-

*

Напряжение на ЗВУ, пиковое, В, не менее

-

*

Ток в любом вводе катодов, А, не более

-

*

* В стадии рассмотрения.

 

 

ЛАМПА ЛЮМИНЕСЦЕНТНАЯ ДВУХЦОКОЛЬНАЯ

ЛИСТ С ПАРАМЕТРАМИ

С. 1

МСОЛ: FD-87-L/P/L-R17d-38/1800

Номинальная мощность, Вт

Схема

Катод

Цоколь

Номинальные размеры, мм

87

Бесстартерная

Предварительного подогрева, низкоомный

R17d

38×1800

Размеры, мм

С

D

не менее

не более

не более

1770,8

1775,6

40,5

Характеристики зажигания

Частота, Гц

Номинальная мощность ПРА, Вт

Расчетное напряжение ПРА, В

Расстояние от ЗВУ, мм

Напряжение на катоде, действующее значение, В

Напряжение холостого хода, действующее значение, В

Время зажигания, с

50

-

-

-

-

-

-

60

87

*

13

3,05

275

10

Электрические параметры

Метод испытания, приложение

Частота, Гц

Расчетная мощность, Вт

Напряжение на лампе, действующее значение, В

Расчетный ток лампы, А

расчетное

не менее

не более

В.1

50

-

-

-

-

-

В.1

60

*

*

*

*

*

В.2

60

87**

117

105

129

0,780

Координаты цветности:*

Характеристики катода

Катод

Испытательное напряжение, действующее значение, В

Сопротивление каждого катода, Ом

расчетное

не менее

Низкоомный

3,6

3,2

2,8

* В стадии рассмотрения.

** Включает около 7 Вт для дополнительного катода, действующее значение в вольтах при напряжении 3,6 В на каждом катоде.

 

 

ЛАМПА ЛЮМИНЕСЦЕНТНАЯ ДВУХЦОКОЛЬНАЯ

ЛИСТ С ПАРАМЕТРАМИ

С. 2

МСОЛ: FD-87-L/P/L-R17d-38/1800

Характеристики образцового ПРА

Частота, Гц

Номинальная мощность, Вт

Расчетное напряжение, В

Ток калибровки, А

Отношение напряжения к току, Ом

Коэффициент мощности

50

-

-

-

-

-

60

87

300

0,800

315

0,075

Информация для расчета ПРА

Частота, Гц

50

60

Напряжение предварительного подогрева катода, действующее значение, В

не менее

-

*

не более

-

*

Напряжение холостого хода на лампе, В

действующее значение, не менее

-

*

пиковое, не более

-

*

Сопротивление заменяющего резистора для каждого катода, Ом

-

*

Напряжение на ЗВУ, пиковое, В, не менее

-

*

Ток в любом вводе катодов, А, не более

-

*

* В стадии рассмотрения.

 

 

ЛАМПА ЛЮМИНЕСЦЕНТНАЯ ДВУХЦОКОЛЬНАЯ

ЛИСТ С ПАРАМЕТРАМИ

С. 1

МСОЛ: FD-112-L/P/L-R17d-38/2400

Номинальная мощность, Вт

Схема

Катод

Цоколь

Номинальные размеры, мм

112

Бесстартерная

Предварительного подогрева, низкоомный

R17d

38×2400

Размеры, мм

С

D

не менее

не более

не более

2380,4

2385,2

40,5

Характеристики зажигания

Частота, Гц

Номинальная мощность ПРА, Вт

Расчетное напряжение ПРА, В

Расстояние от ЗВУ, мм

Напряжение на катоде, действующее значение, В

Напряжение холостого хода, действующее значение, В

Время зажигания, с

50

-

-

-

-

-

-

60

112

*

13

3,05

315

10

Электрические параметры

Метод испытания, приложение

Частота, Гц

Расчетная мощность, Вт

Напряжение на лампе, действующее значение, В

Расчетный ток лампы, А

расчетное

не менее

не более

В.1

50

-

-

-

-

-

В.1

60

*

*

*

*

*

В.2

60

113**

153

138

168

0,790

Координаты цветности:*

Характеристики катода

Катод

Испытательное напряжение, действующее значение, В

Сопротивление каждого катода, Ом

расчетное

не менее

Низкоомный

3,6

3,2

2,8

* В стадии рассмотрения.

** Включает около 7 Вт для дополнительного катода, действующее значение в вольтах при напряжении 3,6 В на каждом катоде.

 

 

ЛАМПА ЛЮМИНЕСЦЕНТНАЯ ДВУХЦОКОЛЬНАЯ

ЛИСТ С ПАРАМЕТРАМИ

С. 2

МСОЛ: FD-112-L/P/L-R17d-38/2400

Характеристики образцового ПРА

Частота, Гц

Номинальная мощность, Вт

Расчетное напряжение, В

Ток калибровки, А

Отношение напряжения к току, Ом

Коэффициент мощности

50

-

-

-

-

-

60

112

400

0,800

415

0,075

Информация для расчета ПРА

Частота, Гц

50

60

Напряжение предварительного подогрева катода, действующее значение, В

не менее

-

3,05

не более

-

5,0

Напряжение холостого хода на лампе, В

действующее значение, не менее

-

315

пиковое, не более

-

*

Сопротивление заменяющего резистора для каждого катода, Ом

-

3,2

Напряжение на ЗВУ, пиковое, В, не менее

-

*

Ток в любом вводе катодов, А, не более

-

*

* В стадии рассмотрения.

 

 

ЛАМПА ЛЮМИНЕСЦЕНТНАЯ ДВУХЦОКОЛЬНАЯ

ЛИСТ С ПАРАМЕТРАМИ

С. 1

МСОЛ: FDH-14-L/P-G5-16/550

Номинальная мощность, Вт

Схема

Катод

Цоколь

Номинальные размеры, мм

14

ВЧ бесстартерная

Предварительного подогрева

G5

16×550

Размеры, мм

А

В

С

D

не более

не менее

не более

не более

не более

549,0

553,7

556,1

563,2

17,0

Характеристики зажигания

Частота, кГц

Расстояние от ЗВУ, мм

Ток предварительного подогрева, А

Время предварительного подогрева, с

Напряжение холостого хода, действующее значение, В

Время зажигания, с

20-26

6

0,210

2

230

1,0

Электрические параметры

Частота, кГц

Расчетная мощность, Вт

Напряжение на лампе, действующее значение, В

Расчетный ток лампы, А

расчетное

не менее

не более

20-26

13,7

82

72

92

0,170

Координаты цветности: см. D.2, приложение D.

Окружающая испытательная температура: (35 ±1)°С (справочная).

Характеристики катода

Испытательный ток, А

Сопротивление каждого катода, Ом

расчетное

не менее

не более

0,175

40

32

48

 

 

ЛАМПА ЛЮМИНЕСЦЕНТНАЯ ДВУХЦОКОЛЬНАЯ

ЛИСТ С ПАРАМЕТРАМИ

С. 2

МСОЛ: FDH-14-L/P-G5-16/550

Характеристики образцового ПРА

Частота, кГц

Номинальная мощность, Вт

Расчетное напряжение, В

Ток калибровки, А

Сопротивление, Ом

20-26

14

167

0,170

500

-

Информация для расчета ВЧ ПРА

Частота, кГц

≥ 20

Ток в любом вводе катодов, А, не более

0,250

Рабочий ток лампы, А

не менее

0,130

не более

0,220

Предварительный подогрев контролируется током

Наименьший ток предварительного подогрева, А, за время эмиссии te с, iк = (a/te+ i2m)0,5

а

0,030

im (А)

0,160

Наибольший ток предварительного подогрева, А

t ≤ 0,4

0,400

0,4 < t < 2,0

0,440-0,095t

t2,0

0,250

Напряжение холостого хода на лампе, действующее значение, В

не более

tte

130

не менее

t >te(+10oC)

230

не менее

t >te(-15oC)

275

Напряжение на ЗВУ, пиковое, В

не более

tte

*

не менее

t > te

*

Сопротивление заменяющего резистора для каждого катода, Ом

40

Предварительный подогрев контролируется напряжением

*

Без предварительного подогрева

Напряжение холостого хода на лампе, действующее значение, В, не менее

560

Ток через резистор, заменяющий лампу, А, не менее

0,115

Сопротивление заменяющего резистора лампы, Ом

1100

Сопротивление заменяющего резистора для каждого катода, Ом

9

Ток катода, А, не более

*

* В стадии рассмотрения.

 

 

ЛАМПА ЛЮМИНЕСЦЕНТНАЯ ДВУХЦОКОЛЬНАЯ

ЛИСТ С ПАРАМЕТРАМИ

С. 1

МСОЛ: FDH-21-L/P-G5-16/850

Номинальная мощность, Вт

Схема

Катод

Цоколь

Номинальные размеры, мм

21

Высокочастотная бесстартерная

Предварительного подогрева

G5

16×850

Размеры, мм

А

В

С

D

не более

не менее

не более

не более

не более

849,0

853,7

856,1

863,2

17,0

Характеристики зажигания

Частота, кГц

Расстояние от ЗВУ, мм

Ток предварительного подогрева, А

Время предварительного подогрева, с

Напряжение холостого хода, действующее значение, В

Время зажигания, с

20-26

6

0,210

2

350

0,1

Электрические параметры

Частота, кГц

Расчетная мощность, Вт

Напряжение на лампе, действующее значение, В

Расчетный ток лампы, А

расчетное

не менее

не более

20-26

20,7

123

113

133

0,170

Координаты цветности: см. D.2, приложение D.

Окружающая испытательная температура: (35 ±1)°С (справочная).

Характеристики катода

Испытательный ток, А

Сопротивление каждого катода, Ом

расчетное

не менее

не более

0,175

40

32

48

 

 

ЛАМПА ЛЮМИНЕСЦЕНТНАЯ ДВУХЦОКОЛЬНАЯ

ЛИСТ С ПАРАМЕТРАМИ

С. 2

МСОЛ: FDH-21-L/P-G5-16/850

Характеристики образцового ПРА

Частота, кГц

Номинальная мощность, Вт

Расчетное напряжение, В

Ток калибровки, А

Сопротивление, Ом

20-26

21

246

0,170

725

Информация для расчета ВЧ ПРА

Частота, кГц

≥ 20

Ток в любом вводе катодов, А, не более

0,250

Рабочий ток лампы, А

не менее

0,130

не более

0,220

Предварительный подогрев контролируется током

Наименьший ток предварительного подогрева, А, за время эмиссии te с, iк = (a/te+ i2m)0,5

а

0,030

im (А)

0,160

Наибольший ток предварительного подогрева, А

t ≤ 0,4

0,400

0,4 < t < 2,0

0,440-0,095t

t2,0

0,250

Напряжение холостого хода на лампе, действующее значение, В

не более

tte

200

не менее

t >te(+10oC)

340

не менее

t >te(-15oC)

390

Напряжение на ЗВУ, пиковое, В

не более

tte

*

не менее

t > te

*

Сопротивление заменяющего резистора для каждого катода, Ом

40

Предварительный подогрев контролируется напряжением

*

Без предварительного подогрева

Напряжение холостого хода на лампе, действующее значение, В, не менее

600

Ток через резистор, заменяющий лампу, А, не менее

0,130

Сопротивление заменяющего резистора лампы, Ом

1315

Сопротивление заменяющего резистора для каждого катода, Ом

9

Ток катода, А, не более

*

* В стадии рассмотрения.

 

 

ЛАМПА ЛЮМИНЕСЦЕНТНАЯ ДВУХЦОКОЛЬНАЯ

ЛИСТ С ПАРАМЕТРАМИ

С. 1

МСОЛ: FDH-28-L/P-G5-16/1150

Номинальная мощность, Вт

Схема

Катод

Цоколь

Номинальные размеры, мм

28

ВЧ бесстартерная

Предварительного подогрева

G5

16×1150

Размеры, мм

А

В

С

D

не более

не менее

не более

не более

не более

1149,0

1153,7

1156,1

1163,2

17,0

Характеристики зажигания

Частота, кГц

Расстояние от ЗВУ, мм

Ток предварительного подогрева, А

Время предварительного подогрева, с

Напряжение холостого хода, действующее значение, В

Время зажигания, с

20-26

6

0,210

2

375

0,1

Электрические параметры

Частота, кГц

Расчетная мощность, Вт

Напряжение на лампе, действующее значение, В

Расчетный ток лампы, А

расчетное

не менее

не более

20-26

27,8

167

150

184

0,170

Координаты цветности: см. D.2, приложение D.

Окружающая испытательная температура: (35 ±1)°С (справочная).

Характеристики катода

Испытательный ток, А

Сопротивление каждого катода, Ом

расчетное

не менее

не более

0,175

40

32

48

 

 

ЛАМПА ЛЮМИНЕСЦЕНТНАЯ ДВУХЦОКОЛЬНАЯ

ЛИСТ С ПАРАМЕТРАМИ

С. 2

МСОЛ: FDH-28-L/P-G5-16/1150

Характеристики образцового ПРА

Частота, кГц

Номинальная мощность, Вт

Расчетное напряжение, В

Ток калибровки, А

Сопротивление, Ом

20-26

28

329

0,170

950

Информация для расчета ВЧ ПРА

Частота, кГц

≥ 20

Ток в любом вводе катодов, А, не более

0,250

Рабочий ток лампы, А

не менее

0,130

не более

0,220

Предварительный подогрев контролируется током

Наименьший ток предварительного подогрева, А, за время эмиссии te с, iк = (a/te+ i2m)0,5

а

0,030

im (А)

0,160

Наибольший ток предварительного подогрева, А

t ≤ 0,4

0,400

0,4 < t < 2,0

0,440-0,095t

t2,0

0,250

Напряжение холостого хода на лампе, действующее значение, В

не более

tte

240

не менее

t >te(+10oC)

425

не менее

t >te(-15oC)

530

Напряжение на ЗВУ, пиковое, В

не более

tte

*

не менее

t > te

*

Сопротивление заменяющего резистора для каждого катода, Ом

40

Предварительный подогрев контролируется напряжением

*

Без предварительного подогрева

Напряжение холостого хода на лампе, действующее значение, В, не менее

650

Ток через резистор, заменяющий лампу, А, не менее

0,135

Сопротивление заменяющего резистора лампы, Ом

1550

Сопротивление заменяющего резистора для каждого катода, Ом

9

Ток катода, А, не более

*

* В стадии рассмотрения.

 

 

ЛАМПА ЛЮМИНЕСЦЕНТНАЯ ДВУХЦОКОЛЬНАЯ

ЛИСТ С ПАРАМЕТРАМИ

С. 1

МСОЛ: FDH-35-L/P-G5-16/1450

Номинальная мощность, Вт

Схема

Катод

Цоколь

Номинальные размеры, мм

35

ВЧ бесстартерная

Предварительного подогрева

G5

16×1450

Размеры, мм

А

В

С

D

не более

не менее

не более

не более

не более

1449,0

1453,7

1456,1

1463,2

17,0

Характеристики зажигания

Частота, Гц

Расстояние от ЗВУ, мм

Ток предварительного подогрева, А

Время предварительного подогрева, с

Напряжение холостого хода, действующее значение, В

Время зажигания, с

20-26

6

0,210

2

450

0,1

Электрические параметры

Частота, Гц

Расчетная мощность, Вт

Напряжение на лампе, действующее значение, В

Расчетный ток лампы, А

расчетное

не менее

не более

20-26

34,7

209

189

229

0,170

Координаты цветности: см. D.2, приложение D.

Окружающая испытательная температура: (35 ±1)°С (справочная).

Характеристики катода

Испытательный ток, А

Сопротивление каждого катода, Ом

расчетное

не менее

не более

0,175

40

32

48

 

 

ЛАМПА ЛЮМИНЕСЦЕНТНАЯ ДВУХЦОКОЛЬНАЯ ЛИСТ С ПАРАМЕТРАМИ

С. 2

МСОЛ: FDH-35-L/P-G5-16/1450

Характеристики образцового ПРА

Частота, кГц

Номинальная мощность, Вт

Расчетное напряжение, В

Ток калибровки, А

Сопротивление, Ом

20-26

35

413

0,170

1200

Информация для расчета ВЧ ПРА

Частота, кГц

≥ 20

Ток в любом вводе катодов, А, не более

0,250

Рабочий ток лампы, А

не менее

0,130

не более

0,220

Предварительный подогрев контролируется током

Наименьший ток предварительного подогрева, А, за время эмиссии te с, iк = (a/te+ i2m)0,5

а

0,030

im (А)

0,160

Наибольший ток предварительного подогрева, А

t ≤ 0,4

0,400

0,4 < t < 2,0

0,440-0,095t

t2,0

0,250

Напряжение холостого хода на лампе, действующее значение, В

не более

tte

275

не менее

t >te(+10oC)

530

не менее

t >te(-15oC)

700

Напряжение на ЗВУ, пиковое, В

не более

tte

*

не менее

t > te

*

Сопротивление заменяющего резистора для каждого катода, Ом

40

Предварительный подогрев контролируется напряжением

*

Без предварительного подогрева

Напряжение холостого хода на лампе, действующее значение, В, не менее

800

Ток через резистор, заменяющий лампу, А, не менее

0,140

Сопротивление заменяющего резистора лампы, Ом

1800

Сопротивление заменяющего резистора для каждого катода, Ом

9

Ток катода, А, не более

*

* В стадии рассмотрения.

 

 

ЛАМПА ЛЮМИНЕСЦЕНТНАЯ ДВУХЦОКОЛЬНАЯ

ЛИСТ С ПАРАМЕТРАМИ

С. 1

МСОЛ: FDH-16-L/P-G13-26/600

Номинальная мощность, Вт

Схема

Катод

Цоколь

Номинальные размеры, мм

16

ВЧ бесстартерная

Предварительного подогрева

G13

26×600

Размеры, мм

А

В

С

В

не более

не менее

не более

не более

не более

589,8

594,5

596,9

604,0

28,0

Характеристики зажигания

Частота, кГц

Расстояние от ЗВУ, мм

Ток предварительного подогрева, А

Время предварительного подогрева, с

Напряжение холостого хода, действующее значение, В

Время зажигания, с

20-26

19

0,510

2

200

0,1

Электрические параметры

Частота, кГц

Расчетная мощность, Вт

Напряжение на лампе, действующее значение, В

Расчетный ток лампы, А

расчетное

не менее

не более

20-26

16

64

58

70

0,255

Координаты цветности: см. D.2, приложение D.

Характеристики катода

Испытательный ток, А

Сопротивление каждого катода, Ом

расчетное

не менее

не более

0,510

15

10

*

 

 

ЛАМПА ЛЮМИНЕСЦЕНТНАЯ ДВУХЦОКОЛЬНАЯ ЛИСТ С ПАРАМЕТРАМИ

С. 2

МСОЛ: FDH-16-L/P-G13-26/600

Характеристики образцового ПРА

Частота, кГц

Номинальная мощность, Вт

Расчетное напряжение, В

Ток калибровки, А

Сопротивление, Ом

20-26

16

128

0,255

250

Информация для расчета ВЧ ПРА

Частота, кГц

≥ 20

Ток в любом вводе катодов, А, не более

0,450

Рабочий ток лампы, А

не менее

*

не более

*

Предварительный подогрев контролируется током

Наименьший ток предварительного подогрева, А, за время эмиссии te с, iк = (a/te+ i2m)0,5

а

0,200

im (А)

0,250

Наибольший ток предварительного подогрева, А

t ≤ 0,4

1,600

0,4 < t < 2,0

1,800-0,500t

t2,0

0,800

Напряжение холостого хода на лампе, действующее значение, В

не более

tte

230

не менее

t >te

200

Напряжение на ЗВУ, пиковое, В

не более

tte

*

не менее

t> te

*

Сопротивление заменяющего резистора для каждого катода, Ом

10

Предварительный подогрев контролируется напряжением

*

* В стадии рассмотрения.

 

 

ЛАМПА ЛЮМИНЕСЦЕНТНАЯ ДВУХЦОКОЛЬНАЯ

ЛИСТ С ПАРАМЕТРАМИ

С. 1

МСОЛ: FDH-32-L/P-G13-26/1200

Номинальная мощность, Вт

Схема

Катод

Цоколь

Номинальные размеры, мм

32

ВЧ бесстартерная

Предварительного подогрева

G13

26×1200

Размеры, мм

А

В

С

D

не более

не менее

не более

не более

не более

1199,4

1204,1

1206,5

1213,6

28,0

Характеристики зажигания

Частота, кГц

Расстояние от ЗВУ, мм

Ток предварительного подогрева, А

Время предварительного подогрева, с

Напряжение холостого хода, действующее значение, В

Время зажигания, с

20-26

19

0,510

2

240

0,1

Электрические параметры

Частота, кГц

Расчетная мощность, Вт

Напряжение на лампе, действующее значение, В

Расчетный ток лампы, А

расчетное

не менее

не более

20-26

32

128

118

138

0,255

Координаты цветности: см. D.2, приложение D.

Характеристики катода

Испытательный ток, А

Сопротивление каждого катода, Ом

расчетное

не менее

не более

0,510

15

10

*

* В стадии рассмотрения.

 

 

ЛАМПА ЛЮМИНЕСЦЕНТНАЯ ДВУХЦОКОЛЬНАЯ

ЛИСТ С ПАРАМЕТРАМИ

С. 2

МСОЛ: FDH-32-L/P-G13-26/1200

Характеристики образцового ПРА

Частота, кГц

Номинальная мощность, Вт

Расчетное напряжение, В

Ток калибровки, А

Сопротивление, Ом

20-26

32

256

0,255

500

Информация для расчета ВЧ ПРА

Частота, кГц

≥ 20

Ток в любом вводе катодов, А, не более

0,450

Рабочий ток лампы, А

не менее

*

не более

*

Предварительный подогрев контролируется током

Наименьший ток предварительного подогрева, А, за время эмиссии te с, iк = (a/te+ i2m)0,5

а

0,200

im (А)

0,250

Наибольший ток предварительного подогрева, А

t ≤ 0,4

1,600

0,4 < t < 2,0

1,800-0,500t

t2,0

0,800

Напряжение холостого хода на лампе, действующее значение, В

не более

tte

280

не менее

t >te

240

Напряжение на ЗВУ, пиковое, В

не более

tte

*

не менее

t> te

*

Сопротивление заменяющего резистора для каждого катода, Ом

10

Предварительный подогрев контролируется напряжением

*

* В стадии рассмотрения.

 

 

ЛАМПА ЛЮМИНЕСЦЕНТНАЯ ДВУХЦОКОЛЬНАЯ

ЛИСТ С ПАРАМЕТРАМИ

С. 1

МСОЛ: FDH-50-L/P-G13-26/1500

Номинальная мощность, Вт

Схема

Катод

Цоколь

Номинальные размеры, мм

50

ВЧ бесстартерная

Предварительного подогрева

G13

26×1500

Размеры, мм

А

В

С

D

не более

не менее

не более

не более

не более

1500,0

1504,7

1507,1

1514,2

28,0

Характеристики зажигания

Частота, кГц

Расстояние от ЗВУ, мм

Ток предварительного подогрева, А

Время предварительного подогрева, с

Напряжение холостого хода, действующее значение, В

Время зажигания, с

20-26

19

0,640

2

280

0,1

Электрические параметры

Частота, кГц

Расчетная мощность, Вт

Напряжение на лампе, действующее значение, В

Расчетный ток лампы, А

расчетное

не менее

не более

20-26

50

142

132

152

0,355

Координаты цветности: см. D.2, приложение D.

Характеристики катода

Испытательный ток, А

Сопротивление каждого катода, Ом

расчетное

не менее

не более

0,640

10

7

*

* В стадии рассмотрения.

 

 

ЛАМПА ЛЮМИНЕСЦЕНТНАЯ ДВУХЦОКОЛЬНАЯ

ЛИСТ С ПАРАМЕТРАМИ

С. 2

МСОЛ: FDH-50-L/P-G13-26/1500

Характеристики образцового ПРА

Частота, кГц

Номинальная мощность, Вт

Расчетное напряжение, В

Ток калибровки, А

Сопротивление, Ом

20-26

50

284

0,355

400

Информация для расчета ВЧ ПРА

Частота, кГц

≥ 20

Ток в любом вводе катодов, А, не более

0,600

Рабочий ток лампы, А

не менее

*

не более

*

Предварительный подогрев контролируется током

Наименьший ток предварительного подогрева, А, за время эмиссии te с, iк = (a/te+ i2m)0,5

а

0,310

im (А)

0,320

Наибольший ток предварительного подогрева, А

t ≤ 0,4

2,200

0,4 < t < 2,0

2,500-0,750t

t2,0

1,000

Напряжение холостого хода на лампе, действующее значение, В

не более

tte

320

не менее

t >te

280

Напряжение на ЗВУ, пиковое, В

не более

tte

*

не менее

t > te

*

Сопротивление заменяющего резистора для каждого катода, Ом

7

Предварительный подогрев контролируется напряжением

*

* В стадии рассмотрения.

 

 

ЛАМПА ЛЮМИНЕСЦЕНТНАЯ ДВУХЦОКОЛЬНАЯ

ЛИСТ С ПАРАМЕТРАМИ

 

МСОЛ: FD-20-L/N-Fa6-38/600

Номинальная мощность, Вт

Схема

Катод

Цоколь

Номинальные размеры, мм

20

Бесстартерная

Без предварительного подогрева

Fa6

38×600

Размеры, мм

С

D

не менее

не более

не более

606,5

611,0

40,5

Характеристики зажигания

Частота, Гц

Напряжение холостого хода, действующее значение, В

Время зажигания, с

50

190

10

60

-

-

Электрические параметры

Частота, Гц

Расчетная мощность, Вт

Напряжение на лампе, действующее значение, В

Расчетный ток лампы, А

расчетное

не менее

не более

50

20

58

51

65

0,380

60

-

-

-

-

-

Координаты цветности: см. D.2, приложение D.

Характеристики образцового ПРА

Частота, Гц

Номинальная мощность, Вт

Расчетное напряжение, В

Ток калибровки, А

Отношение напряжения к току, Ом

Коэффициент мощности

50

20

127

0,370

270

0,12

60

-

-

-

-

-

Информация для расчета ПРА

Частота, Гц

50

60

Напряжение холостого хода на лампе, действующее значение, В, не менее

190

-

 

 

ЛАМПА ЛЮМИНЕСЦЕНТНАЯ ДВУХЦОКОЛЬНАЯ

ЛИСТ С ПАРАМЕТРАМИ

 

МСОЛ: FD-40-L/N-Fa6-38/1200

Номинальная мощность, Вт

Схема

Катод

Цоколь

Номинальные размеры, мм

40

Бесстартерная

Без предварительного подогрева

Fa6

38×1200

Размеры, мм

С

D

не менее

не более

не более

1216,0

1220,5

40,5

Характеристики зажигания

Частота, Гц

Напряжение холостого хода, действующее значение, В

Время зажигания, с

50

205

10

60

-

-

Электрические параметры

Частота, Гц

Расчетная мощность, Вт

Напряжение на лампе, действующее значение, В

Расчетный ток лампы, А

расчетное

не менее

не более

50

39,5

109

99

119

0,425

60

-

-

-

-

-

Координаты цветности: см. D.2, приложение D.

Характеристики образцового ПРА

Частота, Гц

Номинальная мощность, Вт

Расчетное напряжение, В

Ток калибровки, А

Отношение напряжения к току, Ом

Коэффициент мощности

50

40

220

0,430

390

0,10

60

-

-

-

-

-

Информация для расчета ПРА

Частота, Гц

50

60

Напряжение холостого хода на лампе, действующее значение, В, не менее

205

-

 

 

ЛАМПА ЛЮМИНЕСЦЕНТНАЯ ДВУХЦОКОЛЬНАЯ

ЛИСТ С ПАРАМЕТРАМИ

 

МСОЛ: FD-65-L/N-Fa6-38/1500

Номинальная мощность, Вт

Схема

Катод

Цоколь

Номинальные размеры, мм

65

Бесстартерная

Без предварительного подогрева

Fa6

38×1500

Размеры, мм

С

D

не менее

не более

не более

1516,6

1521,1

40,5

Характеристики зажигания

Частота, Гц

Напряжение холостого хода, действующее значение, В

Время зажигания, с

50

190

10

60

-

-

Электрические параметры

Частота, Гц

Расчетная мощность, Вт

Напряжение на лампе, действующее значение, В

Расчетный ток лампы, А

расчетное

не менее

не более

50

64

110

100

120

0,670

60

-

-

-

-

-

Координаты цветности: см. D.2, приложение D.

Характеристики образцового ПРА

Частота, Гц

Номинальная мощность, Вт

Расчетное напряжение, В

Ток калибровки, А

Отношение напряжения к току, Ом

Коэффициент мощности

50

65

220

0,670

240

0,10

60

-

-

-

-

-

Информация для расчета ПРА

Частота, Гц

50

60

Напряжение холостого хода на лампе, действующее значение, В, не менее

190

-

 

 

ЛАМПА ЛЮМИНЕСЦЕНТНАЯ ДВУХЦОКОЛЬНАЯ

ЛИСТ С ПАРАМЕТРАМИ

 

МСОЛ: FD-39-L/N-Fa8-38/1200

Номинальная мощность, Вт

Схема

Катод

Цоколь

Номинальные размеры, мм

39

Бесстартерная

Без предварительного подогрева

Fa8

38×1200

Размеры, мм

А

В

С

D

не более

не менее

не более

не более

не более

1150,6

1153,7

1159,5

1168,4

40,5

Характеристики зажигания

Частота, Гц

Напряжение холостого хода, действующее значение, В

Время зажигания, с

50

-

-

60

385

10

Электрические параметры

Частота, Гц

Расчетная мощность, Вт

Напряжение на лампе, действующее значение, В

Расчетный ток лампы, А

расчетное

не менее

не более

50

-

-

-

-

-

60

39

100

90

НО

0,425

Координаты цветности: *

Характеристики образцового ПРА

Частота, Гц

Номинальная мощность, Вт

Расчетное напряжение, В

Ток калибровки, А

Отношение напряжения к току, Ом

Коэффициент мощности

50

-

-

-

-

-

60

39

430

0,425

930

0,075

Информация для расчета ПРА

Частота, Гц

50

60

Напряжение холостого хода на лампе, действующее значение, В, не менее

-

385

* В стадии рассмотрения.

 

 

ЛАМПА ЛЮМИНЕСЦЕНТНАЯ ДВУХЦОКОЛЬНАЯ

ЛИСТ С ПАРАМЕТРАМИ

 

МСОЛ: FD-57-L/N-Fa8-38/1800

Номинальная мощность, Вт

Схема

Катод

Цоколь

Номинальные размеры, мм

57

Бесстартерная

Без предварительного подогрева

Fa8

38×1800

Размеры, мм

А

В

С

D

не более

не менее

не более

не более

не более

1760,2

1763,3

1769,1

1778,2

40,5

Характеристики зажигания

Частота, Гц

Напряжение холостого хода, действующее значение, В

Время зажигания, с

50

-

-

60

475

10

Электрические параметры

Частота, Гц

Расчетная мощность, Вт

Напряжение на лампе, действующее значение, В

Расчетный ток лампы, А

расчетное

не менее

не более

50

-

-

-

-

-

60

57

149

134

164

0,425

Координаты цветности: *

Характеристики образцового ПРА

Частота, Гц

Номинальная мощность, Вт

Расчетное напряжение, В

Ток калибровки, А

Отношение напряжения к току, Ом

Коэффициент мощности

50

-

-

-

-

-

60

57

525

0,425

1100

0,075

Информация для расчета ПРА

Частота, Гц

50

60

Напряжение холостого хода на лампе, действующее значение, В, не менее

-

475

* В стадии рассмотрения.

 

 

ЛАМПА ЛЮМИНЕСЦЕНТНАЯ ДВУХЦОКОЛЬНАЯ

ЛИСТ С ПАРАМЕТРАМИ

 

МСОЛ: FD-75-L/N-Fa8-38/2400

Номинальная мощность, Вт

Схема

Катод

Цоколь

Номинальные размеры, мм

75

Бесстартерная

Без предварительного подогрева

Fa8

38×2400

Размеры, мм

А

В

С

D

не более

не менее

не более

не более

не более

2369,8

2372,9

2378,7

2387,6

40,5

Характеристики зажигания

Частота, Гц

Напряжение холостого хода, действующее значение, В

Время зажигания, с

50

-

-

60

454

10

Электрические параметры

Частота, Гц

Расчетная мощность, Вт

Напряжение на лампе, действующее значение, В

Расчетный ток лампы, А

расчетное

не менее

не более

50

-

-

-

-

-

60

75

197

177

217

0,425

Координаты цветности: *

Характеристики образцового ПРА

Частота, Гц

Номинальная мощность, Вт

Расчетное напряжение, В

Ток калибровки, А

Отношение напряжения к току, Ом

Коэффициент мощности

50

-

-

-

-

-

60

75

625

0,425

1280

0,075

Информация для расчета ПРА

Частота, Гц

50

60

Напряжение холостого хода на лампе, пиковое, В, не менее

-

565

* В стадии рассмотрения.

 

 

ЛАМПА ЛЮМИНЕСЦЕНТНАЯ ДВУХЦОКОЛЬНАЯ

ЛИСТ С ПАРАМЕТРАМИ

 

МСОЛ: FDH-32-L/N-Fa6-26/1200

Номинальная мощность, Вт

Схема

Катод

Цоколь

Номинальные размеры, мм

32

Высокочастотная бесстартерная

Без предварительного подогрева

Fa6

26×1200

Размеры, мм

С

D

не менее

не более

не более

1216,0

1220,5

28,0

Характеристики зажигания

Частота, Гц

Напряжение холостого хода, действующее значение, В

Время зажигания, с

20-26

800

0,1

Электрические параметры

Частота, кГц

Расчетная мощность, Вт

Напряжение на лампе, действующее значение, В

Расчетный ток лампы, А

расчетное

не менее

не более

20-26

32

102

92

112

0,320

Координаты цветности: см. D.2, приложение D.

Характеристики образцового ПРА

Частота, кГц

Номинальная мощность, Вт

Расчетное напряжение, В

Ток калибровки, А

Сопротивление, Ом

20-26

32

204

0,320

318

Информация для расчета высокочастотного ПРА

Частота, кГц

≥ 20

Напряжение холостого хода на лампе, действующее значение, В, не менее

800

Ток через резистор, заменяющий лампу, А, не менее

0,200

Сопротивление заменяющего резистора лампы, Ом

1000

Рабочий ток лампы, А

не менее

*

не более

*

* В стадии рассмотрения.

 

 

ЛАМПА ЛЮМИНЕСЦЕНТНАЯ ДВУХЦОКОЛЬНАЯ

ЛИСТ С ПАРАМЕТРАМИ

 

МСОЛ: FDH-50-L/N-Fa6-26/1500

Номинальная мощность, Вт

Схема

Катод

Цоколь

Номинальные размеры, мм

50

ВЧ бесстартерная

Без предварительного подогрева

Fa6

26×1500

Размеры, мм

С

D

не менее

не более

не более

1516,6

1521,1

28,0

Характеристики зажигания

Частота, кГц

Напряжение холостого хода, действующее значение, В

Время зажигания, с

20-26

800

0,1

Электрические параметры

Частота, кГц

Расчетная мощность, Вт

Напряжение на лампе, действующее значение, В

Расчетный ток лампы, А

расчетное

не менее

не более

20-26

50

111

101

121

0,455

Координаты цветности: см. D.2, приложение D.

Характеристики образцового ПРА

Частота, кГц

Номинальная мощность, Вт

Расчетное напряжение, В

Ток калибровки, А

Сопротивление, Ом

20-26

50

222

0,455

244

Информация для расчета высокочастотного ПРА

Частота, кГц

≥ 20

Напряжение холостого хода на лампе, действующее значение, В, не менее

800

Ток через резистор, заменяющий лампу, А, не менее

0,250

Сопротивление заменяющего резистора лампы, Ом

800

Рабочий ток лампы, А

не менее

*

не более

*

* В стадии рассмотрения.

Ключевые слова: эксплуатационные требования, методы испытания, параметры

 

2008-2013. ГОСТы, СНиПы, СанПиНы - Нормативные документы - стандарты.