
ГОСУДАРСТВЕННЫЙ СТАНДАРТ СОЮЗА ССР
ЕДИНАЯ СИСТЕМА КОНСТРУКТОРСКОЙ ДОКУМЕНТАЦИИ
ОБОЗНАЧЕНИЯ УСЛОВНЫЕ
ГРАФИЧЕСКИЕ В СХЕМАХ
ГОСТ 2.721-74
ГОСУДАРСТВЕННЫЙ КОМИТЕТ СССР ПО СТАНДАРТАМ
Москва
ГОСУДАРСТВЕННЫЙ СТАНДАРТ СОЮЗА ССР
|
Единая система конструкторской документации ОБОЗНАЧЕНИЯ УСЛОВНЫЕ
ГРАФИЧЕСКИЕ В СХЕМАХ. Unified
system for design documentation. |
ГОСТ |
Дата введения 01.07.75
1. Настоящий стандарт устанавливает условные графические обозначения общего применения на схемах, выполняемых вручную или автоматизированным способом, изделий всех отраслей промышленности и строительства.
(Измененная редакция, Изм. № 1).
2. Обозначения направлений распространения тока, сигнала, информации и потока энергии, жидкости и газа должны соответствовать приведенным в табл. 1.
(Измененная редакция, Изм. № 2).
3. Обозначения направления движения должны соответствовать приведенным в табл. 2.
4. Обозначения линий механической связи должны соответствовать приведенным в табл. 3.
5. Обозначения передачи движения должны соответствовать приведенным в табл. 4.
4, 5. (Измененная редакция, Изм. № 1).
6. Обозначения регулирования, саморегулирования и преобразования должны соответствовать приведенным в табл. 5.
(Измененная редакция, Изм. № 2).
7. Обозначения элементов привода и управляющих устройств должны соответствовать приведенным в табл. 6, общие элементы условных графических обозначений, линии для выделения и разделения частей схемы и для экранирования - в табл. 6а; обозначения заземления и возможных повреждений изоляции - в табл. 6б; обозначения электрических связей, проводов, кабелей и шин - в табл. 6вв; обозначения рода тока и напряжения - в табл. 6г; обозначения видов обмоток в изделиях - в табл. 6д; обозначения форм импульсов - в табл. 6е; обозначения сигналов - в табл. 6ж; обозначения видов модуляции - в табл. 6з; обозначения появления реакций при достижении определенных величин - в табл. 6и; обозначения веществ (сред) - в табл. 6к; обозначение воздействий, эффектов, зависимостей - в табл. 6л; обозначения излучений - в табл. 6м; обозначения прочих квалифицирующих символов - в табл. 6н; обозначения, выполняемые на алфавитно-цифровых печатающих устройствах, - в табл. 6о.
(Измененная редакция, Изм. № 1, 2).
8. Размеры условных графических обозначений должны соответствовать приведенным в табл. 7.
9. Термины, применяемые в стандарте, и их пояснения приведены в приложении 1. Размеры (в модульной сетке) условных графических обозначений приведены в приложении 2.
(Введен дополнительно, Изм. № 2).
Таблица 1
|
Обозначение |
|
|
1. Распространение тока, сигнала, информации и потока энергии: |
|
|
а) в одном направлении |
|
|
б) в обоих направлениях неодновременно |
|
|
в) в обоих направлениях одновременно |
|
|
1.1. Направление тока, сигнала, информации и потока энергии: |
|
|
а) передача |
|
|
б) прием |
|
|
1.2. Распространение энергии в направлениях: |
|
|
а) от токоведущей шины |
|
|
б) к токоведущей шине |
|
|
в) в обоих направлениях |
|
|
|
|
|
а) в одном направлении (например, вправо) |
|
|
б) в обоих направлениях |
|
|
|
|
|
а) в одном направлении (например, вправо) |
|
|
б) в обоих направлениях |
|
|
|
|
|
1. Если необходимо уточнить рабочую среду в трубопроводах, то следует применять обозначения по ГОСТ 3464-63. |
|
|
2. При выполнении схем автоматизированным способом допускается вместо зачернения применять наклонную штриховку, например, поток жидкости |
|
Таблица 2
|
Обозначение |
|
|
1. Движение прямолинейное: |
|
|
а) одностороннее |
|
|
б) возвратное |
|
|
в) одностороннее с выстоем |
|
|
г) возвратное с выстоем |
|
|
д) одностороннее с ограничением. |
|
|
Примечания. Если необходимо указать, что перемещение осуществляется на определенное расстояние, то значение расстояния следует проставлять над изображением стрелки, например, перемещение на 40 мм |
|
|
е) возвратно-поступательное |
|
|
2. Движение вращательное: |
|
|
а) одностороннее |
|
|
б) возвратное |
|
|
в) одностороннее с выстоем |
|
|
г) с ограничением движения в направлении вращения. |
|
|
Примечание. Если необходимо указать, что поворот осуществляется на определенный угол, то значение угла поворота следует проставлять над изображением стрелки, например, поворот осуществляется на угол 45° |
|
Таблица 3
|
Обозначение |
|
|
1. Линия механической связи в гидравлических и пневматических схемах |
|
|
2. Линия механической связи в электрических схемах. |
|
|
Примечание. При небольшом расстоянии между элементами и их составными частями допускается применять следующее обозначение |
|
|
2а. Линия механической связи с эластичным элементом |
|
|
3. Разветвление линии механической связи в электрических схемах: |
|
|
а) под углом 90° |
|
|
б) под углом 45° |
|
|
4. Пересечение линий механической связи в электрических схемах: |
|
|
а) под углом 90° |
|
|
б) под углом 45° |
|
Таблица 4
|
Обозначение |
|
|
1. Линия механической связи, передающей движение: |
|
|
а) прямолинейное одностороннее в направлении, указанном стрелкой |
|
|
|
|
|
б) прямолинейное возвратное |
|
|
в) прямолинейное с ограничением с одной стороны |
|
|
г) прямолинейное возвратно-поступательное с ограничением с двух сторон |
|
|
с ограничением с одной стороны |
|
|
д) вращательное по часовой стрелке (наблюдатель слева) |
|
|
допускается указывать частоту вращения, например, 40 мин-1 |
|
|
е) вращательное в обоих направлениях |
|
|
ж) вращательное в обоих направлениях с ограничением с одной стороны |
|
|
з) вращательное в обоих направлениях с ограничением с двух сторон |
|
|
допускается указывать угол поворота, например, 120° |
|
|
и) вращательное в одном направлении с ограничением |
|
|
|
|
|
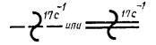
2. Линия механической связи, срабатывающей периодически (передача периодических движений). |
|
|
Примечание. Если необходимо указать частоту срабатывания, то значение частоты следует проставлять около знака периодичности, например, линия механической связи с частотой срабатывания 17 с-1 |
|
|
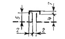
3. Линия механической связи со ступенчатым движением. |
|
|
Примечание. При необходимости следует обозначать число ступеней, например 5 |
|
|
4. Линия механической связи, имеющей выдержку времени: |
|
|
а) при движении вправо |
|
|
б) при движении влево |
|
|
в) при движении в обоих направлениях. |
|
|
Примечания: |
|
|
1. Замедление происходит при движении в направлении от дуги к центру |
|
|
2. Если необходимо указать значение выдержки времени, то его следует проставлять около знака выдержки времени, например, линия механической связи, имеющей выдержку времени 5 с при движении вправо |
|
|
5. Линия механической связи с автоматическим возвратом до состояния покоя после исчезновения приводящей силы. Возврат в направлении, указанном стрелкой |
|
|
6. Движение винтовое: |
|
|
а) вправо |
|
|
|
|
|
б) влево |
|
|
|
|
Таблица 5
|
Обозначение |
|
|
|
|
|
а) линейное |
|
|
б) нелинейное |
|
|
2. Регулирование автоматическое: |
|
|
а) линейное |
|
|
б) нелинейное |
|
|
3. Саморегулирование, вызванное физическими процессами или величинами: |
|
|
а) линейное |
|
|
б) нелинейное |
|
|
Примечания: |
|
|
1. При необходимости уточнения характера регулирования следует применять следующие обозначения: |
|
|
а) регулирование плавное |
|
|
б) регулирование ступенчатое |
|
|
в) регулирование подстроечное |
|
|
2. При выполнении указания способа регулирования следует применять следующие обозначения: |
|
|
а) регулирование ручкой, выведенной наружу |
|
|
б) регулирование инструментом; элемент регулирования (например ось потенциометра) выведен наружу |
|
|
в) регулирование инструментом; элемент регулирования (например, ось потенциометра) находится внутри устройства |
|
|
г) при выполнении схем автоматизированным способом допускается вместо зачернения применять наклонную штриховку |
|
|
3. Около квалифицирующего символа допускается указывать уточняющие данные, например: |
|
|
а) регулирование при токе, равном нулю |
|
|
б) регулирование линейное при напряжении равном нулю |
|
|
в) функциональная зависимость регулирования, например логарифмическая зависимость |
|
|
г) при изображении ступенчатого регулирования допускается указывать число ступеней, например, регулирование пятиступенчатое |
|
|
д) при необходимости указания направления движения органа регулирования, при котором происходит увеличение регулируемой величины, используют стрелку, например, регулирование ручкой, выведенной наружу |
|
|
4. Обозначение в соответствии с пп. 1 - 3 должно пересекать условное графическое обозначение, с которым оно применяется, например: |
|
|
а) конденсатор с подстроечным регулированием |
|
|
б) усилитель с автоматическим регулированием усиления |
|
|
4. Функция преобразования, например, аналого-цифрового |
X/Y A/D |
(Измененная редакция, Изм. № 4).
Таблица 6
|
Обозначение |
|
|
1. Фиксирующий механизм: |
|
|
а) общее обозначение |
|
|
б) в положении фиксации |
|
|
в) приобретающий положение фиксации после передвижения вправо |
|
|
г) приобретающий положение фиксации после передвижения влево |
|
|
д) приобретающий положение фиксации после передвижения вправо и влево |
|
|
|
|
|
2. Механизм с защелкой: |
|
|
а) общее обозначение |
|
|
|
|
|
б) препятствующий передвижению влево в фиксированном положении |
|
|
в нефиксированном положении |
|
|
в) препятствующий передвижению вправо в фиксированном положении |
|
|
в нефиксированном положении |
|
|
г) препятствующий передвижению в обе стороны. |
|
|
Примечание к пп. 1 и 2. При необходимости следует указывать способ возврата механизма в исходное положение, например, электромагнитом |
|
|
3. Механизм свободного расцепления |
|
|
|
|
|
4. Муфта. Общее обозначение: |
|
|
а) выключенная |
|
|
б) включенная |
|
|
5. Тормоз: |
|
|
а) общее обозначение |
|
|
б) в отпущенном состоянии |
|
|
в) в состоянии торможения. |
|
|
Примечание к пп. 4 и 5. При необходимости следует указывать способ включения муфты или тормоза, например, электромагнитом |
|
|
6. Поводок |
|
|
7. Кулачок |
|
|
8. Линейка (рейка). |
|
|
Примечание. При необходимости следует указывать направление движения |
|
|
9. Пружина |
|
|
10. Толкатель |
|
|
11. Ролик |
|
|
12. Ролик, срабатывающий в одном направлении. |
|
|
Примечание к пп. 1-12. При необходимости указания конкретных видов элементов привода следует применять обозначения по ГОСТ 2.770-68 |
|
|
13. Привод ручной: |
|
|
а) общее обозначение |
|
|
б) приводимый в движение ключом |
|
|
в) приводимый в движение несъемной рукояткой |
|
|
г) приводимый в движение съемной рукояткой |
|
|
д) приводимый в движение маховичком |
|
|
е) приводимый в движение нажатием кнопки |
|
|
ж) приводимый в движение нажатием кнопки с ограниченным доступом |
|
|
з) приводимый в движение вытягиванием кнопки |
|
|
и) приводимый в движение поворотом кнопки. |
|
|
Примечание к пп. 13е-13и. Предполагается, что привод кнопками имеет самовозврат. |
|
|
к) приводимый в движение рычагом |
|
|
л) аварийного срабатывания |
|
|
м) приводимый в движение эффектом близости |
|
|
н) приводимый в движение прикасанием |
|
|
о) приводимый в движение с помощью электромагнитной защиты по типу перегрузки |
|
|
п) приводимый в движение с помощью электрических часов |
|
|
14. Привод ножной |
|
|
14а. Привод другими частями тела |
|
|
15. Другие приводы: |
|
|
а) аккумулятор механической энергии, общее обозначение. |
|
|
Примечание. При необходимости внутри квадрата помещают сведения о виде энергии |
|
|
б) электромагнитный |
|
|
в) пневматический или гидравлический |
|
|
г) электромашинный |
|
|
д) тепловой (двигатель тепловой) |
|
|
е) мембранный |
|
|
ж) поплавковый |
|
|
з) центробежный |
|
|
и) с помощью биметалла |
|
|
к) струйный |
|
|
л) кулачковый |
|
|
м) привод линейкой (рейкой) |
|
|
и) пиропатрон |
|
|
о) привод механической пружиной |
|
|
|
|
|
п) привод шестеренчатый |
|
|
р) привод щупом или прижимной планкой |
|
(Измененная редакция, Изм. № 4).
Таблица 6а
|
Обозначение |
|
|
1. Прибор, устройство |
|
|
2. Баллон (электровакуумного и ионного прибора), корпус (полупроводникового прибора). |
|
|
Примечание. Комбинированные электровакуумные приборы при раздельном изображении систем электродов |
|
|
3. Линия для выделения устройств, функциональных групп, частей схемы |
|
|
4. Экранирование. |
|
|
Примечание. При уточнении характера экранирования (электростатическое или электромагнитное) под изображением линии экранирования проставляют буквенные обозначения соответственно: |
|
|
а) электростатическое |
|
|
б) электромагнитное |
|
|
5. Экранирование группы элементов. |
|
|
Примечание. Экранирование допускается изображать с любой конфигурацией контура |
|
|
6. Экранирование группы линий электрической связи |
|
|
7. Индикатор контрольной точки |
|
(Измененная редакция, Изм. № 4).
Таблица 6б
|
Обозначение |
|
|
1. Заземление, общее обозначение |
|
|
2. Бесшумное заземление (чистое) |
|
|
3. Защитное заземление |
|
|
4. Электрическое соединение с корпусом (массой). |
|
|
Примечание. При отсутствии наклонных линий допускается горизонтальную линию изображать толстой |
|
|
5. Эквипотенциальность |
|
|
6. Возможность повреждения изоляции, общее обозначение |
|
|
7. Возможность повреждения изоляции: |
|
|
а) между проводами |
|
|
б) между проводом и корпусом (пробой на корпус) |
|
|
в) между проводом и землей (пробой на землю). |
|
|
Примечание. Допускается применять точки для обозначения повреждения изоляции между проводами |
|
Таблица 6в
|
Обозначение |
|
|
1. Линия электрической связи, провода, кабели, шины, линия групповой связи. |
|
|
Примечания: |
|
|
1. Допускается защитный проводник (РЕ) изображать тонкой штрихпунктирной линией |
|
|
2. При необходимости для линий групповой связи применяются утолщенные линии |
|
|
3. При наличии текста к линии электрической связи, кабелю, шине или к линии групповой связи текст помещают: |
|
|
а) над линией |
|
|
б) в разрыве линии |
|
|
в) в начале или в конце линии |
|
|
|
|
|
2. Графическое разветвление (слияние) линий электрической связи в линию групповой связи, разводка жил кабеля или проводов жгута. |
|
|
Примечания: |
|
|
1. Расстояние между соседними линиями, отходящими в разные стороны, должно быть не менее 2 мм. |
|
|
2. Для облегчения поиска отдельных линий связи можно указывать направление каждой линии при помощи излома под углом 45°, при этом: |
|
|
а) точка излома должна быть удалена от групповой линии связи не менее чем на 3 мм; |
|
|
б) наклонные участки соседних линий, изображенных по одну сторону от групповой линии связи, не должны пересекаться или иметь общие точки |
|
|
3. Графическое разветвление (слияние) линий групповой связи |
|
|
|
|
|
|
|
|
4. Графический излом линий электрической связи, линий групповой связи, провода, кабеля, шины: |
|
|
а) под углом 90° |
|
|
б) под углом 135° |
|
|
5. Пересечение линий электрической связи, линий групповой связи электрически не соединенных проводов, кабелей, шин, электрически не соединенных. Линии должны пересекаться под углом 90° |
|
|
Примечание. Линия, имеющая излом под углом 135°, не должна пересекаться с другой линией в точке излома |
|
|
6. Линия электрической связи с ответвлениями: |
|
|
а) с одним |
|
|
б) с двумя. |
|
|
Примечания: |
|
|
1. Ответвления допускается изображать под углами, кратными 45° |
|
|
|
|
|
2. Линию электрической связи с одним ответвлением допускается изображать без точки |
|
|
3. При изображении ответвлений электрической связи не допускается в качестве точек ответвления использовать элементы условных графических обозначений, имеющие вид точек, изломов, пересечений и т.д. |
|
|
|
|
|
4. Если при выполнении схем автоматизированным способом линии групповой связи выполняют неутолщенными, то для графического отделения этих линий от пересекающихся с ними или параллельных им линий электрической связи на линию групповой связи наносят наклонные штрихи. |
|
|
7. Линии электрической связи, графически сливаемые и расположенные: |
|
|
а) вертикально |
|
|
б) горизонтально. |
|
|
Примечание. На месте знаков Х и Y должны быть указаны условные обозначения линий по ГОСТ 2.702-75 |
|
|
8. Обрыв линии электрической связи. |
|
|
Примечание. На месте знака Х указывают необходимые данные о продолжении линии на схеме |
|
|
9. Шина |
|
|
|
|
|
10. Ответвление шины |
|
|
11. Шины, графически пересекающиеся и электрически не соединенные |
|
|
12. Отводы (отпайки) от шины. |
|
|
Примечание к пп. 9 - 12. Изображение шин при помощи двойных линий применяется в тех случаях, когда необходимо графически отделить их от изображения линии электрической связи |
|
|
13. Группа проводов, подключенных к одной точке электрического соединения: |
|
|
а) два провода |
|
|
б) четыре провода |
|
|
в) более четырех проводов |
|
|
14. Линия электрической связи с ответвлением в несколько параллельных идентичных цепей. Внутри обозначения ответвления указывают общее количество параллельных цепей, включая изображенную цепь, например: |
|
|
изображение |
|
|
соответствует изображению |
|
|
15. Группа линий электрической связи, имеющих общее функциональное назначение, изображенная: |
|
|
а) однолинейно |
|
|
б) многолинейно. |
|
|
Примечания: |
|
|
1. В однолинейном изображении буква n заменяется числом, указывающим количество линий в группе, например группа линий электрической связи, состоящей из семи линий |
|
|
2. При многолинейном изображении группы для облегчения поиска линий допускается разбивать группу линий на подгруппы при помощи интервалов. При этом в каждой подгруппе должно быть одинаковое количество линий; крайняя подгруппа может содержать меньшее количество линий |
|
|
3. В однолинейном изображении группы линий электрической связи, состоящей из 2 - 4 линий, допускается изображать: |
|
|
а) группу из двух линий |
|
|
б) группу из трех линий |
|
|
в) группу из четырех линий |
|
|
16. Переход группы линий электрической связи, имеющих общее функциональное назначение, от многолинейного изображения к однолинейному (например, восемь линий) |
|
|
17. Группа линий электрической связи, имеющих общее функциональное назначение, каждая из которых имеет ответвление |
|
|
18. Группа линий электрической связи, имеющих общее функциональное назначение и осуществляемых многожильным кабелем, например семижильным, изображенная: |
|
|
а) однолинейно |
|
|
б) многолинейно |
|
|
19. Группа линий электрической связи, четыре из которых осуществлены многожильным кабелем |
|
|
20. Группа линий электрической связи, осуществленная n скрученными проводами, например, шестью скрученными проводами, изображенная: |
|
|
а) однолинейно |
|
|
б) многолинейно |
|
|
21. Группа линий электрической связи, четыре из которых осуществлены скрученными проводами |
|
|
22. Линия электрической связи, осуществленная гибким проводом |
|
|
23. Экранированная линия электрической связи, провод и кабель с экранированием. |
|
|
Примечание. При необходимости обозначение экранирования можно показывать не по всей длине линии, а на отдельных ее участках |
|
|
24. Частично экранированные линия электрической связи, провод и кабель |
|
|
25. Экранированная линия электрической связи с ответвлением |
|
|
26. Экранированная линия электрической связи с ответвлением от экрана |
|
|
27. Группа индивидуально экранированных линий электрической связи, имеющих общее функциональное назначение |
|
|
28. Группа индивидуально экранированных линий электрической связи, имеющих общее функциональное назначение и ответвления |
|
|
29. Группа линий электрической связи в общем экране, например, шесть линий электрической связи, изображенные: |
|
|
а) однолинейно |
|
|
б) многолинейно |
|
|
30. Группа линий электрической связи, четыре из которых находятся в общем экране. |
|
|
Примечание к пп. 23 - 30. Соединение экрана: |
|
|
а) с корпусом |
|
|
|
|
|
б) с землей |
|
|
31. Экранированный провод или кабель с отводом на землю: |
|
|
а) от конца экрана |
|
|
б) от промежуточной точки экрана |
|
|
32. Коаксиальный кабель |
|
|
33. Коаксиальный кабель: |
|
|
а) соединенный с корпусом |
|
|
б) заземленный |
|
|
34. Коаксиальный экранированный кабель. |
|
|
Примечание к пп. 32 - 34 Если коаксиальная структура не продолжается, то касательная к окружности направлена в сторону изображения коаксиальной структуры |
|
Примечание. При выполнении схем автоматизированным способом допускается точки ответвления не зачернять.
Таблица 6г
|
Обозначение |
|
|
1. Постоянный ток, основное обозначение. |
|
|
Примечание. Если невозможно использовать основное обозначение, то используют следующее обозначение. |
|
|
2. Полярность постоянного тока: |
|
|
а) положительная |
|
|
б) отрицательная |
|
|
3. m проводная линия постоянного тока напряжением U, например: |
|
|
а) двухпроводная линия постоянного тока напряжением 110 В |
|
|
б) трехпроводная линия постоянного тока, включая средний провод, напряжением 110 В между каждым внешним проводником и средним проводом 220 В - между внешними проводниками |
|
|
4. Переменный ток, основное обозначение. |
|
|
Примечание. Допускается справа от обозначения переменного тока указывать величину частоты, например: |
|
|
переменного тока частотой 10 кГц |
|
|
переменного тока в диапазоне частот от 100 до 600 кГц |
|
|
5. Переменный ток с числом фаз m, частотой f, например, переменный трехфазный ток частотой 50 Гц |
m |
|
|
3 |
|
6. Переменный ток с числом фаз m, частотой f, напряжением U, например: |
m |
|
а) переменный ток, трехфазный, частотой 50 Гц, напряжением 220 В |
3 |
|
б) переменный ток, трехфазный, четырехпроводная линия (три провода, нейтраль) частотой 50 Гц, напряжением 220/380 В |
3N |
|
в) переменный ток, трехфазный, пятипроводная линия (три провода фаз, нейтраль, один провод защитный с заземлением) частотой 50 Гц, напряжением 220/380 В |
3 NPE |
|
г) переменный ток, трехфазный, четырехпроводная линия (три провода фаз, один защитный провод с заземлением, выполняющий функцию нейтрали) частотой 50 Гц, напряжением 220/380 В |
3 PEN |
|
7. Частоты переменного тока (основные обозначения): |
|
|
а) промышленные |
|
|
б) звуковые |
|
|
в) ультразвуковые и радиочастоты |
|
|
г) сверхвысокие |
|
|
8. Постоянный и переменный ток |
|
|
9. Пульсирующий ток |
|
(Измененная редакция, Изм. № 4).
Таблица 6д
|
Обозначение |
|
|
1. Однофазная обмотка с двумя выводами |
|
|
2. Однофазная обмотка с выводом от средней точки |
|
|
3. Две однофазные обмотки, каждая из которых с двумя выводами |
|
|
4. Три однофазные обмотки, каждая из которых с двумя выводами |
|
|
5. m однофазных обмоток, каждая из которых с двумя выводами |
|
|
6. Двухфазная обмотка с раздельными фазами |
|
|
7. Трехфазная обмотка с раздельными фазами |
|
|
8. Многофазная обмотка n с числом раздельных фаз m. |
|
|
Примечание к пп. 6 - 8. Обозначения применяются для обмоток с раздельными фазами, для которых допускаются различные способы внешних соединений |
|
|
9. Двухфазная трехпроводная обмотка |
|
|
10. Двухфазная четырехпроводная обмотка |
|
|
11. Двух-трехфазная обмотка Т-образного соединения (обмотка Скотта) |
|
|
12. Трехфазная обмотка V-образного соединения двух фаз в открытый треугольник. |
|
|
Примечание. Допускается указывать угол, под которым включены обмотки, например, под углом 60° и 120°. |
|
|
13. Трехфазная обмотка, соединенная в звезду |
|
|
14. Трехфазная обмотка, соединенная в звезду, с выведенной нейтралью |
|
|
15. Трехфазная обмотка, соединенная в звезду, с выведенной заземленной нейтралью |
|
|
16. Трехфазная обмотка, соединенная в треугольник |
|
|
17. Трехфазная обмотка, соединенная в разомкнутый треугольник |
|
|
18. Трехфазная обмотка, соединенная в зигзаг |
|
|
19. Трехфазная обмотка, соединенная в зигзаг, с выведенной нейтралью |
|
|
20. Четырехфазная обмотка |
|
|
21. Четырехфазная обмотка с выводом от средней точки |
|
|
22. Шестифазная обмотка, соединенная в звезду |
|
|
23. Шестифазная обмотка, соединенная в звезду, с выводом от средней точки |
|
|
24. Шестифазная обмотка, соединенная в двойную звезду |
|
|
25. Шестифазная обмотка, соединенная в две обратные звезды |
|
|
26. Шестифазная обмотка, соединенная в две обратные звезды, с раздельными выводами от средних точек |
|
|
27. Шестифазная обмотка, соединенная в два треугольника |
|
|
28. Шестифазная обмотка, соединенная в шестиугольник |
|
|
29. Шестифазная обмотка, соединенная в двойной зигзаг |
|
|
30. Шестифазная обмотка, соединенная в двойной зигзаг, с выводом от средней точки |
|
(Измененная редакция).
Таблица 6е
|
Обозначение |
|
|
1. Прямоугольный импульс: |
|
|
а) положительный |
|
|
б) отрицательный |
|
|
2. Трапецеидальный импульс |
|
|
3. Импульс с крутым спадом |
|
|
4. Импульс с крутым фронтом |
|
|
5. Двуполярный импульс |
|
|
6. Остроугольный импульс: |
|
|
а) положительный |
|
|
б) отрицательный |
|
|
7. Остроугольный импульс с экспоненциальным спадом |
|
|
8. Пилообразный импульс: |
|
|
а) с линейным нарастанием |
|
|
б) с линейным спадом |
|
|
9. Гармонический импульс |
|
|
10. Ступенчатый импульс |
|
|
11. Импульс высокой частоты (радиоимпульс) |
|
|
12. Импульс переменного тока |
|
|
13. Искаженный импульс |
|
Примечание. Квалифицирующие символы являются упрощенным воспроизведением форм осциллограмм соответствующих импульсов.
Измененная редакция, (Изм. №4).
Таблица 6ж
|
Обозначение |
|
|
1. Аналоговый сигнал |
|
|
2. Цифровой сигнал |
|
|
3. Положительный перепад уровня сигнала |
|
|
4. Отрицательный перепад уровня сигнала |
|
|
5. Высокий уровень сигнала |
H |
|
6. Низкий уровень сигнала |
L |
Таблица 6з
|
Обозначение |
|
|
1. Амплитудная модуляция |
A |
|
2. Частотная модуляция |
f или F |
|
3. Фазовая модуляция |
|
|
4. Импульсная модуляция: |
|
|
а) фазово-импульсная |
|
|
б) частотно-импульсная |
|
|
в) амплитудно-импульсная |
|
|
г) время-импульсная |
|
|
д) широтно-импульсная |
|
|
е) кодово-импульсная. |
|
|
Примечание. Допускается вместо символа указывать характеристику соответствующего кода, например: |
|
|
двоичного пятиразрядного кода |
|
|
кода три из семи |
|
Таблица 6и
|
Обозначение |
|
|
1. Срабатывание, когда действительное значение выше номинального |
|
|
2. Срабатывание, когда действительное значение ниже номинального |
|
|
3. Срабатывание, когда действительное значение ниже или выше номинального |
|
|
4. Срабатывание, когда действительное значение равно номинальному |
|
|
5. Срабатывание, когда действительное значение равно нулю |
|
|
6. Срабатывание, когда действительное значение приближено к нулю |
|
|
7. Срабатывание при максимальном токе |
|
|
8. Срабатывание при минимальном токе |
|
|
9. Срабатывание при превышении определенного значения тока |
|
|
10. Срабатывание при обратном токе |
|
|
11. Срабатывание при максимальном напряжении |
|
|
12. Срабатывание при минимальном напряжении |
|
|
13. Срабатывание при превышении определенного значения напряжения |
|
|
14. Срабатывание при максимальной температуре |
|
|
15. Срабатывание при минимальной температуре |
|
Таблица 6к
|
Обозначение |
|
|
Вещество (среда): |
|
|
1. Твердое |
|
|
2. Жидкое |
|
|
3. Газовое |
|
|
4. Газовое (защитное) |
|
|
5. Вакуумное |
|
|
6. Полупроводниковое |
|
|
7. Изолирующее |
|
|
8. Электрет. |
|
|
Примечание к пп. 3 - 5. Прямоугольное обрамление допускается не выполнять, если это не приведет к неправильному пониманию схемы |
|
Таблица 6л
|
Обозначение |
|
|
1. Термическое воздействие |
|
|
2. Электромагнитное воздействие |
|
|
3. Электродинамическое воздействие |
|
|
4. Магнитострикционное воздействие |
|
|
5. Магнитное воздействие |
|
|
6. Пьезоэлектрическое воздействие |
|
|
7. Воздействие от сопротивления |
|
|
8. Воздействие от индуктивности |
|
|
9. Электростатическое воздействие, емкостной эффект |
|
|
10. Гальваномагнитный эффект (эффект Холла) |
|
|
11. Воздействие от ультразвука |
|
|
12. Воздействие замедления |
|
|
13. Температурная зависимость |
|
Таблица 6м
|
Обозначение |
|
|
1. Неионизирующее электромагнитное излучение, фотоэлектрический эффект |
|
|
2. Неионизирующее излучение, например когерентный свет |
|
|
|
|
|
4. Световое излучение, оптоэлектрический эффект |
|
|
5. Связь оптическая |
|
|
|
|
|
Примечание. Для указания вида излучения допускается применять следующие буквы: |
|
|
|
|
|
Инфракрасное |
IR |
|
Ультрафиолетовое |
UV |
|
б) для излучений по п. 3: |
|
|
альфа-частицы |
a |
|
бета-частицы |
b |
|
гамма-лучи |
g |
|
кси-частицы |
|
|
лямбда-частицы |
l |
|
мю-мезон |
m |
|
Нейтрино |
n |
|
пи-мезон |
p |
|
сигма-частицы |
å |
|
Дейтрон |
d |
|
k-мезон |
k |
|
нейтрон |
h |
|
протон |
r |
|
тритон |
t |
|
рентгеновские лучи |
Х |
|
электрон |
e |
Таблица 6н
|
Обозначение |
|
|
1. Усиление |
|
|
2. Суммирование |
|
|
3. Сопротивление: |
|
|
а) активное |
|
|
б) реактивное |
|
|
в) полное |
|
|
г) реактивное индуктивное |
|
|
д) реактивное емкостное |
|
|
4. Магнит постоянный. |
|
|
Примечание. При необходимости указания полярности магнита применять для обозначения северного полюса букву N |
|
|
5. Подогреватель |
|
|
6. Идеальный источник тока |
|
|
7. Идеальный источник напряжения |
|
|
8. Идеальный гиратор |
|
(Измененная редакция).
Таблица 6о
|
Обозначение |
|
|
1. Прибор, устройство |
|
|
2. Линия для выделения устройств, функциональных групп, частей схемы. |
|
|
Примечание. При перекрещивании с электрическими соединениями контур прерывают |
|
|
3. Заземление, общее |
|
|
4. Электрическое соединение с корпусом (массой) |
|
|
5. Линия электрической связи, провод, кабель, шина, линия групповой связи. |
|
|
Примечания: |
|
|
1. В случае необходимости для линий групповой связи допускается применять обозначение |
|
|
2. При наличии текста к линии электрической связи, кабелю, шине, линии групповой связи текст помещают: |
|
|
а) над линией |
|
|
б) в разрыве линии |
|
|
в) в начале или в конце линии |
|
|
6. Графическое разветвление (слияние) линий электрической связи в линию групповой связи, разводка жил кабеля или проводов жгута |
|
|
|
|
|
7. Графическое разветвление (слияние) линий групповой связи |
|
|
|
|
|
8. Графический излом линии электрической связи, линии групповой связи, провода, кабеля, шины: |
|
|
а) под углом 90° |
|
|
б) с наклонным участком. |
|
|
Примечания: |
|
|
1. Расстояние между двумя точками излома можно выбрать равным одному интервалу (строке, позиции) печатающего устройства. |
|
|
|
|
|
2. Для выполнения наклонных участков применяется символ «дробная черта» |
|
|
9. Пересечение линий электрической связи, линий групповой связи электрически не соединенных проводов, кабелей, шин, электрически не соединенных. |
|
|
Примечание. На одной схеме применять только одну форму точки пересечения |
|
|
|
|
|
10. Линия электрической связи с ответвлениями: |
|
|
а) с одним |
|
|
|
|
|
б) с двумя. |
|
|
Примечания: |
|
|
1. Расстояние между двумя точками ответвления выбирают равным одному интервалу (строке, позиции) печатающего устройства |
|
|
2. Линию электрической связи с одним ответвлением допускается изображать без выделения точки, если это не приведет к неправильному пониманию схемы |
|
|
11. Группа линий электрической связи, имеющих общее функциональное назначение. |
|
|
Примечания: |
|
|
1. В однолинейном обозначении буква n заменяется числом, указывающим количество линий в группе, например, группа линий электрической связи, состоящая из семи линий |
|
|
2. В однолинейном обозначении для группы линий электрической связи, состоящей из 2 - 4 линий, допускается применять следующие обозначения: |
|
|
а) группа из двух линий |
|
|
б) группа из трех линий |
|
|
в) группа из четырех линий |
|
|
12. Переход группы линий электрической связи (например восьми линий), имеющих общее функциональное назначение, от многолинейного изображения к однолинейному |
|
|
13. Группа линий электрической связи, имеющих общее функциональное назначение, каждая из которых имеет ответвление |
|
|
14. Группа линий электрической связи, осуществляемых n скрученными проводами, например шестью скрученными проводами |
|
|
15. Линия электрической связи, провод, кабель экранированные |
|
|
16. Экранированная линия электрической связи с ответвлением |
|
|
17. Группа из n линий электрической связи, имеющих общее функциональное назначение, каждая из которых экранирована индивидуально |
|
|
18. Группа из n линий электрической связи, имеющих общее функциональное назначение, каждая из которых индивидуально экранирована и имеет ответвления |
|
|
19. Группа линий электрической связи в общем экране, например шесть линий |
|
|
20. Кабель коаксиальный |
|
|
21. Ток постоянный, основное обозначение |
|
|
22. Полярность постоянного тока: |
|
|
а) положительная |
+ |
|
б) отрицательная |
- |
|
23. m-проводная линия постоянного тока напряжением U, например: |
M = U |
|
а) двухпроводная линия постоянного тока напряжением 110 В |
2 = 110 В |
|
б) трехпроводная линия постоянного тока, включая средний провод, напряжением 110 В между каждым внешним проводником и средним проводом, 220 В между внешними проводниками |
2М = 110 / 220 В |
|
24. Ток переменный, основное обозначение. |
¹ |
|
Примечание. Допускается справа от обозначения переменного тока указывать величину частоты, например, ток переменный 10 кГц |
¹ 10 кГц |
|
25. Ток переменный с числом фаз m, частотой f, например, ток переменный трехфазный 50 Гц |
3 ¹ 50 кГц |
|
26. Ток переменный с числом фаз m, частотой f, напряжением U, например: |
|
|
а) ток переменный, трехфазный 50 Гц, 220 В |
3 ¹ 50 Гц 220 В |
|
б) ток переменный, трехфазный, четырехпроводная линия (три провода фаз, нейтраль) 50 Гц, 220/380 В |
3N ¹ 50 Гц 220/380 В |
|
в) ток переменный трехфазный, пятипроводная линия (три провода фаз, нейтраль, один провод защитный с заземлением) 50 Гц, 220/380 В |
3NPE ¹ 50 Гц 220/380 В |
|
г) ток переменный, трехфазный, четырехпроводная линия (три провода фаз, один провод защитный с заземлением, выполняющий функцию нейтрали) 50 Гц, 220/380 В |
3PEN ¹ 50 Гц 220/380 В |
|
27. Ток постоянный и переменный |
|
|
28. Ток пульсирующий |
|
|
29. Аналоговый сигнал |
А |
|
30. Цифровой сигнал |
# или D |
|
31. Высокий уровень сигнала |
H |
|
32. Низкий уровень сигнала |
L |
|
33. Распространение тока, сигнала, информации, потока энергии, основное обозначение: |
|
|
а) в одном направлении |
|
|
б) в обоих направлениях неодновременно |
|
|
в) в обоих направлениях одновременно |
|
|
34. Усиление |
|
|
35. Обрыв линии электрической связи. |
|
|
Примечания: |
|
|
1. Стрелку образуют наложением символов «минус» и «больше» или «минус» и «меньше». |
|
|
2. На месте знака Х помещают информацию о продолжении линии на схеме. |
|
|
3. Допускается упрощенное изображение обрыва линии без указания стрелки |
|
|
|
|
(Измененная редакция).
Таблица 7
|
Обозначение |
|
|
1. Поток электромагнитной энергии, сигнал электрический в одном направлении (например, влево) |
|
|
2 Поток газа (воздуха): |
|
|
а) в одном направлении (например, вправо) |
|
|
б) в обоих направлениях |
|
|
3. Движение прямолинейное: |
|
|
а) одностороннее |
|
|
б) возвратное |
|
|
в) одностороннее с выстоем |
|
|
4. Движение вращательное: |
|
|
а) одностороннее |
|
|
б) одностороннее с выстоем |
|
|
5. Регулирование линейное. Общее обозначение |
|
|
6. Регулирование ручкой, выведенной наружу. |
|
|
Примечание к пп. 3 - 6. Размеры стрелки должны быть в пределах l = 3 ... 5, a = 15° ... 30° |
|
|
7. Линия механической связи в гидравлических и пневматических схемах |
|
|
8. Линия механической связи со ступенчатым движением |
|
|
9. Линия механической связи, имеющей выдержку времени |
|
|
10. Механизм с защелкой, препятствующий передвижению в обе стороны |
|
|
11. Механизм свободного расцепления |
|
|
12. Муфта: |
|
|
а) выключенная |
|
|
б) включенная |
|
|
13. Тормоз |
|
|
14. Исключен (Изм. № 1). |
|
|
15. Толкатель |
|
|
16. Ролик |
|
|
17. Ролик, срабатывающий в одном направлении |
|
|
18. Кулачок |
|
|
19. Линейка (рейка) |
|
|
20. Привод ручной: |
|
|
а) общее обозначение |
|
|
б) приводимый в движение ключом |
|
|
в) приводимый в движение несъемной рукояткой |
|
|
г) приводимый в движение съемной рукояткой |
|
|
д) приводимый в движение маховичком |
|
|
е) приводимый в движение нажатием кнопки |
|
|
ж) приводимый в движение нажатием кнопки с ограниченным доступом |
|
|
з) приводимый в движение рычагом |
|
|
21. Привод ножной |
|
|
22. Другие приводы: |
|
|
а) общее обозначение |
|
|
б) электромагнитный |
|
|
в) пневматический или гидравлический |
|
|
г) электромашинный |
|
|
д) тепловой (двигатель тепловой) |
|
|
е) мембранный |
|
|
ж) поплавковый |
|
|
з) центробежный |
|
|
и) с помощью биметалла |
|
|
к) струйный |
|
|
л) пиропатрон. |
|
|
Примечание к пп. 1 - 20. Все геометрические элементы условных графических обозначений следует выполнять линиями той же толщины, что и линии связей. |
|
Справочное
|
Термин |
Пояснение |
|
Электрическая связь |
Проводящая среда, электрически соединяющая группу точек электрического соединения (электрических контактов) |
|
Линия электрической связи |
Условное графическое обозначение электрической связи, показывающее путь прохождения тока. |
|
|
Примечание. Линия электрической связи не дает информации о проводах (кабелях, шинах), осуществляющих данную электрическую связь |
|
Ответвление линии электрической связи |
Условное изображение электрического узла, в котором происходит сложение и вычитание токов. |
|
|
Примечание. Ответвления линий электрической связи не дают информации о реальных электрических контактах, соединенных данной электрической связью |
|
Линия групповой связи |
Линия, условно изображающая группу линий электрической связи (проводов, кабелей, шин), следующих на схеме в одном направлении |
|
Графическое слияние линий электрической связи (проводов, кабелей, шин) |
Упрощенное изображение нескольких электрически не соединенных линий связи (проводов, кабелей, шин), использующее линию групповой связи |
Справочное
|
Наименование |
Обозначение |
|
Прибор, устройство |
|
|
Баллом электровакуумного и ионного прибора, корпус полупроводникового прибора |
|
|
Заземление, общее обозначение |
|
|
Электрическое соединение с корпусом |
|
|
Эквипотенциальность |
|
|
Группа линий электрической связи, имеющих общее функциональное назначение, осуществляемая многожильным кабелем, например семижильным |
|
|
Коаксиальный кабель |
|
|
Твердое вещество |
|
|
Магнит постоянный |
|
ПРИЛОЖЕНИЯ 1, 2. (Введены дополнительно, Изм. № 2).
ИНФОРМАЦИОННЫЕ ДАННЫЕ
1. РАЗРАБОТАН И ВНЕСЕН Государственным комитетом СССР по стандартам
ИСПОЛНИТЕЛИ
В.Р. Верченко, Ю.И. Степанов, Э.Я. Акопян, Ю.П. Широкий, В.С. Мурашов, Т.Н. Назарова
2. УТВЕРЖДЕН И ВВЕДЕН В ДЕЙСТВИЕ Постановлением Государственного комитета СССР по стандартам от 18.03.74 № 605
3. СООТВЕТСТВУЕТ СТ СЭВ 1984-79, СТ СЭВ 5679-86
4. ВЗАМЕН ГОСТ 2.721-68, ГОСТ 2.783-69, ГОСТ 2.750-68, ГОСТ 2.751-73
5. ССЫЛОЧНЫЕ НОРМАТИВНО-ТЕХНИЧЕСКИЕ ДОКУМЕНТЫ
6. ПЕРЕИЗДАНИЕ (июль 1987 г.) с Изменениями 1, 2, утвержденными в марте 1981 г.; Пост. № 1594 от 26.03.81, апреле 1987 г.; Пост. № 1307 от 20.04.87 (ИУС №6-81, 7-87)
Изменение № 3 ГОСТ 2.721-74 Единая система конструкторской документации. Обозначения условные графические в схемах. Обозначения общего применения
Утверждено и введено в действие Постановлением Комитета стандартизации и метрологии СССР от 15.07.91 № 1254
Дата введения 01.01.92
Изменение № 4 ГОСТ 2.721-74 Единая система конструкторской документации. Обозначения условные графические в схемах. Обозначения общего применения
Принято решением Межгосударственного Совета по стандартизации, метрологии и сертификации (протокол № 4 от 21.10.93)
Дата введения 1994-07-01