
ГОСУДАРСТВЕННЫЕ СТАНДАРТЫ СОЮЗА ССР
ЕДИНАЯ СИСТЕМА КОНСТРУКТОРСКОЙ ДОКУМЕНТАЦИИ
ПРАВИЛА ВЫПОЛНЕНИЯ СХЕМ
ГОСТ 2.702-75
ГОСУДАРСТВЕННЫЙ КОМИТЕТ СССР ПО СТАНДАРТАМ
Москва
ГОСУДАРСТВЕННЫЙ СТАНДАРТ СОЮЗА ССР
|
Единая система конструкторской документации ПРАВИЛА ВЫПОЛНЕНИЯ ЭЛЕКТРИЧЕСКИХ СХЕМ Unified system for design documentation. Rules for presentation of electric schemes |
ГОСТ 2.702-75* (СТ СЭВ 1188-78) Взамен ГОСТ 2.702-69, кроме пп. 3.23 - 3.37, п. 3.61 и приложения 1 |
Постановлением Государственного комитета стандартов Совета Министров СССР от 7 сентября 1975 г. № 2584 срок введения установлен
с 01.07.77
Настоящий стандарт распространяется на электрические схемы изделий всех отраслей промышленности, а также электрические схемы энергетических сооружений и устанавливает правила их выполнения вручную или автоматизированным способом.
Виды и типы схем и общие требования к выполнению их - по ГОСТ 2.701-84.
Обозначения буквенно-цифровые в электрических схемах - по ГОСТ 2.710-81.
Стандарт соответствует СТ СЭВ 1188-78 в части разд. 2 - 4, 6 - 9 (см. справочное приложение).
(Измененная редакция, Изм. № 2).
1.1. На структурной схеме изображают все основные функциональные части изделия (элементы, устройства и функциональные группы) и основные взаимосвязи между ними.
1.2. Функциональные части на схеме изображают в виде прямоугольника или условных графических обозначений.
1.3. Графическое построение схемы должно давать наиболее наглядное представление о последовательности взаимодействия функциональных частей в изделии.
На линиях взаимосвязей рекомендуется стрелками обозначать направление хода процессов, происходящих в изделии.
1.4. На схеме должны быть указаны наименования каждой функциональной части изделия, если для ее обозначения применен прямоугольник.
На схеме допускается указывать тип элемента (устройства) и (или) обозначение документа (основной конструкторский документ, государственный стандарт, технические условия), на основании которого этот элемент (устройство) применен.
При изображении функциональных частей в виде прямоугольников наименования, типы и обозначения рекомендуется вписывать внутрь прямоугольников.
1.5. При большом количестве функциональных частей допускается взамен наименований, типов и обозначений проставлять порядковые номера справа от изображения или над ним, как правило, сверху вниз в направлении слева направо. В этом случае наименования, типы и обозначения указывают в таблице, помещаемой на поле схемы.
1.6. Допускается помещать на схеме поясняющие надписи, диаграммы или таблицы, определяющие последовательность процессов во времени, а также указывать параметры в характерных точках (величины токов, напряжений, формы и величины импульсов, математические зависимости и т.п.).
2.1. На функциональной схеме изображают функциональные части изделия (элементы, устройства и функциональные группы), участвующие в процессе, иллюстрируемой схемой, и связи между этими частями.
2.2. Функциональные части и связи между ними на схеме изображают в виде условных графических обозначений, установленных в стандартах Единой системы конструкторской документации. Отдельные функциональные части допускается изображать в виде прямоугольников.
2.3. Графическое построение схемы должно давать наиболее наглядное представление о последовательности процессов, иллюстрируемых схемой.
2.4. Допускается при выполнении функциональной схемы пользоваться положениями, указанными в пп. 3.6 - 3.15 и 3.24.
2.5. На схеме должны быть указаны:
для каждой функциональной группы - обозначение, присвоенное ей на принципиальной схеме, и (или) ее наименование; если функциональная группа изображена в виде условного графического обозначения, то ее наименование не указывают;
для каждого устройства, изображенного в виде прямоугольника, - позиционное обозначение, присвоенное ему на принципиальной схеме, его наименование и тип и (или) обозначение документа (основной конструкторский документ, государственный стандарт, технические условия), на основании которого это устройство применено;
для каждого устройства, изображенного в виде условного графического обозначения, - позиционное обозначение, присвоенное ему на принципиальной схеме, его тип и (или) обозначение документа;
для каждого элемента - позиционное обозначение, присвоенное ему на принципиальной схеме, и (или) его тип.
Обозначение документа, на основании которого применено устройство, и тип элемента допускается не указывать.
Наименования, типы и обозначения рекомендуется вписывать в прямоугольники.
2.6. На схеме рекомендуется указывать технические характеристики функциональных частей (рядом с графическими обозначениями или на свободном поле схемы).
2.7. На схеме помещают поясняющие надписи, диаграммы или таблицы, определяющие последовательность процессов во времени, а также указывают параметры в характерных точках (величины токов, напряжений, формы и величины импульсов, математические зависимости и т.д.).
3.1. На принципиальной схеме изображают все электрические элементы или устройства, необходимые для осуществления и контроля в изделии заданных электрических процессов, все электрические связи между ними, а также электрические элементы (соединители, зажимы и т.п.), которыми заканчиваются входные и выходные цепи.
(Измененная редакция, Изм. № 2).
3.2. На схеме допускается изображать соединительные и монтажные элементы, устанавливаемые в изделии по конструктивным соображениям.
3.3. Схемы выполняют для изделий, находящихся в отключенном положении.
В технически обоснованных случаях допускается отдельные элементы схемы изображать в выбранном рабочем положении с указанием на поле схемы режима, для которого изображены эти элементы.
3.4. Элементы и устройства, условные графические обозначения которых установлены в стандартах Единой системы конструкторской документации, изображают на схеме в виде этих условных графических обозначений.
(Новая редакция, Изм. № 3).
3.5. Элементы или устройства, используемые в изделии частично, допускается изображать на схеме неполностью, ограничиваясь изображением только используемых частей или элементов.
(Новая редакция, Изм. № 3).
3.6. Элементы и устройства изображают на схемах совмещенным или разнесенным способом.
3.7. При совмещенном способе составные части элементов или устройств изображают на схеме в непосредственной близости друг к другу.
3.8. При разнесенном способе составные части элементов и устройств или отдельные элементы устройств изображают на схеме в разных местах таким образом, чтобы отдельные цепи изделия были изображены наиболее наглядно.
Разнесенным способом допускается изображать все и отдельные элементы или устройства.
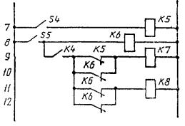
При выполнении схем рекомендуется пользоваться строчным способом. При этом условные графические обозначения элементов или их составных частей, входящих в одну цепь, изображают последовательно друг за другом по прямой, а отдельные цепи - рядом, образуя параллельные (горизонтальные или вертикальные) строки.
При выполнении схемы строчным способом допускается нумеровать строки арабскими цифрами (черт. 1).
Черт. 1
Черт. 1. (Новая редакция, Изм. № 3).
3.9. При изображении элементов или устройств разнесенным способом допускается на свободном поле схемы помещать условные графические обозначения элементов или устройств, выполненные совмещенным способом. При этом элементы или устройства, используемые в изделии частично, изображают полностью с указанием использованных и неиспользованных частей или элементов (например, все контакты многоконтактного реле).
Выводы (контакты) неиспользованных элементов (частей) изображают короче, чем выводы (контакты) использованных элементов (частей) (черт. 2).
Черт. 2
(Новая редакция, Изм. № 3).
3.10. Схемы выполняют в многолинейном или однолинейном изображении.
3.11. При многолинейном изображении каждую цепь изображают отдельной линией, а элементы, содержащиеся в этих цепях, - отдельными условными графическими обозначениями (черт. 3а).
3.12. При однолинейном изображении цепи, выполняющие идентичные функции, изображают одной линией, а одинаковые элементы этих цепей - одним условным графическим обозначением (черт. 3б).
3.13. При необходимости на схеме обозначают электрические цепи. Эти обозначения должны соответствовать требованиям ГОСТ 2.709-89 или другим нормативно-техническим документам, действующим в отраслях.
а - многолинейное изображение; б - однолинейное изображение.
Черт. 3
Черт. 3. (Новая редакция, Изм. № 3).
3.14. При изображении на одной схеме различных функциональных цепей допускается различать их толщиной линии. На одной схеме рекомендуется применять не более трех размеров линий по толщине. При необходимости на поле схемы помещают соответствующие пояснения.
3.15. Для упрощения схемы допускается несколько электрически не связанных линий связки сливать в линию групповой связи, но при подходе к контактам (элементам) каждую линию связи изображают отдельной линией.
При слиянии линий связи каждую линию помечают в месте слияния, а при необходимости, и на обоих концах условными обозначениями (цифрами, буквами или сочетанием букв и цифр) или обозначениями, принятыми для электрических цепей (см. п. 3.13).
Обозначения линий проставляют в соответствии с требованиями, приведенными в ГОСТ 2.751-73.
Линии электрической связи, сливаемые в линию групповой связи, как правило, не должны иметь разветвлений, т.е. всякий условный номер должен встречаться на линии групповой связи два раза. При необходимости разветвлений их количество указывают после порядкового номера линии через дробную черту (черт. 3а).
Черт. 3а
3.16. Каждый элемент и (или) устройство, имеющее самостоятельную принципиальную схему и рассматриваемое как элемент, входящие в изделие и изображенные на схеме, должны иметь обозначение (позиционное обозначение) в соответствии с ГОСТ 2.710-81.
Устройствам, не имеющим самостоятельных принципиальных схем, и функциональным группам рекомендуется присваивать обозначения в соответствии с ГОСТ 2.710-81.
3.15, 3.16. (Измененная редакция, Изм. № 2).
3.18. Порядковые номера элементам (устройствам) следует присваивать, начиная с единицы, в пределах группы элементов (устройств), которым на схеме присвоено одинаковое буквенное позиционное обозначение, например, R1, R2, R3 и т.д., C1, C2, С3 и т.д.
При необходимости допускается изменять последовательность присвоения порядковых номеров в зависимости от размещения элементов в изделии, направления прохождения сигналов или функциональной последовательности процесса.
При внесении изменений в схему последовательность присвоения порядковых номеров может быть нарушена.
3.21. На схеме изделия, в состав которого входят устройства, не имеющие самостоятельных принципиальных схем, допускается позиционные обозначения элементам присваивать в пределах каждого устройства.
Если в состав изделия входит несколько одинаковых устройств, то позиционные обозначения элементам следует присваивать в пределах этих устройств.
Порядковые номера элементам следует присваивать по правилам, установленным в п. 3.18.
Элементам, не входящим в устройства, позиционные обозначения присваивают, начиная с единицы, по правилам, установленным в пп. 3.17 - 3.19.
3.22. На схеме изделия, в состав которого входят функциональные группы, позиционные обозначения элементам присваивают по правилам, установленным в пп. 3.17 - 3.19, при этом вначале присватают позиционные обозначения элементам, не входящим в функциональные группы, и затем элементам, входящим в функциональные группы.
При наличии в изделии нескольких одинаковых функциональных, групп позиционные обозначения элементов, присвоенные в одной из этих групп, следует повторять во всех последующих группах.
Обозначение функциональной группы, присвоенное в соответствии с ГОСТ 2.710-81, указывают около изображения функциональной группы (сверху или справа).
3.23. При изображении на схеме элемента или устройства разнесенным способом позиционное обозначение элемента или устройства проставляют около каждой составной части (черт. 4).
Черт. 4
Если поле схемы разбито на зоны или схема выполнена строчным способом, то справа от позиционного обозначения или под позиционным обозначением каждой составной части элемента или устройства допускается указывать в скобках обозначения зон или номера строк, в которых изображены все остальные составные части этого элемента или устройства (черт. 5).
Черт. 5
3.21 - 3.23. (Измененная редакция, Изм. № 2).
В этом случае позиционные обозначения элементов проставляют у одного или у обоих концов линии механической связи.
3.25. При изображении отдельных элементов устройств в разных местах в состав позиционных обозначений этих элементов должно быть включено позиционное обозначение устройства, в которое они входят, например, = А3-С5 - конденсатор C5, входящий в устройство A3.
3.26. При разнесенном способе изображения функциональной группы (при необходимости и при совмещенном способе) в состав позиционных обозначений элементов, входящих в эту группу, должно быть включено обозначение функциональной группы, например, ¹ Т1-С5 - конденсатор C5, входящий в функциональную группу Т1.
3.27. При однолинейном изображении около одного условного графического обозначения, заменяющего несколько условных графических обозначений одинаковых элементов или устройств, указывают позиционные обозначения всех этих элементов или устройств.
Если одинаковые элементы или устройства находятся не во всех цепях, изображенных однолинейно, то справа от позиционного обозначения или под ним в квадратных скобках указывают обозначения цепей, в которых находятся эти элементы или устройства (см. черт. 3).
3.28. На принципиальной схеме должны быть однозначно определены все элементы и устройства, входящие в состав изделия и изображенные на схеме.
Данные об элементах должны быть записаны в перечень элементов. При этом связь перечня с условными графическими обозначениями элементов должна осуществляться через позиционные обозначения.
Допускается в отдельных случаях, установленных в государственных или отраслевых стандартах, все сведения об элементах помещать около условных графических обозначений.
3.27., 3.28. (Измененная редакция, Изм. № 3).
3.29. - 3.33. (Исключены, Изм. № 2).
3.34. При сложном вхождении, например, когда в устройство, не имеющее самостоятельной принципиальной схемы, входит одно или несколько устройств, имеющих самостоятельные принципиальные схемы, и (или) функциональных групп, или если в функциональную группу входит одно или несколько устройств и т.д., то в перечне элементов в графе «Наименование» перед наименованием устройств, не имеющих самостоятельных принципиальных схем, и функциональных групп допускается проставлять порядковые номера (т.е. подобно обозначению разделов, подразделов и т.д.) в пределах всей схемы изделия (черт. 9а). (см. с. 336). Если на схеме в позиционное обозначение элемента включено позиционное обозначение устройства, или обозначение функциональной группы, то в перечне элементов в графе «Поз. обозначение» указывают позиционное обозначение элемента без позиционного обозначения устройства или обозначения функциональной группы.
(Измененная редакция, Изм. № 2).
3.35. (Исключен, Изм. № 2).
3.36. При указании около условных графических обозначений номиналов резисторов и конденсаторов (черт. 11) допускается применять упрощенный способ обозначения единиц измерений.
для резисторов
от 0 до 999 Ом - без указания единиц измерения,
от 1×103 до 999×103 Ом - в килоомах с обозначением единицы измерения строчной буквой к,
от 1·106 до 999×106 Ом - в мегаомах с обозначением единицы измерения прописной буквой М,
свыше 1×109 Ом - в гигаомах с обозначением единицы измерения прописной буквой Г;
для конденсаторов
от 0 до 9999×12-12 Ф - в пикофарадах без указания единицы измерения,
от 1×10-8 до 9999×10-6 Ф - в микрофарадах с обозначением единицы измерения строчными буквами мк.
3.37. На схеме следует указывать обозначения выводов (контактов) элементов (устройств), нанесенные на изделие или установленные в их документации.
Если в конструкции элемента (устройства) и в его документации обозначения выводов (контактов) не указаны, то допускается условно присваивать им обозначения на схеме, повторяя их в дальнейшем в соответствующих конструкторских документах.
Черт. 9а
* Черт. 6 - 9 исключены.
- При условном присвоении обозначений выводам контактам на поле схемы помещают соответствующее пояснение.
При изображении на схеме нескольких одинаковых элементов (устройств) обозначения выводов (контактов) допускается указывать на одном из них.
Черт. 11*
* Черт. 10 исключен.
При разнесенном способе изображения одинаковых элементов (устройств) обозначения выводов (контактов) указывают на каждой составной части элемента (устройства).
Для отличия на схеме обозначений выводов (контактов) от других обозначений (обозначений цепей и т.п.) допускается записывать обозначения выводов (контактов) с квалифицирующим символом в соответствии с требованиями ГОСТ 2.710-81.
3.38. При изображении элемента или устройства разнесенным способом поясняющую надпись помещают около одной составной части изделия или на поле схемы около изображения элемента или устройства, выполненного совмещенным способом.
(Измененная редакция, Изм. № 3).
3.39. На схеме рекомендуется указывать характеристики входных и выходных цепей изделия (частоту, напряжение, силу тока, сопротивление, индуктивность и т.п.), а также параметры, подлежащие измерению на контрольных контактах, гнездах и т.п.
Если невозможно указать характеристики или параметры входных и выходных цепей изделия, то рекомендуется указывать наименование цепей или контролируемых величин.
3.40. Если изделие заведомо предназначено для работы только в определенном изделии (установке), то на схеме допускается указывать адреса внешних соединений входных и выходных цепей данного изделия. Адрес должен обеспечивать однозначность присоединения, например, если выходной контакт изделия должен быть соединен с пятым контактом третьего соединителя устройства А, то адрес должен быть записан следующим образом: = А - Х3:5.
Допускается указывать адрес в общем виде, если будет обеспечена однозначность присоединения, например, «Прибор А».
3.41. Характеристики входных и выходных цепей изделия, а также адреса их внешних подключений рекомендуется записывать в таблицы, помещаемые взамен условных графических обозначений входных и выходных элементов - соединителей, плат и т.д. (черт. 12).
Черт. 12
Каждой таблице присваивают позиционное обозначение элемента, взамен условного графического обозначения которого она помещена.
Над таблицей допускается указывать условное графическое обозначение контакта - гнезда или штыря.
Таблицы допускается выполнять разнесенным способом.
Порядок расположения контактов в таблице определяется удобством построения схемы.
Допускается помещать таблицы с характеристиками цепей при наличии на схеме условных графических обозначений входных и выходных элементов - соединителей, плат и т.д. (черт. 13).
Черт. 13
Аналогичные таблицы рекомендуется помещать на линиях, изображающих входные и выходные цепи и не заканчивающихся на схеме соединителями, платами и т.д. В этом случае позиционные обозначения таблицам не присваивают.
Примечания:
1. При наличии на схеме нескольких таблиц допускается головку таблицы приводить только в одной из них.
2. При отсутствии характеристик входных и выходных цепей или адресов их внешнего присоединения в таблице не приводят графу с этими данными.
При необходимости допускается вводить в таблицу дополнительные графы.
3. Допускается проставлять в графе «Конт.» несколько последовательных номеров контактов в случае, если они соединены между собой. Номера контактов отделяют друг от друга запятой.
3.42. При изображении на схеме многоконтактных соединителей допускается применять условные графические обозначения, не показывающие отдельные контакты (ГОСТ 2.755-87).
Сведения о соединении контактов соединителей указывают одним из следующих способов:
- около изображения соединителей, на свободном поле схемы или на последующих листах схемы помещают таблицы, в которых указывают адрес соединения [обозначение цепи (черт. 14а) и (или) позиционное обозначение элементов, присоединяемых к данному контакту (черт. 14б)].
При необходимости в таблице указывают характеристики цепей и адреса внешних соединений (черт. 14а).
Если таблицы помещены на поле схемы или на последующих листах, то им присваивают позиционные обозначения соединителей, к которым они составлены.
Черт. 14
В графах таблиц указывают следующие данные:
в графе «Конт.» - номер контакта соединителя. Номера контактов записывают в порядке возрастания;
в графе «Адрес» - обозначение цепи и (или) позиционное обозначение элементов, соединенных с контактами.
в графе «Цепь» - характеристику цепи;
в графе «Адрес внешний» - адрес внешнего соединения;
- соединения с контактами соединителя изображают разнесенным способом (черт. 15).
Черт. 15
Черт. 15. (Новая редакция, Изм. № 3).
Примечания:
1. Точки, соединенные штриховой линией с соединителем, обозначают соединения с соответствующими контактами этого соединителя.
2. При необходимости характеристики цепей помещают на свободном поле схемы над продолжением линий связи.
(Измененная редакция, Изм. № 3).
3.38. - 3.42. (Измененная редакция, Изм. № 2).
3.43. При изображении на схеме элементов, параметры которых подбирают при регулировании, около позиционных обозначений этих элементов на схеме и в перечне элементов проставляют звездочки (например R1*), а на поле схемы помещают сноску: «* Подбирают при регулировании».
В перечень должны быть записаны элементы, параметры которых наиболее близки к расчетным.
Допускаемые при подборе предельные значения параметров элементов указывают в перечне в графе «Примечание».
Если подбираемый при регулировании параметр обеспечивается элементами различных типов, то эти элементы перечисляют в технических требованиях на поле схемы, а в графах перечня элементов указывают следующие данные:
в графе «Наименование» - наименование элемента и параметр наиболее близкий к расчетному;
в графе «Примечание» - ссылку на соответствующий пункт технических требований и допускаемые при подборе предельные значения параметров.
3.44., 3.45. (Исключены, Изм. № 2).
3.46. Если параллельное или последовательное соединение осуществлено для получения определенного значения параметра (емкости или сопротивления определенной величины), то в перечне элементов в графе «Примечания» указывают общий (суммарный) параметр элементов (например R = 151 кОм).
3.47. (Исключен, Изм. № 2).
3.48. При изображении устройства (или устройств) в виде прямоугольника допускается в прямоугольнике взамен условных графических обозначений входных и выходных элементов помещать таблицы с характеристиками входных и выходных цепей (черт. 18), а вне прямоугольника допускается помещать таблицы с указанием адресов внешних присоединений (черт. 19).
При необходимости допускается вводить в таблицы дополнительные графы.
Черт. 18*
Черт. 19
* Черт. 16, 17 исключены.
Каждой таблице присваивают позиционное обозначение элемента, взамен условного графического обозначения которого она помещена.
В таблице взамен слова «Конт.» допускается помещать условное графическое обозначение контакта соединителя (см. черт. 19);
- на схеме изделия в прямоугольники, изображающие устройства, допускается помещать структурные или функциональные схемы устройств, либо полностью или частично повторять их принципиальные схемы.
Элементы этих устройств в перечень элементов не записывают.
Если в изделие входит несколько одинаковых устройств, то схему устройства рекомендуется помещать на свободном поле схемы изделия (а не в прямоугольнике) с соответствующей надписью, например: «Схема блоков А1 - А4».
(Измененная редакция, Изм. № 2).
3.49. - 3.51. (Исключены, Изм. № 2).
3.52. На поле схемы допускается помещать указания о марках, сечениях и расцветках проводов и кабелей (многожильных проводов, электрических шнуров), которыми должны быть выполнены соединения элементов, а также указания о специфических требованиях к электрическому монтажу данного изделия.
(Измененная редакция, Изм. № 2).
4.1. На схеме соединений должны быть изображены все устройства и элементы, входящие в состав изделия, их входные и выходные элементы (соединители, платы, зажимы и т.п.), а также соединения между этими устройствами и элементами.
4.2. Устройства и элементы на схеме изображают:
устройства - в виде прямоугольников или упрощенных внешних очертаний;
элементы - в виде условных графических обозначений, прямоугольников или упрощенных внешних очертаний.
При изображении элементов в виде прямоугольников или упрощенных внешних очертаний допускается внутри их помещать условные графические обозначения элементов.
Входные и выходные элементы изображают в виде условных графических обозначений.
Допускается входные и выходные элементы изображать по правилам, установленным в пп. 3.41, 3.42 и 3.48.
4.1., 4.2. (Измененная редакция, Изм, № 2).
4.3. Расположение графических обозначений устройств и элементов на схеме должно примерно соответствовать действительному размещению элементов и устройств в изделии.
Расположение изображений входных и выходных элементов или выводов внутри графических обозначений и устройств или элементов должно примерно соответствовать их действительному размещению в устройстве или элементе.
Допускается на схеме не отражать расположение устройств и элементов в изделии, если схему выполняют на нескольких листах или размещение устройств и элементов на месте эксплуатации неизвестно.
4.4. Элементы, используемые в изделии частично, допускается изображать на схеме неполностью, ограничиваясь изображением только используемых частей.
4.5. На схеме около графических обозначений устройств и элементов указывают позиционные обозначения, присвоенные им на принципиальной схеме.
Около или внутри графического обозначения устройства допускается указывать его наименование и тип и (или) обозначение документа, на основании которого устройство применено.
(Измененная редакция, Изм. № 2).
4.6. (Исключен, Изм. № 2).
4.7. На схеме следует указывать обозначения выводов (контактов) элементов (устройств), нанесенные на изделие или установленные в их документации.
Если в конструкции устройства или элемента и в его документации обозначения входных и выходных элементов (выводов) не указаны, то допускается условно присваивать им обозначения на схеме, повторяя их в дальнейшем в соответствующих конструкторских документах.
При условном присвоении обозначений входным и выходным элементам (выводам) на поле схемы помещают соответствующее пояснение.
При изображении на схеме нескольких одинаковых устройств обозначения выводов допускается указывать на одном из них (например, цоколевку электровакуумных приборов).
4.8. Устройства и элементы с одинаковыми внешними подключениями допускается изображать на схеме с указанием подключения только для одного устройства или элемента.
4.9. Устройства, имеющие самостоятельные схемы подключения, допускается изображать на схеме изделия без показа присоединения проводов и жил кабелей (многожильных проводов, электрических шнуров) к входным и выходным элементам.
4.10. При изображении на схеме соединителей допускается применять условные графические обозначения, не показывающие отдельные контакты (ГОСТ 2.755-87).
В этом случае около изображения соединителя, на поле схемы или на последующих листах схемы помещают таблицы с указанием подключения контактов (черт. 20).
При размещении таблиц на поле схемы или на последующих, листах им присваивают позиционные обозначения соединителей, в дополнение к которым они составлены.
Черт. 20
Черт. 20. (Новая редакция, Изм. № 3).
Допускается в таблицу вводить дополнительные графы (например, данные провода).
Если жгут (кабель - многожильный провод, электрический шнур, группа проводов) соединяет одноименные контакты соединителей, то допускается таблицу помещать около одного конца изображения жгута (кабеля - многожильного провода, электрического шнура, группы проводов).
Если сведения о подключении контактов приведены в таблице соединений, то таблицы с указанием подключения контактов на схеме допускается не помещать.
(Измененная редакция, Изм. № 3).
4.11. На схеме изделия внутри прямоугольников или упрощенных внешних очертаний, изображающих устройства, допускается изображать их структурные, функциональные или принципиальные схемы.
4.12. При отсутствии принципиальной схемы изделия на схеме соединений присваивают позиционные обозначения устройствам, а также элементам, не вошедшим в принципиальные схемы составных частей изделия, по правилам, установленным в пп. 3.16 - 3.20, и записывают их в перечень элементов.
4.9. - 4.12. (Измененная редакция, Изм. № 2).
4.13. На схеме соединений изделия допускается показывать внешние подключения изделия по правилам, установленным в пп. 5.8, 5.9.
4.14. Провода, группы проводов, жгуты и кабели (многожильные провода, электрические шнуры) должны быть показаны на схеме отдельными линиями. Толщина линий, изображающих провода, жгуты и кабели (многожильные провода электрические шпуры) на схемах, должна быть от 0,4 до 1 мм.
Для упрощения начертания схемы допускается сливать отдельные провода или кабели (многожильные провода, электрические шнуры), идущие на схеме в одном направлении, в общую линию.
При подходе к контактам каждый провод и жилу кабеля (многожильного провода, электрического шнура) изображают отдельной линией.
Допускается линии, изображающие провода, группы проводов, жгуты и кабели (многожильные провода, электрические шнуры), не проводить или обрывать их около мест присоединения, если их изображение затрудняет чтение схемы.
В этих случаях на схеме около мест присоединения (черт. 21) или в таблице на свободном поле схемы (черт. 22) помещают сведения в объеме, достаточном для обеспечения однозначного соединения.

Черт. 21
Черт. 22
Черт. 22. (Новая редакция, Изм. № 3).
4.15. На схеме изделия, в состав которого входят многоконтактные элементы, линии, изображающие жгуты (кабели - многожильные провода, электрические шнуры, группы проводов), допускается доводить только до контура графического обозначения элемента, не показывая присоединения к контактам.
Указания о присоединении проводов или жил кабеля (многожильного провода, электрического шнура) к контактам приводят в этом случае одним из следующих способов;
у контактов показывают концы линий, изображающих провода или жилы кабеля (многожильного провода, электрического шнура), и указывают их обозначения. Концы линий направляют в сторону соответствующего жгута, кабеля (многожильного провода, электрического шнура), группы проводов (черт. 23);
у изображения многоконтактного элемента помещают таблицу с указанием подключения контактов. Таблицу соединяют линией-выноской с соответствующим жгутом, кабелем, (многожильным проводом, электрическим шнуром) группой проводов (черт. 24).
Черт. 23
Черт. 24
а - линия, изображающая провод (группу проводов, жгут, кабель - многожильный провод, электрический шнур)
Черт. 25
Проходные изоляторы, гермовводы, сальники изображают в виде условных графических обозначений, приведенных на черт. 25.
4.14 - 4.16. (Измененная редакция, Изм. № 2).
4.17. На схеме следует указывать обозначения вводных элементов, нанесенные на изделие.
Если обозначения вводных элементов не указаны в конструкции изделия, то допускается условно присваивать им обозначения на схеме соединений, повторяя их в соответствующей конструкторской документации. При этом на поле схемы помещают необходимые пояснения.
Провода, жгуты, кабели (многожильные провода, электрические шнуры) следует нумеровать отдельно. При этом провода, входящие в жгут, нумеруют в пределах жгута, а жилы кабеля (многожильного провода, электрического шнура) - в пределах кабеля (многожильного провода, электрического шнура).
Примечания:
1. Допускается сквозная нумерация всех проводов и жил кабелей (многожильных проводов, электрических шнуров) в пределах изделия.
2. Допускается сквозная нумерация отдельных проводов, жгутов и кабелей (многожильных проводов, электрических шнуров) в пределах изделия. При этом провода, входящие в жгут, нумеруют в пределах жгута, а жилы кабеля (многожильного провода, электрического шнура) - в пределах кабеля (многожильного провода, электрического шнура).
3. Допускается не обозначать жгуты, кабели (многожильные провода, электрические шнуры) и отдельные провода, если изделие, на которое составляют схему, войдет в комплекс и обозначения жгутам, кабелям (многожильным проводам, электрическим шнурам) и проводам будут присвоены в пределах всего комплекса.
4. Допускается присваивать обозначения группам проводов.
4.19. Если на принципиальной схеме электрическим цепям присвоены обозначения в соответствии с ГОСТ 2.709-89, то всем одножильным проводам, жилам кабелей (многожильных проводов, электрических шнуров) и проводам жгутов присваивают те же обозначения. При этом жгуты и кабели (многожильные провода, электрические шнуры) обозначают в соответствии с требованиями п. 4.18.
(Измененная редакция, Изм. № 3).
Буквенное (буквенно-цифровое) обозначение проставляют перед обозначением каждого провода, жгута, кабеля (многожильного провода, электрического шнура), отделяя его знаком дефиса. В этом случае буквенное (буквенно-цифровое) обозначение входит в состав обозначения каждого провода, жгута и кабеля (многожильного провода, электрического шнура).
Дефис в обозначении допускается не проставлять, если это не внесет неясность в чтение схемы.
Если все провода, жгуты, кабели (многожильные провода, электрические шнуры), изображенные на схеме, принадлежат к одному комплексу, помещению или функциональной цепи, то буквенное (буквенно-цифровое) обозначение не проставляют, а на поле схемы помещают соответствующее пояснение.
4.21. Номера проводов и жил кабелей (многожильных проводов, электрических шнуров) на схеме проставляют, как правило, около обоих концов изображений.
Номера кабелей (многожильных проводов, электрических шнуров) проставляют в окружностях, помещенных в разрывах изображений кабелей (многожильных проводов, электрических шнуров) вблизи от мест разветвления жил.
Номера жгутов проставляют на полках линий-выносок около мест разветвления проводов.
Номера групп проводов проставляют около линий-выносок.
Примечания:
1. При обозначении кабелей (многожильных проводов, электрических шнуров) в соответствии с требованиями п. 4.20, а также при большом количестве кабелей (многожильных проводов, электрических шнуров), идущих на схеме в одном направлении, допускается номера кабелей (многожильных проводов, электрических шнуров) проставлять в разрыве линии без окружности.
2. При изображении на схеме проводов, жгутов и кабелей (многожильных проводов, электрических шнуров) большой длины номера проставляют через промежутки, определяемые удобством пользования схемой.
4.22. На схеме должны быть указаны:
для одножильных проводов - марка, сечение и, при необходимости, расцветка;
для кабелей (многожильных проводов, электрических шнуров), записываемых в спецификацию как материал, - марка, количество и сечение жил и, при необходимости, количество занятых жил. Количество занятых жил указывают в прямоугольнике, помещаемом справа от обозначения данных кабеля (многожильного провода, электрического шнура);
для жгутов, кабелей и проводов, изготовляемых по чертежам, - обозначение основного конструкторского документа.
На схеме приводят характеристики входных и выходных цепей устройств и элементов или другие исходные данные, необходимые для выбора конкретных проводов и кабелей (многожильных проводов, электрических шнуров), если при разработке схемы комплекса данные о проводах и кабелях (многожильных проводах, электрических шнурах) не могут быть определены.
Характеристики входных и выходных цепей рекомендуется указывать в виде таблиц (п. 3.41), помещаемых взамен условных графических обозначений входных и выходных элементов.
4.23. Данные (марку, сечение и др.) о проводах и кабелях (многожильных проводах, электрических шнурах) указывают около линий, изображающих провода и кабели (многожильные провода, электрические шнуры).
В этом случае допускается обозначения проводам и кабелям (многожильным проводам, электрическим шнурам) не присваивать.
При указании данных о проводах и кабелях (многожильных проводах, электрических шнурах) в виде условных обозначений эти обозначения расшифровывают на поле схемы.
Одинаковые марку, сечение и другие данные о всех или большинстве проводов и кабелей (многожильных проводов, электрических шнуров) допускается указывать на поле схемы.
4.24. Если на схеме не указаны места присоединений (например, не показаны отдельные контакты в изображении соединителей) или затруднено отыскание мест присоединения проводов и жил кабеля (многожильного провода, электрического шнура), то данные о проводах, жгутах и кабелях (многожильных проводов, электрических шнуров) и адреса их соединений сводят в таблицу, именуемую «Таблицей соединений».
Таблицу соединений следует помещать на первом листе схемы или выполнять в виде самостоятельного документа.
Таблицу соединений, помещаемую на первом листе схемы, располагают, как правило, над основной надписью. Расстояние между таблицей и основной надписью должно быть не менее 12 мм.
Продолжение таблицы соединений помещают слева от основной надписи, повторяя головку таблицы.
Таблицу соединений в виде самостоятельного документа выполняют на формате А4. Основную надпись и дополнительные графы к ней выполняют по ГОСТ 2.104-68 (форма 2 и 2а).
4.25. Форму таблицы соединений выбирает разработчик схемы в зависимости от сведений, которые необходимо поместить на схеме (черт. 26).
В графах таблиц указывают следующие данные:
в графе «Обозначение провода» - обозначение одножильного провода, жилы кабеля (многожильного провода, электрического, шнура) или провода жгута;
в графах «Откуда идет», «Куда поступает» - условные буквенно-цифровые обозначения соединяемых элементов или устройств;
в графе «Соединения» - условные буквенно-цифровые обозначения соединяемых элементов или устройств, разделяя их запятой;
в графе «Данные провода»:
для одножильного провода - марку, сечение и, при необходимости, расцветку в соответствии с документом, на основании которого его применяют;
для кабеля (многожильного провода, электрического шнура), записываемого в спецификацию как материал, - марку, сечение и количество жил в соответствии с документом, на основании которого применяют кабель (многожильный провод, электрический шнур);
в графе «Примечание» - дополнительные уточняющие данные.
Примечания:
1. Размеры граф рекомендуемые.
2. Допускается графы делить на подграфы.
4.26. При заполнении таблицы соединений следует придерживаться следующего порядка:
при выполнении соединений отдельными проводами в таблицу записывают провода в порядке возрастания номеров, присвоенных им;
Черт. 26
при выполнении соединений проводами жгутов или жилами кабелей (многожильных проводов, электрических шнуров) перед записью проводов каждого жгута или жил каждого кабеля (многожильного провода, электрического шнура) помещают заголовок, например: «Жгут 1» или «Жгут АБВГ.ХХХХХХ.032»; «Кабель 3» или «Кабель АБВГ.ХХХХХХ.042»; «Провод 5». Провода жгута или жилы кабеля (многожильного провода, электрического шнура) записывают в порядке возрастания номеров, присвоенных проводам или жилам;
при выполнении соединений отдельными проводами, жгутами проводов и кабелями (многожильные провода, электрические шнуры) в таблицу соединений вначале записывают отдельные провода (без заголовка), а затем (с соответствующими заголовками) жгуты проводов и кабели (многожильные провода, электрические шнуры);
если на отдельные провода должны быть надеты изоляционные трубки, экранирующие оплетки и т.п., то в графе «Примечание» помещают соответствующие указания. Допускается эти указания помещать на поле схемы.
Примечание. При применении схемы соединения только для электромонтажа допускается другой порядок записи, если он установлен в отраслевых стандартах.
4.27. На схеме соединений около обоих концов линий, изображающих отдельные провода, провода жгутов и жилы кабелей (многожильных проводов, электрических шнуров) допускается указывать адрес соединений. В этом случае таблицу соединений не составляют. Обозначения проводам допускается не присваивать.
величины минимально допустимых расстояний между проводами, жгутами и кабелями (многожильными проводами, электрическими шнурами); данные о специфичности прокладки и защиты проводов, жгутов и кабелей (многожильных проводов, электрических шнуров) и т.п.
4.18. - 4.28. (Измененная редакция, Изм. № 2).
5.1. На схеме подключения должны быть изображены изделие, его входные и выходные элементы (соединители, зажимы и т.п.) и подводимые к ним концы проводов и кабелей (многожильных проводов, электрических шнуров) внешнего монтажа, около которых помещают данные о подключении изделия [характеристики внешних цепей и (или) адреса].
5.2. Изделие на схеме изображают в виде прямоугольника, а его входные и выходные элементы - в виде условных графических обозначений.
Допускается изображать изделие в виде упрощенных внешних очертаний. Входные и выходные элементы изображают в этом случае в виде упрощенных внешних очертаний.
5.1, 5.2. (Измененная редакция, Изм. № 2).
5.3. Размещение изображений входных и выходных элементов внутри графического обозначения изделия должно примерно соответствовать их действительному размещению в изделии.
5.4. На схеме должны быть указаны позиционные обозначения входных и выходных элементов, присвоенные им на принципиальной схеме изделия.
5.5. Вводные элементы (например, сальники, гермовводы, проходные изоляторы), через которые проходят провода или кабели (многожильные провода, электрические шнуры), изображают на схеме по правилам, установленным в п. 4.16.
(Измененная редакция, Изм. № 2).
5.6. На схеме следует указывать обозначения входных, выходных или выводных элементов, нанесенные на изделие.
Если обозначения входных, выходных и выводных элементов в конструкции изделия не указаны, то допускается условно присваивать им обозначения на схеме, повторяя их в соответствующей конструкторской документации. При этом на поле схемы помещают необходимые пояснения.
5.7. На схеме около условных графических обозначений соединителей, к которым присоединены провода и кабели (многожильные провода, электрические шнуры), допускается указывать наименования этих соединителей и (или) обозначения документов, на основании которых они применены.
При указании марок, сечений и расцветки проводов в виде условных обозначений на поле схемы расшифровывают эти обозначения.
5.7. - 5.9. (Измененная редакция, Изм. № 2).
6.1. На общей схеме изображают устройства и элементы, входящие в комплекс, а также провода, жгуты и кабели (многожильные провода, электрические шнуры), соединяющие эти устройства и элементы.
6.2. Устройства и элементы на схеме изображают в виде прямоугольников. Допускается элементы изображать в виде условных графических обозначений или упрощенных внешних очертаний, а устройства - в виде упрощенных внешних очертаний.
Расположение графических обозначений, устройств и элементов на схеме должно примерно соответствовать действительному размещению, элементов и устройств в изделии.
Допускается на схеме не отражать расположение устройств и элементов в изделии, если размещение их на месте эксплуатации неизвестно.
В этих случаях графические обозначения устройств и элементов должны быть расположены так, чтобы обеспечивалась простота и наглядность показа электрических соединений между ними.
6.1, 6.2. (Измененная редакция, Изм. № 2).
6.3. На графических обозначениях устройств и элементов входные, выходные и вводные элементы изображают по правилам, установленным в пп. 4.10, 4.16.
Расположение условных графических обозначений входных, выходных и вводных элементов внутри изображений устройств и элементов должно примерно соответствовать их действительному размещению в изделии. Если для обеспечения наглядности показа соединений расположение графических обозначений этих элементов не соответствует их действительному размещению в изделии, то на поле схемы должно быть помещено соответствующее пояснение.
6.4. На схеме должны быть указаны:
для каждого устройства или элемента, изображенных в виде прямоугольника или упрощенного внешнего очертания, - их наименование и тип и (или) обозначение документа, на основании которого они применены;
для каждого элемента, изображенного в виде условного графического обозначения, - его тип и (или) обозначение документа.
При большом количестве устройств и элементов рекомендуется эти сведения записывать в перечень элементов.
В этом случае около графических обозначений устройств и элементов проставляют позиционные обозначения.
(Измененная редакция, Изм. № 2).
6.5. Устройства и элементы, сгруппированные в посты и (или) помещения, рекомендуется записывать в перечень по постам и (или) помещениям.
6.6. На схеме следует указывать обозначения входных, выходных и вводных элементов, нанесенные на изделие.
Если обозначения входных, выходных и вводных элементов в конструкции изделия не указаны, то допускается этим элементам условно присваивать обозначения на схеме, повторяя их в соответствующей конструкторской документации. При этом на поле схемы помещают необходимые пояснения.
6.7. На схеме допускается указывать обозначения документов соединителей на полках линий-выносок, а также число контактов соединителей, используя при этом их следующее условное графическое обозначение (черт. 27).
Черт. 27
(Новая редакция, Изм. № 3).
6.8. Провода, жгуты и кабели (многожильные провода, электрические шнуры) должны быть показаны на схеме отдельными линиями и обозначены отдельно порядковыми номерами в пределах изделия.
Допускается сквозная нумерация проводов, жгутов и кабелей (многожильных проводов, электрических шнуров) в пределах изделия, если провода, входящие в жгуты, пронумерованы в пределах каждого жгута.
Если на принципиальной схеме электрическим цепям присвоены обозначения в соответствии с ГОСТ 2.709-72, то всем одножильным проводам, жилам кабелей (многожильных проводов, электрических шнуров) и проводам жгутов присваивают те же обозначения.
Принадлежность одножильного провода, жгута, кабеля (многожильного провода, электрического шпура) к определенному комплексу определяют при помощи буквенного (буквенно-цифрового) обозначения, проставляемого перед номером каждого одножильного провода, жгута и кабеля (многожильного провода, электрического шнура) к отделяемого знаком дефис.
6.10. Допускается на схеме при помощи буквенного (буквенно-цифрового) обозначения определять принадлежность провода, жгута или кабеля (многожильного провода, электрического шнура) к определенным помещениям или функциональным цепям по правилам, установленным в п. 4.20.
6.11. Номера одножильных проводов на схеме проставляют около концов изображений; номера одножильных коротких проводов, которые отчетливо видны на схеме, допускается помещать около середины изображений.
6.12. Номера кабелей (многожильных проводов, электрических шнуров) проставляются в окружностях, помещаемых в разрывах изображений кабелей (многожильных проводов, электрических шнуров).
Примечание. При обозначении кабелей (многожильных проводов, электрических шнуров) в соответствии с требованиями пп. 6.9, 6.10, обозначения в окружность не вписывают.
6.7 - 6.12. (Измененная редакция, Изм. № 2).
6.13. Номера жгутов проставляют на полках линий-выносок.
6.14. На схеме около изображения одножильных проводов, жгутов и кабелей (многожильных проводов, электрических шнуров) указывают следующие данные:
для одножильных проводов - марку, сечение и, при необходимости, расцветку;
для кабелей (многожильных проводов, электрических шнуров), записываемых в спецификацию как материал, - марку, количество и сечение жил;
для проводов, кабелей и жгутов, изготовленных по чертежам, - обозначение основного конструкторского документа.
Если при разработке схемы данные о проводах и кабелях (многожильных проводах, электрических шнурах), прокладываемых при монтаже, не могут быть определены, то на схеме приводят соответствующие пояснения с указанием исходных данных, необходимых для выбора конкретных проводов и кабелей (многожильных проводов, электрических шнуров).
При большом количестве соединений рекомендуется указанные сведения записывать в перечень проводов, жгутов и кабелей (многожильных проводов, электрических шнуров).
6.15. Перечень проводов, жгутов и кабелей (многожильных проводов, электрических шнуров) (черт. 28) помещают на первом листе схемы, как правило, над основной надписью или выполняют в виде последующих листов.
Черт. 28
В графах перечня указывают следующие данные:
в графе «Обозначение» - обозначение основного конструкторского документа провода, кабеля (многожильного провода, электрического шнура), жгута, изготовленных по чертежам;
в графе «Примечание» - кабели (многожильные провода, электрические шнуры), поставляемые с комплексом или прокладываемые при его монтаже;
кабели (многожильные провода, электрические шнуры), прокладываемые при монтаже, допускается в перечень не вносить.
6.14, 6.15. (Измененная редакция, Изм. № 2).
6.16. Общую схему по возможности следует выполнять на одном листе. Если схема из-за сложности изделия не может быть выполнена на одном листе, то:
на первом листе вычерчивают изделие в целом, изображая посты и (или) помещения условными очертаниями и показывая связи между постами и (или) помещениями.
Внутри условных очертаний постов и (или) помещений изображают только те устройства и элементы, к которым подводят провода и кабеля (многожильные провода, электрические шнуры), соединяющие посты и (или) помещения.
На других листах полностью вычерчивают схемы отдельных постов и (или) помещений или групп постов и (или) помещений;
общую схему каждого комплекса выполняют на отдельном листе, если в состав изделия входит несколько комплексов.
(Измененная редакция, Изм. № 2).
7.1. На схеме расположения изображают составные части изделия, а при необходимости - связи между ними, конструкцию, помещение или местность, на которых эти составные части будут расположены.
7.2. Составные части изделия изображают в виде упрощенных внешних очертаний или условных графических обозначений.
7.3. Провода, группы проводов, жгуты и кабели (многожильные провода, электрические шнуры) изображают в виде отдельных линий или упрощенных внешних очертаний.
7.2, 7.3. (Измененная редакция, Изм. № 2).
7.4. Расположение графических обозначений составных частей изделия на схеме должно обеспечивать правильное представление об их действительном размещении в конструкции, помещении, на местности.
7.5. При выполнении схемы расположения допускается применять различные способы построения (аксонометрия, план, условная развертка, разрез конструкции и т.п.).
7.6. На схеме должны быть указаны:
для каждого устройства или элемента, изображенных в виде упрощенного внешнего очертания, - их наименование и тип и (или) обозначение документа, на основании которого они применены;
для каждого элемента, изображенного в виде условного графического обозначения, - его тип и (или) обозначение документа.
При большом количестве устройств и элементов рекомендуется эти сведения записывать в перечень элементов.
В этом случае около графических обозначений устройств и элементов проставляют позиционные обозначения.
(Измененная редакция, Изм. № 2).
Разд. 8. (Исключен, Изм. № 2).
Справочное
Информационные данные о соответствии ГОСТ 2.702-75 СТ СЭВ 1188-78
|
Номер раздела ГОСТ 2.702-75 |
Номер раздела СТ СЭВ 1188-78 |
Номер раздела ГОСТ 2.702-75 |
Номер раздела СТ СЭВ 1188-78 |
|
2 |
8 |
||
|
3 |
7 |
||
|
4 |
9 |
||
|
6 |
|
|
(Введено дополнительно, Изм. № 2).
СОДЕРЖАНИЕ