Нормативные документы размещены исключительно с целью ознакомления учащихся ВУЗов, техникумов и училищ.
Объявления:

МИНИСТЕРСТВО ТРАНСПОРТНОГО СТРОИТЕЛЬСТВА

МИНИСТЕРСТВО ПУТЕЙ СООБЩЕНИЯ

ИНСТРУКЦИЯ
ПО УСТРОЙСТВУ
ВЕРХНЕГО СТРОЕНИЯ
ЖЕЛЕЗНОДОРОЖНОГО ПУТИ

ВСН 94-77

Минтрансстрой

Утверждена Министерством транспортного строительства
и Министерством путей сообщения
27 октября 1977 г. №
M-1274/A-33619

МОСКВА 1978

Настоящая инструкция содержит нормативы и технические требования по сооружению верхнего строения железнодорожного пути колеи 1520 мм.

В Инструкции приведены технические условия и нормы устройства верхнего строения пути и описание его конструкции, в том числе при сооружении второго пути и пути с железобетонными шпалами, а также данные по новым типам скреплений, шпал, стрелочных переводов и новым поперечным профилям балластной призмы.

При разработке использованы материалы научных исследований, ГОСТы, нормативные материалы МПС и чертежи новых конструкций верхнего строения пути, разработанные Проектно-технологическо-конструкторским бюро ЦП МПС.

Инструкция разработана в отделении земляного полотна и верхнего строения пути Всесоюзного научно-исследовательского института транспортного строительства (ЦНИИС) кандидатами техн. наук Н.И. Лебедевым, В.Г. Лыковым, В.Г. Максимовым, А.Н. Сессаревским (руководитель работы), Л.Н. Терехиным, Б.И. Цвелодубом, Ф.А. Якушкиным, инженерами Б.В. Гашковым, Е.И. Камышевой, А.Р. Костюковичем, Н.В. Степановым, И.Д. Уланцевым, Т.Н. Федоровой.

Зам. директора Всесоюзного

научно-исследовательского института

транспортного строительства                                                                   Н.Б. СОКОЛОВ

Министерство транспортного строительства (Минтрансстрой)

Министерство путей сообщения (МПС)

Ведомственные строительные нормы

ВСН 94-77

Минтрансстрой

Инструкция по устройству верхнего строения железнодорожного пути

Взамен «Технических указаний по устройству и укладке верхнего строения железнодорожного пути» (ВСН 94-63) и «Технических указаний по сооружению железнодорожного пути с железобетонными шпалами» (ВСН 135-66)

1. ОБЩИЕ ПОЛОЖЕНИЯ

1.1. Настоящая Инструкция обязательна для всех организаций, выполняющих работы по сооружению верхнего строения железнодорожного пути колеи 1520 мм, при строительстве новых железнодорожных линий, вторых путей и внешних подъездных путей, а также при развитии станций и узлов.

1.2. Инструкция устанавливает нормативы и требования к устройству главных и станционных путей, стрелочных переводов и глухих пересечений, пути на мостах, в тоннелях и на переездах на вновь сооружаемых дорогах, вторых и подъездных путях.

1.3. Инструкция регламентирует нормы и правила сооружения звеньевого железнодорожного пути для движения поездов со скоростью: пассажирских - до 160 км/ч, рефрижераторных - до 120 км/ч и грузовых - до 100 км/ч.

Для сооружения пути на участках, где будут реализовываться более высокие скорости, устанавливаются дополнительные требования.

1.4. Верхнее строение пути должно укладываться по утвержденным проектам и соответствовать требованиям «Правил технической эксплуатации железных дорог Союза ССР», СНиПов, ГОСТов и настоящей Инструкции. Отступления от проекта, обоснованные необходимыми данными, допускаются лишь с разрешения органов, утверждающих проекты и конструкции.

Внесены Всесоюзным научно-исследовательским институтом транспортного строительства

Утверждены приказом

Минтрансстроя и МПС

от 27 октября 1977 г.

Срок введения в действие -
1 июня 1978 г.

1.5. Материалы верхнего строения, укладываемые в путь (рельсы, стрелочные переводы, скрепления, шпалы, брусья, балласт и т.д.) должны удовлетворять требованиям стандартов или утвержденных технических условий на эти материалы и соответствовать утвержденным чертежам.

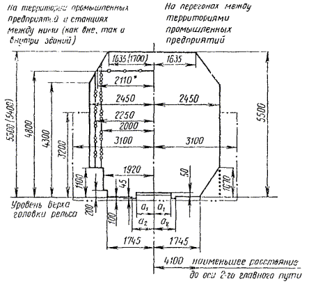
1.6. Сооружения и устройства железных дорог, а также подъездных путей (от станций примыкания до территории промышленных предприятий) должны удовлетворять требованиям габарита приближения строений С, установленного Государственным стандартом (приложение 1).

Сооружения и устройства на территории депо, мастерских, грузовых дворов, складов, речных и морских портов, заводов, фабрик и других промышленных предприятий, а также сооружения и устройства между территориями промышленных предприятий должны удовлетворять требованиям габарита приближения строений Сп (см. приложение 1), установленного Государственным стандартом.

2. ТЕХНИЧЕСКИЕ УСЛОВИЯ И НОРМЫ УСТРОЙСТВА ПУТИ

Ширина рельсовой колеи

2.1. Ширина колеи между внутренними гранями головок рельсов должна быть: на прямых участках пути и кривых радиусом 350 м и более - 1520 мм, на кривых радиусом от 349 до 300 м - 1530 мм, 299 м и менее - 1535 мм.

Ширина колеи измеряется между головками рельсов на уровне 13 мм ниже поверхности катания колес.

2.2. Отклонения в ширине колеи на прямых и кривых участках пути при сдаче в эксплуатацию всех линий на деревянных или железобетонных шпалах не должны превышать по уширению 4 мм и по сужению 3 мм.

Отводы отклонений в ширине колеи в пределах допусков должны быть плавными и не превышать 1 мм на 1 пог. м пути. На участках обращения поездов со скоростью более 120 км/ч отводы отклонений не должны превышать 1 мм на каждые 1,5 м пути.

2.3. Уширение колеи при переходе с прямого на кривой участок пути делается в пределах всей переходной кривой, а при отсутствии переходной кривой - на прямой с отводом не более 1 мм на 1 пог. м пути.

Положение рельсовой колеи по уровню

2.4. Верх головок рельсов обеих нитей пути на прямых участках должен быть в одном уровне.

Разрешается на прямых участках пути, на всем протяжении каждого из них, устройство одной рельсовой нити на 4 мм выше другой. Такое возвышение одной из рельсовых нитей на однопутных участках устанавливается в зависимости от местных условий; на двухпутных линиях повышается бровочная нить.

Если на прямых участках с возвышением одной рельсовой нити расположены мосты с ездой на балласте, то и на них должно быть такое же возвышение рельсовой нити. На мостах с мостовыми брусьями и с ездой поверху возвышение допускается, если длина моста не превышает 25 м. Возвышение достигается уменьшением на 4 мм величины врубки со стороны повышенной рельсовой нити. На всех остальных мостах, в тоннелях и на подходах к ним на протяжении 25 м, а также на стрелочных переводах устройство возвышения в 4 мм при расположении их на прямых не допускается.

Отклонения в уровне расположения рельсовых нитей от установленных норм как на кривых, так и на прямых участках пути допускается не более чем 4 мм. Отводы отклонений по уровню должны быть плавными и не превышать 1 мм на 1 м, а на участках обращения поездов со скоростью более 120 км/ч - не более 1 мм на 1,5 м.

2.5. Величина возвышения наружного рельса в круговой кривой устанавливается в соответствии с проектом.

Отвод возвышения наружного рельса осуществляется в пределах всего протяжения переходной кривой, при этом полное возвышение должно быть в конце переходной кривой. Если устройство переходных кривых проектом не предусмотрено, то отвод возвышения осуществляется на прямом участке при скорости движения поездов до 120 км/ч на 1 пог. м и при большей скорости - не круче 1 мм на 1,5 пог. м. Полное возвышение в этих случаях устраивается в начале круговой кривой.

При сопряжении примыкающих друг к другу круговых кривых одного направления, имеющих разные радиусы и возвышения, отвод возвышения между ними осуществляется в пределах промежуточных (сопрягающих) переходных кривых. Если эти кривые проектом не предусмотрены, то отвод возвышения осуществляется в пределах кривой большего радиуса.

2.6. При примыкании повышенной на 4 мм нити прямого участка к наружной нити кривой, отвод возвышения делается с учетом возвышения рельсовой нити на прямом участке.

При примыкании повышенной на 4 мм нити прямого участка к внутренней нити кривой, отвод возвышения на прямом участке должен заканчиваться не ближе чем за 25 м, а на участках обращения поездов со скоростью более 120 км/ч - за 50 м до начала возвышения наружной нити кривой.

2.7. Параметры элементов плана и профиля пути (радиусы кривых, длина, начало и конец круговых переходных кривых, протяжение прямых участков, радиусы вертикальных кривых, протяжение элементов профиля и т.д.) устанавливаются в соответствии с проектом.

2.8. На прямых участках путь должен быть без видимых извилин, а на участках круговых кривых - без резких колебаний в стрелах изгиба. Местные отклонения от прямой при проверке шнуром длиной 20 м не должны превышать 8 мм при скорости до 120 км/ч, 6 мм при 121-140 км/ч и 4 мм при 141-160 км/ч и иметь плавный отвод не более 1 мм на 1 м.

Разность в смежных стрелах изгиба в кривых (в точках через 10 м при хорде длиной 20 м) не должна превышать: при скорости 100 км/ч и менее - 5, 101-140 км/ч - 4, 141-160 км/ч - 3 мм.

Отклонение от равномерного нарастания стрел изгиба в пределах переходных кривых при 20-метровой хорде в точках через 10 м не должно превышать: при скорости 100 км/ч и менее - 3, более 100 км/ч - 2 мм.

Стрела изгиба круговой кривой в миллиметрах определяется по формуле

,

где а - длина хорды, м;

R - радиус, м.

Размеры стрел при 20-метровой хорде в зависимости от радиусов кривых приведены в табл. 1.

Стрела изгиба f мм, в пределах переходных кривых, за исключением начала и конца их, определяется по формуле

,

где х - расстояние от начала переходной кривой до точки, в которой определяется стрела изгиба, м;

l -  длина переходной кривой, м.

Таблица 1

Радиус, м

Стрела, мм

Радиус, м

Стрела, мм

Радиус, м

Стрела, мм

200

250

600

83

1200

42

250

200

650

77

1500

33

300

167

700

71

1800

28

350

143

750

67

2000

25

400

125

800

63

2500

20

450

111

850

59

3000

17

500

100

900

56

4000

12,5

550

91

1000

50

-

-

В начальной точке переходной кривой стрела изгиба определяется по формуле

.

В конце переходной кривой стрела изгиба равна разности стрел изгиба на круговой кривой и в начале переходной кривой:

fк.пк = F - fн.пк.

2.9. Второй путь при его устройстве на общем земляном полотне с существующим путем должен располагаться в одном уровне.

На кривых участках головки внутренних рельсов должны быть в одном уровне.

Временная разность уровней головок рельсов не должна превышать 15 см. На линиях, где исключена возможность заноса пути снегом, может быть допущена временная разность уровней до 25 см. На переездах разность уровней путей не допускается.

3. УСТРОЙСТВО РЕЛЬСОВОГО ПУТИ НА ПРЯМЫХ И КРИВЫХ УЧАСТКАХ

Общие требования

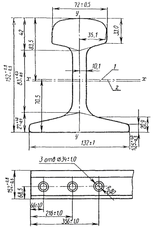
3.1. Тип сооружаемого верхнего строения пути (тип рельсов, их длина, род шпал и их количество, тип скреплений, род балласта и размеры балластного слоя и др.) устанавливается проектом. Характеристики материалов верхнего строения пути даны в приложении 2.

Укладка рельсов и их расположение в пути

3.2. В путь следует укладывать рельсы длиной 25 м. В кривых наряду с рельсами нормальной длины укладываются укороченные длиной 24,92 и 24,84 м.

При необходимости укладки рельсов короче указанных обрезка их должна производиться рельсорезными, а сверление отверстий - рельсосверлильными станками.

3.3. Рельсы одного и того же типа и вида термообработки должны укладываться, как правило, на целых направлениях или перегонах. Как исключение, такие рельсы могут быть уложены на протяжении не менее 1 км.

В первую очередь термообработанные рельсы следует укладывать на кривых малых радиусов. Укладка рельсов термообработанных с нетермообработанными и новых со старогодными вперемежку не допускается.

3.4. При устройстве бесстыкового пути следует руководствоваться утвержденными Министерством путей сообщения «Техническими условиями на укладку и содержание бесстыкового пути».

3.5. Укладка для нужд строительства временных путей может производиться рельсами длиной 12,5 м. В этом случае в кривых участках пути должны укладываться укороченные рельсы длиной 12,46; 12,42 и 12,38 м.

3.6. Укладываемые в путь старогодные рельсы должны соответствовать требованиям Технических условий ТУ 32/ЦП-1-76 «Рельсы старогодные для железных дорог широкой колеи» (приложение 3).

Старогодные рельсы укладываются в путь так, чтобы разница в износе соседних рельсов была по высоте и ширине головки (по рабочему канту) не более 1 мм.

В изолирующих и переходных стыках поверхность катания должна быть в одном уровне.

Перекантовка старогодных рельсов при укладке их в путь запрещается. В отдельных случаях по согласованию с заказчиком может быть допущена перекантовка рельсов типа Р50 и тяжелее с укладкой этих рельсов только в прямые участки.

3.7. При костыльном скреплении рельсы на прямых участках пути и в кривых радиусом более 1200 м пришиваются на каждом конце шпалы, кроме стыковых, четырьмя костылями, из которых два основных (по одному с каждой стороны рельса) предназначены для прикрепления рельса к шпале и два дополнительных - для прикрепления подкладки к шпале.

На участках со скоростью движения более 100 км/ч, а также на мостах, в тоннелях, в кривых участках пути радиусом 1200 м и менее и на всех стыковых шпалах рельсы прикрепляются на каждом конце шпалы (мостового бруса) пятью костылями, из которых три основных (два с внутренней и один с наружной стороны) предназначены для прикрепления рельса к шпале и два дополнительных - для прикрепления подкладки к шпале.

На стыковых шпалах при рельсах типов Р50 и Р43 и двухголовых накладках, из-за недостатка места для нормального расположения головки костыля, забивку основных костылей необходимо производить «затылком» в сторону рельса (размер «затылка» костыля в этом случае должен быть не менее 5 мм); во всех остальных случаях костыли должны забиваться нормально, т.е. носиком к рельсу.

На кривых участках пути радиусом 800 м и менее на деревянных шпалах с костыльным прикреплением рельсов укладываются удлиненные (несимметричные) подкладки; при этом, на кривых радиусом 500 м и менее - под обеими рельсовыми нитями, а на кривых радиусом более 500 м - только под наружной рельсовой нитью.

3.8. При раздельном скреплении каждая подкладка прикрепляется к деревянной шпале шурупами, а к железобетонной шпале - закладными болтами.

Шурупы затягиваются усилием, соответствующим крутящему моменту не менее 2500 кгс · см, а гайки закладных болтов 1200 кгс · см.

На железобетонных шпалах под подкладки должны укладываться резиновые прокладки, а между подошвой рельса и подкладкой - прокладки из амортизирующего и изолирующего материала (резины, кардонита и др.), соответствующие утвержденным чертежам.

Для обеспечения электроизоляции в отверстия подкладок устанавливаются изолирующие втулки, соответствующие утвержденным чертежам.

Рельсы прижимаются к подкладкам с помощью клемм и клеммных болтов. Подкладки скрепления КБ должны располагаться маркировкой или базовой ребордой (реборда с буртиком) наружу колеи. Для одной промежуточной подкладки требуется две клеммы, располагаемые по обе стороны от рельса (рис. 1).

Рис. 1. Раздельное скрепление типа КБ

Клемма надевается на болт сверху; она опирается одной стороной на подкладку, другой, более короткой, - на подошву рельса и прижимается через пружинную двухвитковую шайбу гайкой, навинчиваемой на стержень болта. Гайки клеммных болтов затягиваются усилием, соответствующим крутящему моменту 1500 кгс · см.

Рис. 2. Нераздельное скрепление типа ЖБ

При нераздельном скреплении типа ЖБ (рис. 2), предназначенном для железобетонных шпал, рельсы прикрепляются к шпалам пружинными клеммами и закладными болтами с гайками. Под подошву рельса и под клеммы укладываются упругие изолирующие прокладки. На закладные болты надеваются изолирующие втулки, плоские шайбы и гайки, которые навинчиваются до тех пор, пока верхняя ветвь клеммы не придет в соприкосновение с подошвой рельса в двух местах: на конце клеммы и у кромки подошвы. Болты затягиваются сначала снаружи колеи, а затем внутри усилием, соответствующим крутящему моменту 1500-1800 кгс · см.

Расположение и конструкция стыков

3.9. Рельсы на прямых и на кривых участках пути укладываются со стыками на весу.

3.10. Стыки обеих рельсовых нитей должны располагаться по угольнику. Забег стыка одной нити относительно стыка другой допускается не более 3 см (на кривых участках - сверх половины укорочения).

Стыки рельсов должны располагаться в середине шпального ящика симметрично относительно стыковых шпал. При скреплениях КБ-50 и ЖБ-50 для возможности постановки стыковых болтов разрешается смещение стыка относительно стыковых шпал до 7 см.

3.11. В пределах переездных настилов рельсовые стыки не допускаются. При попадании стыков в пределы настилов их необходимо смещать укладкой рельсов длиной 12,5 м.

3.12. Рельсы в стыках должны соединяться между собой двухголовыми накладками.

Стыки с шестидырными накладками должны быть сболчены шестью болтами, с четырехдырными - четырьмя болтами.

На каждый болт под гайку необходимо надевать пружинную шайбу соответствующего размера.

Болты в стыках располагаются гайками в разные стороны через один болт.

Гайки стыковых болтов следует затягивать усилием, соответствующим крутящему моменту при рельсах типа Р65 - 5600 = 6000 кгс · см, Р50 - 4500 = 4800 кгс · см, Р43 - 3600 = 3800 кгс · см; при завинчивании гаек ручными ключами длина их при рельсах типа Р65 должна быть 100 см, а Р50 - 75 см.

3.13. На участках, где применяется автоблокировка, для разделения рельсовых цепей на отдельные изолированные один от другого блок-участки применяются изолирующие стыки.

Изолирующие стыки укладываются с объемлющими (рис. 3) и двухголовыми (рис. 4) металлическими накладками, а также клееболтовые (рис. 5). На станционных путях (кроме главных и приемо-отправочных) при рельсах Р43 допускается устройство изолирующих стыков с лигнофолевыми накладкамиис. 6).

Изолирующие стыки с металлическими накладками должны устраиваться на весу, а с лигнофолевыми - на сдвоенных деревянных шпалах (см. рис. 6). В изолирующих стыках зазоры должны быть в пределах от 5 до 8 мм.

Выступающие наружу части фибры следует покрывать гидроизоляционным веществом.

Рис. 3. Изолирующий стык рельсов с объемлющими металлическими накладками:

а - на железобетонных шпалах; б - на деревянных шпалах; 1 - прокладка боковая; 2 - накладка; 3 - втулка; 4 - планка под болты; 5 - стопорная планка; 6 - прокладка нижняя; 7 - прокладка стыковая

В стыках с металлическими накладками изоляция стыкуемых рельсов обеспечивается постановкой изолирующих прокладок и втулок, а в стыках с лигнофолевыми накладками - постановкой изолирующей прокладки только в стыковой зазор.

Рис. 4. Изолирующий стык с двухголовыми металлическими накладками на деревянных шпалах:

1 - прокладка боковая; 2 - накладка; 3 - втулка; 4 - планка под болты; 5 - стопорная планка; 6 - прокладка стыковая

Рис. 5. Изолирующий клееболтовой стык:

а - с костыльным прикреплением; б - с прикреплением типа К; 1 - рельс; 2 - изоляция из стеклоткани, пропитанной эпоксидным клеем; 3 - накладка; 4 - изоляция на болте; 5 - болт

Клееболтовые изолирующие рельсовые стыки (см. рис. 5) должны изготовляться в специальных цехах по специальным техническим условиям.

Рис. 6. Изолирующий стык рельсов с лигнофолевыми накладками:

1 - накладка; 2 - стопорная планка; 3 - прокладка стыковая

3.14. При стыковании рельсов разных типов должны применяться переходные накладки, изготовляемые в заводских условиях. Разрешается стыковать разнотипные рельсы, отличающиеся только на одну ступень (например, рельсы Р50 с рельсами Р65 или рельсы Р50 с рельсами Р43). Стык с переходными накладками показан на рис. 7, а переходные накладки на рис. 7, а.

Рис. 7. Стык с переходными накладками:

а - стык в сборке; б - накладка переходная Р6550 (левая); в - накладка переходная Р6550 (правая)

Вместо стыка с переходными накладками возможна укладка в путь переходного рельса нормальной длины заводского изготовления, одна половина которого соответствует типу одного из соединяемых рельсов, другая - типу другого.

Рис. 8. Рельсовые соединители (размеры даны в миллиметрах):

а - соединитель медный приварной на участках с электротягой; б - соединитель стальной приварной на участках без электротяги; в - схема приварки соединителя

3.15. Для улучшения токопроводимости рельсовых стыков на линиях с автоматической блокировкой, электрической централизацией или с другими устройствами СЦБ, а также на участках электрической тяги применяются рельсовые соединители (рис. 8).

Рельсовые соединители применяются: стыковые, стрелочные, междурельсовые и междупутные.

Стыковые приварные рельсовые соединители из медного троса длиной 200 мм и сечением не менее 70 мм2 применяются на участках электротяги постоянного тока и 50 мм2 - на участках переменного тока. Трос приварных стыковых соединителей должен плотно сидеть в обоймах (наконечниках); торцы троса в наконечниках должны быть оплавлены электродугой с угольным электродом.

Приварка стыковых соединителей к объемно-закаленным рельсам производится согласно техническим указаниям, утвержденным МПС.

Междупутные и междурельсовые медные соединители обеспечивают параллельное соединение рельсовых нитей на участках электротяги для уменьшения общего омического сопротивления цепи. Они имеют такое же сечение, как и стыковые.

На стрелочных переводах для пропуска электрического тока устанавливаются соединители: стыковые (приварные), стрелочные стальные (длиной от 600 мм и более) для сигнального тока и стрелочные медные (длиной от 600 мм и более) для одновременного пропуска сигнального и тягового тока.

Медные стрелочные соединители должны иметь сечение 70 мм2 при электротяге на постоянном токе и 50 мм2 - на переменном.

Стальные стрелочные соединители имеют болтовые наконечники.

Соединители на стрелочных переводах устанавливаются согласно типовым схемам, утвержденным МПС.

Рельсовые температурные зазоры

3.16. Между рельсами, уложенными в путь, должны оставляться зазоры, позволяющие рельсам свободно перемещаться при изменении температуры.

Величину зазоров в зависимости от температуры рельсов во время укладки их в путь следует принимать, руководствуясь данными табл. 2 с увеличением на 2 мм для того, чтобы после постановки на ось и выправки пути величина зазоров достигла норм, предусмотренных данной таблицей.

Сумма величин фактических зазоров по каждой рельсовой нити на 1 км должна быть равна сумме величин потребных зазоров, определенных по табл. 2.

Отклонения в величинах отдельных зазоров при сдаче пути в эксплуатацию не должны превышать ±2 мм.

Если рельсы уложены при температуре выше или ниже крайних табличных значений, то при температуре, указанной в таблице, величины зазоров для рельсов длиной 25 м должны быть приведены к норме.

Таблица 2

Зазор, мм

Температура рельсов, ºС, для районов с климатом

более холодным

умеренным

более теплым

0

+30 и более

+40 и более

+ 50 и более

1,5

от +30 до +25

от +40 до +35

от +50 до +45

3,0

от +25 до +20

от +35 до +30

от +45 до +40

4,5

от +20 до +15

от +30 до +25

от +40 до +35

6,0

от +15 до +10

от +25 до +20

от +35 до +30

7,5

от +10 до +5

от +20 до +15

от +30 до +25

9,0

от +5 до 0

от +15 до +10

от +25 до +20

10,5

от 0 до -5

от +10 до +5

от +20 до +15

12,0

от -5 до -10

от +5 до 0

от +15 до +10

13,5

от -10 до -15

от 0 до -5

от +10 до +5

15,0

от -15 до -20

от -5 до -10

от +5 до 0

16,5

от -20 до -25

от -10 до -15

от 0 до -5

18,0

от -25 до -30

от -15 до -20

от -5 до -10

19,5

от -30 до -35

от -20 до -25

от -10 до -15

21,0

от -35 до -40 и ниже

от -25 до -30 и ниже

от -15 до -20 и ниже

Температура рельсов определяется специальным рельсовым или обыкновенным термометром. Последний кладется ртутным шариком на головку рельса и присыпается слоем сухого песка толщиной не менее 5 см. Показание термометра следует снимать через 10 мин после его установки.

Подуклонка рельсов

3.17. Путевые рельсы как на прямых, так и на кривых участках пути должны иметь подуклонку (наклон внутрь колеи) в 1/20 относительно поверхности шпал.

Подуклонка рельсов обеспечивается: на деревянных шпалах - укладкой двухребордчатых клинчатых подкладок с соответствующим наклоном подрельсовой площадки, на железобетонных шпалах - наклоном верхней плоскости шпал в местах укладки на них плоских подкладок или подошвы рельса.

Перед стрелочными переводами, на которых рельсы не имеют подуклонки, необходимо на протяжении 12,5 м делать постепенный переход от рельса с подуклонкой к рельсу без подуклонки. То же необходимо делать за крестовинами, при этом следует начинать от последнего бруса. Такой переход осуществляется затеской деревянных шпал под подкладками, а при железобетонном основании под стрелочными переводами - в соответствии с проектом.

Укладка шпал и их расположение под рельсами

3.18. В путь должны укладываться только шпалы и брусья, соответствующие ГОСТу (см. приложение 2).

Деревянные шпалы и брусья должны быть пропитанными, с закрепленными от растрескивания концами.

Закрепление от растрескивания производятся обвязкой концов шпал и брусьев проволокой диаметром 6-7 мм или полосовой сталью, постановкой деревянных винтов, металлических болтов или П-образных скоб (не менее 8 шт.: 4 - на верхнюю постель и 4 - на нижнюю).

Укладка деревянных шпал и брусьев в путь без предварительно просверленных в них костыльных или шурупных отверстий и антисептирования этих отверстий запрещается.

3.19. В целях предохранения деревянных шпал и брусьев от механического износа под металлические подкладки укладываются прокладки, изготовляемые из отходов шинного производства (гомбелита, резины и др.). Прокладки должны соответствовать техническим условиям, утвержденным Главным управлением пути МПС.

3.20. Количество шпал на 1 км в прямых и кривых участках пути устанавливается проектом. Число шпал на звене и расстояния между осями шпал при различных типах рельсов приведены в табл. 3.

Таблица 3

Тип рельсов

Число шпал

Расстояние между осями шпал, мм

на 1 км пути

на 1 звено

стыковыми

промежуточными

Р65

2000

50

420

501-502

Р65

1840

46

420

546-547

Р50

2000

50

440

501-502

Р50

1840

46

440

545-546

Примечание. Длина рельсов 25 м.

3.21. Железобетонные шпалы укладываются по эпюрам для деревянных шпал.

Железобетонные шпалы в местах примыкания пути к участкам пути с деревянными шпалами, к стрелочным переводам и к мостам с деревянными брусьями должны укладываться на расстоянии 6-6,5 м от крайних стыков в соответствии со схемами на рис. 9.

Рис. 9. Схемы примыкания пути на железобетонных шпалах (размеры даны в метрах):

а - к стрелочному переводу; б - к мосту

На участках, где предусмотрена укладка бесстыкового пути, железобетонные шпалы должны укладываться с равным расстоянием между их осями (543 мм для эпюры 1840 шт. и 500 мм для эпюры 2000 шт. на 1 км пути).

Под уравнительными рельсами бесстыкового пути шпалы должны располагаться по эпюре применительно с рельсами длиной 12,5 м.

3.22. Величина отклонения каждой шпалы от ее положения на эпюре допускается: для деревянных шпал - не более 4 см, для железобетонных - не более 2 см.

Деревянные шпалы и брусья, уложенные в путь, должны иметь клеймо с указанием года их укладки в путь, а железобетонные шпалы - заводской номер партии и клеймо завода-изготовителя.

Противоугонные устройства

3.23. Для предупреждения продольных перемещений рельсов и обеспечения нормальных рельсовых зазоров путь должен быть закреплен от угона пружинными противоугонами. Противоугоны должны соответствовать типу рельсов, лежащих в пути.

Каждая пара противоугонов включает в противоугонную систему одну шпалу.

3.24. Противоугоны должны устанавливаться на рельсы так, чтобы зуб каждого противоугона (на правой и левой рельсовых нитях) находился снаружи рельсовой колеи (рис. 10). При таком расположении противоугонов падающая с букс смазка не будет попадать под захваты противоугонов и тем самым уменьшать их сопротивление сдвигу.

Рис. 10. Расположение пружинных противоугонов на рельсах:

1 - зуб; 2 - захват

3.25. Количество пар противоугонов, устанавливаемых для закрепления пути от угона, устанавливается проектом. При рельсах длиной 25 м и костыльном скреплении количество противоугонов должно быть не менее указанного в табл. 4.

Таблица 4

Характеристика линий

Участки грузонапряженностью

до 25 млн. т в год (брутто)

более 25 млн. т в год (брутто)

нетормозные

тормозные

нетормозные

тормозные

на щебне

на другом балласте

на щебне

на другом балласте

на щебне

на другом балласте

на щебне

на другом балласте

На участках обращения 6-8-осных полувагонов

Двухпутные линии и однопутные с явно выраженным грузопотоком в одном направлении*....................

26

30

36

42

32

36

42

44

Однопутные линии с примерно равным грузопотоком в обоих направлениях..............................

18

18

20

20

34

0*

36

0*

22

22

22

22

40

0*

42

0*

Тормозные участки негрузового направления однопутных линий.....

-

 

18/18

22/22

-

-

22/22

22/22

На участках, где не будут обращаться 6-8-осные полувагоны

Двухпутные линии и однопутные с явно выраженным грузопотоком в одном направлении*....................

18

20

28

34

26

28

36

42

Однопутные линии с примерно равным грузопотоком в обоих направлениях..............................

14

14

16

16

28

0*

34

0*

18

18

20

20

34

0*

40

0*

Тормозные участки негрузового направления однопутных линий.....

-

-

14

14

16

16

-

-

18

18

20

20

* При появлении угона пути противоугоны устанавливаются и в противоположном направлении.

Примечание. В числителе указано количество пар противоугонов на однопутных линиях для одного направления, в знаменателе - для обратного.

3.26. На однопутных участках с явно выраженным односторонним грузовым движением закрепление пути от угона необходимо производить в одну сторону аналогично двухпутным линиям. При появлении угона в негрузовом направлении путь следует закреплять и в этом направлении. Тормозные спуски негрузового направления должны закрепляться в обе стороны.

3.27. Пружинные противоугоны на главных и станционных путях устанавливают в средней части звена по схемам рис. 11.

Пути станционные для одностороннего приема поездов, горочные, подгорочные и сортировочные, уложенные на щебеночном балласте с рельсами длиной 25 м, необходимо закреплять от угона 18 парами противоугонов по схеме 5, а на песчаном балласте - 20 парами пружинных противоугонов по схеме 4.

Пути для двухстороннего приема поездов необходимо укреплять от угона в обоих направлениях: на каждом звене длиной 25 м устанавливать 28 пар (по 14 пар в каждую сторону) противоугонов по схеме 7.

Рис. 11. Схемы закрепления пути от угона пружинными противоугонами при рельсах длиной 25 м (цифры 1-46 - номера шпал)

На остальных станционных путях применяются пружинные противоугоны по схемам, назначаемым в зависимости от местных условий и согласованным с заказчиком.

3.28. Рельсовые плети длиной до 100 м, укладка которых разрешена на путях сортировочных горок и в подгорочных парках между башмакосбрасывателями, закрепляются от угона постановкой противоугонов на каждой шпале с обеих сторон.

Балластный слой

3.29. В качестве балластных материалов применяются щебень из естественного камня, щебень из валунов и гальки, асбестовый балласт, карьерный гравий, крупнозернистый и среднезернистый пески (см. приложение 2).

3.30. Толщина балластного слоя под шпалой для главных путей принимается в соответствии с проектом.

Толщину балластного слоя под шпалой следует считать:

а) для однопутных участков: на прямых - по оси рельса, на кривых - по оси внутреннего рельса;

б) для двухпутных участков: на прямых - по оси внутренних (соседних) рельсов, на кривых - по оси внутреннего рельса кривой наружного пути.

3.31. Ширина балластной призмы поверху принимается по проекту.

3.32. На главных путях станций, разъездов и обгонных пунктов балласт должен укладываться из того же материала и иметь такую же толщину слоев, что и на перегонах.

На приемо-отправочных и других станционных путях устраивается однослойная призма из асбестового, гравийного, гравийно-песчаного или песчаного балласта; в обоснованных случаях может быть уложена призма из мелкого щебня фракции 5-25 мм на песчаной подушке.

Междупутья шириной до 6,5 м необходимо заполнять балластом.

Поверхности балласта между торцами шпал смежных путей на станциях следует придать поперечный уклон, соответствующий поперечному уклону земляного полотна станционной площадки.

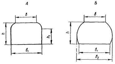
Поперечные профили балластной призмы на станциях показаны на рис. 12 и 13.

3.33. При расстояниях между осями станционных путей более 6,5 м, а на подходах к станции при расстояниях между осями путей более 5 м (кроме районов распространения вечной мерзлоты) балластный слой смежных путей допускается устраивать раздельным.

3.34. Крутизна откосов балластной призмы при всех видах балласта должна быть 1:1,5; песчаной подушки - 1:2.

Рис. 12. Поперечные профили земляного полотна и балластной призмы (размеры даны в метрах):

а - двускатный; б - пилообразный; 1 - оси путей; 2 - смотровой колодец; 3 - ось железобетонного лотка; 4 - основание труб (утрамбованный щебень слоем 0,20 м); 5 - поперечный коллектор (d - не менее 0,50 м)

Рис. 13. Деталь поперечного профиля балластной призмы (размеры даны в метрах)

На участках со скоростями движения поездов более 120 км/ч крутизна откосов щебеночной балластной призмы должна быть 1:1,75.

При деревянных шпалах поверхность балластного слоя должна быть ниже верхней поверхности деревянных шпал на 3 см, а при железобетонных шпалах - в одном уровне с верхом их средней части.

На стрелочных переводах в пределах стрелки и крестовины верх балластной призмы во всех случаях должен быть ниже уровня поверхности брусьев на 3 см.

3.35. На путях подъемкой части сортировочной горки, а также на путях полугорок и вытяжных путях специального профиля для удобства и безопасности работы составительских бригад балластный слой должен быть уширен не менее чем на 1 м от торцов шпал каждой стороны пути на протяжении от места расцепки вагонов до горба (полугорки) или до места отрыва вагонов от состава.

3.36. Балластная призма на однопутных и двухпутных линиях устраивается в соответствии с типовыми поперечными профилями, показанными на рис. 14, 15, 16.

Ширина балластной призмы S, толщина слоя балласта a под шпалой, возвышение наружного рельса в кривых, ширина междупутья и его уширение в кривых участках принимаются по проекту. При отсутствии этих данных в проекте, они могут быть приняты согласно приложению 4.

Размеры плеч балластной призмы b и с в зависимости от ее ширины поверху приведены в табл. 5.

Таблица 5

Плечи

Ширина балластной призмы по верху S, м

на прямых и кривых R > 600 м

на кривых R < 600 м

3,6

3,4

3,2

3,1

3,6 + 0,1

3,4 + 0,1

3,2 + 0,1

3,1 + 0,1

b

0,425

0,325

0,225

0,175

0,425

0,325

0,225

0,175

c

-

-

-

-

0,525

0,425

0,325

0,275

Примечание. Размер плеч балластной призмы указан при пути на деревянных шпалах длиной 2,75 м.

Местные отклонения от установленных размеров балластной призмы должны быть не более следующих величин:

по ширине призмы ±3 см;

по крутизне откоса ±0,1 (по заложению).

3.37. Для стабилизации балластной призмы производится ее обкатка поездной нагрузкой.

Объем обкатки пути на балластной призме полной проектной высоты устанавливается в зависимости от средств механизации, применяемых для уплотнения балласта: при использовании выправочно-подбивочно-отделочной машиной ВПО-3000 - 100 тыс. т брутто, балластно-уплотнительной машиной ПМ-400 - 130, шпало-подбивочной машиной ШПМ-02 - 150, электрошпалоподбойками ЭШП - 200.

Степень стабилизации пути контролируется пропуском подвижной нагрузки, при котором интенсивность накопления остаточных осадок не должна превышать 0,5 мм на 10 тыс. т.

Рис. 14. Поперечные профили балластного слоя из щебня с песчаной подушкой:

а - на прямых участках пути однопутных линий; б - на кривых участках; в - на прямых участках пути двухпутных линий; г - на кривых участках

3.38. При укладке асбестового балласта в путь отвод грунтовых и поверхностных вод необходимо производить так, чтобы не допустить переувлажнения балластного слоя, снижающего его несущую способность. Для обеспечения стока поверхностных вод поверхность балластной призмы на прямых участках пути должна быть спланирована с уклоном 7-8 ‰ от оси пути в сторону обочин. На двухпутных линиях уклоны устраиваются от оси междупутья.

3.39. Поверхность балластной призмы в кривых участках однопутных линий планируется с уклоном, соответствующим возвышению наружного рельса.

На двухпутных линиях при возвышении наружных рельсов до 100 мм допускается планировать балластную призму без устройства уступа в междупутье.

Рис. 15. Поперечные профили балластного слоя из карьерного гравия, песчаного и асбестового балласта:

а - на прямых участках пути однопутных линий; б - на кривых участках

Если такую планировку поверхности балластной призмы не позволяет делать габарит приближения строений, а также, если возвышение наружного рельса на одном из путей более 100 мм, надлежит принимать ступенчатое расположение путей.

В этом случае при асбестовом балласте для выпуска воды с междупутья в шпальных ящиках внутреннего пути необходимо устраивать специальные водоотводные лотки с укреплением откосной части призмы (от размыва) в местах выходов лотков. Расстояние между лотками определяется расчетом для того, чтобы не допускать образования больших потоков, при которых возможен размыв поверхности асбестового балласта. При этом расположение лотков в пределах стыковых и предстыковых шпальных ящиков не допускается.

Рис. 16. Поперечные профили балластного слоя из щебня на земляном полотне из скалы, камня, крупнозернистого и среднезернистого песка:

а - на прямых участках пути однопутных линий; б - на кривых участках; в - на прямых участках пути двухпутных линий; г - на кривых участках

При укладке железобетонных шпал устраивать в балласте канавку в уровне подошвы шпал под их средней частью не следует. Меньшая плотность балласта под серединами железобетонных шпал по сравнению с плотностью балласта в подрельсовых зонах обеспечивается тем, что в этих местах не производится подбивка шпал.

Рис. 17. Конструкция однослойной призмы из асбеста при постройке второго пути (размеры даны в сантиметрах):

1 - асбестовая корка, срезаемая при вновь устраиваемой призме; 2 - дренирующий грунт

3.40. Сооружение балластной призмы второго пути при однослойной призме первого пути из асбестового балласта производится после срезки загрязненной корки асбестового балласта на сопрягаемой откосной части призмы существующего пути (рис. 17).

4. УСТРОЙСТВО ПУТИ НА МОСТАХ И В ТОННЕЛЯХ

Мостовое полотно

4.1. На железобетонных мостах с ездой на балласте устраивается балластная призма однослойная из щебня или двухслойная из слоя асбеста на дренирующем слое щебня фракции 5-25 мм.

Размеры балластной призмы в прямых участках в зависимости от ширины балластного корыта приведены в табл. 6, а от рода шпал - на рис. 18, 19, 20.

Подошва шпал не должна располагаться выше верха бортов корыта пролетного строения или устоя.

4.2. На мостах в кривых участках пути балластная призма должна устраиваться в соответствии с проектом.

4.3. Прикрепление рельсов к шпалам при костыльном скреплении и закрепление пути от угона осуществляются в порядке, изложенном в пп. 3.7 и 3.25.

При раздельном скреплении рельсы прикрепляются к шпалам так же, как и на прилегающих участках.

4.4. Толщина балластного слоя не должна отличаться от проектной более чем на ±5 см и во всех случаях должна быть не менее 20 см при деревянных и 25 см при железобетонных шпалах.

Ширина плеча балластной призмы не должна отличаться от проектной более чем на ±3 см, а заложение откосов - на ±0,1.

Таблица 6

Вид балластной призмы

Род балласта

Ширина балластного корыта, м

4,8

4,0

Толщина слоя, см

Плечо призмы, см

Толщина слоя, см

Плечо призмы, см

Однослойная

Щебень

40/35*

35**

30/25*

30***

Двухслойная

Асбест

10

35**

10

30***

Щебень фракции 5-25 мм

30/25*

-

20/15*

-

* Числитель - для железобетонных шпал; знаменатель - для деревянных шпал.

** Размер указан для рельсов Р65. При рельсах Р75 плечо призмы должно быть 45 см, при рельсах Р50 - 25 см.

*** Размер указан для рельсов Р65. При рельсах Р75 плечо призмы должно быть 40 см, при рельсах Р50 - 25 см.

Запас на осадку должен приниматься для щебня 10 %, для Баженовского асбестового балласта 25 % и для Джетыгаринского асбестового балласта 35 % от проектной толщины балластного слоя.

Укладывать в балластную призму смешанный щебень разных пород и прочности не допускается.

4.5. Поверхность балластного слоя должна быть хорошо спланирована. Трамбование и планировка асбестового балласта должны быть тщательно выполнены (желательно с поливкой водой) для того, чтобы обеспечить нормальный сток воды с поверхности призмы.

4.6. Отклонение оси рельсового пути в плане от проектной оси пути на прямых участках не должно превышать 3 см, а в кривых 2 см. При этом во всех случаях расстояние от оси пути до перил должно быть не менее величин, установленных ГОСТом на габариты приближения строений.

4.7. На мостах длиной более 25 м, а также на всех путепроводах и мостах, расположенных на кривой радиусом менее 1000 м, укладываются охранные приспособления - контруголки.

На многопутных мостах при наличии оплошного балластного корыта охранные приспособления укладывают только на крайних путях.

Рис. 18. Конструкция верхнего строения пути с охранными приспособлениями на мостах с ездой на балласте (шпалы деревянные, скрепление костыльное) (размеры даны в сантиметрах)

Контруголки должны иметь сечение не менее 160+160×16 мм. Расстояние от внутренней грани головки путевого рельса до вертикальной полки контруголка должно быть 310 мм. На участках, оборудуемых автоблокировкой, между рельсовыми подкладками и контруголками должен быть зазор не менее 15 мм. Закрепление контруголков следует производить двумя костылями или шурупами на каждой поперечине через отверстия в горизонтальных полках.

Стыки контруголков перекрываются уголковыми накладками с тремя болтами с каждой стороны. На подвижных концах пролетных строений нужно устраивать подвижные стыки контруголков. Устройство стыков в пределах «челноков», а также против стыков путевых рельсов не допускается.

Рис. 19. Конструкция верхнего строения пути с охранными приспособлениями на мостах с ездой на балласте (шпалы железобетонные, скрепление раздельное) (размеры даны в сантиметрах)

Рис. 20. Конструкция верхнего строения пути без охранных приспособлений на мостах с ездой на балласте (балластная призма двухслойная - асбестовый балласт на щебеночном дренирующем слое) (размеры даны в сантиметрах)

Контруголки укладываются до задней грани устоев или закладных щитов, далее концы их на протяжении не менее 10 м необходимо снести «челноком» (рис. 21), заканчивающимся металлическим башмаком. В пределах челнока контруголки прикрепляют двумя костылями (шурупами) в каждой шпале.

Рис. 21. Схема укладки контруголков «челноком» (размеры даны в миллиметрах):

а - на деревянных шпалах; б - на железобетонных шпалах; 1 - задняя грань устоя; 2 - контруголки; 3 - башмак; 4 - сварной шов; А - клин

4.8. Число шпал на 1 км пути на мостах с охранными приспособлениями должно быть не менее 2000 шт., а на остальных мостах - таким же, как и на прилегающих участках пути.

При укладке пути с железобетонными шпалами на мостах с охранными приспособлениями должны быть уложены специальные железобетонные шпалы.

Укладка на мостах рельсов разных типов, рельсовых рубок, переходных стыков не допускается.

На мостах длиной более 300 м и на подходах к ним на протяжении 200 м должны быть уложены рельсы не легче рельсов типа Р65.

4.9. Укладка пути на мостовых брусьях, металлических поперечинах и железобетонных плитах должна осуществляться в соответствии с «Указаниями по устройству и конструкции мостового полотна на железнодорожных мостах».

Бесстыковой путь на мостах устраивается в соответствии с «Техническими условиями на укладку и содержание бесстыкового пути».

Путь в тоннелях

4.10. В тоннеле и на подходах к нему на расстоянии не менее 200 м должен укладываться щебеночный или асбестовый балласт толщиной под шпалой не менее 25 см. Поверхность балластного слоя от торцов шпал до стен тоннеля должна быть спланирована и приспособлена для прохода обслуживающего персонала.

4.11. В тоннелях длиной более 300 м и на подходах к ним на протяжении не менее 200 м должны укладываться рельсы типа Р65 и тяжелее.

4.12. Укладка в тоннелях рельсов разных типов и рельсовых рубок не допускается.

4.13. Рельсовый путь в тоннелях следует укладывать, как правило, на железобетонных шпалах при их числе на 1 км пути 2000 вместо 1840 шт. и 1840 вместо 1600 шт., укладываемых на главном пути в пределах перегонов.

4.14. При костыльном скреплении рельсы к каждой шпале прикрепляются 5 костылями, из которых 3 прикрепляют рельс, а 2 - подкладку к шпале.

4.15. При раздельном скреплении рельсы прикрепляются к шпалам так же, как и на прилегающих участках.

4.16. Бесстыковой путь в тоннелях устраивается по специальным указаниям МПС.

4.17. Путь на жестком основании в тоннелях устраивается по специальному проекту.

4.18. Путь должен быть надежно закреплен от угона постановкой противоугонов как в самом тоннеле, так и на подходах к нему.

4.19. Толщина балласта под шпалой на водораздельных точках должна быть не менее 25 см.

4.20. В тоннелях устраиваются лотки для отвода воды, а за пределами тоннелей - устройства для ее выпуска.

4.21. Для контроля за положением пути в обделке стен тоннелей в уровне головки рельса устанавливаются постоянные реперы.

На прямых участках однопутных тоннелей реперы устанавливаются через 20 м, а на кривых - через 10 м. В однопутных тоннелях на прямых участках пути реперы располагаются с правой стороны по счету километров, на кривой - со стороны наружного рельса, в двухпутных тоннелях - по обеим сторонам.

Возле репера к стене тоннеля прикрепляется марка с указанием его номера, расстояния до рабочей грани ближайшего рельса и величины возвышения над головкой рельса.

В тоннелях длиной более 300 м устанавливаются постоянные путевые и сигнальные знаки, таблички постоянных реперов, номера колец и указатели прохода к нишам и камерам, кнопкам заградительной сигнализации и телефонам.

5. ПЕРЕЕЗДЫ

5.1. Места расположения переездов должны устанавливаться проектом с учетом обеспечения удовлетворительной видимости переездов машинистами локомотивов, а подходящих поездов - водителями транспортных средств и, как правило, вне пределов станций и путей с маневровой работой.

Переезды должны располагаться, как правило, на прямых участках железных и автомобильных дорог. Пересечение железных дорог с автомобильными дорогами должно осуществляться преимущественно под прямым углом. При невозможности осуществить пересечение под прямым углом острый угол между пересекающимися дорогами в одном уровне не должен быть менее 60°.

5.2. Ширина проезжей части автомобильных дорог на переездах должна быть не менее 6 м на протяжении 200 м и обе стороны от переезда.

Ширина переходов для прогона скота должна быть не менее 4 м.

Автомобильная дорога на протяжении не менее 10 м от крайнего рельса при расположении переезда на насыпи и 20 м в выемке должна иметь в продольном профиле горизонтальную площадку, или вертикальную кривую большого радиуса (рис. 22), или уклон, обусловленный превышением одного рельса над другим, когда пересечение располагается на кривом участке железнодорожного пути.

Подходы автомобильной дороги к пересечению на протяжении 50 м устраиваются с продольным уклоном не более 3 %.

5.3. Для стока воды от балластной призмы железнодорожного полотна между ним и полотном автомобильной дороги должна быть устроена дренажная призма глубиной (от бровки железнодорожного земляного полотна) 15 см по оси автомобильной дороги и 40-50 см по краям, заполненная щебнем (или другим материалом, однородным с лежащим в пути балластом).

Кюветы полотна автомобильной дороги отводятся к кюветам выемки железнодорожного полотна, а места примыкания укрепляются мощением.

Рис. 22. Продольный профиль переезда (размеры даны в метрах):

а - на насыпи; б - в выемке; 1 - знак «Берегись поезда»; 2 - место крайнего рельса; 3 - дренажная призма; 4 - ось шлагбаума; 5 - ось габаритных ворот на электрифицированных линиях

Водоотводные канавы автомобильной дороги не должны иметь выпуска воды в железнодорожные кюветы.

В необходимых случаях для пропуска воды под полотном автомобильной дороги у переезда устраиваются водоотводные и водопропускные сооружения в соответствии с типовыми проектами.

На переездах I, II, III категории с интенсивным пешеходным движением должны устраиваться пешеходные дорожки в соответствии с типовым проектом.

5.4. На всех переездах должен устраиваться типовой железобетонный настил, а подъезды (участки автомобильной дороги в пределах полосы отвода) должны иметь ограждение: столбики, перила, ограды (рис. 23). Покрытие пешеходных дорожек должно быть аналогичным настилу на переезде и иметь с ним общие желоба.

5.5. Покрытие на подъездах к переездам должно быть аналогичным покрытию на автодороге. На грунтовых дорогах подъезды должны быть замощены.

5.6. Для беспрепятственного прохода реборды колес железнодорожного подвижного состава в пределах настила укладываются контррельсы, изготавливаемые из путевых рельсов. Контррельсы и настил должны быть прочно закреплены. Концы контррельсов на длине 50 см должны быть отогнуты внутрь колеи на 25 см. Отогнутая боковая часть головки контррельса должна быть срезана до глубины 45 мм от верха головки путевого рельса на ширину жалоба. Ширина желоба при расположении переезда на прямой или кривой радиусом 600 м и более должна быть 75-95 мм, а на кривой радиусом менее 600 м - 110 мм. Глубина желоба должна быть не менее 45 мм (рис. 24).

Конструкция контррельса и прикрепление его должны соответствовать типовому проекту.

5.7. На участках, оборудованных автоблокировкой, во избежание замыкания рельсовых нитей, а также в других случаях во избежание повреждения рельсов при проходе тракторов, катков, саней с металлическими полозьями и т.п., верх настила внутри колеи должен быть выше головок рельсов на 30-40 мм.

5.8. Внутри колеи каждого пути у настила, а также на обочине, следует устраивать специальные приспособления - металлические трубки или столбики (см. рис. 23) для установки переносных сигналов и факелов-свечей.

5.9. На переездах, по которым будет прогоняться скот, перила, при необходимости, заменяются оградами, а к шлагбаумам подвешиваются заградительные сетки.

5.10. Ограждения на переездах устанавливаются не ближе 2,5 м и на протяжении не менее 16 м от крайних рельсов в сторону автомобильной дороги, а при расположении подъездов на насыпи высотой более 1 м - на всем протяжении такой насыпи в пределах полосы отвода. Столбики следует устанавливать через каждые 1,5 м.

Рис. 23. Переезд (размеры даны в метрах):

1- постоянный сигнальный знак «С»; 2 - заградительный светофор; 3 - перила ограды; 4 - настил переезда; 5 - столбики ограждения; 6 - автоматический шлагбаум; 7 - габаритные ворота; 8 - запасные шлагбаумы (ручные); 9 - пост дежурного по переезду; 10 - предупредительный знак «Берегись поезда»; 11 - сплошная осевая линия; 12 - дренажные призмы из щебня; 13 - трубки (столбики) для установки переносных красных сигналов; 14 - трубки (столбики) для установки факелов-свечей

Столбики, перила, ограды должны быть, как правило, железобетонными. В лесных районах допускается устройство их из дерева.

Окраска ограждений переезда производится в соответствии с типовым проектом.

Рис. 24. Деталь желоба между путевым рельсом и железобетонным настилом переезда с контррельсом (размеры даны в миллиметрах):

1 - железобетонный настил; 2 - асфальтовое покрытие; 3 - деревянные съемные брусья; 4 - деревянные подкладки; 5 - железобетонная шпала; 6 - деревянный лежень

Столбики, перила, ограды, стойки габаритных ворот, столбы знаков, стойки шлагбаумов, мачты светофоров переездной сигнализации должны располагаться от кромок проезжей части автодороги на расстоянии не менее 0,75 м.

5.11. На подходах к переездам должны быть предупредительные знаки: со стороны подхода поездов постоянные предупредительные сигнальные знаки «С» о подаче свистка, а со стороны автомобильной дороги - предупредительные сигнальные знаки «Берегись поезда» (крестообразной формы - перед неохраняемыми переездами и прямоугольной формы - перед охраняемыми переездами).

Сигнальные знаки «С» о подаче свистка устанавливаются на расстоянии 500-1500 м (на перегонах, где будут обращаться поезда со скоростями более 120 км/ч - на расстоянии 800-1500 м) от переезда на обочине земляного полотна железной дороги с правой стороны пути по ходу движения поездов.

Рис. 25. Габаритные ворота (размеры даны в метрах):

1 - железобетонный столб; 2 - металлические растяжки; 3 - запрещающий дорожный знак «Ограничение габаритной высоты»; 4 - деревянная ограничительная планка; 5 - проволочная подвеска; 6 - разделительное устройство; 7 - проезжая часть автодороги; 8 - металлическая ферма; 9 - железобетонный или деревянный столб; 10 - металлическая цепь; 11 - деревянная верхняя планка; 12 - деревянный столб

Перед неохраняемыми переездами с неудовлетворительными условиями видимости, кроме того, должны устанавливаться дополнительные сигнальные знаки «С» на расстоянии 250 м от переезда (на перегонах, где обращаются поезда со скоростью более 120 км/ч - на расстоянии 400 м).

Перед охраняемыми переездами устанавливаются заградительные светофоры на расстоянии не более 800 м и не менее 15 м от переезда.

5.12. Предупредительные сигнальные знаки «Берегись поезда» устанавливаются на расстоянии не менее 20 м от крайних рельсов на обочине автомобильной дороги с правой стороны по ходу движения. При оборудовании неохраняемых переездов автоматической светофорной сигнализацией знаки «Берегись поезда» крестоообразной формы совмещаются со светофорами, устанавливаемыми на расстоянии не ближе 6 м от крайнего рельса.

При оборудовании охраняемых переездов автоматическими шлагбаумами с обеих сторон переезда на обочине автомобильной дороги с правой стороны по ходу движения на расстоянии 40-50 м от крайних рельсов должны быть установлены таблички «Внимание! Автоматический шлагбаум».

5.13. На подходах к переходам для прогона скота на расстоянии 20 м от крайних рельсов устанавливаются таблички с надписями: «Берегись поезда. Место прогона скота», а за пределами полосы отвода, в местах, согласованных с Государственной автомобильной инспекцией, дорожные знаки «Движение запрещено».

5.14. На электрифицированных линиях с обеих сторон переезда должны быть габаритные ворота высотой проезда не более 4,5 м (рис. 25).

Ширина габаритных ворот должна быть не менее ширины переезда.

Габаритные ворота должны устанавливаться на расстоянии не менее 5 м от шлагбаумов в сторону автомобильной дороги и не менее 14 м от крайнего рельса.

Габаритные ворота должны устанавливаться так, чтобы исключалась возможность их объезда и не ухудшалась видимость переездных светофоров и знаков.

Габаритные ворота окрашивают поперечными полосами черного и белого цвета, шириной 200 мм.

На габаритных воротах над серединой проезжей части на высоте не менее 4,5 м от поверхности автомобильной дороги должен быть установлен дорожный знак «Ограничение габаритной высоты» с цифрами на знаке - «4,5 м».

5.15. Охраняемые переезды должны быть оборудованы типовыми шлагбаумами автоматическими или неавтоматическими-с электроприводом или механизированными, а также запасными горизонтально-поворотными шлагбаумами ручного действия.

Неохраняемые переезды такими шлагбаумами не оборудуются.

5.16. Автоматические и не автоматические с электроприводом шлагбаумы на охраняемых переездах должны устанавливаться с длиной брусьев:

при ширине проезжей части до 7 м включительно - 4 м;

при ширине проезжей части от 7 до 9 м включительно - 6 м;

при ширине проезжей части более 9 м - 8 м.

Шлагбаумы должны перекрывать не менее половины проезжей части автомобильной дороги с правой стороны по ходу движения транспортных средств. При этом шлагбаумы должны устанавливаться с таким расчетом, чтобы с левой стороны оставалась неперекрытой проезжая часть дороги шириной не менее 3 м.

При наличии на переездах встречного движения транспортных средств по оси проезжей части автомобильной дороги на протяжении не менее 20 м от шлагбаумов в сторону дороги должна быть нанесена белой краской сплошная «осевая» линия шириной 0,1 м.

На подъездах к переездам, ширина проезжей части которых обеспечивает движение транспортных средств в каждом направлении по двум полосам и более, по оси проезжей части автомобильной дороги на том же протяжении наносятся дне такие же параллельные сплошные линии на расстоянии 0,1 м друг от друга или могут быть сооружены разделительные устройства (брусья, островки), конструкция которых должна соответствовать требованиям СНиПа и утвержденным чертежам.

5.17. Шлагбаумы устанавливаются с правой стороны на обочине автомобильной дороги с обеих сторон переезда на высоте 1-1,25 м от поверхности проезжей части дороги. При этом шлагбаумы, полностью перекрывающие проезжую часть автомобильной дороги, устанавливаются на расстоянии не менее 8,5 м от крайнего рельса; шлагбаумы, не полностью перекрывающие проезжую часть дороги, а также светофоры автоматической светофорной сигнализации устанавливаются на расстоянии не менее 6 м от крайнего рельса.

Устройства по управлению шлагбаумами должны располагаться со стороны зданий переездных постов.

Механизм управления (лебедка) механизированными шлагбаумами, как правило, располагается вблизи от здания переездного поста и в месте наилучшей видимости железнодорожного пути и автомобильной дороги.

Запасные горизонтально-поворотные шлагбаумы ручного действия устанавливаются на расстоянии не менее 1 м от основных шлагбаумов в сторону автомобильной дороги. Эти шлагбаумы должны иметь приспособления для закрепления их в открытом и закрытом положениях и навешивания сигнального фонаря.

Заградительные брусья шлагбаумов (основных и запасных) должны окрашиваться чередующимися полосами красного и белого цвета, наклоненными (если смотреть со стороны автомобильной дороги), вправо к горизонтали под углом 45-60°. Ширина полос принимается 500-600 мм. Конец заградительного бруса должен иметь красную полосу шириной 250-300 мм.

5.18. На охраняемых переездах должны быть построены по типовым проектам помещения для дежурных по переездам - здания переездных постов с выходом вдоль пути.

5.19. Все переезды I и II категорий, а также переезды III и IV категорий, расположенные на участках, оборудованных продольными линиями энергоснабжения, автоблокировкой, или имеющие вблизи другие постоянные источники энергоснабжения, должны иметь электрическое освещение.

Освещаться также должны все переезды, расположенные на станциях.

Освещенность переездов должна быть не менее: I категории - 5; II категории - 3, III категории - 2 и IV категории - 1 лк.

6. СОЕДИНЕНИЯ, ПЕРЕСЕЧЕНИЯ И СПЛЕТЕНИЯ ПУТЕЙ

Общие требования к применению стрелочных переводов и глухих пересечений

6.1. Стрелочные переводы, укладываемые на главных путях станций, разъездов и обгонных пунктов, должны обеспечивать пропуск поездов по прямому направлению со скоростью не меньшей, чем реализуемая на прилегающих перегонах.

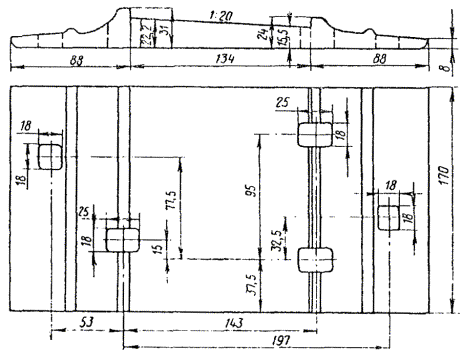
6.2. Стрелочные переводы и глухие пересечения должны соответствовать утвержденным чертежам и типу рельсов, уложенных в путь. Укладка стрелочных переводов колеи 1520 мм должна осуществляться на переводных брусьях согласно эпюрам (приложение 5). При поставке стрелочных переводов с колеей 1524 мм необходимо пользоваться соответствующими эпюрами.

На малодеятельных и подъездных путях допускается с разрешения МПС укладка стрелочных переводов на составных переводных брусьях.

Укладку смежных стрелочных переводов следует производить в соответствии с требованиями, изложенными в приложении 6.

6.3. Стрелочные переводы на новых и переустраиваемых станциях укладываются в соответствии с проектами строго по координатам от разбитого на станции базиса.

6.4. На каждом стрелочном переводе стрелка, крестовина, рельсовый путь между ними и не менее чем по одному звену с обеих сторон перевода должны быть одного типа.

При укладке новых переводов примыкающие к нему рельсы должны быть также новыми, а при укладке старогодных переводов эти рельсы должны иметь одинаковый износ с рельсами перевода. Закрестовинные кривые на главных и приемо-отправочных путях должны быть уложены рельсами того же типа, что и стрелочный перевод.

6.5. Переводные механизмы ручного действия, как правило, устанавливаются с правой стороны по ходу поезда (в противошерстном направлении). Для удобства обслуживания и по условиям видимости сигналов допускается их установка и с левой стороны. Переводной механизм должен быть установлен так, чтобы кронштейн станины, в который вставлена фонарная стойка, был обращен в сторону крестовины.

6.6. Переводные брусья должны укладываться пропитанными антисептиком.

На линиях под электрическую тягу и оборудуемых автоблокировкой и электрической централизацией переводные брусья и шпалы укладываются пропитанными антисептиком, не проводящим электрический ток.

В целях предохранения брусьев от растрескивания их концы должны укрепляться так же, как и у шпал (см. п. 3.18). Размеры переводных брусьев в соответствии с ГОСТом приведены в приложении 2.

6.7. Все рельсы в пределах стрелки, крестовины и контррельсов должны укладываться на специальных подкладках: рельсы между стрелкой и крестовиной необходимо укладывать на плоских подкладках без подуклонки. Если стрелка и крестовина имеют подуклонку, то рельсы соединительных путей между ними укладываются на подкладках с подуклонкой.

6.8. Стрелочные переводы на главных и приемо-отправочных путях и стрелочные переводы, оборудованные электрической централизацией на других путях станций, разъездов и обгонных пунктов, а также стрелочные переводы сортировочных парков и подгорочных путей в пределах тормозных позиций должны укладываться на щебеночном балласте с соответствующим обеспечением водоотвода.

6.9. У каждого стрелочного перевода и глухого пересечения должны быть установлены предельные столбики, указывающие место, ближе которого к стрелочному переводу или глухому пересечению на пути нельзя устанавливать подвижной состав.

Места установки предельных столбиков определяются проектом.

При оборудовании путей электрическими рельсовыми целями изолирующие стыки необходимо располагать в соответствии с проектом.

Нормы укладки и содержания стрелочных переводов и глухих пересечений

6.10. Стрелочные переводы следует укладывать так, чтобы верх головок рельсов на прямых участках располагался в одном уровне.

Отклонение в пределах перевода по уровню допускается не более 2 мм с уклоном отводов:

на стрелочных переводах главных путей - не более 1 мм на l м;

на стрелочных переводах станционных и подъездных путей в зависимости от значимости - от 1 до 2 мм на 1 м;

на стрелочных переводах с движением по прямому направлению со скоростью более 120 км/ч - 1 мм на 1,5 м. Ширина колеи стрелочных переводов должна соответствовать утвержденным эпюрам. Нормы содержания стрелочных переводов по ширине колеи (для колеи 1520 мм) приведены в табл. 7, а места контрольных измерений - на рис. 26, 27.

Расстояние между рабочими гранями контррельса и сердечника крестовины должно быть не менее 1474 мм, а между рабочими гранями контррельса и усовика - не менее 1435 мм (рис. 28).

Таблица 7

Типы стрелочных переводов

Марка крестовины

Размеры

в стыках рамных рельсов (а)

у острия остряка (в)

в корне остряка

в середине кривой (е)

в крестовине и в конце кривой (ж, з, и, к)

на боковой путь (г)

на прямой путь (д)

Одиночные стрелочные переводы

Р65...................................................................................................................

1/22

1520

1521

1520

1520

1520

1520

Р65...................................................................................................................

1/18

1520

1521

1520

1520

1520

1520

Р65...................................................................................................................

1/11

1520

1524

1520

1521*

1520

1520

Р65...................................................................................................................

1/9

1520

1524

1520

1521*

1524

1520

Р50...................................................................................................................

1/18

1520

1521

1520

1520

1520

1520

Р50...................................................................................................................

1/11

1520

1528

1520

1521**

1520

1520

Р50...................................................................................................................

1/9

1520

1528

1520

1521**

1524

1520

Двойные перекрестные стрелочные переводы

Р65...................................................................................................................

1/9

1520

1535

1535

1520

1535

1520

Р50...................................................................................................................

1/9

1520

1535

1535

1520

1535

1520

Симметричные стрелочные переводы

Р50 (для приемо-отправочных путей).......................................................

1/6

1520

1527

1524

-

1524

1520

Р50 (для горочных путей)............................................................................

1/6

1522

1532

1524

-

1524

1520

Допускаемые отступления в сторону:

 

 

 

 

 

 

 

увеличения......................................................................................................

-

3

2

2

2

3

2

уменьшения....................................................................................................

-

2

2

2

2

2

2

* На расстоянии 14100 мм от острия остряка и далее ширина колеи на прямой путь 1520 мм.

** На расстоянии 13750 мм от острия остряка и далее ширина колеи на прямой путь 1520 мм.

Примечание. Остряк криволинейный (секущий).

Рис. 26. Места контрольных измерений ширины колеи на одиночных и симметричных стрелочных переводах и желобов на стрелке и в контррельсах:

1 - передний стык крестовины; 2 - сечение сердечника 40 мм; 3 - конец переводной кривой; 4 - корень остряков; 5 - место изгиба рамного рельса

Рис. 27. Места контрольных измерений ширины колеи на двойных перекрестных стрелочных переводах и желобов на стрелке и в контррельсах:

1 - сечение сердечника крестовины 40 мм; 2 - передний стык крестовины; 3 - в корне остряка прямого; 4 - в корне остряка кривого

Таблица 8

Типы стрелочных переводов

Марка крестовины

Размеры

в корне остряка

в крестовине

на отводах усовиков и контррельсов

в тупой крестовине

по прямому пути (м)

по боковому пути (н)

в горле (о)

от сечения сердечника 20 мм до сечения сердечника 40 мм (п)

в прямой части контррельсов (Р)

в отведенной части (с)

на входах (т)

ширина колеи по брусу в горле

ширина желоба в горле (в прямой части усовиков)

Одиночные стрелочные переводы

Р65...................................................................................................

1/22

124

124

64

46

44

64

86

-

-

Р65...................................................................................................

1/18

133

133

64

46

44

64

86

-

-

Р65...................................................................................................

1/11

1/9

108

108

64

46

44

64

86

-

-

Р50...................................................................................................

1/18

136

136

64

46

44

64

86

-

-

Р50...................................................................................................

1/11

1/9

79

79

64

46

44

64

86

-

-

Двойные перекрестные стрелочные переводы

Р65...................................................................................................

1/9

106

122,4

64

46

44

64

86

1522,3

45

Р50...................................................................................................

1/9

106

122,4

64

46

44

64

86

1522,3

45

Симметричные стрелочные переводы

Р50 (для приемо-отправочных путей).......................................

1/6

-

132

62

46

44

64

86

-

 

Р50 (для горочных путей)...........................................................

1/6

-

115

62

46

44

64

86

-

 

Допускаемые отступления в сторону:

 

 

 

 

 

 

 

 

 

 

увеличения.....................................................................................

-

3

2

3

2

2

3

3

3

3 (2)

уменьшения....................................................................................

-

2

2

2

2

2

2

2

2

 

Примечание. Остряк криволинейный (секущий).

Размеры ширины желобов в стрелочных переводах и допускаемые отклонения приведены в табл. 8.

Места контрольных измерений ширины желобов в крестовинах показаны на рис. 29, 30.

Размеры ширины колеи и желобов для крестовин двойных перекрестных переводов и допускаемые отклонения от этих размеров распространяются также и на крестовины глухих пересечений марок 2/9 и 2/11.

Рис. 28. Схема измерения расстояний между рабочими гранями контррельса и усовика и рабочими гранями контррельса и сердечника крестовины (размеры даны в миллиметрах):

1 - путевой рельс; 2 - контррельс; 3 - усовик; 4 - сердечник

Рис. 29. Места контрольных измерений ширины желобов в острой крестовине:

1 - математический центр; 2 - сечение сердечника 20 мм; 3 - сечение сердечника 40 мм

Рис. 30. Места контрольных измерений ширины желобов в тупых крестовинах и их величины (размеры даны в миллиметрах)

При укладке старогодных стрелочных переводов (колеи 1524 мм) следует руководствоваться требованиями, изложенными в «Инструкции по текущему содержанию железнодорожного пути». При ширине колеи стрелочного перевода 1524 мм (на прямых участках) от стыка рамного рельса и хвоста крестовины должны устраиваться отводы к ширине колеи 1520 мм в соответствии с п. 2.2 настоящей Инструкции.

6.11. На двойных перекрестных стрелочных переводах ширина колеи «по брусу в горле» (см. табл. 8) является расстоянием между математическими центрами тупых крестовин. Так как между теоретической точкой пересечения боковых граней усовой части тупой крестовины, т.е. ее математическим центром и фактической точкой перегиба боковой грани, расстояние около 3 мм, длина малой диагонали должна определяться с учетом этого расстояния (см. рис. 30) и может быть:

в двойных перекрестных стрелочных переводах марки 1/9 - до 1528,3 мм;

в тупых крестовинах глухих пересечений марки 2/9 - до 1535,4 мм, а марки 2/11 - до 1532,3 мм.

6.12. Шаг остряка у стрелок типов Р65, Р50 и Р43 должен быть 152 мм с допусками +8 -2 мм. Учитывая, что выпускаемые электроприводы могут иметь минимальный шаг 150 мм, а также наличие допустимых люфтов в местах соединения рабочих тяг с шибером, разрешается устанавливать минимальный шаг остряка на таких стрелках 147 мм при условии, что минимальный желоб между рамным рельсом и отведенным остряком будет не менее 65 мм.

Шаг остряка измеряется против первой тяги между боковой рабочей гранью головки рамного рельса и нерабочей гранью остряка. Нормы шага остряка на стрелочных переводах приведены в табл. 9.

6.13. Прилегание остряков к стрелочным подушкам должно быть плотным.

Проверка прилегания остряка к рамному рельсу при запертом положении остряка должна осуществляться перекидкой на 180° баланса. При этом просвет между рамным рельсом и остряком, измеренный напротив первой тяги, должен быть не более 4 мм. На централизованных стрелочных переводах для этой цели между остряком и рамным рельсом вставляется шаблон (зазорник). При вставленном шаблоне контроль замыкания стрелки должен отсутствовать. Во всех случаях должно быть обеспечено точное совпадение рабочих граней остряка и примыкающего к его корню рельса.

Остряк должен плотно прилегать к упорным болтам. Просвет между рабочей гранью упорных болтов и шейкой остряка допускается не более 1 мм.

Таблица 9

Типы стрелочных переводов

Шаг остряка по оси первой тяги, мм

Допускаемые отступления, мм в сторону

увеличения

уменьшения

Одиночные стрелочные переводы

Р65, Р50, Р43

152

8

2

Двойные перекрестные стрелочные переводы

P65, Р50, Р43

152

8

2

Р43

145

5

2

Двойные перекрестные стрелочные переводы с подвижными сердечниками

Р50

152 (остряки стрелки)

8

2

Р50

84 (сердечники крестовины)

4

2

Р43

152 (остряки стрелки)

8

2

Р43

84 (сердечники крестовины)

4

2

Симметричные стрелочные переводы

Р65, Р50, Р43 марок 1/11-1/6

152

8

2

На тупых крестовинах с подвижными сердечниками проверка прилегания подвижного сердечника (остряка) к усовику при запертом его положении должна производиться также перекидкой баланса. Возможный при этом просвет между сердечником и усовиком должен быть меньше 4 мм. На централизованных переводах между сердечником и усовиком вставляется шаблон толщиной 4 мм. При вставленном шаблоне контроль замыкания подвижного сердечника должен отсутствовать.

Таблица 10

Типы стрелочных переводов

Марка крестовины

в корне остряка

Расстояние от корня остряка, м

Ординаты в конце переводной кривой

Расстояние от корня остряка до конца кривой, мм

0

4

6

8

10

12

14

16

Обыкновенные стрелочные переводы

Р65........................................................................................................

1/22

196,5

232

270

311

355

401,5

450,5

503

557,5*

1471

40868

Р65........................................................................................................

1/11

181

259

350

455

573

704

849

1008

1179,5

1223

16478

Р65........................................................................................................

1/9

181

259

350

460

590

740

910

1100

1311

1326

16135

Р65; Р50...............................................................................................

1/18

203

251

300

353

410

472

537

607

681*

1458

32648

Р50........................................................................................................

1/11

149

223

311

412,5

527

656

798

953

1122,5

1200

16867

Р50........................................................................................................

1/9

149

223

312

419,5

547

695

863

1052

1260

1297

16335

Симметричные стрелочные переводы**

Р50 (для приемо-отправочных путей).............................................

1/6

661,5

591,5

501,4

391,3

261

111

-

-

-

70

10501

Р50 (для горочных путей).................................................................

1/6

670

594

498

382

246

-

-

-

-

95

9941

* Последующие ординаты равны (числитель - расстояние от корня остряка, м, знаменатель - ординаты, мм):

для переводов Р65 марки 1/22 ; ; ; ; ; ; ; ; ; ; ; ;

для переводов Р65 и Р50 марки 1/18 ; ; ; ; ; ; ; .

** Ординаты симметричных стрелочных переводов измеряются от оси прямого направления до рабочей грани упорной нити переводной кривой.

Таблица 11

Типы стрелочных переводов

Наименование путей

На стрелке

На крестовине

 

Вертикальный износ рамных рельсов

Боковой износ рамных рельсов и остряков в сечении 20 мм

Выкрашивание концов остряков, считая от острия

Вертикальный износ

Поверхностное выкрашивание сердечника на длине не более (от острия)

 

усовиков между горлом и сечением сердечника 30 мм

сердечника в сечении 40 мм

без укрытия конца остряка

с укрытием конца остряка

 

Р50 и тяжелее

Главные

4

3

4

100

3

3

50

 

Приемо-отправочные

5

3

4

150

4

4

100

 

Прочие

6

5

6

200

5

5

150

 

Р43

Главные

3

3

4

100

3

3

0

 

Приемо-отправочные

4

3

4

150

4

4

50

 

Прочие

5

5

6

200

5

5

100

 

На переводах с подвижными сердечниками тупых крестовин во всех случаях должно быть обеспечено совпадение рабочих граней остряка, подвижного сердечника и примыкающих к ним рельсов. Расстояние между передними концами подвижных сердечников должно быть не менее 20 мм.

6.14. Переводные кривые на стрелочных переводах устанавливаются по ординатам, приведенным в табл. 10. Отклонение от значений, указанных в таблице, разрешается в пределах ±1 мм.

Отвод уширения на стрелочной переводной кривой делается по эпюре перевода за счет сдвижки внутренней нити кривой.

Ординаты переводной кривой должны измеряться от внутренней грани наружного рельса прямого направления до внутренней грани упорной нити переводной кривой. Ординаты симметричных стрелочных переводов должны измеряться от оси прямого направления до рабочей грани упорной нити переводной кривой.

6.15. При укладке в путь старогодных стрелочных переводов износ их металлических частей не должен превышать величин, указанных в табл. 11 (в мм).

Противоугонные устройства на стрелочных переводах

6.16. Стрелочные переводы марки 1/11 и 1/9, расположенные на путях приема и отправления поездов, горочных, подгорочных или сортировочных путях, при одностороннем движении закрепляются 44 парами пружинных противоугонов (рис. 31), работающих в одном направлении, а при двухстороннем движении поездов - 44 парами пружинных противоугонов (рис. 32), работающих в обе стороны.

Направление движения

¾¾¾¾¾¾¾>

Рис. 31. Схема закрепления от угона стрелочного перевода марки 1/11 или 1/9 пружинными противоугонами при одностороннем движении

Рис. 32. Схема закрепления от угона стрелочного перевода марки 1/11 или 1/9 пружинными противоугонами при двухстороннем движении

Стрелочные переводы марки 1/22 при двухстороннем движении закрепляются 100 парами пружинных противоугонов, при одностороннем - 88 парами и марки 1/18 соответственно 66 и 56 парами по схемам, приведенным на рис. 33.

Рис. 33. Схема закрепления от угона стрелочных переводов пружинными противоугонами при одностороннем движении:

а - перевод марки 1/22; б - перевод марки 1/18

Стрелочные переводы на прочих станционных путях следует закреплять от угона по указанным выше схемам с учетом местных условий.

7. ПУТЕВЫЕ И СИГНАЛЬНЫЕ ЗНАКИ

7.1. У главных путей устанавливаются сигнальные и путевые знаки. У стрелочных переводов и в других местах соединения путей устанавливаются предельные столбики. Для указания границ железнодорожной полосы отвода, а также для обозначения на поверхности земли скрытых сооружений земляного полотна устанавливаются особые знаки.

7.2. Сигнальные знаки устанавливаются с правой стороны по направлению движения, а путевые - с правой стороны по счету километров на расстоянии не менее 3100 мм от оси крайнего пути.

В выемках (кроме скальных) и на выходах из них (на длине 100 м) путевые знаки должны устанавливаться на расстоянии не менее 5700 мм от оси крайнего пути. На электрифицированных участках сигнальные и путевые знаки могут устанавливаться на опорах контактной сети, кроме тех опор, на которых установлены светофорные головки или разъединители контактной сети.

7.3. Предельные столбики устанавливаются посредине междупутья в том месте, где расстояние между осями сходящихся путей составляет 4100 мм.

На перегрузочных путях с суженным междупутьем предельные столбики устанавливаются в том месте, где ширина междупутья достигает 3600 мм.

На кривых участках пути указанные расстояния должны быть увеличены в соответствии с таблицей габаритных уширений.

7.4. Порядок установки путевых и сигнальных знаков, а также конструкция знаков и технические условия на их изготовление указаны в «Правилах технической эксплуатации железных дорог Союза ССР», «Инструкции по сигнализации на железных дорогах СССР», «Инструкции по движению поездов и маневровой работе на железных дорогах СССР», «Инструкции по обеспечению безопасности движения поездов при производстве путевых работ» и специальном приказе МПС.

8. ПОКИЛОМЕТРОВЫЙ ЗАПАС МАТЕРИАЛОВ ВЕРХНЕГО СТРОЕНИЯ ПУТИ

8.1. Покилометровый запас материалов верхнего строения пути должен быть уложен в соответствии с нормами, установленными МПС.

8.2. По износу рельсы должны соответствовать рельсам, лежащим в пути, с разностью не более 1 мм и храниться на каждом километре на стеллажах (рис. 34). На головке рельса, на расстоянии 1 м от левого торца, светлой масляной краской указывается (только цифрами) группа, тип и длина рельса, а на шейке - группа и пропущенный тоннаж в миллионах тонн. Например:

На головке рельса............. 1        50      25,00

На шейке рельса................ 1      300

8.3. Накладки, подкладки, прокладки, клеммы, болты с гайками и шайбами, костыли, противоугоны и другие детали следует хранить в кладовых. Болты с гайками и шайбами хранятся смазанными в отдельных ящиках, а другие скрепления - в ларях. На ящиках и ларях указывается наименование, тип и количество скреплений.

8.4. Шпалы хранят в штабелях. На каждом штабеле должна быть табличка с указанием количества шпал. Нижний ряд шпал укладывается на подкладки из старых здоровых шпал или пластин. Верхний ряд шпал или брусьев укладывается с наклоном; продольные ряды должны опираться на поперечно уложенные только концами.

Рис. 34. Стеллаж для хранения рельсов покилометрового запаса:

а - схема расположения опор стеллажа для рельсов длиной 23 м; б - вид опоры со стороны пути; в - расположение стеллажа на насыпи; г - то же в выемке; 1 - поворачивающаяся слега; 2 - проволочная обвязка

Места хранения мостовых и переводных брусьев устанавливаются по согласованию с заказчиком. Лапчатые болты хранятся в пункте хранения мостовых брусьев или в кладовой.

8.5. Запас стрелок, крестовин и частей переводов хранится смазанным антикоррозийной смазкой на станциях вблизи кладовых.

8.6. Снеговые щиты хранятся летом на прокладках в штабелях по 52 шт. в каждом на расстоянии 100 м друг от друга. Снеговые колья хранятся в штабелях по 100-250 шт. в каждом. Места хранения щитов и кольев окапываются канавкой.

Приложение 1

ГАБАРИТЫ ПРИБЛИЖЕНИЯ СТРОЕНИЙ И ПОДВИЖНОГО СОСТАВА ЖЕЛЕЗНЫХ ДОРОГ КОЛЕИ 1520 (1524) мм ДЛЯ ЛИНИЙ СО СКОРОСТЬЮ ДВИЖЕНИЯ ПОЕЗДОВ НЕ ВЫШЕ 160 км/ч (по ГОСТ 9238-73)

Стандарт распространяется на габариты приближения строений и подвижного состава железных дорог колеи 1520 (для новых линий) и колеи 1524 мм (для существующих линий до перехода на колею 1520 мм) общей сети СССР, подъездных путей от станции примыкания до территории промышленных предприятий, путей на территории промышленных предприятий и между ними, скорость движения поездов на которых не превышает 160 км/ч.

Для линий и участков железных дорог со скоростью движения поездов свыше 160 км/ч габаритные нормы устанавливаются дополнительными указаниями Министерства путей сообщения.

Основные положения

1.1. Габаритом приближения строений железных дорог называется предельное поперечное перпендикулярное оси пути очертание, внутрь которого, кроме подвижного состава, не должны заходить никакие части сооружений и устройств, а также лежащие около пути материалы, запасные части и оборудование.

Исключение составляют части устройств, предназначаемых для непосредственного взаимодействия с подвижным составом: вагонных замедлителей и подвагонных толкателей в рабочем состоянии, контактных проводов с деталями крепления, хоботов гидравлических колонок при наборе воды и других, при условии, что положение этих устройств во внутригабаритном пространстве увязано с частями подвижного состава, с которыми они могут соприкасаться, и что они не могут вызвать соприкосновения с другими элементами подвижного состава.

1.2. Габаритом подвижного состава железных дорог называется предельное поперечное перпендикулярное оси пути очертание, в котором, не выходя наружу, должен помещаться установленный на прямом горизонтальном пути как в порожнем, так и в нагруженном состоянии не только новый подвижной состав, но и подвижной состав, имеющий максимальные нормируемые допуски и износы за исключением бокового наклонения на рессорах.

1.3. Пространство между габаритом приближения строений и габаритом подвижного состава, а также между габаритами смежных подвижных составов предназначено для смещений подвижного состава, которые вызываются отклонениями в состоянии отдельных элементов пути, а также колебаниями и боковыми наклонениями подвижного состава на рессорах.

1.4. Установленные стандартом габаритные нормы применяются:

а) при строительстве новых железных дорог, сооружений, устройств и постройке подвижного состава;

б) при реконструкции существующих железных дорог, сооружений, устройств (постройке вторых путей, электрификации и др.) и модернизации подвижного состава.

1.5. Порядок применения стандарта при новом строительстве, реконструкции и эксплуатации железных дорог, сооружений, устройств и подвижного состава, в том числе построенных до введения в действие стандарта, устанавливается указаниями по его применению, утверждаемыми Министерством путей сообщения по согласованию с Госстроем СССР и Госстандартом СССР.

Габариты приближения строений

1.6. Габариты приближения строений железных дорог колеи 1520 (1524) мм должны соответствовать рис. 1-3.

1.7. Размеры основных очертаний габаритов приближения строений С и Сп, показанных на рис. 1 и 2 сплошными линиями, и расстояние между осями главных путей 4100 мм являются минимально допустимыми и обеспечивают только безопасность прохода подвижного состава и находящихся на нем обслуживающего персонала железнодорожного транспорта и пассажиров. Поэтому эти размеры в местах работы и передвижения обслуживающего персонала железнодорожного транспорта и работников промышленных предприятий должны, в ряде случаев, дополнительно увеличиваться на величины, гарантирующие наличие между подвижным составом и сооружением или устройством, или между подвижными составами, находящимися на смежных путях, зазоров, обеспечивающих безопасность работников указанных категорий.

Необходимые величины таких зазоров устанавливаются в зависимости от места расположения путей, их назначения, специфики предприятия в соответствии с требованиями строительных норм и правил (СНиП) по проектированию железных дорог.

1.8. Верхние очертания всех вновь строящихся сооружений и устройств железных дорог общей сети и подъездных путей от станции примыкания до территории промышленных предприятий должны соответствовать очертаниям I - II - III или Iа - IIа - IIIa - IVa (см. рис. 1). Верхнее очертание габаритов для переустраиваемых сооружений и устройств на этих путях может устанавливаться с отступлениями от очертаний I - II - III и Iа - IIа - IIIa - IVa с разрешения министерства или ведомства, в ведении которого находятся указанные пути, но при этом должно обеспечиваться соблюдение нормативов по переустройству сооружений и устройств под электротягу.

Верхние очертания всех вновь строящихся и переустраиваемых сооружений и устройств на электрифицируемых или намечаемых в перспективе к электрификации с верхним контактным проводом участках пути, находящихся на территориях промышленных предприятий, а также между ними, устанавливаются по отдельным нормам.

1.9. Размеры габаритов приближения строения и расстояния между осями путей на рис. 1 и 2 даны для прямых участков пути. В кривых участках пути размеры габаритов приближения строений и расстояния между осями путей увеличиваются из условия прохода, принятого за расчетный, двухосного вагона длиной 24 м, с направляющей базой 17 м с той же степенью безопасности, что и в прямых участках пути, с учетом максимально возможных скоростей движения поездов на перспективу.

Рис. 1. Габарит С:

 - линия приближения всех вновь строящихся сооружений и устройств, кроме расположенных на путях, электрификация которых исключается даже при электрификации данной линии: I - II - III - для перегонов, а также путей на станциях пределах искусственных сооружений), на которых не предусматривается стоянка подвижного состава; Ia - IIa - IIIa - IVa - для остальных путей станций.

Числа даны дробью: в числителе - для контактной подвески с несущим тросом; в знаменателе - для контактной подвески без несущего троса;

 - линия приближения сооружений и устройств на путях, электрификация которых исключена даже при электрификации данной линии;

 - линия приближения зданий, сооружений и устройств (кроме мостов, тоннелей, галерей и платформ), расположенных с внешней стороны крайних путей перегонов и станций, а также у отдельно лежащих путей на станциях. При этом во всех случаях опоры, мачты, столбы и другие сооружения и устройства не должны ограничивать требуемую дальность видимости светофоров и семафоров. В особо трудных условиях это расстояние при соответствующем обосновании может быть, по разрешению министерства или ведомства, в ведении которого находятся железнодорожные пути, уменьшено: до опор контактной сети, мачт светофоров и семафоров и подпорных стенок - до 2750 мм на перегонах и 2450 мм на станциях; до выступающих частей карликовых светофоров при высоте их не более 1100 мм (считая от уровня верха головки рельса) - до 1920 мм;

 - линия, выше которой на перегонах и в пределах полезной длины путей на станциях не должно подниматься ни одно устройство, кроме искусственных сооружений, настилов переездов, индукторов локомотивной сигнализации, а также стрелочных переводов и расположенных в их пределах устройств СЦБ;

 - линия приближения фундаментов зданий, фундаментов опор, прокладки тросов, кабелей, трубопроводов и других, не относящихся к пути сооружений на перегонах и станциях, за исключением искусственных сооружений и устройств СЦБ в местах расположения сигнальных и трансляционных точек;

 - для тоннелей и перил на мостах, эстакадах и других искусственных сооружениях.

Примечания. 1. Габарит С на станциях, кроме очертания Ia - IIa - IIIa - IVa относится также и к остановочным пунктам.

2. Высокие грузовые и пассажирские платформы могут в отдельных случаях в виде исключения с разрешения Министерства путей сообщения строиться высотой более 1100 мм и отстоять от оси пути на расстоянии менее 1920 мм, но не менее 1750 мм при условии обеспечения безопасности движения, а также безопасности обслуживающего персонала и пассажиров.

3. В местах установки опор, мачт и отдельно стоящих столбов на расстоянии от оси пути менее 3100 мм, размеры 3100 и 2900 мм, определяющие горизонтальные границы линий  и  могут быть соответственно уменьшены.

Рис. 2. Габарит Сп:

 - линия приближения зданий, сооружений и устройств (кроме мостов, тоннелей, галерей и платформ), расположенных с внешней стороны крайних путей, соединяющих станции на территории промышленных предприятий. При этом во всех случаях опоры, мачты, столбы и другие сооружения и устройства не должны ограничивать требуемую дальность видимости светофоров и семафоров. В особо трудных условиях это расстояние при соответствующем обосновании может быть, по разрешению министерства или ведомства, в ведении которого находятся железнодорожные пути, уменьшено: до опор контактной сети, мачт светофоров, семафоров и подпорных стенок до 2750 мм на перегонах и 2450 мм на станциях до выступающих частей карликовых светофоров при высоте их не более 1100 мм (считая от уровня верха головки рельса) - до 1920 мм;

 - линия, выше которой на перегонах и в пределах полезной длины путей на станциях не должно подниматься ни одно устройство, кроме искусственных сооружений, настилов переездов, индукторов локомотивной сигнализации, а также стрелочных переводов и расположенных в их пределах устройств СЦБ;

 - линия приближения строений подкрановых балок, ригелей проемов ворот и тому подобных сооружений и устройств на путях, предназначаемых для эксплуатации только специального подвижного состава промышленного транспорта высотой не более 4700 мм. Допускаемая этой линией постройка сооружений и устройств высотой 4800 мм может производиться с разрешения министерства или ведомства, в ведении которого находятся соответствующие пути;

 - линия приближения существующих отдельно стоящих стоек проемов ворот производственных зданий, а также выступающих частей зданий (пилястр, контрфорсов, лестниц и др.) при их длине вдоль пути не более 1000 мм. В особо трудных условиях при соответствующем обосновании и по разрешению министерства или ведомства, в ведении которого находятся железнодорожные пути, применение этой линии может быть допущено при строительстве указанных устройств вновь;

 - линия приближения погрузочно-выгрузочных и сливно-наливных устройств, устройств по техническому обслуживанию, экипировке и ремонту подвижного состава и других технологических устройств в нерабочем положении, расположенных на станционных (кроме главных и приемо-отправочных) путях. Допускается уменьшать расстояние от оси пути до этой линии в соответствии с указаниями по применению габаритов приближения строений, утверждаемыми Министерством путей сообщения по согласованию с Госстроем СССР и Госстандартом СССР;

 - для тоннелей и перил на мостах, эстакадах и других искусственных сооружениях.

Примечания. 1. Высокие грузовые и пассажирские платформы могут в отдельных случаях в виде исключения с разрешения соответствующего министерства или ведомства строиться высотой более 1100 мм и отстоять от оси пути на расстоянии менее 1920 мм, но не менее 1750 мм при условии обеспечения безопасности движения, а также безопасности обслуживающего персонала и пассажиров.

2. На путях, по которым возможен пропуск негабаритных грузов, не должно быть ни одного сооружения или устройства, не отвечающего на высоте более 1100 мм от уровня верха головки рельса основному очертанию габарита Сп, показанному сплошными линиями.

Размеры габаритов приближения строений и расстояний между осями и кривых участках пути устанавливаются указаниями по применению габаритов приближения строений.

1.10. Размеры габарита приближения строений в кривых участках пути отсчитываются: горизонтальные - от вертикальной линии, проходящей внутри колеи на расстоянии 760 (762) мм от рабочей грани головки ближайшего к сооружению или устройству рельса; вертикальные - от уровня верха головки внутреннего рельса.

Рис. 3. Нижнее очертание габаритов С и Сп для двойных перекрестных стрелочных переводов

Примечание. Приведенное на рис. 3 очертание устанавливает допускаемые нормы возвышения над уровнем верха головки рельса и удаления от оси пути частей тупых крестовин и не является каким-либо конкретным сечением стрелочного перевода.

1.11. Установленные стандартом вертикальные размеры габаритов приближения строений должны соблюдаться в течение всего периода эксплуатации каждого сооружения и устройства. Поэтому строительные размеры сооружений и устройств по высоте должны назначаться с учетом возможного изменения уровня верха головок рельсов: понижения - вследствие износа рельсов, повышения - вследствие укладки более высоких типов рельсов, перехода на щебеночный балласт и др.

Габариты подвижного состава

1.13. Габариты подвижного состава железных дорог колеи 1520 (1524) мм должны соответствовать указанным на рис. 4-5.

Рис. 4. Габарит Т:

а - верхнее очертание; б - нижнее очертание:

 - только для сигнальных устройств;

 - для выступающих частей: поручней, подлокотников, козырьков для стока воды, параванов и др. В открытом положении параваны должны вписываться в очертание для сигнальных устройств;

¾¾¾¾ - для обрессоренных мастей кузова;

- для обрессоренной рамы тележки и укрепленных на ней частей;

 - для необрессоренных частей

Рис. 5. Габарит IT:

а - верхнее очертание; б - нижнее очертание:

 - только для сигнальных устройств;

 - для выступающих частей: поручней, подлокотников, козырьков для стока воды, параванов и др. В открытом положении параваны должны вписываться в очертание для сигнальных устройств;

¾¾¾¾ - для обрессоренных частей кузова;

- для обрессоренной рамы тележки и укрепленных на ней частей;

 - для необрессоренных частей

Приложение 2

ХАРАКТЕРИСТИКА МАТЕРИАЛОВ ВЕРХНЕГО СТРОЕНИЯ ПУТИ

Рельсы

1. Поперечные профили рельсов типов Р65, Р50 и Р43 даны на рис. 1-3, а расчетные данные приведены в табл. 1.

Таблица 1

Показатели

Измеритель

Тип рельсов

Р65

Р50

Р43

Площадь поперечного сечения рельса...................................................

1 см2

82,65

65,99

57,0

Расстояние от центра тяжести:

 

 

 

 

до низа подошвы.................................................................................

1 мм

81,3

70,5

69,0

до верха головки.................................................................................

»

98,7

81,5

71,0

Момент инерции относительно осей:

 

 

 

 

горизонтальной....................................................................................

1 см4

3540

2011

1489,0

вертикальной.......................................................................................

»

564

375

260,0

Момент сопротивления:

 

 

 

 

по низу подошвы.................................................................................

1 см3

435

285

217,3

по верху головки.................................................................................

»

358

247

208,3

по боковой грани подошвы...................................................................

»

75

55

45

Теоретическая линейная плотность 1 м рельса (при плотности стали 7830 кг/м3).................................................................................................

1 кг

64,72

51,67

44,653

Распределение металла по площади поперечного сечения, % от всей площади:

 

 

 

 

в головке............................................................................................

%

34,11

38,12

42,83

в шейке..............................................................................................

»

28,52

24,46

21,31

в подошве...........................................................................................

»

37,37

37,42

35,86

Рельсы выпускаются первого и второго сортов. Рельсы второго сорта используются, если это предусмотрено проектом. Рельсы Р65 с тремя отверстиями у стыков и с шестидырными накладками используются на концах бесстыковых плетей и как уравнительные рельсы между бесстыковыми плетями. Такие же рельсы могут быть использованы в звеньевом пути на отдельных участках железных дорог Севера, Сибири и Дальнего Востока с большой амплитудой колебания температуры. До поставки заводами рельсов с тремя отверстиями третье отверстие сверлится средствами потребителя.

Рис. 1. Рельс типа Р65 (ГОСТ 8161-75):

1 - линия центра; 2 - ось болтового отверстия; 3 - нейтральная ось

2. Рельсы типов Р50 и Р65 выпускаются с закаленными концами и термообработанные объемной закалкой в масле и с поверхностной закалкой.

Длина рельсов, подвергаемых термической обработке, устанавливается с учетом изменения длины при термической обработке.

Предельные отклонения по длине закаленных рельсов не должны превышать ±9 мм - для рельсов длиной 25 м с болтовыми отверстиями; +10 -20 - для рельсов длиной 25 м без болтовых отверстий; ±7 - для рельсов длиной 12,5 м с болтовыми отверстиями и для рельсов длиной 12,52 м с болтовыми отверстиями на одном конце.

Закаленные по всей длине рельсы поставляются только первого сорта, но двух категорий. К закаленным рельсам первой категории относятся рельсы, полностью удовлетворяющие требованиям технических условий, а ко второй - рельсы с несколько пониженными прочностными свойствами. Количество рельсов второй категории не должно превышать 5 %.

Рис. 2. Рельс типа Р50 (ГОСТ 7174-75):

1 - ось болтового отверстия и линия центра; 2 - нейтральная ось

Закаленные по всей длине рельсы используются преимущественно на кривых участках пути.

Рис. 3. Рельс типа Р43 (ГОСТ 7173-54):

1 - ось болтового отверстия и линия центра; 2 - нейтральная ось

3. Все новые рельсы маркируются на заводах в соответствии с действующими стандартами и техническими условиями (рис. 4). Маркировка делается постоянной (клеймением) и временной (красками).

Рис. 4. Основная маркировка новых рельсов:

а - рельсы первого сорта; б - рельсы второго сорта; 1 - инспекторские клейма «ключ и молоток», «серп и молот» - первый сорт; два клейма «ключ и молоток» - второй сорт; 2 - отпечаток от керна (один рельс первого или два - второго сорта); 3 - клеймо ОТК; 4 - окантовка белой краской на рельсах первого сорта; 5 - буква «К» - рельсы с закаленными концами; 6 - красная краска на рельсах второго сорта

На рельсах первого сорта на обоих торцах головки имеется один отпечаток от керна. На одном торце головки рельса имеются инспекторские клейма: на рельсах первого сорта «серп и молот» и «ключ и молоток»; на рельсах второго сорта - два знака «ключ и молоток». Торец с инспекторскими клеймами на рельсах первого сорта окрашивается по контуру головки белой краской. На рельсах второго сорта на обоих торцах головки наносится по два керна, а торец, подошвы и половина шейки окрашиваются красной краской.

Укороченные рельсы для кривых участков пути длиной 24,92 м имеют белую окраску левого края торца подошвы, а длиной 24,84 м - белую окраску обоих краев торца подошвы (рис. 5, а, б). Рельсы с закаленными концами имеют на головке рельса белую полосу и букву К на торце (рис. 5, в).

Рис. 5. Дополнительная маркировка рельсов:

а - рельс имеет укорочение 80 мм; б - рельс имеет укорочение 160 мм; в - рельс с закаленными концами

Рельсы, закаленные по всей длине (рис. 6), клеймятся буквой З на нижней части торца шейки и окрашиваются светло-зеленой краской полосой шириной около 20 мм на обеих сторонах шейки на расстоянии 700-1000 мм от торца с инспекторским клеймом, а торцы головок, на которых выбиты инспекторские клейма, обводятся: у рельсов первой категории - светло-зеленой краской, у рельсов второй категории - желтой краской.

Рис. 6. Маркировка закаленных рельсов:

1 - окантовки зеленой краской на рельсах 1 сорта 1 категории или желтой краской на рельсах 1 сорта 2 категории; 2 - зеленая полоса на шейке рельса на расстоянии 1 м от торца; 3 - рельс, закаленный по всей длине

Если весь торец окрашен синей краской, рельс забракован.

Отсутствие инспекторских клейм свидетельствует о непригодности рельсов для укладки на путях общего пользования.

Накладки рельсовые

(по ГОСТ 8193-73, 19128-73, 19127-73)

Основные данные по двухголовым накладкам к рельсам типов Р65, Р50 и Р43 приведены в табл. 2 и на рис. 7, 8, 9.

Таблица 2

Тип рельсов

Масса одной накладки, кг

Длина, мм

Количество болтовых отверстий

Р65

29,50

1000

6

Р65

23,78

800

4

Р50

18,77

820

6

Р50

12,36

540

4

Р43

16,01

790

6

Р43

9,49

470

4

Рис. 7. Двухголовая накладка (ГОСТ 8193-73)

Рис. 8. Двухголовая накладка (ГОСТ 19128-73)

Рис. 9. Двухголовая накладка (ГОСТ 19127-73)

Болты, гайки и шайбы для рельсовых стыков

(по ГОСТ 11530-76, 11532-76, 21797-76)

Размеры болтов должны соответствовать указанным в табл. 3 и на рис. 10.

Таблица 3

Номинальный диаметр резьбы d

М22

М24

М27

Диаметр головки D.....................................................................................................................................

37

40

46

Высота головки H.......................................................................................................................................

13

14

17

Несоосность оси головки относительно оси стержня, не более........................................................

 

0,9

 

Размеры подголовка:

 

 

 

b.............................................................................................................................................................

31

33

38

b1...........................................................................................................................................................

30

32

37

S.............................................................................................................................................................

22

24

27

h.............................................................................................................................................................

 

12

 

h1...........................................................................................................................................................

 

6

 

Примечание. Здесь и далее размеры даны в миллиметрах.

Рис. 10. Болт (а) с гайкой (б)

Масса болтов определена, исходя из номинальных размеров и плотности стали 7850 кгс/м3 (табл. 4).

Таблица 4

Обозначение болтов

Масса, кг

Обозначение болтов

Масса, кг

М22×135

0,448

2М22×140

0,449

М24×150

0,585

2М24×160

0,592

М27×160

0,818

2М27×180

0,872

Размеры гаек для болтов рельсовых стыков приведены на рис. 10 и в табл. 5.

Таблица 5

Номинальный диаметр резьбы d

М22

М24

М27

Размер «под ключ» S....................................................................................................................

36

41

Высота H номинальная.................................................................................................................

25

27

30

Предельное отклонение...............................................................................................................

±1,3

±1,5

±2,0

Диаметр описанной окружности D, не менее:

 

 

исполнение 1...................................................................................................................................

38,8

44,4

исполнение 2...................................................................................................................................

39,6

45,2

Смещение оси отверстия относительно граней, не более......................................................

1

Масса гаек определена, исходя из номинальных размеров и плотности стали 7850 кгс/м3 (табл. 6).

Таблица 6

Исполнение 1

Исполнение 2

Обозначение гаек

Масса, кг

Обозначение гаек

Масса, кг

М22

0,154

2М22

0,152

М24

0,155

2М24

0,153

М27

0,222

2М27

0,220

Размеры одновитковых шайб приведены в табл. 7 и на рис. 11, а, пружинных двухвитковых шайб - на рис. 11, б.

Рис. 11. Шайба пружинная:

а - одновитковая; б - двухвитковая

Таблица 7

Номинальные диаметры резьбы болта d

М22

М24

М27

Диаметр шайбы D.........................................................................................

24

26

29

Поперечное сечение, мм

Толщина S..................................................................................

Ширина b...................................................................................

8

9

10

Болты и гайки раздельного скрепления

По соглашению с потребителем и предприятием-изготовителем допускается изготовление клеммных болтовис. 12) с измененными размерами как их длины в пределах от 70 до 100 мм, так и длины резьбы и пределах от 40 до 72 мм, которые должны указываться в заказе.

Рис. 12. Клеммные болты для рельсовых скреплений (ГОСТ 16016-70):

а - исполнение 1; б - исполнение 2

Рис. 13. Болты закладные для рельсовых скреплений (ГОСТ 16016-70):

а - исполнение 1; б - исполнение 2

Закладные болты (рис. 13) изготавливаются с цинковым покрытием с хроматированием и без металлического покрытия.

По соглашению между потребителем и предприятием-изготовителем допускается изготовление закладных болтов с измененными размерами как их длины в пределах от 140 до 200 мм, так и длины резьбы в пределах от 40 до 80 мм, которые должны указываться в заказе.

Болты должны быть укомплектованы гайкамиис. 14). Гайки могут быть навинчены на болты или упакованы в тару. При упаковке гаек в тару транспортировка их должна производиться совместно с болтами.

Рис. 14. Гайки для клеммных и закладных болтов рельсовых скреплений (ГОСТ 16018-70):

а - исполнение 1; б - исполнение 2

Масса 1000 шт. болтов (справочная): исполнения 1 - 565 кг, исполнения 2 - 605 кг.

Гайки должны иметь то же покрытие, что и комплектуемые ими клеммные или закладные болты.

Масса 1000 шт. гаек (справочная): исполнения 1 - 126 кг, исполнения 2 - 114 кг.

Подкладки рельсовые

Размеры и масса подкладок раздельного скрепления к рельсам типов Р65 и Р50 приведены в табл. 8 и на рис. 15-22.

Таблица 8

Наименование подкладок

Тип рельсов

Масса одной подкладки, кг

Размеры, мм

Величина подуклонки

ширина

длина

толщина по оси

Марки К плоские с болтовым прикреплением к железобетонной шпале:

 

 

 

 

 

 

по ГОСТ 16278-70 исполнение 1 и 3...............................................................

Р50

6,45

140

370

14

0

исполнение 2 (по ГОСТ 16279-70)..................................................................

Р50

6,95

140

370

15,5

0

исполнение 1 и 3...........................................................................................

Р65

6,50

140

370

14

0

исполнение 2................................................................................................

Р65

7,00

140

370

15,5

0

Марки К плоские с шурупным прикреплением к деревянной шпале.....................

Р65

9,6

370

165

19,775

1/20

Р50

8,45

350

160

18,325

1/20

Двухребордчатые с костыльным прикреплением к шпале:

 

 

 

 

 

 

по ГОСТ 8194-75..........................................................................................

Р65

7,66

360

170

19,8

1/20

по ГОСТ 12135-75........................................................................................

Р50

6,20

310

170

18,85

1/20

по ГОСТ 7056-66..........................................................................................

Р43

5,26

290

160

18,4

1/20

То же для кривых участков пути......................................................................

Р65

7,83

370

170

20,15

1/20

Р50

6,64

340

170

20,15

1/20

То же плоские для стрелочных переводов:

 

 

 

 

 

 

по ГОСТ 8194-75..........................................................................................

Р65

7,3

330

165

20

0

по ГОСТ 12135-75........................................................................................

Р50

6,1

310

170

15,5

0

по ГОСТ 7056-66..........................................................................................

Р43

5,934

260

170

20

0

Рис. 15. Подкладка плоская марки КБ-65 с боковым прикреплением к железобетонной шпале

Рис. 16. Подкладка плоская марки КБ-50 с болтовым прикреплением к железобетонной шпале

Рис. 17. Подкладка клинчатая марки «К» к рельсам Р65 с шурупным прикреплением к деревянной шпале

Рис. 18. Подкладка клинчатая марки «К» к рельсам Р50 с шурупным прикреплением к деревянной шпале

Рис. 19. Подкладка двухребордчатая к рельсам типа Р65 с костыльным прикреплением к шпале

Рис. 20. Подкладка двухребордчатая к рельсам типа Р50 с костыльным прикреплением к шпале

Рис. 21. Подкладки двухребордчатые плоские для стрелочных переводов:

а - к рельсам Р65; б - к рельсам Р50

Рис. 22. Подкладка двухребордчатая к рельсам типа Р50 для кривых участков пути

Клеммы к подкладкам марки «К»

Размеры клемм приведены на рис. 23.

Рис. 23. Клеммы к подкладкам:

а - промежуточная для рельсов типов Р50 и Р65; б - стыковая для рельсов Р50

Костыли и шурупы путевые

Костыли по длине разделяются на нормальные (165 мм) и удлиненные (205, 230, 255, 280 мм) по ГОСТ 5812-75.

Рис. 24 Костыль (ГОСТ 5812-75)

Размеры костылей приведены на рис. 24, а их масса - ниже:

Длина костыля, мм                       Масса, кг

165......................................... 0,378

205......................................... 0,428

230......................................... 0,470

255......................................... 0,528

280......................................... 0,570

Рис. 25. Шуруп (ГОСТ 809-71)

Конструкция и размеры путевых шурупов по ГОСТ 809-71 указаны на рис. 25. Длина шурупов 170±10 мм, диаметр 24±1,0 мм. Масса шурупов 0,560 кг.

Противоугоны пружинные

(по ГОСТ 19893-74)

Основные размеры пружинных противоугонов в плоскости поперечного сечения рельса приведены в табл. 9 и на рис. 26.

Таблица 9

Обозначение противоугона

B, мм (предельное отклонение ±0,5)

B1, мм

H, мм

B2, мм

r, мм

Теоретическая масса, кг

П65

113

103

60

70

38

1,36

П50

92

82

53

59

30

1,22

П43

76

70

47

50

24

1,13

Рис. 26. Противоугон пружинный (ГОСТ 19893-74)

Шпалы деревянные

(по ГОСТ 78-65)

1. Деревянные шпалы для железных дорог широкой колеи в зависимости от назначения должны изготовляться трех типов: I - для главных путей; II - для станционных и подъездных путей; III - для малодеятельных подъездных путей промышленных предприятий.

2. По форме поперечного сечения шпалы подразделяются на два

А (обрезные) - пропилены все четыре стороны; Б (необрезные) - пропилены только две противоположные стороны-пласти.

3. Размеры поперечных сечений шпал в миллиметрах приведены в табл. 10 и на рис. 27.

Таблица 10

Тип и вид шпал

Толщина h, мм

Ширина по измерениям, мм

Высота пропиленных боковых, сторон h1, мм

b

b1

b2

Обрезные:

 

 

 

 

 

IА.......................................................................................................

180

165

250

-

150

IIА......................................................................................................

160

160

230

-

130

IIIА.....................................................................................................

150

150

230

-

105

Необрезные:

 

 

 

 

 

IБ.......................................................................................................

180

165

250

280

-

IIБ......................................................................................................

160

160

230

260

-

IIIБ.....................................................................................................

150

150

230

250

-

Примечание. Допускается поставка шпал типа IA и IБ с шириной нижней пласти 230 мм не более 10 % от количества шпал первого сорта.

Рис. 27. Поперечные сечения шпал (ГОСТ 78-65):

А - обрезные шпалы; Б - необрезные шпалы

4. Размеры толщины и ширины шпал установлены для древесины с влажностью не более 22 % абс. При большей влажности древесины шпалы должны иметь по толщине и ширине припуски на усушку для хвойных пород по ГОСТ 6782-67, а для лиственных пород - по ГОСТ 4369-72.

5. Ширина пласти шпалы должна измеряться в самом узком месте на участке длиной 400 мм, отстоящем от вершинного торца шпалы на 425 мм.

6. Длина шпал должна быть 2750 мм.

Примечание. По специальному заказу в соответствии с проектом для особо грузонапряженных участков должны поставляться шпалы длиной 2800 мм и для участков, где укладывается совмещенный путь с различной шириной колеи, длиной 3000 мм.

7. Отклонения от установленных размеров шпал допускаются:

по длине ±20 мм; по толщине ±5 мм, по ширине верхней пласта минус 10 мм и плюс до ширины нижней пласти;

по ширине нижней пласти -5 и +20 мм;

по высоте пропиленных боковых сторон обрезных шпал всех типов - плюс до толщины шпалы.

На участках шпал длиной не более 0,5 м в ту и другую сторону от середины шпалы допускаются минусовые отклонения от установленных в табл. 10 значений по высоте пропиленных боковых сторон: до 20 мм - у обрезных шпал типа IА; до 10 - у обрезных типа IIА; до 5 - у обрезных типа IIIА.

В поставляемых партиях допускается не более 25 % шпал, имеющих указанные минусовые отклонения по всей длине шпалы.

8. Шпалы изготовляются из древесины следующих пород: сосны, ели, пихты, лиственницы, кедра, бука и березы.

Влажность древесины шпал не нормируется.

9. Шпалы изготовляют первого и второго сортов.

10. Все шпалы до укладки в путь пропитываются антисептиками. Качество пропитки шпал масляными антисептиками должно удовлетворять требованиям ГОСТ 20022.5-75.

11. Готовые шпалы принимаются техническим контролем предприятия-поставщика. Поставщик должен гарантировать соответствие шпал требованиям настоящего стандарта.

12. Поставка шпал по типам, сортам и породам должна производиться в соответствии с договором по спецификации потребителя, обоснованным техническими условиями и чертежами на готовые изделия.

13. Маркировка наносится на одном из торцов каждой шпалы трафаретом, отбойным клеймением или стойкой краской и должна содержать марку и сорт шпал.

14. При отгрузке шпал потребителям в железнодорожных вагонах или другими транспортными средствами они должны быть рассортированы по типам, сортам и породам.

Каждая партия шпал сопровождается документацией, удостоверяющей соответствие шпал требованиям настоящего стандарта.

Документ должен содержать:

наименование организации, в систему которой входит предприятие-поставщик;

наименование предприятия-поставщика и его местонахождение (город, или условный адрес);

марку и сорт шпал;

количество шпал в партии;

номер стандарта.

Шпалы железобетонные

(по ГОСТ 10629-71 и ТУ 32 ЦП-517-76)

Шпалы, предусмотренные настоящим стандартом, рассчитаны на применение рельсов типов Р50, Р65, Р75 и промежуточных рельсовых скреплений типов КБ и УБ на прямых и кривых (радиусом не менее 350 м) участках пути.

Форма, размеры в миллиметрах и типы шпал приведены в табл. 11 и на рис. 28.

Таблица 11

Типы шпал

Типы промежуточных рельсовых скреплений

Масса одной шпалы, кг

С-56-2

КБ - раздельное, клеммно-болтовое с плоской подкладкой

250

С-56-2М

То же

 

С-56-3

ЖБ - нераздельное, клеммно-болтовое с пружинными клеммами без подкладки

250

С-56-3М

То же

 

Примечания. 1. В обозначении типа шпалы буква С означает ее сокращенное наименование (струнобетонная), цифра 56 - год проектной разработки, цифры 2 и 3 - порядковые номера проектных разработок, буква М - модифицированную шпалу с клиновидной средней частью.

2. Шпалы типов С-56-2М и С-56-3М (с клиновидной средней частью) изготовляются по соглашению сторон.

Технические условия распространяются на брусковые предварительно напряженные железобетонные шпалы типа С-73-1 (рис. 28, д), предназначенные для железных дорог широкой колеи.

Шпалы тина С-73-1 рассчитаны на применение рельсов типов Р50, Р65, Р75 и промежуточных рельсовых скреплений типа КБ в прямых и кривых (радиусом не менее 350 м) участках пути.

Шпалы типа С-73-1 изготовляются в формах для шпал типа С-56-2. Изготовление шпал типа С-73-1 допускается только на период до износа этих форм, имеющихся на заводах железобетонных шпал.

Шпалы в зависимости от их качества подразделяются на I и II сорта.

Примечание. Поставка шпал II сорта производится только с согласия потребителя для использования их на малодеятельных станционных и подъездных путях, а также на путях промышленного железнодорожного транспорта.

Допускаемые отклонения от проектных размеров шпал не должны превышать значений, указанных в табл. 12.

Подуклонка подрельсовых площадок должна быть 1/20.

Допускается отклонение в величине подуклонки от 1/19 до 1/21 для шпал I сорта и от 1/19 до 1/22 для шпал II сорта.

Угол взаимного поворота подрельсовых площадок разных концов шпалы относительно ее продольной осипропеллерность шпалы») не должен превышать 0,012 рад.

Шпалы должны изготовляться из тяжелого бетона марки не ниже 500.

Поставка шпал потребителю производится при достижении бетоном проектной прочности на сжатие.

Закладные шайбы должны иметь антикоррозионное покрытие.

Примечание. По согласованию с Министерством путей сообщения допускается изготовлять шпалы без металлических закладных шайб с гнездами для размещения съемных пластмассовых вкладышей на закладных болтах.

В шпалах не допускаются:

трещины;

обнаженная арматура, за исключением концов напряженной арматуры, которые не должны выступать за плоскость торцов шпалы более чем на 5 мм в шпалах I сорта и на 15 мм в шпалах II сорта;

пустоты вокруг проволок на торцах шпал;

заделка раковин, околов и пустот вокруг проволок на торцах шпал;

околы рабочих кромок и наплывы бетона в отверстиях для закладных болтов.

Рис. 28. Типы железобетонных шпал:

а - С-56-2; б - С-56-2М; в - С-56-3; г - С-56-3М; д - C-73-1

Таблица 12

Параметры

Допускаемые отклонения, мм, для шпал

по ГОСТ 10629-71

по ТУ 32 ЦП-517-76

I сорта

II сорта

I сорта

II сорта

Длина....................................................................................................

±10

+10; -15

±10

±15

Ширина.................................................................................................

±5

±8

±5

±8

Высота..................................................................................................

+5; -3

+10; -3

+5; -3

+10; -3

Разность высот шпалы, измеренная в одном поперечном сечении................

3

8

4

8

Расстояние «а» между наружными кромками углублений в подрельсовых площадках разных концов шпалы..............................................................

±2

+3; -2

±2

+3; -2

Расстояние «б» между кромками углубления и подрельсовой площадке одного конца шпалы...............................................................................

+2; -1

+3; -1

+2; -1

+3; -1

Расстояние «в» и «г» между осями отверстий для закладных болтов и наружной кромкой углубления в подрельсовой площадке одного конца шпалы...................................................................................................

±1

±1

±1

±1

Глубина «д» заделки в бетон закладных шайб............................................

±3

±5

±3

±5

Поперечные размеры отверстия для закладного болта................................

+3; -2

+5; -2

+3; -2

+5; -2

Толщина защитного слоя бетона над верхним рядом напряженной арматуры и расстояние по вертикали от каждого ряда проволок до верхней кромки торца шпалы...................................................................................................

±3

+10; -3

+5; -3

+10; -3

На поверхностях отдельных шпал допускаются отклонения по показателям внешнего вида, не превышающие значений, указанных в табл. 13.

Таблица 13

Виды отклонений по показателям внешнего вида

Допускаемые размеры отклонений, мм

на верхней поверхности шпал

на прочих поверхностях шпал

первого сорта

второго сорта

первого сорта

второго сорта

Раковины:

 

 

 

 

диаметром...............................................................................................

10

20

15

30

глубиной..................................................................................................

5

10

10

20

Местные неровности высотой (глубиной)....................................................

5

10

10

20

Околы:

 

 

 

 

глубиной..................................................................................................

10

20

15

30

длиной.....................................................................................................

30

60

60

120

 

 

 

на 1 пог. м шпалы

Рис. 29. Маркировка железобетонных шпал:

1 - знак шпалы второго сорта; 2 - номер партии; 3 - товарный знак предприятия; 4 - знак некондиционной шпалы

Подрельсовые площадки шпал должны быть плоскими. Допускается равномерная выпуклость или вогнутость их не более 1 мм на всей длине подрельсовой площадки. Для шпал типов С-56-3 и С-56-3М вогнутость подрельсовой площадки не допускается.

На поверхности подрельсовых площадок местные неровности не допускаются, а число раковин или околов бетона должно быть не более одного на одной подрельсовой площадке. При этом размеры этих раковин или околов не должны быть более указанных в табл. 13 для верхней поверхности шпал.

На верхней поверхности каждой шпалы должна быть нанесена во время изготовления вдавленная в бетон следующая маркировка:

товарный знак предприятия-изготовителя;

год изготовления шпалы (двумя последними цифрами).

Глубина вдавливания знаков и цифр должна быть 3 мм, размер по высоте знаков и цифр - не менее 50 мм. Места нанесения маркировки показаны на рис. 29.

В концевой части на расстоянии 200 мм от торца шпалы наносят несмываемой краской номер партии и клеймо ОТК. Размер знаков по высоте должен быть не менее 50 мм.

На шпалах второго сорта на обоих концах наносят несмываемой краской поперечную полосу шириной 20-30 мм.

На шпалах, признанных некондиционными, на обоих концах наносят несмываемой мерной краской по две поперечных полосы шириной 20-30 мм каждая.

Предприятие-изготовитель должно гарантировать соответствие железобетонных предварительно-напряженных шпал для железных дорог широкой колеи требованиям настоящего стандарта.

Гарантийный срок устанавливается 3 года со дня отгрузки шпал предприятием-изготовителем. Изготовитель обязан безвозмездно заменять те шпалы, у которых в течение указанного гарантийного срока будут обнаружены отступления от ГОСТ 10629-71 или ТУ 32 ЦП-517-76, возникшие по вине предприятия-изготовителя.

Брусья деревянные для стрелочных переводов

(по ГОСТ 8816-70)

Брусья изготовляются из древесины следующих пород: сосны, ели, пихты, лиственницы, кедра и березы. В одном комплекте брусья должны быть из одной породы древесины. Еловые и пихтовые брусья могут быть вместе в одном комплекте.

По форме поперечного сечения брусья подразделяются: на обрезные (А), у которых пропилены все четыре стороны; на необрезные (Б), у которых пропилены только две противоположные стороны.

Поперечные сечения брусьев приведены на рис. 30, а их размеры - в табл. 14.

Размеры поперечных сечений брусьев установлены для древесины с абсолютной влажностью не более 22 %.

Ширину пластей бруса следует измерять в самом узком месте на участке длиной 400 мм, отстоящем на расстоянии 350 мм от вершинного торца.

Длина брусьев устанавливается от 3 до 5,5 м с градацией 0,25 м.

Отклонения от установленных размеров брусьев допускаются, мм:

По длине............................................................ ±20

По толщине........................................................ ±5

По ширине наружной пласти.......................... -10 и до ширины внутренней пласти

По ширине внутренней пласти........................ -5 +20

Таблица 14

Типы брусьев

Толщина брусьев, h

Ширина наружной пласти, b

Ширина внутренней пласти, b1

Ширина бруса по непропиленным сторонам, b3

Высота пропиленной боковой стороны, h1

Уширенная (У)

Широкая (Ш)

Нормальная (Н)

Обрезные

I

180

220

200

-

260

-

150

II

160

220

-

175

250

-

130

III

160

-

200

175

230

-

130

Необрезные

I

180

220

200

-

260

300

-

II

160

220

-

175

250

280

-

III

160

-

200

175

230

260

-

Рис. 30. Поперечное сечение деревянных брусьев для стрелочных переводов:

А - обрезные; Б - необрезные

Брусья поставляются комплектами в зависимости от назначения путей, типа рельсов и марки крестовин стрелочных переводов.

Количество брусьев, входящих в комплект, устанавливается согласно табл. 15.

По назначению брусья подразделяются по типам:

I - для главных путей;

II - для малодеятельных главных, приемо-отправочных путей и сортировочных горок;

III - для подъездных путей промышленных предприятий.

Таблица 15

Условный номер длины брусьев

Длина брусьев, м

Тип комплекта брусьев

А1

А2

А3

А4

Б1

Б2

В

Тип рельсов

Перекрестные стрелочные переводы

Р65

Р65 и Р50

Р65

Р50 и Р43

Марка крестовых стрелочных переводов

1/22

1/18

1/11

1/9

1/11

1/9

Разновидность брусьев по ширине верхней пласти

V

III

V

III

V

III

V

III

V

Н

V

Н

V

Н

1

3,00

16

-

22

9

16

 

15

2

16

-

17

-

-

-

2

3,25

14

25

-

14

-

10

-

10

1

7

-

7

-

-

3

3,50

5

16

5

12

-

8

-

8

-

7

-

7

19

-

4

3,75

-

16

-

12

-

7

-

4

-

8

-

5

18

-

5

4,00

-

14

-

11

-

5

-

6

-

4

-

3

8

-

6

4,25

-

12

-

9

4

2

4

1

6

-

3

1

8

-

7

4,50

-

10

-

8

6

1

5

1

7

-

7

-

10

-

8

4,75

-

10

-

9

-

6

-

4

-

3

3

1

4

4

9

5,00

-

11

-

9

-

5

-

4

-

5

-

5

-

8

10

5,25

-

10

-

3

-

6

-

4

-

6

-

4

-

8

11

5,50

-

11

-

7

-

4

-

-

-

3

-

-

4

-

Итого:

 

35

135

29

108

26

54

24

44

32

43

30

33

71

20

Всего:

 

170

137

80

68

75

63

91

Примечание. Комплекты A1; A2; A3; A4 составляют из брусьев I типа; комплекты Б1 - из брусьев I и II типов; комплекты Б2 и В - из брусьев II типа. Брусья III типа комплектуют по заказу потребителя.

Брусья до укладки в путь должны быть пропитаны масляными антисептиками.

На каждый брус должна быть нанесена марка с указанием типа комплекта и условного номера длины бруса в соответствии с табл. 15.

Маркировка должна быть четкой и наноситься на один из торцов бруса отбойным клеймением.

Каждая партия брусьев должна сопровождаться документацией, удостоверяющей соответствие брусьев требованиям настоящего стандарта. Документ должен содержать:

наименование организации, в систему которой входит предприятие-поставщик;

наименование предприятия-поставщика;

количество комплектов брусьев в партии;

тип комплекта и тип брусьев;

номер стандарта.

Брусья переводные деревянные клееные

(по ГОСТ 9371-76)

Клееные переводные брусья изготавливают многослойными с вертикальным расположением слоев. В зависимости от конструкции и назначения путей устанавливают два типа брусьев: I - для главных путей; II - для станционных путей.

Конструкция и размеры клееных переводных брусьев, мм, приведены на рис. 31.

Рис. 31. Типы поперечных сечений деревянных клееных брусьев

Форма поперечного сечения брусьев должна быть прямоугольной.

Длина брусьев должна быть от 3,0 до 5,5 м с градацией 0,25 м.

Предельные отклонения, мм, по размерам для брусьев устанавливаются следующие:

По длине................................... ±15

По ширине................................ ±3

По толщине............................... ±3

Переводные клееные брусья должны быть изготовлены из пиломатериалов по ГОСТ 8486-66 из сосны или ели.

Смешение пород древесины в одном брусе не допускается.

Влажность древесины склеиваемых заготовок (элементов бруса) должна быть не более 15 %. Разница во влажности отдельных заготовок перед склеиванием должна быть не более 5 %.

Толщина элементов брусьев должна быть от 20 до 40 мм. Разница толщины элементов в одном брусе должна быть не более 10 мм.

Отклонение пластей элементов брусьев от параллельности должно быть не более 0,5 мм.

Брусья поставляются комплектами в зависимости от назначения путей, типа рельсов и марки стрелочных переводов.

Комплект должен состоять из брусьев одной породы древесины. Учет брусьев производят комплектами.

На торец каждого бруса должна быть нанесена маркировка с указанием типа комплекта, условного номера длины бруса, типа бруса и товарного знака предприятия-изготовителя.

Маркировка должна наноситься отбойным клеймением или другими средствами, обеспечивающими ее сохранение после антисептирования.

Храпение брусьев до пропитки, погрузка, выгрузка и транспортировка должны производиться в пакетах полными комплектами.

При пакетировании брусьев через каждые два ряда укладывают прокладки толщиной 50 мм и шириной не менее 75 мм.

Каждая партия брусьев должна сопровождаться документацией, удостоверяющей соответствие брусьев требованиям стандарта.

Документ должен содержать:

наименование министерства или ведомства, в систему которого входит предприятие-изготовитель;

наименование и адрес предприятия-поставщика или его товарный знак;

количество комплектов брусьев в партии;

типы брусьев и комплектов;

породу древесины;

наименование клея;

обозначение стандарта;

результаты испытаний;

штамп отдела технического контроля.

Балластные материалы

Щебень из естественного камня для балластного слоя железнодорожного пути (по ГОСТ 7392-70). Настоящий стандарт распространяется на щебень из естественного камня, получаемый дроблением горных пород и укладываемый в качестве балластного слоя железнодорожного пути.

Щебень должен применяться в соответствии с действующими строительными нормами и правилами.

Технические требования. В зависимости от крупности зерен, щебень подразделяется на фракции, размеры зерен которых приведены в табл. 16.

По согласованию с потребителем для использования в строительстве щебня из мелкого дробленого материала изверженных и прочных осадочных пород, получаемого в результате рассева щебня из фракции, может выпускаться щебень размерами зерен от 5 до 25 мм. Содержание в этом щебне зерен размером от 25 до 40 мм допускается в количестве не более 5 % от массы щебня, зерен размером менее 5 мм - не более 5 % от массы щебня, в том числе частиц размером менее 0,1 мм - не более 2 %.

В щебне не должно быть кусков глины, растительного слоя почвы и других примесей.

Щебень из валунов и гальки для балластного слоя железнодорожного пути (по ГОСТ 7393-71). Настоящий стандарт распространяется на щебень, получаемый в результате дробления валунов и гальки и используемый для балластного слоя железнодорожного пути.

Таблица 16

Размер зерен фракции, мм

Наличие зерен

более верхнего предела крупности

менее нижнего предела крупности

по размеру, мм

по массе, % от массы щебня

по размеру, мм

по массе, % от массы щебня

всего

в том числе частиц размером менее 0,1 мм

От 25 до 60

До 70

5

Менее 25

5

1,5

От 25 до 50

До 60

10

Менее 25

5

1,5

Щебень из валунов и гальки должен применяться в соответствии с действующими строительными нормами и правилами.

Щебень должен содержать дробленые зерна в количестве не менее 70 % по массе. Дроблеными считаются зерна, поверхность которых околота более чем наполовину.

Примечание. В отдельных случаях при соответствующем технико-экономическом обосновании допускается с разрешения заказчика выпуск щебня с содержанием дробленых зерен не менее 50 % по массе.

В щебне не должно быть кусков глины, растительного слоя почвы и других примесей.

Гравий карьерный для балластного слоя железнодорожного пути (по ГОСТ 7394-70). Стандарт распространяется на карьерный гравий, являющийся природной галечно-гравийно-песчаной смесью, образующейся в результате естественного разрушения горных пород и укладываемый в качестве балластного слоя железнодорожного пути.

Гравий должен применяться в соответствии с действующими строительными нормами и правилами.

Технические требования. Гравий должен содержать зерна разных размеров в количествах, указанных в табл. 17.

Масса кварцевых зерен, содержащихся в гравии, должна составлять не менее 50 % от массы зерен размером от 0,1 до 3 мм.

Количество зерен слабых горных пород в гравии должно быть не более 15 % от общей массы.

К зернам слабых горных пород относятся зерна гравия из осадочных и изверженных туфогенных горных пород с пределом прочности при сжатия в насыщенном водой состоянии менее 200 кгс/см2.

Гравий должен иметь коэффициент фильтрации не менее 20 м/сутки.

Карьер-поставщик должен гарантировать соответствие гравия, поставляемого потребителю, требованиям стандарта.

Песчаный балласт по (ОСТ 32-2-72 «Песчаный и гравийно-песчаный балласт для железнодорожного пути», утвержден Министерством путей сообщения). Стандарт распространяется на природный, образовавшийся в результате естественного разрушения горных пород крупнозернистый песок и гравийно-песчаную смесь, укладываемые в качестве балластного слоя железнодорожного пути.

Таблица 17

Размер зерен, мм

Содержание зерен разных размеров в гравии, % по массе

От 60 до 100

До 5

От 60 до 3

От 46 до 80

Менее 3 (до 0,1)

Всего

От 20 до 27

От 28 до 35

От 36 до 43

В том числе менее 0,5

До 14

До 18

До 22

Менее 0,1

Всего

До 4

До 5

До 6

В том числе глинистых частиц

До 0,5

До 0,75

До 1,0

Песчаный и гравийно-песчаный балласт должны применяться в соответствии с действующими строительными нормами и правилами.

Технические требования. Песок и гравийно-песчаная смесь считаются пригодными для использования в качестве балласта, если они содержат зерна разных размеров в количествах, указанных в табл. 18.

Количество зерен гравия и гальки слабых пород должно быть не более 15 % их общей массы. К зернам слабых пород относятся зерна гравия и гальки из осадочных и туфогенных горных пород с пределом прочности при сжатии в водонасыщенном состоянии менее 200 кгс/см2.

Правила приемки и методы испытаний. Поставку и приемку балласта производят партиями. Партией считается количество балласта, одновременно отгружаемого одному потребителю в одном железнодорожном составе или в одной барже.

При транспортировке автомобильным транспортом партией считают количество балласта, отгружаемого одному потребителю в течение суток.

При приемке балласта, добытого и уложенного способом гидромеханизации, партией считается штабель или часть его объемом не более 500 м3.

Объем поставляемого балласта определяют посредством его обмера в вагонах, автомобилях и других транспортных средствах на месте погрузки.

При контрольных замерах балласта на месте выгрузки его объем определяют с учетом коэффициентов уплотнения при транспортировке, устанавливаемых по соглашению сторон.

Таблица 18

Размер зерен, мм

Содержание зерен разных размеров в балласте, % от общей массы

От 3 до 100

Всего

От 0 до 80

В том числе от 60 до 100

От 0 до 10

Менее 3

Всего

До 100

В том числе менее 0,5

Всего

Не более 49

В том числе менее 0,1

Всего

До 10

В том числе глинистых частиц

До 2

Примечания. 1. В балласте должно содержаться кварцевых зерен и зерен прочных изверженных пород не менее 50 % от массы песка, имеющего размер зерен от 0,1 до 3 мм.

2. На действующих карьерах, как исключение, допускается содержание зерен размером от 60 до 100 мм в количестве до 15 %.

3. Содержание частиц размером менее 0,1 мм может быть допущено до 12 % при условии, если коэффициент фильтрации балласта будет не менее 3 м/сутки.

При необходимости пересчета количества поставляемого балласта из объемных единиц в единицы массы его объемную массу устанавливают по соглашению сторон.

Предприятие-поставщик обязано гарантировать соответствие балласта, поставляемого потребителю, требованиям стандарта.

Контроль качества балласта осуществляют при геологических изысканиях и при каждом изменении геологических условий забоя, не реже чем после выработки 500 тыс. м3 балласта.

Лабораторные испытания проб балласта производят по всем показателям, предусмотренным техническими требованиями.

Транспортировка и хранение. Каждая партия отгружаемого балласта должна сопровождаться паспортом, в котором указывают: номер и дату выдачи паспорта; наименование карьера-поставщика и его адрес; наименование получателя и его адрес; номера вагонов и накладных и количество отгружаемого балласта; результаты определения зернового состава балласта, наличие в нем кварцевых зерен, частиц размером менее 0,1 мм, глинистых частиц и зерен слабых горных пород; коэффициент фильтрации; обозначение стандарта.

Балласт хранят на открытых складах.

Асбестовый балласт для железнодорожного пути (по ТУ-32-ЦП-254-72). Технические условия распространяются на отходы асбестового производства Баженовского и Джетыгаринского месторождения асбеста, удовлетворяющие требованиям Технических условий без специального обогащения.

Асбестовый балласт предназначен для балластировки главных и станционных путей действующей сети железных дорог и вновь строящихся линий и должен применяться наравне со щебеночным балластом в соответствии со строительными нормами и правилами.

Технические требования. Отходы асбестового производства считаются пригодными для использования в качестве асбестового балласта, если они содержат зерен разных размеров в количестве, указанном ниже:

Размер отверстий контрольного сита, мм              Полный остаток на сите, % по массе

25........................................................................................... 0

12........................................................................................... От 0 до 20

6............................................................................................. От 5 до 40

1,6.......................................................................................... От 20 до 70

0,5.......................................................................................... От 50 до 90

0,1.......................................................................................... Не менее 90

При этом в асбестовом балласте должно быть свободных волокон асбеста, отбираемых на сите с размером отверстий 0,25 мм, не менее 0,8 % от общей массы балласта, в том числе 1,4 % от массы зерен размером менее 1,6 мм.

Примечание. Допускается применение асбестового балласта с содержанием частиц размером менее 0,1 мм в количестве до 15 % для балластировки всех станционных и главных путей, грузонапряженностью менее 10 млн. ткм/км брутто в год.

Для более деятельных главных путей его применение допускается только по специальному разрешению Главного управления пути Министерства путей сообщения.

Прочность зерен серпентинитов в асбестовом балласте по сопротивляемости удару на копре ПМ должна быть не менее 50 условных единиц.

Водопоглощение зерен серпентинита в асбестовом балласте не должно превышать более 1,5 % от массы пробы.

Примечание. В случае, когда водопоглощение превышает 1,5 %, применение асбестового балласта допускается, если будут выдержаны требования по его морозостойкости.

Морозостойкость зерен серпентинита в асбестовом балласте определяется непосредственным замораживанием. При этом после 25 циклов попеременного замораживания и оттаивания потеря в массе пробы не должна превышать 10 % от первоначальной массы.

В асбестовом балласте не должно быть кусков глины, почвы и других примесей. Для этого в отвалах обогатительных фабрик он не должен загрязняться съемом и пустой породой.

Правила приемки. Асбестовый балласт может отгружаться из бункеров обогатительных фабрик или из отвалов.

Поставку и приемку асбестового балласта производят партиями. Партией считают количество асбестового балласта, одновременно отгружаемого одному потребителю в одном железнодорожном составе.

Количество поставляемого асбестового балласта определяют по массе (в тоннах). При необходимости пересчета количества поставляемого асбестового балласта из массовых единиц в объемные, его насыпную объемную массу определяют по ГОСТ 8735-65 с пересчетом на соответствующую влажность по формуле:

γ = γ0 (1 + ω),

где γ0 - объемная насыпная масса балласта, высушенного до постоянной массы;

ω - влажность в долях единицы, устанавливаемая соглашением сторон.

Представители железных дорог на обогатительных комбинатах обязаны осуществлять контроль за соответствием качества поставляемого асбестового балласта требованиям Технических условий.

При отгрузке асбестового балласта из бункеров обогатительных фабрик и отвалов текущей выработки испытания проб по всем показателям производят при каждом изменении условии залегания и качества руды в забое карьера, а при отгрузке из отвалов старой выработки - после разработки каждых 50 м длины забоя. Однако при всех условиях испытания проб на прочность, водопоглощение и морозостойкость производят не реже 1 раза в квартал, а на зерновой состав и содержание свободных волокон асбеста - при каждом изменении технологического потока, но не реже 1 раза в месяц.

Транспортировка и хранение. Каждая партия отгружаемого асбестового балласта должна сопровождаться паспортом, выдаваемым представителем дороги, в котором указывают:

номер и дату выдачи паспорта;

наименование обогатительного комбината, с которого отгружен балласт, и его адрес;

наименование получателя и его адрес;

номера накладных с указанием количества отгружаемого балласта и даты отгрузки;

соответствие балласта нормам Технических условий.

Асбестовый балласт хранят на открытых складах с обеспечением мер по предохранению его от загрязнения.

Приложение 3

РЕЛЬСЫ СТАРОГОДНЫЕ

(по ТУ 32ЦП-1-76)

Техническими условиями установлены требования к старогодным рельсам и порядок их использования для повторной укладки в железнодорожный путь.

1. Технические требования

Общие требования

1.1. Рельсы старогодные для железных дорог широкой колеи, должны соответствовать настоящим Техническим условиям.

1.2. Отдельные отступления от Технических условий могут быть допущены с разрешения Главного управления пути МПС.

1.3. Все рельсы, снятые с пути при сплошной и одиночной смене, должны быть рассортированы по типам и группам годности.

1.4. Сортировка рельсов должна производиться на базах путевых машинных станцииМС) или на базах дистанции пути (ПЧ).

1.5. Рельсы первой, второй и третьей групп годности после ремонта или без него должны использоваться для повторной укладки в железнодорожный путь.

При этом все рельсы, требующие ремонта, должны направляться в рельсосварочные предприятия (РСП).

1.6. В целях повышения группы годности и продления срока службы рекомендуется рельсы типа Р50 и тяжелее, имеющие волнообразный износ и другие поверхностные дефекты, перед заменой их обрабатывать в пути рельсошлифовальными вагонами.

Требования по применению и классификация старогодных рельсов

1.7. Старогодные рельсы должны применяться:

а) для одиночной замены дефектных рельсов рельсами таких же типов - в целях обеспечения нормальной эксплуатации железнодорожных линий, станционных и подъездных путей;

б) для сплошной замены - в целях усиления и поддержания рельсового хозяйства главных путей на линиях с грузонапряженностью менее 10 млн. т брутто в год, станционных и подъездных путях;

в) для строительства новых малодеятельных железнодорожных линий, станционных и подъездных путей (согласно СНиП).

1.8. Для сплошной замены - в целях усиления и поддержания рельсового хозяйства существующих линий и для строительства новых малодеятельных линий, станционных и подъездных путей должны применяться рельсы следующих типов и групп (как в звеньевом, так и в бесстыковом пути);

а) типа Р65 первой группы - на главных путях с грузонапряженностью 5-10 млн. т брутто в год, на приемо-отправочных путях, специально предназначенных для сквозного (безостановочного) пропуска поездов со скоростью 50 км/ч и более, и на других приемо-отправочных путях на участках, где грузонапряженность по главным путям (для двухпутных участков - наибольшая по одному пути) более 50 млн. т брутто в год. В отдельных случаях на этих путях допускается применение рельсов типа Р50 первой группы;

б) типа Р50 первой группы и типа Р65 второй группы - на главных путях с грузонапряженностью до 5 млн. т брутто в год и на приемо-отправочных путях станций, где грузонапряженность по главным путям (для двухпутных участков - наибольшая по одному из них) от 25 до 50 млн. т брутто в год;

в) типов Р50, Р43 и Р65 второй группы - на приемо-отправочных путях станций, где грузонапряженность по главным путям не более 25 млн. т брутто в год. Рельсы этих типов и групп могут использоваться также на путях подгорочных парков и вытяжных;

г) типов Р65, Р50, Р43, 1-а, Р38, третьей группы - на всех остальных станционных путях (кроме приемо-отправочных), подъездных, карьерных и прочих с маневровым характером движения поездов.

Примечание. Рельсы типа Р75 используются по особому указанию МПС.

1.9. Рельсы, не удовлетворяющие требованиям, предъявляемым к рельсам первой, второй и третьей групп относятся к четвертой группе, в железнодорожном пути они не применяются.

1.10. Старогодные рельсы на главных путях, где скорость движения пассажирских поездов превышает 100 км/ч для повторной укладки (кроме одиночной замены) применяться не должны.

Примечание. Подъездные, карьерные и другие пути с организованным движением поездов следует относить к главным путям.

Требования к старогодным рельсам

1.11. Рельсы, годные для укладки в путь, в зависимости от технического состояния делятся на три группы. Негодные для укладки в пути рельсы должны относиться к четвертой группе.

1.12. Старогодные рельсы до их вторичного использования, по величине пропущенного тоннажа и износа, должны удовлетворять показателям, приведенным в табл. 1.

Таблица 1

Группа рельсов

План пути, на котором эксплуатировались рельсы до первой замены, и виды износа рельсов

Отступление (превышение) наработки, сверх нормы, млн. т брутто (с округлением до 10) и допускаемый износ головки, мм, для рельсов типа

Р65

Р50

Р43

Первая

Прямые и кривые радиусом более 1000 м...................................................

До 120

До 110

-

 

Кривые радиусом 651 - 1000 м..................................................................

До 70

До 70

-

 

Приведенный износ головки, мм, не более..................................................

9

8

-

 

При этом:

 

 

 

 

горизонтальный........................................................................................

10

8

-

 

вертикальный...........................................................................................

9

8

-

Вторая*

Прямые и кривые радиусом более 1000 м...................................................

130-200

120-170

-

 

Кривые радиусом 651-1000 м...................................................................

80-120

80-120

-

 

Кривые радиусом 650 м и менее................................................................

До 70

До 70

-

 

Приведенный износ головки, мм, не более..................................................

11

9

8**

 

При этом:

 

 

 

 

горизонтальный........................................................................................

13

11

10**

 

вертикальный...........................................................................................

10

9

8**

Третья

Приведенный износ головки, мм, не более..................................................

16

16

14

 

При этом:

 

 

 

 

горизонтальный........................................................................................

13

11

10

 

вертикальный...........................................................................................

10

9

9

* При наработке выше указанных значений такие рельсы относятся к третьей группе.

** Показатели распространяются только на рельсы типа Р43.

1.13. В отремонтированных рельсах, а также в рельсах, укладываемых в путь без ремонта, допускаются поверхностные повреждения размерами не более указанных в табл. 2.

1.14. В рельсах первой и второй группы, предназначаемых для сплошной укладки в путь без ремонта, кроме того, допускается смятие головки и прогнутость концов в сумме не более 2,5 мм, а также седловины за зоной закалки не более 1,5 мм. Рельсы, имеющие смятие концов величиной 1,5 мм и более, подлежат обязательной наплавке после укладки их в путь.

В рельсах третьей группы, предназначаемых для сплошной укладки в путь без ремонта, допускается смятие головки и прогнутость концов в сумме не более 4 мм, седловины - не более 3 мм; рельсы, имеющие смятие концов 2 мм и более, подлежат обязательной наплавке после укладки в путь.

1.15. Все старогодные рельсы, предназначенные для укладки в путь при строительстве новых главных и станционных путей, а также на подъездных путях, должны иметь длину 25 м, с изготовлением соответствующего количества укороченных рельсов для кривых участков пути.

В отдельных случаях рельсы, годные для укладки в путь без ремонта, могут иметь длину, равную длине заменяемых рельсов.

Таблица 2

Наименование повреждений рельсов

Величина повреждений рельсов, мм

первой и второй группы

третьей группы

Плавные вмятины и забоины1.............................................................................

2

4

Плавный местный износ кромки подошвы от костылей1.......................................

3

5

Уменьшение толщины подошвы от ржавления.....................................................

2

4

Равномерным наплыв металла на боковом грани головки без признаков трещин и расслоений2:

 

 

со стороны рабочей грани.................................................................................

1*

3

то же нерабочей...............................................................................................

1**

6

Волнообразный износ верхней поверхности головки при измерении линейкой длиной 1 м.......................................................................................................

1**

2

Примечания: 1. При наличии резких вмятин, забоин или износа эти места обрабатываются зачисткой или вырезаются.

2. На рельсах, предназначенных для укладки в подгорочные пути, наплывы должны быть удалены.

* На рельсах, предназначенных для укладки в путь без ремонта, допускается наплыв 2 мм со стороны рабочей грани и 4 мм со стороны нерабочей грани.

** Для рельсов, укладываемых в путь без ремонта, допускается износ 2 мм с последующей шлифовкой в пути.

1.16. Рельсы после ремонта сваркой, дополнительно к указанной в разделе 1 маркировке, должны иметь на обоих торцах на головке клеймо, указывающее группу рельса, год сварки (две последние цифры), номер сваренного рельса и номер рельсо-сварочного поезда. Например: 1-76-1320-12 (1 - группа рельсов; 76 - год сварки, 1320 - номер сваренного рельса, 12 - номер рельсо-сварочного поезда).

2. Правила приемки

2.1. С каждой партией принятых и отгружаемых потребителю рельсов (платформа, полувагон, сцеп из двух платформ или полувагонов) направляется сертификат по форме ПУ-91.

Сертификат по установленной форме подписывается начальником (или главным инженером) предприятия (ПМС, РСП, ПЧ и др.), отгрузившим рельсы, и мастером, осуществлявшим комплектование и погрузку рельсов, и направляется потребителю рельсов.

2.2. Старогодные рельсы, отремонтированные и сваренные в рельсо-сварочных предприятиях должны отвечать требованиям Технических условий, а также дополнительным техническим условиям на рельсы старогодные, отремонтированные с применением контактной сварки.

МПС СССР                                                                                        Форма ПУ-91

___________________________ ж. д.                                       Утверждена МПС в 1975 г.

ст. ___________________________

(наименование предприятия)

_________________________ 197 г.

Сертификат на отгруженные получателю рельсы

1. Тип рельсов ________________________________________ 2. Длина __________ м

3. Номер технических условий _______________________________________________

4. Группа годности рельсов _________________________________________________

5. Дата сварки ____________________________________________________________

6. Результаты контрольных испытаний сварных стыков:

разрушающая нагрузка при испытании на статический изгиб ______________ т стрела прогиба ____________ мм.

7. Масса рельсов __________________________________________________________

8. Номера вагонов _________________________________________________________

9. Кому отгружены рельсы __________________________________________________

_________________________________________________________________________

10. Дата отгрузки __________________________________________________________

Примечания: 1. Сертификат выдается отправителем рельсов (РСП, ПМС, ПЧ) на каждую партию отгруженных рельсов.

2. В случае претензии получатель рельсов должен представить сертификат.

3. Пункты 5 и 6 заполняются только для сваренных рельсов.

Главный инженер предприятия

Мастер

3. Методы определения параметров

3.1. Величина вертикального и горизонтального износа рельсов определяется измерительным инструментом как разность размеров нового и старогодного рельса. Вертикальный износ измеряется по оси симметрии рельса, горизонтальный износ - на уровне 13 мм ниже фактической верхней поверхности рельса. Приведенный износ получается суммированием полного вертикального и половины горизонтального.

3.3. Местные деформации в виде седловин, смятий, забоин и искривлений определяются измерением просвета между рельсом и линейкой длиной 1 м, укладываемой на рельс.

3.4. Волнообразный износ рельсов определяется по записи на ленте рельсоизмерительной тележки РИТ-4 или тележки другой аналогичной конструкции.

4. Транспортировка и хранение

4.1. Рельсы отгружаются потребителю на открытом подвижном составе с соответствующим закреплением. Каждая партия должна состоять из рельсов одного типа и одной группы. С согласия потребителя допускается отгрузка на одной платформе, сцепе и т.п. рельсов двух типов и двух групп годности.

4.2. Старогодные рельсы хранятся на открытых площадках, каждый тип и группа рельсов в отдельных штабелях. Маркировку должен иметь каждый рельс.

5. Указания по эксплуатации

5.1. Старогодные рельсы укладывают в путь так, чтобы маркировка, нанесенная на шейке со стороны рабочего канта, была обращена внутрь колеи. Перекантовка рельсов при укладке их в путь запрещается. В отдельных случаях с разрешения начальника службы пути может быть допущена перекантовка рельсов второй и третьей групп типа Р50 и тяжелее с укладкой этих рельсов только в прямые участки.

5.2. Рельсы любой группы, предназначенные для одиночной замены дефектных и пополнения покилометрового запаса, по типу, длине и износу должны соответствовать рельсам, лежащим в пути, для замены которых они предназначены, и могут иметь износ, не превышающий значения, указанные в табл. 1.

5.3. На рельсах покилометрового запаса дополнительно к установленной маркировке на верхней поверхности головки указывается тип рельсов (только цифры) и длина. Рекомендуется за зоной болтовых отверстий светлой краской наносить поперечную полосу шириной около 10 см по всему периметру рельса.

Приложение 4

МОЩНОСТЬ И ОСНОВНЫЕ РАЗМЕРЫ ВЕРХНЕГО СТРОЕНИЯ ПУТИ

(извлечения из СНиП II-39-76)

Мощность верхнего строения пути на перегонах приведена в табл. 1

Таблица 1

Показатели

На железнодорожных линиях

На подъездных и соединительных путях

IV категории

V категории

I категории

II категории

III категории

IV категории

при расчетной грузонапряженности нетто, млн. ткм/км

до 3

свыше 3 до 10

до 3

свыше 3 до 10

Тип рельсов

Р65

Р6550

Р50 новые и старогодные

Старогодные не легче Р50

Старогодные Р4350

Старогодные Р5065

Старогодные Р4350

Старогодные Р50

Род шпал

Деревянные I типа, железобетонные

Деревянные III типа, железобетонные

Деревянные II типа, железобетонные

Число шпал на 1 км, шт.:

 

 

 

 

 

 

 

 

на прямых и кривых радиусом 1200 м (на подъездных путях 350 м) и более

1840

1840

1840, в обоснованных случаях 1600

1600

1600

1600

1440

1600

на кривых радиусом менее 1200 м (на подъездных путях менее 350 м)

2000

2000

2000

1840

1840

1840

1600

1840

Толщина балластного слоя под шпалой, см:

 

 

 

 

 

 

 

 

щебеночный или асбестовый на песчаной подушке при деревянных шпалах

30/20

25/20

20/20

-

-

-

-

-

то же при железобетонных шпалах

35/20

30/20

20/20

20/20

20/20

20/20

20/20

20/20

асбестовый при деревянных шпалах

50

45

35

30

25

25

25

25

то же при железобетонных шпалах

55

50

40

35

30

30

30

30

все другие виды балласта, допускаемые к укладке в путь

-

-

40

35

25

25

25

25

Примечания: 1. Рельсы Р65 для линий II категории следует предусматривать к укладке в путь при расчетной грузонапряженности брутто более 25 млн. ткм/км на один путь на пятый год эксплуатации (расчетная грузонапряженность устанавливается с учетом пассажирских поездов).

2. На земляное полотно из скальных, крупнообломочных и песчаных грунтов (кроме мелких и пылеватых песков) щебеночный и асбестовый балласт надлежит укладывать без подушки; при других видах балласта толщину слоя под шпалой на линиях I-III категорий следует принимать не менее 25 см, а на линиях IV и подъездных путях IV и V категорий 20 см.

3. В случаях, когда подушка устраивается из карьерного гравия, толщину слоя щебня или асбеста следует уменьшать на 5 см без сокращения общей толщины балластного слоя.

4. На линиях и подъездных путях, проектируемых для перевозки угольных, рудных, торфяных и других сыпучих грузов. При соответствующем обосновании вместо щебня допускается применять асбестовый балласт или покрытие щебня слоем асбестового балласта.

5. При преобладании в основании земляного полотна просадочных и сжимаемых грунтов путь следует укладывать на песчаном, гравийно-песчаном, гравийном балласте. При этом толщина балластного слоя на линиях I категории должна быть не менее 45 см; постановку пути на щебеночный балласт надлежит предусматривать после полной стабилизации земляного полотна.

6. На подъездных путях IV и V категорий при расчетной грузонапряженности нетто от 10 до 15 млн. ткм/км в год на один путь мощность верхнего строения пути следует назначать по нормам для железнодорожных линий III категории, а при грузонапряженности нетто более 25 млн. ткм/км в год - по нормам линий II категории.

7. На линиях II категории при технико-экономическом обосновании и качестве балласта допускается предусматривать гравий карьерным и гравийно-песчаную смесь толщиной слоя не менее 45 см.

8. Щебеночный и асбестовый балласт на линиях III и IV категорий и подъездных путей допускается укладывать только при соответствующем технико-экономическом обосновании.

Ширину балластной призмы поверху на прямых однопутных участках следует принимать, м:

Для линии I категории со скоростями движения пассажирских поездов более 120 км/ч, а также на участках укладки бесстыкового пути...................................

3,6

Для остальных линий I категории............................................................................

3,4

Для линий II категории.............................................................................................

3,2

Для линий III-IV категорий и подъездных путей....................................................

3,1

На кривых участках пути толщину балластной призмы следует принимать с учетом возвышения наружного рельса при сохранении под внутренним рельсом балластного слоя толщины, установленной для прямых участков в соответствии с табл. 1.

На кривых участках линий I-IV категорий и подъездных путей радиусом менее 600 м балластную призму необходимо уширять с наружной стороны на 0,1 м, а при числе путей более одного, кроме того, на величину междупутных расстояний.

Главные пути на станциях, разъездах и обгонных пунктах следует укладывать рельсами типа, принятого для главных путей на перегонах, а приемо-отправочные пути - рельсами на один тип ниже укладываемых на главных путях, или старогодными рельсами того же типа.

На сортировочных, вытяжных, погрузочно-разгрузочных, деповских и других станционных путях следует укладывать старогодные рельсы типа не ниже Р43, а в горловинах сортировочных горок - не ниже Р50.

На станционных путях при соответствующем обосновании допускается укладывать сварные рельсовые плети. В подгорочных парках применение сварных плетей в пределах тормозной зоны обязательно.

Число шпал на 1 км пути следует принимать:

на главных путях станций, разъездов и обгонных пунктов - то же, что и на главных путях перегонов;

на приемо-отправочных путях станций, разъездов и обгонных пунктов железнодорожных линий I и II категорий, а также на сортировочных горках и в голове сортировочных парков - 1600 шт.;

на приемо-отправочных путях станций и разъездов линий III категории - 1600 или 1440 шт., линий IV и подъездных путей IV и V категорий - 1440 шт.;

на прочих станционных путях всех станций, разъездов и обгонных пунктов - 1440 шт.

Вид балласта и его толщину на главных путях станций, разъездов и обгонных пунктов следует принимать по нормам, установленным для перегонов.

На приемо-отправочных и других станционных путях надлежит применять однослойный асбестовый, гравийный, гравийно-песчаный или песчаный балласт; при обосновании допускается применение балласта из мелкого щебня фракции 5-25 мм на песчаной подушке.

Толщину балластного слоя под шпалой на приемо-отправочных станционных путях следует принимать по нормам, приведенным в табл. 2.

Толщину балластного слоя под шпалой на прочих станционных путях следует принимать, см:

На линиях I категории при всех грунтах земляного полотна, кроме скальных, крупнообломочных и песчаных.........................................................

25

Во всех остальных случаях...................................................................................

20

Таблица 2

Категория линии и подъездного пути

Толщина балластного слоя под шпалой на приемо-отправочных станционных путях, см, при видах грунта земляного полотна

глинистых и недренирующих песков мелких и пылеватых

скальных, крупнообломочных и песчаных дренирующих

При укладке главных путей на щебеночном и асбестовом балласте

I и II

30

25

При укладке главных путей на балласте всех других видов

I

30

25

II-V

25

20

На приемо-отправочных путях при применении стрелочных переводов, позволяющих безостановочный пропуск поездов по ним со скоростями движения более 50 км/ч, верхнее строение должно быть такого же типа, как и на главных путях.


Приложение 5

ТИПОВЫЕ ЭПЮРЫ СТРЕЛОЧНЫХ ПЕРЕВОДОВ

(по «Указаниям по содержанию стрелочных переводов и глухих пересечений колеи 1520 мм»);

ис. 1-8)

Рис. 1. Стрелочный перевод типа Р65 марки 1/18 колеи 1520 мм:

здесь и далее а - эпюра укладки; б - схема разбивки; У. п. б. - участок поворота брусьев; С. К. - середина контррельса; М. О - математический центр крестовины; Р. Р. - рамный рельс; Р - рельс; О. П. - остряк прямой; О. К. - остряк криволинейный; R, R1, R2 - радиусы по рабочей упорной нити кривой; О. б. - оси бруса в крестовине; О. с. - ось стыка рамного рельса; точка вверху над осью бруса - уширенный брус

Рис. 2. Стрелочный перевод типа Р50 марки 1/18 колеи 1520 мм

Рис. 3. Стрелочный перевод типа Р65 марки 1/11 колеи 1520 мм

Рис. 4. Стрелочный перевод типа Р65 марки 1/9 колеи 1520 мм

Рис. 5. Стрелочный перевод типа Р50 марки 1/9 колеи 1520 мм

Рис. 6. Стрелочный перевод типа Р50 марки 1/11 колеи 1520 мм

Рис. 7. Симметричный стрелочный перевод типа Р50 марки 1/6 колеи 1520 мм

Рис. 8. Двойной перекрестный стрелочный перевод типа Р65 марки 1/9 колеи 1520 мм

 


Приложение 6

УКЛАДКА СМЕЖНЫХ СТРЕЛОЧНЫХ ПЕРЕВОДОВ

Устройство прямых вставок

6.1. При укладке на одном пути смежных стрелочных переводов с направлением боковых путей в одну или разные стороны от прямого направления, как правило, устраиваются прямые вставки.

6.2. Величина прямой вставки d, мм, зависит от назначения путей, а также от скорости движении поездов по этим путям. Минимальные величины прямых вставок при укладке стрелочных переводов приведены в табл. 1 (а1 и а2 - расстояния от оси передних стыков рамных рельсов до центра перевода, м).

Таблица 1

Скорости движения, км/ч

Схемы укладки переводов

Пути

главные

приемо-отправочные

прочие

Условия

нормальные

стесненные

нормальные

стесненные

нормальные

стесненные

До 120

Схема 1

x = a1 + d + a2

12,5

6,25

12,5

6,25

0**

Схема 2

x = a1 + d + a2

12,5

6,25

6,25

6,25*

0**

Схема 5

x = a1 + d + a2

12,5

6,25

6,25

4,5***

4,5

4,5

121-160

Схема" 1

x = b1 + d + a2

25

12,5

Те же, что и при движении поездов со скоростью до 120 км/ч

Схема 2

x = a1 + d + a2

25

12,5

То же

Схема 5

x = b1 + d + a2

25

12,5

»

* В стесненных условиях на приемо-отправочных путях частично переустраиваемых участковых, сортировочных и других крупных станций укладка прямой вставки может не производиться, если расстояние между остриями остряков смежных однотипных стрелочных переводов равно или более 8,66 м.

** С разрешения инстанции, утверждающей проекты железнодорожных станций, прямые вставки могут не предусматриваться.

*** Как исключение, с разрешения инстанции, утверждающей проекты железнодорожных станций.

6.3. Величины прямых вставок, приведенные в табл. 1, относятся к симметричным стрелочным переводам марок 1/9 и 1/11.

6.4. Смежные симметричные стрелочные переводы марки 1/6 при встречной укладке на приемо-отправочных путях грузового движения поездов должны иметь прямые вставки 12,5 или 6,25 м, на прочих путях - не менее 4,5 м. При попутной укладке прямая вставка на приемо-отправочных путях должна быть не менее 7,46 м, на прочих 6,25 м, а в стесненных условиях - не менее 4,5 м.

6.5. При укладке двух смежных стрелочных переводов, когда торец, крестовины одного перевода располагается за торцом крестовины другого, ис. 1, а), или когда рамные рельсы одного перевода располагаются за торцом крестовины другого (рис. 1, б), наименьшее расстояние между центрами перевода определяется в каждом случае из условия, что расстояние между осями параллельных путей Е было не менее величины, установленной по проекту и с учетом габаритных уширений. При этом минимальное расстояние между осями приемотправочных путей должно быть не менее 4,8 м. Прямая вставка между смежными переводами (см. рис. 1) как правило определяется по нижеприведенным формулам, причем на главных и приемо-отправочных путях должна быть не менее 12,5 м, а на прочих путях в стесненных условиях - не менее 4,5 м.

Рис. 1. Схемы (а, б) расположения стрелочных переводов

Расстояние между центрами переводов определяется по формуле

,

где Е - расстояние между осями путей, м;

α - угол крестовины, град.

Прямая вставка d определяется по следующим формулам:

для схемы а

,

где b1 и b2 - расстояния от центра каждого перевода до торца крестовины, м;

для схемы б

,

где b1 - расстояние от центра первого перевода до торца его крестовины, м;

a2 - расстояние от начала рамных рельсов до центра второго перевода, м.

6.6. При укладке смежных стрелочных переводов из рельсов разных типов (не съездов) между ними во всех случаях устраивается прямая вставка длиной не менее 12,5 м.

6.7. Укладка стрелочных переводов должна производиться с полномерными рамными рельсами без обрезки их передних вылетов (от начала остряка до стыка рамного рельса).

Укладка двух смежных стрелочных переводов при устройстве между ними кривой

6.8. На линиях, где предусматривается движение поездов со скоростью до 120 км/ч, укладка двух смежных стрелочных переводов на главном пути, если между ними требуется устройство кривой, которая будет иметь возвышение наружного рельса и переходные кривые, должна производиться с соблюдением следующих требований: между торцом крестовины и началом переходной кривой должна быть прямая вставка, равная длине участка K1, на протяжении, которого соединяемые пути уложены на общих переводных брусьях (длина этого участка определяется по соответствующим эпюрам), а между передними стыками рамных рельсов и переходными кривыми прямые вставки могут не предусматриваться (рис. 2, а, б).

Рис. 2. Схемы (а, б, в, г, д, е) укладки смежных стрелочных переводов при устройстве между ними кривой:

Кр - круговая кривая; т - половина длины переходной кривой

6.9. Укладка двух стрелочных переводов на приемо-отправочных и прочих путях, когда между ними требуется устройство кривой без возвышения наружного рельса и переходных кривых, должна производиться с соблюдением требований: между передними стыками рамных рельсов или торцом крестовины и началом кривой (рис. 2, в, г) предусматривается прямая вставка K. Длина вставки должна позволять устройство отвода уширения колеи на длине этой вставки.

6.10. При наличии возвышения и отсутствии переходных кривых отвод возвышения необходимо располагать на прямой вставке между стыком рамного рельса или торцом крестовины и началом кривой. Длина этой вставки должна позволять устройство отвода уклоном не круче 3 ‰ вне участка пути, уложенного на переводных брусьях.

6.11. При укладке на главных путях двух смежных стрелочных переводов, где предусматривается движение пассажирских поездов со скоростью 121-160 км/ч, между стыками рамных рельсов (или торцом крестовины) и началом (или концом) переходных кривых (рис. 2, д, е) должны быть прямые вставки K1 длиной не менее 25 м.

СОДЕРЖАНИЕ

1. Общие положения. 1

2. Технические условия и нормы устройства пути. 2

Ширина рельсовой колеи. 2

Положение рельсовой колеи по уровню.. 2

3. Устройство рельсового пути на прямых и кривых участках. 4

Общие требования. 4

Укладка рельсов и их расположение в пути. 4

Расположение и конструкция стыков. 7

Рельсовые температурные зазоры.. 12

Подуклонка рельсов. 13

Укладка шпал и их расположение под рельсами. 13

Противоугонные устройства. 15

Балластный слой. 17

4. Устройство пути на мостах и в тоннелях. 21

Мостовое полотно. 21

Путь в тоннелях. 25

5. Переезды.. 25

6. Соединения, пересечения и сплетения путей. 31

Общие требования к применению стрелочных переводов и глухих пересечений. 31

Нормы укладки и содержания стрелочных переводов и глухих пересечений. 32

Противоугонные устройства на стрелочных переводах. 37

7. Путевые и сигнальные знаки. 38

8. Покилометровый запас материалов верхнего строения пути. 39

Приложение 1. Габариты приближения строений и подвижного состава железных дорог колеи 1520 (1524) мм для линий со скоростью движения поездов не выше 160 км/ч (по гост 9238-73) 40

Приложение 2. Характеристика материалов верхнего строения пути. 46

Рельсы.. 46

Накладки рельсовые. 50

Болты, гайки и шайбы для рельсовых стыков. 53

Болты и гайки раздельного скрепления. 55

Подкладки рельсовые. 57

Клеммы к подкладкам марки «к». 62

Костыли и шурупы путевые. 62

Противоугоны пружинные. 64

Шпалы деревянные. 65

Шпалы железобетонные. 66

Брусья деревянные для стрелочных переводов. 70

Брусья переводные деревянные клееные. 72

Балластные материалы.. 73

Приложение 3. Рельсы старогодные. 77

1. Технические требования. 77

2. Правила приемки. 80

3. Методы определения параметров. 80

4. Транспортировка и хранение. 81

5. Указания по эксплуатации. 81

Приложение 4. Мощность и основные размеры верхнего строения пути. 81

Приложение 5. Типовые эпюры стрелочных переводов. 84

Приложение 6. Укладка смежных стрелочных переводов. 92

 

2008-2013. ГОСТы, СНиПы, СанПиНы - Нормативные документы - стандарты.