
ГОСУДАРСТВЕННЫЙ СТАНДАРТ СОЮЗА ССР
Единая система конструкторской документации
ОБОЗНАЧЕНИЯ УСЛОВНЫЕ
ГРАФИЧЕСКИЕ В СХЕМАХ
РАЗМЕРЫ УСЛОВНЫХ ГРАФИЧЕСКИХ ОБОЗНАЧЕНИЙ
ГОСТ 2.747-68*
ИЗДАТЕЛЬСТВО СТАНДАРТОВ
мОСКВА
ГОСУДАРСТВЕННЫЙ СТАНДАРТ СОЮЗА ССР
|
Единая система конструкторской документации ОБОЗНАЧЕНИЯ УСЛОВНЫЕ ГРАФИЧЕСКИЕ В СХЕМАХ. РАЗМЕРЫ УСЛОВНЫХ ГРАФИЧЕСКИХ ОБОЗНАЧЕНИЙ Unified system for design documentation. Graphic identifications in schemes. Dimensions of graphical symbols |
ГОСТ |
Утвержден Комитетом стандартов, мер и измерительных приборов при Совете Министров СССР в декабре 1967 г. Срок введения установлен
с 01.01.71
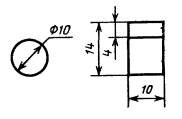
1. Настоящий стандарт устанавливает размеры условных графических обозначений электрических элементов.
2. Размеры условных графических обозначений приведены в таблице.
|
Наименование |
Обозначение |
|
1, 2. (Исключены, Изм. № 1) |
|
|
3. По ГОСТ 2.755-87 |
|
|
4. (Исключен, Изм. № 1). |
|
|
5. Элемент нагревательный |
|
|
6-9. (Исключены, Изм. № 1). |
|
|
10. Прибор измерительный |
|
|
11. Промежуток искровой |
|
|
12. Предохранитель плавкий |
|
|
13. По ГОСТ 2.756-87 |
|
|
14. Контакт телефонного гнезда и телефонного ключа без фиксации |
|
|
15. Контакт телефонного гнезда с фиксацией |
|
|
16. По ГОСТ 2.756-87 |
|
|
17. Гнездо телефонное |
|
|
пп. 18-21 по ГОСТ 2.755-87 пп. 22-23 по ГОСТ 2.756-76 пп. 24-25 по ГОСТ 2.728-74 26. (Исключен, Изм. № 1). |
|
|
27. Обмотка трансформатора |
|
|
28- 32 (Исключены, Изм. № 1). |
|
|
Пп 33, 34 по ГОСТ 2 730-73 |
|
|
35-40 (Исключены. Изм. №1). |
|
|
41. Устройство квантовое |
|
|
42. (Исключен, Изм. №1). |
|
|
43. Противовес |
|
|
44. Аппарат телефонный. Общее обозначение |
|
|
45. Коммутатор телефонный и факсимильный. Общее обозначение |
|
|
46. Телефон |
|
|
47. Микрофон |
|
|
48. Громкоговоритель (репродуктор) |
|
|
49. Головка акустическая |
|
|
50. Звонок электрический 51. (Исключен, Изм. № 1). |
|
|
52. Электрозапал (пиропатрон) |
|
|
53-55. (Исключены, Изм. № 1). |
|