ГОСУДАРСТВЕННЫЕ СТАНДАРТЫ
Единая система конструкторской документации
ОБОЗНАЧЕНИЯ УСЛОВНЫЕ
ГРАФИЧЕСКИЕ В ЭЛЕКТРИЧЕСКИХ СХЕМАХ
УСТРОЙСТВА
КОММУТАЦИОННЫЕ
И КОНТАКТНЫЕ СОЕДИНЕНИЯ
ГОСТ 2.755-87
(CT СЭВ 5720-86)
ИПК ИЗДАТЕЛЬСТВО СТАНДАРТОВ
Москва 1998
ГОСУДАРСТВЕННЫЙ СТАНДАРТ СОЮЗА ССР
|
Единая система конструкторской документации ОБОЗНАЧЕНИЯ УСЛОВНЫЕ ГРАФИЧЕСКИЕ УСТРОЙСТВА КОММУТАЦИОННЫЕ Unified system for design documentation. Graphic designations in diagrams. Commutational devices and contact connections |
ГОСТ (CT СЭВ 5720-86) |
Дата введения 01.01.88
Настоящий стандарт распространяется на схемы, выполняемые вручную или автоматизированным способом, изделий всех отраслей промышленности и строительства и устанавливает условные графические обозначения коммутационных устройств, контактов и их элементов.
Настоящий стандарт не устанавливает условные графические обозначения на схемах железнодорожной сигнализации, централизации и блокировки.
Условные графические обозначения механических связей, приводов и приспособлений - по ГОСТ 2.721.
Условные графические обозначения воспринимающих частей электромеханических устройств - по ГОСТ 2.756.
Размеры отдельных условных графических обозначений и соотношение их элементов приведены в приложении.
1. Общие правила построения обозначений контактов.
1.1. Коммутационные устройства на схемах должны быть изображены в положении, принятом за начальное, при котором пусковая система контактов обесточена.
1.2. Контакты коммутационных устройств состоят из подвижных и неподвижных контакт-деталей.
1.3. Для изображения основных (базовых) функциональных признаков коммутационных устройств применяют условные графические обозначения контактов, которые допускается выполнять в зеркальном изображении:
1)
замыкающих ![]()
2)
размыкающих ![]()
3)
переключающих ![]()
4)
переключающих с нейтральным центральным положением ![]()
1.4. Для пояснения принципа работы коммутационных устройств при необходимости на их контакт-деталях изображают квалифицирующие символы, приведенные в табл. 1.
Таблица 1
|
Обозначение |
|
|
1. Функция контактора |
|
|
2. Функция выключателя |
|
|
3. Функция разъединителя |
|
|
4. Функция выключателя-разъединителя |
|
|
5. Автоматическое срабатывание |
|
|
6. Функция путевого или концевого выключателя |
|
|
7. Самовозврат |
|
|
8. Отсутствие самовозврата |
|
|
9. Дугогашение |
|
|
Примечание. Обозначения, приведенные в пп. 1 - 4, 7 - 9 настоящей таблицы, помещают на неподвижных контакт-деталях, а обозначения в пп. 5 и 6 - на подвижных контакт-деталях. |
|
2. Примеры построения обозначений контактов коммутационных устройств приведены в табл. 2.
Таблица 2
|
Обозначение |
|
|
1. Контакт коммутационного устройства: |
|
|
1) переключающий без размыкания цепи (мостовой) |
|
|
2) с двойным замыканием |
|
|
3) с двойным размыканием |
|
|
2. Контакт импульсный замыкающий: |
|
|
1) при срабатывании |
|
|
2) при возврате |
|
|
3) при срабатывании и возврате |
|
|
3. Контакт импульсный размыкающий: |
|
|
1) при срабатывании |
|
|
2) при возврате |
|
|
3) при срабатывании и возврате |
|
|
4. Контакт в контактной группе, срабатывающий раньше по отношению к другим контактам группы: |
|
|
1) замыкающий |
|
|
2) размыкающий |
|
|
5. Контакт в контактной группе, срабатывающий позже по отношению к другим контактам группы: |
|
|
1) замыкающий |
|
|
2) размыкающий |
|
|
6. Контакт без самовозврата: |
|
|
1) замыкающий |
|
|
2) размыкающий |
|
|
7. Контакт с самовозвратом: |
|
|
1) замыкающий |
|
|
2) размыкающий |
|
|
8. Контакт переключающий с нейтральным центральным положением, с самовозвратом из левого положения и без возврата из правого положения |
|
|
9. Контакт контактора: |
|
|
1) замыкающий |
|
|
2) размыкающий |
|
|
3) замыкающий дугогасительный |
|
|
4) размыкающий дугогасительный |
|
|
5) замыкающий с автоматическим срабатыванием |
|
|
10. Контакт выключателя |
|
|
11. Контакт разъединителя |
|
|
12. Контакт выключателя-разъединителя |
|
|
13. Контакт концевого выключателя: |
|
|
1) замыкающий |
|
|
2) размыкающий |
|
|
14. Контакт, чувствительный к температуре (термоконтакт): |
|
|
1) замыкающий |
|
|
2) размыкающий |
|
|
15. Контакт замыкающий с замедлением, действующим: |
|
|
1) при срабатывании |
|
|
2) при возврате |
|
|
3) при срабатывании и возврате |
|
|
16. Контакт размыкающий с замедлением, действующим: |
|
|
1) при срабатывании |
|
|
2) при возврате |
|
|
3) при срабатывании и возврате |
|
|
Примечание к пп. 15 и 16. Замедление происходит при движении в направлении от дуги к ее центру. |
|
3. Примеры построения обозначений контактов двухпозиционных коммутационных устройств приведены в табл. 3.
Таблица 3
|
Обозначение |
||
|
1. Контакт замыкающий выключателя: |
|
|
|
1) однополюсный |
|
|
|
|
Однолинейное |
Многолинейное |
|
2) трехполюсный |
|
|
|
2. Контакт замыкающий выключателя трехполюсного с автоматическим срабатыванием максимального тока |
|
|
|
3. Контакт замыкающий нажимного кнопочного выключателя без самовозврата, с размыканием и возвратом элемента управления: |
|
|
|
1) автоматически |
|
|
|
2) посредством вторичного нажатия кнопки |
|
|
|
3) посредством вытягивания кнопки |
|
|
|
4) посредством отдельного привода (пример нажатия кнопки-сброс) |
|
|
|
4. Разъединитель трехполюсный |
|
|
|
5. Выключатель-разъединитель трехполюсный |
|
|
|
6. Выключатель ручной |
|
|
|
7. Выключатель электромагнитный (реле) |
|
|
|
8. Выключатель концевой с двумя отдельными цепями |
|
|
|
9. Выключатель термический саморегулирующий Примечание. Следует делать различие в изображении контакта и контакта термореле, изображаемого следующим образом |
|
|
|
10. Выключатель инерционный |
|
|
|
11. Переключатель ртутный трехконечный |
|
|
4. Примеры построения обозначений многопозиционных коммутационных устройств приведены в табл. 4.
Таблица 4
|
Обозначение |
|
|
1. Переключатель однополюсный многопозиционный (пример шестипозиционного) |
|
|
Примечание. Позиции переключателя, в которых отсутствуют коммутируемые цепи, или позиции, соединенные между собой, обозначают короткими штрихами (пример шестипозиционного переключателя, не коммутирующего электрическую цепь в первой позиции и коммутирующего одну и ту же цепь в четвертой и шестой позициях) |
|
|
2. Переключатель однополюсный, шестипозиционный с безобрывным переключателем |
|
|
3. Переключатель однополюсный, многопозиционный с подвижным контактом, замыкающим три соседние цепи в каждой позиции |
|
|
4. Переключатель однополюсный, многопозиционный с подвижным контактом, замыкающим три цепи, исключая одну промежуточную |
|
|
5. Переключатель однополюсный, многопозиционный с подвижным контактом, который в каждой последующей позиции подключает параллельную цепь к цепям, замкнутым в предыдущей позиции |
|
|
6. Переключатель однополюсный, шестипозиционный с подвижным контактом, не размыкающим цепь при переходе его из третьей в четвертую позицию |
|
|
7. Переключатель двухполюсный, четырехпозиционный |
|
|
8. Переключатель двухполюсный шестипозиционный, в котором третий контакт верхнего полюса срабатывает раньше, а пятый контакт - позже, чем соответствующие контакты нижнего полюса |
|
|
9. Переключатель многопозиционный независимых цепей (пример шести цепей) |
|
|
Примечания к пп. 1 - 9: |
|
|
1. При необходимости указания ограничения движения привода переключателя применяют диаграмму положения, например: |
|
|
1) привод обеспечивает переход подвижного контакта переключателя от позиции 1 к позиции 4 и обратно |
|
|
2) привод обеспечивает переход подвижного контакта от позиции 1 к позиции 4 и далее в позицию 1; обратное движение возможно только от позиции 3 к позиции 1 |
|
|
2. Диаграмму положения связывают с подвижным контактом переключателя линией механической связи |
|
|
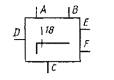
10. Переключатель со сложной коммутацией изображают на схеме одним из следующих способов: 1) общее обозначение (пример обозначения восемнадцатипозиционного роторного переключателя с шестью зажимами, обозначенными от А до F) |
|
|
2) обозначение, составленное согласно конструкции |
|
|
11. Переключатель двухполюсный, трехпозиционный с нейтральным положением |
|
|
12. Переключатель двухполюсный, трехпозиционный с самовозвратом в нейтральное положение |
|
5. Обозначения контактов контактных соединений приведены в табл. 5.
Таблица 5
|
Обозначение |
|
|
1. Контакт контактного соединения: |
|
|
1) разъемного соединения: |
|
|
- штырь |
|
|
- гнездо |
|
|
2) разборного соединения |
|
|
3) неразборного соединения |
|
|
2. Контакт скользящий: |
|
|
1) по линейной токопроводящей поверхности |
|
|
2) по нескольким линейным токопроводящим поверхностям |
|
|
3) по кольцевой токопроводящей поверхности |
|
|
4) по нескольким кольцевым токопроводящим поверхностям Примечание. При выполнении схем с помощью ЭВМ допускается применять штриховку вместо зачернения |
|
6. Примеры построения обозначений контактных соединений приведены в табл. 6.
Таблица 6
|
Обозначение |
|
|
1. Соединение контактное разъемное |
|
|
2. Соединение контактное разъемное четырехпроводное |
|
|
3. Штырь четырехпроводного контактного разъемного соединения |
|
|
4. Гнездо четырехпроводного контактного разъемного соединения |
|
|
Примечание. В пп. 2 - 4 цифры внутри прямоугольников обозначают номера контактов |
|
|
5. Соединение контактное разъемное коаксиальное |
|
|
6. Перемычки контактные |
|
|
Примечание. Вид связи см. табл. 5, п. 1. |
|
|
7. Колодка зажимов Примечание. Для указания видов контактных соединений допускается применять следующие обозначения: |
|
|
1) колодки с разборными контактами |
|
|
2) колодки с разборными и неразборными контактами |
|
|
8. Перемычка коммутационная: |
|
|
1) на размыкание |
|
|
2) с выведенным штырем |
|
|
3) с выведенным гнездом |
|
|
4) на переключение |
|
|
9. Соединение с защитным контактом |
|
7. Обозначения элементов искателей приведены в табл. 7.
Таблица 7
|
Обозначение |
|
|
1. Щетка искателя с размыканием цепи при переключении |
|
|
2. Щетка искателя без размыкания цепи при переключении |
|
|
3. Контакт (выход) поля искателя |
|
|
4. Группа контактов (выходов) поля искателя |
|
|
5. Поле искателя контактное |
|
|
6. Поле искателя контактное с исходным положением Примечание. Обозначение исходного положения применяют при необходимости |
|
|
7. Поле искателя контактное с изображением контактов (выходов) |
|
|
8. Поле искателя с изображением групп контактов (выходов) |
|
8. Примеры построения обозначений искателей приведены в табл. 8.
Таблица 8
|
Обозначение |
|
|
1. Искатель с одним движением без возврата щеток в исходное положение |
|
|
2. Искатель с одним движением с возвратом щеток в исходное положение. |
|
|
Примечание. При использовании искателя в четырехпроводном тракте применяют обозначение искателя с возвратом щеток в исходное положение |
|
|
3. Искатель с двумя движениями с возвратом щеток в исходное положение |
|
|
4. Искатель релейный |
|
|
5. Искатель моторный с возвратом в исходное положение |
|
|
6. Искатель моторный с двумя движениями, приводимый в движение общим мотором |
|
|
7. Искатель с изображением контактов (выходов) с одним движением без возврата щеток в исходное положение: |
|
|
1) с размыканием цепи при переключении |
|
|
2) без размыкания цепи при переключении |
|
|
8. Искатель с изображением контактов (выходов) с одним движением с возвратом щеток в исходное положение: |
|
|
1) с размыканием цепи при переключении |
|
|
2) без размыкания цепи при переключении |
|
|
9. Искатель с изображением групп контактов (выходов) (пример искателя с возвратом щеток в исходное положение) |
|
|
10. Искатель шаговый с указанием количества шагов вынужденного и свободного искания (пример 10 шагов вынужденного и 20 шагов свободного искания) |
|
|
11. Искатель с двумя движениями с возвратом в исходное положение и с указанием декад и подсоединения к определенной (шестой) декаде |
|
|
12. Искатель с двумя движениями, с возвратом в исходное положение и многократным соединением контактных полей несколькими искателями (пример, двумя) Примечание. Если возникает необходимость указать, что искатель установлен в нужное положение с помощью маркировочного потенциала, поданного на соответствующий контакт контактного поля, следует использовать обозначение (пример, положение 7) |
|
9. Обозначения многократных координатных соединителей приведены в табл. 9.
Таблица 9
|
Обозначение |
|
|
1. Соединитель координатный многократный. Общее обозначение |
|
|
2. Соединитель координатный многократный в четырехпроводном тракте |
|
|
3. Вертикаль многократного координатного соединителя Примечание. Порядок нумерации выходов допускается изменять |
|
|
4. Вертикаль многократного координатного соединителя с m выходами |
|
|
5. Соединитель координатный многократный с n вертикалями и с m выходами в каждой вертикали Примечание. Допускается упрощенное обозначение: n - число вертикали, m - число выходов в каждой вертикали |
|
Справочное
Размеры (в модульной сетке) основных условных графических обозначений приведены в табл. 10.
Таблица 10
|
Обозначение |
|
|
1. Контакт коммутационного устройства |
|
|
1) замыкающий |
|
|
2) размыкающий |
|
|
3) переключающий |
|
|
2. Контакт импульсный замыкающий при срабатывании и возврате |
|
|
3. Переключатель двухполюсный шестипозиционный, в котором третий контакт верхнего полюса срабатывает раньше, а пятый контакт - позже, чем соответствующие контакты нижнего полюса |
|
|
4. Искатель с двумя движениями с возвратом в исходное положение и многократным соединением контактных полей несколькими искателями, например двумя |
|
ИНФОРМАЦИОННЫЕ ДАННЫЕ
1. РАЗРАБОТАН И ВНЕСЕН Государственным комитетом СССР по стандартам
РАЗРАБОТЧИКИ
П.А. Шалаев, С.С. Борушек, С.Л. Таллер, Ю.Н. Ачкасов
2. УТВЕРЖДЕН И ВВЕДЕН В ДЕЙСТВИЕ Постановлением Государственного комитета СССР по стандартам от 27.10.87 № 4033
3. Стандарт полностью соответствует СТ СЭВ 5720-86
4. ВЗАМЕН ГОСТ 2.738-68 (кроме подпункта 7 табл. 1) и ГОСТ 2.755-74
5. ССЫЛОЧНЫЕ НОРМАТИВНО-ТЕХНИЧЕСКИЕ ДОКУМЕНТЫ
|
Обозначение НТД, на который дана ссылка |
Номер пункта |
6. ПЕРЕИЗДАНИЕ. Октябрь 1997 г.