ГОСТ 14115-85
МЕЖГОСУДАРСТВЕННЫЙ СТАНДАРТ
УСТРОЙСТВА СТРОПОВЫЕ ДЛЯ СОСУДОВ И АППАРАТОВ
ШТУЦЕРА МОНТАЖНЫЕ УДЛИНЕННЫЕ
КОНСТРУКЦИЯ И РАЗМЕРЫ
ИПК ИЗДАТЕЛЬСТВО СТАНДАРТОВ
Москва
МЕЖГОСУДАРСТВЕННЫЙ СТАНДАРТ
|
Устройства строповые для сосудов и аппаратов ШТУЦЕРА МОНТАЖНЫЕ УДЛИНЕННЫЕ Конструкция и размеры Vessels attaching rigs. Oblong erection lugs. |
ГОСТ |
Дата введения 01.01.86
1. Настоящий стандарт распространяется на удлиненные монтажные штуцера (далее - штуцера), применяемые при строповке канатами для подъема стреловыми кранами стальных цилиндрических сосудов и аппаратов нефтеперерабатывающей, нефтехимической, химической и других отраслей промышленности, с усилием на один штуцер от 200 до 1000 кН (от 20 до 100 тс).
2. Штуцера должны изготовляться двух исполнений согласно табл. 1.
Таблица 1
|
Усилие на один штуцер |
Область применения штуцеров для сосудов и аппаратов диаметром D, мм |
||
|
кН |
тс |
||
|
1 |
От 200 до 500 |
От 20 до 50 |
От 800 до 4000 |
|
2 |
Св. 500 » 1000 |
Св. 50 » 100 |
» 2200 » 6400 |
3. Конструкция и размеры штуцеров должны соответствовать указанным в табл. 2 и на черт. 1.
Таблица 2
Размеры в мм
|
штуцера |
Усилие на один штуцер |
Исполнение |
Диаметр сосуда или аппарата D |
Сварной шов |
L* |
Dн |
Dф |
е |
l |
l1 |
l2 |
Масса, кг |
Поз. 1 Оболочка |
Поз. 2 Фланец |
Поз. 3 Ребро |
||
|
Количество |
|||||||||||||||||
|
кН |
тс |
1 |
2 |
1 |
2 |
||||||||||||
|
Обозначение |
|||||||||||||||||
|
01 |
200 |
20 |
1 |
800 |
8 |
513 |
325 |
475 |
90 |
120 |
70 |
- |
74,2 |
01/1 |
01/2 |
01/3 |
- |
|
02 |
1000 |
02/1 |
|||||||||||||||
|
03 |
1200-1600 |
03/1 |
|||||||||||||||
|
04 |
1800-2200 |
04/1 |
|||||||||||||||
|
05 |
250 |
25 |
1600-2200 |
528 |
377 |
525 |
115 |
148 |
85 |
86,2 |
05/1 |
05/2 |
05/3 |
||||
|
06 |
2400-3000 |
06/1 |
|||||||||||||||
|
07 |
320 |
32 |
1 |
1800-2400 |
10 |
547 |
426 |
580 |
140 |
180 |
105 |
105,3 |
07/1 |
07/2 |
07/3 |
- |
|
|
08 |
2600-3600 |
08/1 |
|||||||||||||||
|
09 |
400 |
40 |
1800-2400 |
09/1 |
|||||||||||||
|
10 |
2600-3600 |
10/1 |
|||||||||||||||
|
11 |
500 |
50 |
2000-2400 |
547 |
530 |
680 |
145 |
188 |
110 |
146,4 |
11/1 |
14/2 ГОСТ 14114 |
11/3 |
||||
|
12 |
2600-3200 |
12/1 |
|||||||||||||||
|
13 |
3400-4000 |
13/1 |
|||||||||||||||
|
14 |
630 |
63 |
2 |
2200-2400 |
12 |
552 |
630 |
780 |
165 |
208 |
90 |
145 |
186,8 |
14/1 |
18/2 ГОСТ 14114 |
- |
14/3 |
|
15 |
2600-3000 |
15/1 |
|||||||||||||||
|
16 |
3200-3600 |
16/1 |
|||||||||||||||
|
17 |
3800-4400 |
17/1 |
|||||||||||||||
|
18 |
800 |
80 |
2400-2600 |
559 |
720 |
870 |
180 |
225 |
100 |
160 |
235,9 |
18/1 |
22/2 ГОСТ 14114 |
18/3 |
|||
|
19 |
2800-3200 |
19/1 |
|||||||||||||||
|
20 |
3400-4200 |
20/1 |
|||||||||||||||
|
21 |
4400-5400 |
21/1 |
|||||||||||||||
|
22 |
1000 |
100 |
2600-2800 |
573 |
820 |
970 |
195 |
248 |
112 |
177 |
287,2 |
22/1 |
27/2 ГОСТ 14114 |
22/3 |
|||
|
23 |
3000-3400 |
23/1 |
|||||||||||||||
|
24 |
3600-4000 |
24/1 |
|||||||||||||||
|
25 |
4200-5000 |
25/1 |
|||||||||||||||
|
26 |
5400-6400 |
26/1 |
|||||||||||||||
Примечания:
1. Размер L*, приведенный в таблице, является максимальным для данной группы сосудов или аппаратов.
2. Размеры катетов и типы сварных швов приварки ребер (поз. 3) даны в п. 7.
Пример условного обозначения штуцера монтажного для аппарата диаметром 1800 мм с усилием на один штуцер 20 тc:
Штуцер монтажный 04 ГОСТ 14115-85
(Измененная редакция, Изм. № 1).
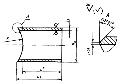
4. Конструкция и размеры оболочки (поз. 7) должны соответствовать указанным на черт. 2 и в табл. 3.
Исполнение 1

Исполнение 2

___________
* Размер для справок
Черт. 1
___________
* Размер для справок.
Черт. 2
Таблица 3
Размеры в мм
|
L1 |
L* |
R |
Dн |
s1 |
Масса, кг |
|
|
01/1 |
525 |
495 |
400 |
325 |
10 |
40,8 |
|
02/1 |
501 |
500 |
||||
|
03/1 |
507 |
650 |
||||
|
04/1 |
513 |
1000 |
||||
|
05/1 |
540 |
522 |
900 |
377 |
49,0 |
|
|
06/1 |
528 |
1300 |
||||
|
07/1 |
560 |
539 |
1000 |
426 |
11 |
63,0 |
|
08/1 |
547 |
1550 |
||||
|
09/1 |
539 |
1000 |
||||
|
10/1 |
547 |
1550 |
||||
|
11/1 |
565 |
535 |
1100 |
530 |
10 |
72,4 |
|
12/1 |
542 |
1450 |
||||
|
13/1 |
547 |
1800 |
||||
|
14/1 |
575 |
534 |
1150 |
630 |
88,0 |
|
|
15/1 |
541 |
1400 |
||||
|
16/1 |
547 |
1650 |
||||
|
17/1 |
552 |
2000 |
||||
|
18/1 |
585 |
535 |
1250 |
720 |
11 |
112,5 |
|
19/1 |
544 |
1500 |
||||
|
20/1 |
552 |
1850 |
||||
|
21/1 |
559 |
2400 |
||||
|
22/1 |
600 |
539 |
1350 |
820 |
12 |
143,6 |
|
23/1 |
549 |
1600 |
||||
|
24/1 |
557 |
1900 |
||||
|
25/1 |
565 |
2300 |
||||
|
26/1 |
573 |
2950 |
Пример условного обозначения оболочки для штуцера монтажного 04:
Оболочка 04/1 ГОСТ 14115-85
4.1 Оболочка изготавливается из трубы Dн ´ s1 по ГОСТ 8732 и ГОСТ 10704.
Допускается изготовление оболочки из листа сварной с одним продольным швом или штампосварной с двумя продольными швами.
5. Конструкция и размеры фланца (поз. 2) должны соответствовать указанным на черт. 3 и в табл. 4.
Черт. 3
Таблица 4
Размеры в мм
|
Dф |
d1 |
Масса, кг |
|
|
01/2 |
475 |
328 H14 |
14,5 |
|
05/2 |
525 |
380 H14 |
15,9 |
|
07/2 |
580 |
430 H14 |
18,6 |
Примечание. Размер d1 необходимо корректировать в зависимости от фактического наружного диаметра оболочки для обеспечения допустимого зазора в сварном соединении в соответствии с ГОСТ 5264.
Пример условного обозначения фланца для штуцера монтажного 04:
Фланец 01/2 ГОСТ 14115-85
5.1. Допускается изготовление фланцев диаметром свыше 500 мм сварными из двух деталей в виде полукольца каждая с разделкой кромок под сварку С 21 по ГОСТ 5264.
6. Конструкция и размеры ребер (поз. 3) должны соответствовать указанным на черт. 4 и в табл. 5.
Черт. 4
Таблица 5
Размеры в мм
|
Dp |
d2 |
s3 |
Масса, кг |
|
|
01/3 |
302 H14 |
140 |
10 |
4,4 |
|
05/3 |
354 H14 |
195 |
5,4 |
|
|
07/3 |
400 H14 |
240 |
8 |
5,1 |
|
11/3 |
507 H14 |
345 |
10 |
8,4 |
|
14/3 |
607 H14 |
425 |
11,5 |
|
|
18/3 |
695 H14 |
515 |
12 |
16,1 |
|
22/3 |
793 Н14 |
590 |
20,5 |
Примечание. Размер Dp необходимо корректировать в зависимости от фактического внутреннего диаметра оболочки для обеспечения допустимого зазора в сварном соединении в соответствии с ГОСТ 5264.
Пример условного обозначения ребра для штуцера монтажного 04:
Ребро 01/3 ГОСТ 14115-85
6.1. Допускается изготовление ребер диаметром св. 500 мм сварными из 2 - 4 деталей в виде части кольца каждая с разделкой кромок под сварку С 21 по ГОСТ 5264.
7. Приварка ребер штуцеров должна соответствовать указаниям, приведенным на черт. 5 и в табл. 2.
Черт. 5
8. На каждый штуцер должна быть нанесена маркировка, содержащая его условное обозначение.
9. Остальные технические требования - по ГОСТ 14116.
10. Фактическая масса штуцеров не должна превышать более чем на 6 % значений, приведенных в табл. 2-5.
ИНФОРМАЦИОННЫЕ ДАННЫЕ
1. РАЗРАБОТАН И ВНЕСЕН Министерством монтажных и специальных строительных работ СССР
РАЗРАБОТЧИКИ
В.А. Воронов, Э.Я. Гордон, B.С. Европин
2. УТВЕРЖДЕН И ВВЕДЕН В ДЕЙСТВИЕ Постановлением Государственного комитета СССР по стандартам от 22.01.85 № 140
3. ВЗАМЕН ГОСТ 14115-78
4. ССЫЛОЧНЫЕ НОРМАТИВНО-ТЕХНИЧЕСКИЕ ДОКУМЕНТЫ
|
Обозначение НТД, на который дана ссылка |
Номер пункта |
5. Ограничение срока действия снято Постановлением Госстандарта от 18.06.90 № 1617
6. ПЕРЕИЗДАНИЕ (январь 1999 г.) с Изменением № 1, утвержденным в июне 1990 г. (ИУС 9-90)