МЕЖГОСУДАРСТВЕННЫЙ СТАНДАРТ
ШВЕЛЛЕРЫ СТАЛЬНЫЕ ГОРЯЧЕКАТАНЫЕ
Сортамент
МЕЖГОСУДАРСТВЕННЫЙ
СОВЕТ
ПО СТАНДАРТИЗАЦИИ, МЕТРОЛОГИИ И СЕРТИФИКАЦИИ
Минск
Предисловие
1 РАЗРАБОТАН Межгосударственным техническим комитетом по стандартизации МТК 327, Украинским государственным научно-исследовательским институтом металлов
ВНЕСЕН Государственным комитетом Украины по стандартизации, метрологии и сертификации
2 ПРИНЯТ Межгосударственным Советом по стандартизации, метрологии и сертификации (протокол № 11 от 23 апреля 1997 г.)
За принятие проголосовали:
|
Наименование государства |
Наименование национального органа по стандартизации |
|
Азербайджанская Республика |
Азгосстандарт |
|
Республика Армения |
Армгосстандарт |
|
Республика Беларусь |
Госстандарт Республики Беларусь |
|
Грузия |
Грузстандарт |
|
Республика Казахстан |
Госстандарт Республики Казахстан |
|
Республика Молдова |
Молдовастандарт |
|
Российская Федерация |
Госстандарт России |
|
Республика Таджикистан |
Таджикстандарт |
|
Туркменистан |
Главгосслужба «Туркменстандартлары» |
|
Украина |
Госстандарт Украины |
3 Постановлением Государственного комитета Российской Федерации по стандартизации и метрологии от 5 апреля 2001 г. № 166-ст межгосударственный стандарт ГОСТ 8240-97 введен в действие непосредственно в качестве государственного стандарта Российской Федерации с 1 января 2002 г.
4 ВЗАМЕН ГОСТ 8240-89
МЕЖГОСУДАРСТВЕННЫЙ СТАНДАРТ
ШВЕЛЛЕРЫ СТАЛЬНЫЕ ГОРЯЧЕКАТАНЫЕ
Сортамент
Hot-rolled steel channels.
Assortment
Дата введения 2002-01-01
Настоящий стандарт устанавливает сортамент стальных горячекатаных швеллеров общего и специального назначения высотой от 50 до 400 мм и шириной полок от 32 до 115 м.
2.1 По форме и размерам швеллеры изготовляют следующих серий:
У - с уклоном внутренних граней полок;
П - с параллельными гранями полок;
Э - экономичные с параллельными гранями полок;
Л - легкой серии с параллельными гранями полок;
С - специальные.
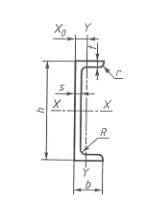
Условные обозначения величин, характеризующих свойства швеллера:
h - высота (швеллера);
b - ширина полки;
s - толщина стенки;
t - толщина полки;
R - радиус внутреннего закругления;
r - радиус закругления полки;
X0 - расстояние от оси Y-Y до наружной грани стенки;
Δ - перекос полки;
f - прогиб стенки по высоте сечения профиля;
F - площадь поперечного сечения;
I - момент инерции;
W - момент сопротивления;
i - радиус инерции;
Sx - статический момент полусечения.
2.2 Поперечное сечение швеллеров серий У, С должно соответствовать приведенному на рисунке 1, серий П, Э, Л - на рисунке 2.
2.3 Размеры швеллеров, площадь поперечного сечения, масса 1 м и справочные значения для осей должны соответствовать приведенным в таблицах 1-5.
2.3.1 Площадь поперечного сечения и масса 1 м швеллера вычислены по номинальным размерам, плотность стали принята равной 7,85 г/см3.

Рисунок 1
(Поправка. ИУС 12-2004 г.).

Рисунок 2
(Поправка. ИУС 12-2004 г.).
Таблица 1 - Швеллеры с уклоном внутренних граней полок
|
h |
b |
s |
t |
R |
r |
Площадь поперечного сечения F, см2 |
Масса 1 м, кг |
Справочные значения для осей |
X0, см |
|||||||
|
не более |
Х-Х |
Y-Y |
||||||||||||||
|
мм |
Ix, см4 |
Wx, см3 |
ix, см |
Sx, см3 |
Iy, см4 |
Wy, см3 |
i0, см |
|||||||||
|
5У |
50 |
32 |
4,4 |
7,0 |
6,0 |
2,5 |
6,16 |
4,84 |
22,8 |
9,1 |
1,92 |
5,59 |
5,61 |
2,75 |
0,95 |
1,16 |
|
6,5У |
65 |
36 |
4,4 |
7,2 |
6,0 |
2,5 |
7,51 |
5,90 |
48,6 |
15,0 |
2,54 |
9,00 |
8,70 |
3,68 |
1,08 |
1,24 |
|
8У |
80 |
40 |
4,5 |
7,4 |
6,5 |
2,5 |
8,98 |
7,05 |
89,4 |
22,4 |
3,16 |
13,30 |
12,80 |
4,75 |
1,19 |
1,31 |
|
10У |
100 |
46 |
4,5 |
7,6 |
7,0 |
3,0 |
10,90 |
8,59 |
174,0 |
34,8 |
3,99 |
20,40 |
20,40 |
6,46 |
1,37 |
1,44 |
|
12У |
120 |
52 |
4,8 |
7,8 |
7,5 |
3,0 |
13,30 |
10,40 |
304,0 |
50,6 |
4,78 |
29,60 |
31,20 |
8,52 |
1,53 |
1,54 |
|
14У |
140 |
58 |
4,9 |
8,1 |
8,0 |
3,0 |
15,60 |
12,30 |
491,0 |
70,2 |
5,60 |
40,80 |
45,40 |
11,00 |
1,70 |
1,67 |
|
16У |
160 |
64 |
5,0 |
8,4 |
8,5 |
3,5 |
18,10 |
14,20 |
747,0 |
93,4 |
6,42 |
54,10 |
63,30 |
13,80 |
1,87 |
1,80 |
|
16аУ |
160 |
68 |
5,0 |
9,0 |
8,5 |
3,5 |
19,50 |
15,30 |
823,0 |
103,0 |
6,49 |
59,40 |
78,80 |
16,40 |
2,01 |
2,00 |
|
18У |
180 |
70 |
5,1 |
8,7 |
9,0 |
3,5 |
20,70 |
16,30 |
1090,0 |
121,0 |
7,24 |
69,80 |
86,00 |
17,00 |
2,04 |
1,94 |
|
18аУ |
180 |
74 |
5,1 |
9,3 |
9,0 |
3,5 |
22,20 |
17,40 |
1190,0 |
132,0 |
7,32 |
76,10 |
105,00 |
20,00 |
2,18 |
2,13 |
|
20У |
200 |
76 |
5,2 |
9,0 |
9,5 |
4,0 |
23,40 |
18,40 |
1520,0 |
152,0 |
8,07 |
87,80 |
113,00 |
20,50 |
2,20 |
2,07 |
|
22У |
220 |
82 |
5,4 |
9,5 |
10,0 |
4,0 |
26,70 |
21,00 |
2110,0 |
192,0 |
8,89 |
110,00 |
151,00 |
25,10 |
2,37 |
2,21 |
|
24У |
240 |
90 |
5,6 |
10,0 |
10,5 |
4,0 |
30,60 |
24,00 |
2900,0 |
242,0 |
9,73 |
139,00 |
208,00 |
31,60 |
2,60 |
2,42 |
|
27У |
270 |
95 |
6,0 |
10,5 |
11,0 |
4,5 |
35,20 |
27,70 |
4160,0 |
308,0 |
10,90 |
178,00 |
262,00 |
37,30 |
2,73 |
2,47 |
|
30У |
300 |
100 |
6,5 |
11,0 |
12,0 |
5,0 |
40,50 |
31,80 |
5810,0 |
387,0 |
12,00 |
224,00 |
327,00 |
43,60 |
2,84 |
2,52 |
|
33У |
330 |
105 |
7,0 |
11,7 |
13,0 |
5,0 |
46,50 |
36,50 |
7980,0 |
484,0 |
13,10 |
281,00 |
410,00 |
51,80 |
2,97 |
2,59 |
|
36У |
360 |
110 |
7,5 |
12,6 |
14,0 |
6,0 |
53,40 |
41,90 |
10820,0 |
601,0 |
14,20 |
350,00 |
513,00 |
61,70 |
3,10 |
2,68 |
|
40У |
400 |
115 |
8,0 |
13,5 |
15,0 |
6,0 |
61,50 |
48,30 |
15220,0 |
761,0 |
15,70 |
444,00 |
642,00 |
73,40 |
3,23 |
2,75 |
(Поправка. ИУС 12-2004 г.).
Таблица 2 - Швеллеры с параллельными гранями полок
|
Номер швеллера серии П |
h |
b |
s |
t |
R |
r |
Площадь поперечного сечения F, см2 |
Масса 1 м, кг |
Справочные значения для осей |
X0, см |
||||||
|
не более |
Х-Х |
Y-Y |
||||||||||||||
|
мм |
Ix, см4 |
Wx, см3 |
ix, см |
Sx, см3 |
Iy, см4 |
Wy, см3 |
iy, см |
|||||||||
|
5П |
50 |
32 |
4,4 |
7,0 |
6,0 |
3,5 |
6,16 |
4,84 |
22,8 |
9,1 |
1,92 |
5,61 |
5,95 |
2,99 |
0,98 |
1,21 |
|
6,5П |
65 |
36 |
4,4 |
7,2 |
6,0 |
3,5 |
7,51 |
5,90 |
48,8 |
15,0 |
2,55 |
9,02 |
9,35 |
4,06 |
1,12 |
1,29 |
|
8П |
80 |
40 |
4,5 |
7,4 |
6,5 |
3,5 |
8,98 |
7,05 |
89,8 |
22,5 |
3,16 |
13,30 |
13,90 |
5,31 |
1,24 |
1,38 |
|
10П |
100 |
46 |
4,5 |
7,6 |
7,0 |
4,0 |
10,90 |
8,59 |
175,0 |
34,9 |
3,99 |
20,50 |
22,60 |
7,37 |
1,44 |
1,53 |
|
12П |
120 |
52 |
4,8 |
7,8 |
7,5 |
4,5 |
13,30 |
10,40 |
305,0 |
50,8 |
4,79 |
29,70 |
34,90 |
9,84 |
1,62 |
1,66 |
|
14П |
140 |
58 |
4,9 |
8,1 |
8,0 |
4,5 |
15,60 |
12,30 |
493,0 |
70,4 |
5,61 |
40,90 |
51,50 |
12,90 |
1,81 |
1,82 |
|
16П |
160 |
64 |
5,0 |
8,4 |
8,5 |
5,0 |
18,10 |
14,20 |
750,0 |
93,8 |
6,44 |
54,30 |
72,80 |
16,40 |
2,00 |
1,97 |
|
16аП |
160 |
68 |
5,0 |
9,0 |
8,5 |
5,0 |
19,50 |
15,30 |
827,0 |
103,0 |
6,51 |
59,50 |
90,50 |
19,60 |
2,15 |
2,19 |
|
18П |
180 |
70 |
5,1 |
8,7 |
9,0 |
5,0 |
20,70 |
16,30 |
1090,0 |
121,0 |
7,26 |
70,00 |
100,00 |
20,60 |
2,20 |
2,14 |
|
18аП |
180 |
74 |
5,1 |
9,3 |
9,0 |
5,0 |
22,20 |
17,40 |
1200,0 |
133,0 |
7,34 |
76,30 |
123,00 |
24,30 |
2,35 |
2,36 |
|
20П |
200 |
76 |
5,2 |
9,0 |
9,5 |
5,5 |
23,40 |
18,40 |
1530,0 |
153,0 |
8,08 |
88,00 |
134,00 |
25,20 |
2,39 |
2,30 |
|
22П |
220 |
82 |
5,4 |
9,5 |
10,0 |
6,0 |
26,70 |
21,00 |
2120,0 |
193,0 |
8,90 |
111,00 |
178,00 |
31,00 |
2,58 |
2,47 |
|
24П |
240 |
90 |
5,6 |
10,0 |
10,5 |
6,0 |
30,60 |
24,00 |
2910,0 |
243,0 |
9,75 |
139,00 |
248,00 |
39,50 |
2,85 |
2,72 |
|
27П |
270 |
95 |
6,0 |
10,5 |
11,0 |
6,5 |
35,20 |
27,70 |
4180,0 |
310,0 |
10,90 |
178,00 |
314,00 |
46,70 |
2,99 |
2,78 |
|
30П |
300 |
100 |
6,5 |
11,0 |
12,0 |
7,0 |
40,50 |
31,80 |
5830,0 |
389,0 |
12,00 |
224,00 |
393,00 |
54,80 |
3,12 |
2,83 |
|
33П |
330 |
105 |
7,0 |
11,7 |
13,0 |
7,5 |
46,50 |
36,50 |
8010,0 |
486,0 |
13,10 |
281,00 |
491,00 |
64,60 |
3,25 |
2,90 |
|
36П |
360 |
110 |
7,5 |
12,6 |
14,0 |
8,5 |
53,40 |
41,90 |
10850,0 |
603,0 |
14,30 |
350,00 |
611,00 |
76,30 |
3,38 |
2,99 |
|
40П |
400 |
115 |
8,0 |
13,5 |
15,0 |
9,0 |
61,50 |
48,30 |
15260,0 |
763,0 |
15,80 |
445,00 |
760,00 |
89,90 |
3,51 |
3,05 |
(Поправка. ИУС 12-2004 г.).
Таблица 3 - Швеллеры экономичные с параллельными гранями полок
|
Номер швеллера серии Э |
h |
b |
s |
t |
R |
r |
Площадь поперечного сечения F,см2 |
Масса 1 м, кг |
Справочные значения для осей |
X0, см |
||||||
|
не более |
Х-Х |
Y-Y |
||||||||||||||
|
мм |
Ix, см4 |
Wx, см3 |
ix, см |
Sx, см3 |
Iy, см4 |
Wy, см3 |
iy, см |
|||||||||
|
5Э |
50 |
32 |
4,2 |
7,0 |
6,5 |
2,5 |
6,10 |
4,79 |
22,9 |
9,17 |
1,94 |
5,62 |
6,02 |
3,05 |
0,993 |
1,23 |
|
6,5Э |
65 |
36 |
4,2 |
7,2 |
6,5 |
2,5 |
7,41 |
5,82 |
48,9 |
15,05 |
2,57 |
9,02 |
9,42 |
4,13 |
1,127 |
1,32 |
|
8Э |
80 |
40 |
4,2 |
7,4 |
7,5 |
2,5 |
8,82 |
6,92 |
90,0 |
22,50 |
3,19 |
13,31 |
13,93 |
5,38 |
1,257 |
1,41 |
|
10Э |
100 |
46 |
4,2 |
7,6 |
9,0 |
3,0 |
10,79 |
8,47 |
175,9 |
35,17 |
4,04 |
20,55 |
22,68 |
7,47 |
1,450 |
1,56 |
|
12Э |
120 |
52 |
4,5 |
7,8 |
9,5 |
3,0 |
13,09 |
10,24 |
307,0 |
51,17 |
4,84 |
29,75 |
35,12 |
10,03 |
1,638 |
1,70 |
|
14Э |
140 |
58 |
4,6 |
8,1 |
10,0 |
3,0 |
15,41 |
12,15 |
495,7 |
70,81 |
5,67 |
40,96 |
51,76 |
13,13 |
1,833 |
1,86 |
|
16Э |
160 |
64 |
4,7 |
8,4 |
11,0 |
3,5 |
17,85 |
14,01 |
755,5 |
94,43 |
6,50 |
54,41 |
73,17 |
16,70 |
2,024 |
2,02 |
|
18Э |
180 |
70 |
4,8 |
8,7 |
11,5 |
3,5 |
20,40 |
16,01 |
1097,9 |
121,99 |
7,34 |
70,05 |
100,51 |
20,87 |
2,219 |
2,18 |
|
20Э |
200 |
76 |
4,9 |
9,0 |
12,0 |
4,0 |
23,02 |
18,07 |
1537,1 |
153,71 |
8,17 |
88,03 |
134,07 |
25,54 |
2,413 |
2,35 |
|
22Э |
220 |
82 |
5,1 |
9,5 |
13,0 |
4,0 |
26,36 |
20,69 |
2134,2 |
194,02 |
9,00 |
111,00 |
179,05 |
31,54 |
2,606 |
2,52 |
|
24Э |
240 |
90 |
5,3 |
10,0 |
13,0 |
4,0 |
30,19 |
23,69 |
2927,0 |
243,92 |
9,85 |
139,08 |
249,03 |
40,07 |
2,872 |
2,78 |
|
27Э |
270 |
95 |
5,8 |
10,5 |
13,0 |
4,5 |
34,87 |
27,37 |
4200,2 |
311,12 |
10,97 |
178,25 |
316,24 |
47,43 |
3,011 |
2,83 |
|
30Э |
300 |
100 |
6,3 |
11,0 |
13,0 |
5,0 |
39,94 |
31,35 |
5837,1 |
389,14 |
12,09 |
224,00 |
395,57 |
55,58 |
3,147 |
2,88 |
|
33Э |
330 |
105 |
6,9 |
11,7 |
13,0 |
5,0 |
46,15 |
36,14 |
8021,8 |
488,17 |
13,18 |
281,23 |
497,02 |
65,78 |
3,282 |
2,94 |
|
36Э |
360 |
110 |
7,4 |
12,6 |
14,0 |
6,0 |
52,90 |
41,53 |
10864,5 |
603,58 |
14,33 |
350,05 |
618,92 |
77,76 |
3,420 |
3,04 |
|
40Э |
400 |
115 |
7,9 |
13,5 |
15,5 |
6,0 |
61,11 |
47,97 |
15307,9 |
765,40 |
15,83 |
445,41 |
770,89 |
91,80 |
3,552 |
3,10 |
Таблица 4 - Швеллеры легкой серии с параллельными гранями полок
|
Номер швеллера серии Л |
h |
b |
s |
t |
R |
r |
Площадь поперечного сечения F, см2 |
Масса 1 м, кг |
Справочные значения для осей |
X0, см |
||||||
|
не более |
Х-Х |
Y-Y |
||||||||||||||
|
мм |
Ix, см4 |
Wx, см3 |
ix, см |
Sx, см3 |
Iy, см4 |
Wy, см3 |
iy, см |
|||||||||
|
12Л |
120 |
30 |
3,0 |
4,8 |
7 |
- |
6,39 |
5,02 |
135,26 |
22,54 |
4,60 |
13,43 |
5,02 |
2,24 |
0,89 |
0,76 |
|
14Л |
140 |
32 |
3,2 |
5,6 |
7 |
- |
7,57 |
5,94 |
212,94 |
30,42 |
5,31 |
18,23 |
6,55 |
2,70 |
0,93 |
0,78 |
|
16Л |
160 |
35 |
3,4 |
5,3 |
8 |
- |
9,04 |
7,10 |
331,96 |
41,49 |
6,06 |
24,84 |
9,23 |
3,46 |
1,01 |
0,83 |
|
18Л |
180 |
40 |
3,6 |
5,6 |
8 |
- |
10,81 |
8,49 |
503,87 |
55,98 |
6,83 |
33,49 |
14,64 |
4,10 |
1,16 |
0,94 |
|
20Л |
200 |
45 |
3,8 |
6,0 |
9 |
- |
12,89 |
10,12 |
748,17 |
74,82 |
7,62 |
44,59 |
22,37 |
6,51 |
1,32 |
1,06 |
|
22Л |
220 |
50 |
4,0 |
6,4 |
10 |
- |
15,11 |
11,86 |
1070,97 |
97,36 |
8,42 |
57,82 |
32,85 |
8,61 |
1,47 |
1,19 |
|
24Л |
240 |
55 |
4,2 |
6,8 |
10 |
- |
17,41 |
13,66 |
1476,39 |
123,03 |
9,21 |
72,90 |
46,25 |
11,04 |
1,63 |
1,31 |
|
27Л |
270 |
60 |
4,5 |
7,3 |
11 |
- |
20,77 |
16,30 |
2218,16 |
164,31 |
10,33 |
97,48 |
65,10 |
14,17 |
1,77 |
1,40 |
|
30Л |
300 |
65 |
4,8 |
7,8 |
11 |
- |
24,30 |
19,07 |
3186,74 |
212,45 |
11,45 |
126,24 |
89,08 |
17,84 |
1,91 |
1,51 |
Таблица 5 - Швеллеры специальные
|
Номер швеллера серии C |
h |
b |
s |
t |
R |
r |
Уклон полок, % |
Площадь поперечного сечения F, см2 |
Масса 1 м, кг |
Справочные значения для осей |
X0, см |
||||||
|
не более |
X-X |
Y-Y |
|||||||||||||||
|
мм |
Ix, см4 |
Wx, см3 |
ix, см |
Iy, см4 |
Wy, см3 |
iy, см |
|||||||||||
|
8С |
80 |
45 |
5,5 |
9,0 |
9,0 |
1,5 |
6 |
11,80 |
9,26 |
115,82 |
28,95 |
3,13 |
22,24 |
7,63 |
1,38 |
1,57 |
|
|
14С |
140 |
58 |
6,0 |
9,5 |
9,5 |
4,75 |
- |
18,51 |
14,53 |
563,70 |
80,50 |
5,52 |
53,20 |
13,01 |
1,70 |
1,71 |
|
|
14Са |
140 |
60 |
8,0 |
9,5 |
9,5 |
5,0 |
10 |
21,30 |
16,72 |
609,10 |
87,01 |
5,35 |
61,02 |
14,09 |
1,69 |
1,67 |
|
|
16С |
160 |
63 |
6,5 |
10,0 |
10,0 |
5,0 |
- |
21,95 |
17,53 |
866,20 |
108,30 |
6,28 |
73,30 |
16,30 |
1,83 |
1,80 |
|
|
16Са |
160 |
65 |
8,5 |
10,0 |
10,0 |
5,0 |
- |
25,15 |
19,74 |
934,50 |
116,80 |
6,10 |
83,40 |
17,55 |
1,82 |
1,75 |
|
|
18С |
180 |
68 |
7,0 |
10,5 |
10,5 |
5,3 |
- |
25,70 |
20,20 |
1272,00 |
141,00 |
7,04 |
98,50 |
20,10 |
1,96 |
1,88 |
|
|
18Са |
180 |
70 |
9,0 |
10,5 |
10,5 |
5,3 |
- |
29,30 |
23,00 |
1370,00 |
152,00 |
6,84 |
111,00 |
21,30 |
1,95 |
1,84 |
|
|
18Сб |
180 |
100 |
8,0 |
10,5 |
10,5 |
5,0 |
6 |
34,04 |
26,72 |
1791,01 |
199,00 |
7,25 |
305,48 |
43,58 |
3,00 |
2,99 |
|
|
20С |
200 |
73 |
7,0 |
11,0 |
11,0 |
5,5 |
10 |
28,83 |
22,63 |
1780,37 |
178,04 |
7,86 |
128,04 |
24,19 |
2,11 |
2,02 |
|
|
20Са |
200 |
75 |
9,0 |
11,0 |
11,0 |
5,5 |
10 |
32,83 |
25,77 |
1913,71 |
191,37 |
7,64 |
143,63 |
25,88 |
2,09 |
1,95 |
|
|
20Сб |
200 |
100 |
8,0 |
11,0 |
11,0 |
5,5 |
6 |
36,58 |
28,71 |
2360,88 |
236,09 |
8,03 |
327,23 |
46,30 |
2,99 |
2,93 |
|
|
24С |
240 |
85 |
9,5 |
14,0 |
14,0 |
7,0 |
- |
44,46 |
34,90 |
3841,35 |
320,11 |
9,29 |
268,89 |
43,70 |
2,46 |
2,35 |
|
|
26С |
260 |
65 |
10,0 |
16,0 |
15,0 |
3,0 |
- |
44,09 |
34,61 |
4088,00 |
314,50 |
9,63 |
115,60 |
171,60 |
5,03 |
3,91 |
|
|
26Са |
260 |
90 |
10,0 |
15,0 |
15,0 |
7,5 |
8 |
50,60 |
39,72 |
5130,83 |
394,68 |
10,07 |
343,15 |
52,62 |
2,60 |
2,48 |
|
|
30С |
300 |
85 |
7,5 |
13,5 |
13,5 |
7,0 |
10 |
43,88 |
34,44 |
6045,43 |
403,03 |
11,74 |
260,74 |
41,41 |
2,44 |
2,20 |
|
|
30Са |
300 |
87 |
9,5 |
13,5 |
13,5 |
7,0 |
10 |
49,88 |
39,15 |
6495,43 |
433,03 |
11,41 |
288,78 |
43,93 |
2,41 |
2,13 |
|
|
30Сб |
300 |
89 |
11,5 |
13,5 |
13,5 |
7,0 |
10 |
55,88 |
43,86 |
6945,43 |
463,03 |
11,15 |
315,35 |
46,29 |
2,38 |
2,09 |
|
(Поправка. ИУС 12-2004 г.).
2.3.2 Значения радиусов закругления, уклона внутренних граней полок, указанных на рисунках 1 и 2 и приведенных в таблицах 1-5, используют для построения калибров и на профиле не контролируют.
2.4 Форма швеллера и предельные отклонения по размерам должны соответствовать приведенным на рисунках 1-3 и в таблице 6.
(Поправка. ИУС 12-2004 г.).
2.4.1 Уклон внутренних граней полок швеллеров серии У должен быть в пределах от 4 % до 10 %.
По соглашению
потребителя с изготовителем уклон внутренних граней полок не должен превышать 8
% при h
300 мм и 5 % при h
> 300 мм.
2.5 Притупление прямых углов швеллеров до № 20 не должно превышать 2,5 мм, свыше № 20-3,5 мм. Притупление внешних углов не контролируют.
2.6 Швеллеры изготовляют длиной от 2 до 12 м, по соглашению потребителя с изготовителем - длиной свыше 12 м:
- мерной длины;
- мерной длины с немерной в количестве не более 5 % массы партии;
- кратной мерной длины;
- кратной мерной длины с немерной в количестве не более 5 % массы партии;
- немерной длины;
ограниченной длины в пределах немерной.

Рисунок 3
(Поправка. ИУС 12-2004 г.).
Таблица 6 - Предельные отклонения параметров
В миллиметрах
|
Интервал значений параметра |
Предельное отклонение |
|
|
Высота h |
До 80 включ. |
±1,5 |
|
Св. 80 » 200 » |
±2,0 |
|
|
» 200 » 400 » |
±3,0 |
|
|
Ширина полки b |
До 40 включ. |
±1,5 |
|
Св. 40 » 89 » |
±2,0 |
|
|
» 89 |
±3,0 |
|
|
Толщина полки t |
До 10 включ. |
-0,5 |
|
Св. 10 » 11 » |
-0,8 |
|
|
» 11 |
-1.0 |
|
|
Толщина стенки s |
До 5,1 включ. |
±0,5 |
|
Св. 5,1 » 6,0 » |
±0,6 |
|
|
» 6,0 |
±0,7 |
|
|
Перекос полки Δ при ширине полки b, не более |
До 95 включ. |
1,0 |
|
Св. 95 |
0,015b |
|
|
Прогиб стенки f по высоте h сечения профиля, не более |
До 100 включ. |
0,5 |
|
Св. 100 » 200 » |
1,0 |
|
|
» 200 » 400 » |
1,5 |
|
|
Примечания 1 Для швеллеров серии Л прогиб стенки не должен превышать 0,15s. 2 Для швеллеров серий У и П предельные отклонения по толщине стенки не контролируют. 3 Перекос полки Δ и прогиб стенки f швеллера измеряют, как показано на рисунке 3. |
||
2.7 Предельные отклонения по длине швеллеров мерной и кратной мерной длины не должны превышать:
+40 мм - при длине от 2 до 8 м включ.;
+[40 + 5(l - 8)] мм, но не более 100 мм - при длине св. 8 м,
где l - длина швеллера, м.
(Поправка. ИУС 12-2004 г.).
2.8 Швеллеры должны быть обрезаны. Косина реза не должна выводить длину швеллеров за предельные отклонения по длине.
Длина отдельного швеллера - это наибольшая длина условно вырезанной штанги с торцами, перпендикулярными к продольной оси.
2.9 Кривизна швеллера в горизонтальной и вертикальной плоскостях не должна превышать 0,2 % длины; по соглашению изготовителя с потребителем - до 0,15 % длины.
2.10 Предельные отклонения по массе не должны превышать ±4 % для партии и ±6 % для отдельного швеллера.
Отклонение от массы - это разность между фактической массой в состоянии поставки и рассчитанной по данным таблиц 1-5.
При расчете массы партии к метражу швеллеров мерной или кратной мерной длины прибавляют 0,5 от суммы предельных отклонений по длине швеллеров в партии.
2.11 Размеры и геометрическую форму швеллера контролируют на расстоянии не менее 500 мм от торца. Высоту швеллера контролируют в плоскости стенки, толщину стенки - у торца профиля.
Ключевые слова: швеллеры горячекатаные, сортамент, параметры, размеры, предельные отклонения, справочные величины
(Поправка. ИУС 10-2009 г.)