
ГОСУДАРСТВЕННЫЙ СТАНДАРТ СОЮЗА ССР
СМАЗКА ГРАФИТНАЯ
ТЕХНИЧЕСКИЕ УСЛОВИЯ
ГОСТ 3333-80
ГОСУДАРСТВЕННЫЙ
КОМИТЕТ СССР
ПО УПРАВЛЕНИЮ КАЧЕСТВОМ ПРОДУКЦИИ И СТАНДАРТАМ
Москва
ГОСУДАРСТВЕННЫЙ СТАНДАРТ СОЮЗА ССР
|
СМАЗКА ГРАФИТНАЯ Технические условия Graphite grease. |
ГОСТ |
Срок действия с 01.01.81
до 01.01.96
Настоящий стандарт распространяется на графитную смазку (смазку УСсА), предназначенную для смазывания грубых тяжелонагруженных механизмов (открытых шестеренчатых передач, резьбовых соединений, ходовых винтов, домкратов, рессор и др.).
Допускается применять смазку при температуре ниже минус 20°С в рессорах и аналогичных устройствах.
Обозначение смазки по ГОСТ 23258-78 - СКа 2/6-гЗ.
(Измененная редакция, Изм. № 3).
1.1. Смазка должна изготовляться в соответствии с требованиями настоящего стандарта по технологии, которая применялась при изготовлении образцов смазки, прошедших испытания с положительными результатами и допущенных к применению в установленном порядке.
1.2. (Исключен., Изм. № 3).
1.3. По физико-химическим показателям смазка должна соответствовать требованиям и нормам, указанным в таблице.
|
Наименование показателя |
Норма |
Метод испытания |
|
1. Внешний вид |
Однородная мазь от темно-коричневого до черного цвета |
По п. 4.2 |
|
2. Температура каплепадения, °С, не ниже |
77 |
По ГОСТ 6793-74 |
|
3. Пенетрация при 25°С с перемешиванием (60 двойных тактов), не менее, мм × 10-1 |
250 |
По
ГОСТ 5346-78 |
|
4. Испытание на коррозию на пластинках из стали марки 40 или 45, или 50 по ГОСТ 1050-88 |
Выдерживает |
По ГОСТ 9.080-77 |
|
5. Коллоидная стабильность, % выделившегося масла, не более |
5 |
По ГОСТ 7142-74 |
|
6. Массовая доля воды, %, не более |
3 |
По ГОСТ 2477-65 |
|
7. Предел прочности на сдвиг при 50°С, Па (гс/см2), не менее |
100 (1,0) |
По
ГОСТ 7143-73 |
|
8. Вязкость при 0°С и среднем градиенте скорости деформации 10 с-1, Па ×с (П), не более |
100 (1000) |
По ГОСТ 7163-84 |
Примечание. Показатели по пунктам 7 и 8 таблицы определяются изготовителем до введения наполнителя.
(Измененная редакция, Изм. № 1, 2, 3).
2.1. По степени воздействия на организм смазка относится к 4-му классу опасности по ГОСТ 12.1.007-76. Предельно допустимая концентрация масляного тумана масляной основы смазки в воздухе рабочей зоны производственных помещений не должна превышать 5 мг/м3.
2.2. При работе со смазкой применяют индивидуальные средства защиты согласно нормам, утвержденным в установленном порядке.
(Измененная редакция, Изм. № 3).
2.3. Смазка взрывобезопасна, температура вспышки выше 210°С.
2.4. При разливе смазку следует собрать в емкость, место разлива вытереть насухо ветошью, которую необходимо убрать в специальный металлический ящик.
2.5. Производственные помещения должны быть оборудованы приточно-вытяжной вентиляцией.
Оборудование должно быть заземлено от статического электричества.
2.6. При возникновении пожара применяют основные средства пожаротушения: тонкораспыленную воду, химическую, воздушно-механическую, высокократную пену и порошковые составы.
3.1. Смазку принимают партиями. Партией считают любое количество смазки, однородной по своим показателям качества, оформленное одним документом о качестве.
3.2. Объем выборок - по ГОСТ 2517-85.
3.3. При получении неудовлетворительных результатов испытаний хотя бы по одному показателю по нему проводят повторные испытания пробы от той же выборки. Результаты повторных испытаний распространяются на всю партию.
(Измененная редакция, Изм. № 2).
3.4. Показатели "Пенетрация" и "Коллоидная стабильность" определяются только при поставке смазки на экспорт.
4.1. Отбор проб - по ГОСТ 2517-85. Масса объединенной пробы - 1 кг смазки.
(Измененная редакция, Изм. № 2).
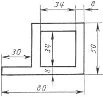
4.2. Для определения внешнего вида смазку наносят на пластинку размерами 50´70´2 мм из стекла по ГОСТ 111-90 или другого бесцветного прозрачного стекла с помощью шаблона из металла, не подвергающегося коррозии, толщиной (2±0,1) мм (см. чертеж). Предельные отклонения размеров шаблона ±1 мм.

Шаблон плотно прикладывают к пластинке, обмазывают с помощью шпателя сначала внутренние края отверстия шаблона, а затем заполняют все отверстия шаблона слоем смазки выше толщины шаблона. Смазку уплотняют шпателем, ребром снимают излишки смазки, осторожно снимают с пластинки шаблон и просматривают ее в отраженном свете невооруженным глазом.
(Измененная редакция, Изм. № 2).
5.1. Упаковка, маркировка, транспортирование и хранение - по ГОСТ 1510-84.
(Измененная редакция, Изм. № 2).
6.1. Изготовитель гарантирует соответствие смазки требованиям настоящего стандарта при соблюдении условий транспортирования и хранения.
6.2. Гарантийный срок хранения смазки - 5 лет со дня изготовления.
(Измененная редакция, Изм. № 2).
ИНФОРМАЦИОННЫЕ ДАННЫЕ
1. РАЗРАБОТАН И ВНЕСЕН Министерством нефтеперерабатывающей и нефтехимической промышленности СССР
РАЗРАБОТЧИКИ
М.А. Кравцов, Ю.Л. Ищук, д-р техн. наук; И.В. Лендъел, канд. хим. наук; Ковалев А.А. (руководитель темы), М.Б. Наконечная, канд. хим. наук; П.Е. Недбайлюк, канд. техн. наук; А.Р. Кравченко, канд. техн. наук; Л.Л. Дульнева, канд. хим. наук; А.Ф. Турлюн, Н.А. Харченко
2. УТВЕРЖДЕН И ВВЕДЕН В ДЕЙСТВИЕ Постановлением Государственного комитета СССР по стандартам от 14.02.80 г. № 738
3. ВЗАМЕН ГОСТ 3333-55
4. ССЫЛОЧНЫЕ НОРМАТИВНО-ТЕХНИЧЕСКИЕ ДОКУМЕНТЫ
|
Обозначение НТД, на который дана ссылка |
Номер пункта |
|
ГОСТ 9.080-77 |
1.3 |
|
2.1 |
|
|
4.2 |
|
|
1.3 |
|
|
5.1 |
|
|
ГОСТ 2477-65 |
1.3 |
|
ГОСТ 2517-85 |
3.2, 4.1 |
|
ГОСТ 5346-78 |
1.3 |
|
ГОСТ 6793-74 |
1.3 |
|
ГОСТ 7142-74 |
1.3 |
|
ГОСТ 7143-73 |
1.3 |
|
ГОСТ 7163-84 |
1.3 |
|
ГОСТ 23258-78 |
Вводная часть |
5. Срок действия продлен до 01.01.96 Постановлением Госстандарта СССР от 25.12.89 № 4101
6. Переиздание (сентябрь 1991 г.) с Изменениями № 1, 2, 3, утвержденными в ноябре 1982 г., октябре 1985 г. и декабре 1989 г. (ИУС 2-83, 1-86, 4-90)