
ГОСУДАРСТВЕННЫЙ СТАНДАРТ СОЮЗА ССР
ДВУОКИСЬ УГЛЕРОДА
ГАЗООБРАЗНАЯ И ЖИДКАЯ
ТЕХНИЧЕСКИЕ УСЛОВИЯ
ГОСТ 8050-85
ИЗДАТЕЛЬСТВО СТАНДАРТОВ
Москва
ГОСУДАРСТВЕННЫЙ СТАНДАРТ СОЮЗА ССР
|
ДВУОКИСЬ УГЛЕРОДА ГАЗООБРАЗНАЯ И ЖИДКАЯ Технические условия Gaseous and liquid carbon dioxide. Specifications |
ГОСТ |
Дата введения 01.01.87
Настоящий стандарт распространяется на газообразную и жидкую двуокись углерода (диоксид углерода, углекислый газ) высокого давления и низкотемпературную, получаемую из отбросных газов производств аммиака, спиртов, а также на базе специального сжигания топлива и других производств. Двуокись углерода выпускается жидкая низкотемпературная, жидкая высокого давления и газообразная.
Двуокись углерода всех сортов применяется: для создания защитной среды при сварке металлов; для пищевых целей в производстве газированных напитков, сухого льда, для охлаждения, замораживания и хранения пищевых продуктов при прямом и косвенном контакте с ними; для сушки литейных форм; для пожаротушения и других целей во всех отраслях промышленности. Жидкая двуокись углерода высшего и первого сортов применяется преимущественно для нужд сварочного производства.
Формула СО2.
Молекулярная масса (по международным массам 1977 г.) - 44,009.
Обязательные требования к качеству продукции, обеспечивающие безопасность для жизни, здоровья и имущества населения, охраны окружающей среды, изложены в пп. 2-8, 11, 12 таблицы 2.
(Измененная редакция, Изм. № 1, 2).
1.1. Жидкая и газообразная двуокись углерода должна быть изготовлена в соответствии с требованиями настоящего стандарта по технологическому регламенту, утвержденному в установленном порядке.
1.2. Коды ОКП газообразной и жидкой двуокиси углерода приведены в табл. 1.
Таблица 1
|
Код ОКП |
|
|
Жидкая низкотемпературная двуокись углерода: |
21 1451 0100 |
|
высший сорт |
21 1451 0120 |
|
1-й сорт |
21 1451 0130 |
|
2-й сорт |
21 1451 0140 |
|
Жидкая двуокись углерода высокого давления: |
21 1451 0300 |
|
высший сорт |
21 1451 0320 |
|
1-й сорт |
21 1451 0330 |
|
2-й сорт |
21 1451 0340 |
|
Газообразная двуокись углерода: |
21 1453 0100 |
|
высший сорт |
21 1453 0120 |
|
1-й сорт |
21 1453 0130 |
|
2-й сорт |
21 1453 0140 |
1.3. По физико-химическим показателям газообразная и жидкая двуокись углерода должна соответствовать нормам, указанным в табл. 2.
Таблица 2
|
Норма |
|||
|
Высший сорт |
1-й сорт |
2-й сорт |
|
|
1. Объемная доля двуокиси углерода (СО2), %, не менее |
99,8 |
99,5 |
98,8 |
|
2. Объемная доля окиси углерода (СО) |
Должна выдерживать испытание по п. 4.4 |
||
|
3. Массовая концентрация минеральных масел и механических примесей, мг/кг, не более |
0,1 |
0,1 |
Должна выдерживать испытание по п. 4.5.1 |
|
4. Наличие сероводорода |
Должна выдерживать испытание по п. 4.6 |
||
|
5. Наличие соляной кислоты |
Должна выдерживать испытание по п. 4.7 |
||
|
6. Наличие сернистой и азотистой кислот и органических соединений (спиртов, эфиров, альдегидов и органических кислот) |
Должна выдерживать испытание по п. 4.8 |
||
|
7. Наличие аммиака и этаноламинов |
Должна выдерживать испытание по п. 4.9 |
||
|
8. Наличие запаха и вкуса |
Должна выдерживать испытание по п. 4.10 |
||
|
9. Массовая доля воды, %, не более |
Должна выдерживать испытание по п. 4.11 |
0,1 |
|
|
10. Массовая концентрация водяных паров при температуре 20 °С и давлении 101,3 кПа (760 мм рт. ст.), г/м3, не более |
0,037 |
0,184 |
Не нормируется |
|
что соответствует температуре насыщения двуокиси углерода водяными парами при давлении 101,3 кПа (760 мм рт. ст.) при температуре 20 °С, не выше |
Минус 48 |
Минус 34 |
Не нормируется |
|
11. Наличие ароматических углеводородов |
Должна выдерживать испытание по п. 4.13 |
||
|
12. Наличие оксидов ванадия |
Должна выдерживать испытание по п. 4.14 |
||
Примечания:
1. Для жидкой двуокиси углерода, получаемой при спиртовом и ацетонобутиловом брожении, наличие примесей, указанных в пп. 2, 5, 7, не нормируется.
2. Для предприятий изготавливающих двуокись углерода из экспанзерного газа очистки коксового газа, из дымовых газов прокалки нефтяного кокса в камерных печах и установок термического крекинга с использованием высокосернистого топлива и других отбросных газов, содержащих окись углерода, допускается выпуск двуокиси углерода только для технических целей, кроме сварки, с объемной долей СО не более 0,05 %.
3. Оксиды ванадия в соответствии с п. 12 следует определять только предприятиям, изготавливающим двуокись углерода для пищевых целей из отбросных газов производства аммиака, где в качестве ингибитора в растворах очистки применяется оксид ванадия.
(Измененная редакция, Изм. №1).
2.1. Требования безопасности
2.1.1. Газообразная двуокись углерода - газ без цвета и запаха при температуре 20 °С и давлении 101,3 кПа (760 мм рт. ст.), плотность - 1,839 кг/м3.
Жидкая двуокись углерода - бесцветная жидкость без запаха.
Жидкую двуокись углерода выпускают двух видов: высокого давления от 3482 до 7383 кПа (критическое давление) при температуре от 0 до 31,05 °С; низкотемпературную - от 3482 до 518,6 кПа (тройная точка) при температурах от 0 до минус 56,5 °С.
Двуокись углерода нетоксична, невзрывоопасна.
По степени воздействия на организм человека двуокись углерода относится к 4-му классу опасности по ГОСТ 12.1.007-76.
При концентрациях более 5 % (92 г/м3) двуокись углерода оказывает вредное влияние на здоровье человека, так как она тяжелее воздуха в полтора раза и может накапливаться в слабопроветриваемых помещениях у пола и в приямках, а также во внутренних объемах оборудования для получения, хранения и транспортирования газообразной, жидкой и твердой двуокиси углерода. При этом снижается объемная доля кислорода в воздухе, что может вызвать явление кислородной недостаточности и удушья.
(Измененная редакция, Изм. № 1).
2.1.3. Жидкая двуокись углерода при снижении давления до атмосферного превращается в газ и снег температурой минус 78,5 °С, которые вызывают обмораживание кожи и поражение слизистой оболочки глаз.
2.1.4. При отборе проб жидкой двуокиси углерода необходимо работать в защитных очках и рукавицах.
При осмотре внутреннего сосуда бывшей в эксплуатации цистерны для транспортирования и хранения жидкой двуокиси углерода цистерна должна быть отогрета до температуры окружающей среды, внутренний сосуд провентилирован или продут воздухом. Работа должна проводиться в шланговом противогазе.
Работать без противогаза разрешается только после того, как объемная доля двуокиси углерода внутри оборудования будет ниже 0,5 %.
2.1.5. Помещения для производства двуокиси углерода должны быть оборудованы общеобменной приточно-вытяжной и аварийной вентиляцией.
2.1.6. Для определения и регистрации концентрации двуокиси углерода в воздухе производственных помещений используют стационарные автоматические или переносные газоанализаторы.
3.1. Газообразную или жидкую двуокись углерода принимают партиями.
В партию включают любое количество однородной по показателям качества газообразной или жидкой двуокиси углерода, сопровождаемой одним документом о качестве.
При транспортировании по трубопроводу партией считают любое количество двуокиси углерода, направленное потребителю за 24 ч.
При транспортировании двуокиси углерода в цистернах за партию принимают каждую цистерну.
Документ о качестве должен содержать:
наименование и товарный знак предприятия-изготовителя;
наименование, сорт продукта;
номер партии;
дату изготовления продукта;
объем газообразной двуокиси углерода в кубических метрах и массу жидкой двуокиси углерода в тоннах или килограммах;
результаты проведенных анализов;
штамп технического контроля;
обозначение настоящего стандарта.
3.2. Для проверки качества двуокиси углерода в баллонах отбирают 2 % баллонов от партии, но не менее чем два баллона при малых партиях.
Пробу двуокиси углерода, поставляемой по трубопроводу, отбирают не менее двух раз за смену из рабочего трубопровода.
При наличии у изготовителя накопительной емкости пробу жидкой двуокиси углерода в количестве 5 дм3 отбирают из емкости. Результаты испытаний относятся ко всем транспортным цистернам, которые заполняются из этого накопителя. При отсутствии накопительной емкости пробы отбирают из транспортной емкости.
Допускается отбирать пробы из трубопровода наполнения цистерн, спецтары и баллонов. При этом пробы отбирают два раза в смену. Результаты анализа распространяются на весь продукт, полученный в течение смены.
3.3. Вкус и запах двуокиси углерода, выпускаемой для технических целей согласно примечанию 2 табл. 2, не определяются.
3.4. При получении неудовлетворительных результатов анализа хотя бы по одному из показателей проводят повторный анализ на удвоенной выборке от той же партии. Результаты повторного анализа распространяются на всю партию.
При отборе проб из трубопровода - наполнителя цистерн и баллонов и получении неудовлетворительных результатов хотя бы по одному из показателей повторный отбор проб проводится из цистерн и баллонов. Результаты повторного анализа распространяются на всю партию.
3.2-3.4. (Измененная редакция, Изм. № 1).
4.1. Общие указания по проведению анализов - по ГОСТ 27025-86.
4.2.1. Для проверки качества жидкой двуокиси углерода в баллонах пробу отбирают из направленного вниз вентиля вертикально или наклонно расположенного баллона, в изотермических емкостях - из жидкостного трубопровода.
При определении объемной доли окиси углерода и двуокиси углерода, наличия сероводорода и массовой концентрации водяных паров пробу отбирают из газовой фазы вертикально расположенного вентилем вверх баллона.
Допускается не проводить определение массовой концентрации минеральных масел и механических примесей изготовителем, если применяются бессмазочные компрессоры или перед конденсатором установлена адсорбционная осушка газа, обеспечивающая концентрацию водяных паров (см. табл. 2).
(Измененная редакция, Изм. № 1).
4.2.2. Для проверки качества газообразной двуокиси углерода пробу отбирают из рабочего трубопровода.
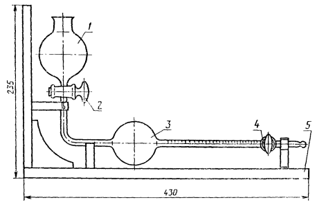
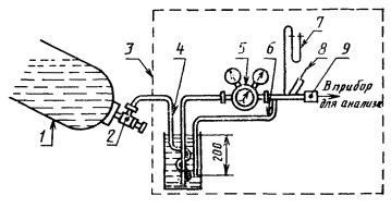
манометр U-образный стеклянный по ТУ 92-891.026-91;
пароперегреватель змеевиковый, погруженный в сосуд с нагретой до 70-80 °С водой (или пароперегреватель любой другой конструкции), обеспечивающий превращение жидкой двуокиси углерода в газ и температуру газа 20-30 °С после дросселирования до атмосферного давления;
1 - баллон с жидкой двуокисью углерода; 2 - вентиль баллонный по ГОСТ 669-76 марки ВК-74; 3 - установка пробоотборная, включающая; 4 - пароперегреватель; 5 - редуктор; 6 - гидрозатвор; 7 - манометр водяной U-образный; 8 - термометр; 9 - резиновую трубку
Черт. 1
редуктор углекислотный или кислородный баллонный одноступенчатый типа БКО-50 по ГОСТ 13861-89;
термометр стеклянный по ГОСТ 28498-90 с пределами измерения от 0 до 100 °С;
трубку резиновую;
затвор гидравлический из медной трубки, монтируемой в случае использования стеклянных приборов.
Перед отбором пробы для определения концентрации водяных паров пароперегреватель предварительно высушивают.
Для получения равномерного слабого потока газа и предупреждения разрыва стеклянного оборудования давление газа с помощью редуктора снижают до 0,098 кПа (10 мм вод. ст. избыточного).
Допускается применять другие пробоотборные установки, обеспечивающие аналогичные безопасные условия отбора проб.
Установка для отбора пробы от точки отбора до прибора для анализа перед проведением испытания в течение 10-15 мин должна быть продута анализируемой двуокисью углерода.
Допускается отбор проб в пробоотборный баллон по ГОСТ 949-73 вместимостью до 5 дм3, предварительно очищенный от масла четыреххлористым углеродом (или другим аналогичным веществом) и продутый двуокисью углерода.
(Измененная редакция, Изм № 1).
1 - приемный резервуар; 2, 4 - краны; 3 - бюретка; 5 - подставка
Черт. 2
4.3. Определение объемной доли двуокиси углерода
Бюретка специальная для измерения объема газов (черт. 2) или бюретка специальная газовая БСГ.
(Измененная редакция, Изм № 2).
Вода дистиллированная по ГОСТ 6709-72.
Калия гидроокись по ГОСТ 24363-80, раствор с массовой долей 30 %.
4.3.2. Проведение анализа
Конец бюретки, поставленной в вертикальное положение (при открытых кранах), соединяют резиновой трубкой с установкой для отбора пробы и пропускают через бюретку двуокись углерода в течение 4-5 мин, промывая прибор двуокисью углерода. Закрывают сначала кран 2, потом кран 4 и отсоединяют прибор от редуктора.
Для уравнивания давления в бюретке и атмосферного несколько раз быстро открывают и закрывают кран 2, после чего бюретку ставят в горизонтальное положение.
В приемный резервуар наливают до метки 105 см3 раствора гидроокиси калия и постепенно открывают кран 2 так, чтобы пузырьки двуокиси углерода не прорывались через раствор. При этом по мере поглощения двуокиси углерода бюретка быстро заполняется раствором гидроокиси калия. Для полного поглощения двуокиси углерода аппарат в конце анализа слегка встряхивают, чтобы полностью смыть стенки бюретки раствором гидроокиси калия.
Когда уровень раствора гидроокиси калия в приемном резервуаре перестанет понижаться, закрывают кран, переводят бюретку в вертикальное положение так, чтобы кран 4 находился вверху и по делениям бюретки отсчитывают объем раствора гидроокиси калия, который соответствует объемной доле двуокиси углерода.
1 - склянка с серной кислотой; 2 - склянка с силикагелем; 3 - трубка соединительная стеклянная реакционная; 4 - электропечь или масляная баня; 5 - склянка с поглотителем
Черт. 3
За результат анализа принимают среднее арифметическое результатов двух параллельных определений, допускаемые расхождения между которыми не должны превышать 0,1 % при доверительной вероятности Р = 0,95.
Допускается определять объемную долю двуокиси углерода с помощью аналогичных приборов газового анализа.
При разногласиях в оценке объемной доли двуокиси углерода анализ проводят по методу, приведенному в п. 4.3.
4.3.1, 4.3.2. (Измененная редакция, Изм. № 1).
4.4. Определение объемной доли окиси углерода
4.4.1. Аппаратура, материалы, реактивы
Установка для определения окиси углерода (черт. 3), состоящая из электрической печи или масляной бани; склянок по ГОСТ 25336-82; сетки № 1-0,5 по ГОСТ 3826-82; трубки соединительной стеклянной типа ТХ-VIII 100 по ГОСТ 25336-82; банки из темного стекла вместимостью 1 дм3 или другой затемненной с помощью асбестового волокна и пригодной для испытания при 250 °С; сушильного электрошкафа или другого электронагревательного прибора, обеспечивающего нагрев до 250-300 °С; насоса водоструйного по ГОСТ 25336-82.
Весы лабораторные общего назначения по ГОСТ 24104-88 2-го класса точности с наибольшим пределом взвешивания 200 г и ценой деления 0,1 мг или другие с аналогичной метрологической характеристикой.
Термометр стеклянный по ГОСТ 28498-90 с пределами измерения от 0 до 250 °С.
Фарфоровые чашки по ГОСТ 9147-80.
Вата стеклянная.
Ангидрид йодноватый (сухой) кристаллический.
Вода дистиллированная по ГОСТ 6709-72.
Калий йодистый по ГОСТ 4232-74, растворы с массовой долей 0,2 и 20 %, не содержащие свободного йода.
Кислота серная по ГОСТ 4204-77, ч. д. а.
Крахмал растворимый по ГОСТ 10163-76, раствор с массовой долей 0,5 % свежеприготовленный.
Натрий серноватистокислый (тиосульфат натрия) по ГОСТ 27068-86, раствор концентрации с (Na2S2О3×5Н2О) = 0,001 моль/дм3 (0,001 н.) и раствор с массовой долей 40 %.
Силикагель по ГОСТ 3956-76, гранулированный.
Гидроокись калия по ГОСТ 24363-80, раствор с массовой долей 30 %.
Свинец уксуснокислый по ГОСТ 1027-67, раствор с массовой долей 10 %.
Калий марганцовокислый по ГОСТ 20490-75, раствор с массовой долей 5 %.
4.4.2. Подготовка анализа
Кристаллический йодноватый ангидрид помещают в фарфоровую чашку, смачивают водой до образования густой кашицы и сушат на воздухе или на водяной бане. Образовавшуюся плотную массу разбивают на кусочки и просеивают. Фракции с гранулами размером 2-3 мм помещают в реакционную банку из темного стекла вместимостью 1 дм3. Банку закрывают пробкой с двумя стеклянными трубками, одна из которых доходит почти до дна банки, а другая оканчивается под пробкой.
Банку помещают в сушильный электрошкаф на асбестовую прокладку так, чтобы горловина банки находилась вне его. Электрошкаф плотно закрывают асбестовым щитом с отверстиями для горловины банки и для термометра.
Одну из трубок пробки соединяют с системой для очистки воздуха, другую - с сосудом для улавливания паров йода, выделяющихся во время прокаливания йодноватого ангидрида, и водоструйным насосом.
Система для очистки воздуха, пропускаемого через установку, состоит из набора последовательно соединенных склянок для промывания газов, заполненных в зависимости от загрязненности окружающего воздуха различными поглотителями (30 %-ный раствор гидроокиси калия - для поглощения СО2, 40 %-ный раствор тиосульфата натрия - для поглощения Сl, 10 %-ный раствор уксуснокислого свинца - для поглощения N2S, раствора концентрированной серной кислоты с 5 %-ным раствором марганцовокислого калия - для поглощения органических примесей).
Сосуд для улавливания паров йода заполняют 20 %-ным раствором йодистого калия.
В схему установки до и после реакционной банки включают пустые склянки.
После соединения всех частей установки включают водоструйный насос и проверяют ее герметичность. Пузырьки воздуха должны медленно (3-4 пузырька в секунду) барботировать через все растворы. Если установка собрана правильно, включают обогрев электрошкафа.
Вначале содержимое банки выдерживают при 90-100 °С в течение 2-3 ч. Затем, не прекращая подачу воздуха, постепенно повышают температуру электрошкафа до 200-240 °С (не выше) и продолжают прокаливать препарат еще 2,5-3 ч.
После выключения электрошкафа и охлаждения его до 30-40 °С выключают водоструйный насос, заменяют пробку банки на простую резиновую или пластмассовую и плотно закрытую банку с препаратом помещают в темное место на хранение.
Для проведения анализа 8-10 г приготовленного препарата загружают в реакционную трубку, перекладывая тампонами из стеклянной ваты, подключают ее к установке (см. черт. 3) и проверяют препарат на выделение йода продувкой воздуха со скоростью 3-4 пузырька в секунду через реакционную трубку с йодноватым ангидридом и склянку с 10 см3 раствора йодистого калия и 2-3 см3 раствора крахмала. При этом раствор не должен окрашиваться в синий цвет, что свидетельствует о пригодности препарата для анализа.
Затем прекращают подачу воздуха в установку и включают обогрев реакционной трубки в электрошкафу или масляной бане до 140-150 °С. Эту температуру поддерживают в течение всего анализа.
На подготовленном приборе проводят не более десяти определений.
4.4.3. Проведение анализа
Через подготовленный прибор для определения окиси углерода (см. черт. 3) в течение 10 мин пропускают анализируемую двуокись углерода со скоростью 3-4 пузырька в секунду, предварительно осушенную в склянках.
Из реакционной трубки газ поступает в поглотительную склянку, наполненную раствором 10 см3 йодистого калия с 2-3 см3 крахмала.
Во избежание конденсации паров йода стеклянная соединительная трубка, отводящая газ в поглотительную склянку с растворами йодистого калия и крахмала, должна иметь длину не более 200 мм.
Раствор не должен окрашиваться и темнеть, что свидетельствует о практическом отсутствии окиси углерода.
Если раствор в склянке с поглотителем посинеет, то в нем определяют содержание окиси углерода путем титрования содержимого склянки раствором тиосульфата натрия до исчезновения синей окраски.
4.4.1-4.4.3. (Измененная редакция, Изм. № 1).
4.4.4. Обработка результатов
Объемную долю окиси углерода (X) в процентах вычисляют по формуле
,
где V - объем раствора тиосульфата натрия концентрации точно с (Na2S2О3×5Н2О) = 0,001 моль/дм3, израсходованный на титрование, см3;
4,5 - объем раствора тиосульфата натрия концентрации точно 0,001 моль/дм3, эквивалентный 0,05 % по объему окиси углерода, см3.
За результат анализа принимают среднее арифметическое результатов двух параллельных определений, допускаемые расхождения между которыми не должны превышать 0,01 % при доверительной вероятности Р = 0,95.
В двуокиси углерода высшего, первого и второго сортов окись углерода должна практически отсутствовать, т.е. раствор в поглотительной склянке не должен окрашиваться в синий цвет.
Допускается определять объемную долю окиси углерода с помощью других приборов (хроматографов, газоанализаторов и других) с такой же точностью измерения.
При разногласиях в оценке объемной доли окиси углерода анализ проводят по методу, приведенному в п. 4.4.
4.5. Определение минеральных масел и механических примесей
4.5.1. Качественное определение минеральных масел и механических примесей
Мешок из неплотной хлопчатобумажной ткани (бязь, коленкор, мешковина, брезент).
Бумага фильтровальная лабораторная по ГОСТ 12026-76.
4.5.1.2. Проведение анализа
На выпускной штуцер вентиля горизонтально расположенного баллона надевают мешок из неплотной ткани, закрепляют его и быстро впускают в него из баллона небольшое количество двуокиси углерода. Кусок массой около 10 г твердой двуокиси углерода помещают на фильтровальную бумагу. После испарения двуокиси углерода на бумаге не должно оставаться жирного пятна. Рекомендуется после каждого анализа промывать мешок в бензине и высушивать при 120 °С.
4.5.2. Определение массовой концентрации минеральных масел и механических примесей
Весы лабораторные общего назначения по ГОСТ 24104-88 2-го класса точности с наибольшим пределом взвешивания 200 г и ценой деления 0,1 мг или другие с аналогичной метрологической характеристикой.
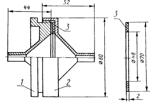
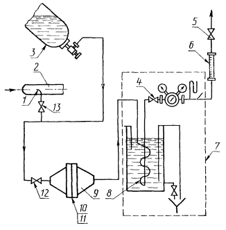
Установка для определения массовой концентрации минерального масла и механических примесей (черт. 4 и обязательные приложения 1, 2) состоит из следующих частей:
вставки для отбора пробы из рабочего трубопровода, выполненной из стальной трубки диаметром 10 мм и толщиной стенки 1,5 мм, длиной 100-150 мм, согнутой под углом 90°; меньший конец трубки длиной 25 мм вваривается в промышленный трубопровод перед конденсатором по центру трубы навстречу потоку газа;
конуса измерительного с камерой для закладки фильтра АФА (см. приложения 1, 2), испытанного после изготовления на плотность и прочность внутренним гидравлическим давлением 98×102 кПа (98 кгс/см2) с выдержкой 10 мин;
установки пробоотборной с пароперегревателем (см. черт. 1), описанной в п. 4.2.3;
фильтра аналитического аэрозольного типа АФА с мелкоячеистой опорной сеткой 0,5´0,5 мм из стали 1Х18Н9Т; допускается применять другую опорную сетку с аналогичными параметрами;
редуктора углекислотного или кислородного баллонного одноступенчатого типа БКО-50 по ГОСТ 13861-89;
1 - пробоотборная трубка; 2 - трубопровод двуокиси углерода; 3 - емкость с жидкой двуокисью углерода; 4, 12, 13 - вентиль запорный 15с9бкdу 10 мм, Ру 100 кгс/см2; 5 - вентиль запорный 15с13бкdу 6 мм, Ру 25 кгс/см2; 6 - ротаметр; 7 - установка пробоотборная; 8 - пароперегреватель; 9 - конус измерительный; 10 - фильтр аналитический аэрозольный АФА; 11 - сетка опорная металлическая
Черт. 4
ротаметра по ГОСТ 13045-81 для измерения расхода 7-8 м3/ч или другого прибора, обеспечивающего измерение указанного объема газа;
вентилей запорных типа 15с13бкdу 6 мм, Ру 25 кгс/см2 (1 шт.) ч 15с9бкdу 10 мм, Ру 100 кг/см2 (3 шт.); допускается применять другие вентили, обеспечивающие аналогичные безопасные условия отбора проб;
термометр стеклянный по ГОСТ 28498-90 с пределами измерения 0-100 °С.
4.5.2.2. Проведение анализа
Метод заключается в определении массовой доли масла и механических примесей, извлеченных с помощью аналитического :аэрозольного фильтра из двуокиси углерода при рабочем давлении за определенный интервал времени.
Анализируемую пробу двуокиси углерода пропускают через измерительный конус с вложенным в него фильтром АФА. При проведении испытания фиксируют его продолжительность и количество проходящей двуокиси углерода. Перед проведением анализа фильтр АФА, освобожденный от защитного бумажного кольца, в комплекте с которым его поставляют, закладывают в защитное кольцо и вместе с опорной сеткой вкладывают в измерительный конус (см. черт. 4), заранее обработанный изнутри шкуркой и протертый насухо тканью.
При отборе пробы двуокиси углерода в бачок пароперегревателя пробоотборной установки подводят горячую воду, открывают вентили 4 и 13 перед конусом и редуктором установки, отрегулировав редуктор так, чтобы расход газа составил 7-8 м3/ч.
Во время работы следят за постоянством температуры, давлением и потоком газа, записывают показания термометра, манометров и ротаметра, следят за работой пароперегревателя, увеличивая или уменьшая поток горячей воды в его бачке и не допуская понижения температуры газа после него ниже (20 ± 5) °С.
Продолжительность анализа двуокиси углерода, отбираемой из трубопровода или емкости большого объема, - 2-3 ч, 40-литрового баллона - до полного его опорожнения.
При выключении установки спускают воду из пароперегревателей при отборе пробы из емкости, закрывают вентиль 14 и вентиль на емкости при отборе из нее пробы, сбрасывают давление из установки через вентиль 5; разбирают конус, вынимают фильтр АФА вместе с защитным кольцом, освобождают фильтр от защитного кольца и взвешивают.
4.5.2.3. Обработка результатов
Массовую концентрацию минеральных масел и механических примесей в двуокиси углерода (Х1), в мг/кг, вычисляют по формуле
,
где m1 - масса фильтра АФА до отбора пробы, мг;
m2 - масса фильтра АФА после отбора пробы, мг;
t - время отбора пробы, ч;
m - массовый расход отбираемой пробы двуокиси углерода, кг/ч;
,
где r - плотность двуокиси углерода при условиях отбора пробы (при Р и Т), кг/м3;
u - объем отбираемого на пробу газа, который определяют с учетом коэффициента K2, учитывающего рабочие условия (температуру и давление), м3/ч;
,
где u1 - объемный расход газа, найденный по кривой ротаметра, соответственно измеренному среднему значению количества делений по ротаметру, отградуированному по объемному количеству воздуха uх с учетом коэффициента K1, м3/ч;
K2 - коэффициент, вычисляемый по формуле
,
где р - рабочее давление, кПа (кгс/см2);
р1 - давление, при котором произведена градуировка ротаметра, кПа (кгс/см2);
Т - рабочая температура, К;
Т1 - температура, при которой произведена градуировка ротаметра, К;
,
где K1 - коэффициент, вычисляемый по формуле
,
где r1 - плотность воздуха при условиях градуировки, кг/м3;
r2 - плотность двуокиси углерода при условиях градуировки,. кг/м3.
За результат анализа принимают среднее арифметическое результатов двух параллельных определений, допускаемые расхождения между которыми не превышают 0,01 мг/кг при доверительной вероятности Р = 0,95.
4.5.2.1-4.5.2.3. (Измененная редакция, Изм. № 1).
4.6. Определение наличия сероводорода
4.6.1. Посуда, реактивы, растворы
Склянка по ГОСТ 25336-82, тип СН, вместимостью 200 см3 или любая аналогичная склянка.
Вода дистиллированная по ГОСТ 6709-72.
Цилиндр 1 (3)-100-2 по ГОСТ 1770-74.
Пипетка вместимостью 2 см3.
Секундомер механический 2-го класса.
Кислота уксусная по ГОСТ 61-75.
Свинец уксуснокислый по ГОСТ 1027-67, раствор с массовой долей 5 % с добавлением 30 см3 уксусной кислоты на 1 дм3 раствора.
(Измененная редакция, Изм. № 1).
4.6.2. Проведение анализа
В склянку вместимостью 200 см3 наливают 100 см3 дистиллированной воды и 2 см3 раствора уксуснокислого свинца.
Через полученный раствор в течение 10 мин пропускают двуокись углерода со скоростью 3-4 пузырька в секунду. Раствор не должен окрашиваться и темнеть, что свидетельствует о практическом отсутствии сероводорода в анализируемой пробе.
4.7. Определение наличия соляной кислоты
Склянка для промывания газов по ГОСТ 25336-82, тип СВТ, вместимостью 25 см3 или аналогичный прибор.
Бюретка вместимостью 1 см3, пипетки вместимостью 0,1 и 5 см3.
Секундомер механический 2-го класса.
Вода дистиллированная по ГОСТ 6709-72.
Кислота азотная по ГОСТ 4461-77.
Серебро азотнокислое по ГОСТ 1277-75, раствор концентрации с (АgNО3) = 0,1 моль/дм3 (0,1 н).
4.7.2. Проведение анализа
В склянку для промывания газов при помощи бюретки вводят 0,1 см3 азотнокислого серебра, 5 см3 дистиллированной воды и подкисляют несколькими каплями концентрированной азотной кислоты. Пропускают двуокись углерода в течение 15 мин со скоростью 3-4 пузырька в секунду. Раствор в склянке не должен иметь опалесценции, что свидетельствует о практическом отсутствии соляной кислоты в анализируемой пробе.
4.7.1, 4.7.2 (Измененная редакция, Изм. № 1).
Склянка для промывания газов по ГОСТ 25336-82, тип СВТ, вместимостью 25 см3 или любые аналогичные приборы.
Вода дистиллированная по ГОСТ 6709-72.
Бюретка вместимостью 1 см3, пипетки вместимостью 0,1, 5 см3.
Секундомер механический 2-го класса.
Калий марганцовокислый по ГОСТ 20490-75, раствор концентрации с (1/5КМnО4)=0,1 моль/дм3 (0,1 н.).
1 - пористая пластинка; 2 - сфера
Черт. 5
Кислота серная по ГОСТ 4204-77 плотностью 1,83-1,835 кг/м3
4.8.2. Проведение анализа
В склянку для промывания газов вместимостью 25 см3 вводят 0,1 см3 раствора марганцовокислого калия, 5 см3 дистиллированной воды и несколько капель серной кислоты.
Через раствор пропускают двуокись углерода в течение 15 мин со скоростью 3-4 пузырька в секунду.
Раствор в склянке должен оставаться розовым, что свидетельствует о практическом отсутствии в испытуемой двуокиси углерода сернистой, азотистой кислот и органических примесей (спиртов, эфиров, альдегидов и органических кислот).
4.9. Определение наличия аммиака и этаноламинов
Прибор расхода любого типа на 60-100 дм3/ч.
Поглотитель (черт. 5) с пористой пластинкой ПОР 160 или ПОР 250 по ГОСТ 25336-82.
Бюретка вместимостью 1 см3, пипетки вместимостью 0,1 и 5 см3.
Секундомер механический 2-го класса.
Вода дистиллированная по ГОСТ 6709-72.
Кислота серная по ГОСТ 4204-77, раствор концентрации с (1/2Н2SO4) = 0,01 моль/дм3 (0,01 н.).
Метиловый оранжевый (пара-диметиламиноазобензолсульфокислый натрий), раствор с массовой долей 0,1 %.
4.9.2. Проведение анализа
В поглотитель вводят 0,1 см3 раствора серной кислоты, прибавляют одну каплю метилового оранжевого, 5 см3 воды и делают отметку уровня жидкости, которая имеет оранжевый цвет.
Одновременно для сравнения окрашивания цвета раствора устанавливают контрольную пробу. Для этого в пробирку из бесцветного стекла одинакового с поглотителем диаметра вводят одну каплю метилового оранжевого и 5 см3 воды. Получают раствор желтого цвета.
Через раствор в поглотителе в течение 30 мин пропускают 30 см3 двуокиси углерода.
Испытуемый раствор в поглотителе должен оставаться оранжевым, что свидетельствует об отсутствии в двуокиси углерода аммиака и этаноламинов. Для сравнения цвета раствора с цветом контрольной пробы уровень жидкости в поглотителе доводят до метки водой.
4.8.1-4.9.2. (Измененная редакция, Изм. № 1).
4.10. Определение запаха и вкуса
Запах и вкус определяют органолептически.
Двуокись углерода, выпускаемая через слегка открытый вентиль баллона или из другой емкости, не должна иметь постороннего запаха.
В стакан наливают 200 см3 чистой питьевой воды температурой не выше 10 °С и в течение 20 мин пропускают через нее сильную струю двуокиси углерода.
Насыщенная двуокисью углерода вода должна иметь приятный слегка кисловатый вкус при полном отсутствии постороннего запаха.
4.10.1а. Аппаратура и реактивы
Стаканы стеклянные лабораторные по ГОСТ 25336-82.
Термометр стеклянный по ГОСТ 28498-90 с пределами измерения от 0 до 50 °С.
Секундомер механический 2-го класса.
Питьевая вода по ГОСТ 2874-82.
(Введен дополнительно, Изм. № 1).
4.11. Определение массовой доли воды
Весы лабораторные общего назначения по ГОСТ 24104-88 4-го класса точности с наибольшим пределом взвешивания 1000 г.
Секундомер механический 2-го класса.
4.11.2. Проведение анализа
Анализируемый баллон, наполненный жидкой двуокисью углерода, опрокидывают вентилем вниз. Через 15 мин медленно открывают вентиль и держат его открытым, собирая вытекающую из баллона воду в предварительно взвешенный с погрешностью не более 0,01 г сосуд до образования слабого потока снегообразной двуокиси углерода. Затем вентиль закрывают и баллон устанавливают в вертикальное положение. Собранную воду взвешивают.
4.11.3. Обработка результатов
Массовую долю воды (Х2) в процентах вычисляют по формуле
,
где m1 - масса воды, кг;
m - масса двуокиси углерода в баллоне, кг.
Результаты вычисления округляют до десятых долей процента. Двуокись углерода с массовой долей воды, значение которой округляют до нуля (0,0 %), относят к высшему или первому сорту.
4.11.1-4.11.3. (Измененная редакция, Изм. № 1).
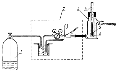
4.12. Определение массовой концентрации водяных паров
4.12.1. Аппаратура, материалы, реактивы
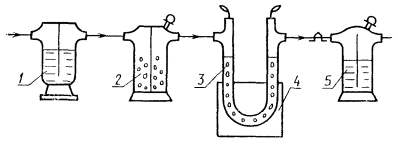
Спирт этиловый синтетический технический по ГОСТ 17299-78, или спирт этиловый ректификованный технический по ГОСТ 18300-87, 30 см3 на 5 измерений.
1 - емкость с двуокисью углерода; 2 - устройство пробоотборное; 3 - влагомер конденсационный; 4 - термометр; 5 - сухой лед; 6 - спирт
Черт. 6
Лед сухой или снег, полученный непосредственно перед анализом путем дросселирования жидкой двуокиси углерода из емкости, как описано в п. 4.5.
Установка для определения массовой концентрации водяных паров в двуокиси углерода (черт. 6) состоит из конденсационного влагомера (черт. 7), пробоотборной установки (черт. 1), стеклянного термометра по ГОСТ 28498-90 с пределами измерения от минус 100 до плюс 20 °С или по ГОСТ 400-80 с пределами измерения от минус 80 до плюс 60 °С с ценой деления не менее 1 °С; стеклянного термометра по ГОСТ 28498-90 с пределами измерения от 0 до 100 °С.
Конденсационный влагомер
1 - сосуд из толстостенного стекла; 2 - стакан из меди (марки М-1 или М-3 по ГОСТ 859-78) или из любого металла с высокой теплопроводностью (бронза, латунь и др.) с никелированной и отполированной поверхностью; 3 - резиновая пробка
Черт. 7
Цилиндр 1 (3)-50-2 по ГОСТ 1770-74.
(Измененная редакция, Изм. № 1).
4.12.2. Подготовка к анализу
Слабый поток газообразной двуокиси углерода пропускают через пробоотборную установку, бачок испарителя которой заливают горячей водой температурой 85-90 °С.
Газ перегревают с тем, чтобы после дросселирования в редукторе он имел температуру около 20 °С. Отрегулированный поток газа с минимальным избыточным давлением около 98 Па (10 мм вод. ст.) направляют в конденсационный влагомер, в стакане которого отсутствует спирт, и 3-5 мин продувают влагомер.
4.12.3. Проведение анализа
Не прекращая подачу газа, в медный стакан влагомера наливают 30 см спирта и бросают в него небольшими порциями предварительно приготовленный сухой лед.
Непрерывно перемешивая спирт термометром, наблюдают за наружной зеркальной поверхностью медного стакана влагомера. Когда на зеркальной поверхности стакана влагомера образуется иней (роса), фиксируют по термометру температуру, при которой он появился. Эту температуру принимают за температуру точки росы (инея) в двуокиси углерода.
4.12.4. Обработка результатов
Массовую концентрацию водяных паров определяют в соответствии с измеренной точкой росы по табл. 3 и диаграмме (приложение 3).
Таблица 3
|
Объемная доля водяных паров и массовая концентрация СО2 при температуре 20 °С и давлении 101,3 кПа (760 мм рт. ст.) |
|||
|
(%)×10 (ррm) |
мг/кг СО2 |
г/м3 СО2 |
|
|
-60 |
10,60 |
4,335 |
0,008 |
|
-56 |
18,30 |
7,485 |
0,014 |
|
-50 |
39,40 |
16,129 |
0,029 |
|
-48 |
49,70 |
20,327 |
0,037 |
|
-46 |
63,20 |
25,840 |
0,047 |
|
-44 |
80,00 |
37,720 |
0,060 |
|
-42 |
101,00 |
41,309 |
0,076 |
|
-40 |
127,00 |
51,943 |
0,095 |
|
-38 |
159,00 |
65,031 |
0,119 |
|
-36 |
198,00 |
80,982 |
0,148 |
|
-34 |
246,00 |
100,688 |
0,184 |
|
-32 |
340,00 |
139,060 |
0,254 |
|
-30 |
376,00 |
153,784 |
0,281 |
|
-28 |
462,00 |
188,958 |
0,315 |
|
-26 |
560,00 |
229,040 |
0,423 |
|
-24 |
691,00 |
282,619 |
0,517 |
|
-22 |
841,00 |
343,969 |
0,629 |
|
-20 |
1020,00 |
417,180 |
0,763 |
|
-18 |
1230,00 |
503,512 |
0,920 |
|
-16 |
1490,00 |
609,946 |
1,115 |
|
-14 |
1790,00 |
732,754 |
1,339 |
|
-12 |
2140,00 |
876,030 |
1,601 |
|
-10 |
2560,00 |
1047,961 |
1,915 |
|
0 |
6064,54 |
2482,580 |
4,537 |
|
+10 |
11530,00 |
4719,920 |
8,627 |
|
+20 |
23606,10 |
9663,393 |
17,662 |
|
+30 |
43697,20 |
17887,885 |
32,694 |
|
+35 |
58756,50 |
24052,560 |
43,962 |
Для определения массовой концентрации водяных паров в двуокиси углерода допускается применение влагомеров других конструкций, точность показаний которых не ниже точности показаний конденсационного влагомера.
4.13. Определение наличия ароматических углеводородов
Склянка для промывания газов по ГОСТ 25336-82 тип СВТ, вместимостью 25 см3 или аналогичный прибор.
Пипетки вместимостью 1 и 50 см3.
Цилиндр 1 (3)-50-2 по ГОСТ 1770-74.
Секундомер механический 2-го класса.
Кислота серная по ГОСТ 4204-77.
Формалин технический по ГОСТ 1625-75 или фармакопейный водный раствор с массовой долей 30 %.
Раствор поглотительный, приготовленный следующим образом: к 1 см3 30 %-ного раствора формалина приливают 50 см3 серной кислоты; полученный раствор хранят в колбе с притертой пробкой.
Если раствор приобретает окраску, то необходимо приготовить новый.
(Измененная редакция, Изм. № 1).
4.13.2. Проведение анализа
Пробу из баллона отбирают в склянку, как описано в п. 4.2.
Прибор для поглощения заполняют до широкого участка или половины высоты его поглотительным раствором.
Двуокись углерода должна барботировать через раствор с такой скоростью, чтобы можно было считать пузырьки. Газ пропускают через раствор в течение 10 мин.
Необходимо следить за тем, чтобы раствор не приобретал даже слабого коричневого окрашивания. В качестве сравнения используют исходный поглотительный раствор, налитый в другой такой же прибор.
Раствор не должен менять окраску, что свидетельствует о практическом отсутствии ароматических углеводородов в газе.
4.14. Определение наличия оксидов ванадия
4.14.1. Сущность метода
Определение основано на реакции окисления ванадия и его соединений до пятиокиси ванадия и его последующем обнаружении по образованию желтой фосфорновольфрамо-ванадиевой кислоты.
Патрон для фильтра (см. приложение 4) или подобный.
Пробирки П-1-10-0,1 ХС по ГОСТ 1770-74, П-1-14-120 ХС по ГОСТ 25336-82.
Колбы мерные 2-100 (500, 1000) - 2 по ГОСТ 1770-74.
Пипетки вместимостью 1, 2, 5 и 10 см3.
Тигли фарфоровые по ГОСТ 9147-80.
Муфельная печь.
Щипцы тигельные.
Баня водяная.
Центрифуга.
Фильтры типа АФА.
Счетчик газовый барабанный типа РГ-400.
Эксикатор по ГОСТ 25336-82.
Фосфорная кислота по ГОСТ 6552-80, раствор с массовой долей 50 %.
Натрия гидроокись по ГОСТ 4328-77, раствор с массовой долей 10 %.
Натрий вольфрамово-кислый по ГОСТ 18289-78, водный раствор с массовой долей 5 %.
Кислота серная по ГОСТ 4204-77, раствор с объемной долей 10 %.
Кислота азотная по ГОСТ 4461-77, раствор с объемной долей 30 %.
4.14.3. Проведение анализа
1000 дм3 двуокиси углерода со скоростью 8-10 дм3/мин аспирируют через фильтр типа АФА.
Фильтр переносят в фарфоровый тигель, добавляют по 2 см3 раствора азотной кислоты, выпаривают досуха на водяной бане и сжигают в муфельной печи при температуре 500 °С. После озоления содержимое тигля охлаждают в эксикаторе и обрабатывают 2 см3 раствора гидроокиси натрия и 3 см3 воды. Содержимое тигля нагревают в течение 3-5 мин на водяной бане и переносят в пробирку. Тигель промывают 2-3 раза небольшими порциями теплой дистиллированной воды (1 см3) и сливают в ту же пробирку, объем доводят до 10 см3 и центрифугируют. Для анализа берут 5 см3 (1/2 пробы).
В пробирки с анализируемой пробой и раствором сравнения (который готовится одновременно и аналогично анализируемой пробе) вносят 1,5 см3 раствора серной кислоты, добавляют 0,1 см3 раствора фосфорной кислоты и 0,5 см3 водного раствора вольфрамово-кислого натрия. Содержимое пробирок хорошо перемешивают. По истечении 10 мин раствор в пробирках с анализируемой пробой и раствором сравнения должен оставаться прозрачным и бесцветным. Это свидетельствует о практическом отсутствии пятиокиси ванадия в анализируемой пробе.
4.14, 4.14.1-4.14.3. (Введены дополнительно, Изм. № 1).
Жидкую двуокись углерода высокого давления поставляют в сосудах под давлением:
баллонах по ГОСТ 949-73 вместимостью до 50 дм3 рабочим давлением 200×102 кПа (200 кгс/см2) при температуре окружающего воздуха рабочей зоны не выше плюс 60 °С и коэффициенте заполнения 0,72 кг/дм3;
в баллончиках для бытовых сифонов по ГОСТ 19136-80 вместимостью не менее 0,01 дм3;
в таре другого типа и спецтаре по нормативно-технической документации для автотранспорта.
При использовании баллонов с другим рабочим давлением коэффициент заполнения не должен превышать: при рабочем давлении 100×102 кПа (100 кгс/см2) - 0,29 кг/л; 125×102 кПа (125 кгс/см2) - 0,47 кг/л; 150×102 кПа (150 кгс/см2) - 0,60 кг/л.
Допускаемое отклонение массы нетто наполненных баллонов не должно превышать 2 % от номинальной.
Низкотемпературную двуокись углерода поставляют:
в изотермических резервуарах по ГОСТ 19662-89;
в контейнерах-цистернах типоразмера IC и ICC по ГОСТ 26380-84 и ГОСТ 19663-90.
(Измененная редакция, Изм № 2).
5.2. Баллоны и другие сосуды высокого давления, поступающие от потребителей, должны иметь остаточное давление двуокиси углерода не ниже 4×102 кПа (4 кгс/см2).
Контролю на остаточное давление должен подвергаться каждый баллон.
5.1, 5.2. (Измененная редакция, Изм № 1).
5.3. Баллоны после гидравлических испытаний должны быть промыты горячей водой (60-80) °С и продуты. Для этого вентиль баллона вывертывают, баллон переворачивают башмаком вверх, из баллона сливают воду и продувают с помощью специального патрубка, вводимого через горловину внутрь баллона на всю его высоту. Баллон устанавливают в нормальное положение, вентиль навертывают на горловину баллона и наносят чеканкой условный знак предприятия-изготовителя двуокиси углерода.
Баллоны после промывки продувают осушенной двуокисью углерода.
Маркировка, характеризующая транспортную опасность груза, - по ГОСТ 19433-88 (класс 2, подкласс 2.1 (черт. 2), классификационный шифр 2112 - для жидкой высокого давления, 2115 - для жидкой низкотемпературной), серийный номер 00Н 2187.
Транспортная маркировка контейнера-цистерны осуществляется по ГОСТ 25290-82 и ГОСТ 19433-88.
На каждый баллон наклеивают ярлык с обозначениями:
наименования предприятия-изготовителя и его товарный знак;
наименования и сорта продукта;
номера партии и даты изготовления;
обозначения настоящего стандарта;
массы брутто - нетто.
Для двуокиси углерода, получаемой на базе экспанзерного газа очистки коксового газа, наносят дополнительную предупредительную надпись: «Применение для пищевых целей не допускается».
5.5. Жидкую двуокись углерода в баллонах транспортируют всеми видами транспорта в соответствии с правилами перевозки грузов, действующими на данном виде транспорта.
По железной дороге наполненные баллоны транспортируют повагонными отправками в крытых вагонах, в том числе в багажных вагонах пассажирского поезда без перевалки в пути следования (не более 20 баллонов в одном вагоне), а также в универсальных контейнерах открытым подвижным составом.
Допускается перевозка автотранспортом в специальных контейнерах по нормативно-технической документации.
Транспортируемые баллоны должны находиться в горизонтальном положении с прокладками между ними или в вертикальном положении при наличии защитных колец и при условии плотной погрузки (обязательно с ограждением от возможного падения).
Жидкую низкотемпературную двуокись углерода в контейнерах-цистернах транспортируют железнодорожным и автомобильным транспортом в соответствии с правилами перевозки грузов, действующими на транспорте данного вида.
5.4, 5.5. (Измененная редакция, Изм. № 1, 2).
5.6. Жидкую двуокись углерода высокого давления в баллонах и баллончиках для бытовых сифонов хранят в специальных складских помещениях или на открытых огражденных площадках под навесом, защищающим баллоны от атмосферных осадков и прямых солнечных лучей.
Жидкую низкотемпературную двуокись углерода хранят в накопительных изотермических емкостях (цистернах).
6.1. Изготовитель гарантирует соответствие двуокиси углерода требованиям настоящего стандарта при соблюдении условий транспортирования и хранения.
6.2. Гарантийный срок хранения жидкой двуокиси углерода:
в баллонах по ГОСТ 949-73 - 2 года со дня изготовления продукта;
в баллончиках для бытовых сифонов - по ГОСТ 19136-80 - 1 год со дня изготовления продукта;
в цистернах - 6 мес со дня изготовления.
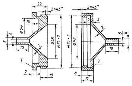
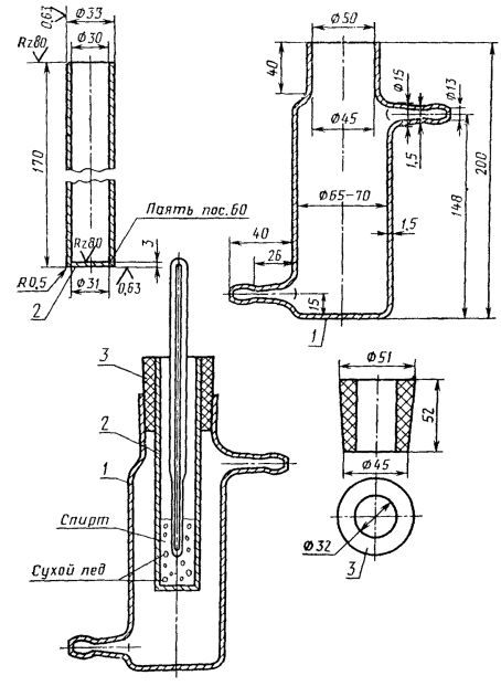
Обязательное

1 - наконечник из стали марки 12Х18Н10Т (ГОСТ 5632-72); 2 - фланец (I) 50-100 (ГОСТ 12821-80) из стали марки 12Х18Н10Т (ГОСТ 5632-72); 3 - кольцо из истовой меди (ГОСТ 495-92) диаметром 88/73, толщиной 2 мм; 4 - прокладка из резины диаметром 72/45, толщиной 3 мм; 5 - фильтр типа АФА; 6 - сетка опорная металлическая 0,5´0,5 мм из стали 1Х18Н9Т; 7 - шайба 24 по ГОСТ 4371-78; 8 - гайка М 24-25 по ГОСТ 9064-75; 9 - шпилька М24Х115-36 по ГОСТ 9066-75; 10 - фланец (II) 50-100 по ГОСТ 12821-80 из стали марки 12Х18Н10Т (ГОСТ 5632-72); 11 - конус из стали марки 12Х18Н10Т (ГОСТ 5632-72); 12 - наконечник из стали марки 12Х18Н10Т (ГОСТ 5632-72); 13 - ниппель из круга 25 (ГОСТ 2590-88) из стали-марки 12Х18Н10Т (ГОСТ 5632-72); 14 - гайка накидная из шестигранника 36 (ГОСТ 8560-78); из шестигранника 20 (ГОСТ 1051-73)
(Измененная редакция, Изм. № 1).
Обязательное

Обязательное

Обязательное

1 - корпус; 2 - крышка; 3 - прокладка

1 - корпус; 2 - крышка
(Введено дополнительно, Изм. № 1).
ИНФОРМАЦИОННЫЕ ДАННЫЕ
1. РАЗРАБОТАН И ВНЕСЕН Государственной ассоциацией «Агрохим»
РАЗРАБОТЧИКИ
В.С. Соболевский, Г.А. Шестакова, Э.В. Горожанкин, А.М. Королева
2. УТВЕРЖДЕН И ВВЕДЕН В ДЕЙСТВИЕ Постановлением Государственного комитета СССР по стандартам от 29.07.85 № 2423
3. ВЗАМЕН ГОСТ 8050-76
4. ССЫЛОЧНЫЕ НОРМАТИВНО-ТЕХНИЧЕСКИЕ ДОКУМЕНТЫ
|
Обозначение НТД, на который дана ссылка |
Номер пункта |
Обозначение НТД, на который дана ссылка |
Номер пункта |
|
ГОСТ 61-75 |
Приложение 1 |
||
|
гост 400-80 |
Приложение 1 |
||
|
Приложение 1 |
ГОСТ 9147-80 |
||
|
ГОСТ 10163-76 |
|||
|
ГОСТ 1027-67 |
Приложение 1 |
||
|
ГОСТ 1051-73 |
ГОСТ 12026-76 |
||
|
ГОСТ 1277-75 |
Приложение 1 |
||
|
ГОСТ 1625-89 |
ГОСТ 13045-81 |
||
|
ГОСТ 1770-74 |
ГОСТ 13861-89 |
||
|
ГОСТ 14192-77 |
|||
|
ГОСТ 17299-78 |
|||
|
ГОСТ 18289-78 |
|||
|
ГОСТ 3956-76 |
ГОСТ 18300-87 |
||
|
ГОСТ 4204-77 |
ГОСТ 19136-80 |
||
|
ГОСТ 4232-74 |
ГОСТ 19433-88 |
||
|
ГОСТ 4328-77 |
ГОСТ 19662-89 |
||
|
ГОСТ 4461-77 |
ГОСТ 20490-75 |
||
|
Приложение 1 |
|||
|
ГОСТ 6552-80 |
ГОСТ 24363-80 |
||
|
ГОСТ 25336-82 |
|||
|
ГОСТ 27025-86 |
ТУ 25-1173.126-85 |
||
|
ГОСТ 27068-86 |
ТУ 92-891.026-91 |
||
|
ГОСТ 6706-72 |
|
|
5. Ограничение срока действия снято Постановлением Госстандарта от 25.10.91 № 1655
6. ПЕРЕИЗДАНИЕ (октябрь 1994 г.) с Изменением № 1, утвержденным в октябре 1991 г. (ИУС 1-92)
СОДЕРЖАНИЕ
|
5. Упаковка, маркировка, транспортирование и хранение. 15 Приложение 1 Измерительный конус. 16 |