
ГОСУДАРСТВЕННЫЙ СТАНДАРТ СОЮЗА ССР
ОГРАЖДЕНИЯ ДОРОЖНЫЕ
МЕТАЛЛИЧЕСКИЕ БАРЬЕРНОГО ТИПА
ТЕХНИЧЕСКИЕ УСЛОВИЯ
ГОСТ 26804-86
ГОСУДАРСТВЕННЫЙ КОМИТЕТ СССР
ПО ДЕЛАМ СТРОИТЕЛЬСТВА
Москва
РАЗРАБОТАН
Государственным всесоюзным дорожным научно-исследовательским институтом (Союздорнии) Минтрансстроя
Всесоюзным научно-исследовательским институтом безопасности дорожного движения (ВНИИБД) МВД СССР
Центральным научно-исследовательским автомобильным полигоном научно-исследовательского автомоторного и автомобильного института (ЦНИАП НАМИ) Минавтопрома СССР
Государственным дорожным проектно-изыскательским и научно-исследовательским институтом (Гипродорнии) Минавтодора РСФСР
ИСПОЛНИТЕЛИ
В. А. Астров, канд. техн. наук (руководитель темы в части ограждений для дорог); И. Д. Сахарова, канд. техн. наук (руководитель темы в части ограждений для мостов); Б. М. Елисеев, канд. техн. наук; В. С. Луканин, В. И. Шестериков, канд. техн. наук; П. К. Малинин, В. Я. Буйленко, А. И. Рябчинский, д-р техн. наук; М. В. Лыюров, М. Г. Вильсон, В. В. Новизенцев, канд. техн. наук
ВНЕСЕН Министерством транспортного строительства
Зам. министра В. В. Алексеев
УТВЕРЖДЕН И ВВЕДЕН В ДЕЙСТВИЕ Постановлением Государственного комитета СССР по делам строительства от 19 декабря 1985 г. № 242
ГОСУДАРСТВЕННЫЙ СТАНДАРТ СОЮЗА ССР
|
ОГРАЖДЕНИЯ ДОРОЖНЫЕ МЕТАЛЛИЧЕСКИЕ БАРЬЕРНОГО ТИПА Технические условия Metal road safety barriers. Specifications |
ГОСТ |
Постановлением Государственного комитета СССР по делам строительства от 19 декабря 1985 г. № 242 срок введения установлен
с 01.01.87
Несоблюдение стандарта преследуется по закону
Настоящий стандарт распространяется на металлические боковые ограждения барьерного типа (далее - ограждения), предназначенные для автомобильных дорог общего пользования.
1.1. По назначению ограждения подразделяются на группы:
11ДО - дорожные односторонние (черт. 1, 2);
11ДД - » двусторонние (черт. 3, 4);
11МО - мостовые односторонние (черт. 5, 6);
НМД - » двусторонние (черт. 7, 8).
1.2. Ограждения групп 11ДО и 11ДД состоят из участков:
11ДО-Н, 11ДД-Н - начальные участки;
ПДО-S, ПДД-S - рабочие участки с шагом стоек S, м;
ПДД-SП - переходный участок с шагом стоек S, м;
11ДО-К - конечный участок.
Примечание. В пределах участка 11ДО-Н осуществляется отгон ограждения к бровке земляного полотна (оси разделительной полосы) дороги.
1.3. Ограждения групп 11МО и НМД состоят только из рабочих участков 11MO-S и ПМД-S. Стойки ограждения 11MO-SЦ устанавливают на цоколе.
1.4. Конструктивные элементы ограждений:
СБ - секция балки (черт. 9);
СД - стойка дорожная (черт. 10);
CM - стойка мостовая (черт. 10);
СМЦ - стойка мостовая на цоколе (черт. 10);
Ограждение группы 11ДО. Общий вид.
1 - балка; 2 - стойка; 3 - консоль жесткая; 4 - связь диагональная; 5 - элемент световозвращающий; 6 - элемент концевой
Черт. 1
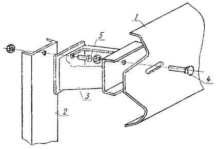
Ограждение группы 11ДО. Детали соединения балки со стойкой.
1 - балка; 2 - стойка; 3 - консоль жесткая; 4 - болт М16´45.58 ГОСТ 7802-81; 5 - болт М10´1,25-8g´30.58 ГОСТ 7796-70
Черт. 2
Ограждение группы 11ДД. Общий вид
1 - балка; 2 - стойка; 3 - консоль-распорка; 4 - элемент световозвращающий
Черт. 3
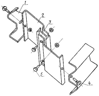
Ограждение группы 11ДД. Детали соединения балок со стойкой
1 - балка; 2 - стойка; 3 - консоль-распорка; 4 - скоба; 5 - болт М16´45.58 ГОСТ 7802-81; 6 - болт M16´l,5-8g´30.58 ГОСТ 7798-70
Черт. 4
Ограждение группы 11МО. Общий вид
1 - балка; 2 - стойка; 3 - консоль-амортизатор; 4 - элемент световозвращающий; 5 - строение пролетное; 6 - цоколь; 7 - шов деформационный
Черт. 5
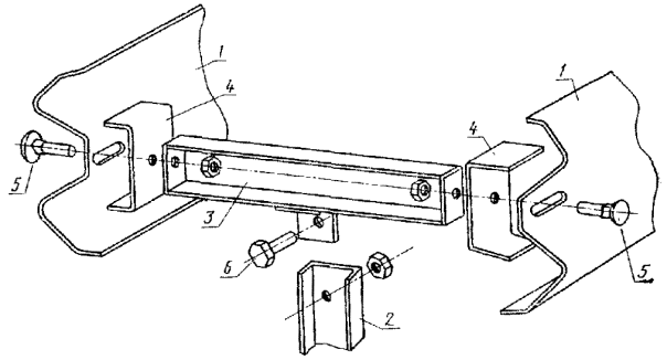
Ограждение группы 11МО. Детали соединения балки со стойкой
1 - балка; 2 - стойка; 3 - консоль-амортизатор; 4 - болт М16´1,5-8g´30.58 ГОСТ 7798-70; 5 - болт М16´45.58 ГОСТ 7802-81
Черт. 6
Ограждение группы 11МД. Общий вид
1 - балка; 2 - стойка; 3 - элемент световозвращающий; 4 - строение пролетное; 5 - шов деформационный; 6 - консоль-амортизатор
Черт. 7
Ограждения группы 11МД. Детали соединения балок со стойкой
1 - балка; 2 - стойка; 3 - консоль-амортизатор; 4 - болт М16´45.58 ГОСТ 7802-81; 5 - болт M16´1,5-8g´30.58 ГОСТ 7798-70
Черт. 8
КЖ - консоль жесткая (черт. 11);
КР - консоль-распорка (черт. 11);
КА - консоль-амортизатор (черт. 11);
СДД - связь диагональная дорожная (черт. 12);
С - скоба (черт. 13);
ЭК - элемент концевой (черт. 14);
ЭС - элемент световозвращающий.
Секции балки
Черт. 9
Стойки
Черт. 10
Консоли
Черт. 11
Связь диагональная
Черт. 12
Скоба
Черт. 13
Элемент концевой
Черт. 14
1.5. Высота рабочих участков ограждений всех групп - 0,75 м.
Примечание. В пределах участка 11ДД-Н осуществляется понижение ограждения до уровня поверхности разделительной полосы.
1.6. Основные параметры и размеры ограждений должны соответствовать указанным на черт. 1-14 и в табл. 1, 2.
Таблица 1
|
Размеры, м |
Масса (справочная), кг/м |
||
|
Ширина b |
Шаг стоек S |
||
|
11ДО-4 |
0,36 |
4,00 |
20 |
|
11ДО-3 |
0,36 |
3,00 |
23 |
|
11ДО-2 |
0,36 |
2,00 |
26 |
|
11ДО-1 |
0,36 |
1,00 |
36 |
|
11ДД-4 |
0,75 |
4,00 |
40 |
|
11ДД-2 |
0,75 |
2,00 |
44 |
|
11MO-S |
0,41 |
S |
25 |
|
11МО-SЦ |
0,41 |
S |
24 |
|
11МД-S |
0,69 |
S |
41 |
Примечание. В ограждениях групп 11МО и НМД шаг стоек S в соответствии с условиями расположения закладных деталей в пролетных строениях принимается в интервале 2-3 м; справочная масса дана для конструкций ограждении с шагом 3 м.
|
Марка участка ограждения |
Размеры, м |
Масса (справочная), кг |
|
|
Ширина b |
Шаг стоек S |
||
|
11ДО-Н |
0,36 |
2,00 |
331 |
|
11ДО-К |
0,36 |
2,00 |
331 |
|
11ДД-Н |
0,75 |
2,00 |
558 |
|
11ДД-4П |
0,75-0,95 |
4,00 |
162 |
|
11ДД-2П |
0,75-0,95 |
2,00 |
177 |
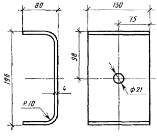
1.7. Размеры секций балки должны соответствовать приведенным на черт. 9 и в табл. 3.
Таблица 3
|
Размеры, мм |
||||
|
lсб |
R |
h |
h1 |
|
|
СБ-1 |
4320 |
- |
83 |
- |
|
СБ-2 |
6320 |
- |
83 |
- |
|
СБ-3 |
8320 |
- |
83 |
- |
|
СБ-4 |
9320 |
- |
83 |
- |
|
СБ-5 |
6320 |
6000 |
83 |
60 |
|
СБ-6 |
6320 |
6000 |
- |
60 |
1.8. Размеры стоек должны соответствовать приведенным на черт. 10 и в табл. 4.
Таблица 4
|
Марка стойки |
Длина стойки, мм |
|
|
11ДО-S |
СД-1 |
1700 |
|
11ДО-Н |
СД-2 |
|
|
11ДО-К |
СД-2 |
|
|
11ДД-S |
СД-3 |
|
|
11ДД-Н |
СД-3 |
|
|
11ДД-SП |
СД-3 |
|
|
11MO-S; 11МД-S |
СМ |
750 |
|
11MO-SЦ |
СМЦ |
600 |
1.9. Размеры консолей должны соответствовать приведенным на черт. 11 и в табл. 5.
Таблица 5
|
Марка консоли |
Длина консоли, мм |
|
|
11ДО |
КЖ |
250 |
|
11ДД |
КР-1 |
576 |
|
КР-2 |
676 |
|
|
КР-3 |
776 |
|
|
11МО; 11МД |
КА |
290 |
1.10. Размеры диагональной связи СДД для участков ограждения марок 11ДО-Н и 11ДО-К:
расстояние между центрами отверстий наконечников – 3050 мм;
площадь сечения стержня - 0,8 см2.
1.11. Размеры скобы должны соответствовать приведенным на черт. 13.
1.12. Размеры концевых элементов должны соответствовать приведенным на черт. 14 и в табл. 6.
Таблица 6
|
Марка концевого элемента |
Размер, мм |
||
|
h |
h1 |
||
|
11ДО-Н |
ЭК-2 |
- |
60 |
|
11ДО-К |
ЭК-1 |
83 |
- |
1.13. Условные обозначения марки ограждения принимают в соответствии со схемой:

Пример условного обозначения марки ограждения бокового барьерного типа дорожного одностороннего с шагом стоек 3 м:
11ДО-3 ГОСТ 26804-86
То же, начального участка ограждения бокового барьерного типа дорожного одностороннего:
11ДО-Н ГОСТ 26804-86
То же, переходного участка ограждения бокового барьерного типа дорожного двустороннего с шагом стоек 2 м:
11ДД-2П ГОСТ 26804-86
То же, ограждения бокового барьерного типа мостового одностороннего со стойками на цоколе:
11МО-3Ц ГОСТ 26804-86
2.1. Выбор марки ограждения и места его установки следует выполнить в соответствии со СНиП 2.05.02-85 и СНиП 2.05.03-84.
2.2. Ограждение следует изготовлять в соответствии с требованиями настоящего стандарта по рабочим чертежам, утвержденным в установленном порядке.
2.3. Секции балки и концевые элементы следует изготовлять из стального гнутого профиля с размерами 312´83´4 мм по ТУ 14-2-341-78 Минчермета СССР. Марка стали ВСт3пс, ВСт3кп по ГОСТ 380-71.
Примечание. В ограждениях групп 11ДО и 11ДД допускается применять балку из профиля той же конфигурации с размерами 312´83´3 мм, изготовленную из листовой стали по ГОСТ 19903-74, марка стали ВСт3пс, ВСт3кп по ГОСТ 380-71, шаг стоек ограждения - не более 2 м.
2.4. Секции балки СБ-5 и СБ-6, предназначенные для участка 11ДО-Н, должны иметь кривизну 6000 мм. При этом высота профиля балки может быть уменьшена до 60 мм.
2.5. Размеры отверстий по концам секций балки, предназначенные для соединения соседних секций между собой, следует принимать из расчета допустимого смещения секций не более чем на 10 мм.
Примечание. В местах расположения деформационных швов пролетных строений мостов (путепроводов) соединение секций балки следует снабжать устройством индивидуальной проектировки, обеспечивающим свободное перемещение сопрягаемых секций на величину перемещения в деформационном шве.
2.6. Стойки СД-1 и СД-2 следует изготовлять из швеллера № 12 по ГОСТ 8240-72, или С-образного гнутого профиля 120´55´18´5 мм по ГОСТ 8282-83. Марка стали ВСт3 по ГОСТ 380-71.
Стойки СД-3 и консоли-распорки КР-1, КР-2 и КР-3 следует изготовлять из швеллера № 10 по ГОСТ 8240-72. Марка стали всех стоек и распорок - ВСт3пс, ВСт3сп по ГОСТ 380-71. Петлю консоли-распорки следует изготовлять из стали угловой неравнополочной 63´40´5 мм по ГОСТ 8510-72.
2.7. Стойки мостовых ограждений следует изготовлять из двутавра № 12 по ГОСТ 8239-72. Фланцы стоек следует изготовлять из листовой стали толщиной 20 мм по ГОСТ 14637-79, марка стали ВСт3пс, ВСт3сп по ГОСТ 380-71.
2.8. Заднюю стенку консоли жесткой следует изготовлять из листовой стали толщиной 3 мм по ГОСТ 19903-74. Марка стали ВСт3 по ГОСТ 380-71. Диаметр отверстия под болт крепления к стойке 11+0,1 мм. Применение холоднокатаной или качественной стали не допускается.
2.9. Переднюю стенку и проставку жесткой консоли, консоль-амортизатор и скобу следует изготовлять из листовой стали толщиной 4 мм по ГОСТ 19903-74. Марка стали ВСт3 по ГОСТ 380-71.
2.10. Стержень диагональной связи следует изготовлять из круглой стали по ГОСТ 2590-71. Марка стали - ВСт3 по ГОСТ 380-71. Сечение стержня - 0,8 см2. Наконечники диагональной связи следует изготовлять из стали той же марки толщиной 5 мм по ГОСТ 19903-74.
2.11. Для соединения секций балки между собой, с консолями и диагональными связями следует применять болты М16´45 с полукруглой головкой и квадратным подголовником по ГОСТ 7802-81.
2.12. Для соединения жестких консолей со стойками следует применять болты Ml0´30 класс прочности 5.8 по ГОСТ 7796-70 с уменьшенной шестигранной головкой под ключ 14. Применение других болтов не допускается.
2.13. Для крепления стоек мостовых ограждений следует применять болты М20´70 по ГОСТ 7798-70.
2.14. Все сварные соединения консолей, стоек и диагональных связей следует выполнять согласно СНиП III-18-75.
2.15. Все основные и вспомогательные элементы ограждений должны быть защищены от коррозии в соответствии со СНиП II-28-73.
2.16. Предельные отклонения
размеров деталей ограждений -
по ГОСТ
25347-82; отклонения секций балки СБ-1¸СБ-4 от прямолинейности не
должно превышать 3 мм на длине 1000 мм.
3.1. Ограждение каждой марки должно поставляться предприятием-изготовителем комплектно. В состав комплекта ограждения должны входить элементы, указанные в п. 1.4, а также крепежные изделия и паспорт ограждения. Комплекты ограждений групп 11ДО и 11ДД следует составлять из комплектов их участков.
3.2. Комплекты начального и конечного участков 11ДО-Н и 11ДО-К приведены в табл. 7.
Таблица 7
|
Количество элементов в комплекте участка ограждения |
||
|
11ДО-Н |
11ДО-К |
|
|
Секция балки: СБ-5 |
1 |
- |
|
СБ-6 |
1 |
- |
|
СБ-1 |
- |
3 |
|
Стойка СД-2 |
6 |
6 |
|
Консоль жесткая КЖ |
6 |
6 |
|
Связь диагональная СДД |
6 |
6 |
|
Элемент концевой: ЭК-1 |
- |
1 |
|
ЭК-2 |
1 |
- |
|
Элемент световозвращающий ЭС |
3 |
3 |
Примечание. В комплекте участка 11ДО-К допускается замена секций балки СБ-1 двумя секциями балки СБ-2.
3.3. Комплекты начального участка 11ДД-Н и переходных участков 11ДД-4П, 11ДО-2П приведены в табл. 8.
Таблица 8
|
Количество элементов в комплекте участка ограждения |
|||
|
11ДД-.Н |
11ДД-1П |
11ДД-2П |
|
|
Секции балки СБ-1 |
6 |
2 |
2 |
|
Стойка СД-3 |
12 |
1 |
2 |
|
Консоль-распорка: КР-2 |
- |
1 |
1 |
|
КР-3 |
- |
1 |
1 |
|
Скоба С |
|
4 |
4 |
|
Элемент световозвращающий ЭС |
6 |
2 |
2 |
Примечание. В комплекте участка 11ДД-Н допускается замена секций балки СБ-1 четырьмя секциями балки СБ-2.
3.4. Комплекты рабочих участков 11ДО и 11ДД приведены в табл. 9.
Таблица 9
|
Количество элементов в комплекте участка ограждения, выраженное в долях длины участка, м |
||||||
|
11ДО-4 |
11ДО-2 |
11ДО-2 |
11ДО-1 |
11ДД-4 |
11ДД-2 |
|
|
Секция балки: |
|
|
|
|
|
|
|
СБ-1 |
|
|
|
|
|
|
|
СБ-2 |
- |
|
- |
- |
- |
- |
|
Стойка: |
|
|
|
|
|
|
|
СД-1 |
|
|
|
1 |
- |
- |
|
СД-3 |
- |
- |
- |
- |
|
|
|
Консоль жесткая КЖ |
|
|
|
1 |
|
|
|
Консоль-распорка КР-1 |
- |
- |
- |
- |
|
|
|
Скоба С |
- |
- |
- |
- |
1 |
1 |
|
Элемент световозвращающий ЭС |
|
|
|
|
|
|
Примечания: 1. При длине участков, кратной 6, 8 или 9 м комплекты следует составлять с использованием секций балки СБ-2, СБ-3 и СБ-4.
2. К указанным комплектам ограждений группы 11ДО следует добавлять: стоек СД-1 и консолей жестких КЖ по 1 шт.; к комплектам ограждений группы 11ДД - стоек СД-3 и консолей-распорок КР-1 по 1 шт., скоб - 2 шт.
3.5. Комплекты участков 11МО и 11МД приведены в табл. 10.
Таблица 10
|
Количество элементов на длину рабочего участка ограждения l*, м |
|||
|
11MO-S |
11MO-SЦ |
11МД-S |
|
|
Секция балки СБ-1¸СБ-4 |
|
|
|
|
Стойки: СМ |
|
- |
|
|
СМЦ |
- |
|
- |
|
Консоль-амортизатор КА |
|
|
|
|
Элемент световозвращающий ЭС |
|
|
|
* l - длина рабочего участка между деформационными швами.
4.1. Комплекты ограждений должны приниматься отделом технического контроля предприятия-изготовителя партиями. Партией следует считать комплекты ограждений одной марки, изготовленные по одной технологии.
4.2. Для контроля размеров и внешнего вида элементов ограждений и качества их антикоррозионного покрытия из каждой партии отбирают не менее 5 комплектов.
4.3. При получении неудовлетворительных результатов контроля хотя бы по одному из показателей, устанавливаемых настоящим стандартом, по этому показателю проводят повторный контроль на удвоенном числе комплектов, отобранных из той же партии.
Если при повторной проверке окажется хотя бы один комплект, не удовлетворяющий требованиям настоящего стандарта, то всю партию подвергают поштучной приемке.
4.4. Потребитель имеет право проводить контрольную проверку соответствия комплектов ограждений требованиям настоящего стандарта, соблюдая при этом приведенный порядок отбора комплектов и применяя указанные методы контроля.
4.5. Элементы ограждений, не соответствующие требованиям настоящего стандарта, подлежат выбраковке.
4.6. Комплекты элементов ограждений, указанные в табл. 7-10, подлежат приемо-сдаточной проверке, во время которой должна быть подтверждена правильность их комплектации и упаковки.
4.7. На принятые комплекты должно быть оформлено свидетельство о приемке.
5.1. Качество поверхности и внешний вид элементов ограждений, отобранных для контроля, определяют визуальным сравнением с образцами-эталонами, утвержденными в установленном порядке.
5.2. Качество стали и сварочных материалов должно быть удостоверено сертификатами предприятий-поставщиков или данными лаборатории предприятия-изготовителя ограждений.
5.3. Контроль качества сварных швов и их размеров следует проводить в соответствии со СНиП III-18-75.
5.4. Линейные размеры элементов ограждений контролируют рулеткой 2-го класса по ГОСТ 7502-80, металлической линейкой по ГОСТ 427-75 и штангенциркулем по ГОСТ 166-60.
5.5. Отклонение секций балки СБ-1-СБ-4 от прямолинейности проверяют измерением металлической линейкой по ГОСТ 427-75 зазора между поверхностью контролируемой балки и струной, закрепленной на ее концах.
5.6. Кривизну секций балки СБ-5, СБ-6 и концевого элемента определяют по шаблонам.
5.7. Контроль качества защитных покрытий от коррозии - по СНиП 3.04.03-85.
6.1. Все элементы ограждений, указанные в п. 1.4, кроме световозвращающих элементов, следует отправлять потребителю в связках без упаковки, световозвращающие элементы, крепежные изделия и паспорт комплекта со свидетельством о приемке - в упаковке.
6.2. Маркировка, наносимая на металлический, пластмассовый или деревянный ярлык, прикрепляемый к связке (упаковке), должна содержать:
наименование или товарный знак предприятия-изготовителя;
марку ограждения;
число элементов в связке (упаковке);
массу связки (упаковки);
номер связки (упаковки);
клеймо (штамп) отдела технического контроля предприятия-изготовителя.
6.3. Каждый комплект ограждений должен сопровождаться документом, содержащим:
наименование и товарный знак предприятия-изготовителя;
наименование потребителя;
номер знака;
марку ограждения;
число связок и упаковок с указанием массы каждой связки и упаковки;
штамп отдела технического контроля предприятия-изготовителя.
Подкладки под нижний ряд связок должны быть толщиной не менее 50 мм, шириной не менее 200 мм и уложены по ровному основанию через 1000 мм.
Прокладки между связками должны быть толщиной не менее 20 мм и шириной не менее 200 мм.
6.5. При транспортировании связок секций балок необходимо обеспечивать их укладку с опиранием на деревянные подкладки и прокладки согласно п. 6.4.
6.6. Условия транспортирования ограждений при воздействии климатических факторов - Ж1, условия хранения - Ж2 по ГОСТ 15150-69.
7.1. Монтаж ограждений групп 11МО и 11МД следует выполнять в соответствии с требованиями СНиП III-18-75, ограждений групп 11ДО и 11ДД - в соответствии с требованиями СНиП 3.06.03-85.
7.2. Крепление консоли жесткой к стойкам СД-1 следует выполнять без шайб. При этом головка болта должна находиться внутри консоли.
СОДЕРЖАНИЕ