
ГОСУДАРСТВЕННЫЙ СТАНДАРТ СОЮЗА ССР
ОКНА ДЕРЕВЯННЫЕ
ДЛЯ ПРОИЗВОДСТВЕННЫХ ЗДАНИЙ
Типы, конструкция и размеры
ГОСТ 12506-81
ИПК ИЗДАТЕЛЬСТВО СТАНДАРТОВ
Москва
ГОСУДАРСТВЕННЫЙ СТАНДАРТ СОЮЗА ССР
|
ОКНА ДЕРЕВЯННЫЕ ДЛЯ ПРОИЗВОДСТВЕННЫХ ЗДАНИЙ Типы, конструкция и размеры Wooden windows for industrial buildings. |
ГОСТ |
Дата введения 01.01.84
Настоящий стандарт распространяется на деревянные окна, предназначенные для заполнения проемов в производственных и вспомогательных зданиях промышленных и сельскохозяйственных предприятий.
Окна, представленные в настоящем стандарте, рассчитаны на ветровую нагрузку 850 Н/м2 (85 кгс/м2).
1.1. В зависимости от способа открывания окна, изготовляемые по настоящему стандарту, подразделяют на серии:
В - открывающиеся внутрь помещения;
Н - открывающиеся наружу;
Г - глухие (неоткрывающиеся).
1.2. Окна серий В и Н состоят из коробок, переплетов и остекления, серии Г - из коробок и остекления.
Окна серий В и Н представляют собой одинарную конструкцию с одним рядом остекления или спаренную конструкцию с двумя рядами остекления.
Окна серии Г представляют собой одинарную конструкцию с одним рядом остекления.
1.3. Окна серий Н и Г следует применять только в одноэтажных зданиях, а серии В - в одно- и многоэтажных зданиях.
1.4. Заполнение проемов должно производиться: в зданиях промышленных предприятий одним или несколькими оконными блоками по высоте и ширине проема, а в зданиях сельскохозяйственных предприятий по высоте одним, а по ширине - одним или несколькими оконными блоками.
Примерные схемы заполнения оконных проемов приведены:
с простеночным остеклением для зданий промышленных предприятий - в приложении 1;
с ленточным остеклением для зданий промышленных предприятий в приложении 2;
с простеночным остеклением для зданий сельскохозяйственных предприятий - в приложении 3.
1.5. В зданиях промышленных предприятий для заполнения проемов высотой более 18 М (М = 100 мм) и шириной 30 М должны применяться оконные блоки с шириной деталей коробки 124 мм.
1.6. На чертежах настоящего стандарта указаны размеры в миллиметрах неокрашенных деталей и изделий.
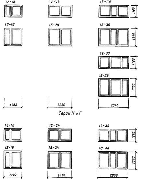
1.7. Габаритные размеры окон для зданий промышленных предприятий указаны на черт. 1, а для зданий сельскохозяйственных предприятий - на черт. 2.
1.8. Устанавливают следующую структуру условного обозначения (марки) окон:

Примеры условных обозначений:
Окно для зданий промышленных предприятий, открывающееся внутрь помещения, спаренной конструкции, высотой 18 и шириной 30 дм, при ширине деталей коробки 124 мм:
ПВД 18-30.2 ГОСТ 12506-81
То же, с левым расположением узкой створки:
ПВД 18-30.21 ГОСТ 12506-81
Окно для зданий промышленных предприятий, открывающееся наружу, одинарной конструкции, высотой 12 и шириной 24 дм, при ширине деталей коробки 94 мм:
ПНО 12-24.1 ГОСТ 12506-81
То же, неоткрывающееся (глухое), высотой 12 и шириной 18 дм:
ПГ 12-18 ГОСТ 12506-81
Окно для зданий сельскохозяйственных предприятий неоткрывающееся (глухое), высотой 6 и шириной 12 дм:
СГ 6-12 ГОСТ 12506-81
То же, с жалюзийной решеткой:
СГ 6-12 Ж ГОСТ 12506-81
Окно для зданий сельскохозяйственных предприятий, открывающееся внутрь помещения, одинарной конструкции, высотой 12 и шириной 18 дм:
СВО 12-18 ГОСТ 12506-81
То же, спаренной конструкции:
СВД 12-18 ГОСТ 12506-81
Габаритные размеры окон для зданий промышленных предприятий
Черт. 1
Примечания:
1. Схемы окон изображены со стороны фасада.
2. Цифры над схемами означают размеры окон в модулях.
3. Схемы заполнения переплетами показаны для окон серии Н.
Габаритные размеры окон для зданий сельскохозяйственных предприятий
Черт. 2
Примечания см. на черт. 1.
2.1. Окна должны изготовляться в соответствии с требованиями ГОСТ 23166 и настоящего стандарта по рабочим чертежам, утвержденным в установленном порядке.
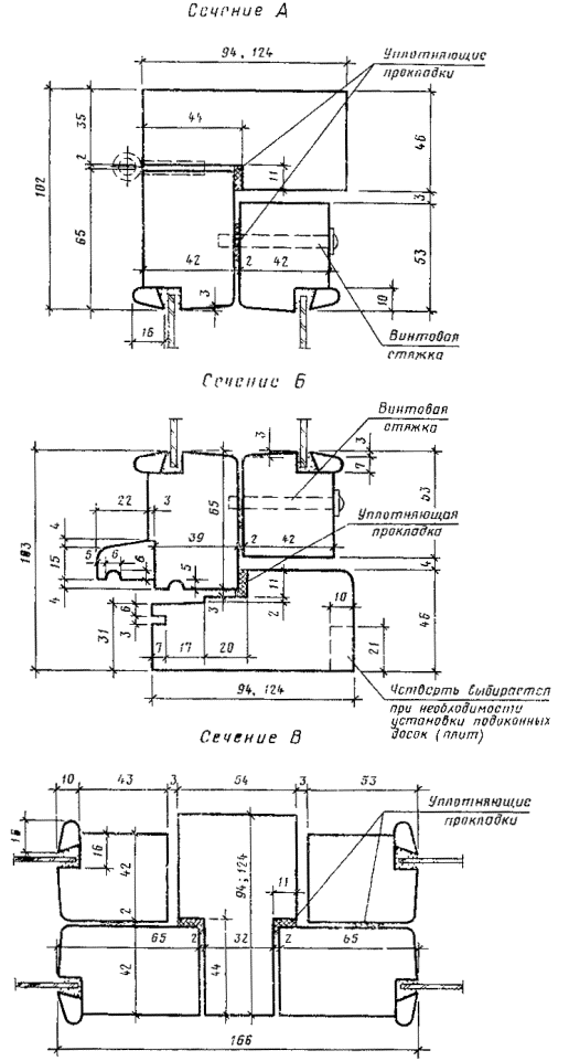
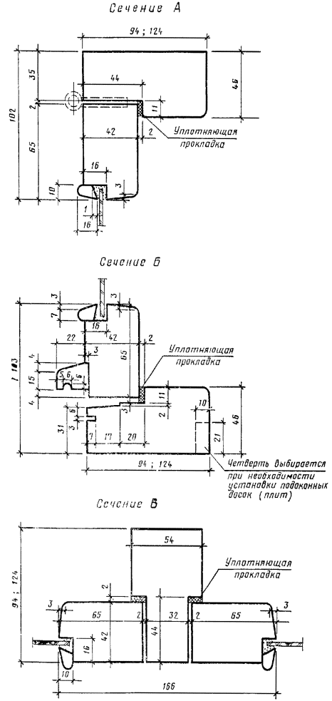
2.2. Конструкция, форма, основные размеры и марки окон серии В для зданий промышленных предприятий должны соответствовать указанным на черт. 3, а для сельскохозяйственных предприятий - на черт. 4. Форма и размеры сечений деталей окон серии В с одинарным остеклением указаны на черт. 5, а с двойным остеклением - на черт. 6.
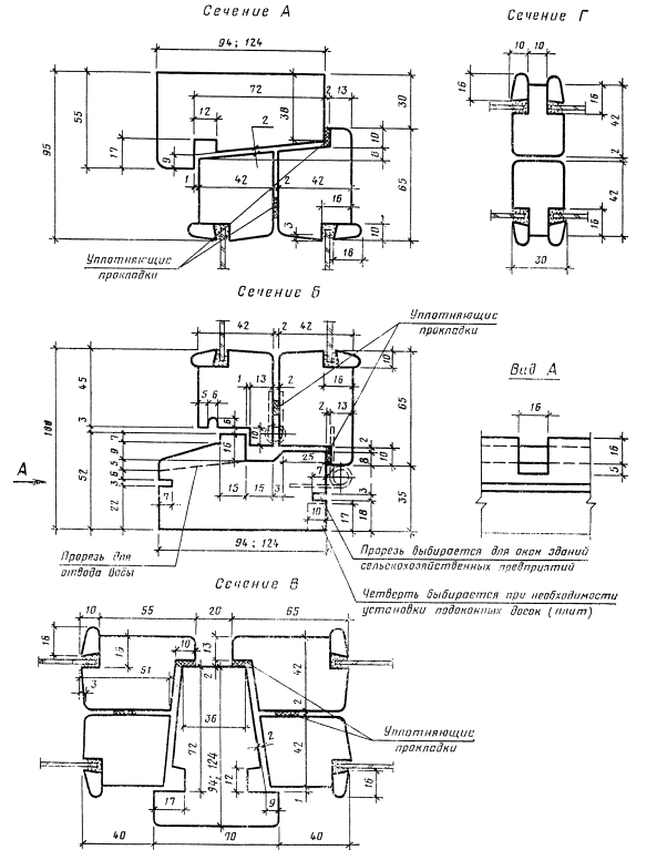
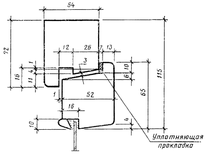
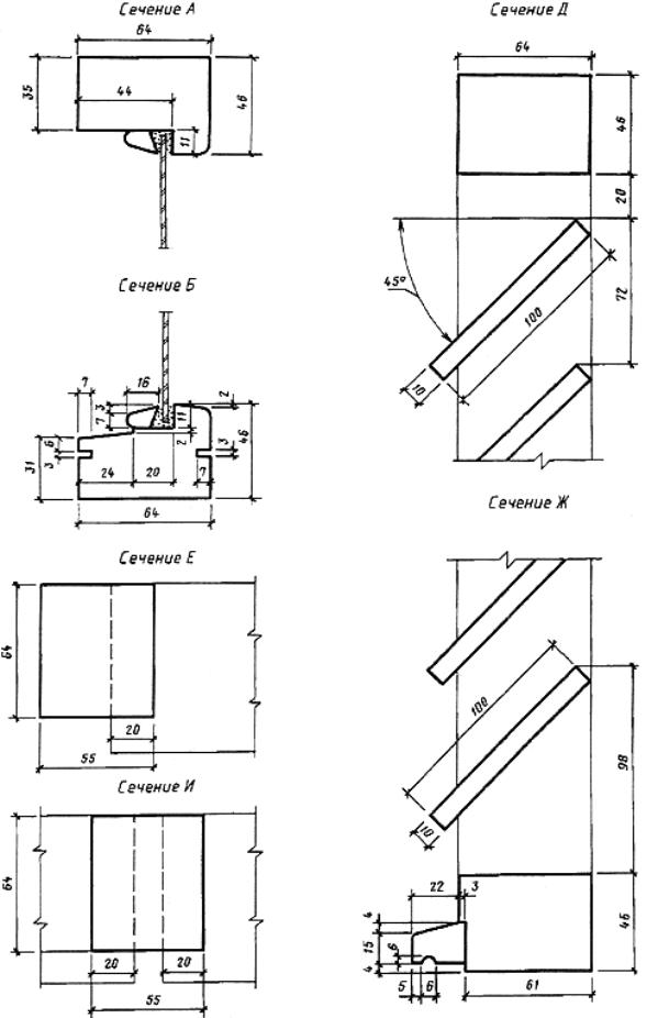
2.3. Конструкция, форма, основные размеры и марки окон серии Н для зданий промышленных предприятий должны соответствовать указанным на черт. 7 и 8. Форма и размеры сечений деталей окон серии Н с одинарным остеклением указаны на черт. 9, а с двойным остеклением на черт. 10.
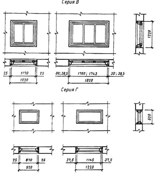
2.4. Конструкция, форма, основные размеры и марки окон серии Г для зданий промышленных предприятий должны соответствовать указанным на черт. 11, а для сельскохозяйственных предприятий - на черт. 12. Форма и размеры сечений деталей окон серии Г для зданий промышленных предприятий указаны на черт. 13, а для зданий сельскохозяйственных предприятий - на черт. 14.
2.5. Навеска створок должна осуществляться по схемам, указанным на черт. 3, 4, 7 и 8.
2.6. Петли, угольники, запорные приборы и винтовые стяжки окон должны удовлетворять ГОСТ 5088, ГОСТ 5091и ГОСТ 5090.
Расположение приборов приведено в приложении 4.
2.7. Уплотнение притворов окон должно производиться пенополиуретановыми прокладками по ГОСТ 10174, а места их крепления указаны на чертежах сечений деталей.
2.8. В нижних брусках коробок окон серии В спаренной конструкции должны устраиваться прорези для отвода дождевой воды, располагаемые на расстоянии 50 мм от вертикальных брусков коробок.
2.9. Для остекления окон следует применять стекло по ГОСТ 111.
Спецификации стекол для окон приведены в приложениях 5 и 6.
Конструкция, форма, основные размеры и марки окон
Черт. 3
Для зданий сельскохозяйственных предприятий
Черт. 4
Серия В
С одинарным остеклением
Сечение А
Сечение Б

Сечение Г

Черт. 5
Серия В
С двойным остеклением
Черт. 6
Конструкция, форма, основные размеры и марки окон
Серия Н
Для зданий промышленных предприятий
Черт. 7
Черт. 8
Серия Н
С одинарным остеклением
Черт. 9
Серия Н
С двойным остеклением
Черт. 10
Конструкция, форма, основные размеры и марки окон
Черт. 11
Для зданий сельскохозяйственных предприятий
Черт. 12
Для зданий промышленных предприятий
Черт. 13
Для зданий сельскохозяйственных предприятий
Черт. 14




Черт. 1
Примечание:
В окнах ПВД 12-18.1; ПВД 18-18.1; ПНД 12-18.1; ПНД 18-18.1 завертки устанавливаются только при отсутствии механизмов открывания.
Серия В


Черт. 2
Серия Н


Черт. 3
|
Марка окна |
Размеры в мм |
Количество |
||
|
высота |
ширина |
толщина |
||
|
Для зданий промышленных предприятий |
||||
|
ПВД 12-18.1 |
980 980 |
1025 450 |
4 3 |
2 2 |
|
ПВД 12-24.1 |
980 |
1025 |
4 |
4 |
|
ПВД 12-30.1 |
980 980 |
1025 450 |
4 3 |
4 2 |
|
ПВД 12-30.1П |
980 980 |
1025 450 |
4 3 |
4 2 |
|
ПВД 12-30.2 |
980 980 |
1025 450 |
4 3 |
4 2 |
|
ПВД 12-30.2П |
980 980 |
1025 450 |
4 3 |
4 2 |
|
ПВД 18-18.1 |
1580 1580 |
1025 450 |
4 3 |
2 2 |
|
ПВД 18-24.1 |
1580 |
1025 |
4 |
4 |
|
ПВД 18-30.1 |
1580 |
1025 450 |
4 3 |
4 2 |
|
ПВД 18-30.1П |
1580 1580 |
1025 450 |
4 3 |
4 2 |
|
ПВД 18-30.2 |
1580 1580 |
1025 450 |
4 3 |
4 2 |
|
ПВД 18-30.2П |
1580 1580 |
1025 450 |
4 3 |
4 2 |
|
Для зданий сельскохозяйственных предприятий |
||||
|
СВО 9-12 |
630 |
475 |
3 |
2 |
|
СВО 9-18 |
630 |
500 |
3 |
3 |
|
СВО 12-12 |
930 |
475 |
3 |
2 |
|
СВО 12-18 |
930 |
500 |
3 |
3 |
|
СВД 9-12 |
680 |
500 |
3 |
4 |
|
СВД 9-18 |
680 |
525 |
3 |
6 |
|
СВД 12-12 |
980 |
500 |
3 |
4 |
|
СВД 12-18 |
980 |
525 |
3 |
6 |
|
Марка окна |
Размеры в мм |
Количество |
||
|
высота |
ширина |
толщина |
||
|
Для зданий промышленных предприятий |
||||
|
ПНО 12-18.1 |
980 980 |
1025 425 |
4 3 |
1 1 |
|
ПНО 12-24.1 |
980 |
1025 |
4 |
2 |
|
ПНО 12-30.1 |
980 980 |
1025 425 |
4 3 |
2 1 |
|
ПНО 12-30.2 |
980 980 |
1025 425 |
4 3 |
2 1 |
|
ПНО 18-18.1 |
1580 1580 |
1025 425 |
4 3 |
1 1 |
|
ПНО 18-24.1 |
1580 |
1025 |
4 |
2 |
|
ПНО 18-30.1 |
1580 1580 |
1025 425 |
4 3 |
2 1 |
|
ПНО 18-30.2 |
1580 1580 |
1025 425 |
4 3 |
2 1 |
|
ПНД 12-18.1 |
980 980 |
1025 425 |
4 3 |
2 2 |
|
ПНД 12-24.1 |
980 |
1025 |
4 |
4 |
|
ПНД 12-30.1 |
980 980 |
1025 425 |
4 3 |
4 2 |
|
ПНД 12-30.2 |
980 980 |
1025 425 |
4 3 |
4 2 |
|
ПНД 18-18.1 |
1580 1580 |
1025 425 |
4 3 |
2 2 |
|
Для зданий промышленных и сельскохозяйственных предприятий |
||||
|
ПНД 18-24.1 |
1580 |
1025 |
4 |
4 |
|
ПНД 18-30.1 |
1580 1580 |
1025 425 |
4 3 |
4 2 |
|
ПНД 18-30.2 |
1580 1580 |
1025 425 |
4 3 |
4 2 |
|
ПГО 12-18.1 |
1095 1095 |
1140 540 |
4 4 |
1 1 |
|
ПГО 12-24.1 |
1095 |
1140 |
4 |
2 |
|
ПГО 12-30.1 |
1095 1095 |
1140 540 |
4 4 |
2 1 |
|
ПГО 12-30.2 |
1095 1095 |
1140 540 |
4 4 |
2 1 |
|
ПГО 18-18.1 |
1695 1695 |
1140 540 |
4 4 |
1 |
|
ПГО 18-24.1 |
1695 |
1140 |
4 |
2 |
|
ПГО 18-30.1 |
1695 1695 |
1140 540 |
4 4 |
2 1 |
|
ПГО 18-30.2 |
1695 1695 |
1140 540 |
4 4 |
2 1 |
|
СГО 6-9 |
495 |
795 |
3 |
1 |
|
СГО 6-12 |
495 |
1070 |
3. |
1 |
СОДЕРЖАНИЕ