ПРАВИЛА
УСТРОЙСТВА ЭЛЕКТРОУСТАНОВОК
ПУЭ
Издание седьмое
В книге приведены требования к устройству электрической части освещения зданий, помещений и сооружений различного назначения, открытых пространств и улиц, а также требования к устройству рекламного освещения. Содержатся требования к электрооборудованию жилых и общественных зданий, зрелищных предприятий, клубных учреждений, спортивных сооружений.
Книга рассчитана на инженерно-технический персонал, занятый проектированием, монтажом и эксплуатацией установок электрического освещения, а также электрооборудования специальных установок.
УТВЕРЖДЕНЫ
Приказом Минэнерго России
От 08.07.2002 № 204
1.1.1. Правила устройства электроустановок (ПУЭ) распространяются на вновь сооружаемые и реконструируемые электроустановки постоянного и переменного тока напряжением до 750 кВ, в том числе на специальные электроустановки, рассмотренные в разд. 7 настоящих Правил.
Устройство специальных электроустановок, не рассмотренных в разд. 7, должно регламентироваться другими нормативными документами. Отдельные требования настоящих Правил могут применяться для таких электроустановок в той мере, в какой они по исполнению и условиям работы аналогичны электроустановкам, рассмотренным в настоящих Правилах.
Требования настоящих Правил рекомендуется применять для действующих электроустановок, если это повышает надежность электроустановки или если ее модернизация направлена на обеспечение требований безопасности.
По отношению к реконструируемым электроустановкам требования настоящих Правил распространяются лишь на реконструируемую часть электроустановок.
1.1.2. ПУЭ разработаны с учетом обязательности проведения в условиях эксплуатации планово-предупредительных и профилактических испытаний, ремонтов электроустановок и их электрооборудования.
1.1.3. Электроустановка - совокупность машин, аппаратов, линий и вспомогательного оборудования (вместе с сооружениями и помещениями, в которых они установлены), предназначенных для производства, преобразования, трансформации, передачи, распределения электрической энергии и преобразования ее в другие виды энергии.
1.1.4. Открытые или наружные электроустановки - электроустановки, не защищенные зданием от атмосферных воздействий.
Электроустановки, защищенные только навесами, сетчатыми ограждениями и т.п., рассматриваются как наружные.
Закрытые или внутренние электроустановки - электроустановки, размещенные внутри здания, защищающего их от атмосферных воздействий.
1.1.5. Электропомещения - помещения или отгороженные (например, сетками) части помещения, в которых расположено электрооборудование, доступное только для квалифицированного обслуживающего персонала.
1.1.6. Сухие помещения - помещения, в которых относительная влажность воздуха не превышает 60 %.
При отсутствии в таких помещениях условий, указанных в 1.1.10-1.1.12, они называются нормальными.
1.1.7. Влажные помещения - помещения, в которых относительная влажность воздуха более 60 %, но не превышает 75 %.
1.1.8. Сырые помещения - помещения, в которых относительная влажность воздуха превышает 75 %.
1.1.9. Особо сырые помещения - помещения, в которых относительная влажность воздуха близка к 100 % (потолок, стены, пол и предметы, находящиеся в помещении, покрыты влагой).
1.1.10. Жаркие помещения - помещения, в которых под воздействием различных тепловых излучений температура постоянно или периодически (более 1 суток) превышает +35 °С (например, помещения с сушилками, обжигательными печами, котельные).
1.1.11. Пыльные помещения - помещения, в которых по условиям производства выделяется технологическая пыль, которая может оседать на токоведущих частях, проникать внутрь машин, аппаратов и т.п.
Пыльные помещения разделяются на помещения с токопроводящей пылью и помещения с нетокопроводящей пылью.
1.1.12. Помещения с химически активной или органической средой - помещения, в которых постоянно или в течение длительного времени содержатся агрессивные пары, газы, жидкости, образуются отложения или плесень, разрушающие изоляцию и токоведущие части электрооборудования.
1.1.13. В отношении опасности поражения людей электрическим током различаются:
1) помещения без повышенной опасности, в которых отсутствуют условия, создающие повышенную или особую опасность (см. пп. 2 и 3);
сырость или токопроводящая пыль (см. 1.1.8 и 1.1.11);
токопроводящие полы (металлические, земляные, железобетонные, кирпичные и т.п.);
высокая температура (см. 1.1.10);
возможность одновременного прикосновения человека к металлоконструкциям зданий, имеющим соединение с землей, технологическим аппаратам, механизмам и т.п., с одной стороны, и к металлическим корпусам электрооборудования (открытым проводящим частям), с другой;
особая сырость (см. 1.1.9);
химически активная или органическая среда (см. 1.1.12);
одновременно два или более условий повышенной опасности (см. 1.1.13, п. 2);
4) территория открытых электроустановок в отношении опасности поражения людей электрическим током приравнивается к особо опасным помещениям.
1.1.14. Квалифицированный обслуживающий персонал - специально подготовленные работники, прошедшие проверку знаний в объеме, обязательном для данной работы (должности), и имеющие группу по электробезопасности, предусмотренную действующими правилами охраны труда при эксплуатации электроустановок.
1.1.15. Номинальное значение параметра - указанное изготовителем значение параметра электротехнического устройства.
1.1.16. Напряжение переменного тока - действующее значение напряжения.
Напряжение постоянного тока - напряжение постоянного тока или напряжение выпрямленного тока с содержанием пульсаций не более 10 % от действующего значения.
1.1.17. Для обозначения обязательности выполнения требований ПУЭ применяются слова «должен», «следует», «необходимо» и производные от них. Слова «как правило» означают, что данное требование является преобладающим, а отступление от него должно быть обосновано. Слово «допускается» означает, что данное решение применяется в виде исключения как вынужденное (вследствие стесненных условий, ограниченных ресурсов необходимого оборудования, материалов и т.п.). Слово «рекомендуется» означает, что данное решение является одним из лучших, но не обязательным. Слово «может» означает, что данное решение является правомерным.
1.1.18. Принятые в ПУЭ нормируемые значения величин с указанием «не менее» являются наименьшими, а с указанием «не более» - наибольшими.
Все значения величин, приведенные в Правилах с предлогами «от» и «до», следует понимать как «включительно».
1.1.19. Применяемые в электроустановках электрооборудование, электротехнические изделия и материалы должны соответствовать требованиям государственных стандартов или технических условий, утвержденных в установленном порядке.
1.1.20. Конструкция, исполнение, способ установки, класс и характеристики изоляции применяемых машин, аппаратов, приборов и прочего электрооборудования, а также кабелей и проводов должны соответствовать параметрам сети или электроустановки, режимам работы, условиям окружающей среды и требованиям соответствующих глав ПУЭ.
1.1.21. Электроустановки и связанные с ними конструкции должны быть стойкими в отношении воздействия окружающей среды или защищенными от этого воздействия.
1.1.22. Строительная и санитарно-техническая части электроустановок (конструкция здания и его элементов, отопление, вентиляция, водоснабжение и пр.) должны выполняться в соответствии с действующими строительными нормами и правилами (СНиП) при обязательном выполнении дополнительных требований, приведенных в ПУЭ.
1.1.23. Электроустановки должны удовлетворять требованиям действующих нормативных документов об охране окружающей природной среды по допустимым уровням шума, вибрации, напряженностей электрического и магнитного полей, электромагнитной совместимости.
1.1.24. Для защиты от влияния электроустановок должны предусматриваться меры в соответствии с требованиями норм допускаемых индустриальных радиопомех и правил защиты устройств связи, железнодорожной сигнализации и телемеханики от опасного и мешающего влияния линий электропередачи.
1.1.25. В электроустановках должны быть предусмотрены сбор и удаление отходов: химических веществ, масла, мусора, технических вод и т.п. В соответствии с действующими требованиями по охране окружающей среды должна быть исключена возможность попадания указанных отходов в водоемы, систему отвода ливневых вод, овраги, а также на территории, не предназначенные для хранения таких отходов.
1.1.26. Проектирование и выбор схем, компоновок и конструкций электроустановок должны производиться на основе технико-экономических сравнений вариантов с учетом требований обеспечения безопасности обслуживания, применения надежных схем, внедрения новой техники, энерго- и ресурсосберегающих технологий, опыта эксплуатации.
1.1.27. При опасности возникновения электрокоррозии или почвенной коррозии должны предусматриваться соответствующие меры по защите сооружений, оборудования, трубопроводов и других подземных коммуникаций.
1.1.28. В электроустановках должна быть обеспечена возможность легкого распознавания частей, относящихся к отдельным элементам (простота и наглядность схем, надлежащее расположение электрооборудования, надписи, маркировка, расцветка).
1.1.29. Для цветового и цифрового обозначения отдельных изолированных или неизолированных проводников должны быть использованы цвета и цифры в соответствии с ГОСТ Р 50462 «Идентификация проводников по цветам или цифровым обозначениям».
Проводники защитного заземления во всех электроустановках, а также нулевые защитные проводники в электроустановках напряжением до 1 кВ с глухозаземленной нейтралью, в т.ч. шины, должны иметь буквенное обозначение РЕ и цветовое обозначение чередующимися продольными или поперечными полосами одинаковой ширины (для шин от 15 до 100 мм) желтого и зеленого цветов.
Нулевые рабочие (нейтральные) проводники обозначаются буквой N и голубым цветом. Совмещенные нулевые защитные и нулевые рабочие проводники должны иметь буквенное обозначение PEN и цветовое обозначение: голубой цвет по всей длине и желто-зеленые полосы на концах.
1.1.30. Буквенно-цифровые и цветовые обозначения одноименных шин в каждой электроустановке должны быть одинаковыми.
Шины должны быть обозначены:
1) при переменном трехфазном токе: шины фазы А - желтым, фазы В - зеленым, фазы С - красным цветами;
2) при переменном однофазном токе шина В, присоединенная к концу обмотки источника питания, - красным цветом, шина А, присоединенная к началу обмотки источника питания, - желтым цветом.
Шины однофазного тока, если они являются ответвлением от шин трехфазной системы, обозначаются как соответствующие шины трехфазного тока;
3) при постоянном токе: положительная шина (+) - красным цветом, отрицательная (-) - синим и нулевая рабочая М - голубым цветом.
Цветовое обозначение должно быть выполнено по всей длине шин, если оно предусмотрено также для более интенсивного охлаждения или антикоррозионной защиты.
Допускается выполнять цветовое обозначение не по всей длине шин, только цветовое или только буквенно-цифровое обозначение либо цветовое в сочетании с буквенно-цифровым в местах присоединения шин. Если неизолированные шины недоступны для осмотра в период, когда они находятся под напряжением, то допускается их не обозначать. При этом не должен снижаться уровень безопасности и наглядности при обслуживании электроустановки.
1.1.31. При расположении шин «плашмя» или «на ребро» в распределительных устройствах (кроме комплектных сборных ячеек одностороннего обслуживания (КСО) и комплектных распределительных устройств (КРУ) 6-10 кВ, а также панелей 0,4-0,69 кВ заводского изготовления) необходимо соблюдать следующие условия:
1. В распределительных устройствах напряжением 6-220 кВ при переменном трехфазном токе сборные и обходные шины, а также все виды секционных шин должны располагаться:
а) при горизонтальном расположении:
одна под другой: сверху вниз А-В-С;
одна за другой, наклонно или треугольником: наиболее удаленная шина А, средняя - В, ближайшая к коридору обслуживания - С;
б) при вертикальном расположении (в одной плоскости или треугольником):
слева направо А-В-С или наиболее удаленная шина А, средняя - В, ближайшая к коридору обслуживания - С;
в) ответвления от сборных шин, если смотреть на шины из коридора обслуживания (при наличии трех коридоров - из центрального):
при горизонтальном расположении: слева направо А-В-С;
при вертикальном расположении (в одной плоскости или треугольником): сверху вниз А-В-С.
2. В пяти- и четырехпроводных цепях трехфазного переменного тока в электроустановках напряжением до 1 кВ расположение шин должно быть следующим:
при горизонтальном расположении:
одна под другой: сверху вниз A-B-C-N-PE (PEN);
одна за другой: наиболее удаленная шина А, затем фазы B-C-N, ближайшая к коридору обслуживания - РЕ (PEN);
при вертикальном расположении: слева направо A-B-C-N-PE (PEN) или наиболее удаленная шина А, затем фазы B-C-N, ближайшая к коридору обслуживания - РЕ (PEN);
ответвления от сборных шин, если смотреть на шины из коридора обслуживания:
при горизонтальном расположении: слева направо A-B-C-N-PE (PEN);
при вертикальном расположении: A-B-C-N-PE (PEN) сверху вниз.
3. При постоянном токе шины должны располагаться:
сборные шины при вертикальном расположении: верхняя М, средняя (-), нижняя (+);
сборные шины при горизонтальном расположении: наиболее удаленная М, средняя (-) и ближайшая (+), если смотреть на шины из коридора обслуживания;
ответвления от сборных шин: левая шина М, средняя (-), правая (+), если смотреть на шины из коридора обслуживания.
В отдельных случаях допускаются отступления от требований, приведенных в пп. 1-3, если их выполнение связано с существенным усложнением электроустановок (например, вызывает необходимость установки специальных опор вблизи подстанции для транспозиции проводов воздушных линий электропередачи - ВЛ) или если на подстанции применяются две или более ступени трансформации.
1.1.32. Электроустановки по условиям электробезопасности разделяются на электроустановки напряжением до 1 кВ и электроустановки напряжением выше 1 кВ (по действующему значению напряжения).
Безопасность обслуживающего персонала и посторонних лиц должна обеспечиваться выполнением мер защиты, предусмотренных в гл. 1.7, а также следующих мероприятий:
соблюдение соответствующих расстояний до токоведущих частей или путем закрытия, ограждения токоведущих частей;
применение блокировки аппаратов и ограждающих устройств для предотвращения ошибочных операций и доступа к токоведущим частям;
применение предупреждающей сигнализации, надписей и плакатов;
применение устройств для снижения напряженности электрических и магнитных полей до допустимых значений;
использование средств защиты и приспособлений, в том числе для защиты от воздействия электрического и магнитного полей в электроустановках, в которых их напряженность превышает допустимые нормы.
1.1.33. В электропомещениях с установками напряжением до 1 кВ допускается применение неизолированных и изолированных токоведущих частей без защиты от прикосновения, если по местным условиям такая защита не является необходимой для каких-либо иных целей (например, для защиты от механических воздействий). При этом доступные прикосновению части должны располагаться так, чтобы нормальное обслуживание не было сопряжено с опасностью прикосновения к ним.
1.1.34. В жилых, общественных и других помещениях устройства для ограждения и закрытия токоведущих частей должны быть сплошные; в помещениях, доступных только для квалифицированного персонала, эти устройства могут быть сплошные, - сетчатые или дырчатые.
Ограждающие и закрывающие устройства должны быть выполнены так, чтобы снимать или открывать их можно было только при помощи ключей или инструментов.
1.1.35. Все ограждающие и закрывающие устройства должны обладать требуемой (в зависимости от местных условий) механической прочностью. При напряжении выше 1 кВ толщина металлических ограждающих и закрывающих устройств должна быть не менее 1 мм.
1.1.36. Для защиты обслуживающего персонала от поражения электрическим током, от действия электрической дуги и т.п. все электроустановки должны быть снабжены средствами защиты, а также средствами оказания первой помощи в соответствии с действующими правилами применения и испытания средств защиты, используемых в электроустановках.
1.1.37. Пожаро- и взрывобезопасность электроустановок должны обеспечиваться выполнением требований, приведенных в соответствующих главах настоящих Правил.
При сдаче в эксплуатацию электроустановки должны быть снабжены противопожарными средствами и инвентарем в соответствии с действующими положениями.
1.1.38. Вновь сооруженные и реконструированные электроустановки и установленное в них электрооборудование должно быть подвергнуто приемо-сдаточным испытаниям.
1.1.39. Вновь сооруженные и реконструированные электроустановки вводятся в промышленную эксплуатацию только после их приемки согласно действующим положениям.
1.2.1. Настоящая глава Правил распространяется на все системы электроснабжения.
Системы электроснабжения подземных, тяговых и других специальных установок, кроме требований настоящей главы, должны соответствовать также требованиям специальных правил.
1.2.2. Энергетическая система (энергосистема) - совокупность электростанций, электрических и тепловых сетей, соединенных между собой и связанных общностью режимов в непрерывном процессе производства, преобразования, передачи и распределения электрической и тепловой энергии при общем управлении этим режимом.
1.2.3. Электрическая часть энергосистемы - совокупность электроустановок электрических станций и электрических сетей энергосистемы.
1.2.4. Электроэнергетическая система - электрическая часть энергосистемы и питающиеся от нее приемники электрической энергии, объединенные общностью процесса производства, передачи, распределения и потребления электрической энергии.
1.2.5. Электроснабжение - обеспечение потребителей электрической энергией.
Система электроснабжения - совокупность электроустановок, предназначенных для обеспечения потребителей электрической энергией.
Централизованное электроснабжение - электроснабжение потребителей электрической энергии от энергосистемы.
1.2.6. Электрическая сеть - совокупность электроустановок для передачи и распределения электрической энергии, состоящая из подстанций, распределительных устройств, токопроводов, воздушных и кабельных линий электропередачи, работающих на определенной территории.
1.2.7. Приемник электрической энергии (электроприемник) - аппарат, агрегат и др., предназначенный для преобразования электрической энергии в другой вид энергии.
1.2.8. Потребитель электрической энергии - электроприемник или группа электроприемников, объединенных технологическим процессом и размещающихся на определенной территории.
1.2.9. Нормальный режим потребителя электрической энергии - режим, при котором обеспечиваются заданные значения параметров его работы.
Послеаварийный режим - режим, в котором находится потребитель электрической энергии в результате нарушения в системе его электроснабжения до установления нормального режима после локализации отказа.
1.2.10. Независимый источник питания - источник питания, на котором сохраняется напряжение в послеаварийном режиме в регламентированных пределах при исчезновении его на другом или других источниках питания.
К числу независимых источников питания относятся две секции или системы шин одной или двух электростанций и подстанций при одновременном соблюдении следующих двух условий:
1) каждая из секций или систем шин в свою очередь имеет питание от независимого источника питания;
2) секции (системы) шин не связаны между собой или имеют связь, автоматически отключающуюся при нарушении нормальной работы одной из секций (систем) шин.
1.2.11. При проектировании систем электроснабжения и реконструкции электроустановок должны рассматриваться следующие вопросы:
1) перспектива развития энергосистем и систем электроснабжения с учетом рационального сочетания вновь сооружаемых электрических сетей с действующими и вновь сооружаемыми сетями других классов напряжения;
2) обеспечение комплексного централизованного электроснабжения всех потребителей электрической энергии, расположенных в зоне действия электрических сетей, независимо от их принадлежности;
3) ограничение токов КЗ предельными уровнями, определяемыми на перспективу;
4) снижение потерь электрической энергии;
5) соответствие принимаемых решений условиям охраны окружающей среды.
При этом должны рассматриваться в комплексе внешнее и внутреннее электроснабжение с учетом возможностей и целесообразности технологического резервирования.
При решении вопросов резервирования следует учитывать перегрузочную способность элементов электроустановок, а также наличие резерва в технологическом оборудовании.
1.2.12. При решении вопросов развития систем электроснабжения следует учитывать ремонтные, аварийные и послеаварийные режимы.
1.2.13. При выборе независимых взаимно резервирующих источников питания, являющихся объектами энергосистемы, следует учитывать вероятность одновременного зависимого кратковременного снижения или полного исчезновения напряжения на время действия релейной защиты и автоматики при повреждениях в электрической части энергосистемы, а также одновременного длительного исчезновения напряжения на этих источниках питания при тяжелых системных авариях.
1.2.14. Требования 1.2.11-1.2.13 должны быть учтены на всех этапах развития энергосистем и систем электроснабжения.
1.2.15. Проектирование электрических сетей должно осуществляться с учетом вида их обслуживания (постоянное дежурство, дежурство на дому, выездные бригады и др.).
1.2.16. Работа электрических сетей напряжением 2-35 кВ может предусматриваться как с изолированной нейтралью, так и с нейтралью, заземленной через дугогасящий реактор или резистор.
Компенсация емкостного тока замыкания на землю должна применяться при значениях этого тока в нормальных режимах:
в сетях напряжением 3-20 кВ, имеющих железобетонные и металлические опоры на воздушных линиях электропередачи, и во всех сетях напряжением 35 кВ - более 10 А;
в сетях, не имеющих железобетонных и металлических опор на воздушных линиях электропередачи:
более 30 А при напряжении 3-6 кВ;
более 20 А при напряжении 10 кВ;
более 15 А при напряжении 15-20 кВ;
в схемах генераторного напряжения 6-20 кВ блоков генератор-трансформатор - более 5 А.
При токах замыкания на землю более 50 А рекомендуется применение не менее двух заземляющих реакторов.
Работа электрических сетей напряжением 110 кВ может предусматриваться как с глухозаземленной, так с эффективно заземленной нейтралью.
Электрические сети напряжением 220 кВ и выше должны работать только с глухозаземленной нейтралью.
1.2.17. Категории электроприемников по надежности электроснабжения определяются в процессе проектирования системы электроснабжения на основании нормативной документации, а также технологической части проекта.
1.2.18. В отношении обеспечения надежности электроснабжения электроприемники разделяются на следующие три категории.
Электроприемники первой категории - электроприемники, перерыв электроснабжения которых может повлечь за собой опасность для жизни людей, угрозу для безопасности государства, значительный материальный ущерб, расстройство сложного технологического процесса, нарушение функционирования особо важных элементов коммунального хозяйства, объектов связи и телевидения.
Из состава электроприемников первой категории выделяется особая группа электроприемников, бесперебойная работа которых необходима для безаварийного останова производства с целью предотвращения угрозы жизни людей, взрывов и пожаров.
Электроприемники второй категории - электроприемники, перерыв электроснабжения которых приводит к массовому недоотпуску продукции, массовым простоям рабочих, механизмов и промышленного транспорта, нарушению нормальной деятельности значительного количества городских и сельских жителей.
Электроприемники третьей категории - все остальные электроприемники, не подпадающие под определения первой и второй категорий.
1.2.19. Электроприемники первой категории в нормальных режимах должны обеспечиваться электроэнергией от двух независимых взаимно резервирующих источников питания, и перерыв их электроснабжения при нарушении электроснабжения от одного из источников питания может быть допущен лишь на время автоматического восстановления питания.
Для электроснабжения особой группы электроприемников первой категории должно предусматриваться дополнительное питание от третьего независимого взаимно резервирующего источника питания.
В качестве третьего независимого источника питания для особой группы электроприемников и в качестве второго независимого источника питания для остальных электроприемников первой категории могут быть использованы местные электростанции, электростанции энергосистем (в частности, шины генераторного напряжения), предназначенные для этих целей агрегаты бесперебойного питания, аккумуляторные батареи и т.п.
Если резервированием электроснабжения нельзя обеспечить непрерывность технологического процесса или если резервирование электроснабжения экономически нецелесообразно, должно быть осуществлено технологическое резервирование, например, путем установки взаимно резервирующих технологических агрегатов, специальных устройств безаварийного останова технологического процесса, действующих при нарушении электроснабжения.
Электроснабжение электроприемников первой категории с особо сложным непрерывным технологическим процессом, требующим длительного времени на восстановление нормального режима, при наличии технико-экономических обоснований рекомендуется осуществлять от двух независимых взаимно резервирующих источников питания, к которым предъявляются дополнительные требования, определяемые особенностями технологического процесса.
1.2.20. Электроприемники второй категории в нормальных режимах должны обеспечиваться электроэнергией от двух независимых взаимно резервирующих источников питания.
Для электроприемников второй категории при нарушении электроснабжения от одного из источников питания допустимы перерывы электроснабжения на время, необходимое для включения резервного питания действиями дежурного персонала или выездной оперативной бригады.
1.2.21. Для электроприемников третьей категории электроснабжение может выполняться от одного источника питания при условии, что перерывы электроснабжения, необходимые для ремонта или замены поврежденного элемента системы электроснабжения, не превышают 1 суток.
1.2.22. Для электрических сетей следует предусматривать технические мероприятия по обеспечению качества электрической энергии в соответствии с требованиями ГОСТ 13109.
1.2.23. Устройства регулирования напряжения должны обеспечивать поддержание напряжения на шинах напряжением 3-20 кВ электростанций и подстанций, к которым присоединены распределительные сети, в пределах не ниже 105 % номинального в период наибольших нагрузок и не выше 100 % номинального в период наименьших нагрузок этих сетей. Отклонения от указанных уровней напряжения должны быть обоснованы.
1.2.24. Выбор и размещение устройств компенсации реактивной мощности в электрических сетях производятся исходя из необходимости обеспечения требуемой пропускной способности сети в нормальных и послеаварийных режимах при поддержании необходимых уровней напряжения и запасов устойчивости.
1.7.1. Настоящая глава Правил распространяется на все электроустановки переменного и постоянного тока напряжением до 1 кВ и выше и содержит общие требования к их заземлению и защите людей и животных от поражения электрическим током как в нормальном режиме работы электроустановки, так и при повреждении изоляции.
Дополнительные требования приведены в соответствующих главах ПУЭ.
1.7.2. Электроустановки в отношении мер электробезопасности разделяются на:
электроустановки напряжением выше 1 кВ в сетях с глухозаземленной или эффективно заземленной нейтралью (см. 1.2.16);
электроустановки напряжением выше 1 кВ в сетях с изолированной или заземленной через дугогасящий реактор или резистор нейтралью;
электроустановки напряжением до 1 кВ в сетях с глухозаземленной нейтралью;
электроустановки напряжением до 1 кВ в сетях с изолированной нейтралью.
1.7.3. Для электроустановок напряжением до 1 кВ приняты следующие обозначения:
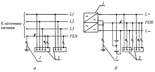
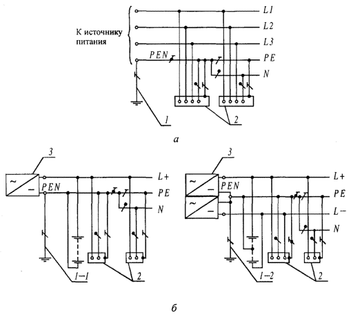
система TN - система, в которой нейтраль источника питания глухо заземлена, а открытые проводящие части электроустановки присоединены к глухозаземленной нейтрали источника посредством нулевых защитных проводников;
Рис. 1.7.1. Система TN-C переменного (а) и постоянного (б) тока. Нулевой защитный и нулевой рабочий проводники совмещены в одном проводнике:
1 - заземлитель нейтрали (средней точки) источника питания; 2 - открытые проводящие части; 3 - источник питания постоянного тока
система TN-С - система TN, в которой нулевой защитный и нулевой рабочий проводники совмещены в одном проводнике на всем ее протяжении (рис. 1.7.1);
система TN-S - система TN, в которой нулевой защитный и нулевой рабочий проводники разделены на всем ее протяжении (рис. 1.7.2);
система TN-C-S - система TN, в которой функции нулевого защитного и нулевого рабочего проводников совмещены в одном проводнике в какой-то ее части, начиная от источника питания (рис. 1.7.3);
система IT - система, в которой нейтраль источника питания изолирована от земли или заземлена через приборы или устройства, имеющие большое сопротивление, а открытые проводящие части электроустановки заземлены (рис. 1.7.4);
система ТТ - система, в которой нейтраль источника питания глухо заземлена, а открытые проводящие части электроустановки заземлены при помощи заземляющего устройства, электрически независимого от глухозаземленной нейтрали источника (рис. 1.7.5).
Первая буква - состояние нейтрали источника питания относительно земли:
Т - заземленная нейтраль;
I - изолированная нейтраль.
Рис. 1.7.2. Система TN-S переменного (а) и постоянного (б) тока.
Нулевой защитный и нулевой рабочий проводники разделены:
1 - заземлитель нейтрали источника переменного тока; 1-1 - заземлитель вывода источника постоянного тока; 1-2 - заземлитель средней точки источника постоянного тока; 2 - открытые проводящие части; 3 - источник питания
Вторая буква - состояние открытых проводящих частей относительно земли:
Т - открытые проводящие части заземлены, независимо от отношения к земле нейтрали источника питания или какой-либо точки питающей сети;
N - открытые проводящие части присоединены к глухозаземленной нейтрали источника питания.
Последующие (после N) буквы - совмещение в одном проводнике или разделение функций нулевого рабочего и нулевого защитного проводников:
S - нулевой рабочий (N) и нулевой защитный (РЕ) проводники разделены;
Рис. 1.7.3. Система TN-C-S переменного (а) и постоянного (б) тока. Нулевой защитный и нулевой рабочий проводники совмещены в одном проводнике в части системы:
1 - заземлитель нейтрали источника переменного тока; 1-1 - заземлитель вывода источника постоянного тока; 1-2 - заземлитель средней точки источника постоянного тока; 2 - открытые проводящие части, 3 - источник питания
С - функции нулевого защитного и нулевого рабочего проводников совмещены в одном проводнике (PEN-проводник);
N -
- нулевой рабочий (нейтральный) проводник;
РЕ -
- защитный проводник (заземляющий проводник, нулевой
защитный проводник, защитный проводник системы уравнивания потенциалов);
PEN -
- совмещенный нулевой защитный и нулевой рабочий
проводники.

Рис. 1.7.4. Система IT переменного (а) и постоянного (б) тока. Открытые проводящие части электроустановки заземлены. Нейтраль источника питания изолирована от земли или заземлена через большое сопротивление:
1 - сопротивление заземления нейтрали источника питания (если имеется); 2 - заземлитель; 3 - открытые проводящие части; 4 - заземляющее устройство электроустановки; 5 - источник питания
1.7.4. Электрическая сеть с эффективно заземленной нейтралью - трехфазная электрическая сеть напряжением выше 1 кВ, в которой коэффициент замыкания на землю не превышает 1,4.
Коэффициент замыкания на землю в трехфазной электрической сети - отношение разности потенциалов между неповрежденной фазой и землей в точке замыкания на землю другой или двух других фаз к разности потенциалов между фазой и землей в этой точке до замыкания.
Рис. 1.7.5. Система ТТ переменного (а) и постоянного (б) тока. Открытые проводящие части электроустановки заземлены при помощи заземления, электрически независимого от заземлителя нейтрали:
1 - заземлитель нейтрали источника переменного тока; 1-1 - заземлитель вывода источника постоянного тока; 1-2 - заземлитель средней точки источника постоянного тока; 2 - открытые проводящие части; 3 - заземлитель открытых проводящих частей электроустановки; 4 - источник питания
1.7.5. Глухозаземленная нейтраль - нейтраль трансформатора или генератора, присоединенная непосредственно к заземляющему устройству. Глухозаземленным может быть также вывод источника однофазного переменного тока или полюс источника постоянного тока в двухпроводных сетях, а также средняя точка в трехпроводных сетях постоянного тока.
1.7.6. Изолированная нейтраль - нейтраль трансформатора или генератора, неприсоединенная к заземляющему устройству или присоединенная к нему через большое сопротивление приборов сигнализации, измерения, защиты и других аналогичных им устройств.
1.7.7. Проводящая часть - часть, которая может проводить электрический ток.
1.7.8. Токоведущая часть - проводящая часть электроустановки, находящаяся в процессе ее работы под рабочим напряжением, в том числе нулевой рабочий проводник (но не PEN-проводник).
1.7.9. Открытая проводящая часть - доступная прикосновению проводящая часть электроустановки, нормально не находящаяся под напряжением, но которая может оказаться под напряжением при повреждении основной изоляции.
1.7.10. Сторонняя проводящая часть - проводящая часть, не являющаяся частью электроустановки.
1.7.11. Прямое прикосновение - электрический контакт людей или животных с токоведущими частями, находящимися под напряжением.
1.7.12. Косвенное прикосновение - электрический контакт людей или животных с открытыми проводящими частями, оказавшимися под напряжением при повреждении изоляции.
1.7.13. Защита от прямого прикосновения - защита для предотвращения прикосновения к токоведущим частям, находящимся под напряжением.
1.7.14. Защита при косвенном прикосновении - защита от поражения электрическим током при прикосновении к открытым проводящим частям, оказавшимся под напряжением при повреждении изоляции.
Термин повреждение изоляции следует понимать как единственное повреждение изоляции.
1.7.15. Заземлитель - проводящая часть или совокупность соединенных между собой проводящих частей, находящихся в электрическом контакте с землей непосредственно или через промежуточную проводящую среду.
1.7.16. Искусственный заземлитель - заземлитель, специально выполняемый для целей заземления.
1.7.17. Естественный заземлитель - сторонняя проводящая часть, находящаяся в электрическом контакте с землей непосредственно или через промежуточную проводящую среду, используемая для целей заземления.
1.7.18. Заземляющий проводник - проводник, соединяющий заземляемую часть (точку) с заземлителем.
1.7.19. Заземляющее устройство - совокупность заземлителя и заземляющих проводников.
1.7.20. Зона нулевого потенциала (относительная земля) - часть земли, находящаяся вне зоны влияния какого-либо заземлителя, электрический потенциал которой принимается равным нулю.
1.7.21. Зона растекания (локальная земля) - зона земли между заземлителем и зоной нулевого потенциала.
Термин земля, используемый в главе, следует понимать как земля в зоне растекания.
1.7.22. Замыкание на землю - случайный электрический контакт между токоведущими частями, находящимися под напряжением, и землей.
1.7.23. Напряжение на заземляющем устройстве - напряжение, возникающее при стекании тока с заземлителя в землю между точкой ввода тока в заземлитель и зоной нулевого потенциала.
1.7.24. Напряжение прикосновения - напряжение между двумя проводящими частями или между проводящей частью и землей при одновременном прикосновении к ним человека или животного.
Ожидаемое напряжение прикосновения - напряжение между одновременно доступными прикосновению проводящими частями, когда человек или животное их не касается.
1.7.25. Напряжение шага - напряжение между двумя точками на поверхности земли, на расстоянии 1 м одна от другой, которое принимается равным длине шага человека.
1.7.26. Сопротивление заземляющего устройства - отношение напряжения на заземляющем устройстве к току, стекающему с заземлителя в землю.
1.7.27. Эквивалентное удельное сопротивление земли с неоднородной структурой - удельное электрическое сопротивление земли с однородной структурой, в которой сопротивление заземляющего устройства имеет то же значение, что и в земле с неоднородной структурой.
Термин удельное сопротивление, используемый в главе для земли с неоднородной структурой, следует понимать как эквивалентное удельное сопротивление.
1.7.28. Заземление - преднамеренное электрическое соединение какой-либо точки сети, электроустановки или оборудования с заземляющим устройством.
1.7.29. Защитное заземление - заземление, выполняемое в целях электробезопасности.
1.7.30. Рабочее (функциональное) заземление - заземление точки или точек токоведущих частей электроустановки, выполняемое для обеспечения работы электроустановки (не в целях электробезопасности).
1.7.31. Защитное зануление в электроустановках напряжением до 1 кВ - преднамеренное соединение открытых проводящих частей с глухозаземленной нейтралью генератора или трансформатора в сетях трехфазного тока, с глухозаземленным выводом источника однофазного тока, с заземленной точкой источника в сетях постоянного тока, выполняемое в целях электробезопасности.
1.7.32. Уравнивание потенциалов - электрическое соединение проводящих частей для достижения равенства их потенциалов.
Защитное уравнивание потенциалов - уравнивание потенциалов, выполняемое в целях электробезопасности.
Термин уравнивание потенциалов, используемый в главе, следует понимать как защитное уравнивание потенциалов.
1.7.33. Выравнивание потенциалов - снижение разности потенциалов (шагового напряжения) на поверхности земли или пола при помощи защитных проводников, проложенных в земле, в полу или на их поверхности и присоединенных к заземляющему устройству, или путем применения специальных покрытий земли.
1.7.34. Защитный (РЕ) проводник - проводник, предназначенный для целей электробезопасности.
Защитный заземляющий проводник - защитный проводник, предназначенный для защитного заземления.
Защитный проводник уравнивания потенциалов - защитный проводник, предназначенный для защитного уравнивания потенциалов.
Нулевой защитный проводник - защитный проводник в электроустановках до 1 кВ, предназначенный для присоединения открытых проводящих частей к глухозаземленной нейтрали источника питания.
1.7.35. Нулевой рабочий (нейтральный) проводник (N) - проводник в электроустановках до 1 кВ, предназначенный для питания электроприемников и соединенный с глухозаземленной нейтралью генератора или трансформатора в сетях трехфазного тока, с глухозаземленным выводом источника однофазного тока, с глухозаземленной точкой источника в сетях постоянного тока.
1.7.36. Совмещенные нулевой защитный и нулевой рабочий (PEN) проводники - проводники в электроустановках напряжением до 1 кВ, совмещающие функции нулевого защитного и нулевого рабочего проводников.
1.7.37. Главная заземляющая шина - шина, являющаяся частью заземляющего устройства электроустановки до 1 кВ и предназначенная для присоединения нескольких проводников с целью заземления и уравнивания потенциалов.
1.7.38. Защитное автоматическое отключение питания - автоматическое размыкание цепи одного или нескольких фазных проводников (и, если требуется, нулевого рабочего проводника), выполняемое в целях электробезопасности.
Термин автоматическое отключение питания, используемый в главе, следует понимать как защитное автоматическое отключение питания.
1.7.39. Основная изоляция - изоляция токоведущих частей, обеспечивающая в том числе защиту от прямого прикосновения.
1.7.40. Дополнительная изоляция - независимая изоляция в электроустановках напряжением до 1 кВ, выполняемая дополнительно к основной изоляции для защиты при косвенном прикосновении.
1.7.41. Двойная изоляция - изоляция в электроустановках напряжением до 1 кВ, состоящая из основной и дополнительной изоляций.
1.7.42. Усиленная изоляция - изоляция в электроустановках напряжением до 1 кВ, обеспечивающая степень защиты от поражения электрическим током, равноценную двойной изоляции.
1.7.43. Сверхнизкое (малое) напряжение (СНН) - напряжение, не превышающее 50 В переменного и 120 В постоянного тока.
1.7.44. Разделительный трансформатор - трансформатор, первичная обмотка которого отделена от вторичных обмоток при помощи защитного электрического разделения цепей.
1.7.45. Безопасный разделительный трансформатор - разделительный трансформатор, предназначенный для питания цепей сверхнизким напряжением.
1.7.46. Защитный экран - проводящий экран, предназначенный для отделения электрической цепи и/или проводников от токоведущих частей других цепей.
1.7.47. Защитное электрическое разделение цепей - отделение одной электрической цепи от других цепей в электроустановках напряжением до 1 кВ с помощью:
двойной изоляции;
основной изоляции и защитного экрана;
усиленной изоляции.
1.7.48. Непроводящие (изолирующие) помещения, зоны, площадки - помещения, зоны, площадки, в которых (на которых) защита при косвенном прикосновении обеспечивается высоким сопротивлением пола и стен и в которых отсутствуют заземленные проводящие части.
1.7.49. Токоведущие части электроустановки не должны быть доступны для случайного прикосновения, а доступные прикосновению открытые и сторонние проводящие части не должны находиться под напряжением, представляющим опасность поражения электрическим током как в нормальном режиме работы электроустановки, так и при повреждении изоляции.
1.7.50. Для защиты от поражения электрическим током в нормальном режиме должны быть применены по отдельности или в сочетании следующие меры защиты от прямого прикосновения:
основная изоляция токоведущих частей;
ограждения и оболочки;
установка барьеров;
размещение вне зоны досягаемости;
применение сверхнизкого (малого) напряжения.
Для дополнительной защиты от прямого прикосновения в электроустановках напряжением до 1 кВ, при наличии требований других глав ПУЭ, следует применять устройства защитного отключения (УЗО) с номинальным отключающим дифференциальным током не более 30 мА.
1.7.51. Для защиты от поражения электрическим током в случае повреждения изоляции должны быть применены по отдельности или в сочетании следующие меры защиты при косвенном прикосновении:
защитное заземление;
автоматическое отключение питания;
уравнивание потенциалов;
выравнивание потенциалов;
двойная или усиленная изоляция;
сверхнизкое (малое) напряжение;
защитное электрическое разделение цепей;
изолирующие (непроводящие) помещения, зоны, площадки.
1.7.52. Меры защиты от поражения электрическим током должны быть предусмотрены в электроустановке или ее части либо применены к отдельным электроприемникам и могут быть реализованы при изготовлении электрооборудования, либо в процессе монтажа электроустановки, либо в обоих случаях.
Применение двух и более мер защиты в электроустановке не должно оказывать взаимного влияния, снижающего эффективность каждой из них.
1.7.53. Защиту при косвенном прикосновении следует выполнять во всех случаях, если напряжение в электроустановке превышает 50 В переменного и 120 В постоянного тока.
В помещениях с повышенной опасностью, особо опасных и в наружных установках выполнение защиты при косвенном прикосновении может потребоваться при более низких напряжениях, например, 25 В переменного и 60 В постоянного тока или 12 В переменного и 30 В постоянного тока при наличии требований соответствующих глав ПУЭ.
Защита от прямого прикосновения не требуется, если электрооборудование находится в зоне системы уравнивания потенциалов, а наибольшее рабочее напряжение не превышает 25 В переменного или 60 В постоянного тока в помещениях без повышенной опасности и 6 В переменного или 15 В постоянного тока - во всех случаях.
Примечание. Здесь и далее в главе напряжение переменного тока означает среднеквадратичное значение напряжения переменного тока; напряжение постоянного тока - напряжение постоянного или выпрямленного тока с содержанием пульсаций не более 10 % от среднеквадратичного значения.
1.7.54. Для заземления электроустановок могут быть использованы искусственные и естественные заземлители. Если при использовании естественных заземлителей сопротивление заземляющих устройств или напряжение прикосновения имеет допустимое значение, а также обеспечиваются нормированные значения напряжения на заземляющем устройстве и допустимые плотности токов в естественных заземлителях, выполнение искусственных заземлителей в электроустановках до 1 кВ не обязательно. Использование естественных заземлителей в качестве элементов заземляющих устройств не должно приводить к их повреждению при протекании по ним токов короткого замыкания или к нарушению работы устройств, с которыми они связаны.
1.7.55. Для заземления в электроустановках разных назначений и напряжений, территориально сближенных, следует, как правило, применять одно общее заземляющее устройство.
Заземляющее устройство, используемое для заземления электроустановок одного или разных назначений и напряжений, должно удовлетворять всем требованиям, предъявляемым к заземлению этих электроустановок: защиты людей от поражения электрическим током при повреждении изоляции, условиям режимов работы сетей, защиты электрооборудования от перенапряжения и т.д. в течение всего периода эксплуатации.
В первую очередь должны быть соблюдены требования, предъявляемые к защитному заземлению.
Заземляющие устройства защитного заземления электроустановок зданий и сооружений и молниезащиты 2-й и 3-й категорий этих зданий и сооружений, как правило, должны быть общими.
При выполнении отдельного (независимого) заземлителя для рабочего заземления по условиям работы информационного или другого чувствительного к воздействию помех оборудования должны быть приняты специальные меры защиты от поражения электрическим током, исключающие одновременное прикосновение к частям, которые могут оказаться под опасной разностью потенциалов при повреждении изоляции.
Для объединения заземляющих устройств разных электроустановок в одно общее заземляющее устройство могут быть использованы естественные и искусственные заземляющие проводники. Их число должно быть не менее двух.
1.7.56. Требуемые значения напряжений прикосновения и сопротивления заземляющих устройств при стекании с них токов замыкания на землю и токов утечки должны быть обеспечены при наиболее неблагоприятных условиях в любое время года.
При определении сопротивления заземляющих устройств должны быть учтены искусственные и естественные заземлители.
При определении удельного сопротивления земли в качестве расчетного следует принимать его сезонное значение, соответствующее наиболее неблагоприятным условиям.
Заземляющие устройства должны быть механически прочными, термически и динамически стойкими к токам замыкания на землю.
1.7.57. Электроустановки напряжением до 1 кВ жилых, общественных и промышленных зданий и наружных установок должны, как правило, получать питание от источника с глухозаземленной нейтралью с применением системы TN.
Для защиты от поражения электрическим током при косвенном прикосновении в таких электроустановках должно быть выполнено автоматическое отключение питания в соответствии с 1.7.78-1.7.79.
Требования к выбору систем TN-C, TN-S, TN-C-S для конкретных электроустановок приведены в соответствующих главах Правил.
1.7.58. Питание электроустановок напряжением до 1 кВ переменного тока от источника с изолированной нейтралью с применением системы IT следует выполнять, как правило, при недопустимости перерыва питания при первом замыкании на землю или на открытые проводящие части, связанные с системой уравнивания потенциалов. В таких электроустановках для защиты при косвенном прикосновении при первом замыкании на землю должно быть выполнено защитное заземление в сочетании с контролем изоляции сети или применены УЗО с номинальным отключающим дифференциальным током не более 30 мА. При двойном замыкании на землю должно быть выполнено автоматическое отключение питания в соответствии с 1.7.81.
1.7.59. Питание электроустановок напряжением до 1 кВ от источника с глухозаземленной нейтралью и с заземлением открытых проводящих частей при помощи заземлителя, не присоединенного к нейтрали (система 77), допускается только в тех случаях, когда условия электробезопасности в системе TN не могут быть обеспечены. Для защиты при косвенном прикосновении в таких электроустановках должно быть выполнено автоматическое отключение питания с обязательным применением УЗО. При этом должно быть соблюдено условие:
RаIа <50 В,
где Iа - ток срабатывания защитного устройства;
Rа - суммарное сопротивление заземлителя и заземляющего проводника, при применении УЗО для защиты нескольких электроприемников - заземляющего проводника наиболее удаленного электроприемника.
1.7.60. При применении защитного автоматического отключения питания должна быть выполнена основная система уравнивания потенциалов в соответствии с 1.7.82, а при необходимости также дополнительная система уравнивания потенциалов в соответствии с 1.7.83.
1.7.61. При применении системы TN рекомендуется выполнять повторное заземление РЕ- и PEN-проводников на вводе в электроустановки зданий, а также в других доступных местах. Для повторного заземления в первую очередь следует использовать естественные заземлители. Сопротивление заземлителя повторного заземления не нормируется.
Внутри больших и многоэтажных зданий аналогичную функцию выполняет уравнивание потенциалов посредством присоединения нулевого защитного проводника к главной заземляющей шине.
Повторное заземление электроустановок напряжением до 1 кВ, получающих питание по воздушным линиям, должно выполняться в соответствии с 1.7.102-1.7.103.
1.7.62. Если время автоматического отключения питания не удовлетворяет условиям 1.7.78-1.7.79 для системы TN и 1.7.81 для системы IT, то защита при косвенном прикосновении для отдельных частей электроустановки или отдельных электроприемников может быть выполнена применением двойной или усиленной изоляции (электрооборудование класса II), сверхнизкого напряжения (электрооборудование класса III), электрического разделения цепей изолирующих (непроводящих) помещений, зон, площадок.
1.7.63. Система IT напряжением до 1 кВ, связанная через трансформатор с сетью напряжением выше 1 кВ, должна быть защищена пробивным предохранителем от опасности, возникающей при повреждении изоляции между обмотками высшего и низшего напряжений трансформатора. Пробивной предохранитель должен быть установлен в нейтрали или фазе на стороне низкого напряжения каждого трансформатора.
1.7.64. В электроустановках напряжением выше 1 кВ с изолированной нейтралью для защиты от поражения электрическим током должно быть выполнено защитное заземление открытых проводящих частей.
В таких электроустановках должна быть предусмотрена возможность быстрого обнаружения замыканий на землю. Защита от замыканий на землю должна устанавливаться с действием на отключение по всей электрически связанной сети в тех случаях, в которых это необходимо по условиям безопасности (для линий, питающих передвижные подстанции и механизмы, торфяные разработки и т.п.).
1.7.65. В электроустановках напряжением выше 1 кВ с эффективно заземленной нейтралью для защиты от поражения электрическим током должно быть выполнено защитное заземление открытых проводящих частей.
1.7.66. Защитное зануление в системе TN и защитное заземление в системе IT электрооборудования, установленного на опорах ВЛ (силовые и измерительные трансформаторы, разъединители, предохранители, конденсаторы и другие аппараты), должно быть выполнено с соблюдением требований, приведенных в соответствующих главах ПУЭ, а также в настоящей главе.
Сопротивление заземляющего устройства опоры ВЛ, на которой установлено электрооборудование, должно соответствовать требованиям гл. 2.4 и 2.5.
1.7.67. Основная изоляция токоведущих частей должна покрывать токоведущие части и выдерживать все возможные воздействия, которым она может подвергаться в процессе ее эксплуатации. Удаление изоляции должно быть возможно только путем ее разрушения. Лакокрасочные покрытия не являются изоляцией, защищающей от поражения электрическим током, за исключением случаев, специально оговоренных техническими условиями на конкретные изделия. При выполнении изоляции во время монтажа она должна быть испытана в соответствии с требованиями гл. 1.8.
В случаях, когда основная изоляция обеспечивается воздушным промежутком, защита от прямого прикосновения к токоведущим частям или приближения к ним на опасное расстояние, в том числе в электроустановках напряжением выше 1 кВ, должна быть выполнена посредством оболочек, ограждений, барьеров или размещением вне зоны досягаемости.
1.7.68. Ограждения и оболочки в электроустановках напряжением до 1 кВ должны иметь степень защиты не менее IP 2X, за исключением случаев, когда большие зазоры необходимы для нормальной работы электрооборудования.
Ограждения и оболочки должны быть надежно закреплены и иметь достаточную механическую прочность.
Вход за ограждение или вскрытие оболочки должны быть возможны только при помощи специального ключа или инструмента либо после снятия напряжения с токоведущих частей. При невозможности соблюдения этих условий должны быть установлены промежуточные ограждения со степенью защиты не менее IP 2Х, удаление которых также должно быть возможно только при помощи специального ключа или инструмента.
1.7.69. Барьеры предназначены для защиты от случайного прикосновения к токоведущим частям в электроустановках напряжением до 1 кВ или приближения к ним на опасное расстояние в электроустановках напряжением выше 1 кВ, но не исключают преднамеренного прикосновения и приближения к токоведущим частям при обходе барьера. Для удаления барьеров не требуется применения ключа или инструмента, однако они должны быть закреплены так, чтобы их нельзя было снять непреднамеренно. Барьеры должны быть из изолирующего материала.
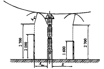
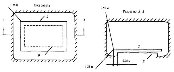
1.7.70. Размещение вне зоны досягаемости для защиты от прямого прикосновения к токоведущим частям в электроустановках напряжением до 1 кВ или приближения к ним на опасное расстояние в электроустановках напряжением выше 1 кВ может быть применено при невозможности выполнения мер, указанных в 1.7.68-1.7.69, или их недостаточности. При этом расстояние между доступными одновременному прикосновению проводящими частями в электроустановках напряжением до 1 кВ должно быть не менее 2,5 м. Внутри зоны досягаемости не должно быть частей, имеющих разные потенциалы и доступных одновременному прикосновению.
В вертикальном направлении зона досягаемости в электроустановках напряжением до 1 кВ должна составлять 2,5 м от поверхности, на которой находятся люди (рис. 1.7.6).
Указанные размеры даны без учета применения вспомогательных средств (например, инструмента, лестниц, длинных предметов).
1.7.71. Установка барьеров и размещение вне зоны досягаемости допускается только в помещениях, доступных квалифицированному персоналу.
1.7.72. В электропомещениях электроустановок напряжением до 1 кВ не требуется защита от прямого прикосновения при одновременном выполнении следующих условий:
эти помещения отчетливо обозначены, и доступ в них возможен только с помощью ключа;
обеспечена возможность свободного выхода из помещения без ключа, даже если оно заперто на ключ снаружи;
минимальные размеры проходов обслуживания соответствуют гл. 4.1.
Рис. 1.7.6. Зона досягаемости в электроустановках до 1 кВ:
S - поверхность, на которой может находиться человек;
В - основание поверхности S;
-
граница зоны досягаемости токоведущих частей рукой человека, находящегося на
поверхности S;
0,75; 1,25; 2,50 м - расстояния от края поверхности S до границы зоны досягаемости
1.7.73. Сверхнизкое (малое) напряжение (СНН) в электроустановках напряжением до 1 кВ может быть применено для защиты от поражения электрическим током при прямом и/или косвенном прикосновениях в сочетании с защитным электрическим разделением цепей или в сочетании с автоматическим отключением питания.
В качестве источника питания цепей СНН в обоих случаях следует применять безопасный разделительный трансформатор в соответствии с ГОСТ 30030 «Трансформаторы разделительные и безопасные разделительные трансформаторы» или другой источник СНН, обеспечивающий равноценную степень безопасности.
Токоведущие части цепей СНН должны быть электрически отделены от других цепей так, чтобы обеспечивалось электрическое разделение, равноценное разделению между первичной и вторичной обмотками разделительного трансформатора.
Проводники цепей СНН, как правило, должны быть проложены отдельно от проводников более высоких напряжений и защитных проводников, либо отделены от них заземленным металлическим экраном (оболочкой), либо заключены в неметаллическую оболочку дополнительно к основной изоляции.
Вилки и розетки штепсельных соединителей в цепях СНН не должны допускать подключение к розеткам и вилкам других напряжений.
Штепсельные розетки должны быть без защитного контакта.
При значениях СНН выше 25 В переменного или 60 В постоянного тока должна быть также выполнена защита от прямого прикосновения при помощи ограждений или оболочек или изоляции, соответствующей испытательному напряжению 500 В переменного тока в течение 1 мин.
1.7.74. При применении СНН в сочетании с электрическим разделением цепей открытые проводящие части не должны быть преднамеренно присоединены к заземлителю, защитным проводникам или открытым проводящим частям других цепей и к сторонним проводящим частям, кроме случая, когда соединение сторонних проводящих частей с электрооборудованием необходимо, а напряжение на этих частях не может превысить значение СНН.
СНН в сочетании с электрическим разделением цепей следует применять, когда при помощи СНН необходимо обеспечить защиту от поражения электрическим током при повреждении изоляции не только в цепи СНН, но и при повреждении изоляции в других цепях, например, в цепи, питающей источник.
При применении СНН в сочетании с автоматическим отключением питания один из выводов источника СНН и его корпус должны быть присоединены к защитному проводнику цепи, питающей источник.
1.7.75. В случаях, когда в электроустановке применено электрооборудование с наибольшим рабочим (функциональным) напряжением, не превышающим 50 В переменного или 120 В постоянного тока, такое напряжение может быть использовано в качестве меры защиты от прямого и косвенного прикосновения, если при этом соблюдены требования 1.7.73-1.7.74.
1.7.76. Требования защиты при косвенном прикосновении распространяются на:
1) корпуса электрических машин, трансформаторов, аппаратов, светильников и т.п.;
2) приводы электрических аппаратов;
3) каркасы распределительных щитов, щитов управления, щитков и шкафов, а также съемных или открывающихся частей, если на последних установлено электрооборудование напряжением выше 50 В переменного или 120 В постоянного тока (в случаях, предусмотренных соответствующими главами ПУЭ - выше 25 В переменного или 60 В постоянного тока);
4) металлические конструкции распределительных устройств, кабельные конструкции, кабельные муфты, оболочки и броню контрольных и силовых кабелей, оболочки проводов, рукава и трубы электропроводки, оболочки и опорные конструкции шинопроводов (токопроводов), лотки, короба, струны, тросы и полосы, на которых укреплены кабели и провода (кроме струн, тросов и полос, по которым проложены кабели с зануленной или заземленной металлической оболочкой или броней), а также другие металлические конструкции, на которых устанавливается электрооборудование;
5) металлические оболочки и броню контрольных и силовых кабелей и проводов на напряжения, не превышающие указанные в 1.7.53, проложенные на общих металлических конструкциях, в том числе в общих трубах, коробах, лотках и т.п., с кабелями и проводами на более высокие напряжения;
6) металлические корпуса передвижных и переносных электроприемников;
7) электрооборудование, установленное на движущихся частях станков, машин и механизмов.
При применении в качестве защитной меры автоматического отключения питания указанные открытые проводящие части должны быть присоединены к глухозаземленной нейтрали источника питания в системе TN и заземлены в системах IT и ТТ.
1.7.77. Не требуется преднамеренно присоединять к нейтрали источника в системе ТN и заземлять в системах IT и ТТ:
1) корпуса электрооборудования и аппаратов, установленных на металлических основаниях: конструкциях, распределительных устройствах, щитах, шкафах, станинах станков, машин и механизмов, присоединенных к нейтрали источника питания или заземленных, при обеспечении надежного электрического контакта этих корпусов с основаниями;
2) конструкции, перечисленные в 1.7.76, при обеспечении надежного электрического контакта между этими конструкциями и установленным на них электрооборудованием, присоединенным к защитному проводнику;
3) съемные или открывающиеся части металлических каркасов камер распределительных устройств, шкафов, ограждений и т.п., если на съемных (открывающихся) частях не установлено электрооборудование или если напряжение установленного электрооборудования не превышает значений, указанных в 1.7.53;
4) арматуру изоляторов воздушных линий электропередачи и присоединяемые к ней крепежные детали;
5) открытые проводящие части электрооборудования с двойной изоляцией;
6) металлические скобы, закрепы, отрезки труб механической защиты кабелей в местах их прохода через стены и перекрытия и другие подобные детали электропроводок площадью до 100 см2, в том числе протяжные и ответвительные коробки скрытых электропроводок.
1.7.78. При выполнении автоматического отключения питания в электроустановках напряжением до 1 кВ все открытые проводящие части должны быть присоединены к глухозаземленной нейтрали источника питания, если применена система TN, и заземлены, если применены системы IT или ТТ. При этом характеристики защитных аппаратов и параметры защитных проводников должны быть согласованы, чтобы обеспечивалось нормированное время отключения поврежденной цепи защитно-коммутационным аппаратом в соответствии с номинальным фазным напряжением питающей сети.
В электроустановках, в которых в качестве защитной меры применено автоматическое отключение питания, должно быть выполнено уравнивание потенциалов.
Для автоматического отключения питания могут быть применены защитно-коммутационные аппараты, реагирующие на сверхтоки или на дифференциальный ток.
1.7.79. В системе TN время автоматического отключения питания не должно превышать значений, указанных в табл. 1.7.1.
Таблица 1.7.1
Наибольшее допустимое время защитного автоматического отключения для системы TN
|
Время отключения, с |
|
|
127 |
0,8 |
|
220 |
0,4 |
|
380 |
0,2 |
|
Более 380 |
0,1 |
Приведенные значения времени отключения считаются достаточными для обеспечения электробезопасности, в том числе в групповых цепях, питающих передвижные и переносные электроприемники и ручной электроинструмент класса 1.
В цепях, питающих распределительные, групповые, этажные и др. щиты и щитки, время отключения не должно превышать 5 с.
Допускаются значения времени отключения более указанных в табл. 1.7.1, но не более 5 с в цепях, питающих только стационарные электроприемники от распределительных щитов или щитков при выполнении одного из следующих условий:
1) полное сопротивление, защитного проводника между главной заземляющей шиной и распределительным щитом или щитком не превышает значения, Ом:
50 Zц/Uо,
где Zц - полное сопротивление цепи «фаза-нуль», Ом;
U0 - номинальное фазное напряжение цепи, В;
50 - падение напряжения на участке защитного проводника между главной заземляющей шиной и распределительным щитом или щитком, В;
2) к шине РЕ распределительного щита или щитка присоединена дополнительная система уравнивания потенциалов, охватывающая те же сторонние проводящие части, что и основная система уравнивания потенциалов.
Допускается применение УЗО, реагирующих на дифференциальный ток.
1.7.80. Не допускается применять УЗО, реагирующие на дифференциальный ток, в четырехпроводных трехфазных цепях (система TN-C). В случае необходимости применения УЗО для защиты отдельных электроприемников, получающих питание от системы TN-C, защитный РЕ-проводник электроприемника должен быть подключен к PEN-проводнику цепи, питающей электроприемник, до защитно-коммутационного аппарата.
1.7.81. В системе IT время автоматического отключения питания при двойном замыкании на открытые проводящие части должно соответствовать табл. 1.7.2.
Таблица 1.7.2
Наибольшее допустимое время защитного автоматического отключения для системы IT
|
Время отключения, с |
|
|
220 |
0,8 |
|
380 |
0,4 |
|
660 |
0,2 |
|
Более 660 |
0,1 |
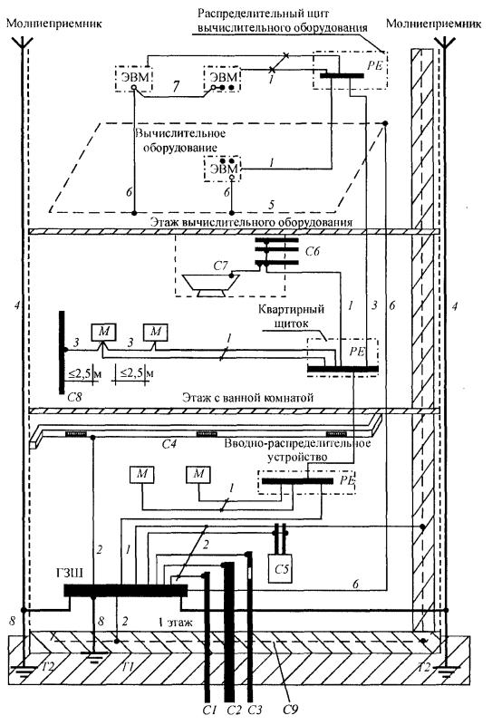
1.7.82. Основная система уравнивания потенциалов в электроустановках до 1 кВ должна соединять между собой следующие проводящие части (рис. 1.7.7):
1) нулевой защитный РЕ- или PEN-проводник питающей линии в системе TN;
2) заземляющий проводник, присоединенный к заземляющему устройству электроустановки, в системах IT и ТТ;
3) заземляющий проводник, присоединенный к заземлителю повторного заземления на вводе в здание (если есть заземлитель);
4) металлические трубы коммуникаций, входящих в здание: горячего и холодного водоснабжения, канализации, отопления, газоснабжения и т.п.
Если трубопровод газоснабжения имеет изолирующую вставку на вводе в здание, к основной системе уравнивания потенциалов присоединяется только та часть трубопровода, которая находится относительно изолирующей вставки со стороны здания;
5) металлические части каркаса здания;
6) металлические части централизованных систем вентиляции и кондиционирования. При наличии децентрализованных систем вентиляции и кондиционирования металлические воздуховоды следует присоединять к шине РЕ щитов питания вентиляторов и кондиционеров;
Рис. 1.7.7. Система уравнивания потенциалов в здании:
М - открытая проводящая часть; С1 - металлические трубы водопровода, входящие в здание; С2 - металлические трубы канализации, входящие в здание; С3 - металлические трубы газоснабжения с изолирующей вставкой на вводе, входящие в здание; С4 - воздуховоды вентиляции и кондиционирования; С5 - система отопления; С6 - металлические водопроводные трубы в ванной комнате; С7 - металлическая ванна; С8 - сторонняя проводящая часть в пределах досягаемости от открытых проводящих частей; С9 - арматура железобетонных конструкций; ГЗШ - главная заземляющая шина; Т1 - естественный заземлитель; Т2 - заземлитель молниезащиты (если имеется); 1 - нулевой защитный проводник; 2 - проводник основной системы уравнивания потенциалов; 3 - проводник дополнительной системы уравнивания потенциалов; 4 - токоотвод системы молниезащиты; 5 - контур (магистраль) рабочего заземления в помещении информационного вычислительного оборудования; 6 - проводник рабочего (функционального) заземления; 7 - проводник уравнивания потенциалов в системе рабочего (функционального) заземления; 8 - заземляющий проводник
7) заземляющее устройство системы молниезащиты 2-й и 3-й категорий;
8) заземляющий проводник функционального (рабочего) заземления, если такое имеется и отсутствуют ограничения на присоединение сети рабочего заземления к заземляющему устройству защитного заземления;
9) металлические оболочки телекоммуникационных кабелей.
Проводящие части, входящие в здание извне, должны быть соединены как можно ближе к точке их ввода в здание.
Для соединения с основной системой уравнивания потенциалов все указанные части должны быть присоединены к главной заземляющей шине (см. 1.7.119-1.7.120) при помощи проводников системы уравнивания потенциалов.
1.7.83. Система дополнительного уравнивания потенциалов должна соединять между собой все одновременно доступные прикосновению открытые проводящие части стационарного электрооборудования и сторонние проводящие части, включая доступные прикосновению металлические части строительных конструкций здания, а также нулевые защитные проводники в системе TN и защитные заземляющие проводники в системах IT и ТТ, включая защитные проводники штепсельных розеток.
Для уравнивания потенциалов могут быть использованы специально предусмотренные проводники либо открытые и сторонние проводящие части, если они удовлетворяют требованиям 1.7.122 к защитным проводникам в отношении проводимости и непрерывности электрической цепи.
1.7.84. Защита при помощи двойной или усиленной изоляции может быть обеспечена применением электрооборудования класса II или заключением электрооборудования, имеющего только основную изоляцию токоведущих частей, в изолирующую оболочку.
Проводящие части оборудования с двойной изоляцией не должны быть присоединены к защитному проводнику и к системе уравнивания потенциалов.
1.7.85. Защитное электрическое разделение цепей следует применять, как правило, для одной цепи.
Наибольшее рабочее напряжение отделяемой цепи не должно превышать 500 В.
Питание отделяемой цепи должно быть выполнено от разделительного трансформатора, соответствующего ГОСТ 30030 «Трансформаторы разделительные и безопасные разделительные трансформаторы», или от другого источника, обеспечивающего равноценную степень безопасности.
Токоведущие части цепи, питающейся от разделительного трансформатора, не должны иметь соединений с заземленными частями и защитными проводниками других цепей.
Проводники цепей, питающихся от разделительного трансформатора, рекомендуется прокладывать отдельно от других цепей. Если это невозможно, то для таких цепей необходимо использовать кабели без металлической оболочки, брони, экрана или изолированные провода, проложенные в изоляционных трубах, коробах и каналах при условии, что номинальное напряжение этих кабелей и проводов соответствует наибольшему напряжению совместно проложенных цепей, а каждая цепь защищена от сверхтоков.
Если от разделительного трансформатора питается только один электроприемник, то его открытые проводящие части не должны быть присоединены ни к защитному проводнику, ни к открытым проводящим частям других цепей.
Допускается питание нескольких электроприемников от одного разделительного трансформатора при одновременном выполнении следующих условий:
1) открытые проводящие части отделяемой цепи не должны иметь электрической связи с металлическим корпусом источника питания;
2) открытые проводящие части отделяемой цепи должны быть соединены между собой изолированными незаземленными проводниками местной системы уравнивания потенциалов, не имеющей соединений с защитными проводниками и открытыми проводящими частями других цепей;
3) все штепсельные розетки должны иметь защитный контакт, присоединенный к местной незаземленной системе уравнивания потенциалов;
4) все гибкие кабели, за исключением питающих оборудование класса II, должны иметь защитный проводник, применяемый в качестве проводника уравнивания потенциалов;
5) время отключения устройством защиты при двухфазном замыкании на открытые проводящие части не должно превышать время, указанное в табл. 1.7.2.
1.7.86. Изолирующие (непроводящие) помещения, зоны и площадки могут быть применены в электроустановках напряжением до 1 кВ, когда требования к автоматическому отключению питания не могут быть выполнены, а применение других защитных мер невозможно либо нецелесообразно.
Сопротивление относительно локальной земли изолирующего пола и стен таких помещений, зон и площадок в любой точке должно быть не менее:
50 кОм при номинальном напряжении электроустановки до 500 В включительно, измеренное мегаомметром на напряжение 500 В;
100 кОм при номинальном напряжении электроустановки более 500 В, измеренное мегаомметром на напряжение 1000 В.
Если сопротивление в какой-либо точке меньше указанных, такие помещения, зоны, площадки не должны рассматриваться в качестве меры защиты от поражения электрическим током.
Для изолирующих (непроводящих) помещений, зон, площадок допускается использование электрооборудования класса 0 при соблюдении, по крайней мере, одного из трех следующих условий:
1) открытые проводящие части удалены одна от другой и от сторонних проводящих частей не менее чем на 2 м. Допускается уменьшение этого расстояния вне зоны досягаемости до 1,25 м;
2) открытые проводящие части отделены от сторонних проводящих частей барьерами из изоляционного материала. При этом расстояния, не менее указанных в пп. 1, должны быть обеспечены с одной стороны барьера;
3) сторонние проводящие части покрыты изоляцией, выдерживающей испытательное напряжение не менее 2 кВ в течение 1 мин.
В изолирующих помещениях (зонах) не должен предусматриваться защитный проводник.
Должны быть предусмотрены меры против заноса потенциала на сторонние проводящие части помещения извне.
Пол и стены таких помещений не должны подвергаться воздействию влаги.
1.7.87. При выполнении мер защиты в электроустановках напряжением до 1 кВ классы применяемого электрооборудования по способу защиты человека от поражения электрическим током по ГОСТ 12.2.007.0 «ССБТ. Изделия электротехнические. Общие требования безопасности» следует принимать в соответствии с табл. 1.7.3.
Таблица 1.7.3
Применение электрооборудования в электроустановках напряжением до 1 кВ
|
Класс по ГОСТ 12.2.007.0 Р МЭК536 |
Маркировка |
Назначение защиты |
Условия применения электрооборудования в электроустановке |
|
Класс 0 |
- |
При косвенном прикосновении |
1. Применение в непроводящих помещениях. 2. Питание от вторичной обмотки разделительного трансформатора только одного электроприемника |
|
Класс I |
Защитный зажим - знак |
При косвенном прикосновении |
Присоединение заземляющего зажима электрооборудования к защитному проводнику электроустановки |
|
Класс II |
Знак |
При косвенном прикосновении |
Независимо от мер защиты, принятых в электроустановке |
|
Класс III |
Знак |
От прямого и косвенного прикосновений |
Питание от безопасного разделительного трансформатора |
1.7.88. Заземляющие устройства электроустановок напряжением выше 1 кВ в сетях с эффективно заземленной нейтралью следует выполнять с соблюдением требований либо к их сопротивлению (см. 1.7.90), либо к напряжению прикосновения (см. 1.7.91), а также с соблюдением требований к конструктивному выполнению (см. 1.7.92-1.7.93) и к ограничению напряжения на заземляющем устройстве (см. 1.7.89). Требования 1.7.89-1.7.93 не распространяются на заземляющие устройства опор ВЛ.
1.7.89. Напряжение на заземляющем устройстве при стекании с него тока замыкания на землю не должно, как правило, превышать 10 кВ. Напряжение выше 10 кВ допускается на заземляющих устройствах, с которых исключен вынос потенциалов за пределы зданий и внешних ограждений электроустановок. При напряжении на заземляющем устройстве более 5 кВ должны быть предусмотрены меры по защите изоляции отходящих кабелей связи и телемеханики и по предотвращению выноса опасных потенциалов за пределы электроустановки.
1.7.90. Заземляющее устройство, которое выполняется с соблюдением требований к его сопротивлению, должно иметь в любое время года сопротивление не более 0,5 Ом с учетом сопротивления естественных и искусственных заземлителей.
В целях выравнивания электрического потенциала и обеспечения присоединения электрооборудования к заземлителю на территории, занятой оборудованием, следует прокладывать продольные и поперечные горизонтальные заземлители и объединять их между собой в заземляющую сетку.
Продольные заземлители должны быть проложены вдоль осей электрооборудования со стороны обслуживания на глубине 0,5-0,7 м от поверхности земли и на расстоянии 0,8-1,0 м от фундаментов или оснований оборудования. Допускается увеличение расстояний от фундаментов или оснований оборудования до 1,5 м с прокладкой одного заземлителя для двух рядов оборудования, если стороны обслуживания обращены друг к другу, а расстояние между основаниями или фундаментами двух рядов не превышает 3,0 м.
Поперечные заземлители следует прокладывать в удобных местах между оборудованием на глубине 0,5-0,7 м от поверхности земли. Расстояние между ними рекомендуется принимать увеличивающимся от периферии к центру заземляющей сетки. При этом первое и последующие расстояния, начиная от периферии, не должны превышать соответственно 4,0; 5,0; 6,0; 7,5; 9,0; 11,0; 13,5; 16,0; 20,0 м. Размеры ячеек заземляющей сетки, примыкающих к местам присоединения нейтралей силовых трансформаторов и короткозамыкателей к заземляющему устройству, не должны превышать 6´6 м.
Горизонтальные заземлители следует прокладывать по краю территории, занимаемой заземляющим устройством так, чтобы они в совокупности образовывали замкнутый контур.
Если контур заземляющего устройства располагается в пределах внешнего ограждения электроустановки, то у входов и въездов на ее территорию следует выравнивать потенциал путем установки двух вертикальных заземлителей, присоединенных к внешнему горизонтальному заземлителю напротив входов и въездов. Вертикальные заземлители должны быть длиной 3-5 м, а расстояние между ними должно быть равно ширине входа или въезда.
1.7.91. Заземляющее устройство, которое выполняется с соблюдением требований, предъявляемых к напряжению прикосновения, должно обеспечивать в любое время года при стекании с него тока замыкания на землю значения напряжений прикосновения, не превышающие нормированных (см. ГОСТ 12.1.038). Сопротивление заземляющего устройства при этом определяется по допустимому напряжению на заземляющем устройстве и току замыкания на землю.
При определении значения допустимого напряжения прикосновения в качестве расчетного времени воздействия следует принимать сумму времени действия защиты и полного времени отключения выключателя. При определении допустимых значений напряжений прикосновения у рабочих мест, где при производстве оперативных переключений могут возникнуть КЗ на конструкции, доступные для прикосновения производящему переключения персоналу, следует принимать время действия резервной защиты, а для остальной территории - основной защиты.
Примечание. Рабочее место следует понимать как место оперативного обслуживания электрических аппаратов.
Размещение продольных и поперечных горизонтальных заземлителей должно определяться требованиями ограничения напряжений прикосновения до нормированных значений и удобством присоединения заземляемого оборудования. Расстояние между продольными и поперечными горизонтальными искусственными заземлителями не должно превышать 30 м, а глубина их заложения в грунт должна быть не менее 0,3 м. Для снижения напряжения прикосновения у рабочих мест в необходимых случаях может быть выполнена подсыпка щебня слоем толщиной 0,1-0,2 м.
В случае объединения заземляющих устройств разных напряжений в одно общее заземляющее устройство напряжение прикосновения должно определяться по наибольшему току короткого замыкания на землю объединяемых ОРУ.
1.7.92. При выполнении заземляющего устройства с соблюдением требований, предъявляемых к его сопротивлению или к напряжению прикосновения, дополнительно к требованиям 1.7.90-1.7.91 следует:
прокладывать заземляющие проводники, присоединяющие оборудование или конструкции к заземлителю, в земле на глубине не менее 0,3 м;
прокладывать продольные и поперечные горизонтальные заземлители (в четырех направлениях) вблизи мест расположения заземляемых нейтралей силовых трансформаторов, короткозамыкателей.
При выходе заземляющего устройства за пределы ограждения электроустановки горизонтальные заземлители, находящиеся вне территории электроустановки, следует прокладывать на глубине не менее 1 м. Внешний контур заземляющего устройства в этом случае рекомендуется выполнять в виде многоугольника с тупыми или скругленными углами.
1.7.93. Внешнюю ограду электроустановок не рекомендуется присоединять к заземляющему устройству.
Если от электроустановки отходят ВЛ 110 кВ и выше, то ограду следует заземлить с помощью вертикальных заземлителей длиной 2-3 м, установленных у стоек ограды по всему ее периметру через 20-50 м. Установка таких заземлителей не требуется для ограды с металлическими стойками и с теми стойками из железобетона, арматура которых электрически соединена с металлическими звеньями ограды.
Для исключения электрической связи внешней ограды с заземляющим устройством расстояние от ограды до элементов заземляющего устройства, расположенных вдоль нее с внутренней, внешней или с обеих сторон, должно быть не менее 2 м. Выходящие за пределы ограды горизонтальные заземлители, трубы и кабели с металлической оболочкой или броней и другие металлические коммуникации должны быть проложены посередине между стойками ограды на глубине не менее 0,5 м. В местах примыкания внешней ограды к зданиям и сооружениям, а также в местах примыкания к внешней ограде внутренних металлических ограждений должны быть выполнены кирпичные или деревянные вставки длиной не менее 1 м.
Питание электроприемников, установленных на внешней ограде, следует осуществлять от разделительных трансформаторов. Эти трансформаторы не допускается устанавливать на ограде. Линия, соединяющая вторичную обмотку разделительного трансформатора с электроприемником, расположенным на ограде, должна быть изолирована от земли на расчетное значение напряжения на заземляющем устройстве.
Если выполнение хотя бы одного из указанных мероприятий невозможно, то металлические части ограды следует присоединить к заземляющему устройству и выполнить выравнивание потенциалов так, чтобы напряжение прикосновения с внешней и внутренней сторон ограды не превышало допустимых значений. При выполнении заземляющего устройства по допустимому сопротивлению с этой целью должен быть проложен горизонтальный заземлитель с внешней стороны ограды на расстоянии 1 м от нее и на глубине 1 м. Этот заземлитель следует присоединять к заземляющему устройству не менее чем в четырех точках.
1.7.94. Если заземляющее устройство электроустановки напряжением выше 1 кВ сети с эффективно заземленной нейтралью соединено с заземляющим устройством другой электроустановки при помощи кабеля с металлической оболочкой или броней или других металлических связей, то для выравнивания потенциалов вокруг указанной другой электроустановки или здания, в котором она размещена, необходимо соблюдение одного из следующих условий:
1) прокладка в земле на глубине 1 м и на расстоянии 1 м от фундамента здания или от периметра территории, занимаемой оборудованием, заземлителя, соединенного с системой уравнивания потенциалов этого здания или этой территории, а у входов и у въездов в здание - укладка проводников на расстоянии 1 и 2 м от заземлителя на глубине 1 и 1,5 м соответственно и соединение этих проводников с заземлителем;
2) использование железобетонных фундаментов в качестве заземлителей в соответствии с 1.7.109, если при этом обеспечивается допустимый уровень выравнивания потенциалов. Обеспечение условий выравнивания потенциалов посредством железобетонных фундаментов, используемых в качестве заземлителей, определяется в соответствии с ГОСТ 12.1.030 «Электробезопасность. Защитное заземление, зануление».
Не требуется выполнение условий, указанных в пп. 1 и 2, если вокруг зданий имеются асфальтовые отмостки, в том числе у входов и у въездов. Если у какого-либо входа (въезда) отмостка отсутствует, у этого входа (въезда) должно быть выполнено выравнивание потенциалов путем укладки двух проводников, как указано в пп. 1, или соблюдено условие по пп. 2. При этом во всех случаях должны выполняться требования 1.7.95.
1.7.95. Во избежание выноса потенциала не допускается питание электроприемников, находящихся за пределами заземляющих устройств электроустановок напряжением выше 1 кВ сети с эффективно заземленной нейтралью, от обмоток до 1 кВ с заземленной нейтралью трансформаторов, находящихся в пределах контура заземляющего устройства электроустановки напряжением выше 1 кВ.
При необходимости питание таких электроприемников может осуществляться от трансформатора с изолированной нейтралью на стороне напряжением до 1 кВ по кабельной линии, выполненной кабелем без металлической оболочки и без брони, или по ВЛ.
При этом напряжение на заземляющем устройстве не должно превышать напряжение срабатывания пробивного предохранителя, установленного на стороне низшего напряжения трансформатора с изолированной нейтралью.
Питание таких электроприемников может также осуществляться от разделительного трансформатора. Разделительный трансформатор и линия от его вторичной обмотки к электроприемнику, если она проходит по территории, занимаемой заземляющим устройством электроустановки напряжением выше 1 кВ, должны иметь изоляцию от земли на расчетное значение напряжения на заземляющем устройстве.
1.7.96. В электроустановках напряжением выше 1 кВ сети с изолированной нейтралью сопротивление заземляющего устройства при прохождении расчетного тока замыкания на землю в любое время года с учетом сопротивления естественных заземлителей должно быть
R £ 250/I,
но не более 10 Ом, где I - расчетный ток замыкания на землю, А.
В качестве расчетного тока принимается:
1) в сетях без компенсации емкостных токов - ток замыкания на землю;
2) в сетях с компенсацией емкостных токов:
для заземляющих устройств, к которым присоединены компенсирующие аппараты, - ток, равный 125 % номинального тока наиболее мощного из этих аппаратов;
для заземляющих устройств, к которым не присоединены компенсирующие аппараты, - ток замыкания на землю, проходящий в данной сети при отключении наиболее мощного из компенсирующих аппаратов.
Расчетный ток замыкания на землю должен быть определен для той из возможных в эксплуатации схем сети, при которой этот ток имеет наибольшее значение.
1.7.97. При использовании заземляющего устройства одновременно для электроустановок напряжением до 1 кВ с изолированной нейтралью должны быть выполнены условия 1.7.104.
При использовании заземляющего устройства одновременно для электроустановок напряжением до 1 кВ с глухозаземленной нейтралью сопротивление заземляющего устройства должно быть не более указанного в 1.7.101 либо к заземляющему устройству должны быть присоединены оболочки и броня не менее двух кабелей на напряжение до или выше 1 кВ или обоих напряжений, при общей протяженности этих кабелей не менее 1 км.
1.7.98. Для подстанций напряжением 6-10/0,4 кВ должно быть выполнено одно общее заземляющее устройство, к которому должны быть присоединены:
1) нейтраль трансформатора на стороне напряжением до 1 кВ;
2) корпус трансформатора;
3) металлические оболочки и броня кабелей напряжением до 1 кВ и выше;
4) открытые проводящие части электроустановок напряжением до 1 кВ и выше;
5) сторонние проводящие части.
Вокруг площади, занимаемой подстанцией, на глубине не менее 0,5 м и на расстоянии не более 1 м от края фундамента здания подстанции или от края фундаментов открыто установленного оборудования должен быть проложен замкнутый горизонтальный заземлитель (контур), присоединенный к заземляющему устройству.
1.7.99. Заземляющее устройство сети напряжением выше 1 кВ с изолированной нейтралью, объединенное с заземляющим устройством сети напряжением выше 1 кВ с эффективно заземленной нейтралью в одно общее заземляющее устройство, должно удовлетворять также требованиям 1.7.89-1.7.90.
1.7.100. В электроустановках с глухозаземленной нейтралью нейтраль генератора или трансформатора трехфазного переменного тока, средняя точка источника постоянного тока, один из выводов источника однофазного тока должны быть присоединены к заземлителю при помощи заземляющего проводника.
Искусственный заземлитель, предназначенный для заземления нейтрали, как правило, должен быть расположен вблизи генератора или трансформатора. Для внутрицеховых подстанций допускается располагать заземлитель около стены здания.
Если фундамент здания, в котором размещается подстанция, используется в качестве естественных заземлителей, нейтраль трансформатора следует заземлять путем присоединения не менее чем к двум металлическим колоннам или к закладным деталям, приваренным к арматуре не менее двух железобетонных фундаментов.
При расположении встроенных подстанций на разных этажах многоэтажного здания заземление нейтрали трансформаторов таких подстанций должно быть выполнено при помощи специально проложенного заземляющего проводника. В этом случае заземляющий проводник должен быть дополнительно присоединен к колонне здания, ближайшей к трансформатору, а его сопротивление учтено при определении сопротивления растеканию заземляющего устройства, к которому присоединена нейтраль трансформатора.
Во всех случаях должны быть приняты меры по обеспечению непрерывности цепи заземления и защите заземляющего проводника от механических повреждений.
Если в PEN-проводнике, соединяющем нейтраль трансформатора или генератора с шиной PEN распределительного устройства напряжением до 1 кВ, установлен трансформатор тока, то заземляющий проводник должен быть присоединен не к нейтрали трансформатора или генератора непосредственно, а к PEN-проводнику, по возможности сразу за трансформатором тока. В таком случае разделение PEN-проводника на РЕ- и N-проводники в системе TN-S должно быть выполнено также за трансформатором тока. Трансформатор тока следует размещать как можно ближе к выводу нейтрали генератора или трансформатора.
1.7.101. Сопротивление заземляющего устройства, к которому присоединены нейтрали генератора или трансформатора или выводы источника однофазного тока, в любое время года должно быть не более 2, 4 и 8 Ом соответственно при линейных напряжениях 660, 380 и 220 В источника трехфазного тока или 380, 220 и 127 В источника однофазного тока. Это сопротивление должно быть обеспечено с учетом использования естественных заземлителей, а также заземлителей повторных заземлений PEN- или РЕ-проводника ВЛ напряжением до 1 кВ при количестве отходящих линий не менее двух. Сопротивление заземлителя, расположенного в непосредственной близости от нейтрали генератора или трансформатора или вывода источника однофазного тока, должно быть не более 15, 30 и 60 Ом соответственно при линейных напряжениях 660, 380 и 220 В источника трехфазного тока или 380, 220 и 127 В источника однофазного тока.
При удельном сопротивлении земли r >100 Ом×м допускается увеличивать указанные нормы в 0,01r раз, но не более десятикратного.
1.7.102. На концах ВЛ или ответвлений от них длиной более 200 м, а также на вводах ВЛ к электроустановкам, в которых в качестве защитной меры при косвенном прикосновении применено автоматическое отключение питания, должны быть выполнены повторные заземления PEN-проводника. При этом в первую очередь следует использовать естественные заземлители, например, подземные части опор, а также заземляющие устройства, предназначенные для грозовых перенапряжений (см. гл. 2.4).
Указанные повторные заземления выполняются, если более частые заземления по условиям защиты от грозовых перенапряжений не требуются.
Повторные заземления PEN-проводника в сетях постоянного тока должны быть выполнены при помощи отдельных искусственных заземлителей, которые не должны иметь металлических соединений с подземными трубопроводами.
Заземляющие проводники для повторных заземлений PEN-проводника должны иметь размеры не менее приведенных в табл. 1.7.4.
Таблица 1.7.4
Наименьшие размеры заземлителей и заземляющих проводников, проложенных в земле
|
Профиль сечения |
Диаметр, мм |
Площадь поперечного сечения, мм |
Толщина стенки, мм |
|
|
Сталь черная |
Круглый: |
|
|
|
|
для вертикальных заземлителей |
16 |
- |
- |
|
|
для горизонтальных заземлителей |
10 |
- |
- |
|
|
Прямоугольный |
- |
100 |
4 |
|
|
Угловой |
- |
100 |
4 |
|
|
Трубный |
32 |
- |
3,5 |
|
|
Сталь оцинкованная |
Круглый: |
|
|
|
|
для вертикальных заземлителей |
12 |
- |
- |
|
|
для горизонтальных заземлителей |
10 |
- |
- |
|
|
Прямоугольный |
- |
75 |
3 |
|
|
Трубный |
25 |
- |
2 |
|
|
Медь |
Круглый |
12 |
- |
- |
|
Прямоугольный |
- |
50 |
2 |
|
|
Трубный |
20 |
- |
2 |
|
|
Канат многопроволочный |
1,8* |
35 |
- |
* Диаметр каждой проволоки.
1.7.103. Общее сопротивление растеканию заземлителей (в том числе естественных) всех повторных заземлений PEN-проводника каждой BЛ в любое время года должно быть не более 5, 10 и 20 Ом соответственно при линейных напряжениях 660, 380 и 220 В источника трехфазного тока или 380, 220 и 127 В источника однофазного тока. При этом сопротивление растеканию заземлителя каждого из повторных заземлений должно быть не более 15, 30 и 60 Ом соответственно при тех же напряжениях.
При удельном сопротивлении земли r >100 Ом×м допускается увеличивать указанные нормы в 0,01r раз, но не более десятикратного.
1.7.104. Сопротивление заземляющего устройства, используемого для защитного заземления открытых проводящих частей, в системе IT должно соответствовать условию:
R £ Uпр/I,
где R - сопротивление заземляющего устройства, Ом;
Uпр - напряжение прикосновения, значение которого принимается равным 50 В (см. также 1.7.53);
I - полный ток замыкания на землю, А.
Как правило, не требуется принимать значение сопротивления заземляющего устройства менее 4 Ом. Допускается сопротивление заземляющего устройства до 10 Ом, если соблюдено приведенное выше условие, а мощность генераторов или трансформаторов не превышает 100 кВ×А, в том числе суммарная мощность генераторов или трансформаторов, работающих параллельно.
1.7.105. Заземляющие устройства электроустановок напряжением выше 1 кВ с эффективно заземленной нейтралью в районах с большим удельным сопротивлением земли, в том числе в районах многолетней мерзлоты, рекомендуется выполнять с соблюдением требований, предъявляемых к напряжению прикосновения (см. 1.7.91).
В скальных структурах допускается прокладывать горизонтальные заземлители на меньшей глубине, чем этого требуют 1.7.91-1.7.93, но не менее чем 0,15 м. Кроме того, допускается не выполнять требуемые 1.7.90 вертикальные заземлители у входов и у въездов.
1.7.106. При сооружении искусственных заземлителей в районах с большим удельным сопротивлением земли рекомендуются следующие мероприятия:
1) устройство вертикальных заземлителей увеличенной длины, если с глубиной удельное сопротивление земли снижается, а естественные углубленные заземлители (например, скважины с металлическими обсадными трубами) отсутствуют;
2) устройство выносных заземлителей, если вблизи (до 2 км) от электроустановки есть места с меньшим удельным сопротивлением земли;
3) укладка в траншеи вокруг горизонтальных заземлителей в скальных структурах влажного глинистого грунта с последующей трамбовкой и засыпкой щебнем до верха траншеи;
4) применение искусственной обработки грунта с целью снижения его удельного сопротивления, если другие способы не могут быть применены или не дают необходимого эффекта.
1.7.107. В районах многолетней мерзлоты, кроме рекомендаций, приведенных в 1.7.106, следует:
1) помещать заземлители в непромерзающие водоемы и талые зоны;
2) использовать обсадные трубы скважин;
3) в дополнение к углубленным заземлителям применять протяженные заземлители на глубине около 0,5 м, предназначенные для работы в летнее время при оттаивании поверхностного слоя земли;
4) создавать искусственные талые зоны.
1.7.108. В электроустановках напряжением выше 1 кВ, а также до 1 кВ с изолированной нейтралью для земли с удельным сопротивлением более 500 Ом×м, если мероприятия, предусмотренные 1.7.105-1.7.107, не позволяют получить приемлемые по экономическим соображениям заземлители, допускается повысить требуемые настоящей главой значения сопротивлений заземляющих устройств в 0,002r раз, где r - эквивалентное удельное сопротивление земли, Ом×м. При этом увеличение требуемых настоящей главой сопротивлений заземляющих устройств должно быть не более десятикратного.
1.7.109. В качестве естественных заземлителей могут быть использованы:
1) металлические и железобетонные конструкции зданий и сооружений, находящиеся в соприкосновении с землей, в том числе железобетонные фундаменты зданий и сооружений, имеющие защитные гидроизоляционные покрытия в неагрессивных, слабоагрессивных и среднеагрессивных средах;
2) металлические трубы водопровода, проложенные в земле;
3) обсадные трубы буровых скважин;
4) металлические шпунты гидротехнических сооружений, водоводы, закладные части затворов и т.п.;
5) рельсовые пути магистральных неэлектрифицированных железных дорог и подъездные пути при наличии преднамеренного устройства перемычек между рельсами;
6) другие находящиеся в земле металлические конструкции и сооружения;
7) металлические оболочки бронированных кабелей, проложенных в земле. Оболочки кабелей могут служить единственными заземлителями при количестве кабелей не менее двух. Алюминиевые оболочки кабелей использовать в качестве заземлителей не допускается.
1.7.110. Не допускается использовать в качестве заземлителей трубопроводы горючих жидкостей, горючих или взрывоопасных газов и смесей и трубопроводов канализации и центрального отопления. Указанные ограничения не исключают необходимости присоединения таких трубопроводов к заземляющему устройству с целью уравнивания потенциалов в соответствии с 1.7.82.
Не следует использовать в качестве заземлителей железобетонные конструкции зданий и сооружений с предварительно напряженной арматурой, однако это ограничение не распространяется на опоры ВЛ и опорные конструкции ОРУ.
Возможность использования естественных заземлителей по условию плотности протекающих по ним токов, необходимость сварки арматурных стержней железобетонных фундаментов и конструкций, приварки анкерных болтов стальных колонн к арматурным стержням железобетонных фундаментов, а также возможность использования фундаментов в сильноагрессивных средах должны быть определены расчетом.
1.7.111. Искусственные заземлители могут быть из черной или оцинкованной стали или медными.
Искусственные заземлители не должны иметь окраски.
Материал и наименьшие размеры заземлителей должны соответствовать приведенным в табл. 1.7.4.
1.7.112. Сечение горизонтальных заземлителей для электроустановок напряжением выше 1 кВ следует выбирать по условию термической стойкости при допустимой температуре нагрева 400 °С (кратковременный нагрев, соответствующий времени действия защиты и отключения выключателя).
В случае опасности коррозии заземляющих устройств следует выполнить одно из следующих мероприятий:
увеличить сечения заземлителей и заземляющих проводников с учетом расчетного срока их службы;
применить заземлители и заземляющие проводники с гальваническим покрытием или медные.
При этом следует учитывать возможное увеличение сопротивления заземляющих устройств, обусловленное коррозией.
Траншеи для горизонтальных заземлителей должны заполняться однородным грунтом, не содержащим щебня и строительного мусора.
Не следует располагать (использовать) заземлители в местах, где земля подсушивается под действием тепла трубопроводов и т.п.
1.7.113. Сечения заземляющих проводников в электроустановках напряжением до 1 кВ должны соответствовать требованиям 1.7.126 к защитным проводникам.
Наименьшие сечения заземляющих проводников, проложенных в земле, должны соответствовать приведенным в табл. 1.7.4.
Прокладка в земле алюминиевых неизолированных проводников не допускается.
1.7.114. В электроустановках напряжением выше 1 кВ сечения заземляющих проводников должны быть выбраны такими, чтобы при протекании по ним наибольшего тока однофазного КЗ в электроустановках с эффективно заземленной нейтралью или тока двухфазного КЗ в электроустановках с изолированной нейтралью температура заземляющих проводников не превысила 400 °С (кратковременный нагрев, соответствующий полному времени действия защиты и отключения выключателя).
1.7.115. В электроустановках напряжением выше 1 кВ с изолированной нейтралью проводимость заземляющих проводников сечением до 25 мм2 по меди или равноценное ему из других материалов должна составлять не менее 1/3 проводимости фазных проводников. Как правило, не требуется применение медных проводников сечением более 25 мм2, алюминиевых - 35 мм2, стальных - 120 мм2.
1.7.116. Для выполнения измерений сопротивления заземляющего устройства в удобном месте должна быть предусмотрена возможность отсоединения заземляющего проводника. В электроустановках напряжением до 1 кВ таким местом, как правило, является главная заземляющая шина. Отсоединение заземляющего проводника должно быть возможно только при помощи инструмента.
1.7.117. Заземляющий проводник, присоединяющий заземлитель рабочего (функционального) заземления к главной заземляющей шине в электроустановках напряжением до 1 кВ, должен иметь сечение не менее: медный - 10 мм2, алюминиевый - 16 мм2, стальной - 75 мм2.
1.7.118. У мест ввода заземляющих
проводников в здания должен быть предусмотрен опознавательный знак ![]()
1.7.119. Главная заземляющая шина может быть выполнена внутри вводного устройства электроустановки напряжением до 1 кВ или отдельно от него.
Внутри вводного устройства в качестве главной заземляющей шины следует использовать шину РЕ.
При отдельной установке главная заземляющая шина должна быть расположена в доступном, удобном для обслуживания месте вблизи вводного устройства.
Сечение отдельно установленной главной заземляющей шины должно быть не менее сечения РЕ (PEN)-проводника питающей линии.
Главная заземляющая шина должна быть, как правило, медной. Допускается применение главной заземляющей шины из стали. Применение алюминиевых шин не допускается.
В конструкции шины должна быть предусмотрена возможность индивидуального отсоединения присоединенных к ней проводников. Отсоединение должно быть возможно только с использованием инструмента.
В местах,
доступных только квалифицированному персоналу (например, щитовых помещениях
жилых домов), главную заземляющую шину следует устанавливать открыто. В местах,
доступных посторонним лицам (например, подъездах или подвалах домов), она
должна иметь защитную оболочку - шкаф или ящик с запирающейся на ключ дверцей.
На дверце или на стене над шиной должен быть нанесен знак
.
1.7.120. Если здание имеет несколько обособленных вводов, главная заземляющая шина должна быть выполнена для каждого вводного устройства. При наличии встроенных трансформаторных подстанций главная заземляющая шина должна устанавливаться возле каждой из них. Эти шины должны соединяться проводником уравнивания потенциалов, сечение которого должно быть не менее половины сечения РЕ (PEN)-проводника той линии среди отходящих от щитов низкого напряжения подстанций, которая имеет наибольшее сечение. Для соединения нескольких главных заземляющих шин могут использоваться сторонние проводящие части, если они соответствуют требованиям 1.7.122 к непрерывности и проводимости электрической цепи.
1.7.121. В качестве РЕ-проводников в электроустановках напряжением до 1 кВ могут использоваться:
1) специально предусмотренные проводники:
жилы многожильных кабелей;
изолированные или неизолированные провода в общей оболочке с фазными проводами;
стационарно проложенные изолированные или неизолированные проводники;
2) открытые проводящие части электроустановок:
алюминиевые оболочки кабелей;
стальные трубы электропроводок;
металлические оболочки и опорные конструкции шинопроводов и комплектных устройств заводского изготовления.
Металлические короба и лотки электропроводок можно использовать в качестве защитных проводников при условии, что конструкцией коробов и лотков предусмотрено такое использование, о чем имеется указание в документации изготовителя, а их расположение исключает возможность механического повреждения;
3) некоторые сторонние проводящие части:
металлические строительные конструкции зданий и сооружений (фермы, колонны и т.п.);
арматура железобетонных строительных конструкций зданий при условии выполнения требований 1.7.122;
металлические конструкции производственного назначения (подкрановые рельсы, галереи, площадки, шахты лифтов, подъемников, элеваторов, обрамления каналов и т.п.).
1.7.122. Использование открытых и сторонних проводящих частей в качестве РЕ-проводников допускается, если они отвечают требованиям настоящей главы к проводимости и непрерывности электрической цепи.
Сторонние проводящие части могут быть использованы в качестве РЕ-проводников, если они, кроме того, одновременно отвечают следующим требованиям:
1) непрерывность электрической цепи обеспечивается либо их конструкцией, либо соответствующими соединениями, защищенными от механических, химических и других повреждений;
2) их демонтаж невозможен, если не предусмотрены меры по сохранению непрерывности цепи и ее проводимости.
1.7.123. Не допускается использовать в качестве РЕ-проводников:
металлические оболочки изоляционных трубок и трубчатых проводов, несущие тросы при тросовой электропроводке, металлорукава, а также свинцовые оболочки проводов и кабелей;
трубопроводы газоснабжения и другие трубопроводы горючих и взрывоопасных веществ и смесей, трубы канализации и центрального отопления;
водопроводные трубы при наличии в них изолирующих вставок.
1.7.124. Нулевые защитные проводники цепей не допускается использовать в качестве нулевых защитных проводников электрооборудования, питающегося по другим цепям, а также использовать открытые проводящие части электрооборудования в качестве нулевых защитных проводников для другого электрооборудования, за исключением оболочек и опорных конструкций шинопроводов и комплектных устройств заводского изготовления, обеспечивающих возможность подключения к ним защитных проводников в нужном месте.
1.7.125. Использование специально предусмотренных защитных проводников для иных целей не допускается.
1.7.126. Наименьшие площади поперечного сечения защитных проводников должны соответствовать табл. 1.7.5.
Площади сечений приведены для случая, когда защитные проводники изготовлены из того же материала, что и фазные проводники. Сечения защитных проводников из других материалов должны быть эквивалентны по проводимости приведенным.
Таблица 1.7.5
Наименьшие сечения защитных проводников
|
Наименьшее сечение защитных проводников, мм |
|
|
S £ 16 |
S |
|
16 < S £ 35 |
16 |
|
S > 35 |
S/2 |
Допускается, при необходимости, принимать сечение защитного проводника менее требуемых, если оно рассчитано по формуле (только для времени отключения £ 5 с):
S ³ I
/k,
где S - площадь поперечного сечения защитного проводника, мм2;
I - ток короткого замыкания, обеспечивающий время отключения поврежденной цепи защитным аппаратом в соответствии с табл. 1.7.1 и 1.7.2 или за время не более 5 с в соответствии с 1.7.79, А;
t - время срабатывания защитного аппарата, с;
k - коэффициент, значение которого зависит от материала защитного проводника, его изоляции, начальной и конечной температур. Значение k для защитных проводников в различных условиях приведены в табл. 1.7.6-1.7.9.
Если при расчете получается сечение, отличное от приведенного в табл. 1.7.5, то следует выбирать ближайшее большее значение, а при получении нестандартного сечения - применять проводники ближайшего большего стандартного сечения.
Значения максимальной температуры при определении сечения защитного проводника не должны превышать предельно допустимых температур нагрева проводников при КЗ в соответствии с гл. 1.4, а для электроустановок во взрывоопасных зонах должны соответствовать ГОСТ 22782.0 «Электрооборудование взрывозащищенное. Общие технические требования и методы испытаний».
1.7.127. Во всех случаях сечение медных защитных проводников, не входящих в состав кабеля или проложенных не в общей оболочке (трубе, коробе, на одном лотке) с фазными проводниками, должно быть не менее:
2,5 мм2 - при наличии механической защиты;
4 мм2 - при отсутствии механической защиты.
Сечение отдельно проложенных защитных алюминиевых проводников должно быть не менее 16 мм2.
1.7.128. В системе TN для обеспечения требований 1.7.88 нулевые защитные проводники рекомендуется прокладывать совместно или в непосредственной близости с фазными проводниками.
Таблица 1.7.6
Значение
коэффициента А для изолированных защитных проводников, не входящих в кабель, и
для неизолированных проводников, касающихся оболочки кабелей
(начальная температура проводника принята равной 30 °С)
|
Материал изоляции |
|||
|
Поливинилхлорид (ПВХ) |
Сшитый полиэтилен, этиленпропиленовая резина |
Бутиловая резина |
|
|
Конечная температура, °С |
160 |
250 |
220 |
|
k проводника: |
|
|
|
|
медного |
143 |
176 |
166 |
|
алюминиевого |
95 |
116 |
110 |
|
стального |
52 |
64 |
60 |
Таблица 1.7.7
Значение коэффициента k для защитного проводника, входящего в многожильный кабель
|
Параметр |
Материал изоляции |
||
|
Поливинилхлорид (ПВХ) |
Сшитый полиэтилен, этиленпропиленовая резина |
Бутиловая резина |
|
|
Начальная температура, °С |
70 |
90 |
85 |
|
Конечная температура, °С |
160 |
250 |
220 |
|
k проводника: |
|
|
|
|
медного |
115 |
143 |
134 |
|
алюминиевого |
76 |
94 |
89 |
Таблица 1.7.8
Значение коэффициента k при использовании в качестве защитного проводника алюминиевой оболочки кабеля
|
Параметр |
Материал изоляции |
||
|
Поливинилхлорид (ПВХ) |
Сшитый полиэтилен, этиленпропиленовая резина |
Бутиловая резина |
|
|
Начальная температура, °С |
60 |
80 |
75 |
|
Конечная температура, °С |
160 |
250 |
220 |
|
k |
81 |
98 |
93 |
Таблица 1.7.9
Значение
коэффициента k для неизолированных
проводников, когда указанные температуры не создают опасности повреждения
находящихся вблизи материалов
(начальная температура проводника принята равной 30 °С)
|
Условия |
Проводники |
|||
|
Проложенные открыто и в специально отведенных местах |
Эксплуатируемые |
|||
|
в нормальной среде |
в пожароопасной среде |
|||
|
Медь |
Максимальная температура, °С |
500* |
200 |
150 |
|
k |
228 |
159 |
138 |
|
|
Алюминий |
Максимальная температура, °С |
300* |
200 |
150 |
|
k |
125 |
105 |
91 |
|
|
Сталь |
Максимальная температура, °С |
500* |
200 |
150 |
|
k |
82 |
58 |
50 |
|
* Указанные температуры допускаются, если они не ухудшают качество соединений.
1.7.129. В местах, где возможно повреждение изоляции фазных проводников в результате искрения между неизолированным нулевым защитным проводником и металлической оболочкой или конструкцией (например, при прокладке проводов в трубах, коробах, лотках), нулевые защитные проводники должны иметь изоляцию, равноценную изоляции фазных проводников.
1.7.130. Неизолированные РЕ-проводники должны быть защищены от коррозии. В местах пересечения РЕ-проводников с кабелями, трубопроводами, железнодорожными путями, в местах их ввода в здания и в других местах, где возможны механические повреждения РЕ-проводников, эти проводники должны быть защищены.
В местах пересечения температурных и осадочных швов должна быть предусмотрена компенсация длины РЕ-проводников.
1.7.131. В многофазных цепях в системе TN для стационарно проложенных кабелей, жилы которых имеют площадь поперечного сечения не менее 10 мм2 по меди или 16 мм2 по алюминию, функции нулевого защитного (РЕ) и нулевого рабочего (N) проводников могут быть совмещены в одном проводнике (PEN-проводник).
1.7.132. Не допускается совмещение функций нулевого защитного и нулевого рабочего проводников в цепях однофазного и постоянного тока. В качестве нулевого защитного проводника в таких цепях должен быть предусмотрен отдельный третий проводник. Это требование не распространяется на ответвления от ВЛ напряжением до 1 кВ к однофазным потребителям электроэнергии.
1.7.133. Не допускается использование сторонних проводящих частей в качестве единственного PEN-проводника.
Это требование не исключает использования открытых и сторонних проводящих частей в качестве дополнительного PEN-проводника при присоединении их к системе уравнивания потенциалов.
1.7.134. Специально предусмотренные PEN-проводники должны соответствовать требованиям 1.7.126 к сечению защитных проводников, а также требованиям гл. 2.1 к нулевому рабочему проводнику.
Изоляция PEN-проводников должна быть равноценна изоляции фазных проводников. Не требуется изолировать шину PEN сборных шин низковольтных комплектных устройств.
1.7.135. Когда нулевой рабочий и нулевой защитный проводники разделены начиная с какой-либо точки электроустановки, не допускается объединять их за этой точкой по ходу распределения энергии. В месте разделения PEN-проводника на нулевой защитный и нулевой рабочий проводники необходимо предусмотреть отдельные зажимы или шины для проводников, соединенные между собой. PEN-проводник питающей линии должен быть подключен к зажиму или шине нулевого защитного РЕ-проводника.
1.7.136. В качестве проводников системы уравнивания потенциалов могут быть использованы открытые и сторонние проводящие части, указанные в 1.7.121, или специально проложенные проводники, или их сочетание.
1.7.137. Сечение проводников основной системы уравнивания потенциалов должно быть не менее половины наибольшего сечения защитного проводника электроустановки, если сечение проводника уравнивания потенциалов при этом не превышает 25 мм2 по меди или равноценное ему из других материалов. Применение проводников большего сечения, как правило, не требуется. Сечение проводников основной системы уравнивания потенциалов в любом случае должно быть не менее: медных - 6 мм2, алюминиевых - 16 мм2, стальных - 50 мм2.
1.7.138. Сечение проводников дополнительной системы уравнивания потенциалов должно быть не менее:
при соединении двух открытых проводящих частей - сечения меньшего из защитных проводников, подключенных к этим частям;
при соединении открытой проводящей части и сторонней проводящей части - половины сечения защитного проводника, подключенного к открытой проводящей части.
Сечения проводников дополнительного уравнивания потенциалов, не входящих в состав кабеля, должны соответствовать требованиям 1.7.127.
1.7.139. Соединения и присоединения заземляющих, защитных проводников и проводников системы уравнивания и выравнивания потенциалов должны быть надежными и обеспечивать непрерывность электрической цепи. Соединения стальных проводников рекомендуется выполнять посредством сварки. Допускается в помещениях и в наружных установках без агрессивных сред соединять заземляющие и нулевые защитные проводники другими способами, обеспечивающими требования ГОСТ 10434 «Соединения контактные электрические. Общие технические требования» ко 2-му классу соединений.
Соединения должны быть защищены от коррозии и механических повреждений.
Для болтовых соединений должны быть предусмотрены меры против ослабления контакта.
1.7.140. Соединения должны быть доступны для осмотра и выполнения испытаний за исключением соединений, заполненных компаундом или герметизированных, а также сварных, паяных и опрессованных присоединений к нагревательным элементам в системах обогрева и их соединений, находящихся в полах, стенах, перекрытиях и в земле.
1.7.141. При применении устройств контроля непрерывности цепи заземления не допускается включать их катушки последовательно (в рассечку) с защитными проводниками.
1.7.142. Присоединения заземляющих и нулевых защитных проводников и проводников уравнивания потенциалов к открытым проводящим частям должны быть выполнены при помощи болтовых соединений или сварки.
Присоединения оборудования, подвергающегося частому демонтажу или установленного на движущихся частях или частях, подверженных сотрясениям и вибрации, должны выполняться при помощи гибких проводников.
Соединения защитных проводников электропроводок и ВЛ следует выполнять теми же методами, что и соединения фазных проводников.
При использовании естественных заземлителей для заземления электроустановок и сторонних проводящих частей в качестве защитных проводников и проводников уравнивания потенциалов контактные соединения следует выполнять методами, предусмотренными ГОСТ 12.1.030 «ССБТ. Электробезопасность. Защитное заземление, зануление».
1.7.143. Места и способы присоединения заземляющих проводников к протяженным естественным заземлителям (например, к трубопроводам) должны быть выбраны такими, чтобы при разъединении заземлителей для ремонтных работ ожидаемые напряжения прикосновения и расчетные значения сопротивления заземляющего устройства не превышали безопасных значений.
Шунтирование водомеров, задвижек и т.п. следует выполнять при помощи проводника соответствующего сечения в зависимости от того, используется ли он в качестве защитного проводника системы уравнивания потенциалов, нулевого защитного проводника или защитного заземляющего проводника.
1.7.144. Присоединение каждой открытой проводящей части электроустановки к нулевому защитному или защитному заземляющему проводнику должно быть выполнено при помощи отдельного ответвления. Последовательное включение в защитный проводник открытых проводящих частей не допускается.
Присоединение проводящих частей к основной системе уравнивания потенциалов должно быть выполнено также при помощи отдельных ответвлений.
Присоединение проводящих частей к дополнительной системе уравнивания потенциалов может быть выполнено при помощи как отдельных ответвлений, так и присоединения к одному общему неразъемному проводнику.
1.7.145. Не допускается включать коммутационные аппараты в цепи РЕ- и PEN-проводников, за исключением случаев питания электроприемников при помощи штепсельных соединителей.
Допускается также одновременное отключение всех проводников на вводе в электроустановки индивидуальных жилых, дачных и садовых домов и аналогичных им объектов, питающихся по однофазным ответвлениям от ВЛ. При этом разделение PEN-проводника на РЕ- и N-проводники должно быть выполнено до вводного защитно-коммутационного аппарата.
1.7.146. Если защитные проводники и/или проводники уравнивания потенциалов могут быть разъединены при помощи того же штепсельного соединителя, что и соответствующие фазные проводники, розетка и вилка штепсельного соединителя должны иметь специальные защитные контакты для присоединения к ним защитных проводников или проводников уравнивания потенциалов.
Если корпус штепсельной розетки выполнен из металла, он должен быть присоединен к защитному контакту этой розетки.
1.7.147. К переносным электроприемникам в Правилах отнесены электроприемники, которые могут находиться в руках человека в процессе их эксплуатации (ручной электроинструмент, переносные бытовые электроприборы, переносная радиоэлектронная аппаратура и т.п.).
1.7.148. Питание переносных электроприемников переменного тока следует выполнять от сети напряжением не выше 380/220 В.
В зависимости от категории помещения по уровню опасности поражения людей электрическим током (см. гл. 1.1) для защиты при косвенном прикосновении в цепях, питающих переносные электроприемники, могут быть применены автоматическое отключение питания, защитное электрическое разделение цепей, сверхнизкое напряжение, двойная изоляция.
1.7.149. При применении автоматического отключения питания металлические корпуса переносных электроприемников, за исключением электроприемников с двойной изоляцией, должны быть присоединены к нулевому защитному проводнику в системе TN или заземлены в системе IT, для чего должен быть предусмотрен специальный защитный (РЕ) проводник, расположенный в одной оболочке с фазными проводниками (третья жила кабеля или провода - для электроприемников однофазного и постоянного тока, четвертая или пятая жила - для электроприемников трехфазного тока), присоединяемый к корпусу электроприемника и к защитному контакту вилки штепсельного соединителя. PE-проводник должен быть медным, гибким, его сечение должно быть равно сечению фазных проводников. Использование для этой цели нулевого рабочего (N) проводника, в том числе расположенного в общей оболочке с фазными проводниками, не допускается.
1.7.150. Допускается применять стационарные и отдельные переносные защитные проводники и проводники уравнивания потенциалов для переносных электроприемников испытательных лабораторий и экспериментальных установок, перемещение которых в период их работы не предусматривается. При этом стационарные проводники должны удовлетворять требованиям 1.7.121-1.7.130, а переносные проводники должны быть медными, гибкими и иметь сечение не меньше чем у фазных проводников. При прокладке таких проводников не в составе общего с фазными проводниками кабеля их сечения должны быть не менее указанных в 1.7.127.
1.7.151. Для дополнительной защиты от прямого прикосновения и при косвенном прикосновении штепсельные розетки с номинальным током не более 20 А наружной установки, а также внутренней установки, но к которым могут быть подключены переносные электроприемники, используемые вне зданий либо в помещениях с повышенной опасностью и особо опасных, должны быть защищены устройствами защитного отключения с номинальным отключающим дифференциальным током не более 30 мА. Допускается применение ручного электроинструмента, оборудованного УЗО-вилками.
При применении защитного электрического разделения цепей в стесненных помещениях с проводящим полом, стенами и потолком, а также при наличии требований в соответствующих главах ПУЭ в других помещениях с особой опасностью, каждая розетка должна питаться от индивидуального разделительного трансформатора или от его отдельной обмотки.
При применении сверхнизкого напряжения питание переносных электроприемников напряжением до 50 В должно осуществляться от безопасного разделительного трансформатора.
1.7.152. Для присоединения переносных электроприемников к питающей сети следует применять штепсельные соединители, соответствующие требованиям 1.7.146.
В штепсельных соединителях переносных электроприемников, удлинительных проводов и кабелей проводник со стороны источника питания должен быть присоединен к розетке, а со стороны электроприемника - к вилке.
1.7.153. УЗО защиты розеточных цепей рекомендуется размещать в распределительных (групповых, квартирных) щитках.
Допускается применять УЗО-розетки.
1.7.154. Защитные проводники переносных проводов и кабелей должны быть обозначены желто-зелеными полосами.
1.7.155. Требования к передвижным электроустановкам не распространяются на:
судовые электроустановки;
электрооборудование, размещенное на движущихся частях станков, машин и механизмов;
электрифицированный транспорт;
жилые автофургоны.
Для испытательных лабораторий должны также выполняться требования других соответствующих нормативных документов.
1.7.156. Автономный передвижной источник питания электроэнергией - такой источник, который позволяет осуществлять питание потребителей независимо от стационарных источников электроэнергии (энергосистемы).
1.7.157. Передвижные электроустановки могут получать питание от стационарных или автономных передвижных источников электроэнергии.
Питание от стационарной электрической сети должно, как правило, выполняться от источника с глухозаземленной нейтралью с применением систем TN-S или TN-C-S. Объединение функций нулевого защитного проводника РЕ и нулевого рабочего проводника N в одном общем проводнике PEN внутри передвижной электроустановки не допускается. Разделение PEN-проводника питающей линии на РЕ- и N-проводники должно быть выполнено в точке подключения установки к источнику питания.
При питании от автономного передвижного источника его нейтраль, как правило, должна быть изолирована.
1.7.158. При питании стационарных электроприемников от автономных передвижных источников питания режим нейтрали источника питания и меры защиты должны соответствовать режиму нейтрали и мерам защиты, принятым для стационарных электроприемников.
1.7.159. В случае питания передвижной электроустановки от стационарного источника питания для защиты при косвенном прикосновении должно быть выполнено автоматическое отключение питания в соответствии с 1.7.79 с применением устройства защиты от сверхтоков. При этом время отключения, приведенное в табл. 1.7.1, должно быть уменьшено вдвое либо дополнительно к устройству защиты от сверхтоков должно быть применено устройство защитного отключения, реагирующее на дифференциальный ток.
В специальных электроустановках допускается применение УЗО, реагирующих на потенциал корпуса относительно земли.
При применении УЗО, реагирующего на потенциал корпуса относительно земли, уставка по значению отключающего напряжения должна быть равной 25 В при времени отключения не более 5 с.
1.7.160. В точке подключения передвижной электроустановки к источнику питания должно быть установлено устройство защиты от сверхтоков и УЗО, реагирующее на дифференциальный ток, номинальный отключающий дифференциальный ток которого должен быть на 1-2 ступени больше соответствующего тока УЗО, установленного на вводе в передвижную электроустановку.
При необходимости на вводе в передвижную электроустановку может быть применено защитное электрическое разделение цепей в соответствии с 1.7.85. При этом разделительный трансформатор, а также вводное защитное устройство должны быть помещены в изолирующую оболочку.
Устройство присоединения ввода питания в передвижную электроустановку должно иметь двойную изоляцию.
1.7.161. При применении автоматического отключения питания в системе IT для защиты при косвенном прикосновении должны быть выполнены:
защитное заземление в сочетании с непрерывным контролем изоляции, действующим на сигнал;
автоматическое отключение питания, обеспечивающее время отключения при двухфазном замыкании на открытые проводящие части - в соответствии с табл. 1.7.10.
Таблица 1.7.10
Наибольшее допустимое время защитного автоматического отключения для системы IT в передвижных электроустановках, питающихся от автономного передвижного источника
|
Время отключения, с |
|
|
220 |
0,4 |
|
380 |
0,2 |
|
660 |
0,06 |
|
Более 660 |
0,02 |
Для обеспечения автоматического отключения питания должно быть применено: устройство защиты от сверхтоков в сочетании с УЗО, реагирующим на дифференциальный ток, или устройством непрерывного контроля изоляции, действующим на отключение, или, в соответствии с 1.7.159, УЗО, реагирующим на потенциал корпуса относительно земли.
1.7.162. На вводе в передвижную электроустановку должна быть предусмотрена главная шина уравнивания потенциалов, соответствующая требованиям 1.7.119 к главной заземляющей шине, к которой должны быть присоединены:
нулевой защитный проводник РЕ или защитный проводник РЕ питающей линии;
защитный проводник передвижной электроустановки с присоединенными к нему защитными проводниками открытых проводящих частей;
проводники уравнивания потенциалов корпуса и других сторонних проводящих частей передвижной электроустановки;
заземляющий проводник, присоединенный к местному заземлителю передвижной электроустановки (при его наличии).
При необходимости открытые и сторонние проводящие части должны быть соединены между собой посредством проводников дополнительного уравнивания потенциалов.
1.7.163. Защитное заземление передвижной электроустановки в системе IT должно быть выполнено с соблюдением требований либо к его сопротивлению, либо к напряжению прикосновения при однофазном замыкании на открытые проводящие части.
При выполнении заземляющего устройства с соблюдением требований к его сопротивлению значение его сопротивления не должно превышать 25 Ом. Допускается повышение указанного сопротивления в соответствии с 1.7.108.
При выполнении заземляющего устройства с соблюдением требований к напряжению прикосновения сопротивление заземляющего устройства не нормируется. В этом случае должно быть выполнено условие:
Rз £ 25/Iз,
где Rз - сопротивление заземляющего устройства передвижной электроустановки, Ом;
Iз - полный ток однофазного замыкания на открытые проводящие части передвижной электроустановки, А.
1.7.164. Допускается не выполнять местный заземлитель для защитного заземления передвижной электроустановки, питающейся от автономного передвижного источника питания с изолированной нейтралью, в следующих случаях:
1) автономный источник питания и электроприемники расположены непосредственно на передвижной электроустановке, их корпуса соединены между собой при помощи защитного проводника, а от источника не питаются другие электроустановки;
2) автономный передвижной источник питания имеет свое заземляющее устройство для защитного заземления, все открытые проводящие части передвижной электроустановки, ее корпус и другие сторонние проводящие части надежно соединены с корпусом автономного передвижного источника при помощи защитного проводника, а при двухфазном замыкании на разные корпуса электрооборудования в передвижной электроустановке обеспечивается время автоматического отключения питания в соответствии с табл. 1.7.10.
1.7.165. Автономные передвижные источники питания с изолированной нейтралью должны иметь устройство непрерывного контроля сопротивления изоляции относительно корпуса (земли) со световым и звуковым сигналами. Должна быть обеспечена возможность проверки исправности устройства контроля изоляции и его отключения.
Допускается не устанавливать устройство непрерывного контроля изоляции с действием на сигнал на передвижной электроустановке, питающейся от такого автономного передвижного источника, если при этом выполняется условие 1.7.164, пп. 2.
1.7.166. Защита от прямого прикосновения в передвижных электроустановках должна быть обеспечена применением изоляции токоведущих частей, ограждений и оболочек со степенью защиты не менее IP 2X. Применение барьеров и размещение вне пределов досягаемости не допускается.
В цепях, питающих штепсельные розетки для подключения электрооборудования, используемого вне помещения передвижной установки, должна быть выполнена дополнительная защита в соответствии с 1.7.151.
1.7.167. Защитные и заземляющие проводники и проводники уравнивания потенциалов должны быть медными, гибкими, как правило, находиться в общей оболочке с фазными проводниками. Сечение проводников должно соответствовать требованиям:
защитных - см. 1.7.126-1.7.127;
заземляющих - см. 1.7.113;
уравнивания потенциалов - см. 1.7.136-1.7.138.
При применении системы IT допускается прокладка защитных и заземляющих проводников и проводников уравнивания потенциалов отдельно от фазных проводников.
1.7.168. Допускается одновременное отключение всех проводников линии, питающей передвижную электроустановку, включая защитный проводник при помощи одного коммутационного аппарата (разъема).
1.7.169. Если передвижная электроустановка питается с использованием штепсельных соединителей, вилка штепсельного соединителя должна быть подключена со стороны передвижной электроустановки и иметь оболочку из изолирующего материала.
1.7.170. Питание электроустановок животноводческих помещений следует, как правило, выполнять от сети напряжением 380/220 В переменного тока.
1.7.171. Для защиты людей и животных при косвенном прикосновении должно быть выполнено автоматическое отключение питания с применением системы TN-C-S. Разделение PEN-проводника на нулевой защитный (РЕ) и нулевой рабочий (N) проводники следует выполнять на вводном щитке. При питании таких электроустановок от встроенных и пристроенных подстанций должна быть применена система TN-S, при этом нулевой рабочий проводник должен иметь изоляцию, равноценную изоляции фазных проводников на всем его протяжении.
Время защитного автоматического отключения питания в помещениях для содержания животных, а также в помещениях, связанных с ними при помощи сторонних проводящих частей, должно соответствовать табл. 1.7.11.
Таблица 1.7.11
Наибольшее допустимое время защитного автоматического отключения для системы TN в помещениях для содержания животных
|
Время отключения, с |
|
|
127 |
0,35 |
|
220 |
0,2 |
|
380 |
0,05 |
Если указанное время отключения не может быть гарантировано, необходимы дополнительные защитные меры, например дополнительное уравнивание потенциалов.
1.7.172. PEN-проводник на вводе в помещение должен быть повторно заземлен. Значение сопротивления повторного заземления должно соответствовать 1.7.103.
1.7.173. В помещениях для содержания животных необходимо предусматривать защиту не только людей, но и животных, для чего должна быть выполнена дополнительная система уравнивания потенциалов, соединяющая все открытые и сторонние проводящие части, доступные одновременному прикосновению (трубы водопровода, вакуумпровода, металлические ограждения стойл, металлические привязи и др.).
1.7.174. В зоне размещения животных в полу должно быть выполнено выравнивание потенциалов при помощи металлической сетки или другого устройства, которое должно быть соединено с дополнительной системой уравнивания потенциалов.
1.7.175. Устройство выравнивания и уравнивания электрических потенциалов должно обеспечивать в нормальном режиме работы электрооборудования напряжение прикосновения не более 0,2 В, а в аварийном режиме при времени отключения более указанного в табл. 1.7.11 для электроустановок в помещениях с повышенной опасностью, особо опасных и в наружных установках - не более 12 В.
1.7.176. Для всех групповых цепей, питающих штепсельные розетки, должна быть дополнительная защита от прямого прикосновения при помощи УЗО с номинальным отключающим дифференциальным током не более 30 мА.
1.7.177. В животноводческих помещениях, в которых отсутствуют условия, требующие выполнения выравнивания потенциалов, должна быть выполнена защита при помощи УЗО с номинальным отключающим дифференциальным током не менее 100 мА, устанавливаемых на вводном щитке.
1.8.1. Электрооборудование до 500 кВ, вновь вводимое в эксплуатацию, должно быть подвергнуто приемо-сдаточным испытаниям в соответствии с требованиями настоящей главы. Приемо-сдаточные испытания рекомендуется проводить в нормальных условиях окружающей среды, указанных в государственных стандартах.
При проведении приемо-сдаточных испытаний электрооборудования, не охваченного настоящими нормами, следует руководствоваться инструкциями заводов-изготовителей.
1.8.2. Устройства релейной защиты и электроавтоматики на электростанциях и подстанциях проверяются по инструкциям, утвержденным в установленном порядке.
1.8.3. Помимо испытаний, предусмотренных настоящей главой, все электрооборудование должно пройти проверку работы механической части в соответствии с заводскими и монтажными инструкциями.
1.8.4. Заключение о пригодности оборудования к эксплуатации дается на основании результатов всех испытаний и измерений, относящихся к данной единице оборудования.
1.8.5. Все измерения, испытания и опробования в соответствии с действующими нормативно-техническими документами, инструкциями заводов-изготовителей и настоящими нормами, произведенные персоналом монтажных наладочных организаций непосредственно перед вводом электрооборудования в эксплуатацию, должны быть оформлены соответствующими актами и/или протоколами.
1.8.6. Испытание повышенным напряжением промышленной частоты обязательно для электрооборудования на напряжение до 35 кВ.
При отсутствии необходимой испытательной аппаратуры переменного тока допускается испытывать электрооборудование распределительных устройств напряжением до 20 кВ повышенным выпрямленным напряжением, которое должно быть равно полуторакратному значению испытательного напряжения промышленной частоты.
1.8.7. Электрооборудование и изоляторы на номинальное напряжение, превышающее номинальное напряжение электроустановки, в которой они эксплуатируются, могут испытываться приложенным напряжением, установленным для класса изоляции данной электроустановки. Измерение сопротивления изоляции, если отсутствуют дополнительные указания, производится:
- аппаратов и цепей напряжением до 500 В - мегаомметром на напряжение 500 В;
- аппаратов и цепей напряжением от 500 В до 1000 В - мегаомметром на напряжение 1000 В;
- аппаратов напряжением выше 1000 В - мегаомметром на напряжение 2500 В;
Испытание повышенным напряжением изоляторов и трансформаторов тока, соединенных с силовыми кабелями 6 - 10 кВ, может производиться вместе с кабелями. Оценка состояния производится по нормам, принятым для силовых кабелей.
1.8.8. Испытания электрооборудования производства иностранных фирм производятся в соответствии с указаниями завода (фирмы)-изготовителя. При этом значения проверяемых величин должны соответствовать указанным в данной главе.
1.8.9. Испытание изоляции аппаратов повышенным напряжением промышленной частоты должно производиться, как правило, совместно с испытанием изоляции шин распределительного устройства (без расшиновки). При этом испытательное напряжение допускается принимать по нормам для оборудования, имеющего наименьшее испытательное напряжение.
1.8.10. При проведении нескольких видов испытаний изоляции электрооборудования испытанию повышенным напряжением должны предшествовать другие виды ее испытаний.
1.8.11. Испытание изоляции напряжением промышленной частоты, равным 1 кВ, может быть заменено измерением одноминутного значения сопротивления изоляции мегаомметром на 2500 В. Если при этом полученное значение сопротивления меньше приведенного в нормах, испытание напряжением 1 кВ промышленной частоты является обязательным.
1.8.12. В настоящей главе применяются следующие термины:
1. Испытательное напряжение промышленной частоты - действующее значение напряжения частотой 50 Гц, практически синусоидального, которое должна выдерживать изоляция электрооборудования при определенных условиях испытания.
2. Электрооборудование с нормальной изоляцией - электрооборудование, предназначенное для применения в электроустановках, подверженных действию грозовых перенапряжений при обычных мерах по грозозащите.
3. Электрооборудование с облегченной изоляцией - электрооборудование, предназначенное для применения в электроустановках, не подверженных действию грозовых перенапряжений или оборудованных специальными устройствами грозозащиты, ограничивающими амплитудное значение грозовых перенапряжений до значения, не превышающего амплитудного значения испытательного напряжения промышленной частоты.
4. Аппараты - выключатели всех классов напряжения, разъединители, отделители, короткозамыкатели, предохранители, разрядники, токоограничивающие реакторы, конденсаторы, комплектные экранированные токопроводы.
5. Ненормированная измеряемая величина - величина, абсолютное значение которой не регламентировано нормативными указаниями. Оценка состояния оборудования в этом случае производится путем сопоставления с данными аналогичных измерений на однотипном оборудовании, имеющем заведомо хорошие характеристики, или с результатами остальных испытаний.
6. Класс напряжения электрооборудования - номинальное напряжение электроустановки, для работы в которой предназначено данное электрооборудование.
Синхронные генераторы мощностью более 1 МВт напряжением выше 1 кВ, а также синхронные компенсаторы должны испытываться в полном объеме настоящего параграфа.
Генераторы мощностью до 1 МВт напряжением выше 1 кВ должны испытываться по пп. 1 - 5, 7 - 15 настоящего параграфа.
Генераторы напряжением до 1 кВ независимо от их мощности должны испытываться по пп. 2, 4, 5, 8, 10 - 14 настоящего параграфа.
1. Определение возможности включения без сушки генераторов выше 1 кВ.
Следует производить в соответствии с указанием завода-изготовителя.
2. Измерение сопротивления изоляции.
Сопротивление изоляции должно быть не менее значений, приведенных в табл. 1.8.1.
3. Испытание изоляции обмотки статора повышенным выпрямленным напряжением с измерением тока утечки по фазам.
Испытанию подвергается каждая фаза или ветвь в отдельности при других фазах или ветвях, соединённых с корпусом. У генераторов с водяным охлаждением обмотки статора испытание производится в случае, если возможность этого предусмотрена в конструкции генератора.
Значения испытательного напряжения приведены в табл. 1.8.2.
Для турбогенераторов типа ТГВ-300 испытание следует производить по ветвям.
Таблица 1.8.1
Допустимые значения сопротивления изоляции и коэффициента адсорбции
|
Испытуемый элемент |
Напряжение мегаомметра, В |
Допустимое значение сопротивления изоляции, МОм |
Примечание |
|
1. Обмотка статора |
500, 1000, 2500 |
Не менее 10 МОм на 1 кВ номинального линейного напряжения |
Для каждой фазы или ветви в отдельности относительно корпуса и других заземленных фаз или ветвей. Значение R60/R15 не ниже 1,3 |
|
2500 |
По инструкции завода -изготовителя |
При протекании дистиллята через обмотку |
|
|
2. Обмотка ротора |
500,1000 |
Не менее 0,5 (при водяном охлаждении - с осушенной обмоткой) |
Допускается ввод в эксплуатацию генераторов мощностью не выше 300 МВт с неявнополюсными роторами, при косвенном или непосредственном воздушном и водородном охлаждении обмотки, имеющей сопротивление изоляции не ниже 2 кОм при температуре 75 °С или 20 кОм при температуре 20 °С. При большей мощности ввод генератора в эксплуатацию с сопротивлением изоляции обмотки ротора ниже 0,5 МОм (при 10 - 30 °С) допускается только по согласованию с заводом-изготовителем |
|
1000 |
По инструкции завода-изготовителя |
При протекании дистиллята через охлаждающие каналы обмотки |
|
|
3. Цепи возбуждения генератора и коллекторного возбудителя со всей присоединенной аппаратурой (без обмотки ротора и возбудителя) |
500 - 1000 |
Не менее 1,0 |
|
|
4. Обмотки коллекторных возбудителя и подвозбудителя |
1000 |
Не менее 0,5 |
|
|
5. Бандажи якоря и коллектора коллекторных возбудителя и подвозбудителя |
1000 |
Не менее 0,5 |
При заземлённой обмотке якоря |
|
6. Изолированные стяжные болты стали статора (доступные для измерения) |
1000 |
Не менее 0,5 |
|
|
7. Подшипники и уплотнения вала |
1000 |
Не менее 0,3 для гидрогенераторов и 1,0 для турбогенераторов и компенсаторов |
Для гидрогенераторов измерение производится, если позволяет конструкция генератора и в заводской инструкции не указаны более жёсткие нормы |
|
8. Диффузоры, щиты вентиляторов и другие узлы статора генераторов |
500, 1000 |
В соответствии с заводскими требованиями |
|
|
9. Термодатчики с соединительными проводами, включая соединительные провода, уложенные внутри генератора |
|
|
Напряжение мегаомметра - по заводской инструкции |
|
- с косвенным охлаждением обмоток статора |
250 или 500 |
Не менее 1,0 |
|
|
- с непосредственным охлаждением обмоток статора |
500 |
Не менее 0,5 |
|
|
10. Концевой вывод обмотки статора турбогенераторов серии ТГВ |
2500 |
1000 |
Измерение производится до соединения вывода с обмоткой статора |
Таблица 1.8.2
Испытательное выпрямленное напряжение для обмоток статоров синхронных генераторов и компенсаторов
|
Мощность генератора, МВт, компенсатора, МВ·А |
Номинальное напряжение, кВ |
Амплитудное испытательное напряжение, кВ |
|
Менее 1 |
Все напряжения |
2,4Uном. + 1,2 |
|
1 и более |
До 3,3 |
2,4 + 1,2Uном. |
|
|
Св. 3,3 до 6,6 включит. |
1,28 × 2,5Uном. |
|
|
Св. 6,6 до 20 включит. |
1,28(2Uном. + 3) |
|
|
Св. 20 до 24 включит. |
1,28(2Uном. + 1) |
Испытательное выпрямленное напряжение для генераторов типа ТГВ-200 и ТГВ-300 соответственно принимаются 40 и 50 кВ.
Для турбогенераторов ТВМ-500 (Uном. = 36,75 кВ) испытательное напряжение - 75 кВ.
Измерение токов утечки для построения кривых зависимости их от напряжения производится не менее чем при пяти значениях выпрямленного напряжения - от 0,2Umax до Umax равными ступенями. На каждой ступени напряжение выдерживается в течение 1 минуты. При этом фиксируются токи утечки через 15 и 60 с.
Оценка полученной характеристики производится в соответствии с указаниями завода-изготовителя.
4. Испытание изоляции повышенным напряжением промышленной частоты.
Испытание проводится по нормам, приведённым в табл. 1.8.3.
Испытанию подвергается каждая фаза или ветвь в отдельности при других фазах или ветвях, соединенных с корпусом.
Продолжительность приложения нормированного испытательного напряжения 1 мин.
При проведении испытаний изоляции повышенным напряжением промышленной частоты следует руководствоваться следующим:
а) испытание изоляции обмоток статора генератора рекомендуется производить до ввода ротора в статор. Если стыковка и сборка статора гидрогенератора осуществляются на монтажной площадке и впоследствии статор устанавливается в шахту в собранном виде, то изоляция его испытывается дважды: после сборки на монтажной площадке и после установки статора в шахту до ввода ротора в статор.
В процессе испытания осуществляется наблюдение за состоянием лобовых частей машины: у турбогенераторов - при снятых торцовых щитах, у гидрогенераторов - при открытых вентиляционных люках;
б) испытание изоляции обмотки статора для машин с водяным охлаждением следует производить при циркуляции дистиллированной воды в системе охлаждения с удельным сопротивлением не менее 100 кОм/см и номинальном расходе;
в) после испытания обмотки статора повышенным напряжением в течение 1 мин у генераторов 10 кВ и выше испытательное напряжение снизить до номинального напряжения генератора и выдержать в течение 5 мин для наблюдения за коронированием лобовых частей обмоток статора. При этом не должно быть сосредоточенного в отдельных точках свечения желтого или красного цвета, появления дыма, тления бандажей и тому подобных явлений. Голубое и белое свечение допускается;
г) испытание изоляции обмотки ротора турбогенераторов производится при номинальной частоте вращения ротора;
д) перед включением генератора в работу по окончании монтажа (у турбогенераторов - после ввода ротора в статор и установки торцевых щитов) необходимо провести контрольное испытание номинальным напряжением промышленной частоты или выпрямленным напряжением, равным 1,5Uном. Продолжительность испытаний 1 мин.
Таблица 1.8.3
Испытательное напряжение промышленной частоты для обмоток синхронных генераторов и компенсаторов
|
Испытуемый элемент |
Характеристика или тип генератора |
Испытательное напряжение, кВ |
Примечание |
|
Мощность до 1 МВт, номинальное напряжение выше 0, 1 кВ |
0,8(2Uном. + 1), но не менее 1,2 |
|
|
|
Мощность от 1 МВт и выше, номинальное напряжение до 3,3 кВ включительно |
0,8(2Uном. + 1) |
|
|
|
Мощность от 1 МВт и выше, номинальное напряжение свыше 3,3 до 6,6 кВ включительно |
0,8·2,5Uном. |
|
|
|
Мощность от 1 МВт и выше, номинальное напряжение свыше 6,6 до 20 кВ включительно |
0,8(2Uном. + 3) |
|
|
|
Мощность от 1 МВт и выше, номинальное напряжение свыше 20 кВ |
0,8(2Uном. + 1) |
|
|
|
2. Обмотка статора гидрогенератора, шихтовка или стыковка частей статора которого производится на месте монтажа, по окончании полной сборки обмотки и изолировки соединений |
Мощность от 1 МВт и выше, номинальное напряжение до 3,3 кВ включительно |
2Uном. + 1 |
Если сборка статора производится на месте монтажа, но не на фундаменте, то до установки статора на фундамент его испытания производятся по п. 2, а после установки - по п. 1 таблицы |
|
Мощность от 1 МВт и выше, номинальное напряжение свыше 3,3 до 6,6 кВ включительно |
2,5Uном. |
||
|
Мощность от 1 МВт и выше, номинальное напряжение свыше 3,3 до 6,6 кВ включительно |
2Uном. + 3 |
||
|
3. Обмотка явнополюсного ротора |
Генераторы всех мощностей |
8·Uном. возбуждения генератора, но не ниже 1,2 и не выше 2,8 кВ |
|
|
4. Обмотка неявнополюсного ротора |
Генераторы всех мощностей |
1,0 |
Испытательное напряжение принимается равным 1 кВ тогда, когда это не противоречит требованиям технических условий завода-изготовителя. Если техническими условиями предусмотрены более жесткие нормы испытания, испытательное напряжение должно быть повышено |
|
5. Обмотка коллекторных возбудителя и подвозбудителя |
Генераторы всех мощностей |
8·Uном. возбуждения генератора, но не ниже 1,2 и не выше 2,8 кВ |
Относительно корпуса и бандажей |
|
6. Цепи возбуждения |
Генераторы всех мощностей |
1,0 |
|
|
7. Реостат возбуждения |
Генераторы всех мощностей |
1,0 |
|
|
8. Резистор цепи гашения ноля и АГП |
Генераторы всех мощностей |
2,0 |
|
|
9. Концевой вывод обмотки статора |
ТГВ -200, ТГВ - 200М, ТГВ - 300, ТГВ - 500 |
31,0*, 34,5** 39,0*, 43,0** |
Испытания проводятся до установки концевых выводов на турбогенератор |
|
* Для концевых выводов, испытанных на заводе вместе с изоляцией обмотки статора. ** Для резервных концевых выводов перед установкой на турбогенератор. |
|||
5. Измерение сопротивления постоянному току.
Нормы допустимых отклонений сопротивления постоянному току приведены в табл. 1.8.4.
При сравнении значений сопротивлений они должны быть приведены к одинаковой температуре.
Таблица 1.8.4
Допустимое отклонение сопротивления постоянному току
|
Испытуемый объект |
Норма |
|
Обмотка статора (измерение производить для каждой фазы или ветви в отдельности) |
Измеренные сопротивления в практически холодном состоянии обмоток различных фаз не должны отличаться одно от другого более чем на 2 %. Вследствие конструктивных особенностей (большая длина соединительных дуг и пр.) расхождение между сопротивлениями ветвей у некоторых типов генераторов может достигать 5 %. |
|
Обмотка ротора |
Измеренное сопротивление обмоток не должно отличаться от данных завода-изготовителя более чем на 2 %. У явнополюсных роторов измерение производится для каждого полюса в отдельности или попарно. |
|
Резистор гашения поля, реостаты возбуждения |
Сопротивление не должно отличаться от данных завода-изготовителя более чем на 10 %. |
|
Обмотки возбуждения коллекторного возбудителя |
Значение измеренного сопротивления не должно отличаться от исходных данных более чем на 2 %. |
|
Обмотка якоря возбудителя (между коллекторными пластинами) |
Значения измеренного сопротивления не должны отличаться друг от друга более чем на 10 % за исключением случаев, когда это обусловлено схемой соединения. |
6. Измерение сопротивления обмотки ротора переменному току.
Измерение производится в целях выявления витковых замыканий в обмотках ротора, а также состояния демпферной системы ротора. У неявнополюсных роторов измеряется сопротивление всей обмотки, а у явнополюсных - каждого полюса обмотки в отдельности или двух полюсов вместе. Измерение следует производить при подводимом напряжении 3 В на виток, но не более 200 В. При выборе значения подводимого напряжения следует учитывать зависимость сопротивления от значения подводимого напряжения. Сопротивление обмоток неявнополюсных роторов определяют на трех-четырех ступенях частоты вращения, включая номинальную, и в неподвижном состоянии, поддерживая приложенное напряжение или ток неизменным. Сопротивление по полюсам или парам полюсов измеряется только при неподвижном роторе. Отклонения полученных результатов от данных завода-изготовителя или от среднего значения измеренных сопротивлений полюсов более чем на 3-5 % свидетельствуют о наличии дефектов в обмотке ротора. На возникновение витковых замыканий указывает скачкообразный характер снижения сопротивления с увеличением частоты вращения, а на плохое качество в контактах демпферной системы ротора указывает плавный характер снижения сопротивления с увеличением частоты вращения. Окончательный вывод о наличии и числе замкнутых витков следует делать на основании результатов снятия характеристики КЗ и сравнения ее с данными завода-изготовителя.
7. Проверка и испытание электрооборудования систем возбуждения.
Приводятся нормы испытаний силового оборудования систем тиристорного самовозбуждения (далее СТС), систем независимого тиристорного возбуждения (СТН), систем безщеточного возбуждения (БСВ), систем полупроводникового высокочастотного возбуждения (ВЧ). Проверка автоматического регулятора возбуждения, устройств защиты, управления, автоматики и др. производится в соответствии с указаниями завода-изготовителя.
Проверку и испытание электромашинных возбудителей следует производить в соответствии с 1.8.14.
7.1. Измерение сопротивления изоляции.
Значения сопротивлений изоляции при температуре 10 - 30 °С должны соответствовать приведенным в табл. 1.8.5.
7.2. Испытание повышенным напряжением промышленной частоты.
Значение испытательного напряжения принимается согласно табл. 1.8.5, длительность приложения испытательного напряжения 1 мин.
Таблица 1.8.5
Сопротивление изоляции и испытательные напряжения элементов систем возбуждения
|
Испытуемый объект |
Измерение сопротивления изоляции |
Значение испытательного напряжения промышленной частоты |
Примечание |
|
|
Напряжение мегаомметра, В |
Минимальное значение сопротивления изоляции, МОм |
|||
|
1. Тиристорный преобразователь (ТП) цепи ротора главного генератора в системах возбуждения СТС, СТН: токоведущие цепи преобразователей, связанные с тиристорами защитные цепи, вторичные обмотки выходных трансформаторов системы управления и т.д.; примыкающие к преобразователям отключенные разъединители (СТС), первичные обмотки трансформаторов собственных нужд (СТС). В системах с водяным охлаждением ТП вода при испытаниях отсутствует |
2500 |
5 |
0,8 заводского испытательного напряжения ТП, но не менее 0,8 заводского испытательного напряжения обмотки ротора |
Относительно корпуса и соединенных с ним вторичных цепей ТП (первичных обмоток импульсных трансформаторов СУТ, блок-контактов силовых предохранителей, вторичных обмоток трансформаторов делителей тока и т.д.), примыкающих к ТП силовых элементов схемы (вторичных обмоток трансформаторов собственных нужд в СТС, другой стороны разъединителей в СТС ряда модификаций). Тиристоры (аноды, катоды, управляющие электроды) при испытаниях должны быть закорочены, а блоки системы управления тиристорами СУТ выдвинуты из разъемов |
|
2. Тиристорный преобразователь в цепи возбуждения возбудителя системы БСВ: токоведущие части, тиристоры и связанные с ними цепи (см. п. 1). Тиристорный преобразователь в цепи возбуждения ВГ системы СТН |
1000 |
5 |
0,8 заводского испытательного напряжения ТП, но не менее 0,8 испытательного напряжения обмотки возбуждения обращенного генератора или ВГ |
Относительно корпуса и соединенных с ним вторичных цепей ТП, не связанных с силовыми цепями (см. п. 1). При испытаниях ТП отключен по входу и выходу от силовой схемы; тиристоры (аноды, катоды, управляющие электроды) должны быть закорочены, а блоки СУТ выдвинуты из разъемов |
|
3. Выпрямительная установка в системе ВЧ возбуждения. |
1000 |
5 |
0,8 заводского испытательного напряжения выпрямительной установки, но не менее 0,8 испытательного напряжения обмотки ротора |
Относительно корпуса. При испытаниях выпрямительная установка отключена от источника питания и обмотки ротора, шины питания и шины выхода (А, В, С, +, -) объединены |
|
4. Вспомогательный синхронный генератор ВГ в системах СТН: |
|
|
|
|
|
- обмотки статора |
2500 |
5,0 |
0,8 заводского испытательного напряжения обмотки статора ВГ, но не менее 0,8 испытательного напряжения обмотки ротора главного генератора |
Относительно корпуса и между обмотками |
|
- обмотки возбуждения |
1000 |
5,0 |
0,8 заводского испытательного напряжения обмотки возбуждения обращенного генератора или ВГ |
Относительно корпуса |
|
5. Индукторный генератор в системе ВЧ возбуждения: |
1000 |
5,0 |
|
|
|
- рабочие обмотки (три фазы) и обмотка последовательного возбуждения |
0,8 заводского испытательного напряжения обмоток, но не менее 0,8 испытательного напряжения обмотки ротора генератора |
Относительно корпуса и соединенных с ним обмоток независимого возбуждения, между обмотками |
||
|
- обмотки независимого возбуждения |
0,8 заводского испытательного напряжения обмоток |
Относительно корпуса и между обмотками независимого возбуждения |
||
|
6. Подвозбудитель в системе ВЧ возбуждения |
1000 |
5,0 |
0,8 заводского испытательного напряжения |
Каждая фаза относительно других, соединенных с корпусом |
|
7. Обращенный генератор совместно с вращающимся преобразователем в системе БСВ: |
|
|
|
|
|
- обмотки якоря совместно с вращающимся преобразователем; |
1000 |
5,0 |
0,8 заводского испытательного напряжения обмотки якоря |
Относительно корпуса. Возбудитель отсоединен от ротора генератора; вентили, RC-цепи или варисторы зашунтированы (соединены +, -, шпильки переменного тока); подняты щетки на измерительных контактных кольцах |
|
- обмотки возбуждения обращенного генератора |
500 |
5,0 |
0,8 заводского испытательного напряжения обмотки возбуждения, но не менее 1,2 кВ |
Относительно корпуса. Обмотки возбуждения отсоединены от схемы |
|
8. Выпрямительный трансформатор ВТ в системах СТС. |
2500 |
5,0 |
0,8 заводского испытательного напряжения обмоток трансформатора; вторичные обмотки для ВГ и БСВ - не менее 1,2 кВ |
Относительно корпуса и между обмотками |
|
Выпрямительные трансформаторы в системах возбуждения ВГ (СТН) и БСВ: |
|
|
||
|
первичная обмотка |
2500 |
5,0 |
||
|
вторичная обмотка |
1000 |
|
|
|
|
9. Последовательные трансформаторы в системах СТС |
2500 |
5,0 |
0,8 заводского испытательного напряжения обмоток |
Относительно корпуса и между обмотками |
|
10. Токопроводы, связывающие источники питания (ВГ в системе СТН, ВТ и ПТ в системе СТС), индукторный генератор в ВЧ системе с тиристорными или диодными преобразователями, токопроводы постоянного тока: |
|
|
|
|
|
- без присоединенной аппаратуры; |
2500 |
10 |
0,8 заводского испытательного напряжения токопроводов |
Относительно «земли» между фазами |
|
- с присоединенной аппаратурой |
2500 |
5,0 |
0,8 заводского испытательного напряжения обмотки ротора |
Относительно «земли» между фазами |
|
11. Силовые элементы систем СТС, СТН, ВЧ (источники питания, преобразователи и т.д.) со всей присоединенной аппаратурой вплоть до выключателей ввода возбуждения либо до разъединителей выхода преобразователей (схемы систем возбуждения без резервных возбудителей): |
|
|
|
|
|
системы без водяного охлаждения преобразователей и с водяным охлаждением при незаполненной водой системе охлаждения; |
1000 |
1,0 |
1,0 кВ |
Относительно корпуса |
|
- при заполненной водой (с удельным сопротивлением не менее 75 кОм·см) системе охлаждения ТП |
1000 |
0,15 |
1,0 кВ |
Блоки системы управления выдвинуты |
|
12. Силовые цепи возбуждения генератора без обмотки ротора (после выключателя ввода возбуждения или разъединителей постоянного тока (см. п. 11); устройство АГП, разрядник, силовой резистор, шинопроводы и т.д. Цепи, подключенные к измерительным кольцам в системе БСВ (обмотка ротора отключена) |
1000 |
0,1 |
0,8 заводского испытательного напряжения ротора |
Относительно «земли» |
7.3. Измерение сопротивления постоянному току обмоток трансформаторов и электрических машин в системах возбуждения.
Сопротивление обмоток электрических машин (вспомогательный генератор в системе СТН, индукторный генератор в системе ВЧ, обращенный синхронный генератор в системе БСВ) не должно отличаться более чем на 2 % от заводских данных; обмоток трансформаторов (выпрямительных в системах СТС, СТН, БСВ; последовательных в отдельных системах СТС) - более чем на 5 %. Сопротивления параллельных ветвей рабочих обмоток индукторных генераторов не должны отличаться друг от друга более чем на 15 %, сопротивления фаз вращающихся подвозбудителей - не более чем на 10 %.
7.4. Проверка трансформаторов (выпрямительных, последовательных, собственных нужд, начального возбуждения, измерительных трансформаторов напряжения и тока).
Проверка производится в соответствии с нормами, приведенными в 1.8.16, 1.8.17, 1.8.18. Для последовательных трансформаторов ПТ определяется также зависимость между напряжением на разомкнутых вторичных обмотках и током статора генератора U2п.т. = f(Iст).
Характеристика U2п.т. = f(Iст) определяется при снятии характеристик трехфазного короткого замыкания генератора (блока) до Iст.ном. Характеристики отдельных фаз (при однофазных последовательных трансформаторах) не должны различаться между собой более чем на 5 %.
7.5. Определение характеристики вспомогательного синхронного генератора промышленной частоты в системах СТН.
Вспомогательный генератор (ВГ) проверяется в соответствии с п. 8 данного параграфа. Характеристика короткого замыкания ВГ определяется до Iст.ном, а характеристика холостого хода до 1,3Uст.ном с проверкой витковой изоляции в течение 5 мин.
7.6. Определение характеристики индукторного генератора совместно с выпрямительной установкой в системе ВЧ возбуждения.
Производится при отключенной обмотке последовательного возбуждения.
Характеристика холостого хода индукторного генератора совместно с выпрямительной установкой (ВУ) [Uст, Uву = f(Iн.в.), где Iн.в. - ток в обмотке независимого возбуждения], определяемая до значения Uву, соответствующего удвоенному номинальному значению напряжения ротора, не должна отличаться от заводской более чем на 5 %. Разброс напряжений между последовательно соединенными вентилями ВУ не должен превышать 10 % среднего значения.
Характеристика короткого замыкания индукторного генератора совместно с ВУ также не должна отличаться от заводской более чем на 5 %. При выпрямленном токе, соответствующем номинальному току ротора, разброс токов по параллельным ветвям в плечах ВУ не должен превышать ±20 % среднего значения. Определяется также нагрузочная характеристика при работе на ротор до IPхх [IP = f(Iв.в.)], где Iв.в. - ток возбуждения возбудителя.
7.7. Определение внешней характеристики вращающегося подвозбудителя в системах ВЧ возбуждения.
При изменении нагрузки на подвозбудитель (нагрузкой является автоматический регулятор возбуждения) изменение напряжения подвозбудителя не должно превышать значения, указанного в заводской документации. Разность напряжения по фазам не должна превышать 10 %.
7.8. Проверка элементов обращенного синхронного генератора, вращающегося преобразователя в системе БСВ.
Измеряются сопротивления постоянному току переходных контактных соединений вращающегося выпрямителя: сопротивление токопровода, состоящего из выводов обмоток и проходных шпилек, соединяющих обмотку якоря с предохранителями (при их наличии); соединения вентилей с предохранителями; сопротивление самих предохранителей вращающегося преобразователя. Результаты измерения сравниваются с заводскими нормами.
Проверяются усилия затяжки вентилей, предохранителей RC-цепей, варисторов и т.д. в соответствии с заводскими нормами.
Измеряются обратные токи вентилей вращающегося преобразователя в полной схеме с RC-цепями (либо варисторами) при напряжении, равном повторяющемуся для данного класса. Токи не должны превышать значения, указанные в заводских инструкциях на системы возбуждения.
7.9. Определение характеристик обращенного генератора и вращающегося выпрямителя в режимах трехфазного короткого замыкания генератора (блока).
Измеряются ток статора Iст, ток возбуждения возбудителя Iв.в., напряжение ротора Uр, определяется соответствие характеристик возбудителя Uр = f(Iв.в.) заводским. По измеренным токам статора и заводской характеристике короткого замыкания генератора Iст = f(IP) определяется правильность настройки датчиков тока ротора. Отклонение измеренного с помощью датчика типа ДТР-П тока ротора (тока выхода БСВ) не должно превышать 10 % расчетного значения тока ротора.
7.10. Проверка тиристорных преобразователей систем СТС, СТН, БСВ.
Измерение сопротивления изоляции и испытание повышенным напряжением производятся в соответствии с табл. 1.8.5.
Производятся гидравлические испытания повышенным давлением воды тиристорных преобразователей (ТП) с водяной системой охлаждения. Значение давления и время его воздействия должны соответствовать нормам завода-изготовителя на каждый тип преобразователя. Выполняется повторная проверка изоляции ТП после заполнения дисциллятом (см. табл. 1.8.3).
Проверяется отсутствие пробитых тиристоров, поврежденных RC-цепей. Проверка выполняется с помощью омметра.
Проверяется целостность параллельных цепей плавкой вставки каждого силового предохранителя путем измерения сопротивления постоянному току.
Проверяется состояние системы управления тиристоров, диапазон регулирования выпрямленного напряжения при воздействии на систему управления тиристоров.
Проверяется ТП при работе генератора в номинальном режиме с номинальным током ротора. Проверка выполняется в следующем объеме:
- распределение токов между параллельными ветвями плеч преобразователей; отклонение значений токов в ветвях от среднеарифметического значения тока ветви должно быть не более 10 %;
- распределение обратных напряжений между последовательно включенными тиристорами с учетом коммутационных перенапряжений; отклонение мгновенного значения обратного напряжения от среднего на тиристоре ветви должно быть не более ±20 %;
- распределение тока между параллельно включенными преобразователями; токи не должны отличаться более чем на ±10 % от среднего расчетного значения тока через преобразователь;
- распределение тока в ветвях одноименных плеч параллельно включенных ТП; отклонение от среднего расчетного значения тока ветви одноименных плеч не должно быть более ±20 %.
7.11. Проверка выпрямительной диодной установки в системе ВЧ возбуждения.
Производится при работе генератора в номинальном режиме с номинальным током ротора. При проверке определяется:
- распределение тока между параллельными ветвями плеч; отклонение от среднего значения должно быть не более ±20 %;
- распределение обратных напряжений по последовательно включенным вентилям; отклонение от среднего значения должно быть не более ±20 %.
7.12. Проверка коммутационной аппаратуры, силовых резисторов, аппаратуры собственных нужд систем возбуждения.
Проверка производится в соответствии с указаниями завода-изготовителя и 1.8.34.
7.13. Измерение температуры силовых резисторов, диодов, предохранителей, шин и других элементов преобразователей и шкафов, в которых они расположены.
Измерения выполняются после включения систем возбуждения под нагрузку. Температуры элементов не должны превышать значений, указанных в инструкциях заводов-изготовителей. При проверке рекомендуется применение тепловизоров, допускается использование пирометров.
8. Определение характеристик генератора:
а) трехфазного КЗ. Характеристика снимается при изменении тока статора до номинального. Отклонения от заводской характеристики должны находиться в пределах погрешности измерения.
Снижение измеренной характеристики, которое превышает погрешность измерения, свидетельствует о наличии витковых замыканий в обмотке ротора.
У генераторов, работающих в блоке с трансформатором, снимается характеристика КЗ всего блока (с установкой закоротки за трансформатором). Характеристику собственно генератора, работающего в блоке с трансформатором, допускается не определять, если имеются протоколы соответствующих испытаний на стенде заводов-изготовителей.
У синхронных компенсаторов без разгонного двигателя снятие характеристик трехфазного КЗ производится на выбеге в том случае, если отсутствует характеристика, снятая на заводе;
б) холостого хода. Подъем напряжения номинальной частоты на холостом ходу производить до 130 % номинального напряжения турбогенераторов и синхронных компенсаторов, до 150 % номинального напряжения гидрогенераторов. Допускается снимать характеристику холостого хода турбо- и гидрогенератора до номинального тока возбуждения при пониженной частоте вращения генератора при условии, что напряжение на обмотке статора не будет превосходить 1,3 номинального. У синхронных компенсаторов разрешается снимать характеристику на выбеге. У генераторов, работающих в блоке с трансформаторами, снимается характеристика холостого хода блока; при этом генератор возбуждается до 1,15 номинального напряжения (ограничивается трансформатором). Характеристику холостого хода собственно генератора, отсоединенного от трансформатора блока, допускается не снимать, если имеются протоколы соответствующих испытаний на заводе-изготовителе. Отклонение характеристики холостого хода от заводской не нормируется, но должно быть в пределах погрешности измерения.
9. Испытание междувитковой изоляции.
Испытание следует производить подъемом напряжения номинальной частоты генератора на холостом ходу до значения, соответствующего 150 % номинального напряжения статора гидрогенераторов, 130 % - турбогенераторов и синхронных компенсаторов. Для генераторов, работающих в блоке с трансформатором, - см. указания п. 9. При этом следует проверить симметрию напряжений по фазам. Продолжительность испытания при наибольшем напряжении - 5 мин.
Испытание междувитковой изоляции рекомендуется производить одновременно со снятием характеристики холостого хода.
Вибрация (размах вибросмещений, удвоенная амплитуда колебаний) узлов генератора и их электромашинных возбудителей не должна превышать значений, приведенных в табл. 1.8.6.
Таблица 1.8.6
Предельные значения вибрации генераторов и их возбудителей
|
Контролируемый узел |
Вибрация, мкм, при частоте вращения ротора, об/мин |
Примечание |
|||||
|
до 100 |
от 100 до 187,5 |
от 187,5 до 375 |
от 375 до 750 |
1500 |
3000 |
||
|
1. Подшипники турбогенераторов и возбудителей, крестовины со встроенными в них направляющими подшипниками гидрогенераторов вертикального исполнения |
180 |
150 |
100 |
70 |
50* |
30* |
Вибрация подшипников турбогенераторов, их возбудителей и горизонтальных гидрогенераторов измеряется на верхней крышке подшипников в вертикальном направлении и у разъема - в осевом и поперечном направлениях. Для вертикальных гидрогенераторов приведенные значения вибрации относятся к горизонтальному и вертикальному направлениям. |
|
2. Контактные кольца ротора турбогенераторов |
- |
- |
- |
- |
- |
200 |
Вибрации измеряются в горизонтальном и вертикальном направлениях. |
Вибрация подшипников синхронных компенсаторов с номинальной частотой вращения ротора 750 - 1500 об/мин не должна превышать 80 мкм по размаху вибросмещений или 2,2 мм·с-1 по среднеквадратическому значению вибрационной скорости.
* при наличии аппаратуры контроля виброскорости производится ее измерение, среднеквадратическое значение виброскорости не должно превышать 2,8 мм·с-1 по вертикальной и поперечной осям и 4,5 мм·с-1 - по продольной оси.
11. Проверка и испытание системы охлаждения.
Производится в соответствии с инструкцией завода-изготовителя.
12. Проверка и испытание системы маслоснабжения.
Производится в соответствии с инструкцией завода-изготовителя.
13. Проверка изоляции подшипника при работе генератора (компенсатора).
Производится путем измерения напряжения между концами вала, а также между фундаментной плитой и корпусом изолированного подшипника. При этом напряжение между фундаментной плитой и подшипником должно быть не более напряжения между концами вала. Различие между напряжениями более чем на 10 % указывает на неисправность изоляции.
14. Испытание генератора (компенсатора) под нагрузкой.
Нагрузка определяется практическими возможностями в период приёмо-сдаточных испытаний. Нагрев статора при данной нагрузке должен соответствовать паспортным данным.
15. Определение характеристик коллекторного возбудителя.
Характеристика холостого хода определяется до наибольшего (потолочного) значения напряжения или значения, установленного заводом-изготовителем.
Снятие нагрузочной характеристики производится при нагрузке на ротор генератора не ниже номинального тока возбуждения генератора. Отклонения характеристик от заводских должны быть в пределах допустимой погрешности измерений.
16. Испытание концевых выводов обмотки статора турбогенератора серии ТГВ.
Помимо испытаний, указанных в табл. 1.8.1 и 1.8.3, концевые выводы с конденсаторной стеклоэпоксидной изоляцией подвергаются испытаниям по пп. 16.1 и 16.2.
16.1. Измерение тангенса угла диэлектрических потерь (tgδ).
Измерение производится перед установкой концевого вывода на турбогенератор при испытательном напряжении 10 кВ и температуре окружающего воздуха 10 - 30 °С.
Значение tgδ собранного концевого вывода не должно превышать 130 % значения, полученного при измерениях на заводе. В случае измерения tgδ концевого вывода без фарфоровых покрышек его значение не должно превышать 3 %.
Испытание на газоплотность концевых выводов, испытанных на заводе давлением 0,6 МПа, производится давлением сжатого воздуха 0,5 МПа.
Концевой вывод считается выдержавшим испытание, если при давлении 0,3 МПа падение давления не превышает 1 кПа/ч.
17. Измерение остаточного напряжения генератора при отключении АГП в цепи ротора.
Значение остаточного напряжения не нормируется.
18. Испытание генератора (компенсатора) под нагрузкой.
Нагрузка определяется практически возможностями в период приемо-сдаточных испытаний. Нагрев статора при данной нагрузке должен соответствовать данным завода-изготовителя.
Машины постоянного тока мощностью до 200 кВт, напряжением до 440 В следует испытывать по пп. 1, 2, 4в, 8; все остальные - дополнительно по пп. 3, 4а, 5 настоящего параграфа.
Возбудители синхронных генераторов и компенсаторов следует испытывать по пп. 1 - 6, 8 настоящего параграфа.
Измерение по п. 7 настоящего параграфа следует производить для машин, поступивших на место монтажа в разобранном виде.
1. Определение возможности включения без сушки машин постоянного тока.
Следует производить в соответствии с указаниями завода-изготовителя.
2. Измерение сопротивления изоляции.
а) Сопротивление изоляции обмоток.
Измерение производится при номинальном напряжении обмотки до 0,5 кВ включительно мегаомметром на напряжении 500 В, а при номинальном напряжении обмотки выше 0,5 кВ - мегаомметром на протяжении 1000 В.
Измеренное значение сопротивления изоляции должно быть не менее приведенного в табл. 1.8.7.
Таблица 1.8.7
Наименьшие допустимые значения сопротивления изоляции обмоток машин постоянного тока
|
Сопротивление изоляции R60", МОм, при номинальном напряжении машин, В |
|||||
|
230 |
460 |
650 |
750 |
900 |
|
|
10 |
2,7 |
5,3 |
8,0 |
9,3 |
108 |
|
20 |
1,85 |
3,7 |
5,45 |
6,3 |
7,5 |
|
30 |
1,3 |
2,6 |
3,8 |
4,4 |
5,2 |
|
40 |
0,85 |
1,75 |
2,5 |
2,9 |
3,5 |
|
50 |
0,6 |
1,2 |
1,75 |
2,0 |
2,35 |
|
60 |
0,4 |
0,8 |
1,15 |
1,35 |
1,6 |
|
70 |
0,3 |
0,5 |
0,8 |
0,9 |
1,0 |
|
75 |
0,22 |
0,45 |
0,65 |
0,75 |
0,9 |
б) Сопротивление изоляции бандажей.
Измерение производится относительно корпуса и удерживаемых ими обмоток.
Измеренное значение сопротивления изоляции должно быть не менее 0,5 МОм.
3. Испытание изоляции повышенным напряжением промышленной частоты.
Испытание производится по нормам, приведенным в табл. 1.8.8. Продолжительность приложения нормированного испытательного напряжения 1 мин. Обмотки машин мощностью менее 3 кВт допускается не испытывать.
Таблица 1.8.8
Испытательное напряжение промышленной частоты изоляции машин постоянного тока
|
Характеристика электрической машины |
Испытательное напряжение, кВ |
|
|
Обмотка |
Машины всех мощностей |
8Uном., но не ниже 1,2 и не выше 2,8 |
|
Бандажи якоря |
Тоже |
1 |
|
Реостаты и пускорегулировочные резисторы (испытание может проводиться совместно с цепями возбуждения) |
- |
1 (Изоляцию можно испытывать совместно с изоляцией цепей возбуждения) |
4. Измерение сопротивления постоянному току:
а) обмоток возбуждения. Значение сопротивления должно отличаться от данных завода-изготовителя не более чем на 2 %;
б) обмотки якоря (между коллекторными пластинами). Значения сопротивлений должны отличаться одно от другого не более чем на 10 % за исключением случаев, когда колебания обусловлены схемой соединения обмоток;
в) реостатов и пускорегулировочных резисторов. Измеряется общее сопротивление, проверяется целость отпаек. Значения сопротивлений должны отличаться от данных завода-изготовителя не более чем на 10 %.
5. Снятие характеристики холостого хода и испытание витковой изоляции.
Подъем напряжения следует производить: для генераторов постоянного тока до 130 % номинального напряжения; для возбудителей - до наибольшего (потолочного) или установленного заводом-изготовителем напряжения. При испытании витковой изоляции машин с числом полюсов более четырех среднее напряжение между соседними коллекторными пластинами должно быть не выше 24 В. Продолжительность испытания витковой изоляции - 3 мин.
Отклонение данных полученной характеристики от значений заводской характеристики должно находиться в пределах погрешности измерения.
6. Снятие нагрузочной характеристики.
Следует производить для возбудителей при нагрузке до значения не ниже номинального тока возбуждения генератора. Отклонение от заводской характеристики не нормируется.
7. Измерение воздушных зазоров между полюсами.
Измерения производятся у машин мощностью 200 кВт и более. Размеры зазора в диаметрально противоположных точках должны отличаться один от другого не более чем на 10 % среднего размера зазора. Для возбудителей турбогенераторов 300 МВт и более это отличие не должно превышать 5 %.
8. Испытание на холостом ходу и под нагрузкой.
Определяется предел регулирования частоты вращения или напряжения, который должен соответствовать заводским и проектным данным.
Электродвигатели переменного тока напряжением до 1 кВ испытываются по пп. 2, 4б, 5, 6.
Электродвигатели переменного тока напряжением выше 1 кВ испытываются по пп. 1 - 6.
1. Определение возможности включения без сушки электродвигателей напряжением выше 1 кВ.
Электродвигатели переменного тока включаются без сушки, если значение сопротивления изоляции и коэффициента абсорбции не ниже указанных в табл. 1.8.9.
2. Измерение сопротивления изоляции.
Допустимые значения сопротивления изоляции электродвигателей напряжением выше 1 кВ должны соответствовать нормам, приведенным в табл. 1.8.10.
Таблица 1.8.9
Допустимые значения сопротивления изоляции и коэффициента абсорбции для обмоток статора электродвигателей
|
Мощность, номинальное напряжение электродвигателя, вид изоляции обмоток |
Критерии оценки состояния изоляции обмотки статора |
|
|
Значение сопротивления изоляции, МОм |
Значение коэффициента абсорбции R60/R15 |
|
|
1. Мощность более 5 МВт, термореактивная и микалентная компаундированная изоляция |
При температуре 10 - 30 °С сопротивление изоляции не ниже 10 МОм на 1 кВ номинального линейного напряжения |
Не менее 1,3 при температуре 10 - 30 °С |
|
2. Мощность 5 МВт и ниже, напряжение выше 1 кВ, термореактивная изоляция |
||
|
3. Двигатели с микалентной компаундированной изоляцией, напряжение выше 1 кВ, мощностью от 1 до 5 МВт включительно, а также двигатели меньшей мощности наружной установки с такой же изоляцией напряжением выше 1 кВ |
Не ниже значений, указанных в табл. 1.8.10. |
Не менее 1,2 |
|
4. Двигатели с микалентной компаундированной изоляцией, напряжение выше 1 кВ, мощностью более 1 МВт, кроме указанных в п. 3 |
Не ниже значений, указанных в табл. 1.8.10. |
- |
|
5. Напряжение ниже 1 кВ, все виды изоляции |
Не ниже 1,0 МОм при температуре 10 - 30 °С |
- |
|
6. Обмотка ротора |
0,2 |
- |
|
7. Термоиндикаторы с соединительными проводами, подшипники |
В соответствии с указаниями заводов-изготовителей |
|
У синхронных электродвигателей и электродвигателей с фазным ротором на напряжение 3 кВ и выше или мощностью более 1 МВт производится измерение сопротивления изоляции ротора мегаомметром на напряжение 1000 В. Измеренное значение сопротивления должно быть не ниже 0,2 МОм.
Таблица 1.8.10
Наименьшие допустимые значения сопротивления изоляции для электродвигателей (табл. 1.8.9, пп. 3, 4)
|
Температура обмотки, °С |
Сопротивление изоляции R60", МОм, при номинальном напряжении обмотки, кВ |
||
|
3 - 3,15 |
6 - 6,3 |
10 - 10,5 |
|
|
10 |
30 |
60 |
100 |
|
20 |
20 |
40 |
70 |
|
30 |
15 |
30 |
50 |
|
40 |
10 |
20 |
35 |
|
50 |
7 |
15 |
25 |
|
60 |
5 |
10 |
17 |
|
75 |
3 |
6 |
10 |
3. Испытание повышенным напряжением промышленной частоты.
Производится на полностью собранном электродвигателе.
Испытание обмотки статора производится для каждой фазы в отдельности относительно корпуса при двух других, соединенных с корпусом. У двигателей, не имеющих выводов каждой фазы в отдельности, допускается производить испытание всей обмотки относительно корпуса.
Значения испытательных напряжений приведены в табл. 1.8.11. Продолжительность приложения испытательного напряжения 1 мин.
4. Измерение сопротивления постоянному току.
Измерения производится при практически холодном состоянии машины.
а) Обмотки статора и ротора*
* Сопротивление постоянному току обмотки ротора измеряется у синхронных электродвигателей и асинхронных электродвигателей с фазным ротором.
Измерение производится у электродвигателей на напряжение 3 кВ и выше. Приведенные к одинаковой температуре измеренные значения сопротивлений различных фаз обмоток, а также обмотки возбуждения синхронных двигателей не должны отличаться друг от друга и от исходных данных более чем на 2 %.
б) Реостаты и пускорегулировочные резисторы
Для реостатов и пусковых резисторов, установленных на электродвигателях напряжением 3 кВ и выше сопротивление измеряется на всех ответвлениях. Для электродвигателей напряжением ниже 3 кВ измеряется общее сопротивление реостатов и пусковых резисторов и проверяется целостность отпаек.
Значения сопротивления не должны отличаться от исходных значений более чем на 10 %.
5. Проверка работы электродвигателя на холостом ходу или с ненагруженным механизмом.
Продолжительность проверки не менее 1 часа.
6. Проверка работы электродвигателя под нагрузкой.
Производится при нагрузке, обеспечиваемой технологическим оборудованием к моменту сдачи в эксплуатацию. При этом для электродвигателя с регулируемой частотой вращения определяются пределы регулирования. Проверяется тепловое и вибрационное состояние двигателя.
Маслонаполненные трансформаторы мощностью до 630 кВА испытываются по пп. 1, 2 (только сопротивление изоляции), 11 - 14.
Таблица 1.8.11
Испытательные напряжения промышленной частоты для обмоток электродвигателей переменного тока
|
Испытуемый элемент |
Мощность электродвигателя, кВт |
Номинальное напряжение электродвигателя, кВ |
Испытательное напряжение, кВ |
|
1. Обмотка статора. |
Менее 1,0 |
Ниже 0,1 |
0,8(2Uном. + 0,5) |
|
От 1,0 и до 1000 |
Ниже 0,1 |
0,8(2Uном. + 1) |
|
|
|
Выше 0,1 |
0,8(2Uном. + 1), но не менее 1,2 |
|
|
От 1000 и более |
До 3,3 включительно |
0,8(2Uном. + 1) |
|
|
От 1000 и более |
Свыше 3,3 до 6,6 включительно |
0,8 × 2,5Uном. |
|
|
От 1000 и более |
Свыше 6,6 |
0,8(2 Uном. + 3) |
|
|
2. Обмотка ротора синхронных электродвигателей, предназначенных для непосредственного пуска, с обмоткой возбуждения, замкнутой на резистор или источник питания. |
- |
- |
8-кратное Uном. системы возбуждения, но не менее 1,2 и не более 2,8 |
|
3. Обмотка ротора электродвигателя с фазным ротором. |
- |
- |
1,5Uр*, но не менее 1,0 |
|
4. Резистор цепи гашения поля синхронных двигателей. |
- |
- |
2,0 |
|
5. Реостаты и пускорегулирующие резисторы. |
- |
- |
1,5Uр*, но не менее 1,0 |
|
* Uр напряжение на кольцах при разомкнутом неподвижном роторе и номинальном напряжении на статоре. |
|||
Маслонаполненные трансформаторы мощностью до 1,6 МВ·А испытываются по пп. 1, 2, 4, 9, 11 - 14.
Маслонаполненные трансформаторы мощностью более 1,6 МВ·А, а также трансформаторы собственных нужд электростанций независимо от мощности испытываются в полном объеме, предусмотренном настоящим параграфом.
Сухие и заполненные негорючим жидким диэлектриком трансформаторы всех мощностей испытываются по пп. 1 - 7, 12, 14.
1. Определение условий включения трансформаторов.
Следует производить в соответствии с указаниями завода-изготовителя.
2. Измерение характеристик изоляции.
Для трансформаторов напряжением до 35 кВ включительно мощностью до 10 МВ·А и дугогасящих реакторов сопротивление изоляции обмоток должно быть не ниже следующих значений:
Тобм. °С 10 20 30 40 50 60 70
R60, МОм 450 300 200 130 90 60 40
Сопротивление изоляции сухих трансформаторов при температуре 20 - 30 °С должно быть для обмоток с номинальным напряжением:
- до 1 кВ включительно - не менее 100 МОм;
- более 1 кВ до 6 кВ - не менее 300 МОм;
- более 6 кВ - не менее 500 МОм.
Для остальных трансформаторов сопротивление изоляции, приведенное к температуре измерений на заводе-изготовителе, должно составлять не менее 50 % исходного значения.
Значения тангенса угла диэлектрических потерь (tgδ), приведенные к температуре измерений на заводе-изготовителе, не должны отличаться от исходных значений в сторону ухудшения более чем на 50 %.
Измерение сопротивления изоляции и tgδ должно производиться при температуре обмоток не ниже:
10 °С - у трансформаторов напряжением до 150 кВ;
20 °С - у трансформаторов напряжением 220 - 750 кВ.
Измерение tgδ трансформаторов мощностью до 1600 кВА не обязательно.
Измерение сопротивления изоляции доступных стяжных шпилек, бандажей, полубандажей ярем и прессующих колец относительно активной стали и электростатических экранов, относительно обмоток и магнитопровода производится в случае осмотра активной части. Измеренные значения должны быть не менее 2 МОм, а изоляции ярмовых балок не менее 0,5 МОм. Измерения производятся мегаомметром на напряжение 1000 В.
3. Испытание повышенным напряжением промышленной частоты:
а) изоляции обмоток вместе с вводами. Испытательные напряжения приведены в табл. 1.8.12. Продолжительность приложения нормированного испытательного напряжения 1 мин.
Испытание повышенным напряжением промышленной частоты изоляции обмоток маслонаполненных трансформаторов не обязательно.
Испытание повышенным напряжением промышленной частоты изоляции обмоток сухих трансформаторов обязательно и производится по нормам табл. 1.8.12 для аппаратов с облегченной изоляцией.
Импортные трансформаторы разрешается испытывать напряжениями, указанными в табл. 1.8.12, лишь в тех случаях, если они не превышают напряжения, которым данный трансформатор был испытан на заводе.
Испытательное напряжение заземляющих реакторов на напряжение до 35 кВ аналогично приведенным для трансформаторов соответствующего класса;
б) изоляции доступных стяжных шпилек, прессующих колец и ярмовых балок. Испытание следует производить в случае осмотра активной части. Испытательное напряжение 1 кВ. Продолжительность приложения нормированного испытательного напряжения 1 мин.
Таблица 1.8.12
Испытательное напряжение промышленной частоты внутренней изоляции силовых маслонаполненных трансформаторов и реакторов с нормальной изоляцией и трансформаторов с облегченной изоляцией (сухих и маслонаполненных)
|
Класс напряжения обмотки, кВ |
Испытательное напряжение по отношению к корпусу и другим обмоткам, кВ, для изоляции |
|
|
нормальной |
облегченной |
|
|
От 0,05 до 1 |
4,5 |
2,7 |
|
3 |
16,2 |
9 |
|
6 |
22,5 |
15,4 |
|
10 |
31,5 |
21,6 |
|
15 |
40,5 |
33,5 |
|
20 |
49,5 |
- |
|
35 |
76,5 |
- |
4. Измерение сопротивления обмоток постоянному току.
Производится на всех ответвлениях. Сопротивление должно отличаться не более чем на 2 % от сопротивления, полученного на таком же ответвлении других фаз, или от данных завода-изготовителя.
Значение сопротивления обмоток однофазных трансформаторов после температурного перерасчета не должно отличаться более чем на 5 % от исходных значений.
5. Проверка коэффициента трансформации.
Производится на всех ступенях переключения. Коэффициент трансформации должен отличаться не более чем на 2 % от значений, полученных на том же ответвлении на других фазах, или от данных завода-изготовителя. Для трансформаторов с РПН разница между коэффициентами трансформации не должна превышать значения ступени регулирования.
6. Проверка группы соединения трехфазных трансформаторов и полярности выводов однофазных трансформаторов.
Производится, если отсутствуют паспортные данные или есть сомнения в достоверности этих данных. Группа соединений должна соответствовать паспортным данным и обозначениям на щитке.
7. Измерение потерь холостого хода.
Измерения производятся у трансформаторов мощностью 1000 кВ·А и более при напряжении, подводимом к обмотке низшего напряжения, равном указанному в протоколе заводских испытаний (паспорте), но не более 380 В. У трехфазных трансформаторов потери холостого хода измеряются при однофазном возбуждении по схемам, применяемым на заводе-изготовителе.
У трехфазных трансформаторов при вводе в эксплуатацию соотношение потерь на разных фазах не должно отличаться от соотношений, приведенных в протоколе заводских испытаний (паспорте), более чем на 5 %.
У однофазных трансформаторов при вводе в эксплуатацию отличие измеренных значений потерь от исходных не должно превышать 10 %.
7.1. Измерение сопротивления короткого замыкания (Zк) трансформатора.
Измерение производится у трансформаторов 125 МВ·А и более.
Для трансформаторов с устройством регулирования напряжения под нагрузкой Zк измеряется на основном и обоих крайних ответвлениях.
Значения Zк не должны превышать значения, определенного по напряжению КЗ (uк) трансформатора на основном ответвлении более чем на 5 %.
8. Проверка работы переключающего устройства.
Производится в соответствии с указаниями завода-изготовителя.
9. Испытание бака с радиаторами.
Испытаниям подвергаются все трансформаторы, кроме герметизированных и не имеющих расширителя. Испытание производится:
- у трансформаторов напряжением до 35 кВ включительно - гидравлическим давлением столба масла, высота которого над уровнем заполненного расширителя составляет 0,6 м, за исключением трансформаторов с волнистыми баками и пластинчатыми радиаторами, для которых высота столба масла принимается равной 0,3 м;
- у трансформаторов с пленочной защитой масла - созданием внутри гибкой оболочки избыточного давления воздуха 10 кПа;
- у остальных трансформаторов - созданием избыточного давления азота или сухого воздуха 10 кПа в надмасляном пространстве расширителя.
Продолжительность испытания во всех случаях - не менее 3 ч. Температура масла в баке при испытаниях трансформаторов напряжением до 150 кВ включительно - не ниже 10 °С, остальных - не ниже 20 °С.
Трансформатор считается маслоплотным, если осмотром после испытания течь масла не обнаружена.
10. Проверка устройств охлаждения.
Режим пуска и работы охлаждающих устройств должен соответствовать указаниям завода-изготовителя.
11. Проверка средств защиты масла.
Производится в соответствии с указаниями завода-изготовителя.
12. Фазировка трансформаторов.
Должно иметь место совпадение по фазам.
13. Испытание трансформаторного масла.
Свежее масло перед заливкой вновь вводимых трансформаторов, прибывающих без масла, должно быть испытано по показателям пп. 1 - 6, 7 - 12 табл. 1.8.33.
У трансформаторов напряжением до 35 кВ масло рекомендуется испытывать по показателям пп. 1 - 7 табл. 1.8.33, допускается не производить испытания по пп. 3, 6 и 7 табл. 1.8.33.
У трансформаторов напряжением 110 кВ и выше масло испытывается по пп. 1 - 7 табл. 1.8.33, а у трансформаторов с пленочной защитой масла - дополнительно по п. 10.
У трансформаторов с РПН масло из бака контактора устройства регулирования напряжения под нагрузкой испытывается в соответствии с инструкцией завода-изготовителя РПН.
Из герметизированных трансформаторов проба масла не отбирается.
У трансформаторов напряжением 110 кВ и выше, а также блочных трансформаторов собственных нужд, рекомендуется производить хроматографический анализ растворенных в масле газов.
Масло из трансформаторов, прибывающих на монтаж с маслом при наличии удовлетворяющих нормам показателей заводского испытания, проведенного не более чем за 6 месяцев до включения трансформатора в работу, разрешается испытывать только по показателям пп. 1 и 2 табл. 1.8.33.
У трансформаторов мощностью до 630 кВА проверку масла допускается производить только по пп. 1 и 2 (визуально) табл. 1.8.33.
14. Испытание включением толчком на номинальное напряжение.
В процессе 3 - 5-кратного включения трансформатора на номинальное напряжение не должны иметь место явления, указывающие на неудовлетворительное состояние трансформатора.
Трансформаторы, смонтированные по схеме блока с генератором, рекомендуется включать в сеть подъемом напряжения с нуля.
15. Испытание вводов.
Следует производить в соответствии с 1.8.33.
16. Испытание встроенных трансформаторов тока.
Следует производить в соответствии с 1.8.17.
1. Измерение сопротивления изоляции.
Измерение сопротивления основной изоляции трансформаторов тока, изоляции измерительного конденсатора и вывода последней обкладки бумажно-масляной изоляции конденсаторного типа производится мегаомметром на 2500 В.
Измерение сопротивления вторичных обмоток и промежуточных обмоток каскадных трансформаторов тока относительно цоколя производится мегаомметром на 1000 В.
Измеренные значения сопротивления изоляции должны быть не менее приведенных в табл. 1.8.13.
У каскадных трансформаторов тока сопротивление изоляции измеряется для трансформатора тока в целом. При неудовлетворительных результатах таких измерений сопротивление изоляции дополнительно измеряется по ступеням.
Таблица 1.8.13
Сопротивление изоляции каскадных трансформаторов тока
|
Класс напряжения, кВ |
Допустимые сопротивления изоляции, МОм, не менее |
||||
|
Основная изоляция |
Измерительный вывод |
Наружные слои |
Вторичные обмотки* |
Промежуточные обмотки |
|
|
3 - 35 |
1000 |
- |
- |
50 (1) |
- |
|
110 - 220 |
3000 |
- |
- |
50 (1) |
- |
|
330 - 750 |
5000 |
3000 |
1000 |
50 (1) |
1 |
|
* Сопротивления изоляции вторичных обмоток приведены: без скобок - при отключенных вторичных цепях, в скобках - с подключенными вторичными цепями. |
|||||
2. Измерение tgδ изоляции.
Измерения tgδ трансформаторов тока с основной бумажно-масляной изоляцией производятся при напряжении 10 кВ.
Измеренные значения, приведенные к температуре 20 °С, должны быть не более указанных в табл. 1.8.14.
У каскадных трансформаторов тока tgδ основной изоляции измеряется для трансформатора тока в целом. При неудовлетворительных результатах таких измерений tgδ основной изоляции дополнительно производится измерение по ступеням.
3. Испытание повышенным напряжением промышленной частоты 50 Гц.
3.1. Испытание повышенным напряжением основной изоляции.
Значения испытательного напряжения основной изоляции приведены в табл. 1.8.16. Длительность испытания трансформаторов тока - 1 мин.
Допускается проведение испытаний трансформаторов тока совместно с ошиновкой. Трансформаторы тока напряжением более 35 кВ не подвергаются испытаниям повышенным напряжением.
Таблица 1.8.14
Значения tgδ основной изоляции трансформаторов тока
|
Тип изоляции |
Предельные значения tgδ %, основной изоляции трансформаторов тока на номинальное |
||||||
|
3 - 15 |
20 - 35 |
110 |
220 |
330 |
500 |
750 |
|
|
Бумажно-бакелитовая |
3,0 |
2,5 |
2,0 |
- |
- |
- |
- |
|
Основная бумажно-масляная и конденсаторная изоляция |
|
2,5 |
2,0 |
1,0 |
Не более 150 % от измеренного на заводе, но не выше 0,8 |
||
3.2. Испытание повышенным напряжением изоляции вторичных обмоток.
Значение испытательного напряжения для изоляции вторичных обмоток вместе с присоединенными к ним цепями принимается равным 1 кВ.
Продолжительность приложения испытательного напряжения - 1 мин.
4. Снятие характеристик намагничивания.
Характеристика снимается повышением напряжения на одной из вторичных обмоток до начала насыщения, но не выше 1800 В.
При наличии у обмоток ответвлений характеристика снимается на рабочем ответвлении.
Снятая характеристика сопоставляется с типовой характеристикой намагничивания или с характеристиками намагничивания исправных трансформаторов тока, однотипных с проверяемыми.
Отличия от значений, измеренных на заводе-изготовителе, или от измеренных на исправном трансформаторе тока, однотипном с проверяемым, не должны превышать 10 %.
Допускается снятие только трёх контрольных точек.
5. Измерение коэффициента трансформации.
Отклонение измеренного коэффициента от указанного в паспорте или от измеренного на исправном трансформаторе тока, однотипном с проверяемым, не должно превышать 2 %.
6. Измерение сопротивления вторичных обмоток постоянному току.
Измерение проводится у трансформаторов тока на напряжение 110 кВ и выше.
Отклонение измеренного сопротивления обмотки постоянному току от паспортного значения или от измеренного на других фазах не должно превышать 2 %. При сравнении измеренного значения с паспортными данными измеренное значение сопротивления должно приводиться к заводской температуре. При сравнении с другими фазами измерения на всех фазах должны проводиться при одной и той же температуре.
7. Испытания трансформаторного масла.
При вводе в эксплуатацию трансформаторов тока трансформаторное масло должно быть испытано в соответствии с требованиями табл. 1.8.33 пп. 1 ÷ 6, а у герметичных и по п. 10.
У маслонаполненных каскадных трансформаторов тока оценка состояния трансформаторного масла в каждой ступени проводится по нормам, соответствующим рабочему напряжению ступени.
8. Испытание встроенных трансформаторов тока.
Производится по пп. 1, 3.2, 4 ÷ 6. Измерение сопротивления изоляции встроенных трансформаторов тока производится мегаомметром на напряжение 1000 В.
Измеренное сопротивление изоляции без вторичных цепей должно быть не менее 10 МОм.
Допускается измерение сопротивления изоляции встроенных трансформаторов тока вместе со вторичными цепями. Измеренное сопротивление изоляции должно быть не менее 1 МОм.
1. Электромагнитные трансформаторы напряжения.
1.1. Измерение сопротивления изоляции обмоток.
Измерение сопротивления изоляции обмотки ВН трансформаторов напряжения производится мегаомметром на напряжение 2500 В.
Измерение сопротивления изоляции вторичных обмоток, а также связующих обмоток каскадных трансформаторов напряжения производится мегаомметром на напряжение 1000 В.
Измеренные значения сопротивления изоляции должны быть не менее приведенных в табл. 1.8.15.
Таблица 1.8.15
Сопротивление изоляции трансформаторов напряжения
|
Допустимые сопротивления изоляции, МОм, не менее |
|||
|
Основная изоляция |
Вторичные обмотки* |
Связующие обмотки* |
|
|
3 - 35 |
100 |
50 (1) |
1 |
|
110 - 500 |
300 |
50 (1) |
1 |
|
* Сопротивления изоляции вторичных обмоток приведены: без скобок - при отключенных вторичных цепях; в скобках - совместно с подключенными вторичными цепями. |
|||
1.2. Испытание повышенным напряжением частоты 50 Гц.
Испытание изоляции обмотки ВН повышенным напряжением частоты 50 Гц проводятся для трансформаторов напряжения с изоляцией всех выводов обмотки ВН этих трансформаторов на номинальное напряжение.
Значения испытательного напряжения основной изоляции приведены в табл. 1.8.15.
Длительность испытания трансформаторов напряжения - 1 мин.
Значение испытательного напряжения для изоляции вторичных обмоток вместе с присоединёнными к ним цепями принимается равным 1 кВ.
Продолжительность приложения испытательного напряжения - 1 мин.
1.3. Измерение сопротивления обмоток постоянному току.
Измерение сопротивления обмоток постоянному току производится у связующих обмоток каскадных трансформаторов напряжения.
Отклонение измеренного сопротивления обмотки постоянному току от паспортного значения или от измеренного на других фазах не должно превышать 2 %. При сравнении измеренного значения с паспортными данными измеренное значение сопротивления должно приводиться к температуре заводских испытаний. При сравнении с другими фазами измерения на всех фазах должны проводиться при одной и той же температуре.
1.4. Испытание трансформаторного масла.
При вводе в эксплуатацию трансформаторов напряжения масло должно быть испытано в соответствии с требованиями табл. 1.8.32 пп. 1 ÷ 6.
У маслонаполненных каскадных трансформаторов напряжения оценка состояния масла в отдельных ступенях проводится по нормам, соответствующим рабочему напряжению ступени.
2. Емкостные трансформаторы напряжения.
2.1. Испытание конденсаторов делителей напряжения.
Испытание конденсаторов делителей напряжения проводятся в соответствии с требованиями раздела 1.8.27.
2.2. Измерение сопротивления изоляция электромагнитного устройства.
Измерение сопротивления изоляции обмоток проводится мегаомметром на 2500 В.
Сопротивление изоляции не должно отличаться от указанного в паспорте более чем на 30 % в худшую сторону, но составлять не менее 300 МОм.
2.3. Испытание электромагнитного устройства повышенным напряжением частоты 50 Гц.
Испытаниям подвергается изоляция вторичных обмоток электромагнитного устройства.
Испытательное напряжение - 1,8 кВ. Длительность приложения напряжения - 1 мин.
2.4. Измерение сопротивления обмоток постоянному току.
При вводе в эксплуатацию измерение сопротивления обмоток постоянному току производится на всех положениях переключающего устройства.
Измеренные значения, приведенные к температуре при заводских испытаниях, не должны отличаться от указанных в паспорте более чем на 5 %.
2.5. Измерение тока и потерь холостого хода.
Измерение тока и потерь холостого хода производится при напряжениях, указанных в заводской документации.
Измеренные значения не должны отличаться от указанных в паспорте более чем на 10 %.
2.6. Испытание трансформаторного масла из электромагнитного устройства.
Значение пробивного напряжения масла должно быть не менее 30 кВ.
При вводе в эксплуатацию свежее сухое трансформаторное масло для заливки (доливки) электромагнитного устройства должно быть испытано в соответствии с требованиями табл. 1.8.33 пп. 1 ÷ 6).
2.7. Испытание вентильных разрядников.
Проводятся согласно указаниям раздела 1.8.31.
1. Измерение сопротивления изоляции:
а) подвижных и направляющих частей, выполненных из органических материалов. Производится мегаомметром на напряжение 2500 В.
Сопротивление изоляции не должно быть меньше значений, приведенных ниже:
Номинальное напряжение выключателя, кВ 3 - 10 15 - 150 220 - 500
Сопротивление изоляции, МОм 1000 3000 5000
б) вторичных цепей, электромагнитов включения и отключения и т.п. Производится в соответствии с 1.8.37.
2. Испытание вводов.
Производится в соответствии с 1.8.34.
3. Оценка состояния внутрибаковой изоляции и изоляции дугогасительных устройств.
Оценка производится у баковых масляных выключателей на напряжение 35 кВ в том случае, если при измерении tgδ вводов на полностью собранном выключателе получены повышенные значения по сравнению с нормами, приведёнными в табл. 1.8.30.
Внутрибаковая изоляция и изоляция дугогасительных устройств подлежат сушке, если исключение влияния этой изоляции снижает измеренный tgδ более чем на 4 % (абсолютное значение).
4. Испытание изоляции повышенным напряжением промышленной частоты:
а) изоляции выключателей относительно корпуса или опорной изоляции. Производится для выключателей напряжением до 35 кВ. Испытательное напряжение для выключателей принимается в соответствии с данными табл. 1.8.16. Продолжительность приложения нормированного испытательного напряжения 1 мин.
Аналогичному испытанию должна подвергаться изоляция межконтактных разрывов масляных выключателей 6 - 10 кВ.
Таблица 1.8.16
Испытательное напряжение промышленной частоты для внешней изоляции аппаратов
|
Испытательное напряжение, кВ, для аппаратов с изоляцией |
||||
|
нормальной керамической |
нормальной органической |
облегченной керамической |
облегченной органической |
|
|
3 |
24 |
21,6 |
13 |
11,7 |
|
6 |
32 |
28,8 |
21 |
18,9 |
|
10 |
42 |
37,8 |
32 |
28,8 |
|
15 |
55 |
49,5 |
48 |
43,2 |
|
20 |
65 |
58,5 |
- |
- |
|
35 |
95 |
85,5 |
- |
- |
б) изоляции вторичных цепей и обмоток электромагнитов включения и отключения. Значение испытательного напряжения 1 кВ. Продолжительность приложения нормированного испытательного напряжения 1 мин.
5. Измерение сопротивления постоянному току:
а) контактов масляных выключателей. Измеряется сопротивление токоведущей системы полюса выключателя и отдельных его элементов. Значение сопротивления контактов постоянному току должно соответствовать данным завода-изготовителя;
б) шунтирующих резисторов дугогасительных устройств. Измеренное значение сопротивления должно отличаться от заводских данных не более чем на 3 %;
в) обмоток электромагнитов включения и отключения, значение сопротивлений обмоток должно соответствовать указаниям заводов-изготовителей.
6. Измерение временных характеристик выключателей.
Измерение временных характеристик производится для выключателей всех классов напряжения. Измерение скорости включения и отключения следует производить для выключателей 35 кВ и выше, когда это требуется инструкцией завода-изготовителя. Измеренные характеристики должны соответствовать указаниям заводов-изготовителей.
7. Измерение хода подвижных частей (траверс) выключателя, вжима контактов при включении, одновременности замыкания и размыкания контактов.
Полученные значения должны соответствовать указаниям заводов-изготовителей.
8. Проверка регулировочных и установочных характеристик механизмов, приводов и выключателей.
Производится в объеме и по нормам инструкций заводов-изготовителей и паспортов для каждого типа привода и выключателя.
9. Проверка действия механизма свободного расцепления.
Механизм свободного расцепления привода должен позволять производить операции отключения на всем ходе контактов, т.е. в любой момент от начала операции включения.
10. Проверка минимального напряжения (давления) срабатывания выключателей.
Проверка минимального напряжения срабатывания производится пополюсно у выключателей с пополюсными приводами.
Минимальное напряжение срабатывания должно соответствовать нормам, установленным заводами-изготовителями выключателей. Значение давления срабатывания пневмоприводов должно быть на 20 - 30 % меньше нижнего предела рабочего давления.
11. Испытание выключателей многократными опробованиями.
Многократные опробования выключателей - выполнение операций включения и отключения и сложных циклов (ВО без выдержки времени обязательны для всех выключателей; ОВ и ОВО обязательны для выключателей, предназначенных для работы в режиме АПВ) должны производиться при номинальном напряжении на выводах электромагнитов. Число операций и сложных циклов, подлежащих выполнению выключателем, должно составлять:
- 3 - 5 операций включения и отключения;
- 2 - 3 цикла каждого вида.
12. Испытание трансформаторного масла выключателей.
У баковых выключателей всех классов напряжений и малообъемных выключателей 110 кВ и выше испытание масла производится до и после заливки масла в выключатели.
У малообъемных выключателей до 35 кВ масло испытывается до заливки в дугогасительные камеры. Испытание масла производится в соответствии с табл. 1.8.33 пп. 1, 3, 4, 5.
13. Испытание встроенных трансформаторов тока.
Производится в соответствии с 1.8.17.
1. Измерение сопротивления изоляции:
а) опорных изоляторов, изоляторов гасительных камер и отделителей, изолирующих тяг и воздухопроводов выключателей всех классов напряжений. Производится мегаомметром на напряжение 2,5 кВ.
В случае необходимости измерение сопротивления изоляции опорных изоляторов, изоляторов гасительных камер и отделителей следует производить с установкой охранных колец на внешней поверхности.
Сопротивление изоляции должно быть не ниже значений, приведенных в табл. 1.8.17.
Таблица 1.8.17
Наименьшее допустимое сопротивление опорной изоляции и изоляции подвижных частей воздушных выключателей
|
Сопротивление изоляции, МОм, при номинальном напряжении выключателя, кВ |
|||
|
До 10 |
15 - 150 |
220 и выше |
|
|
Опорный изолятор, воздухопровод и тяга (каждое в отдельности), изготовленные из фарфора |
1000 |
3000 |
5000 |
б) вторичных цепей, обмоток электромагнитов включения и отключения. Производится в соответствии с 1.8.37.
2. Испытание повышенным напряжением промышленной частоты:
а) изоляции выключателей. Обязательно для выключателей до 35 кВ. Опорную фарфоровую изоляцию выключателей следует испытывать повышенным напряжением промышленной частоты в соответствии с табл. 1.8.16. Продолжительность приложения нормированного испытательного напряжения 1 мин.
б) изоляции вторичных цепей и обмоток электромагнитов управления. Производится в соответствии с 1.8.37.
3. Измерение сопротивления постоянному току:
а) контактов воздушных выключателей всех классов напряжения. Измерению подлежит сопротивление контактов каждого элемента гасительной камеры, отделителя в отдельности. Наибольшие допустимые значения сопротивления контактов воздушных выключателей приведены в табл. 1.8.18.
Таблица 1.8.18
Предельные значения сопротивлений постоянному току контактных систем воздушных выключателей
|
Сопротивление контура полюса, мкОм, не более |
|
|
ВВН-330-15 |
460 |
|
ВВ-330Б |
380 |
|
ВВ-500Б |
500 |
|
ВВБ-110, ВВБМ-110Б, ВВБК-110Б |
80 |
|
ВВД-220Б, ВВБК-220Б |
300 600 |
|
ВВБ-500А |
900 |
|
ВВБ-750А |
1200 |
|
ВНВ-330-40, ВНВ-330-63, ВНВ-500-40, ВНВ-500-63 |
150 |
|
ВНВ-750 |
230 |
|
Примечания: 1. Предельные значения сопротивлений одного элемента (разрыва) гасительной камеры и отделителя и одного дугогасительного устройства модуля: выключателей серии ВВН - 20 мкОм, серий ВВУ, ВВБ, ВВД, ВВБК - 80 мкОм, серии ВНВ - 70 мкОм. 2. У выключателей типа ВВ напряжением 330 - 500 кВ значения сопротивлений следующих участков токоведущих контуров не должны превышать: 50 мкОм - для шин, соединяющих гасительную камеру с отделением; 80 мкОм - для шины, соединяющей две половины отделителя; 10 мкОм - для перехода с аппаратного вывода отделителя на соединительную шину. 3. Значения сопротивлений каждого разрыва дугогасительного устройства выключателей 330 - 750 кВ серии ВНВ не должны превышать 35 мкОм. |
|
б) обмоток электромагнитов включения и отключения выключателей. Устанавливается для каждого типа выключателей согласно данным завода-изготовителя.
в) результаты измерений сопротивления элементов делителей напряжения и шунтирующих резисторов должны соответствовать заводским нормам, приведенным в таблице 1.8.19.
Таблица 1.8.19
Нормируемые значения сопротивлений постоянному току омических делителей напряжения и шунтирующих резисторов
|
Сопротивления одного элемента, Ом |
|
|
ВВН-110-6 |
150 ± 5 |
|
ВВШ-110Б, ВВШ-150Б |
150+4-2 |
|
ВВН-154-8, ВВН-220-10, ВВН-220-15, ВВН-330-15 |
15000 ± 150 |
|
ВВ-330, ВВ-500 |
14140 ± 140 |
|
ВВУ-35 |
4,6 - 0,25 |
|
ВВУ-110Б |
5 ± 0,3 (нижний модуль) 100 ± 2 (верхний модуль) |
|
ВВБ-110, ВВБ-220Б |
100 ± 2 |
|
ВВБМ-110Б, ВВД-220Б |
50 ± 1 |
|
ВВБК-110Б, ВВБК-220Б |
47,5+1-0,5 |
|
ВНВ-330-63, ВНВ-500-63 |
75+1-3 |
|
Примечание. Сопротивления шунтирующих резисторов, подлежащих установке на одном полюсе выключателя, не должны отличаться друг от друга более, чем допускается заводской инструкцией. |
|
4. Проверка характеристик выключателя.
Характеристики выключателя, снятые при номинальном, минимальном и максимальном рабочих давлениях при простых операциях и сложных циклах, должны соответствовать данным завода-изготовителя.
5. Проверка минимального напряжения срабатывания выключателя.
Электромагниты управления воздушных выключателей должны срабатывать при напряжении не более 0,7·Uном. при питании привода от источника постоянного тока и не более 0,65·Uном. при питании от сети переменного тока через выпрямительные устройства и наибольшем рабочем давлении сжатого воздуха в резервуарах выключателя. Напряжение на электромагниты должно подаваться толчком.
6. Испытание выключателя многократным включением и отключением.
Количество операций и сложных циклов, выполняемых каждым выключателем, устанавливается согласно табл. 1.8.20.
7. Испытание конденсаторов делителей напряжения воздушных выключателей.
Производится в соответствии с 1.8.30.
Таблица 1.8.20
Условия и число опробований выключателей при наладке
|
Давление при опробовании |
Напряжения на выводах |
Число операций и циклов |
|
|
1. Включение |
Наименьшее срабатывание |
Номинальное |
3 |
|
2. Отключение |
Тоже |
То же |
3 |
|
3. ВО |
« |
« |
2 |
|
4. Включение |
Наименьшее рабочее |
« |
3 |
|
5. Отключение |
Тоже |
« |
3 |
|
6. ВО |
« |
« |
2 |
|
7. Включение |
Номинальное |
» |
3 |
|
8. Отключение |
Тоже |
» |
3 |
|
9. ОВ |
« |
» |
2 |
|
10. Включение |
Наибольшее рабочее |
0,7 номинального |
2 |
|
11. Отключение |
Тоже |
То же |
2 |
|
12. ВО |
« |
Номинальное |
2 |
|
13. ОВО |
« |
То же |
2 |
|
14. ОВО |
Наименьшее для АПВ |
« |
2 |
|
Примечание. При выполнении операций и сложных циклов (пп. 4 - 9,12 - 14) должны быть сняты зачетные осциллограммы. |
|||
1. Измерение сопротивления изоляции вторичных цепей и обмоток электромагнитов управления.
Измерение должно выполняться согласно указаниям раздела 1.8.37.
2. Испытание изоляции выключателя.
2.1. Испытание изоляции должно выполняться напряжением промышленной частоты согласно табл. 1.8.16. Допускается не производить испытание выключателей, заполненных элегазом на заводе-изготовителе и не подлежащих вскрытию в течение всего срока службы.
2.2. Испытание изоляции вторичных цепей и обмоток электромагнитов управления должно выполняться в соответствии с указаниями раздела 1.8.37.
3. Измерение сопротивления постоянному току.
3.1. Измерение сопротивления главной цепи. Сопротивление главной цепи должно измеряться как в целом всего токоведущего контура полюса, так и отдельно каждого разрыва дугогасительного устройства.
Измеренные значения должны соответствовать нормам завода-изготовителя.
Измерения не производятся у выключателей, заполненных элегазом на заводе-изготовителе и не подлежащих вскрытию в течение всего срока службы.
3.2. Измерение сопротивления обмоток электромагнитов управления и добавочных резисторов в их цепи. Измеренные значения сопротивлений должны соответствовать нормам завода-изготовителя.
4. Проверка минимального напряжения срабатывания выключателей.
Выключатели должны срабатывать при напряжении не более 0,85·Uном. при питании привода от источника постоянного тока; 0,7·Uном. при питании привода от сети переменного тока при номинальном давлении элегаза в полостях выключателя и наибольшем рабочем давлении в резервуарах привода. Напряжение на электромагниты должно подаваться толчком.
5. Испытание конденсаторов делителей напряжения.
Испытания должны выполняться согласно указаниям 1.8.30.
Значение измеренной ёмкости должно соответствовать норме завода-изготовителя.
6. Проверка характеристик выключателя.
При проверке работы элегазовых выключателей должны определяться характеристики, предписанные заводскими инструкциями. Результаты проверок и измерений должны соответствовать паспортным данным.
7. Испытание выключателей многократными опробованиями.
Многократные опробования - выполнение операций включения и отключения и сложных циклов (ВО без выдержки времени между операциями - для всех выключателей; ОВ и ОВО - для выключателей, предназначенных для работы в режиме АПВ) - должны производиться при различных давлениях сжатого воздуха в приводе и напряжениях на выводах электромагнитов управления с целью проверки исправности действия выключателей согласно таблице 1.8.20. Производятся при номинальном напряжении на выводах электромагнитов привода или при номинальном давлении сжатого воздуха привода.
Число операций и сложных циклов, подлежащих выполнению выключателем, должно составлять:
- 3 - 5 операций включения и отключения;
- 2 - 3 цикла каждого вида.
8. Проверка герметичности.
Проверка герметичности производится с помощью течеискателя. При испытании на герметичность щупом течеискателя обследуются места уплотнений стыковых соединений и сварных швов выключателя.
Результат испытания на герметичность считается удовлетворительным, если течеискатель не показывает утечки. Испытание производится при номинальном давлении элегаза.
9. Проверка содержания влаги в элегазе.
Содержание влаги в элегазе определяется перед заполнением выключателя элегазом на основании измерения точки росы. Температура точки росы элегаза должна быть не выше минус 50 °С.
10. Испытание встроенных трансформаторов тока.
Испытания должны выполняться в соответствии с указаниями 1.8.17.
1. Измерение сопротивления изоляции вторичных цепей и обмоток электромагнитов управления.
Измерение производится согласно указаниям раздела 1.8.37.
2. Испытание изоляции повышенным напряжением частоты 50 Гц.
2.1. Испытание изоляции выключателя.
Значение испытательного напряжения принимается согласно табл. 1.8.16.
2.2. Испытание изоляции вторичных цепей и обмоток электромагнитов управления.
Испытания производятся согласно указаниям раздела 1.8.37.
3. Проверка минимального напряжения срабатывания выключателя.
Электромагниты управления вакуумных выключателей должны срабатывать:
- электромагниты включения при напряжении не более 0,85·Uном.;
- электромагниты отключения при напряжении не более 0,7·Uном..
4. Испытание выключателей многократными опробованиями.
Число операций и сложных циклов, подлежащих выполнению выключателем при номинальном напряжении на выводах электромагнитов, должно составлять:
- 3 - 5 операций включения и отключения;
- 2 - 3 цикла ВО без выдержки времени между операциями.
5. Измерение сопротивления постоянному току, измерение временных характеристик выключателей, измерение хода подвижных частей и одновременности замыкания контактов.
Производятся, если это требуется инструкцией завода-изготовителя.
1. Измерение сопротивления изоляции вторичных цепей и обмоток электромагнитов управления.
Производится в соответствии с 1.8.37.
2. Испытание повышенным напряжением промышленной частоты:
а) изоляции выключателя нагрузки. Производится в соответствии с табл. 1.8.16.;
б) изоляции вторичных цепей и обмоток электромагнитов управления. Производится в соответствии с 1.8.37.
3. Измерение сопротивления постоянному току:
а) контактов выключателя. Производится измерение сопротивления токоведущей системы полюса и каждой пары рабочих контактов. Значение сопротивления должно соответствовать данным завода-изготовителя;
б) обмоток электромагнитов управления. Значение сопротивления должно соответствовать данным завода-изготовителя:
4. Проверка действия механизма свободного расцепления.
Механизм свободного расцепления проверяется в работе в соответствии с 1.8.19, п. 9.
5. Проверка срабатывания привода при пониженном напряжении.
Производится в соответствии с 1.8.19, п. 10.
6. Испытание выключателя нагрузки многократным опробованием.
Производится в соответствии с 1.8.19 п. 11.
1. Измерение сопротивления изоляции:
а) поводков и тяг, выполненных из органических материалов. Производится мегаомметром на напряжение 2,5 кВ. Сопротивление изоляции должно быть не ниже значений, приведенных в 1.8.19, п. 1а;
б) многоэлементных изоляторов. Производится в соответствии с 1.8.35;
в) вторичных цепей и обмоток электромагнитов управления. Производится в соответствии с 1.8.37.
2. Испытание повышенным напряжением промышленной частоты:
а) изоляции разъединителей, отделителей и короткозамыкателей. Производится в соответствии с табл. 1.8.16;
б) изоляции вторичных цепей и обмоток электромагнитов управления. Производится в соответствии с 1.8.37.
3. Измерение сопротивления постоянному току:
а) измерение должно выполняться между точками «контактный вывод - контактный вывод». Результаты измерений сопротивлений должны соответствовать заводским нормам, а при их отсутствии - данным табл. 1.8.21;
б) обмоток электромагнитов управления. Значения сопротивления обмоток должны соответствовать данным заводов-изготовителей.
4. Измерение вытягивающихся усилий подвижных контактов из неподвижных.
Производится у разъединителей и отделителей 35 кВ. Измерение значения вытягивающих усилий при обезжиренном состоянии контактных поверхностей должны соответствовать данным завода-изготовителя.
Таблица 1.8.21
Наибольшее допустимое сопротивление постоянному току контактной системы разъединителей и отделителей
|
Тип разъединителя (отделителя) |
Номинальное напряжение, кВ |
Номинальный ток, А |
Сопротивление, мкОм |
|
РОНЗ |
500 |
2000 |
200 |
|
РЛН |
35 - 200 |
600 |
220 |
|
Остальные типы |
Все классы напряжения |
600 |
175 |
|
1000 |
120 |
||
|
1500 - 2000 |
50 |
5. Проверка работы разъединителя, отделителя и короткозамыкателя.
Аппараты с ручным управлением должны быть проверены выполнением 5 операций включения и 5 операций отключения.
Аппараты с дистанционным управлением должны быть также проверены выполнением 5 операций включения и такого же числа операций отключения при номинальном напряжении на выводах электромагнитов и электродвигателей управления.
6. Определение временных характеристик.
Производится у короткозамыкателей при включении и у отделителей при отключении. Измеренные значения должны соответствовать данным завода-изготовителя.
7. Проверка работы механической блокировки.
Блокировка не должна позволять оперирование главными ножами при включенных заземляющих ножах, и наоборот.
Нормы испытаний элементов КРУ: масляных выключателей, измерительных трансформаторов, выключателей нагрузки, вентильных разрядников, предохранителей, разъединителей, силовых трансформаторов и трансформаторного масла - приведены в соответствующих параграфах настоящей главы.
1. Измерение сопротивления изоляции:
а) первичных цепей. Производится мегаомметром на напряжение 2,5 кВ.
Сопротивление изоляции полностью собранных первичных цепей КРУ с установленным в них оборудованием и узлами должно быть не менее 100 МОм.
При неудовлетворительных результатах испытаний измерение сопротивления производится поэлементно, при этом сопротивление изоляции каждого элемента должно быть не менее 1000 МОм; испытание комплектных распределительных устройств, заполненных элегазом на заводе-изготовителе и не подлежащих вскрытию в течение всего срока службы, не производится;
б) вторичных цепей. Производится мегаомметром на напряжение 500 - 1000 В.
Сопротивление изоляции каждого присоединения вторичных цепей со всеми присоединенными аппаратами (реле, приборами, вторичными обмотками трансформаторов тока и напряжения и т.п.) должно быть не менее 0,5 МОм.
2. Испытание повышенным напряжением промышленной частоты:
а) изоляции первичных цепей ячеек КРУ и КРУП. Испытательное напряжение полностью смонтированных ячеек КРУ и КРУП при вкаченных в рабочее положение тележках и закрытых дверях указано в табл. 1.8.22.
Длительность приложения нормированного испытательного напряжения 1 мин;
б) изоляции вторичных цепей. Производится напряжением 1 кВ. Продолжительность приложения нормированного испытательного напряжения 1 мин.
3. Измерение сопротивления постоянному току.
Сопротивление разъемных и болтовых соединений постоянному току должно быть не более значений, приведенных в табл. 1.8.23.
4. Механические испытания.
Производятся в соответствии с инструкциями завода-изготовителя. К механическим испытаниям относятся:
Таблица 1.8.22
Испытательное напряжение промышленной частоты изоляции ячеек КРУ и КРУН
|
Испытательное напряжение, кВ, ячейки с изоляцией |
Класс напряжения |
Испытательное напряжение, кВ, ячейки с изоляцией |
|||
|
керамической |
из твердых органических материалов |
керамической |
из твердых органических материалов |
||
|
до 0,69 |
1 |
1 |
15 |
55 |
49,5 |
|
3 |
24 |
21,6 |
20 |
65 |
58,5 |
|
6 |
32 |
28,8 |
35 |
95 |
85,5 |
|
10 |
42 |
37,8 |
|
|
|
Таблица 1.8.23
Допустимые значения сопротивлений постоянному току элементов КРУ
|
Измеряемый элемент* |
Допустимые значения сопротивления |
|
1. Втычные контакты первичной цепи |
Допустимые значения сопротивления контактов приведены в заводских инструкциях. В случаях, если значения сопротивления контактов не приведены в заводских инструкциях, они должны быть не более: для контактов на 400 А - 75 мкОм; для контактов на 630 А - 60 мкОм; для контактов на 1000 А - 50 мкОм; для контактов на 1600 А - 40 мкОм; для контактов на 2000 А и выше - 33 мкОм |
|
2. Связь заземления выдвижного элемента с корпусом |
Не более 0,1 Ом |
|
* Измерение выполняется, если позволяет конструкция КРУ |
|
а) вкатывание и выкатывание выдвижных элементов с проверкой взаимного вхождения разъединяющих контактов, а также работы шторок, блокировок, фиксаторов и т.п.;
б) проверка работы и состояния контактов заземляющего разъединителя.
Объем и нормы испытаний оборудования, присоединенного к токопроводу и шинопроводу (генератор, силовые и измерительные трансформаторы и т.п.), приведены в соответствующих параграфах настоящей главы.
1. Испытание повышенным напряжением промышленной частоты.
Испытательное напряжение изоляции токопровода при отсоединенных обмотках генератора, силовых трансформаторов напряжения устанавливается согласно табл. 1.8.24.
Таблица 1.8.24
Испытательное напряжение промышленной частоты изоляции токопроводов
|
Класс напряжения, кВ |
Испытательное напряжение, кВ, токопровода с изоляцией |
|
|
фарфоровой |
смешанной (керамической и из твердых органических материалов) |
|
|
До 0,69 |
1 |
1 |
|
6 |
32 |
28,8 |
|
10 |
42 |
37,8 |
|
15 |
55 |
49,5 |
|
35 |
95 |
85,5 |
Длительность приложения нормированного испытательного напряжения к токопроводу - 1 мин.
2. Проверка качества выполнения болтовых и сварных соединений.
Выборочно проверяется затяжка болтовых соединений токопровода, производится выборочная разборка 1 - 2 болтовых соединений токопровода с целью проверки качества выполнения контактных соединений.
Сварные соединения подвергаются осмотру в соответствии с инструкцией по сварке алюминия или при наличии соответствующей установки - контролю методом рентгено- или гаммадефектоскопии или другим рекомендованным заводом-изготовителем способом.
3. Проверка состояния изоляционных прокладок.
Производится у токопроводов, оболочки которых изолированы от опорных металлоконструкций. Проверка целости изоляционных прокладок осуществляется путем сравнительных измерений падения напряжения на изоляционных прокладках секции фазы или измерения тока, проходящего в металлоконструкциях между станинами секций. Критерии отсутствия короткозамкнутых контуров в токопроводах генераторного напряжения приведены в табл. 1.8.25.
4. Осмотр и проверка устройства искусственного охлаждения токопровода.
Производится согласно инструкции завода-изготовителя.
Шины испытываются в объёме:
на напряжение до 1 кВ - по пп. 1, 3 - 5;
на напряжение выше 1 кВ - по пп. 2 - 6.
1. Измерение сопротивления изоляции подвесных и опорных фарфоровых изоляторов.
Производится мегаомметром на напряжение 2,5 кВ только при положительной температуре окружающего воздуха.
Сопротивление каждого изолятора или каждого элемента многоэлементного изолятора должно быть не менее 300 МОм.
Таблица 1.8.25
Критерии отсутствия короткозамкнутых контуров в токопроводах
|
Конструкция токопровода |
Проверяемый узел |
Критерий оценки состояния |
Примечание |
|
С непрерывными экранами |
Изоляция экранов или коробов токопровода от корпуса трансформатора и генератора при: |
|
|
|
- непрерывном воздушном зазоре (щели) между экранами токопровода и корпусом генератора; |
Отсутствие металлического замыкания между экранами и корпусом генератора |
При визуальном осмотре |
|
|
- односторонней изоляции уплотнений экранов и коробов токопровода от корпуса трансформатора и генератора; |
Целостность изоляционных втулок, отсутствие касания поверхностями экранов или коробов (в местах изолировки) корпусов трансформатора и генератора |
При визуальном осмотре |
|
|
- двухсторонней изоляции уплотнений съемных экранов и коробов токопровода, подсоединенных к корпусу трансформатора и генератора |
Сопротивление изоляции съемного экрана или короба относительно корпуса трансформатора и генератора при демонтированных стяжных шпильках и заземляющих проводниках должно быть не менее 10 кОм |
Измеряется мегаомметром на напряжение 500 В |
|
|
Секционированные |
Изоляция резиновых компенсаторов экранов токопроводов от корпуса трансформатора и генератора |
Зазор в свету между болтами соседних нажимных колец резинового компенсатора должен быть не менее 5 мм |
При визуальном осмотре |
|
Изоляция резиновых уплотнений съемных и подвижных экранов |
Сопротивление изоляции экрана относительно металлоконструкций при демонтированных стяжных шпильках должно быть не менее 10 кОм |
Измеряется мегаомметром на напряжение 500 В |
|
|
Все типы с двухслойными прокладками станин экранов |
Изоляционные прокладки станин экранов |
Сопротивление изоляции прокладок относительно металлоконструкций должно быть не менее 10 кОм |
1. Измеряется мегаомметром на напряжение 500 В 2. Состояние изоляционных втулок болтов крепления станин проверяется визуально |
|
Все типы |
Междуфазные тяги разъединителей и заземлителей |
Тяги должны иметь изоляционные вставки или другие элементы, исключающие образование короткозамкнутого контура |
При визуальном осмотре |
2. Испытание изоляции повышенным напряжением промышленной частоты.
Испытание изоляции проводится согласно табл. 1.8.24.
Продолжительность испытания - 1 мин.
3. Проверка качества выполнения болтовых контактных соединений.
Производится выборочная проверка качества затяжки контактов и вскрытие 2 - 3 % соединений. Измерение переходного сопротивления контактных соединений следует производить выборочно на 2 - 3 % соединений. Контактные соединения на ток более 1000 А рекомендуется проверять в полном объеме.
Падение напряжения или сопротивление на участке шины (0,7 - 0,8 м) в месте контактного соединения не должно превышать падения напряжения или сопротивления участка шин той же длины более чем в 1,2 раза.
4. Проверка качества выполнения впрессованных контактных соединений.
Спрессованные контактные соединения бракуются, если:
а) их геометрические размеры (длина и диаметр спрессованной части) не соответствуют требованиям инструкции по монтажу соединительных зажимов данного типа;
б) на поверхности соединителя или зажима имеются трещины, следы значительной коррозии и механических повреждений;
в) кривизна опрессованного соединителя превышает 3 % его длины;
г) стальной сердечник опрессованного соединителя смещен относительно симметричного положения более чем на 15 % длины прессуемой части провода.
Следует произвести выборочное измерение переходного сопротивления 3 - 5 % спрессованных контактных соединений. Падение напряжения или сопротивление на участке соединения не должно превышать падения напряжения или сопротивления на участке провода той же длины более чем в 1,2 раза.
5. Контроль сварных контактных соединений.
Сварные контактные соединения бракуются, если непосредственно после выполнения сварки будут обнаружены:
а) пережог провода наружного повива или нарушение сварки при перегибе соединённых проводов;
б) усадочная раковина в месте сварки глубиной более 1/3 диаметра провода.
6. Испытание проходных изоляторов.
Производится в соответствии с 1.8.34.
1. Измерение сопротивления изоляции обмоток относительно болтов крепления.
Производится мегаомметром на напряжение 2,5 кВ. Сопротивление изоляции должно быть не менее 0,5 МОм.
2. Испытание опорной изоляции реакторов повышенным напряжением промышленной частоты.
Испытательное напряжение опорной изоляции полностью собранного реактора принимается согласно табл. 1.8.24.
Продолжительность приложения нормированного испытательного напряжения 1 мин.
Испытание опорной изоляции сухих реакторов повышенным напряжением промышленной частоты может производиться совместно с изоляторами ошиновки ячейки.
1. Измерение сопротивления изоляции обмоток трансформатора агрегата питания.
Сопротивление изоляции обмоток напряжением 380/220 В с подсоединенными к ним цепями должно быть не менее 1 МОм.
Сопротивление изоляции обмоток высокого напряжения не должно быть ниже 50 МОм при температуре 25 °С или не должно быть менее 70 % значения, указанного в паспорте агрегата.
2. Испытание изоляции цепей 380/220 В агрегата питания.
Испытание изоляции производится напряжением 2 кВ частотой 50 Гц в течение 1 мин. Элементы, работающие при напряжении 60 В и ниже, должны быть отключены.
3. Измерение сопротивления изоляции кабеля высокого напряжения.
Сопротивление изоляции, измеренное мегаомметром на напряжение 2500 В, не должно быть менее 10 МОм.
4. Испытание изоляции кабеля высокого напряжения.
Испытание производится напряжением 75 кВ постоянного тока в течение 30 мин.
5. Испытания трансформаторного масла.
Предельно допустимые значения пробивного напряжения
масла: до заливки - 40 кВ, после - 35 кВ. В масле не должно содержаться следов воды.
6. Проверка исправности заземления элементов оборудования.
Производится проверка надежности крепления заземляющих проводников к заземлителю и следующим элементам оборудования: осадительным электродам, положительному полюсу агрегата питания, корпусу электрофильтра, корпусам трансформаторов и электродвигателей, основанию переключателей, каркасам панелей и щитов управления, кожухам кабеля высокого напряжения, люкам лазов, дверкам изоляторных коробок, коробкам кабельных муфт, фланцам изоляторов и другим металлическим конструкциям согласно проекту.
7. Проверка сопротивления заземляющих устройств.
Сопротивление заземлителя не должно превышать 4 Ом, а сопротивление заземляющих проводников (между контуром заземления и деталью оборудования, подлежащей заземлению) - 0,1 Ом.
8. Снятие вольт-амперных характеристик.
Вольт-амперные характеристики электрофильтра (зависимость тока короны полей от приложенного напряжения) снимаются на воздухе и дымовом газе согласно указаниям табл. 1.8.26.
Таблица 1.8.26
Указания по снятию характеристик электрофильтров
|
Испытуемый объект |
Порядок снятия вольт-амперных характеристик |
Требования к результатам испытаний |
|
1. Каждое поле на воздухе |
Вольт-амперная характеристика снимается при плавном повышении напряжения с интервалами изменения токовой нагрузки 5-10 % номинального значения до предпробойного уровня. Она снимается при включенных в непрерывную работу механизмах встряхивания электродов и дымососах |
Пробивное напряжение на электродах должно быть не менее 40 кВ при номинальном токе короны в течение 15 мин |
|
2. Все поля электрофильтра на воздухе |
То же |
Характеристики, снятые в начале и конце 24 ч испытания не должны отличаться друг от друга более чем на 10 % |
|
3. Все поля электрофильтра на дымовом газе |
Вольт-амперная характеристика снимается при плавном повышении напряжения до предпробойного уровня (восходящая ветвь) с интервалами изменения токовой нагрузки 5-10 % номинального значения и при плавном снижении напряжения (нисходящая ветвь) с теми же интервалами токовой нагрузки. Она снимается при номинальной паровой нагрузке котла и включенных в непрерывную работу механизмах встряхивания электродов |
Характеристики, снятые в начале и конце 72 ч испытания не должны отличаться друг от друга более чем на 10 % |
Конденсаторы для повышения коэффициента мощности напряжением ниже 1 кВ испытываются по пп. 1, 4, 5; конденсаторы для повышения коэффициента мощности напряжением 1 кВ и выше испытываются по пп. 1, 2, 4, 5; конденсаторы связи, отбора мощности и делительные конденсаторы испытываются по пп. 1-4; конденсаторы для защиты от перенапряжений и конденсаторы продольной компенсации испытываются по пп. 1, 2, 4, 5.
Таблица 1.8.27
Допустимое изменение емкости конденсатора
|
Наименование |
Допустимое изменение измеренной ёмкости конденсатора относительно паспортного значения, % |
|
Конденсаторы связи отбора мощности и делительные |
±5 |
|
Конденсаторы для повышения коэффициента мощности и конденсаторы, используемые для защиты от перенапряжения |
±5 |
|
Конденсаторы продольной компенсации |
+5 -10 |
1. Измерение сопротивления изоляции.
Производится мегаомметром на напряжение 2,5 кВ. Сопротивление изоляции между выводами и относительно корпуса конденсатора.
Производится при температуре 15 - 35 °С. Измеренная емкость должна соответствовать паспортным данным с учетом погрешности измерения и приведенных в таблице 1.8.27 допусков.
3. Измерение тангенса угла диэлектрических потерь.
Измерение производится на конденсаторах связи, конденсаторах отбора мощности и конденсаторах делителей напряжения.
Измеренное значение tgδ не должно превышать 0,3 % (при температуре 20 °С).
4. Испытание повышенным напряжением.
Испытывается изоляция относительно корпуса при закороченных выводах конденсатора.
Значение и продолжительность приложения испытательного напряжения регламентируется заводскими инструкциями.
Испытательные напряжения промышленной частоты для различных конденсаторов приведены ниже:
|
Конденсаторы для повышения коэффициента мощности с номинальным напряжением, кВ |
Испытательное напряжение, кВ |
|
0,22 |
2,1 |
|
0,38 |
2,1 |
|
0,5 |
2,1 |
|
1,05 |
4,3 |
|
3,15 |
15,8 |
|
6,3 |
22,3 |
|
10,5 |
30,0 |
|
Конденсаторы для защиты от перенапряжения типа СММ-20/3-0,107 |
22,5 |
|
КМ2- 10,5-24 |
22,5 - 25,0 |
Испытания напряжением промышленной частоты могут быть заменены одноминутным испытанием выпрямленным напряжением удвоенного значения по отношению к указанным испытательным напряжениям.
5. Испытание батареи конденсаторов трёхкратным включением.
Производится включением на номинальное напряжение с контролем значений токов по каждой фазе. Токи в различных фазах должны отличаться один от другого не более чем на 5 %.
* Испытания ОПН, не указанных в настоящем разделе, следует проводить в соответствии с инструкцией по эксплуатации завода-изготовителя.
1. Измерение сопротивления разрядников и ограничителей перенапряжения.
Измерение проводится:
на разрядниках и ОПН с номинальным напряжением менее 3 кВ - мегаомметром на напряжение 1000 В;
на разрядниках и ОПН с номинальным напряжением 3 кВ и выше - мегаомметром на напряжение 2500 В;
Сопротивление разрядников РВН, РВП, РВО, CZ должно быть не менее 1000 МОм.
Сопротивление элементов разрядников РВС должно соответствовать требованиям заводской инструкции.
Сопротивление элементов разрядников РВМ, РВРД, РВМГ, РВМК должно соответствовать значениям, указанным в таблице 1.8.28.
Сопротивление ограничителей перенапряжений с номинальным напряжением 110 кВ и выше должно быть не менее 3000 МОм и не должно отличаться более чем на ±30 % от данных, приведенных в паспорте.
Сопротивление изоляции изолирующих оснований разрядников с регистраторами срабатывания измеряется мегаомметром на напряжение 2500 В. Значение измеренного сопротивления изоляции должно быть не менее 1 МОм.
Сопротивление ограничителей перенапряжений с номинальным напряжением до 3 кВ должно быть не менее 1000 МОм.
Значение сопротивлений вентильных разрядников
|
Тип разрядника или элемента |
Сопротивление, МОм |
|
|
не менее |
не более |
|
|
РВМ-3 |
15 |
40 |
|
РВМ-6 |
100 |
250 |
|
РВМ-10 |
170 |
450 |
|
РВМ-15 |
600 |
2000 |
|
РВМ-20 |
1000 |
10000 |
|
Элемент разрядника РВМГ |
|
|
|
110М |
400 |
2500 |
|
150М |
400 |
2500 |
|
220М |
400 |
2500 |
|
330М |
400 |
2500 |
|
400 |
400 |
2500 |
|
500 |
400 |
2500 |
|
Основной элемент разрядника РВМК-330, 500 |
150 |
500 |
|
Вентильный элемент разрядника РВМК-330, 500 |
0,010 |
0,035 |
|
Искровой элемент разрядника РВМК-330, 500 |
600 |
1000 |
|
Элемент разрядника РВМК-750М |
1300 |
7000 |
|
Элемент разрядника РВМК-1150 (при температуре не менее 10 °С в сухую погоду) |
2000 |
8000 |
Сопротивление ограничителей перенапряжения с номинальным напряжением 3 - 35 кВ должно соответствовать требованиям инструкций заводов-изготовителей.
Сопротивление ограничителей перенапряжений с номинальным напряжением 110 кВ и выше должно быть не менее 3000 МОм и не должно отличаться более чем на ±30 % от данных, приведенных в паспорте.
2. Измерение тока проводимости вентильных разрядников при выпрямленном напряжении.
Измерение проводится у разрядников с шунтирующими сопротивлениями. При отсутствии указаний заводов-изготовителей токи проводимости должны соответствовать приведенным в табл. 1.8.29.
3. Измерение тока проводимости ограничителей перенапряжений.
Измерение тока проводимости ограничителей перенапряжений производится:
- для ограничителей класса напряжения 3 - 110 кВ при приложении наибольшего длительно допустимого фазного напряжения;
- для ограничителей класса напряжения 150, 220, 330, 500 кВ при напряжении 100 кВ частоты 50 Гц.
Предельные значения токов проводимости ОПН должны соответствовать инструкции завода-изготовителя.
4. Проверка элементов, входящих в комплект приспособления для измерения тока проводимости ограничителя перенапряжений под рабочим напряжением.
Проверка электрической прочности изолированного вывода производится для ограничителей ОПН-0330 и 500 кВ перед вводом в эксплуатацию.
Проверка производится при плавном подъёме напряжения частоты 50 Гц до 10 кВ без выдержки времени.
Проверка электрической прочности изолятора ОФР-10-750 производится напряжением 24 кВ частоты 50 Гц в течение 1 мин.
Таблица 1.8.29
Допустимые токи проводимости вентильных разрядников при выпрямленном напряжении
|
Тип разрядника или элемента |
Испытательное выпрямленное напряжение, кВ |
Ток проводимости при температуре разрядника 20 °С, мкА |
|
|
не менее |
не более |
||
|
РВС-15 |
16 |
200 |
340 |
|
РВС-20 |
20 |
200 |
340 |
|
РВС-33 |
32 |
450 |
620 |
|
РВС-35 |
32 |
200 |
340 |
|
РВМ-3 |
4 |
380 |
450 |
|
РВМ-6 |
6 |
120 |
220 |
|
РВМ-10 |
10 |
200 |
280 |
|
РВМ-15 |
18 |
500 |
700 |
|
РВМ-20 |
28 |
500 |
700 |
|
РВЭ-25М |
28 |
400 |
650 |
|
РВМЭ-25 |
32 |
450 |
600 |
|
РВРД-3 |
3 |
30 |
85 |
|
РБРД-6 |
6 |
30 |
85 |
|
РВРД-10 |
10 |
30 |
85 |
|
Элемент разрядника РВМГ-110М, 150М, 220М, 330М, 400, 500 |
30 |
1000 |
1350 |
|
Основной элемент разрядника РВМК-330, 500 |
18 |
1000 |
1350 |
|
Искровой элемент разрядника РВМК-330, 500 |
28 |
900 |
1300 |
|
Элемент разрядника РВМК-750 М |
64 |
220 |
330 |
|
Элемент разрядника РВМК-1150 |
64 |
180 |
320 |
|
Примечание. Для приведения токов проводимости разрядников к температуре +20 °С следует внести поправку, равную 3 % на каждые 10 градусов отклонения (при температуре больше 20 °С поправка отрицательная). |
|||
Измерение тока проводимости защитного резистора производится при напряжении 0,75 кВ частоты 50 Гц. Значение тока должно находиться в пределах 1,8 - 4,0 мА.
1. Проверка состояния поверхности разрядника.
Производится путем осмотра перед установкой разрядника на опору. Наружная поверхность разрядника не должна иметь трещин и отслоений.
2. Измерение внешнего искрового промежутка.
Производится на опоре установки разрядника. Искровой промежуток не должен отличаться от заданного.
3. Проверка расположения зон выхлопа.
Производится после установки разрядников. Зоны выхлопа не должны пересекаться и охватывать элементы конструкции и проводов, имеющих потенциал, отличающийся от потенциала открытого конца разрядника.
1. Испытание опорной изоляции предохранителей повышенным напряжением промышленной частоты.
Испытательное напряжение устанавливается согласно табл. 1.8.24.
Продолжительность приложения нормированного испытательного напряжения 1 мин. Испытание опорной изоляции предохранителей повышенным напряжением промышленной частоты может производиться совместно с испытанием изоляторов ошиновки ячейки.
2. Проверка целости плавких вставок и токоограничивающих резисторов.
Проверяются:
омметром - целостность плавкой вставки;
визуально - наличие маркировки на патроне и соответствие тока проектным данным.
3. Измерение сопротивления постоянному току токоведущей части патрона предохранителя-разъединителя.
Измеренное значение сопротивления должно соответствовать значению, указанному заводом-изготовителем.
4. Измерение контактного нажатия в разъемных контактах предохранителя-разъединителя.
Измеренное значение контактного нажатия должно соответствовать указанным заводом-изготовителем.
5. Проверка состояния дугогасительной части патрона предохранителя-разъединителя.
Измеряется внутренний диаметр дугогасительной части патрона предохранителя-разъединителя.
6. Проверка работы предохранителя-разъединителя.
Выполняется 5 циклов операций включения и отключения предохранителя-разъединителя. Выполнение каждой операции должно быть успешным с первой попытки.
1. Измерение сопротивления изоляции.
Производится мегаомметром на напряжение 2,5 кВ у вводов с бумажно-масляной изоляцией. Измеряется сопротивление изоляции измерительной и последней обкладок вводов относительно соединительной втулки. Сопротивление изоляции должно быть не менее 1000 МОм.
2. Измерение tgδ и емкости изоляции.
Производится измерение tgδ и емкости изоляции:
- основной изоляции вводов при напряжении 10 кВ;
- изоляции измерительного конденсатора ПИН (С2) и/или последних слоев изоляции (С3) при напряжении 5 кВ.
Предельные значения tgδ приведены в табл. 1.8.30.
Предельное увеличение емкости основной изоляции составляет 5 % относительно измеренной на заводе-изготовителе.
Нормируются значения tgδ, приведенные к температуре 20 °С. Приведение производится в соответствии с инструкцией по эксплуатации ввода.
Таблица 1.8.30
Предельные значения tgδ
|
Тип и зона изоляции ввода |
Предельные значения tgδ, %, для вводов номинальным напряжением, кВ |
|||
|
35 |
110 - 150 |
220 |
330 - 750 |
|
|
Бумажно-масляная изоляция ввода: основная изоляция (С1) и изоляция конденсатора ПИН (С2); последние слои изоляции (С2) |
- - |
0,7 1,2 |
0,6 1,0 |
0,6 0,8 |
|
Твердая изоляция ввода с масляным заполнением, основная изоляция (С1) |
1,0 |
1,0 |
- |
- |
|
Бумажно-бакелитовая изоляция ввода с мастичным заполнением: основная изоляция (С1) |
3,0 |
- |
- |
- |
3. Испытание повышенным напряжением промышленной частоты.
Испытание является обязательным для вводов и проходных изоляторов на напряжение до 35 кВ.
Испытательное напряжение для проходных изоляторов и вводов, испытываемых отдельно или после установки в распределительном устройстве, принимается согласно табл. 1.8.31.
Испытание вводов, установленных на силовых трансформаторах, следует производить совместно с испытанием обмоток по нормам, принятым для силовых трансформаторов (см. табл. 1.8.12.).
Продолжительность приложения нормированного испытательного напряжения для вводов и проходных изоляторов 1 мин.
Ввод считается выдержавшим испытание, если при этом не наблюдалось пробоя, перекрытия, скользящих разрядов и частичных разрядов в масле (у маслонаполненных вводов), выделений газа, а также если после испытания не обнаружено местного перегрева изоляции.
Таблица 1.8.31
Испытательное напряжение промышленной частоты вводов и проходных изоляторов
|
Номинальное напряжение, кВ |
Испытательное напряжение |
||
|
керамические изоляторы, испытываемые отдельно |
аппаратные вводы и проходные изоляторы с основной керамической или жидкой изоляцией |
аппаратные вводы и проходные изоляторы с основной бакелитовой изоляцией |
|
|
3 |
25 |
24 |
21,6 |
|
6 |
32 |
32 |
28,8 |
|
10 |
42 |
42 |
37,8 |
|
15 |
57 |
55 |
49,5 |
|
20 |
68 |
65 |
58,5 |
|
35 |
100 |
95 |
85,5 |
4. Проверка качества уплотнений вводов.
Производится для негерметичных маслонаполненных вводов напряжением 110 кВ и выше с бумажно-масляной изоляцией путем создания в них избыточного давления масла 0,1 МПа. Продолжительность испытания 30 мин. При испытании не должно наблюдаться признаков течи масла. Допустимое снижение давления за время испытаний не более 5 %.
5. Испытание трансформаторного масла из маслонаполненных вводов.
Производится испытание залитого масла по показателям пп. 1 - 6 табл. 1.8.33.
У герметичных вводов испытание масла не производится.
Для опорно-стержневых изоляторов испытание повышенным напряжением промышленной частоты не обязательно.
Электрические испытания стеклянных подвесных изоляторов не производятся. Контроль их состояния осуществляется путем внешнего осмотра.
1. Измерение сопротивления изоляции подвесных и многоэлементных изоляторов.
Производится мегаомметром на напряжение 2,5 кВ только при положительных температурах окружающего воздуха. Проверку изоляторов следует производить непосредственно перед их установкой в распределительных устройствах и на линиях электропередачи. Сопротивление изоляции каждого подвесного фарфорового изолятора или каждого элемента штыревого изолятора должно быть не менее 300 МОм.
2. Испытание повышенным напряжением промышленной частоты:
а) опорных одноэлементных изоляторов. Для изоляторов внутренней и наружной установок значения испытательного напряжения приводятся в табл. 1.8.32;
б) опорных многоэлементных и подвесных изоляторов. Вновь устанавливаемые штыревые и подвесные изоляторы следует испытывать напряжением 50 кВ, прикладываемым к каждому элементу изолятора. Допускается не производить испытание подвесных изоляторов.
Таблица 1.8.32
Испытательное напряжение опорных одноэлементных изоляторов
|
Испытуемые изоляторы |
Испытательное напряжение, кВ, для номинального напряжения электроустановки, кВ |
|||||
|
3 |
6 |
10 |
15 |
20 |
35 |
|
|
Изоляторы, испытываемые отдельно |
25 |
32 |
42 |
57 |
68 |
100 |
|
Изоляторы, установленные в цепях шин и аппаратов |
24 |
32 |
42 |
55 |
65 |
95 |
Длительность приложения нормированного испытательного напряжения - 1 мин.
Таблица 1.8.33
Предельно допустимые значения показателей качества трансформаторного масла
|
Показатель качества масла и номер стандарта на метод испытания |
Свежее сухое масло перед заливкой в оборудование |
Масло непосредственно после заливки в оборудование |
|
1. Пробивное напряжение по ГОСТ 6581-75, (кВ) не менее, электрооборудование: до 15 кВ включительно |
30 |
25 |
|
до 35 кВ включительно |
35 |
30 |
|
от 60 кВ до 150 кВ |
60 |
55 |
|
от 220 кВ до 500 кВ |
65 |
60 |
|
2. Кислотное число ГОСТ 5985-79 мг КОН на 1 г масла, не более, электрооборудование: до 220 кВ |
0,02 |
0,02 |
|
выше 220 кВ |
0,01 |
0,01 |
|
3. Температура вспышки в закрытом тигле по ГОСТ 6356-75 °С, не ниже |
135 |
135 |
|
4. Влагосодержание по ГОСТ 7822-75, % массы (г/т), не более ГОСТ 1547-84 качественно |
0,001 % (10 г/т) |
0,001 % (10 г/т) |
|
а) трансформаторы с пленочной или азотной защитой, герметичные маслонаполненные вводы и измерительные трансформаторы |
0,001 (10) |
0,001 (10) |
|
б) силовые и измерительные трансформаторы без специальных защит масла, негерметичные вводы |
0,002 % (20) |
0,0025 % (25) |
|
в) электрооборудование при отсутствии требований предприятий-изготовителей по количественному определению данного показателя |
отсутствует |
отсутствует |
|
5. Содержание механических примесей ГОСТ 6370-83 и РТМ 17216-71 электрооборудование до 220 кВ включительно |
отсутствие |
отсутствие |
|
свыше 220 кВ, % не более |
0,0008 |
0,0008 |
|
6. Тангенс угла диэлектрических потерь ГОСТ 6581-75, % не более, при 90 °С |
1,7 |
2,0 |
|
7. Водорастворимые кислоты и щелочи по ГОСТ 6307-75 |
отсутствие |
отсутствие |
|
8. Содержание антиокислительной присадки по РД 34.43.105-89 |
0,2 |
0,18 |
|
9. Температура застывания по ГОСТ 20287-91 °С не выше |
-45 |
|
|
арктическое масло |
-60 |
|
|
0,5 |
1,0 |
|
|
11. Стабильность против окисления по ГОСТ 981-75 для силовых и измерительных трансформаторов от 110 до 220 кВ а) содержание осадка, % массы, не более |
0,01 |
|
|
б) кислотное число окисленного масла мг КОН на 1 г масла, не более |
0,1 |
|
1. Анализ масла перед заливкой в оборудование.
Каждая партия свежего, поступившего с завода трансформаторного масла должна перед заливкой в оборудование подвергаться однократным испытаниям по показателям, приведенным в табл. 1.8.33. Значения показателей, полученные при испытаниях, должны быть не хуже приведенных в таблице.
2. Анализ масла перед включением оборудования.
Масло, отбираемое из оборудования перед его включением под напряжением после монтажа, подвергается сокращенному анализу в объеме, указанном в соответствующих параграфах данной главы и указаниям заводов-изготовителей.
Электрические аппараты и вторичные цепи схем защит, управления, сигнализации и измерения испытываются в объеме, предусмотренном настоящим параграфом. Электропроводки напряжением до 1 кВ от распределительных пунктов до электроприемников испытываются по п. 1.
1. Измерение сопротивления изоляции.
Сопротивление изоляции должно быть не менее значений, приведенных в табл. 1.8.34.
2. Испытание повышенным напряжением промышленной частоты.
Испытательное напряжение для вторичных цепей схем защиты, управления, сигнализации и измерения со всеми присоединительными аппаратами (автоматические выключатели, магнитные пускатели, контакторы, реле, приборы и т.п.) 1 кВ. Продолжительность приложения нормированного испытательного напряжения 1 мин.
3. Проверка действия автоматических выключателей.
3.1. Проверка сопротивления изоляции. Производится у выключателей на номинальный ток 400 А и более. Значение сопротивления изоляции - не менее 1 МОм.
3.2. Проверка действия расцепителей. Проверяется действие расцепителя мгновенного действия. Выключатель должен срабатывать при токе не более 1,1 верхнего значения тока срабатывания выключателя, указанного заводом-изготовителем.
В электроустановках, выполненных по требованиям раздела 6, глав 7.1 и 7.2 проверяются все вводные и секционные выключатели, выключатели цепей аварийного освещения, пожарной сигнализации и автоматического пожаротушения, а также не менее 2 % выключателей распределительных и групповых сетей.
В других электроустановках испытываются все вводные и секционные выключатели, выключатели цепей аварийного освещения, пожарной сигнализации и автоматического пожаротушения, а также не менее 1 % остальных выключателей.
Проверка производится в соответствии с указаниями заводов-изготовителей. При выявлении выключателей, не отвечающих установленным требованиям, дополнительно проверяется удвоенное количестве выключателей.
4. Проверка работы автоматических выключателей и контакторов при пониженном и номинальном напряжениях оперативного тока.
Значение напряжения срабатывания и количество операций при испытании автоматических выключателей и контакторов многократными включениями и отключениями приведены в табл. 1.8.35.
5. Устройства защитного отключения (УЗО), выключатели дифференциального тока (ВДТ) проверяются в соответствии с указаниями завода-изготовителя.
6. Проверка релейной аппаратуры. Проверка реле защиты, управления, автоматики и сигнализации и других устройств производится в соответствии с действующими инструкциями. Пределы срабатывания реле на рабочих уставках должны соответствовать расчетным данным.
7. Проверка правильности функционирования полностью собранных схем при различных значениях оперативного тока.
Все элементы схем должны надежно функционировать в предусмотренной проектом последовательности при значениях оперативного тока, приведенных в табл. 1.8.36.
Таблица 1.8.34
Допустимые значения сопротивления изоляции
|
Испытуемый элемент |
Напряжение мегаомметра, В |
Наименьшее допустимое значение сопротивления изоляции, МОм |
|
1. Шины постоянного тока на щитах управления и в распределительных устройствах (при отсоединенных цепях) |
500 - 1000 |
10 |
|
2. Вторичные цепи каждого присоединения и цепи питания приводов выключателей и разъединителей1) |
500 - 1000 |
1 |
|
3. Цепи управления, защиты, автоматики и измерений, а также цепи возбуждения машин постоянного тока, присоединенные к силовым цепям |
500 - 1000 |
1 |
|
4. Вторичные цепи и элементы при питании от отдельного источника или через разделительный трансформатор, рассчитанные на рабочее напряжение 60 В и ниже2) |
500 |
0,5 |
|
5. Электропроводки, в том числе осветительные сети |
1000 |
0,5 |
|
6. Распределительные устройства4), щиты и токопроводы (шинопроводы) |
500 - 1000 |
0,5 |
|
1) Измерение производится со всеми присоединенными аппаратами (катушки приводов, контакторы, пускатели, автоматические выключатели, реле, приборы, вторичные обмотки трансформаторов тока и напряжения и т.п.). 2) Должны быть приняты меры для предотвращения повреждения устройств, в особенности микроэлектронных и полупроводниковых элементов. 3) Сопротивление изоляции измеряется между каждым проводом и землей, а также между каждыми двумя проводами. 4) Измеряется сопротивление изоляции каждой секции распределительного устройства. |
||
Таблица 1.8.35
Испытание контакторов и автоматических выключателей многократными включениями и отключениями
|
Операция |
Напряжение оперативного тока, % номинального |
Количество операций |
|
Включение |
90 |
5 |
|
Отключение |
80 |
5 |
Таблица 1.8.36
Напряжение оперативного тока, при котором должно обеспечиваться нормальное функционирование схем
|
Испытуемый объект |
Напряжение оперативного тока, % номинального |
Примечание |
|
Схемы защиты и сигнализации в установках напряжением выше 1 кВ |
80, 100 |
- |
|
Схемы управления в установках напряжением выше 1 кВ: |
|
- |
|
испытание на включение |
90, 100 |
|
|
то же, но на отключение |
80, 100 |
|
|
Релейно-контакторные схемы в установках напряжением до 1 кВ |
90, 100 |
Для простых схем кнопка - магнитный пускатель проверка работы на пониженном напряжении не производится. |
|
Бесконтактные схемы на логических элементах |
85, 100, 110 |
Изменение напряжения производится на входе в блок питания. |
1. Измерение сопротивления изоляции.
Измерение производится вольтметром (внутреннее сопротивление вольтметра должно быть точно известно, класс не ниже 1).
При полностью снятой нагрузке должно быть измерено напряжение батареи на зажимах и между каждым из зажимов и землей.
Сопротивление изоляции Rx вычисляется по формуле

где Rq - внутреннее сопротивление вольтметра; U - напряжение на зажимах батареи; U1 и U2 - напряжение между положительным зажимом и землей и отрицательным зажимом и землей.
Сопротивление изоляции батареи должно быть не менее указанного ниже:
Номинальное напряжение, В 24 48 110 220
Сопротивление, кОм 60 60 60 150
2. Проверка емкости отформованной аккумуляторной батареи.
Полностью заряженные аккумуляторы разряжают током 3-или 10-часового режима.
Емкость аккумуляторной батареи, приведенная к температуре +25 °С, должна соответствовать данным завода-изготовителя.
3. Проверка электролита.
Плотность электролита каждого элемента в конце заряда и разряда батареи должны соответствовать данным завода-изготовителя. Температура электролита при заряде должна быть не выше +40 °С.
4. Химический анализ электролита.
Электролит для заливки кислотных аккумуляторных батарей должен готовиться из серной аккумуляторной кислоты сорта А по ГОСТ 667-73 и дистиллированной воды по ГОСТ 6709-72.
Содержание примесей и нелетучего остатка в разведенном электролите не должно превышать значений, приведенных в табл. 1.8.37.
5. Измерение напряжения на элементах.
Напряжение отстающих элементов в конце разряда не должно отличаться более чем на 1 - 1,5 % от среднего напряжения остальных элементов, а количество отстающих элементов должно быть не более 5 % их общего количества в батарее. Значение напряжения в конце разряда должно соответствовать данным завода-изготовителя.
1. Проверка элементов заземляющего устройства.
Проверку следует производить путем осмотра элементов заземляющего устройства в пределах доступности осмотру. Сечения и проводимости элементов заземляющего устройства, включая главную заземляющую шину, должны соответствовать требованиям настоящих Правил и проектным данным.
2. Проверка цепи между заземлителями и заземляемыми элементами.
Следует проверить сечения, целостность и прочность проводников, их соединений и присоединений. Не должно быть обрывов и видимых дефектов в заземляющих проводниках, соединяющих аппараты с заземлителем. Надежность сварки проверяется ударом молотка.
3. Проверка состояния пробивных предохранителей в электроустановках до 1 кВ.
Пробивные предохранители должны быть исправны и соответствовать номинальному напряжению электроустановки.
4. Проверка цепи фаза - нуль в электроустановках до 1 кВ с системой TN.
Проверка производится одним из следующих способов:
- непосредственным измерением тока однофазного замыкания на корпус или нулевой защитный проводник;
- измерением полного сопротивления цепи фаза - нулевой защитный проводник с последующим вычислением тока однофазного замыкания.
Таблица 1.8.37
Нормы на характеристики серной кислоты и электролита для аккумуляторных батарей
|
Показатель |
Нормы для серной кислоты |
Нормы для электролита |
|
|
Высшего сорта |
Разведенная свежая кислота для заливки в аккумуляторы |
Электролит из работающего аккумулятора |
|
|
1. Внешний вид |
Прозрачная |
Прозрачная |
|
|
2. Интенсивность окраски (определяется колориметрическим способом), мл |
0,6 |
0,6 |
1 |
|
3. Плотность при температуре 20 °С, г/см3 |
1,83 ÷ 1,84 |
1,18 ± 0,005 |
1,2 ÷ 1,21 |
|
4. Содержание железа, %, не более |
0,005 |
0,006 |
0,008 |
|
5. Содержание нелетучего остатка после прокаливания, %, не более |
0,02 |
0,03 |
- |
|
6. Содержание окислов азота, %, не более |
0,00003 |
0,00005, |
- |
|
7. Содержание мышьяка, %, не более |
0,00005 |
0,00005 |
- |
|
8. Содержание хлористых соединений, %, не более |
0,0002 |
0,0003 |
0,0005 |
|
9. Содержание марганца, %, не более |
0,00005 |
0,00005 |
- |
|
10. Содержание меди, %, не более |
0,0005 |
0,0005 |
- |
|
11. Содержание веществ, восстанавливающих марганцевокислый калий, мл 0,01Н раствора KMnO4, не более |
4,5 |
- |
- |
|
12. Содержание суммы тяжелых металлов в пересчете на свинец, %, не более |
0,01 |
- |
- |
|
Примечание. Для дистиллированной воды допускается наличие тех же примесей, что допускает ГОСТ 667-73 для аккумуляторной кислоты, но в 10 раз меньшей концентрации. |
|||
Кратность тока однофазного замыкания на землю по отношению к номинальному току предохранителя или расцепителя автоматического выключателя должно быть не менее значения, указанного в главе 3.1 ПУЭ.
5. Измерение сопротивления заземляющих устройств.
Значения сопротивления заземляющих устройств с подсоединенными естественными заземлителями должны удовлетворять значениям, приведенным в соответствующих главах настоящих Правил и таблице 1.8.38.
6. Измерение напряжения прикосновения (в электроустановках, выполненных по нормам на напряжение прикосновения).
Измерение напряжения прикосновения производится при присоединенных естественных заземлителях.
Напряжение прикосновения измеряется в контрольных точках, в которых эти значения определены расчетом при проектировании (см. также 1.7.91).
Силовые кабельные линии напряжением до 1 кВ испытываются по пп. 1, 2, 7, 13, напряжением выше 1 кВ и до 35 кВ - по пп. 1 - 3, 6, 7, 11, 13, напряжением 110 кВ и выше - в полном объеме, предусмотренном настоящим параграфом.
1. Проверка целостности и фазировки жил кабеля. Проверяются целостность и совпадение обозначений фаз подключаемых жил кабеля.
2. Измерение сопротивления изоляции. Производится мегаомметром на напряжение 2,5 кВ. Для силовых кабелей до 1 кВ сопротивление изоляции должно быть не менее 0,5 МОм. Для силовых кабелей выше 1 кВ сопротивление изоляции не нормируется. Измерение следует производить до и после испытания кабеля повышенным напряжением.
Таблица 1.8.38
Наибольшие допустимые значения сопротивлений заземляющих устройств
|
Вид электроустановки |
Характеристика электроустановки |
Сопротивление, Ом |
|
1. Подстанции и распределительные пункты напряжением выше 1 кВ |
Электроустановки электрических сетей с глухозаземленной и эффективно заземленной нейтралью. |
0,5 |
|
Электроустановки электрических сетей с изолированной нейтралью, с нейтралью, заземленной через дугогасящий реактор или резистор |
250/IP* |
|
|
2. Воздушные линии электропередачи напряжением выше 1 кВ |
Заземляющие устройства опор ВЛ (см. также 2.5.129 - 2.5.131) при удельном сопротивлении грунта, ρ, Ом·м: |
|
|
- до 100 |
10 |
|
|
- более 100 до 500 |
15 |
|
|
- более 500 до 1000 |
20 |
|
|
- более 1000 до 5000 |
30 |
|
|
- более 5000 |
ρ·6·103 |
|
|
Заземляющие устройства опор ВЛ с разрядниками на подходах к распределительным устройствам с вращающимися машинами |
см. главу 4.2 |
|
|
3. Электроустановки напряжением до 1 кВ |
Электроустановки с источниками питания в электрических сетях с глухозаземленной нейтралью (или средней точкой) источника питания (система TN): - в непосредственной близости от нейтрали |
15/30/60** |
|
- с учетом естественных заземлителей и повторных заземлителей отходящих линий |
2/4/8** |
|
|
Электроустановки в электрических сетях с изолированной нейтралью (или средней точкой) источника питания (система ГГ) |
50/I***, более 4 Ом не требуется |
|
|
4. Воздушные линии электропередачи напряжением до 1 кВ |
Заземляющие устройства опор ВЛ с повторными заземлителями PEN (РЕ) - проводника |
30 |
|
IP* - расчетный ток замыкания на землю; ** - соответственно при линейных напряжениях 660, 280, 220 В; I*** - полный ток замыкания на землю. |
||
3. Испытание повышенным напряжением выпрямленного тока.
Испытательное напряжение принимается в соответствии с табл. 1.8.39.
Для кабелей на напряжение до 35 кВ с бумажной и пластмассовой изоляцией длительность приложения полного испытательного напряжения составляет 10 мин.
Для кабелей с резиновой изоляцией на напряжение 3 - 10 кВ длительность приложения полного испытательного напряжения составляет 5 мин. Кабели с резиновой изоляцией на напряжение до 1 кВ испытаниям повышенным напряжением не подвергаются.
Для кабелей на напряжение 110 - 500 кВ длительность приложения полного испытательного напряжения составляет 15 мин.
Допустимые токи утечки в зависимости от испытательного напряжения и допустимые значения коэффициента асимметрии при измерении тока утечки приведены в табл. 1.8.40. Абсолютное значение тока утечки не является браковочным показателем. Кабельные линии с удовлетворительной изоляцией должны иметь стабильные значения токов утечки. При проведении испытания ток утечки должен уменьшаться. Если не происходит уменьшения значения тока утечки, а также при его увеличении или нестабильности тока испытание производить до выявления дефекта, но не более чем 15 мин.
При смешанной прокладке кабелей в качестве испытательного напряжения для всей кабельной линии принимать наименьшее из испытательных напряжений по табл. 1.8.39.
4. Испытание напряжением переменного тока частоты 50 Гц.
Такое испытание допускается для кабельных линий на напряжение 110 - 500 кВ взамен испытания выпрямленным напряжением.
Испытание производится напряжением (1,00 - 1,73)Uном.
Таблица 1.8.39
Испытательное напряжение выпрямленного тока для силовых кабелей
|
Кабели с бумажной изоляцией на напряжение, кВ |
||||||||||
|
2 |
3 |
6 |
10 |
20 |
35 |
110 |
150 |
220 |
330 |
500 |
|
12 |
18 |
36 |
60 |
100 |
175 |
285 |
347 |
510 |
670 |
865 |
|
Кабели с пластмассовой изоляцией на напряжение, кВ |
Кабели с резиновой изоляцией на напряжение, кВ |
|||||||||
|
1* |
3 |
6 |
10 |
110 |
3 |
6 |
10 |
|||
|
5,0 |
15 |
36 |
60 |
285 |
6 |
12 |
20 |
|||
|
* Испытания выпрямленным напряжением одножильных кабелей с пластмассовой изоляцией без брони (экранов), проложенных на воздухе, не производится. |
||||||||||
Таблица 1.8.40
Токи утечки и коэффициенты асимметрии для силовых кабелей
|
Кабели напряжением, кВ |
Испытательное напряжение, кВ |
Допустимые значения токов утечки, мА |
Допустимые значения коэффициента асимметрии (Imax/Imin) |
|
6 |
36 |
0,2 |
8 |
|
10 |
60 |
0,5 |
8 |
|
20 |
100 |
1,5 |
10 |
|
35 |
175 |
2,5 |
10 |
|
110 |
285 |
Не нормируется |
Не нормируется |
|
150 |
347 |
То же |
То же |
|
220 |
610 |
« |
« |
|
330 |
670 |
« |
« |
|
500 |
865 |
« |
« |
Допускается производить испытания путем включения кабельной линии на номинальное напряжение Uном. Длительность испытания - согласно указаниям завода-изготовителя.
5. Определение активного сопротивления жил.
Производится для линий 20 кВ и выше. Активное сопротивление жил кабельной линии постоянному току, приведенное к 1 мм2 сечения, 1 м длины и температуре +20 °С, должно быть не более 0,0179 Ом для медной жилы и не более 0,0294 Ом для алюминиевой жилы. Измеренное сопротивление (приведенное к удельному значению) может отличаться от указанных значений не более, чем на 5 %.
6. Определение электрической рабочей ёмкости жил.
Производится для линий 20 кВ и выше. Измеренная ёмкость не должна отличаться от результатов заводских испытаний более чем на 5 %.
7. Проверка защиты от блуждающих токов.
Производится проверка действия установленных катодных защит.
8. Испытание на наличие нерастворенного воздуха (пропиточное испытание).
Производится для маслонаполненных кабельных линий 110 - 500 кВ. Содержание нерастворенного воздуха в масле должно быть не более 0,1 %.
9. Испытание подпитывающих агрегатов и автоматического подогрева концевых муфт.
Производится для маслонаполненных кабельных линий 110 - 500 кВ.
10. Проверка антикоррозийных защит.
При приемке линий в эксплуатацию и в процессе эксплуатации проверяется работа антикоррозионных защит для:
- кабелей с металлической оболочкой, проложенных в грунтах со средней и низкой коррозионной активностью (удельное сопротивление грунта выше 20 Ом/м), при среднесуточной плотности тока утечки в землю выше 0,15 мА/дм2;
- кабелей с металлической оболочкой, проложенных в грунтах с высокой коррозионной активностью (удельное сопротивление грунта менее 20 Ом/м) при любой среднесуточной плотности тока в землю;
- кабелей с незащищенной оболочкой и разрушенными броней и защитными покровами;
- стального трубопровода кабелей высокого давления независимо от агрессивности грунта и видов изоляционных покрытий.
При проверке измеряются потенциалы и токи в оболочках кабелей и параметры электрозащиты (ток и напряжение катодной станции, ток дренажа) в соответствии с руководящими указаниями по электрохимической защите подземных энергетических сооружений от коррозии.
Оценку коррозионной активности грунтов и естественных вод следует производить в соответствии с требованиями ГОСТ 9.602-89.
11. Определение характеристик масла и изоляционной жидкости.
Определение производится для всех элементов маслонаполненных кабельных линий на напряжение 110-500 кВ и для концевых муфт (вводов в трансформаторы и КРУЭ) кабелей с пластмассовой изоляцией на напряжение 110 кВ.
Пробы масел марок С-220, МН-3 и МН-4 и изоляционной жидкости марки ПМС должны удовлетворять требованиям норм табл. 1.8.41. и 1.8.42.
Если значения электрической прочности и степени дегазации масла МН-4 соответствуют нормам, а значения tgδ, измеренные по методике ГОСТ 6581-75, превышают указанные в табл. 1.8.42, пробу масла дополнительно выдерживают при температуре 100 °С в течение 2 ч, периодически измеряя tgδ. При уменьшении значения tgδ проба масла выдерживается при температуре 100 °С до получения установившегося значения, которое принимается за контрольное значение.
12. Измерение сопротивления заземления.
Производится на линиях всех напряжений для концевых заделок, а на линиях 110 - 500 кВ, кроме того, для металлических конструкций кабельных колодцев и подпиточных пунктов.
Таблица 1.8.41
Нормы на показатели качества масел марок С-220, МН-3 и МН-4 и изоляционной жидкости марки ПМС
|
Показатель качества масла |
Для вновь вводимой линии |
||
|
С-220, 5РА |
МН-3, МН-4 |
ПМС |
|
|
Пробивное напряжение в стандартном сосуде, кВ, не менее |
45 |
45 |
35 |
|
Степень дегазации (растворенный газ), не более |
0,5 |
0,1 |
- |
|
Примечание. Испытания масел, не указанных в табл. 1.8.39, производить в соответствии с требованием изготовителя. |
|||
Таблица 1.8.42
Тангенс угла диэлектрических потерь масла и изоляционной жидкости (при 100 °C), %, не более, для кабелей на напряжение, кВ
|
110 |
150 - 220 |
330 - 500 |
|
0,5/0,8* |
0,5/0,8* |
0,5/- |
|
*В числителе указано значение для масел марок С-220, в знаменателе - для МН-3, МН-4 и ПМС |
||
1. Проверка изоляторов.
Производится внешним осмотром.
2. Проверка соединений проводов.
Производится согласно 1.8.27.
3. Измерение сопротивления заземления опор, их оттяжек и тросов.
Производится в соответствии с 1.8.39 и указаниями главы 2.4.
УТВЕРЖДЕНЫ
Приказом Минэнерго России
От 08.07.2002 № 204
1.9.1. Настоящая глава распространяется на выбор изоляции электроустановок переменного тока на номинальное напряжение 6-750 кВ.
1.9.2. Длина пути утечки изоляции (изолятора) или составной изоляционной конструкции (L) - наименьшее расстояние по поверхности изоляционной детали между металлическими частями разного потенциала.
1.9.3. Эффективная длина пути утечки - часть длины пути утечки, определяющая электрическую прочность изолятора или изоляционной конструкции в условиях загрязнения и увлажнения.
Удельная эффективная длина пути утечки (lэ) - отношение эффективной длины пути утечки к наибольшему рабочему межфазному напряжению сети, в которой работает электроустановка.
1.9.4. Коэффициент использования длины пути утечки (k) - поправочный коэффициент, учитывающий эффективность использования длины пути утечки изолятора или изоляционной конструкции.
1.9.5. Степень загрязнения (СЗ) - показатель, учитывающий влияние загрязненности атмосферы на снижение электрической прочности изоляции электроустановок.
1.9.6. Карта степеней загрязнения (КСЗ) - географическая карта, районирующая территорию по СЗ.
1.9.7. Выбор изоляторов или изоляционных конструкций из стекла и фарфора должен производиться по удельной эффективной длине пути утечки в зависимости от СЗ в месте расположения электроустановки и ее номинального напряжения. Выбор изоляторов или изоляционных конструкций из стекла и фарфора может производиться также по разрядным характеристикам в загрязненном и увлажненном состоянии.
Выбор полимерных изоляторов или конструкций в зависимости от СЗ и номинального напряжения электроустановки должен производиться по разрядным характеристикам в загрязненном и увлажненном состоянии.
1.9.8. Определение СЗ должно производиться в зависимости от характеристик источников загрязнения и расстояния от них до электроустановки (табл. 1.9.3-1.9.18). В случаях, когда использование табл. 1.9.3-1.9.18 по тем или иным причинам невозможно, определение СЗ следует производить по КСЗ.
Вблизи промышленных комплексов, а также в районах с наложением загрязнений от крупных промышленных предприятий, ТЭС и источников увлажнения с высокой электрической проводимостью определение СЗ, как правило, должно производиться по КСЗ.
1.9.9. Длина пути утечки L (см) изоляторов и изоляционных конструкций из стекла и фарфора должна определяться по формуле
L = lэ×U×k,
где lэ - удельная эффективная длина пути утечки по табл. 1.9.1, см/кВ;
U - наибольшее рабочее междуфазное напряжение, кВ (по ГОСТ 721);
k - коэффициент использования длины пути утечки (см. 1.9.44-1.9.53).
1.9.10. Удельная эффективная длина пути утечки поддерживающих гирлянд изоляторов и штыревых изоляторов ВЛ на металлических и железобетонных опорах в зависимости от СЗ и номинального напряжения (на высоте до 1000 м над уровнем моря) должна приниматься по табл. 1.9.1.
Таблица 1.9.1
Удельная эффективная длина пути утечки поддерживающих гирлянд изоляторов и штыревых изоляторов ВЛ на металлических и железобетонных опорах, внешней изоляции электрооборудования и изоляторов ОРУ
|
lэ, см/кВ (не менее), при номинальном напряжении, кВ |
||
|
до 35 включительно |
110-750 |
|
|
1 |
1,90 |
1,60 |
|
2 |
2,35 |
2,00 |
|
3 |
3,00 |
2,50 |
|
4 |
3,50 |
3,10 |
Удельная эффективная длина пути утечки поддерживающих гирлянд и штыревых изоляторов ВЛ на высоте более 1000 м над уровнем моря должна быть увеличена по сравнению с нормированной в табл. 1.9.1:
от 1000 до 2000 м - на 5 %;
от 2000 до 3000 м - на 10 %;
от 3000 до 4000 м - на 15 %.
1.9.11. Изоляционные расстояния по воздуху от токоведущих до заземленных частей опор должны соответствовать требованиям гл. 2.5.
1.9.12. Количество подвесных
тарельчатых изоляторов в поддерживающих гирляндах и в последовательной цепи
гирлянд специальной конструкции (V-образных, L-образных,
-образных,
-образных и др., составленных из изоляторов одного типа) для ВЛ на
металлических и железобетонных опорах должно определяться по формуле
,
где LИ - длина пути утечки одного изолятора по стандарту или техническим условиям на изолятор конкретного типа, см. Если расчет m не дает целого числа, то выбирают следующее целое число.
1.9.13. На ВЛ напряжением 6-20 кВ с металлическими и железобетонными опорами количество подвесных тарельчатых изоляторов в поддерживающих и натяжных гирляндах должно определяться по 1.9.12 и независимо от материала опор должно составлять не менее двух.
На ВЛ напряжением 35-110 кВ с металлическими, железобетонными и деревянными опорами с заземленными креплениями гирлянд количество тарельчатых изоляторов в натяжных гирляндах всех типов в районах с 1-2-й СЗ следует увеличивать на один изолятор в каждой гирлянде по сравнению с количеством, полученным по 1.9.12.
На ВЛ напряжением 150-750 кВ на металлических и железобетонных опорах количество тарельчатых изоляторов в натяжных гирляндах должно определяться по 1.9.12.
1.9.14. На ВЛ напряжением 35-220 кВ с деревянными опорами в районах с 1-2-й СЗ количество подвесных тарельчатых изоляторов из стекла или фарфора допускается принимать на 1 меньше, чем для ВЛ на металлических или железобетонных опорах.
На ВЛ напряжением 6-20 кВ с деревянными опорами или деревянными траверсами на металлических и железобетонных опорах в районах с 1-2-й СЗ удельная эффективная длина пути утечки изоляторов должна быть не менее 1,5 см/кВ.
1.9.15. В гирляндах опор больших переходов должно предусматриваться по одному дополнительному тарельчатому изолятору из стекла или фарфора на каждые 10 м превышения высоты опоры сверх 50 м по отношению к количеству изоляторов нормального исполнения, определенному для одноцепных гирлянд при lэ = 1,9 см/кВ для ВЛ напряжением 6-35 кВ и lэ = 1,4 см/кВ для ВЛ напряжением 110-750 кВ. При этом количество изоляторов в гирляндах этих опор должно быть не менее требуемого по условиям загрязнения в районе перехода.
1.9.16. В гирляндах тарельчатых изоляторов из стекла или фарфора, подвешенных на высоте более 100 м, должны предусматриваться сверх определенного в соответствии с 1.9.12 и 1.9.15 два дополнительных изолятора.
1.9.17. Выбор изоляции ВЛ с изолированными проводами должен производиться в соответствии с 1.9.10-1.9.16.
1.9.18. Удельная эффективная длина пути утечки внешней фарфоровой изоляции электрооборудования и изоляторов ОРУ напряжением 6-750 кВ, а также наружной части вводов ЗРУ в зависимости от СЗ и номинального напряжения (на высоте до 1000 м над уровнем моря) должна приниматься по табл. 1.9.1.
Удельная эффективная длина пути утечки внешней изоляции электрооборудования и изоляторов ОРУ напряжением 6-220 кВ, расположенных на высоте более 1000 м, должна приниматься: на высоте до 2000 м - по табл. 1.9.1, а на высоте от 2000 до 3000 м - на одну степень загрязнения выше по сравнению с нормированной.
1.9.19. При выборе изоляции ОРУ изоляционные расстояния по воздуху от токоведущих частей ОРУ до заземленных конструкций должны соответствовать требованиям гл. 4.2.
1.9.20. В натяжных и поддерживающих гирляндах ОРУ число тарельчатых изоляторов следует определять по 1.9.12-1.9.13 с добавлением в каждую цепь гирлянды напряжением 110-150 кВ - одного, 220-330 кВ - двух, 500 кВ - трех, 750 кВ - четырех изоляторов.
1.9.21. При отсутствии электрооборудования, удовлетворяющего требованиям табл. 1.9.1 для районов с 3-4-й СЗ, необходимо применять оборудование, изоляторы и вводы на более высокие номинальные напряжения с изоляцией, удовлетворяющей табл. 1.9.1.
1.9.22. В районах с условиями загрязнения, превышающими 4-ю СЗ, как правило, следует предусматривать сооружение ЗРУ.
1.9.23. ОРУ напряжением 500-750 кВ и, как правило, ОРУ напряжением 110-330 кВ с большим количеством присоединений не должны располагаться в зонах с 3-4-й СЗ.
1.9.24. Удельная эффективная длина пути утечки внешней изоляции электрооборудования и изоляторов в ЗРУ напряжением 110 кВ и выше должна быть не менее 1,2 см/кВ в районах с 1-й СЗ и не менее 1,5 см/кВ в районах с 2-4-й СЗ.
1.9.25. В районах с 1-3-и СЗ должны применяться КРУН и КТП с изоляцией по табл. 1.9.1. В районах с 4-й СЗ допускается применение только КРУН и КТП с изоляторами специального исполнения.
1.9.26. Изоляторы гибких и жестких наружных открытых токопроводов должны выбираться с удельной эффективной длиной пути утечки по табл. 1.9.1: lэ = 1,9 см/кВ на номинальное напряжение 20 кВ для токопроводов 10 кВ в районах с 1-3-й СЗ; lэ = 3,0 см/кВ на номинальное напряжение 20 кВ для токопроводов 10 кВ в районах с 4-й СЗ; lэ = 2,0 см/кВ на номинальное напряжение 35 кВ для токопроводов 13,8-24 кВ в районах с 1-4-й СЗ.
1.9.27. Гирлянды ВЛ напряжением 6-750 кВ, внешняя изоляция электрооборудования и изоляторы ОРУ напряжением 6-750 кВ должны иметь 50 %-ные разрядные напряжения промышленной частоты в загрязненном и увлажненном состоянии не ниже значений, приведенных в табл. 1.9.2.
Удельная поверхностная проводимость слоя загрязнения должна приниматься (не менее):
для 1-й СЗ - 5 мкСм, 2-й СЗ -10 мкСм, 3-й СЗ - 20 мкСм, 4-й СЗ - 30 мкСм.
Таблица 1.9.2
50 %-ные разрядные напряжения гирлянд ВЛ 6-750 кВ, внешней изоляции электрооборудования и изоляторов ОРУ 6-750 кВ в загрязненном и увлажненном состоянии
|
50 %-ные разрядные напряжения, кВ (действующие значения) |
|
|
6 |
8 |
|
10 |
13 |
|
35 |
42 |
|
110 |
110 |
|
150 |
150 |
|
220 |
220 |
|
330 |
315 |
|
500 |
460 |
|
750 |
685 |
1.9.28. В районах, не попадающих в зону влияния промышленных источников загрязнения (леса, тундра, лесотундра, луга), может применяться изоляция с меньшей удельной эффективной длиной пути утечки, чем нормированная в табл. 1.9.1 для 1-й СЗ.
1.9.29. К районам с 1-й СЗ относятся территории, не попадающие в зону влияния источников промышленных и природных загрязнений (болота, высокогорные районы, районы со слабозасоленными почвами, сельскохозяйственные районы).
1.9.30. В промышленных районах при наличии обосновывающих данных может применяться изоляция с большей удельной эффективной длиной пути утечки, чем нормированная в табл. 1.9.1 для 4-й СЗ.
1.9.31. Степень загрязнения вблизи промышленных предприятий должна определяться по табл. 1.9.3-1.9.12 в зависимости от вида и расчетного объема выпускаемой продукции и расстояния до источника загрязнений.
Расчетный объем продукции, выпускаемой промышленным предприятием, определяется суммированием всех видов продукции. СЗ в зоне уносов действующего или сооружаемого предприятия должна определяться по наибольшему годовому объему продукции с учетом перспективного плана развития предприятия (не более чем на 10 лет вперед).
1.9.32. Степень загрязнения вблизи ТЭС и промышленных котельных должна определяться по табл. 1.9.13 в зависимости от вида топлива, мощности станции и высоты дымовых труб.
1.9.33. При отсчете расстояний по табл. 1.9.3-1.9.13 границей источника загрязнения является кривая, огибающая все места выбросов в атмосферу на данном предприятии (ТЭС).
1.9.34. В случае превышения объема выпускаемой продукции и мощности ТЭС, по сравнению с указанными в табл. 1.9.3-1.9.13, следует увеличивать СЗ не менее чем на одну ступень.
1.9.35. Объем выпускаемой продукции при наличии на одном предприятии нескольких источников загрязнения (цехов) должен определяться суммированием объемов продукции отдельных цехов. Если источник выброса загрязняющих веществ отдельных производств (цехов) отстоит от других источников выброса предприятия больше чем на 1000 м, годовой объем продукции должен определяться для этих производств и остальной части предприятия отдельно. В этом случае расчетная СЗ должна определяться согласно 1.9.43.
1.9.36. Если на одном промышленном предприятии выпускается продукция нескольких отраслей (или подотраслей) промышленности, указанных в табл. 1.9.3-1.9.12, то СЗ следует определять согласно 1.9.43.
1.9.37. Границы зоны с данной СЗ следует корректировать с учетом розы ветров по формуле
,
где S - расстояние от границы источника загрязнения до границы района с данной СЗ, скорректированное с учетом розы ветров, м;
S0 - нормированное расстояние от границы источника загрязнения до границы района с данной СЗ при круговой розе ветров, м;
W - среднегодовая повторяемость ветров рассматриваемого румба, %;
W0 - повторяемость ветров одного румба при круговой розе ветров, %.
Значения S/S0 должны ограничиваться пределами 0,5 £ S/S0 £ 2.
1.9.38. Степень загрязнения вблизи отвалов пылящих материалов, складских зданий и сооружений, канализационно-очистных сооружений следует определять по табл. 1.9.14.
1.9.39. Степень загрязнения вблизи автодорог с интенсивным использованием в зимнее время химических противогололедных средств следует определять по табл. 1.9.15.
1.9.40. Степень загрязнения в прибрежной зоне морей, соленых озер и водоемов должна определяться по табл. 1.9.16 в зависимости от солености воды и расстояния до береговой линии. Расчетная соленость воды определяется по гидрологическим картам как максимальное значение солености поверхностного слоя воды в зоне до 10 км вглубь акватории. Степень загрязнения над поверхностью засоленных водоемов следует принимать на одну ступень выше, чем в табл. 1.9.16 для зоны до 0,1 км.
1.9.41. В районах, подверженных ветрам со скоростью более 30 м/с со стороны моря (периодичностью не реже одного раза в 10 лет), расстояния от береговой линии, приведенные в табл. 1.9.16, следует увеличить в 3 раза.
Для водоемов площадью 1000-10000 м2 СЗ допускается снижать на одну ступень по сравнению с данными табл. 1.9.16.
1.9.42. Степень загрязнения вблизи градирен или брызгальных бассейнов должна определяться по табл. 1.9.17 при удельной проводимости циркуляционной воды менее 1000 мкСм/см и по табл. 1.9.18 при удельной проводимости от 1000 до 3000 мкСм/см.
1.9.43. Расчетную СЗ в зоне наложения загрязнений от двух независимых источников, определенную с учетом розы ветров по 1.9.37, следует определять по табл. 1.9.19 независимо от вида промышленного или природного загрязнения.
Таблица 1.9.3
СЗ вблизи химических предприятий и производств
|
СЗ при расстоянии от источника загрязнения, м |
||||||||
|
до 500 |
от 500 до 1000 |
от 1000 до 1500 |
от 1500 до 2000 |
от 2000 до 2500 |
от 2500 до 3000 |
от 3000 до 5000 |
от 5000 |
|
|
До 10 |
1 |
1 |
1 |
1 |
1 |
1 |
1 |
1 |
|
От 10 до 500 |
2 |
1 |
1 |
1 |
1 |
1 |
1 |
1 |
|
От 500 до 1500 |
3 |
2 |
1 |
1 |
1 |
1 |
1 |
1 |
|
От 1500 до 2500 |
3 |
3 |
2 |
1 |
1 |
1 |
1 |
1 |
|
От 2500 до 3500 |
4 |
3 |
3 |
2 |
2 |
1 |
1 |
1 |
|
От 3500 до 5000 |
4 |
4 |
3 |
3 |
3 |
2 |
2 |
1 |
Таблица 1.9.4
СЗ вблизи нефтеперерабатывающих и нефтехимических предприятий и производств
|
Подотрасль |
Расчетный объем выпускаемой продукции, тыс. т/год |
СЗ при расстоянии от источника загрязнения, м |
|||||
|
до 500 |
от 500 до 1000 |
от 1000 до 1500 |
от 1500 до 2000 |
от 2000 до 3500 |
от 3500 |
||
|
Нефтеперерабатывающие заводы |
До 1000 |
1 |
1 |
1 |
1 |
1 |
1 |
|
От 1000 до 5000 |
2 |
1 |
1 |
1 |
1 |
1 |
|
|
От 5000 до 9000 |
3 |
2 |
1 |
1 |
1 |
1 |
|
|
От 9000 до 18000 |
3 |
3 |
2 |
1 |
1 |
1 |
|
|
Нефтехимические заводы и комбинаты |
До 5000 |
3 |
2 |
1 |
1 |
1 |
1 |
|
От 5000 до 10000 |
3 |
3 |
2 |
1 |
1 |
1 |
|
|
От 10000 до 15000 |
4 |
3 |
3 |
2 |
1 |
1 |
|
|
От 15000 до 20000 |
4 |
4 |
3 |
3 |
2 |
1 |
|
|
Заводы синтетического каучука |
До 50 |
1 |
1 |
1 |
1 |
1 |
1 |
|
От 50 до 150 |
2 |
1 |
1 |
1 |
1 |
1 |
|
|
От 150 до 500 |
3 |
2 |
1 |
1 |
1 |
1 |
|
|
От 500 до 1000 |
3 |
3 |
2 |
1 |
1 |
1 |
|
|
Заводы резинотехнических изделий |
До 100 |
1 |
1 |
1 |
1 |
1 |
1 |
|
От 100 до 300 |
2 |
1 |
1 |
1 |
1 |
1 |
|
Таблица 1.9.5
СЗ вблизи предприятий по производству газов и переработке нефтяного газа
|
Подотрасль |
Расчетный объем выпускаемой продукции |
СЗ при расстоянии от источника загрязнения, м |
||
|
до 500 |
от 500 до 1000 |
от 1000 |
||
|
Производство газов |
Независимо от объема |
2 |
1 |
1 |
|
Переработка нефтяного газа |
Независимо от объема |
3 |
2 |
1 |
Таблица 1.9.6
СЗ вблизи предприятий по производству целлюлозы и бумаги
|
Подотрасль |
Расчетный объем выпускаемой продукции, тыс. т/год |
СЗ при расстоянии от источника загрязнения, м |
|||
|
до 500 |
от 500 до 1000 |
от 1000 до 1500 |
от 1500 |
||
|
Производство целлюлозы и полуцеллюлозы |
До 75 |
1 |
1 |
1 |
1 |
|
От 75 до 150 |
2 |
1 |
1 |
1 |
|
|
От 150 до 500 |
3 |
2 |
1 |
1 |
|
|
От 500 до 1000 |
4 |
3 |
2 |
1 |
|
|
Производство бумаги |
Независимо от объема |
1 |
1 |
1 |
1 |
Таблица 1.9.7
СЗ вблизи предприятий и производств черной металлургии
|
Подотрасль |
Расчетный объем выпускаемой продукции, тыс. т/год |
СЗ при расстоянии от источника загрязнения, м |
|||||
|
до 500 |
от 500 до 1000 |
от 1000 до 1500 |
от 1500 до 2000 |
от 2000 до 2500 |
от 2500 |
||
|
Выплавка чугуна и стали |
До 1500 |
2 |
1 |
1 |
1 |
1 |
1 |
|
От 1500 до 7500 |
2 |
2 |
2 |
1 |
1 |
1 |
|
|
От 7500 до 12000 |
3 |
2 |
2 |
2 |
1 |
1 |
|
|
Горнообогатительные комбинаты |
До 2000 |
1 |
1 |
1 |
1 |
1 |
1 |
|
От 2000 до 5500 |
2 |
1 |
1 |
1 |
1 |
1 |
|
|
От 5500 до 10000 |
3 |
2 |
1 |
1 |
1 |
1 |
|
|
От 10000 до 13000 |
3 |
3 |
2 |
1 |
1 |
1 |
|
|
Коксохимпроизводство |
До 5000 |
2 |
2 |
2 |
2 |
2 |
1 |
|
От 5000 до 12000 |
3 |
2 |
2 |
2 |
2 |
1 |
|
|
Ферросплавы |
До 500 |
1 |
1 |
1 |
1 |
1 |
1 |
|
От 500 до 700 |
2 |
2 |
1 |
1 |
1 |
1 |
|
|
От 700 до 1000 |
3 |
3 |
2 |
1 |
1 |
1 |
|
|
Производство магнезиальных изделий |
Независимо от объема |
3 |
2 |
2 |
2 |
1 |
1 |
|
Прокат и обработка чугуна и стали |
Независимо от объема |
2 |
1 |
1 |
1 |
1 |
1 |
Таблица 1.9.8
СЗ вблизи предприятий и производств цветной металлургии
|
Подотрасль |
Расчетный объем выпускаемой продукции, тыс. т/год |
СЗ при расстоянии от источника загрязнения, м |
||||||
|
до 500 |
от 500 до 1000 |
от 1000 до 1500 |
от 1500 до 2000 |
от 2000 до 2500 |
от 2500 до 3500 |
от 3500 |
||
|
Производство алюминия |
До 100 |
1 |
1 |
1 |
1 |
1 |
1 |
1 |
|
От 100 до 500 |
2 |
2 |
1 |
1 |
1 |
1 |
1 |
|
|
От 500 до 1000 |
3 |
3 |
2 |
2 |
1 |
1 |
1 |
|
|
От 1000 до 2000 |
3 |
3 |
3 |
2 |
2 |
1 |
1 |
|
|
Производство никеля |
От 1 до 5 |
1 |
1 |
1 |
1 |
1 |
1 |
1 |
|
От 5 до 25 |
2 |
2 |
1 |
1 |
1 |
1 |
1 |
|
|
От 25 до 1000 |
3 |
2 |
2 |
1 |
1 |
1 |
1 |
|
|
Производство редких металлов |
Независимо от объема |
4 |
4 |
3 |
3 |
2 |
2 |
1 |
|
Производство цинка |
Независимо от объема |
3 |
2 |
1 |
1 |
1 |
1 |
1 |
|
Производство и обработка цветных металлов |
Независимо от объема |
2 |
1 |
1 |
1 |
1 |
1 |
1 |
Таблица 1.9.9
СЗ вблизи предприятий по производству строительных материалов
|
Подотрасль |
Расчетный объем выпускаемой продукции, тыс. т/год |
СЗ при расстоянии от источника загрязнения, м |
||||||
|
до 250 |
от 250 до 500 |
от 500 до 1000 |
от 1000 до 1500 |
от 1500 до 2000 |
от 2000 до 3000 |
от 3000 |
||
|
Производство цемента |
До 100 |
1 |
1 |
1 |
1 |
1 |
1 |
1 |
|
От 100 до 500 |
2 |
2 |
1 |
1 |
1 |
1 |
1 |
|
|
От 500 до 1500 |
3 |
3 |
2 |
1 |
1 |
1 |
1 |
|
|
От 1500 до 2500 |
3 |
3 |
3 |
2 |
1 |
1 |
1 |
|
|
От 2500 до 3500 |
4 |
4 |
3 |
3 |
2 |
1 |
1 |
|
|
От 3500 |
4 |
4 |
4 |
3 |
3 |
2 |
1 |
|
|
Производство асбеста и др. |
Независимо от объема |
3 |
2 |
1 |
1 |
1 |
1 |
1 |
|
Производство бетонных изделий и др. |
Независимо от объема |
2 |
1 |
1 |
1 |
1 |
1 |
1 |
Таблица 1.9.10
СЗ вблизи машиностроительных предприятий и производств
|
Расчетный объем выпускаемой продукции |
СЗ при расстоянии от источника загрязнения, м |
|
|
до 500 |
от 500 |
|
|
Независимо от объема |
2 |
1 |
Таблица 1.9.11
СЗ вблизи предприятий легкой промышленности
|
Подотрасль |
Расчетный объем выпускаемой продукции |
СЗ при расстоянии от источника загрязнения, м |
||
|
до 250 |
от 250 до 500 |
от 500 |
||
|
Обработка тканей |
Независимо от объема |
3 |
2 |
1 |
|
Производство искусственных кож и пленочных материалов |
Независимо от объема |
2 |
1 |
1 |
Таблица 1.9.12
СЗ вблизи предприятий по добыче руд и нерудных ископаемых
|
Расчетный объем выпускаемой продукции |
СЗ при расстоянии от источника загрязнения, м |
|||
|
до 250 |
от 250 до 500 |
от 500 |
||
|
Железная руда и др. |
Независимо от объема |
2 |
1 |
1 |
|
Уголь* |
Независимо от объема |
3 |
2 |
1 |
* Распространяется на определение СЗ вблизи терриконов.
Таблица 1.9.13
СЗ вблизи ТЭС и промышленных котельных
|
Мощность, МВт |
Высота дымовых труб, м |
СЗ при расстоянии от источника загрязнения, м |
||||||
|
до 250 |
от 250 до 500 |
от 500 до 1000 |
от 1000 до 1500 |
от 1500 до 3000 |
от 3000 |
|||
|
ТЭС и котельные на углях при зольности менее 30 %, мазуте, газе |
Независимо от мощности |
Любая |
1 |
1 |
1 |
1 |
1 |
1 |
|
ТЭС и котельные на углях при зольности более 30 % |
До 1000 |
Любая |
1 |
1 |
1 |
1 |
1 |
1 |
|
От 1000 до 4000 |
До 180 |
2 |
2 |
2 |
1 |
1 |
1 |
|
|
От 180 |
2 |
2 |
1 |
1 |
1 |
1 |
||
|
ТЭС и котельные на сланцах |
До 500 |
Любая |
3 |
2 |
2 |
2 |
1 |
1 |
|
От 500 до 2000 |
До 180 |
4 |
3 |
2 |
2 |
2 |
1 |
|
|
От 180 |
3 |
3 |
2 |
2 |
2 |
1 |
||
Таблица 1.9.14
СЗ
вблизи отвалов пылящих материалов, складских зданий и сооружений,
канализационно-очистных сооружений
(золоотвалы,
солеотвалы, шлакоотвалы, крупные промышленные свалки, предприятия по сжиганию
мусора, склады и элеваторы пылящих материалов, склады для хранения минеральных
удобрений и ядохимикатов, гидрошахты и обогатительные фабрики, станции аэрации
и другие канализацонно-очистные сооружения)
|
до 200 |
от 200 до 600 |
от 600 |
|
3 |
2 |
1 |
Таблица 1.9.15
СЗ вблизи автодорог с интенсивным использованием в зимнее время химических противогололедных средств
|
до 25 |
от 25 до 100 |
от 100 |
|
3 |
2 |
1 |
Таблица 1.9.16
СЗ в прибрежной зоне морей и озер площадью более 10000 м2
|
Расчетная соленость воды, г/л |
Расстояние от береговой линии, км |
СЗ |
|
|
Незасоленный |
До 2 |
До 0,1 |
1 |
|
Слабозасоленный |
От 2 до 10 |
До 0,1 |
2 |
|
От 0,1 до 1,0 |
1 |
||
|
Среднезасоленный |
От 10 до 20 |
До 0,1 |
3 |
|
От 0,1 до 1,0 |
2 |
||
|
От 1,0 до 5,0 |
1 |
||
|
Сильнозасоленный |
От 20 до 40 |
До 1,0 |
3 |
|
От 1,0 до 5,0 |
2 |
||
|
От 5,0 до 10,0 |
1 |
Таблица 1.9.17
СЗ вблизи градирен и брызгальных бассейнов с удельной проводимостью циркуляционной воды менее 1000 мкСм/см
|
Расстояние от градирен (брызгального бассейна), м |
||
|
до 150 |
от 150 |
|
|
1 |
2 |
1 |
|
2 |
3 |
2 |
|
3 |
4 |
3 |
|
4 |
4 |
4 |
Таблица 1.9.18
СЗ вблизи градирен и брызгальных бассейнов с удельной проводимостью циркуляционной воды от 1000 до 3000 мкСм/см
|
Расстояние от градирен (брызгального бассейна), м |
|||
|
до 150 |
от 150 до 600 |
от 600 |
|
|
1 |
3 |
2 |
1 |
|
2 |
4 |
3 |
2 |
|
3 |
4 |
4 |
3 |
|
4 |
4 |
4 |
4 |
Таблица 1.9.19
Расчетная СЗ при наложении загрязнений от двух независимых источников
|
Расчетная СЗ при степени загрязнения от второго источника |
|||
|
2 |
3 |
4 |
|
|
2 |
2 |
3 |
4 |
|
3 |
3 |
4 |
4 |
|
4 |
4 |
4 |
4 |
1.9.44. Коэффициенты использования k изоляционных конструкций, составленных из однотипных изоляторов, следует определять как
k = kИ×kК
где kИ - коэффициент использования изолятора;
kK - коэффициент использования составной конструкции с параллельными или последовательно-параллельными ветвями.
1.9.45. Коэффициенты использования kИ подвесных тарельчатых изоляторов по ГОСТ 27661 со слабо развитой нижней поверхностью изоляционной детали следует определять по табл. 1.9.20 в зависимости от отношения длины пути утечки изолятора LИ к диаметру его тарелки D.
1.9.46. Коэффициенты использования kИ подвесных тарельчатых изоляторов специального исполнения с сильно развитой поверхностью следует определять по табл. 1.9.21.
1.9.47. Коэффициенты использования kИ штыревых изоляторов (линейных, опорных) со слабо развитой поверхностью должны приниматься равными 1,0, с сильно развитой поверхностью - 1,1.
1.9.48. Коэффициенты использования kИ внешней изоляции электрооборудования наружной установки, выполненной в виде одиночных изоляционных конструкций, в том числе опорных изоляторов наружной установки на номинальное напряжение до 110 кВ, а также подвесных изоляторов стержневого типа на номинальное напряжение 110 кВ, следует определять по табл. 1.9.22 в зависимости от отношения длины пути утечки изолятора или изоляционной конструкции LИ к длине их изоляционной части h.
1.9.49. Коэффициенты использования kK одноцепных гирлянд и одиночных опорных колонок, составленных из однотипных изоляторов, следует принимать равными 1,0.
1.9.50. Коэффициенты использования kK составных конструкций с параллельными ветвями (без перемычек), составленных из однотипных элементов (двухцепных и многоцепных поддерживающих и натяжных гирлянд, двух- и многостоечных колонок), следует определять по табл. 1.9.23.
1.9.51. Коэффициенты использования kK L-образных и V-образных гирлянд с одноцепными ветвями следует принимать равными 1,0.
1.9.52. Коэффициенты использования kK составных конструкций с последовательно-параллельными ветвями,
составленными из изоляторов одного типа (гирлянд типа
или
,
опорных колонок с различным числом параллельных ветвей по высоте, а также
подстанционных аппаратов с растяжками), следует принимать равными 1,1.
1.9.53. Коэффициенты использования kИ одноцепных гирлянд и одиночных опорных колонок, составленных из разнотипных изоляторов с коэффициентами использования kИ1 и kИ2, должны определяться по формуле
,
где L1 и L2 - длина пути утечки участков конструкции из изоляторов соответствующего типа. Аналогичным образом должна определяться величина kИ для конструкций указанного вида при числе разных типов изоляторов, большем двух.
Таблица 1.9.20
Коэффициенты использования kИ подвесных тарельчатых изоляторов со слабо развитой нижней поверхностью изоляционной детали
|
LИ/D |
kИ |
|
От 0,90 до 1,05 включительно |
1,00 |
|
От 1,05 до 1,10 включительно |
1,05 |
|
От 1,10 до 1,20 включительно |
1,10 |
|
От 1,20 до 1,30 включительно |
1,15 |
|
От 1,30 до 1,40 включительно |
1,20 |
Таблица 1.9.21
Коэффициенты использования kИ подвесных тарельчатых изоляторов специального исполнения
|
kИ |
|
|
Двукрылая |
1,20 |
|
С увеличенным вылетом ребра на нижней поверхности |
1,25 |
|
Аэродинамического профиля (конусная, полусферическая) |
1,0 |
|
Колоколообразная с гладкой внутренней и ребристой наружной поверхностями |
1,15 |
Таблица 1.9.22
Коэффициенты использования одиночных изоляционных колонок, опорных и подвесных стержневых изоляторов
|
LИ/h |
менее 2,5 |
2,5-3,00 |
3,01-3,30 |
3,31-3,50 |
3,51-3,71 |
3,71-4,00 |
|
Kк |
1,0 |
1,10 |
1,15 |
1,20 |
1,25 |
1,30 |
Таблица 1.9.23
Коэффициенты использования kк составных конструкций с электрически параллельными ветвями (без перемычек)
|
1 |
2 |
3-5 |
|
|
Kк |
1,0 |
1,05 |
1,10 |
1.9.54. Конфигурация подвесных изоляторов для районов с различными видами загрязнений должна выбираться по табл. 1.9.24.
Таблица 1.9.24
Рекомендуемые области применения подвесных изоляторов различной конфигурации
|
Характеристика районов загрязнения |
|
|
Тарельчатый с ребристой нижней поверхностью (LИ/D £ 1,4) |
Районы с 1-2-й СЗ при любых видах загрязнения |
|
Тарельчатый гладкий полусферический, тарельчатый гладкий конусный |
Районы с 1-2-й СЗ при любых видах загрязнения, районы с засоленными почвами и с промышленными загрязнениями не выше 3-й СЗ |
|
Тарельчатый фарфоровый |
Районы с 4-й СЗ вблизи цементных и сланцевоперерабатывающих предприятий, предприятий черной металлургии, предприятий по производству калийных удобрений, химических производств, выпускающих фосфаты, алюминиевых заводов при наличии цехов производства электродов (цехов анодной массы) |
|
Стержневой фарфоровый нормального исполнения (LИ/h £ 2,5) |
Районы с 1-й СЗ, в том числе с труднодоступными трассами ВЛ |
|
Тарельчатый двукрылый |
Районы с засоленными почвами и с промышленными загрязнениями (2-4-я СЗ) |
|
Тарельчатый с сильно выступающим ребром на нижней поверхности (LИ/D > 1,4) |
Побережья морей и соленых озер (2-4-я СЗ) |
|
Стержневой фарфоровый специального исполнения (LИ/h > 2,5) |
Районы с 2-4-й СЗ при любых видах загрязнения; районы с труднодоступными трассами ВЛ (2-3-я СЗ) |
|
Стержневой полимерный нормального исполнения |
Районы с 1-2-й СЗ при любых видах загрязнения, в том числе районы с труднодоступными трассами ВЛ |
|
Стержневой полимерный специального исполнения |
Районы с 2-3-й СЗ при любых видах загрязнения, в том числе районы с труднодоступными трассами ВЛ |
Примечание. D - диаметр тарельчатого изолятора, см; h - высота изоляционной части стержневого изолятора, см; LИ - длина пути утечки, см.
УТВЕРЖДЕНО
приказом Минэнерго России
От 20 мая 2003 г. № 187
Вводится в действие с 1 октября 2003 г.
2.4.1. Настоящая глава Правил распространяется на воздушные линии электропередачи переменного тока напряжением до 1 кВ, выполняемые с применением изолированных или неизолированных проводов.
Дополнительные требования к ВЛ до 1 кВ приведены в гл. 2.5, 6.3 и 7.7.
Кабельные вставки в линию и кабельные ответвления от линии должны выполняться в соответствии с требованиями гл. 2.3.
2.4.2. Воздушная линия (ВЛ) электропередачи напряжением до 1 кВ - устройство для передачи и распределения электроэнергии по изолированным или неизолированным проводам, расположенным на открытом воздухе и прикрепленным линейной арматурой к опорам, изоляторам или кронштейнам, к стенам зданий и к инженерным сооружениям.
Воздушная линия электропередачи напряжением до 1 кВ с применением самонесущих изолированных проводов (СИП) обозначается ВЛИ.
Самонесущий изолированный провод - скрученные в жгут изолированные жилы, причем несущая жила может быть как изолированной, так и неизолированной. Механическая нагрузка может восприниматься или несущей жилой, или всеми проводниками жгута.
2.4.3. Магистраль ВЛ - участок линии от питающей трансформаторной подстанции до концевой опоры.
К магистрали ВЛ могут быть присоединены линейные ответвления или ответвления к вводу.
Линейное ответвление от ВЛ - участок линии, присоединенной к магистрали ВЛ, имеющий более двух пролетов.
Ответвление от ВЛ к вводу - участок от опоры магистрали или линейного ответвления до зажима (изолятора ввода).
Ответвление от ВЛИ допускается выполнять в пролете.
2.4.4. Состояние ВЛ в расчетах механической части:
нормальный режим - режим при необорванных проводах;
аварийный режим - режим при оборванных проводах;
монтажный режим - режим в условиях монтажа опор и проводов.
Механический расчет ВЛ до 1 кВ в аварийном режиме не производится.
2.4.5. Механический расчет элементов ВЛ должен производиться по методам, изложенным в гл. 2.5.
2.4.6. Воздушные линии электропередачи должны размещаться так, чтобы опоры не загораживали входы в здания и въезды во дворы и не затрудняли движения транспорта и пешеходов. В местах, где имеется опасность наезда транспорта (у въездов во дворы, вблизи съездов с дорог, при пересечении дорог), опоры должны быть защищены от наезда (например, отбойными тумбами).
2.4.7. На опорах ВЛ на высоте не менее 2 м от земли через 250 м на магистрали ВЛ должны быть установлены (нанесены): порядковый номер опоры; плакаты, на которых указаны расстояния от опоры ВЛ до кабельной линии связи (на опорах, установленных на расстоянии менее 4 м до кабелей связи), ширина охранной зоны и телефон владельца ВЛ.
2.4.8. При прохождении ВЛИ по лесным массивам и зеленым насаждениям вырубка просек не требуется. При этом расстояние от проводов до деревьев и кустов при наибольшей стреле провеса СИП и наибольшем их отклонении должно быть не менее 0,3 м.
При прохождении ВЛ с неизолированными проводами по лесным массивам и зеленым насаждениям вырубка просеки не обязательна. При этом расстояние от проводов при наибольшей стреле провеса или наибольшем отклонении до деревьев и кустов должно быть не менее 1 м.
Расстояние от изолированных проводов до зеленых насаждений должно быть не менее 0,5 м.
2.4.9. Конструкции опор ВЛ должны быть защищены от коррозии с учетом требований 2.5.25, 2.5.26 и строительных норм и правил.
2.4.10. Защиту ВЛ от электрических перегрузок следует выполнять в соответствии с требованиями гл. 3.1.
2.4.11. Климатические условия для расчета ВЛ до 1 кВ в нормальном режиме должны приниматься как для ВЛ до 20 кВ в соответствии с 2.5.38 - 2.5.74. При этом для ВЛ до 1 кВ следует принимать:
при расчете по 2.5.52: Сх = 1,1 - для СИП, свободных или покрытых гололедом;
при расчете по 2.5.54 и 2.5.55:
γnw = γnг = 0,8 - для одноцепных ВЛ;
γnw = γnг = 0,9 - для одноцепных ВЛ с подвеской на опорах ПВ;
γnw = 1,0 и γnг = 1,2 - для двухцепных и многоцепных ВЛ, а также при подвеске на опорах ВЛ самонесущего неметаллического оптического кабеля (ОКСН);
γр = 1,0 и К1 = 1,0 - во всех случаях.
2.4.12. Расчет длины пролета ответвления от ВЛ к вводу по 2.4.20 должен выполняться в гололедном режиме для двух случаев:
1) направление ветра под углом 90° к оси ВЛ, провода ВЛ покрыты гололедом bэ, толщина стенки гололеда на проводах ответвления bo = 0,5 bэ;
2) направление ветра вдоль ВЛ (угол 0°), толщина стенки гололеда на проводах ответвления bo = bэ.
При этом в обоих случаях следует учитывать редукцию тяжения проводов ответвления при отклонении верха опоры.
2.4.13. На ВЛ должны, как правило, применяться самонесущие изолированные провода (СИП).
СИП должен относиться к категории защищенных, иметь изоляцию из трудносгораемого светостабилизированного синтетического материала, стойкого к ультрафиолетовому излучению и воздействию озона.
2.4.14. По условиям механической прочности на магистралях ВЛ, на линейном ответвлении от ВЛ и на ответвлениях к вводам следует применять провода с минимальными сечениями, указанными в табл. 2.4.1 и 2.4.2.
2.4.15. При сооружении ВЛ в местах, где опытом эксплуатации установлено разрушение проводов от коррозии (побережья морей, соленых озер, промышленные районы и районы засоленных песков), а также в местах, где на основании данных изысканий оно возможно, следует применять самонесущие изолированные провода с изолированной жилой.
Таблица 2.4.1
Минимально допустимые сечения изолированных проводов
|
Нормативная толщина стенки гололеда bэ, мм |
Сечение несущей жилы, мм2, на магистрали ВЛИ, на линейном ответвлении от ВЛИ |
Сечение жилы на ответвлениях от ВЛИ и от ВЛ к вводам, мм2 |
|
10 |
35 (25)* |
16 |
|
15 и более |
50 (25)* |
16 |
* В скобках дано сечение жилы самонесущих изолированных проводов, скрученных в жгут, без несущего провода.
Таблица 2.4.2
Минимально допустимые сечения неизолированных и изолированных проводов
|
Нормативная толщина стенки гололеда bэ, мм |
Материал провода |
Сечение провода на магистрали и линейном ответвлении, мм |
|
10 |
Алюминий (А), нетермообработанный алюминиевый сплав (АН) |
25 |
|
Сталеалюминий (АС), термообработанный алюминиевый сплав (АЖ) |
25 |
|
|
Медь (М) |
16 |
|
|
15 и более |
А, АН АС, АЖ М |
35 |
|
25 |
||
|
16 |
2.4.16. Магистраль ВЛ, как правило, следует выполнять проводами неизменного сечения.
Сечения фазных проводов магистрали ВЛ рекомендуется принимать не менее 50 мм2.
2.4.17. Механический расчет проводов должен производиться по методу допускаемых напряжений для условий, указанных в 2.5.38 - 2.5.74. При этом напряжения в проводах не должны превышать допускаемых напряжений, приведенных в табл. 2.4.3, а расстояния от проводов до поверхности земли, пересекаемых сооружений и заземленных элементов опор должны отвечать требованиям настоящей главы.
При расчете используются параметры проводов, приведенные в табл. 2.5.8.
Таблица 2.4.3
Допустимое механическое напряжение в проводах ВЛ до 1 кВ
|
Провод |
Допустимое напряжение, % предела прочности при растяжении |
|
|
при наибольшей нагрузке и низшей температуре tu = t- |
при среднегодовой температуре tсг |
|
|
СИП сечением 25 - 120 мм2 |
40 |
30 |
|
Алюминиевый сечением, мм2: |
|
|
|
25 - 95 |
35 |
30 |
|
120 |
40 |
30 |
|
Из термообработанного и нетермообработанного алюминиевого сплава сечением, мм2: |
|
|
|
25 - 95 |
40 |
30 |
|
120 |
45 |
30 |
|
Сталеалюминиевый сечением, мм2: |
|
|
|
25 |
35 |
30 |
|
35 - 95 |
40 |
30 |
2.4.18. Все виды механических нагрузок и воздействий на СИП с несущей жилой должна воспринимать эта жила, а на СИП без несущего провода - должны воспринимать все жилы скрученного жгута.
2.4.19. Длина пролета ответвления от ВЛ к вводу должна определяться расчетом в зависимости от прочности опоры, на которой выполняется ответвление, высоты подвески проводов ответвления на опоре и на вводе, количества и сечения жил проводов ответвления.
При расстояниях от магистрали ВЛ до здания, превышающих расчетные значения пролета ответвления, устанавливается необходимое число дополнительных опор.
2.4.20. Выбор сечения токоведущих проводников по длительно допустимому току следует выполнять с учетом требований гл. 1.3.
Сечение токоведущих проводников должно проверяться по условию нагрева при коротких замыканиях (КЗ) и на термическую стойкость.
2.4.21. Крепление, соединение СИП и присоединение к СИП следует производить следующим образом:
1) крепление провода магистрали ВЛИ на промежуточных и угловых промежуточных опорах - с помощью поддерживающих зажимов;
2) крепление провода магистрали ВЛИ на опорах анкерного типа, а также концевое крепление проводов ответвления на опоре ВЛИ и на вводе - с помощью натяжных зажимов;
3) соединение провода ВЛИ в пролете - с помощью специальных соединительных зажимов; в петлях опор анкерного типа допускается соединение неизолированного несущего провода с помощью плашечного зажима. Соединительные зажимы, предназначенные для соединения несущего провода в пролете, должны иметь механическую прочность не менее 90 % разрывного усилия провода;
4) соединение фазных проводов магистрали ВЛИ - с помощью соединительных зажимов, имеющих изолирующее покрытие или защитную изолирующую оболочку;
5) соединение проводов в пролете ответвления к вводу не допускается;
6) соединение заземляющих проводников - с помощью плашечных зажимов;
7) ответвительные зажимы следует применять в случаях:
ответвления от фазных жил, за исключением СИП со всеми несущими проводниками жгута;
ответвления от несущей жилы.
2.4.22. Крепление поддерживающих и натяжных зажимов к опорам ВЛИ, стенам зданий и сооружениям следует выполнять с помощью крюков и кронштейнов.
2.4.23. Расчетные усилия в поддерживающих и натяжных зажимах, узлах крепления и кронштейнах в нормальном режиме не должны превышать 40 % их механической разрушающей нагрузки.
2.4.24. Соединения проводов в пролетах ВЛ следует производить при помощи соединительных зажимов, обеспечивающих механическую прочность не менее 90 % разрывного усилия провода.
В одном пролете ВЛ допускается не более одного соединения на каждый провод.
В пролетах пересечения ВЛ с инженерными сооружениями соединение проводов ВЛ не допускается.
Соединение проводов в петлях анкерных опор должно производиться при помощи зажимов или сваркой.
Провода разных марок или сечений должны соединяться только в петлях анкерных опор.
2.4.25. Крепление неизолированных проводов к изоляторам и изолирующим траверсам на опорах ВЛ, за исключением опор для пересечений, рекомендуется выполнять одинарным.
Крепление неизолированных проводов к штыревым изоляторам на промежуточных опорах следует выполнять, как правило, на шейке изолятора с внутренней его стороны по отношению к стойке опоры.
2.4.26. Крюки и штыри должны рассчитываться в нормальном режиме работы ВЛ по методу разрушающих нагрузок.
При этом усилия не должны превышать значений, приведенных в 2.5.101.
2.4.27. На опорах допускается любое расположение изолированных и неизолированных проводов ВЛ независимо от района климатических условий. Нулевой провод ВЛ с неизолированными проводами, как правило, следует располагать ниже фазных проводов. Изолированные провода наружного освещения, прокладываемые на опорах ВЛИ, могут размещаться выше или ниже СИП, а также быть скрученными в жгут СИП. Неизолированные и изолированные провода наружного освещения, прокладываемые на опорах ВЛ, должны располагаться, как правило, над PEN (РЕ) проводником ВЛ.
2.4.28. Устанавливаемые на опорах аппараты для подключения электроприемников должны размещаться на высоте не менее 1,6 м от поверхности земли.
Устанавливаемые на опорах защитные и секционирующие устройства должны размещаться ниже проводов ВЛ.
2.4.29. Расстояния между неизолированными проводами на опоре и в пролете по условиям их сближения в пролете при наибольшей стреле провеса до 1,2 м должны быть не менее:
при вертикальном расположении проводов и расположении проводов с горизонтальным смещением не более 20 см: 40 см в I, II и III районах по гололеду, 60 см в IV и особом районах по гололеду;
при других расположениях проводов во всех районах по гололеду при скорости ветра при гололеде: до 18 м/с - 40 см, более 18 м/с - 60 см.
При наибольшей стреле провеса более 1,2 м указанные расстояния должны быть увеличены пропорционально отношению наибольшей стрелы провеса к стреле провеса, равной 1,2 м.
2.4.30. Расстояние по вертикали между изолированными и неизолированными проводами ВЛ разных фаз на опоре при ответвлении от ВЛ и при пересечении разных ВЛ на общей опоре должно быть не менее 10 см.
Расстояния от проводов ВЛ до любых элементов опоры должно быть не менее 5 см.
2.4.31. При совместной подвеске на общих опорах ВЛИ и ВЛ до 1 кВ расстояние по вертикали между ними на опоре и в пролете при температуре окружающего воздуха плюс 15 °С без ветра должно быть не менее 0,4 м.
2.4.32. При совместной подвеске на общих опорах двух или более ВЛИ расстояние между жгутами СИП должно быть не менее 0,3 м.
2.4.33. При совместной подвеске на общих опорах проводов ВЛ до 1 кВ и проводов ВЛ до 20 кВ расстояние по вертикали между ближайшими проводами ВЛ разных напряжений на общей опоре, а также в середине пролета при температуре окружающего воздуха плюс 15 °С без ветра должно быть не менее:
1,0 м - при подвеске СИП с изолированным несущим и со всеми несущими проводами;
1,75 м - при подвеске СИП с неизолированным несущим проводом;
2,0 м - при подвеске неизолированных и изолированных проводов ВЛ до 1 кВ.
2.4.34. При подвеске на общих опорах проводов ВЛ до 1 кВ и защищенных проводов ВЛЗ 6 - 20 кВ (см. 2.5.1) расстояние по вертикали между ближайшими проводами ВЛ до 1 кВ и ВЛЗ 6 - 20 кВ на опоре и в пролете при температуре плюс 15 °С без ветра должно быть не менее 0,3 м для СИП и 1,5 м для неизолированных и изолированных проводов ВЛ до 1 кВ.
2.4.35. Самонесущий изолированный провод крепится к опорам без применения изоляторов.
2.4.36. На ВЛ с неизолированными и изолированными проводами независимо от материала опор, степени загрязнения атмосферы и интенсивности грозовой деятельности следует применять изоляторы либо траверсы из изоляционных материалов.
Выбор и расчет изоляторов и арматуры выполняются в соответствии с 2.5.100.
2.4.37. На опорах ответвлений от ВЛ с неизолированными и изолированными проводами следует, как правило, применять многошейковые или дополнительные изоляторы.
2.4.38. На опорах ВЛ должны быть выполнены заземляющие устройства, предназначенные для повторного заземления, защиты от грозовых перенапряжений, заземления электрооборудования, установленного на опорах ВЛ. Сопротивление заземляющего устройства должно быть не более 30 Ом.
2.4.39. Металлические опоры, металлические конструкции и арматура железобетонных элементов опор должны быть присоединены к PEN-проводнику.
2.4.40. На железобетонных опорах PEN-проводник следует присоединять к арматуре железобетонных стоек и подкосов опор.
2.4.41. Крюки и штыри деревянных опор ВЛ, а также металлических и железобетонных опор при подвеске на них СИП с изолированным несущим проводником или со всеми несущими проводниками жгута заземлению не подлежат, за исключением крюков и штырей на опорах, где выполнены повторные заземления и заземления для защиты от атмосферных перенапряжений.
2.4.42. Крюки, штыри и арматура опор ВЛ напряжением до 1 кВ, ограничивающих пролет пересечения, а также опор, на которых производится совместная подвеска, должны быть заземлены.
2.4.43. На деревянных опорах ВЛ при переходе в кабельную линию заземляющий проводник должен быть присоединен к PEN-проводнику ВЛ и к металлической оболочке кабеля.
2.4.44. Защитные аппараты, устанавливаемые на опорах ВЛ для защиты от грозовых перенапряжений, должны быть присоединены к заземлителю отдельным спуском.
2.4.45. Соединение заземляющих проводников между собой, присоединение их к верхним заземляющим выпускам стоек железобетонных опор, к крюкам и кронштейнам, а также к заземляемым металлоконструкциям и к заземляемому электрооборудованию, установленному на опорах ВЛ, должны выполняться сваркой или болтовыми соединениями.
Присоединение заземляющих проводников (спусков) к заземлителю в земле также должно выполняться сваркой или иметь болтовые соединения.
2.4.46. В населенной местности с одно- и двухэтажной застройкой ВЛ должны иметь заземляющие устройства, предназначенные для защиты от атмосферных перенапряжений. Сопротивления этих заземляющих устройств должны быть не более 30 Ом, а расстояния между ними должны быть не более 200 м для районов с числом грозовых часов в году до 40, 100 м - для районов с числом грозовых часов в году более 40.
Кроме того, заземляющие устройства должны быть выполнены:
1) на опорах с ответвлениями к вводам в здания, в которых может быть сосредоточено большое количество людей (школы, ясли, больницы) или которые представляют большую материальную ценность (животноводческие и птицеводческие помещения, склады);
2) на концевых опорах линий, имеющих ответвления к вводам, при этом наибольшее расстояние от соседнего заземления этих же линий должно быть не более 100 м для районов с числом грозовых часов в году до 40 и 50 м - для районов с числом грозовых часов в году более 40.
2.4.47. В начале и конце каждой магистрали ВЛИ на проводах рекомендуется устанавливать зажимы для присоединения приборов контроля напряжения и переносного заземления.
Заземляющие устройства защиты от грозовых перенапряжений рекомендуется совмещать с повторным заземлением PEN-проводника.
2.4.48. Требования к заземляющим устройствам повторного заземления и защитным проводникам приведены в 1.7.102, 1.7.103, 1.7.126. В качестве заземляющих проводников на опорах ВЛ допускается применять круглую сталь, имеющую антикоррозионное покрытие диаметром не менее 6 мм.
2.4.49. Оттяжки опор ВЛ должны быть присоединены к заземляющему проводнику.
2.4.50. На ВЛ могут применяться опоры из различного материала. Для ВЛ следует применять следующие типы опор:
1) промежуточные, устанавливаемые на прямых участках трассы ВЛ. Эти опоры в нормальных режимах работы не должны воспринимать усилий, направленных вдоль ВЛ;
2) анкерные, устанавливаемые для ограничения анкерного пролета, а также в местах изменения числа, марок и сечений проводов ВЛ. Эти опоры должны воспринимать в нормальных режимах работы усилия от разности тяжения проводов, направленные вдоль ВЛ;
3) угловые, устанавливаемые в местах изменения направления трассы ВЛ. Эти опоры при нормальных режимах работы должны воспринимать результирующую нагрузку от тяжения проводов смежных пролетов. Угловые опоры могут быть промежуточными и анкерного типа;
4) концевые, устанавливаемые в начале и конце ВЛ, а также в местах, ограничивающих кабельные вставки. Они являются опорами анкерного типа и должны воспринимать в нормальных режимах работы ВЛ одностороннее тяжение всех проводов.
Опоры, на которых выполняются ответвления от ВЛ, называются ответвительными; опоры, на которых выполняется пересечение ВЛ разных направлений или пересечение ВЛ с инженерными сооружениями, - перекрестными. Эти опоры могут быть всех указанных типов.
2.4.51. Конструкции опор должны обеспечивать возможность установки:
светильников уличного освещения всех типов;
концевых кабельных муфт;
защитных аппаратов;
секционирующих и коммутационных аппаратов;
шкафов и щитков для подключения электроприемников.
2.4.52. Опоры независимо от их типа могут быть свободностоящими, с подкосами или оттяжками.
Оттяжки опор могут прикрепляться к анкерам, установленным в земле, или к каменным, кирпичным, железобетонным и металлическим элементам зданий и сооружений. Сечение оттяжек определяется расчетом. Они могут быть многопроволочными или из круглой стали. Сечение однопроволочных стальных оттяжек должно быть не менее 25 мм2.
2.4.53. Опоры ВЛ должны рассчитываться по первому и второму предельному состоянию в нормальном режиме работы ВЛ на климатические условия по 2.4.11 и 2.4.12.
Промежуточные опоры должны быть рассчитаны на следующие сочетания нагрузок:
одновременное воздействие поперечной ветровой нагрузки на провода, свободные или покрытые гололедом, и на конструкцию опоры, а также нагрузки от тяжения проводов ответвлений к вводам, свободных от гололеда или частично покрытых гололедом (по 2.4.12);
на нагрузку от тяжения проводов ответвлений к вводам, покрытых гололедом, при этом допускается учет отклонения опоры под действием нагрузки;
на условную расчетную нагрузку, равную 1,5 кН, приложенную к вершине опоры и направленную вдоль оси ВЛ.
Угловые опоры (промежуточные и анкерные) должны быть рассчитаны на результирующую нагрузку от тяжения проводов и ветровую нагрузку на провода и конструкцию опоры.
Анкерные опоры должны быть рассчитаны на разность тяжения проводов смежных пролетов и поперечную нагрузку от давления ветра при гололеде и без гололеда на провода и конструкцию опоры. За наименьшее значение разности тяжения следует принимать 50 % наибольшего значения одностороннего тяжения всех проводов.
Концевые опоры должны быть рассчитаны на одностороннее тяжение всех проводов.
Ответвительные опоры рассчитываются на результирующую нагрузку от тяжения всех проводов.
2.4.54. При установке опор на затапливаемых участках трассы, где возможны размывы грунта или воздействие ледохода, опоры должны быть укреплены (подсыпка земли, замощение, устройство банкеток, установка ледорезов).
2.4.55. Расстояние по вертикали от проводов ВЛИ до поверхности земли в населенной и ненаселенной местности до земли и проезжей части улиц должно быть не менее 5 м. Оно может быть уменьшено в труднодоступной местности до 2,5 м и в недоступной (склоны гор, скалы, утесы) - до 1 м.
При пересечении непроезжей части улиц ответвлениями от ВЛИ к вводам в здания расстояния от СИП до тротуаров пешеходных дорожек допускается уменьшить до 3,5 м.
Расстояние от СИП и изолированных проводов до поверхности земли на ответвлениях к вводу должно быть не менее 2,5 м.
Расстояние от неизолированных проводов до поверхности земли на ответвлениях к вводам должно быть не менее 2,75 м.
2.4.56. Расстояние от проводов ВЛ в населенной и ненаселенной местности при наибольшей стреле провеса проводов до земли и проезжей части улиц должно быть не менее 6 м. Расстояние от проводов до земли может быть уменьшено в труднодоступной местности до 3,5 м и в недоступной местности (склоны гор, скалы, утесы) - до 1 м.
2.4.57. Расстояние по горизонтали от СИП при наибольшем их отклонении до элементов зданий и сооружений должно быть не менее:
1,0 м - до балконов, террас и окон;
0,2 м - до глухих стен зданий, сооружений.
Допускается прохождение ВЛИ и ВЛ с изолированными проводами над крышами зданий и сооружениями (кроме оговоренных в гл. 7.3 и 7.4), при этом расстояние от них до проводов по вертикали должно быть не менее 2,5 м.
2.4.58. Расстояние по горизонтали от проводов ВЛ при наибольшем их отклонении до зданий и сооружений должно быть не менее:
1,5 м - до балконов, террас и окон;
1,0 м - до глухих стен.
Прохождение ВЛ с неизолированными проводами над зданиями и сооружениями не допускается.
2.4.59. Наименьшее расстояние от СИП и проводов ВЛ до поверхности земли или воды, а также до различных сооружений при прохождении ВЛ над ними определяется при высшей температуре воздуха без учета нагрева проводов ВЛ электрическим током.
2.4.60. При прокладке по стенам зданий и сооружениям минимальное расстояние от СИП должно быть:
при горизонтальной прокладке над окном, входной дверью - 0,3 м;
под балконом, окном, карнизом - 0,5 м;
до земли - 2,5 м;
при вертикальной прокладке до окна - 0,5 м;
до балкона, входной двери - 1,0 м.
Расстояние в свету между СИП и стеной здания или сооружением должно быть не менее 0,06 м.
2.4.61. Расстояния по горизонтали от подземных частей опор или заземлителей опор до подземных кабелей, трубопроводов и наземных колонок различного назначения должны быть не менее приведенных в табл. 2.4.4.
Таблица 2.4.4
Наименьшее допустимое расстояние по горизонтали от подземных частей опор или заземляющих устройств опор до подземных кабелей, трубопроводов и наземных колонок
|
Объект сближения |
Расстояние, м |
|
Водо-, паро- и теплопроводы, распределительные газопроводы, канализационные трубы |
1 |
|
Пожарные гидранты, колодцы, люки канализации, водоразборные колонки |
2 |
|
Кабели (кроме кабелей связи, сигнализации и проводного вещания, см. также 2.4.77) |
1 |
|
То же, но при прокладке их в изолирующей трубе |
0,5 |
2.4.62. При пересечении ВЛ с различными сооружениями, а также с улицами и площадями населенных пунктов угол пересечения не нормируется.
2.4.63. Пересечение ВЛ с судоходными реками и каналами не рекомендуется. При необходимости выполнения такого пересечения ВЛ должны сооружаться в соответствии с требованиями 2.5.268 - 2.5.272. При пересечении несудоходных рек и каналов наименьшие расстояния от проводов ВЛ до наибольшего уровня воды должно быть не менее 2 м, а до уровня льда - не менее 6 м.
2.4.64. Пересечения и сближения ВЛ напряжением до 1 кВ с ВЛ напряжением выше 1 кВ, а также совместная подвеска их проводов на общих опорах должны выполняться с соблюдением требований, приведенных в 2.5.220 - 2.5.230.
2.4.65. Пересечение ВЛ (ВЛИ) до 1 кВ между собой рекомендуется выполнять на перекрестных опорах; допускается также их пересечение в пролете. Расстояние по вертикали между проводами пересекающихся ВЛ (ВЛИ) должно быть не менее: 0,1 м на опоре, 1 м в пролете.
2.4.66. В местах пересечения ВЛ до 1 кВ между собой могут применяться промежуточные опоры и опоры анкерного типа.
При пересечении ВЛ до 1 кВ между собой в пролете место пересечения следует выбирать возможно ближе к опоре верхней пересекающей ВЛ, при этом расстояние по горизонтали от опор пересекающей ВЛ до проводов пересекаемой ВЛ при наибольшем их отклонении должно быть не менее 2 м.
2.4.67. При параллельном прохождении и сближении ВЛ до 1 кВ и ВЛ выше 1 кВ расстояние между ними по горизонтали должно быть не менее указанных в 2.5.230.
2.4.68. Совместная подвеска проводов ВЛ до 1 кВ и неизолированных проводов ВЛ до 20 кВ на общих опорах допускается при соблюдении следующих условий:
1) ВЛ до 1 кВ должны выполняться по расчетным климатическим условиям ВЛ до 20 кВ;
2) провода ВЛ до 20 кВ должны располагаться выше проводов ВЛ до 1 кВ;
3) провода ВЛ до 20 кВ, закрепляемые на штыревых изоляторах, должны иметь двойное крепление.
2.4.69. При подвеске на общих опорах проводов ВЛ до 1 кВ и защищенных проводов ВЛЗ 6 - 20 кВ должны соблюдаться следующие требования:
1) ВЛ до 1 кВ должны выполняться по расчетным климатическим условиям ВЛ до 20 кВ;
2) провода ВЛЗ 6 - 20 кВ должны располагаться, как правило, выше проводов ВЛ до 1 кВ;
3) крепление проводов ВЛЗ 6 - 20 кВ на штыревых изоляторах должно выполняться усиленным.
2.4.70. При пересечении ВЛ (ВЛИ) с ВЛ напряжением выше 1 кВ расстояние от проводов пересекающей ВЛ до пересекаемой ВЛ (ВЛИ) должно соответствовать требованиям, приведенным в 2.5.221 и 2.5.227.
Сечение проводов пересекаемой ВЛ должно приниматься в соответствии с 2.5.223.
2.4.71. Угол пересечения ВЛ с ЛС* и ЛПВ должен быть по возможности близок к 90°. Для стесненных условий угол пересечения не нормируется.
* Под ЛС следует понимать линии связи Министерства связи РФ и других ведомств, а также линии сигнализации Министерства путей сообщения.
Под ЛПВ следует понимать линии проводного вещания.
Воздушные линии связи по своему назначению разделяются на линии междугородной телефонной связи (МТС), линии сельской телефонной связи (СТС), линии городской телефонной связи (ГТС), линии проводного вещания (ЛПВ).
По значимости воздушные линии связи и проводного вещания подразделяются на классы:
линии МТС и СТС: магистральные линии МТС, соединяющие Москву с республиканскими, краевыми и областными центрами и последние между собой, и линии Министерства путей сообщения, проходящие вдоль железных дорог и по территории железнодорожных станций (класс I); внутризоновые линии МТС, соединяющие республиканские, краевые и областные центры с районными центрами и последние между собой, и соединительные линии СТС (класс II); абонентские линии СТС (класс III);
линии ГТС на классы не подразделяются;
линии проводного вещания: фидерные линии с номинальным напряжением выше 360 В (класс I); фидерные линии с номинальным напряжением до 360 В и абонентские линии с напряжением 15 и 30 В (класс II).
2.4.72. Расстояние по вертикали от проводов ВЛ до проводов или подвесных кабелей ЛС и ЛПВ в пролете пересечения при наибольшей стреле провеса провода ВЛ должно быть:
от СИП и изолированных проводов - не менее 1 м; от неизолированных проводов - не менее 1,25 м.
2.4.73. Расстояние по вертикали от проводов ВЛ до 1 кВ до проводов или подвесных кабелей ЛС или ЛПВ при пересечении на общей опоре должно быть:
между СИП и ЛС или ЛПВ - не менее 0,5 м;
между неизолированным проводом ВЛ и ЛПВ - не менее 1,5 м.
2.4.74. Место пересечения проводов ВЛ с проводами или подвесными кабелями ЛС и ЛПВ в пролете должно находиться по возможности ближе к опоре ВЛ, но не менее 2 м от нее.
2.4.75. Пересечение ВЛ с ЛС и ЛПВ может быть выполнено по одному из следующих вариантов:
1) проводами ВЛ и изолированными проводами ЛС и ЛПВ;
2) проводами ВЛ и подземным или подвесным кабелем ЛС и ЛПВ;
3) проводами ВЛ и неизолированными проводами ЛС и ЛПВ;
4) подземной кабельной вставкой в ВЛ с изолированными и неизолированными проводами ЛС и ЛПВ.
1) пересечение ВЛИ с ЛС и ЛПВ может выполняться в пролете и на опоре;
2) пересечение неизолированных проводов ВЛ с проводами ЛС, а также с проводами ЛПВ напряжением выше 360 В должно выполняться только в пролете. Пересечение неизолированных проводов ВЛ с проводами ЛПВ напряжением до 360 В может выполняться как в пролете, так и на общей опоре;
3) опоры ВЛ, ограничивающие пролет пересечения с ЛС магистральных и внутризоновых сетей связи и соединительными линиями СТС, а также ЛПВ напряжением выше 360 В, должны быть анкерного типа. При пересечении всех остальных ЛС и ЛПВ допускаются опоры ВЛ промежуточного типа, усиленные дополнительной приставкой или подкосом;
4) провода ВЛ должны располагаться над проводами ЛС и ЛПВ. На опорах, ограничивающих пролет пересечения, неизолированные и изолированные провода ВЛ должны иметь двойное крепление, СИП закрепляется анкерными зажимами. Провода ЛС и ЛПВ на опорах, ограничивающих пролет пересечения, должны иметь двойное крепление. В городах и поселках городского типа вновь строящиеся ЛС и ЛПВ допускается располагать над проводами ВЛ напряжением до 1 кВ.
1) расстояние от подземной части металлической или железобетонной опоры и заземлителя деревянной опоры до подземного кабеля ЛС и ЛПВ в населенной местности должно быть, как правило, не менее 3 м. В стесненных условиях допускается уменьшение этих расстояний до 1 м (при условии допустимости мешающих влияний на ЛС и ЛПВ); при этом кабель должен быть проложен в стальной трубе или покрыт швеллером или угловой сталью по длине в обе стороны от опоры не менее 3 м.
2) в ненаселенной местности расстояние от подземной части или заземлителя опоры ВЛ до подземного кабеля ЛС и ЛПВ должно быть не менее значений, приведенных в табл. 2.4.5;
Таблица 2.4.5
Наименьшее расстояние от подземной части и заземлителя опоры ВЛ до подземного кабеля ЛС и ЛПВ в ненаселенной местности
|
Эквивалентное удельное сопротивление земли, Ом·м |
Наименьшее расстояние, м, от подземного кабеля ЛС и ЛПВ |
|
|
до заземлителя или подземной части железобетонной и металлической опоры |
до подземной части деревянной опоры, не имеющей заземляющего устройства |
|
|
До 100 |
10 |
5 |
|
Более 100 до 500 |
15 |
10 |
|
Более 500 до 1000 |
20 |
15 |
|
Более 1000 |
30 |
25 |
3) провода ВЛ должны располагаться, как правило, над подвесным кабелем ЛС и ЛПВ (см. также 2.4.76, п. 4);
4) соединение проводов ВЛ в пролете пересечения с подвесным кабелем ЛС и ЛПВ не допускается. Сечение несущей жилы СИП должно быть не менее 35 мм2. Провода ВЛ должны быть многопроволочными сечением не менее: алюминиевые - 35 мм2, сталеалюминиевые - 25 мм2; сечение жилы СИП со всеми несущими проводниками жгута - не менее 25 мм2;
5) металлическая оболочка подвесного кабеля и трос, на котором подвешен кабель, должны быть заземлены на опорах, ограничивающих пролет пересечения;
6) расстояние по горизонтали от основания кабельной опоры ЛС и ЛПВ до проекции ближайшего провода ВЛ на горизонтальную плоскость должно быть не менее наибольшей высоты опоры пролета пересечения.
2.4.78. При пересечении ВЛИ с неизолированными проводами ЛС и ЛПВ должны соблюдаться следующие требования:
1) пересечение ВЛИ с ЛС и ЛПВ может выполняться в пролете и на опоре;
2) опоры ВЛИ, ограничивающие пролет пересечения с ЛС магистральных и внутризоновых сетей связи и с соединительными линиями СТС, должны быть анкерного типа. При пересечении всех остальных ЛС и ЛПВ на ВЛИ допускается применение промежуточных опор, усиленных дополнительной приставкой или подкосом;
3) несущая жила СИП или жгута со всеми несущими проводниками на участке пересечения должна иметь коэффициент запаса прочности на растяжение при наибольших расчетных нагрузках не менее 2,5;
4) провода ВЛИ должны располагаться над проводами ЛС и ЛПВ. На опорах, ограничивающих пролет пересечения, несущие провода СИП должны закрепляться натяжными зажимами. Провода ВЛИ допускается располагать под проводами ЛПВ. При этом провода ЛПВ на опорах, ограничивающих пролет пересечения, должны иметь двойное крепление;
5) соединение несущей жилы и несущих проводников жгута СИП, а также проводов ЛС и ЛПВ в пролетах пересечения не допускается.
2.4.79. При пересечении изолированных и неизолированных проводов ВЛ с неизолированными проводами ЛС и ЛПВ должны соблюдаться следующие требования:
1) пересечение проводов ВЛ с проводами ЛС, а также проводами ЛПВ напряжением выше 360 В должно выполняться только в пролете.
Пересечение проводов ВЛ с абонентскими и фидерными линиями ЛПВ напряжением до 360 В допускается выполнять на опорах ВЛ;
2) опоры ВЛ, ограничивающие пролет пересечения, должны быть анкерного типа;
3) провода ЛС, как стальные, так и из цветного металла, должны иметь коэффициент запаса прочности на растяжение при наибольших расчетных нагрузках не менее 2,2;
4) провода ВЛ должны располагаться над проводами ЛС и ЛПВ. На опорах, ограничивающих пролет пересечения, провода ВЛ должны иметь двойное крепление. Провода ВЛ напряжением 380/220 В и ниже допускается располагать под проводами ЛПВ и линий ГТС. При этом провода ЛПВ и линий ГТС на опорах, ограничивающих пролет пересечения, должны иметь двойное крепление;
5) соединение проводов ВЛ, а также проводов ЛС и ЛПВ в пролетах пересечения не допускается. Провода ВЛ должны быть многопроволочными с сечениями не менее: алюминиевые - 35 мм2, сталеалюминиевые - 25 мм2.
2.4.80. При пересечении подземной кабельной вставки в ВЛ с неизолированными и изолированными проводами ЛС и ЛПВ должны соблюдаться следующие требования:
1) расстояние от подземной кабельной вставки в ВЛ до опоры ЛС и ЛПВ и ее заземлителя должно быть не менее 1 м, а при прокладке кабеля в изолирующей трубе - не менее 0,5 м;
2) расстояние по горизонтали от основания кабельной опоры ВЛ до проекции ближайшего провода ЛС и ЛПВ на горизонтальную плоскость должно быть не менее наибольшей высоты опоры пролета пересечения.
2.4.81. Расстояние по горизонтали между проводами ВЛИ и проводами ЛС и ЛПВ при параллельном прохождении или сближении должно быть не менее 1 м.
При сближении ВЛ с воздушными ЛС и ЛПВ расстояние по горизонтали между изолированными и неизолированными проводами ВЛ и проводами ЛС и ЛПВ должно быть не менее 2 м. В стесненных условиях это расстояние допускается уменьшить до 1,5 м. Во всех остальных случаях расстояние между линиями должно быть не менее высоты наиболее высокой опоры ВЛ, ЛС и ЛПВ.
При сближении ВЛ с подземными или подвесными кабелями ЛС и ЛПВ расстояния между ними должны приниматься в соответствии с 2.4.77 пп. 1 и 5.
2.4.82. Сближение ВЛ с антенными сооружениями передающих радиоцентров, приемными радиоцентрами, выделенными приемными пунктами проводного вещания и местных радиоузлов не нормируется.
2.4.83. Провода от опоры ВЛ до ввода в здание не должны пересекаться с проводами ответвлений от ЛС и ЛПВ, и их следует располагать на одном уровне или выше ЛС и ЛПВ. Расстояние по горизонтали между проводами ВЛ и проводами ЛС и ЛПВ, телевизионными кабелями и спусками от радиоантенн на вводах должно быть не менее 0,5 м для СИП и 1,5 м для неизолированных проводов ВЛ.
2.4.84. Совместная подвеска подвесного кабеля сельской телефонной связи и ВЛИ допускается при выполнении следующих требований:
1) нулевая жила СИП должна быть изолированной;
2) расстояние от СИП до подвесного кабеля СТС в пролете и на опоре ВЛИ должно быть не менее 0,5 м;
3) каждая опора ВЛИ должна иметь заземляющее устройство, при этом сопротивление заземления должно быть не более 10 Ом;
4) на каждой опоре ВЛИ должно быть выполнено повторное заземление PEN-проводника;
5) несущий канат телефонного кабеля вместе с металлическим сетчатым наружным покровом кабеля должен быть присоединен к заземлителю каждой опоры отдельным самостоятельным проводником (спуском).
2.4.85. Совместная подвеска на общих опорах неизолированных проводов ВЛ, ЛС и ЛПВ не допускается.
На общих опорах допускается совместная подвеска неизолированных проводов ВЛ и изолированных проводов ЛПВ. При этом должны соблюдаться следующие условия:
1) номинальное напряжение ВЛ должно быть не более 380 В;
2) номинальное напряжение ЛПВ должно быть не более 360 В;
3) расстояние от нижних проводов ЛПВ до земли, между цепями ЛПВ и их проводами должно соответствовать требованиям действующих правил Минсвязи России;
4) неизолированные провода ВЛ должны располагаться над проводами ЛПВ; при этом расстояние по вертикали от нижнего провода ВЛ до верхнего провода ЛПВ должно быть на опоре не менее 1,5 м, а в пролете - не менее 1,25 м; при расположении проводов ЛПВ на кронштейнах это расстояние принимается от нижнего провода ВЛ, расположенного на той же стороне, что и провода ЛПВ.
1) номинальное напряжение ВЛИ должно быть не более 380 В;
2) номинальное напряжение ЛПВ должно быть не более 360 В;
3) номинальное напряжение ЛС, расчетное механическое напряжение в проводах ЛС, расстояния от нижних проводов ЛС и ЛПВ до земли, между цепями и их проводами должны соответствовать требованиям действующих правил Минсвязи России;
4) провода ВЛИ до 1 кВ должны располагаться над проводами ЛС и ЛПВ; при этом расстояние по вертикали от СИП до верхнего провода ЛС и ЛПВ независимо от их взаимного расположения должно быть не менее 0,5 м на опоре и в пролете. Провода ВЛИ и ЛС и ЛПВ рекомендуется располагать по разным сторонам опоры.
2.4.87. Совместная подвеска на общих опорах неизолированных проводов ВЛ и кабелей ЛС не допускается. Совместная подвеска на общих опорах проводов ВЛ напряжением не более 380 В и кабелей ЛПВ допускается при соблюдении условий, оговоренных в 2.4.85.
Оптические волокна ОКНН должны удовлетворять требованиям 2.5.192 и 2.5.193.
2.4.88. Совместная подвеска на общих опорах проводов ВЛ напряжением не более 380 В и проводов телемеханики допускается при соблюдении требований, приведенных в 2.4.85 и 2.4.86, а также если цепи телемеханики не используются как каналы проводной телефонной связи.
2.4.89. На опорах ВЛ (ВЛИ) допускается подвеска волоконно-оптических кабелей связи (ОК):
неметаллических самонесущих (ОКСН);
неметаллических, навиваемых на фазный провод или жгут СИП (ОКНН).
Механические расчеты опор ВЛ (ВЛИ) с ОКСН и ОКНН должны производиться для исходных условий, указанных в 2.4.11 и 2.4.12.
Опоры ВЛ, на которых подвешивают ОК, и их закрепления в грунте должны быть рассчитаны с учетом дополнительных нагрузок, возникающих при этом.
Расстояние от ОКСН до поверхности земли в населенной и ненаселенной местностях должно быть не менее 5 м.
Расстояния между проводами ВЛ до 1 кВ и ОКСН на опоре и в пролете должны быть не менее 0,4 м.
2.4.90. При пересечении и параллельном следовании ВЛ с железными и автомобильными дорогами должны выполняться требования, изложенные в гл. 2.5.
Пересечения могут выполняться также при помощи кабельной вставки в ВЛ.
2.4.91. При сближении ВЛ с автомобильными дорогами расстояние от проводов ВЛ до дорожных знаков и их несущих тросов должно быть не менее 1 м. Несущие тросы должны быть заземлены с сопротивлением заземляющего устройства не более 10 Ом.
2.4.92. При пересечении и сближении ВЛ с контактными проводами и несущими тросами трамвайных и троллейбусных линий должны быть выполнены следующие требования:
1) ВЛ должны, как правило, располагаться вне зоны, занятой сооружениями контактных сетей, включая опоры.
В этой зоне опоры ВЛ должны быть анкерного типа, а неизолированные провода иметь двойное крепление;
2) провода ВЛ должны быть расположены над несущими тросами контактных проводов. Провода ВЛ должны быть многопроволочными с сечением не менее: алюминиевые - 35 мм2, сталеалюминиевые - 25 мм2, несущая жила СИП - 35 мм2, сечение жилы СИП со всеми несущими проводниками жгута - не менее 25 мм2. Соединение проводов ВЛ в пролетах пересечения не допускается;
3) расстояние от проводов ВЛ при наибольшей стреле провеса должно быть не менее 8 м до головки рельса трамвайной линии и 10,5 м до проезжей части улицы в зоне троллейбусной линии.
При этом во всех случаях расстояние от проводов ВЛ до несущего троса или контактного провода должно быть не менее 1,5 м;
4) пересечение ВЛ с контактными проводами в местах расположения поперечин запрещается;
5) совместная подвеска на опорах троллейбусных линий контактных проводов и проводов ВЛ напряжением не более 380 В допускается при соблюдении следующих условий: опоры троллейбусных линий должны иметь механическую прочность, достаточную для подвески проводов ВЛ, расстояние между проводами ВЛ и кронштейном или устройством крепления несущего троса контактных проводов должно быть не менее 1,5 м.
2.4.93. При пересечении и сближении ВЛ с канатными дорогами и надземными металлическими трубопроводами должны выполняться следующие требования:
1) ВЛ должна проходить под канатной дорогой; прохождение ВЛ над канатной дорогой не допускается;
2) канатные дороги должны иметь снизу мостки или сетки для ограждения проводов ВЛ;
3) при прохождении ВЛ под канатной дорогой или под трубопроводом провода ВЛ должны находиться от них на расстоянии: не менее 1 м - при наименьшей стреле провеса проводов до мостков или ограждающих сеток канатной дороги или до трубопровода; не менее 1 м - при наибольшей стреле провеса и наибольшем отклонении проводов до элементов канатной дороги или до трубопровода;
4) при пересечении ВЛ с трубопроводом расстояние от проводов ВЛ при их наибольшей стреле провеса до элементов трубопровода должно быть не менее 1 м. Опоры ВЛ, ограничивающие пролет пересечения с трубопроводом, должны быть анкерного типа. Трубопровод в пролете пересечения должен быть заземлен, сопротивление заземлителя - не более 10 Ом;
5) при параллельном следовании ВЛ с канатной дорогой или трубопроводом расстояние по горизонтали от проводов ВЛ до канатной дороги или трубопровода должно быть не менее высоты опоры, а на стесненных участках трассы при наибольшем отклонении проводов - не менее 1 м.
2.4.94. При сближении ВЛ с пожаро- и взрывоопасными установками и с аэродромами следует руководствоваться требованиями, приведенными в 2.5.278, 2.5.291 и 2.5.292.
2.4.95. Прохождение ВЛ до 1 кВ с изолированными и неизолированными проводами не допускается по территориям спортивных сооружений, школ (общеобразовательных и интернатов), технических училищ, детских дошкольных учреждений (детских яслей, детских садов, детских комбинатов), детских домов, детских игровых площадок, а также по территориям детских оздоровительных лагерей.
По вышеуказанным территориям (кроме спортивных и игровых площадок) допускается прохождение ВЛИ при условии, что нулевая жила СИП должна быть изолированной, а полная ее проводимость Должна быть не менее проводимости фазной жилы СИП.
УТВЕРЖДЕНО
приказом Минэнерго России
От 20 мая 2003 г. № 187
Вводится в действие с 1 октября 2003 г.
Требования к ВЛ с неизолированными проводами распространяются и на ВЛ соответствующего напряжения, выполняемые проводами с защитной изолирующей оболочкой, кроме требований, специально оговоренных в настоящих Правилах.
Настоящая глава не распространяется на электрические воздушные линии, сооружение которых определяется специальными правилами, нормами и постановлениями (контактные сети электрифицированных железных дорог, трамвая, троллейбуса; ВЛ для электроснабжения сигнализации, централизации и блокировки (СЦБ); ВЛ напряжением 6 - 35 кВ, смонтированные на опорах контактной сети и т.п.).
Кабельные вставки в ВЛ должны выполняться в соответствии с требованиями, приведенными в 2.5.124 и гл. 2.3.
2.5.2. Воздушная линия электропередачи выше 1 кВ - устройство для передачи электроэнергии по проводам, расположенным на открытом воздухе и прикрепленным при помощи изолирующих конструкций и арматуры к опорам, несущим конструкциям, кронштейнам и стойкам на инженерных сооружениях (мостах, путепроводах и т.п.).
За начало и конец ВЛ (ВЛЗ) принимаются:
у ЗРУ - место выхода провода из аппаратного зажима, присоединяемого к проходному изолятору;
у ОРУ с линейными порталами - место выхода провода из зажима натяжной гирлянды изоляторов на линейном портале в сторону ВЛ;
у КТП - место крепления провода к изолятору КТП или место выхода провода из аппаратного зажима;
у ТП с выносным разъединителем - место выхода провода из аппаратного зажима, присоединяемого к разъединителю.
2.5.3. Пролет ВЛ - участок ВЛ между двумя опорами или конструкциями, заменяющими опоры.
Длина пролета - горизонтальная проекция этого участка ВЛ.
Габаритный пролет lгаб - пролет, длина которого определяется нормированным вертикальным расстоянием от проводов до земли при установке опор на идеально ровной поверхности.
Ветровой пролет lветр - длина участка ВЛ, с которого давление ветра на провода и грозозащитные тросы* воспринимается опорой.
* Далее тросы.
Весовой пролет lвес - длина участка ВЛ, вес проводов (тросов) которого воспринимается опорой.
Стрела провеса провода f - расстояние по вертикали от прямой, соединяющей точки крепления провода, до провода.
Габаритная стрела провеса провода fгаб - наибольшая стрела провеса провода в габаритном пролете.
Анкерный пролет - участок ВЛ между двумя ближайшими анкерными опорами.
Подвесной изолятор - изолятор, предназначенный для подвижного крепления токоведущих элементов к опорам, несущим конструкциям и различным элементам инженерных сооружений.
Гирлянда изоляторов - устройство, состоящее из нескольких подвесных изоляторов и линейной арматуры, подвижно соединенных между собой.
Тросовое крепление - устройство для прикрепления грозозащитных тросов к опоре; если в состав тросового крепления входит один или несколько изоляторов, то оно называется изолированным.
Штыревой изолятор - изолятор, состоящий из изоляционной детали, закрепляемой на штыре или крюке опоры.
Усиленное крепление провода с защитной оболочкой - крепление провода на штыревом изоляторе или к гирлянде изоляторов, которое не допускает проскальзывания проводов при возникновении разности тяжений в смежных пролетах в нормальном и аварийном режимах ВЛЗ.
Пляска проводов (тросов) - устойчивые периодические низкочастотные (0,2 - 2 Гц) колебания провода (троса) в пролете с односторонним или асимметричным отложением гололеда (мокрого снега, изморози, смеси), вызываемые ветром скоростью 3 - 25 м/с и образующие стоячие волны (иногда в сочетании с бегущими) с числом полуволн от одной до двадцати и амплитудой 0,3 - 5 м.
Вибрация проводов (тросов) - периодические колебания провода (троса) в пролете с частотой от 3 до 150 Гц, происходящие в вертикальной плоскости при ветре и образующие стоячие волны с размахом (двойной амплитудой), который может превышать диаметр провода (троса).
2.5.4. Состояние ВЛ в расчетах механической части:
нормальный режим - режим при необорванных проводах, тросах, гирляндах изоляторов и тросовых креплениях;
аварийный режим - режим при оборванных одном или нескольких проводах или тросах, гирляндах изоляторов и тросовых креплений;
монтажный режим - режим в условиях монтажа опор, проводов и тросов.
2.5.5. Населенная местность - земли городов в пределах городской черты в границах их перспективного развития на 10 лет, курортные и пригородные зоны, зеленые зоны вокруг городов и других населенных пунктов, земли поселков городского типа в пределах поселковой черты и сельских населенных пунктов в пределах черты этих пунктов, а также территории садово-огородных участков.
Труднодоступная местность - местность, недоступная для транспорта и сельскохозяйственных машин.
Ненаселенная местность - земли, не отнесенные к населенной и труднодоступной местности.
Застроенная местность - территории городов, поселков, сельских населенных пунктов в границах фактической застройки.
Трасса ВЛ в стесненных условиях - участки трассы ВЛ, проходящие по территориям, насыщенным надземными и (или) подземными коммуникациями, сооружениями, строениями.
2.5.6. По условиям воздействия ветра на ВЛ различают три типа местности:
А - открытые побережья морей, озер, водохранилищ, пустыни, степи, лесостепи, тундра;
В - городские территории, лесные массивы и другие местности, равномерно покрытые препятствиями высотой не менее 2/3 высоты опор;
С - городские районы с застройкой зданиями высотой более 25 м, просеки в лесных массивах с высотой деревьев более высоты опор, орографически защищенные извилистые и узкие склоновые долины и ущелья.
Воздушная линия считается расположенной в местности данного типа, если эта местность сохраняется с наветренной стороны ВЛ на расстоянии, равном тридцатикратной высоте опоры при высоте опор до 60 м и 2 км при большей высоте.
2.5.7. Большими переходами называются пересечения судоходных участков рек, каналов, озер и водохранилищ, на которых устанавливаются опоры высотой 50 м и более, а также пересечения ущелий, оврагов, водных пространств и других препятствий с пролетом пересечения более 700 м независимо от высоты опор ВЛ.
2.5.8. Все элементы ВЛ должны соответствовать государственным стандартам, строительным нормам и правилам Российской Федерации и настоящей главе Правил.
При проектировании, строительстве, реконструкции и эксплуатации ВЛ должны соблюдаться требования «Правил охраны электрических сетей напряжением свыше 1000 В» и действующих санитарно-эпидемиологических правил и нормативов.
2.5.9. Механический расчет проводов и тросов ВЛ производится по методу допускаемых напряжений, расчет изоляторов и арматуры - по методу разрушающих нагрузок. По обоим методам расчеты производятся на расчетные нагрузки.
Расчет строительных конструкций ВЛ (опор, фундаментов и оснований) производится по методу предельных состояний на расчетные нагрузки для двух групп предельных состояний (2.5.137) в соответствии с государственными стандартами и строительными нормами и правилами.
Применение других методов расчета в каждом отдельном случае должно быть обосновано в проекте.
2.5.10. Элементы ВЛ рассчитываются на сочетания нагрузок, действующих в нормальных, аварийных и монтажных режимах.
Сочетания климатических и других факторов в различных режимах работы ВЛ (наличие ветра, гололеда, значение температуры, количество оборванных проводов или тросов и пр.) определяются в соответствии с требованиями 2.5.71 - 2.5.74, 2.5.141, 2.5.144 - 2.5.147.
2.5.11. Основными характеристиками нагрузок являются их нормативные значения, которые устанавливаются настоящими Правилами, а для нагрузок, не регламентированных ими, - в соответствии со строительными нормами и правилами.
Расчетные значения нагрузок определяются как произведение их нормативных значений на коэффициенты надежности по нагрузке γf, надежности по ответственности γn, условий работы γd, региональные γp.
При расчете элементов ВЛ расчетные нагрузки могут дополнительно умножаться на коэффициент сочетаний.
Необходимость применения коэффициентов и их значения устанавливаются настоящими Правилами.
При отсутствии указаний о значениях коэффициентов они принимаются равными единице.
2.5.12. Нормативные значения нагрузок от веса оборудования, материалов, от тяжения проводов, грозозащитных тросов принимаются на основании государственных стандартов или в соответствии с указаниями настоящих Правил.
2.5.13. Основной характеристикой сопротивления материала элементов ВЛ являются:
разрывное усилие (для проводов и тросов), механическая (электромеханическая) разрушающая нагрузка (для изоляторов), механическая разрушающая нагрузка (для линейной арматуры), указанные в стандартах или технических условиях на эти изделия;
нормативные и расчетные сопротивления материала опор и фундаментов, устанавливаемые нормами проектирования строительных конструкций.
2.5.14. На ВЛ 110 кВ и выше длиной более 100 км для ограничения несимметрии токов и напряжений должен выполняться один полный цикл транспозиции.
Двухцепные ВЛ 110 кВ и выше рекомендуется выполнять с противоположным чередованием фаз цепей (смежные фазы разных цепей должны быть разноименными). Схемы транспозиции обеих цепей рекомендуется выполнять одинаковыми.
Допускаются увеличение длины нетранспонированной ВЛ, выполнение неполных циклов транспозиции, различные длины участков в цикле и увеличение числа циклов. Вносимая при этом данной ВЛ расчетная несимметрия по условиям обеспечения надежной работы релейной защиты не должна превышать 0,5 % по напряжению и 2 % по току обратной последовательности.
Шаг транспозиции по условию влияния на линии связи не нормируется.
Для ВЛ с горизонтальным расположением фаз рекомендуется упрощенная схема транспозиции (в месте транспозиции поочередно меняются местами только две смежные фазы).
2.5.15. На ВЛ с горизонтальным расположением фаз и двумя тросами, используемыми для высокочастотной связи, для снижения потерь от токов в тросах в нормальном режиме рекомендуется выполнять скрещивание (транспозицию) тросов. Количество скрещиваний должно выбираться из условий самопогасания дуги сопровождающего тока промышленной частоты при грозовых перекрытиях искровых промежутков на изоляторах тросов.
Схема скрещивания должна быть симметрична относительно каждого шага транспозиции фаз и точек заземления тросов, при этом крайние участки рекомендуется принимать равными половине длины остальных участков.
2.5.16. Для ВЛ, проходящих в районах с толщиной стенки гололеда 25 мм и более, а также с частыми образованиями гололеда или изморози в сочетании с сильными ветрами и в районах с частой и интенсивной пляской проводов, рекомендуется предусматривать плавку гололеда на проводах и тросах.
Для сетевых предприятий, у которых свыше 50 % ВЛ проходят в указанных районах, рекомендуется разрабатывать общую схему плавки гололеда.
При обеспечении плавки гололеда без перерыва электроснабжения потребителей толщина стенки гололеда может быть снижена на 15 мм, при этом нормативная толщина стенки гололеда должна быть не менее 20 мм.
На ВЛ с плавкой гололеда должно быть организовано наблюдение за гололедом, при этом предпочтительно применение сигнализаторов появления гололеда и устройств контроля окончания плавки гололеда.
Требования настоящего параграфа не распространяются на ВЛЗ.
2.5.17. Интенсивность электрической и магнитной составляющих электромагнитного поля, создаваемого ВЛ при максимальных рабочих параметрах (напряжении и токе) и при абсолютной максимальной температуре воздуха для населенной местности, не должна превышать предельно допустимых значений, установленных в действующих санитарно-эпидемиологических правилах и нормативах.
Для ненаселенной и труднодоступной местности температура воздуха при предельно допустимой напряженности электрического поля принимается равной температуре воздуха теплого периода с обеспеченностью 0,99.
2.5.18. По окончании сооружения или реконструкции ВЛ необходимо выполнять:
землевание земель, отводимых в постоянное пользование;
рекультивацию земель, отводимых во временное пользование;
природоохранительные мероприятия, направленные на минимальное нарушение естественных форм рельефа и сохранение зеленых насаждений и естественного состояния грунта;
противоэрозионные мероприятия.
2.5.19. Ремонт и техническое обслуживание ВЛ должны предусматриваться централизованно, специализированными бригадами с производственных баз предприятия (структурной единицы).
Размещение производственных баз, состав необходимых помещений, оснащение средствами механизации работ, транспортом и складами аварийного резерва, оборудование средствами связи должны производиться на основании перспективных схем организации эксплуатации с учетом существующей материальной базы энергопредприятия.
Обеспечение ВЛ аварийным запасом материалов и оборудования предусматривается в объеме действующих нормативов.
Для эксплуатации ВЛ в труднодоступной местности, участков ВЛ, доступ к которым наземным транспортом невозможен, а также ВЛ, проходящих в безлюдной местности с суровыми климатическими условиями, следует предусматривать пункты временного пребывания персонала или использование вертолетов. Расположение пунктов временного пребывания персонала и вертолетных площадок, состав помещений для персонала и экипажа вертолетов, механизмов обосновывается в проекте. Вертолетные площадки должны удовлетворять действующим нормативным требованиям.
2.5.20. Численность ремонтно-эксплуатационного персонала и площадь производственно-жилых помещений ремонтных баз, а также количество транспортных средств и механизмов, необходимых для эксплуатации ВЛ, определяются в соответствии с действующими нормативами.
2.5.21. При проектировании ВЛ должна быть предусмотрена технологическая связь между ремонтными бригадами и диспетчерскими пунктами, базами, с которых осуществляется ремонт и техническое обслуживание ВЛ, а также между бригадами и отдельными монтерами. Если ВЛ обслуживается с нескольких баз, необходимо предусмотреть связь между последними. Технологической связью должны быть обеспечены и пункты временного пребывания на трассе ВЛ.
2.5.22. К ВЛ должен быть обеспечен в любое время года подъезд на возможно близкое расстояние, но не далее чем на 0,5 км от трассы ВЛ. Для проезда вдоль трассы ВЛ и для подъезда к ним должна быть расчищена от насаждений, пней, камней и т.п. полоса земли шириной не менее 2,5 м.
Исключения допускаются на участках ВЛ, проходящих:
по топким болотам и сильно пересеченной местности, где проезд невозможен. В этих случаях необходимо выполнять вдоль трассы ВЛ пешеходные тропки с мостиками шириной 0,8 - 1,0 м, оборудованные перилами, или насыпные земляные дорожки шириной не менее 0,8 м;
по территориям, занятым под садовые и ценные сельскохозяйственные культуры, а также под насаждения защитных полос вдоль железных дорог, автомобильных дорог и запретных полос по берегам рек, озер, водохранилищ, каналов и других водных объектов.
На трассах ВЛ, проходящих по местности, пересеченной мелиоративными каналами, должны предусматриваться пешеходные мостики шириной 0,8 - 1,0 м, оборудованные перилами.
2.5.23. На опорах ВЛ на высоте 2 - 3 м должны быть нанесены следующие постоянные знаки:
порядковый номер опоры, номер ВЛ или ее условное обозначение - на всех опорах; на двухцепных и многоценных опорах ВЛ, кроме того, должна быть обозначена соответствующая цепь;
информационные знаки с указанием ширины охранной зоны ВЛ; расстояние между информационными знаками в населенной местности должно быть не более 250 м, при большей длине пролета знаки устанавливаются на каждой опоре; в ненаселенной и труднодоступной местности - 500 м, допускается более редкая установка знаков;
расцветка фаз - на ВЛ 35 кВ и выше на концевых опорах, опорах, смежных с транспозиционными, и на первых опорах ответвлений от ВЛ;
предупреждающие плакаты - на всех опорах ВЛ в населенной местности;
плакаты с указанием расстояния от опоры ВЛ до кабельной линии связи - на опорах, установленных на расстоянии менее половины высоты опоры до кабелей связи.
Допускается совмещать на одном знаке всю информацию, устанавливаемую требованиями настоящего параграфа.
Плакаты и знаки должны устанавливаться с боку опоры поочередно с правой и с левой стороны, а на переходах через дороги плакаты должны быть обращены в сторону дороги.
На ВЛ 110 кВ и выше, обслуживание которых будет осуществляться с использованием вертолетов, в верхней части каждой пятой опоры устанавливаются номерные знаки, видимые с вертолета. При этом для ВЛ 500 - 750 кВ знаки должны быть эмалированными размером 400×500 мм.
2.5.24. Линейные разъединители, переключательные пункты, высокочастотные заградители, установленные на ВЛ, должны иметь соответствующие порядковые номера и диспетчерские наименования.
Стальные опоры, а также стальные элементы и детали железобетонных и деревянных опор, как правило, должны защищаться от коррозии горячей оцинковкой.
Защита от коррозии должна производиться в заводских условиях. Допускается выполнение ее на специально оборудованных полигонах.
На грозозащитный трос и оттяжки в процессе сооружения ВЛ должна быть нанесена защитная смазка.
2.5.27. На участках ВЛ в горных условиях в необходимых случаях должны быть предусмотрены:
очистка склонов от опасных для ВЛ нависающих камней;
расположение ВЛ вне зоны схода снежных лавин и камнепадов, а если это невозможно, то провода и тросы должны размещаться вне зоны действия воздушной волны лавины, а также расчетной траектории полета падающих камней.
2.5.28. Трассы ВЛ следует располагать вне зоны распространения оползневых процессов. При невозможности обхода таких зон должна предусматриваться инженерная защита ВЛ от оползней в соответствии со строительными нормами и правилами по защите территорий, зданий и сооружений от опасных геологических процессов.
2.5.29. При прохождении ВЛ в условиях пересеченной местности с солифлюкционными явлениями при размещении опор на косогорах подземная часть опор и фундаментов должна рассчитываться на дополнительную нагрузку от давления слоя сползающего грунта.
2.5.30. При прохождении ВЛ по просадочным грунтам опоры, как правило, должны устанавливаться на площадках с минимальной площадью водосбора с выполнением комплекса противопросадочных мероприятий. Нарушение растительности и почвенного покрова должно быть минимальным.
2.5.31. При прохождении ВЛ по полузакрепленным и незакрепленным пескам необходимо выполнение пескозакрепительных мероприятий. Нарушение растительного покрова должно быть минимальным.
2.5.32. Опоры ВЛ рекомендуется устанавливать на безопасном расстоянии от русла реки с интенсивным размывом берегов, с учетом прогнозируемых перемещений русла и затопляемости поймы, а также вне мест, где могут быть потоки дождевых и других вод, ледоходы и т.п. При обоснованной невозможности установки опор в безопасных местах необходимо выполнить мероприятия по защите опор от повреждений (специальные фундаменты, укрепление берегов, откосов, склонов, устройство водоотвода, струенаправляющих дамб, ледорезов и иных сооружений).
Установка опор в зоне прохождения прогнозируемых грязекаменных селевых потоков не допускается.
2.5.33. Применение опор с оттяжками на участках ВЛ до 330 кВ, проходящих по обрабатываемым землям, не допускается.
2.5.34. На участках трассы, проходящих по обрабатываемым землям, в населенной местности и в местах стесненных подходов к электростанциям и подстанциям, рекомендуется применять двухцепные и многоцепные свободностоящие опоры.
2.5.35. При прохождении ВЛ с деревянными опорами по лесам, сухим болотам и другим местам, где возможны низовые пожары, должна быть предусмотрена одна из следующих мер:
устройство канавы глубиной 0,4 м и шириной 0,6 м на расстоянии 2 м вокруг каждой стойки опоры;
уничтожение травы и кустарника и очистка от них площадки радиусом 2 м вокруг каждой опоры;
применение железобетонных приставок, при этом расстояние от земли до нижнего торца стойки должно быть не менее 1 м.
Установка деревянных опор ВЛ 110 кВ и выше в местностях, где возможны низовые или торфяные пожары, не рекомендуется.
2.5.36. В районах расселения крупных птиц для предохранения изоляции от загрязнения, независимо от степени загрязнения окружающей среды (см. гл. 1.9), а также для предотвращения гибели птиц следует:
не использовать опоры ВЛ со штыревыми изоляторами;
на траверсах опор ВЛ 35 - 220 кВ, в том числе в местах крепления поддерживающих гирлянд изоляторов, а также на тросостойках для исключения возможности посадки или гнездования птиц предусматривать установку противоптичьих заградителей;
закрывать верхние отверстия полых стоек железобетонных опор наголовниками.
2.5.37. В районах сильноагрессивной степени воздействия среды, в районах солончаков, засоленных песков, песчаных пустынь, в прибрежных зонах морей и соленых озер площадью более 10000 м2, а также в местах, где в процессе эксплуатации установлено коррозионное разрушение металла изоляторов, линейной арматуры, проводов и тросов, заземлителей, следует предусматривать:
изоляторы и линейную арматуру в тропическом исполнении, при необходимости с дополнительными защитными мероприятиями;
коррозионно-стойкие провода (см. также 2.5.80), тросы и тросовые элементы опор (см. также 2.5.26);
увеличение сечения элементов заземляющих устройств, применение оцинкованных заземлителей.
2.5.38. При расчете ВЛ и их элементов должны учитываться климатические условия - ветровое давление, толщина стенки гололеда, температура воздуха, степень агрессивного воздействия окружающей среды, интенсивность грозовой деятельности, пляска проводов и тросов, вибрация.
Определение расчетных условий по ветру и гололеду должно производиться на основании соответствующих карт климатического районирования территории РФ (рис. 2.5.1, 2.5.2) с уточнением при необходимости их параметров в сторону увеличения или уменьшения по региональным картам и материалам многолетних наблюдений гидрометеорологических станций и метеопостов за скоростью ветра, массой, размерами и видом гололедно-изморозевых отложений. В малоизученных районах* для этой цели могут организовываться специальные обследования и наблюдения.
* К малоизученным районам относятся горная местность и районы, где на 100 км трассы ВЛ для характеристики климатических условий имеется только одна репрезентативная метеорологическая станция.
При отсутствии региональных карт значения климатических параметров уточняются путем обработки соответствующих данных многолетних наблюдений согласно методическим указаниям (МУ) по расчету климатических нагрузок на ВЛ и построению региональных карт с повторяемостью 1 раз в 25 лет.
Основой для районирования по ветровому давлению служат значения максимальных скоростей ветра с 10-минутным интервалом осреднения скоростей на высоте 10 м с повторяемостью 1 раз в 25 лет. Районирование по гололеду производится по максимальной толщине стенки отложения гололеда цилиндрической формы при плотности 0,9 г/см3 на проводе диаметром 10 мм, расположенном на высоте 10 м над поверхностью земли, повторяемостью 1 раз в 25 лет.
Температура воздуха определяется на основании данных метеорологических станций с учетом положений строительных норм и правил и указаний настоящих Правил.
Интенсивность грозовой деятельности должна определяться по картам районирования территории РФ по числу грозовых часов в году (рис. 2.5.3), региональным картам с уточнением при необходимости по данным метеостанций о среднегодовой продолжительности гроз.
Степень агрессивного воздействия окружающей среды определяется с учетом положений СНиПов и государственных стандартов, содержащих требования к применению элементов ВЛ, гл. 1.9 и указаний настоящей главы.
Определение районов по частоте повторяемости и интенсивности пляски проводов и тросов должно производиться по карте районирования территории РФ (рис. 2.5.4) с уточнением по данным эксплуатации.
По частоте повторяемости и интенсивности пляски проводов и тросов территория РФ делится на районы с умеренной пляской проводов (частота повторяемости пляски 1 раз в 5 лет и менее) и с частой и интенсивной пляской проводов (частота повторяемости более 1 раза в 5 лет).
2.5.39. При определении климатических условий должно быть учтено влияние на интенсивность гололедообразования и на скорость ветра особенностей микрорельефа местности (небольшие холмы и котловины, высокие насыпи, овраги, балки и т.п.), а в горных районах - особенностей микро- и мезорельефа местности (гребни, склоны, платообразные участки, днища долин, межгорные долины и т.п.).
2.5.40. Значения максимальных ветровых давлений и толщин стенок гололеда для ВЛ определяются на высоте 10 м над поверхностью земли с повторяемостью 1 раз в 25 лет (нормативные значения).
2.5.41. Нормативное ветровое давление W0, соответствующее 10-минутному интервалу осреднения скорости ветра (v0), на высоте 10 м над поверхностью земли принимается по табл. 2.5.1 в соответствии с картой районирования территории России по ветровому давлению (рис. 2.5.1) или по региональным картам районирования.
Таблица 2.5.1
Нормативное ветровое давление W0 на высоте 10 м над поверхностью земли
|
Район по ветру |
Нормативное ветровое давление W0, Па (скорость ветра v0, м/с) |
|
I |
400 (25) |
|
II |
500 (29) |
|
III |
650 (32) |
|
IV |
800 (36) |
|
V |
1000 (40) |
|
VI |
1250 (45) |
|
VII |
1500 (49) |
|
Особый |
Выше 1500 (выше 49) |
Полученное при обработке метеоданных нормативное ветровое давление следует округлять до ближайшего большего значения, приведенного в табл. 2.5.1.
Ветровое давление W определяется по формуле, Па
![]()
Ветровое давление более 1500 Па должно округляться до ближайшего большего значения, кратного 250 Па.
Для ВЛ 110 - 750 кВ нормативное ветровое давление должно приниматься не менее 500 Па.
Для ВЛ, сооружаемых в труднодоступных местностях, ветровое давление рекомендуется принимать соответствующим району на один выше, чем принято для данного региона по региональным картам районирования или на основании обработки материалов многолетних наблюдений.
2.5.42. Для участков ВЛ, сооружаемых в условиях, способствующих резкому увеличению скоростей ветра (высокий берег большой реки, резко выделяющаяся над окружающей местностью возвышенность, гребневые зоны хребтов, межгорные долины, открытые для сильных ветров, прибрежная полоса морей и океанов, больших озер и водохранилищ в пределах 3 - 5 км), при отсутствии данных наблюдений нормативное ветровое давление следует увеличивать на 40 % по сравнению с принятым для данного района. Полученные значения следует округлять до ближайшего значения, указанного в табл. 2.5.1.

Рис. 2.5.1. Карта районирования территории РФ по ветровому давлению

Рис. 2.5.2. Карта районирования территории РФ по толщине стенки гололеда

Рис. 2.5.3. Карта районирования территории РФ по среднегодовой продолжительности гроз в часах

Рис. 2.5.4. Карта районирования территории РФ по пляске проводов
2.5.43. Нормативное ветровое давление при гололеде Wг с повторяемостью 1 раз в 25 лет определяется по формуле 2.5.41, по скорости ветра при гололеде vг.
Скорость ветра vг принимается по региональному районированию ветровых нагрузок при гололеде или определяется по данным наблюдений согласно методическим указаниям по расчету климатических нагрузок. При отсутствии региональных карт и данных наблюдений Wг = 0,25 W0. Для ВЛ до 20 кВ нормативное ветровое давление при гололеде должно приниматься не менее 200 Па, для ВЛ 330 - 750 кВ - не менее 160 Па.
Нормативные ветровые давления (скорости ветра) при гололеде округляются до ближайших следующих значений, Па (м/с): 80 (11), 120 (14), 160 (16), 200 (18), 240 (20), 280 (21), 320 (23), 360 (24).
Значения более 360 Па должны округляться до ближайшего значения, кратного 40 Па.
Для различных высот расположения центра тяжести проводов, тросов, а также средних точек зон конструкции опор ВЛ ветровое давление определяется умножением его значения на коэффициент Kw, принимаемый по табл. 2.5.2.
Таблица 2.5.2
Изменение коэффициента Kw по высоте в зависимости от типа местности
|
Высота расположения приведенного центра тяжести проводов, тросов и средних точек зон конструкций опор ВЛ над поверхностью земли, м |
Коэффициент Kw для типов местности |
||
|
А |
В |
С |
|
|
До 15 |
1,00 |
0,65 |
0,40 |
|
20 |
1,25 |
0,85 |
0,55 |
|
40 |
1,50 |
1,10 |
0,80 |
|
60 |
1,70 |
1,30 |
1,00 |
|
80 |
1,85 |
1,45 |
1,15 |
|
100 |
2,00 |
1,60 |
1,25 |
|
150 |
2,25 |
1,90 |
1,55 |
|
200 |
2,45 |
2,10 |
1,80 |
|
250 |
2,65 |
2,30 |
2,00 |
|
300 |
2,75 |
2,50 |
2,20 |
|
350 и выше |
2,75 |
2,75 |
2,35 |
Примечание. Типы местности соответствуют определениям, приведенным в 2.5.6.
Полученные значения ветрового давления должны быть округлены до целого числа.
Для промежуточных высот значения коэффициентов Kw определяются линейной интерполяцией.
Высота расположения приведенного центра тяжести проводов или тросов hпр для габаритного пролета определяется по формуле, м
![]()
где hcp - среднеарифметическое значение высоты крепления проводов к изоляторам или среднеарифметическое значение высоты крепления тросов к опоре, отсчитываемое от отметок земли в местах установки опор, м;
f - стрела провеса провода или троса в середине пролета при высшей температуре, м.
2.5.45. При расчете проводов и тросов ветер следует принимать направленным под углом 90° к оси ВЛ.
При расчете опор ветер следует принимать направленным под углом 0°, 45° и 90° к оси ВЛ, при этом для угловых опор за ось ВЛ принимается направление биссектрисы внешнего угла поворота, образованного смежными участками линии.
2.5.46. Нормативную толщину стенки гололеда bэ плотностью 0,9 г/см3 следует принимать по табл. 2.5.3 в соответствии с картой районирования территории России по толщине стенки гололеда (см. рис. 2.5.2) или по региональным картам районирования.
Таблица 2.5.3
Нормативная толщина стенки гололеда bэ для высоты 10 м над поверхностью земли
|
Район по гололеду |
Нормативная толщина стенки гололеда bэ, мм |
|
I |
10 |
|
II |
15 |
|
III |
20 |
|
IV |
25 |
|
V |
30 |
|
VI |
35 |
|
VII |
40 |
|
Особый |
Выше 40 |
Полученные при обработке метеоданных нормативные толщины стенок гололеда рекомендуется округлять до ближайшего большего значения, приведенного в табл. 2.5.3.
В особых районах по гололеду следует принимать толщину стенки гололеда, полученную при обработке метеоданных, округленную до 1 мм.
Для ВЛ 330 - 750 кВ нормативная толщина стенки гололеда должна приниматься не менее 15 мм.
Для ВЛ, сооружаемых в труднодоступных местностях, толщину стенки гололеда рекомендуется принимать соответствующей району на один выше, чем принято для данного региона по региональным картам районирования или на основании обработки метеоданных.
2.5.47. При отсутствии данных наблюдений для участков ВЛ, проходящих по плотинам и дамбам гидротехнических сооружений, вблизи прудов-охладителей, башенных градирен, брызгальных бассейнов в районах с низшей температурой выше минус 45 °С, I нормативную толщину стенки гололеда bэ следует принимать на 5 мм больше, чем для прилегающих участков ВЛ, а для районов с низшей температурой минус 45° и ниже - на 10 мм.
2.5.48. Нормативная ветровая нагрузка при гололеде на провод (трос) определяется по 2.5.52 с учетом условной толщины стенки гололеда by, которая принимается по региональному районированию ветровых нагрузок при гололеде или рассчитывается согласно методическим указаниям по расчету климатических нагрузок. При отсутствии региональных карт и данных наблюдений by = bэ.
2.5.49. Толщина стенки гололеда (bэ, by) на проводах ВЛ определяйся на высоте расположения приведенного центра тяжести всех проводов, на тросах - на высоте расположения центра тяжести тросов. Высота приведенного центра тяжести проводов и тросов определяется в соответствии с 2.5.44.
Толщина стенки гололеда на проводах (тросах) при высоте расположения приведенного их центра тяжести более 25 м определяется умножением ее значения на коэффициенты Ki и Kd, принимаемые по табл. 2.5.4. При этом исходную толщину стенки гололеда (для высоты 10 м и диаметра 10 мм) следует принимать без увеличения, предусмотренного 2.5.47. Полученные значения толщины стенки гололеда округляются до 1 мм.
При высоте расположения приведенного центра тяжести проводов или тросов до 25 м поправки на толщину стенки гололеда на проводах и тросах в зависимости от высоты и диаметра проводов и тросов не вводятся.
Таблица 2.5.4
Коэффициенты Ki и Kd, учитывающие изменение толщины стенки гололеда
|
Высота расположения приведенного центра тяжести проводов, тросов и средних точек зон конструкций опор над поверхностью земли, м |
Коэффициент Ki, учитывающий изменение толщины стенки гололеда по высоте над поверхностью земли |
Диаметр провода (троса), мм |
Коэффициент Kd, учитывающий изменение толщины стенки гололеда в зависимости от диаметра провода (троса) |
|
25 |
1,0 |
10 |
1,0 |
|
30 |
1,4 |
20 |
0,9 |
|
50 |
1,6 |
30 |
0,8 |
|
70 |
1,8 |
50 |
0,7 |
|
100 |
2,0 |
70 |
0,6 |
Примечание. Для промежуточных высот и диаметров значения коэффициентов Ki и Kd определяются линейной интерполяцией.
2.5.50. Для участков ВЛ, сооружаемых в горных районах по орографически защищенным извилистым и узким склоновым долинам и ущельям, независимо от высот местности над уровнем моря, нормативную толщину стенки гололеда bэ рекомендуется принимать не более 15 мм. При этом не следует учитывать коэффициент Ki.
2.5.51. Температуры воздуха - среднегодовая, низшая, которая принимается за абсолютно минимальную, высшая, которая принимается за абсолютно максимальную, - определяются по строительным нормам и правилам и по данным наблюдений с округлением до значений, кратных пяти.
Температуру воздуха при нормативном ветровом давлении W0 следует принимать равной минус 5 °С, за исключением районов со среднегодовой температурой минус 5 °С и ниже, для которых ее следует принимать равной минус 10 °С.
Температуру воздуха при гололеде для территории с высотными отметками местности до 1000 м над уровнем моря следует принимать равной минус 5 °С, при этом для районов со среднегодовой температурой минус 5 °С и ниже температуру воздуха при гололеде следует принимать равной минус 10 °С. Для горных районов с высотными отметками выше 1000 м и до 2000 м температуру следует принимать равной минус 10 °С, более 2000 м - минус 15 °С. В районах, где при гололеде наблюдается температура ниже минус 15 °С, ее следует принимать по фактическим данным.
2.5.52. Нормативная ветровая
нагрузка на провода и тросы
, Н, действующая перпендикулярно проводу (тросу), для каждого
рассчитываемого условия определяется по формуле
![]()
где αw - коэффициент, учитывающий неравномерность ветрового давления по пролету ВЛ, принимаемый равным:
|
Ветровое давление, Па |
До 200 |
240 |
280 |
300 |
320 |
360 |
400 |
500 |
580 и более |
|
Коэффициент αw |
1 |
0,94 |
0,88 |
0,85 |
0,83 |
0,80 |
0,76 |
0,71 |
0,70 |
Промежуточные значения αw, определяются линейной интерполяцией;
Kl - коэффициент, учитывающий влияние длины пролета на ветровую нагрузку, равный 1,2 при длине пролета до 50 м, 1,1 - при 100 м, 1,05 - при 150 м, 1,0 - при 250 м и более (промежуточные значения Kl определяются интерполяцией);
Kw - коэффициент, учитывающий изменение ветрового давления по высоте в зависимости от типа местности, определяемый по табл. 2.5.2;
Cx - коэффициент лобового сопротивления, принимаемый равным: 1,1 - для проводов и тросов, свободных от гололеда, диаметром 20 мм и более; 1,2 - для всех проводов и тросов, покрытых гололедом, и для всех проводов и тросов, свободных от гололеда, диаметром менее 20 мм;
W - нормативное ветровое давление, Па, в рассматриваемом режиме:
W = W0 - определяется по табл. 2.5.1 в зависимости от ветрового района;
W = Wг - определяется по 2.5.43;
F - площадь продольного диаметрального сечения провода, м2 (при гололеде с учетом условной толщины стенки гололеда by);
φ - угол между направлением ветра и осью ВЛ.
Площадь продольного диаметрального сечения провода (троса) F определяется по формуле, м2
![]()
где d - диаметр провода, мм;
Ki и Kd - коэффициенты, учитывающие изменение толщины стенки гололеда по высоте и в зависимости от диаметра провода и определяемые по табл. 2.5.4;
by - условная толщина стенки гололеда, мм, принимается согласно 2.5.48;
l - длина ветрового пролета, м.
2.5.53.
Нормативная линейная гололедная нагрузка на 1 м провода и трос
определяется по
формуле, Н/м
![]()
где Ki, Kd - коэффициенты, учитывающие изменение толщины стенки гололеда по высоте и в зависимости от диаметра провода и принимаемые по табл. 2.5.4;
bэ - толщина стенки гололеда, мм, по 2.5.46;
d - диаметр провода, мм;
ρ - плотность льда, принимаемая равной 0,9 г/см3;
g - ускорение свободного падения, принимаемое равным 9,8 м/с2.
![]()
где
- нормативная
ветровая нагрузка по 2.5.52;
γnw - коэффициент надежности по ответственности, принимаемый равным: 1,0 - для ВЛ до 220 кВ; 1,1 - для ВЛ 330 - 750 кВ и ВЛ, сооружаемых на двухцепных и многоцепных опорах независимо от напряжения, а также для отдельных особо ответственных одноцепных ВЛ до 220 кВ при наличии обоснования;
γp - региональный коэффициент, принимаемый от 1 до 1,3. Значение коэффициента принимается на основании опыта эксплуатации и указывается в задании на проектирование ВЛ;
γf - коэффициент надежности по ветровой нагрузке, равный 1,1.
![]()
где
- нормативная
линейная гололедная нагрузка, принимаемая по 2.5.53;
γnw - коэффициент надежности по ответственности, принимаемый равным: 1,0 - для ВЛ до 220 кВ; 1,3 - для ВЛ 330 - 750 кВ и ВЛ, сооружаемых на двухцепных и многоцепных опорах независимо от напряжения, а также для отдельных особо ответственных одноцепных ВЛ до 220 кВ при наличии обоснования;
γp - региональный коэффициент, принимаемый равным от 1 до 1,5. Значение коэффициента принимается на основании опыта эксплуатации и указывается в задании на проектирование ВЛ;
γf - коэффициент надежности по гололедной нагрузке, равный 1,3 для районов по гололеду I и II; 1,6 - для районов по гололеду III и выше;
γd - коэффициент условий работы, равный 0,5.
2.5.56. При расчете приближений токоведущих частей к сооружениям, насаждениям и элементам опор расчетная ветровая нагрузка на провода (тросы) определяется по 2.5.54.
2.5.57. При определении расстояний от проводов до поверхности земли и до пересекаемых объектов и насаждений расчетная линейная гололедная нагрузка на провода принимается по 2.5.55.
2.5.58. Нормативная ветровая нагрузка на конструкцию опоры определяется как сумма средней и пульсационной составляющих.
2.5.59.
Нормативная средняя составляющая ветровой нагрузки на опору
определяется по
формуле, Н
![]()
где Kw - принимается по 2.5.44;
W - принимается по 2.5.52;
Cx - аэродинамический коэффициент, определяемый в зависимости от вида конструкции, согласно строительным нормам и правилам;
А - площадь проекции, ограниченная контуром конструкции, ее части или элемента с наветренной стороны на плоскость перпендикулярно ветровому потоку, вычисленная по наружному габариту, м2.
Для конструкций опор из стального проката, покрытых гололедом, при определении А учитывается обледенение конструкции с толщиной стенки гололеда by при высоте опор более 50 м, а также для районов по гололеду V и выше независимо от высоты опор.
Для железобетонных и
деревянных опор, а также стальных опор с элементами из труб обледенение
конструкций при определении нагрузки
не учитывается.
для свободностоящих одностоечных стальных опор:
![]()
для свободностоящих портальных стальных опор:
![]()
для свободностоящих железобетонных опор (портальных и одностоечных) на центрифугированных стойках:
![]()
для свободностоящих одностоечных железобетонных опор ВЛ до 35 кВ:
![]()
для стальных и железобетонных опор с оттяжками при шарнирном креплении к фундаментам:
![]()
Нормативное значение пульсационной составляющей ветровой нагрузки для свободностоящих опор высотой более 50 м, а также для других типов опор, не перечисленных выше, независимо от их высоты определяется в соответствии со строительными нормами и правилами на нагрузки и воздействия.
В расчетах деревянных опор пульсационная составляющая ветровой нагрузки не учитывается.
2.5.61. Нормативная гололедная нагрузка на конструкции металлических опор Jн определяется по формуле, Н
![]()
где Ki, bэ, ρ, g - принимаются согласно 2.5.53;
μг - коэффициент, учитывающий отношение площади поверхности элемента, подверженной обледенению, к полной поверхности элемента и принимаемый равным:
0,6 - для районов по гололеду до IV при высоте опор более 50 м и для районов по гололеду V и выше, независимо от высоты опор;
А0 - площадь общей поверхности элемента, м2.
Для районов по гололеду до IV при высоте опор менее 50 м гололедные отложения на опорах не учитываются.
Для железобетонных и деревянных опор, а также стальных опор с элементами из труб гололедные отложения не учитываются.
Гололедные отложения на траверсах рекомендуется определять по вышеприведенной формуле с заменой площади общей поверхности элемента на площадь горизонтальной проекции консоли траверсы.
2.5.62. Расчетная ветровая
нагрузка на провода (тросы), воспринимаемая опорами
, определяется по формуле, Н
![]()
где
- нормативная
ветровая нагрузка по 2.5.52;
γnw, γp - принимается согласно 2.5.54;
γf - коэффициент надежности по ветровой нагрузке, равный для проводов (тросов), покрытых гололедом и свободных от гололеда: 1,3 - при расчете по первой группе предельных состояний; 1,1 - при расчете по второй группе предельных состояний.
2.5.63. Расчетная ветровая нагрузка на конструкцию опоры Q, Н, определяется по формуле
![]()
где
- нормативная средняя
составляющая ветровой нагрузки, принимаемая по 2.5.59;
- нормативная пульсационная
составляющая ветровой нагрузки, принимаемая по 2.5.60;
γnw, γp - принимаются согласно 2.5.54;
γf - коэффициент надежности по ветровой нагрузке, равный:
1,3 - при расчете по первой группе предельных состояний;
1,1 - при расчете по второй группе предельных состояний.
2.5.64. Расчетная ветровая нагрузка на гирлянду изоляторов Pu, Н, определяется по формуле
![]()
где γnw, γp - принимаются согласно 2.5.54;
Kw - принимается согласно 2.5.44;
Cx - коэффициент лобового сопротивления цепи изоляторов, принимаемый равным 1,2;
γf - коэффициент надежности по ветровой нагрузке, равный 1,3;
W0 - нормативное ветровое давление (см. 2.5.41);
Fu - площадь диаметрального сечения цепи гирлянды изоляторов, м2, определяется по формуле
![]()
где Du - диаметр тарелки изоляторов, мм;
Hu - строительная высота изолятора, мм;
n - число изоляторов в цепи;
N - число цепей изоляторов в гирлянде.
2.5.65. Расчетная линейная гололедная нагрузка на 1 м провода (троса) Pг.о, Н/м, воспринимаемая опорами, определяется по формуле
![]()
где
- нормативная
линейная гололедная нагрузка, принимается по 2.5.53;
γпг, γр - принимаются согласно 2.5.55;
γf - коэффициент надежности по гололедной нагрузке при расчете по первой и второй группам предельных состояний, принимается равным 1,3 для районов по гололеду I и II; 1,6 для районов по гололеду III и выше;
γd - коэффициент условий работы, равный:
1,0 - при расчете по первой группе предельных состояний;
0,5 - при расчете по второй группе предельных состояний.
2.5.66. Гололедная нагрузка от проводов и тросов, приложенная к точкам их крепления на опорах, определяется умножением соответствующей линейной гололедной нагрузки (2.5.53, 2.5.55, 2.5.65) на длину весового пролета.
2.5.67. Расчетная гололедная нагрузка на конструкции опор J, Н, определяется по формуле
![]()
где Jн - нормативная гололедная нагрузка, принимаемая по 2.5.61;
γпг, γр - принимаются согласно 2.5.55;
γf, γd - принимаются согласно 2.5.65.
2.5.68. В районах по гололеду III и выше обледенение гирлянд изоляторов учитывается увеличением их веса на 50 %. В районах по гололеду II и менее обледенение не учитывается.
Воздействие ветрового давления на гирлянды изоляторов при гололеде не учитывается.
2.5.69. Расчетная нагрузка на опоры ВЛ от веса проводов, тросов, гирлянд изоляторов, конструкций опор по первой и второй группам предельных состояний определяется при расчетах как произведение нормативной нагрузки на коэффициент надежности по весовой нагрузке γf, принимаемый равным для проводов, тросов и гирлянд изоляторов 1,05, для конструкций опор - с указаниями строительных норм и правил на нагрузки и воздействия.
2.5.70. Нормативные нагрузки на опоры ВЛ от тяжения проводов и тросов определяются при расчетных ветровых и гололедных нагрузках по 2.5.54 и 2.5.55.
Расчетная горизонтальная нагрузка от тяжения проводов и тросов, Tmax, свободных от гололеда или покрытых гололедом, при расчете конструкций опор, фундаментов и оснований определяется как произведение нормативной нагрузки от тяжения проводов и тросов на коэффициент надежности по нагрузке от тяжения γf, равный:
1,3 - при расчете по первой группе предельных состояний;
1,0 - при расчете по второй группе предельных состояний.
1. Высшая температура t+, ветер и гололед отсутствуют.
2. Низшая температура t-, ветер и гололед отсутствуют.
3. Среднегодовая температура tсг, ветер и гололед отсутствуют.
4. Провода и тросы покрыты гололедом по 2.5.55, температура при гололеде по 2.5.51, ветер отсутствует.
5. Ветер по 2.5.54, температура при W0 по 2.5.51, гололед отсутствует.
6. Провода и тросы покрыты гололедом по 2.5.55, ветер при гололеде на провода и тросы по 2.5.54, температура при гололеде по 2.5.51.
7. Расчетная нагрузка от тяжения проводов по 2.5.70.
2.5.72. Расчет ВЛ по аварийному режиму работы необходимо производить для сочетания следующих условий:
1. Среднегодовая температура tсг, ветер и гололед отсутствуют.
2. Низшая температура t-, ветер и гололед отсутствуют.
3. Провода и тросы покрыты гололедом по 2.5.55, температура при гололеде по 2.5.51, ветер отсутствует.
4. Расчетная нагрузка от тяжения проводов по 2.5.70.
1) при рабочем напряжении: расчетная ветровая нагрузка по 2.5.54, температура при W0 по 2.5.51, гололед отсутствует;
2) при грозовых и внутренних перенапряжениях: температура + 15 °С, ветровое давление, равное 0,06 W0, но не менее 50 Па;
3) для обеспечения безопасного подъема на опору при наличии напряжения на линии: для ВЛ 500 кВ и ниже - температура минус 15 °С, гололед и ветер отсутствуют; для ВЛ 750 кВ - температура минус 15 °С, ветровое давление 50 Па, гололед отсутствует.
При расчете приближений угол отклонения у поддерживающей гирлянды изоляторов от вертикали определяется по формуле
![]()
где Р - расчетная ветровая нагрузка на провода фазы, направленная поперек оси ВЛ (или по биссектрисе угла поворота ВЛ), Н;
Kg - коэффициент инерционности системы «гирлянда - провод в пролете», при отклонениях под давлением ветра принимается равным:
|
Ветровое давление, Па |
До 310 |
350 |
425 |
500 |
От 615 |
|
Коэффициент Kg |
1 |
0,95 |
0,9 |
0,85 |
0,8 |
Промежуточные значения определяются линейной интерполяцией;
Ро - горизонтальная составляющая от тяжения проводов на поддерживающую гирлянду промежуточно-угловой опоры (принимаемая со знаком плюс, если ее направление совпадает с направлением ветра, и со знаком минус, если она направлена в наветренную сторону), Н;
Gnp - расчетная нагрузка от веса провода, воспринимаемая гирляндой изоляторов, Н;
Gг - расчетная нагрузка от веса гирлянды изоляторов, Н;
Ри - расчетная ветровая нагрузка на гирлянды изоляторов, Н, принимаемая по 2.5.64.
2.5.75. Воздушные линии могут выполняться с одним или несколькими проводами в фазе, во втором случае фаза называется расщепленной.
Провода расщепленной фазы могут быть изолированы друг от друга.
Диаметр проводов, их сечение и количество в фазе, а также расстояние между проводами расщепленной фазы определяются расчетом.
2.5.76. На проводах расщепленной фазы в пролетах и петлях анкерных опор должны быть установлены дистанционные распорки. Расстояния между распорками или группами распорок, устанавливаемыми в пролете на расщепленной фазе из двух или трех проводов, не должны превышать 60 м, а при прохождении ВЛ по местности типа А (2.5.6) - 40 м. Расстояния между распорками или группами распорок, устанавливаемыми в пролете на расщепленной фазе из четырех и более проводов, не должны превышать 40 м. При прохождении ВЛ по местности типа С эти расстояния допускается увеличивать до 60 м.
2.5.77. На ВЛ должны применяться многопроволочные провода и тросы. Минимально допустимые сечения проводов приведены в табл. 2.5.5.
Таблица 2.5.5
Минимально допустимые сечения проводов по условиям механической прочности
|
Характеристика ВЛ |
Сечение проводов, мм2 |
|||
|
алюминиевых и из нетермообработанного алюминиевого сплава |
из термообработанного алюминиевого сплава |
сталеалюминиевых |
стальных |
|
|
ВЛ без пересечений в районах по гололеду: |
|
|
|
|
|
до II |
70 |
50 |
35/6,2 |
35 |
|
в III - IV |
95 |
50 |
50/8 |
35 |
|
в V и более |
- |
- |
70/11 |
35 |
|
Пересечения ВЛ с судоходными реками и инженерными сооружениями в районах по гололеду: |
|
|
|
|
|
до II |
70 |
50 |
50/8 |
35 |
|
в III - IV |
95 |
70 |
50/8 |
50 |
|
в V и более |
- |
- |
70/11 |
50 |
|
ВЛ, сооружаемые на двухцепных или многоцепных опорах: |
|
|
|
|
|
до 20 кВ |
- |
- |
70/11 |
- |
|
35 кВ и выше |
- |
- |
120/19 |
- |
Примечания: 1. В пролетах пересечений с автомобильными дорогами, троллейбусными и трамвайными линиями, железными дорогами необщего пользования допускается применение проводов таких же сечений, как на ВЛ без пересечений.
2. В районах, где требуется применение проводов с антикоррозионной защитой, минимально допустимые сечения проводов принимаются такими же, как и сечения соответствующих марок без антикоррозионной защиты.
2.5.78. Для снижения потерь электроэнергии на перемагничивание стальных сердечников в сталеалюминиевых проводах и в проводах из термообработанного алюминиевого сплава со стальным сердечником рекомендуется применять провода с четным числом повивов алюминиевых проволок.
35 мм2 - на ВЛ 35 кВ без пересечений;
35 мм2 - на ВЛ 35 кВ в пролетах пересечений с железными дорогами общего пользования и электрифицированными в районах по гололеду I - II;
50 мм2 - в остальных районах и на ВЛ, сооружаемых на двухцепных и многоцепных опорах;
50 мм2 - на ВЛ 110 - 150 кВ;
70 мм2 - на ВЛ 220 кВ и выше.
Сталеалюминиевые провода или провода из термообработанного алюминиевого сплава со стальным сердечником в качестве грозозащитного троса рекомендуется применять:
1) на особо ответственных переходах через инженерные сооружения (электрифицированные железные дороги, автомобильные дороги категории IА (2.5.256), судоходные водные преграды и т.п.);
2) на участках ВЛ, проходящих в районах с повышенным загрязнением атмосферы (промышленные зоны с высокой химической активностью уносов, зоны интенсивного земледелия с засоленными почвами и водоемами, побережья морей и т.п.), а также проходящих по населенной и труднодоступной местностям;
3) на ВЛ с большими токами однофазного короткого замыкания по условиям термической стойкости и для уменьшения влияния ВЛ на линии связи.
При этом для ВЛ, сооружаемых на двухцепных или многоцепных опорах, независимо от напряжения суммарное сечение алюминиевой (или алюминиевого сплава) и стальной частей троса должно быть не менее 120 мм2.
При использовании грозозащитных тросов для организации многоканальных систем высокочастотной связи при необходимости применяются одиночные или сдвоенные изолированные друг от друга тросы или тросы со встроенным оптическим кабелем связи (2.5.178 - 2.5.200). Между составляющими сдвоенного троса в пролетах и петлях анкерных опор должны быть установлены дистанционные изолирующие распорки.
Расстояния между распорками в пролете не должны превышать 40 м.
1) районы с толщиной стенки гололеда 25 мм и менее:
А до 185 мм2 - при отношении А/С от 6,0 до 6,25;
А от 240 мм2 и более - при отношении А/С более 7,71;
2) районы с толщиной стенки гололеда более 25 мм:
А до 95 мм2 - при отношении А/С 6,0;
А от 120 до 400 мм2 - при отношении А/С от 4,29 до 4,39;
А от 450 мм2 и более - при отношении А/С от 7,71 до 8,04;
3) на больших переходах с пролетами более 700 м - отношение А/С более 1,46.
Выбор марок проводов из других материалов обосновывается расчетами.
При сооружении ВЛ в местах, где опытом эксплуатации установлено разрушение проводов от коррозии (побережья морей, соленых озер, промышленные районы и районы засоленных песков, прилежащие к ним районы с атмосферой воздуха типа II и III, а также в местах, где на основании данных изысканий возможны такие разрушения, следует применять провода, которые в соответствии с государственными стандартами и техническими условиями предназначены для указанных условий.
На равнинной местности при отсутствии данных эксплуатации ширину прибрежной полосы, к которой относится указанное требование, следует принимать равной 5 км, а полосы от химических предприятий - 1,5 км.
По условиям короны и радиопомех при отметках до 1000 м над уровнем моря рекомендуется применять на ВЛ провода диаметром не менее указанных в табл. 2.5.6.
При отметках более 1000 м над уровнем моря для ВЛ 500 кВ и выше рекомендуется рассматривать целесообразность изменения конструкции средней фазы по сравнению с крайними фазами.
2.5.82. Сечение грозозащитного троса, выбранное по механическому расчету, должно быть проверено на термическую стойкость в соответствии с указаниями гл. 1.4 и 2.5.193, 2.5.195, 2.5.196.
Таблица 2.5.6
Минимальный диаметр проводов ВЛ по условиям короны и радиопомех, мм
|
Напряжение ВЛ, кВ |
Фаза с проводами |
|
|
одиночными |
два и более |
|
|
110 |
11,4 (АС 70/11) |
- |
|
150 |
15,2 (АС 120/19) |
- |
|
220 |
21,6 (АС 240/32) 24,0 (АС 300/39) |
- |
|
330 |
33,2 (АС 600/72) |
2×21,6 (2×АС 240/32) 3×15,2 (3×АС 120/19) 3×17,1 (3×АС 150/24) |
|
500 |
- |
2×36,2 (2×АС 700/86) 3×24,0 (3×АС 300/39) 4×18,8 (4×АС 185/29) |
|
750 |
- |
4×29,1 (4×АС 400/93) 51×21,6 (5×АС 240/32) |
Примечания: 1. Для ВЛ 220 кВ минимальный диаметр провода 21,6 мм относится к горизонтальному расположению фаз, а в остальных случаях допустим с проверкой по радиопомехам.
2. Для ВЛ 330 кВ минимальный диаметр провода 15,2 мм (три провода в фазе) относится к одноцепным опорам.
2.5.83. Провода и тросы должны рассчитываться на расчетные нагрузки нормального, аварийного и монтажного режимов ВЛ для сочетаний условий, указанных в 2.5.71 - 2.5.74.
При этом напряжения в проводах (тросах), не должны превышать допустимых значений, приведенных в табл. 2.5.7.
Указанные в табл. 2.5.7 напряжения следует относить к той точке провода на длине пролета, в которой напряжение наибольшее. Допускается указанные напряжения принимать для низшей точки провода при условии превышения напряжения в точках подвеса не более 5 %.
Таблица 2.5.7
Допустимое механическое напряжение в проводах и тросах ВЛ напряжением выше 1 кВ
|
Провода и тросы |
Допустимое напряжение, % предела прочности при растяжении |
Допустимое напряжение, Н/мм2 |
||
|
при наибольшей нагрузке и низшей температуре |
при среднегодовой температуре |
при наибольшей нагрузке и низшей температуре |
при среднегодовой температуре |
|
|
Алюминиевые с площадью поперечного сечения, мм2: |
|
|
|
|
|
70 - 95 |
35 |
30 |
56 |
48 |
|
120 - 240 |
40 |
30 |
64 |
51 |
|
300 - 750 |
45 |
30 |
72 |
51 |
|
Из нетермообработанного алюминиевого сплава площадью поперечного сечения, мм2: |
|
|
|
|
|
50 - 95 |
40 |
30 |
83 |
62 |
|
120 - 185 |
45 |
30 |
94 |
62 |
|
Из термообработанного алюминиевого сплава площадью поперечного сечения, мм2: |
|
|
|
|
|
50 - 95 |
40 |
30 |
114 |
85 |
|
120 - 185 |
45 |
30 |
128 |
85 |
|
Сталеалюминиевые площадью поперечного сечения алюминиевой части провода, мм2: |
|
|
|
|
|
400 и 500 при А/С 20,27 и 18,87 |
45 |
30 |
104 |
69 |
|
400, 500 и 1000 при А/С 17,91, 18,08 и 17,85 |
45 |
30 |
96 |
64 |
|
330 при А/С 11,51 |
45 |
30 |
117 |
78 |
|
150 - 800 при А/С от 7,8 до 8,04 |
45 |
30 |
126 |
84 |
|
35 - 95при А/С от 5,99 до 6,02 |
40 |
30 |
120 |
90 |
|
185 и более при А/С от 6,14 до 6,28 |
45 |
30 |
135 |
90 |
|
120 и более при А/С от |
45 |
30 |
153 |
102 |
|
4,29 до 4,38 |
|
|
|
|
|
500 при А/С 2,43 |
45 |
30 |
205 |
137 |
|
185, 300 и 500 при А/С 1,46 |
45 |
30 |
254 |
169 |
|
70 при А/С 0,95 |
45 |
30 |
272 |
204 |
|
95 при А/С 0,65 |
40 |
30 |
308 |
231 |
|
Из термообработанного алюминиевого сплава со стальным сердечником площадью поперечного сечения алюминиевого сплава, мм2: |
|
|
|
|
|
500 при А/С 1,46 |
45 |
30 |
292 |
195 |
|
70 при А/С 1,71 |
45 |
30 |
279 |
186 |
|
Стальные провода |
50 |
35 |
310 |
216 |
|
Стальные канаты |
50 |
35 |
По стандартам и техническим условиям |
|
|
Защищенные провода |
40 |
30 |
114 |
85 |
2.5.84. Расчет монтажных напряжений и стрел провеса проводов (тросов) должен выполняться с учетом остаточных деформаций (вытяжки).
В механических расчетах проводов (тросов) следует принимать физико-механические характеристики, приведенные в табл. 2.5.8.
Таблица 2.5.8
Физико-механические характеристики проводов и тросов
|
Провода и тросы |
Модуль упругости, 104 Н/мм2 |
Температурный коэффициент линейного удлинения, 10-6 град-1 |
Предел прочности
при растяжении |
|
Алюминиевые |
6,30 |
23,0 |
16 |
|
Сталеалюминиевые с отношением площадей поперечных сечений А/С: |
|
|
|
|
20,27 |
7,04 |
21,5 |
210 |
|
16,87 - 17,82 |
7,04 |
21,2 |
220 |
|
11,51 |
7,45 |
21,0 |
240 |
|
8,04 - 7,67 |
7,70 |
19,8 |
270 |
|
6,28 - 5,99 |
8,25 |
19,2 |
290 |
|
4,36 - 4,28 |
8,90 |
18,3 |
340 |
|
2,43 |
10,3 |
16,8 |
460 |
|
1,46 |
11,4 |
15,5 |
565 |
|
0,95 |
13,4 |
14,5 |
690 |
|
0,65 |
13,4 |
14,5 |
780 |
|
Из нетермообработанного алюминиевого сплава |
6,3 |
23,0 |
208 |
|
Из термообработанного алюминиевого сплава |
6,3 |
23,0 |
285 |
|
Из термообработанного алюминиевого сплава со стальным сердечником с отношением площадей поперечных сечений А/С: |
|
|
|
|
1,71 |
11,65 |
15,83 |
620 |
|
1,46 |
12,0 |
15,5 |
650 |
|
Стальные канаты |
18,5 |
12,0 |
1200** |
|
Стальные провода |
20,0 |
12,0 |
620 |
|
Защищенные провода |
6,25 |
23,0 |
294 |
* Предел прочности при растяжении σр определяется отношением разрывного усилия провода (троса) Рр, нормированного государственным стандартом или техническими условиями, к площади поперечного сечения sп, σр = Рр/sп. Для сталеалюминиевых проводов sп = sA + sC.
** Принимается по соответствующим стандартам, но не менее 1200 Н/мм2.
2.5.85. Защищать от вибрации следует:
одиночные провода и тросы при длинах пролетов, превышающих значения, приведенные в табл. 2.5.9, и механических напряжениях при среднегодовой температуре, превышающих приведенные в табл. 2.5.10;
Таблица 2.5.9
Длины пролетов для одиночных проводов и тросов, требующих защиты от вибрации
|
Провода, тросы |
Площадь сечения*, мм2 |
Пролеты длиной более, м, в местности типа |
|
|
А |
В |
||
|
Сталеалюминиевые, из термообработанного алюминиевого сплава со стальным сердечником и без него* |
35 - 95 |
80 |
95 |
|
120 - 240 |
100 |
120 |
|
|
300 и более |
120 |
145 |
|
|
Алюминиевые и из нетермообработанного алюминиевого сплава |
50 - 95 |
60 |
95 |
|
120 - 240 |
100 |
120 |
|
|
300 и более |
120 |
145 |
|
|
Стальные |
25 и более |
120 |
145 |
* Приведены площади сечения алюминиевой части.
Таблица 2.5.10
Механические напряжения, Н/мм2, одиночных проводов и тросов при среднегодовой температуре tсг, требующих защиты от вибрации
|
Провода, тросы |
Тип местности |
|
|
А |
В |
|
|
Сталеалюминиевые марок АС при А/С: |
|
|
|
0,65 - 0,95 |
Более 70 |
Более 85 |
|
1,46 |
» 60 |
» 70 |
|
4,29 - 4,39 |
» 45 |
» 55 |
|
6,0 - 8,05 |
» 40 |
» 45 |
|
11,5 и более |
» 35 |
» 40 |
|
Алюминиевые и из нетермообработанного алюминиевого сплава всех марок |
» 35 |
» 40 |
|
Из термообработанного алюминиевого сплава со стальным сердечником и без него всех марок |
» 40 |
» 45 |
|
Стальные всех марок |
» 170 |
» 195 |
расщепленные провода и тросы из двух составляющих при длинах пролетов, превышающих 150 м, и механических напряжениях, превышающих приведенные в табл. 2.5.11;
Таблица 2.5.11
Механические напряжения, Н/мм2, расщепленных проводов и тросов из двух составляющих, при среднегодовой температуре tсг, требующих защиты от вибрации
|
Провода, тросы |
Тип местности |
|
|
А |
В |
|
|
Сталеалюминиевые марок АС при А/С: |
|
|
|
0,65 - 0,95 |
Более 75 |
Более 85 |
|
1,46 |
» 65 |
» 70 |
|
4,29 - 4,39 |
» 50 |
» 55 |
|
6,0 - 8,05 |
» 45 |
» 50 |
|
11,5 и более |
»40 |
» 45 |
|
Алюминиевые и из нетермообработанного алюминиевого сплава всех марок |
» 40 |
» 45 |
|
Из термообработанного алюминиевого сплава со стальным сердечником и без него всех марок |
» 45 |
» 50 |
|
Стальные всех марок |
» 195 |
» 215 |
провода расщепленной фазы из трех и более составляющих при длинах пролетов, превышающих 700 м;
провода ВЛЗ при прохождении трассы на местности типа А, если напряжение в проводе при среднегодовой температуре превышает 40 Н/мм2.
В табл. 2.5.9, 2.5.10 и 2.5.11 тип местности принимается согласно 2.5.6.
При длинах пролетов менее указанных в табл. 2.5.9 и в местности типа С защита от вибрации не требуется.
Защищать от вибрации рекомендуется:
провода алюминиевые и из нетермообработанного алюминиевого сплава площадью сечения до 95 мм2, из термообработанного алюминиевого сплава и сталеалюминиевые провода площадью сечения алюминиевой части до 70 мм2, стальные тросы площадью сечения до 35 мм2 - гасителями вибрации петлевого типа (демпфирующие петли) или армирующими спиральными прутками, протекторами, спиральными вязками;
провода (тросы) большего сечения - гасителями вибрации типа Стокбриджа;
провода ВЛЗ в местах их крепления к изоляторам - гасителями вибрации спирального типа с полимерным покрытием.
Гасители вибрации следует устанавливать с обеих сторон пролета.
Для ВЛ, проходящих в особых условиях (районы Крайнего Севера орографически незащищенные выходы из горных ущелий, отдельные пролеты в местности типа С и др.), защита от вибрации должна производиться по специальному проекту.
Защита от вибрации больших переходов выполняется согласно 2.5.163.
2.5.87. Расстояния между проводами ВЛ, а также между проводами и тросами должны выбираться:
1) по условиям работы проводов (тросов) в пролетах согласно 2.5.88 - 2.5.94;
2) по допустимым изоляционным расстояниям: между проводами согласно 2.5.126; между проводами и элементами опоры согласно 2.5.125;
3) по условиям защиты от грозовых перенапряжений согласно 2.5.120 и 2.5.121;
4) по условиям короны и допустимых уровней радиопомех и акустических шумов согласно гл. 1.3, 2.5.81, государственным стандартам, строительным нормам и правилам.
Расстояния между проводами, а также между проводами и тросами выбираются по стрелам провеса, соответствующим габаритному пролету; при этом стрела провеса троса должна быть не более стрелы провеса провода.
В отдельных пролетах (не более 10 % общего количества), полученных при расстановке опор и превышающих габаритные пролеты не более чем на 25 %, увеличения расстояний, вычисленных для габаритного пролета, не требуется.
Для пролетов, превышающих габаритные более чем на 25 %, следует производить проверку расстояний между проводами и между проводами и тросами согласно указаниям 2.5.88 - 2.5.90, 2.5.92 - 2.5.95, 2.5.120 и 2.5.121, при этом допускается не учитывать требования таблиц приложения.
При различии стрел провеса, конструкций проводов и гирлянд изоляторов в разных фазах ВЛ дополнительно должны проверяться расстояния между проводами (тросами) в пролете. Проверка производится при наиболее неблагоприятных статических отклонениях при нормативном ветровом давлении W0, направленном перпендикулярно оси пролета данной ВЛ. При этом расстояния между проводами или проводами и тросами в свету для условий наибольшего рабочего напряжения должны быть не менее указанных в 2.5.125 и 2.5.126.
![]()
где dгор - расстояние по горизонтали между неотклоненными проводами (для расщепленных проводов - между ближайшими проводами разных фаз), м;
dэл - расстояние согласно 2.5.126 для условий внутренних перенапряжений, м;
Kв - коэффициент, значение которого принимается по табл. 2.5.12;
f - наибольшая стрела провеса при высшей температуре или при гололеде без ветра, соответствующая действительному пролету, м;
λ - длина поддерживающей гирлянды изоляторов, м:
для пролета, ограниченного анкерными опорами λ = 0; для пролетов с комбинированными гирляндами изоляторов λ принимается равной ее проекции на вертикальную плоскость;
для пролетов с различной конструкцией гирлянд изоляторов λ принимается равной полусумме длин гирлянд изоляторов смежных опор;
δ - поправка на расстояние между проводами, м, принимается равной 0,25 на ВЛ 35 кВ и 0,5 на ВЛ 110 кВ и выше в пролетах, ограниченных анкерными опорами, в остальных случаях δ = 0.
Таблица 2.5.12
Значение коэффициента Kв
|
Рwn/PI |
0,5 |
1 |
2 |
3 |
5 |
7 |
10 и более |
|
Kв |
0,65 |
0,70 |
0,73 |
0,75 |
0,77 |
0,775 |
0,78 |
Pwn - расчетная ветровая нагрузка на провод согласно 2.5.54, Н;
PI - расчетная нагрузка от веса провода, Н.
Для промежуточных значений Рwn/PI, указанных в табл. 2.5.12, Kв определяется линейной интерполяцией.
![]()
где dверт - расстояние между неотклоненными проводами (для расщепленных проводов - между ближайшими проводами разноименных фаз) по вертикали, м;
dэл, f, λ, δ - то же, что и в 2.5.88;
Kг - коэффициент, значение которого принимается по табл. 2.5.13;
θ - угол наклона прямой, соединяющей точки крепления проводов (тросов), к горизонтали; при углах наклона до 10° допускается принимать cos θ = 1.
Таблица 2.5.13
Значение коэффициента Kг
|
Значение стрел провеса, м |
Значение коэффициента Kг при отношении Pг.п/PI |
|||||||
|
0,5 |
1 |
2 |
3 |
4 |
5 |
7 |
10 и более |
|
|
Менее 12 |
0,4 |
0,7 |
0,9 |
1,1 |
1,2 |
1,25 |
1,3 |
1,4 |
|
От 12 до 20 |
0,5 |
0,85 |
1,15 |
1,4 |
1,5 |
1,6 |
1,75 |
1,9 |
|
Выше 20 |
0,55 |
0,95 |
1,4 |
1,75 |
2,0 |
2,1 |
2,3 |
2,4 |
Pг.п - расчетная гололедная нагрузка на провод, Н/м, определяется по 2.5.55;
PI - то же, что и в 2.5.88.
Для промежуточных значений Pг.п/PI, указанных в табл. 2.5.13, Kг определяется линейной интерполяцией.
2.5.90. На ВЛ с поддерживающими гирляндами изоляторов при смешанном расположении проводов (имеются смещения проводов друг относительно друга как по горизонтали, так и по вертикали) минимальное смещение по горизонтали dгор (при заданном расстоянии между проводами по вертикали) или минимальное расстояние по вертикали dверт (при заданном смещении по горизонтали) определяется в середине пролета в зависимости от наименьших расстояний между проводами ВЛ dгор и dверт, рассчитанных согласно 2.5.88 и 2.5.89 для фактических условий, и принимается в соответствии с табл. 2.5.14 (при dгор < dверт) или табл. 2.5.15 (при dгор > dверт).
Таблица 2.5.14
Соотношения между горизонтальным и вертикальным смещениями проводов при dгор < dверт
|
Горизонтальное смещение |
0 |
0,25 dгор |
0,50 dгор |
0,75 dгор |
dгор |
|
Вертикальное расстояние |
dверт |
0,95 dверт |
0,85 dверт |
0,65 dверт |
0 |
Таблица 2.5.15
Соотношения между горизонтальным и вертикальным смещениями проводов при dгор > dверт
|
Вертикальное расстояние |
0 |
0,25 dверт |
0,50 dверт |
0,75 dверт |
dверт |
|
Горизонтальное смещение |
dгор |
0,95 dгор |
0,85 dгор |
0,65 dгор |
0 |
Промежуточные значения смещений и расстояний определяются линейной интерполяцией.
Расстояния, определенные по 2.5.88, 2.5.89, 2.5.90, допускается округлять до 0,1 м для стрел провеса до 4 м, до 0,25 м для стрел провеса 4 - 12 м и до 0,5 м при стрелах более 12 м.
2.5.91. Выбранные согласно 2.5.89, 2.5.90 расстояния между проводами должны быть также проверены на условия пляски (см. табл. П1 - П8 приложения). Из двух расстояний следует принимать наибольшее.
2.5.92. На ВЛ 35 кВ и выше с подвесными изоляторами при непараллельном расположении проводов минимальные расстояния между ними следует определять:
1) в середине пролета - в соответствии с 2.5.88 - 2.5.91;
2) на опоре: горизонтальные расстояния dгор - согласно 2.5.88 при стреле провеса провода f/16, длине поддерживающей гирлянды изоляторов λ/16 и Kв = 1; вертикальные расстояния dверт - согласно 2.5.89 при стреле провеса f = 0 и Kг = 1.
Расстояния между проводами ВЛ с металлическими и железобетонными опорами должны также удовлетворять требованиям: на одноцепных опорах - 2.5.125, 2.5.126, на двухцепных опорах - 2.5.95, а на ВЛ с деревянными опорами - требованиям 2.5.123;
3) на расстоянии от опоры 0,25 длины пролета: горизонтальные расстояния dгор определяются интерполяцией расстояния на опоре и в середине пролета; вертикальные расстояния dверт принимаются как для середины пролета.
При изменении взаимного расположения проводов в пролете наименьшее расстояние между проводами определяется линейной интерполяцией минимальных расстояний dгор или dверт, рассчитанных в точках, ограничивающих первую или вторую четверти пролета от опоры в которой имеется пересечение.
2.5.93. Расстояния между проводами и тросами определяются согласно 2.5.88 - 2.5.90 дважды: по параметрам провода и параметрам троса, и из двух расстояний выбирается наибольшее. При этом допускается определять расстояния по фазному напряжению ВЛ.
Выбор расстояний между проводами и тросами по условиям пляски производится по стрелам провеса провода при среднегодовой температуре (см. приложение).
При двух и более тросах на ВЛ выбор расстояний между ними производится по параметрам тросов.
2.5.94. На ВЛ 35 кВ и ниже со штыревыми и стержневыми изоляторами при любом расположении проводов расстояние между ними по условиям их сближения в пролете должно быть не менее значений, определенных по формуле, м,
![]()
где dэл - то же, что и в 2.5.88;
f - стрела провеса при высшей температуре после вытяжки провода в действительном пролете, м.
При f > 2 м расстояние d допускается определять согласно 2.5.88 и 2.5.89 при δ = 0.
Расстояние между проводами на опоре и в пролете ВЛЗ независимо от расположения проводов на опоре и района по гололеду должно быть не менее 0,4 м.
2.5.95. На двухцепных опорах расстояние между ближайшими проводами разных цепей по условию работы проводов в пролете должно удовлетворять требованиям 2.5.88 -2.5.91, 2.5.96; при этом указанные расстояния должны быть не менее: 2 м - для ВЛ до 20 кВ со штыревыми и 2,5 м с подвесными изоляторами; 2,5 м - для ВЛ 35 кВ со штыревыми и 3 м с подвесными изоляторами; 4м - для ВЛ 110 кВ; 5 м - для ВЛ 150 кВ; 6 м - для ВЛ 220 кВ; 7 м - для ВЛ 330 кВ; 8,5 м - для ВЛ 500 кВ и 10 м - для ВЛ 750 кВ.
На двухцепных опорах ВЛЗ расстояние между ближайшими проводами разных цепей должно быть не менее 0,6 м для ВЛЗ со штыревыми изоляторами и 1,5 м - с подвесными изоляторами.
2.5.96. Провода ВЛ разных напряжений выше 1 кВ могут быть подвешены на общих опорах.
Допускается подвеска на общих опорах проводов ВЛ до 10 кВ и ВЛ до 1 кВ при соблюдении следующих условий:
1) ВЛ до 1 кВ должны выполняться по расчетным условиям ВЛ высшего напряжения;
2) провода ВЛ до 10 кВ должны располагаться выше проводов ВЛ до 1 кВ, причем расстояние между ближайшими проводами ВЛ разных напряжений на опоре, а также в середине пролета при температуре окружающего воздуха плюс 15 °С без ветра должно быть не менее 2 м;
3) крепление проводов высшего напряжения на штыревых изоляторах должно быть двойным.
В сетях до 35 кВ с изолированной нейтралью, имеющих участки совместной подвески с ВЛ более высокого напряжения, электромагнитное и электростатическое влияние последних не должно вызвать смещение нейтрали при нормальном режиме сети более 15 % фазного напряжения.
К сетям с заземленной нейтралью, подверженным влиянию ВЛ более высокого напряжения, специальных требований в отношении наведенного напряжения не предъявляется.
Провода ВЛЗ могут быть подвешены на общих опорах с проводами ВЛ 6 - 20 кВ, а также с проводами ВЛ и ВЛИ* до 1 кВ.
* Здесь и далее ВЛИ - воздушная линия электропередачи с самонесущими изолированными проводами.
Расстояние по вертикали между ближайшими проводами ВЛЗ и ВЛ 6 - 20 кВ на общей опоре и в пролете при температуре плюс 15 °С без ветра должно быть не менее 1,5 м.
При подвеске на общих опорах проводов ВЛЗ 6 - 20 кВ и ВЛ до 1 кВ или ВЛИ должны соблюдаться следующие требования:
1) ВЛ до 1 кВ или ВЛИ должны выполняться по расчетным условиям ВЛЗ;
2) провода ВЛЗ 6 - 20 кВ должны располагаться выше проводов ВЛ до 1 кВ или ВЛИ;
3) расстояние по вертикали между ближайшими проводами ВЛЗ 6 - 20 кВ и проводами ВЛ до 1 кВ или ВЛИ на общей опоре и в пролете при температуре плюс 15 °С без ветра должно быть не менее 0,4 м для ВЛИ и 1,5 м для ВЛ;
4) крепление проводов ВЛЗ 6 - 20 кВ на штыревых и подвесных изоляторах должно выполняться усиленным.
2.5.97. На ВЛ 110 кВ и выше должны применяться подвесные изоляторы, допускается применение стержневых и опорно-стержневых изоляторов.
На ВЛ 35 кВ должны применяться подвесные или стержневые изоляторы. Допускается применение штыревых изоляторов.
На ВЛ 20 кВ и ниже должны применяться:
1) на промежуточных опорах - любые типы изоляторов;
2) на опорах анкерного типа - подвесные изоляторы, допускается применение штыревых изоляторов в районе по гололеду I и в ненаселенной местности.
2.5.98. Выбор типа и материала (стекло, фарфор, полимерные материалы) изоляторов производится с учетом климатических условий (температуры и увлажнения) и условий загрязнения.
На ВЛ 330 кВ и выше рекомендуется применять, как правило, стеклянные изоляторы; на ВЛ 35 - 220 кВ - стеклянные, полимерные и фарфоровые, преимущество должно отдаваться стеклянным или полимерным изоляторам.
На ВЛ, проходящих в особо сложных для эксплуатации условиях (горы, болота, районы Крайнего Севера и т.п.), на ВЛ, сооружаемых на двухцепных и многоцепных опорах, на ВЛ, питающих тяговые подстанции электрифицированных железных дорог, и на больших переходах независимо от напряжения следует применять стеклянные изоляторы или, при наличии соответствующего обоснования, полимерные.
2.5.99. Выбор количества изоляторов в гирляндах производится в соответствии с гл. 1.9.
2.5.100. Изоляторы и арматура выбираются по нагрузкам в нормальных и аварийных режимах работы ВЛ при климатических условиях, указанных в 2.5.71 и 2.5.72 соответственно.
Горизонтальная нагрузка в аварийных режимах поддерживающих гирлянд изоляторов определяется согласно 2.5.141, 2.5.142 и 2.5.143.
Расчетные усилия в изоляторах и арматуре не должны превышать значений разрушающих нагрузок (механической или электромеханической для изоляторов и механической для арматуры), установленных государственными стандартами и техническими условиями, деленных на коэффициент надежности по материалу γм.
Для ВЛ, проходящих в районах со среднегодовой температурой минус 10 °С и ниже или в районах с низшей температурой минус 50 °С и ниже, расчетные усилия в изоляторах и арматуре умножаются на коэффициент условий работы γd = 1,4, для остальных ВЛ γd = 1,0.
2.5.101. Коэффициенты надежности по материалу ум для изоляторов и арматуры должны быть не менее:
1) в нормальном режиме:
при наибольших нагрузках 2,5
при среднеэксплуатационных нагрузках для изоляторов
для поддерживающих гирлянд 5,0
для натяжных гирлянд 6,0
2) в аварийном режиме:
для ВЛ 500 кВ и 750 кВ 2,0
для ВЛ 330 кВ и ниже 1,8
3) в нормальном и аварийных режимах:
для крюков и штырей 1,1
2.5.102. В качестве расчетного аварийного режима работы двух- и многоцепных поддерживающих и натяжных гирлянд изоляторов с механической связкой между цепями изоляторов (2.5.111) следует принимать обрыв одной цепи. При этом расчетные нагрузки от проводов и тросов принимаются для климатических условий, указанных в 2.5.71 в режимах, дающих наибольшие значения нагрузок, а расчетные усилия в оставшихся в работе цепях изоляторов не должны превышать 90 % механической (электромеханической) разрушающей нагрузки изоляторов.
2.5.103. Конструкции поддерживающих и натяжных гирлянд изоляторов должны обеспечивать возможность удобного производства строительно-монтажных и ремонтных работ.
2.5.104. Крепление проводов к подвесным изоляторам и крепление тросов следует производить при помощи глухих поддерживающих или натяжных зажимов.
Крепление проводов к штыревым изоляторам следует производить проволочными вязками или специальными зажимами.
2.5.105. Радиопомехи, создаваемые гирляндами изоляторов и арматурой при наибольшем рабочем напряжении ВЛ, не должны превышать значения, нормируемые государственными стандартами.
2.5.106. Поддерживающие гирлянды изоляторов ВЛ 750 кВ должны выполняться двухцепными с раздельным креплением к опоре.
2.5.107. Поддерживающие гирлянды изоляторов для промежуточно-угловых опор ВЛ 330 кВ и выше должны выполняться двухцепными.
2.5.108. На ВЛ 110 кВ и выше в условиях труднодоступной местности рекомендуется применение двухцепных поддерживающих и натяжных гирлянд изоляторов с раздельным креплением к опоре.
2.5.109. В двухцепных поддерживающих гирляндах изоляторов цепи следует располагать вдоль оси ВЛ.
2.5.110. Для защиты проводов шлейфов (петель) от повреждений при соударении с арматурой натяжных гирлянд изоляторов ВЛ с фазами, расщепленными на три провода и более, на них должны быть установлены предохранительные муфты в местах приближения проводов шлейфа к арматуре гирлянды.
Конструкции натяжных гирлянд изоляторов расщепленных фаз и их узел крепления к опоре должны обеспечивать раздельный монтаж и демонтаж каждого провода, входящего в расщепленную фазу.
2.5.112. На ВЛ 330 кВ и выше в натяжных гирляндах изоляторов с раздельным креплением цепей к опоре должна быть предусмотрена механическая связка между всеми цепями гирлянды, установленная со стороны проводов.
2.5.113. В натяжных гирляндах изоляторов ВЛ 330 кВ и выше со стороны пролета должна быть установлена экранная защитная арматура.
2.5.114. В одном пролете ВЛ допускается не более одного соединения на каждый провод и трос.
В пролетах пересечения ВЛ с улицами (проездами), инженерными сооружениями, перечисленными в 2.5.231 - 2.5.268, 2.5.279, водными пространствами одно соединение на провод (трос) допускается:
при сталеалюминиевых проводах с площадью сечения по алюминию 240 мм2 и более независимо от содержания стали;
при сталеалюминиевых проводах с отношениям А/С ≤ 1,49 для любой площади сечения алюминия;
при стальных тросах с площадью сечения 120 мм2 и более;
при расщеплении фазы на три сталеалюминиевых провода с площадью сечения по алюминию 150 мм2 и более.
Не допускается соединение проводов (тросов) в пролетах пересечения ВЛ между собой на пересекающих (верхних) ВЛ, а также в пролетах пересечения ВЛ с надземными и наземными трубопроводами для транспорта горючих жидкостей и газов.
2.5.115. Прочность заделки проводов и тросов в соединительных и натяжных зажимах должна составлять не менее 90 % разрывного усилия проводов и канатов при растяжении.
2.5.116. Воздушные линии 110 - 750 кВ с металлическими и железобетонными опорами должны быть защищены от прямых ударов молнии тросами по всей длине.
Сооружение ВЛ 110 - 500 кВ или их участков без тросов допускается:
2) на участках ВЛ в районах с плохо проводящими грунтами (ρ > 103 Ом·м);
3) на участках трассы с расчетной толщиной стенки гололеда более 25 мм;
4) для ВЛ с усиленной изоляцией провода относительно заземленных частей опоры при обеспечении расчетного числа грозовых отключений линии, соответствующего расчетному числу грозовых отключений ВЛ такого же напряжения с тросовой защитой.
Число грозовых отключений линии для случаев, приведенных в пп. 1 - 3, определенное расчетом с учетом опыта эксплуатации, не должно превышать без усиления изоляции трех в год для ВЛ 110 - 330 кВ и одного в год - для ВЛ 500 кВ.
Воздушные линии 110 - 220 кВ, предназначенные для электроснабжения объектов добычи и транспорта нефти и газа, должны быть защищены от прямых ударов молнии тросами по всей длине (независимо от интенсивности грозовой деятельности и удельного эквивалентного сопротивления земли).
2.5.117. Защита подходов ВЛ к подстанциям должна выполняться в соответствии с требованиями гл. 4.2.
2.5.118. Для ВЛ до 35 кВ применение грозозащитных тросов не требуется.
На ВЛЗ 6 - 20 кВ рекомендуется устанавливать устройства защиты изоляции проводов при грозовых перекрытиях.
Воздушные линии 110 кВ на деревянных опорах в районах с числом грозовых часов до 40, как правило, не должны защищаться тросами, а в районах с числом грозовых часов более 40 защита их тросами обязательна.
На ВЛ 6 - 20 кВ на деревянных опорах по условиям молниезащиты применение металлических траверс не рекомендуется.
1) одностоечные металлические и железобетонные опоры с одним тросом должны иметь угол защиты не более 30°, а опоры с двумя тросами - не более 20°;
2) на металлических опорах с горизонтальным расположением проводов и с двумя тросами угол защиты по отношению к внешним проводам для ВЛ 110 - 330 кВ должен быть не более 20°, для ВЛ 500 кВ - не более 25°, для ВЛ 750 кВ - не более 22°. В районах по гололеду IV и более и в районах с частой и интенсивной пляской проводов для ВЛ 110 - 330 кВ допускается угол защиты до 30°;
3) на железобетонных и деревянных опорах портального типа допускается угол защиты по отношению к крайним проводам не более 30°;
4) при защите ВЛ двумя
тросами расстояние между ними на опоре должно быть не более 5-кратного
расстояния по вертикали от тросов до проводов, а при высоте подвеса тросов на
опоре более 30 м расстояние между тросами должно быть не более 5-кратного
расстояния по вертикали между тросом и проводом на опоре, умноженного на
коэффициент, равный
, где h -
высота подвеса троса на опоре.
2.5.121. Расстояния по вертикали между тросом и проводом ВЛ в середине пролета без учета отклонения их ветром по условиям защиты от грозовых перенапряжений должны быть не менее приведенных в табл. 2.5.16 и не менее расстояния по вертикали между тросом и проводом на опоре.
При промежуточных значениях длин пролетов расстояния определяются интерполяцией.
На каждом анкерном участке длиной до 10 км тросы должны быть заземлены в одной точке путем устройства специальных перемычек на анкерной опоре. При большей длине анкерных пролетов количество точек заземления в пролете выбирается таким, чтобы при наибольшем значении продольной электродвижущей силы, наводимой в тросе при коротком замыкании (КЗ) на ВЛ, не происходил пробой ИП.
Изолированное крепление троса рекомендуется выполнять стеклянными подвесными изоляторами.
Таблица 2.5.16
Наименьшие расстояния между тросом и проводом в середине пролета
|
Длина пролета, м |
Наименьшее расстояние между тросом и проводом по вертикали, м |
Длина пролета, м |
Наименьшее расстояние между тросом и проводом по вертикали, м |
|
100 |
2,0 |
700 |
11,5 |
|
150 |
3,2 |
800 |
13,0 |
|
200 |
4,0 |
900 |
14,5 |
|
300 |
5,5 |
1000 |
16,0 |
|
400 |
7,0 |
1200 |
18,0 |
|
500 |
8,5 |
1500 |
21,0 |
|
600 |
10,0 |
|
|
На подходах ВЛ 220 - 330 кВ к подстанциям на длине 1 - 3 км и на подходах ВЛ 500 - 750 кВ на длине 3 - 5 км, если тросы не используются для емкостного отбора, плавки гололеда или связи, их следует заземлять на каждой опоре (см. также 2.5.192).
На ВЛ 150 кВ и ниже, если не предусмотрена плавка гололеда или организация каналов высокочастотной связи на тросе, изолированное крепление троса следует выполнять только на металлических и железобетонных анкерных опорах.
На участках ВЛ с неизолированным креплением троса и током КЗ на землю, превышающим 15 кА, а также на подходах к подстанциям заземление троса должно быть выполнено с установкой перемычки, шунтирующей зажим.
При использовании тросов для устройства каналов высокочастотной связи они изолируются от опор на всем протяжении каналов высокочастотной связи и заземляются на подстанциях и усилительных пунктах через высокочастотные заградители.
Количество изоляторов в поддерживающем тросовом креплении Должно быть не менее двух и определяться условиями обеспечения требуемой надежности каналов высокочастотной связи. Количество изоляторов в натяжном тросовом креплении следует принимать удвоенным по сравнению с количеством изоляторов в поддерживающем тросовом креплении.
Изоляторы, на которых подвешен трос, должны быть шунтированы искровым промежутком. Размер ИП выбирается минимально возможным по следующим условиям:
1) разрядное напряжение ИП должно быть ниже разрядного напряжения изолирующего тросового крепления не менее чем на 20 %;
2) ИП не должен перекрываться при однофазном КЗ на землю на других опорах;
3) при перекрытиях ИП от грозовых разрядов должно происходить самопогасание дуги сопровождающего тока промышленной частоты.
На ВЛ 500 - 750 кВ для улучшения условий самопогасания дуги сопровождающего тока промышленной частоты и снижения потерь электроэнергии рекомендуется применять скрещивание тросов.
Если на тросах ВЛ предусмотрена плавка гололеда, то изолированное крепление тросов выполняется по всему участку плавки. В одной точке участка плавки тросы заземляются с помощью специальных перемычек. Тросовые изоляторы шунтируются ИП, которые должны быть минимальными, выдерживающими напряжение плавки и иметь разрядное напряжение меньше разрядного напряжения тросовой гирлянды. Размер ИП должен обеспечивать самопогасание дуги сопровождающего тока промышленной частоты при его перекрытии во время КЗ или грозовых разрядов.
В отдельных случаях для ВЛ 110 - 220 кВ при наличии обоснований (небольшие токи КЗ, районы со слабой грозовой деятельностью и т.п.) допускается уменьшение указанных расстояний до значения, рекомендованного для ВЛ напряжением на одну ступень ниже.
На одностоечных деревянных опорах допускаются следующие расстояния между фазами по дереву: 0,75 м - для ВЛ 3 - 20 кВ; 2,5 м - для ВЛ 35 кВ при условии соблюдения расстояний в пролете согласно 2.5.94.
2.5.124. Кабельные вставки в ВЛ должны быть защищены по обоим концам кабеля от грозовых перенапряжений защитными аппаратами. Заземляющий зажим защитных аппаратов, металлические оболочки кабеля, корпус кабельной муфты должны быть соединены между собой по кратчайшему пути. Заземляющий зажим защитного аппарата должен быть соединен с заземлителем отдельным проводником.
Не требуют защиты от грозовых перенапряжений:
1) кабельные вставки 35 - 220 кВ длиной 1,5 км и более в ВЛ, защищенные тросами;
2) кабельные вставки в ВЛ напряжением до 20 кВ, выполненные кабелями с пластмассовой изоляцией и оболочкой, длиной 2,5 км и более и кабелями других конструкций длиной 1,5 км и более.
2.5.125. Для В Л, проходящих на высоте до 1000 м над уровнем моря, изоляционные расстояния по воздуху от проводов и арматуры, находящейся под напряжением, до заземленных частей опор должны быть не менее приведенных в табл. 2.5.17. Допускается уменьшение изоляционных расстояний по грозовым перенапряжениям, указанных в табл. 2.5.17, при условии снижения общего уровня грозоупорности ВЛ не более чем на 20 %. Для ВЛ 750 кВ, проходящих на высоте до 500 м над уровнем моря, расстояния, указанные в табл. 2.5.17, могут быть уменьшены на 10 % для промежутка «провод шлейфа - стойка анкерно-угловой опоры», «провод - оттяжка» и на 5 % для остальных промежутков. Наименьшие изоляционные расстояния по внутренним перенапряжениям приведены для следующих значений расчетной кратности: 4,5 - для ВЛ 6 - 10 кВ; 3,5 - для ВЛ 20 - 35 кВ; 3,0 - для ВЛ 110 - 220 кВ; 2,7 - для ВЛ 330 кВ; 2,5 - для ВЛ 500 кВ и 2,1 - для ВЛ 750 кВ.
Таблица 2.5.17
Наименьшее изоляционное расстояние по воздуху (в свету) от токоведущих до заземленных частей опоры
|
Расчетное условие |
Наименьшее изоляционное расстояние, см, при напряжении ВЛ, кВ |
||||||||
|
до 10 |
20 |
35 |
110 |
150 |
220 |
330 |
500 |
750 |
|
|
Грозовые перенапряжения для изоляторов: |
|
|
|
|
|
|
|
|
|
|
штыревых |
20 |
30 |
40 |
- |
- |
- |
- |
- |
- |
|
подвесных |
20 |
35 |
40 |
100 |
130 |
180 |
260 |
320 |
Не нормируется |
|
Внутренние перенапряжения |
10 |
15 |
30 |
80 |
110 |
160 |
215 |
300 |
450/500* |
|
Обеспечение безопасного подъема на опору без отключения ВЛ |
- |
- |
150 |
150 |
200 |
250 |
350 |
450 |
540/580* |
|
Рабочее напряжение |
- |
7 |
10 |
25 |
35 |
55 |
80 |
115 |
160 |
* В знаменателе - промежуток «провод шлейфа - стойка анкерно-угловой опоры», в числителе - все промежутки, кроме промежутка «провод - опора» для средней фазы, который должен быть не менее 480 см.
При других, более низких значениях расчетной кратности внутренних перенапряжений допустимые изоляционные расстояния по ним пересчитываются пропорционально.
Изоляционные расстояния по воздуху между токоведущими частями и деревянной опорой, не имеющей заземляющих спусков, допускается уменьшать на 10 %, за исключением расстояний, выбираемых по условию безопасного подъема на опору.
При прохождении ВЛ в горных районах наименьшие изоляционные расстояния по рабочему напряжению и по внутренним перенапряжениям должны быть увеличены по сравнению с приведенными в табл. 2.5.17 на 1 % на каждые 100 м выше 1000 м над уровнем моря.
2.5.126. Наименьшие расстояния на опоре между проводами ВЛ в месте их пересечения между собой при транспозиции, ответвлениях, переходе с одного расположения проводов на другое должны быть не менее приведенных в табл. 2.5.18.
2.5.127. Дополнительные требования к защите от грозовых перенапряжений ВЛ при пересечении их между собой и при пересечении ими различных сооружений приведены в 2.5.229, 2.5.238, 2.5.267.
Таблица 2.5.18
Наименьшее расстояние между фазами на опоре
|
Расчетное условие |
Наименьшее изоляционное расстояние, см, при напряжении ВЛ, кВ |
||||||||
|
До 10 |
20 |
35 |
110 |
150 |
220 |
330 |
500 |
750 |
|
|
Грозовые перенапряжения |
20 |
45 |
50 |
135 |
175 |
250 |
310 |
400 |
Не нормируется |
|
Внутренние перенапряжения |
22 |
33 |
44 |
100 |
140 |
200 |
280 |
420 |
640* |
|
Наибольшее рабочее напряжение |
10 |
15 |
20 |
45 |
60 |
95 |
140 |
200 |
280 |
* При значениях расчетной кратности внутренних перенапряжений менее 2,1 допустимые изоляционные расстояния пересчитываются пропорционально.
2.5.128. На двухцепных ВЛ 110 кВ и выше, защищенных тросом, для снижения количества двухцепных грозовых перекрытий допускается усиление изоляции одной из цепей на 20 - 30 % по сравнению с изоляцией другой цепи.
2.5.129. На ВЛ должны быть заземлены:
1) опоры, имеющие грозозащитный трос или другие устройства молниезащиты;
2) железобетонные и металлические опоры ВЛ 3 - 35 кВ;
4) металлические и железобетонные опоры ВЛ 110 - 500 кВ без тросов и других устройств молниезащиты, если это необходимо по условиям обеспечения работы релейной защиты и автоматики.
Деревянные опоры и деревянные опоры с металлическими траверсами ВЛ без грозозащитных тросов или других устройств молниезащиты не заземляются.
Сопротивления заземляющих устройств опор, приведенных в п. 1, при их высоте до 50 м должны быть не более приведенных в табл. 2.5.19; при высоте опор более 50 м - в 2 раза ниже по сравнению с приведенными в табл. 2.5.19. На двухцепных и многоцепных опорах ВЛ, независимо от напряжения линии и высоты опор, рекомендуется снижать сопротивления заземляющих устройств в 2 раза по сравнению с приведенными в табл. 2.5.19.
Таблица 2.5.19
Наибольшее сопротивление заземляющих устройств опор ВЛ
|
Удельное эквивалентное сопротивление грунта ρ, Ом·м |
Наибольшее сопротивление заземляющего устройства, Ом |
|
До 100 |
10 |
|
Более 100 до 500 |
15 |
|
Более 500 до 1000 |
20 |
|
Более 1000 до 5000 |
30 |
|
Более 5000 |
6 · 10-3 ρ |
Допускается превышение сопротивлений заземления части опор по сравнению с нормируемыми значениями, если имеются опоры с пониженными значениями сопротивлений заземления, а ожидаемое число грозовых отключений не превышает значений, получаемых при выполнении требований табл. 2.5.19 для всех опор ВЛ.
Для опор горных ВЛ, расположенных на высотах более 700 м над уровнем моря, указанные в табл. 2.5.19 значения сопротивлений заземления могут быть увеличены в 2 раза. Сопротивления заземляющих устройств опор, указанных в п. 2 для ВЛ 3 - 20 кВ, проходящих в населенной местности, а также всех ВЛ 35 кВ должны быть не более приведенных в табл. 2.5.19: для ВЛ 3 - 20 кВ в ненаселенной местности в грунтах с удельным сопротивлением ρ до 100 Ом·м - не более 30 Ом, а в грунтах с ρ выше 100 Ом·м - не более 0,3 ρ Ом.
Сопротивления заземляющих устройств опор ВЛ 110 кВ и выше, указанных в п. 3, должны быть не более приведенных в табл. 2.5.19, а для ВЛ 3 - 35 кВ не должны превышать 30 Ом.
Сопротивления заземляющих устройств опор, указанных в п. 4, определяются при проектировании ВЛ.
Для ВЛ, защищенных тросами, сопротивления заземляющих устройств, выполненных по условиям молниезащиты, должны обеспечиваться при отсоединенном тросе, а по остальным условиям - при неотсоединенном тросе.
Сопротивления заземляющих устройств опор ВЛ должны обеспечиваться и измеряться при токах промышленной частоты в период их наибольших значений в летнее время. Допускается производить измерение в другие периоды с корректировкой результатов путем введения сезонного коэффициента, однако не следует производить измерение в период, когда на значение сопротивления заземляющих устройств оказывает существенное влияние промерзание грунта.
Место присоединения заземляющего устройства к железобетонной опоре должно быть доступно для выполнения измерений.
2.5.130. Железобетонные фундаменты опор ВЛ 110 кВ и выше могут быть использованы в качестве естественных заземлителей (исключение 2.5.131 и 2.5.253) при осуществлении металлической связи между анкерными болтами и арматурой фундамента и отсутствии гидроизоляции железобетона полимерными материалами.
Битумная обмазка на железобетонных опорах и фундаментах не влияет на их использование в качестве естественных заземлителей.
2.5.131. При прохождении ВЛ 110 кВ и выше в местности с глинистыми, суглинистыми, супесчаными и тому подобными грунтами с удельным сопротивлением ρ ≤ 1000 Ом·м следует использовать арматуру железобетонных фундаментов, опор и пасынков в качестве естественных заземлителей без дополнительной укладки или в сочетании с укладкой искусственных заземлителей. В грунтах с более высоким удельным сопротивлением естественная проводимость железобетонных фундаментов не должна учитываться, а требуемое значение сопротивления заземляющего устройства должно обеспечиваться только применением искусственных заземлителей.
Требуемые сопротивления заземляющих устройств опор ВЛ 35 кВ должны обеспечиваться применением искусственных заземлителей, а естественная проводимость фундаментов, подземных частей опор и пасынков (приставок) при расчетах не должна учитываться.
2.5.132. Для заземления железобетонных опор в качестве заземляющих проводников следует использовать те элементы напряженной и ненапряженной продольной арматуры стоек, металлические элементы которых соединены между собой и могут быть присоединены к заземлителю.
В качестве заземляющего проводника вне стойки или внутри может быть проложен при необходимости специальный проводник. Элементы арматуры, используемые для заземления, должны удовлетворять термической стойкости при протекании токов КЗ. За время КЗ стержни должны нагреваться не более чем на 60 °С.
Оттяжки железобетонных опор должны использоваться в качестве заземляющих проводников дополнительно к арматуре.
Тросы, заземляемые согласно 2.5.122, и детали крепления гирлянд изоляторов к траверсе железобетонных опор должны быть металлически соединены с заземляющим спуском или заземленной арматурой.
2.5.133. Сечение каждого из заземляющих спусков на опоре ВЛ должно быть не менее 35 мм2, а для однопроволочных спусков диаметр должен быть не менее 10 мм (сечение 78,5 мм2). Количество спусков должно быть не менее двух.
Для районов со среднегодовой относительной влажностью воздуха 60 % и более, а также при средне- и сильноагрессивных степенях воздействия среды заземляющие спуски у места их входа в грунт должны быть защищены от коррозии в соответствии с требованиями строительных норм и правил.
В случае опасности коррозии заземлителей следует увеличивать их сечение или применять оцинкованные заземлители.
На ВЛ с деревянными опорами рекомендуется болтовое соединение заземляющих спусков; на металлических и железобетонных опорах соединение заземляющих спусков может быть выполнено как болтовым, так и сварным.
2.5.134. Заземлители опор ВЛ, как правило, должны находиться на глубине не менее 0,5 м, а в пахотной земле - 1 м. В случае установки опор в скальных грунтах допускается прокладка лучевых заземлителей непосредственно под разборным слоем над скальными породами при толщине слоя не менее 0,1 м. При меньшей толщине этого слоя или его отсутствии рекомендуется прокладка заземлителей по поверхности скалы с заливкой их цементным раствором.
2.5.135. Опоры ВЛ разделяются на два основных вида: анкерные опоры, полностью воспринимающие тяжение проводов и тросов в смежных с опорой пролетах, и промежуточные, которые не воспринимают тяжение проводов или воспринимают его частично. На базе анкерных опор могут выполняться концевые и транспозиционные опоры. Промежуточные и анкерные опоры могут быть прямыми и угловыми.
В зависимости от количества подвешиваемых на них цепей опоры разделяются на одноцепные, двухцепные и многоцепные.
Опоры могут выполняться свободностоящими или с оттяжками.
Промежуточные опоры могут быть гибкой и жесткой конструкции; анкерные опоры должны быть жесткими. Допускается применение анкерных опор гибкой конструкции для ВЛ до 35 кВ.
К опорам жесткой конструкции относятся опоры, отклонение верха которых (без учета поворота фундаментов) при воздействии расчетных нагрузок по второй группе предельных состояний не превышает 1/100 высоты опоры. При отклонении верха опоры более 1/100 высоты опоры относятся к опорам гибкой конструкции.
Опоры анкерного типа могут быть нормальной и облегченной конструкции (см. 2.5.145).
2.5.136. Анкерные опоры следует применять в местах, определяемых условиями работ на ВЛ при ее сооружении и эксплуатации, а также условиями работы конструкции опоры.
Требования к применению анкерных опор нормальной конструкции устанавливаются настоящей главой.
На ВЛ 35 кВ и выше расстояние между анкерными опорами должно быть не более 10 км, а на ВЛ, проходящих в труднодоступной местности и в местности с особо сложными природными условиями, - не более 5 км.
На ВЛ 20 кВ и ниже с проводами, закрепленными на штыревых изоляторах, расстояние между анкерными опорами не должно превышать 1,5 км в районах по гололеду I - III и 1 км в районах по гололеду IV и более.
На ВЛ 20 кВ и ниже с подвесными изоляторами расстояние между анкерными опорами не должно превышать 3 км.
На ВЛ, проходящих по горной или сильно пересеченной местности в районах по гололеду III и более, рекомендуется устанавливать опоры анкерного типа на перевалах и в других точках, резко возвышающихся над окружающей местностью.
Первая группа включает предельные состояния, которые ведут к потере несущей способности элементов или к полной непригодности их в эксплуатации, т.е. к их разрушению любого характера. К этой группе относятся состояния при наибольших внешних нагрузках и при низшей температуре, т.е. при условиях, которые могут привести к наибольшим изгибающим или крутящим моментам на опоры, наибольшим сжимающим или растягивающим усилиям на опоры и фундаменты.
Вторая группа включает предельные состояния, при которых возникают недопустимые деформации, перемещения или отклонения элементов, нарушающие нормальную эксплуатацию, к этой группе относятся состояния при наибольших прогибах опор.
Метод расчета по предельным состояниям имеет целью не допускать, с определенной вероятностью, наступления предельных состояний первой и второй групп при эксплуатации, а также первой группы при производстве работ по сооружению ВЛ.
2.5.138. Нагрузки, воздействующие на строительные конструкции ВЛ, в зависимости от продолжительности действия подразделяются на постоянные и временные (длительные, кратковременные, особые).
К постоянным нагрузкам относятся:
собственный вес проводов, тросов, строительных конструкций, гирлянд изоляторов, линейной арматуры; тяжение проводов и тросов при среднегодовой температуре и отсутствии ветра и гололеда; воздействие предварительного напряжения конструкций, а также нагрузки от давления воды на фундаменты в руслах рек.
К длительным нагрузкам относятся:
нагрузки, создаваемые воздействием неравномерных деформаций оснований, не сопровождающихся изменением структуры грунта, а также воздействием усадки и ползучести бетона.
К кратковременным нагрузкам относятся:
давление ветра на провода, тросы и опоры - свободные от гололеда и покрытые гололедом; вес отложений гололеда на проводах, тросах, опорах; тяжение проводов и тросов сверх их значений при среднегодовой температуре; нагрузки от давления воды на опоры и фундаменты в поймах рек и от давления льда; нагрузки, возникающие при изготовлении и перевозке конструкций, а также при монтаже строительных конструкций, проводов и тросов.
К особым нагрузкам относятся:
нагрузки, возникающие при обрыве проводов и тросов, а также нагрузки при сейсмических воздействиях.
2.5.139. Опоры, фундаменты и основания ВЛ должны рассчитываться на сочетания расчетных нагрузок нормальных режимов по первой и второй группам предельных состояний и аварийных и монтажных режимов ВЛ по первой группе предельных состояний.
Расчет опор, фундаментов и оснований фундаментов на прочность и устойчивость должен производиться на нагрузки первой группы предельных состояний.
Расчет опор, фундаментов и их элементов на выносливость и по деформациям производится на нагрузки второй группы предельных состояний.
Расчет оснований по деформациям производится на нагрузки второй группы предельных состояний без учета динамического воздействия порывов ветра на конструкцию опоры.
Опоры, фундаменты и основания должны рассчитываться также на нагрузки и воздействия внешней среды в конкретных условиях (воздействие размывающего действия воды, давления волн, навалов льда, давления грунта и т.п.), которые принимаются в соответствии со строительными нормами и правилами или другими нормативными документами.
Дополнительно учитывается следующее:
возможность временного усиления отдельных элементов конструкций в монтажных режимах;
расчет железобетонных опор и фундаментов по раскрытию трещин в нормальных режимах производится на нагрузки второй группы предельных состояний, причем кратковременные нагрузки снижаются на 10 %; при использовании опор и фундаментов в условиях агрессивной среды снижение кратковременных нагрузок не производится;
отклонение верха опоры при воздействии расчетных нагрузок по второй группе предельных состояний не должно приводить к нарушению установленных настоящими Правилами наименьших изоляционных расстояний от токоведущих частей (проводов) до заземленных элементов опоры и до поверхности земли и пересекаемых инженерных сооружений;
расчет опор гибкой конструкции производится по деформированной схеме (с учетом дополнительных усилий, возникавших от весовых нагрузок при деформациях опоры, для первой и второй групп предельных состояний);
расчет опор, устанавливаемых в районах с сейсмичностью свыше 6 баллов, на воздействие сейсмических нагрузок должен выполняться в соответствии со строительными нормами и правилами по строительству в сейсмических районах; при этом расчетные нагрузки от веса гололеда, от тяжения проводов и тросов в нормальных режимах умножаются на коэффициент сочетаний ψ = 0,8.
2.5.140. Опоры должны рассчитываться в нормальном режиме по первой и второй группам предельных состояний на сочетания условий, указанных в 2.5.71 пп. 4, 5, 6 и в 2.5.73 пп. 1, 2, 3.
Опоры анкерного типа и промежуточные угловые опоры должны рассчитываться также на условия 2.5.71 п. 2, если тяжение проводов или тросов в этом режиме больше, чем в режиме наибольших нагрузок.
Анкерные опоры должны быть рассчитаны на разность тяжений проводов и тросов, возникающую вследствие неравенства значений приведенных пролетов по обе стороны опоры. При этом условия для расчета разности тяжений устанавливаются при разработке конструкции опор.
Концевые опоры должны рассчитываться также на одностороннее тяжение всех проводов и тросов.
Двухцепные опоры во всех режимах должны быть рассчитаны также для условий, когда смонтирована только одна цепь.
Расчет производится при следующих условиях:
1) оборваны провод или провода одной фазы одного пролета (при любом числе проводов на опоре), тросы не оборваны;
2) оборван один трос пролета (для расщепленного троса - все его составляющие), провода не оборваны.
Условные нагрузки прикладываются в местах крепления той фазы или того троса, при обрыве которых усилия в рассчитываемых элементах получаются наибольшими. При этом принимаются сочетания условий, указанных в 2.5.72 п. 1.
1) на ВЛ с нерасщепленными фазами:
для свободностоящих металлических опор, опор из любого материала на оттяжках, А-образных и других типов жестких опор с проводами площадью сечения алюминиевой части до 185 мм2 - 0,5 Тmax, площадью сечения алюминиевой части 205 мм2 и более - 0,4 Тmax;
для железобетонных свободностоящих опор с проводами площадью сечения алюминиевой части до 185 мм2 - 0,3 Тmax; площадью сечения алюминиевой части 205 мм2 и более - 0,25 Тmax;
для деревянных свободностоящих опор с проводами площадью сечения алюминиевой части до 185 мм2 - 0,25 Тmax; сечения алюминиевой части 205 мм2 и более 0,2 Тmax,
где Тmax - наибольшая расчетная нагрузка от тяжения проводов (см. 2.5.70);
для других типов опор (опор из новых материалов, металлических гибких опор и т.п.) - в зависимости от гибкости рассчитываемых опор в пределах, указанных выше;
2) на ВЛ напряжением до 330 кВ с расщепленными фазами путем умножения значений, указанных в п. 1 для нерасщепленных фаз, на дополнительные коэффициенты: 0,8 - при расщеплении на два провода; 0,7 - на три провода и 0,6 - на четыре провода.
На ВЛ 500 кВ с расщеплением на три и более проводов в фазе - 0,15 Тmax, но не менее 18 кН.
На ВЛ 750 кВ с расщеплением на четыре и более проводов в фазе - 27 кН.
В расчетах допускается учитывать поддерживающее действие необорванных проводов и тросов при среднегодовой температуре без гололеда и ветра. При этом расчетные условные нагрузки следует определять как в п. 1 настоящего параграфа, а механические напряжения возникающие в поддерживающих проводах и тросах, не должны превышать 70 % их разрывного усилия.
При применении средств, ограничивающих передачу продольной нагрузки на промежуточную опору (многороликовые подвесы, а также другие средства), расчет следует производить на нагрузки, возникающие при использовании этих средств, но не более расчетных условных нагрузок, принимаемых при подвеске проводов в глухих зажимах.
1) от одиночного троса - 0,5 Тmax;
2) от расщепленного троса (из двух составляющих) - 0,4 Тmax, но не менее 20 кН, где Тmax - наибольшая расчетная нагрузка от тяжения тросов (см. 2.5.70).
2.5.144. Промежуточные опоры со штыревыми изоляторами должны рассчитываться в аварийном режиме на обрыв одного провода, дающего наибольшие усилия в элементах опоры с учетом гибкости опор и поддерживающего действия необорванных проводов. Расчетная условная горизонтальная статическая нагрузка Тав для стоек и приставок принимается равной 0,3 Тmax, но не менее 3 кН; для остальных элементов опоры - 0,15 Тmax, но не менее 1,5 кН, где Тmax - то же, что и в 2.5.142.
Расчет производится на следующие условия:
1) для опор ВЛ с алюминиевыми и стальными проводами всех сечений, проводами из алюминиевых сплавов всех сечений, сталеалюминиевыми проводами и проводами из термообработанного алюминиевого сплава со стальным сердечником с площадью сечения алюминиевой части для обоих типов проводов до 150 мм2:
а) оборваны провода двух фаз одного пролета при любом числе цепей на опоре, тросы не оборваны (анкерные нормальные опоры);
б) оборваны провода одной фазы одного пролета при любом числе цепей на опоре, тросы не оборваны (анкерные облегченные и концевые опоры);
2) для опор ВЛ со сталеалюминиевыми проводами и проводами из термообработанного алюминиевого сплава со стальным сердечником площадью сечения алюминиевой части для обоих типов проводов 185 мм2 и более, а также со стальными канатами типа ТК всех сечений, используемыми в качестве проводов: оборваны провода одной фазы одного пролета при любом числе цепей на опоре, тросы не оборваны (анкерные нормальные и концевые опоры);
3) для опор ВЛ независимо от марок и сечений подвешиваемых проводов: оборван один трос одного пролета (при расщепленном тросе - все составляющие), провода не оборваны. Сочетания климатических условий принимаются согласно 2.5.72 пп. 2 и 3.
2.5.146. Опоры анкерного типа должны проверяться в монтажном режиме по первой группе предельных состояний на следующие условия:
1) в одном пролете смонтированы все провода и тросы, в другом пролете провода и тросы не смонтированы. Тяжение в смонтированных проводах и тросах принимается равным 0,6 Тmax, где Тmax - наибольшее расчетное горизонтальное тяжение проводов и тросов (см. 2.5.70). При этом сочетания климатических условий принимаются по 2.5.74.
В этом режиме металлические опоры и их закрепления должны иметь требуемую нормами прочность без установки временных оттяжек;
2) в одном из пролетов при любом числе проводов на опоре последовательно и в любом порядке монтируются провода одной цепи, тросы не смонтированы;
При проверках по пп. 2 и 3 допускается предусматривать временное усиление отдельных элементов опор и установку временных оттяжек.
Узел крепления каждого провода (проушина, диафрагма и др.) При раздельном креплении проводов расщепленной фазы должен рассчитываться с учетом перераспределения нагрузки от оборванной цепи подвески на оставшиеся провода фазы.
Элементы опоры должны выдерживать вертикальную нагрузку от веса монтера с инструментами, расчетное значение которой равно 1,3 кН в сочетании с нагрузками нормального режима от проводов и тросов, свободных от гололеда, при среднегодовой температуре, а также с нагрузками аварийного и монтажного режимов.
Расчетные нагрузки на опоры от веса монтируемых проводов (тросов) при климатических условиях согласно 2.5.74 и гирлянд изоляторов в условиях равнинной местности рекомендуется принимать:
1) на промежуточных опорах - равными удвоенному весу пролета проводов (тросов) без гололеда и гирлянды изоляторов, исходя из возможности подъема монтируемых проводов (тросов) и гирлянды через один блок;
2) на анкерных опорах и промежуточных опорах, при ограничении последними монтажного участка, - с учетом усилия в тяговом тросе, определяемого из условия расположения тягового механизма на расстоянии 2,5 h от опоры, где h - высота подвеса провода средней фазы на опоре.
При установке тягового механизма в условиях пересеченной местности необходимо дополнительно учитывать усилие от наклона тягового троса с учетом разности высотных отметок точки подвеса провода и тягового механизма.
Расчетная вертикальная нагрузка от веса монтера и монтажных приспособлений, прикладываемая в месте крепления гирлянд изоляторов, для опор ВЛ 500 - 750 кВ принимается равной 3,25 кН, для опор анкерного типа ВЛ до 330 кВ с подвесными изоляторами - 2,6 кН, для промежуточных опор ВЛ до 330 кВ с подвесными изоляторами - 1,95 кН, для опор со штыревыми изоляторами - 1,3 кН.
2.5.148. Конструкции опор должны обеспечивать на отключенной ВЛ, а на ВЛ 110 кВ и выше и при наличии на ней напряжения:
1) производство их технического обслуживания и ремонтных работ;
2) удобные и безопасные подъем персонала на опору от уровня земли до вершины опоры и его перемещение по элементам опоры (стойкам, траверсам, тросостойкам, подкосам и др.). На опоре и ее элементах должна предусматриваться возможность крепления специальных устройств и приспособлений для выполнения эксплуатационных и ремонтных работ.
2.5.149. Для подъема персонала на опору должны быть предусмотрены следующие мероприятия:
1) на каждой стойке металлических опор высотой до вершины до 20 м при расстояниях между точками крепления решетки к поясам стойки (ствола) более 0,6 м или при наклоне решетки к горизонтали более 30°, а для опор высотой более 20 и менее 50 м независимо от расстояний между точками крепления решетки и угла ее наклона должны быть выполнены специальные ступеньки (степ-болты) на одном поясе или лестницы без ограждения, доходящие до отметки верхней траверсы.
Конструкция тросостойки на этих опорах должна обеспечивать удобный подъем или иметь специальные ступеньки (степ-болты);
2) на каждой стойке металлических опор высотой до вершины опоры более 50 м должны быть установлены лестницы с ограждениями, доходящие до вершины опоры. При этом через каждые 15 м по вертикали должны быть выполнены площадки (трапы) с ограждениями. Трапы с ограждениями должны выполняться также на траверсах этих опор. На опорах со шпренгельными траверсами должна быть обеспечена возможность держаться за тягу при перемещении по траверсе;
Для подъема по железобетонной вибрированной стойке ВЛ 35 кВ и ниже, на которой установлены силовые или измерительные трансформаторы, разъединители, предохранители или другие аппараты, должна быть предусмотрена возможность крепления инвентарных лестниц или специальных инвентарных подъемных устройств. На железобетонные вибрированные стойки, на которых вышеуказанное электрооборудование не устанавливается, это требование не распространяется.
Удобный подъем на тросостойки и металлические вертикальные части стоек железобетонных опор ВЛ 35 - 750 кВ должны обеспечивать их конструкция или специальные ступеньки (степ-болты);
4) железобетонные опоры, не допускающие подъема по инвентарным лестницам или с помощью специальных инвентарных подъемных Устройств (опоры с оттяжками или внутренними связями, закрепленными на стойке ниже нижней траверсы и т.п.), должны быть снабжены стационарными лестницами без ограждений, доходящими до нижней траверсы.
Выше нижней траверсы должны быть выполнены устройства, указанные в первом абзаце п. 3).
2.5.150. Участок большого перехода должен быть ограничен концевыми опорами (концевыми устройствами в виде бетонных якорей и др.), выделяющими большой переход в самостоятельную часть ВЛ, прочность и устойчивость которой не зависят от влияния смежных участков ВЛ.
2.5.151. В зависимости от типа крепления проводов опоры, устанавливаемые между концевыми (К) опорами (устройствами), могут быть:
1) промежуточными (П) - с креплением всех проводов на опоре с помощью поддерживающих гирлянд изоляторов;
2) анкерными (А) - с креплением всех проводов на опоре с помощью натяжных гирлянд изоляторов;
3) комбинированными (ПА) - со смешанным креплением проводов на опоре с помощью как поддерживающих, так и натяжных гирлянд изоляторов.
2.5.152. Переходные опоры, ограничивающие пролет пересечения, должны быть анкерными концевыми. Допускается применение промежуточных опор и анкерных опор облегченного типа для переходов со сталеалюминиевыми проводами или проводами из термообработанного алюминиевого сплава со стальным сердечником с сечением алюминиевой части для обоих типов проводов 120 мм2 и более или стальными канатами типа ТК в качестве проводов с сечением канатов 50 мм2 и более. При этом количество промежуточных опор между концевыми опорами должно соответствовать требованиям 2.5.153.
2.5.153. В зависимости от конкретных условий могут применяться следующие схемы переходов:
1) однопролетные на концевых опорах К-К;
2) двухпролетные с опорами К-П-К, К-ПА-К;
3) трехпролетные с опорами К-П-П-К, К-ПА-ПА-К;
5) многопролетные с опорами К-А ... А-К;
6) при применении опор П или ПА переход должен быть разделен опорами А на участки с числом опор П или ПА на каждом участке не более двух, т.е. К-П-П-А ... А-П-П-К, К-ПА-ПА-А ... А-ПА-ПА-К (или не более трех по п. 4).
2.5.154. Ветровое давление на провода и тросы больших переходов через водные пространства определяется согласно 2.5.44, но с учетом следующих дополнительных требований.
1. Для перехода, состоящего из одного пролета, высота расположения приведенного центра тяжести проводов или тросов определяется по формуле
![]()
где hcp1, hcp2 - высота крепления тросов или средняя высота крепления проводов к изоляторам на опорах перехода, отсчитываемая от меженного уровня реки, нормального горизонта пролива, канала, водохранилища, а для пересечений ущелий, оврагов и других препятствий - от отметки земли в местах установки опор, м;
f - стрела провеса провода или троса при высшей температуре в середине пролета, м.
2. Для перехода, состоящего из нескольких пролетов, ветровое давление на провода или тросы определяется для высоты hnp, соответствующей средневзвешенной высоте приведенных центров тяжести проводов или тросов во всех пролетах и вычисляемой по формуле
![]()
где hnp1, hnp2, ..., hnpn - высоты приведенных центров тяжести проводов или тросов над меженным уровнем реки, нормальным горизонтом пролива, канала, водохранилища в каждом из пролетов, а для пересечений ущелий, оврагов и других препятствий - над среднеарифметическим значением отметок земли в местах установки опор, м.
При этом, если пересекаемое водное пространство имеет высокий незатопляемый берег, на котором расположены как переходные, так и смежные с ними опоры, то высоты приведенных центров тяжести в пролете, смежном с переходным, отсчитываются от отметки земли в этом пролете;
l1, l2, ln - длины пролетов, входящих в переход, м.
Нормативное ветровое давление на провода, тросы и конструкции опор больших переходов, сооружаемых в местах, защищенных от поперечных ветров, уменьшать не допускается.
2.5.155. Переходы могут выполняться одноцепными и двухцепными.
Двухцепными рекомендуется выполнять переходы в населенной местности, в районах промышленной застройки, а также при потребности в перспективе второго перехода в ненаселенной или труднодоступной местности.
2.5.156. На одноцепных переходах для ВЛ 330 кВ и ниже рекомендуется применять треугольное расположение фаз, допускается горизонтальное расположение фаз; для ВЛ 500 - 750 кВ следует, как правило, применять горизонтальное расположение фаз.
2.5.157. На двухцепных переходах ВЛ до 330 кВ рекомендуется расположение проводов в трех ярусах, допускается также расположение проводов в двух ярусах. На двухцепных переходах ВЛ 500 кВ рекомендуется применение опор анкерного типа с расположением проводов в одном (горизонтальном) или в двух ярусах.
2.5.158. Расстояния между проводами, а также между проводами и тросами из условий работы в пролете должны выбираться в соответствии с 2.5.88 - 2.5.92 с учетом дополнительных требований:
1) значение коэффициента Kг в табл. 2.5.13 необходимо увеличивать на: 0,2 - при отношении нагрузок Рг.п/РI в интервале от 2 до 6,99; 0,4 - при отношении нагрузок Рг.п/РI равном 7 и более;
2) расстояния между ближайшими фазами одноцепных и двухцепных ВЛ должны также удовлетворять требованиям 2.5.159, 2.5.160.
|
Расстояния, м, не менее |
7,5 |
8 |
9 |
11 |
14 |
18 |
|
Смещение по горизонтали, м, не менее |
2 |
2 |
2,5 |
3,5 |
5 |
7 |
|
ВЛ натяжением, кВ |
35 - 110 |
150 |
220 |
330 |
500 |
750 |
|
Расстояние между осями фаз, м |
8 |
9 |
10 |
12 |
15 |
19 |
|
ВЛ напряжением, кВ |
35 - 110 |
150 |
220 |
330 |
500 |
750 |
2.5.161. На переходах с пролетами, превышающими пролеты основной линии не более чем в 1,5 раза, рекомендуется проверять целесообразность применения провода той же марки, что и на основной линии. На переходах ВЛ до 110 кВ рекомендуется проверять целесообразность применения в качестве проводов стальных канатов, если это позволяет электрический расчет проводов.
На переходах с расщепленными фазами рекомендуется рассматривать фазы с меньшим количеством проводов больших сечений с проверкой проводов на нагрев.
2.5.162. В качестве грозозащитных тросов следует применять стальные канаты и сталеалюминиевые провода по 2.5.79.
В случае использования грозозащитных тросов для организации каналов высокочастотной связи рекомендуется применение в качестве тросов проводов из термообработанного алюминиевого сплава со стальным сердечником и сталеалюминиевых проводов, а также тросов со встроенными оптическими кабелями.
2.5.163. Одиночные и расщепленные провода и тросы должны быть защищены от вибрации установкой с каждой стороны переходного пролета длиной до 500 м - одного гасителя вибрации на каждом проводе и тросе и длиной от 500 до 1500 м - не менее двух разнотипных гасителей вибрации на каждом проводе и тросе.
Защита от вибрации проводов и тросов в пролетах длиной более 1500 м, а также независимо от длины пролета для проводов диаметром более 38 мм и проводов с тяжением при среднегодовой температуре более 180 кН должна производиться по специальному проекту.
2.5.164. На переходах ВЛ должны применяться, как правило, стеклянные изоляторы.
2.5.165. Количество изоляторов в гирляндах переходных опор определяется в соответствии с гл. 1.9.
2.5.166. Поддерживающие и натяжные гирлянды изоляторов следует предусматривать с количеством цепей не менее двух с раздельным креплением к опоре. Многоцепные натяжные гирлянды должны крепиться к опоре не менее чем в двух точках.
2.5.167. Конструкция гирлянд изоляторов расщепленных фаз и крепление их к опоре должны, по возможности, обеспечивать раздельный монтаж и демонтаж каждого из проводов, входящих в расщепленную фазу.
2.5.168. Для крепления проводов и тросов к гирляндам изоляторов на переходных опорах рекомендуется применять глухие поддерживающие зажимы или поддерживающие устройства специальной конструкции (роликовые подвесы).
2.5.169. При выполнении защиты переходов ВЛ 110 - 750 кВ от грозовых перенапряжений необходимо руководствоваться следующим:
1) все переходы следует защищать от прямых ударов молнии тросами;
2) количество тросов должно быть не менее двух с углом защиты по отношению к крайним проводам не более 20°.
При расположении перехода за пределами длины защищаемого подхода ВЛ к РУ и подстанциям с повышенным защитным уровнем в районах по гололеду III и более, а также в районах с частой и интенсивной пляской проводов допускается угол защиты до 30°;
3) рекомендуется установка защитных аппаратов (2.5.119) на переходах с пролетами длиной выше 1000 м или с высотой опор выше 100 м;
4) горизонтальное смещение троса от центра крайней фазы должно быть не менее: 1,5 м -для ВЛ 110 кВ; 2 м - для ВЛ 150 кВ; 2,5 м - для ВЛ 220 кВ; 3,5 м - для ВЛ 330 кВ и 4 м - для ВЛ 500 - 750 кВ;
5) выбор расстояния между тросами производится согласно 2.5.93 и 2.5.120 п. 4.
2.5.170. Крепление тросов на всех опорах перехода должно быть выполнено при помощи изоляторов с разрушающей механической нагрузкой не менее 120 кН.
С целью уменьшения потерь электроэнергии в изолирующем тросовом креплении должно быть не менее двух изоляторов. Их количество определяется с учетом доступности местности и высоты опор.
При использовании тросов для устройства каналов высокочастотной связи или для плавки гололеда количество изоляторов, определенное по условиям обеспечения надежности каналов связи или по условиям обеспечения плавки гололеда, должно быть увеличено на два.
Изоляторы, на которых подвешен трос, должны быть шунтированы искровым промежутком, размер которого выбирается в соответствии с 2.5.122 без учета установки дополнительных изоляторов.
2.5.171. Подвеска грозозащитных тросов для защиты переходов ВЛ 35 кВ и ниже не требуется. На переходных опорах должны устанавливаться защитные аппараты. Размер ИП при использовании их в качестве защитных аппаратов рекомендуется принимать в соответствии с гл. 4.2. При увеличении количества изоляторов из-за высоты опоры электрическая прочность ИП должна быть скоординирована с электрической прочностью гирлянд.
2.5.172. Для обеспечения безопасного перемещения обслуживающего персонала по траверсам переходных опор высотой более 50 м с расположением фаз в разных ярусах наименьшее допустимое изоляционное расстояние по воздуху от токоведущих до заземленных частей опор должно быть не менее: 3,3 м - для ВЛ до 110 кВ; 3,8 м - для ВЛ 150 кВ; 4,3 м - для ВЛ 220 кВ; 5,3 м - для ВЛ 330 кВ; 6,3 м - для ВЛ 500 кВ; 7,6 м - для ВЛ 750 кВ.
2.5.173. Сопротивление заземляющих устройств опор должно выбираться в соответствии с табл. 2.5.19 и 2.5.129.
Сопротивление заземляющего устройства опор с защитными аппаратами должно быть не более 10 Ом при удельном сопротивлении земли не выше 1000 Ом·м и не более 15 Ом при более высоком удельном сопротивлении.
2.5.174. При проектировании переходов через водные пространства необходимо провести следующие расчеты по гидрологии поймы реки:
1) гидрологический расчет, устанавливающий расчетный уровень воды, уровень ледохода, распределение расхода воды между руслом и поймами и скорости течения воды в руслах и по поймам;
2) русловой расчет, устанавливающий размер отверстия перехода и глубины после размыва у опор перехода;
3) гидравлический расчет, устанавливающий уровень воды перед переходом, струенаправляющими дамбами и насыпями, высоту волн на поймах;
4) расчет нагрузок на фундаменты, находящиеся в русле и пойме реки с учетом воздействия давления льда и навалов судов.
Высота фундаментов опор, находящихся в русле и пойме реки, должна превышать уровень ледохода на 0,5 м.
Заглубление фундаментов опор переходов мелкого и глубокого заложения при возможности размыва грунта должно быть не менее 2,5 м (считая от отметки грунта после размыва). Глубина погружения свай в грунт при свайном основании должна быть не менее 4 м от уровня размыва.
2.5.175. Промежуточные и комбинированные опоры (П и ПА) с креплением проводов с помощью поддерживающих гирлянд изоляторов должны рассчитываться в аварийном режиме по первой группе предельных состояний на следующие условия:
1) оборваны одиночный провод или все провода одной фазы одного пролета, тросы не оборваны (одноцепные опоры);
2) оборваны провода двух фаз одного пролета, тросы не оборваны (двухцепные опоры, а также одноцепные со сталеалюминиевыми проводами и проводами из термообработанного алюминиевого сплава со стальным сердечником сечением алюминиевой части для обоих типов проводов до 150 мм2);
3) оборван один трос одного пролета (при расщеплении троса - все его составляющие), провода независимо от марок и сечений не оборваны.
В расчетах опор расчетная горизонтальная статическая нагрузка от проводов принимается равной:
а) при нерасщепленной фазе и креплении ее в глухом зажиме - редуцированному тяжению, возникающему при обрыве фазы. При этом принимаются сочетания условий согласно 2.5.72 п. 3.
При расщепленной фазе и креплении ее в глухих зажимах значения для нерасщепленных фаз умножаются на дополнительные коэффициенты: 0,8 - при расщеплении на 2 провода; 0,7 - на три провода; 0,6 - на четыре провода и 0,5 - на пять и более;
б) при нерасщепленной и расщепленной фазах провода и креплении их в поддерживающем устройстве специальной конструкции условной нагрузке, равной 25 кН при одном проводе в фазе; 40 кН при двух проводах в фазе; 60 кН при трех и более проводах в фазе.
Расчетная нагрузка от троса, закрепленного в глухом зажиме, принимается равной наибольшему расчетному горизонтальному тяжению троса при сочетании условий, указанных в 2.5.72 п. 3.
При этом для тросов, расщепленных на две составляющие, тяжение следует умножать на 0,8.
Расчетная нагрузка от троса, закрепленного в поддерживающем устройстве специальной конструкции, принимается равной 40 кН. Нагрузки прикладываются в местах крепления проводов тех фаз или того троса, при обрыве которых усилия в рассчитываемых элементах получаются наибольшими.
2.5.176. Опоры анкерного типа должны рассчитываться в аварийном режиме по первой группе предельных состояний на обрыв тех фаз или того троса, при обрыве которых усилия в рассматриваемых элементах получаются наибольшими. Расчет производится на следующие условия:
1) оборваны провод или провода одной фазы одного пролета, тросы не оборваны (одноцепные опоры со сталеалюминиевыми проводами и проводами из термообработанного алюминиевого сплава со стальным сердечником сечением алюминиевой части для обоих типов проводов 185 мм2 и более, а также со стальными канатами типа ТК всех сечений, используемыми в качестве проводов);
2) оборваны провода двух фаз одного пролета, тросы не оборваны (двухцепные опоры, а также одноцепные опоры со сталеалюминиевыми проводами и проводами из термообработанного алюминиевого сплава со стальным сердечником сечением алюминиевой части для обоих типов проводов до 150 мм2);
3) оборван один трос одного пролета (при расщеплении троса - все его составляющие), провода независимо от марок и сечений не оборваны.
Расчетные нагрузки от проводов и тросов принимаются равными наибольшему расчетному горизонтальному тяжению провода или троса при сочетании условий согласно 2.5.72 пп. 2 и 3.
При определении усилий в элементах опоры учитываются условные нагрузки или неуравновешенные тяжения, возникающие при обрывах тех проводов или тросов, при которых эти усилия имеют наибольшие значения.
2.5.177. Опоры большого перехода должны иметь дневную маркировку (окраску) и сигнальное освещение в соответствии с 2.5.292.
2.5.178. Волоконно-оптической линией связи на воздушных линиях электропередачи (ВОЛС-ВЛ) называется линия связи, для передачи информации по которой служит оптический кабель (ОК), размещаемый на элементах ВЛ.
2.5.179. Требования 2.5.180 - 2.5.200 распространяются на размещение на ВЛ оптических кабелей следующих типов:
1) ОКГТ - оптический кабель, встроенный в грозозащитный трос;
2) ОКФП - оптический кабель, встроенный в фазный провод;
3) ОКСН - оптический кабель самонесущий неметаллический;
4) ОКНН - оптический кабель неметаллический, прикрепляемый или навиваемый на грозозащитный трос или фазный провод.
2.5.180. Все элементы ВОЛС-ВЛ должны соответствовать условиям работы ВЛ.
2.5.181. Для сооружения конкретной линии связи допускается использование нескольких ВЛ различного напряжения, совпадающих по направлению с ее трассой.
2.5.182. При сооружении вводов ОК на регенерационные пункты и узлы связи энергообъектов на отдельных самостоятельных опорах конструктивное выполнение и требования к параметрам и характеристикам вводов определяются в проекте.
2.5.183. Элементы ВОЛС-ВЛ, включая вводы ОК на регенерационные пункты, узлы связи энергообъектов должны проектироваться на те же климатические условия, что и ВЛ, на которой эта ВОЛС размещается, и соответствовать требованиям 2.5.38 - 2.5.74.
2.5.184. Оптические кабели, размещаемые на элементах ВЛ, должны удовлетворять требованиям:
1) механической прочности;
2) термической стойкости;
3) стойкости к воздействию грозовых перенапряжений;
4) обеспечения нагрузок на оптические волокна, не превышающих допускаемые;
5) стойкости к воздействию электрического поля.
2.5.185. Механический расчет ОКГТ, ОКФП, ОКСН должен производиться на расчетные нагрузки по методу допускаемых напряжений с учетом вытяжки кабелей и допустимых нагрузок на оптическое волокно.
2.5.186. Механический расчет грозозащитного троса или фазного провода, на которых размещается ОКНН, должен производиться с учетом дополнительных весовых и ветровых нагрузок от ОК во всех режимах, указанных в 2.5.71 - 2.5.74.
2.5.187. Механический расчет ОК всех типов следует выполнять для исходных условий по 2.5.71 - 2.5.74.
Значения физико-механических параметров, необходимых для механического расчета ОК, и данные по вытяжке должны приниматься по техническим условиям на ОК или по данным изготовителей кабелей.
2.5.188. Оптические кабели должны быть защищены от вибрации в соответствии с условиями их подвески и требованиями изготовителя ОК.
2.5.189. При подвеске на ВЛ ОКГТ и ОКФП их расположение должно удовлетворять требованиям 2.5.86 - 2.5.96 и 2.5.121.
2.5.190. Независимо от напряжения ВЛ ОКГТ должен, как правило, быть заземлен на каждой опоре. Сопротивление заземляющих устройств опор, на которых подвешен ОКГТ, должно соответствовать табл. 2.5.19. Допускается увеличение этих сопротивлений при обеспечении термической стойкости ОК.
При наличии плавки гололеда на грозозащитных тросах допускается изолированное крепление ОКГТ при условии, что стойкость оптических волокон по температурному режиму удовлетворяет условиям работы в режиме плавки гололеда и режиму протекания токов на этом участке (см. также 2.5.192, 2.5.193, 2.5.195).
2.5.191. Необходимость заземления (или возможность изолированной подвески) троса, на котором подвешен ОКНН, обосновывается в проекте.
2.5.194. Напряженность электрического поля в точке подвеса ОКСН должна рассчитываться с учетом реального расположения кабеля, транспозиции фаз ВЛ, вероятности отключения одной цепи в случае двухцепной ВЛ, а также конструкции зажима (протектора).
2.5.195. Оптический кабель типа ОКНН следует проверять:
1) при подвеске его на фазном проводе - на стойкость при воздействии электрического поля проводов;
2) при подвеске его на грозозащитном тросе - на стойкость к воздействию электрического напряжения, наведенного на тросе, и прямых ударов молнии в трос.
2.5.197. Место крепления ОКСН на опоре с учетом его вытяжки в процессе эксплуатации определяется, исходя из условий:
1) стойкости оболочки к воздействию электрического поля;
2) обеспечения наименьшего расстояния до поверхности земли не менее 5 м независимо от напряжения ВЛ и вида местности;
3) обеспечения расстояний от ОКСН до фазных проводов на опоре не менее 0,6 м для ВЛ до 35 кВ; 1 м - 110 кВ; 1,5 м - 150 кВ; 2 м - 220 кВ; 2,5 м - 330 кВ; 3,5 м - 500 кВ; 5 м - 750 кВ при отсутствии гололеда и ветра.
С учетом указанных условий ОКСН может размещаться как выше фазных проводов, так и между фазами или ниже фазных проводов.
2.5.198. При креплении ОКНН к фазному проводу должны быть обеспечены следующие наименьшие расстояния от провода с прикрепленным или навитым ОК:
1) до конструкции опоры при отклонении от воздействия ветра в соответствии с табл. 2.5.17;
2) до земли и инженерных сооружений и естественных препятствий в соответствии с табл. 2.5.20 - 2.5.25, 2.5.30, 2.5.31, 2.5.34 - 2.5.40.
2.5.199. При подвеске на ВЛ ОК любого типа должна быть выполнена проверка опор и их закреплений в грунте с учетом дополнительных нагрузок, возникающих при этом.
Высота расположения соединительных муфт на опорах ВЛ должна быть не менее 5 м от основания опоры.
К опорам ВЛ, на которых размещаются соединительные муфты ОК, должен быть обеспечен в любое время года подъезд транспортных средств со сварочным и измерительным оборудованием.
На опорах ВЛ при размещении на них муфт ОК дополнительно к 2.5.23 должны быть нанесены следующие постоянные знаки:
условное обозначение ВОЛС;
номер соединительной муфты.
2.5.201. Расстояния от проводов ВЛ до поверхности земли в ненаселенной и труднодоступной местностях в нормальном режиме ВЛ должны приниматься не менее приведенных в табл. 2.5.20.
Наименьшие расстояния определяются при наибольшей стреле провеса провода без учета его нагрева электрическим током:
при высшей температуре воздуха для ВЛ 500 кВ и ниже;
при температуре воздуха по 2.5.17 при предельно допустимых значениях интенсивности электрической и магнитной составляющих электромагнитного поля для ВЛ 750 кВ;
при расчетной линейной гололедной нагрузке по 2.5.57 и температуре воздуха при гололеде согласно 2.5.51.
Таблица 2.5.20
Наименьшее расстояние от проводов ВЛ до поверхности земли в ненаселенной и труднодоступной местности
|
Характеристика местности |
Наименьшее расстояние, м, при напряжении ВЛ, кВ |
|||||||
|
до 20 |
35 - 110 |
150 |
220 |
330 |
500 |
750 |
ВЛЗ |
|
|
Ненаселенная местность; районы тундры, степей с почвами, непригодными для земледелия, и пустыни |
6 |
6 |
6,5 |
7 |
7,5 |
8 |
12 |
5 |
|
Труднодоступная местность |
5 |
5 |
5,5 |
6 |
6,5 |
7 |
10 |
5 |
|
Недоступные склоны гор, скалы, утесы и т.п. |
3 |
3 |
3,5 |
4 |
4,5 |
5 |
7,5 |
3 |
2.5.202. При прохождении ВЛ всех классов напряжений рекомендуется не занимать земли, орошаемые дождевальными установками. Допускается прохождение ВЛ по этим землям при условии выполнения требований строительных норм и правил на мелиоративные системы и сооружения.
2.5.203. В местах пересечения ВЛ со скотопрогонами наименьшее расстояние по вертикали от проводов до поверхности земли должно быть не менее, чем при пересечении с автомобильными дорогами (см. 2.5.258).
2.5.204. В местах пересечения ВЛ с мелиоративными каналами наименьшее расстояние по вертикали от проводов при высшей температуре воздуха без учета нагрева провода электрическим током до подъемной или выдвижной частей землеройных машин, располагаемых на дамбе или берме каналов, в рабочем положении или до габаритов землесосов при наибольшем уровне высоких вод должно быть не менее: 2 м - для ВЛ до 20 кВ; 4 м - для ВЛ 35 - 110 кВ; 5 м - для ВЛ 150 - 220 кВ; 6 м - для ВЛ 330 кВ; 9 м - для ВЛ 500 - 750 кВ.
Опоры должны располагаться вне полосы отвода земель в постоянное пользование для мелиоративных каналов.
При параллельном следовании ВЛ с мелиоративными каналами крайние провода ВЛ при неотклоненном их положении должны располагаться вне полосы отвода земель в постоянное пользование для мелиоративных каналов.
2.5.205. Шпалерная проволока для подвески винограда, хмеля и других аналогичных сельскохозяйственных культур, пересекаемая ВЛ 110 кВ и выше под углом менее 70°, должна быть заземлена через каждые 50 - 70 м ее длины в пределах охранной зоны ВЛ.
Сопротивление заземления не нормируется.
2.5.206. Следует, как правило, избегать прокладки ВЛ по лесам I группы**.
2.5.207. Для прохождения ВЛ по насаждениям должны быть прорублены просеки.
Ширина просек в насаждениях должна приниматься в зависимости от высоты*** насаждений с учетом их перспективного роста в течение 25 лет с момента ввода ВЛ в эксплуатацию и группы лесов.
* Под насаждениями понимаются естественные и искусственные древостой и кустарники, а также сады и парки.
** Деление лесов на группы приведено в «Лесном кодексе Российской Федерации».
*** Здесь и далее под высотой насаждения понимается увеличенная на 10 % средняя высота преобладающей по запасам породы, находящейся в верхнем ярусе насаждения. В разновозрастных насаждениях под ней понимается увеличенная на 10 % средняя высота преобладающего по запасу поколения.
1. В насаждениях с перспективной высотой пород до 4 м ширина просек принимается равной расстоянию между крайними проводами ВЛ плюс по 3 м в каждую сторону от крайних проводов. При прохождении ВЛ по территории фруктовых садов вырубка просек не обязательна.
![]()
где А - ширина просеки, м;
D - расстояние по горизонтали между крайними, наиболее удаленными проводами фаз, м;
В - наименьшее допустимое расстояние по горизонтали между крайним проводом ВЛ и кроной деревьев, м (эти расстояния должны быть не менее приведенных в табл. 2.5.21);
а - горизонтальная проекция стрелы провеса провода и поддерживающей гирлянды изоляторов, м, при наибольшем их отклонении согласно 2.5.73 (п. 1) с учетом типа местности согласно 2.5.6;
K - радиус горизонтальной проекции кроны с учетом перспективного роста в течение 25 лет с момента ввода ВЛ в эксплуатацию, м.
Таблица 2.5.21
Наименьшее расстояние по горизонтали между проводами ВЛ и кронами деревьев
|
Напряжение ВЛ, кВ |
До 20 |
35 - 110 |
150 - 220 |
330 - 500 |
750 |
|
Наименьшее расстояние, м |
3 |
4 |
5 |
6 |
7 |
Радиусы проекций крон деревьев основных лесообразующих пород принимаются равными, м:
сосна, лиственница 7,0
ель, пихта 5,0
дуб, бук 9,0
липа 4,5
береза 4,5
осина 5,0
Для других пород деревьев радиусы проекций крон определяются при конкретном проектировании по данным владельца насаждений.
3. В лесах II и III групп ширина просеки принимается равной большему из двух значений, рассчитанных по формуле, приведенной в п. 2, и по формуле
А = D + 2 Н,
где Н - высота насаждений с учетом перспективного роста, м.
4. Для ВЛЗ ширина просек в насаждениях должна приниматься не менее расстояния между крайними проводами плюс 1,25 м в каждую сторону независимо от высоты насаждений. При прохождении ВЛЗ по территории фруктовых садов с деревьями высотой более 4 м расстояние от крайних проводов до деревьев должно быть не менее 2 м.
5. Отдельные деревья или группы деревьев, растущие вне просеки и угрожающие падением на провода или опоры ВЛ, должны вырубаться.
2.5.208. В понижениях рельефа, на косогорах и в оврагах просека прорубается с учетом перспективной высоты насаждений, при этом, если расстояние по вертикали от верха крон деревьев до провода ВЛ более 9 м, просека прорубается только под ВЛ по ширине, равной расстоянию между крайними проводами плюс по 2 м в каждую сторону.
После окончания монтажа места нарушения склонов на просеках должны быть засажены кустарниковыми породами.
2.5.209. По всей ширине просеки по трассе ВЛ должны быть произведены ее очистка от вырубленных деревьев и кустарников, корчевка пней или срезка их под уровень земли и рекультивация.
2.5.210. Прохождение ВЛ по населенной местности следует выполнять в соответствии с требованиями строительных норм и правил. «Градостроительство. Планировка зданий и застройка городских и сельских поселений» (ВЛ 110 кВ и выше следует размещать за пределами селитебной территории).
Угол пересечения с улицами (проездами) не нормируется. При прохождении ВЛ вдоль улицы допускается расположение проводов над проезжей частью.
Для предотвращения вынужденных наездов транспортных средств на опоры ВЛ, устанавливаемые в пределах городских и сельских улиц и дорог, их следует ограждать в соответствии с требованиями строительных норм и правил.
2.5.211. Крепление проводов ВЛ на штыревых изоляторах должно быть двойным. При применении подвесных и полимерных изоляторов крепление проводов на промежуточных опорах должно выполняться глухими зажимами.
Крепление проводов ВЛЗ на штыревых изоляторах должно выполняться усиленным с применением спиральных пружинных вязок с полимерным покрытием; при применении поддерживающих гирлянд изоляторов крепление проводов следует выполнять с помощью глухих поддерживающих зажимов.
2.5.212. Наименьшие расстояния от проводов ВЛ до поверхности Земли в населенной местности в нормальном режиме работы ВЛ Должны приниматься не менее приведенных в табл. 2.5.22.
Наименьшие расстояния определяются при наибольшей стреле провеса провода без учета его нагрева электрическим током:
при высшей температуре воздуха для ВЛ 220 кВ и ниже;
при температуре воздуха по 2.5.17 при предельно допустимых значениях интенсивности электрической и магнитной составляющих электромагнитного поля для ВЛ 330 кВ и выше;
при расчетной линейной гололедной нагрузке по 2.5.57 и температуре воздуха при гололеде согласно 2.5.51.
2.5.213. В местах пересечения ВЛ с улицами, проездами и т.п. расстояния по вертикали от проводов площадью сечения алюминиевой части менее 185 мм2 до поверхности земли должны быть проверены также на обрыв провода в смежном пролете при среднегодовой температуре воздуха, без учета нагрева проводов электрическим током. Эти расстояния должны быть не менее приведенных в табл. 2.5.22.
Таблица 2.5.22
Наименьшее расстояние по вертикали от проводов ВЛ до поверхности земли, производственных зданий и сооружений в населенной местности
|
Условия работы ВЛ |
Наименьшее расстояние, м, при напряжении ВЛ, кВ |
|||||||
|
ВЛЗ |
до 35 |
110 |
150 |
220 |
330 |
500 |
750 |
|
|
Нормальный режим: |
|
|
|
|
|
|
|
|
|
до поверхности земли |
6 |
7 |
7 |
7,5 |
8 |
11 |
15,5 |
23 |
|
до производственных зданий и сооружений |
3 |
3 |
4 |
4 |
5 |
7,5 |
8 |
12 |
|
Обрыв провода в смежном пролете до поверхности земли |
5,0 |
5,5 |
5,5 |
5,5 |
5,5 |
6 |
- |
- |
При прохождении ВЛ в пределах специально отведенных в городской черте коридоров, а также для ВЛ с проводами площадью сечения алюминиевой части 185 мм2 и более проверка вертикальных расстояний при обрыве проводов не требуется.
2.5.214. Расстояние по горизонтали от основания опоры ВЛ до кювета или бортового камня проезжей части улицы (проезда) должно быть не менее 2,0 м; расстояние до тротуаров и пешеходных дорожек не нормируется.
2.5.215. Прохождение ВЛ над зданиями и сооружениями, как правило, не допускается.
Допускается прохождение ВЛ над производственными зданиями и сооружениями промышленных предприятий I и II степени огнестойкости в соответствии со строительными нормами и правилами по пожарной безопасности зданий и сооружений с кровлей из негорючих материалов (для ВЛ 330 - 750 кВ только над производственными зданиями электрических станций и подстанций). При этом расстояние по вертикали от проводов ВЛ до вышеуказанных зданий и сооружений при наибольшей стреле провеса должно быть не менее приведенных в табл. 2.5.22.
Металлические кровли, над которыми проходят ВЛ, должны быть заземлены. Сопротивление заземления должно быть не более указанного в табл. 2.5.19.
Для ВЛ 330 кВ и выше должна быть обеспечена защита персонала, находящегося внутри производственных зданий электрических станций и подстанций, от влияния электрического поля, а заземление металлической кровли должно выполняться не менее чем в двух точках.
Расстояния по горизонтали от крайних проводов ВЛ 330 кВ и выше должны быть не менее:
до ближайших частей непроизводственных и производственных зданий и сооружений электрических станций и подстанций при наибольшем отклонении проводов: 8 м - для ВЛ 330 кВ, 10 м - для ВЛ 500 - 750 кВ;
до ближайших частей производственных, складских, административно-бытовых и общественных зданий и сооружений (кроме электрических станций и подстанций) при неотклоненном положении проводов: 20 м - для ВЛ 330 кВ, 30 м - для ВЛ 500 кВ, 40 м - для ВЛ 750 кВ.
Прохождение ВЛ по территориям стадионов, учебных и детских учреждений не допускается.
2.5.217. Расстояния от отклоненных проводов ВЛ, расположенных вдоль улиц, в парках и садах, до деревьев, а также до тросов подвески дорожных знаков должны быть не менее приведенных в табл. 2.5.21.
Расстояния по горизонтали от крайних проводов вновь сооружаемых ВЛ при неотклоненном их положении до границ земельных участков жилых и общественных зданий, до детских игровых площадок, площадок отдыха и занятий физкультурой, хозяйственных площадок или до ближайших выступающих частей жилых и общественных зданий при отсутствии земельных участков со стороны прохождения ВЛ, а также до границ приусадебных земельных участков индивидуальных домов и коллективных садовых участков должно быть не менее расстояний для охранных зон ВЛ соответствующих напряжений.
Допускается принимать для ВЛ до 20 кВ расстояние по горизонтали от крайних проводов ВЛ при наибольшем их отклонении до границ приусадебных земельных участков индивидуальных домов и коллективных садовых участков не менее 2 м.
2.5.218. Если при расстояниях, указанных в 2.5.216 и 2.5.217, от ВЛ до зданий и сооружений, имеющих приемную радио- или телевизионную аппаратуру, радиопомехи превышают значения, нормируемые государственными стандартами, и соблюдение требований стандартов не может быть достигнуто специальными мероприятиями (выносными антеннами, изменением конструкции ВЛ и др.) или эти мероприятия нецелесообразны, расстояния от крайних проводов ВЛ при неотклоненном их положении до ближайших частей этих зданий и сооружений должны быть приняты не менее: 10 м - для ВЛ до 35 кВ, 50 м - для ВЛ 110 - 220 кВ и 100 м - для ВЛ 330 кВ и выше.
Расчет уровня радиопомех должен выполняться с учетом гл. 1.3 и 2.5.81.
2.5.219. Расстояния от заземлителей опор ВЛ до проложенных в земле силовых кабелей должны приниматься в соответствии с гл. 2.1 и 2.3.
2.5.220. Угол пересечения ВЛ (ВЛЗ) выше 1 кВ между собой и с ВЛ (ВЛИ) до 1 кВ не нормируется.
2.5.221. Место пересечения должно выбираться возможно ближе к опоре верхней (пересекающей) ВЛ (ВЛЗ). Расстояния от проводов нижней (пересекаемой) ВЛ до опор верхней (пересекающей) ВЛ по горизонтали и от проводов верхней (пересекающей) ВЛ до опор нижней (пересекаемой) ВЛ в свету должны быть не менее приведенных в табл. 2.5.23, а также не менее 1,5 м для ВЛЗ и 0,5 м для ВЛИ.
Таблица 2.5.23
Наименьшее расстояние между проводами и опорами пересекающихся ВЛ
|
Напряжение ВЛ, кВ |
Наименьшее расстояние от проводов до ближайшей части опоры, м |
|
|
при наибольшем отклонении проводов |
при неотклоненном положении проводов |
|
|
До 330 |
3 |
6 |
|
500 |
4 |
10 |
|
750 |
6 |
15 |
Допускается выполнение пересечений ВЛ и ВЛЗ между собой и с ВЛ (ВЛИ) до 1 кВ на общей опоре.
2.5.222. Опоры ВЛ 500 - 750 кВ, ограничивающие пролет пересечения с ВЛ 500 - 750 кВ, должны быть анкерного типа.
Пересечения ВЛ 500 - 750 кВ с ВЛ 330 кВ и ниже, а также ВЛ 330 кВ и ниже между собой допускается осуществлять в пролетах, ограниченных как промежуточными, так и анкерными опорами.
Одностоечные деревянные опоры пересекающей ВЛ, ограничивающие пролет пересечения, как правило, должны быть с железобетонными приставками. Допускается применение одностоечных деревянных опор без приставок и, как исключение, повышенных деревянных опор с деревянными приставками.
сталеалюминиевыми площадью сечения не менее 70 мм2 по алюминию - для ВЛ 6 - 20 кВ;
сталеалюминиевыми площадью сечения по алюминию не менее 70 мм2 или из термоупроченного алюминиевого сплава площадью сечения не менее 70 мм2 - для ВЛЗ 6 - 20 кВ;
алюминиевыми площадью сечения не менее 50 мм2 - для ВЛ до 1 кВ;
жгут СИП без несущего нулевого провода с площадью сечения фазной жилы не менее 25 мм2 или с несущим проводом из термообработанного алюминиевого сплава площадью сечения не менее 50 мм2.
Провода в пролетах пересечений должны крепиться на опорах с помощью:
подвесных стеклянных изоляторов - для ВЛ (ВЛЗ) 6 - 20 кВ;
штыревых изоляторов с двойным креплением к ним - для ВЛ до 1 кВ;
натяжных анкерных зажимов - для ВЛИ.
2.5.224. На промежуточных опорах пересекающей ВЛ с поддерживающими гирляндами изоляторов провода должны быть подвешены в глухих зажимах, а на опорах со штыревыми изоляторами должно применяться двойное крепление провода.
На промежуточных опорах существующей ВЛ 750 кВ, ограничивающих пролет пересечения с вновь сооружаемыми под ней ВЛ до 330 кВ, а также на существующих ВЛ до 500 кВ при площади сечения алюминиевой части проводов 300 мм2 и более при сооружении под ними других ВЛ допускается оставлять зажимы с ограниченной прочностью заделки и выпадающие зажимы.
2.5.225. Провода ВЛ более высокого напряжения, как правило, должны быть расположены выше проводов пересекаемых ВЛ более низкого напряжения. Допускается, как исключение, прохождение ВЛ 35 кВ и выше с проводами площадью сечения алюминиевой части 120 мм2 и более над проводами ВЛ более высокого напряжения, но не выше 220 кВ*. При этом прохождение ВЛ более низкого напряжения над проводами двухцепных ВЛ более высокого напряжения не допускается.
* В городах и поселках городского типа допускается прохождение ВЛИ или ВЛ с изолированными проводами напряжением до 1 кВ над проводами ВЛ напряжением до 20 кВ.
2.5.226. Пересечение ВЛ 35 - 500 кВ с двухцепными ВЛ тех же напряжений, служащими для электроснабжения потребителей, не имеющих резервного питания, или с двухцепными ВЛ, цепи которых являются взаиморезервирующими, должно, как правило, осуществляться в разных пролетах пересекающей ВЛ, разделенных анкерной опорой. Пересечение ВЛ 750 кВ с такими ВЛ допускается выполнять в одном пролете, ограниченном как анкерными, так и промежуточными опорами.
На участках стесненной трассы пересечение ВЛ с проводами площадью сечения алюминиевой части 120 мм2 и более с двухцепными ВЛ допускается осуществлять в одном пролете пересекающей ВЛ, ограниченном промежуточными опорами. При этом на опорах, ограничивающих пролет пересечения, должны быть применены двухцепные поддерживающие гирлянды изоляторов с раздельным креплением цепей к опоре.
2.5.227. Наименьшие расстояния между ближайшими проводами (или проводами и тросами) пересекающихся ВЛ должны приниматься не менее приведенных в табл. 2.5.24 при температуре воздуха плюс 15 °С без ветра.
Для промежуточных длин пролетов соответствующие расстояния определяются линейной интерполяцией.
расстояние между ближайшими проводами пересекающей и пересекаемой ВЛ 6 - 20 кВ при условии, что хотя бы одна из них выполнена с защищенными проводами, при температуре плюс 15 °С без ветра должно быть не менее 1,5 м.
Таблица 2.5.24
Наименьшее расстояние между проводами или проводами и тросами пересекающихся ВЛ на металлических и железобетонных опорах, а также на деревянных опорах при наличии грозозащитных устройств
|
Длина пролета пересекающей ВЛ, м |
Наименьшее расстояние, м, при расстоянии от места пересечения до ближайшей опоры ВЛ, м |
|||||
|
30 |
50 |
70 |
100 |
120 |
150 |
|
|
При пересечении ВЛ 750 кВ между собой и с ВЛ более низкого напряжения |
||||||
|
До 200 |
6,5 |
6,5 |
6,5 |
7,0 |
- |
- |
|
300 |
6,5 |
6,5 |
7,0 |
7,5 |
8,0 |
8,5 |
|
450 |
6,5 |
7,0 |
7,5 |
8,0 |
8,5 |
9,0 |
|
500 |
7,0 |
7,5 |
8,0 |
8,5 |
9,0 |
9,5 |
|
При пересечении ВЛ 500 - 330 кВ между собой и с ВЛ более низкого напряжения |
||||||
|
До 200 |
5,0 |
5,0 |
5,0 |
5,5 |
. |
- |
|
300 |
5,0 |
5,0 |
5,5 |
6,0 |
6,5 |
7,0 |
|
450 |
5,0 |
5,5 |
6,0 |
7,0 |
7,5 |
8,0 |
|
При пересечении ВЛ 220 - 150 кВ между собой и с ВЛ более низкого напряжения |
||||||
|
До 200 |
4 |
4 |
4 |
4 |
- |
- |
|
300 |
4 |
4 |
4 |
4,5 |
5 |
5,5 |
|
450 |
4 |
4 |
5 |
6 |
6,5 |
7 |
|
При пересечении ВЛ 110 - 20 кВ между собой и с ВЛ более низкого напряжения |
||||||
|
До 200 |
3 |
3 |
3 |
4 |
- |
- |
|
300 |
3 |
3 |
4 |
4,5 |
5 |
- |
|
При пересечении ВЛ 10 кВ между собой и с ВЛ более низкого напряжения |
||||||
|
До 100 |
2 |
2 |
- |
- |
- |
- |
|
150 |
2 |
2,5 |
2,5 |
- |
- |
- |
Расстояние по вертикали между ближайшими проводами пересекающей ВЛЗ и пересекаемой ВЛИ при температуре воздуха плюс 15 °С без ветра должно быть не менее 1 м.
Допускается сохранение опор пересекаемых ВЛ до 110 кВ под проводами пересекающих ВЛ до 500 кВ, если расстояние по вертикали от проводов пересекающей ВЛ до верха опоры пересекаемой ВЛ на 4 м больше значений, приведенных в табл. 2.5.24.
Допускается сохранение опор пересекаемых ВЛ до 150 кВ под проводами пересекающих ВЛ 750 кВ, если расстояние по вертикали от проводов ВЛ 750 кВ до верха опоры пересекаемой ВЛ не менее 12 м при высшей температуре воздуха.
2.5.228. Расстояния между ближайшими проводами (или между проводами и тросами) пересекающихся ВЛ 35 кВ и выше подлежат дополнительной проверке на условия отклонения проводов (тросов) одной из пересекающихся ВЛ в пролете пересечения при ветровом давлении согласно 2.5.56, направленном перпендикулярно оси пролета данной ВЛ, и неотклоненном положении провода (троса) другой. При этом расстояния между проводами и тросами или проводами должны быть не менее указанных в табл. 2.5.17 или 2.5.18 для условий наибольшего рабочего напряжения, температура воздуха для неотклоненных проводов принимается по 2.5.51.
2.5.229. На ВЛ с деревянными опорами, не защищенных тросами, на опорах, ограничивающих пролеты пересечения, должны устанавливаться защитные аппараты на обеих пересекающихся ВЛ. Расстояния между проводами пересекающихся ВЛ должны быть не менее приведенных в табл. 2.5.24.
На опорах ВЛ 35 кВ и ниже при пересечении их с ВЛ 750 кВ и ниже допускается применять ИП. При этом для ВЛ 35 кВ должно быть предусмотрено автоматическое повторное включение. Искровые промежутки на одностоечных и А-образных опорах с деревянными траверсами выполняются в виде одного заземляющего спуска и заканчиваются бандажами на расстоянии 75 см (по дереву) от точки крепления нижнего изолятора. На П- и АП-образных опорах заземляющие спуски прокладываются по двум стойкам опор до траверсы.
На ВЛ с деревянными опорами, не защищенных тросами, при пересечении их с ВЛ 750 кВ металлические детали для крепления проводов (крюки, штыри, оголовки) должны быть заземлены на опорах, ограничивающих пролет пересечения, а количество подвесных изоляторов в гирляндах должно соответствовать изоляции для металлических опор. При этом на опорах ВЛ 35 - 220 кВ должны быть установлены защитные аппараты.
Если расстояние от места пересечения до ближайших опор пересекающихся ВЛ составляет более 40 м, допускается защитные аппараты не устанавливать, а заземление деталей крепления проводов на опорах ВЛ 35 кВ и выше не требуется.
Установка защитных аппаратов на опорах пересечения не требуется:
для ВЛ с металлическими и железобетонными опорами;
для ВЛ с деревянными опорами при расстояниях между проводами пересекающихся ВЛ, не менее: 9 м - при напряжении 750 кВ; 7 м - при напряжении 330 -500 кВ; 6 м - при напряжении 150 - 220 кВ; 5 м - при напряжении 35 - 110 кВ; 4 м - при напряжении до 20 кВ.
Сопротивления заземляющих устройств деревянных опор с защитными аппаратами должны приниматься в соответствии с табл. 2.5.19.
2.5.230. При параллельном следовании и сближении ВЛ одного напряжения между собой или с ВЛ других напряжений расстояния по горизонтали должны быть не менее приведенных в табл. 2.5.25 и приниматься по ВЛ более высокого напряжения. Указанные расстояния подлежат дополнительной проверке:
1) на непревышение смещения нейтрали более 15 % фазного напряжения в нормальном режиме работы ВЛ до 35 кВ с изолированной нейтралью за счет электромагнитного и электростатического влияния ВЛ более высокого напряжения;
2) на исключение возможности развития в отключенном положении ВЛ 500 - 750 кВ, оборудованных компенсирующими устройствами (шунтирующими реакторами, синхронными или тиристорными статическими компенсаторами и др.), резонансных перенапряжений. Степень компенсации рабочей емкости линии, расстояния между осями ВЛ и длины участков сближений должны определяться расчетами.
Таблица 2.5.25
Наименьшее расстояние по горизонтали между ВЛ
|
Участки ВЛ и расстояния |
Наименьшее расстояние, м, при напряжении ВЛ, кВ |
||||||||
|
До 20 |
35 |
110 |
150 |
220 |
330 |
500 |
750 |
ВЛЗ |
|
|
Участки нестесненной трассы, между |
Высота наиболее высокой опоры* |
3 |
|||||||
|
Участки стесненной трассы, подходы к подстанциям: |
|
|
|
|
|
|
|
|
|
|
между крайними проводами в неотклоненном положении; |
2,5 |
4 |
5 |
6 |
7 |
10 |
15 |
20** |
2 |
|
от отклоненных проводов одной ВЛ до ближайших частей опор другой ВЛ |
2 |
4 |
4 |
5 |
6 |
8 |
10 |
10 |
2 |
* Не менее 50 м для ВЛ 500 кВ и не менее 75 м для ВЛ 750 кВ.
** Для двух и более ВЛ 750 кВ фазировка смежных крайних фаз должна быть разноименной.
2.5.231. Пересечение ВЛ напряжением до 35 кВ с ЛС и ЛПВ должно быть выполнено по одному из следующих вариантов:
1) проводами ВЛ и подземным кабелем ЛС* и ЛПВ;
2) проводами ВЛ и воздушным кабелем ЛС и ЛПВ;
3) подземной кабельной вставкой в ВЛ и неизолированными проводами ЛС и ЛПВ;
4) проводами ВЛ и неизолированными проводами ЛС и ЛПВ.
* В данной главе к кабелям связи относятся металлические и оптические кабели с металлическими элементами.
2.5.232. Пересечение ВЛ напряжением до 35 кВ с неизолированными проводами ЛС и ЛПВ может применяться в следующих случаях:
1) если невозможно проложить ни подземный кабель ЛС и ЛПВ, ни кабель ВЛ;
2) если применение кабельной вставки в ЛС приведет к необходимости установки дополнительного или переноса ранее установленного усилительного пункта ЛС;
3) если при применении кабельной вставки в ЛПВ общая длина кабельных вставок в линию превышает допустимые значения;
4) если на ВЛ применены подвесные изоляторы. При этом ВЛ на участке пересечения с неизолированными проводами ЛС и ПВ выполняются с повышенной механической прочностью проводов и опор (см. 2.5.240).
2.5.233. Пересечение ВЛ 110 - 500 кВ с ЛС и ЛПВ должно быть выполнено по одному из следующих вариантов:
1) проводами ВЛ и подземным кабелем ЛС и ЛПВ;
2) проводами ВЛ и неизолированными проводами ЛС и ЛПВ.
2.5.234. Пересечение ВЛ 750 кВ с ЛС и ЛПВ выполняется подземным кабелем ЛС и ЛПВ. При невозможности прокладки подземного кабеля ЛС и ЛПВ в условиях стесненной, труднопроходимой горной местности допускается выполнять пересечение ЛС и ЛПВ с ВЛ 750 кВ неизолированными проводами, но расстояние в свету от вершин опор ЛС и ЛПВ до неотклоненных проводов ВЛ должно быть не менее 30 м.
2.5.235. При пересечении ВЛ 110 - 500 кВ с воздушными проводами ЛС и ЛПВ применять кабельные вставки не следует, если:
1) применение кабельной вставки в ЛС приведет к необходимости установки дополнительного усилительного пункта на ЛС, а отказ от применения этой кабельной вставки не приведет к увеличению мешающего влияния ВЛ на ЛС сверх допустимых норм;
2) применение кабельной вставки в ЛПВ приведет к превышению суммарной допустимой длины кабельных вставок в линии, а отказ от этой кабельной вставки не приведет к увеличению мешающего влияния ВЛ на ЛПВ сверх допустимого значения.
1) более 10 Вт - ЛС и ЛПВ должны быть выполнены подземными кабельными вставками. Длина кабельной вставки определяется по расчету мешающего влияния, при этом расстояние по горизонтали от основания кабельной опоры ЛС и ЛПВ до проекции крайнего провода ВЛ на горизонтальную плоскость должно быть не менее 100 м;
2) от 5 до 10 Вт - необходимость применения кабельной вставки в ЛС и ЛПВ или принятия других средств защиты определяется по расчету мешающего влияния. При этом, в случае применения кабельной вставки, расстояние в свету от неотклоненных проводов ВЛ до 500 кВ до вершин кабельных опор ЛС и ЛПВ должно быть не менее 20 м, а от неотклоненных проводов ВЛ 750 кВ до вершин кабельных опор ЛС и ЛПВ - не менее 30 м;
3) менее 5 Вт или если высокочастотная аппаратура ВЛ работает в несовпадающем спектре частот, или ЛС и ЛПВ не уплотнена ВЧ аппаратурой - применение кабельной вставки при пересечении с ВЛ до 750 кВ по условиям мешающего влияния не требуется. Если кабельная вставка в ЛС и ЛПВ оборудуется не по условиям мешающего влияния от высокочастотных каналов ВЛ, то расстояние по горизонтали от основания кабельной опоры ЛС и ЛПВ до проекции на горизонтальную плоскость крайнего неотклоненного провода ВЛ до 330 кВ должно быть не менее 15 м. Для ВЛ 500 кВ расстояние в свету от крайних неотклоненных проводов ВЛ до вершины кабельных опор ЛС и ЛПВ должно быть не менее 20 м, а для ВЛ 750 кВ - не менее 30 м.
2.5.237. Пересечения проводов ВЛ с воздушными линиями городской телефонной связи не допускаются; эти линии в пролете пересечения с проводами ВЛ должны выполняться только подземными кабелями.
2.5.238. При пересечении ВЛ с подземным кабелем связи и ПВ (или с подземной кабельной вставкой) должны соблюдаться следующие требования:
1) угол пересечения ВЛ до 500 кВ с ЛС и ЛПВ не нормируется, угол пересечения ВЛ 750 кВ с ЛС и ЛПВ должен быть по возможности близок к 90°, но не менее 45°;
2) расстояние от подземных кабелей ЛС и ЛПВ до ближайшего заземлителя опоры ВЛ напряжением до 35 кВ или ее подземной металлической или железобетонной части должно быть не менее:
в населенной местности - 3 м;
в ненаселенной местности - расстояний, приведенных в табл. 2.5.26.
Таблица 2.5.26
Наименьшие расстояния от подземных кабелей ЛС (ЛПВ) до ближайшего заземлителя опоры ВЛ и ее подземной части
|
Эквивалентное удельное сопротивление земли, Ом·м |
Наименьшее расстояние, м, при напряжении ВЛ, кВ |
||
|
До 35 |
110 - 500 |
750 |
|
|
До 100 |
10 |
10 |
15 |
|
Более 100 до 500 |
15 |
25 |
25 |
|
Более 500 до 1000 |
20 |
35 |
40 |
|
Более 1000 |
30 |
50 |
50 |
Расстояние от подземных кабелей ЛС и ЛПВ до подземной части незаземленной деревянной опоры ВЛ напряжением до 35 кВ должно быть не менее:
в населенной местности - 2 м, в стесненных условиях указанное расстояние может быть уменьшено до 1 м при условии прокладки кабеля в полиэтиленовой трубе на длине в обе стороны от опоры не менее 3 м;
в ненаселенной местности: 5 м - при эквивалентном удельном сопротивлении земли до 100 Ом·м; 10 м - при эквивалентном удельном сопротивлении земли от 100 до 500 Ом·м; 15 м - при эквивалентном удельном сопротивлении земли от 500 до 1000 Ом·м; 25 м - при эквивалентном удельном сопротивлении земли более 1000 Ом·м;
3) расстояние от подземных кабелей ЛС и ЛПВ до ближайшего заземлителя опоры ВЛ 110 кВ и выше и ее подземной части должно быть не менее значений, приведенных в табл. 2.5.26;
4) при прокладке подземного кабеля (кабельной вставки) в стальных трубах, или при покрытии его швеллером, уголком, или при прокладке его в полиэтиленовой трубе, закрытой с обеих сторон от попадания земли, на длине, равной расстоянию между проводами ВЛ плюс 10 м с каждой стороны от крайних проводов для ВЛ до 500 кВ и 15 м для ВЛ 750 кВ, допускается уменьшение указанных в табл. 2.5.26 расстояний до 5 м для ВЛ до 500 кВ и до 10 м для 750 кВ.
Металлические покровы кабеля в этом случае следует соединять с трубой или другими металлическими защитными элементами. Это требование не относится к оптическим кабелям и кабелям с внешним изолирующим шлангом, в том числе с металлической оболочкой. Металлические покровы кабельной вставки должны быть заземлены по концам. При уменьшении расстояний между кабелем и опорами ВЛ, указанных в табл. 2.5.26, помимо приведенных мер защиты необходимо устройство дополнительной защиты от ударов молнии путем оконтуровки опор тросами в соответствии с требованиями нормативной документации по защите кабелей от ударов молнии;
5) вместо применения швеллера, уголка или стальной трубы допускается при строительстве новой ВЛ использовать два стальных троса сечением 70 мм, прокладываемых симметрично на расстоянии не более 0,5 м от кабеля и на глубине 0,4 м. Тросы должны быть продлены с обеих сторон под углом 45° к трассе в сторону опоры ВЛ и заземлены на сопротивление не более 30 Ом. Соотношения между длиной отвода тросов l и сопротивлением R заземлителя должны соответствовать значениям Ki и Kd, приведенным в табл. 2.5.27;
Таблица 2.5.27
Сопротивления заземлителей при защите кабеля ЛС и ЛПВ на участке пересечения с ВЛ
|
Удельное сопротивление земли, Ом·м |
До 100 |
101 - 500 |
Более 500 |
|
Длина отвода, l, м |
20 |
30 |
50 |
|
Сопротивление заземлителя, Ом |
30 |
30 |
20 |
Примечание. Защита кабеля от ударов молнии путем оконтуровки опор ВЛ или прокладки защитного троса в этом случае также обязательна.
6) в пролете пересечения ВЛ с ЛС и ЛПВ крепление проводов ВЛ на опорах, ограничивающих пролет пересечения, должно осуществляться с помощью глухих зажимов, не допускающих падения проводов на землю в случае их обрыва в соседних пролетах.
2.5.239. При пересечении подземной кабельной вставки в ВЛ до 35 кВ с неизолированными проводами ЛС и ЛПВ должны соблюдаться следующие требования:
1) угол пересечения подземной кабельной вставки ВЛ с ЛС и ЛПВ не нормируется;
2) расстояние от подземной кабельной вставки до незаземленной опоры ЛС и ЛПВ должно быть не менее 2 м, а до заземленной опоры ЛС (ЛПВ) и ее заземлителя - не менее 10 м;
3) расстояние по горизонтали от основания кабельной опоры ВЛ, неуплотненной и уплотненной в несовпадающем и совпадающем спектрах частот в зависимости от мощности высокочастотной аппаратуры, до проекции проводов ЛС и ЛПВ должно выбираться в соответствии с требованиями, изложенными в 2.5.236;
4) подземные кабельные вставки в ВЛ должны выполняться в соответствии с требованиями, приведенными в гл. 2.3 и 2.5.124.
1) угол пересечения проводов ВЛ с проводами ЛС и ЛПВ должен быть по возможности близок к 90°. Для стесненных условий угол не нормируется;
2) место пересечения следует выбирать по возможности ближе к опоре ВЛ. При этом расстояние по горизонтали от ближайшей части опоры ВЛ до проводов ЛС и ЛПВ должно быть не менее 7 м, а от опор ЛС и ЛПВ до проекции на горизонтальную плоскость ближайшего неотклоненного провода ВЛ должно быть не менее 15 м. Расстояние в свету от вершин опор ЛС и ПВ до неотклоненных проводов ВЛ должно быть не менее: 15 м - для ВЛ до 330 кВ, 20 м - для ВЛ 500 кВ;
3) не допускается расположение опор ЛС и ЛПВ под проводами пересекающей ВЛ;
4) опоры ВЛ, ограничивающие пролет пересечения с ЛС и ЛПВ, должны быть анкерного типа облегченной конструкции из любого материала как свободностоящие, так и на оттяжках. Деревянные опоры должны быть усилены дополнительными приставками или подкосами;
5) пересечения можно выполнять на промежуточных опорах при условии применения на ВЛ проводов с площадью сечения алюминиевой части не менее 120 мм;
6) провода ВЛ должны быть расположены над проводами ЛС и ЛПВ и должны быть многопроволочными сечениями не менее приведенных в табл. 2.5.5;
7) провода ЛС и ЛПВ в пролете пересечения не должны иметь соединений;
8) в пролете пересечения ВЛ с ЛС и ЛПВ на промежуточных опорах ВЛ крепление проводов на опорах должно осуществляться только с помощью поддерживающих гирлянд изоляторов с глухими зажимами;
9) изменение места установки опор ЛС и ЛПВ, ограничивающих пролет пересечения с ВЛ, допускается при условии, что отклонение средней длины элемента скрещивания на ЛС и ЛПВ не будет превышать значений, указанных в табл. 2.5.28;
Таблица 2.5.28
Допустимое изменение места установки опор ЛС и ЛПВ, ограничивающих пролет пересечения с ВЛ
|
35 |
40 |
50 |
60 |
70 |
80 |
100 |
125 |
170 |
|
|
Допустимое отклонение, м |
± 6 |
± 6,5 |
± 7 |
± 8 |
± 8,5 |
± 9 |
± 10 |
± 11 |
± 13 |
10) длины пролетов ЛС и ЛПВ в месте пересечения с ВЛ не должны превышать значений, указанных в табл. 2.5.29;
Таблица 2.5.29
Максимально допустимые длины пролетов ЛС и ПВ в месте пересечения с ВЛ
|
Марки проводов, применяемых на ЛС и ЛПВ |
Диаметр провода, мм |
Максимально допустимые длины пролета ЛС и ЛПВ, м, для линий типов |
|||
|
О |
Н |
У |
ОУ |
||
|
Сталеалюминиевые: |
|
|
|
|
|
|
АС 25/4,2 |
6,9 |
150 |
85 |
65 |
50 |
|
АС 16/2,7 |
5,6 |
85 |
65 |
40 |
35 |
|
АС 10/1,8 |
4,5 |
85 |
50 |
40 |
35 |
|
Биметаллические (сталемедные) БСМ-1, БСМ-2 |
4,0 |
180 |
125 |
100 |
85 |
|
3,0 |
180 |
100 |
85 |
65 |
|
|
2,0 |
150 |
85 |
65 |
40 |
|
|
1,6 |
100 |
65 |
40 |
40 |
|
|
1,2 |
85 |
35 |
- |
- |
|
|
Биметаллические (сталеалюминиевые) БСА-КПЛ |
5,1 |
180 |
125 |
90 |
85 |
|
4,3 |
180 |
100 |
85 |
65 |
|
|
Стальные |
5,0 |
150 |
130 |
70 |
45 |
|
4,0 |
150 |
85 |
50 |
40 |
|
|
3,0 |
125 |
65 |
40 |
- |
|
|
2,5 |
100 |
40 |
30 |
- |
|
|
2,0 |
100 |
40 |
30 |
- |
|
|
1,5 |
100 |
40 |
- |
- |
|
Примечание. О - обычный, Н - нормальный, У - усиленный, ОУ - особо усиленный, типы линий - в соответствии с «Правилами пересечения воздушных линий связи и радиотрансляционных сетей с линиями электропередачи».
11) опоры ЛС и ЛПВ, ограничивающие пролет пересечение или смежные с ним и находящиеся на обочине автомобильной дороги, должны быть защищены от наездов транспортных средств;
12) провода на опорах ЛС и ЛПВ, ограничивающие пролет пересечения с ВЛ, должны иметь двойное крепление: при траверсном профиле - только на верхней траверсе, при крюковом профиле - на двух верхних цепях;
13) расстояния по вертикали от проводов ВЛ до пересекаемых проводов ЛС и ЛПВ в нормальном режиме ВЛ и при обрыве проводов в смежных пролетах ВЛ должны быть не менее приведенных в табл. 2.5.30.
Расстояния по вертикали определяются в нормальном режиме при наибольшей стреле провеса проводов (без учета их нагрева электрическим током). В аварийном режиме расстояния проверяются для ВЛ с проводами площадью сечения алюминиевой части менее 185 мм2 при среднегодовой температуре, без гололеда и ветра. Для ВЛ с проводами площадью сечения алюминиевой части 185 мм2 и более проверка по аварийному режиму не требуется.
При разности высот точек крепления проводов ЛС и ЛПВ на опорах, ограничивающих пролет пересечения (например, на косогорах) с ВЛ 35 кВ и выше, вертикальные расстояния, определяемые по табл. 2.5.30, подлежат дополнительной проверке на условия отклонения проводов ВЛ при ветровом давлении, определенном согласно 2.5.56, направленном перпендикулярно оси ВЛ, и при неотклоненном положении проводов ЛС и ЛПВ.
Расстояния между проводами следует принимать для наиболее неблагоприятного случая.
При применении на ВЛ плавки гололеда следует проверять габариты до проводов ЛС и ЛПВ в режиме плавки гололеда. Эти габариты проверяются при температуре провода в режиме плавки гололеда и должны быть не меньше, чем при обрыве провода ВЛ в смежном пролете;
14) на деревянных опорах ВЛ без грозозащитного троса, ограничивающих пролет пересечения с ЛС и ЛПВ, при расстояниях между проводами пересекающихся линий менее указанных в п. б) табл. 2.5.30 на ВЛ должны устанавливаться защитные аппараты. Защитные аппараты должны устанавливаться в соответствии с требованиями 2.5.229. При установке ИП на ВЛ должно быть предусмотрено автоматическое повторное включение;
Таблица 2.5.30
Наименьшее расстояние по вертикали от проводов ВЛ до проводов ЛС и ЛПВ
|
Расчетный режим ВЛ |
Наименьшее расстояние, м, при напряжении ВЛ, кВ |
|||||
|
до 10 |
20 - 110 |
150 |
220 |
330 |
500 |
|
|
Нормальный режим: |
|
|
|
|
|
|
|
а) ВЛ на деревянных опорах при наличии грозозащитных устройств, а также на металлических и железобетонных опорах |
2 |
3 |
4 |
4 |
5 |
5 |
|
б) ВЛ на деревянных опорах при отсутствии грозозащитных устройств |
4 |
5 |
6 |
6 |
- |
- |
|
Обрыв проводов в смежных пролетах |
1 |
1 |
1,5 |
2 |
2,5 |
3,5 |
15) на деревянных опорах ЛС и ЛПВ, ограничивающих пролет пересечения, должны устанавливаться молниеотводы в соответствии с требованиями, предъявляемыми в нормативной документации на ЛС и ЛПВ.
2.5.241. Совместная подвеска проводов ВЛ и проводов ЛС и ЛПВ на общих опорах не допускается. Это требование не распространяется на специальные оптические кабели, которые подвешиваются на конструкциях ВЛ. Эти кабели должны соответствовать требованиям настоящей главы и правил проектирования, строительства и эксплуатации волоконно-оптических линий связи на воздушных линиях электропередачи.
2.5.242. При сближении ВЛ с ЛС и ЛПВ расстояния между их проводами и мероприятия по защите от влияния определяются в соответствии с правилами защиты устройств проводной связи, железнодорожной сигнализации и телемеханики от опасного и мешающего влияния линий электропередачи.
2.5.243. При сближении ВЛ с воздушными ЛС и ЛПВ наименьшие расстояния от крайних неотклоненных проводов ВЛ до опор ЛС и ЛПВ должны быть не менее высоты наиболее высокой опоры ВЛ, а на участках стесненной трассы расстояние от крайних проводов ВЛ при наибольшем отклонении их ветром расстояния должны быть не менее значений, указанных в табл. 2.5.31. При этом расстояние в свету от ближайшего неотклоненного провода ВЛ до вершин опор ЛС и ЛПВ должно быть не менее: 15 м - для ВЛ до 330 кВ, 20 м - для ВЛ 500 кВ, 30 м - для ВЛ 750 кВ.
Шаг транспозиции ВЛ по условию влияния на ЛС и ЛПВ не нормируется.
Таблица 2.5.31
Наименьшие расстояния между проводами ВЛ при наибольшем отклонении их ветром и опорами ЛС и ЛПВ в условиях стесненной трассы
|
Напряжение ВЛ, кВ |
До 20 |
35 - 110 |
150 |
220 |
330 |
500 - 750 |
|
Наименьшее расстояние, м |
2 |
4 |
5 |
6 |
8 |
10 |
Опоры ЛС и ЛПВ должны быть укреплены дополнительными подпорами или устанавливаться сдвоенными в случае, если при их падении возможно соприкосновение между проводами ЛС и ЛПВ и проводами ВЛ.
2.5.244. При сближении ВЛ со штыревыми изоляторами на участках, имеющих углы поворота, с воздушными ЛС и ЛПВ расстояния между ними должны быть такими, чтобы провод, сорвавшийся с угловой опоры ВЛ, не мог оказаться от ближайшего провода ЛС и ЛПВ на расстояниях менее приведенных в табл. 2.5.31. При невозможности выполнить это требование провода ВЛ, отходящие с внутренней стороны поворота, должны иметь двойное крепление.
2.5.245. При сближении ВЛ с подземными кабелями ЛС и ЛПВ наименьшие расстояния между ними и меры защиты определяются в соответствии с правилами защиты устройств проводной связи, железнодорожной сигнализации и телемеханики от опасного и мешающего влияния линий электропередачи и рекомендациями по защите оптических кабелей с металлическими элементами от опасного влияния линий электропередачи, электрифицированных железных дорог переменного тока и энергоподстанций.
Наименьшие расстояния от заземлителя и подземной части опоры ВЛ до подземного кабеля ЛС и ЛПВ должны быть не менее приведенных в табл. 2.5.26.
2.5.246. Расстояния от ВЛ до антенных сооружений передающих радиоцентров должны приниматься по табл. 2.5.32.
Таблица 2.5.32
Наименьшие расстояния от ВЛ до антенных сооружений передающих радиоцентров
|
Антенные сооружения |
Расстояния, м, при напряжении ВЛ, кВ |
|
|
До 110 |
150 - 750 |
|
|
Средневолновые и длинноволновые передающие антенны |
За пределами высокочастотного заземляющего устройства, но не менее 100 |
|
|
Коротковолновые передающие антенны: |
|
|
|
в направлении наибольшего излучения |
200 |
300 |
|
в остальных направлениях |
50 |
50 |
|
Коротковолновые передающие слабонаправленные и ненаправленные антенны |
150 |
200 |
2.5.247. Наименьшие расстояния сближения ВЛ со створом радиорелейной линии и радиорелейными станциями вне зоны направленности антенны должны приниматься по табл. 2.5.33. Возможность пересечения ВЛ со створом радиорелейной линии устанавливается при проектировании ВЛ.
2.5.248. Расстояния от ВЛ до границ приемных радиоцентров и выделенных приемных пунктов радиофикации и местных радиоузлов должны приниматься по табл. 2.5.33.
В случае прохождения трассы проектируемой ВЛ в районе расположения особо важных приемных радиоустройств допустимое сближение устанавливается в индивидуальном порядке в процессе проектирования ВЛ.
Если соблюдение расстояний, указанных в табл. 2.5.33, затруднительно, то в отдельных случаях допускается их уменьшение (при условии выполнения мероприятий на ВЛ, обеспечивающих соответствующее уменьшение помех). Для каждого случая в процессе проектирования ВЛ должен быть составлен проект мероприятий по соблюдению норм радиопомех.
Таблица 2.5.33
Наименьшие расстояния от ВЛ до границ приемных радиоцентров, радиорелейных КВ и УКВ станций, выделенных приемных пунктов радиофикации и местных радиоузлов
|
Радиоустройства |
Расстояние, м, при напряжении ВЛ, кВ |
||
|
До 35 |
110 - 220 |
330 - 750 |
|
|
Магистральные, областные, районные, связные радиоцентры и радиорелейные станции в диаграмме направленности антенны |
500 |
1000 |
2000 |
|
Радиолокационные станции, радиотехнические системы ближней навигации |
1000 |
1000 |
1000 |
|
Автоматические ультракоротковолновые радиопеленгаторы |
800 |
800 |
800 |
|
Коротковолновые радиопеленгаторы |
700 |
700 |
700 |
|
Станции проводного вещания |
200 |
300 |
400 |
|
Радиорелейные станции вне зоны направленности их антенн и створы радиорелейных линий |
100 |
200 |
250 |
расстояния от ВЛ до телецентров и радиодомов должны быть не менее: 400 м - для ВЛ до 20 кВ, 700 м - для ВЛ 35 - 150 кВ, 1000 м - для ВЛ 220 - 750 кВ.
2.5.249. Пересечение ВЛ с железными дорогами следует выполнять, как правило, воздушными переходами. На железных дорогах с особо интенсивным движением* и в некоторых технически обоснованных случаях (например, при переходе через насыпи, на железнодорожных станциях или в местах, где устройство воздушных переходов технически затруднено) переходы ВЛ следует выполнять кабелем.
* К особо интенсивному движению поездов относится такое движение, при котором количество пассажирских и грузовых поездов в сумме по графику на двухпутных участках составляет более 100 пар в сутки и на однопутных - 48 пар в сутки.
Пересечение ВЛ с железными дорогами в горловинах железнодорожных станций и в местах сопряжения анкерных участков контактной сети запрещается.
Угол пересечения ВЛ с электрифицированными* или подлежащими электрификации** железными дорогами, а также угол пересечения ВЛ 750 кВ с железными дорогами общего пользования должен быть близким к 90°, но не менее 65°.
В случае непараллельного прохождения воздушной ЛС МПС относительно железной дороги угол пересечения воздушной ЛС с ВЛ должен определяться расчетом опасного и мешающего влияний.
* К электрифицированным железным дорогам относятся все электрифицированные дороги независимо от рода тока и значения напряжения контактной сети.
** К дорогам, подлежащим электрификации, относятся дороги, которые будут электрифицированы в течение 10 лет, считая от года строительства ВЛ, намечаемого проектом.
2.5.250. При пересечении и сближении ВЛ с железными дорогами расстояния от основания опоры ВЛ до габарита приближения строений* на неэлектрифицированных железных дорогах или до оси опор контактной сети электрифицированных или подлежащих электрификации дорог должны быть не менее высоты опоры плюс 3 м. На участках стесненной трассы допускается эти расстояния принимать не менее: 3 м - для ВЛ до 20 кВ, 6 м - для ВЛ 35 - 150 кВ, 8 м - для ВЛ 220 - 330 кВ, 10 м - для ВЛ 500 кВ и 20 м - для ВЛ 750 кВ.
Защита пересечений ВЛ с контактной сетью защитными аппаратами осуществляется в соответствии с требованиями, приведенными в 2.5.229.
* Габаритом приближения строений называется предназначенное для пропуска подвижного состава предельное поперечное перпендикулярное пути очертание, внутрь которого, помимо подвижного состава, не могут заходить никакие части строений, сооружений и устройств.
2.5.251. Расстояния при пересечении и сближении ВЛ с железными дорогами от проводов до различных элементов железной дороги должны быть не менее приведенных в табл. 2.5.34.
Наименьшие расстояния по вертикали от проводов ВЛ до различных элементов железных дорог, а также до наивысшего провода или несущего троса электрифицированных железных дорог определяются в нормальном режиме ВЛ при наибольшей стреле провеса провода (при высшей температуре воздуха с учетом дополнительного нагрева провода электрическим током или при расчетной линейной гололедной нагрузке по 2.5.55).
При отсутствии данных об электрических нагрузках ВЛ температура проводов принимается равной плюс 70 °С.
В аварийном режиме расстояния проверяются при пересечении ВЛ с проводами площадью сечения алюминиевой части менее 185 мм2 для условий среднегодовой температуры без гололеда и ветра, без учета нагрева проводов электрическим током.
При площади сечения алюминиевой части проводов 185 мм2 и более проверка в аварийном режиме не требуется. Допускается расположение проводов пересекающей ВЛ над опорами контактной сети при расстоянии по вертикали от проводов ВЛ до верха опор контактной сети не менее: 7 м - для ВЛ напряжением до 110 кВ, 8 м - для ВЛ 150 - 220 кВ, 9 м - для ВЛ 330 - 500 кВ и 10 м - для ВЛ 750 кВ. В исключительных случаях на участках стесненной трассы допускается подвеска проводов ВЛ и контактной сети на общих опорах.
При пересечении и сближении ВЛ с железными дорогами, вдоль которых проходят линии связи и сигнализации, необходимо, кроме табл. 2.5.34, руководствоваться также требованиями, предъявляемыми к пересечениям и сближениям ВЛ с сооружениями связи.
Таблица 2.5.34
Наименьшие расстояния при пересечении и сближении ВЛ с железными дорогами
|
Пересечение или сближение |
Наименьшие расстояния, м, при напряжении ВЛ, кВ |
|||||||||||
|
До 20 |
35-100 |
150 |
220 |
330 |
500 |
750 |
||||||
|
При пересечении |
||||||||||||
|
Для неэлектрифицированных железных дорог |
|
|
|
|
|
|
|
|||||
|
от провода до головки рельса в нормальном режиме ВЛ по вертикали: |
|
|
|
|
|
|
|
|||||
|
железных дорог широкой и узкой колеи общего пользования |
7,5 |
7,5 |
8 |
8,5 |
9 |
9,5 |
20 |
|||||
|
железных дорог широкой колеи необщего пользования |
7,5 |
7,5 |
8 |
8,5 |
9 |
9,5 |
12 |
|||||
|
железных дорог узкой колеи необщего пользования |
6,5 |
6,5 |
7 |
7,5 |
8 |
8,5 |
12 |
|||||
|
от провода до головки рельса при обрыве провода ВЛ в смежном пролете по вертикали: |
|
|
|
|
|
|
|
|||||
|
железных дорог широкой колеи |
6 |
6 |
6,5 |
6,5 |
7 |
- |
- |
|||||
|
железных дорог узкой колеи |
4,5 |
4,5 |
5 |
5 |
5,5 |
- |
- |
|||||
|
Для электрифицированных или подлежащих электрификации железных дорог от проводов ВЛ до наивысшего провода или несущего троса: |
|
|||||||||||
|
в нормальном режиме по вертикали |
Как при пересечении ВЛ между собой в соответствии с табл. 2.5.24 (см. также 2.5.229) |
|||||||||||
|
при обрыве провода в соседнем пролете |
1 |
1 |
2 |
2 |
2,5 |
3,5 |
- |
|||||
|
При сближении или параллельном следовании |
||||||||||||
|
Для неэлектрифицированных железных дорог на участках стесненной трассы от отклоненного провода ВЛ до габарита приближения строений по горизонтали |
1,5 |
2,5 |
2,5 |
2,5 |
3,5 |
4,5 |
5,5 |
|||||
|
Для электрифицированных или подлежащих электрификации железных дорог от крайнего провода ВЛ до крайнего провода, подвешенного с полевой стороны опоры контактной сети, по горизонтали |
Как при сближении ВЛ между собой в соответствии с табл. 2.5.25 |
|||||||||||
|
То же, но при отсутствии проводов с полевой стороны опор контактной сети |
Как при сближении ВЛ с сооружениями в соответствии с 2.5.216 |
|||||||||||
2.5.252. При пересечении ВЛ электрифицированных и подлежащих электрификации железных дорог общего пользования опоры ВЛ, ограничивающие пролет пересечения, должны быть анкерными нормальной конструкции. На участках с особо интенсивным и интенсивным движением* поездов эти опоры должны быть металлическими.
* К интенсивному движению поездов относится такое движение, при котором количество пассажирских и грузовых поездов в сумме по графику на двухпутных участках составляет более 50 и до 100 пар в сутки, а на однопутных - более 24 и до 48 пар в сутки.
Допускается в пролете этого пересечения, ограниченного анкерными опорами, установка промежуточной опоры между путями, не предназначенными для прохождения регулярных пассажирских поездов, а также промежуточных опор по краям железнодорожного полотна путей любых дорог. Указанные опоры должны быть металлическими или железобетонными. Крепление проводов на этих опорах должно осуществляться поддерживающими двухцепными гирляндами изоляторов с глухими зажимами.
Применение опор из любого материала с оттяжками и деревянных одностоечных опор не допускается. Деревянные промежуточные опоры должны быть П-образными (с Х- или Z-образными связями) или А-образными.
При пересечении железных дорог необщего пользования допускается применение анкерных опор облегченной конструкции и промежуточных опор. Крепление проводов на промежуточных опорах должно осуществляться поддерживающими двухцепными гирляндами изоляторов с глухими зажимами. Опоры всех типов, устанавливаемых на пересечении железных дорог необщего пользования, могут быть свободностоящими или на оттяжках.
2.5.253. На ВЛ с подвесными изоляторами и нерасщепленным проводом в фазе натяжные гирлянды изоляторов для провода должны быть двухцепными с раздельным креплением каждой цепи к опоре. Крепление натяжных гирлянд изоляторов для расщепленного провода в фазе должно выполняться в соответствии с 2.5.112. Применение штыревых изоляторов в пролетах пересечений ВЛ с железными дорогами не допускается.
Использование в качестве заземлителей арматуры железобетонных опор и железобетонных приставок у опор, ограничивающих пролет пересечения, не допускается.
2.5.254. При пересечении ВЛ с железной дорогой, имеющей лесозащитные насаждения, следует руководствоваться требованиями 2.5.207.
2.5.255. Минимальные расстояния от ВЛ до мостов железных дорог с пролетом 20 м и менее следует принимать такими же, как до соответствующих железных дорог по табл. 2.5.34, а с пролетом более 20 м устанавливаются при проектировании ВЛ.
2.5.256. Требования, приведенные в 2.5.256 - 2.5.263, распространяются на пересечения и сближения с автомобильными дорогами:
общего пользования и подъездными к промпредприятиям (категорий IА, IБ, II - V по строительным нормам и правилам на автомобильные дороги);
внутрихозяйственными в сельскохозяйственных предприятиях (категорий I-С - III-С по строительным нормам и правилам на внутрихозяйственные автомобильные дороги в колхозах, совхозах и других сельскохозяйственных предприятиях и организациях).
Пересечение и сближение ВЛ с федеральными дорогами общего пользования должны также соответствовать требованиям правил установления и использования придорожных полос федеральных автомобильных дорог общего пользования.
Угол пересечения с автомобильными дорогами не нормируется.
2.5.257. При пересечении автомобильных дорог категорий IА и IБ опоры ВЛ, ограничивающие пролет пересечения, должны быть анкерного типа нормальной конструкции.
На ВЛ с подвесными изоляторами и нерасщепленным проводом в фазе с площадью сечения алюминиевой части 120 мм2 и более натяжные гирлянды изоляторов для провода должны быть двухцепными раздельным креплением каждой цепи к опоре.
Натяжные многоцепные гирлянды изоляторов для расщепленной фазы, состоящие из двух-пяти цепей, следует предусматривать с раздельным креплением каждой цепи к опоре.
Допускается в пролете пересечения дорог категорий IА и IБ, ограниченном анкерными опорами, установка промежуточных опор за пределами водопропускной канавы у подошвы дорожного полотна с учетом требований 2.5.262. Крепление проводов на этих опорах должно осуществляться поддерживающими двухцепными гирляндами изоляторов с глухими зажимами.
При пересечении автомобильных дорог категорий II - V, I-С - III-C опоры, ограничивающие пролет пересечения, могут быть анкерного типа облегченной конструкции или промежуточными.
На промежуточных опорах с поддерживающими гирляндами изоляторов провода должны быть подвешены в глухих зажимах, на опорах со штыревыми изоляторами должно применяться двойное крепление проводов на ВЛ и усиленное крепление на ВЛЗ.
При сооружении новых автомобильных дорог всех категорий и прохождении их под действующими ВЛ 500 - 750 кВ переустройство ВЛ не требуется, если выдерживаются наименьшие расстояния в соответствии с табл. 2.5.35.
2.5.258. Расстояния при пересечении и сближении ВЛ с автомобильными дорогами должны быть не менее приведенных в табл. 2.5.35.
Таблица 2.5.35
Наименьшие расстояния при пересечении и сближении ВЛ с автомобильными дорогами
|
Пересечение, сближение или параллельное следование |
Наименьшие расстояния, м, при напряжении ВЛ, кВ |
||||||
|
До 20 |
35 - 110 |
150 |
220 |
330 |
500 |
750 |
|
|
Расстояние по вертикали: |
|
|
|
|
|
|
|
|
а) от провода до покрытия проезжей части дорог всех категорий |
7 |
7 |
7,5 |
8 |
8,5 |
9,5 |
16 |
|
б) то же, при обрыве провода в смежном пролете |
5,5 |
5,5 |
5,5 |
5,5 |
6 |
- |
- |
|
Расстояние по горизонтали: |
|
||||||
|
1. При пересечении дорог всех категорий, за исключением III-С и V: |
|
||||||
|
а) от основания или любой части опоры до бровки земляного полотна дороги |
Высота опоры |
||||||
|
б) в стесненных условиях от основания или любой части опоры до подошвы насыпи или до наружной бровки кювета дорог категорий IА, IБ и II |
5 |
5 |
5 |
5 |
10 |
10 |
15 |
|
в) то же, до дороги категорий III, IV, I-С, II-С |
2,0 |
2,5 |
2,5 |
2,5 |
5 |
5 |
15 |
|
2. При пересечении дороги категорий III-С и V: |
|
||||||
|
а) от основания или любой части опоры до бровки земляного полотна дороги |
Высота опоры |
||||||
|
б) в стесненных условиях от основания или любой части опоры до подошвы насыпи, наружной бровки, выемки или боковой водоотводящей канавы |
1,5 |
2,5 |
2,5 |
2,5 |
5 |
5 |
15 |
|
3. При параллельном следовании с дорогами всех категорий: |
|
||||||
|
а) от основания или любой части опоры до бровки земляного полотна дороги |
Высота опоры плюс 5 м |
||||||
|
б) от крайнего неотклоненного провода до бровки земляного полотна |
10 |
15 |
15 |
15 |
20* |
30* |
40* |
|
в) то же, в стесненных условиях |
2 |
4 |
5 |
6 |
8 |
10 |
15 |
* С учетом предельно допустимых уровней напряженности электрического поля.
Во всех случаях сближения с криволинейными участками автодорог, проходящих по насыпям, минимальные расстояния от проводов ВЛ до бровки земляного полотна должны быть не менее расстояний по вертикали, указанных в табл. 2.5.35.
Наименьшие расстояния по вертикали в нормальном режиме работы ВЛ от проводов до проезжей части дорог должны приниматься:
без учета нагрева провода электрическим током при высшей температуре воздуха для ВЛ 500 кВ и ниже, при температуре воздуха по 2.5.17 при предельно допустимых значениях интенсивности электрической и магнитной составляющих электромагнитного поля для ВЛ 750 кВ;
при расчетной линейной гололедной нагрузке по 2.5.55 и температуре воздуха при гололеде согласно 2.5.51.
2.5.259. Расстояния по вертикали от проводов ВЛ с площадью сечения алюминиевой части менее 185 мм2 в местах пересечения с автомобильными дорогами должны быть проверены на обрыв провода в смежном пролете при среднегодовой температуре воздуха без учета нагрева проводов электрическим током. Эти расстояния должны быть не менее приведенных в табл. 2.5.35.
2.5.260. В местах пересечения ВЛ с автомобильными дорогами с обеих сторон ВЛ на дорогах должны устанавливаться дорожные знаки в соответствии с требованиями государственного стандарта.
В местах пересечения ВЛ 330 кВ и выше с автомобильными дорогами с обеих сторон ВЛ на дорогах должны устанавливаться дорожные знаки, запрещающие остановку транспорта в охранных зонах этих линий.
Подвеска дорожных знаков на тросах-растяжках в пределах охранных зон ВЛ не допускается.
2.5.261. При сближении или пересечении зеленых насаждений, расположенных вдоль автомобильных дорог, следует руководствоваться 2.5.207.
* Определение дорожных ограждений I группы приведено в строительных нормах и правилах на автомобильные дороги.
2.5.263. Минимальные расстояния от ВЛ до мостов автомобильных дорог с пролетом 20 м и менее следует принимать такими же, как до соответствующих автомобильных дорог по табл. 2.5.35, а с пролетом более 20 м - устанавливаются при проектировании ВЛ.
2.5.264. Угол пересечения ВЛ с троллейбусными и трамвайными линиями следует принимать близким 90°, но не менее 60°.
2.5.265. При пересечении троллейбусных и трамвайных линий опоры ВЛ, ограничивающие пролет пересечения, должны быть анкерными нормальной конструкции.
Для ВЛ с проводами площадью сечения алюминиевой части 120 мм2 и более или со стальными канатами типа ТК сечением 50 мм2 и более допускаются также промежуточные опоры с подвеской проводов в глухих зажимах или с двойным креплением на штыревых изоляторах.
В случае применения анкерных опор на ВЛ с подвесными изоляторами и нерасщепленным проводом в фазе с площадью сечения алюминиевой части 120 мм2 и более натяжные гирлянды изоляторов для провода должны быть двухцепными с раздельным креплением каждой цепи к опоре.
При сооружении новых троллейбусных и трамвайных линий и прохождении их под действующими ВЛ 500 кВ переустройство ВЛ не требуется, если выдерживаются наименьшие расстояния в соответствии с табл. 2.5.36.
Для ВЛЗ с проводами площадью сечения алюминиевой части 120 мм2 и более допускается применение промежуточных опор с усиленным креплением защищенных проводов.
2.5.266. Наименьшие расстояния от проводов ВЛ при пересечении, сближении или параллельном следовании с троллейбусными и трамвайными линиями в нормальном режиме работы ВЛ должны приниматься не менее приведенных в табл. 2.5.36:
при высшей температуре воздуха без учета нагрева провода электрическим током;
при расчетной линейной гололедной нагрузке по 2.5.55 и температуре воздуха при гололеде согласно 2.5.51.
Расстояния по вертикали от проводов ВЛ площадью сечения алюминиевой части менее 185 мм2 в местах пересечения с проводами или несущими тросами троллейбусной или трамвайной липни должны быть проверены в аварийном режиме на обрыв провода ВЛ в смежном пролете при среднегодовой температуре воздуха без учета нагрева проводов электрическим током. При этом расстояния должны быть не менее приведенных в табл. 2.5.36.
Таблица 2.5.36
Наименьшие расстояния от проводов ВЛ при пересечении, сближении или параллельном следовании с троллейбусными и трамвайными линиями
|
Пересечение, сближение или параллельное следование |
Наименьшее расстояние, м, при напряжении ВЛ, кВ |
||||
|
До 20 |
35-110 |
150-220 |
330 |
500 |
|
|
Расстояние по вертикали от проводов ВЛ: |
|
|
|
|
|
|
а) при пересечении с троллейбусной линией в нормальном режиме ВЛ: |
|
|
|
|
|
|
до высшей отметки проезжей части |
11 |
11 |
12 |
13 |
13 |
|
до проводов контактной сети или несущих тросов |
3 |
3 |
4 |
5 |
5 |
|
б) при пересечении с трамвайной линией в нормальном режиме ВЛ: |
|
|
|
|
|
|
до головки рельса |
9,5 |
9,5 |
10,5 |
11,5 |
11,5 |
|
до проводов контактной сети или несущих тросов |
3 |
3 |
4 |
5 |
5 |
|
в) при обрыве провода ВЛ в смежном пролете до проводов или несущих тросов троллейбусной или трамвайной линии |
1 |
1 |
2 |
2,5 |
- |
|
Расстояние по горизонтали при сближении или параллельном следовании: |
|
||||
|
а) от крайних неотклоненных проводов ВЛ до опор троллейбусной и трамвайной контактных сетей |
Не менее высоты опоры |
||||
|
б) от крайних проводов ВЛ при наибольшем их отклонении до опор троллейбусной и трамвайной контактных сетей на участках стесненной трассы |
3 |
4 |
6 |
8 |
10 |
|
в) от крайних неотклоненных проводов ВЛ до остановочных пунктов трамваев и троллейбусов, разворотных колец с путями рабочими, отстоя, обгона и ремонта |
10 |
20 |
25 |
30 |
30 |
При сближении ВЛ 110 кВ и выше с троллейбусными и трамвайными линиями расстояния между их проводами и мероприятия по защите от влияния должны быть определены в соответствии со строительными нормами и правилами на трамвайные и троллейбусные линии.
2.5.267. Защита пересечений ВЛ с контактной сетью осуществляется защитными аппаратами в соответствии с требованиями, приведенными в 2.5.229.
Допускается размещение проводов пересекающей ВЛ над опорами контактной сети при расстояниях по вертикали от проводов ВЛ до верха опор контактной сети не менее: 7 м - для ВЛ напряжением до 110 КВ, 8 м - для ВЛ 150 - 220 кВ, 9 м - для ВЛ 330 - 500 кВ.
2.5.268. Угол пересечения ВЛ с водными пространствами (реками, каналами, озерами, водохранилищами и др.) не нормируется.
Следует избегать, по возможности, пересечения ВЛ мест длительной стоянки судов (затонов, портов и других отстойных пунктов). Прохождение ВЛ над шлюзами не допускается.
2.5.269. При пересечении судоходных участков рек, каналов, озер и водохранилищ независимо от длины пролета пересечения, а также несудоходных участков водных пространств с пролетом пересечения более 700 м (большие переходы) опоры ВЛ, ограничивающие пролет пересечения, должны быть анкерными концевыми.
Для ВЛ со сталеалюминиевыми проводами и проводами из термообработанного алюминиевого сплава со стальным сердечником с площадью сечения алюминиевой части для обоих типов проводов 120 мм2 и более или стальными канатами типа ТК площадью сечения 50 мм2 и более допускается применение промежуточных опор и анкерных опор облегченного типа; при этом количество промежуточных опор между концевыми опорами должно соответствовать требованиям 2.5.153.
При применении в пролете пересечения промежуточных опор провода и тросы должны крепиться к ним глухими или специальными зажимами (например, многороликовыми подвесами).
На пересечениях ВЛ с судоходными водными пространствами, выполненных на промежуточных опорах с креплением проводов в глухих зажимах, расстояния по вертикали от проводов ВЛ площадью сечения алюминиевой части менее 185 мм2 до судов должны быть проверены на обрыв провода в соседнем пролете при среднегодовой температуре воздуха без ветра и гололеда без учета нагрева проводов электрическим током. При площади сечения алюминиевой части 185 мм2 и более проверка в аварийном режиме не требуется.
2.5.270. Расстояние от нижней точки провеса проводов ВЛ в нормальном и аварийном режимах до уровня высоких (паводковых) вод на судоходных участках рек. каналов, озер и водохранилищ определяется как сумма максимального габарита судов и наименьшего расстояния от проводов ВЛ до габарита судов по табл. 2.5.37.
Стрела провеса провода при этом определяется при высшей температуре воздуха без учета нагрева проводов, электрическим током.
Уровень высоких (паводковых) вод принимается с вероятностью превышения (обеспеченностью) 0,01 (повторяемость 1 раз в 100 лет) для ВЛ 500 - 750 кВ и 0,02 (повторяемость 1 раз в 50 лет) - для ВЛ 330 кВ и ниже.
Расстояния от нижней точки провеса провода ВЛ до уровня льда должны быть не менее указанных в табл. 2.5.37. Стрела провеса провода при этом определяется при расчетной линейной гололедной нагрузке по 2.5.55 и температуре воздуха при гололеде согласно 2.5.51.
При пересечении ВЛ 330 кВ и выше мест длительной стоянки судов (затонов, портов и других отстойных пунктов) должно быть обеспечено наименьшее расстояние до верхних рабочих площадок обслуживания судов согласно табл. 2.5.37. Стрела провеса провода при этом определяется при температуре воздуха по 2.5.17 без учета нагрева провода электрическим током при предельно допустимых значениях интенсивности электрической и магнитной составляющих электромагнитного поля.
Таблица 2.5.37
Наименьшее расстояние при пересечении ВЛ с водными пространствами
|
Расстояние |
Наименьшее расстояние, м, при напряжении ВЛ, кВ |
|||||
|
До 110 |
150 |
220 |
330 |
500 |
750 |
|
|
Для судоходных участков рек, каналов, озер и водохранилищ от проводов по вертикали: |
|
|
|
|
|
|
|
до максимального габарита судов или сплава в нормальном режиме ВЛ |
2 |
2,5 |
3,0 |
3,5 |
4,0 |
5,5 |
|
то же, но при обрыве провода в соседнем пролете |
0,5 |
1,0 |
1,0 |
1,5 |
- |
- |
|
до верхних рабочих площадок обслуживания судов (крыша рубки и т.д.) в затонах, портах и других отстойных пунктах |
- |
- |
- |
11,0 |
15,5 |
23,0 |
|
до уровня льда |
6,0 |
6,5 |
7,0 |
7,5 |
8,0 |
12,0 |
|
Для несудоходных участков рек, каналов, озер и водохранилищ от проводов по вертикали: |
|
|
|
|
|
|
|
до уровня высоких вод* |
5,5 |
6,0 |
6,5 |
7,0 |
7,5 |
10,0 |
|
до уровня льда |
6,0 |
6,5 |
7,0 |
7,5 |
8,0 |
12,0 |
* Наименьшее расстояние обеспечивает пропуск плавающих средств высотой до 3,5 м.
2.5.271. Расстояния от нижней точки провеса проводов ВЛ в нормальном режиме до уровня высоких (паводковых) вод на несудоходных участках рек, канатов, озер и водохранилищ должны быть не менее приведенных в табл. 2.5.37. Стрела провеса провода при этом определяется при температуре воздуха 15 °С без учета нагрева проводов электрическим током.
Расстояния от нижней точки провеса проводов ВЛ до уровня льда должны быть не менее указанных в табл. 2.5.37. Стрела провеса провода при этом определяется при расчетной линейной гололедной нагрузке по 2.5.55 и температуре воздуха при гололеде согласно 2.5.51.
Знаки «Соблюдай надводный габарит» устанавливаются по одному на каждом берегу на расстоянии 100 м выше или ниже (по течению) оси воздушного перехода. При ширине реки до 100 м щиты знаков устанавливаются непосредственно на опоре ВЛ на высоте не менее 5 м.
Предупреждающие навигационные знаки устанавливают владельцы ВЛ. Размеры знака, цвет и режим горения огней должны соответствовать государственным стандартам.
2.5.273. Прокладка ВЛ 1 кВ и выше на всех мостах, как правило, не допускается.
При обоснованной необходимости допускается прохождение ВЛ по мостам, выполненным из негорючих материалов, при этом опоры или поддерживающие устройства, ограничивающие пролеты с берега на мост и через разводную часть моста, должны быть анкерными нормальной конструкции, все прочие поддерживающие устройства на мостах могут быть промежуточного типа, на этих устройствах с поддерживающими гирляндами изоляторов провода должны быть подвешены в глухих зажимах. Применение штыревых изоляторов не допускается, кроме ВЛЗ, где допускается их применение с креплением проводов спиральными пружинными вязками.
2.5.274. На металлических железнодорожных мостах с ездой по низу, снабженных на всем протяжении верхними связями, провода допускается располагать непосредственно над пролетным строением моста выше связей или за его пределами; располагать провода в пределах габарита приближения строений, а также в пределах ширины, занятой элементами контактной сети электрифицированных железных дорог, не допускается. Расстояния от проводов ВЛ до всех линий МПС, проложенных по конструкции моста, принимаются по 2.5.251, как для стесненных участков трассы.
На городских и шоссейных мостах провода допускается располагать как за пределами пролетного строения, так и в пределах ширины пешеходной и проезжей частей моста.
На охраняемых мостах допускается располагать провода ВЛ ниже отметки пешеходной части.
2.5.275. Наименьшие расстояния от проводов ВЛ до различных частей мостов должны приниматься в соответствии с требованиями организаций, в ведении которых находится данный мост. При этом определение наибольшей стрелы провеса проводов производится путем сопоставления стрел провеса при высшей температуре воздуха и при гололеде.
2.5.276. При прохождении ВЛ по плотинам, дамбам и т.п. любые расстояния от неотклоненных и отклоненных проводов до различных частей плотин или дамб в нормальном режиме ВЛ должны быть не менее приведенных в табл. 2.5.38.
Расстояния по вертикали в нормальном режиме работы ВЛ должны приниматься не менее приведенных в табл. 2.5.38:
при высшей температуре воздуха без учета нагрева провода электрическим током для ВЛ 500 кВ и ниже;
при температуре воздуха по 2.5.17 без учета нагрева проводов электрическим током при предельно допустимых значениях интенсивности электрической и магнитной составляющих электромагнитного поля для ВЛ 750 кВ;
при расчетной линейной гололедной нагрузке по 2.5.55 и температуре воздуха при гололеде согласно 2.5.51.
Таблица 2.5.38
Наименьшие расстояния от проводов ВЛ до различных частей плотин и дамб
|
Части плотин и дамб |
Наименьшее расстояние, м, при напряжении ВЛ, кВ |
|||||
|
До 110 |
150 |
220 |
330 |
500 |
750 |
|
|
Гребень и бровка откоса |
6 |
6,5 |
7 |
7,5 |
8 |
12 |
|
Наклонная поверхность откоса |
5 |
5,5 |
6 |
6,5 |
7 |
9 |
|
Поверхность переливающейся через плотину воды |
4 |
4,5 |
5 |
5,5 |
6 |
7 |
2.5.277. При прохождении ВЛ по плотинам и дамбам, по которым проложены пути сообщения, ВЛ должна удовлетворять также требованиям, предъявляемым к ВЛ при пересечении и сближении с соответствующими объектами путей сообщения.
При этом расстояния по горизонтали от любой части опоры до путей сообщения должны приниматься как для ВЛ на участках стесненной трассы. Расстояния до пешеходных дорожек и тротуаров не нормируются.
Располагать провода в пределах габарита приближения строений, а также в пределах ширины, занятой элементами контактной сети электрифицированных железных дорог, не допускается.
Допускается располагать провода в пределах полотна автомобильной дороги, пешеходных дорожек и тротуаров.
Если нормы сближения не предусмотрены нормативными документами, то расстояния от оси трассы ВЛ до указанных зданий, сооружений, наружных установок и зон должны составлять не менее полуторакратной высоты опоры.
Угол пересечения ВЛ с надземными и наземными трубопроводами для транспорта негорючих жидкостей и газов, а также с промышленными канатными дорогами не нормируется.
* Газопроводы, нефтепроводы, нефтепродуктопроводы, трубопроводы сжиженных углеводородных газов, аммиакопроводы в дальнейшем именуются трубопроводы для транспорта горючих жидкостей и газов.
2.5.280. Пересечение ВЛ 110 кВ и выше с надземными и наземными магистральными и промысловыми трубопроводами* для транспорта горючих жидкостей и газов, как правило, не допускается.
* Магистральные и промысловые трубопроводы в дальнейшем именуются магистральные трубопроводы.
Допускается пересечение этих ВЛ с действующими однониточными наземными магистральными трубопроводами для транспорта горючих жидкостей и газов, а также с действующими техническими коридорами этих трубопроводов при прокладке трубопроводов в насыпи.
В районах с вечномерзлыми грунтами допускается пересечение ВЛ 110 кВ и выше с надземными и наземными магистральными нефтепроводами, а также с их техническими коридорами без прокладки нефтепроводов в насыпи. При этом нефтепроводы на расстоянии 1000 м в обе стороны от пересечения с ВЛ должны отвечать требованиям, предъявляемым к участкам трубопроводов категории I, а в пределах охранной зоны ВЛ 500 кВ и выше - категории В по строительным нормам и правилам магистральные трубопроводы.
В пролетах пересечения с ВЛ надземные и наземные трубопроводы для транспорта горючих жидкостей и газов, кроме проложенных в насыпи, следует защищать ограждениями, исключающими попадание проводов на трубопровод как при их обрыве, так и необорванных проводов при падении опор, ограничивающих пролет пересечения.
Ограждения должны быть рассчитаны на нагрузки от воздействия проводов при их обрыве или при падении опор ВЛ, ограничивающих пролет пересечения, и на термическую стойкость при протекании токов КЗ.
Ограждение должно выступать по обе стороны пересечения на расстояние, равное высоте опоры.
2.5.281. Опоры ВЛ, ограничивающие пролет пересечения с надземными и наземными трубопроводами, а также с канатными дорогами, должны быть анкерными нормальной конструкции. Для ВЛ со сталеалюминиевыми проводами площадью сечения по алюминию 120 мм2 и более или со стальными канатами площадью сечения 50 мм и более, кроме пересечений с пассажирскими канатными дорогами, допускаются анкерные опоры облегченной конструкции или промежуточные опоры. Поддерживающие зажимы на промежуточных опорах должны быть глухими.
При сооружении новых трубопроводов и канатных дорог под действующими ВЛ 500 кВ и выше переустройство ВЛ не требуется, если выдерживается наименьшее расстояние в соответствии с табл. 2.5.39.
Таблица 2.5.39
Наименьшее расстояние от проводов ВЛ до наземных, надземных трубопроводов, канатных дорог
|
Пересечение, сближение и параллельное следование |
Наименьшее расстояние, м, при напряжении ВЛ, кВ |
|||||||
|
До 20 |
35 |
110 |
150 |
220 |
330 |
500 |
750 |
|
|
Расстояние по вертикали (в свету) при пересечении: |
|
|
|
|
|
|
|
|
|
от неотклоненных проводов ВЛ до любой части трубопроводов (насыпи), защитных устройств, трубопровода или канатной дороги в нормальном режиме |
3* |
4 |
4 |
4,5 |
5 |
6 |
8 |
12 |
|
то же, при обрыве провода в смежном пролете |
2* |
2* |
2* |
2,5 |
3 |
4 |
- |
- |
|
Расстояния по горизонтали: |
|
|||||||
|
1) при сближении и параллельном следовании от крайнего неотклоненного провода до любой части: |
|
|||||||
|
магистрального нефтепровода и нефтепродуктопровода |
50 м, но не менее высоты опоры |
|||||||
|
газопровода с избыточным давлением свыше 1,2 МПа (магистрального газопровода) |
Не менее удвоенной высоты опоры, но не менее 50 м |
|||||||
|
трубопровода сжиженных углеводородных газов |
Не менее 1000 м |
|||||||
|
аммиакопровода |
3-кратная высота опоры, но не менее 50 м |
|||||||
|
немагистральных нефтепровода и нефтепродуктопровода, газопровода с избыточным давлением газа 1,2 МПа и менее, водопровода, канализации (напорной и самотечной), водостока, тепловой сети |
Не менее высоты опоры** |
|||||||
|
помещений со взрывоопасными зонами и наружных взрывоопасных установок: |
|
|
|
|
|
|
|
|
|
компрессорных (КС) и газораспределительных (ГРС) станций: |
|
|
|
|
|
|
|
|
|
на газопроводах с давлением свыше 1,2 МПа |
80 |
80 |
100 |
120 |
140 |
160 |
180 |
200 |
|
на газопроводах с давлением газа 1,2 МПа и менее |
Не менее высоты опоры плюс 3 м |
|||||||
|
нефтеперекачивающих станций (НПС) |
40 |
40 |
60 |
80 |
100 |
120 |
150 |
150 |
|
2) при пересечении от основания опоры ВЛ до любой части: |
|
|||||||
|
трубопровода, защитных устройств трубопровода или канатной дороги |
Не менее высоты опоры |
|||||||
|
то же, на участках трассы в стесненных условиях |
3 |
4 |
4 |
4,5 |
5 |
6 |
6,5 |
15 |
* При прокладке трубопровода в насыпи расстояние до насыпи увеличивается на 1 м.
** Если высота надземного сооружения превышает высоту опоры ВЛ, расстояние между этим сооружением и ВЛ следует принимать не менее высоты этого сооружения.
Примечание. Приведенные в таблице расстояния принимаются до границы насыпи или защитного устройства.
В пролетах пересечения ВЛ с трубопроводами для транспорта горючих жидкостей и газов провода и тросы не должны иметь соединений.
2.5.282. Провода ВЛ должны располагаться над надземными трубопроводами и канатными дорогами. В исключительных случаях допускается прохождение ВЛ до 220 кВ под канатными дорогами, которые должны иметь мостики или сетки для ограждения проводов ВЛ. Крепление мостиков и сеток на опорах ВЛ не допускается.
Расстояния по вертикали от ВЛ до мостиков, сеток и ограждений (2.5.280) должны быть такими же, как до надземных и наземных трубопроводов и канатных дорог (см. табл. 2.5.39).
2.5.283. В пролетах пересечения с ВЛ металлические трубопроводы, кроме проложенных в насыпи, канатные дороги, а также ограждения, мостики и сетки должны быть заземлены. Сопротивление, обеспечиваемое применением искусственных заземлителей, должно быть не более 10 Ом.
2.5.284. Расстояния при пересечении, сближении и параллельном следовании с надземными и наземными трубопроводами и канатными дорогами должны быть не менее приведенных в табл. 2.5.39*.
* Взаимное расположение трубопроводов, их зданий, сооружений и наружных установок и ВЛ, входящих в состав трубопроводов, определяется ведомственными нормами.
Расстояния по вертикали в нормальном режиме работы ВЛ должны приниматься не менее значений, приведенных в табл. 2.5.39:
при высшей температуре воздуха без учета нагрева проводов электрическим током расстояния должны приниматься как для ВЛ 500 кВ и ниже;
при температуре воздуха по 2.5.17 без учета нагрева провода электрическим током при предельно допустимых значениях интенсивности электрической и магнитной составляющих электромагнитного поля - для ВЛ 750 кВ;
при расчетной линейной гололедной нагрузке по 2.5.55 и температуре воздуха при гололеде - согласно 2.5.51.
В аварийном режиме расстояния проверяются для ВЛ с проводами площадью сечения алюминиевой части менее 185 мм2 при среднегодовой температуре, без гололеда и ветра; для ВЛ с проводами площадью сечения алюминиевой части 185 мм2 и более проверка при обрыв провода не требуется.
Трасса ВЛ напряжением 110 кВ и выше при параллельном следовании с техническими коридорами надземных и наземных магистральных нефтепроводов и нефтепродуктопроводов должна проходить, как правило, на местности с отметками рельефа выше отметок технических коридоров магистральных нефтепроводов и нефтепродуктопроводов. В районах Западной Сибири и Крайнего Севера* при параллельном следовании ВЛ 110 кВ и выше с техническими коридорами надземных и наземных магистральных газопроводов, нефтепроводов нефтепродуктопроводов и аммиакопроводов расстояние от оси ВЛ до крайнего трубопровода должно быть не менее 1000 м.
* Здесь и далее к районам Западной Сибири относятся нефтегазодобывающие районы Тюменской и Томской областей и Ямало-Ненецкого и Ханты-Мансийского округов и к районам Крайнего Севера - территория, включенная в это понятие Постановлением Совета Министров СССР от 10.10.67.
На участках стесненной трассы ВЛ это расстояние может быть уменьшено до 150 м, кроме многоцепных ВЛ, расположенных как на общих, так и на раздельных опорах.
2.5.286. На участках пересечения ВЛ с вновь сооружаемыми надземными и наземными магистральными трубопроводами последние на расстоянии по 50 м в обе стороны от проекции крайнего неотклоненного провода должны иметь для ВЛ до 20 кВ категорию, отвечающую требованиям строительных норм и правил, а для ВЛ 35 кВ и выше - на одну категорию выше.
2.5.287. Угол пересечения ВЛ 35 кВ и ниже с подземными магистральными и промысловыми газопроводами, нефтепроводами, нефтепродуктопроводами, трубопроводами сжиженных углеводородных газов и аммиакопроводами* не нормируется.
* Газопроводы, нефтепроводы, нефтепродуктопроводы, трубопроводы снижения углеводородных газов, аммиакопроводы в дальнейшем именуются трубопроводами для транспорта горючих, жидкостей и газов; магистральные и промысловые трубопроводы в дальнейшем именуются магистральными трубопроводами.
Угол пересечения ВЛ 110 КВ и выше с вновь сооружаемыми подземными магистральными трубопроводами для транспорта горючих жидкостей и газов, а также с действующими техническими коридорами этих трубопроводов должен быть не менее 60°.
Угол пересечения ВЛ с подземными газопроводами с избыточным давлением газа 1,2 МПа и менее, немагистральными нефтепроводами, нефтепродуктопроводами, трубопроводами сжиженных углеводородных газов и аммиакопроводами, а также с подземными трубопроводами для транспорта негорючих жидкостей и газов не нормируется.
2.5.288. Расстояния при пересечении, сближении и параллельном следовании ВЛ с подземными трубопроводами должны быть не менее приведенных в табл. 2.5.40*.
В исключительных случаях допускается в процессе проектирования уменьшение до 50 % расстояний (например, при прохождении ВЛ по территориям электростанций, промышленных предприятий, по улицам городов и т.п.), приведенных в п. 3 табл. 2.5.40 для газопроводов с давлением газа 1,2 МПа и менее.
* Взаимное расположение трубопроводов, их зданий, сооружений и наружных установок и ВЛ, входящих в состав трубопроводов, определяется ведомственными нормами.
Таблица 2.5.40
Наименьшие расстояния от ВЛ до подземных сетей
|
Наименьшее расстояние, м, при напряжении ВЛ, кВ |
||||||||
|
До 20 |
35 |
110 |
150 |
220 |
330 |
500 |
750 |
|
|
Расстояние по горизонтали: |
|
|||||||
|
1) при сближении и параллельном следовании от крайнего неотклоненного провода до любой части: |
|
|||||||
|
магистральных нефтепроводов, нефтепродуктопроводов, аммиакопроводов, газопроводов с давлением газа свыше 1,2 МПа (магистральные газопроводы) |
10 |
15 |
20 |
25 |
25 |
30 |
0 |
40 |
|
трубопроводов сжиженных углеводородных газов |
Не менее 1000 м |
|||||||
|
2) при сближении и параллельном следовании в стесненных условиях и при пересечении от заземлителя или подземной части (фундаментов) опоры до любой части трубопроводов, указанных в п. 1 |
5 |
5 |
10 |
10 |
10 |
15 |
25 |
25 |
|
3) при пересечении, сближении и параллельном следовании от заземлителя или подземной части (фундаментов) опоры: |
|
|||||||
|
до немагистральных нефтепроводов, нефтепродуктопроводов, трубопроводов сжиженных углеводородных газов и аммиакопроводов и до газопроводов с давлением газа 1,2 МПа и менее |
5 |
5 |
10 |
10 |
10 |
10 |
10 |
25 |
|
до водопровода, канализации (напорной и самотечной), водостоков, дренажей тепловых сетей |
2 |
2 |
3 |
3 |
3 |
3 |
3 |
10 |
При этом следует предусматривать защиту фундаментов опор ВЛ от возможного их подмыва при повреждении указанных трубопроводов, а также защиту, предотвращающую вынос опасных потенциалов на металлические трубопроводы.
В районах Западной Сибири и Крайнего Севера при параллельном следовании ВЛ 110 кВ и выше с техническими коридорами подземных магистральных трубопроводов для транспорта горючих жидкостей и газов расстояние от оси ВЛ до крайнего трубопровода должно быть не менее 1000 м.
2.5.289. Расстояния от крайних неотклоненных проводов ВЛ до продувочных свечей, устанавливаемых на газопроводах с давлением газа свыше 1,2 МПа (магистральных газопроводах), и до помещений со взрывоопасными зонами и наружных взрывоопасных установок КС, ГРС и НПС следует принимать как для надземных и наземных трубопроводов по 2.5.285 и по табл. 2.5.39 соответственно.
2.5.290. Вновь сооружаемые подземные магистральные трубопроводы на участках сближения и параллельного следования с ВЛ при прокладке их на расстояниях менее приведенных в п. 1 табл. 2.5.40 должны иметь категорию:
для газопроводов и ВЛ 500 кВ и выше - не менее II;
для газопроводов и ВЛ 330 кВ и ниже - не менее III;
для нефтепроводов и ВЛ выше 1 кВ - не менее III.
Вновь сооружаемые подземные магистральные трубопроводы при пересечении с ВЛ в пределах охранной зоны ВЛ должны соответствовать строительным нормам и правилам.
Вновь сооружаемые подземные магистральные трубопроводы, прокладываемые в районах Западной Сибири и Крайнего Севера, при пересечении с ВЛ на расстоянии 1000 м в обе стороны от пересечения должны быть не ниже II категории, а в пределах охранной зоны ВЛ 500 кВ и выше - I категории.
Маркировку и светоограждение опор ВЛ должны выполнять предприятия и организации, которые их строят и эксплуатируют.
Необходимость и характер маркировки и светоограждения проектируемых опор ВЛ определяются в каждом конкретном случае соответствующими органами гражданской авиации при согласовании строительства.
Выполнение дневной маркировки и светоограждения опор ВЛ производится в соответствии с РЭГА РФ. При этом следует соблюдать следующие условия:
1) дневная маркировка должна иметь два маркировочных цвета: красный (оранжевый) и белый. Опоры высотой до 100 м маркируют от верхней точки на 1/3 высоты горизонтальными чередующимися по цвету полосами шириной 0,5 - 6 м. Число полос должно быть не менее трех, причем крайние полосы окрашивают в красный (оранжевый) цвет. На приаэродромной территории международных аэропортов и воздушных трассах международного значения опоры маркируются горизонтальными чередующимися по цвету полосами той же ширины сверху до основания.
Опоры высотой более 100 м маркируются от верха до основания чередующимися по цвету полосами шириной, определяемой РЭГА РФ, но не более 30 м;
2) для светоограждения опор должны быть использованы заградительные огни, которые устанавливаются на самой верхней части (точке) и ниже через каждые 45 м. Расстояния между промежуточными ярусами, как правило, должны быть одинаковыми. Опоры, расположенные внутри застроенных районов, светоограждаются сверху вниз до высоты 45 м над средним уровнем высоты застройки;
3) в верхних точках опор устанавливается по два огня (основной и резервный), работающих одновременно или по одному при наличии устройства для автоматического включения резервного огня при выходе из строя основного. Автомат включения резервного огня должен работать так, чтобы в случае выхода его из строя остались включенными оба заградительных огня;
4) заградительные огни должны быть установлены так, чтобы их можно было наблюдать со всех направлений в пределах от зенита до 5° ниже горизонта;
5) заградительные огни должны быть постоянного излучения красного цвета с силой света во всех направлениях не менее 10 кд.
Для светоограждения опор, расположенных вне зон аэродромов и не имеющих вокруг себя посторонних огней, могут быть применены огни белого цвета, работающие в проблесковом режиме. Сила заградительного огня должна быть не менее 10 кд, а частота проблесков - не менее 60 1/мин.
При установке на опоре нескольких проблесковых огней должна быть обеспечена одновременность проблесков;
6) средства светового ограждения аэродромных препятствий по условиям электроснабжения относятся к потребителям I категории, и их электроснабжение должно осуществляться по отдельным линиям, подключенным к подстанциям.
Линии должны быть обеспечены аварийным (резервным) питанием.
Рекомендуется предусмотреть АВР;
7) включение и отключение светового ограждения препятствий в районе аэродрома производится владельцами ВЛ и диспетчерским пунктом аэродрома по заданному режиму работы. На случай отказа автоматических устройств для включения заградительных огней следует предусматривать возможность включения заградительных огней вручную;
8) для обеспечения удобного и безопасного обслуживания должны предусматриваться площадки у мест размещения сигнальных огней и оборудования, а также лестницы для доступа к этим площадкам.
Для этих целей следует использовать площадки и лестницы, предусматриваемые на опорах ВЛ.
(ОБЯЗАТЕЛЬНОЕ)
Таблица П1
Наименьшее смешение проводов соседних ярусов по горизонтали на промежуточных опорах ВЛ 35 - 220 кВ в районах с умеренной пляской проводов
|
Напряжение ВЛ, кВ |
Расстояние по вертикали, м |
Расстояние по горизонтали, м, при стрелах провеса, м, при среднегодовой температуре |
|||||||
|
До 4 |
5 |
6 |
8 |
12 |
16 |
20 |
30 и более |
||
|
35 |
2,5 |
- |
0,7 |
10 |
1,60 |
2,3 |
2,60 |
3,30 |
3,90 |
|
|
3,0 |
- |
|
07 |
1,30 |
2,15 |
2,55 |
3,20 |
3,85 |
|
|
3,5 |
- |
- |
|
1,00 |
2,10 |
2,50 |
3,15 |
3,80 |
|
|
4,0 |
- |
- |
- |
0,70 |
2,00 |
2,45 |
3,10 |
3,80 |
|
|
4,5 |
- |
- |
- |
- |
1,80 |
2,40 |
3,10 |
3,85 |
|
|
5,0 |
- |
- |
- |
- |
1,60 |
2,30 |
3,05 |
3,80 |
|
|
5,5 |
- |
- |
- |
- |
1,00 |
2,25 |
3,05 |
3,80 |
|
|
6,0 |
- |
- |
- |
- |
0,70 |
2,10 |
3,00 |
3,75 |
|
|
6,5 |
- |
- |
- |
- |
- |
1,90 |
2,90 |
3,65 |
|
|
7,0 |
- |
- |
- |
- |
- |
1,60 |
2,60 |
3,40 |
|
|
7,5 |
- |
- |
- |
- |
- |
1,30 |
2,45 |
3,30 |
|
110 |
3,0 |
- |
- |
1,15 |
1,70 |
2,40 |
2,80 |
3,50 |
4,15 |
|
|
3,5 |
- |
- |
- |
1,50 |
2,40 |
2,70 |
3,40 |
4,10 |
|
|
4,0 |
- |
- |
- |
1,20 |
2,20 |
2,65 |
3,40 |
4,10 |
|
|
4,5 |
- |
- |
- |
- |
2,00 |
2,60 |
3,35 |
4,05 |
|
|
5,0 |
- |
- |
- |
- |
1,80 |
2,50 |
3,25 |
4,00 |
|
|
5,5 |
- |
- |
- |
- |
1,50 |
2,45 |
3,30 |
4,10 |
|
|
6,0 |
- |
- |
- |
- |
1,20 |
2,30 |
3,20 |
4,00 |
|
|
6,5 |
- |
- |
- |
- |
- |
2,10 |
3,05 |
3,80 |
|
|
7,0 |
- |
- |
- |
- |
- |
2,00 |
2,90 |
3,70 |
|
|
7,5 |
- |
- |
- |
- |
- |
1,60 |
2,75 |
3,65 |
|
|
8,0 |
- |
- |
- |
- |
- |
1,20 |
2,60 |
3,50 |
|
150 |
3,5 |
- |
- |
0,65 |
1,50 |
2,50 |
2,85 |
3,60 |
4,25 |
|
|
4,0 |
- |
- |
- |
1,50 |
2,30 |
2,80 |
3,55 |
4,25 |
|
|
4,5 |
- |
- |
- |
0,75 |
2,20 |
2,75 |
3,50 |
4,25 |
|
|
5,0 |
- |
- |
- |
- |
2,00 |
2,70 |
3,50 |
4,25 |
|
|
5,5 |
- |
- |
- |
- |
1,60 |
2,60 |
3,45 |
4,25 |
|
|
6,0 |
- |
- |
- |
- |
1,50 |
2,50 |
3,40 |
4,25 |
|
|
6,5 |
- |
- |
- |
- |
0,95 |
2,30 |
3,30 |
4,10 |
|
|
7,0 |
- |
- |
- |
- |
- |
2,10 |
3,15 |
4,05 |
|
|
7,5 |
- |
- |
- |
- |
- |
1,80 |
3,00 |
3,90 |
|
|
8,0 |
- |
- |
- |
- |
- |
1,45 |
2,80 |
3,80 |
|
|
8,5 |
- |
- |
- |
- |
- |
0,80 |
2,60 |
3,65 |
|
220 |
4,0 |
- |
- |
- |
1,45 |
2,60 |
3,05 |
3,95 |
4,70 |
|
|
4,5 |
- |
- |
- |
1,10 |
2,45 |
3,00 |
3,90 |
4,65 |
|
|
5,0 |
- |
- |
- |
- |
2,30 |
3,00 |
3,85 |
4,60 |
|
|
5,5 |
- |
- |
- |
- |
2,00 |
2,80 |
3,65 |
4,40 |
|
|
6,0 |
- |
- |
- |
- |
2,00 |
2,70 |
3,55 |
4,35 |
|
|
6,5 |
- |
- |
- |
- |
1,75 |
2,60 |
3,55 |
4,35 |
|
|
7,0 |
- |
- |
- |
- |
- |
2,35 |
3,35 |
4,25 |
|
|
7,5 |
- |
- |
- |
- |
- |
2,10 |
3,25 |
4,15 |
|
|
8,0 |
- |
- |
- |
- |
- |
1,80 |
3,10 |
4,00 |
|
|
8,5 |
- |
- |
- |
- |
- |
1,40 |
2,85 |
3,90 |
|
|
9,0 |
- |
- |
- |
- |
- |
- |
2,65 |
3,75 |
Таблица П2
Наименьшее смещение проводов соседних ярусов по горизонтали на промежуточных опорах ВЛ 330 кВ в районах с умеренной пляской проводов
|
Напряжение ВЛ, кВ |
Расстояние по вертикали, м |
Расстояние по горизонтали, м, при стрелах провеса, м, при среднегодовой температуре |
|||||
|
До 4 |
5 |
6 |
8 |
12 |
16 и более |
||
|
330 |
5,0 |
- |
1,20 |
2,45 |
2,65 |
3,10 |
3,70 |
|
|
5,5 |
- |
- |
1,85 |
2,50 |
3,05 |
3,65 |
|
|
6,0 |
- |
- |
- |
2,50 |
2,95 |
3,60 |
|
|
6,5 |
- |
- |
- |
- |
2,85 |
3,55 |
|
|
7,0 |
- |
- |
- |
- |
2,70 |
3,50 |
|
|
7,5 |
- |
- |
- |
- |
2,50 |
3,45 |
|
|
8,0 |
- |
- |
- |
- |
2,50 |
3,40 |
|
|
8,5 |
- |
- |
- |
- |
2,50 |
3,20 |
|
|
9,0 |
- |
- |
- |
- |
2,25 |
3,15 |
|
|
9,5 |
- |
- |
- |
- |
1,95 |
3,00 |
|
|
10,0 |
- |
- |
- |
- |
1,50 |
2,90 |
Таблица П3
Наименьшее смещение проводов соседних ярусов по горизонтали на промежуточных опорах ВЛ 500 - 750 кВ в районах с умеренной пляской проводов
|
Напряжение ВЛ, кВ |
Расстояние по вертикали, м |
Расстояние по горизонтали, м, при стрелах провеса, м, при среднегодовой температуре |
||||
|
До 4 |
5 |
6 |
8 |
12 и более |
||
|
500 |
6,0 |
- |
1,60 |
2,20 |
3,10 |
4,50 |
|
|
6,5 |
- |
1,25 |
1,90 |
2,95 |
4,40 |
|
|
7,0 |
- |
- |
1,70 |
2,80 |
4,35 |
|
|
7,5 |
- |
- |
1,35 |
2,70 |
4,25 |
|
|
8,0 |
- |
- |
- |
2,50 |
4,20 |
|
|
8,5 |
- |
- |
- |
2,25 |
4,10 |
|
|
9,0 |
- |
- |
- |
2,00 |
4,00 |
|
|
9,5 |
- |
- |
- |
1,50 |
3,90 |
|
|
10,0 |
- |
- |
- |
- |
3,80 |
|
|
10,5 |
- |
- |
- |
- |
3,60 |
|
|
11,0 |
- |
- |
- |
- |
3,45 |
|
750 |
7,0 |
- |
1,30 |
2,05 |
3,00 |
4,45 |
|
|
7,5 |
- |
0,60 |
1,80 |
2,90 |
4,40 |
|
|
8,0 |
- |
- |
1,45 |
2,70 |
4,30 |
|
|
8,5 |
- |
- |
0,70 |
2,55 |
4,25 |
|
|
9,0 |
- |
- |
- |
2,35 |
4,15 |
|
|
9,5 |
- |
- |
- |
2,05 |
4,05 |
|
|
10,0 |
- |
- |
- |
1,65 |
3,95 |
|
|
10,5 |
- |
- |
- |
- |
3,65 |
|
|
11,0 |
- |
- |
- |
- |
3,50 |
|
|
11,5 |
- |
- |
- |
- |
3,30 |
|
|
12,0 |
- |
- |
- |
- |
3,10 |
|
|
12,5 |
- |
- |
- |
- |
2,80 |
Таблица П4
Наименьшее смещение проводов соседних ярусов по горизонтали на промежуточных опорах ВЛ 35 - 220 кВ в районах с частой и интенсивной пляской проводов
|
Напряжение ВЛ, кВ |
Расстояние по вертикали, м |
Расстояние по горизонтали, м, при стрелах провеса, м, при среднегодовой температуре |
|||||||
|
До 4 |
5 |
6 |
8 |
12 |
16 |
20 |
30 и более |
||
|
35 |
2,5 |
- |
0,7 |
1,20 |
1,90 |
3,10 |
4,15 |
5,20 |
6,25 |
|
|
3,0 |
- |
- |
0,75 |
1,70 |
3,00 |
4,10 |
5,15 |
6,20 |
|
|
3,5 |
- |
- |
- |
1,45 |
2,85 |
4,05 |
5,10 |
6,20 |
|
|
4,0 |
- |
- |
- |
0,90 |
2,70 |
3,95 |
5,05 |
6,15 |
|
|
4,5 |
- |
- |
- |
- |
2,50 |
3,80 |
4,95 |
6,10 |
|
|
5,0 |
- |
- |
- |
- |
2,20 |
3,65 |
4,85 |
6,00 |
|
|
5,5 |
- |
- |
- |
- |
1,80 |
3,50 |
4,75 |
5,90 |
|
|
6,0 |
- |
- |
- |
- |
1,15 |
3,25 |
4,60 |
5,80 |
|
|
6,5 |
- |
- |
- |
- |
- |
2,95 |
4,45 |
5,65 |
|
|
7,0 |
- |
- |
- |
- |
- |
2,60 |
4,25 |
5,55 |
|
|
7,5 |
- |
- |
- |
- |
- |
2,15 |
4,00 |
5,40 |
|
110 |
3,0 |
- |
- |
1,15 |
2,0 |
3,25 |
4,35 |
5,40 |
6,45 |
|
|
3,5 |
- |
- |
- |
1,72 |
3,10 |
4,25 |
5,35 |
6,40 |
|
|
4,0 |
- |
- |
- |
1,30 |
2,95 |
4,15 |
5,30 |
6,35 |
|
|
4,5 |
- |
- |
- |
- |
2,75 |
4,05 |
5,20 |
6,30 |
|
|
5,0 |
- |
- |
- |
- |
2,50 |
3,95 |
5,10 |
6,25 |
|
|
5,5 |
- |
- |
- |
- |
2,15 |
3,70 |
5,00 |
6,15 |
|
|
6,0 |
- |
- |
- |
- |
1,60 |
3,50 |
4,85 |
6,05 |
|
|
6,5 |
- |
- |
- |
- |
- |
3,25 |
4,70 |
5,90 |
|
|
7,5 |
- |
- |
- |
- |
- |
2,50 |
4,25 |
5,65 |
|
|
8,0 |
- |
- |
- |
- |
- |
1,90 |
4,00 |
5,45 |
|
150 |
3,5 |
- |
- |
0,65 |
1,90 |
3,25 |
4,40 |
5,50 |
6,55 |
|
|
4,0 |
- |
- |
- |
1,50 |
3,10 |
4,30 |
5,45 |
6,50 |
|
|
4,5 |
- |
- |
- |
0,75 |
2,90 |
4,20 |
5,35 |
6,45 |
|
|
5,0 |
- |
- |
- |
- |
2,85 |
4,05 |
5,25 |
6,40 |
|
|
5,5 |
- |
- |
- |
- |
2,30 |
3,85 |
5,15 |
6,30 |
|
|
6,0 |
- |
- |
- |
- |
1,85 |
3,65 |
5,00 |
6,20 |
|
|
6,5 |
- |
- |
- |
- |
0,95 |
3,40 |
4,85 |
6,05 |
|
|
7,0 |
- |
- |
- |
- |
- |
3,10 |
4,65 |
5,95 |
|
|
7,5 |
- |
- |
- |
- |
- |
2,70 |
4,40 |
5,75 |
|
|
8,0 |
- |
- |
- |
- |
- |
2,15 |
4,15 |
5,60 |
|
|
8,5 |
- |
- |
- |
- |
- |
1,15 |
3,85 |
5,40 |
|
220 |
4,0 |
- |
- |
- |
1,95 |
3,45 |
4,45 |
5,80 |
6,85 |
|
|
4,5 |
- |
- |
- |
1,45 |
3,25 |
4,55 |
5,70 |
6,80 |
|
|
5,0 |
- |
- |
- |
- |
3,05 |
4,40 |
5,60 |
6,70 |
|
|
5,5 |
- |
- |
- |
- |
2,75 |
4,25 |
5,50 |
6,65 |
|
|
6,0 |
- |
- |
- |
- |
2,35 |
4,05 |
5,35 |
6,55 |
|
|
6,5 |
- |
- |
- |
- |
1,75 |
3,80 |
5,20 |
6,40 |
|
|
7,0 |
- |
- |
- |
- |
- |
3,50 |
5,00 |
6,30 |
|
|
7,5 |
- |
- |
- |
- |
- |
3,15 |
4,80 |
6,15 |
|
|
8,0 |
- |
- |
- |
- |
- |
2,70 |
4,55 |
5,95 |
|
|
8,5 |
- |
- |
- |
- |
- |
2,05 |
4,25 |
5,75 |
|
|
9,0 |
- |
- |
- |
- |
- |
- |
3,95 |
5,55 |
Таблица П5
Наименьшее смещение проводов соседних ярусов по горизонтали на промежуточных опорах ВЛ 330 кВ в районах с частой и интенсивной пляской проводов
|
Напряжение ВЛ, кВ |
Расстояние по вертикали, м |
Расстояние по горизонтали, м, при стрелах провеса, м, при среднегодовой температуре |
|||||
|
До 4 |
5 |
6 |
8 |
12 |
16 и более |
||
|
330 |
5,0 |
- |
1,20 |
2,45 |
3,80 |
5,80 |
7,55 |
|
|
5,5 |
- |
- |
1,85 |
3,55 |
5,70 |
7,45 |
|
|
6,0 |
- |
- |
- |
3,20 |
5,55 |
7,40 |
|
|
6,5 |
- |
- |
- |
2,80 |
5,40 |
7,30 |
|
|
7,0 |
- |
- |
- |
2,10 |
5,20 |
7,20 |
|
|
7,5 |
- |
- |
- |
- |
4,95 |
7,05 |
|
|
8,0 |
- |
- |
- |
- |
4,70 |
6,95 |
|
|
8,5 |
- |
- |
- |
- |
4,35 |
6,75 |
|
|
9,0 |
- |
- |
- |
- |
3,95 |
6,60 |
|
|
9,5 |
- |
- |
- |
- |
3,40 |
6,35 |
|
|
10,0 |
- |
- |
- |
- |
2,60 |
6,10 |
Таблица П6
Наименьшее смещение проводов соседних ярусов по горизонтали на промежуточных опорах ВЛ 500 - 750 кВ в районах с частой и интенсивной пляской проводов
|
Напряжение ВЛ, кВ |
Расстояние по вертикали, м |
Расстояние по горизонтали, м, при стрелах провеса, м, при среднегодовой температуре |
||||
|
До 4 |
5 |
6 |
8 |
12 и более |
||
|
500 |
6,0 |
- |
2,90 |
3,95 |
5,50 |
8,00 |
|
|
6,5 |
- |
2,25 |
3,55 |
5,30 |
7,90 |
|
|
7,0 |
- |
- |
3,10 |
5,05 |
7,80 |
|
|
7,5 |
- |
- |
2,40 |
4,80 |
7,65 |
|
|
8,0 |
- |
- |
- |
4,45 |
7,55 |
|
|
8,5 |
- |
- |
- |
4,05 |
7,40 |
|
|
9,0 |
- |
- |
- |
3,55 |
7,20 |
|
|
9,5 |
- |
- |
- |
2,75 |
7,00 |
|
|
10,0 |
- |
- |
- |
- |
6,80 |
|
|
10,5 |
- |
- |
- |
- |
6,50 |
|
|
11,0 |
- |
- |
- |
- |
6,20 |
|
750 |
7,0 |
- |
2,50 |
3,90 |
5,70 |
8,40 |
|
|
7,5 |
- |
1,20 |
3,45 |
5,45 |
8,25 |
|
|
8,0 |
- |
- |
2,75 |
5,15 |
8,15 |
|
|
8,5 |
- |
- |
1,30 |
4,80 |
8,00 |
|
|
9,0 |
- |
- |
- |
4,40 |
7,80 |
|
|
9,5 |
- |
- |
- |
3,85 |
7,60 |
|
|
10,0 |
- |
- |
- |
3,10 |
7,40 |
|
|
11,0 |
- |
- |
- |
- |
6,90 |
|
|
11,5 |
- |
- |
- |
- |
6,55 |
|
|
12,0 |
- |
- |
- |
- |
6,20 |
|
|
12,5 |
- |
- |
- |
- |
5,80 |
|
|
13,0 |
- |
- |
- |
- |
5,25 |
Таблица П7
Наименьшее смещение проводов и тросов по горизонтали на промежуточных опорах ВЛ 35 - 750 кВ в районах с умеренной пляской проводов
|
Напряжение ВЛ, кВ |
Расстояние по вертикали, м |
Расстояние по горизонтали, м, при стрелах провеса провода, м, при 0 °С |
||||||
|
До 6 |
8 |
10 |
12 |
14 |
16 |
20 |
||
|
35 |
2,5 |
- |
1,50 |
2,55 |
3,35 |
3,90 |
4,35 |
5,85 |
|
|
3,0 |
- |
0,55 |
1,80 |
2,75 |
3,40 |
4,00 |
5,55 |
|
|
3,5 |
- |
- |
1,00 |
2,20 |
3,00 |
3,55 |
5,10 |
|
|
4,0 |
- |
- |
0,60 |
1,55 |
2,45 |
3,15 |
4,75 |
|
|
4,5 |
- |
- |
- |
0,70 |
1,85 |
2,70 |
4,40 |
|
|
5,0 |
- |
- |
- |
- |
1,15 |
2,15 |
3,90 |
|
|
5,5 |
- |
- |
- |
- |
0,20 |
1,55 |
3,60 |
|
|
6,0 |
- |
- |
- |
- |
- |
0,80 |
3,10 |
|
|
6,5 |
- |
- |
- |
- |
- |
- |
2,45 |
|
|
7,0 |
- |
- |
- |
- |
- |
- |
1,70 |
|
|
7,5 |
- |
- |
- |
- |
- |
- |
0,90 |
|
|
8,0 |
- |
- |
- |
- |
- |
- |
- |
|
|
9,0 |
- |
- |
- |
- |
- |
- |
- |
|
110 |
3,0 |
- |
0,85 |
2,05 |
2,95 |
3,65 |
4,25 |
5,80 |
|
|
3,5 |
- |
- |
1,40 |
2,50 |
3,20 |
3,75 |
5,35 |
|
|
4,0 |
- |
- |
0,40 |
1,75 |
2,65 |
3,35 |
5,0 |
|
|
4,5 |
- |
- |
- |
0,95 |
2,05 |
2,90 |
4,60 |
|
|
5,0 |
- |
- |
- |
- |
1,35 |
2,35 |
4,15 |
|
|
5,5 |
- |
- |
- |
- |
0,50 |
1,75 |
3,70 |
|
|
6,0 |
- |
- |
- |
- |
- |
1,05 |
3,25 |
|
|
6,5 |
- |
- |
- |
- |
- |
0,10 |
2,60 |
|
|
7,0 |
- |
- |
- |
- |
- |
- |
1,95 |
|
|
7,5 |
- |
- |
- |
- |
- |
- |
1,15 |
|
|
8,0 |
- |
- |
- |
- |
- |
- |
0,20 |
|
|
8,5 |
- |
- |
- |
- |
- |
- |
- |
|
|
9,0 |
- |
- |
- |
- |
- |
- |
- |
|
150 |
3,5 |
- |
- |
1,45 |
2,60 |
3,30 |
3,90 |
5,50 |
|
|
4,0 |
- |
- |
0,65 |
1,85 |
2,80 |
3,50 |
5,15 |
|
|
4,5 |
- |
- |
- |
1,15 |
2,25 |
3,05 |
4,80 |
|
|
5,0 |
- |
- |
- |
0,10 |
1,50 |
2,55 |
4,40 |
|
|
5,5 |
- |
- |
- |
- |
0,65 |
1,95 |
3,95 |
|
|
6,0 |
- |
- |
- |
- |
- |
1,20 |
3,45 |
|
|
6,5 |
- |
- |
- |
- |
- |
0,25 |
2,80 |
|
|
7,0 |
- |
- |
- |
- |
- |
- |
2,15 |
|
|
7,5 |
- |
- |
- |
- |
- |
_ |
1,35 |
|
|
8,0 |
- |
- |
- |
- |
- |
- |
0,45 |
|
|
8,5 |
- |
- |
|
- |
- |
- |
- |
|
|
9,0 |
- |
- |
- |
- |
- |
- |
- |
|
220 |
4,0 |
- |
- |
0,85 |
2,10 |
3,05 |
3,80 |
5,55 |
|
|
4,5 |
- |
- |
- |
1,40 |
2,45 |
3,30 |
5,15 |
|
|
5,0 |
- |
- |
- |
0,50 |
1,80 |
2,75 |
4,65 |
|
|
5,5 |
- |
- |
- |
- |
1,00 |
2,10 |
4,05 |
|
|
6,0 |
- |
- |
- |
- |
0,40 |
1,45 |
3,55 |
|
|
6,5 |
- |
- |
- |
- |
- |
0,65 |
3,05 |
|
|
7,0 |
- |
- |
- |
- |
- |
- |
2,35 |
|
|
7,5 |
- |
- |
- |
- |
- |
- |
1,65 |
|
|
8,0 |
- |
- |
- |
- |
- |
- |
0,75 |
|
|
9,0 |
- |
- |
- |
- |
- |
- |
- |
|
330 |
5,0 |
- |
0,80 |
2,15 |
2,95 |
3,75 |
4,40 |
4,85 |
|
|
5,5 |
- |
- |
1,60 |
2,60 |
3,45 |
4,10 |
4,55 |
|
|
6,0 |
- |
- |
1,00 |
2,15 |
3,10 |
3,80 |
4,15 |
|
|
6,5 |
- |
- |
0,05 |
1,65 |
2,70 |
3,50 |
3,85 |
|
|
7,0 |
- |
- |
- |
1,05 |
2,25 |
3,15 |
3,45 |
|
|
7,5 |
- |
- |
- |
0,30 |
1,80 |
2,80 |
3,10 |
|
|
8,0 |
- |
- |
- |
- |
1,30 |
2,45 |
2,65 |
|
|
8,5 |
- |
- |
- |
- |
0,65 |
1,95 |
2,05 |
|
|
9,0 |
- |
- |
- |
- |
- |
1,40 |
1,55 |
|
|
9,5 |
- |
- |
- |
- |
- |
0,80 |
0,90 |
|
|
10,0 |
- |
- |
- |
- |
- |
- |
0,20 |
|
|
10,5 |
- |
- |
- |
- |
- |
- |
- |
|
|
11,0 |
- |
- |
- |
- |
- |
- |
- |
|
500 |
6,0 |
- |
1,55 |
2,90 |
4,05 |
4,35 |
4,60 |
5,05 |
|
|
6,5 |
- |
1,05 |
2,55 |
3,75 |
4,05 |
4,25 |
4,70 |
|
|
7,0 |
- |
0,40 |
2,15 |
3,45 |
3,70 |
3,90 |
4,25 |
|
|
7,5 |
- |
- |
1,70 |
3,15 |
3,35 |
3,50 |
3,70 |
|
|
8,0 |
- |
- |
1,20 |
2,75 |
2,90 |
3,10 |
3,35 |
|
|
8,5 |
- |
- |
0,50 |
2,30 |
2,45 |
2,60 |
2,80 |
|
|
9,0 |
- |
- |
- |
1,85 |
1,95 |
2,05 |
2,20 |
|
|
9,5 |
. |
- |
- |
1,30 |
1,35 |
1,45 |
1,60 |
|
|
10,0 |
- |
- |
- |
0,60 |
0,60 |
0,65 |
0,75 |
|
|
10,5 |
- |
- |
- |
- |
- |
- |
- |
|
750 |
7,0 |
- |
0,70 |
2,20 |
3,40 |
3,65 |
3,85 |
4,20 |
|
|
7,5 |
- |
0,35 |
1,85 |
3,10 |
3,30 |
3,50 |
3,80 |
|
|
8,0 |
- |
- |
1,35 |
2,75 |
2,95 |
3,10 |
3,40 |
|
|
8,5 |
- |
- |
0,80 |
2,40 |
2,55 |
2,70 |
2,90 |
|
|
9,0 |
- |
- |
0,10 |
1,95 |
2,05 |
2,20 |
2,40 |
|
|
9,5 |
- |
- |
- |
1,50 |
1,55 |
1,65 |
1,80 |
|
|
10,0 |
- |
- |
- |
0,90 |
1,00 |
1,05 |
1,15 |
|
|
10,5 |
- |
- |
- |
0,25 |
0,25 |
0,25 |
0,30 |
|
|
11,0 |
- |
- |
- |
- |
- |
- |
- |
Таблица П8
Наименьшее смешение проводов и тросов по горизонтали на промежуточных опорах ВЛ 35 - 750 кВ в районах с частой и интенсивной пляской проводов
|
Напряжение ВЛ, кВ |
Расстояние по вертикали, м |
Расстояние по горизонтали, м, при стрелах провеса провода, м, при 0 °С |
||||||
|
До 6 |
8 |
10 |
12 |
14 |
16 |
20 |
||
|
35 |
2,5 |
- |
1,75 |
3,20 |
4,50 |
5,75 |
6,95 |
9,35 |
|
|
3,0 |
- |
0,70 |
2,40 |
3,80 |
5,10 |
6,40 |
8,85 |
|
|
3,5 |
- |
- |
1,40 |
3,00 |
4,45 |
5,75 |
8,25 |
|
|
4,0 |
- |
- |
0,80 |
2,10 |
3,65 |
5,05 |
7,65 |
|
|
4,5 |
- |
- |
- |
0,95 |
2,75 |
4,30 |
7,00 |
|
|
5,0 |
- |
- |
- |
- |
1,70 |
3,40 |
6,30 |
|
|
5,5 |
- |
- |
- |
- |
0,35 |
2,40 |
5,55 |
|
|
6,0 |
- |
- |
- |
- |
- |
1,20 |
4,70 |
|
|
6,5 |
- |
- |
- |
- |
- |
- |
3,75 |
|
|
7,0 |
- |
- |
- |
- |
- |
- |
2,70 |
|
|
7,5 |
- |
- |
- |
- |
- |
- |
1,45 |
|
|
8,0 |
- |
- |
- |
- |
- |
- |
- |
|
|
9,0 |
- |
- |
- |
- |
- |
- |
- |
|
110 |
3,0 |
- |
1,00 |
2,60 |
3,95 |
5,30 |
6,55 |
8,95 |
|
|
3,5 |
- |
- |
1,70 |
3,25 |
4,60 |
5,90 |
8,40 |
|
|
4,0 |
- |
- |
0,50 |
2,35 |
3,85 |
5,25 |
7,80 |
|
|
4,5 |
- |
- |
- |
1,30 |
3,00 |
4,50 |
7,15 |
|
|
5,0 |
- |
- |
- |
- |
2,00 |
3,65 |
6,45 |
|
|
5,5 |
- |
- |
- |
- |
0,75 |
2,70 |
5,75 |
|
|
6,0 |
- |
- |
- |
- |
- |
1,55 |
4,90 |
|
|
6,5 |
- |
- |
- |
- |
- |
0,10 |
4,00 |
|
|
7,0 |
- |
- |
- |
- |
- |
- |
3,00 |
|
|
7,5 |
- |
- |
- |
- |
- |
- |
1,80 |
|
|
8,0 |
- |
- |
- |
- |
- |
- |
0,35 |
|
|
8,5 |
- |
- |
- |
- |
- |
- |
- |
|
|
9,5 |
- |
- |
- |
- |
- |
- |
- |
|
150 |
3,5 |
- |
- |
1,85 |
3,35 |
4,70 |
6,00 |
8,50 |
|
|
4,0 |
|
|
0,75 |
2,50 |
4,00 |
5,35 |
7,90 |
|
|
4,5 |
- |
- |
- |
1,50 |
3,15 |
4,60 |
7,30 |
|
|
5,0 |
- |
- |
- |
0,15 |
2,20 |
3,80 |
6,60 |
|
|
5,5 |
- |
- |
- |
- |
1,00 |
2,85 |
5,85 |
|
|
6,0 |
- |
- |
- |
- |
- |
1,75 |
5,05 |
|
|
6,5 |
- |
- |
- |
- |
- |
0,40 |
4,15 |
|
|
7,0 |
- |
- |
- |
- |
- |
- |
3,15 |
|
|
7,5 |
- |
- |
- |
- |
- |
- |
2,00 |
|
|
8,0 |
- |
- |
- |
- |
- |
- |
0,65 |
|
|
8,5 |
- |
- |
- |
- |
- |
- |
- |
|
|
9,0 |
- |
- |
- |
- |
- |
- |
- |
|
220 |
4,0 |
- |
- |
1,15 |
2,80 |
4,25 |
5,55 |
8,10 |
|
|
4,5 |
- |
- |
- |
1,85 |
3,45 |
4,85 |
7,50 |
|
|
5,0 |
- |
- |
- |
0,65 |
2,55 |
4,05 |
6,80 |
|
|
5,5 |
- |
- |
- |
- |
1,45 |
3,20 |
6,10 |
|
|
6,0 |
- |
- |
- |
- |
0,50 |
2,15 |
5,35 |
|
|
6,5 |
- |
- |
- |
- |
- |
0,95 |
4,45 |
|
|
7,0 |
- |
- |
- |
- |
- |
- |
3,50 |
|
|
7,5 |
- |
- |
- |
- |
- |
- |
2,45 |
|
|
8,0 |
- |
- |
- |
- |
- |
- |
1,15 |
|
|
8,5 |
- |
- |
- |
- |
- |
- |
- |
|
|
9,0 |
- |
- |
- |
- |
- |
- |
- |
|
330 |
5,0 |
- |
1,15 |
3,55 |
5,45 |
7,25 |
8,95 |
9,85 |
|
|
5,5 |
- |
- |
2,65 |
4,80 |
6,65 |
8,40 |
9,25 |
|
|
6,0 |
- |
- |
1,60 |
4,00 |
6,00 |
7,80 |
8,55 |
|
|
6,5 |
- |
- |
0,10 |
3,10 |
5,30 |
7,20 |
7,90 |
|
|
7,0 |
- |
- |
- |
2,05 |
4,50 |
6,50 |
7,10 |
|
|
7,5 |
- |
- |
- |
0,65 |
3,55 |
5,75 |
6,30 |
|
|
8,0 |
- |
- |
- |
- |
2,50 |
4,95 |
5,40 |
|
|
8,5 |
- |
- |
- |
- |
1,20 |
4,05 |
4,35 |
|
|
9,0 |
- |
- |
- |
- |
- |
2,95 |
3,20 |
|
|
9,5 |
- |
- |
- |
- |
- |
1,70 |
1,85 |
|
|
10,0 |
- |
- |
- |
- |
- |
- |
0,50 |
|
|
10,5 |
- |
- |
- |
- |
- |
- |
- |
|
|
11,0 |
- |
- |
- |
- |
- |
- |
- |
|
500 |
6,0 |
- |
2,75 |
5,15 |
7,25 |
7,75 |
8,20 |
9,00 |
|
|
6,5 |
- |
1,90 |
4,55 |
6,75 |
7,20 |
7,60 |
8,35 |
|
|
7,0 |
- |
0,70 |
3,85 |
6,20 |
6,60 |
6,95 |
7,60 |
|
|
7,5 |
- |
- |
3,05 |
5,60 |
5,95 |
6,25 |
6,65 |
|
|
8,0 |
- |
- |
2,10 |
4,90 |
5,20 |
5,50 |
5,95 |
|
|
8,5 |
- |
- |
0,90 |
4,15 |
4,40 |
4,65 |
5,05 |
|
|
9,0 |
- |
- |
- |
3,30 |
3,50 |
3,65 |
3,95 |
|
|
9,5 |
- |
- |
- |
2,30 |
2,40 |
2,55 |
2,85 |
|
|
10,0 |
- |
- |
- |
1,05 |
1,10 |
1,15 |
1,30 |
|
|
10,5 |
- |
- |
- |
- |
- |
- |
- |
|
|
11,0 |
- |
- |
- |
- |
- |
- |
- |
|
750 |
7,0 |
- |
1,35 |
4,15 |
6,45 |
6,85 |
7,25 |
7,95 |
|
|
7,5 |
- |
0,70 |
3,45 |
5,85 |
6,25 |
6,60 |
7,20 |
|
|
8,0 |
- |
- |
2,55 |
5,20 |
5,55 |
5,85 |
6,40 |
|
|
8,5 |
- |
- |
1,55 |
4,50 |
4,80 |
5,05 |
5,50 |
|
|
9,0 |
- |
- |
0,25 |
3,70 |
3,90 |
4,15 |
4,50 |
|
|
9,5 |
- |
- |
- |
2,80 |
2,95 |
3,15 |
3,401 |
|
|
10,0 |
- |
- |
- |
1,70 |
1,85 |
1,95 |
2,15 |
|
|
10,5 |
- |
- |
- |
0,40 |
0,40 |
0,45 |
0,55 |
|
|
11,0 |
- |
- |
- |
- |
- |
- |
- |
|
|
11,5 |
- |
- |
- |
- |
- |
- |
- |
РАЗДЕЛ 4.
РАСПРЕДЕЛИТЕЛЬНЫЕ УСТРОЙСТВА И ПОДСТАНЦИИ
Главы 4.1, 4.2
Седьмое издание
Правила устройства электроустановок. Раздел 4 (глава 4.1, 4.2). Издание седьмое, переработанное и дополненное, с изменениями.
Приведены главы Правил устройства электроустановок (ПУЭ) седьмого издания, содержащие общие требования к распределительным устройствам и низковольтным комплектным устройствам напряжением до 1 кВ переменного тока и до 1,5 кВ постоянного тока, стационарным распределительным устройствам и трансформаторным подстанциям переменного тока напряжением выше 1 кВ.
Для инженерно-технического персонала, занятого проектированием, монтажом, наладкой и эксплуатацией электроустановок.
ПРЕДИСЛОВИЕ
Правила устройства электроустановок (ПУЭ) седьмого издания в связи с длительным сроком переработки выпускаются и вводятся в действие отдельными разделами и главами по мере завершения работ по их пересмотру, согласованию и утверждению.
Настоящий выпуск включает:
Раздел 4. Распределительные устройства и подстанции.
Глава 4.1. Распределительные устройства напряжением до 1 кВ переменного тока и до 1,5 кВ постоянного тока.
Глава 4.2. Распределительные устройства и подстанции напряжением выше 1 кВ.
Глава 4.1 подготовлена ОАО «Институт Теплоэлектропроект».
Глава 4.2 подготовлена ОАО «Институт «Энергосетьпроект» совместно с ОАО «ВНИИЭ», ОАО «Фирма ОРГРЭС», ОАО «РОСЭП», ОАО «Электропроект».
Указанные главы ПУЭ разработаны с учетом требований государственных стандартов, строительных норм и правил, рекомендаций научно-технических советов по рассмотрению проектов глав. Проекты глав рассмотрены рабочими группами Координационного совета по пересмотру ПУЭ.
Разработанные главы согласованы в установленном порядке с Госстроем России, Госгортехнадзором России, РАО «ЕЭС России» (ОАО «ВНИИЭ») и представлены к утверждению Госэнергонадзором Минэнерго России.
Требования Правил устройства электроустановок обязательны для всех организаций независимо от форм собственности и организационно-правовых форм, а также для физических лиц, занятых предпринимательской деятельностью без образования юридического лица.
С 1 ноября 2003 г. утрачивают силу гл. 4.1 и 4.2 Правил устройства электроустановок шестого издания.
Госэнергонадзор Минэнерго России
УТВЕРЖДЕНО
приказом Минэнерго России
от 20 июня 2003 г. № 242
Вводится в действие с 1 ноября 2003 г.
4.1.1. Настоящая глава Правил распространяется на распределительные устройства (РУ) и низковольтные комплектные устройства (НКУ) до 1 кВ переменного тока и до 1,5 кВ постоянного тока, устанавливаемые в помещениях и на открытом воздухе и выполняемые в виде щитов распределительных, управления, релейных, пультов, шкафов, шинных выводов, сборок.
Дополнительные требования к РУ специального назначения приведены в соответствующих главах разд. 7.
Термины и определения, содержащиеся в пп. 4.2.3, 4.2.4, 4.2.5, 4.2.6, 4.2.8, 4.2.11, 4.2.12, действительны и для настоящей главы.
4.1.2. Выбор проводов, шин, аппаратов, приборов и конструкций должен производиться как по нормальным условиям работы (соответствие рабочему напряжению и току, классу точности и т.п.), так и по условиям работы при коротком замыкании (термические и динамические воздействия, коммутационная способность).
4.1.3. Распределительные устройства и НКУ должны иметь четкие надписи, указывающие назначение отдельных цепей, панелей, аппаратов. Надписи должны выполняться на лицевой стороне устройства, а при обслуживании с двух сторон также на задней стороне устройства (см. также гл. 3.4). Распределительные устройства, как правило, должны иметь мнемосхему.
4.1.4. Относящиеся к цепям различного рода тока и различных напряжений части РУ должны быть выполнены и размещены так, чтобы была обеспечена возможность их четкого распознавания.
4.1.5. Взаимное расположение фаз и полюсов в пределах всего устройства должно быть одинаковым. Шины должны иметь окраску, предусмотренную в гл. 1.1. В РУ должна быть обеспечена возможность установки переносных защитных заземлений.
4.1.6. Все металлические части РУ и НКУ должны иметь антикоррозийное покрытие.
4.1.7. Заземление и защитные меры безопасности должны быть выполнены в соответствии с гл. 1.7.
4.1.8. Аппараты и приборы следует располагать так, чтобы возникающие в них при эксплуатации искры или электрические дуги не могли причинить вреда обслуживающему персоналу, воспламенить или повредить окружающие предметы, вызвать КЗ или замыкание на землю.
4.1.9. Аппараты рубящего типа должны устанавливаться так, чтобы они не могли замкнуть цепь самопроизвольно, под действием силы тяжести. Их подвижные токоведущие части в отключенном положении, как правило, не должны быть под напряжением.
4.1.10. Рубильники с непосредственным ручным управлением (без привода), предназначенные для включения и отключения тока нагрузки и имеющие контакты, обращенные к оператору, должны быть защищены несгораемыми оболочками без отверстий и щелей. Указанные рубильники, предназначенные лишь для снятия напряжения, допускается устанавливать открыто при условии, что они будут недоступны для неквалифицированного персонала.
4.1.11. На приводах коммутационных аппаратов должны быть четко указаны положения «включено», «отключено».
4.1.12. Должна быть предусмотрена возможность снятия напряжения с каждого автоматического выключателя на время его ремонта или демонтажа. Для этой цели в необходимых местах должны быть установлены рубильники или другие отключающие аппараты. Отключающий аппарат перед выключателем каждой отходящей от РУ линии не требуется предусматривать в электроустановках:
с выдвижными выключателями;
со стационарными выключателями, в которых во время ремонта или демонтажа данного выключателя допустимо снятие напряжения общим аппаратом с группы выключателей или со всего распределительного устройства;
со стационарными выключателями, если обеспечена возможность безопасного демонтажа выключателей под напряжением с помощью изолированного инструмента.
4.1.13. Резьбовые (пробочные) предохранители должны устанавливаться так, чтобы питающие провода присоединялись к контактному винту, а отходящие к электроприемникам - к винтовой гильзе (см. гл. 3.1).
4.1.14. Установку приборов и аппаратов на РУ и НКУ следует производить в зоне от 400 до 2000 мм от уровня пола. Аппараты ручного оперативного управления (переключатели, кнопки), рекомендуется располагать на высоте не более 1900 мм и не менее 700 мм от уровня пола. Измерительные приборы рекомендуется устанавливать таким образом, чтобы шкала каждого из приборов находилась на высоте 1000 - 1800 мм от пола.
4.1.15. Открытые токоведущие части, как правило, должны иметь, изоляционное покрытие. Между неподвижно укрепленными токоведущими частями разной полярности, а также между ними и открытыми проводящими частями должны быть обеспечены расстояния не менее 20 мм по поверхности изоляции и не менее 12 мм по воздуху. От неизолированных токоведущих частей до ограждений должны быть обеспечены расстояния не менее 100 мм при сетчатых и 40 мм при сплошных съемных ограждениях.
4.1.16. В пределах панелей, щитов и шкафов, установленных в сухих помещениях, изолированные провода с изоляцией, рассчитанной на напряжение не ниже 660 В, могут прокладываться по металлическим, защищенным от коррозии поверхностям вплотную один к другому. В этих случаях для силовых цепей должны применяться снижающие коэффициенты на токовые нагрузки, приведенные в гл. 2.1.
4.1.17. Защитные (РЕ) проводники и шины могут быть проложены без изоляции. Нулевые рабочие (N) проводники, шины и совмещенные (PEN) проводники прокладываются с изоляцией.
4.1.18 Электропроводки цепей управления, измерения и другие должны ответствовать требованиям гл. 3.4. Прокладка кабелей должна соответствовать гл. 2.3. Проходы кабелей как снизу, так и сверху, внутрь панелей, шкафов и т.п. должны осуществляться через уплотняющие устройства, предотвращающие попадание внутрь пыли, влаги посторонних предметов и т.п.
4.1.19. Конструкции РУ, НКУ и устанавливаемая в них аппаратура должны соответствовать требованиям действующих стандартов.
4.1.20. Распределительные устройства и НКУ должны быть выполнены так, чтобы вибрации, возникающие при действии аппаратов, а также от сотрясений, вызванных внешними воздействиями, не нарушали контактных соединений и не вызывали разрегулировки аппаратов и приборов.
4.1.21. Поверхности гигроскопичных изоляционных плит, на которых непосредственно монтируются неизолированные токоведущие части, должны быть защищены от проникновения в них влаги (пропиткой, окраской и т.п.)
В устройствах, устанавливаемых в сырых и особо сырых помещениях и открытых установках применение гигроскопических изоляционных материалов (например мрамора, асбестоцемента) не допускается.
4.1.22. Конструкции РУ и НКУ должны предусматривать ввод кабелей без нарушения степени защиты оболочки, места для прокладки разделки внешних присоединений, а также наименьшую в данной конструкции длину разделки кабелей. Должен быть обеспечен доступ ко всем обслуживаемым аппаратам, приборам, устройствам и их зажимам. Распределительное устройство должно иметь устройства, для подключения нулевых рабочих (N), заземляющих (РЕ) и совмещенных (PEN) проводников внешних кабелей и проводов. В случае когда внешние кабели по сечению или количеству не могут быть подключены непосредственно к зажимам аппаратов, конструкция РУ должна предусматривать дополнительные зажимы или промежуточные шины с устройствами для присоединения внешних кабелей. Распределительные устройства и НКУ должны предусматривать ввод кабелей как снизу, так и сверху, или только снизу или только сверху.
1) ширина проходов в свету должна быть не менее 0,8 м, высота проходов в свету не менее 1,9 м. Ширина прохода должна обеспечивать удобное обслуживание установки и перемещение оборудования. В отдельных местах проходы могут быть стеснены выступающими строительными конструкциями, однако ширина прохода в этих местах должна быть не менее 0,6 м;
2) расстояния от наиболее выступающих неогражденных неизолированных токоведущих частей (например, отключенных ножей рубильников) при их одностороннем расположении на высоте менее 2,2 м до противоположной стены, ограждения или оборудования, не имеющего неогражденных неизолированных токоведущих частей, должны быть не менее:
1,0 м - при напряжении ниже 660 В при длине щита до 7 и 1,2 м при длине щита более 7 м;
1,5 м - при напряжении 660 В и выше.
Длиной щита в данном случае называется длина прохода между двумя рядами сплошного фронта панелей (шкафов) или между одним рядом и стеной;
3) расстояния между неогражденными неизолированными токоведущими частями и находящимися на высоте менее 2,2 м при их двухстороннем расположении должны быть не менее:
1,5 м - при напряжении ниже 660 В;
2,0 м - при напряжении 660 В и выше.
4) неизолированные токоведущие части, находящиеся на расстояниях, меньших приведенных в пп. 2 и 3, должны быть ограждены. При этом ширина прохода с учетом ограждений должна быть не менее оговоренной в п. 1;
5) неогражденные неизолированные токоведущие части, размещенные над проходами, должны быть расположены на высоте не менее 2,2 м;
6) ограждения, горизонтально размещаемые над проходами, должны быть расположены на высоте не менее 1,9 м;
7) проходы для обслуживания щитов, при длине щита более 7 м, должны иметь два выхода. Выходы из прохода с монтажной стороны щита могут быть выполнены как в щитовое помещение, так и в помещения другого назначения. При ширине прохода обслуживания более 3 м и отсутствии маслонаполненных аппаратов второй выход необязателен. Двери из помещений РУ должны открываться в сторону других помещений (за исключением РУ выше 1 кВ переменного тока и выше 1,5 кВ постоянного тока) или наружу и иметь самозапирающиеся замки, отпираемые без ключа с внутренней стороны помещения. Ширина дверей должна быть не менее 0,75 м, высота не менее 1,9 м.
4.1.24. В качестве ограждения неизолированных токоведущих частей могут служить сетки с размерами ячеек не более 25×25 мм, а также сплошные или смешанные ограждения. Высота ограждений должна быть не менее 1,7 м.
4.1.25. Распределительные устройства, установленные в помещениях, доступных для неквалифицированного персонала, должны иметь токоведущие части, закрытые сплошными ограждениями, либо должны быть выполнены со степенью защиты не менее IP2X. В случае применения РУ с открытыми токоведущими частями оно должно быть ограждено и оборудовано местным освещением. При этом ограждение должно быть сетчатым, сплошным или смешанным высотой не менее 1,7 м. Дверцы входа за ограждение должны запираться на ключ. Расстояние от сетчатого ограждения до неизолированных токоведущих частей устройства должно быть не менее 0,7 м, а от сплошных - в соответствии с 4.1.15. Ширина проходов принимается в соответствии с 4.1.23.
4.1.26. Оконцевание проводов и кабелей должно быть выполнено так, чтобы оно находилось внутри устройства.
4.1.27. Съемные ограждения должны выполняться так, чтобы их удаление было невозможно без специального инструмента. Дверцы должны запираться на ключ.
4.1.28. При установке распределительных устройств на открытом воздухе необходимо соблюдать следующие требования:
1) устройство должно быть расположено на спланированной площадке на высоте не менее 0,2 м от уровня планировки и должно иметь конструкцию, соответствующую условиям окружающей среды. В районах, где наблюдаются снежные заносы высотой 1 м и более, шкафы следует устанавливать на повышенных фундаментах;
2) Должен быть предусмотрен местный подогрев для обеспечения нормальной работы аппаратов, реле, измерительных приборов и приборов учета в соответствии с требованиями государственных стандартов и других нормативных документов. В шкафах должно быть предусмотрено местное освещение.
УТВЕРЖДЕНО
приказом Минэнерго России
от 20 июня 2003 г. № 242
Вводится в действие с 1 ноября 2003 г.
4.2.1. Настоящая глава Правил распространяется на стационарные распределительные устройства (РУ) и трансформаторные подстанции (ПС) переменного тока напряжением выше 1 кВ.
4.2.2. Настоящая глава не содержит требований по устройству РУ и ПС в части:
выбора площадки (кроме 4.2.35);
инженерной подготовки территории;
мероприятий по снижению шума, создаваемого работающим электрооборудованием;
определения категории взрывопожарной и пожарной опасности помещений;
определения степени огнестойкости зданий (кроме 4.2.117, 4.2.118);
охранных мероприятий;
противопожарной защиты и пожарной безопасности (кроме некоторых пунктов).
По перечисленному выше следует руководствоваться требованиями действующих строительных норм и правил и ведомственных документов.
4.2.3. Определения основных понятий, применяемых в настоящей главе, приняты по действующим стандартам, а также по 4.2.4 - 4.2.16.
Открытое распределительное устройство (ОРУ) - РУ, все или основное оборудование которого расположено на открытом воздухе.
Закрытое распределительное устройство (ЗРУ) - РУ, оборудование которого расположено в помещении.
4.2.5. Комплектное распределительное устройство - РУ, состоящее из шкафов или блоков со встроенными в них аппаратами, устройствами измерения, защиты и автоматики и соединительных элементов (например, токопроводов), поставляемых в собранном или полностью подготовленном к сборке виде.
Комплектное распределительное устройство элегазовое (КРУЭ) - РУ, в котором основное оборудование заключено в оболочки, заполненные элегазом (SF6), служащим изолирующей и/или дугогасящей средой.
Комплектное распределительное устройство, предназначенное для внутренней установки, сокращенно обозначается КРУ, а для наружной - КРУН. Разновидностью КРУ является КСО - камера сборная одностороннего обслуживания.
4.2.6. Трансформаторная подстанция - электроустановка, предназначенная для приема, преобразования и распределения энергии и состоящая из трансформаторов, РУ, устройств управления, технологических и вспомогательных сооружений.
4.2.7. Пристроенная ПС (РУ) - ПС (РУ), непосредственно примыкающая к основному зданию электростанции или промышленного предприятия.
4.2.8. Встроенная ПС (РУ) - ПС (РУ), занимающая часть здания.
4.2.9. Внутрицеховая ПС (РУ) - ПС (РУ), расположенная внутри цеха открыто (без ограждения), за сетчатым ограждением, в отдельном помещении.
4.2.10. Комплектная трансформаторная ПС (КТП) - ПС, состоящая из трансформаторов, блоков (КРУ и КРУН) и других элементов, поставляемых в собранном или полностью подготовленном на заводе-изготовителе к сборке виде.
4.2.11. Столбовая трансформаторная ПС (СТП) - открытая трансформаторная ПС, все оборудование которой установлено на одностоечной опоре ВЛ на высоте, не требующей ограждения ПС.
Мачтовая трансформаторная ПС (МТП) - открытая трансформаторная ПС, все оборудование которой установлено на конструкциях (в том числе на двух и более стойках опор ВЛ) с площадкой обслуживания на высоте, не требующей ограждения ПС.
4.2.12. Распределительный пункт - РУ 6 - 500 кВ с аппаратурой для управления его работой, не входящее в состав ПС.
4.2.13. Секционирующий пункт - пункт, предназначенный для секционирования (с автоматическим или ручным управлением) участка линий 6 - 20 кВ.
4.2.14. Камера - помещение, предназначенное для установки аппаратов, трансформаторов и шин.
Закрытая камера - камера, закрытая со всех сторон и имеющая сплошные (не сетчатые) двери.
Огражденная камера - камера, которая имеет проемы, защищенные полностью или частично несплошными (сетчатыми или смешанными) ограждениями.
4.2.15. Биологическая защита - комплекс мероприятий и устройств для защиты людей от вредного влияния электрического и магнитного полей.
4.2.16. Здание вспомогательного назначения (ЗВН) - здание, состоящее из помещений, необходимых для организации и проведения работ по техническому обслуживанию и ремонту оборудования ПС.
4.2.17. Электрооборудование, токоведущие части, изоляторы, крепления, ограждения, несущие конструкции, изоляционные и другие расстояния должны быть выбраны и установлены таким образом, чтобы:
1) вызываемые нормальными условиями работы электроустановки усилия, нагрев, электрическая дуга или иные сопутствующие ее работе явления (искрение, выброс газов и т.п.) не могли причинить вред обслуживающему персоналу, а также привести к повреждению оборудования и возникновению короткого замыкания (КЗ) или замыканию на землю;
2) при нарушении нормальных условий работы электроустановки была обеспечена необходимая локализация повреждений, обусловленных действием КЗ;
3) при снятом напряжении с какой-либо цепи относящиеся к ней аппараты, токоведущие части и конструкции могли подвергаться безопасному техническому обслуживанию и ремонту без нарушения нормальной работы соседних цепей;
4) была обеспечена возможность удобного транспортирования оборудования.
4.2.18. При использовании разъединителей и отделителей при их наружной и внутренней установке для отключения и включения токов холостого хода силовых трансформаторов, зарядных токов воздушных и кабельных линий электропередачи и систем шин необходимо выполнять следующие требования:
1) разъединителями и отделителями напряжением 110 - 500 кВ независимо от климатических условий и степени промышленного загрязнения атмосферы при их наружной установке допускается отключать и включать ток холостого хода силовых трансформаторов и зарядные токи воздушных и кабельных линий, систем шин и присоединений, которые не превышают значений, указанных в табл. 4.2.1;
2) разъединителями и отделителями напряжением 110, 150, 220 кВ при их внутренней установке со стандартными расстояниями между осями полюсов соответственно 2; 2,5 и 3,5 м допускается отключать и включать токи холостого хода силовых (авто) трансформаторов при глухозаземленной нейтрали соответственно не более 4,2 и 2 А, а также зарядные токи присоединений не более 1,5 А;
3) указанные на рис. 4.2.1. расстояния по горизонтали а, б, в от колонок и концов горизонтально-поворотных (ГП) подвижных контактов в отключенном положении до заземленных и токоведущих частей соседних присоединений должны быть не меньше расстояний между осями полюсов д, указанных в табл. 4.2.1 и 4.2.2. Эти требования к расстояниям а, б, в по рис. 4.2.1 применимы и к разъединителям и отделителям напряжением 110 - 220 кВ при их внутренней установке по п. 2.
Расстояния по вертикали г от концов вертикально-рубящих (ВР) и ГП подвижных контактов до заземленных и токоведущих частей должны быть на 0,5 м больше расстояний д;
4) разъединителями и отделителями 6 - 35 кВ при их наружной и внутренней установке допускается отключать и включать токи холостого хода силовых трансформаторов, зарядные токи воздушных и кабельных линий электропередачи, а также токи замыкания на землю, которые не превышают значений, указанных в табл. 4.2.2 (см. рис. 4.2.1) и табл. 4.2.3 (рис. 4.2.2, а и б).
Размеры изолирующих перегородок для стандартных трехполюсных разъединителей приведены в табл. 4.2.4 в соответствии с рис. 4.2.2, а и б;
5) у разъединителей и отделителей, установленных горизонтально, спуски из гибкого провода прокладывать полого во избежание переброски на них дуги, не допуская расположения, близкого к вертикальному. Угол между горизонталью и прямой, соединяющей точку подвеса спуска и линейный зажим полюса, должен быть не более 65°.
Ошиновку из жестких шин выполнять так, чтобы на расстоянии в (см. рис. 4.2.1) шины подходили к разъединителям (отделителям) с подъемом или горизонтально. Недопустимое сближение шин с подвижными контактами у горизонтально-поворотных разъединителей и отделителей показано пунктиром;
6) для обеспечения безопасности персонала и защиты его от светового и теплового воздействия дуги над ручными приводами отделителей и разъединителей устанавливать козырьки или навесы из негорючего материала. Сооружение козырьков не требуется у разъединителей и отделителей напряжением 6 - 35 кВ, если отключаемый ток холостого хода не превышает 3 А, а отключаемый зарядный - 2 А;
7) приводы трехполюсных разъединителей 6 - 35 кВ при их внутренней установке, если они не отделены от разъединителей стеной или перекрытием, снабжать глухим щитом, расположенным между приводом и разъединителем;
8) в электроустановках напряжением 35, 110, 150 и 220 кВ с разъединителями и отделителями в одной цепи отключение ненагруженного трансформатора, автотрансформатора, системы шин, линий электропередачи производить дистанционно отделителем, включение - разъединителем.

Рис. 4.2.1. Границы расположения открытых подвижных контактов разъединителя (отделителя) по отношению к заземленным и токоведущим частям
Таблица 4.2.1
Наибольшие токи холостого хода и зарядные токи, отключаемые и включаемые разъединителями и отделителями 110 - 500 кВ
|
Номинальное напряжение, кВ |
Тип отделителя, разъединителя |
Расстояние между осями полюсов, м (рис. 4.2.1) |
Ток, А, не более |
|
|
холостого хода |
зарядный |
|||
|
110 |
ВР |
2,0 |
6,0 |
2,5 |
|
2,5 |
7,0 |
3,0 |
||
|
3,0 |
9,0 |
3,5 |
||
|
ГП |
2,0 |
4,0 |
1,5 |
|
|
2,5 |
6,0 |
2,0 |
||
|
3,0 |
8,0 |
3,0 |
||
|
3,5 |
10,0 |
3,5 |
||
|
150 |
ВР |
2,5 |
2,3 |
1,0 |
|
2,7 |
4,0 |
1,5 |
||
|
3,0 |
6,0 |
2,0 |
||
|
3,4 |
7,6 |
2,5 |
||
|
4,0 |
10,0 |
3,0 |
||
|
ГП |
3,0 |
2,3 |
1,0 |
|
|
3,7 |
5,0 |
1,5 |
||
|
4,0 |
5,5 |
2,0 |
||
|
4,4 |
6,0 |
2,5 |
||
|
220 |
ВР |
3,5 |
3,0 |
1,0 |
|
4,0 |
5,0 |
1,5 |
||
|
4,5 |
8,0 |
2,0 |
||
|
ГП |
3,5 |
3,0 |
1,0 |
|
|
4,0 |
5,0 |
1,5 |
||
|
4,5 |
8,0 |
1,0 |
||
|
330 |
ГП |
6,0 |
5,0 |
2,0 |
|
ПН |
6,0 |
3,5 |
1,0 |
|
|
ПНЗ |
6,0 |
4,5 |
1,5 |
|
|
500 |
ВР |
7,5 |
5,0 |
2,0 |
|
ГП |
8,0 |
6,0 |
2,5 |
|
|
ПН |
8,0 |
5,0 |
2,0 |
|
|
ПНЗ |
7,5 |
5,5 |
2,5 |
|
Примечания: 1. ВР - вертикально-рубящий, ГП - горизонтально-поворотный, ПН - подвесной, ПНЗ - подвесной с опережающим отключением и отстающим включением полюса фазы В.
2. Приведены результирующие токи холостого хода с учетом взаимной компенсации индуктивных токов ненагруженных трансформаторов зарядными токами их присоединений и зарядных токов воздушных или кабельных присоединений индуктивными токами ненагруженных трансформаторов.
4.2.19. Выбор аппаратов, проводников и изоляторов по условиям к.з. должен производиться в соответствии с гл. 1.4.
4.2.20. Конструкции, на которых установлены электрооборудование, аппараты, токоведущие части и изоляторы, должны выдерживать нагрузки от их веса, тяжения, коммутационных операций, воздействия ветра, гололеда и КЗ, а также сейсмических воздействий.
Строительные конструкции, доступные для прикосновения персонала, не должны нагреваться от воздействия электрического тока выше 50 °С; недоступные для прикосновения - выше 70 °С.
Конструкции на нагрев могут не проверяться, если по токоведущим частям проходит переменный ток 1000 А и менее.
4.2.21. Во всех цепях РУ должна быть предусмотрена установка разъединяющих устройств с видимым разрывом, обеспечивающих возможность отсоединения всех аппаратов (выключателей, предохранителей, трансформаторов тока, трансформаторов напряжения и т.д.) каждой цепи со всех ее сторон, откуда может быть подано напряжение.
Видимый разрыв может отсутствовать в комплектных распределительных устройствах заводского изготовления (в том числе с заполнением элегазом - КРУЭ) с выкатными элементами и/или при наличии надежного механического указателя гарантированного положения контактов.
Таблица 4.2.2
Наибольшие токи холостого хода и зарядные токи, токи замыкания на землю, отключаемые и включаемые разъединителями и отделителями 6 - 35 кВ
|
Номинальное напряжение, кВ |
Расстояние между осями полюсов 5, м (рис. 4.2.1) |
Ток, А, не более |
||
|
холостого хода |
зарядный |
замыкания на землю |
||
|
6 |
0,4 |
2,5 |
5,0 |
7,5 |
|
10 |
0,5 |
2,5 |
4,0 |
6,0 |
|
20 |
0,75 |
3,0 |
3,0 |
4,5 |
|
35 |
1,0 |
3,0 |
2,0 |
3,0 |
|
35 |
2,0 |
5,0 |
3,0 |
5,0 |
Таблица 4.2.3
Наибольшие токи холостого хода и зарядные токи, токи замыкания на землю, отключаемые и включаемые разъединителями и отделителями 6 - 35 кВ
|
Номинальное напряжение, кВ |
Расстояние между осями полюсов Ж, м (рис. 4.2.2) |
Наименьшее расстояние до заземленных и токоведущих частей, м (рис. 4.2.2) |
Ток, А, не более |
|
||||
|
холостого хода |
зарядный |
замыкания на землю |
||||||
|
А |
Б |
В |
|
|||||
|
6 |
0,2 |
0,2 |
0,2 |
0,5 |
3,5 |
2,5 |
4,0 |
|
|
10 |
0,25 |
0,3 |
0,3 |
0,7 |
3,0 |
2,0 |
3,0 |
|
|
20 |
0,3 |
0,4 |
0,4 |
1,0 |
3,0 |
1,5 |
2,5 |
|
|
35 |
0,45 |
0,5 |
0,5 |
1,5 |
2,5 |
1,0 |
1,5 |
|

Рис. 4.2.2. Установка разъединителя (отделителя):
а - вертикальная; б - наклонная; 1 - изолирующие перегородки
Примечание. При изолирующих перегородках между полюсами отключаемые и включаемые токи в 1,5 раза больше значений, указанных в табл. 4.2.3.
Таблица 4.2.4
Размеры изолирующих перегородок
|
Номинальное напряжение, кВ |
Размеры изолирующих перегородок, м (рис. 4.2.2) |
||
|
Г |
Д |
Е |
|
|
6 |
0,1 |
0,5 |
0,05 |
|
10 |
0,65 |
0,65 |
0,05 |
|
20 |
0,2 |
1,1 |
0,05 |
|
35 |
0,25 |
1,8 |
0,05 |
Указанное требование не распространяется на высокочастотные заградители и конденсаторы связи, трансформаторы напряжения, устанавливаемые на отходящих линиях, а также трансформаторы напряжения емкостного типа, присоединяемые к системам шин, разрядники и ограничители перенапряжений, устанавливаемых на выводах трансформаторов и шунтирующих реакторов и на отходящих линиях, а также на силовые трансформаторы с кабельными вводами.
В отдельных случаях, обусловленных схемными или конструктивными решениями, трансформаторы тока допускается устанавливать до разъединяющих устройств.
применение закрытых ПС и РУ, защищенных от проникновения пыли, вредных газов или паров в помещение;
применение усиленной изоляции и шин из материала, стойкого к воздействию окружающей среды, или покраска их защитным покрытием;
расположение ПС и РУ со стороны господствующего направления ветра;
применение минимального количества открыто установленного оборудования.
При сооружении ПС и РУ вблизи морских побережий, соленых озер, химических предприятий, а также в местах, где длительным опытом эксплуатации установлено разрушение алюминия от коррозии, следует применять специальные алюминиевые и сталеалюминиевые провода, защищенные от коррозии, в том числе полимерным покрытием, или провода из меди и ее сплавов.
4.2.23. При расположении РУ и ПС в сейсмических районах для обеспечения требуемой сейсмостойкости наряду с применением имевшегося сейсмостойкого оборудования следует предусматривать специальные меры, повышающие сейсмостойкость электроустановки.
4.2.24. В ОРУ, КРУ, КРУН и неотапливаемых ЗРУ, где температура окружающего воздуха может быть ниже допустимой для оборудования, должен быть предусмотрен подогрев в соответствии с действующими стандартами на оборудование.
4.2.25. Ошиновку РУ и ПС, как правило, следует выполнять из алюминиевых и сталеалюминиевых проводов, полос, труб и шин из профилей алюминия и алюминиевых сплавов электротехнического назначения (исключения см. в 4.2.22).
При этом, когда деформации ошиновки, вызываемые изменениями температуры, могут вызывать опасные механические напряжения в проводах или изоляторах, следует предусматривать меры, исключающие возникновение таких напряжений.
Конструкция жесткой ошиновки должна предусматривать устройства для гашения вибрации шин и компенсирующие устройства для предотвращения передачи механических усилий на контактные выводы аппаратов и опорные изоляторы от температурных деформаций и неравномерной осадки опорных конструкций.
Токопроводы следует выполнять в соответствии с требованиями гл. 2.2.
4.2.26. Обозначение фаз электрооборудования и ошиновки РУ и ПС должно выполняться в соответствии с требованиями гл. 1.1.
4.2.27. Распределительные устройства должны быть оборудованы оперативной блокировкой неправильных действий при переключениях в электрических установках (сокращенно - оперативной блокировкой), предназначенной для предотвращения неправильных действий с разъединителями, заземляющими ножами*, отделителями и короткозамыкателями.
* В последующем тексте настоящей главы вместо слов «заземляющий нож» используется слово «заземлитель», под которым понимается как элемент аппарата, так и отдельно установленный аппарат.
Оперативная блокировка должна исключать:
подачу напряжения разъединителем на участок электрической схемы, заземленной включенным заземлителем, а также на участок электрической схемы, отделенной от включенных заземлителей только выключателем;
включение заземлителя на участке схемы, не отделенном разъединителем от других участков, которые могут быть как под напряжением, так и без напряжения;
отключение и включение разъединителями токов нагрузки.
Оперативная блокировка должна обеспечивать в схеме с последовательным соединением разъединителя с отделителем включение ненагруженного трансформатора разъединителем, а отключение - отделителем.
На заземлителях линейных разъединителей со стороны линии допускается иметь только механическую блокировку с приводом разъединителя.
4.2.28. Распределительные устройства и ПС, как правило, должны быть оборудованы стационарными заземлителями, обеспечивающими в соответствии с требованиями безопасности заземление аппаратов и ошиновки.
В РУ 3 кВ и выше стационарные заземлители должны быть размещены так, чтобы были не нужны переносные заземления и чтобы персонал, работающий на токоведущих частях любых участков присоединений и сборных шин, был защищен заземлителями со всех сторон, откуда может быть подано напряжение.
На случай отключения в процессе ремонта разъединителя с заземлителями или только заземлителя этого разъединителя должны быть предусмотрены заземлители у других разъединителей на данном участке схемы, расположенные со стороны возможной подачи напряжения. Последнее требование не относится к заземлителям со стороны линейных разъединителей (при отсутствии обходной системы шин или ремонтной перемычки со стороны ВЛ), а также к заземлителям в цепи секционной связи КРУ.
На заземлителях линейных разъединителей со стороны линии следует, как правило, иметь привод с дистанционным управлением для исключения травмирования персонала при ошибочном включении их и наличии на линии напряжения, в ячейках КРУЭ эти заземлители, кроме того, рекомендуется иметь быстродействующими.
Каждая секция (система) сборных шин РУ 35 кВ и выше должна иметь, как правило, два комплекта заземлителей. При наличии трансформаторов напряжения заземления сборных шин следует осуществлять, как правило, заземлителями разъединителей трансформаторов напряжения.
Применение переносных защитных заземлений предусматривается в следующих случаях:
при работе на линейных разъединителях и на оборудовании, расположенном со стороны ВЛ до линейного разъединителя;
на участках схемы, где заземлители установлены отдельно от разъединителей, на время ремонта заземлителей;
для защиты от наведенного напряжения.
4.2.29. Сетчатые и смешанные ограждения токоведущих частей и электрооборудования должны иметь высоту над уровнем планировки для ОРУ и открыто установленных трансформаторов 2 или 1,6 м (с учетом требований 4.2.57 и 4.2.58), а над уровнем пола для ЗРУ и трансформаторов, установленных внутри здания, 1,9 м; сетки должны иметь отверстия размером не более 25×25 мм, а также приспособления для запирания их на замок. Нижняя кромка этих ограждений в ОРУ должна располагаться на высоте 0,1 - 0,2 м, а в ЗРУ - на уровне пола.
Применение барьеров допускается при входе в камеры выключателей, трансформаторов и других аппаратов для их осмотра при наличии напряжения на токоведущих частях. Барьеры должны устанавливаться на высоте 1,2 м и быть съемными. При высоте пола камер над уровнем земли более 0,3 м необходимо оставить между дверью и барьером расстояние не менее 0,5 м или предусмотреть площадку перед дверью для осмотра.
Применение барьеров в качестве единственного вида ограждения токоведущих частей недопустимо.
4.2.30. Указатели уровня и температуры масла маслонаполненных трансформаторов и аппаратов и другие указатели, характеризующие состояние оборудования, должны быть расположены таким образом, чтобы были обеспечены удобные и безопасные условия для доступа к ним и наблюдения за ними без снятия напряжения (например, со стороны прохода в камеру).
Для отбора проб масла расстояние от уровня пола или поверхности земли до крана трансформатора или аппарата должно быть не менее 0,2 м или должен быть предусмотрен соответствующий приямок.
4.2.31. Электропроводка цепей защиты автоматики, измерения, сигнализации и освещения, проложенная по электротехническим устройствам с масляным наполнением, должна быть выполнена проводами с маслостойкой изоляцией.
4.2.32. Расчетный уровень высоких (паводковых) вод принимается с обеспеченностью: 2 % (повторяемость 1 раз в 50 лет) для ПС 330 кВ и ниже и 1 % (повторяемость 1 раз в 100 лет) для ПС 500 кВ и выше.
4.2.33. Распределительные устройства и ПС должны быть оборудованы электрическим освещением. Осветительная арматура должна быть установлена таким образом, чтобы было обеспечено ее безопасное обслуживание.
4.2.34. Распределительные устройства и ПС должны быть обеспечены телефонной и другими видами связи в соответствии с принятой системой обслуживания.
4.2.35. Размещение РУ и ПС, генеральный план и инженерная подготовка территории и защита их от затопления, оползней, лавин и т.п. должны быть выполнены в соответствии с требованиями СНиП Госстроя России.
4.2.36. Компоновка и конструктивное выполнение ОРУ и ЗРУ должны предусматривать возможность применения механизмов, в том числе специальных, для производства монтажных и ремонтных работ.
4.2.37. Расстояния между РУ (ПС) и деревьями высотой более 4 м должны быть такими, чтобы исключались повреждения оборудования и ошиновки при падении дерева (с учетом роста деревьев за 25 лет).
4.2.38. Для РУ и ПС, размещаемых в районе жилой и промышленной застройки, должны предусматриваться мероприятия по снижению шума, создаваемого работающим электрооборудованием (трансформаторами, синхронными компенсаторами и т.п.), до значений, допустимых санитарными нормами.
4.2.39. Подстанции с постоянным дежурством персонала, а также при наличии вблизи них жилых зданий должны быть обеспечены питьевой водой путем устройства хозяйственно-питьевого водопровода, сооружения артезианских скважин или колодцев.
4.2.40. Для РУ и ПС с постоянным дежурством персонала, имеющих водопровод, должны быть устроены утепленные уборные с канализацией. При отсутствии вблизи ПС канализационных магистралей допускается выполнение местных канализационных устройств (отстойники, фильтры). Для ПС без постоянного дежурства персонала допускается устройство неутепленных уборных с водонепроницаемыми выгребами.
При расположении ПС 110 кВ и выше без постоянного дежурства персонала вблизи существующих систем водоснабжения и канализации (на расстоянии до 0,5 км) в здании ОПУ должны предусматриваться санитарные канализационные узлы.
4.2.41. Территория ПС должна быть ограждена внешним забором в соответствии с требованиями норм технологического проектирования ПС.
На территории ПС следует ограждать ОРУ и силовые трансформаторы внутренним забором высотой 1,6 м (см. также 4.2.58).
ОРУ разных напряжений и силовые трансформаторы могут иметь общее ограждение.
При расположении ОРУ (ПС) на территории электростанций эти ОРУ (ПС) должны быть ограждены внутренним забором высотой 1,6 м.
Заборы могут не предусматриваться для закрытых ПС, а также для столбовых, мачтовых и комплектных ПС наружной установки с высшим напряжением до 35 кВ при условии соблюдения требований 4.2.132.
4.2.42. На территории ОРУ, ПС и электростанций следует предусматривать устройства по сбору и удалению масла (при наличии маслонаполненного оборудования) с целью исключения возможности растекания его по территории и попадания в водоемы.
4.2.43. Расстояния от электрооборудования до взрывоопасных зон и помещений следует принимать по гл. 7.3.
4.2.44. На ПС применяются постоянный и переменный оперативные токи.
Переменный ток должен применяться во всех случаях, когда это возможно и ведет к упрощению и удешевлению электроустановок при обеспечении необходимой надежности их работы.
4.2.45. В ОРУ 110 кВ и выше должен быть предусмотрен проезд для передвижных монтажно-ремонтных механизмов и приспособлений, а также передвижных лабораторий.
4.2.46. Соединения гибких проводов в пролетах должно выполняться опрессовкой с помощью соединительных зажимов, а соединения в петлях у опор, присоединение ответвлений в пролете и присоединение к аппаратным зажимам - опрессовкой или сваркой. При этом присоединение ответвлений в пролете выполняется, как правило, без разрезания проводов пролета.
Пайка и скрутка проводов не допускаются.
Болтовые соединения допускаются только на зажимах аппаратов и на ответвлениях к разрядникам, ОПН, конденсаторам связи и трансформаторам напряжения, а также для временных установок, для которых применение неразъемных соединений требует большого объема работ по перемонтажу шин.
Гирлянды изоляторов для подвески шин в ОРУ могут быть одноцепными. Если одноцепная гирлянда не удовлетворяет условиям механических нагрузок, то следует применять двухцепную.
Разделительные (врезные) гирлянды не допускаются, за исключением гирлянд, с помощью которых осуществляется подвеска высокочастотных заградителей.
Закрепление гибких шин и тросов в натяжных и подвесных зажимах в отношении прочности должны соответствовать требованиям, приведенным в 2.115.
4.2.47. Соединения жестких шин в пролетах следует выполнять сваркой, а соединение шин соседних пролетов следует выполнять с помощью компенсирующих устройств, присоединяемых к шинам, как правило, сваркой. Допускается присоединение компенсирующих устройств к пролетам с помощью болтовых соединений.
Ответвления от жестких шин могут выполняться как гибкими, так и жесткими, а присоединение их к пролетам следует выполнять, как правило, сваркой. Присоединение с помощью болтовых соединений разрешается только при обосновании.
4.2.48. Ответвления от сборных шин ОРУ, как правило, должны располагаться ниже сборных шин.
Подвеска ошиновки одним пролетом над двумя и более секциями или системами сборных шин не допускается.
При определении нагрузок на конструкции дополнительно следует учитывать вес человека с инструментами и монтажными приспособлениями при применении:
натяжных гирлянд изоляторов - 2,0 кН;
поддерживающих гирлянд - 1,5 кН;
опорных изоляторов - 1,0 кН.
Тяжение спусков к аппаратам ОРУ не должно вызывать недопустимых механических напряжений и недопустимого сближения проводов при расчетных климатических условиях.
4.2.50. Расчетные механические усилия, передающиеся при КЗ жесткими шинами на опорные изоляторы, следует принимать в соответствии с требованиями гл. 1.4.
4.2.51. Коэффициент запаса механической прочности при нагрузках, соответствующих 4.2.49, следует принимать:
для гибких шин - не менее 3 по отношению к их временному сопротивлению разрыва;
для подвесных изоляторов - не менее 4 по отношению к гарантированной минимальной разрушающей нагрузке целого изолятора (механической или электромеханической в зависимости от требований стандартов на примененный тип изолятора);
для сцепной арматуры гибких шин - не менее 3 по отношению к минимальной разрушающей нагрузке;
для опорных изоляторов жесткой ошиновки - не менее 2,5 по отношению к гарантированной минимальной разрушающей нагрузке изолятора.
4.2.52. Опоры для крепления шин ОРУ должны рассчитываться как промежуточные или концевые в соответствии с гл. 2.5.
4.2.54. Наименьшие расстояния в свету между неизолированными токоведущими частями разных фаз, от неизолированных токоведущих частей до земли, заземленных конструкций и ограждений, а также между неизолированными токоведущими частями разных цепей следует принимать по табл. 4.2.5 (рис. 4.2.3 - 4.2.12).
В случае, если в установках, расположенных в высокогорье, расстояния между фазами увеличиваются по сравнению с приведенными в табл. 4.2.5 по результатам проверки на корону, соответственно должны быть увеличены и расстояния до заземленных частей.
4.2.55. Наименьшие расстояния в свету при жестких шинах (см. рис. 4.2.3.) между токоведущими и заземленными частями Аф-з и между токоведущими частями разных фаз Аф-ф следует принимать по табл. 4.2.5, а при гибких (см. рис. 4.2.4) - следует определять следующим образом:
![]()
где a = f sin α; f - стрела провеса проводов при температуре + 15 °С, м; α = arctg P/Q; Q - расчетная нагрузка от веса провода на 1 м длины провода, даН/м; Р - расчетная линейная ветровая нагрузка на провод, даН/м; при этом скорость ветра принимается равной 60 % значения, выбранного при расчете строительных конструкций.

Рис. 4.2.3. Наименьшие расстояния в свету при жестких шинах между
токоведущими и заземленными частями (Аф-з,
) и между токоведущими частями разных фаз (Аф-ф)

Рис. 4.2.4. Наименьшие расстояния в свету при гибких шинах между токоведущими и заземленными частями и между токоведущими частями разных фаз, расположенными в одной горизонтальной плоскости
Таблица 4.2.5.
Наименьшие расстояния в свету от токоведущих частей до различных элементов ОРУ (подстанций) 10 - 750 кВ, защищенных разрядниками, и ОРУ 220 - 750 кВ, защищенных ограничителями перенапряжений, (в знаменателе) (рис. 4.2.3 - 4.2.12)
|
Номер рисунка |
Наименование расстояния |
Обозначение |
Изоляционное расстояние, мм, для номинального напряжения, кВ |
||||||||
|
до 10 |
20 |
35 |
110 |
150 |
220 |
330 |
500 |
750 |
|||
|
От токоведущих частей, элементов оборудования и изоляции, находящихся под напряжением, до протяженных заземленных конструкций и до постоянных внутренних ограждений высотой не менее 2 м, а также до стационарных межячейковых экранов и противопожарных перегородок |
Аф-з |
200 |
300 |
400 |
900 |
1300 |
1800 1200 |
2500 2000 |
3750 3300 |
5500 5000 |
|
|
От токоведущих частей, элементов оборудования и изоляции, находящихся под напряжением, до заземленных конструкций: головка аппарата-опора, провод-стойка, траверса, провод-кольцо, стержень |
|
200 |
300 |
400 |
900 |
1300 |
1600 1200 |
2200 1800 |
3300 2700 |
5000 4500 |
|
|
Между токоведущими частями разных фаз |
Аф-ф |
220 |
330 |
440 |
100 |
1400 |
2000 1600 |
1800 2200 |
4200 3400 |
8000 6500 |
|
|
От токоведущих частей, элементов оборудования и изоляции, находящихся под напряжением, до постоянных внутренних ограждений высотой до 1,6 м и до транспортируемого оборудования |
Б |
950 |
1050 |
1150 |
1650 |
2050 |
2550 2000 |
3250 3000 |
4500 4100 |
6300 5800 |
|
|
Между токоведущими частями разных цепей в разных плоскостях при обслуживаемой нижней цепи и неотключенной верхней |
В |
960 |
1050 |
1150 |
1650 |
2050 |
3000 2400 |
4000 3500 |
5000 3950 |
7000 6000 |
|
|
От неогражденных токоведущих частей до земли или до кровли зданий при наибольшем провисании проводов |
Г |
2900 |
3000 |
3100 |
3600 |
4000 |
4500 3900 |
5000 4700 |
6450 6000 |
8200 7200 |
|
|
Между токоведущими частями разных цепей в разных плоскостях, а также между токоведущими частями разных цепей по горизонтали при обслуживании одной цепи и неотключенной другой |
Д1 |
2200 |
2300 |
2400 |
2900 |
3300 |
3600 3200 |
4200 3800 |
5200 4700 |
7000 6500 |
|
|
От токоведущих частей до верхней кромки внешнего забора или до здания и сооружения |
Д |
2200 |
2300 |
2400 |
2900 |
3300 |
3800 3200 |
4500 4000 |
5750 5300 |
7500 6500 |
|
|
От контакта и ножа разъединителя в отключенном положении до ошиновки, присоединенной ко второму контакту |
Ж |
240 |
365 |
485 |
1100 |
1550 |
2200 1800 |
3100 2600 |
4600 3800 |
7500 6100 |
|
Примечания:
1. Для элементов изоляции, находящихся под распределенным потенциалом, изоляционные расстояния следует принимать с учетом фактических значений потенциалов в разных точках поверхности. При отсутствии данных о распределении потенциала следует условно принимать прямолинейный закон падения потенциала вдоль изоляции от полного номинального напряжения (со стороны токоведущих частей) до нуля (со стороны заземленных частей).
2. Расстояние
от токоведущих частей или элементов изоляции (со стороны токоведущих частей),
находящихся под напряжением, до габаритов трансформаторов, транспортируемых по
железнодорожным путям, допускается принять менее размера Б, но не менее размера
.
3. Расстояния Аф-з,
, и Аф-ф
для ОРУ 220 кВ и выше, расположенных на высоте более 1000 м над уровнем моря,
должны быть увеличены в соответствии с требованиями государственных стандартов,
а расстояния Аф-ф, В и Д1
должны быть проверены по условиям ограничения короны.
4. Для напряжения 750 кВ в таблице даны расстояния Аф-ф между параллельными проводами длиной более 20 м; расстояния Аф-ф, между экранами, скрещивающимися проводами, параллельными проводами длиной до 20 м для ОРУ 750 кВ с разрядниками равны 7000 мм, а для ОРУ 750 кВ с ОПН - 5500 мм.
5. Ограничители перенапряжений имеют защитный уровень ограничения коммутационных перенапряжений фаза-земля 1,8 Uф.
В гибкой ошиновке, выполненной из нескольких проводов в фазе, следует устанавливать внутрифазовые дистанционные распорки.
4.2.57. Наименьшие расстояния от токоведущих частей и изоляторов, находящихся под напряжением, до постоянных внутренних ограждений должны быть (табл. 4.2.5, рис. 4.2.5);
по горизонтали - не менее размера Б при высоте ограждения 1,6 м и не менее размера Аф-з при высоте ограждения 2,0 м. Второй вариант рекомендуется для применения в стесненных условиях площадки ПС;
по вертикали - не менее размера Аф-з, отмеряемого в плоскости ограждения от точки, расположенной на высоте 2,7 м от земли.
4.2.58. Токоведущие части (выводы, шины, спуски и т.п.) могут не иметь внутренних ограждений, если они расположены над уровнем планировки или наземных коммуникационных сооружений на высоте не менее значений, соответствующих размеру Г по табл. 4.2.5 (рис. 4.2.6).
Неогражденные токоведущие части, соединяющие конденсатор устройств высокочастотной связи, телемеханики и защиты с фильтром, должны быть расположены на высоте не менее 2,5 м. При этом рекомендуется устанавливать фильтр на высоте, позволяющей производить ремонт (настройку) фильтра без снятия напряжения с оборудования присоединения.
Трансформаторы и аппараты, у которых нижняя кромка фарфора (полимерного материала) изоляторов расположена над уровнем планировки или наземных коммуникационных сооружений на высоте не менее 2,5 м, разрешается не ограждать (см. рис. 4.2.6). При меньшей высоте оборудование должно иметь постоянные ограждения, удовлетворяющие требованиям 4.2.29, располагаемые от трансформаторов и аппаратов на расстояниях не менее приведенных в 4.2.57. Вместо постоянных ограждений допускается устройство козырьков, предотвращающих прикосновение обслуживающего персонала к изоляции и элементам оборудования, находящимся под напряжением.
Рис. 4.2.5. Наименьшие расстояния от токоведущих частей и элементов изоляции, находящихся под напряжением, до постоянных внутренних ограждений
Рис. 4.2.6. Наименьшие расстояния от неогражденных токоведущих частей и от нижней кромки фарфора изоляторов до земли
4.2.59. Расстояния от неогражденных токоведущих частей до габаритов машин, механизмов и транспортируемого оборудования должны быть не менее размера Б по табл. 4.2.5 (рис. 4.2.7).
Рис. 4.2.7. Наименьшие расстояния от токоведущих частей до транспортируемого оборудования
4.2.60. Расстояния между ближайшими неогражденными токоведущими частями разных цепей должны выбираться из условия безопасного обслуживания одной цепи при неотключенной второй. При расположении неогражденных токоведущих частей разных цепей в разных (параллельных или перпендикулярных) плоскостях расстояния по вертикали должны быть не менее размера В, а по горизонтали - размера Д1 по табл. 4.2.5 (рис. 4.2.8). При наличии разных напряжений размеры В и Д1 принимаются по более высокому напряжению.
Размер В определен из условия обслуживания нижней цепи при неотключенной верхней, а размер Д1 - обслуживания одной цепи при неотключенной другой. Если такое обслуживание не предусматривается, расстояние между токоведущими частями разных цепей в разных плоскостях должно приниматься в соответствии с 4.2.53; при этом должна быть учтена возможность сближения проводов в условиях эксплуатации (под влиянием ветра, гололеда, температуры).

Рис. 4.2.8. Наименьшие расстояния между токоведущими частями разных цепей, расположенными в различных плоскостях с обслуживанием нижней цепи при неотключенной верхней
Рис. 4.2.9. Наименьшие расстояния по горизонтали между токоведущими частями разных цепей с обслуживанием одной цепи при неотключенной другой
4.2.61. Расстояния между токоведущими частями и верхней кромкой внешнего забора должны быть не менее размера Д по табл. 4.2.5 (рис. 4.2.10).
Рис. 4.2.10. Наименьшие расстояния от токоведущих частей до верхней кромки внешнего ограждения
4.2.62. Расстояния от
подвижных контактов разъединителей в отключенном положении до заземленных
частей должны быть не менее размеров Аф-з
и
; до ошиновки своей фазы, присоединенной ко второму контакту
- не менее размера Ж; до ошиновки
других присоединений - не менее размера Аф-ф
по табл. 4.2.5
(рис. 4.2.11).

Рис. 4.2.11. Наименьшие расстояния от подвижных контактов разъединителей в отключенном положении до заземленных и токоведущих частей
4.2.63. Расстояния между токоведущими частями ОРУ и зданиями или сооружениями (ЗРУ, помещение щита управления, трансформаторная башня и др.) по горизонтали должны быть не менее размера Д, а по вертикали при наибольшем провисании проводов - не менее размера Г по табл. 4.2.5 (рис. 4.2.12).
Рис. 4.2.12. Наименьшие расстояния между токоведущими частями и зданиями и сооружениями
4.2.64. Прокладка воздушных осветительных линий, воздушных линий связи и цепей сигнализации над и под токоведущими частями ОРУ не допускается.
4.2.65. Расстояния от складов водорода до ОРУ, трансформаторов, синхронных компенсаторов должны быть не менее 50 м; до опор ВЛ - не менее 1,5 высоты опоры; до зданий ПС при количестве хранимых на складе баллонов до 500 шт. - не менее 20 м, свыше 500 шт. - не менее 25 м; до внешней ограды ПС - не менее 5,5 м.
4.2.66. Расстояния от открыто установленных электротехнических устройств до водоохладителей ПС должны быть не менее значений, приведенных в табл. 4.2.6.
Для районов с расчетными температурами наружного воздуха ниже минус 36 °С приведенные в табл. 4.2.6. расстояния должны быть увеличены на 25 %, а с температурами выше минус 20 °С - уменьшены на 25 %. Для реконструируемых объектов приведенные в табл. 4.2.6. расстояния допускается уменьшать, но не более чем на 25 %.
Таблица 4.2.6
Наименьшее расстояние от открыто установленных электротехнических устройств до водоохладителей ПС
|
Водоохладитель |
Расстояние, м |
|
Брызгальные устройства и открытые градирни |
80 |
|
Башенные и одновентиляторные градирни |
30 |
|
Секционные вентиляторные градирни |
42 |
4.2.67. Расстояния от оборудования РУ и ПС до зданий ЗРУ и других технологических зданий и сооружений, до КБ, СТК, СК определяются только технологическими требованиями и не должны увеличиваться по пожарным условиям.
16 м - при степени огнестойкости этих зданий I и II;
20 м - при степени III;
24 м - при степени IV и V.
При установке у стен производственных зданий с категорией помещения Г и Д маслонаполненных трансформаторов с массой масла 60 кг и более, электрически связанных с оборудованием, установленным в этих зданиях, разрешаются расстояния менее указанных. При этом, на расстоянии от них более 10 м и вне пределов участков шириной Б (рис. 4.2.13) специальных требований к стенам, окнам и дверям зданий не предъявляется.
При расстоянии менее 10 м до трансформаторов в пределах участков шириной Б должны выполняться следующие требования:
1) до высоты Д (до уровня ввода трансформаторов) окна не допускаются;
2) при расстоянии г менее 5 м и степенях огнестойкости зданий IV и V стена здания должна быть выполнена по I степени огнестойкости и возвышаться над кровлей, выполненной из сгораемого материала, не менее чем на 0,7 м;
3) при расстоянии г менее 5 м и степенях огнестойкости зданий I, II, III, а также при расстоянии г 5 м и более без ограничения по огнестойкости на высоте от д до д + е допускаются неоткрывающиеся окна с заполнением армированным стеклом или стеклоблоками с рамами из несгораемого материала; выше д + е - окна, открывающиеся внутрь здания, с проемами, снабженными снаружи металлическими сетками с ячейками не более 25×25 мм;
4) при расстоянии г менее 5 м на высоте менее д, а при г 5 м и более на любой высоте допускаются двери из несгораемых или трудносгораемых материалов с пределом огнестойкости не менее 60 мин;
5) вентиляционные приемные отверстия в стене здания при расстоянии г менее 5 м не допускаются; вытяжные отверстия с выбросом незагрязненного воздуха в указанном пределе допускаются на высоте д;
6) при расстоянии г от 5 до 10 м вентиляционные отверстия в ограждающих конструкциях кабельных помещений со стороны трансформаторов на участке шириной Б не допускаются.
Приведенные на рис. 4.2.13 размеры а - г и А принимаются до наиболее выступающих частей трансформаторов на высоте не более 1,9 м от поверхности земли. При единичной мощности трансформаторов до 1,6 МВ·А расстояния в ≥ 1,5 м; е ≥ 8 м; более 1,6 МВ·А в ≥ 2 м; е ≥ 10 м. Расстояние б принимается по 4.2.217, расстояние г должно быть не менее 0,8 м.
Требования настоящего пункта распространяются также на КТП наружной установки.
Рис. 4.2.13. Требования к открытой установке маслонаполненных трансформаторов у зданий с производствами категорий Г и Д
4.2.69. Для предотвращения растекания масла и распространения пожара при повреждениях маслонаполненных силовых трансформаторов (реакторов) с количеством масла более 1 т в единице должны быть выполнены маслоприемники, маслоотводы и маслосборники с соблюдением следующих требований:
1) габариты маслоприемника должны выступать за габариты трансформатора (реактора) не менее чем на 0,6 м при массе масла до 2 т; 1 м при массе от 2 до 10 т; 1,5 м при массе от 10 до 50 т; 2 м при массе более 50 т. При этом габарит маслоприемника может быть принят меньше на 0,5 м со стороны стены или перегородки, располагаемой от трансформатора (реактора) на расстоянии менее 2 м.
Объем маслоприемника без отвода масла следует рассчитывать на прием 100 % объема масла, залитого в трансформатор (реактор), и 80 % воды от средств пожаротушения из расчета орошения площадей маслоприемника и боковых поверхностей трансформатора (реактора) с интенсивностью 0,2 л/с·м2 в течение 30 мин;
3) устройство маслоприемников и маслоотводов должно исключать переток масла (воды) из одного маслоприемника в другой, растекание масла по кабельным и др. подземным сооружениям, распространение пожара, засорение маслоотвода и забивку его снегом, льдом и т.п.;
4) маслоприемники под трансформаторы (реакторы) с объемом масла до 20 т допускается выполнять без отвода масла. Маслоприемники без отвода масла должны выполняться заглубленной конструкции и закрываться металлической решеткой, поверх которой должен быть насыпан слой чистого гравия или промытого гранитного щебня толщиной не менее 0,25 м, либо непористого щебня другой породы с частицами от 30 до 70 мм. Уровень полного объема масла в маслоприемнике должен быть ниже решетки не менее чем на 50 мм.
Удаление масла и воды из маслоприемника без отвода масла должно предусматриваться передвижными средствами. При этом рекомендуется выполнение простейшего устройства для проверки отсутствия масла (воды) в маслоприемнике;
5) маслоприемники с отводом масла могут выполняться как заглубленными, так и незаглубленными (дно на уровне окружающей планировки). При выполнении заглубленного телеприемника устройство бортовых ограждений не требуется, если при этом обеспечивается объем маслоприемника, указанный в п. 2.
Маслоприемники с отводом масла могут выполняться:
с установкой металлической решетки на маслоприемнике, поверх которой насыпан гравий или щебень толщиной слоя 0,25 м;
без металлической решетки с засыпкой гравия на дно маслоприемника толщиной слоя не менее 0,25 м.
Незаглубленный маслоприемник следует выполнять в виде бортовых ограждений маслонаполненного оборудования. Высота бортовых ограждений должна быть не более 0,5 м над уровнем окружающей планировки.
Дно маслоприемника (заглубленного и незаглубленного) должно иметь уклон не менее 0,005 в сторону приямка и быть засыпано чисто промытым гранитным (либо другой непористой породы) гравием или щебнем фракцией от 30 до 70 мм. Толщина засыпки должна быть не менее 0,25 м.
Верхний уровень гравия (щебня) должен быть не менее чем на 75 мм ниже верхнего края борта (при устройстве маслоприемников с бортовыми ограждениями) или уровня окружающей планировки (при устройстве маслоприемников без бортовых ограждений).
Допускается не производить засыпку дна маслоприемников по всей площади гравием. При этом на системах отвода масла от трансформаторов (реакторов) следует предусматривать установку огнепреградителей;
6) при установке маслонаполненного электрооборудования на железобетонном перекрытии здания (сооружения) устройство маслоотвода является обязательным;
7) маслоотводы должны обеспечивать отвод из маслоприемника масла и воды, применяемой для тушения пожара, автоматическими стационарными устройствами и гидрантами на безопасное в пожарном отношении расстояние от оборудования и сооружений: 50 % масла и полное количество воды должны удаляться не более чем за 0,25 ч. Маслоотводы могут выполняться в виде подземных трубопроводов или открытых кюветов и лотков;
8) маслосборники должны предусматриваться закрытого типа и должны вмещать полный объем масла единичного оборудования (трансформаторов, реакторов), содержащего наибольшее количество масла, а также 80 % общего (с учетом 30-минутного запаса) расхода воды от средств пожаротушения. Маслосборники должны оборудоваться сигнализацией о наличии воды с выводом сигнала на щит управления. Внутренние поверхности маслоприемника, ограждений маслоприемника и маслосборника должны быть защищены маслостойким покрытием.
4.2.70. На ПС с трансформаторами 110 - 150 кВ единичной мощностью 63 МВ·А и более и трансформаторами 220 кВ и выше единичной мощностью 40 МВ·А и более, а также на ПС с синхронными компенсаторами для тушения пожара следует предусматривать противопожарный водопровод с питанием от существующей внешней сети или от самостоятельного источника водоснабжения. Допускается вместо противопожарного водопровода предусматривать забор воды из прудов, водохранилищ, рек и других водоемов, расположенных на расстоянии до 200 м от ПС с помощью передвижных средств пожарной техники.
На ПС с трансформаторами 35 - 150 кВ единичной мощностью менее 63 МВ·А и трансформаторами 220 кВ единичной мощностью менее 40 МВ·А противопожарный водопровод и водоем не предусматривается.
4.2.71. КРУН и КТП наружной установки должны быть расположены на спланированной площадке на высоте не менее 0,2 м от уровня планировки с выполнением около шкафов площадки для обслуживания. В районах с высотой расчетного снежного покрова 1,0 м и выше и продолжительностью его залегания не менее 1 мес. рекомендуется установка КРУН и КТП наружной установки на высоте не менее 1 м.
Расположение устройства должно обеспечивать удобные выкатывание и транспортировку трансформаторов и выкатной части ячеек.
4.2.74. В ОРУ 330 кВ и выше допустимые уровни напряженности ЭП в зонах пребывания обслуживающего персонала должны обеспечиваться, как правило, конструктивно-компоновочными решениями с использованием стационарных и инвентарных экранирующих устройств. Напряженность ЭП в этих зонах следует определять по результатам измерений в ОРУ с идентичными конструктивно-компоновочными решениями или расчетным путем.
4.2.75. На ПС и в ОРУ напряжением 330 кВ и выше в целях снижения воздействия ЭП на персонал необходимо:
применять металлоконструкции ОРУ из оцинкованных, алюминированных или алюминиевых элементов;
лестницы для подъема на траверсы металлических порталов располагать, как правило, внутри их стоек (лестницы, размещенные снаружи, должны быть огорожены экранирующими устройствами, обеспечивающими внутри допустимые уровни напряженности ЭП).
4.2.76. На ПС и в ОРУ 330 кВ и выше для снижения уровня напряженности ЭП следует исключать соседство одноименных фаз в смежных ячейках.
4.2.77. На ПС напряжением 330 кВ и выше производственные и складские здания следует размещать вне зоны влияния ЭП. Допускается их размещение в этой зоне при обеспечении экранирования подходов к входам в эти здания. Экранирование подходов, как правило, не требуется, если вход в здание, расположенное в зоне влияния, находится с внешней стороны по отношению к токоведущим частям.
4.2.78. Производственные помещения, рассчитанные на постоянное пребывание персонала, не должны размещаться в непосредственной близости от токоведущих частей ЗРУ и других электроустановок, а также под и над токоведущими частями оборудования (например, токопроводами), за исключением случаев, когда рассчитываемые уровни магнитных полей не превышают предельно допустимых значений.
Зоны пребывания обслуживающего персонала должны быть расположены на расстояниях от экранированных токопроводов и (или) шинных мостов, обеспечивающих соблюдение предельно допустимых уровней магнитного поля.
4.2.79. Токоограничивающие реакторы и выключатели не должны располагаться в соседних ячейках распредустройств 6 - 10 кВ.
При невозможности обеспечения этого требования между ячейками токоограничивающих реакторов и выключателей должны устанавливаться стационарные ферромагнитные экраны.
![]()
где Нв - наибольшее возможное значение напряженности МП на экранируемом рабочем месте, А/м; Ндоп = 80 А/м - допустимое значение напряженности МП. Для рабочих мест, где пребывание персонала по характеру и условиям выполнения работ является непродолжительным, Ндоп определяется исходя из требований санитарных правил и норм.
4.2.81. Закрытые распределительные устройства и подстанции могут располагаться как в отдельно стоящих зданиях, так и быть встроенными или пристроенными. Пристройка ПС к существующему зданию с использованием стены здания в качестве стены ПС допускается при условии принятия специальных мер, предотвращающих нарушение гидроизоляции стыка при осадке пристраиваемой ПС. Указанная осадка должна быть также учтена при креплении оборудования на существующей стене здания.
Дополнительные требования к сооружению встроенных и пристроенных ПС в жилых и общественных зданиях см. в гл. 7.1.
4.2.82. В помещениях ЗРУ 35 - 220 кВ и в закрытых камерах трансформаторов следует предусматривать стационарные устройства или возможность применения передвижных либо инвентарных грузоподъемных устройств для механизации ремонтных работ и технического обслуживания оборудования.
В помещениях с КРУ следует предусматривать площадку для ремонта и наладки выкатных элементов. Ремонтная площадка должна быть оборудована средствами для опробования приводов выключателей и систем управления.
4.2.83. Закрытые РУ разных классов напряжений, как правило, следует размещать в отдельных помещениях. Это требование не распространяется на КТП 35 кВ и ниже, а также на КРУЭ.
Допускается размещать РУ до 1 кВ в одном помещении с РУ выше 1 кВ при условии, что части РУ или ПС до 1 кВ и выше будут эксплуатироваться одной организацией.
Помещения РУ, трансформаторов, преобразователей и т.п. должны быть отделены от служебных и других вспомогательных помещений (исключения см. в гл. 4.3, 5.1 и 7.5).
4.2.84. При компоновке КРУЭ в ЗРУ должны предусматриваться площадки обслуживания на разных уровнях в случае, если они не поставляются заводом-изготовителем.
4.2.85. Трансформаторные помещения и ЗРУ не допускается размещать:
1) под помещением производств с мокрым технологическим процессом, под душевыми, ванными и т.п.;
2) непосредственно над и под помещениями, в которых в пределах площади, занимаемой РУ или трансформаторными помещениями, одновременно может находиться более 50 чел. в период более 1 ч. Это требование не распространяется на трансформаторные помещения с трансформаторами сухими или с негорючим наполнением, а также РУ для промышленных предприятий.
4.2.86. Расстояния в свету между неизолированными токоведущими частями разных фаз, от неизолированных токоведущих частей до заземленных конструкций и ограждений, пола и земли, а также между неогражденными токоведущими частями разных цепей должно быть не менее значений, приведенных в табл. 4.2.7 (рис. 4.2.14 - 4.2.17).
Гибкие шины в ЗРУ следует проверять на их сближение под действием токов КЗ в соответствии с требованиями 4.2.56.
4.2.87. Расстояния от подвижных контактов разъединителей в отключенном положении до ошиновки своей фазы, присоединенной ко второму контакту, должно быть не менее размера Ж по табл. 4.2.7 (см. рис. 4.2.16).
4.2.88. Неизолированные токоведущие части должны быть защищены от случайных прикосновений (помещены в камеры, ограждены сетками и т.п.).
При размещении неизолированных токоведущих частей вне камер и расположении их ниже размера Д по табл. 4.2.7 от пола они должны быть ограждены. Высота прохода под ограждением должна быть не менее 1,9 м (рис. 4.2.17).
Токоведущие части, расположенные выше ограждений до высоты 2,3 м от пола, должны располагаться от плоскости ограждения на расстояниях, приведенных в табл. 4.2.7 для размера В (см. рис. 4.2.16).
Аппараты, у которых нижняя кромка фарфора (полимерного материала) изоляторов расположена над уровнем пола на высоте 2,2 м и более, разрешается не ограждать, если при этом выполнены приведенные выше требования.
Применение барьеров в огражденных камерах не допускается.
Рис. 4.2.14. Наименьшие расстояния в свету между неизолированными токоведущими частями разных фаз в ЗРУ и между ними и заземленными частями (по табл. 4.2.9)
Рис. 4.2.15. Наименьшие расстояния между неизолированными токоведущими частями в ЗРУ и сплошными ограждениями (по табл. 4.2.9)
Рис. 4.2.16. Наименьшие расстояния от неизолированных токоведущих частей в ЗРУ до сетчатых ограждений и между неогражденными неизолированными токоведущими частями разных цепей (по табл. 4.2.9)
Рис. 4.2.17. Наименьшие расстояния от пола до неогражденных неизолированных токоведущих частей и до нижней кромки фарфора изолятора и высота прохода в ЗРУ. Наименьшее расстояние от земли до неогражденных линейных выводов из ЗРУ вне территории ОРУ и при отсутствии проезда транспорта под выводами
4.2.89. Неогражденные неизолированные ведущие части различных цепей, находящиеся на высоте, превышающей размер Д по табл. 4.2.7 должны быть расположены на таком расстоянии одна от другой, чтобы после отключения какой либо цепи (например, секции шин) было обеспечено ее безопасное обслуживание при наличии напряжения в соседних цепях. В частности, расстояние между неогражденными токоведущими частями, расположенными с двух сторон коридора обслуживания, должно соответствовать размеру Г по табл. 4.2.7 (см. рис. 4.2.16).
4.2.90. Ширина коридора обслуживания должна обеспечивать удобное обслуживание установки и перемещение оборудования, причем она должна быть не менее (считая в свету между ограждениями): 1 м - при одностороннем расположении оборудования; 1,2 м - при двустороннем расположении оборудования.
В коридоре обслуживания, где находятся приводы выключателей или разъединителей, указанные выше размеры должны быть увеличены соответственно до 1,5 и 2 м. При длине коридора до 7 м допускается уменьшение ширины коридора при двустороннем обслуживании до 1,8 м.
Таблица 4.2.7
Наименьшие расстояния в свету от токоведущих частей до различных элементов ЗРУ (подстанций) 3 - 330 кВ, защищенных разрядниками, и ЗРУ 110 - 330 кВ, защищенных ограничителями перенапряжений1, (в знаменателе) (рис. 4.2.14 - 4.2.17)
|
Номер рисунка |
Наименование расстояния |
Обозначение |
Изоляционное расстояние, мм, для номинального напряжения, кВ |
||||||||
|
3 |
6 |
10 |
20 |
35 |
110 |
150 |
220 |
330 |
|||
|
От токоведущих частей до заземленных конструкций и частей зданий |
Аф-з |
65 |
90 |
120 |
180 |
290 |
700 600 |
1100 800 |
1700 1200 |
2400 2000 |
|
|
Между проводниками разных фаз |
Аф-ф |
70 |
100 |
130 |
200 |
320 |
800 750 |
1200 1050 |
1800 1600 |
2600 2200 |
|
|
От токоведущих частей до сплошных ограждений |
Б |
95 |
120 |
150 |
210 |
320 |
730 630 |
1130 830 |
1730 1230 |
2430 2030 |
|
|
От токоведущих частей до сетчатых ограждений |
В |
165 |
190 |
220 |
280 |
390 |
800 700 |
1200 900 |
1800 1300 |
2500 2100 |
|
|
Между неогражденными токоведущими частями разных цепей |
Г |
2000 |
2000 |
2000 |
2200 |
2200 |
2900 2800 |
3300 3000 |
3800 3400 |
4600 4200 |
|
|
От неогражденных токоведущих частей до пола |
Д |
2500 |
2500 |
2500 |
2700 |
2700 |
3400 3300 |
3700 |
4200 3700 |
5000 |
|
|
От неогражденных выводов из ЗРУ до земли при выходе их не на территорию ОРУ и при отсутствии проезда транспорта под выводами |
Е |
4500 |
4500 |
4500 |
4750 |
4750 |
5500 5400 |
6000 5700 |
6500 6000 |
7200 6800 |
|
|
От контакта и ножа разъединителя в отключенном положении до ошиновки, присоединенной к второму контакту |
Ж |
80 |
110 |
150 |
220 |
350 |
900 850 |
1300 1150 |
2000 1800 |
3000 2500 |
|
|
- |
От неогражденных кабельных выводов из ЗРУ до земли при выходе кабелей на опору или портал не на территории ОРУ и при отсутствии проезда транспорта под выводами |
- |
2500 |
2500 |
- |
- |
- |
3800 3200 |
4500 4000 |
5750 5300 |
7500 6500 |
1 Ограничители перенапряжений имеют защитный уровень коммутационных перенапряжений фаза-земля 1,8 Uф.
При установке КРУ и КТП в отдельных помещениях ширину коридора обслуживания следует определять, исходя из следующих требований:
при однорядной установке - длина наибольшей из тележек КРУ (со всеми выступающими частями) плюс не менее 0,6 м;
при двухрядной установке - длина наибольшей из тележек КРУ (со всеми выступающими частями) плюс не менее 0,8 м.
При наличии коридора с задней стороны КРУ и КТП для их осмотра ширина его должна быть не менее 0,8 м; допускаются отдельные местные сужения не более чем на 0,2 м.
При открытой установке КРУ и КТП в производственных помещениях ширина свободного прохода должна определяться расположением производственного оборудования, обеспечивать возможность транспортирования наиболее крупных элементов КРУ к КТП и в любом случае она должна быть не менее 1 м.
Высота помещения должна быть не менее высоты КРУ, КТП, считая от шинных вводов, перемычек или выступающих частей шкафов, плюс 0,8 м до потолка или 0,3 м до балок.
Допускается меньшая высота помещения, если при этом обеспечиваются удобство и безопасность замены, ремонта и наладки оборудования КРУ, КТП, шинных вводов и перемычек.
4.2.92. Расчетные нагрузки на перекрытия помещений по пути транспортировки электрооборудования должны приниматься с учетом массы наиболее тяжелого оборудования (например, трансформатора), а проемы должны соответствовать их габаритам.
4.2.93. При воздушных вводах в ЗРУ, КТП и закрытые ПС, не пересекающих проездов или мест, где возможно движение транспорта и т.п., расстояния от низшей точки провода до поверхности земли должны быть не менее размера Е (табл. 4.2.7 и рис. 4.2.17).
При меньших расстояниях от провода до земли на соответствующем участке под вводом должны быть предусмотрены либо ограждение территории забором высотой 1,6 м, либо горизонтальное ограждение под вводом. При этом расстояние от земли до провода в плоскости забора должно быть не менее размера Е.
При воздушных вводах, пересекающих проезды или места, где возможно движение транспорта и т.п., расстояния от низшей точки провода до земли следует принимать в соответствии с 2.5.212 и 2.5.213.
При воздушных выводах из ЗРУ на территорию ОРУ указанные расстояния должны приниматься по табл. 4.2.5 для размера Г (см. рис. 4.2.6).
Расстояния между смежными линейными выводами двух цепей должны быть не менее значений, приведенных в табл. 4.2.3 для размера Д, если не предусмотрены перегородки между выводами соседних цепей.
На кровле здания ЗРУ в случае неорганизованного водостока над воздушными вводами следует предусматривать козырьки.
4.2.94. Выходы из РУ следует выполнять исходя: из следующих требований:
1) при длине РУ до 7 м допускается один выход;
2) при длине РУ более 7 до 60 м должны быть предусмотрены два выхода по его концам; допускается располагать выходы из РУ на расстоянии до 7 м от его торцов;
3) при длине РУ более 60 м, кроме выходов по концам его, должны быть предусмотрены дополнительные выходы с таким расчетом, чтобы расстояние от любой точки коридора обслуживания до выхода было не более 30 м.
Выходы могут быть выполнены наружу, на лестничную клетку или в другое производственное помещение категории Г или Д, а также в другие отсеки РУ, отделенные от данного противопожарной дверью II степени огнестойкости. В многоэтажных РУ второй и дополнительные выходы могут быть предусмотрены также на балкон с наружной пожарной лестницей.
Ворота камер с шириной створки более 1,5 м должны иметь калитку, если они используются для выхода персонала.
4.2.95. Полы помещений РУ рекомендуется выполнять по всей площади каждого этажа на одной отметке. Конструкция полов должна исключать возможность образования цементной пыли. Устройство порогов в дверях между отдельными помещениями и в коридорах не допускается (исключения - см. в 4.2.100 и 4.2.103).
4.2.96. Двери из РУ должны открываться в направлении других помещений или наружу и иметь самозапирающиеся замки, открываемые без ключа со стороны РУ.
Двери между отсеками одного РУ или между смежными помещениями двух РУ должны иметь устройство, фиксирующее двери в закрытом положении и не препятствующее открыванию дверей в обоих направлениях.
Двери между помещениями (отсеками) РУ разных напряжений должны открываться в сторону РУ с низшим напряжением.
Замки в дверях помещений РУ одного напряжения должны открываться одним и тем же ключом; ключи от входных дверей РУ и других помещений не должны подходить к замкам камер, а также к замкам дверей в ограждениях электрооборудования.
Требование о применении самозапирающихся замков не распространяется на РУ городских и сельских распределительных электрических сетей напряжением 10 кВ и ниже.
4.2.97. Ограждающие конструкции и перегородки КРУ и КТП собственных нужд электростанции следует выполнять из негорючих материалов.
Допускается установка КРУ и КТП собственных нужд в технологических помещениях ПС и электростанций в соответствии с требованиями 4.2.121.
4.2.98. В одном помещении РУ напряжением от 0,4 кВ и выше допускается установка до двух масляных трансформаторов мощностью каждый до 0,63 МВ·А, отделенных друг от друга и от остальной части помещения РУ перегородкой из негорючих материалов с пределом огнестойкости 45 мин высотой не менее высоты трансформатора, включая вводы высшего напряжения.
4.2.99. Аппараты, относящиеся к пусковым устройствам электродвигателей, синхронных компенсаторов и т.п. (выключатели, пусковые реакторы, трансформаторы и т.п.) допускается устанавливать в общей камере без перегородок между ними.
4.2.100. Трансформаторы напряжения независимо от массы масла в них допускается устанавливать в огражденных камерах РУ. При этом в камере должен быть предусмотрен порог или пандус, рассчитанный на удержание полного объема масла, содержащегося в трансформаторе напряжения.
4.2.101. Ячейки выключателей следует отделять от коридора обслуживания сплошными или сетчатыми ограждениями, а друг от друга - сплошными перегородками из негорючих материалов. Такими же перегородками или щитами эти выключатели должны быть отделены от привода.
Под каждым масляным выключателем с массой масла 60 кг и более в одном полюсе требуется устройство маслоприемника на полный объем масла в одном полюсе.
4.2.102. В закрытых отдельно стоящих, пристроенных и встроенных в производственные помещения ПС, в камерах трансформаторов и других маслонаполненных аппаратов с массой масла в одном баке до 600 кг при расположении камер на первом этаже с дверями, выходящими наружу, маслосборные устройства не выполняются.
При массе масла или негорючего экологически безопасного диэлектрика в одном баке более 600 кг должен быть устроен маслоприемник, рассчитанный на полный объем масла, или на удержание 20 % масла с отводом в маслосборник.
4.2.103. При сооружении камер над подвалом, на втором этаже и выше (см. также 4.2.118), а также при устройстве выхода из камер в коридор под трансформаторами и другими маслонаполненными аппаратами должны выполняться маслоприемники по одному из следующих способов:
1) при массе масла в одном баке (полюсе) до 60 кг выполняется порог или пандус для удержания полного объема масла;
2) при массе масла от 60 до 600 кг под трансформатором (аппаратом) выполняется маслоприемник, рассчитанный на полный объем масла, либо у выхода из камеры - порог или пандус для удержания полного объема масла;
3) при массе масла более 600 кг:
маслоприемник, вмещающий не менее 20 % полного объема масла трансформатора или аппарата, с отводом масла в маслосборник. Маслоотводные трубы от маслоприемников под трансформаторами должны иметь диаметр не менее 10 см. Со стороны маслоприемников маслоотводные трубы должны быть защищены сетками. Дно маслоприемника должно иметь уклон 2 % в сторону приямка;
маслоприемник без отвода масла в маслосборник. В этом случае маслоприемник должен быть перекрыт решеткой со слоем толщиной 25 см чистого промытого гранитного (либо другой непористой породы) гравия или щебня фракцией от 30 до 70 мм и должен быть рассчитан на полный объем масла; уровень масла должен быть на 5 см ниже решетки. Верхний уровень гравия в маслоприемнике под трансформатором должен быть на 7,5 см ниже отверстия воздухоподводящего вентиляционного канала. Площадь маслоприемника должна быть более площади основания трансформатора или аппарата.
Вентиляция помещений трансформаторов и реакторов должна быть выполнена таким образом, чтобы разность температур воздуха, выходящего из помещения и входящего в него, не превосходила: 15 °С для трансформаторов, 30 °С для реакторов на токи до 1000 А, 20 °С для реакторов на токи более 1000 А.
При невозможности обеспечить теплообмен естественной вентиляцией необходимо предусматривать принудительную, при этом должен быть предусмотрен контроль ее работы с помощью сигнальных аппаратов.
4.2.105. Приточно-вытяжная вентиляция с забором на уровне пола и на уровне верхней части помещения должна выполняться в помещении, где расположены КРУЭ и баллоны с элегазом.
4.2.106. Помещения РУ, содержащие оборудование, заполненное маслом, элегазом или компаундом, должны быть оборудованы вытяжной вентиляцией, включаемой извне и не связанной с другими вентиляционными устройствами.
В местах с низкими зимними температурами приточные и вытяжные вентиляционные отверстия должны быть снабжены утепленными клапанами, открываемыми извне.
4.2.107. В помещениях, в которых дежурный персонал находится 6 ч и более, должна быть обеспечена температура воздуха не ниже + 18 °С и не выше + 28 °С.
В ремонтной зоне ЗРУ на время проведения ремонтных работ должна быть обеспечена температура не ниже + 5 °С.
При обогреве помещений, в которых имеется элегазовое оборудование, не должны применяться обогревательные приборы с температурой нагревательной поверхности, превышающей 250 °С (например, нагреватели типа ТЭН).
4.2.108. Отверстия в ограждающих конструкциях зданий и помещений после прокладки токопроводов и других коммуникаций следует заделывать материалом, обеспечивающим огнестойкость не ниже огнестойкости самой ограждающей конструкции, но не менее 45 мин.
4.2.109. Прочие отверстия в наружных стенах для предотвращения проникновения животных и птиц должны быть защищены сетками или решетками с ячейками размером 10×10 мм.
4.2.110. Перекрытия кабельных каналов и двойных полов должны быть выполнены съемными плитами из несгораемых материалов вровень с чистым полом помещения. Масса отдельной плиты перекрытия должна быть не более 50 кг.
4.2.111. Прокладка в камерах аппаратов и трансформаторов транзитных кабелей и проводов, как правило, не допускается. В исключительных случаях допускается прокладка их в трубах.
Электропроводки освещения и цепей управления и измерения, расположенные внутри камер или же находящихся вблизи неизолированных токоведущих частей, могут быть допущены лишь в той мере, в какой это необходимо для осуществления присоединений (например, к измерительным трансформаторам).
4.2.112. Прокладка в помещения РУ относящихся к ним (не транзитных) трубопроводов отопления допускается при условии применения цельных сварных труб без вентилей и т.п., а вентиляционных сварных коробов - без задвижек и других подобных устройств. Допускается также транзитная прокладка трубопроводов отопления при условии, что каждый трубопровод заключен в сплошную водонепроницаемую оболочку.
4.2.113. При выборе схемы РУ, содержащего элегазовые аппараты, следует применять более простые схемы, чем в РУ с воздушной изоляцией.
4.2.114. Требования, приведенные в 4.2.115 - 4.2.121, учитывают особенности внутрицеховых РУ и ПС напряжением до 35 кВ промышленных предприятий, которые должны также отвечать другим требованиям настоящей главы в той мере, в какой они не изменены.
Распределительные устройства и подстанции, специальные электроустановки промышленных предприятий, в том числе во взрывоопасных и пожароопасных зонах, электротермические установки должны также отвечать требованиям соответствующих глав разд. 7.
4.2.115. Внутрицеховые РУ и ПС с маслонаполненным оборудованием могут размещаться на первом и втором этажах в основных и вспомогательных помещениях производств, которые согласно противопожарным требованиям отнесены к категории Г или Д I или II степени огнестойкости как открыто, так и в отдельных помещениях (см. также 4.2.118 и 4.2.119).
Распределительные устройства и подстанции без маслонаполненного оборудования могут размешаться в помещениях с производствами категории В по противопожарным требованиям.
На ПС могут быть установлены сухие, с негорючим экологически чистым диэлектриком или масляные трансформаторы.
В обоснованных случаях допускается в производственных зданиях I и II степени огнестойкости предусматривать выкатку внутрь помещений сухих трансформаторов, трансформаторов с негорючим диэлектриком, а также масляных трансформаторов с массой масла не более 6,5 т, при условии выкатки и транспортировки трансформаторов до ворот цеха предприятия не через взрывоопасные или пожароопасные зоны.
4.2.116. Под каждым трансформатором и аппаратом с массой масла или жидкого диэлектрика 60 кг и более должен быть устроен маслоприемник в соответствии с требованиями 4.2.103 п. 3, как для трансформаторов и аппаратов с массой масла более 600 кг.
4.2.117. Ограждающие конструкции помещений ПС и закрытых камер с масляными трансформаторами и аппаратами, а также РУ с масляными выключателями с массой масла в одном полюсе (баке) 60 кг и более, должны иметь предел огнестойкости не менее 0,75 ч, а сами помещения и камеры могут быть пристроены или встроены в здании I или II степени огнестойкости.
Строительные конструкции помещений РУ с масляными выключателями в одном полюсе (баке) менее 60 кг должны иметь предел огнестойкости не менее 0,25 ч. Такие помещения разрешается пристраивать или встраивать в здания степени огнестойкости I и II. В здания степени огнестойкости IIIа такие помещения допускается пристраивать или встраивать, если эти помещения имеют непосредственный выход наружу и если наружные стены этого помещения на высоту 4 м или до покрытия здания выполнены из негорючего материала или отделены негорючим козырьком, выступающим за плоскость стены не менее чем на 1 м.
Ограждающие конструкции помещений ПС с трансформаторами сухими или с негорючими диэлектриками должны иметь предел огнестойкости не менее 0,25 ч, а сами помещения пристроены или встроены в здания степени огнестойкости не ниже IIIа.
4.2.118. Внутрицеховые, пристроенные и встроенные ПС, в том числе КТП, установленные в отдельном помещении или открыто в производственном помещении, должны отвечать следующим требованиям:
а) ПС (в том числе КТП) с масляными трансформаторами и закрытые камеры с масляными трансформаторами разрешается устанавливать только на первом этаже основных и вспомогательных помещений производств, отнесенных к категории Г и Д, в зданиях I или II степени огнестойкости. При этом в одном помещении допускается устанавливать масляные трансформаторы с суммарной массой масла не более 6,5 т, а на каждой открыто установленной КТП могут быть применены масляные трансформаторы с суммарной массой масла не более 3,0 т;
б) расстояния между отдельными помещениями разных ПС или между закрытыми камерами масляных трансформаторов не нормируются;
в) ограждающие конструкции помещения внутрицеховой или встроенной ПС, в которой устанавливаются КТП с масляными трансформаторами, а также закрытых камер масляных трансформаторов должны быть выполнены из негорючих материалов и иметь предел огнестойкости не менее 0,75 ч;
г) для ПС с трансформаторами сухими или с негорючим экологически чистым диэлектриком единичная или суммарная мощность трансформаторов, их количество, расстояния между ними, расстояния между ПС, этаж установки не ограничиваются.
4.2.119. Вентиляция ПС, размещаемых в отдельных помещениях, должна отвечать требованиям 4.2.104 - 4.2.106.
При устройстве вентиляции камер трансформаторов и помещений ПС (КТП), размещаемых в производственных помещениях с нормальной средой, разрешается забирать воздух непосредственно из цеха.
Для вентиляции камер трансформаторов и помещений ПС (КТП), размещаемых в помещениях пыльных или с воздухом, содержащим проводящие или разъедающие смеси, воздух должен забираться извне, либо очищаться фильтрами. Система вентиляции должна предотвращать подсос неочищенного воздуха из производственного помещения.
В зданиях с негорючими перекрытиями отвод воздуха из камер трансформаторов и помещений ПС (КТП), сооружаемых внутри цеха, допускается непосредственно в цех.
В зданиях с трудногорючими перекрытиями отвод воздуха из камер трансформаторов и помещений ПС (КТП), сооружаемых внутри цеха, должен производиться по вытяжным шахтам, выведенным выше кровли здания не менее чем на 1 м.
4.2.120. Полы внутрицеховых, встроенных и пристроенных ПС должны быть не ниже уровня пола цеха.
4.2.121. Открыто размещенные в цеху КТП и КРУ должны иметь сетчатые ограждающие конструкции. Внутри ограждений должны быть предусмотрены проходы не менее указанных в 4.2.91.
Как правило, КТП и КРУ следует размещать в пределах «мертвой зоны» работы цеховых подъемно-транспортных механизмов. При расположении ПС и РУ в непосредственной близости от путей проезда внутрицехового транспорта, движения подъемно-транспортных механизмов должны быть приняты меры для защиты ПС и РУ от случайных повреждений (отбойные устройства, световая сигнализация и т.п.).
4.2.122. Требования, приведенные в 4.2.123 - 4.2.132, отражают особенности трансформаторных подстанций наружной установки комплектных (КТП), столбовых (СТП), мачтовых (МТП) с высшим напряжением до 35 кВ и низшим напряжением до 1 кВ, а также сетевых секционирующих пунктов (ССП) напряжением до 35 кВ.
Во всем остальном, не оговоренном в 4.2.123 - 4.2.132 следует руководствоваться требованиями других параграфов данной главы.
4.2.123. Присоединение трансформатора к сети высшего напряжения должно осуществляться при помощи предохранителей и разъединителя (выключателя нагрузки) или комбинированного аппарата «предохранитель - разъединитель» с видимым разрывом цепи.
Управление коммутационным аппаратом должно осуществляться с поверхности земли. Привод коммутационного аппарата должен запираться на замок. Коммутационный аппарат должен иметь заземлители со стороны трансформатора.
4.2.124. Коммутационный аппарат МТП и СТП, как правило, должен устанавливаться на концевой (или ответвительной) опоре ВЛ.
Коммутационный аппарат КТП и ССП может устанавливаться как на концевой (ответвительной) опоре ВЛ, так и внутри КТП и ССП.
4.2.125. На подстанциях и ССП без ограждения расстояние по вертикали от поверхности земли до неизолированных токоведущих частей при отсутствии движения транспорта под выводами должно быть не менее 3,5 м для напряжений до 1 кВ, а для напряжений 10 (6) и 35 кВ -по табл. 4.2.7 размер Е.
На подстанциях и ССП с ограждением высотой не менее 1,8 м указанные расстояния до неизолированных токоведущих частей напряжением 10 (6) и 35 кВ могут быть уменьшены до размера Г, указанного в табл. 4.2.5. При этом в плоскости ограждения расстояние от ошиновки до кромки внешнего забора должно быть не менее размера Д, указанного в той же таблице.
При воздушных вводах, пересекающих проезды или места, где возможно движение транспорта, расстояние от низшего провода до земли следует принимать в соответствии с 2.5.111 и 2.5.112.
4.2.126. Для обслуживания МТП на высоте не менее 3 м должна быть устроена площадка с перилами. Для подъема на площадку рекомендуется применять лестницы с устройством, запрещающим подъем по ней при включенном коммутационном аппарате.
Для СТП устройство площадок и лестниц не обязательно.
4.2.127. Части МТП, остающиеся под напряжением при отключенном коммутационном аппарате, должны находиться вне зоны досягаемости (1.7.70) с уровня площадки. Отключенное положение аппарата должно быть видно с площадки.
4.2.128. Со стороны низшего напряжения трансформатора рекомендуется устанавливать аппарат, обеспечивающий видимый разрыв.
4.2.129. Электропроводка в МТП и СТО между трансформатором и низковольтным шитом, а также между щитом и ВЛ низшего напряжения должна быть защищена от механических повреждений и выполняться в соответствии с требованиями, приведенными в гл. 2.1.
4.2.130. Для подстанций мощностью 0,25 МВ·А и менее допускается освещение низковольтного щита не предусматривать. Освещение и розетки для включения переносных приборов, инструментов на подстанциях мощностью более 0,25 МВ·А должны иметь питание напряжением не выше 25 В.
4.2.131. По условию пожарной безопасности подстанции должны быть расположены на расстоянии не менее 3 м от зданий I, II, III степеней огнестойкости и 5 м от зданий IV и V степеней огнестойкости.
Также необходимо руководствоваться требованиями, приведенными в 4.2.68.
Расстояние от жилых зданий до трансформаторных подстанций следует принимать не менее 10 м при условии обеспечения допустимых нормальных уровней звукового давления (шума).
4.2.132. В местах возможного наезда транспорта подстанции должны быть защищены отбойными тумбами.
4.2.133. Защита от грозовых перенапряжений РУ и ПС осуществляется:
от прямых ударов молнии - стержневыми и тросовыми молниеотводами;
от набегающих волн с отходящих линий - молниеотводами от прямых ударов молнии на определенной длине этих линий защитными аппаратами, устанавливаемыми на подходах и в РУ, к которым относятся разрядники вентильные (РВ), ограничители перенапряжений (ОПН), разрядники трубчатые (РТ) и защитные искровые промежутки (ИП).
Ограничители перенапряжений, остающиеся напряжения которых при номинальном разрядном токе не более чем на 10 % ниже остающегося напряжения РВ или среднего пробивного напряжения РТ или ИП, называются далее соответствующими.
4.2.134. Открытые РУ и ПС 20 - 750 кВ должны быть защищены от прямых ударов молнии. Выполнение защиты от прямых ударов молнии не требуется для ПС 20 и 35 кВ с трансформаторами единичной мощностью 1,6 МВ·А и менее независимо от количества таких трансформаторов и от числа грозовых часов в году, для всех ОРУ ПС 20 и 35 кВ в районах с числом грозовых часов в году не более 20, а также для ОРУ и ПС 220 кВ и ниже на площадках с эквивалентным удельным сопротивлением земли в грозовой сезон более 2000 Ом·м при числе грозовых часов в году не более 20.
Здания закрытых РУ и ПС следует защищать от прямых ударов молнии в районах с числом грозовых часов в году более 20.
Защиту зданий закрытых РУ и ПС, имеющих металлические покрытия кровли, следует выполнять заземлением этих покрытий. При наличии железобетонной кровли и непрерывной электрической связи отдельных ее элементов защита выполняется заземлением ее арматуры.
Защиту зданий закрытых РУ и ПС, крыша которых не имеет металлических или железобетонных покрытий с непрерывной электрической связью отдельных ее элементов, следует выполнять стержневыми молниеотводами, либо укладкой молниеприемной сетки непосредственно на крыше зданий.
При установке стержневых молниеотводов на защищаемом здании от каждого молниеотвода должно быть проложено не менее двух токоотводов по противоположным сторонам здания.
Молниеприемная сетка должна быть выполнена из стальной проволоки диаметром 6 - 8 мм и уложена на кровлю непосредственно или под слой негорючих утеплителя, или гидроизоляции. Сетка должна иметь ячейки площадью не более 150 м2 (например, ячейка 12×12 м). Узлы сетки должны быть соединены сваркой. Токоотводы, соединяющие молниеприемную сетку с заземляющим устройством, должны быть проложены не реже чем через каждые 25 м по периметру здания.
В качестве токоотводов следует использовать металлические и железобетонные (при наличии хотя бы части ненапряженной арматуры) конструкции зданий. При этом должна быть обеспечена непрерывная электрическая связь от молниеприемника до заземлителя. Металлические элементы здания (трубы, вентиляционные устройства и пр.) следует соединять с металлической кровлей или молниеприемной сеткой.
При расчете числа обратных перекрытий на опоре следует учитывать увеличение индуктивности опоры пропорционально отношению расстояния по токоотводу от опоры до заземления к расстоянию от заземления до верха опоры.
При вводе в закрытые РУ и ПС ВЛ через проходные изоляторы, расположенные на расстоянии менее 10 м от токопроводов и других связанных с ним токоведущих частей, указанные вводы должны быть защищены РВ или соответствующими ОПН. При присоединении к магистралям заземления ПС на расстоянии менее 15 м от силовых трансформаторов необходимо выполнение условий 4.2.136.
Для расположенных на территории ПС электролизных зданий, помещений для хранения баллонов с водородом и установок с ресиверами водорода молниеприемная сетка должна иметь ячейки площадью не более 36 м2 (например, 6×6 м).
Защита зданий и сооружений, в том числе взрывоопасных и пожароопасных, а также труб, расположенных на территории электростанции, осуществляется в соответствии с технической документацией, утвержденной в установленном порядке.
4.2.135. Защита ОРУ 35 кВ и выше от прямых ударов молнии должна быть выполнена отдельно стоящими или установленными на конструкциях стержневыми молниеотводами. Рекомендуется использовать защитное действие высоких объектов, которые являются молниеприемниками (опоры ВЛ, прожекторные мачты, радиомачты и т.п.).
На конструкциях ОРУ 110 кВ и выше стержневые молниеотводы могут устанавливаться при эквивалентном удельном сопротивлении земли в грозовой сезон: до 1000 Ом·м - независимо от площади заземляющего устройства ПС; более 1000 до 2000 Ом·м - при площади заземляющего устройства ПС 10000 м2 и более.
Установка молниеотводов на конструкциях ОРУ 35 кВ допускается при эквивалентном удельном сопротивлении земли в грозовой сезон: до 500 Ом·м - независимо от площади заземляющего контура ПС, более 500 Ом·м - при площади заземляющего контура ПС 10000 м2 и более.
От стоек конструкций ОРУ 35 кВ и выше с молниеотводами должно быть обеспечено растекание тока молнии по магистралям заземления не менее чем в двух направлениях с углом не менее 90° между соседними. Кроме того, должно быть установлено не менее одного вертикального электрода длиной 3 - 5 м на каждом направлении, на расстоянии не менее длины электрода от места присоединения к магистрали заземления стойки с молниеотводом.
Если зоны защиты стержневых молниеотводов не закрывают всю территорию ОРУ, дополнительно используют тросовые молниеотводы, расположенные над ошиновкой.
Гирлянды подвесной изоляции на порталах ОРУ 20 и 35 кВ с тросовыми или стержневыми молниеотводами, а также на концевых опорах ВЛ должны иметь следующее количество изоляторов:
1) на порталах ОРУ с молниеотводами:
не менее шести изоляторов при расположении вентильных разрядников или соответствующих им по уровню остающихся напряжений ОПН не далее 15 м по магистралям заземляющего устройства от места присоединения к нему;
не менее семи изоляторов в остальных случаях;
2) на концевых опорах:
не менее семи изоляторов при подсоединении к порталам троса ПС;
не менее восьми изоляторов, если трос не заходит на конструкции ПС и при установке на концевой опоре стержневого молниеотвода.
Число изоляторов на ОРУ 20 и 35 кВ и концевых опорах должно быть увеличено, если это требуется по условиям гл. 1.9.
При установке молниеотводов на концевых опорах ВЛ 110 кВ и выше специальных требований к выполнению гирлянд изоляторов не предъявляется. Установка молниеотводов на концевых опорах ВЛ 3 - 20 кВ не допускается.
Расстояние по воздуху от конструкций ОРУ, на которых установлены молниеотводы, до токоведущих частей должно быть не менее длины гирлянды.
Место присоединения конструкции со стержневым или тросовым молниеотводом к заземляющему устройству ПС должно быть расположено на расстоянии не менее 15 м по магистралям заземления от места присоединения к нему трансформаторов (реакторов) и конструкций КРУН 6 - 10 кВ.
Расстояние в земле между точкой заземления молниеотвода и точкой заземления нейтрали или бака трансформатора должно быть не менее 3 м.
4.2.136. На трансформаторных порталах, порталах шунтирующих реакторов и конструкциях ОРУ, удаленных от трансформаторов или реакторов по магистралям заземления на расстоянии менее 15 м, молниеотводы могут устанавливаться при эквивалентном удельном сопротивлении земли в грозовой сезон не более 350 Ом·м и при соблюдении следующих условий:
1) непосредственно на всех выводах обмоток 3 - 35 кВ трансформаторов или на расстоянии не более 5 м от них по ошиновке, включая ответвления к защитным аппаратам, должны быть установлены соответствующие ОПН 3 - 35 кВ или РВ;
2) должно быть обеспечено растекание тока молнии от стойки конструкции с молниеотводом по трем-четырем направлениям с углом не менее 90° между ними;
3) на каждом направлении, на расстоянии 3 - 5 м от стойки с молниеотводом, должно быть установлено по одному вертикальному электроду длиной 5 м;
4) на ПС с высшим напряжением 20 и 35 кВ при установке молниеотвода на трансформаторном портале сопротивление заземляющего устройства не должно превышать 4 Ом без учета заземлителей, расположенных вне контура заземления ОРУ;
5) заземляющие проводники РВ или ОПН и силовых трансформаторов рекомендуется присоединять к заземляющему устройству ПС поблизости один от другого или выполнять их так, чтобы место присоединения РВ или ОПН к заземляющему устройству находилось между точками присоединения заземляющих проводников портала с молниеотводом и трансформатора. Заземляющие проводники измерительных трансформаторов тока необходимо присоединить к заземляющему устройству РУ в наиболее удаленных от заземления РВ или ОПН местах.
4.2.137. Защиту от прямых ударов молнии ОРУ, на конструкциях которых установка молниеотводов не допускается или нецелесообразна по конструктивным соображениям, следует выполнять отдельно стоящими молниеотводами, имеющими обособленные заземлители с сопротивлением не более 80 Ом при импульсном токе 60 кА.
Расстояние S3, м, между обособленным заземлителем молниеотвода и заземляющим устройством ОРУ (ПС) должно быть равным (но не менее 3 м):
![]()
где Ru - импульсное сопротивление заземления, Ом, отдельно стоящего молниеотвода.
Расстояние по воздуху Sв.о, м, от отдельностоящего молниеотвода с обособленным заземлителем до токоведущих частей, заземленных конструкций и оборудования ОРУ (ПС) должно быть равным (но не менее 5 м):
![]()
где Н - высота рассматриваемой точки на токоведущей части или оборудовании над уровнем земли, м.
Заземлители отдельно стоящих молниеотводов в ОРУ могут быть присоединены к заземляющему устройству ОРУ (ПС) при соблюдении указанных в 4.2.135 условий установки молниеотводов на конструкциях ОРУ. Место присоединения заземлителя отдельно стоящего молниеотвода к заземляющему устройству ПС должно быть удалено по магистралям заземления на расстояние не менее 15 м от места присоединения к нему трансформатора (реактора). В месте присоединения заземлителя отдельно стоящего молниеотвода к заземляющему устройству ОРУ 35 - 150 кВ магистрали заземления должны быть выполнены по двум-трем направлениям с углом не менее 90° между ними.
Заземлители молниеотводов, установленных на прожекторных мачтах, должны быть присоединены к заземляющему устройству ПС. В случае несоблюдения условий, указанных в 4.2.135 дополнительно к общим требованиям присоединения заземлителей отдельно стоящих молниеотводов должны быть соблюдены следующие требования:
1) в радиусе 5 м от молниеотвода следует установить три вертикальных электрода длиной 3 - 5 м;
2) если расстояние по магистрали заземления от места присоединения заземлителя молниеотвода к заземляющему устройству до места присоединения к нему трансформатора (реактора) превышает 15 м, но менее 40 м, то на выводах обмоток напряжением до 35 кВ трансформатора должны быть установлены РВ или ОПН.
Расстояние по воздуху 5В с отдельно стоящего молниеотвода, заземлитель которого соединен с заземляющим устройством ОРУ (ПС), до токоведущих частей должно составлять:
![]()
где Н - высота токоведущих частей над уровнем земли, м; m - длина гирлянды изоляторов, м.
4.2.138. Тросовые молниеотводы ВЛ 110 кВ и выше, как правило, следует присоединять к заземленным конструкциям ОРУ (ПС).
От стоек конструкций ОРУ 110 - 220 кВ, к которым присоединены тросовые молниеотводы, должны быть выполнены магистрали заземления не менее чем по двум-трем направлениям с углом не менее 90° между ними.
Тросовые молниеотводы, защищающие подходы ВЛ 35 кВ, разрешается присоединять к заземленным конструкциям ОРУ при эквивалентном удельном сопротивлении земли в грозовой сезон: до 750 Ом·м - независимо от площади заземляющего контура ПС; более 750 Ом·м - при площади заземляющего контура ПС 10000 м2 и более.
От стоек конструкций ОРУ 35 кВ, к которым присоединены тросовые молниеотводы, магистрали заземления должны быть выполнены не менее чем по двум-трем направлениям с углом не менее 90° между ними. Кроме того, на каждом направлении должно быть установлено по одному вертикальному электроду длиной 3 - 5 м на расстоянии не менее 5 м.
Сопротивление заземлителей ближайших к ОРУ опор ВЛ напряжением 35 кВ не должно превышать 10 Ом.
Тросовые молниеотводы на подходах ВЛ 35 кВ к тем ОРУ, к которым не допускается их присоединение, должно заканчиваться на ближайшей к ОРУ опоре. Первый от ОРУ бестросовый пролет этих ВЛ должен быть защищен стержневыми молниеотводами, устанавливаемыми на ПС, опорах ВЛ или около ВЛ.
Гирлянды изоляторов на порталах ОРУ 35 кВ и на концевых опорах ВЛ 35 кВ следует выбирать в соответствии с 4.2.135.
4.2.139. Устройство и защита подходов ВЛ к ОРУ и ПС должны отвечать требованиям, приведенным в 4.2.138, 4.2.142 - 4.2.146, 4.2.153 - 4.2.157.
4.2.140. Не допускается установка молниеотводов на конструкциях:
трансформаторов, к которым открытыми токопроводами присоединены вращающиеся машины;
опор открытых токопроводов, если к ним присоединены вращающиеся машины.
Порталы трансформаторов и опоры открытых токопроводов, связанных с вращающимися машинами, должны входить в зоны защиты отдельно стоящих или установленных на других конструкциях молниеотводов.
Указанные требования относятся и к случаям соединения открытых токопроводов с шинами РУ, к которым присоединены вращающиеся машины.
4.2.141. При использовании прожекторных мачт в качестве молниеотводов электропроводку к ним на участке от точки выхода из кабельного сооружения до мачты и далее по ней следует выполнять кабелями с металлической оболочкой либо кабелями без металлической оболочкой в трубах. Около конструкции с молниеотводом эти кабели должны быть проложены непосредственно в земле на протяжении не менее 10 м.
В месте ввода кабелей в кабельное сооружение металлическая оболочка кабелей, броня и металлическая труба должны быть соединены с заземляющим устройством ПС.
4.2.142. Защита ВЛ 35 кВ и выше от прямых ударов молнии на подходах к РУ (ПС) должна быть выполнена тросовыми молниеотводами в соответствии с табл. 4.2.8.
На каждой опоре подхода, за исключением случаев, предусмотренных в 2.5.122, трос должен быть присоединен к заземлителю опоры.
Допускается увеличение по сравнению с приведенными в табл. 4.2.8 сопротивлений заземляющих устройств опор на подходах ВЛ 35 кВ и выше к ПС при числе грозовых часов в году не менее 20 - в 1,5 раза; менее 10 - в 3 раза.
Если выполнение заземлителей с требуемыми сопротивлениями заземления оказывается невозможным, должны быть применены горизонтальные заземлители, прокладываемые вдоль оси ВЛ от опоры к опоре (заземлители-противовесы) и соединяемые с заземлителями опор.
В особо гололедных районах и в районах с эквивалентным удельным сопротивлением земли более 1000 Ом·м допускается выполнение защиты подходов ВЛ к РУ (ПС) отдельно стоящими стержневыми молниеотводами, сопротивление заземлителей которых не нормируется.
Таблица 4.2.8
Защита ВЛ от прямых ударов молнии на подходах к РУ и подстанциям
|
Номинальное напряжение ВЛ, кВ |
Подходы ВЛ на опорах с горизонтальным расположением проводов |
Подходы ВЛ на опорах с негоризонтальным расположением проводов |
Наибольшее допустимое сопротивление заземляющего устройства опор, Ом, при эквивалентном удельном сопротивлении земли, Ом·м** |
||||||
|
Длина защищенного подхода, км* |
Число тросов, шт. |
Защитный угол троса, град. |
Длина защищенного подхода, км* |
Кол-во тросов, шт. |
Защитный угол троса, град. |
До 100 |
Более 100 до 500 |
Более 500 |
|
|
35 |
1-2 |
2 |
30 |
1-2 |
1-2 |
30 |
10 |
15 |
20 |
|
110 |
1-3 |
2 |
20*** |
1-3 |
1-2 |
20*** |
10 |
15 |
20**** |
|
150 |
2-3 |
2 |
20*** |
2-3 |
1-2 |
20*** |
10 |
15 |
20**** |
|
220 |
2-3 |
2 |
20 |
2-3 |
2 |
20*** |
10 |
15 |
20**** |
|
330 |
2-4 |
2 |
20 |
2-4 |
2 |
20 |
10 |
15 |
20**** |
|
500 |
3-4 |
2 |
25 |
- |
- |
- |
10 |
15 |
20**** |
|
750 |
4-5 |
2 |
20-22 |
- |
- |
- |
10 |
15 |
20**** |
* Выбор длины защищаемого подхода производится с учетом табл. 4.2.10 - 4.2.13.
** На подходах ВЛ 110 - 330 кВ с двухцепными опорами заземляющие устройства опор рекомендуется выполнять с сопротивлением вдвое меньшим указанного в табл. 4.2.8.
*** На железобетонных опорах допускается угол защиты до 30°.
**** Для опор с горизонтальным расположением проводов, устанавливаемых в земле с эквивалентным удельным сопротивлением более 1000 Ом·м, допускается сопротивление заземляющего устройства 30 Ом.
4.2.143. В районах, имеющих не более 60 грозовых часов в году, допускается не выполнять защиту тросом подхода ВЛ 35 кВ к ПС 35 кВ с двумя трансформаторами мощностью до 1,6 МВ·А каждый или с одним трансформатором мощностью до 1,6 МВ·А и наличием резервного питания.
При этом опоры подхода ВЛ к ПС на длине не менее 0,5 км должны иметь заземлители с сопротивлением, указанным в табл. 4.2.8. При выполнении ВЛ на деревянных опорах, кроме того, требуется на подходе длиной 0,5 км присоединять крепления изоляторов к заземлителю опор и устанавливать комплект трубчатых разрядников на первой опоре подхода со стороны ВЛ. Расстояние между РВ или соответствующими ОПН и трансформатором должно быть не более 10 м.
При отсутствии резервного питания на ПС с одним трансформатором мощностью до 1,6 МВ·А подходы ВЛ 35 кВ к ПС должны быть защищены тросом на длине не менее 0,5 км.
4.2.144. На первой опоре подхода ВЛ 35 - 220 кВ к ПС, считая со стороны линии, должен быть установлен комплект трубчатых разрядников (РТ1) или соответствующих защитных аппаратов в следующих случаях:
1) линия по всей длине, включая подход, построена на деревянных опорах;
2) линия построена на деревянных опорах, подход линии - на металлических или железобетонных опорах;
3) на подходах ВЛ 35 кВ на деревянных опорах к ПС 35 кВ, защита выполняется в соответствии с 4.2.155.
Установка РТ1 в начале подходов ВЛ, построенных по всей длине на металлических или железобетонных опорах, не требуется.
Сопротивления заземляющего устройства опор с трубчатыми разрядниками должны быть не более 10 Ом при удельном сопротивлении земли не выше 1000 Ом·м и не более 15 Ом при более высоком удельном сопротивлении. На деревянных опорах заземляющие спуски от этих аппаратов должны быть проложены по двум стойкам или с двух сторон одной стойки.
На ВЛ 35 - 110 кВ, которые имеют защиту тросом не по всей длине и в грозовой сезон могут быть длительно отключены с одной стороны, как правило, следует устанавливать комплект трубчатых разрядников (РТ2) или соответствующих защитных аппаратов на входных порталах или на первой от ПС опоре того конца ВЛ, который может быть отключен. При наличии на отключенном конце ВЛ трансформаторов напряжения вместо РТ2 должны быть установлены РВ или соответствующие ОПН.
Расстояние от РТ2 до отключенного конца линии (аппарата) должно быть не более 60 м для ВЛ 110 кВ и не более 40 м для ВЛ 35 кВ.
4.2.145. На ВЛ, работающих на пониженном относительно класса изоляции напряжении, на первой опоре защищенного подхода ее к ПС, считая со стороны линии, т.е. на расстоянии от ПС, определяемом табл. 4.2.10 - 4.2.12 в зависимости от удаления РВ или ОПН от защищаемого оборудования, должны быть установлены РТ или ИП класса напряжения, соответствующего рабочему напряжению линии.
Допускается устанавливать защитные промежутки или шунтировать перемычками часть изоляторов в гирляндах на нескольких смежных опорах (при отсутствии загрязнения изоляции промышленными, солончаковыми, морскими и другими уносами). Число изоляторов в гирляндах, оставшихся незашунтированными, должно соответствовать рабочему напряжению.
На ВЛ с изоляцией, усиленной по условию загрязнения атмосферы, если начало защищенного подхода к ПС в соответствии с табл. 4.2.10 - 4.2.12 находится в зоне усиленной изоляции, на первой опоре защищенного подхода должен устанавливаться комплект защитных аппаратов, соответствующих рабочему напряжению ВЛ.
4.2.146. Трубчатые разрядники должны быть выбраны по току КЗ в соответствии со следующими требованиями:
1) для сетей до 35 кВ верхний предел тока, отключаемого трубчатым разрядником, должен быть не менее наибольшего действующего значения тока трехфазного КЗ в данной точке сети (с учетом апериодической составляющей), а нижний предел - не более наименьшего возможного в данной точке сети значения установившегося (без учета апериодической составляющей) тока двухфазного КЗ;
2) для сетей 110 кВ и выше верхний предел тока, отключаемого трубчатым разрядником, должен быть не менее наибольшего возможного эффективного значения тока однофазного или трехфазного КЗ в данной точке сети (с учетом апериодической составляющей), а нижний предел - не более наименьшего возможного в данной точке сети значения установившегося (без учета апериодической составляющей) тока однофазного или двухфазного КЗ. При отсутствии трубчатого разрядника на требуемые значения токов КЗ допускается применять вместо них ИП.
На ВЛ 220 кВ с деревянными опорами при отсутствии трубчатых разрядников должны быть заземлены на одной-двух опорах подвески гирлянд, при этом число изоляторов должно быть таким же, как для металлических опор.
4.2.147. На ВЛ с деревянными опорами 3 - 35 кВ в заземляющих спусках защитных промежутков следует выполнять дополнительные защитные промежутки, установленные на высоте не менее 2,5 м от земли. Рекомендуемые размеры защитных промежутков приведены в табл. 4.2.9.
4.2.148. В РУ 35 кВ и выше, к которым присоединены ВЛ, должны быть установлены РВ или ОПН.
Разрядники вентильные или ОПН следует выбирать с учетом координации их защитных характеристик с изоляцией защищаемого оборудования, соответствия наибольшего рабочего напряжения наибольшему рабочему напряжению сети с учетом высших гармоник и неравномерности распределения напряжения по поверхности, а также допустимых повышений напряжения в течение времени действия резервных релейных защит при однофазном замыкании на землю, при одностороннем включении линии или переходном резонансе на высших гармониках.
При увеличенных расстояниях от защитных аппаратов до защищаемого оборудования с целью сокращения числа устанавливаемых аппаратов могут быть применены РВ или ОПН с более низким уровнем остающихся напряжений, чем это требуется по условиям координации изоляции.
Таблица 4.2.9
Рекомендуемые размеры основных и дополнительных защитных промежутков
|
Номинальное напряжение, кВ |
Размеры защитных промежутков, м |
|
|
основных |
дополнительных |
|
|
3 |
20 |
5 |
|
6 |
40 |
10 |
|
10 |
60 |
15 |
|
20 |
140 |
20 |
|
35 |
250 |
30 |
|
110 |
650 |
- |
|
150 |
930 |
- |
|
220 |
1350 |
- |
|
330 |
1850 |
- |
|
500 |
3000 |
- |
Расстояния по шинам, включая ответвления, от разрядников до трансформаторов и другого оборудования должны быть не более указанных в табл. 4.2.10 - 4.2.13 (см. также 4.2.136). При превышении указанных расстояний должны быть дополнительно установлены защитные аппараты на шинах или линейных присоединениях.
Приведенные в табл. 4.2.10 - 4.2.13 наибольшие допустимые расстояния до электрооборудования соответствуют его изоляции категории «б» по государственному стандарту.
Наибольшие допустимые расстояния между РВ или ОПН и защищаемым оборудованием определяют, исходя из числа линий и разрядников, включенных в нормальном режиме работы ПС.
Таблица 4.2.10
Наибольшие допустимые расстояния от вентильных разрядников до защищаемого оборудования 35 - 220 кВ
|
Номинальное напряжение, кВ |
Тип опор на подходах ВЛ к РУ и подстанциям |
Длина защищенного тросом подхода ВЛ, км |
Расстояния до силовых трансформаторов, м |
Расстояния до остального оборудования, м |
||||||||||||||||||
|
Тупиковые РУ |
РУ с двумя постоянно включенными ВЛ |
РУ с тремя или более постоянно включенными ВЛ |
Тупиковые РУ |
РУ с двумя или более постоянно включенными ВЛ |
||||||||||||||||||
|
Разрядники III гр. |
Разрядники II гр. |
Разрядники III гр. |
Разрядники II гр. |
Разрядники III гр. |
Разрядники II гр. |
Разрядники III гр. |
Разрядники II гр. |
Разрядники III гр. |
Разрядники II гр. |
|||||||||||||
|
1×РВС |
2×РВС |
1×РВМГ |
2×РВМГ |
1×РВС |
2×РВС |
1×РВМГ |
2×РВМГ |
1×РВС |
2×РВС |
1×РВМГ |
2×РВМГ |
1×РВС |
2×РВС |
1×РВМГ |
2×РВМГ |
1×РВС |
2×РВС |
1×РВМГ |
2×РВМГ |
|||
|
35 |
Опоры с горизонтальным расположением проводов |
0,5 |
20 |
30 |
- |
- |
30 |
40 |
- |
- |
35 |
45 |
- |
- |
25 |
40 |
- |
- |
30 |
50 |
- |
- |
|
1,0 |
40 |
60 |
- |
- |
50 |
100 |
- |
- |
90 |
120 |
- |
- |
75 |
100 |
- |
- |
100 |
150 |
- |
- |
||
|
1,5 |
60 |
90 |
- |
- |
80 |
120 |
- |
- |
120 |
150 |
- |
- |
100 |
130 |
- |
- |
125 |
200 |
- |
- |
||
|
2,0 и более |
75 |
100 |
- |
- |
100 |
150 |
- |
- |
150 |
180 |
- |
- |
125 |
150 |
- |
- |
150 |
200 |
- |
- |
||
|
Опоры с негоризонтальным расположением проводов |
1,0 |
20 |
30 |
- |
- |
30 |
40 |
- |
- |
40 |
50 |
- |
- |
40 |
60 |
- |
- |
50 |
100 |
- |
- |
|
|
1,5 |
30 |
50 |
- |
- |
50 |
60 |
- |
- |
60 |
70 |
- |
- |
60 |
90 |
- |
- |
80 |
120 |
- |
- |
||
|
2,0 и более |
45 |
70 |
- |
- |
70 |
90 |
- |
- |
90 |
100 |
- |
- |
70 |
120 |
- |
- |
90 |
150 |
- |
- |
||
|
110 |
Опоры с горизонтальным расположением проводов |
1,0 |
30 |
50 |
40 |
100 |
50 |
70 |
60 |
120 |
70 |
90 |
80 |
125 |
120 |
140 |
130 |
180 |
130 |
150 |
140 |
190 |
|
1,5 |
50 |
80 |
70 |
150 |
70 |
90 |
80 |
160 |
90 |
110 |
100 |
175 |
140 |
170 |
150 |
200 |
200 |
200 |
180 |
200 |
||
|
2,0 |
70 |
100 |
90 |
180 |
80 |
120 |
100 |
200 |
110 |
135 |
120 |
250 |
170 |
200 |
180 |
220 |
200 |
200 |
200 |
200 |
||
|
2,5 |
90 |
165 |
120 |
220 |
95 |
150 |
125 |
250 |
125 |
180 |
135 |
250 |
190 |
200 |
220 |
250 |
200 |
200 |
200 |
200 |
||
|
3,0 и более |
100 |
180 |
150 |
250 |
110 |
200 |
160 |
250 |
140 |
200 |
170 |
250 |
200 |
200 |
250 |
250 |
200 |
200 |
250 |
250 |
||
|
Опоры с негоризонтальным расположением проводов |
1,0 |
15 |
20 |
20 |
50 |
20 |
30 |
30 |
75 |
30 |
40 |
40 |
100 |
70 |
90 |
80 |
110 |
100 |
130 |
120 |
170 |
|
|
1,5 |
30 |
55 |
40 |
80 |
40 |
60 |
50 |
100 |
50 |
70 |
60 |
130 |
110 |
130 |
120 |
160 |
150 |
180 |
160 |
200 |
||
|
2,0 |
50 |
75 |
70 |
120 |
60 |
90 |
70 |
150 |
70 |
100 |
90 |
190 |
120 |
150 |
140 |
180 |
200 |
200 |
180 |
250 |
||
|
2,5 |
65 |
100 |
90 |
160 |
70 |
115 |
100 |
200 |
80 |
125 |
120 |
250 |
130 |
200 |
160 |
230 |
200 |
200 |
200 |
200 |
||
|
3,0 и более |
80 |
140 |
120 |
200 |
80 |
140 |
130 |
250 |
95 |
150 |
140 |
250 |
150 |
200 |
180 |
250 |
200 |
220 |
220 |
250 |
||
|
150 - 220 |
Опоры с горизонтальным расположением проводов |
2,0 |
- |
- |
20 |
65 |
- |
- |
60 |
100 |
- |
- |
90 |
110 |
90 |
160 |
100 |
210 |
150 |
220 |
200 |
280 |
|
2,5 |
- |
- |
35 |
75 |
- |
- |
70 |
140 |
- |
- |
100 |
150 |
110 |
180 |
120 |
250 |
170 |
280 |
250 |
350 |
||
|
3,0 и более |
- |
- |
80 |
100 |
- |
- |
90 |
170 |
- |
- |
120 |
180 |
120 |
200 |
160 |
280 |
190 |
310 |
270 |
400 |
||
|
Опоры с негоризонтальным расположением проводов |
2,0 |
- |
- |
10 |
35 |
- |
- |
35 |
60 |
- |
- |
45 |
65 |
60 |
90 |
75 |
130 |
90 |
120 |
100 |
150 |
|
|
2,5 |
- |
- |
15 |
70 |
- |
- |
65 |
90 |
- |
- |
80 |
90 |
80 |
120 |
100 |
180 |
120 |
160 |
140 |
220 |
||
|
3,0 |
- |
- |
40 |
90 |
- |
- |
85 |
110 |
- |
- |
100 |
120 |
100 |
160 |
140 |
230 |
150 |
200 |
180 |
300 |
||
Примечания: 1. Расстояния от РВ до электрооборудования, кроме силовых трансформаторов, не ограничиваются при числе параллельно работающих ВЛ: на напряжении 110 кВ - 7 и более; на 150 кВ - 6 и более; на 220 кВ - 4 и более.
2. Допустимые расстояния определяются до ближайшего РВ.
3. При использовании ОПН вместо РВ или при изменении испытательных напряжений защищаемого оборудования расстояние до силовых трансформаторов или другого электрооборудования определяется по формуле
![]()
где Lопн - расстояние от ОПН до защищаемого оборудования, м;
Lрв - расстояние от разрядника до защищаемого оборудования, м;
Uисп - испытательное напряжение защищаемого оборудования при полном грозовом импульсе, кВ;
Uопн, Uрв - остающееся напряжение на ОПН (РВ) при токе 5 кА - для классов напряжения 110 - 220 кВ; 10 кА - для классов напряжения 330 кВ и выше.
4. При отличающихся данных защищенного тросом подхода допускается линейная интерполяция допустимого расстояния.
Таблица 4.2.11
Наибольшие допустимые расстояния от вентильных разрядников до защищаемого оборудования 330 кВ
|
Тип подстанции, число ВЛ |
Число комплектов вентильных разрядников, тип, место установки |
Длина защищенного тросом подхода ВЛ, км |
Расстояние*, м |
|||||
|
до силовых трансформаторов (автотрансформаторов) и шунтирующих реакторов |
до трансформаторов напряжения |
до остального оборудования |
||||||
|
Опоры с горизонтальным расположением проводов |
Опоры с негоризонтальным расположением проводов |
Опоры с горизонтальным расположением проводов |
Опоры с негоризонтальным расположением проводов |
Опоры с горизонтальным расположением проводов |
Опоры с негоризонтальным расположением проводов |
|||
|
Тупиковая, по схеме блока транс-форматор-линия |
Один комплект вентильных разрядников II гр. у силового трансформатора |
2,5 |
45 |
- |
75 |
- |
130 |
100 |
|
3,0 |
70 |
20 |
90 |
30 |
140 |
110 |
||
|
4,0 |
100 |
50 |
115 |
85 |
150 |
130 |
||
|
Два комплекта вентильных разрядников II гр.: один комплект - у силового трансформатора, другой - в линейной ячейке |
2,5 |
70 |
- |
250** |
- |
330** |
232** |
|
|
3,0 |
120 |
20 |
320** |
100 |
380** |
270** |
||
|
4,0 |
160 |
90 |
400** |
250 |
450** |
340** |
||
|
Тупиковая, по схеме объединенный блок |
Два комплекта вентильных разрядников II гр. у силовых трансформаторов |
2,0 |
70 |
- |
210 |
- |
335 |
280 |
|
2,5 |
110 |
20 |
240 |
100 |
340 |
320 |
||
|
3,0 |
150 |
65 |
260 |
200 |
355 |
340 |
||
|
Проходная с двумя ВЛ и одним трансформатором, по схеме треугольник |
Один комплект вентильных разрядников II гр. у силового трансформатора |
2,0 |
80 |
- |
160 |
- |
390 |
300 |
|
2,5 |
110 |
50 |
210 |
120 |
410 |
350 |
||
|
3,0 |
150 |
80 |
250 |
150 |
425 |
380 |
||
|
Проходная с двумя ВЛ и двумя трансформаторами по схеме мостик |
Два комплекта вентильных разрядников II гр. у силовых трансформаторов |
2,0 |
60 |
- |
320 |
- |
420 |
300 |
|
2,5 |
80 |
20 |
400 |
260 |
500 |
360 |
||
|
3,0 |
130 |
60 |
475 |
310 |
580 |
415 |
||
|
Проходная, с двумя ВЛ и двумя трансформаторами, по схеме четырехугольник |
Два комплекта вентильных разрядников II гр. у силовых трансформаторов |
2,0 |
150 |
- |
500 |
- |
1000 |
1000 |
|
2,5 |
200 |
80 |
700 |
320 |
1000 |
1000 |
||
|
3,0 |
240 |
140 |
750 |
470 |
1000 |
1000 |
||
|
Подстанция с тремя и более отходящими ВЛ и двумя трансформаторами |
Два комплекта вентильных разрядников II гр. у силовых трансформаторов |
2,0 |
150 |
40 |
960 |
- |
1000 |
1000 |
|
2,5 |
220 |
80 |
1000 |
400 |
1000 |
1000 |
||
|
3,0 |
300 |
140 |
1000 |
1000 |
1000 |
1000 |
||
|
Подстанция с тремя и более отходящими ВЛ и одним трансформатором |
Один комплект вентильных разрядников II гр. у силового трансформатора |
2,0 |
100 |
30 |
700 |
- |
1000 |
750 |
|
2 |
175 |
70 |
800 |
200 |
1000 |
1000 |
||
|
3,0 |
250 |
100 |
820 |
700 |
1000 |
1000 |
||
* Соответственно п. 3 примечания к табл. 4.2.10.
** От РВ, установленных у силовых трансформаторов.
Примечание. При отличающихся длинах защищенного подхода допускается линейная интерполяция значения допустимого расстояния.
Таблица 4.2.12
Наибольшие допустимые расстояния от вентильных разрядников до защищаемого оборудования 500 кВ
|
Тип подстанции, число ВЛ |
Число комплектов разрядников, тип, место установки |
Расстояние*, м |
||
|
до силовых трансформаторов (автотрансформаторов) и шунтирующих реакторов |
до трансформаторов напряжения |
до остального электрооборудования |
||
|
Тупиковая, по схеме блока трансформатор-линия |
Два комплекта вентильных разрядников II гр.: один комплект - у силового трансформатора, другой - в линейной ячейке или на реакторном присоединении |
95 |
150/700 |
150/700 |
|
Проходная, с двумя ВЛ и одним трансформатором, по схеме треугольник |
Два комплекта вентильных разрядников II гр.: один комплект - у силового трансформатора, другой - на шинах, в линейной ячейке или на реакторном присоединении |
130 |
350/700 |
350/900 |
|
Проходная, с двумя ВЛ и двумя трансформаторами, по схеме четырехугольник |
Два комплекта вентильных разрядников II гр. у силовых трансформаторов |
160 |
350 |
800 |
|
Подстанция с тремя и более отходящими ВЛ и двумя трансформаторами |
То же |
240 |
450 |
900 |
|
Подстанция с тремя и более отходящими ВЛ и одним трансформатором |
Один комплект вентильных разрядников II гр. у силового трансформатора |
175 |
400 |
600 |
* Соответственно п. 3 примечания к табл. 4.2.10. В значениях, указанных дробью, числитель - допустимое расстояние до ближайшего РВ (в линейной ячейке, на шинах или на реакторном присоединении), знаменатель - до РВ, установленного у силового трансформатора.
Таблица 4.2.13
Наибольшие допустимые расстояния от вентильных разрядников до защищаемого оборудования 750 кВ
|
Тип подстанции, число ВЛ |
Число комплектов разрядников, тип, место установки |
Расстояние*, м |
||
|
до силовых трансформаторов (автотрансформаторов) и шунтирующих реакторов |
до трансформаторов напряжения |
до остального электрооборудования |
||
|
Тупиковая, по схеме блок трансформатор-линия с одним шунтирующим реактором |
Три комплекта вентильных разрядников: один комплект - у силового трансформатора, другой - у реактора, третий - в линейной ячейке |
75*** |
200*** |
1000 |
|
Тупиковая по схеме трансформатор-линия с двумя шунтирующими реакторами |
Три комплекта вентильных разрядников: первый комплект - у силового трансформатора, второй и третий - у реактора |
75*** |
140*** |
350*** |
|
То же |
Четыре комплекта вентильных разрядников: первый комплект - у силового трансформатора, второй и третий - у реакторов; четвертый - в линейной ячейке |
140 |
230 |
1000 |
|
Тупиковая по схеме два трансформатора - линия с одним шунтирующим реактором |
Три комплекта вентильных разрядников: два комплекта - у силовых трансформаторов, третий - у реактора |
50*** |
140*** |
350* |
|
То же |
Четыре комплекта вентильных разрядников: два комплекта - у силовых трансформаторов, третий комплект - у реактора, четвертый комплект - в линейной ячейке |
130 |
230 |
1000 |
|
Проходная по схеме трансформатор - две линии с шунтирующими реакторами |
Три комплекта вентильных разрядников: один комплект - у силового трансформатора, два комплекта - у реактора |
100 |
120 |
350* |
|
Проходная по схеме два трансформатора - две линии с шунтирующими реакторами |
Четыре комплекта вентильных разрядников: два комплекта - у силовых трансформаторов, два комплекта - у реакторов |
120 |
120 |
350** |
* При расстоянии от оборудования, установленного на вводе ВЛ на подстанцию (конденсатор связи, линейный разъединитель и др.), до точки присоединения ВЛ к ошиновке подстанции - не более 45 м.
** То же, не более 90 м.
*** При использовании ОПН, в том числе в РУ с уменьшенными воздушными изоляционными промежутками, или при изменении испытательных напряжений допустимые расстояния до силовых трансформаторов (автотрансформаторов) и шунтирующих реакторов и другого электрооборудования определяются согласно п. 3 примечания к табл. 4.2.10.
Количество и места установки РВ или ОПН следует выбирать, исходя из принятых на расчетный период схем электрических соединений, числа ВЛ и трансформаторов. При этом расстояния от защищаемого оборудования до РВ или ОПН должны быть в пределах допустимых и на промежуточных этапах с длительностью, равной грозовому сезону или более. Аварийные и ремонтные работы при этом не учитываются.
4.2.149. В цепях трансформаторов и шунтирующих реакторов РВ или ОПН должны быть установлены без коммутационных аппаратов между ними и защищаемым оборудованием.
Защитные аппараты при нахождении оборудования под напряжением должны быть постоянно включены.
4.2.150. При присоединении трансформатора к РУ кабельной линией 110 кВ и выше в месте присоединения кабеля к шинам РУ с ВЛ должен быть установлен комплект РВ или ОПН. Заземляющий зажим РВ или ОПН должен быть присоединен к металлическим оболочкам кабеля. В случае присоединения к шинам РУ нескольких кабелей, непосредственно соединенных с трансформаторами, на шинах РУ устанавливается один комплект РВ или ОПН. Место их установки следует выбирать возможно ближе к местам присоединения кабелей.
При длине кабеля больше удвоенного расстояния, указанного в табл. 4.2.10 - 4.2.13, РВ или ОПН с такими же остающимися напряжениями, как у защитного аппарата в начале кабеля, устанавливается у трансформатора.
4.2.151. Неиспользуемые обмотки низшего и среднего напряжений силовых трансформаторов (автотрансформаторов), а также обмотки, временно отключенные от шин РУ в грозовой период, должны быть соединены в звезду или треугольник и защищены РВ или ОПН, включенными между вводами каждой фазы и землей. Защита неиспользуемых обмоток низшего напряжения, расположенных первыми от магнитопровода, может быть выполнена заземлением одной из вершин треугольника, одной из фаз или нейтрали звезды либо установкой РВ или ОПН соответствующего класса напряжения на каждой фазе.
Защита неиспользуемых обмоток не требуется, если к ним постоянно присоединена кабельная линия длиной не менее 30 м, имеющая заземленную оболочку или броню.
4.2.152. Для защиты нейтралей обмоток 110 - 150 кВ силовых трансформаторов, имеющих изоляцию, пониженную относительно изоляции линейного конца обмотки и допускающую работу с разземленной нейтралью, следует устанавливать ОПН, обеспечивающие защиту их изоляции и выдерживающие в течение нескольких часов квазиустановившиеся перенапряжения при обрыве фазы линии.
В нейтрали трансформатора, изоляция которой не допускает разземления, установка разъединителей не допускается.
4.2.153. Распредустройства 3 - 20 кВ, к которым присоединены ВЛ, должны быть защищены РВ или ОПН, установленными на шинах или у трансформаторов. В обоснованных случаях могут быть дополнительно установлены защитные емкости. Вентильный разрядник или ОПН в одной ячейке с трансформатором напряжения должен быть присоединен до его предохранителя.
При применении воздушной связи трансформаторов с шинами РУ 3 - 20 кВ расстояния от РВ и ОПН до защищаемого оборудования не должны превышать 60 м при ВЛ на деревянных опорах и 90 м при ВЛ на металлических опорах.
При присоединении трансформаторов к шинам кабелями расстояния от установленных на шинах РВ или ОПН до трансформаторов не ограничиваются.
Защита подходов ВЛ 3 - 20 кВ к ПС молниеотводами по условиям грозозащиты не требуется.
На подходах ВЛ 3 - 20 кВ с деревянными опорами к ПС на расстоянии 200 - 300 м от ПС должен быть установлен комплект защитных аппаратов (РТ1). На ВЛ 3 - 20 кВ, которые в грозовой сезон могут быть длительно отключены с одной стороны, следует устанавливать защитные аппараты (РТ2) на конструкции ПС или на концевой опоре того конца ВЛ, который может быть длительно отключен. Расстояние от РТ2 до отключенного выключателя по ошиновке должно быть не более 10 м. При мощности трансформатора до 0,63 МВ·А допускается не устанавливать трубчатые разрядники на подходах ВЛ 3 - 20 кВ с деревянными опорами.
При невозможности выдержать указанные расстояния, а также при наличии на отключенном конце ВЛ трансформаторов напряжения вместо РТ2 должны быть установлены РВ или ОПН. Расстояние от РВ до защищаемого оборудования должно быть при этом не более 10 м, для ОПН - увеличенное пропорционально разности испытательного напряжения ТН и остающегося напряжения ОПН. При установке РВ или ОПН на всех вводах ВЛ в ПС и их удалении от подстанционного оборудования в пределах допустимых значений по условиям грозозащиты защитные аппараты на шинах ПС могут не устанавливаться. Сопротивление заземления разрядников РТ1 и РТ2 не должны превышать 10 Ом при удельном сопротивлении земли до 1000 Ом·м и 15 Ом при более высоком удельном напряжении.
На подходах к подстанциям ВЛ 3 - 20 кВ с металлическими и железобетонными опорами установка защитных аппаратов не требуется. Однако, при применении на ВЛ 3 - 20 кВ изоляции, усиленной более чем на 30 % (например, из-за загрязнения атмосферы), на расстоянии 200 - 300 м от ПС и на ее вводе должны быть установлены ИП.
Металлические и железобетонные опоры на протяжении 200 - 300 м подхода к ПС должны быть заземлены с сопротивлением не более приведенных в табл. 2.5.35.
Защита ПС 3 - 20 кВ с низшим напряжением до 1 кВ, присоединенных к ВЛ 3 - 20 кВ, должна выполняться РВ или ОПН, устанавливаемыми со стороны высокого и низкого напряжения ПС.
В случае присоединения ВЛ 3-20 кВ к ПС с помощью кабельной вставки в месте присоединения кабеля к ВЛ должен быть установлен комплект РВ или ОПН. В этом случае заземляющий зажим разрядника, металлические оболочки кабеля, а также корпус кабельной муфты должны быть соединены между собой по кратчайшему пути. Заземляющий зажим разрядника должен быть соединен с заземлителем отдельным спуском. Если ВЛ выполнена на деревянных опорах, на расстоянии 200 - 300 м от конца кабеля следует устанавливать комплект защитных аппаратов. При длине кабельной вставки более 50 м установка РВ или ОПН на ПС не требуется. Сопротивление заземлителя аппарата должно быть не более значений, приведенных в табл. 2.5.35. Молниезащита токопроводов 3 - 20 кВ осуществляется как молниезащита ВЛ соответствующего класса напряжения.
4.2.154. Кабельные вставки 35 - 220 кВ при их длине менее 1,5 км должны быть защищены с обеих сторон защитными аппаратами. Кабели 35 - 110 кВ защищаются РВС III группы или РТ, а кабели напряжением 220 кВ - РВ II группы или соответствующими ОПН. При длине кабеля 1,5 км и более на ВЛ с металлическими и железобетонными опорами установка разрядников или ограничителей по концам кабеля не требуется.
4.2.155. Защиту ПС 35 - 110 кВ с трансформаторами мощностью до 40 МВ·А, присоединенных к ответвлениям протяженностью менее требуемой длины защищаемого подхода (см. табл. 4.2.8 и 4.2.10) от действующих ВЛ без троса, допускается выполнять по упрощенной схеме (рис. 4.2.18), включающей:
разрядники вентильные; устанавливаются на ПС на расстоянии от силового трансформатора не более 10 м при использовании РВ III группы и не более 15 м при использовании РВ II группы. При этом расстояние от РВ до остального оборудования не должно превышать соответственно 50 и 75 м. Расстояние до ограничителей определяется так же, как было указано ранее в табл. 4.2.10 - 4.2.13;
тросовые молниеотводы подхода к ПС на всей длине ответвления; при длине ответвления менее 150 м следует дополнительно защищать тросовыми или стержневыми молниеотводами по одному пролету действующей ВЛ в обе стороны от ответвления;
комплекты защитных аппаратов РТ1, РТ2 с сопротивлением заземлителя не более 10 Ом, устанавливаемые на деревянных опорах: РТ2 - на первой опоре с тросом со стороны ВЛ или на границе участка, защищаемого стержневыми молниеотводами; РТ1 - на незащищенном участке ВЛ на расстоянии 150 - 200 м от РТ2.
При длине подхода более 500 м установка комплекта трубчатых разрядников РТ1 не требуется.
Защита ПС, на которых расстояния между РВ и трансформатором превышают 10 м, выполняется в соответствии с требованиями, приведенными в 4.2.148.
Рис. 4.2.18. Схемы защиты от грозовых перенапряжений ПС, присоединенных к ВЛ ответвлениями длиной до 150 и более 150 м
Упрощенную защиту ПС, в соответствии с указанными выше требованиями, допускается выполнять и в случае присоединения ПС к действующим ВЛ с помощью коротких подходов (рис. 4.2.19), При этом трансформаторы должны быть защищены РВ II группы или соответствующими ОПН.
Выполнение упрощенной защиты ПС, присоединенных к вновь сооружаемым ВЛ, не допускается.
Рис. 4.2.19. Схемы защиты от грозовых перенапряжений ПС, присоединенных к ВЛ с помощью заходов длиной до 150 и более 150 м
4.2.156. В районах с удельным сопротивлением земли 1000 Ом·м и более сопротивление заземления разрядников РТ1 и РТ2 35 - 110 кВ, устанавливаемых для защиты ПС, которые присоединяются к действующим ВЛ на ответвления или с помощью коротких заходов, должно быть не более 30 Ом. При этом заземлитель РТ2 должен быть соединен с заземляющим устройством ПС.
При установке коммутационных аппаратов на расстоянии до 25 м по длине ВЛ от места подключения линии к ПС или распределительному пункту установка защитных аппаратов на опоре, как правило, не требуется. Если коммутационные аппараты в грозовой сезон нормально отключены, то со стороны ВЛ на опоре должны быть установлены защитные аппараты.
На ВЛ напряжением до 20 кВ с железобетонными и металлическими опорами допускается не устанавливать защитные аппараты для защиты коммутационных аппаратов, имеющих изоляцию того же класса, что и ВЛ.
Установка коммутационных аппаратов в пределах защищаемых тросом подходов ВЛ, которые указаны в 4.2.155, 4.2.162 и расстояний по табл. 4.2.10 допускается на первой опоре со стороны линии, а также на следующих опорах подхода при условии равной прочности их изоляции.
Сопротивление заземляющих устройств аппаратов должно удовлетворять требованиям, приведенным в 2.5.129.
4.2.158. Ответвление от ВЛ, выполняемое на металлических и железобетонных опорах, должно быть защищено тросом по всей длине, если оно присоединено к ВЛ, защищенной тросом по всей длине. При выполнении ответвлений на деревянных опорах в месте их присоединений к ВЛ должен быть установлен комплект защитных аппаратов.
4.2.159. Для защиты секционирующих пунктов 3 - 10 кВ должны быть установлены защитные аппараты - по одному комплекту на концевой опоре каждой питающей ВЛ с деревянными опорами. При этом заземляющие спуски защитных аппаратов следует присоединять к заземляющему устройству переключательного пункта.
4.2.160. Воздушные линии на металлических и железобетонных опорах допускается непосредственно присоединять к генераторам (синхронным компенсаторам) мощностью до 50 МВт (до 50 МВ·А) и соответствующим РУ.
Воздушные линии на деревянных опорах допускается присоединять к генераторам (синхронным компенсаторам) мощностью до 25 МВт (до 25 МВ·А) и соответствующим РУ.
Присоединение воздушных линий к генераторам (синхронным компенсаторам) мощностью более 50 МВт (более 50 МВ·А) должно осуществляться только через трансформатор.
Для защиты блочных трансформаторов, связанных с генераторами мощностью 100 МВт и выше со стороны ВН должны быть установлены РВ не ниже II группы или соответствующие ОПН.
4.2.161. Для защиты генераторов и синхронных компенсаторов, а также электродвигателей мощностью более 3 МВт, присоединенных к общим шинам воздушными линиями или токопроводами, должны быть установлены РВ I группы или ОПН с соответствующим остающимся напряжением грозового импульса тока и емкости не менее 0,5 мкФ на фазу. При выборе РВ или ОПН с более низкими значениями остающихся напряжений допускается устанавливать емкости менее 0,5 мкФ на фазу. Кроме того, защита подходов ВЛ к РУ электростанций, ПС и токопроводов к машинам должна быть выполнена с уровнем грозоупорности не менее 50 кА. Разрядники вентильные или ОПН следует устанавливать для защиты: генераторов (синхронных компенсаторов) мощностью более 15 МВт (более 15 MB·А) - на присоединении каждого генератора (синхронного компенсатора); 15 МВт и менее (15 MB·А и менее) - на шинах (секциях шин) генераторного напряжения; электродвигателей мощностью более 3 МВт - на шинах РУ.
При защите генераторов (синхронных компенсаторов) с выведенной нейтралью, не имеющих витковой изоляции (машины со стержневой обмоткой) мощностью 25 МВт и более (25 МВ·А и более), вместо емкостей 0,5 мкФ на фазу может быть применен РВ или ОПН в нейтрали генератора (синхронного компенсатора) на номинальное напряжение машины. Установка защитных емкостей не требуется, если суммарная емкость присоединенных к генераторам (синхронных компенсаторам) участков кабелей длиной до 100 м составляет 0,5 мкФ и более на фазу.
1) подход ВЛ с металлическими и железобетонными опорами должен быть защищен тросом на протяжении не менее 300 м, в начале подхода должен быть установлен комплект РВ IV группы (рис. 4.2.20, а) или соответствующих ОПН. Сопротивление заземления РВ или ОПН не должно превышать 3 Ом, а сопротивление заземления опор на тросовом участке - 10 Ом. Рекомендуется использование деревянных траверс с расстоянием не менее 1 м по дереву от точки крепления гирлянды изоляторов до стойки опоры.
На подходах ВЛ с деревянными опорами дополнительно к средствам защиты, применяемым на ВЛ с железобетонными опорами, следует устанавливать комплект РВ IV группы или соответствующих ОПН на расстоянии 150 м от начала тросового подхода в сторону линии (рис. 4.2.20, б). Сопротивление заземления разрядников должно быть не более 3 Ом. Допускается установка РТ в начале подхода. Сопротивление заземления таких разрядников не должно превышать 5 Ом;
2) на ВЛ, присоединенных к электростанциям и ПС кабельными вставками длиной до 0,5 км, защита подхода должна быть выполнена так же, как на ВЛ без кабельных вставок (см. п. 1) и дополнительно должен быть установлен комплект РВ2 IV группы или соответствующих ОПН в месте присоединения ВЛ к кабелю. Заземляемый вывод защитного аппарата кратчайшим путем следует присоединить к броне, металлической оболочке кабеля и к заземлителю (рис. 4.2.20, в, г). Сопротивление заземления аппарата не должно превышать 5 Ом;
3) если подход ВЛ на длине не менее 300 м защищен от прямых ударов молнии зданиями, деревьями или другими высокими предметами и находится в их зоне защиты, то подвеска троса на подходе ВЛ не требуется. При этом в начале защищенного участка ВЛ (со стороны линии) должен быть установлен комплект РВ1 IV группы (рис. 4.2.20, д) или соответствующих ОПН. Сопротивление заземления разрядника не должно превышать 3 Ом. Спуски заземления РВ1 кратчайшим путем должны быть соединены с контуром заземления ПС (электростанции);
4) при наличии токоограничивающего реактора на присоединении ВЛ подход на длине 100 - 150 м должен быть защищен от прямых ударов молнии тросовым молниеотводом (рис. 4.2.20, е). В начале подхода, защищенного молниеотводом, а также у реактора должны быть установлены комплекты РВ 1 и РВ2 IV группы (рис. 4.2.20, а) или соответствующих ОПН. Сопротивление заземления аппарата, установленного в начале подхода со стороны линии, должно быть не более 3 Ом;
5) при присоединении ВЛ к шинам РУ с вращающимися машинами через токоограничивающий реактор и кабельную вставку длиной более 50 м защита подхода ВЛ от прямых ударов молнии не требуется. В месте присоединения ВЛ к кабелю и перед реактором должны быть установлены комплекты РВ 1 и РВ2 IV группы или ОПН с сопротивлением заземления не более 3 Ом (рис. 4.2.20, ж);
6) на ВЛ, присоединенных к шинам РУ с вращающимися машинами мощностью менее 3 МВт (менее 3 МВ·А), подходы которых на длине не менее 0,5 км выполнены на железобетонных или металлических опорах с сопротивлением заземления не более 5 Ом, должен быть установлен комплект РВ IV группы или соответствующих ОПН на расстоянии 100 - 150 м от ПС (электростанции) (рис. 4.2.20, з). Сопротивление заземления защитных аппаратов должно быть не более 3 Ом. При этом защита подхода ВЛ тросом не требуется.

Рис. 4.2.20. Схемы защиты вращающихся электрических машин от грозовых перенапряжений
Если открытые токопроводы не входят в зоны защиты молниеотводов ОРУ, то они должны быть защищены от прямых ударов молнии отдельно стоящими молниеотводами или тросами, подвешенными на отдельных опорах с защитным углом не более 20°. Заземление отдельно стоящих молниеотводов и тросовых опор должно выполняться обособленными заземлителями, не имеющими соединения с заземляющими устройствами опор токопроводов, или путем присоединения к заземляющему устройству РУ в точках, удаленных от места присоединения к нему заземляемых элементов токопровода на расстояние не менее 20 м.
Расстояние от отдельно стоящих молниеотводов (тросовых опор) до токоведущих или заземленных элементов токопровода по воздуху должно быть не менее 5 м. Расстояние в земле от обособленного заземлителя и подземной части молниеотвода до заземлителей и подземной части токопровода должно быть не менее 5 м.
Для защиты генераторов от волн грозовых перенапряжений, набегающих по токопроводу, и от индуктированных перенапряжений должны быть установлены РВ I группы или ОПН и защитные емкости, значение которых на три фазы при номинальном напряжении генераторов должно составлять не менее: при напряжении 6 кВ - 0,8 мкФ, при 10 кВ - 0,5 мкФ и при 13,8 - 20 кВ - 0,4 мкФ.
Защитные емкости не требуется устанавливать, если суммарная емкость генератора и кабельной сети на шинах генераторного напряжения имеет требуемое значение. При определении емкости кабельной сети в этом случае учитываются участки кабелей на длине до 750 м.
Если РУ ПС присоединено открытыми токопроводами к РУ генераторного напряжения ТЭЦ, имеющей генераторы мощностью до 120 МВт, то защита токопровода от прямых ударов молнии должна быть выполнена так, как указано в 4.2.163.
1) к электродвигателям мощностью до 3 МВт;
2) к генераторам дизельных электростанций мощностью до 1 МВт, расположенным в районах с интенсивностью грозовой деятельности до 20 грозовых часов в году.
При этом требуется установка на подходе ВЛ двух комплектов РВ IV группы или соответствующих ОПН на расстояниях 150 (РВ2) и 250 м (РВ1) от шин ПС (рис. 4.2.21, а). Сопротивление заземления защитных аппаратов должно быть не более 3 Ом. Спуски заземления кратчайшим путем должны быть соединены с заземляющим устройством ПС или электростанции.
При наличии кабельной вставки любой длины непосредственно перед кабелем должен быть установлен РВ IV группы или соответствующий ОПН. Их заземляющий зажим должен быть кратчайшим путем присоединен к металлическим оболочкам кабеля и к заземлителю (рис. 4.2.21, б).
На шинах, питающих электродвигатели через кабельные вставки, должны быть установлены РВ I группы или соответствующие ОПН и защитные емкости не менее 0,5 мкФ на фазу.
На подходах ВЛ или открытых токопроводов с железобетонными или металлическими опорами установки РВ не требуется, если сопротивление заземления каждой опоры подхода на длине не менее 250 м составляет не более 10 Ом.
Рис. 4.2.21. Схемы защиты электродвигателей мощностью до 3 МВт при подходе ВЛ на деревянных опорах
4.2.166. Электрические сети 3 - 35 кВ должны работать с изолированной, заземленной через резистор или дугогасящий реактор нейтралью. В электрических сетях 3 - 35 кВ с компенсацией емкостного тока однофазного замыкания на землю степень несимметрии емкостей фаз относительно земли не должна превышать 0,75 %. Выравнивание емкостей фаз относительно земли должно осуществляться транспозицией проводов и распределением конденсаторов высокочастотной связи. Число дугогасящих реакторов и места их установки должны определяться для нормального режима работы сети с учетом возможных делений ее части и вероятных аварийных режимов.
Дугогасящие реакторы могут устанавливаться на всех ПС, кроме тупиковых, связанных с электрической сетью не менее чем двумя линиями электропередачи. Установка реакторов на тупиковых ПС не допускается. Дугогасящие реакторы не допускается включать в нейтрали трансформаторов, присоединенных к шинам через предохранители. Мощность дугогасящих реакторов выбирается по значению полного емкостного тока замыкания на землю с учетом развития сети в ближайшие 10 лет. Рекомендуется использование автоматически настраиваемой компенсации емкостного тока замыкания на землю.
4.2.167. В электрических сетях 3 - 35 кВ следует принимать меры для предотвращения феррорезонансных процессов и самопроизвольных смещений нейтрали.
В электрических схемах 3 - 35 кВ, в которых имеются генераторы (синхронные компенсаторы) с непосредственным водяным охлаждением обмотки статора, вследствие значительной активной проводимости изоляции генератора на землю защита от феррорезонансных процессов не требуется.
4.2.168. Обмотки трансформаторов (автотрансформаторов) должны быть защищены от коммутационных перенапряжений с помощью РВ или ОПН, установленными в соответствии с требованиями 4.2.153.
4.2.169. В сетях 330, 500 и 750 кВ в зависимости от схемы сети, количества линий и трансформаторов следует предусматривать меры по ограничению длительных повышений напряжения и внутренних перенапряжений. Необходимость ограничения квазиустановившихся и внутренних перенапряжений и параметры средств защиты от них определяются на основании расчетов перенапряжений.
4.2.170. С целью ограничения опасных для оборудования коммутационных перенапряжений следует применять комбинированные РВ или ОПН, выключатели с предвключаемыми резисторами, электромагнитные трансформаторы напряжения или другие средства, а также сочетания их с мероприятиями по ограничению длительных повышений напряжения (установка шунтирующих и компенсационных реакторов, схемные мероприятия, системная и противоаварийная автоматики, в частности автоматики от повышения напряжения).
Коммутационные перенапряжения на шинах ПС 330, 500 и 750 кВ должны быть ограничены в зависимости от уровня изоляции оборудования.
4.2.171. Для РУ 110 - 500 кВ должны предусматриваться технические решения, исключающие появление феррорезонансных перенапряжений, возникающих при последовательных включениях электромагнитных трансформаторов напряжения и емкостных делителей напряжения выключателей.
К этим решениям относится в частности:
применение выключателей без емкостных делителей напряжения;
применение вместо электромагнитных трансформаторов емкостных;
применение антирезонансных трансформаторов напряжения;
увеличение в 1,5 - 2 раза емкости ошиновки РУ путем установки на шинах дополнительных конденсаторов, например связи.
4.2.172. Для снабжения сжатым воздухом коммутационных аппаратов (воздушных выключателей, пневматических приводов к выключателям, разъединителям) РУ электрических станций и ПС должна предусматриваться установка сжатого воздуха, состоящая из стационарной компрессорной установки и воздухораспределительной сети.
Вывод в ремонт или выход из строя любого элемента установки сжатого воздуха не должны приводить к нарушению воздухообеспечения коммутационных аппаратов.
4.2.173. Получение в компрессорной установке осушенного воздуха осуществляется применением термодинамического способа осушки воздуха, для чего предусматриваются две ступени давления:
компрессорное (повышенное) - для компрессоров и воздухосборников-аккумуляторов сжатого воздуха, выбираемое из условия обеспечения требуемой относительной влажности воздуха в коммутационных аппаратах;
рабочее (номинальное) - для воздухораспределительной сети, в соответствии с номинальным давлением воздуха коммутационных аппаратов.
Системы компрессорного и рабочего давления должны быть связаны между собой перепускными клапанами.
Для снабжения сжатым воздухом с требуемой температурой точки росы выключателей допускается дополнительно применять физико-химический (адсорбционный) способ осушки воздуха. При этом число блоков очистки воздуха должно быть не менее двух.
4.2.174. Производительность рабочих компрессоров должна быть выбрана такой, чтобы обеспечить:
1) в установках с компрессорами давлением до 10 МПа:
0,5 ч непрерывной работы с 2-часовой паузой;
восстановление давления в воздухосборниках, сниженного на вентилирование воздушных выключателей и на утечки всей системы, за 2 ч, пока компрессоры не работают, - в течение 0,5 ч;
2) в установках с компрессорами давлением 23 МПа:
1,5 ч непрерывной работы с 2-часовой паузой;
восстановление давления в воздухосборниках (условия аналогичны изложенным в п. 1) - в течение 1,5 ч.
При любом количестве рабочих компрессоров, исходя из условий надежности воздухообеспечения коммутационных аппаратов, должны быть предусмотрены один или два резервных в зависимости от местных условий.
Указанное не распространяется на ПС с одним коммутационным аппаратом, имеющим пневмопривод, где должны устанавливаться два компрессора, один из которых резервный.
Для снабжения сжатым воздухом коммутационных аппаратов ПС и РУ промышленных предприятий допускается использование заводской пневматической установки при условии обеспечения ею требований настоящей главы.
4.2.175. Пополнение воздуха в резервуарах коммутационных аппаратов в рабочем и аварийном режимах должно осуществляться за счет запаса воздуха в воздухосборниках компрессорного давления.
Емкость воздухосборников должна обеспечивать покрытие суммарного расхода воздуха (при неработающих компрессорах):
в рабочем режиме - на вентилирование воздушных выключателей и на утечки всей системы за 2 ч, пока компрессоры не работают. При этом остаточное давление в воздухосборниках должно быть таким, чтобы обеспечивалось допустимое влагосодержание воздуха в коммутационных аппаратах;
в аварийном режиме - на восстановление давления в резервуарах воздушных выключателей (до наименьшего допустимого значения по условиям работы выключателей) при одновременном отключении наибольшего числа выключателей, возможного по режиму работы электроустановок с учетом действия релейной защиты и автоматики. При этом наименьшее давление сжатого воздуха в воздухосборниках должно быть выше номинального давления сжатого воздуха в аппаратах:
на 30 % - в установках с компрессорами давлением до 10 МПа;
на 80 % - в установках с компрессорами давлением 23 МПа.
4.2.176. В расчетах следует принимать, что начало аварийного режима с массовым отключением выключателей совпадает с моментом периодического включения в работу компрессорной установки (т.е. когда давление в воздухосборниках снизилось до пускового давления компрессора).
4.2.177. Для каждого значения номинального давления коммутационных аппаратов РУ должна выполняться своя воздухораспределительная сеть, питающаяся не менее чем двумя перепускными клапанами от компрессорной установки.
4.2.178. Перепускные клапаны должны поддерживать в воздухораспределительной сети и в резервуарах воздушных выключателей давление в заданных пределах.
Пропускная способность перепускных клапанов и воздухопроводов распределительной сети должна обеспечивать восстановление давления воздуха (до наименьшего допустимого значения по условиям работы выключателей) в резервуаре выключателя, который может отключаться в цикле неуспешного АПВ (в том числе при наличии двукратного АПВ).
Перепускной клапан в нормальном режиме, как правило, должен обеспечивать непрерывный перепуск небольшого количества воздуха для покрытия расхода на утечки и вентилирование в системе после клапана.
4.2.179. Перепускные клапаны должны выполняться с электромагнитным управлением.
Управление автоматикой включения и отключения перепускных клапанов необходимо осуществлять независимо от режима работы компрессоров. Управление электромагнитными приводами перепускных клапанов следует производить электроконтактными манометрами, устанавливаемыми в помещении компрессорной установки.
4.2.180. Компрессорная установка, за исключением блока очистки воздуха, должна быть автоматизирована и работать без постоянного дежурного персонала.
В схеме управления компрессорной установкой должны быть предусмотрены: автоматический запуск и останов рабочих и резервных компрессоров, поддерживающих в воздухосборниках и в резервуарах выключателей давление в установленных пределах; автоматическая продувка (удаление влаги и масла) водомаслоотделителей; автоматическое управление перепускными клапанами; защита компрессорных агрегатов при нарушениях нормального режима работы.
Установка сжатого воздуха должна быть оборудована сигнализацией, действующей при нарушениях нормальной ее работы.
4.2.181. Устройство автоматизированных компрессорных установок с машинами производительностью до 5 м3/мин в РУ регламентируется действующими правилами устройства и безопасной эксплуатации стационарных компрессорных установок, воздухопроводов и газопроводов Госгортехнадзора России.
4.2.182. Воздухосборники должны удовлетворять Правилам устройства и безопасной эксплуатации сосудов, работающих под давлением, Госгортехнадзора России.
4.2.183. Воздухосборники должны устанавливаться на открытом воздухе на расстоянии не менее 1 м от стены компрессорной, желательно с теневой стороны. Специальный навес над ними (для защиты от солнечной радиации) не требуется. Должна предусматриваться возможность монтажа и демонтажа любого воздухосборника без нарушения нормальной эксплуатации остальных. Допускается установка воздухосборников в отдельном помещении того здания, в котором размещается ЗРУ с воздушными выключателями.
4.2.184. Спускные клапаны водомаслоотделителей компрессора и продувочные клапаны баллонов 23 МПа присоединяются к системе дренажа, выводимой наружу в специально предусмотренный для этого колодец.
4.2.185. Для нормальной работы компрессоров в помещении компрессорной установки должна поддерживаться температура не ниже + 10 °С и не выше + 40 °С, для чего должны быть предусмотрены отопление и приточно-вытяжная механическая вентиляция.
4.2.186. Воздухораспределительная сеть должна, как правило, выполняться кольцевой, разделенной на участки при помощи запорных вентилей.
Питание воздухопроводной сети должно осуществляться двумя магистралями от компрессорной установки.
4.2.187. Для защиты воздухораспределительной сети давлением 2,0 МПа компрессорной установки до 10 МПа в ней должны быть установлены предохранительные клапаны, срабатывающие при превышении давления в обеих нитках питающей магистрали воздухораспределительной сети.
4.2.188. Линейные водоотделители устанавливаются в обеих нитках питающей магистрали воздухораспределительной сети давлением 2,0 МПа компрессорной установки до 10 МПа. Линейный водоотделитель должен иметь спускной вентиль и штуцеры с фланцами для присоединения подводящего и отводящего воздухопроводов.
4.2.189. Прокладка воздухопроводов распределительной сети может выполняться открыто по конструкциям и стойкам под оборудование, в кабельных туннелях, каналах и лотках совместно с кабелями, а в закрытых помещениях - также по стенам и потолкам.
4.2.190. Воздухопроводы следует прокладывать с уклоном не менее 0,3 % с установкой в нижних точках спускных вентилей для продувки сети. Ответвления к аппаратам следует прокладывать с уклоном не менее 0,3 % в направлении главной магистрали.
4.2.191. Для компенсации температурных деформаций в воздухопроводной распределительной сети должны быть предусмотрены компенсаторы, выполняемые из труб того же диаметра. Конструкция компенсаторов определяется проектной организацией.
4.2.192. Воздухопроводы компрессорной установки, распределительной сети и ответвления к шкафам управления должны выполняться из стальных бесшовных труб, причем на давление 23 МПа из нержавеющей стали; воздухопроводы от шкафов управления к резервуарам воздушных выключателей - из медных труб, допускается применение бесшовных труб из коррозионностойкой стали. Воздухопроводы между шкафами и пневматическими приводами разъединителей из стальных труб.
Воздухопроводы компрессорного давления, расположенные вне помещения компрессорной установки до воздухосборников и в пределах стены, через которую они проходят, должны быть покрыты теплоизоляцией.
4.2.193. Стальные воздухопроводы должны соединяться сваркой встык; соединения с арматурой - фланцевые.
Для труб с внутренним диаметром 6 - 8 мм допускаются фланцевые соединения или соединения при помощи ниппелей.
4.2.194. Внутренние поверхности воздухосборников и линейных водоотделителей должны иметь антикоррозийное покрытие.
4.2.195. Наружные поверхности воздухосборников и линейных водоотделителей, устанавливаемых на открытом воздухе, должны быть окрашены устойчивой краской светлого тона.
4.2.196. Все элементы установки сжатого воздуха должны быть доступны для разборки и чистки.
4.2.197. Для обслуживания маслонаполненного оборудования должны быть организованы централизованные масляные хозяйства, оборудованные резервуарами для хранения масла, насосами, оборудованием для очистки, осушки и регенерации масел, передвижными маслоочистительными и дегазационными установками, емкостями для транспортировки масла. Местоположение и объем централизованных масляных хозяйств определяется схемой организации эксплуатации энергосистемы.
Склады масла таких маслохозяйств на ПС должны иметь три резервуара изоляционного масла.
Емкость каждого резервуара должна быть не менее емкости одного наиболее крупного трансформатора с запасом 10 %.
В зависимости от оснащенности энергосистемы передвижными установками по обработке масла и транспортных связей между ПС и централизованным маслохозяйством энергосистемы мастерская маслохозяйства может оснащаться не всеми стационарными установками по обработке масла или совсем не сооружаться. В последнем случае необходимо предусматривать аппаратную маслохозяйства с коллектором для присоединения передвижных маслообрабатывающих установок изоляционного масла.
Объем каждого резервуара должна быть не менее 110 % объема масляной системы наибольшего синхронного компенсатора, устанавливаемого на данной подстанции.
4.2.200. На остальных ПС, кроме оговоренных в 4.2.198 и 4.2.199, маслохозяйство или маслосклады не должны сооружаться. Доставка на них сухого масла осуществляется в передвижных емкостях или автоцистернах с централизованных масляных хозяйств.
4.2.201. Проектирование собственного масляного хозяйства ПС промышленных предприятий должно производиться в соответствии с требованиями настоящего раздела и ведомственных норм.
4.2.202. Расстояния от резервуаров открытых складов масла должно быть не менее:
1) до зданий и сооружений электростанций и ПС (в том числе до трансформаторной мастерской): 12 м - для складов общей емкостью до 100 т масла; 18 м - для складов более 100 т;
2) до жилых и общественных зданий - на 25 % больше расстояний, указанных в п. 1;
3) до аппаратной маслохозяйства - 8 м;
4) до складов баллонов водорода - 20 м;
5) до внешней ограды ПС: 6,5 м - при устройстве охранной периметральной сигнализации, 4 м - в остальных случаях.
4.2.203. Требования, приведенные в 4.2.204 - 4.2.236, распространяются на стационарную установку в помещениях и на открытом воздухе силовых трансформаторов (автотрансформаторов), регулировочных трансформаторов и маслонаполненных реакторов с высшим напряжением 3 кВ и выше и не распространяются на электроустановки специального назначения.
Трансформаторы, автотрансформаторы и реакторы, указанные в настоящем параграфе, поименованы в 4.2.204 - 4.2.236 термином «трансформаторы».
Установка вспомогательного оборудования трансформаторов (электродвигателей системы охлаждения, контрольно-измерительной аппаратуры, устройств управления) должна отвечать требованиям соответствующих глав настоящих Правил.
Требования 4.2.212, 4.2.217, 4.2.218 не относятся к установке трансформаторов, входящих в КТП с высшим напряжением до 35 кВ.
4.2.205. Установка трансформаторов должна обеспечивать удобные и безопасные условия его осмотра без снятия напряжения.
4.2.206. Фундаменты трансформаторов напряжением 35 - 500 кВ должны предусматривать их установку непосредственно на фундамент без кареток (катков) и рельс.
Трансформаторы на подстанциях, имеющих стационарные устройства для ремонта трансформаторов (башни) и рельсовые пути перекатки, а также на подстанциях с размещением трансформаторов в закрытых помещениях, следует устанавливать на каретках (катках).
Сейсмостойкие трансформаторы устанавливаются непосредственно на фундамент с креплением их к закладным элементам фундамента для предотвращения их смещений в горизонтальном и вертикальном направлениях.
На фундаментах трансформаторов должны быть предусмотрены места для установки домкратов.
4.2.207. Уклон масляного трансформатора, необходимый для обеспечения поступления газа к газовому реле, должен создаваться путем установки подкладок.
4.2.208. При установке расширителя на отдельной конструкции она должна располагаться таким образом, чтобы не препятствовать выкатке трансформатора с фундамента.
В этом случае газовое реле должно располагаться вблизи трансформатора в пределах удобного и безопасного обслуживания со стационарной лестницы. Для установки расширителя можно использовать портал ячейки трансформатора.
4.2.209. Трансформаторы необходимо устанавливать так, чтобы отверстие защитного устройства выброса масла не было направлено на близко установленное оборудование. Для защиты оборудования допускается установка заградительного щита между трансформатором и оборудованием.
4.2.210. Вдоль путей перекатки, а также у фундаментов трансформаторов массой более 20 т, должны быть предусмотрены анкеры, позволяющие закреплять за них лебедки, направляющие блоки, полиспасты, используемые при перекатке трансформаторов в обоих направлениях. В местах изменения направления движения должны быть предусмотрены места для установки домкратов.
4.2.211. Расстояния в свету между открыто установленными трансформаторами определяются технологическими требованиями и должны быть не менее 1,25 м.
4.2.212. Разделительные перегородки между открыто установленными трансформаторами напряжением 110 кВ и выше единичной мощностью 63 МВ·А и более, должны предусматриваться:
при расстояниях менее 15 м между трансформаторами (реакторами), а также между ними и трансформаторами любой мощности, включая регулировочные и собственных нужд;
при расстояниях менее 25 м между трансформаторами, установленными вдоль наружных стен зданий электростанции на расстоянии от стен менее 40 м.
Разделительные перегородки должны иметь предел огнестойкости не менее 1,5 ч, ширину - не менее ширины маслоприемника и высоту - не менее высоты вводов высшего напряжения более высокого трансформатора. Перегородки должны устанавливаться за пределами маслоприемника. Расстояние в свету между трансформатором и перегородкой должно быть не менее 1,5 м.
Указанные расстояния принимаются до наиболее выступающих частей трансформаторов.
Если трансформаторы собственных нужд или регулировочные установлены с силовым трансформатором, оборудованным автоматическим стационарным устройством пожаротушения, и присоединены в зоне действия защиты от внутренних повреждений силового трансформатора, то допускается вместо разделительной перегородки выполнять автоматическую стационарную установку пожаротушения трансформатора собственных нужд или регулировочного, объединенную с установкой пожаротушения силового трансформатора; при этом допускается сооружение общего маслоприемника.
4.2.213. Регулировочные трансформаторы должны устанавливаться в непосредственной близости от регулируемых автотрансформаторов, за исключением случая, когда между автотрансформатором и регулировочным трансформатором предусматривается установка токоограничивающего реактора.
4.2.214. Автоматическими установками пожаротушения оснащаются:
трансформаторы напряжением 500 - 750 кВ, независимо от мощности, а напряжением 220 - 330 кВ мощностью 250 МВ·А и более;
трансформаторы напряжением 110 кВ и выше мощностью 63 МВ·А и более, устанавливаемые в камерах подстанций и у зданий ГЭС;
трансформаторы напряжением 110 кВ и выше любой мощности, устанавливаемые в подземном здании ГЭС и ГАЭС.
4.2.215. Пуск установки пожаротушения должен осуществляться автоматически, вручную и дистанционно со щита управления. Устройство ручного пуска должно располагаться вблизи установки в безопасном при пожаре месте.
Включение установки пожаротушения группы однофазных трансформаторов должно производиться только на поврежденные фазы.
4.2.216. Каждый масляный трансформатор, размещаемый внутри помещений следует устанавливать в отдельной камере (исключение 4.2.98), расположенной на первом этаже. Допускается установка масляных трансформаторов на втором этаже, а также ниже уровня пола первого этажа на 1 м в незатопляемых зонах при условии обеспечения возможности транспортирования трансформаторов наружу и удаления масла в аварийных случаях в соответствии с требованиями, приведенными в 4.2.103, как для трансформаторов с объемом масла более 600 кг.
При необходимости установки трансформаторов внутри помещений выше второго этажа или ниже пола первого этажа более чем на 1 м, они должны быть с негорючим экологически чистым диэлектриком или сухими в зависимости от условий окружающей среды и технологии производства. При размещении трансформаторов внутри помещений следует руководствоваться также 4.2.85.
Допускается установка в одной общей камере двух масляных трансформаторов с объемом масла до 3 т каждый, имеющих общее назначение, управление, защиту и рассматриваемых как один агрегат.
Сухие трансформаторы и имеющие негорючее заполнение устанавливаются в соответствии с 4.2.118.
4.2.217. Для трансформаторов, устанавливаемых внутри помещений, расстояния в свету от наиболее выступающих частей трансформаторов, расположенных на высоте 1,9 м и менее от пола, должны быть:
до задней и боковых стен не менее - 0,3 м для трансформаторов мощностью до 0,63 МВ·А и 0,6 м - для трансформаторов большей мощности;
со стороны входа до полотна двери или выступающих частей стены не менее: 0,6 м - для трансформаторов мощностью до 0,63 МВ·А; 0,8 м - для трансформаторов до 1,6 МВ·А и 1 м - для трансформаторов мощностью более 1,6 МВ·А.
4.2.218. Пол камер масляных трансформаторов должен иметь 2 %-ный уклон в сторону маслоприемника.
4.2.219. В камерах трансформаторов могут устанавливаться относящиеся к ним разъединители, предохранители и выключатели нагрузки, вентильные разрядники, ОПН, заземляющие дугогасящие реакторы, а также оборудование системы охлаждения.
4.2.220. Каждая камера масляных трансформаторов должна иметь отдельный выход наружу или в смежное помещение категорий Г или Д.
4.2.221. Расстояние по горизонтали от проема ворот трансформаторной камеры встроенной или пристроенной ПС до проема ближайшего окна или двери помещения должно быть не менее 1 м.
Выкатка трансформаторов мощностью 0,25 МВ·А и более из камер во внутренние проезды шириной менее 5 м между зданиями не допускается. Это требование не распространяется на камеры, выходящие в проходы и проезды внутри производственных помещений.
4.2.222. Вентиляционная система камер трансформаторов должна обеспечивать отвод выделяемого ими тепла (4.2.104) и не должна быть связана с другими вентиляционными системами.
Стенки вентиляционных каналов и шахт должны быть выполнены из материалов с пределом огнестойкости не менее 45 мин.
Вентиляционные шахты и проемы должны быть расположены таким образом, чтобы в случае образования или попадания в них влаги, она не могла стекать на трансформаторы, либо должны быть применены меры для защиты трансформатора от попадания влаги из шахты.
Вентиляционные проемы должны быть закрыты сетками с размером ячейки не более 1×1 см и защищены от попадания через них дождя и снега.
4.2.223. Вытяжные шахты камер масляных трансформаторов, пристроенных к зданиям, имеющих кровлю из горючего материала, должны быть отнесены от стен здания не менее чем на 1,5 м или же конструкции кровли из горючего материала должны быть защищены парапетом из негорючего материала высотой не менее 0,6 м. Вывод шахт выше кровли здания в этом случае необязателен.
Отверстия вытяжных шахт не должны располагаться против оконных проемов зданий. При устройстве выходных вентиляционных отверстий непосредственно в стене камеры они не должны располагаться под выступающими элементами кровли из горючего материала или под проемами в стене здания, к которому камера примыкает.
Если над дверью или выходным вентиляционным отверстием камеры трансформатора имеется окно, то под ним следует устраивать козырек из негорючего материала с вылетом не менее 0,7 м. Длина козырька должна быть более ширины окна не менее чем на 0,8 м в каждую сторону.
4.2.224. Трансформаторы с принудительной системой охлаждения должны быть снабжены устройствами для автоматического пуска и останова системы охлаждения.
Автоматический пуск должен осуществляться в зависимости от температуры верхних слоев масла и, независимо от этого, по току нагрузки трансформатора.
4.2.225. При применении вынесенных охладительных устройств они должны размещаться так, чтобы не препятствовать выкатке трансформатора с фундамента и допускать проведение их обслуживания при работающем трансформаторе. Поток воздуха от вентиляторов дутья не должен быть направлен на бак трансформатора.
4.2.226. Расположение задвижек охладительных устройств должно обеспечивать удобный доступ к ним, возможность отсоединения трансформатора от системы охлаждения или отдельного охладителя от системы и выкатки трансформатора без слива масла из охладителей.
4.2.227. Охладительные колонки, адсорберы и другое оборудование, устанавливаемое в системе охлаждения Ц (OFWF), должны располагаться в помещении, температура в котором не снижается ниже + 5 °С.
При этом должна быть обеспечена возможность замены адсорбента на месте.
4.2.228. Внешние маслопроводы систем охлаждения ДЦ (OFАF) и Ц (OFWF) должны выполняться из нержавеющей стали или материалов, устойчивых против коррозии.
Расположение маслопроводов около трансформатора не должно затруднять обслуживание трансформатора и охладителей и должно обеспечивать минимальные трудозатраты при выкатке трансформатора. При необходимости должны быть предусмотрены площадки и лестницы, обеспечивающие удобный доступ к задвижкам и вентиляторам дутья.
4.2.229. При вынесенной системе охлаждения, состоящей из отдельных охладителей, все размещаемые в один ряд одиночные или сдвоенные охладители должны устанавливаться на общий фундамент.
Групповые охладительные установки могут размещаться как непосредственно на фундаменте, так и на рельсах, уложенных на фундамент, если предусматривается выкатка этих установок на своих катках.
4.2.230. Шкафы управления электродвигателями системы охлаждения ДЦ (OFAF), НДЦ (ODAF) и Ц (OFWF) должны устанавливаться за пределами маслоприемника. Допускается навешивание шкафа управления системой охлаждения Д (ONAF) на бак трансформатора, если шкаф рассчитан на работу в условиях вибрации, создаваемой трансформатором.
4.2.231. Трансформаторы с принудительной системой охлаждения должны быть снабжены сигнализацией о прекращении циркуляции масла, охлаждающей воды или останове вентиляторов дутья, а также об автоматическом включении или отключении резервного охладителя или резервного источника питания.
4.2.232. Для шкафов приводов устройств регулирования напряжения под нагрузкой и шкафов автоматического управления системой охлаждения трансформаторов должен быть предусмотрен электрический подогрев с автоматическим управлением.
4.2.233. Планово-предупредительный ремонт трансформаторов на подстанциях следует предусматривать на месте их установки с помощью автокранов или (и) инвентарных устройств. При этом радом с каждым трансформатором должна быть предусмотрена площадка, рассчитанная на размещение элементов, снятых с ремонтируемого трансформатора, такелажной оснастки и оборудования, необходимого для ремонтных работ.
В стесненных условиях ПС допускается предусматривать одну ремонтную площадку с сооружением к ней путей перекатки.
На ПС, расположенных в удаленных и труднодоступных районах, следует предусматривать совмещенные порталы.
На ПС напряжением 500 - 750 кВ, расположенных в районах со слаборазвитыми и ненадежными транспортными связями, а также на ОРУ электростанций при установке на них трансформаторов, если трансформаторы невозможно доставить на монтажную площадку гидроэлектростанций и ремонтную площадку машинного зала электростанции, для проведения планово-предупредительных ремонтных работ допускается предусматривать стационарные устройства - башни, оборудованные мостовыми кранами, с мастерской или аппаратной маслохозяйства с коллектором для передвижных установок.
Необходимость сооружения башни определяется заданием на проектирование.
4.2.234. При открытой установке трансформаторов вдоль машинного зала электростанции должна быть обеспечена возможность перекатки трансформатора к месту ремонта без разборки трансформатора, снятия вводов и разборки поддерживающих конструкций токопроводов, порталов, шинных мостов и т.п.
4.2.235. Грузоподъемность крана в трансформаторной башне должна быть рассчитана на массу съемной части бака трансформатора.
4.2.236. Продольные пути перекатки трансформаторов на подстанциях должны предусматриваться:
при наличии подъездной железной дороги;
при наличии башни для ремонта трансформаторов;
при аварийном вводе в работу резервной фазы автотрансформатора методом перекатки, если это обосновано в сравнении с другими способами.
В соответствии с правилами оформления нормативных документов в тексте гл. 4.2 приведены ссылки на строительные нормы и правила (СНиП), Государственные стандарты (ГОСТ) и Санитарные правила и нормы (СанПиН) в общем виде без указания их наименований.
Для обеспечения удобства пользования гл. 4.2. и во избежание возникновения при этом ошибок ниже приводятся номера параграфов главы 4.2. и наименования и номера относящихся к ним СНиПов, ГОСТов и СанПиНов.
|
Параграф |
Нормативные документы |
|
ГОСТ 1516.3-96 «Электрооборудование переменного тока на напряжение от 1 до 750 кВ» |
|
|
ГОСТ 12.1.002-84 «Электрические поля промышленной частоты» |
|
|
СанПиН 2.2.4.723-98 «Переменные магнитные поля промышленной частоты (50 Гц) в производственных условиях» |
|
|
СанПиН 2.2.4.723-98 «Переменные магнитные поля промышленной частоты (50 ГЦ) в производственных условиях» |
|
|
СНиП 21-01-97 «Пожарная безопасность зданий и сооружений» |
|
|
ГОСТ 1516.3-96 «Электрооборудование переменного тока на напряжение от 1 до 750 кВ» |
|
|
ГОСТ 16357-83 «Разрядники вентильные переменного тока на номинальные напряжения от 3,8 до 600 кВ» |
|
|
ГОСТ 16357-83 «Разрядники вентильные переменного тока на номинальное напряжение от 3,8 до 600 кВ» |
|
|
ГОСТ 16357-83 «Разрядники вентильные переменного тока на номинальное напряжение от 3,8 до 600 кВ» |
|
|
ГОСТ 16357-83 «Разрядники вентильные переменного тока на номинальное напряжение от 3,8 до 600 кВ» |
|
|
ГОСТ 16357-83 «Разрядники вентильные переменного тока на номинальное напряжение от 3,8 до 600 кВ» |
|
|
ГОСТ 16357-83 «Разрядники вентильные переменного тока на номинальное напряжение от 3,8 до 600 кВ» |
|
|
ГОСТ 16357-83 «Разрядники вентильные переменного тока на номинальное напряжение от 3,8 до 600 кВ» |
Минтопэнерго России
06 октября 1999 г.
6.1.1. Настоящий раздел Правил распространяется на установки электрического освещения зданий, помещений и сооружений наружного освещения городов, поселков и сельских населенных пунктов, территорий предприятий и учреждений, на установки оздоровительного ультрафиолетового облучения длительного действия, установки световой рекламы, световые знаки и иллюминационные установки.
6.1.2. Электрическое освещение специальных установок (жилых и общественных зданий, зрелищных предприятий, клубных учреждений, спортивных сооружений, взрывоопасных и пожароопасных зон) кроме требований настоящего раздела должно удовлетворять также требованиям соответствующих глав разд. 7.
6.1.3. Питающая осветительная сеть - сеть от распределительного устройства подстанции или ответвления от воздушных линий электропередачи до ВУ, ВРУ, ГРЩ.
6.1.4. Распределительная сеть - сеть от ВУ, ВРУ, ГРЩ до распределительных пунктов, щитков и пунктов питания наружного освещения.
6.1.5. Групповая сеть - сеть от щитков до светильников, штепсельных розеток и других электроприемников.
6.1.6. Пункт питания наружного освещения - электрическое распределительное устройство для присоединения групповой сети наружного освещения к источнику питания.
6.1.7. Фаза ночного режима - фаза питающей или распределительной сети наружного освещения, не отключаемая в ночные часы.
6.1.8. Каскадная система управления наружным освещением - система, осуществляющая последовательное включение (отключение) участков групповой сети наружного освещения.
6.1.9. Провода зарядки светильника - провода, прокладываемые внутри светильника от установленных в нем контактных зажимов или штепсельных разъемов для присоединения к сети (для светильника, не имеющего внутри контактных зажимов или штепсельного разъема, - провода или кабели от места присоединения светильника к сети) до установленных в светильнике аппаратов и ламповых патронов.
6.1.10. Нормы освещенности, ограничения слепящего действия светильников, пульсаций освещенности и другие качественные показатели осветительных установок, виды и системы освещения должны приниматься согласно требованиям СНиП 23-05-95 «Естественное и искусственное освещение» и другим нормативным документам, утвержденным или согласованным с Госстроем (Минстроем) РФ и министерствами и ведомствами Российской Федерации в установленном порядке.
Светильники должны соответствовать требованиям норм пожарной безопасности НПБ 249-97 «Светильники. Требования пожарной безопасности. Методы испытаний».
6.1.11. Для электрического освещения следует, как правило, применять разрядные лампы низкого давления (например, люминесцентные), лампы высокого давления (например металлогалогенные типа ДРИ, ДРИЗ, натриевые типа ДНаТ, ксеноновые типов ДКсТ, ДКсТЛ, ртутно-вольфрамовые, ртутные типа ДРЛ). Допускается использование и ламп накаливания.
Применение для внутреннего освещения ксеноновых ламп типа ДКсТ (кроме ДКсТЛ) допускается с разрешения Госсанинспекции и при условии, что горизонтальная освещенность на уровнях, где возможно длительное пребывание людей, не превышает 150 лк, а места нахождения крановщиков экранированы от прямого света ламп.
При применении люминесцентных ламп в осветительных установках должны соблюдаться следующие условия для обычного исполнения светильников:
1. Температура окружающей среды не должна быть ниже 5 °С.
2. Напряжение у осветительных приборов должно быть не менее 90 % номинального.
6.1.12. Для аварийного освещения рекомендуется применять светильники с лампами накаливания или люминесцентными.
Разрядные лампы высокого давления допускается использовать при обеспечении их мгновенного зажигания и перезажигания.
6.1.13. Для питания осветительных приборов общего внутреннего и наружного освещения, как правило, должно применяться напряжение не выше 220 В переменного или постоянного тока. В помещениях без повышенной опасности напряжение 220 В может применяться для всех стационарно установленных осветительных приборов вне зависимости от высоты их установки.
Напряжение 380 В для питания осветительных приборов общего внутреннего и наружного освещения может использоваться при соблюдении следующих условий:
1. Ввод в осветительный прибор и независимый, не встроенный в прибор, пускорегулирующий аппарат выполняется проводами или кабелем с изоляцией на напряжение не менее 660 В.
2. Ввод в осветительный прибор двух или трех проводов разных фаз системы 660/380 В не допускается.
6.1.14. В помещениях с повышенной опасностью и особо опасных при высоте установки светильников общего освещения над полом или площадкой обслуживания менее 2,5 м применение светильников класса защиты 0 запрещается, необходимо применять светильники класса защиты 2 или 3. Допускается использование светильников класса защиты 1, в этом случае цепь должна быть защищена устройством защитного отключения (УЗО) с током срабатывания до 30 мА.
Указанные требования не распространяются на светильники, обслуживаемые с кранов. При этом расстояние от светильников до настила моста крана должно быть не менее 1,8 м или светильники должны быть подвешены не ниже нижнего пояса ферм перекрытия, а обслуживание этих светильников с кранов должно выполняться с соблюдением требований техники безопасности.
6.1.15. В установках освещения фасадов зданий, скульптур, монументов, подсвета зелени с использованием осветительных приборов, установленных ниже 2,5 м от поверхности земли или площадки обслуживания, может применяться напряжение до 380 В при степени защиты осветительных приборов не ниже IP54.
В установках освещения фонтанов и бассейнов номинальное напряжение питания погружаемых в воду осветительных приборов должно быть не более 12 В.
6.1.16. Для питания светильников местного стационарного освещения с лампами накаливания должны применяться напряжения: в помещениях без повышенной опасности - не выше 220 В и в помещениях с повышенной опасностью и особо опасных - не выше 50 В. В помещениях с повышенной опасностью и особо опасных допускается напряжение до 220 В для светильников, в этом случае должно быть предусмотрено или защитное отключение линии при токе утечки до 30 мА, или питание каждого светильника через разделяющий трансформатор (разделяющий трансформатор может иметь несколько электрически не связанных вторичных обмоток).
Для питания светильников местного освещения с люминесцентными лампами может применяться напряжение не выше 220 В. При этом в помещениях сырых, особо сырых, жарких и с химически активной средой применение люминесцентных ламп для местного освещения допускается только в арматуре специальной конструкции.
Лампы ДРЛ, ДРИ, ДРИЗ и ДНаТ могут применяться для местного освещения при напряжении не выше 220 В в арматуре, специально предназначенной для местного освещения.
6.1.17. Для питания переносных светильников в помещениях с повышенной опасностью и особо опасных должно применяться напряжение не выше 50 В.
При наличии особо неблагоприятных условий, а именно когда опасность поражения электрическим током усугубляется теснотой, неудобным положением работающего, соприкосновением с большими металлическими, хорошо заземленными поверхностями (например работа в котлах), и в наружных установках для питания ручных светильников должно применяться напряжение не выше 12 В.
Переносные светильники, предназначенные для подвешивания, настольные, напольные и т.п. приравниваются при выборе напряжения к стационарным светильникам местного стационарного освещения (п. 6.1.16).
Для переносных светильников, устанавливаемых на переставных стойках на высоте 2,5 ми более, допускается применять напряжение до 380 В.
6.1.18. Питание светильников напряжением до 50 В должно производиться от разделяющих трансформаторов или автономных источников питания.
6.1.19. Допустимые отклонения и колебания напряжения у осветительных приборов не должны превышать указанных в ГОСТ 13109-87 «Электрическая энергия. Требования к качеству электрической энергии в электрических сетях общего назначения».
6.1.20. Питание силовых и осветительных электроприемников при напряжении 380/220 В рекомендуется производить от общих трансформаторов при условии соблюдения требований п. 6.1.19.
6.1.21. Аварийное освещение разделяется на освещение безопасности и эвакуационное.
Освещение безопасности предназначено для продолжения работы при аварийном отключении рабочего освещения.
Светильники рабочего освещения и светильники освещения безопасности в производственных и общественных зданиях и на открытых пространствах должны питаться от независимых источников.
6.1.22. Светильники и световые указатели эвакуационного освещения в производственных зданиях с естественным освещением и в общественных и жилых зданиях должны быть присоединены к сети, не связанной с сетью рабочего освещения, начиная от щита подстанции (распределительного пункта освещения) или, при наличии только одного ввода, начиная от вводного распределительного устройства.
6.1.23. Питание светильников и световых указателей эвакуационного освещения в производственных зданиях без естественного освещения следует выполнять аналогично питанию светильников освещения безопасности (п. 6.1.21).
В производственных зданиях без естественного света в помещениях, где может одновременно находиться 20 человек и более, независимо от наличия освещения безопасности должно предусматриваться эвакуационное освещение по основным проходам и световые указатели «выход», автоматически переключаемые при прекращении их питания на третий независимый внешний или местный источник (аккумуляторная батарея, дизель-генераторная установка и т.п.), не используемый в нормальном режиме для питания рабочего освещения, освещения безопасности и эвакуационного освещения, или светильники эвакуационного освещения и указатели «выход» должны иметь автономный источник питания.
6.1.24. При отнесении всех или части светильников освещения безопасности и эвакуационного освещения к особой группе первой категории по надежности электроснабжения необходимо предусматривать дополнительное питание этих светильников от третьего независимого источника.
6.1.25. Светильники эвакуационного освещения, световые указатели эвакуационных и (или) запасных выходов в зданиях любого назначения, снабженные автономными источниками питания, в нормальном режиме могут питаться от сетей любого вида освещения, не отключаемых во время функционирования зданий.
6.1.26. Для помещений, в которых постоянно находятся люди или которые предназначены для постоянного прохода персонала или посторонних лиц и в которых требуется освещение безопасности или эвакуационное освещение, должна быть обеспечена возможность включения указанных видов освещения в течение всего времени, когда включено рабочее освещение, или освещение безопасности и эвакуационное освещение должны включаться автоматически при аварийном погасании рабочего освещения.
6.1.27. Применение для рабочего освещения, освещения безопасности и (или) эвакуационного освещения общих групповых щитков, а также установка аппаратов управления рабочим освещением, освещением безопасности и (или) эвакуационным освещением, за исключением аппаратов вспомогательных цепей (например сигнальных ламп, ключей управления), в общих шкафах не допускается.
Разрешается питание освещения безопасности и эвакуационного освещения от общих щитков.
6.1.28. Использование сетей, питающих силовые электроприемники, для питания освещения безопасности и эвакуационного освещения в производственных зданиях без естественного освещения не допускается.
6.1.29. Допускается применение ручных осветительных приборов с аккумуляторами или сухими элементами для освещения безопасности и эвакуационного освещения взамен стационарных светильников (здания и помещения без постоянного пребывания людей, здания площадью застройки не более 250 м2).
6.1.30. Осветительные сети должны быть выполнены в соответствии с требованиями гл. 2.1-2.4, а также дополнительными требованиями, приведенными в гл. 6.2-6.4 и 7.1-7.4.
6.1.31. Сечение нулевых рабочих проводников трехфазных питающих и групповых линий с лампами люминесцентными, ДРЛ, ДРИ, ДРИЗ, ДНаТ при одновременном отключении всех фазных проводов линии должно выбираться:
1. Для участков сети, по которым протекает ток от ламп с компенсированными пускорегулирующими аппаратами, равным фазному независимо от сечения.
2. Для участков сети, по которым протекает ток от ламп с некомпенсированными пускорегулирующими аппаратами, равным фазному при сечении фазных проводников менее или равном 16 мм2 для медных и 25 мм2 для алюминиевых проводов и не менее 50 % сечения фазных проводников при больших сечениях, но не менее 16 мм2 для медных и 25 мм2 для алюминиевых проводов.
6.1.32. При защите трехфазных осветительных питающих и групповых линий предохранителями или однополюсными автоматическими выключателями при любых источниках света сечение нулевых рабочих проводников следует принимать равным сечению фазных проводников.
6.1.33. Защита осветительных сетей должна выполняться в соответствии с требованиями гл. 3.1 с дополнениями, приведенными в пп. 6.1.34-6.1.35, 6.2.9-6.2.11, 6.3.40, 6.4.10.
При выборе токов аппаратов защиты должны учитываться пусковые токи при включении мощных ламп накаливания и ламп ДРЛ, ДРИ, ДРИЗ, ДНаТ.
Аппараты защиты следует располагать по возможности группами в доступных для обслуживания местах. Рассредоточенная установка аппаратов защиты допускается при питании освещения от шинопроводов (п. 6.2.7).
6.1.34. Аппараты защиты независимо от требований пп. 6.2.7 и 6.2.8 в питающей осветительной сети следует устанавливать на вводах в здания.
6.1.35. Трансформаторы, используемые для питания светильников до 50 В, должны быть защищены со стороны высшего напряжения. Защита должна быть предусмотрена также на отходящих линиях низшего напряжения.
Если трансформаторы питаются отдельными группами от щитков и аппарат защиты на щитке обслуживает не более трех трансформаторов, то установка дополнительных аппаратов защиты со стороны высшего напряжения каждого трансформатора необязательна.
6.1.36. Установка предохранителей, автоматических и неавтоматических однополюсных выключателей в нулевых рабочих проводах в сетях с заземленной нейтралью запрещается.
6.1.37. Защитное заземление установок электрического освещения должно выполняться согласно требованиям гл. 1.7, а также дополнительным требованиям, приведенным в пп. 6.1.38-6.1.47, 6.4.9 и гл. 7.1-7.4.
6.1.38. Защитное заземление металлических корпусов светильников общего освещения с лампами накаливания и с лампами люминесцентными, ДРЛ, ДРИ, ДРИЗ, натриевыми со встроенными внутрь светильника пускорегулирующими аппаратами следует осуществлять:
1. В сетях с заземленной нейтралью - присоединением к заземляющему винту корпуса светильника РЕ проводника.
Заземление корпуса светильника ответвлением от нулевого рабочего провода внутри светильника запрещается.
2. В сетях с изолированной нейтралью, а также в сетях, переключаемых на питание от аккумуляторной батареи, - присоединением к заземляющему винту корпуса светильника защитного проводника.
При вводе в светильник проводов, не имеющих механической защиты, защитный проводник должен быть гибким.
6.1.39. Защитное заземление корпусов светильников общего освещения с лампами ДРЛ, ДРИ, ДРИЗ, ДНаТ и люминесцентными с вынесенными пускорегулирующими аппаратами следует осуществлять при помощи перемычки между заземляющим винтом заземленного пускорегулирующего аппарата и заземляющим винтом светильника.
6.1.40. Металлические отражатели светильников с корпусами из изолирующих материалов заземлять не требуется.
6.1.41. Защитное заземление металлических корпусов светильников местного освещения на напряжение выше 50 В должно удовлетворять следующим требованиям:
1. Если защитные проводники присоединяются не к корпусу светильника, а к металлической конструкции, на которой светильник установлен, то между этой конструкцией, кронштейном и корпусом светильника должно быть надежное электрическое соединение.
2. Если между кронштейном и корпусом светильника нет надежного электрического соединения, то оно должно быть осуществлено при помощи специально предназначенного для этой цели защитного проводника.
6.1.42. Защитное заземление металлических корпусов светильников общего освещения с любыми источниками света в помещениях как без повышенной опасности, так и с повышенной опасностью и особо опасных, во вновь строящихся и реконструируемых жилых и общественных зданиях, а также в административно-конторских, бытовых, проектно-конструкторских, лабораторных и т.п. помещениях промышленных предприятий (приближающихся по своему характеру к помещениям общественных зданий) следует осуществлять в соответствии с требованиями гл. 7.1.
6.1.43. В помещениях без повышенной опасности производственных, жилых и общественных зданий при напряжении выше 50 В должны применяться переносные светильники класса 1 по ГОСТ 12.2.007.0-75 «ССБТ. Изделия электротехнические. Общие требования безопасности».
Групповые линии, питающие штепсельные розетки, должны выполняться в соответствии с требованиями гл. 7.1, при этом в сетях с изолированной нейтралью защитный проводник следует подключать к заземлителю.
6.1.44. Защитные проводники в сетях с заземленной нейтралью в групповых линиях, питающих светильники общего освещения и штепсельные розетки (пп. 6.1.42, 6.1.43), нулевой рабочий и нулевой защитный проводники не допускается подключать под общий контактный зажим.
6.1.45. При выполнении защитного заземления осветительных приборов наружного освещения должно выполняться также подключение железобетонных и металлических опор, а также тросов к заземлителю в сетях с изолированной нейтралью и к РЕ (РЕN) проводнику в сетях с заземленной нейтралью.
6.1.46. При установке осветительных приборов наружного освещения на железобетонных и металлических опорах электрифицированного городского транспорта в сетях с изолированной нейтралью осветительные приборы и опоры заземлять не допускается, в сетях с заземленной нейтралью осветительные приборы и опоры должны быть подсоединены к РЕN проводнику линии.
6.1.47. При питании наружного освещения воздушными линиями должна выполняться защита от атмосферных перенапряжений в соответствии с гл. 2.4.
6.1.48. При выполнении схем питания светильников и штепсельных розеток следует выполнять требования по установке УЗО, изложенные в гл. 7.1 и 7.2.
6.1.49. Для установок наружного освещения: освещения фасадов зданий, монументов и т.п., наружной световой рекламы и указателей в сетях ТN-S или ТN-С-S рекомендуется установка УЗО с током срабатывания до 30 мА, при этом фоновое значение токов утечки должно быть, по крайней мере, в 3 раза меньше уставки срабатывания УЗО по дифференциальному току.
6.2.1. Светильники с люминесцентными лампами должны применяться с пускорегулирующими аппаратами, обеспечивающими коэффициент мощности не ниже 0,9 при светильниках на две лампы и более и 0,85 при одноламповых светильниках.
Для ламп типа ДРЛ, ДРИ, ДРИЗ, ДНаТ может применяться как групповая, так и индивидуальная компенсация реактивной мощности. При наличии технико-экономических обоснований допускается применение указанных ламп без устройства компенсации реактивной мощности. При групповой компенсации должны отключаться компенсирующие устройства одновременно с отключением ламп.
6.2.2. Питание светильника местного освещения (без понижающего трансформатора или через понижающий трансформатор) может осуществляться при помощи ответвления от силовой цепи механизма или станка, для которых предназначен светильник.
При этом может не устанавливаться отдельный защитный аппарат в осветительной цепи, если защитный аппарат силовой цепи имеет ток уставки не более 25 А.
Ответвление к светильникам местного освещения при напряжении более 50 В в пределах рабочего места должно выполняться в трубах и коробах из негорючих материалов и других механически прочных конструкциях.
6.2.3. Питание установок оздоровительного ультрафиолетового облучения должно производиться; установок длительного действия - по отдельным групповым линиям от щитков рабочего освещения или самостоятельных групповых щитков; установок кратковременного действия (фотариев) - по отдельным линиям от электросиловой сети или питающей сети рабочего освещения.
6.2.4. Рабочее освещение рекомендуется питать по самостоятельным линиям от распределительных устройств подстанций, щитов, шкафов, распределительных пунктов, магистральных и распределительных шинопроводов.
6.2.5. Рабочее освещение, освещение безопасности и эвакуационное освещение допускается питать от общих линий с электросиловыми установками или от силовых распределительных пунктов (исключение п. 6.1.28). При этом должны соблюдаться требования к допустимым отклонениям и колебаниям напряжения в осветительной сети в соответствии с ГОСТ 13109-87.
6.2.6. Линии питающей сети рабочего освещения, освещения безопасности и эвакуационного освещения, а также линии, питающие иллюминационные установки и световую рекламу, должны иметь в распределительных устройствах, от которых эти линии отходят, самостоятельные аппараты защиты и управления для каждой линии.
Допускается устанавливать общий аппарат управления для нескольких линий одного вида освещения или установок, отходящих от распределительного устройства.
6.2.7. При использовании шинопроводов в качестве линий питающей осветительной сети вместо групповых щитков могут применяться присоединяемые к шинопроводу отдельные аппараты защиты и управления для питания групп светильников. При этом должен быть обеспечен удобный и безопасный доступ к указанным аппаратам.
6.2.8. В местах присоединения линий питающей осветительной сети к линии питания электросиловых установок или к силовым распределительным пунктам (п. 6.2.5) должны устанавливаться аппараты защиты и управления.
При питании осветительной сети от силовых распределительных пунктов, к которым присоединены непосредственно силовые электроприемники, осветительная сеть должна подключаться к вводным зажимам этих пунктов.
6.2.9. Линии групповой сети внутреннего освещения должны быть защищены предохранителями или автоматическими выключателями.
6.2.10. Каждая групповая линия, как правило, должна содержать на фазу не более 20 ламп накаливания, ДРЛ, ДРИ, ДРИЗ, ДНаТ, в это число включаются также штепсельные розетки.
В производственных, общественных и жилых зданиях на однофазные группы освещения лестниц, этажных коридоров, холлов, технических подполий и чердаков допускается присоединять до 60 ламп накаливания каждая мощностью до 60 Вт.
Для групповых линий, питающих световые карнизы, световые потолки и т.п. с лампами накаливания, а также светильники с люминесцентными лампами мощностью до 80 Вт, рекомендуется присоединять до 60 ламп на фазу; для линий, питающих светильники с люминесцентными лампами мощностью до 40 Вт включительно, может присоединяться до 75 ламп на фазу и мощностью до 20 Вт включительно - до 100 ламп на фазу.
Для групповых линий, питающих многоламповые люстры, число ламп любого типа на фазу не ограничивается.
В групповых линиях, питающих лампы мощностью 10 кВт и больше, каждая лампа должна иметь самостоятельный аппарат защиты.
6.2.11. В начале каждой групповой линии, в том числе питаемой от шинопроводов, должны быть установлены аппараты защиты на всех фазных проводниках. Установка аппаратов защиты в нулевых защитных проводниках запрещается.
6.2.12. Рабочие нулевые проводники групповых линий должны прокладываться при применении металлических труб совместно с фазными проводниками в одной трубе, а при прокладке кабелями или многожильными проводами должны быть заключены в общую оболочку с фазными проводами.
6.2.13. Совместная прокладка проводов и кабелей групповых линий рабочего освещения с групповыми линиями освещения безопасности и эвакуационного освещения не рекомендуется.
Допускается их совместная прокладка на одном монтажном профиле, в одном коробе, лотке при условии, что приняты специальные меры, исключающие возможность повреждения проводов освещения безопасности и эвакуационного при неисправности проводов рабочего освещения, в корпусах и штангах светильников.
6.2.14. Светильники рабочего освещения, освещения безопасности или эвакуационного освещения допускается питать от разных фаз одного трехфазного шинопровода при условии прокладки к шинопроводу самостоятельных линий для рабочего освещения и освещения безопасности или эвакуационного освещения.
6.2.15. Светильники, устанавливаемые в подвесные потолки из горючих материалов, должны иметь между местами их примыкания к конструкции потолка прокладки из негорючих теплостойких материалов в соответствии с требованиями НПБ 249-97.
6.3.1. Для наружного освещения могут применяться любые источники света (см. п. 6.1.11).
Для охранного освещения территорий предприятий применение разрядных ламп не допускается в случаях, когда охранное освещение нормально не включено и включается автоматически от действия охранной сигнализации.
6.3.2. Осветительные приборы наружного освещения (светильники, прожекторы) могут устанавливаться на специально предназначенных для такого освещения опорах, а также на опорах воздушных линий до 1 кВ, опорах контактной сети электрифицированного городского транспорта всех видов токов напряжением до 600 В, стенах и перекрытиях зданий и сооружений, мачтах (в том числе мачтах отдельно стоящих молниеотводов), технологических эстакадах, площадках технологических установок и дымовых труб, парапетах и ограждениях мостов и транспортных эстакад, на металлических, железобетонных и других конструкциях зданий и сооружений независимо от отметки их расположения, могут быть подвешены на тросах, укрепленных на стенах зданий и опорах, а также установлены на уровне земли и ниже.
6.3.3. Установка светильников наружного освещения на опорах ВЛ до 1 кВ должна выполняться:
1. При обслуживании светильников с телескопической вышки с изолирующим звеном, как правило, выше проводов ВЛ или на уровне нижних проводов ВЛ при размещении светильников и проводов ВЛ с разных сторон опоры. Расстояние по горизонтали от светильника до ближайшего провода ВЛ должно быть не менее 0,6 м.
2. При обслуживании светильников иными способами - ниже проводов ВЛ. Расстояние по вертикали от светильника до провода ВЛ (в свету) должно быть не менее 0,2 м, расстояние по горизонтали от светильника до опоры (в свету) должно быть не более 0,4 м.
6.3.4. При подвеске светильников на тросах должны приниматься меры по исключению раскачивания светильников от воздействия ветра.
6.3.5. Над проезжей частью улиц, дорог и площадей светильники должны устанавливаться на высоте не менее 6,5 м.
При установке светильников над контактной сетью трамвая высота установки светильников должна быть не менее 8 м до головки рельса. При расположении светильников над контактной сетью троллейбуса - не менее 9 м от уровня проезжей части. Расстояние по вертикали от проводов линий уличного освещения до поперечин контактной сети или до подвешенных к поперечинам иллюминационных гирлянд должно быть не менее 0,5 м.
6.3.6. Над бульварами и пешеходными дорогами светильники должны устанавливаться на высоте не менее 3 м.
Наименьшая высота установки осветительных приборов для освещения газонов и фасадов зданий и сооружений и для декоративного освещения не ограничивается при условии соблюдения требований п. 6.1.15.
Установка осветительных приборов в приямках ниже уровня земли разрешается при наличии дренажных или других аналогичных устройств по удалению воды из приямков.
6.3.7. Для освещения транспортных развязок, городских и других площадей светильники могут устанавливаться на опорах высотой 20 м и более при условии обеспечения безопасности их обслуживания (например опускание светильников, устройство площадок, использование вышек и т.п.).
Допускается размещать светильники в парапетах и ограждениях мостов и эстакад из негорючих материалов на высоте 0,9-1,3 м над проезжей частью при условии защиты от прикосновений к токоведущим частям светильников.
6.3.8. Опоры установок освещения площадей, улиц, дорог должны располагаться на расстоянии не менее 1 м от лицевой грани бортового камня до внешней поверхности цоколя опоры на магистральных улицах и дорогах с интенсивным транспортным движением и не менее 0,6 м на других улицах, дорогах и площадях. Это расстояние разрешается уменьшать до 0,3 м при условии отсутствия маршрутов городского транспорта и грузовых машин. При отсутствии бортового камня расстояние от кромки проезжей части до внешней поверхности цоколя опоры должно быть не менее 1,75 м.
На территориях промышленных предприятий расстояние от опоры наружного освещения до проезжей части рекомендуется принимать не менее 1 м. Допускается уменьшение этого расстояния до 0,6 м.
6.3.9. Опоры освещения улиц и дорог, имеющих разделительные полосы шириной 4 м и более, могут устанавливаться по центру разделительных полос.
6.3.10. На улицах и дорогах, имеющих кюветы, допускается устанавливать опоры за кюветом, если расстояние от опоры до ближайшей границы проезжей части не превышает 4 м.
Опора не должна находиться между пожарным гидрантом и проезжей частью.
6.3.11. Опоры на пересечениях и примыканиях улиц и дорог рекомендуется устанавливать на расстоянии не менее 1,5 м от начала закругления тротуаров, не нарушая линии установки опор.
6.3.12. Опоры наружного освещения на инженерных сооружениях (мостах, путепроводах, транспортных эстакадах и т.п.) следует устанавливать в створе ограждений в стальных станинах или на фланцах, прикрепляемых к несущим элементам инженерного сооружения.
6.3.13. Опоры для светильников освещения аллей и пешеходных дорог должны располагаться вне пешеходной части.
6.3.14. Светильники на улицах и дорогах с рядовой посадкой деревьев должны устанавливаться вне крон деревьев на удлиненных кронштейнах, обращенных в сторону проезжей части улицы, или следует применять тросовую подвеску светильников.
6.3.15. Питание установок наружного освещения может выполняться непосредственно от трансформаторных подстанций, распределительных пунктов и вводно-распределительных устройств (ВРУ).
6.3.16. Для питания светильников уличного освещения, а также наружного освещения промышленных предприятий должны прокладываться, как правило, самостоятельные линии.
Питание светильников допускается выполнять от дополнительно прокладываемых для этого фазных и общего нулевого провода воздушной электрической сети города, населенного пункта, промышленного предприятия.
6.3.17. Осветительные установки городских транспортных и пешеходных тоннелей, осветительные установки улиц, дорог и площадей категории А по надежности электроснабжения относятся ко второй категории, остальные наружные осветительные установки - к третьей категории.
6.3.18. Питание светильников освещения территорий микрорайонов следует осуществлять непосредственно от пунктов питания наружного освещения или от проходящих вблизи сетей уличного освещения (исключая сети улиц категории А) в зависимости от принятой в населенном пункте системы эксплуатации. Светильники наружного освещения территорий детских яслей-садов, общеобразовательных школ, школ-интернатов, больниц, госпиталей, санаториев, пансионатов, домов отдыха, пионерлагерей могут питаться как от вводных устройств этих зданий или трансформаторных подстанций, так и от ближайших распределительных сетей наружного освещения при условии соблюдения требований п. 6.5.27.
6.3.19. Освещение открытых технологических установок, открытых площадок производства работ, открытых эстакад, складов и других открытых объектов при производственных зданиях может питаться от сетей внутреннего освещения зданий, к которым эти объекты относятся.
6.3.20. Охранное освещение рекомендуется питать, как правило, по самостоятельным линиям.
6.3.21. Питание осветительных приборов подъездов к противопожарным водоисточникам (гидрантам, водоемам и др.) следует осуществлять от фаз ночного режима сети наружного освещения.
6.3.22. Светильники, установленные у входов в здания, рекомендуется присоединять к групповой сети внутреннего освещения и в первую очередь к сети освещения безопасности или эвакуационного освещения, которые включаются одновременно с рабочим освещением.
6.3.23. В установках наружного освещения светильники с разрядными источниками должны иметь индивидуальную компенсацию реактивной мощности. Коэффициент мощности должен быть не ниже 0,85.
6.3.24. При применении прожекторов с разрядными источниками света допускается групповая компенсация реактивной мощности.
При групповой компенсации необходимо обеспечивать отключение компенсирующих устройств одновременно с отключением компенсируемых ими установок.
6.3.25. Сети наружного освещения рекомендуется выполнять кабельными или воздушными с использованием самонесущих изолированных проводов. В обоснованных случаях для воздушных распределительных сетей освещения улиц, дорог, площадей, территорий микрорайонов и населенных пунктов допускается использование неизопированных проводов.
6.3.26. По опорам контактной сети электрифицированного транспорта напряжением до 600 В постоянного тока разрешается прокладка кабельных линий для питания установленных на опорах осветительных приборов наружного освещения, допускается использование самонесущих изолированных проводов.
6.3.27. Воздушные линии наружного освещения должны выполняться согласно требованиям гл. 2.4.
Пересечения линий с улицами и дорогами при пролетах не более 40 м допускается выполнять без применения анкерных опор и двойного крепления проводов.
6.3.28. Нулевые проводники сети общего пользования, выполненные неизолированными проводами, при использовании их для наружного освещения следует располагать ниже фазных проводов сети общего пользования и фазных проводов сети наружного освещения.
При использовании существующих опор, принадлежащих электросетевым организациям, не занимающимся эксплуатацией наружного освещения, допускается располагать фазные провода сети наружного освещения ниже нулевых проводников сети общего пользования.
6.3.29. В местах перехода кабельных линий к воздушным рекомендуется предусматривать отключающие устройства, установленные на опорах на высоте не менее 2,5 м. Установка отключающих устройств не требуется в местах кабельных выходов из пунктов питания наружного освещения на опоры, а также переходов дорог и обходов препятствий, выполняемых кабелем.
6.3.30. В целях резервирования распределительных кабельных линий или линий, выполненных самонесущими изолированными проводами, между крайними светильниками соседних участков для магистральных улиц городов рекомендуется предусматривать нормально отключаемые перемычки (резервные кабельные линии).
При использовании указанных перемычек, в отступление от п. 6.1.19, снижение напряжения у осветительных приборов допускается увеличивать до 10 % номинального.
6.3.31. Воздушные линии наружного освещения должны выполняться без учета резервирования, а их провода могут быть разного сечения по длине линии.
6.3.32. Ответвления к светильникам от кабельных линий наружного освещения рекомендуется выполнять, как правило, без разрезания жил кабеля.
При прокладке указанных кабельных линий на инженерных сооружениях следует предусматривать меры для удобной разделки ответвлений от кабеля к опоре и возможность замены кабеля участками.
6.3.33. Ввод кабеля в опоры должен ограничиваться цоколем опоры. Цоколи должны иметь размеры, достаточные для размещения в них кабельных разделок и предохранителей или автоматических выключателей, устанавливаемых на ответвлениях к осветительным приборам, и дверцу с замком для эксплуатационного обслуживания.
Допускается использовать специальные ящики ввода, устанавливаемые на опорах.
6.3.34. Электропроводка внутри опор наружного освещения должна выполняться изолированными проводами в защитной оболочке или кабелями. Внутри совмещенных опор наружного освещения и контактных сетей электрифицированного городского транспорта должны применяться кабели с изоляцией на напряжение не менее 660 В.
6.3.35. Линии, питающие светильники, подвешенные на тросах, должны выполняться кабелями, проложенными по тросу, самонесущими изолированными проводами или неизолированными проводами, проложенными на изоляторах при условии соблюдения требований разд. 2.
6.3.36. Тросы для подвески светильников и питающих линий сети допускается крепить к конструкциям зданий. При этом тросы должны иметь амортизаторы.
6.3.37. В сетях наружного освещения, питающих осветительные приборы с разрядными лампами, в однофазных цепях сечение нулевых рабочих проводников должно быть равным фазному.
В трехфазных сетях при одновременном отключении всех фазных проводов линии сечение нулевых рабочих проводников должно выбираться:
1. Для участков сети, по которым протекает ток от ламп с компенсированными пускорегулирующими аппаратами, равным фазному независимо от сечения.
2. Для участков сети, по которым протекает ток от ламп с некомпенсированными пускорегулирующими аппаратами, равным фазному при сечении фазных проводников менее или равным 16 мм2 для медных и 25 мм2 для алюминиевых проводов и не менее 50 % сечения фазных проводников при больших сечениях, но не менее 16 мм2 для медных и 25 мм2 для алюминиевых проводов.
6.3.38. Прокладку линий, питающих прожекторы, светильники и другое электрооборудование, устанавливаемое на конструкциях с молниеотводами открытых распределительных устройств напряжением выше 1 кВ, следует выполнять согласно требованиям гл. 4.2.
6.3.39. Коэффициент спроса при расчете сети наружного освещения следует принимать равным 1,0.
6.3.40. На линиях наружного освещения, имеющих более 20 светильников на фазу, ответвления к каждому светильнику должны защищаться индивидуальными предохранителями или автоматическими выключателями.
6.4.1. Для питания газосветных трубок должны применяться сухие трансформаторы в металлическом кожухе, имеющие вторичное напряжение не выше 15 кВ. Трансформаторы должны длительно выдерживать работу при коротком замыкании в цепи вторичной обмотки.
Открытые токоведущие части открыто установленных трансформаторов должны быть удалены от горючих материалов и конструкций не менее чем на 50 мм.
6.4.2. Трансформаторы для питания газосветных трубок должны быть установлены по возможности в непосредственной близости от питаемых ими трубок в местах, недоступных для посторонних лиц, или в металлических ящиках, сконструированных таким образом, чтобы при открытии ящика трансформатор отключался со стороны первичного напряжения. Рекомендуется использование указанных ящиков в качестве конструктивной части самих трансформаторов.
6.4.3. В общем ящике с трансформатором допускается установка блокировочных и компенсирующих устройств, а также аппаратов первичного напряжения при условии надежного автоматического отключения трансформатора от сети при помощи блокировочного устройства, действующего при открывании ящика.
6.4.4. Магазинные и подобные им витрины, в которых смонтированы части высшего напряжения газосветных установок, должны быть оборудованы блокировкой, действующей только на отключение установки со стороны первичного напряжения при открывании витрин, т.е. подача напряжения на установку должна осуществляться персоналом вручную при закрытой витрине.
6.4.5. Все части газосветной установки, расположенные вне витрин, снабженных блокировкой, должны находиться на высоте не менее 3 м над уровнем земли и не менее 0,5 м над поверхностью площадок обслуживания, крыш и других строительных конструкций.
6.4.6. Доступные для посторонних лиц и находящиеся под напряжением части газосветной установки должны быть ограждены в соответствии с гл. 4.2 и снабжены предупредительными плакатами.
6.4.7. Открытые токоведущие части газосветных трубок должны отстоять от металлических конструкций или частей здания на расстоянии не менее 20 мм, а изолированные части - не менее 10 мм.
6.4.8. Расстояние между открытыми токоведущими частями газосветных трубок, не находящимися под одинаковым потенциалом, должно быть не менее 50 мм.
6.4.9. Открытые проводящие части газосветной установки на стороне высшего напряжения, а также один из выводов или средняя точка вторичной обмотки трансформаторов, питающих газосветные трубки, должны быть заземлены.
6.4.10. Трансформаторы или группа трансформаторов, питающие газосветные трубки, должны отключаться со стороны первичного напряжения во всех полюсах аппаратом с видимым разрывом, а также защищаться аппаратом, рассчитанным на номинальный ток трансформатора.
Для отключения трансформаторов допускается применять пакетные выключатели с фиксированным положением рукоятки (головки).
6.4.11. Электроды газосветных трубок в местах присоединения проводов не должны испытывать натяжения.
6.4.12. Сеть на стороне высшего напряжения установок рекламного освещения должна выполняться изолированными проводами, имеющими испытательное напряжение не менее 15 кВ. В местах, доступных для механического воздействия или прикосновения, эти провода следует прокладывать в стальных трубах, коробах и других механически прочных негорючих конструкциях.
Для перемычек между отдельными электродами, имеющих длину не более 0,4 м, допускается применение голых проводов при условии соблюдения расстояний, приведенных в п. 6.4.7.
6.4.13. Рекламные установки на улицах, дорогах и площадях, совпадающие по своей форме и цвету с формой и цветом сигналов светофоров, следует размещать на высоте не менее 8 м от поверхности дороги.
6.4.14. В пешеходных тоннелях длиной более 80 м или имеющих ответвления световые указатели направления движения должны размещаться на стенах или колоннах на высоте не менее 1,8 м от пола.
6.4.15. Световые указатели, светящиеся дорожные знаки, светильники подсвета дорожных знаков и светильники для освещения лестничных сходов и зон выходов пешеходных тоннелей должны быть присоединены к фазам ночного режима наружного освещения (исключение п. 6.4.17).
Информационные световые табло и указатели направления движения пешеходов в пешеходных тоннелях должны быть включены круглосуточно.
6.4.16. Питание световых указателей расположения пожарных водоисточников (гидрантов, водоемов и др.) следует осуществлять от фаз ночного режима сети наружного освещения или от сети ближайших зданий.
6.4.17. Присоединение к сетям освещения улиц, дорог и площадей номерных знаков зданий и витрин не допускается (см. п. 7.1.20).
6.4.18. Установки световой рекламы, архитектурного освещения зданий следует, как правило, питать по самостоятельным линиям - распределительным или от сети зданий. Допускаемая мощность указанных установок не более 2 кВт на фазу при наличии резерва мощности сети.
Для линии должна предусматриваться защита от сверхтока и токов утечки (УЗО).
6.5.1. Управление наружным освещением должно выполняться независимым от управления внутренним освещением.
6.5.2. В городах и населенных пунктах, на промышленных предприятиях должно предусматриваться централизованное управление наружным освещением (см. также пп. 6.5.24, 6.5.27, 6.5.28).
Централизованное управление рекомендуется также для общего освещения больших производственных помещений (площадью несколько тысяч квадратных метров) и некоторых помещений общественных зданий.
Способы и технические средства для систем централизованного управления наружным и внутренним освещением должны определяться технико-экономическими обоснованиями.
6.5.3. При использовании в системах централизованного управления наружным и внутренним освещением средств телемеханики должны соблюдаться требования гл. 3.3.
6.5.4. Централизованное управление освещением рекомендуется производить:
¨ наружным освещением промышленных предприятий - из пункта управления электроснабжением предприятия, а при его отсутствии - с места, где находится обслуживающий персонал;
¨ наружным освещением городов и населенных пунктов - из пункта управления наружным освещением;
¨ внутренним освещением - из помещения, в котором находится обслуживающий персонал.
6.5.5. Питание устройств централизованного управления наружным и внутренним освещением рекомендуется предусматривать от двух независимых источников.
Питание децентрализованных устройств управления допускается выполнять от линий, питающих осветительные установки.
6.5.6. В системах централизованного управления наружным и внутренним освещением должно предусматриваться автоматическое включение освещения в случаях аварийного отключения питания основной цепи или цепи управления и последующего восстановления питания.
6.5.7. При автоматическом управлении наружным и внутренним освещением, например, в зависимости от освещенности, создаваемой естественным светом, должна предусматриваться возможность ручного управления освещением без использования средств автоматики.
6.5.8. Для управления внутренним и наружным освещением могут использоваться аппараты управления, установленные в распределительных устройствах подстанций, распределительных пунктах питания, вводных распределительных устройствах, групповых щитках.
6.5.9. При централизованном управлении внутренним и наружным освещением должен предусматриваться контроль положения коммутационных аппаратов (включено, отключено), установленных в цепи питания освещения.
В каскадных схемах централизованного управления наружным освещением рекомендуется предусматривать контроль включенного (отключенного) состояния коммутационных аппаратов, установленных в цепи питания освещения.
В каскадных контролируемых схемах централизованного управления наружным освещением (пп. 6.1.8, 6.5.29) допускается не более двух неконтролируемых пунктов питания.
6.5.10. При питании освещения зданий от подстанций и сетей, расположенных вне этих зданий, на каждом вводном устройстве в здание должен устанавливаться аппарат управления.
6.5.11. При питании от одной линии четырех и более групповых щитков с числом групп 6 и более на вводе в каждый щиток рекомендуется устанавливать аппарат управления.
6.5.12. В помещениях, имеющих зоны с разными условиями естественного освещения и различными режимами работы, должно предусматриваться раздельное управление освещением зон.
6.5.13. Выключатели светильников, устанавливаемых в помещениях с неблагоприятными условиями среды, рекомендуется выносить в смежные помещения с лучшими условиями среды.
Выключатели светильников душевых и раздевалок при них, горячих цехов столовых должны устанавливаться вне этих помещений.
6.5.14. В протяженных помещениях с несколькими входами, посещаемых обслуживающим персоналом (например кабельные, теплофикационные, водопроводные тоннели), рекомендуется предусматривать управление освещением от каждого входа или части входов.
6.5.15. В помещениях с четырьмя и более светильниками рабочего освещения, не имеющих освещения безопасности и эвакуационного освещения, светильники рекомендуется распределять не менее чем на две самостоятельно управляемые группы.
6.5.16. Управление освещением безопасности и эвакуационным освещением можно производить: непосредственно из помещения; с групповых щитков; с распределительных пунктов; с вводных распределительных устройств; с распределительных устройств подстанций; централизованно из пунктов управления освещением с использованием системы централизованного управления, при этом аппараты управления должны быть доступны только обслуживающему персоналу.
6.5.17. Управление установками искусственного ультрафиолетового облучения длительного действия должно предусматриваться независимым от управления общим освещением помещений.
6.5.18. Светильники местного освещения должны управляться индивидуальными выключателями, являющимися конструктивной частью светильника или располагаемыми в стационарной части электропроводки. При напряжении до 50 В для управления светильниками допускается использовать штепсельные розетки.
6.5.19. Система управления наружным освещением должна обеспечивать его отключение в течение не более 3 мин.
Управление наружным освещением рекомендуется осуществлять из ограниченного числа мест.
6.5.20. Для небольших промышленных предприятий и населенных пунктов допускается предусматривать управление наружным освещением коммутационными аппаратами, установленными на линиях питания освещения, при условии доступа обслуживающего персонала к этим аппаратам.
6.5.21. Централизованное управление наружным освещением городов и населенных пунктов рекомендуется выполнять:
¨ телемеханическим - при количестве жителей более 50 тыс.;
¨ телемеханическим или дистанционным - при количестве жителей от 20 до 50 тыс.;
¨ дистанционным - при количестве жителей до 20 тыс.
6.5.22. При централизованном управлении наружным освещением промышленных предприятий должна обеспечиваться возможность местного управления освещением.
6.5.23. Управление освещением открытых технологических установок, открытых складов и других открытых объектов при производственных зданиях, освещение которых питается от сетей внутреннего освещения, рекомендуется производить из этих зданий или централизованно.
6.5.24. Управление наружным освещением города должно осуществляться от одного центрального диспетчерского пункта. В крупнейших городах, территории которых разобщены водными, лесными или естественными преградами рельефа местности, могут предусматриваться районные диспетчерские пункты.
Между центральным и районным диспетчерскими пунктами необходима прямая телефонная связь.
6.5.25. Для снижения освещения улиц и площадей городов в ночное время необходимо предусмотреть возможность отключения части светильников. При этом не допускается отключение двух смежных светильников.
6.5.26. Для пешеходных и транспортных тоннелей должно предусматриваться раздельное управление светильниками дневного, вечернего и ночного режимов работы тоннелей. Для пешеходных тоннелей, кроме того, необходимо обеспечить возможность местного управления.
6.5.27. Управление освещением территорий школ-интернатов, гостиниц, больниц, госпиталей, санаториев, пансионатов, домов отдыха, парков, садов, стадионов и выставок и т.п. рекомендуется осуществлять от системы управления наружным освещением населенного пункта. При этом должна быть обеспечена возможность местного управления.
При питании освещения указанных объектов от сетей внутреннего освещения зданий управление наружным освещением может производиться из этих зданий.
6.5.28. Управление световым ограждением высотных сооружений (мачты, дымовые трубы и т.п.) рекомендуется предусматривать из объектов, к которым эти сооружения относятся.
6.5.29. Централизованное управление сетями наружного освещения городов, населенных пунктов и промышленных предприятий должно осуществляться путем использования коммутационных аппаратов, устанавливаемых в пунктах питания наружного освещения.
Управление коммутационными аппаратами в сетях наружного освещения городов и населенных пунктов рекомендуется производить, как правило, путем каскадного (последовательного) их включения.
В воздушно-кабельных сетях допускается включение в один каскад до 10 пунктов питания, а в кабельных - до 15 пунктов питания сети уличного освещения.
6.6.1. Осветительные приборы должны устанавливаться так, чтобы они были доступны для их монтажа и безопасного обслуживания с использованием при необходимости инвентарных технических средств.
В производственных помещениях, оборудованных мостовыми кранами, участвующими в непрерывном производственном процессе, а также в бескрановых пролетах, в которых доступ к светильникам с помощью напольных и других передвижных средств невозможен или затруднен, установка светильников и другого оборудования и прокладка электрических сетей могут производиться на специальных стационарных мостиках, выполненных из негорючих материалов. Ширина мостиков должна быть не менее 0,6 м, они должны иметь ограждения высотой не менее 1 м.
В общественных зданиях допускается сооружение таких мостиков при отсутствии возможности использования других средств и способов доступа к светильникам.
6.6.2. Светильники, обслуживаемые со стремянок или приставных лестниц, должны устанавливаться на высоте не более 5 м (до низа светильника) над уровнем пола. При этом расположение светильников над крупным оборудованием, приямками и в других местах, где невозможна установка лестниц или стремянок, не допускается.
6.6.3. Светильники, применяемые в установках, подверженных вибрациям и сотрясениям, должны иметь конструкцию, не допускающую самоотвинчивания ламп или их выпадения. Допускается установка светильников с применением амортизирующих устройств.
6.6.4. Для подвесных светильников общего освещения рекомендуется иметь свесы длиной не более 1,5 м. При большей длине свеса должны приниматься меры по ограничению раскачивания светильников под воздействием потоков воздуха.
6.6.5. Во взрывоопасных зонах все стационарно установленные осветительные приборы должны быть жестко укреплены для исключения раскачивания.
При применении во взрывоопасных зонах щелевых световодов должны соблюдаться требования гл. 7.3.
Для помещений, отнесенных к пожароопасным зонам П-IIa, должны быть использованы светильники с негорючими рассеивателями в виде сплошного силикатного стекла.
6.6.6. Для обеспечения возможности обслуживания осветительных приборов допускается их установка на поворотных устройствах при условии их жесткого крепления к этим устройствам и подводки питания гибким кабелем с медными жилами.
6.6.7. Для освещения транспортных тоннелей в городах и на автомобильных дорогах рекомендуется применять светильники со степенью защиты IP65.
6.6.8. Светильники местного освещения должны быть укреплены жестко или так, чтобы после перемещения они устойчиво сохраняли свое положение.
6.6.9. Приспособления для подвешивания светильников должны выдерживать в течение 10 мин без повреждения и остаточных деформаций приложенную к ним нагрузку, равную пятикратной массе светильника, а для сложных многоламповых люстр массой 25 кг и более - нагрузку, равную двукратной массе люстры плюс 80 кг.
6.6.10. У стационарно установленных светильников винтовые токоведущие гильзы патронов для ламп с винтовыми цоколями в сетях с заземленной нейтралью должны быть присоединены к нулевому рабочему проводнику.
Если патрон имеет нетоковедущую винтовую гильзу, нулевой рабочий проводник должен присоединяться к контакту патрона, с которым соединяется винтовой цоколь лампы.
6.6.11. В магазинных витринах допускается применение патронов с лампами накаливания мощностью не более 100 Вт при условии установки их на негорючих основаниях. Допускается установка патронов на горючих, например деревянных, основаниях, обшитых листовой сталью по асбесту.
6.6.12. Провода должны вводиться в осветительную арматуру таким образом, чтобы в месте ввода они не подвергались механическим повреждениям, а контакты патронов были разгружены от механических усилий.
6.6.13. Соединение проводов внутри кронштейнов, подвесов или труб, при помощи которых устанавливается осветительная арматура, не допускается. Соединения проводов следует выполнять в местах, доступных для контроля, например в основаниях кронштейнов, в местах ввода проводов в светильники.
6.6.14. Осветительную арматуру допускается подвешивать на питающих проводах, если они предназначены для этой цели и изготовляются по специальным техническим условиям.
6.6.15. Осветительная арматура общего освещения, имеющая клеммные зажимы для присоединения питающих проводников, должна допускать подсоединение проводов и кабелей как с медными, так и алюминиевыми жилами.
Для осветительной арматуры, не имеющей клеммных зажимов, когда вводимые в арматуру проводники непосредственно присоединяются к контактным зажимам ламповых патронов, должны применяться провода или кабели с медными жилами сечением не менее 0,5 мм2 внутри зданий и 1 мм2 вне зданий. При этом в арматуре для ламп накаливания мощностью 100 Вт и выше, ламп ДРЛ, ДРИ, ДРИЗ, ДНаТ должны применяться провода с изоляцией, допускающей температуру их нагрева не менее 100 °С.
Вводимые в свободно подвешиваемые светильники незащищенные провода должны иметь медные жилы.
Провода, прокладываемые внутри осветительной арматуры, должны иметь изоляцию, соответствующую номинальному напряжению сети (см. также п. 6.3.34).
6.6.16. Ответвления от распределительных сетей к светильникам наружного освещения должны выполняться гибкими проводами с медными жилами сечением не менее 1,5 мм2 для подвесных светильников и не менее 1 мм2 для консольных. Ответвления от воздушных линий рекомендуется выполнять с использованием специальных переходных ответвительных зажимов.
6.6.17. Для присоединения к сети настольных, переносных и ручных светильников, а также подвешиваемых на проводах светильников местного освещения должны применяться шнуры и провода с гибкими медными жилами сечением не менее 0,75 мм2.
6.6.18. Для зарядки стационарных светильников местного освещения должны применяться гибкие провода с медными жилами сечением не менее 1 мм2 для подвижных конструкций и не менее 0,5 мм2 для неподвижных.
Изоляция проводов должна соответствовать номинальному напряжению сети.
6.6.19. Зарядка кронштейнов осветительной арматуры местного освещения должна соответствовать следующим требованиям:
1. Провода необходимо заводить внутрь кронштейна или защищать иным путем от механических повреждений; при напряжении не выше 50 В это требование не является обязательным.
2. При наличии шарниров провода внутри шарнирных частей не должны подвергаться натяжению или перетиранию.
3. Отверстия для проводов в кронштейнах должны иметь диаметр не менее 8 мм с допуском местных сужений до 6 мм; в местах вводов проводов должны применяться изолирующие втулки.
4. В подвижных конструкциях осветительной арматуры должна быть исключена возможность самопроизвольного перемещения или раскачивания арматуры.
6.6.20. Присоединение прожекторов к сети должно выполняться гибким кабелем с медными жилами сечением не менее 1 мм2 длиной не менее 1,5 м. Защитное заземление прожекторов должно выполняться отдельной жилой.
6.6.21. Требования, приведенные в пп. 6.6.22-6.6.31, распространяются на устройства (выключатели, переключатели и штепсельные розетки) для номинального тока до 16 А и напряжения до 250 В, а также на штепсельные соединения с защитным контактом для номинального тока до 63 А и напряжения до 380 В.
6.6.22. Устройства, устанавливаемые скрыто, должны быть заключены в коробки, специальные кожухи или размещаться в отверстиях железобетонных панелей, образованных при изготовлении панелей на заводах стройиндустрии. Применение горючих материалов для изготовления крышек, закрывающих отверстия в панелях, не допускается.
6.6.23. Штепсельные розетки, устанавливаемые в запираемых складских помещениях, содержащих горючие материалы или материалы в горючей упаковке, должны иметь степень защиты в соответствии с требованиями гл. 7.4.
6.6.24. Штепсельные розетки для переносных электроприемников с частями, подлежащими защитному заземлению, должны быть снабжены защитным контактом для присоединения РЕ проводника. При этом конструкция розетки должна исключать возможность использования токоведущих контактов в качестве контактов, предназначенных для защитного заземления.
Соединение между заземляющими контактами вилки и розетки должно устанавливаться до того, как войдут в соприкосновение токоведущие контакты; порядок отключения должен быть обратным. Заземляющие контакты штепсельных розеток и вилок должны быть электрически соединены с их корпусами, если они выполнены из токопроводящих материалов.
6.6.25. Вилки штепсельных соединителей должны быть выполнены таким образом, чтобы их нельзя было включать в розетки сети с более высоким номинальным напряжением, чем номинальное напряжение вилки. Конструкция розеток и вилок не должна допускать включения в розетку только одного полюса двухполюсной вилки, а также одного или двух полюсов трехполюсной вилки.
6.6.26. Конструкция вилок штепсельных соединителей должна исключать натяжение или излом присоединяемых к ним проводов в местах присоединения.
6.6.27. Выключатели и переключатели переносных электроприемников должны, как правило, устанавливаться на самих электроприемниках или в электропроводке, проложенной неподвижно. На подвижных проводах допускается устанавливать выключатели только специальной конструкции, предназначенные для этой цели.
6.6.28. В трех- или двухпроводных однофазных линиях сетей с заземленной нейтралью могут использоваться однополюсные выключатели, которые должны устанавливаться в цепи фазного провода, или двухполюсные, при этом должна исключаться возможность отключения одного нулевого рабочего проводника без отключения фазного.
6.6.29. В трех- или двухпроводных групповых линиях сетей с изолированной нейтралью или без изолированной нейтрали при напряжении выше 50 В, а также в трех- или двухпроводных двухфазных групповых линиях в сети 220/127 В с заземленной нейтралью в помещениях с повышенной опасностью и особо опасных должны устанавливаться двухполюсные выключатели.
6.6.30. Штепсельные розетки должны устанавливаться:
1. В производственных помещениях, как правило, на высоте 0,8-1 м; при подводе проводов сверху допускается установка на высоте до 1,5 м.
2. В административно-конторских, лабораторных, жилых и других помещениях на высоте, удобной для присоединения к ним электрических приборов, в зависимости от назначения помещений и оформления интерьера, но не выше 1 м. Допускается установка штепсельных розеток в (на) специально приспособленных для этого плинтусах, выполненных из негорючих материалов.
3. В школах и детских учреждениях (в помещениях для пребывания детей) на высоте 1,8 м.
6.6.31. Выключатели для светильников общего освещения должны устанавливаться на высоте от 0,8 до 1,7 м от пола, а в школах, детских яслях и садах в помещениях для пребывания детей - на высоте 1,8 м от пола. Допускается установка выключателей под потолком с управлением при помощи шнура.
Минтопэнерго России
06 октября 1999 г.
7.1.1. Настоящая глава Правил распространяется на электроустановки: жилых зданий, перечисленных в СНиП 2.08.01-89 «Жилые здания»; общественных зданий, перечисленных в СНиП 2.08.02-89 «Общественные здания и сооружения» (за исключением зданий и помещений, перечисленных в гл. 7.2); административных и бытовых зданий, перечисленных в СНиП 2.09.04-87 «Административные и бытовые здания»; к электроустановкам уникальных и других специальных зданий, не вошедших в вышеуказанный список, могут предъявляться дополнительные требования.
Далее по тексту, если нет уточнения, под словом «здания» понимаются все типы зданий, на которые распространяется данная глава.
______________________
* Требования настоящей главы являются взаимосвязанными. Следует иметь в виду, что частичное выполнение комплекса требований к электроустановкам зданий может привести к снижению уровня электробезопасности.
Требования настоящей главы не распространяются на специальные электроустановки в лечебно-профилактических учреждениях, организациях и учреждениях науки и научного обслуживания, на системы диспетчеризации и связи, а также на электроустановки, которые по своему характеру должны быть отнесены к электроустановкам промышленных предприятий (мастерские, котельные, тепловые пункты, насосные, фабрики-прачечные, фабрики-химчистки и т.п.).
7.1.2. Электроустановки зданий, кроме требований настоящей главы, должны удовлетворять требованиям глав разд. 1-6 ПУЭ в той мере, в какой они не изменены настоящей главой.
7.1.3. Вводное устройство (ВУ) - совокупность конструкций, аппаратов и приборов, устанавливаемых на вводе питающей линии в здание или в его обособленную часть.
Вводное устройство, включающее в себя также аппараты и приборы отходящих линий, называется вводно-распределительным (ВРУ).
7.1.4. Главный распределительный щит (ГРЩ) - распределительный щит, через который снабжается электроэнергией все здание или его обособленная часть. Роль ГРЩ может выполнять ВРУ или щит низкого напряжения подстанции.
7.1.5. Распределительный пункт (РП) - устройство, в котором установлены аппараты защиты и коммутационные аппараты (или только аппараты защиты) для отдельных электроприемников или их групп (электродвигателей, групповых щитков).
7.1.6. Групповой щиток - устройство, в котором установлены аппараты защиты и коммутационные аппараты (или только аппараты защиты) для отдельных групп светильников, штепсельных розеток и стационарных электроприемников.
7.1.7. Квартирный щиток - групповой щиток, установленный в квартире и предназначенный для присоединения сети, питающей светильники, штепсельные розетки и стационарные электроприемники квартиры.
7.1.8. Этажный распределительный щиток - щиток, установленный на этажах жилых домов и предназначенный для питания квартир или квартирных щитков.
7.1.9. Электрощитовое помещение - помещение, доступное только для обслуживающего квалифицированного персонала, в котором устанавливаются ВУ, ВРУ, ГРЩ и другие распределительные устройства.
7.1.10. Питающая сеть - сеть от распределительного устройства подстанции или ответвления от воздушных линий электропередачи до ВУ, ВРУ, ГРЩ.
7.1.11. Распределительная сеть - сеть от ВУ, ВРУ, ГРЩ до распределительных пунктов и щитков.
7.1.12. Групповая сеть - сеть от щитков и распределительных пунктов до светильников, штепсельных розеток и других электроприемников.
7.1.13. Питание электроприемников должно выполняться от сети 380/220 В с системой заземления ТN-S или ТN-С-S.
При реконструкции жилых и общественных зданий, имеющих напряжение сети 220/127 В или 3´220 В, следует предусматривать перевод сети на напряжение 380/220 В с системой заземления ТN-S или ТN-С-S.
7.1.14. Внешнее электроснабжение зданий должно удовлетворять требованиям гл. 1.2.
7.1.15. В спальных корпусах различных учреждений, в школьных и других учебных заведениях и т.п. сооружение встроенных и пристроенных подстанций не допускается.
В жилых зданиях в исключительных случаях допускается размещение встроенных и пристроенных подстанций с использованием сухих трансформаторов по согласованию с органами государственного надзора, при этом в полном объеме должны быть выполнены санитарные требования по ограничению уровня шума и вибрации в соответствии с действующими стандартами.
Устройство и размещение встроенных, пристроенных и отдельно стоящих подстанций должно выполняться в соответствии с требованиями глав разд. 4.
7.1.16. Питание силовых и осветительных электроприемников рекомендуется выполнять от одних и тех же трансформаторов.
7.1.17. Расположение и компоновка трансформаторных подстанций должны предусматривать возможность круглосуточного беспрепятственного доступа в них персонала энергоснабжающей организации.
7.1.18. Питание освещения безопасности и эвакуационного освещения должно выполняться согласно требованиям гл. 6.1 и 6.2, а также СНиП 23-05-95 «Естественное и искусственное освещение».
7.1.19. При наличии в здании лифтов, предназначенных также для транспортирования пожарных подразделений, должно быть обеспечено их питание в соответствии с требованиями гл. 7.8.
7.1.20. Электрические сети зданий должны быть рассчитаны на питание освещения рекламного, витрин, фасадов, иллюминационного, наружного, противопожарных устройств, систем диспетчеризации, локальных телевизионных сетей, световых указателей пожарных гидрантов, знаков безопасности, звонковой и другой сигнализации, огней светового ограждения и др., в соответствии с заданием на проектирование.
7.1.21. При питании однофазных потребителей зданий от многофазной распределительной сети допускается для разных групп однофазных потребителей иметь общие N и РЕ проводники (пятипроводная сеть), проложенные непосредственно от ВРУ, объединение N и РЕ проводников (четырехпроводная сеть с РЕN проводником) не допускается.
При питании однофазных потребителей от многофазной питающей сети ответвлениями от воздушных линий, когда РЕN проводник воздушной линии является общим для групп однофазных потребителей, питающихся от разных фаз, рекомендуется предусматривать защитное отключение потребителей при превышении напряжения выше допустимого, возникающего из-за несимметрии нагрузки при обрыве РЕN проводника. Отключение должно производиться на вводе в здание, например воздействием на независимый расцепитель вводного автоматического выключателя посредством реле максимального напряжения, при этом должны отключаться как фазный (L), так и нулевой рабочий (N) проводники.
При выборе аппаратов и приборов, устанавливаемых на вводе, предпочтение, при прочих равных условиях, должно отдаваться аппаратам и приборам, сохраняющим работоспособность при превышении напряжения выше допустимого, возникающего из-за несимметрии нагрузки при обрыве РЕN или N проводника, при этом их коммутационные и другие рабочие характеристики могут не выполняться.
Во всех случаях в цепях РЕ и РЕN проводников запрещается иметь коммутирующие контактные и бесконтактные элементы.
Допускаются соединения, которые могут быть разобраны при помощи инструмента, а также специально предназначенные для этих целей соединители.
7.1.22. На вводе в здание должно быть установлено ВУ или ВРУ. В здании может устанавливаться одно или несколько ВУ или ВРУ.
При наличии в здании нескольких обособленных в хозяйственном отношении потребителей у каждого из них рекомендуется устанавливать самостоятельное ВУ или ВРУ.
От ВРУ допускается также питание потребителей, расположенных в других зданиях, при условии, что эти потребители связаны функционально.
При ответвлениях от ВЛ с расчетным током до 25 А ВУ или ВРУ на вводах в здание могут не устанавливаться, если расстояние от ответвления до группового щитка, выполняющего в этом случае функции ВУ, не более 3 м. Данный участок сети должен выполняться гибким медным кабелем с сечением жил не менее 4 мм2, не распространяющим горение, проложенным в стальной трубе, при этом должны быть выполнены требования по обеспечению надежного контактного соединения с проводами ответвления.
При воздушном вводе должны устанавливаться ограничители импульсных перенапряжений.
7.1.23. Перед вводами в здания не допускается устанавливать дополнительные кабельные ящики для разделения сферы обслуживания наружных питающих сетей и сетей внутри здания. Такое разделение должно быть выполнено во ВРУ или ГРЩ.
7.1.24. ВУ, ВРУ, ГРЩ должны иметь аппараты защиты на всех вводах питающих линий и на всех отходящих линиях,
7.1.25. На вводе питающих линий в ВУ, ВРУ, ГРЩ должны устанавливаться аппараты управления. На отходящих линиях аппараты управления могут быть установлены либо на каждой линии, либо быть общими для нескольких линий.
Автоматический выключатель следует рассматривать как аппарат защиты и управления.
7.1.26. Аппараты управления, независимо от их наличия в начале питающей линии, должны быть установлены на вводах питающих линий в торговых помещениях, коммунальных предприятиях, административных помещениях и т.п., а также в помещениях потребителей, обособленных в административно-хозяйственном отношении.
7.1.27. Этажный щиток должен устанавливаться на расстоянии не более 3 м по длине электропроводки от питающего стояка с учетом требований гл. 3.1.
7.1.28. ВУ, ВРУ, ГРЩ, как правило, следует устанавливать в электрощитовых помещениях, доступных только для обслуживающего персонала. В районах, подверженных затоплению, они должны устанавливаться выше уровня затопления. ВУ, ВРУ, ГРЩ могут размещаться в помещениях, выделенных в эксплуатируемых сухих подвалах, при условии, что эти помещения доступны для обслуживающего персонала и отделены от других помещении перегородками с пределом огнестойкости не менее 0,75 ч.
При размещении ВУ, ВРУ, ГРЩ, распределительных пунктов и групповых щитков вне электрощитовых помещений они должны устанавливаться в удобных и доступных для обслуживания местах, в шкафах со степенью защиты оболочки не ниже IP31.
Расстояние от трубопроводов (водопровод, отопление, канализация, внутренние водостоки), газопроводов и газовых счетчиков до места установки должно быть не менее 1 м.
7.1.29. Электрощитовые помещения, а также ВУ, ВРУ, ГРЩ не допускается располагать под санузлами, ванными комнатами, душевыми, кухнями (кроме кухонь квартир), мойками, моечными и парильными помещениями бань и другими помещениями, связанными с мокрыми технологическими процессами, за исключением случаев, когда приняты специальные меры по надежной гидроизоляции, предотвращающие попадание влаги в помещения, где установлены распределительные устройства.
Трубопроводы (водопровод, отопление) прокладывать через электрощитовые помещения не рекомендуется.
Трубопроводы (водопровод, отопление), вентиляционные и прочие короба, прокладываемые через электрощитовые помещения, не должны иметь ответвлений в пределах помещения (за исключением ответвления к отопительному прибору самого щитового помещения), а также люков, задвижек, фланцев, вентилей и т.п.
Прокладка через эти помещения газо- и трубопроводов с горючими жидкостями, канализации и внутренних водостоков не допускается.
Двери электрощитовых помещений должны открываться наружу.
7.1.30. Помещения, в которых установлены ВРУ, ГРЩ, должны иметь естественную вентиляцию, электрическое освещение. Температура помещения не должна быть ниже +5 °С.
7.1.31. Электрические цепи в пределах ВУ, ВРУ, ГРЩ, распределительных пунктов, групповых щитков следует выполнять проводами с медными жилами.
7.1.32. Внутренние электропроводки должны выполняться с учетом следующего:
1. Электроустановки разных организаций, обособленных в административно-хозяйственном отношении, расположенные в одном здании, могут быть присоединены ответвлениями к общей питающей линии или питаться отдельными линиями от ВРУ или ГРЩ.
2. К одной линии разрешается присоединять несколько стояков. На ответвлениях к каждому стояку, питающему квартиры жилых домов, имеющих более 5 этажей, следует устанавливать аппарат управления, совмещенный с аппаратом защиты.
3. В жилых зданиях светильники лестничных клеток, вестибюлей, холлов, поэтажных коридоров и других внутридомовых помещений вне квартир должны питаться по самостоятельным линиям от ВРУ или отдельных групповых щитков, питаемых от ВРУ. Присоединение этих светильников к этажным и квартирным щиткам не допускается.
4. Для лестничных клеток и коридоров, имеющих естественное освещение, рекомендуется предусматривать автоматическое управление электрическим освещением в зависимости от освещенности, создаваемой естественным светом.
5. Питание электроустановок нежилого фонда рекомендуется выполнять отдельными линиями.
7.1.33. Питающие сети от подстанций до ВУ, ВРУ, ГРЩ должны быть защищены от токов КЗ.
7.1.34. В зданиях следует применять кабели и провода с медными жилами*.
Питающие и распределительные сети, как правило, должны выполняться кабелями и проводами с алюминиевыми жилами, если их расчетное сечение равно 16 мм2 и более.
Питание отдельных электроприемников, относящихся к инженерному оборудованию зданий (насосы, вентиляторы, калориферы, установки кондиционирования воздуха и т.п.), может выполняться проводами или кабелем с алюминиевыми жилами сечением не менее 2,5 мм2.
В музеях, картинных галереях, выставочных помещениях разрешается использование осветительных шинопроводов со степенью защиты IP20, у которых ответвительные устройства к светильникам имеют разъемные контактные соединения, находящиеся внутри короба шинопровода в момент коммутации, и шинопроводов со степенью защиты IP44, у которых ответвления к светильникам выполняются с помощью штепсельных разъемов, обеспечивающих разрыв цепи ответвления до момента извлечения вилки из розетки.
В указанных помещениях осветительные шинопроводы должны питаться от распределительных пунктов самостоятельными линиями.
В жилых зданиях сечения медных проводников должны соответствовать расчетным значениям, но быть не менее указанных в таблице 7.1.1.
____________________
* До 2001 г. по имеющемуся заделу строительства допускается использование проводов и кабелей с алюминиевыми жилами.
7.1.35. В жилых зданиях прокладка вертикальных участков распределительной сети внутри квартир не допускается.
Запрещается прокладка от этажного щитка в общей трубе, общем коробе или канале проводов и кабелей, питающих линии разных квартир.
Допускается не распространяющая горение прокладка в общей трубе, общем коробе или канале строительных конструкций, выполненных из негорючих материалов, проводов и кабелей питающих линий квартир вместе с проводами и кабелями групповых линий рабочего освещения лестничных клеток, поэтажных коридоров и других внутридомовых помещений.
Таблица 7.1.1. Наименьшие допустимые сечения кабелей и проводов электрических сетей в жилых зданиях
|
Наименование линий |
Наименьшее сечение кабелей и проводов с медными жилами, мм2 |
|
Линии групповых сетей |
1,5 |
|
Линии от этажных до квартирных щитков и к расчетному счетчику |
2,5 |
|
Линии распределительной сети (стояки) для питания квартир |
4 |
7.1.36. Во всех зданиях линии групповой сети, прокладываемые от групповых, этажных и квартирных щитков до светильников общего освещения, штепсельных розеток и стационарных электроприемников, должны выполняться трехпроводными (фазный - L, нулевой рабочий - N и нулевой защитный - РЕ проводники).
Не допускается объединение нулевых рабочих и нулевых защитных проводников различных групповых линий.
Нулевой рабочий и нулевой защитный проводники не допускается подключать на щитках под общий контактный зажим.
Сечения проводников должны отвечать требованиям п. 7.1.45.
7.1.37. Электропроводку в помещениях следует выполнять сменяемой: скрыто - в каналах строительных конструкций, замоноличенных трубах; открыто - в электротехнических плинтусах, коробах и т.п.
В технических этажах, подпольях, неотапливаемых подвалах, чердаках, вентиляционных камерах, сырых и особо сырых помещениях электропроводку рекомендуется выполнять открыто.
В зданиях со строительными конструкциями, выполненными из негорючих материалов, допускается несменяемая замоноличенная прокладка групповых сетей в бороздах стен, перегородок, перекрытий, под штукатуркой, в слое подготовки пола или в пустотах строительных конструкций, выполняемая кабелем или изолированными проводами в защитной оболочке. Применение несменяемой замоноличенной прокладки проводов в панелях стен, перегородок и перекрытий, выполненной при их изготовлении на заводах стройиндустрии или выполняемой в монтажных стыках панелей при монтаже зданий, не допускается.
7.1.38. Электрические сети, прокладываемые за непроходными подвесными потолками и в перегородках, рассматриваются как скрытые электропроводки и их следует выполнять; за потолками и в пустотах перегородок из горючих материалов в металлических трубах, обладающих локализационной способностью, и в закрытых коробах; за потолками и в перегородках из негорючих материалов* - в выполненных из негорючих материалов трубах и коробах, а также кабелями, не распространяющими горение. При этом должна быть обеспечена возможность замены проводов и кабелей.
________________
* Под подвесными потолками из негорючих материалов понимают такие потолки, которые выполнены из негорючих материалов, при этом другие строительные конструкции, расположенные над подвесными потолками, включая междуэтажные перекрытия, также выполнены из негорючих материалов.
7.1.39. В помещениях для приготовления и приема пищи, за исключением кухонь квартир, допускается открытая прокладка кабелей. Открытая прокладка проводов в этих помещениях не допускается.
В кухнях квартир могут применяться те же виды электропроводок, что и в жилых комнатах и коридорах.
7.1.40. В саунах, ванных комнатах, санузлах, душевых, как правило, должна применяться скрытая электропроводка. Допускается открытая прокладка кабелей.
В саунах, ванных комнатах, санузлах, душевых не допускается прокладка проводов с металлическими оболочками, в металлических трубах и металлических рукавах.
В саунах для зон 3 и 4 по ГОСТ Р 50571.12-96 «Электроустановки зданий. Часть 7. Требования к специальным электроустановкам. Раздел 703. Помещения, содержащие нагреватели для саун» должна использоваться электропроводка с допустимой температурой изоляции 170 °С.
7.1.41. Электропроводка на чердаках должна выполняться в соответствии с требованиями разд. 2.
7.1.42. Через подвалы и технические подполья секций здания допускается прокладка силовых кабелей напряжением до 1 кВ, питающих электроприемники других секций здания. Указанные кабели не рассматриваются как транзитные, прокладка транзитных кабелей через подвалы и технические подполья зданий запрещается.
7.1.43. Открытая прокладка транзитных кабелей и проводов через кладовые и складские помещения не допускается.
7.1.44. Линии, питающие холодильные установки предприятий торговли и общественного питания, должны быть проложены от ВРУ или ГРЩ этих предприятий.
7.1.45. Выбор сечения проводников следует проводить согласно требованиям соответствующих глав ПУЭ.
Однофазные двух- и трехпроводные линии, а также трехфазные четырех- и пятипроводные линии при питании однофазных нагрузок, должны иметь сечение нулевых рабочих (N) проводников, равное сечению фазных проводников.
Трехфазные четырех- и пятипроводные линии при питании трехфазных симметричных нагрузок должны иметь сечение нулевых рабочих (N) проводников, равное сечению фазных проводников, если фазные проводники имеют сечение до 16 мм2 по меди и 25 мм2 по алюминию, а при больших сечениях - не менее 50 % сечения фазных проводников.
Сечение РЕN проводников должно быть не менее сечения N проводников и не менее 10 мм2 по меди и 16 мм2 по алюминию независимо от сечения фазных проводников.
Сечение РЕ проводников должно равняться сечению фазных при сечении последних до 16 мм2, 16 мм2 при сечении фазных проводников от 16 до 35 мм2 и 50 % сечения фазных проводников при больших сечениях.
Сечение РЕ проводников, не входящих в состав кабеля, должно быть не менее 2,5 мм2 - при наличии механической защиты и 4 мм2 - при ее отсутствии.
7.1.46. В помещениях для приготовления пищи, кроме кухонь квартир, светильники с лампами накаливания, устанавливаемые над рабочими местами (плитами, столами и т.п.), должны иметь снизу защитное стекло. Светильники с люминесцентными лампами должны иметь решетки или сетки либо ламподержатели, исключающие выпадание ламп.
7.1.47. В ванных комнатах, душевых и санузлах должно использоваться только то электрооборудование, которое специально предназначено для установки в соответствующих зонах указанных помещений по ГОСТ Р 50571.11-96 «Электроустановки зданий. Часть 7. Требования к специальным электроустановкам. Раздел 701. Ванные и душевые помещения», при этом должны выполняться следующие требования:
¨ электрооборудование должно иметь степень защиты по воде не ниже чем:
в зоне 0 - IPХ7;
в зоне 1 - IPХ5;
в зоне 2 - IPХ4 (IPХ5 - в ваннах общего пользования);
в зоне 3 - IPХ1 (IPХ5 - в ваннах общего пользования);
¨ в зоне 0 могут использоваться электроприборы напряжением до 12 В, предназначенные для применения в ванне, причем источник питания должен размещаться за пределами этой зоны;
¨ в зоне 1 могут устанавливаться только водонагреватели;
¨ в зоне 2 могут устанавливаться водонагреватели и светильники класса защиты 2;
¨ в зонах 0, 1 и 2 не допускается установка соединительных коробок, распредустройств и устройств управления.
7.1.48. Установка штепсельных розеток в ванных комнатах, душевых, мыльных помещениях бань, помещениях, содержащих нагреватели для саун (далее по тексту «саунах»), а также в стиральных помещениях прачечных не допускается, за исключением ванных комнат квартир и номеров гостиниц.
В ванных комнатах квартир и номеров гостиниц допускается установка штепсельных розеток в зоне 3 по ГОСТ Р 50571.11-96, присоединяемых к сети через разделительные трансформаторы или защищенных устройством защитного отключения, реагирующим на дифференциальный ток, не превышающий 30 мА.
Любые выключатели и штепсельные розетки должны находиться на расстоянии не менее 0,6 м от дверного проема душевой кабины.
7.1.49. В зданиях при трехпроводной сети (см. п. 7.1.36) должны устанавливаться штепсельные розетки на ток не менее 10 А с защитным контактом.
Штепсельные розетки, устанавливаемые в квартирах, жилых комнатах общежитий, а также в помещениях для пребывания детей в детских учреждениях (садах, яслях, школах и т.п.), должны иметь защитное устройство, автоматически закрывающее гнезда штепсельной розетки при вынутой вилке.
7.1.50. Минимальное расстояние от выключателей, штепсельных розеток и элементов электроустановок до газопроводов должно быть не менее 0,5 м.
7.1.51. Выключатели рекомендуется устанавливать на стене со стороны дверной ручки на высоте до 1 м, допускается устанавливать их под потолком с управлением при помощи шнура.
В помещениях для пребывания детей в детских учреждениях (садах, яслях, школах и т.п.) выключатели следует устанавливать на высоте 1,8 м от пола.
7.1.52. В саунах, ванных комнатах, санузлах, мыльных помещениях бань, парилках, стиральных помещениях прачечных и т.п. установка распределительных устройств и устройств управления не допускается.
В помещениях умывальников и зонах 1 и 2 (ГОСТ Р 50571.11-96) ванных и душевых помещений допускается установка выключателей, приводимых в действие шнуром.
7.1.53. Отключающие аппараты сети освещения чердаков, имеющих элементы строительных конструкций (кровлю, фермы, стропила, балки и т.п.) из горючих материалов, должны быть установлены вне чердака.
7.1.54. Выключатели светильников рабочего, безопасности и эвакуационного освещения помещений, предназначенных для пребывания большого количества людей (например, торговых помещений магазинов, столовых, вестибюлей гостиниц и т.п.), должны быть доступны только для обслуживающего персонала.
7.1.55. Над каждым входом в здание должен быть установлен светильник.
7.1.56. Домовые номерные знаки и указатели пожарных гидрантов, установленные на наружных стенах зданий, должны быть освещены. Питание электрических источников света номерных знаков и указателей гидрантов должно осуществляться от сети внутреннего освещения здания, а указателей пожарных гидрантов, установленных на опорах наружного освещения, - от сети наружного освещения.
7.1.57. Противопожарные устройства и охранная сигнализация, независимо от категории по надежности электроснабжения здания, должны питаться от двух вводов, а при их отсутствии - двумя линиями от одного ввода. Переключение с одной линии на другую должно осуществляться автоматически.
7.1.58. Устанавливаемые на чердаке электродвигатели, распределительные пункты, отдельно устанавливаемые коммутационные аппараты и аппараты защиты должны иметь степень защиты не ниже IP44.
7.1.59. В жилых зданиях следует устанавливать один одно- или трехфазный расчетный счетчик (при трехфазном вводе) на каждую квартиру.
7.1.60. Расчетные счетчики в общественных зданиях, в которых размещено несколько потребителей электроэнергии, должны предусматриваться для каждого потребителя, обособленного в административно-хозяйственном отношении (ателье, магазины, мастерские, склады, жилищно-эксплуатационные конторы и т.п.).
7.1.61. В общественных зданиях расчетные счетчики электроэнергии должны устанавливаться на ВРУ (ГРЩ) в точках балансового разграничения с энергоснабжающей организацией. При наличии встроенных или пристроенных трансформаторных подстанций, мощность которых полностью используется потребителями данного здания, расчетные счетчики должны устанавливаться на выводах низшего напряжения силовых трансформаторов на совмещенных щитах низкого напряжения, являющихся одновременно ВРУ здания.
ВРУ и приборы учета разных абонентов, размещенных в одном здании, допускается устанавливать в одном общем помещении. По согласованию с энергоснабжающей организацией расчетные счетчики могут устанавливаться у одного из потребителей, от ВРУ которого питаются прочие потребители, размещенные в данном здании. При этом на вводах питающих линий в помещениях этих прочих потребителей следует устанавливать контрольные счетчики для расчета с основным абонентом.
7.1.62. Расчетные счетчики для общедомовой нагрузки жилых зданий (освещение лестничных клеток, контор домоуправлений, дворовое освещение и т.п.) рекомендуется устанавливать в шкафах ВРУ или на панелях ГРЩ.
7.1.63. Расчетные квартирные счетчики рекомендуется размещать совместно с аппаратами защиты (автоматическими выключателями, предохранителями).
При установке квартирных щитков в прихожих квартир счетчики, как правило, должны устанавливаться на этих щитках, допускается установка счетчиков на этажных щитках.
7.1.64. Для безопасной замены счетчика, непосредственно включаемого в сеть, перед каждым счетчиком должен предусматриваться коммутационный аппарат для снятия напряжения со всех фаз, присоединенных к счетчику.
Отключающие аппараты для снятия напряжения с расчетных счетчиков, расположенных в квартирах, должны размещаться за пределами квартиры.
7.1.65. После счетчика, включенного непосредственно в сеть, должен быть установлен аппарат защиты. Если после счетчика отходит несколько линий, снабженных аппаратами защиты, установка общего аппарата защиты не требуется.
7.1.66. Рекомендуется оснащение жилых зданий системами дистанционного съема показаний счетчиков.
7.1.67. Заземление и защитные меры безопасности электроустановок зданий должны выполняться в соответствии с требованиями гл. 1.7 и дополнительными требованиями, приведенными в данном разделе.
7.1.68. Во всех помещениях необходимо присоединять открытые проводящие части светильников общего освещения и стационарных электроприемников (электрических плит, кипятильников, бытовых кондиционеров, электрополотенец и т.п.) к нулевому защитному проводнику.
7.1.69. В помещениях зданий металлические корпуса однофазных переносных электроприборов и настольных средств оргтехники класса 1 по ГОСТ 12.2.007.0-75 «ССБТ. Изделия электротехнические. Общие требования безопасности» должны присоединяться к защитным проводникам трехпроводной групповой линии (см. п. 7.1.36).
К защитным проводникам должны подсоединяться металлические каркасы перегородок, дверей и рам, используемых для прокладки кабелей.
7.1.70. В помещениях без повышенной опасности допускается применение подвесных светильников, не оснащенных зажимами для подключения защитных проводников, при условии, что крюк для их подвески изолирован. Требования данного пункта не отменяют требований п. 7.1.36 и не являются основанием для выполнения электропроводок двухпроводными.
7.1.71. Для защиты групповых линий, питающих штепсельные розетки для переносных электрических приборов, рекомендуется предусматривать устройства защитного отключения (УЗО).
7.1.72. Если устройство защиты от сверхтока (автоматический выключатель, предохранитель) не обеспечивает время автоматического отключения 0,4 с при номинальном напряжении 220 В из-за низких значений токов короткого замыкания и установка (квартира) не охвачена системой уравнивания потенциалов, установка УЗО является обязательной.
7.1.73. При установке УЗО последовательно должны выполняться требования селективности. При двух- и многоступенчатой схемах УЗО, расположенное ближе к источнику питания, должно иметь у ставку и время срабатывания не менее чем в 3 раза большие, чем у УЗО, расположенного ближе к потребителю.
7.1.74. В зоне действия УЗО нулевой рабочий проводник не должен иметь соединений с заземленными элементами и нулевым защитным проводником.
7.1.75. Во всех случаях применения УЗО должно обеспечивать надежную коммутацию цепей нагрузки с учетом возможных перегрузок.
7.1.76. Рекомендуется использовать УЗО, представляющее собой единый аппарат с автоматическим выключателем, обеспечивающим защиту от сверхтока.
Не допускается использовать УЗО в групповых линиях, не имеющих защиты от сверхтока, без дополнительного аппарата, обеспечивающего эту защиту.
При использовании УЗО, не имеющих защиты от сверхтока, необходима их расчетная проверка в режимах сверхтока с учетом защитных характеристик вышестоящего аппарата, обеспечивающего защиту от сверхтока.
7.1.77. В жилых зданиях не допускается применять УЗО, автоматически отключающие потребителя от сети при исчезновении или недопустимом падении напряжения сети. При этом УЗО должно сохранять работоспособность на время не менее 5 с при снижении напряжения до 50 % номинального.
7.1.78. В зданиях могут применяться УЗО типа «А», реагирующие как на переменные, так и на пульсирующие токи повреждений, или «АС», реагирующие только на переменные токи утечки.
Источником пульсирующего тока являются, например, стиральные машины с регуляторами скорости, регулируемые источники света, телевизоры, видеомагнитофоны, персональные компьютеры и др.
7.1.79. В групповых сетях, питающих штепсельные розетки, следует применять УЗО с номинальным током срабатывания не более 30 мА.
Допускается присоединение к одному УЗО нескольких групповых линий через отдельные автоматические выключатели (предохранители).
Установка УЗО в линиях, питающих стационарное оборудование и светильники, а также в общих осветительных сетях, как правило, не требуется.
7.1.80. В жилых зданиях УЗО рекомендуется устанавливать на квартирных щитках, допускается их установка на этажных щитках.
7.1.81. Установка УЗО запрещается для электроприемников, отключение которых может привести к ситуациям, опасным для потребителей (отключению пожарной сигнализации и т.п.).
7.1.82. Обязательной является установка УЗО с номинальным током срабатывания не более 30 мА для групповых линий, питающих розеточные сети, находящиеся вне помещений и в помещениях особо опасных и с повышенной опасностью, например в зоне 3 ванных и душевых помещений квартир и номеров гостиниц.
7.1.83. Суммарный ток утечки сети с учетом присоединяемых стационарных и переносных электроприемников в нормальном режиме работы не должен превосходить 1/3 номинального тока УЗО. При отсутствии данных ток утечки электроприемников следует принимать из расчета 0,4 мА на 1 А тока нагрузки, а ток утечки сети - из расчета 10 мкА на 1 м длины фазного проводника.
7.1.84. Для повышения уровня защиты от возгорания при замыканиях на заземленные части, когда величина тока недостаточна для срабатывания максимальной токовой защиты, на вводе в квартиру, индивидуальный дом и т.п. рекомендуется установка УЗО с током срабатывания до 300 мА.
7.1.85. Для жилых зданий при выполнении требований п. 7.1.83 функции УЗО по пп. 7.1.79 и 7.1.84 могут выполняться одним аппаратом с током срабатывания не более 30 мА.
7.1.86. Если УЗО предназначено для защиты от поражения электрическим током и возгорания или только для защиты от возгорания, то оно должно отключать как фазный, так и нулевой рабочие проводники, защита от сверхтока в нулевом рабочем проводнике не требуется.
7.1.87. На вводе в здание должна быть выполнена система уравнивания потенциалов путем объединения следующих проводящих частей:
¨ основной (магистральный) защитный проводник;
¨ основной (магистральный) заземляющий проводник или основной заземляющий зажим;
¨ стальные трубы коммуникаций зданий и между зданиями;
¨ металлические части строительных конструкций, молниезащиты, системы центрального отопления, вентиляции и кондиционирования. Такие проводящие части должны быть соединены между собой на вводе в здание.
Рекомендуется по ходу передачи электроэнергии повторно выполнять дополнительные системы уравнивания потенциалов.
7.1.88. К дополнительной системе уравнивания потенциалов должны быть подключены все доступные прикосновению открытые проводящие части стационарных электроустановок, сторонние проводящие части и нулевые защитные проводники всего электрооборудования (в том числе штепсельных розеток).
Для ванных и душевых помещений дополнительная система уравнивания потенциалов является обязательной и должна предусматривать, в том числе, подключение сторонних проводящих частей, выходящих за пределы помещений. Если отсутствует электрооборудование с подключенными к системе уравнивания потенциалов нулевыми защитными проводниками, то систему уравнивания потенциалов следует подключить к РЕ шине (зажиму) на вводе. Нагревательные элементы, замоноличенные в пол, должны быть покрыты заземленной металлической сеткой или заземленной металлической оболочкой, подсоединенными к системе уравнивания потенциалов. В качестве дополнительной защиты для нагревательных элементов рекомендуется использовать УЗО на ток до 30 мА.
Не допускается использовать для саун, ванных и душевых помещений системы местного уравнивания потенциалов.
7.2.1. Настоящая глава Правил распространяется на электроустановки, расположенные в зданиях зрелищных предприятий со зрительными залами: театров, цирков, кинотеатров, концертных залов, клубов, центров творчества детей и подростков, крытых спортивных сооружений, дворцов спорта, спортивных залов и т.п.
7.2.2. Электроустановки зрелищных предприятий, кроме требований настоящей главы, должны удовлетворять требованиям глав разд. 1-6 и гл. 7.1 в той мере, в какой они не изменены настоящей главой.
7.2.3. Сцена - специально оборудованная часть здания, предназначенная для показа спектаклей различных жанров.
В состав сцены входят: основная игровая часть (планшет сцены), сообщающаяся со зрительным залом портальным проемом, авансцена, аръерсцена и боковые карманы, объединенные проемами в стенах с основной игровой частью сцены, а также трюм и надколосниковое пространство.
7.2.4. Эстрада - часть зрительного зала, предназначенная для эстрадных и концертных выступлений. Эстрада может быть отделена от зрительного зала портальной стеной с открытым проемом или находиться в общем объеме со зрительным залом.
7.2.5. Манеж - часть зрительного зала, предназначенная для цирковых представлений.
7.2.6. Сценический подъем - механизм, предназначенный для подъема и спуска декораций, софитов, занавесов и другого сценического оборудования.
7.2.7. Постановочное освещение - освещение, предназначенное для светового оформления театральных постановок, концертов, эстрадных и цирковых представлений.
7.2.8. Технические аппаратные - помещения, в которых размещаются осветительные и проекционные приборы, устройства управления постановочным освещением, аппаратура связи, электроакустические и кинотехнологические устройства, электроустановки питания и управления электроприводами механизмов сцены (эстрады, манежа).
7.2.9. Питание электроприемников должно осуществляться от сети 380/220 В с системой заземления ТN-S или ТN-С-S. При реконструкции зрелищных предприятий, имеющих напряжение сети 220/127 или 3´220 В, следует предусматривать перевод сети на напряжение 380/220 В с системой заземления ТN-S или ТN-С-S.
7.2.10. Выбор нестандартного напряжения для электроприемников постановочного освещения и электроустановок механизмов сцены, питаемых от отдельных трансформаторов, выпрямителей или преобразователей, должен осуществляться при проектировании.
7.2.11. Все помещения, входящие в состав сцены (эстрады), а также сейфы декораций, склады (декораций, костюмов, реквизитов, бутафорий, мебели и материальные), мастерские (живописные, постижерные, бутафорские, столярные, художника, макетные, трафаретные, объемных декораций, пошивочные, обувные), кладовые (красок, хозяйственные, машиниста и электрика сцены, бельевые), гардеробные для актеров и костюмерные следует относить к пожароопасным зонам класса П-IIa, если указанные помещения по условиям эксплуатации и характеристикам примененного оборудования не отнесены к более высокому классу по взрывопожарной опасности.
Таблица 7.2.1. Категории электроприемников зрелищных предприятий по надежности электроснабжения
|
Наименование электроприемника |
Категория по надежности электроснабжения при суммарной вместимости зрительных залов, чел. |
|
|
менее 800 |
800 и более |
|
|
1. Электродвигатели пожарных насосов, автоматическая пожарная сигнализация и пожаротушение, системы противодымной защиты, оповещения о пожаре, противопожарного занавеса, освещения безопасности и эвакуационного |
I |
I |
|
2.Электроприемники постановочного освещения |
III |
II |
|
3. Электроприемники сценических механизмов |
III |
II |
|
4.Электроприемники технических аппаратных и систем звукофикации |
III |
II |
|
5. Остальные электроприемники, не указанные в пп. 1-4, а также комплексы электроприемников зданий с залами вместимостью 300 мест и менее |
III |
III |
7.2.12. Категории электроприемников по надежности электроснабжения приведены в табл. 7.2.1.
7.2.13. Питание электроустановок зрелищных предприятий может осуществляться как от собственной (абонентской) ТП (встроенной, пристроенной или отдельно стоящей), так и от ТП общего пользования.
К линиям 0,4 кВ, питающим зрелищное предприятие от ТП общего пользования, не допускается присоединение электроустановок других потребителей. Допускается осуществлять питание электроустановок других потребителей от собственной (абонентской) ТП зрелищного предприятия.
7.2.14. Электроснабжение зрелищного предприятия с суммарным (при нескольких зрительных залах в одном здании) количеством мест в зрительных залах 800 и более и детских зрелищных предприятий независимо от количества мест должно удовлетворять следующим требованиям:
1. Питание электроприемников рекомендуется выполнять от двух трансформаторов собственной (абонентской) ТП. При нецелесообразности сооружения собственной ТП питание электроприемников следует осуществлять от двух трансформаторов ТП общего пользования.
2. Трансформаторы должны получать питание, как правило, от двух независимых источников 6-10 кВ.
3. При отключении одного трансформатора оставшийся в работе трансформатор должен обеспечить питание всех электроприемников зрелищного предприятия.
4. ГРЩ должен иметь две секции шин 380/220 В с устройствами АВР на шинах. Питание секций ГРЩ от трансформаторов следует выполнять взаимно резервируемыми линиями. При совмещении ГРЩ со щитом ТП или КТП АВР устанавливается на щите ТП или КТП.
7.2.15. Электроснабжение зрелищного предприятия с суммарным количеством мест в зрительных залах менее 800 должно удовлетворять следующим требованиям:
1. Питание электроприемников следует выполнять, как правило, от двух трансформаторов ТП общего пользования. Допускается осуществлять питание ГРЩ (ВРУ) зрелищного предприятия от одного трансформатора при условии прокладки от ТП до ГРЩ (ВРУ) двух взаимно резервируемых линий.
2. При отключении одного трансформатора оставшийся в работе трансформатор должен обеспечивать питание основных электроприемников зрелищного предприятия.
3. ГРЩ (ВРУ) должен иметь две секции шин 380/220 В. Питание секций следует предусматривать отдельными взаимно резервируемыми линиями от ТП. Переключение питания на секциях ГРЩ (ВРУ) должно осуществляться, как правило, вручную.
4. Для электроприемников 1 категории по надежности электроснабжения должен быть предусмотрен второй независимый источник питания.
7.2.16. Электроснабжение зрелищного предприятия с суммарным количеством мест в зрительных залах до 300 может осуществляться от одного трансформатора ТП общего пользования.
7.2.17. При размещении зрелищного предприятия с суммарным количеством мест до 300, за исключением детских зрелищных предприятий (см. п. 7.2.14), в здании другого назначения питание электроприемников зрелищного предприятия допускается осуществлять от общего ГРЩ (ВРУ).
7.2.18. Пристроенные или встроенные ТП с трансформаторами, имеющими масляное заполнение, должны удовлетворять требованиям гл. 4.2, а также следующим требованиям:
1. Каждый трансформатор должен быть установлен в отдельной камере, имеющей выход только наружу. При применении КТП разрешается установка в одном помещении одной КТП с двумя трансформаторами. Помещения ТП и КТП должны размещаться на первом этаже.
2. Двери трансформаторных камер или помещений КТП должны быть расположены на расстоянии не менее 5 м от ближайшей двери для прохода зрителей или эвакуационного выхода.
3. Предусматривать выходы (двери) из помещений ТП и КТП непосредственно на пути эвакуации не допускается.
7.2.19. Комплектные трансформаторные подстанции с трансформаторами, не имеющими масляного заполнения, могут располагаться внутри здания в отдельном помещении. При этом должна быть обеспечена возможность транспортировки оборудования КТП для замены и ремонта.
7.2.20. В помещениях ТП, КТП могут размещаться РУ и вращающиеся преобразователи до 1 кВ для питания электроприводов механизмов сцены, шкафы с аккумуляторными батареями и тиристорные регуляторы постановочного освещения при условии обслуживания всего электрооборудования, расположенного в помещении, персоналом объекта.
7.2.21. Распределительное устройство ТП выше 1 кВ должно размещаться в отдельном помещении с самостоятельными запирающимися входами для обслуживания персоналом энергоснабжающей организации,
Размещение РУ до 1 кВ и выше в одном помещении допускается только при условии их эксплуатации персоналом одной организации.
Требование о размещении РУ до 1 кВ и выше в разных помещениях не распространяется на КТП. Высоковольтная часть КТП в необходимых случаях пломбируется организацией, в ведении которой она находится.
7.2.22. К линиям, питающим электроакустические и кинотехнические устройства, подключение других электроприемников не допускается,
7.2.23. Питание освещения безопасности и эвакуационного освещения должно выполняться в соответствии с требованиями гл. 6.1 и учетом дополнительных требований, приведенных в пп. 7.2.24 и 7.2.25.
7.2.24. Для питания в аварийных режимах освещения безопасности, эвакуационного освещения и пожарной сигнализации в зрелищных предприятиях рекомендуется установка аккумуляторных батарей.
Установку аккумуляторных батарей для указанных целей в обязательном порядке необходимо предусматривать:
1. В детских зрелищных предприятиях независимо от количества мест и числа источников питания.
2. В зрелищных предприятиях (кроме кинотеатров) с суммарным количеством мест в зрительных залах 800 и более независимо от числа источников питания.
3. При наличии одного источника питания:
- в клубных учреждениях при суммарном количестве мест в зрительных залах более 500;
- в остальных зрелищных предприятиях при суммарном количестве мест в зрительных залах более 300.
При наличии двух источников питания для указанных в п. 3 зрелищных предприятий аккумуляторные батареи могут не устанавливаться.
Аккумуляторные батареи также могут не устанавливаться:
¨ в кинотеатрах при суммарном количестве мест в зрительных залах менее 800;
¨ в клубных учреждениях при суммарном количестве мест 500 и менее;
¨ в остальных зрелищных предприятиях при количестве мест в зрительных залах 300 и менее.
7.2.25. Шкафы с переносными аккумуляторными батареями разрешается устанавливать внутри любых помещений, за исключением помещений для зрителей и артистов. Переносные аккумуляторные батареи напряжением до 48 В емкостью до 150 А×ч для питания аварийного освещения и пожарной сигнализации, устанавливаемые в металлических шкафах с естественной вытяжной вентиляцией наружу здания, могут заряжаться на месте их установки. При этом класс помещения по взрыво- и пожароопасности не меняется.
Емкость аккумуляторных батарей должна быть выбрана из расчета непрерывной работы светильников аварийного освещения в течение 1 ч.
Кислотные аккумуляторные установки на напряжение выше 48 В и емкостью более 150 А×ч следует выполнять в соответствии с требованиями гл. 5.5.
7.2.26. Допустимые отклонения напряжения у осветительных приборов должны соответствовать требованиям ГОСТ 13109-87 «Электрическая энергия. Требования к качеству электрической энергии в электрических сетях общего назначения».
7.2.27. Осветительные приборы постановочного освещения должны иметь предохранительные сетки, исключающие выпадение светофильтров, линз, ламп, других внутренних частей световых приборов и осколков стекла или кварца в случае разрыва лампы.
7.2.28. Постановочное освещение, освещение пюпитров оркестра должны иметь плавное регулирование яркости источников света. Для клубных учреждений при количестве мест в зрительном зале до 500 допускается иметь нерегулируемое освещение.
7.2.29. В зрительных залах вместимостью более 500 мест рекомендуется предусматривать плавное регулирование яркости источников света.
7.2.30. В помещениях для зрителей должно быть предусмотрено дежурное освещение, обеспечивающее пониженную освещенность не менее 15 % нормируемой в этих помещениях. Допускается использовать в качестве части дежурного освещения аварийное или эвакуационное освещение.
7.2.31. В зрительных залах со стационарными киноустановками в случае аварийного прекращения кинопроекции должно предусматриваться автоматическое включение светильников, обеспечивающих не менее 15 % нормируемой освещенности для режима освещения зала в перерывах между киносеансами.
7.2.32. Управление рабочим и дежурным освещением должно быть предусмотрено:
¨ для зрительного зала - из аппаратной управления постановочным освещением, из кинопроекционной, с поста главного билетера или от входа в зрительный зал;
¨ для сцены, эстрады - из аппаратной управления постановочным освещением, с пульта на сцене (эстраде);
¨ для вестибюлей, фойе, кулуаров, гардеробов, буфетов, санузлов, курительных и других помещений для зрителей - централизованное управление рабочим освещением с поста главного билетера или от входа в зрительный зал, а дежурным освещением, кроме того, из помещения пожарного поста (при его наличии) или ГРЩ.
7.2.33. Освещение безопасности должно выполняться в помещениях сцены (эстрады), касс, администратора, гардероба, постов охраны, пожарного поста, технических аппаратных, здравпунктов, ТП, КТП, ГРЩ, телефонной станции и в помещениях для животных в цирках.
Эвакуационное освещение должно быть предусмотрено во всех помещениях, где возможно пребывание более 50 чел., а также на всех лестницах, проходах и других путях эвакуации.
7.2.34. Световые указатели должны быть размещены над дверями по путям эвакуации из зрительного зала, со сцены (эстрады, манежа) и из других помещений в направлении выхода из здания и иметь окраску в соответствии с НПБ 160-97 «Цвета сигнальные. Знаки пожарной безопасности. Виды, размеры, общие технические требования».
Световые указатели должны присоединяться к источнику питания освещения безопасности или эвакуационного освещения или автоматически на него переключаться при исчезновении напряжения на питающих их основных источниках. Световые указатели должны быть включены в течение всего времени пребывания зрителей в здании.
7.2.35. Управление освещением безопасности и эвакуационным освещением должно предусматриваться из помещения пожарного поста, из щитовой аварийного освещения или с ГРЩ (ВРУ).
7.2.36. Для освещения безопасности и эвакуационного освещения, включаемого или переключаемого на питание от аккумуляторной установки, должны применяться лампы накаливания.
Люминесцентные лампы могут применяться при питании светильников от аккумуляторной установки через преобразователи постоянного тока в переменный.
7.2.37. Освещение пюпитров оркестрантов в оркестровой яме должно производиться светильниками, присоединенными к штепсельным розеткам.
7.2.38. В зрелищных предприятиях должна предусматриваться возможность присоединения иллюминационных и рекламных установок.
7.2.39. Питание электродвигателей пожарных насосов, систем противодымной защиты, пожарной сигнализации и пожаротушения, оповещения о пожаре следует предусматривать по самостоятельным линиям от подстанций, ГРЩ или ВРУ.
7.2.40. Включение электродвигателей пожарных насосов и систем противодымной защиты и установок противопожарной автоматики должно сопровождаться автоматическим отключением электроприемников систем вентиляции и кондиционирования воздуха. Допускается автоматическое отключение и другого силового электрооборудования, за исключением электродвигателей противопожарного занавеса, циркуляционных насосов и лифтов.
7.2.41. Пуск электродвигателей пожарных насосов следует выполнять:
¨ дистанционно от кнопок у пожарных кранов - при отсутствии спринклерных и дренчерных устройств;
¨ автоматически - при наличии спринклерных и дренчерных устройств с дистанционным дублированием (для пуска и остановки) из помещений пожарного поста и насосной.
Пуск электродвигателей пожарных насосов должен контролироваться в помещении пожарного поста световым и звуковым сигналами.
7.2.42. Электроприводы механизмов сцены должны автоматически отключаться по достижении механизмами крайних положений.
Электроприводы механизмов сценических подъемов, противопожарного занавеса, подъемно-спускных площадок и подъемно-транспортных устройств (кроме тельферных) должны иметь аварийное автоматическое отключение переспуска и переподъема непосредственно в силовой цепи, после срабатывания которого должен быть исключен пуск электроприводов аппаратами ручного или автоматического управления.
7.2.43. При количестве сценических подъемов более десяти следует предусматривать на пульте механизмов сцены, а при его отсутствии - на пульте помощника режиссера, аппарат управления, обеспечивающий одновременное отключение всех сценических подъемов.
7.2.44. Для аварийной остановки всех механизмов, обслуживающих сцену (эстраду, манеж), должны предусматриваться отключающие аппараты, располагаемые не менее чем в двух местах, откуда хорошо просматривается работа этих механизмов.
7.2.45. Двери в ограждениях вращающейся части сцены (эстрады), подъемно-спускных площадок сцены и оркестра, софитов, технологических подъемников должны быть снабжены блокировочными устройствами, отключающими электродвигатели при открывании дверей и исключающими пуск механизмов после закрывания дверей без дополнительных действий (поворот ключа, нажатие кнопки и т.п.).
7.2.46. Механизмы, имеющие кроме электрического привода механический ручной привод, должны быть снабжены блокировкой, отключающей электропривод при переходе на ручное управление.
7.2.47. Контакты приборов и аппаратов, предназначенные для обеспечения безопасности, должны работать на размыкание соответствующей цепи при исчезновении питания катушки данного прибора или аппарата.
7.2.48. Противопожарный занавес должен быть снабжен блокировками, автоматически отключающими электродвигатель при ослаблении тяговых тросов и гравитационном спуске занавеса. Движение противопожарного занавеса должно сопровождаться световой и звуковой сигнализацией на планшете сцены и в помещении пожарного поста.
7.2.49. Управление дымовыми люками должно предусматривать возможность как одновременного открытия всех люков, так и раздельного открытия и закрытия каждого люка. Допускается предусматривать закрытие дымовых люков вручную.
Управление лебедкой дымовых люков должно предусматриваться с планшета сцены, из помещения пожарного поста-диспетчерской и помещения лебедки.
7.2.50. В дополнение к требованиям гл. 3.1 должны быть защищены от перегрузки силовые сети в пределах сцены (эстрады, манежа).
7.2.51. Кабели и провода должны приниматься с медными жилами, электропроводки не должны распространять горение:
¨ в зрительных залах, в том числе в пространстве над залами и за подвесными потолками;
¨ на сцене, в чердачных помещениях с горючими конструкциями;
¨ для цепей управления противопожарными устройствами, а также линий пожарной и охранной сигнализации, звукофикации, линий постановочного освещения и электроприводов сценических механизмов.
В остальных помещениях для питающих и распределительных сетей допускается применение кабелей и проводов с алюминиевыми жилами сечением не менее 16 мм2.
7.2.52. В зрительных залах, фойе, буфетах и других помещениях для зрителей электропроводку рекомендуется выполнять скрытой сменяемой.
7.2.53. Кабели и провода должны прокладываться в стальных трубах в пределах сцены (эстрады, манежа), а также в зрительных залах независимо от количества мест.
7.2.54. Для линий постановочного освещения допускается прокладка в одной стальной трубе до 24 проводов при условии, что температура не будет превышать нормированную для изоляции проводов.
7.2.55. Линии, питающие осветительные приборы постановочного освещения, размещаемые на передвижных конструкциях, следует выполнять гибким медным кабелем.
7.2.56. Электропроводки, питающие переносные и передвижные электроприемники и электроприемники на виброизолирующих основаниях, следует предусматривать в соответствии с требованиями гл. 2.1.
7.2.57. Переходы от стационарной электропроводки к подвижной следует выполнять через электрические соединители (или коробки зажимов), устанавливаемые в доступных для обслуживания местах.
7.2.58. Заземление и защитные меры безопасности электроустановок следует выполнять в соответствии с требованиями гл. 1.7, 7.1 и дополнительными требованиями, приведенными в данном разделе.
7.2.59. Подвижные металлические конструкции сцены (эстрады, манежа), предназначенные для установки осветительных и силовых электроприемников (софитные фермы, портальные кулисы и т.п.), должны быть подключены к защитному заземлению посредством отдельного гибкого медного провода или жилы кабеля, которые не должны одновременно служить проводниками рабочего тока.
Подключение вращающейся части сцены и аппаратуры, размещаемой на ней, допускается осуществлять через кольцевой контакт с двойным токосъемом.
7.2.60. Металлические корпуса и конструкции кинотехнологических устройств, а также распределительных систем и сетей электроакустики, телевидения, связи и сигнализации должны присоединяться к защитному заземлению.
Электротехнические и звуковоспроизводящие кинотехнологические установки, а также оборудование связи и телевидения, требующие пониженного уровня шумов, должны подключаться, как правило, к самостоятельному заземляющему устройству, заземлители которого должны находиться на расстоянии не менее 20 м от других заземлителей, а заземляющие проводники должны быть изолированы от проводников защитного заземления электроустановок.
Сопротивление самостоятельного заземляющего устройства должно соответствовать требованиям предприятия - изготовителя аппаратуры или ведомственным нормам, но не должно превышать 4 Ом.
7.5.1. Настоящая глава Правил распространяется на производственные и лабораторные установки электропечей и электронагревательных устройств переменного тока промышленной - 50 Гц, пониженной - ниже 50 Гц, повышенно-средней - до 30 кГц, высокой - от 30 кГц до 300 МГц и сверхвысокой частоты - от 300 МГц до 300 ГГц и постоянного (выпрямленного) тока:
дуговых прямого (включая вакуумные дуговые), косвенного действия и комбинированного нагрева с преобразованием электроэнергии в тепловую в электрической дуге и в сопротивлении шихты, в том числе руднотермических (рудовосстановительных, ферросплавных), а также плазменных нагревательных и плавильных;
индукционных нагревательных (включая закалочные) и плавильных (тигельных и канальных);
диэлектрического нагрева;
сопротивления прямого и косвенного нагрева (с любым материалом нагревателя: твердым и жидким), в том числе печей электрошлакового переплава1 - ЭШП, литья - ЭШЛ и наплавки - ЭШН, а также печей электродных расплавления флюса для перечисленных разновидностей электрошлаковых печей;
1 Дуговой процесс только при «твердом старте» печей ЭШП и лишь весьма короткий промежуток времени, в среднем около 1 % периода плавки, причем «твердый старт» в ЭШП используется редко, а в ЭШЛ и ЭШН вообще не применяется. Флюсоплавильные (шлакоплавильные) печи при дуговом процессе также работают относительно короткое время.
электронно-лучевых;
ионных;
лазерных.
Требования настоящей главы Правил распространяются на все элементы электроустановок перечисленных видов электропечей и электронагревательных устройств любых конструкций, назначений и режимов работы, а также с любыми средами (воздух, вакуум, инертный газ и т.п.) и давлениями в их рабочих камерах.
7.5.2. Электротермические установки и используемое в них электротехническое и другое оборудование кроме требований настоящей главы должны удовлетворять требованиям разд. 1-6, а также гл. 7.3 и 7.4 в той мере, в какой они не изменены настоящей главой.
7.5.3. Электротермическая установка (ЭТУ) - комплекс функционально связанных элементов: специализированного электротермического и другого электротехнического, а также механического оборудования, средств управления, автоматики и КИП, обеспечивающих проведение соответствующего технологического процесса.
В состав ЭТУ в зависимости от ее назначения и конструктивного исполнения оборудования входят: кабельные линии, электропроводки и токопроводы между элементами установки, а также трубопроводы систем водоохлаждения и гидравлического привода; трубопроводы линий сжатого воздуха, азота, аргона, гелия, водорода, углекислого газа и других газов, водяного пара или вакуума, системы вентиляции и очистки газов, а также элементы строительных конструкций (фундаменты, рабочие площадки и т.п.).
7.5.4. Электротермическое оборудование (ЭТО) -электротехнологическое оборудование, предназначенное для преобразования электрической энергии в тепловую с целью нагревания (расплавления) материалов.
К ЭТО относятся электрические печи (электропечи) и электронагревательные устройства (приборы, аппараты). Электропечи отличаются от электронагревательных устройств тем, что имеют камеру или ванну.
В разновидностях ЭТУ, перечисленных в 7.5.1, во входящем в состав этих установок ЭТО электрическая энергия преобразуется в тепловую, в основном, тремя способами:
непосредственно в заданных элементах (элементе) этой цепи или между заданными элементами (например, почти полностью или частично между одним или несколькими электродами и шихтой, слитком) на переменном токе промышленной и пониженной частоты, на постоянном токе, а при использовании в плазменных печах индукционных плазменных горелок - на токе высокой или сверхвысокой частоты;
в результате создания у заданного элемента (элементов) указанной цепи электромагнитного поля или электрического поля с последующим превращением в нагреваемом (расплавляемом) материале энергии поля в тепловую энергию;
посредством формирования потока электронов, ионов или лазерного луча с воздействием (вид определяется требованиями технологии) на обрабатываемый материал, как правило, на его поверхность.
Рабочее напряжение ЭТУ по номинальному значению делится на три класса:
до 50 В переменного или 110 В постоянного тока;
более указанного выше напряжения до 1600 В переменного или постоянного тока;
более 1600 В переменного или постоянного тока.
7.5.5. Печная трансформаторная или преобразовательная подстанция - подстанция, входящая в состав ЭТУ, выполняющая функции и содержащая элементы, указанные в гл. 4.2 и 4.3.
7.5.6. Печной силовой трансформатор (трансформаторный агрегат) или автотрансформатор - соответственно трансформатор или автотрансформатор ЭТУ, преобразующий электроэнергию переменного тока с напряжения сети на рабочее напряжение электрической печи (электронагревательного устройства).
Печной преобразовательный трансформатор - трансформатор, передающий электроэнергию к преобразовательному (выпрямительному) устройству ЭТУ.
7.5.7. Печной выключатель - выключатель, коммутирующий главные силовые цепи переменного тока ЭТУ, оперативно-защитный или оперативный выключатель, функции которого приведены в 7.5.10.
7.5.8. Категория электроприемников основного оборудования и вспомогательных механизмов, а также объем резервирования электрической части должны определяться с учетом особенностей ЭТУ и предъявляемых действующими стандартами нормами и правилами требований к оборудованию ЭТУ, системам снабжения его водой, газами, сжатым воздухом, создания и поддержания в рабочих камерах давления или разрежения.
К III категории рекомендуется относить электроприемники ЭТУ цехов и участков несерийного производства: кузнечных, штамповочных, прессовых, механических, механосборочных и окрасочных; цехов и участков (отделений и мастерских) инструментальных, сварочных, сборного железобетона, деревообрабатывающих и деревообделочных, экспериментальных, ремонтных, а также лабораторий, испытательных станций, гаражей, депо, административных зданий.
7.5.9. ЭТУ, в которых электрическая энергия преобразуется в тепловую на постоянном токе, переменном токе пониженной, повышенно-средней, высокой или сверхвысокой частоты, рекомендуется снабжать преобразователями, присоединяемыми к питающим электрическим сетям общего назначения непосредственно или через самостоятельные печные (силовые, преобразовательные) трансформаторы.
Печными (силовыми) трансформаторами или автотрансформаторами рекомендуется оборудовать также ЭТУ промышленной частоты с дуговыми печами (вне зависимости от их напряжения и мощности) и установки с печами1 индукционными и сопротивления, работающие на напряжении, отличающемся от напряжения электрической сети общего назначения, или с печами индукционными и сопротивления однофазными единичной мощностью 0,4 МВт и более, трехфазными - 1,6 МВт и более.
1 Здесь и далее в гл. 7.5 помимо электропечей имеются в виду также и электронагревательные устройства.
Преобразователи и печные (преобразовательные) трансформаторы (автотрансформаторы), как правило, должны иметь вторичное напряжение в соответствии с требованиями технологического процесса, а первичное напряжение ЭТУ должно выбираться с учетом технико-экономической целесообразности.
Печные трансформаторы (автотрансформаторы) и преобразователи, как правило, должны снабжаться устройствами для регулирования напряжения, когда это необходимо по условиям проведения технологического процесса.
7.5.10. Первичная цепь каждой ЭТУ, как правило, должна содержать следующие коммутационные и защитные аппараты в зависимости от напряжения питающей электросети промышленной частоты:
до 1 кВ - выключатель (рубильник с дугогасящими контактами, пакетный выключатель) на вводе и предохранители, или блок выключатель-предохранитель, или автоматический выключатель с электромагнитными и тепловыми расцепителями;
выше 1 кВ - разъединитель (отделитель или разъемное контактное соединение КРУ) на вводе и выключатель оперативно-защитного назначения или разъединитель (отделитель, разъемные контактные соединения КРУ) и два выключателя - оперативный и защитный.
Для включения электронагревательного устройства мощностью менее 1 кВт в электрическую цепь напряжением до 1 кВ допускается использовать на вводе втычные разъемные контактные соединения, присоединяемые к линии (магистральной или радиальной), устройство защиты которой установлено в силовом (осветительном) пункте или на щитке.
В первичных цепях ЭТУ напряжением до 1 кВ допускается в качестве вводных коммутационных аппаратов использовать рубильники без дугогасящих контактов при условии, что коммутация ими выполняется без нагрузки.
Выключатели напряжением выше 1 кВ оперативно-защитного назначения в ЭТУ, как правило, должны выполнять операции включения и отключения электротермического оборудования (печей или устройств), обусловленные эксплуатационными особенностями его работы, и защиту от КЗ и ненормальных режимов работы.
Оперативные выключатели напряжением выше 1 кВ ЭТУ должны выполнять оперативные и часть защитных функций, объем которых определяется при конкретном проектировании, но на них не должна возлагаться защита от КЗ (кроме эксплуатационных КЗ, не устраняемых в случае неисправности системы автоматического регулирования печи), которую должны осуществлять защитные выключатели.
Оперативно-защитные и оперативные выключатели напряжением выше 1 кВ допускается устанавливать как на печных подстанциях, так и в цеховых (заводских и т.п.) распределительных устройствах.
Допускается устанавливать один защитный выключатель для защиты группы электротермических установок.
7.5.11. В электрических цепях напряжением выше 1 кВ с числом коммутационных операций в среднем пять циклов включения-отключения в сутки и более должны применяться специальные выключатели повышенной механической и электрической износостойкости, соответствующие требованиям действующих стандартов.
7.5.12. Электрическую нагрузку присоединяемых к электрической сети общего назначения нескольких однофазных электроприемников ЭТУ рекомендуется распределять между тремя фазами сети таким образом, чтобы во всех возможных эксплуатационных режимах работы несимметрия напряжений, вызываемая их нагрузкой, как правило, не превышала бы значений, допускаемых действующим стандартом.
В случаях, когда такое условие при выбранной точке присоединения к сети общего назначения однофазных электроприемников ЭТУ не соблюдается и при этом нецелесообразно (по технико-экономическим показателям) присоединять эти электроприемники к более мощной электрической сети (т.е. к точке сети с большей мощностью КЗ), рекомендуется снабжать ЭТУ симметрирующим устройством или параметрическим источником тока, либо устанавливать коммутационные аппараты, с помощью которых возможно перераспределение нагрузки однофазных электроприемников между фазами трехфазной сети (при нечастом возникновении несимметрии в процессе работы).
7.5.13. Электрическая нагрузка ЭТУ, как правило, не должна вызывать в электрических сетях общего назначения несинусоидальности кривой напряжения, при которой не соблюдается требование действующего стандарта. При необходимости рекомендуется снабжать печные понижающие или преобразовательные подстанции или питающие их цеховые (заводские) трансформаторные подстанции фильтрами высших и в некоторых случаях низших гармоник, либо принимать другие меры, уменьшающие искажение формы кривой напряжения электрической сети.
7.5.14. Коэффициент мощности ЭТУ, присоединяемых к электрическим сетям общего назначения, как правило, должен быть не ниже 0,98. ЭТУ единичной мощностью 0,4 МВт и более, естественный коэффициент мощности которых ниже указанного значения, рекомендуется снабжать индивидуальными компенсирующими устройствами, которые не следует включать в ЭТУ, если технико-экономическими расчетами выявлены явные преимущества групповой компенсации.
7.5.15. Для ЭТУ, присоединяемых к электрическим сетям общего назначения, для которых в качестве компенсирующего устройства используются конденсаторные батареи, схему включения конденсаторов (параллельно или последовательно с электротермическим оборудованием), как правило, следует выбирать на основе технико-экономических расчетов, характера изменения индуктивной нагрузки установки и формы кривой напряжения, определяемой составом высших гармоник.
7.5.16. Напряжение печных (включая преобразовательные) подстанций, в том числе внутрицеховых, количество, мощность устанавливаемых в них трансформаторов, автотрансформаторов, преобразователей или реакторов как сухих, так и маслонаполненных или заполненных экологически безопасной негорючей жидкостью, высота (отметка) их расположения по отношению к полу первого этажа здания, расстояние между камерами с маслонаполненным оборудованием разных подстанций не ограничиваются при условии, что рядом могут располагаться только две камеры (два помещения) с маслонаполненным оборудованием печных трансформаторных или преобразовательных подстанций, разделенные стеной с пределом огнестойкости, указанным в 7.5.22 для несущих стен; расстояние до расположенных в одном ряду с ними аналогичных двух1 камер (помещений) при их суммарном числе до шести должно быть не менее 1,5 м, при большем числе после каждых шести камер (помещений) следует устраивать проезд шириной не менее 4 м.
1 Или одной при их суммарном числе три или пять.
7.5.17. Под маслонаполненным оборудованием печных подстанций должны сооружаться:
при массе масла в одном баке (полюсе) до 60 кг - порог или пандус для удержания полного объема масла;
при массе масла в одном баке (полюсе) от 60 до 600 кг - приямок или маслоприемник для удержания полного объема масла;
при массе масла более 600 кг - маслоприемник на 20 % объема масла с отводом в маслосборный бак.
Маслосборный бак должен быть подземным и располагаться вне зданий на расстоянии не менее 9 м от стен I-II степеней огнестойкости и не менее 12 м от стен III-IV степеней огнестойкости по СНиП 21-01-97 «Пожарная безопасность зданий и сооружений». Маслоприемник должен перекрываться металлической решеткой, поверх которой следует насыпать слой промытого просеянного гравия или непористого щебня с частицами от 30 до 70 мм толщиной не менее 250 мм.
7.5.18. Под устройствами для приема масла не допускается располагать помещения с постоянным пребыванием людей. Ниже них пульт управления ЭТУ может находиться только в отдельном помещении, имеющем защитный гидроизолированный потолок, исключающий попадание масла в пультовое помещение даже при малой вероятности появления течи из любых устройств для приема масла. Должна быть обеспечена возможность систематического осмотра гидроизоляции потолка, предел его огнестойкости - не менее 0,75 ч.
7.5.19. Вместимость подземного сборного бака должна быть не менее суммарного объема масла в оборудовании, установленном в камере, а при присоединении к сборному баку нескольких камер - не менее наибольшего суммарного объема масла одной из камер.
7.5.20. Внутренний диаметр маслоотводных труб, соединяющих маслоприемники с подземным сборным баком, определяется по формуле
D ³ 40
,
где М - масса масла в оборудовании, расположенном в камере (помещении) над данным маслоприемником, т;
п - число труб, прокладываемых от маслоприемника до подземного сборного бака. Этот диаметр должен быть не менее 100 мм.
Маслоотводные трубы со стороны маслоприемников должны закрываться съемными сетками из латуни или нержавеющей стали с размерами ячеек 3´3 мм. При необходимости поворота трассы радиус изгиба трубы (труб) должен быть не меньше пяти диаметров трубы. На горизонтальных участках труба должна иметь уклон не менее 0,02 в сторону сборного бака. При всех условиях время удаления масла в подземный сборный бак должно быть менее 0,75 ч.
7.5.21. Камеры (помещения) с маслонаполненным электрооборудованием следует снабжать автоматическими системами пожаротушения при суммарном количестве масла, превышающем 10 т - для камер (помещений), расположенных на отметке первого этажа и выше, и 0,6 т - для камер (помещений), расположенных ниже отметки первого этажа.
Эти системы пожаротушения должны иметь помимо автоматического также и ручные режимы пуска (местный - для опробования и дистанционный - с пульта управления ЭТУ).
При суммарном количестве масла в указанных камерах (помещениях) менее 10 и 0,6 т соответственно они должны оборудоваться пожарной сигнализацией.
7.5.22. При установке трансформаторов, преобразователей и другого электрооборудования ЭТУ в камере внутрицеховой печной (в том числе преобразовательной) подстанции или в другом отдельном помещении (вне отдельных помещений - камер - устанавливать электрооборудование ЭТУ при количестве масла в нем более 60 кг не допускается, за исключением расположения его вне зданий согласно гл. 4.2) его строительные конструкции, в зависимости от массы масла в данном помещении, должны иметь пределы огнестойкости не ниже I степени по СНиП 21-01-97.
7.5.23. Оборудование ЭТУ вне зависимости от его номинального напряжения допускается размещать непосредственно в производственных помещениях, если его исполнение соответствует условиям среды в данном помещении.
При этом во взрыво-, пожароопасных и наружных зонах помещений допускается размещать только такое оборудование ЭТУ, которое имеет нормируемые для данной среды уровни и виды взрывозащиты или соответствующую степень защиты оболочки.
Конструкция и расположение самого оборудования и ограждений должны обеспечивать безопасность персонала и исключать возможность механического повреждения оборудования и случайных прикосновений персонала к токоведущим и вращающимся частям.
Если длина электропечи, электронагревательного устройства или нагреваемого изделия, такова, что выполнение ограждений токоведущих частей вызывает значительное усложнение конструкции или затрудняет обслуживание ЭТУ, допускается устанавливать вокруг печи или устройства в целом ограждение высотой не менее 2 м с блокированием, исключающим возможность открывания дверей до отключения установки.
7.5.24. Силовое электрооборудование напряжением до 1,6 кВ и выше, относящееся к одной ЭТУ (печные трансформаторы, статические преобразователи, реакторы, печные выключатели, разъединители и т.п.), а также вспомогательное оборудование гидравлических приводов и систем охлаждения печных трансформаторов и преобразователей (насосы замкнутых систем водяного и масляно-водяного охлаждения, теплообменники, абсорберы, вентиляторы и др.) допускается устанавливать в общей камере. Указанное электрооборудование должно иметь ограждение открытых токоведущих частей, а оперативное управление приводами коммутационных аппаратов должно быть вынесено за пределы камеры. Электрооборудование нескольких ЭТУ рекомендуется в обоснованных случаях располагать в общих электропомещениях, например в электромашинных помещениях, с соблюдением требований гл. 5.1.
7.5.25. Трансформаторы, преобразовательные устройства и агрегаты ЭТУ (двигатель-генераторные и статические - ионные и электронные, в том числе полупроводниковые устройства и ламповые генераторы) рекомендуется располагать на минимально возможном расстоянии от присоединенных к ним электропечей и электронагревательных устройств (аппаратов). Минимальные расстояния в свету от наиболее выступающих частей печного трансформатора, расположенных на высоте до 1,9 м от пола, до стенок трансформаторных камер при отсутствии в камерах другого оборудования рекомендуется принимать:
до передней стенки камеры (со стороны печи или электронагревательного устройства) - 0,4 м для трансформаторов мощностью менее 0,4 МВ×А, 0,6 м - от 0,4 до 12,5 МВ×А и 0,8 м - более 12,5 МВ×А;
до боковых и задней стенок камеры - 0,8 м при мощности трансформатора менее 0,4 МВ×А, 1 м - от 0,4 до 12,5 МВ×А и 1,2 м - более 12,5 МВ×А;
до соседнего печного трансформатора (автотрансформатора) - 1 м при мощности до 12,5 МВ×А и 1,2 м - более 12,5 МВ×А для вновь проектируемых печных подстанций и соответственно 0,8 и 1 м - для реконструируемых;
допускается уменьшение указанных расстояний на 0,2 м на длине не более 1 м.
При совместной установке в общей камере печных трансформаторов и другого оборудования (согласно 7.5.24) ширину проходов и расстояние между оборудованием, а также между оборудованием и стенками камеры рекомендуется принимать на 10-20 % больше указанных значений.
7.5.26. ЭТУ должны быть снабжены блокировками, обеспечивающими безопасное обслуживание электрооборудования и механизмов этих установок, а также правильную последовательность оперативных переключений. Открывание дверей шкафов, расположенных вне электропомещений, а также дверей камер (помещений) распределительных устройств, имеющих доступные для прикосновения токоведущие части, должно быть возможно лишь после снятия напряжения с установки, двери должны иметь блокирование, действующее на снятие напряжения с установки без выдержки времени.
7.5.27. ЭТУ должны быть оборудованы устройствами защиты в соответствии с требованиями гл. 3.1 и 3.2. Защита дуговых печей и дуговых печей сопротивления должна выполняться в соответствии с требованиями, изложенными в 7.5.46, индукционных - в 7.5.54 (см. также 7.5.38).
7.5.28. ЭТУ, как правило, должны иметь автоматические регуляторы электрического режима работы, за исключением ЭТУ, в которых их применение нецелесообразно по технологическим или технико-экономическим причинам.
Для установок, в которых при регулировании электрического режима (или для защиты от перегрузки) необходимо учитывать значение переменного тока, трансформаторы (или другие датчики) тока, как правило, следует устанавливать на стороне низшего напряжения. В ЭТУ с большими значениями тока во вторичных токоподводах трансформаторы тока допускается устанавливать на стороне высшего напряжения. При этом, если печной трансформатор имеет переменный коэффициент трансформации, рекомендуется использовать согласующие устройства.
7.5.29. Измерительные приборы и аппараты защиты, а также аппараты управления ЭТУ должны устанавливаться так, чтобы была исключена возможность их перегрева (от тепловых излучений и других причин).
Щиты и пульты (аппараты) управления ЭТУ должны, как правило, располагаться в местах, где обеспечивается возможность наблюдения за проводимыми на установках производственными операциями.
Направление движения рукоятки аппарата управления приводом наклона печей должно соответствовать направлению наклона.
Если ЭТУ имеют значительные габариты и обзор с пульта управления недостаточен, рекомендуется предусматривать оптические, телевизионные или другие устройства для наблюдения за технологическим процессом.
При необходимости должны устанавливаться аварийные кнопки для дистанционного отключения всей установки или отдельных ее частей.
7.5.30. На щитах управления ЭТУ должна предусматриваться сигнализация включенного и отключенного положений оперативных коммутационных аппаратов (см. 7.5.10), в установках единичной мощностью 0,4 МВт и более рекомендуется предусматривать также сигнализацию включенного положения вводных коммутационных аппаратов.
7.5.31. При выборе сечений токопроводов ЭТУ на токи более 1,5 кА промышленной частоты и на любые токи повышенно-средней, высокой и сверхвысокой частоты, в том числе в цепях фильтров высших гармоник и цепях стабилизатора реактивной мощности (тиристорно-реакторной группы - ТРГ), должна учитываться неравномерность распределения тока как по сечению шины (кабеля), так и между отдельными шинами (кабелями).
Конструкция токопроводов ЭТУ (в частности, вторичных токоподводов - «коротких сетей» электропечей) должна обеспечивать:
оптимальные реактивное и активное сопротивления;
рациональное распределение тока в проводниках;
симметрирование сопротивлений по фазам в соответствии с требованиями стандартов или технических условий на отдельные виды (типы) трехфазных электропечей или электронагревательных устройств;
ограничение потерь электроэнергии в металлических креплениях шин, конструкциях установок и строительных элементах зданий и сооружений.
Вокруг одиночных шин и линий (в частности, при их проходе через железобетонные перегородки и перекрытия, а также при устройстве металлических опорных конструкций, защитных экранов и т.п.) не должно быть замкнутых металлических контуров. Токопроводы на токи промышленной частоты более 4 кА и на любые токи повышенно-средней, высокой и сверхвысокой частоты не должны прокладываться вблизи стальных строительных элементов зданий и сооружений. Если этого избежать нельзя, то для соответствующих строительных элементов необходимо применять немагнитные и маломагнитные материалы и проверять расчетом потери электроэнергии в них и температуру их нагрева. При необходимости рекомендуется предусматривать устройство экранов.
Для токопроводов переменного тока с частотой 2,4 кГц применение крепящих деталей из магнитных материалов не рекомендуется, а с частотой 4 кГц и более - не допускается, за исключением узлов присоединения шин к водоохлаждаемым элементам. Опорные конструкции и защитные экраны таких токопроводов (за исключением конструкций для коаксиальных токопроводов) должны изготавливаться из немагнитных или маломагнитных материалов.
Температура шин и контактных соединений с учетом нагрева электрическим током и внешними тепловыми излучениями, как правило, должна быть не выше 90 °С. В реконструируемых установках для вторичных токоподводов допускается в обоснованных случаях для медных шин температура 140 °С, для алюминиевых - 120 °С, при этом соединения шин следует выполнять сварными. Предельная температура шин при заданной токовой нагрузке и по условиям среды должна проверяться расчетом. При необходимости следует предусматривать принудительное воздушное или водяное охлаждение.
7.5.32. В установках электропечей и электронагревательных устройств со спокойным режимом работы, в том числе дуговых косвенного действия, плазменных, дугового нагрева сопротивлением (см. 7.5.1), из дуговых прямого действия - вакуумных дуговых (также и гарнисажных), индукционных и диэлектрического нагрева, сопротивления прямого и косвенного нагрева, включая ЭШП, ЭШЛ и ЭШН, электронно-лучевых, ионных и лазерных для жестких токопроводов вторичных токоподводов, как правило, должны применяться шины из алюминия или из алюминиевых сплавов.
Для жесткой части вторичного токоподвода установок электропечей с ударной нагрузкой, в частности стале- и чугуноплавильных дуговых печей, рекомендуется применять шины из алюминиевого сплава с повышенной механической и усталостной прочностью. Жесткий токопровод вторичного токоподвода в цепях переменного тока из многополосных пакетов шин рекомендуется выполнять шихтованным с параллельными чередующимися цепями разных фаз или прямого и обратного направлений тока.
Жесткие однофазные токопроводы повышенно-средней частоты рекомендуется выполнять шихтованными и коаксиальными.
В обоснованных случаях допускается изготовление жестких токопроводов вторичных токоподводов из меди.
Гибкий токопровод на подвижных элементах электропечей следует выполнять гибкими медными кабелями или гибкими медными лентами. Для гибких токопроводов на токи 6 кА и более промышленной частоты и на любые токи повышенно-средней и высокой частот рекомендуется применять водоохлаждаемые гибкие медные кабели.
7.5.33. Рекомендуемые допустимые длительные токи приведены при нагрузке: током промышленной частоты токопроводов из шихтованного пакета прямоугольных шин - в табл. 7.5.1-7.5.4, током повышенно-средней частоты токопроводов из двух прямоугольных шин - в табл. 7.5.5-7.5.6 и коаксиальных токопроводов из двух концентрических труб - в табл. 7.5.7-7.5.8, кабелей марки АСГ - в табл. 7.5.9 и марки СГ - в табл. 7.5.10.
Токи в таблицах приняты с учетом температуры окружающего воздуха 25 °С, прямоугольных шин - 70 °С, внутренней трубы - 75 °С, жил кабеля - 80 °С (поправочные коэффициенты при другой температуре окружающего воздуха приведены в гл. 1.3 ПУЭ).
Рекомендуется плотность тока в водоохлаждаемых жестких и гибких токопроводах промышленной частоты: алюминиевых и из алюминиевых сплавов - до 6 А/мм2, медных - до 8 А/мм2. Оптимальная плотность тока в таких токопроводах, а также в аналогичных токопроводах повышенно-средней, высокой и сверхвысокой частот должна выбираться по минимуму приведенных затрат.
Для линий повышенно-средней частоты кроме токопроводов рекомендуется применять специальные коаксиальные кабели (см. также 7.5.53).
Коаксиальный кабель КВСП-М (номинальное напряжение 2 кВ) рассчитан на следующие допустимые токи:
f, кГц 0,5 2,4 4,0 8,0 10,0
I, А 400 360 340 300 290
В зависимости от температуры окружающей среды для кабеля КВСП-М установлены следующие коэффициенты нагрузки kн:
t, °C 25 30 35 40 45
kн 1,0 0,93 0,87 0,80 0,73
Таблица 7.5.1
Допустимый длительный ток промышленной частоты однофазных токопроводов из шихтованного пакета алюминиевых прямоугольных шин
|
Токовая нагрузка, А, при количестве полос в пакете |
||||||||
|
2 |
4 |
6 |
8 |
12 |
16 |
20 |
24 |
|
|
100´10 |
1250 |
2480 |
3705 |
4935 |
7380 |
9850 |
12315 |
14750 |
|
120´10 |
1455 |
2885 |
4325 |
5735 |
8600 |
11470 |
14315 |
17155 |
|
140´10 |
1685 |
3330 |
4980 |
6625 |
9910 |
13205 |
16490 |
19785 |
|
160´10 |
1870 |
3705 |
5545 |
7380 |
11045 |
14710 |
18375 |
22090 |
|
180´10 |
2090 |
4135 |
6185 |
8225 |
12315 |
16410 |
20490 |
24610 |
|
200´10 |
2310 |
4560 |
6825 |
9090 |
13585 |
18105 |
22605 |
27120 |
|
250´10 |
2865 |
5595 |
8390 |
11185 |
16640 |
22185 |
27730 |
33275 |
|
250´20 |
3910 |
7755 |
11560 |
15415 |
23075 |
30740 |
38350 |
46060 |
|
300´10 |
3330 |
6600 |
9900 |
13200 |
19625 |
26170 |
32710 |
39200 |
|
300´20 |
4560 |
8995 |
13440 |
17880 |
26790 |
35720 |
44605 |
53485 |
Примечания: 1. В табл. 7.5.1-7.5.4 токи приведены для неокрашенных шин, установленных на ребро, при зазоре между шинами 30 мм для шин высотой 300 мм и 20 мм для шин высотой 250 мм и менее.
2. Коэффициенты (k) допустимой длительной токовой нагрузки (к табл. 7.5.1 и 7.5.3) алюминиевых шин, окрашенных масляной краской или эмалевым лаком:
Количество полос в пакете 2 3-4 6-9 12-16 20-24
k при высоте полосы, мм:
100-120 1,25 1,18 1,15 1,14 1,13
140-160 1,24 1,16 1,14 1,10 1,09
180-300 1,23 1,15 1,12 1,09 1,07
3. Коэффициент снижения допустимой длительной токовой нагрузки для шин из сплава АД 31Т - 0,94, из сплава АД 31Т1 - 0,91.
Таблица 7.5.2
Допустимый длительный ток промышленной частоты однофазных токопроводов из шихтованного пакета медных прямоугольных шин*
|
Размер полосы, мм |
Токовая нагрузка, А, при количестве полос в пакете |
|||||||
|
2 |
4 |
6 |
8 |
12 |
16 |
20 |
24 |
|
|
100´10 |
1880 |
3590 |
5280 |
7005 |
10435 |
13820 |
17250 |
20680 |
|
120´10 |
2185 |
4145 |
6110 |
8085 |
12005 |
15935 |
19880 |
23780 |
|
140´10 |
2475 |
4700 |
6920 |
9135 |
13585 |
18050 |
22465 |
26930 |
|
160´10 |
2755 |
5170 |
7670 |
10150 |
15040 |
19930 |
24910 |
29800 |
|
180´10 |
3035 |
5735 |
8440 |
11140 |
16545 |
21900 |
27355 |
32760 |
|
200´10 |
3335 |
6300 |
9280 |
12220 |
18140 |
24065 |
29985 |
35910 |
|
250´10 |
4060 |
7660 |
11235 |
14805 |
21930 |
29140 |
36235 |
43430 |
|
300´10 |
4840 |
9135 |
13395 |
17670 |
26225 |
34780 |
43380 |
51700 |
* См. примечания к табл. 7.5.1.
Таблица 7.5.3
Допустимый длительный ток промышленной частоты трехфазных токопроводов из шихтованного пакета алюминиевых прямоугольных шин*
|
Токовая нагрузка, А, при количестве полос в пакете |
||||||
|
3 |
6 |
9 |
12 |
18 |
24 |
|
|
100´10 |
1240 |
2470 |
3690 |
4920 |
7390 |
9900 |
|
120´10 |
1445 |
2885 |
4300 |
5735 |
8560 |
11435 |
|
140´10 |
1665 |
3320 |
4955 |
6605 |
9895 |
13190 |
|
160´10 |
1850 |
3695 |
5525 |
7365 |
11025 |
14720 |
|
180´10 |
2070 |
4125 |
6155 |
8210 |
12290 |
16405 |
|
200´10 |
2280 |
4550 |
6790 |
9055 |
13565 |
18080 |
|
250´10 |
2795 |
5590 |
8320 |
11095 |
16640 |
22185 |
|
250´20 |
3880 |
7710 |
11540 |
15385 |
23010 |
30705 |
|
300´10 |
3300 |
6580 |
9815 |
13085 |
19620 |
26130 |
|
300´20 |
4500 |
8960 |
13395 |
17860 |
26760 |
35655 |
* См. примечания к табл. 7.5.1.
Таблица 7.5.4
Допустимый длительный ток промышленной частоты трехфазных токопроводов из шихтованного пакета медных прямоугольных шин*
|
Токовая нагрузка, А, при количестве полос в пакете |
||||||
|
3 |
6 |
9 |
12 |
18 |
24 |
|
|
100´10 |
1825 |
3530 |
5225 |
6965 |
10340 |
13740 |
|
120´10 |
2105 |
4070 |
6035 |
8000 |
11940 |
15885 |
|
140´10 |
2395 |
4615 |
6845 |
9060 |
13470 |
17955 |
|
160´10 |
2660 |
5125 |
7565 |
10040 |
14945 |
19850 |
|
180´10 |
2930 |
5640 |
8330 |
11015 |
16420 |
21810 |
|
200´10 |
3220 |
6185 |
9155 |
12090 |
18050 |
23925 |
|
250´10 |
3900 |
7480 |
11075 |
14625 |
21810 |
28950 |
|
300´10 |
4660 |
8940 |
13205 |
17485 |
25990 |
34545 |
* См. примечания к табл. 7.5.1.
Таблица 7.5.5
Допустимый длительный ток повышенно-средней частоты токопроводов из двух алюминиевых прямоугольных шин
|
Токовая нагрузка, А, при частоте, Гц |
||||||
|
500 |
1000 |
2500 |
4000 |
8000 |
10000 |
|
|
25 |
310 |
255 |
205 |
175 |
145 |
140 |
|
30 |
365 |
305 |
245 |
205 |
180 |
165 |
|
40 |
490 |
410 |
325 |
265 |
235 |
210 |
|
50 |
615 |
510 |
410 |
355 |
300 |
285 |
|
60 |
720 |
605 |
485 |
410 |
355 |
330 |
|
80 |
960 |
805 |
640 |
545 |
465 |
435 |
|
100 |
1160 |
980 |
775 |
670 |
570 |
535 |
|
120 |
1365 |
1140 |
915 |
780 |
670 |
625 |
|
150 |
1580 |
1315 |
1050 |
905 |
770 |
725 |
|
200 |
2040 |
1665 |
1325 |
1140 |
970 |
910 |
Примечания: 1. В табл. 7.5.5 и 7.5.6 токи приведены для неокрашенных шин с расчетной толщиной, равной 1,2 глубины проникновения тока, с зазором между шинами 20 мм при установке шин на ребро и прокладке их в горизонтальной плоскости.
2. Толщина шин токопроводов, допустимые длительные токи которых приведены в табл. 7.5.5 и 7.5.6, должна быть равной или больше расчетной; ее следует выбирать с учетом требований к механической прочности шин из сортамента, приведенного в стандартах или технических условиях.
3. Глубина проникновения тока, h, при алюминиевых шинах в зависимости от частоты переменного тока f:
f, кГц 0,5 1,0 2,5 4,0 8,0 10,0
h, мм 4,2 3,0 1,9 1,5 1,06 0,95
Таблица 7.5.6
Допустимый длительный ток повышенно-средней частоты токопроводов из двух медных прямоугольных шин
|
Токовая нагрузка, А, при частоте, Гц |
||||||
|
500 |
1000 |
2500 |
4000 |
8000 |
10000 |
|
|
25 |
355 |
295 |
230 |
205 |
175 |
165 |
|
30 |
425 |
350 |
275 |
245 |
210 |
195 |
|
40 |
570 |
465 |
370 |
330 |
280 |
265 |
|
50 |
705 |
585 |
460 |
410 |
350 |
330 |
|
60 |
835 |
685 |
545 |
495 |
420 |
395 |
|
80 |
1100 |
915 |
725 |
645 |
550 |
515 |
|
100 |
1325 |
1130 |
895 |
785 |
675 |
630 |
|
120 |
1420 |
1325 |
1045 |
915 |
785 |
735 |
|
150 |
1860 |
1515 |
1205 |
1060 |
910 |
845 |
|
200 |
2350 |
1920 |
1485 |
1340 |
1140 |
1070 |
Примечание. Глубина проникновения тока, h, при медных шинах в зависимости от частоты переменного тока f:
f, кГц 0,5 1,0 2,5 4,0 8,0 10,0
h, мм 3,3 2,4 1,5 1,19 0,84 0,75
См. также примечания 1 и 2 к табл. 7.5.5.
Таблица 7.5.7
Допустимый длительный ток повышенно-средней частоты токопроводов из двух алюминиевых концентрических труб
|
Токовая нагрузка, А, при частоте, кГц |
|||||||
|
внешней |
внутренней |
0,5 |
1,0 |
2,50 |
4,0 |
8,0 |
10,0 |
|
150 |
110 |
1330 |
1110 |
885 |
770 |
640 |
615 |
|
90 |
1000 |
835 |
665 |
570 |
480 |
455 |
|
|
70 |
800 |
670 |
530 |
465 |
385 |
370 |
|
|
180 |
140 |
1660 |
1400 |
1095 |
950 |
800 |
760 |
|
120 |
1280 |
1075 |
855 |
740 |
620 |
590 |
|
|
100 |
1030 |
905 |
720 |
620 |
520 |
495 |
|
|
200 |
160 |
1890 |
1590 |
1260 |
1080 |
910 |
865 |
|
140 |
1480 |
1230 |
980 |
845 |
710 |
675 |
|
|
120 |
1260 |
1070 |
840 |
725 |
610 |
580 |
|
|
220 |
180 |
2185 |
1755 |
1390 |
1200 |
1010 |
960 |
|
160 |
1660 |
1390 |
1100 |
950 |
800 |
760 |
|
|
140 |
1425 |
1185 |
940 |
815 |
685 |
650 |
|
|
240 |
200 |
2310 |
1940 |
1520 |
1315 |
1115 |
1050 |
|
180 |
1850 |
1550 |
1230 |
1065 |
895 |
850 |
|
|
160 |
1630 |
1365 |
1080 |
930 |
785 |
745 |
|
|
260 |
220 |
2530 |
2130 |
1780 |
1450 |
1220 |
1160 |
|
200 |
2040 |
1710 |
1355 |
1165 |
980 |
930 |
|
|
180 |
1820 |
1530 |
1210 |
1040 |
875 |
830 |
|
|
280 |
240 |
2780 |
2320 |
1850 |
1590 |
1335 |
1270 |
|
220 |
2220 |
1865 |
1480 |
1275 |
1075 |
1020 |
|
|
200 |
2000 |
1685 |
1320 |
1150 |
960 |
930 |
|
Примечание. В табл. 7.5.7 и 7.5.8 токовые нагрузки приведены для неокрашенных труб с толщиной стенок 10 мм.
Таблица 7.5.8
Допустимый длительный ток повышенно-средней частоты токопроводов из двух медных концентрических труб*
|
Токовая нагрузка, А, при частоте, кГц |
|||||||
|
внешней |
внутренней |
0,5 |
1,0 |
2,50 |
4,0 |
8,0 |
10,0 |
|
150 |
110 |
1530 |
1270 |
1010 |
895 |
755 |
715 |
|
90 |
1150 |
950 |
750 |
670 |
565 |
535 |
|
|
70 |
920 |
760 |
610 |
540 |
455 |
430 |
|
|
180 |
140 |
1900 |
1585 |
1240 |
1120 |
945 |
895 |
|
120 |
1480 |
1225 |
965 |
865 |
730 |
690 |
|
|
100 |
1250 |
1030 |
815 |
725 |
615 |
580 |
|
|
200 |
160 |
2190 |
1810 |
1430 |
1275 |
1075 |
1020 |
|
140 |
1690 |
1400 |
1110 |
995 |
840 |
795 |
|
|
120 |
1460 |
1210 |
955 |
830 |
715 |
665 |
|
|
220 |
180 |
2420 |
2000 |
1580 |
1415 |
1190 |
1130 |
|
160 |
1915 |
1585 |
1250 |
1115 |
940 |
890 |
|
|
140 |
1620 |
1350 |
1150 |
955 |
810 |
765 |
|
|
240 |
200 |
2670 |
2200 |
1740 |
1565 |
1310 |
1250 |
|
180 |
2130 |
1765 |
1395 |
1245 |
1050 |
995 |
|
|
160 |
1880 |
1555 |
1230 |
1095 |
925 |
875 |
|
|
260 |
220 |
2910 |
2380 |
1910 |
1705 |
1470 |
1365 |
|
200 |
2360 |
1950 |
1535 |
1315 |
1160 |
1050 |
|
|
180 |
2100 |
1740 |
1375 |
1225 |
1035 |
980 |
|
|
280 |
240 |
3220 |
2655 |
2090 |
1865 |
1580 |
1490 |
|
220 |
2560 |
2130 |
1680 |
1500 |
1270 |
1200 |
|
|
200 |
2310 |
1900 |
1500 |
1340 |
1135 |
1070 |
|
* См. примечание к табл. 7.5.7.
Таблица 7.5.9
Допустимый длительный ток повышенно-средней частоты кабелей марки АСГ на напряжение 1 кВ при однофазной нагрузке
|
Токовая нагрузка, А, при частоте, кГц |
||||||
|
0,5 |
1,0 |
2,50 |
4,0 |
8,0 |
10,0 |
|
|
2´25 |
100 |
80 |
65 |
55 |
47 |
45 |
|
2´35 |
115 |
95 |
75 |
65 |
55 |
50 |
|
2´50 |
130 |
105 |
85 |
75 |
62 |
60 |
|
2´70 |
155 |
130 |
100 |
90 |
75 |
70 |
|
2´95 |
180 |
150 |
120 |
100 |
85 |
80 |
|
2´120 |
200 |
170 |
135 |
115 |
105 |
90 |
|
2´150 |
225 |
185 |
150 |
130 |
110 |
105 |
|
3´25 |
115 |
95 |
75 |
60 |
55 |
50 |
|
3´35 |
135 |
110 |
85 |
75 |
65 |
60 |
|
3´50 |
155 |
130 |
100 |
90 |
75 |
70 |
|
3´70 |
180 |
150 |
120 |
100 |
90 |
80 |
|
3´95 |
205 |
170 |
135 |
120 |
100 |
95 |
|
3´120 |
230 |
200 |
160 |
140 |
115 |
110 |
|
3´150 |
250 |
220 |
180 |
150 |
125 |
120 |
|
3´185 |
280 |
250 |
195 |
170 |
140 |
135 |
|
3´240 |
325 |
285 |
220 |
190 |
155 |
150 |
|
3´50 + 1´25 |
235 |
205 |
160 |
140 |
115 |
110 |
|
3´70 + 1´35 |
280 |
230 |
185 |
165 |
135 |
130 |
|
3´95 + 1´50 |
335 |
280 |
220 |
190 |
160 |
150 |
|
3´120 + 1´50 |
370 |
310 |
250 |
215 |
180 |
170 |
|
3´150 + 1´70 |
415 |
340 |
260 |
230 |
195 |
190 |
|
3´185 + 1´70 |
450 |
375 |
300 |
255 |
210 |
205 |
Примечание. Токовые нагрузки приведены исходя из использования: для трехжильных кабелей в «прямом» направлении - одной жилы, в «обратном» - двух, для четырехжильных кабелей в «прямом» и «обратном» направлениях - по две жилы, расположенные крестообразно.
Таблица 7.5.10
Допустимый длительный ток повышенно-средней частоты кабелей марки СГ на напряжение 1 кВ при однофазной нагрузке*
|
Токовая нагрузка, А, при частоте, кГц |
||||||
|
0,5 |
1,0 |
2,50 |
4,0 |
8,0 |
10,0 |
|
|
2´25 |
115 |
95 |
76 |
70 |
57 |
55 |
|
2´35 |
130 |
110 |
86 |
75 |
65 |
60 |
|
2´50 |
150 |
120 |
96 |
90 |
75 |
70 |
|
2´70 |
180 |
150 |
115 |
105 |
90 |
85 |
|
2´95 |
205 |
170 |
135 |
120 |
100 |
95 |
|
2´120 |
225 |
190 |
150 |
130 |
115 |
105 |
|
2´150 |
260 |
215 |
170 |
150 |
130 |
120 |
|
3´25 |
135 |
110 |
90 |
75 |
65 |
60 |
|
3´35 |
160 |
125 |
100 |
90 |
75 |
70 |
|
3´50 |
180 |
150 |
115 |
105 |
90 |
85 |
|
3´70 |
210 |
170 |
135 |
120 |
105 |
95 |
|
3´95 |
245 |
195 |
155 |
140 |
115 |
110 |
|
3´120 |
285 |
230 |
180 |
165 |
135 |
130 |
|
3´150 |
305 |
260 |
205 |
180 |
155 |
145 |
|
3´185 |
340 |
280 |
220 |
200 |
165 |
160 |
|
3´240 |
375 |
310 |
250 |
225 |
185 |
180 |
|
3´50 + 1´25 |
290 |
235 |
185 |
165 |
135 |
130 |
|
3´70 + 1´35 |
320 |
265 |
210 |
190 |
155 |
150 |
|
3´95 + 1´50 |
385 |
325 |
250 |
225 |
190 |
180 |
|
3´120 + 1´50 |
430 |
355 |
280 |
250 |
210 |
200 |
|
3´150 + 1´70 |
470 |
385 |
310 |
275 |
230 |
220 |
|
3´185 + 1´70 |
510 |
430 |
340 |
300 |
250 |
240 |
* См. примечание к табл. 7.5.9.
7.5.34. Динамическая стойкость при токах КЗ жестких токопроводов ЭТУ на номинальный ток 10 кА и более должна быть рассчитана с учетом возможного увеличения электромагнитных сил в местах поворотов и пересечений шин. При определении расстояний между опорами такого токопровода должна быть проверена возможность возникновения частичного или полного резонанса.
7.5.35. Для токопроводов электротермических установок в качестве изолирующих опор шинных пакетов и прокладок между ними в электрических цепях постоянного и переменного тока промышленной, пониженной и повышенно-средней частоты напряжением до 1 кВ рекомендуется использовать колодки или плиты (листы) из непропитанного асбоцемента, в цепях напряжением от 1 до 1,6 кВ - из гетинакса, стеклотекстолита или термостойких пластмасс. Такие изоляционные материалы в обоснованных случаях допускается применять и при напряжении до 1 кВ. При напряжении до 500 В в сухих и непыльных помещениях допускается использовать пропитанную (проваренную в олифе) буковую или березовую древесину. Для электропечей с ударной резкопеременной нагрузкой опоры (сжимы, прокладки) должны быть вибростойкими (при частоте колебаний значений действующего тока 0,5-20 Гц).
В качестве металлических деталей сжима шинного пакета токопроводов на 1,5 кА и более переменного тока промышленной частоты и на любые токи повышенно-средней, высокой и сверхвысокой частоты рекомендуется использовать гнутый профиль П-образного сечения из листовой немагнитной стали. Допускается также применять сварные профили и силуминовые детали (кроме сжимов для тяжелых многополосных пакетов).
Для сжима рекомендуется применять болты и шпильки из немагнитных хромоникелевых и медно-цинковых (латунь) сплавов.
Для токопроводов напряжением выше 1,6 кВ в качестве изолирующих опор должны применяться фарфоровые или стеклянные опорные изоляторы, причем при токах 1,5 кА и более промышленной частоты и при любых токах повышенно-средней, высокой и сверхвысокой частоты арматура изолятора, как правило, должна быть алюминиевой. Арматура изоляторов должна быть выполнена из немагнитных (маломагнитных) материалов или защищена алюминиевыми экранами.
Уровень электрической прочности изоляции между шинами разной полярности (разных фаз) шинных пакетов с прямоугольными или трубчатыми проводниками вторичных токоподводов электротермических установок, размещаемых в производственных помещениях, должен соответствовать стандартам и/или ТУ на отдельные виды (типы) электропечей или электронагревательных устройств. Если такие данные отсутствуют, то при вводе установки в эксплуатацию должны быть обеспечены параметры в соответствии с табл. 7.5.11.
Таблица 7.5.11
Сопротивление изоляции вторичных токоподводов
|
Мощность электропечи или электронагревательного устройства, МВ×А |
Наименьшее сопротивление изоляции*, кОм, в зависимости от напряжения токоподводов, кВ |
|||
|
до 1,0 |
от 1,0 до 1,6 |
от 1,6 до 3,0 |
от 3,0 до 15 |
|
|
До 5 |
10 |
20 |
100 |
500 |
|
От 5 до 25 |
5 |
10 |
50 |
250 |
|
От 25 |
2,5 |
5 |
25 |
100 |
* Сопротивление изоляции следует измерять мегаомметром на напряжение 1,0 или 2,5 кВ при токоподводе, отсоединенном от выводов трансформатора, преобразователя, коммутационных аппаратов, нагревателей сопротивления и т.п., при снятых электродах и шлангах системы водяного охлаждения.
В качестве дополнительной меры по повышению надежности работы и обеспечению нормируемого значения сопротивления изоляции рекомендуется шины вторичных токоподводов в местах сжимов дополнительно изолировать изоляционным лаком или лентой, а между компенсаторами разных фаз (разной полярности) закреплять изоляционные прокладки, стойкие в тепловом и механическом отношениях.
7.5.36. Расстояния в свету между шинами разной полярности (разных фаз) жесткого токопровода постоянного или переменного тока должны быть в пределах, указанных в табл. 7.5.12, и определяться в зависимости от номинального значения его напряжения, рода тока и частоты.
Таблица 7.5.12
Расстояние в свету между шинами токопровода вторичного токоподвода1
|
Изоляционное расстояние, мм, при токе: |
|||||||
|
постоянном |
переменном |
||||||
|
до 1,6 кВ |
от 1,6 до 3 кВ |
0,05 кГц |
0,5-10 кГц |
от 10000 Гц |
|||
|
до 1,6 кВ |
от 1,6 до 3 кВ |
до 1,6 кВ |
от 1,6 до 3 кВ |
от 1,6 до 15 кВ |
|||
|
Сухое непыльное |
12-25 |
30-130 |
15-20 |
25-30 |
15-20 |
25-30 |
40-140 |
|
Сухое пыльное2 |
16-30 |
35-150 |
20-25 |
30-35 |
20-25 |
30-35 |
45-150 |
1 При высоте шины до 250 мм; при большей высоте расстояние должно быть увеличено на 5-10 мм.
2 Пыль непроводящая.
7.5.37. Мостовые, подвесные, консольные и другие подобные краны и тали, используемые в помещениях, где находятся установки электронагревательных устройств сопротивления прямого действия, дуговых печей прямого нагрева и комбинированного нагрева - дуговых печей сопротивления с перепуском самоспекающихся электродов без отключения установок, должны иметь изолирующие прокладки (обеспечивающие три ступени изоляции с сопротивлением каждой ступени не менее 0,5 МОм), исключающие возможность соединения с землей (через крюк или трос подъемно-транспортных механизмов) элементов установки, находящихся под напряжением.
7.5.38. Система входящего охлаждения оборудования, аппаратов и других элементов электротермических установок должна быть выполнена с учетом возможности контроля за состоянием охлаждающей системы.
Рекомендуется установка следующих реле: давления, струйных и температуры (последних двух - на выходе воды из охлаждаемых ею элементов) с работой их на сигнал. В случае, когда прекращение протока или перегрев охлаждающей воды могут привести к аварийному повреждению элементов ЭТУ, должно быть обеспечено автоматическое отключение установки.
Система водоохлаждения - разомкнутая (от сети водопровода или от сети оборотного водоснабжения предприятия) или замкнутая (двухконтурная с теплообменниками), индивидуальная или групповая - должна выбираться с учетом требований к качеству воды, указанных в стандартах или технических условиях на оборудование электротермической установки.
Водоохлаждаемые элементы электротермических установок при разомкнутой системе охлаждения должны быть рассчитаны на максимальное 0,6 МПа и минимальное 0,2 МПа давление воды. Если в стандартах или технических условиях на оборудование не приведены другие нормативные значения, качество воды должно отвечать следующим требованиям:
|
Вода из хозяйственно-питьевого водопровода |
Вода из сети оборотного водоснабжения предприятия |
|
|
Жесткость, мг´экв/л, не более: |
|
|
|
общая |
7 |
- |
|
карбидная |
- |
5 |
|
Содержание, мг/л, не более: |
|
|
|
взвешенных веществ (мутность) |
3 |
100 |
|
активного хлора |
0,5 |
Нет |
|
железа |
0,3 |
1,5 |
|
рН |
6,5-9,5 |
7-8 |
|
t, °C, не более |
25 |
30 |
Рекомендуется предусматривать повторное использование охлаждающей воды на другие технологические нужды с устройством водосбора и перекачки.
В системах охлаждения элементов электротермических установок, использующих воду из сети оборотного водоснабжения, рекомендуется предусматривать механические фильтры для снижения содержания в воде взвешенных частиц.
При выборе индивидуальной замкнутой системы водоохлаждения рекомендуется предусматривать схему вторичного контура циркуляции воды без резервного насоса, чтобы при выходе из строя работающего насоса на время, необходимое для аварийной остановки оборудования, использовалась вода из сети водопровода.
При применении групповой замкнутой системы водоохлаждения рекомендуется предусматривать установку одного или двух резервных насосов с автоматическим включением резерва.
7.5.39. При охлаждении элементов электротермической установки, которые могут находиться под напряжением, водой по проточной или циркуляционной системе для предотвращения выноса по трубопроводам потенциала, опасного для обслуживающего персонала, должны быть предусмотрены изолирующие шланги (рукава). Подающий и сливной концы шланга должны иметь металлические патрубки, которые должны быть заземлены если нет ограждения, исключающего прикосновение к ним персонала при включенной установке.
Длина изолирующих шлангов водяного охлаждения, соединяющих элементы различной полярности, должна быть не менее указанной в технической документации заводов - изготовителей оборудования; при отсутствии таких данных длину рекомендуется принимать равной: при номинальном напряжении до 1,6 кВ не менее 1,5 м для шлангов с внутренним диаметром до 25 мм и 2,5 м - для шлангов с диаметром более 25 мм; при номинальном напряжении выше 1,6 кВ - 2,5 и 4 м соответственно. Длина шлангов не нормируется, если между шлангом и сточной трубой имеется разрыв и струя воды свободно падает в воронку.
7.5.40. ЭТУ, оборудование которых требует оперативного обслуживания на высоте 2 м и более от отметки пола помещения, должны снабжаться рабочими площадками, огражденными перилами с постоянными лестницами. Применение подвижных (например, телескопических) лестниц не допускается. В зоне, в которой возможно прикосновение персонала к находящимся под напряжением частям оборудования, площадки, ограждения и лестницы должны выполняться из несгораемых материалов и иметь покрытие из диэлектрического материала, не распространяющего горение.
7.5.41. Насосно-аккумуляторные и маслонапорные установки систем гидропривода электротермического оборудования, содержащие 60 кг масла или более, должны располагаться в помещениях, в которых обеспечивается аварийное удаление масла и выполнение требований 7.5.17-7.5.22.
7.5.42. Применяемые в электротермических установках сосуды, работающие под давлением выше 70 кПа, устройства, использующие сжатые газы, а также компрессорные установки должны отвечать требованиям действующих правил, утвержденных Госгортехнадзором России.
7.5.43. Газы из выхлопа вакуум-насосов предварительного разрежения, как правило, должны удаляться наружу, выпускать эти газы в производственные и тому подобные помещения допускается только, когда при этом не будут нарушены санитарно-гигиенические требования к воздуху в рабочей зоне (ССБТ ГОСТ 12.1.005-88).
7.5.44. Систему электроснабжения предприятий с установками дуговых сталеплавильных печей переменного тока (ДСП) или (и) постоянного тока (ДСППТ) следует выполнять с учетом обязательного обеспечения нормируемых ГОСТ 13109-97 значений показателей качества электроэнергии в питающей электрической сети общего назначения, к которой эти установки будут присоединены.
С целью ограничения содержания гармоник напряжения в питающей сети общего назначения рекомендуется рассматривать технико-экономическую целесообразность применения в установках ДСППТ преобразователей с большим числом фаз выпрямления, а при четном числе преобразовательных трансформаторов - выполнение у половины из них обмотки ВН по схеме «звезда» и у второй половины - «треугольник».
Печные понижающие или преобразовательные трансформаторы дуговых сталеплавильных печей допускается присоединять к электрическим сетям общего назначения без выполнения специальных расчетов колебаний напряжения и содержания в нем высших гармоник, если соблюдается условие:
/Sk £ 0,01D,
где STi - номинальная мощность печного понижающего или преобразовательного трансформатора, МВ×А;
Sk - мощность КЗ в месте присоединения установки дуговых печей к электрическим сетям общего назначения, МВ×А;
п - число присоединяемых установок дуговых печей;
D - коэффициент при установках дуговых сталеплавильных печей: переменного тока (ДСП), равный 1, а постоянного тока (ДСППТ) - 2.
При невыполнении этого условия должно быть проверено расчетом, не превышаются ли допустимые действующим стандартом значения колебаний напряжения и (или) содержания в нем гармоник у электроприемников, получающих питание от электрической сети, присоединенной к данной точке.
Если требования стандарта не выдерживаются, следует присоединить установки дуговых сталеплавильных печей к точке сети с большей мощностью КЗ или обеспечить выполнение соответствующих мероприятий, например, предусмотреть использование силовых фильтров и (или) быстродействующего тиристорного компенсатора реактивной мощности. Вариант выбирается в соответствии с технико-экономическим обоснованием.
7.5.45. На установках дуговых печей, где могут происходить эксплуатационные КЗ, рекомендуется принимать меры по ограничению вызываемых ими толчков тока. На таких установках толчки тока эксплуатационных КЗ должны быть не выше 3,5-кратного значения номинального тока. При использовании реакторов для ограничения токов эксплуатационных КЗ рекомендуется предусматривать возможность их шунтирования при плавке, когда не требуется их постоянное включение.
7.5.46. Для печных трансформаторов (трансформаторных агрегатов) установок дуговых печей должны быть предусмотрены:
1) максимальная токовая защита без выдержки времени от двух- и трехфазных КЗ в обмотке и на выводах, отстроенная от токов эксплуатационных КЗ и бросков намагничивающего тока при включении установок;
2) газовая защита от повреждения внутри бака, сопровождающегося выделением газа, и от понижения уровня масла в баке;
3) защита от однофазных замыканий на землю в обмотке и на выводах печных трансформаторов, присоединенных к электрической сети с эффективно заземленной нейтралью;
4) защита от перегрузок для установок всех видов дуговых печей. Для установок дуговых сталеплавильных печей рекомендуется предусматривать защиту с зависимой от тока характеристикой выдержки времени. Защита должна действовать с разными выдержками времени на сигнал и отключение.
Характеристики и выдержки времени защиты, как правило, должны выбираться с учетом скорости подъема электродов при работе автоматического регулятора тока (мощности) дуговой печи, чтобы эксплуатационные КЗ своевременно устранялись поднятием электродов и отключение печного выключателя происходило лишь при отказе или несвоевременной работе регулятора;
5) защита от повышения температуры масла в системе охлаждения печного трансформатора с использованием температурных датчиков с действием на сигнал при достижении максимально допустимой температуры и на отключение при ее превышении;
6) защита от нарушения циркуляции масла и воды в системе охлаждения печного трансформатора с действием на сигнал - для масловодяного охлаждения печного трансформатора с принудительной циркуляцией масла и воды.
7.5.47. Установки дуговых печей, как правило, должны быть снабжены измерительными приборами для контроля активной и реактивной потребляемой электроэнергии, а также приборами для контроля за технологическим процессом.
Амперметры должны иметь соответствующие перегрузочные шкалы.
На установках дуговых печей сопротивления с однофазными печными трансформаторами, как правило, должны устанавливаться приборы для измерения фазных токов трансформаторов, а также для измерения и регистрации токов в электродах. На установках дуговых сталеплавильных печей рекомендуется устанавливать приборы, регистрирующие 30-минутный максимум нагрузки.
7.5.48. При расположении дуговых печей на рабочих площадках выше уровня пола цеха место под площадками может быть использовано для размещения другого оборудования печных установок (в том числе печных подстанций) или для размещения пультового помещения (с надежной гидроизоляцией) без постоянного пребывания людей.
7.5.49. Для исключения возможности замыкания при перепуске электродов дуговых печей сопротивления помимо изоляционного покрытия на рабочей (перепускной) площадке (см. 7.5.40) следует предусматривать установку между электродами постоянных разделительных изолирующих щитов.
7.5.50. Оборудование установок индукционных и диэлектрического нагрева с трансформаторами, двигатель-генераторами, тиристорными и ионными преобразователями или ламповыми генераторами и конденсаторами устанавливается, как правило, в отдельных помещениях или, в обоснованных случаях, непосредственно в цехе в технологическом потоке производства категорий Г и Д по строительным нормам и правилам; строительные конструкции указанных отдельных помещений должны иметь пределы огнестойкости не ниже значений, приведенных в 7.5.22 для внутрицеховых печных (в том числе преобразовательных) подстанций при количестве масла в них менее 10 т.
7.5.51. Для улучшения использования трансформаторов и преобразователей в контурах индукторов должны устанавливаться конденсаторные батареи. Для облегчения настройки в резонанс конденсаторные батареи в установках со стабилизируемой частотой, как правило, следует разделять на две части - постоянно включенную и регулируемую.
7.5.52. Взаимное расположение элементов установок, как правило, должно обеспечивать наименьшую длину токопроводов резонансных контуров в целях уменьшения активного и индуктивного сопротивлений.
7.5.53. Для цепей повышенно-средней частоты, как указано в 7.5.33, рекомендуется применять коаксиальные кабели и токопроводы. Применение кабелей со стальной броней и проводов в стальных трубах для цепей с повышенно-средней частотой до 10 кГц допускается только при обязательном использовании жил одного кабеля или проводов в одной трубе для прямого и обратного направлений тока. Применение кабелей со стальной броней (за исключением специальных кабелей) и проводов в стальных трубах для цепей частотой более 10 кГц не допускается.
Кабели со стальной броней и провода в стальных трубах, применяемые в электрических цепях промышленной, повышенно-средней или пониженной частоты, должны прокладываться так, чтобы броня и трубы не нагревались от внешнего электромагнитного поля.
7.5.54. Для защиты установок от повреждений при «проедании» тигля индукционных печей (любой частоты) и при нарушении изоляции сетей повышенно-средней, высокой или сверхвысокой частоты относительно корпуса (земли) рекомендуется устройство электрической защиты с действием на сигнал или отключение.
7.5.55. Двигатель-генераторы установок частотой 8 кГц и более должны снабжаться ограничителями холостого хода, отключающими возбуждение генератора во время длительных пауз между рабочими циклами, когда останов двигатель-генераторов нецелесообразен.
Для улучшения загрузки по времени генераторов повышенно-средней и высокой частоты рекомендуется применять режим «ожидания» там, где это допускается по условиям технологии.
7.5.56. Установки индукционные и диэлектрического нагрева высокой частоты должны иметь экранирующие устройства для ограничения уровня напряженности электромагнитного поля на рабочих местах до значений, определяемых действующими санитарными нормами.
7.5.57. В сушильных камерах диэлектрического нагрева (высокочастотных сушильных установок) с применением вертикальных сетчатых электродов сетки с обеих сторон проходов должны быть заземлены.
7.5.58. Двери блоков установок индукционных и диэлектрического нагрева высокой частоты должны быть снабжены блокировкой, при которой открывание двери возможно лишь при отключении напряжения всех силовых цепей.
7.5.59. Ширина рабочих мест у щитов управления должна быть не менее 1,2 м, а у нагревательных устройств, плавильных печей, нагревательных индукторов (при индукционном нагреве) и рабочих конденсаторов (при диэлектрическом нагреве) - не менее 0,8 м.
7.5.60. Двигатель-генераторные преобразователи частоты, работающие с уровнем шума выше 80 дБ, должны быть установлены в электромашинных помещениях, которые обеспечивают снижение шума до уровней, допускаемых действующими санитарными нормами.
Для уменьшения вибрации двигатель-генераторов следует применять виброгасящие устройства, обеспечивающие выполнение требования санитарных норм к уровню вибрации.
7.5.61. Печные понижающие и регулировочные сухие трансформаторы (автотрансформаторы), а также трансформаторы с негорючей жидкостью и панели управления (если на них нет приборов, чувствительных к электромагнитным полям) допускается устанавливать непосредственно на конструкциях самих печей сопротивления или в непосредственной близости от них.
Установки электронагревательных устройств сопротивления прямого действия следует присоединять к электрической сети через понижающие трансформаторы; автотрансформаторы могут использоваться в них только в качестве регулировочных, применение их в качестве понижающих не допускается.
7.5.62. Ширина проходов вокруг электропечей и расстояния между электропечами, а также от них до щитов и шкафов управления выбираются в зависимости от технологических особенностей установок.
Допускается устанавливать две электропечи рядом без прохода между ними, если по условиям эксплуатации в нем нет необходимости.
7.5.63. Электрические аппараты силовых цепей и пирометрические приборы рекомендуется устанавливать на раздельных щитах. На приборы не должны воздействовать вибрации и удары при работе коммутационных аппаратов.
При установке электропечей в производственных помещениях, где имеют место вибрации или толчки, пирометрические и другие измерительные приборы должны монтироваться на специальных амортизаторах или панели щитов с такими приборами должны быть вынесены в отдельные щитовые помещения (помещения КИПиА).
Панели щитов КИПиА установок печей сопротивления рекомендуется располагать в отдельных помещениях также в тех случаях, когда производственные помещения пыльные, влажные или сырые (см. гл. 1.1).
Не допускается установка панелей щитов с пирометрическими приборами (в частности, с электронными потенциометрами) в местах, где они могут подвергаться резким изменениям температуры (например, около въездных ворот цеха).
7.5.64. Совместная прокладка в одной трубе проводов пирометрических цепей и проводов контрольных или силовых цепей, а также объединение указанных цепей в одном контрольном кабеле не допускается.
7.5.65. Провода пирометрических цепей рекомендуется присоединять к приборам непосредственно, не заводя их на сборки зажимов щитов управления.
Компенсационные провода пирометрических цепей от термопар к электрическим приборам (в том числе к милливольтметрам) должны быть экранированы от индукционных наводок и экраны заземлены, а экранирующее устройство по всей длине надежно соединено в стыках.
7.5.66. Оконцевание проводов и кабелей, присоединяемых непосредственно к нагревателям электропечей, следует выполнять опрессовкой наконечников, зажимными контактными соединениями, сваркой или пайкой твердым припоем.
7.5.67. В установках печей сопротивления мощностью 100 кВт и более рекомендуется устанавливать по одному амперметру на каждую зону нагрева. Для печей с керамическими нагревателями, как правило, следует устанавливать амперметры на каждую фазу.
7.5.68. Для установок печей сопротивления мощностью 100 кВт и более следует предусматривать установку счетчиков активной энергии (по одному на печь).
7.5.69. В установках печей сопротивления косвенного действия с ручной загрузкой в рабочее пространство материала (изделий) должны использоваться электропечи, конструкция которых исключает возможность случайного прикосновения обслуживающего персонала к токоведущим частям, находящимся под напряжением выше 50 В.
Если в указанных печах вероятность такого прикосновения не исключена, то следует или блокировать загрузочные дверцы (крышки), чтобы исключить их открытие до снятия напряжения, или принимать другие меры, гарантирующие электробезопасность.
7.5.70. В установках прямого нагрева, работающих при напряжении выше 50 В переменного или выше 110 В постоянного тока, рабочая площадка, на которой находятся оборудование установки и обслуживающий персонал, должна быть изолирована от земли. Для установок непрерывного действия, где под напряжением находятся сматывающие и наматывающие устройства, по границам изолированной от земли рабочей площадки должны быть поставлены защитные сетки или стенки, исключающие возможность выброса разматываемой ленты или проволоки за пределы площадки.
Кроме того, такие установки должны снабжаться устройством контроля изоляции с действием на сигнал.
7.5.71. При применении в установках прямого нагрева жидкостных контактов, выделяющих токсичные или резкопахнущие пары или возгоны, должны быть обеспечены герметичность контактных узлов и надежное улавливание паров и возгонов.
7.5.72. Ток утечки в установках прямого нагрева должен составлять не более 0,2 % номинального тока установки.
7.5.73. Преобразовательные агрегаты электронно-лучевых установок, присоединяемые к питающей электрической сети напряжением до 1 кВ, должны иметь защиту от пробоев изоляции цепей низшего напряжения и электрической сети, вызванных наведенными зарядами в первичных обмотках повышающих трансформаторов, а также защиту от КЗ во вторичной обмотке.
7.5.74. Электронно-лучевые установки должны иметь защиту от жесткого и мягкого рентгеновского излучения, обеспечивающую полную радиационную безопасность, при которой уровень излучения на рабочих местах должен быть не выше значений, допускаемых действующими нормативными документами для лиц, не работающих с источниками ионизирующих излучений.
Для защиты от коммутационных перенапряжений преобразовательные агрегаты должны оборудоваться разрядниками или ограничителями перенапряжения, устанавливаемыми на стороне высшего напряжения.
7.5.75. Ионные и лазерные установки должны компоноваться, а входящие в их состав блоки размещаться с учетом мер, обеспечивающих помехоустойчивость управляющих и измерительных цепей этих установок от электромагнитного воздействия, вызываемого флуктуацией газового разряда, обусловливающей характер изменения нагрузки источника питания.
7.6.1. Настоящая глава Правил распространяется на оборудуемые и используемые в закрытых помещениях или на открытом воздухе стационарные, переносные и передвижные электросварочные установки (ЭСУ), предназначенные для выполнения электротехнологических процессов сварки, наплавки, напыления, резки плавлением (разделительной и поверхностной) и сварки с применением давления, в том числе:
дуговой и плазменной сварки, наплавки, переплава, напыления, резки;
электрошлаковой сварки, электрошлакового и плазменно-дугового переплава;
индукционной сварки и наплавления;
электронно-лучевой сварки;
лазерной сварки и резки;
сварки контактным разогревом;
контактной или диффузионной сварки;
дугоконтактной сварки (с разогревом до пластического состояния торцов свариваемого изделия возбужденной дугой, вращающейся в магнитном поле, с последующим контактным соединением их давлением).
Требования настоящей главы относятся к электросварочным установкам при использовании в них плавящихся или неплавящихся электродов, при обработке (соединении, резке и др.) металлических и неметаллических материалов в воздушной среде или среде газа (аргона, гелия, углекислого газа, азота и др.) при давлениях атмосферном, повышенном или пониженном (в том числе в вакууме), а также под водой или под слоем флюса.
7.6.2. Электросварочные установки должны удовлетворять требованиям разд. 1-6, гл. 7.3-7.5 Правил в той мере, в какой они не изменены в настоящей главе.
7.6.3. Электросварочная установка - комплекс функционально связанных элементов соответствующего электросварочного и общего назначения электротехнического, а также механического и другого оборудования, средств автоматики и КИП, обеспечивающих осуществление необходимого технологического процесса.
Состав элементов электросварочных установок зависит от их назначения, конструктивного исполнения оборудования, степени механизации и автоматизации.
В состав электросварочных установок в зависимости от перечисленных условий входят кабельные линии, электропроводки и токопроводы внешних соединений между элементами установки, а также в пределах установки трубопроводы систем водоохлаждения и гидравлического привода, линий сжатого воздуха, азота, аргона, гелия, углекислого газа и других газов, а также вакуума.
7.6.4. Источник сварочного тока - специальное электротехническое устройство, способное обеспечить подачу электрической энергии с соответствующими параметрами для преобразования ее в необходимое количество теплоты в зоне плавления или нагрева металла (или неметаллического материала) до пластического состояния для проведения указанных в 7.6.1 процессов.
7.6.5. Сварочная цепь - предназначенная для прохождения сварочного тока часть электрической цепи электросварочной установки от выводов1 источника сварочного тока до свариваемой детали (изделия).
1 Вывод - термин по ГОСТ 18311-80.
7.6.6. Сварочный пост электросварочной установки - рабочее место сварщика, оснащенное комплексом средств (оборудованием, приборами и пр.) для выполнения электротехнологических процессов сварки, наплавления, напыления, резки.
7.6.7. Однопостовый и многопостовый источник сварочного тока - источники сварочного тока, питающие соответственно один или несколько сварочных постов.
7.6.8. Автономные электросварочные установки - установки с источниками сварочного тока, снабженными двигателями внутреннего сгорания, в отличие от электросварочных установок, питающихся от электрических сетей, в том числе присоединяемых к передвижным электростанциям.
7.6.9. Электросварочные установки по степени механизации технологических операций разделяются на установки, на которых эти операции выполняются вручную, полуавтоматические (когда автоматически поддерживается электрический режим сварки, а остальные операции выполняются вручную) и автоматические.
7.6.10. Типоисполнение, степень защиты и состав оборудования (элементов) электросварочных установок должны выбираться с учетом технологии и вида сварки, параметров свариваемых деталей (заготовок) и сварочных швов, с учетом конкретных условий внешней среды при выполнении сварочных работ (внутри закрытых помещений или на открытом воздухе, в замкнутых и труднодоступных пространствах).
7.6.11. Электроприемники основного оборудования и вспомогательных механизмов электросварочных установок в отношении обеспечения надежности электроснабжения, как правило, следует относить к электроприемникам III или II категории (см. гл. 1.2).
К III категории следует относить электроприемники всех передвижных и переносных электросварочных установок, стационарных электросварочных установок, перечисленных в 7.5.8, цехов и участков, а также других цехов и участков, если перерыв в электроснабжении используемого в них электросварочного оборудования не приводит к массовому недоотпуску продукции, простоям рабочих и механизмов.
7.6.12. Электрическая нагрузка электросварочных установок не должна снижать ниже нормируемых действующим стандартом значений показателей качества электроэнергии у электроприемников, присоединенных к сетям общего назначения.
При необходимости должны приниматься меры для уменьшения воздействия электросварочных установок на электрическую сеть.
7.6.13. Конструкция и расположение оборудования электросварочных установок, ограждений и блокировок должны исключать возможность его механического повреждения, а также случайных прикосновений к вращающимся или находящимся под напряжением частям. Исключение допускается для электрододержателей установок ручной дуговой сварки, резки и наплавки, а также для мундштуков, горелок для дуговой сварки, сопл плазмотрона, электродов контактных машин и других деталей, находящихся под напряжением, при котором ведутся сварка, напыление, резка и т.п.
7.6.14. Размещение оборудования электросварочных установок, его узлов и механизмов, а также органов управления должно обеспечивать свободный, удобный и безопасный доступ к ним. Кроме того, расположение органов управления должно обеспечивать возможность быстрого отключения оборудования и остановки всех его механизмов.
Для электросварочных установок, оборудование которых требует оперативного обслуживания на высоте 2 м и более, должны быть выполнены рабочие площадки, огражденные перилами с постоянными лестницами. Площадки, ограждения и лестницы должны быть выполнены из негорючих материалов. Настил рабочей площадки должен иметь покрытие из диэлектрического материала, не распространяющего горение.
7.6.15. Устройства управления электросварочными установками рекомендуется оборудовать ограждениями, исключающими случайное их включение или отключение.
7.6.16. В качестве источников сварочного тока должны применяться только специально для этого предназначенные и удовлетворяющие требованиям действующих стандартов сварочные трансформаторы либо преобразователи статические или двигатель-генераторные с электродвигателями или двигателями внутреннего сгорания. Питание сварочной дуги, электрошлаковой ванны и сопротивления контактной сварки непосредственно от силовой, осветительной или контактной электрической сети не допускается.
7.6.17. Схема включения нескольких источников сварочного тока при работе их на одну сварочную дугу, электрошлаковую ванну или сопротивление контактной сварки должна исключать возможность возникновения между изделием и электродом напряжения, превышающего наибольшее напряжение холостого хода одного из источников сварочного тока.
7.6.18. Электрическая нагрузка нескольких однофазных источников сварочного тока должна по возможности равномерно распределяться между фазами трехфазной сети.
7.6.19. Однопостовой источник сварочного тока, как правило, должен располагаться не далее 15 м от сварочного поста.
7.6.20. Первичная цепь электросварочной установки должна содержать коммутационный (отключающий) и защитный электрические аппараты (аппарат), ее номинальное напряжение должно быть не выше 660 В.
Сварочные цепи не должны иметь соединений с электрическими цепями, присоединяемыми к сети (в том числе с электрическими цепями, питаемыми от сети обмоток возбуждения генераторов преобразователей).
7.6.21. Электросварочные установки с многопостовым источником сварочного тока должны иметь устройство (автоматический выключатель, предохранители) для защиты источника от перегрузки, а также коммутационный и защитный электрические аппараты (аппарат) на каждой линии, отходящей к сварочному посту. Эти линии следует выполнять радиальными; применение в установках с многопостовыми сварочными выпрямителями магистральных схем допускается только при технико-экономическом обосновании.
7.6.22. Для определения значения сварочного тока электросварочная установка должна иметь измерительный прибор. На электросварочных установках с однопостовым источником сварочного тока допускается не иметь измерительного прибора при наличии в источнике сварочного тока шкалы на регуляторе тока.
7.6.23. Переносные и передвижные электросварочные установки (кроме автономных) следует присоединять к электрическим сетям непосредственно кабелем или кабелем через троллеи. Длина троллейных проводников не нормируется, их сечение должно быть выбрано с учетом мощности источника сварочного тока.
7.6.24. Присоединение переносной или передвижной электросварочной установки непосредственно к стационарной электрической сети должно осуществляться с использованием коммутационного и защитного аппаратов (аппарата) с разборными или разъемными контактными соединениями. Обязательно наличие блокировки, исключающей возможность размыкания и замыкания этих соединений, присоединения (отсоединения) жил кабельной линии (проводов) при включенном положении коммутационного аппарата.
7.6.25. Кабельная линия первичной цепи переносной (передвижной) электросварочной установки от коммутационного аппарата до источника сварочного тока должна выполняться переносным гибким шланговым кабелем с алюминиевыми или медными жилами, с изоляцией и в оболочке (шланге) из нераспространяющей горение резины или пластмассы. Источник сварочного тока должен располагаться на таком расстоянии от коммутационного аппарата, при котором длина соединяющего их гибкого кабеля не превышает 15 м.
7.6.26. Сварочные автоматы или полуавтоматы с дистанционным регулированием режима работы источника сварочного тока рекомендуется оборудовать двумя комплектами органов управления регулирующими устройствами (рукояток, кнопок и т.п.), устанавливаемых один - у источника сварочного тока, второй - на пульте или щите управления сварочным автоматом или полуавтоматом. Для выбора вида управления регулятором (местного или дистанционного) должен быть установлен переключатель, обеспечивающий блокирование1, исключающее ошибочное включение. Допускается не предусматривать возможности выполнения блокирования, а использовать механический замок со специальными ключами.
1 Блокирование - термин по ГОСТ 18311-80.
7.6.27. Шкафы комплектных устройств и корпуса сварочного оборудования (машин), имеющие неизолированные токоведущие части, находящиеся под напряжением выше 50 В переменного или выше 110 В постоянного тока, должны быть оснащены блокировкой1, обеспечивающей при открывании дверей (дверец) отключение от электрической сети устройств, находящихся внутри шкафа (корпуса). При этом вводы (выводы), остающиеся под напряжением, должны быть защищены от случайных прикосновений.
1 Блокировка - термин по ГОСТ 18311-80.
Допускается взамен блокировки применение замков со специальными ключами, если при работе не требуется открывать двери (дверцы).
7.6.28. В электросварочных установках кроме защитного заземления открытых проводящих частей и подключения к системе уравнивания потенциалов сторонних проводящих частей (согласно требованиям гл. 1.7) должно быть предусмотрено заземление одного из выводов вторичной цепи источников сварочного тока: сварочных трансформаторов, статических преобразователей и тех двигатель-генераторных преобразователей, у которых обмотки возбуждения генератора присоединяются к электрической сети без разделительных трансформаторов (см. также 7.6.30).
В электросварочных установках, в которых дуга горит между электродом и электропроводящим изделием, следует заземлять вывод вторичной цепи источника сварочного тока, соединяемый проводником (обратным проводом) с изделием.
7.6.29. Сварочное электрооборудование для присоединения защитного РЕ-проводника должно иметь болт (винт, шпильку) с контактной площадкой, расположенной в доступном месте, с надписью «Земля» (или с условным знаком заземления по ГОСТ 2.721-74*). Диаметры болта и контактной площадки должны быть не менее нормируемых ГОСТ 12.2.007.0-75.
Втычные контактные соединители проводов для включения в электрическую цепь напряжением выше 50 В переменного тока или выше 110 В постоянного тока переносных пультов управления сварочных автоматов или полуавтоматов должны иметь защитные контакты.
7.6.30. Электросварочные установки, в которых по условиям электротехнологического процесса не может быть выполнено заземление согласно 7.6.28, а также переносные и передвижные электросварочные установки, заземление оборудования которых представляет значительные трудности, должны быть снабжены устройствами защитного отключения или непрерывного контроля изоляции.
7.6.31. Конденсаторы, используемые в электросварочных установках в целях накопления электроэнергии для сварочных импульсов, должны иметь устройство для автоматической разрядки при снятии защитного кожуха или при открывании дверей шкафа, в которых установлены конденсаторы.
7.6.32. При водяном охлаждении элементов электросварочных установок должна быть предусмотрена возможность контроля за состоянием охлаждающей системы с помощью воронок для стока воды или струйных реле. В системах водяного охлаждения автоматов (полуавтоматов) рекомендуется использовать реле давления, струйные или температуры (два последних применяются на выходе воды из охлаждающих устройств) с работой их на сигнал. Если прекращение протока или перегрев охлаждающей воды могут привести к аварийному повреждению оборудования, должно быть обеспечено автоматическое отключение установки.
В системах водяного охлаждения, в которых возможен перенос по трубопроводам потенциала, опасного для обслуживающего персонала, должны быть предусмотрены изолирующие шланги (длину шлангов выбирают согласно требованиям 7.5.39).
Разъемные соединения и шланги системы водяного охлаждения рекомендуется располагать таким образом, чтобы исключить возможность попадания струи воды на электрооборудование (источник сварочного тока или др.) при снятии или повреждении шлангов.
Качество воды, используемой в системе водяного охлаждения, должно соответствовать требованиям, приведенным в табл. 7.5.13, если в стандартах или технических условиях на соответствующее оборудование не приведены другие нормативные значения.
7.6.33. Помещения и здания сборочно-сварочных цехов и участков с размещенными в них электросварочными установками и сварочными постами, а также вентиляционные устройства должны отвечать требованиям действующих нормативных документов.
7.6.34. Для электросварочных установок и сварочных постов, предназначенных для постоянных электросварочных работ в зданиях вне сварочно-сборочных цехов и участков, должны быть предусмотрены специальные вентилируемые помещения, выгороженные противопожарными перегородками 1-го типа, если они расположены смежно с помещениями категорий А, Б и В по взрывопожарной опасности, и 2-го типа в остальных случаях. Площадь и объем таких помещений и системы их вентиляции должны соответствовать требованиям действующих санитарных правил и СНиП с учетом габаритов сварочного оборудования и свариваемых изделий.
7.6.35. Сварочные посты допускается располагать во взрыво- и пожароопасных зонах только в период производства временных электросварочных работ, выполняемых с соблюдением требований, изложенных в типовой инструкции по организации безопасного ведения огневых работ на взрыво- и взрывопожароопасных объектах, утвержденной Госгортехнадзором России.
7.6.36. В помещениях для электросварочных установок должны быть предусмотрены проходы не менее 0,8 м, обеспечивающие удобство и безопасность производства сварочных работ и доставки изделий к месту сварки и обратно.
7.6.37. Площадь отдельного помещения для электросварочных установок должна быть не менее 10 м2, причем площадь, свободная от оборудования и материалов, должна составлять не менее 3 м2 на каждый сварочный пост.
7.6.38. Сварочные посты для систематического выполнения ручной дуговой сварки или сварки в среде защитных газов изделий малых и средних габаритов непосредственно в производственных цехах в непожароопасных и невзрывоопасных зонах должны быть размещены в специальных кабинах со стенками из несгораемого материала.
Глубина кабины должна быть не менее двойной длины, а ширина - не менее полуторной длины свариваемых изделий, однако площадь кабины должна быть не менее 2´1,5 м. При установке источника сварочного тока в кабине ее размеры должны быть соответственно увеличены. Высота стенок кабины должны быть не менее 2 м, зазор между стенками и полом - 50 мм, а при сварке в среде защитных газов - 300 мм. В случае движения над кабиной мостового крана, ее верх должен быть закрыт сеткой с ячейками размером не более 50´50 мм.
7.6.39. Выполнение работ на сварочных постах при несистематической ручной дуговой сварке, сварке под флюсом и электрошлаковой сварке допускается непосредственно в пожароопасных помещениях при условии ограждения места работы щитами или занавесами из негорючих материалов высотой не менее 1,8 м.
7.6.40. Электросварочные установки при систематической сварке на них изделий массой более 20 кг должны быть оборудованы соответствующими подъемно-транспортными устройствами для облегчения установки и транспортировки свариваемых изделий.
7.6.41. Естественное и искусственное освещение электросварочных установок сборочно-сварочных цехов, участков, мастерских, отдельных сварочных постов (сварочных кабин) и мест сварки должно удовлетворять требованиям СНиП 23-05-95 «Естественное и искусственное освещение. Нормы проектирования».
7.6.42. При ручной сварке толстообмазанными электродами, электрошлаковой сварке, сварке под флюсом и автоматической сварке открытой дугой должен быть предусмотрен отсос газов непосредственно из зоны сварки.
7.6.43. На сварочных постах при сварке открытой дугой и под флюсом внутри резервуаров, закрытых полостей и конструкций должно обеспечиваться вентилирование в соответствии с характером выполняемых работ. При невозможности необходимого вентилирования следует предусматривать принудительную подачу чистого воздуха под маску сварщика в количестве 6-8 м3/ч.
7.6.44. Над переносными и передвижными сварочными установками, находящимися на открытом воздухе, должны быть сооружены навесы из негорючих материалов для защиты рабочего места сварщика и электросварочного оборудования от атмосферных осадков.
Навесы допускается не сооружать, если электрооборудование электросварочной установки имеет оболочку со степенью защиты, соответствующей условиям работы в наружных установках, и во время дождя и снегопада электросварочные работы будут прекращаться.
7.6.45. Проходы между однопостовыми источниками сварочного тока - преобразователями (статическими и двигатель-генераторными) установок сварки (резки, наплавки) плавлением должны быть шириной не менее 0,8 м и между многопостовыми - не менее 1,5 м. Расстояние от одно- и многопостовых источников сварочного тока до стены должно быть не менее 0,5 м.
Проходы между группами сварочных трансформаторов должны быть шириной не менее 1 м. Расстояние между сварочными трансформаторами, стоящими рядом в одной группе, должно быть не менее 0,1 м.
Регулятор сварочного тока (если он выполнен в отдельной оболочке) следует устанавливать рядом со сварочным трансформатором или над ним. Установка сварочного трансформатора над регулятором тока не допускается.
7.6.46. Проходы с каждой стороны стеллажа для выполнения ручных сварочных работ на крупных деталях или конструкциях должны быть шириной не менее 1 м. Столы для мелких сварочных работ допускается примыкать с одной стороны непосредственно к стене кабины, с других сторон должны быть проходы шириной не менее 1 м. Кроме того, в сварочной мастерской (на участке) должны быть предусмотрены проходы, ширина которых устанавливается в зависимости от числа работающих, но не менее 1 м.
7.6.47. Проходы с каждой стороны установки автоматической дуговой сварки под флюсом крупных изделий, а также установок дуговой сварки в защитном газе, плазменной, электронно-лучевой и лазерной сварки должны быть шириной не менее 1,5 м.
7.6.48. Для подвода тока от источника сварочного тока к электрододержателю установки ручной дуговой сварки (резки, наплавки) или к дуговой плазменной горелке прямого действия установки плазменной резки (сварки) должен применяться гибкий провод с резиновой изоляцией и в резиновой оболочке. Применение проводов с изоляцией или в оболочке из материалов, распространяющих горение, не допускается.
7.6.49. Электрические проводки установок и аппаратов, предназначенных для дуговой сварки ответственных конструкций судовых секций, несущих конструкций зданий, мостов, летательных аппаратов, подвижного состава железных дорог и других средств передвижения, сосудов, котлов и трубопроводов на давление более 5 МПа, трубопроводов для токсичных веществ и т.п., должны быть выполнены проводами с медными жилами.
7.6.50. В качестве обратного провода, соединяющего свариваемое изделие с источником сварочного тока в указанных в 7.6.48 установках стационарного использования, могут служить гибкие и жесткие провода, а также, где это возможно, стальные или алюминиевые шины любого профиля достаточного сечения, сварочные плиты, стеллаж и свариваемая конструкция (см. также 7.6.51-7.6.52).
В электросварочных установках с переносными и передвижными сварочными трансформаторами обратный провод должен быть изолированным так же, как и прямой, присоединяемый к электрододержателю.
Элементы, используемые в качестве обратного провода, должны надежно соединяться сваркой или с помощью болтов, струбцин либо зажимов.
7.6.51. В установках для автоматической дуговой сварки в случае необходимости (например, при сварке круговых швов) допускается соединение обратного провода со свариваемым изделием с помощью скользящего контакта соответствующей конструкции.
7.6.52. В качестве обратного провода не допускается использование металлических строительных конструкций зданий, трубопроводов, технологического оборудования, а также проводников сети заземления.
7.6.53. Электрододержатели для ручной дуговой сварки и резки металлическим и угольным электродами должны удовлетворять требованиям действующих стандартов.
7.6.54. Напряжение холостого хода источников сварочного тока установок дуговой сварки при номинальном напряжении питающей электрической сети не должно превышать для источников постоянного тока 100 В (среднее значение) и для источников переменного тока (действующее значение):
80 В - для установок ручной и полуавтоматической дуговой сварки на номинальный сварочный ток 630 А;
100 В - для установок автоматической дуговой сварки на номинальный сварочный ток 1000 А;
120 В - для установок автоматической дуговой сварки на номинальный сварочный ток 1600 А;
140 В - для установок автоматической дуговой сварки на номинальный сварочный ток 2000 А.
В цепи сварочного тока допускаются кратковременные пики напряжения при обрыве дуги длительностью не более 0,5 с.
7.6.55. Для возбуждения дуги в установках дуговой сварки (резки) без предварительного замыкания сварочной цепи между электродом и свариваемым изделием и повышения стабильности горения дуги допускается применение преобразователей повышенной частоты (осцилляторов).
Для повышения устойчивости горения дуги переменного тока допускается применение в установках дуговой сварки (резки) импульсных генераторов, резко поднимающих напряжение между электродом и свариваемым изделием в момент повторного возбуждения дуги. Импульсный генератор не должен увеличивать напряжение холостого хода сварочного трансформатора более чем на 1 В (действующее значение).
7.6.56. Номинальное напряжение электродвигателей и электротехнических устройств, расположенных на переносных частях электросварочных автоматов и полуавтоматов, должно быть не выше 50 В переменного или 110 В постоянного тока. Электродвигатели и электротехнические устройства переменного тока должны подключаться к питающей сети через понижающий трансформатор с заземленной вторичной обмоткой или через разделительный трансформатор, являющийся частью сварочного устройства. Корпуса электродвигателей и электротехнических устройств при этом допускается не заземлять. Электродвигатели и электротехнические устройства, расположенные на частях стационарных и передвижных электросварочных автоматов, смонтированных на стационарных установках, допускается питать от сети 220 и 380 В переменного тока или 220 и 440 В постоянного тока при обязательном заземлении их корпусов, которые должны быть электрически изолированы от частей, гальванически связанных со сварочной цепью.
7.6.57. Напряжение холостого хода источника сварочного тока установок плазменной обработки при номинальном напряжении сети должны быть не выше:
500 В - для установок автоматической резки, напыления и плазменно-механической обработки;
300 В - для установок полуавтоматической резки или напыления;
180 В - для установок ручной резки, сварки или наплавки.
7.6.58. Установки для автоматической плазменной резки должны иметь блокировку, исключающую шунтирование замыкающих контактов в цепи питания катушки коммутационного аппарата без электрической дуги.
7.6.59. Управление процессом механизированной плазменной резки должно быть дистанционным. Напряжение холостого хода на дуговую головку до появления «дежурной» дуги должно подаваться включением коммутационного аппарата при нажатии кнопки «Пуск», не имеющей самоблокировки. Кнопка «Пуск» должна блокироваться автоматически после возбуждения «дежурной» дуги.
7.6.60. Источники питания сварочным током электронных пушек установок электронно-лучевой сварки должны иметь разрядник, установленный между выводом положительного полюса выпрямителя и его заземленным корпусом. Кроме того, для предотвращения пробоев изоляции цепей низшего напряжения установки и изоляции в питающей электрической сети, к которой установка присоединяется, вызванных наведенными зарядами в первичных обмотках повышающих трансформаторов, между выводами первичной обмотки и землей должны включаться конденсаторы или приниматься другие меры защиты.
7.6.61. Сварочные электронно-лучевые установки должны иметь защиту от жесткого и мягкого рентгеновского излучения, обеспечивающую их полную радиационную безопасность, при которой уровень излучения на рабочих местах должен быть не выше допускаемого действующими нормативами для лиц, не работающих с источниками ионизирующих излучений.
7.6.62. Ширина проходов между машинами точечной, роликовой (линейной) и рельефной сварки при их расположении напротив друг друга должна быть не менее 2 м, а между машинами стыковой сварки - не менее 3 м. При расположении машин тыльными сторонами друг к другу ширина прохода должна быть не менее 1 м, при расположении передними и тыльными сторонами - не менее 1,5 м.
7.6.63. Машины контактной стыковой сварки методом оплавления должны быть оборудованы ограждающими устройствами (предохраняющими обслуживающий персонал от выплесков металла и искр и позволяющими безопасно вести наблюдение за процессом сварки), а также устройствами для интенсивной местной вытяжной вентиляции.
7.6.64. Для подвода сварочного тока к специальным передвижным или подвесным машинам контактной сварки, используемым для сварки громоздких конструкций в труднодоступных местах, должен применяться гибкий шланговый кабель (провод) с изоляцией и оболочкой из нераспространяющего горение материала с воздушным, а в обоснованных случаях - с водяным охлаждением.
7.6.65. Напряжение холостого хода вторичной обмотки сварочного трансформатора машины контактной сварки при номинальном напряжении сети должно быть не выше 50 В.
7.6.66. Подвесные машины точечной и роликовой сварки со встроенными сварочными трансформаторами должны присоединяться к сети через разделяющий трансформатор и иметь блокировку, допускающую включение силовой цепи только при заземленном корпусе машины.
Допускается непосредственное подключение сварочного трансформатора (без разделяющего трансформатора) к сети напряжением не более 380 В, при этом первичная цепь встроенного трансформатора должна иметь двойную (усиленную) изоляцию или же машина должна быть оборудована устройством защитного отключения.
7.6.67. В подвесных машинах точечной и роликовой сварки напряжение цепей управления, расположенных непосредственно на сварочных клещах, должно быть не выше 50 В для цепей переменного или 110 В для цепей постоянного тока.
Как исключение допускается напряжение указанных цепей до 220 В переменного или постоянного тока при наличии двойной изоляции цепей управления, а также элементов заземления или устройства защитного отключения.
Подвод тока в таких машинах к сварочным клещам рекомендуется выполнять проводом с водяным охлаждением.
7.10.1. Настоящая глава Правил распространяется на расположенные внутри зданий (исключения приведены в 7.10.4) производственные и опытно-промышленные установки электролиза водных растворов кислот, щелочей и солей с получением и без получения металлов, установки электролиза расплавленных солей, окислов и щелочей и установки гальванических покрытий изделий (деталей) черными и цветными металлами, в том числе редкими и драгоценными.
7.10.2. Электролизные установки и установки гальванических покрытий и используемое в них электротехническое и др. оборудование или устройства, кроме требований настоящей главы, должны удовлетворять также требованиям разделов 1-6 и гл. 7.3-7.5 Правил в той мере, в какой они не изменены настоящей главой.
7.10.3. Установки электролизные и гальванических покрытий - комплексы, состоящие из одной или нескольких ванн (соответственно электролизных - электролизеров или гальванических) и из требующихся для осуществления в них рабочего процесса выпрямительных агрегатов (см. 7.10.4), другого электротехнического оборудования общего назначения и специального, комплектных устройств и вспомогательных механизмов, магистральных, межванных и других токопроводов, кабельных линий и электропроводок (включая проводки вспомогательных цепей: систем управления, сигнализации, измерения, защиты), а также кранового и вентиляционного оборудования и газоочистных сооружений.
7.10.4. Выпрямительный агрегат - агрегат, работающий по принципу источника напряжения (АИН), состоит из преобразовательного трансформатора и полупроводниковых выпрямителей.
Параметрический выпрямительный агрегат - агрегат, работающий по принципу источника тока (ПИТ), основан на использовании резонансных схем и состоит из преобразовательного трансформатора с раздельными обмотками ВН, трех реакторов, трех конденсаторных батарей и полупроводниковых выпрямителей.
Полупроводниковый выпрямитель - комплект полупроводниковых вентилей, смонтированных на раме или в шкафу (на рамах или в шкафах) с системой воздушного или водяного охлаждения.
Преобразовательная подстанция электролизных установок - комплекс, состоящий из размещенных внутри помещения (или нескольких помещений, или внутри отдельного здания) выпрямительных агрегатов (АИН или ПИТ) и требующихся для их работы оборудования, устройств, систем и др. (см. 7.10.3), при этом вне здания могут быть расположены (когда это позволяют условия окружающей среды) на открытом пространстве или под навесом в исполнении для наружной установки преобразовательные трансформаторы, а при агрегатах ПИТ также и реакторы, и конденсаторные батареи.
Допускается исполнение преобразовательных подстанций, в которых шкафы (рамы) полупроводниковых выпрямителей монтируются на стенках бака преобразовательного трансформатора.
7.10.5. Электролизная ванна или электролизер - специальное электротехнологическое оборудование, состоящее из системы положительных и отрицательных электродов, погруженных в наполненный электролитом сосуд (или помещенных в ячейки мембранного или диафрагменного типа, собранные в единый блок-аппарат), предназначенное для выполнения совокупности процессов электрохимического окисления-восстановления при прохождении через электролит электрического тока.
Гальваническая ванна конструктивно подобна электролизной ванне с электролитом в виде водных растворов и отличается в основном лишь составами электролитов и режимами работы, определяемыми ее назначением - видом выполняемых гальванических покрытий.
Серия электролизных ванн (электролизеров) - группа электрически последовательно соединенных электролизных ванн (электролизеров), присоединяемая к преобразовательной подстанции (выпрямительному агрегату).
7.10.6. Зал электролиза1 - производственное помещение, в котором размещены одиночные электролизные ванны (электролизеры), их серия, несколько серий или часть серии.
1 Термины «зал электролиза», «станция» в установках электролиза алюминия не используются, в этих установках применяется термин «корпус электролиза» - производственное здание, в котором установлены серия (часть серии) или серии электролизеров.
Корпус, станция или цех электролиза - производственное здание, в котором размещены зал или залы электролиза и помещения с оборудованием, необходимым для осуществления технологического процесса и выполнения требований техники безопасности и охраны труда.
7.10.7. Гальванический цех (участок, отделение) - помещение или часть помещения с установками гальванических покрытий и электротехническим и другим оборудованием, необходимым для выполнения электротехнологического процесса с учетом требований техники безопасности и охраны труда.
7.10.8. Схема питания (групповая или индивидуальная) электролизных установок и установок гальванических покрытий, а также виды, типы, параметры и количество выпрямительных агрегатов и их исполнение, материал и сечение соединительных токопроводов и ошиновки самих ванн должны выбираться, как правило, на основании технико-экономического анализа с учетом обеспечения необходимой надежности электроснабжения.
7.10.9. Для предприятий, имеющих электролизные установки с преобразовательными подстанциями большой установленной мощности выпрямительных агрегатов, рекомендуется принимать схемы раздельного электроснабжения технологической нагрузки электролизного производства с электрическими нагрузками силового оборудования и электрического освещения всех основных и вспомогательных сооружений предприятия через отдельные понижающие трансформаторы, присоединяемые линиями передачи к распределительным устройствам расположенных вблизи генерирующих источников или к электрическим сетям питающей энергосистемы на напряжение 110-500 кВ по схеме «глубокого ввода», с минимальным числом ступеней трансформации и коммутации (класс напряжения определяется на основании технико-экономических расчетов в зависимости от мощности потребления предприятием электроэнергии).
Выпрямительные агрегаты электролизных установок для получения водорода, предназначенного для охлаждения турбогенераторов, присоединяются к РУ 0,4 кВ собственных нужд электростанции.
7.10.10. Система внутриплощадочного электроснабжения технологических и других электрических нагрузок электролизных установок и установок гальванических покрытий должна выполняться с учетом условий обеспечения в распределительной сети предприятия и на границе раздела балансовой принадлежности электрических сетей, допустимых по ГОСТ 13109 показателей качества электроэнергии (ПКЭ).
В целях ограничения содержания в питающей сети общего назначения высших гармонических составляющих напряжения на преобразовательных подстанциях электролизных установок и установок гальванических покрытий рекомендуется применять выпрямительные агрегаты с большим числом фаз выпрямления, с эквивалентным многофазным режимом выпрямления на каждом из агрегатов (группы агрегатов) и другие технические решения по компенсации гармонических составляющих. Конкретные решения по компенсации гармонических составляющих в распределительной сети предприятия принимаются на основании соответствующих технико-экономических расчетов.
7.10.11. В электролизных установках к электроприемникам I категории по степени надежности электроснабжения следует относить серии электролизных ванн-электролизеров.
Категории остальных электроприемников электролизных установок и электроприемников установок гальванических покрытий следует определять согласно отраслевым нормам технологического проектирования.
7.10.12. В отношении опасности поражения людей электрическим током помещения установок, цехов1 (станций, корпусов, отделений) электролиза и гальванических покрытий относятся к помещениям с повышенной опасностью.
1 Цех электролиза - совокупность корпусов (зданий) электролиза одной или нескольких серий. В состав цеха электролиза могут входить также литейное отделение, вспомогательные и бытовые помещения.
7.10.13. Напряжение электроприемников, устанавливаемых в цехах (станциях, корпусах) электролиза, как правило, должно быть не более 1 кВ переменного и выпрямленного тока. При соответствующем технико-экономическом обосновании допускается для питания серий электролизных ванн применять выпрямители с более высоким номинальным напряжением.
7.10.14. Светильники общего освещения - «верхний свет» залов (корпусов) электролиза - могут получать питание электроэнергией от трансформаторов общего назначения с вторичным напряжением 0,4 кВ с глухозаземленной нейтралью. При этом на первом этаже двухэтажных зданий и в одноэтажных зданиях металлические корпуса светильников, пускорегулирующих аппаратов, ответвительных коробок и т.п. элементов электропроводки должны быть изолированы от строительных конструкций здания.
Металлические корпуса светильников верхнего света, пускорегулирующие аппараты и ответвительные коробки, расположенные на отметке выше 3,5 м от площадки обслуживания электролизеров, не требуется изолировать от стальных конструкций.
7.10.15. Стационарное местное освещение в цехах (корпусах, залах) электролиза, как правило, не требуется. Исключение - основные производственные помещения электролизных установок получения хлора (см. 7.10.47).
7.10.16. Переносные (ручные) электрические светильники, применяемые в залах (корпусах) электролиза и во вспомогательных цехах (мастерских), должны иметь напряжение не выше 50 В и присоединяться к электрической сети через безопасный разделительный трансформатор класса II по ГОСТ 30030.
7.10.17. Электроинструменты (электросверла, электробуры, электропылесосы и др.), используемые в залах (корпусах) электролиза, должны иметь двойную изоляцию и их следует присоединять к питающей сети через разделительный трансформатор.
7.10.18. Электродвигатели, электронагреватели и другие электроприемники переменного тока, корпуса которых имеют непосредственное соединение с изолированным от земли корпусом электролизера, как правило, должны иметь напряжение не выше 50 В. Рекомендуется применение специальных электродвигателей на напряжение 50 В с усиленной изоляцией в исполнении, соответствующем условиям среды1.
1 На электролизные установки для получения хлора не распространяется требование об усиленной изоляции электродвигателей, кроме того, в таких установках к общему разделительному трансформатору допускается присоединять один электродвигатель или группу электродвигателей, относящихся только к одному электролизеру.
Электродвигатели на напряжение от 50 до 380 В переменного тока допускается применять при соблюдении следующих условий: электродвигатели или группа электродвигателей, установленные не более чем на 15 электролизерах, присоединяются к сети общего назначения (к трансформатору общего назначения с изолированной нейтралью) через разделительный трансформатор.
Переносные электронагреватели мощностью до 120 кВт (устанавливаемые в электролизер на время разогрева) допускается присоединять к питающей сети через один разделительный трансформатор, располагаемый вне помещения с электролизными ваннами, при условии, если суммарная протяженность распределительной сети вторичного напряжения не превышает 200 м и предусмотрено блокирование, исключающее одновременное включение нагревателей нескольких электролизеров.
7.10.19. Помещения электролизных установок, в которых в процессе электролиза в герметизированном оборудовании выделяется или находится в обращении водород, необходимо оборудовать вытяжной вентиляцией с естественным побуждением (с дефлекторами или аэрационными фонарями), исключающей образование под перекрытием невентилируемых пространств.
Такие помещения, где по условиям технологического процесса исключается образование рассчитываемого согласно НПБ 105-95 избыточного давления взрыва в помещении, превышающего 5 кПа, имеют согласно классификации, приведенной в ГОСТ Р 51330.9, взрывоопасную зону класса 2 и только в верхней части помещения. Взрывоопасная зона условно принимается от отметки 0,75 общей высоты помещения от уровня пола, но нижняя граница зоны не может быть выше подкранового пути.
В этой зоне под потолком помещения следует размещать датчики (как правило, не менее двух на каждые 36 м2 площади помещения), присоединяемые к автоматизированной системе контроля концентрации водорода в воздухе. Система должна обеспечивать звуковую и световую сигнализации, а также блокирование (или отключение) пусковых аппаратов электродвигателей и других электроприемников подъемно-транспортного оборудования (если такие электрические аппараты в данном помещении имеются), когда в контролируемой зоне помещения содержание водорода превысит 1,0 об. %.
7.10.20. В помещениях электролизных установок со взрывоопасными зонами для электрического освещения, как правило, должны применяться комплектные осветительные устройства со щелевыми световодами (КОУ). Источники света в этих устройствах помещаются в камеры, входящие в состав КОУ. Сочленение камер со световодами должно обеспечивать степень защиты световодов со стороны камер не ниже IP 54. Камеры КОУ должны размещаться вне взрывоопасной среды в стене, граничащей с соседним невзрывоопасным помещением, или в наружной стене.
Помимо КОУ рекомендуется использование светильников общего назначения, устанавливаемых:
за неоткрывающимися окнами с двойным остеклением без фрамуг и форточек;
в специальных нишах с двойным остеклением в стене;
в специальных фонарях с двойным остеклением в потолочном перекрытии;
в остекленных коробах.
Ниши и фонари должны иметь вентиляцию наружным воздухом с естественным побуждением.
Остекленные короба должны продуваться под избыточным давлением чистым воздухом. В местах, где возможны поломки стекол в коробе, для остекления следует применять небьющееся стекло.
7.10.21. Залы (корпуса) электролиза рекомендуется оборудовать подъемно-транспортными механизмами для выполнения монтажных, технологических и ремонтных работ. В помещениях электролизных установок, в верхних зонах которых могут быть взрывоопасные зоны (см. 7.10.19), эти механизмы (их электрооборудование) должны иметь исполнение, соответствующее требованиям гл. 7.3.
В корпусах электролиза с мостовыми кранами лестницы для спуска крановщика из кабины крана должны быть из неэлектропроводного материала. Если в таких корпусах нет галереи для обслуживания подкрановых путей, должна выполняться конструкция, обеспечивающая безопасный спуск крановщика при остановке кабины крана не у посадочной площадки (например, при аварии).
7.10.22. Токопроводы (ошиновки) электролизных установок, как правило, должны выполняться шинами из алюминия или алюминиевого сплава с повышенной механической и усталостной прочностью. Шины токопроводов следует защищать коррозиестойкими, а на участках с рабочей температурой 45 °С и выше - теплостойкими лаками (исключение - шины в корпусах электролиза алюминия).
Контактные соединения шин токопроводов необходимо выполнять сваркой, за исключением межванных, а также шунтирующих токопроводов (ошиновки) и присоединения шин к выпрямителям, коммутационным и другим аппаратам, к крышкам или торцевым плитам электролизеров.
Для прокладки по электролизерам в зонах высокой температуры должны использоваться провода или кабели с нагревостойкой изоляцией и оболочкой.
Для шунтирования выводимого из работающей серии электролизера (электролизной ванны) следует предусматривать стационарное или передвижное шунтирующее устройство (разъединитель, выключатель, короткозамыкатель, жидкометаллическое коммутирующее шунтирующее устройство). Передвижное шунтирующее устройство должно быть изолировано от земли.
Снижение влияния магнитных полей на работу устройств и приборов, размещаемых в зале (корпусе и др. производственных помещениях) электролиза, а также на работу самих электролизеров, должно обеспечиваться соблюдением отраслевых норм соответствующего производства.
7.10.23. Электрическая изоляция серий электролизных ванн, строительных конструкций здания, коммуникаций (токопроводов, трубопроводов, воздуховодов и др.) должна исключать возможность внесения в зал (корпус) электролиза потенциала земли и вынос из зала (корпуса) потенциала (см. также 7.10.24, 7.10.29-7.10.30).
Электрическая изоляция от земли серий электролизеров и ванн гальванических покрытий и токопроводов к ним должна быть доступна для осмотра и контроля ее состояния.
7.10.24. В залах (корпусах) электролиза (за исключением залов с электролизными установками для получения водорода методом электролиза воды) помимо элементов, указанных в 7.10.23, должны иметь электрическую изоляцию от земли:
внутренние поверхности стен на высоту до 3 м и колонны на высоту до 3,5 м от уровня рабочих площадок первого этажа в одноэтажных зданиях или второго этажа в двухэтажных зданиях;
металлические и железобетонные конструкции рабочих площадок, расположенные возле электролизеров;
перекрытия шинных каналов и полов возле электролизеров;
металлические крышки люков;
металлические части вентиляционных устройств, расположенные на полу и у стен корпуса;
металлические трубопроводы, кронштейны и другие металлические конструкции, расположенные в пределах помещения на высоте до 3,5 м от уровня пола;
подъемно-транспортные механизмы (см. 7.10.21).
7.10.25. Металлические и железобетонные конструкции рабочих площадок возле электролизеров должны накрываться (за исключением конструкций у электролизеров установок электролиза магния и алюминия) решетками из дерева, пропитанного огнестойким составом, не влияющим отрицательно на его диэлектрические свойства, или из другого диэлектрического материала.
7.10.26. Вводы шин токопроводов в корпус (здание) электролиза должны ограждаться металлическими сетками или конструкцией из электроизоляционных материалов на металлическом каркасе на высоту не менее 3,5 м от уровня пола. Сетки или металлические конструкции каркаса должны быть изолированы от токопровода.
7.10.27. Токопроводы электролизных установок, за исключением межванных, шунтирующих токопроводов и токоподводов (спусков) к торцевым ваннам, должны иметь ограждение в следующих случаях:
при расположении горизонтальных участков токопроводов над проходами на высоте менее 2,5 м над уровнем пола или нахождении их в зоне движения кранов и цехового транспорта1;
при расстоянии менее 2,5 м между токопроводами, расположенными на высоте ниже 2,5 м над уровнем пола, и заземленными трубопроводами или заземленным оборудованием1;
при расположении токопроводов вблизи посадочных площадок мостовых кранов, если расстояние от них до этих площадок составляет менее 2,5 м.
1 На установки электролиза алюминия не распространяется.
7.10.28.1 В залах электролиза (за исключением залов с электролизными установками для получения водорода методом электролиза воды) не разрешается устройство магистрали заземления трехфазных приемников переменного тока производственных механизмов. Для таких электроприемников открытые проводящие части следует присоединять к РЕ-проводнику. В качестве дополнительной меры возможно использование устройства защитного отключения.
Открытые проводящие части электроприемников переменного тока при расстоянии от них до токоведущих частей электролизеров менее 2,5 м должны иметь съемную изолирующую оболочку.
1 На установки электролиза алюминия не распространяется.
7.10.29. Трубопроводы в корпусах электролиза алюминия, в цехах и в залах электролиза (за исключением залов с электролизными установками для получения водорода методом электролиза воды) рекомендуется выполнять из неэлектропроводных материалов.
При использовании металлических трубопроводов (в том числе гуммированных), защитных труб и коробов должны применяться электроизолирующие вставки, подвески и изоляторы.
Должны предусматриваться меры по снижению токов утечки - отводу тока из растворов, которые поступают в электролизеры или отводятся от них по изолированным или выполненным из неэлектропроводных материалов (фиолита, винипласта, стеклопластика и др.) трубопроводам. Рекомендуется использование устройств разрыва струи или принятие других эффективных мер.
7.10.30. Бронированные кабели, металлические трубопроводы, защитные трубы, а также короба коммуникаций технологических, паро-, водоснабжения, вентиляции и др. в залах (корпусах) электролиза должны быть размещены, как правило, на высоте не менее 3,5 м от уровня рабочих площадок (не менее 3,0 м - для залов электролиза водных растворов), изолированы от земли или ограждены, иметь электроизолирующие вставки на входе и выходе из зала (корпуса), а также в местах отводов к электролизерам и подсоединения к ним.
При расположении в залах (корпусах) электролиза перечисленных коммуникаций ниже указанной высоты они, кроме того, должны иметь две ступени электрической изоляции от строительных конструкций, а также электроизоляционные вставки по длине зала (корпуса), размещаемые согласно требованиям отраслевых норм.
Трос, на котором в зале (корпусе) электролиза крепятся провода или кабели, должен быть электроизолирован от строительных конструкций.
7.10.31. Кабельные линии электролизных установок должны прокладываться по трассам, на которых маловероятны аварийные ситуации (например, невозможно попадание расплавленного электролита при аварийном уходе электролита из электролизера).
7.10.32. Электротехническое оборудование, устанавливаемое на фундаментах, рамах и других конструкциях, не должно иметь скрытых от наблюдения разъемных электрических соединений. Разъемные электрические соединения должны быть легко доступны для обслуживания и ремонта.
7.10.33. Электрические распределительные устройства напряжением до 1 кВ для силовой и осветительной сетей должны располагаться на расстоянии не менее 6 м от неогражденных токопроводов или частей электролизеров, находящихся под напряжением выпрямленного тока.
7.10.34. Щит центральный и (или) КИПиА (если их необходимость обоснована) должны быть оборудованы соответствующими средствами для регулирования и управления технологическими процессами электролиза и контроля за работой оборудования, включая преобразователи, а также системой сигнализации, извещающей о пуске, остановке и нарушениях режима работы оборудования или о повреждении изоляции в контролируемых электрических цепях.
7.10.35. Для включения в работу оборудования, находящегося вне зоны видимости, должна предусматриваться пусковая сигнализация. Рекомендуется также применение в обоснованных случаях оптических устройств (зеркал, телескопических труб и др.) и устройств промышленного телевидения.
7.10.36. В электролизных установках, в которых при аварийных ситуациях требуется немедленное отключение питания электроэнергией электролизеров, в зале электролиза и в помещении центрального щита управления и (или) щита КИПиА должны быть установлены кнопочные выключатели для аварийного отключения выпрямителей. Должна быть исключена возможность использования этих аппаратов для последующего включения выпрямителей в работу.
7.10.37. Электролизные установки, на электролизерах которых возможно появление повышенного напряжения (например, за счет «анодного эффекта»), должны быть оборудованы сигнализацией для оповещения об этом персонала.
7.10.38. В помещениях электролизного производства, в том числе на преобразовательной подстанции, должна предусматриваться громкоговорящая и (или) телефонная связь, в соответствии с принятой системой обслуживания на предприятии (опытно-промышленной установке).
7.10.39. Для контроля за режимом работы серии ванн в помещениях корпусов, станций (цехов) электролиза или на преобразовательной подстанции должны предусматриваться:
амперметр на каждую серию;
вольтметр на каждую серию и каждый корпус, если они питаются от сборных шин;
вольтметр на каждую ванну (или вольтметр с многопозиционным переключателем на группу ванн) в тех случаях, когда по рабочему напряжению на ваннах ведется технологический процесс;
устройства (приборы) контроля изоляции каждой системы шин выпрямленного тока или группы электролизеров, получающих питание или от контролируемой сети выпрямленного тока, или от сети переменного тока через индивидуальные или групповые разделительные трансформаторы;
счетчики вольт-часов или ампер-часов (в зависимости от технологических требований) на серию или группу ванн;
счетчик расхода электрической энергии, установленный на первичной стороне преобразовательного трансформатора выпрямительного агрегата.
7.10.40. Средняя точка серии электролизеров не должна иметь глухого заземления. Допускается использование нейтрали серии для устройств контроля изоляции, не создающих в нормальном режиме глухой связи нейтрали с землей.
7.10.41.1 Между токоведущими частями в проходах между рядами электролизеров (не отгороженных один от другого) расстояние должно быть не менее 1,2 м при максимально возможном напряжении между ними до 65 В и не менее 1,5 м - при напряжении свыше 65 В. Проходы между продольным рядом ванн и стеной, между торцевыми ваннами и стеной должны быть шириной не менее 2,5 м. Допускается местное сужение до 1,5 м проходов между ваннами и колоннами здания и стойками эстакад, несущих токопроводы или материалопроводы, при условии обязательного покрытия колонн и стоек в проходе на высоту не менее 2,5 м от пола электроизоляционным листовым материалом, например пластиковыми листами на сварке.
1 Если требования, приведенные в 7.10.41, на реконструируемых установках выполнить невозможно, то заземленные коммуникации и оборудование следует покрыть изоляционными материалами или изолирующими кожухами из винипласта, стеклопластика и т.п.
От токопроводов электролизеров и других токоведущих частей до заземленного технологического оборудования и арматуры светильников расстояние должно быть не менее 2,5 м.
7.10.42. Электролизеры водородных станций должны быть оборудованы следующей электрической защитой:
от однополюсных замыканий на землю, кроме электролизеров, у которых крайний электрод или корпус крайней ячейки по конструкции заземлен, например, через газоотделитель;
от межполюсных коротких замыканий;
от обратных токов при применении двигателей-генераторов (на реконструируемых установках).
7.10.43. Электролизеры водородных станций, работающие под напряжением свыше 250 В по отношению к земле, должны иметь по периметру сетчатое ограждение.
7.10.44. Вокруг электролизера водородных станций должны быть уложены диэлектрические коврики (дорожки).
7.10.45. На водородных станциях расстояния между электролизерами, а также между электролизерами и стенами помещения должны соответствовать указанным в 7.10.41.
Между оборудованием должны предусматриваться следующие проходы:
основные - шириной не менее 1,5 м по фронту обслуживания машин (компрессоров, насосов и т.п.) и аппаратов, имеющих арматуру и контрольно-измерительные приборы; для малогабаритного оборудования (с шириной и высотой до 0,8 м) допускается уменьшать ширину прохода до 1 м;
для возможности обслуживания со всех сторон (если в этом есть необходимость) между оборудованием, а также между оборудованием и стенами помещений - шириной не менее 1 м;
для осмотра и периодической проверки и регулировки оборудования и приборов - шириной не менее 0,8 м.
Нормируемая минимальная ширина проходов должна обеспечиваться между наиболее выступающими (на высоте менее 2 м) частями оборудования с учетом фундаментов, изоляции, ограждения и т.п.
7.10.46. В установках электролиза поваренной соли ртутным, мембранными и диафрагменными методами, а также при электролизе соляной кислоты должны обеспечиваться:
возможность аварийного ручного отключения питания электроэнергией электролизеров в соответствии с 7.10.36, а также из помещения пульта управления и машинистом хлорных компрессоров при их остановке;
автоматическое отключение электродвигателей хлорных и водородных компрессоров при всех методах электролиза, кроме электродвигателей хлорных компрессоров при ртутном методе электролиза, при внезапном отключении выпрямленного тока, питающего электролизеры (с выдержкой 2-3 с после отключения тока);
автоматическое отключение (с выдержкой до 3 мин) электродвигателей хлорных компрессоров при ртутном методе электролиза с одновременным включением системы аварийного поглощения хлора;
автоматическое отключение системой блокирования с выдержкой 3-5 с выпрямителей, питающих электролизеры, для всех методов электролиза при внезапной остановке всех электродвигателей хлорных компрессоров, если в течение указанного периода не произойдет самозапуск, а также при остановке группы электродвигателей ртутных насосов (число электродвигателей в группе определяется в каждом конкретном случае) с одновременным включением системы аварийного поглощения хлора из системы и одновременной подачей сигнала в зал электролиза, помещение компрессоров и щита КИПиА;
автоматическое отключение выпрямителя электролизной установки при повышении давления газа хлора во всасывающем коллекторе компрессора сверх установленного предела;
сигнализация в зал электролиза, в помещение щита КИПиА и на преобразовательную подстанцию при внезапном отключении одного из нескольких работающих хлорных компрессоров;
сигнализация в зал электролиза и помещение щита КИПиА при остановке электродвигателей ртутного насоса или прекращении циркуляции ртути в электролизерах с ртутным катодом.
7.10.47. В основных производственных помещениях, кроме сети общего освещения, должна предусматриваться стационарная сеть местного освещения напряжением до 50 В, питаемая от сети общего освещения через разделительный трансформатор.
7.10.48. Электрическую изоляцию, кроме указанной в 7.10.23-7.10.24, должны иметь следующие элементы:
оболочки электролизеров и трубопроводов катодного и анодного отсосов - от земли и строительных конструкций;
полы корпуса, полы и колонны подвала, а также рабочие площадки, другие железобетонные или металлические строительные конструкции - от земли;
части трубопроводов сжатого воздуха и вакуума - от земли, один от другого и от электролизеров;
кабели и аппаратура - от каркаса, на котором установлены трансформаторы;
рабочие площадки у электролизеров (помимо упомянутой выше электрической изоляции от земли) должны быть покрыты диэлектрическим листовым материалом.
7.10.49. Расположение электролизеров в установках, сооружаемых вновь, как правило, должно приниматься центральное с двумя проездами со стороны продольных стен.
7.10.50. Проезды в залах электролиза должны быть шириной:
при наличии двух проездов со стороны продольных стен - не менее 4,5 м;
при наличии одного проезда между продольными рядами электролизеров - не менее 5,5 м.
В обоих случаях должен обеспечиваться свободный проход шириной не менее 1 м между транспортным средством и стеной корпуса или установленным оборудованием.
7.10.51. Проход между продольным рядом электролизеров и стеной при наличии одного проезда должен быть шириной не менее 2 м.
7.10.52. Между токопроводами двух рядов электролизеров расстояние должно быть не менее 4 м.
7.10.53. Электрическую изоляцию от земли, дополнительно к указанным в 7.10.23-7.10.24, должны иметь следующие конструкции:
фундаменты электролизеров и подземные каналы;
опорные колонны электролизеров и междуэтажного перекрытия.
7.10.54. Металлические перекрытия поперечных каналов токопроводов в корпусах электролиза должны иметь электрическую изоляцию, а на участках между смежными электролизерами эти перекрытия должны иметь электроизолирующие вставки.
Металлические перекрытия продольных проемов и каналов токопроводов должны иметь электрическую изоляцию от этих проемов и каналов, а на участках между смежными электролизерами должны иметь электроизолирующие вставки.
7.10.55. Металлические перекрытия проемов и каналов токопроводов у электролизеров должны иметь потенциал катода электролизера.
7.10.56. Напольные вентиляционные решетки в корпусах электролиза и электролитического рафинирования алюминия следует укладывать на электроизоляционные основания.
7.10.57. Металлические переплеты в окнах и аэрационных шахтах допускается устанавливать на высоте не менее 3 м от уровня пола в одноэтажных и второго этажа в двухэтажных корпусах.
7.10.58. Торцы первого этажа в двухэтажных корпусах электролиза и электролитического рафинирования алюминия должны быть ограждены металлической сеткой, электрически изолированной от строительных конструкций, или перегородкой из неэлектропроводных материалов на высоту не менее 1,7 м от уровня земли. В ограждении должны быть ворота или двери, запираемые замком.
7.10.59. Корпуса электролиза должны иметь вдоль наружных стен аэрационные проемы, закрытые на высоту не менее 1,7 м от уровня земли надежно заземленными металлическими сетками, которые не должны затруднять вентиляцию корпуса.
7.10.60. Лестницы на второй этаж и площадки второго этажа, а также перильные ограждения второго этажа в двухэтажных корпусах электролиза должны выполняться из неэлектропроводных материалов. Допускается изготовление перил и лестниц из металла с покрытием пластиком или другими электроизоляционным материалами.
7.10.61. Между выступающими частями электролизеров при их продольном расположении расстояние должно быть не менее 0,7 м. Это расстояние между торцами электролизеров может быть уменьшено до пределов, допускаемых конструкцией электролизеров, если нахождение людей в указанной зоне исключено.
7.10.62. Между стенками продольных каналов токопроводов (проемов) в центральном проходе корпуса расстояние должно быть не менее 3,5 м.
7.10.63. Металлические трубопроводы сжатого воздуха и вакуума, а также магистральные металлические газоходы системы верхнего газоотсоса для электролизеров с боковым токоподводом и обожженными анодами, проложенные вдоль корпуса, должны иметь электроизоляционные вставки через каждые 40 м.
Магистральные металлические газоходы от электролизеров с верхним анодным токоподводом должны иметь перед входом в подземный канал две последовательно установленные электроизоляционные вставки.
7.10.64. Газоотсосные патрубки электролизеров должны иметь электрическую изоляцию от магистральных газоотсосных трубопроводов.
7.10.65. Газоотсосные патрубки электролизеров с подземной системой газоотсоса должны иметь электрическую изоляцию от строительных конструкций.
7.10.66. У электролизеров с боковым токоподводом и с самообжигающимся анодом должны иметь электрическую изоляцию:
катодный кожух - от фундамента или от опорных строительных конструкций;
металлоконструкции электролизеров - от анода и от катодного кожуха;
шторные укрытия - от катодного кожуха;
анодные пакеты шин - от металлоконструкций;
крюки для временной подвески анода - от металлоконструкций или же должен быть узел электрической изоляции непосредственно на переносных тягах для временной подвески анода при перетяжке анодной рамы.
7.10.67. У электролизеров с обожженными анодами должны быть электроизолированы:
катодный кожух - от фундамента или опорных строительных конструкций;
металлоконструкции анодной части - от катодного кожуха;
металлоконструкции, установленные на специальных опорах, - от этих опор, опоры - от земли (опоры должны быть электрически соединены с катодным кожухом);
домкраты механизма подъема анодов и анодного токоподвода - от анодной рамы;
укрытия - от катодного кожуха.
7.10.68. У электролизеров с верхним токоподводом и с самообжигающимся анодом должны иметь электрическую изоляцию:
катодный кожух - от фундамента или опорных строительных конструкций;
домкраты основного механизма подъема - от специальных опор (при их установке на специальные опоры), специальные опоры - от земли (опоры должны быть электрически соединены с катодным кожухом);
домкраты вспомогательного механизма подъема анода - от анодного кожуха.
7.10.69. Система электроизоляции в корпусах электролиза должна исключать наличие потенциала «земля» в ремонтных зонах напольных рельсовых машин и местах загрузки их сырьем до уровня подкрановых балок1.
1 ПБ 11-149-97 (п. 2.5.42).
7.10.70. Рельсы для напольных рельсовых машин должны иметь электроизоляционные вставки на участках между электролизерами. Участки должны иметь потенциал катода соответствующего электролизера, а на участках ремонтных зон - потенциал крайнего в ряду электролизера.
У напольной рельсовой машины должны быть электроизолированы:
ходовые колеса - от металлоконструкций;
привод ходовых колес - от металлоконструкций;
механизм продавливания корки электролита - от металлоконструкций;
соединительное устройство аэрожелоба или монжусных труб - от металлоконструкций машины и соприкасающихся с ними элементов корпуса электролизера;
аэрожелоб и монжусные трубы - от металлоконструкций;
трубопроводы - от металлоконструкций в месте перехода их в исполнительный орган механизма продавливания корки электролита;
стыковочное устройство машины - от металлоконструкций корпуса, число ступеней изоляции должно быть не менее трех;
выдвижной конвейер для загрузки машины анодной массой - от металлоконструкций корпуса, число ступеней изоляции должно быть не менее трех.
7.10.71. Подкрановые пути в корпусах электролиза алюминия должны быть заземлены. Сопротивление заземляющих устройств не должно превышать 4 Ом.
7.10.72. Электробезопасность при ремонтах электролизеров должна обеспечиваться системой аварийной сигнализации, срабатывающей при потенциале электролизера по отношению к земле свыше 50 В и при замыкании на землю главных цепей выпрямленного тока на других участках серии.
7.10.73. Нейтраль в электроустановках напряжением до 1 кВ переменного тока в корпусах электролиза может быть как изолированная, так и глухозаземленная.
Отключение при первом замыкании в электроустановках напряжением до 1 кВ с изолированной нейтралью в корпусах электролиза в соответствии с требованиями технологии недопустимо. Для таких электроустановок должен быть предусмотрен контроль изоляции с действием на сигнал. Звуковой и световой сигналы о снижении изоляции ниже заданного значения должны передаваться в помещения с постоянным пребыванием обслуживающего персонала. Световой сигнал должен указывать магистраль, на которой произошло снижение изоляции.
Электродвигатели, расположенные на изолированной от земли анодной раме электролизера, должны иметь надежное электрическое соединение болтами их корпусов с металлоконструкцией, на которой они установлены. При этом специальный проводник, соединяющий корпус электродвигателя с металлоконструкцией для его установки, не требуется. Эти двигатели могут иметь нормальную изоляцию и должны присоединяться к трансформатору общего назначения с изолированной нейтралью через групповые разделительные трансформаторы с напряжением вторичной обмотки до 220 В, в остальном должны выполняться требования, приведенные в 7.10.18.
7.10.74. Электроприемники мостовых кранов и напольно-рельсовых машин должны присоединяться к трансформатору общего назначения с изолированной нейтралью.
7.10.75. Пусковая аппаратура и аппаратура управления механизмами установок электролиза, по возможности, должна располагаться в специальных электротехнических помещениях.
При размещении такой аппаратуры в шкафах у электролизеров металлические конструкции шкафов должны иметь электрическую изоляцию от пола и других строительных элементов, исключающую возможность попадания потенциала «земля» на корпус шкафа.
7.10.76. В двухэтажных корпусах электролиза алюминия допускается устройство специальных сварочных магистралей для сварки выпрямленным током путем отбора электроэнергии от работающих электролизеров. Использование таких магистралей для электрической сварки заземленных конструкций не допускается, за исключением электросварочных работ при капитальном ремонте электролизеров.
7.10.77. Сварочные магистрали для отбора электроэнергии от главного токопровода выпрямленного тока должны быть секционированы.
Электротехнические устройства для присоединения сварочных трансформаторов (подключительные пункты) должны быть изолированы от строительных конструкций и присоединяться к силовой сети с изолированной нейтралью через разделительный трансформатор.
7.10.78. Металлические трубопроводы, проложенные вдоль корпусов электролиза на высоте менее 3,5 м, должны иметь электроизоляционные вставки через каждые 4 электролизера, а расположенные вертикально или поперек электролизных серий - через каждые 3 м.
7.10.79. Между торцами соседних в ряду электролизеров расстояние должно быть не менее 1 м, а между выступающими частями - не менее 0,6 м. Если между торцами соседних в ряду электролизеров не предусматривается нахождение людей, расстояние между торцами может быть сокращено до пределов, допускаемых конструкцией электролизеров.
7.10.80. У электролизеров должны иметь электрическую изоляцию:
оболочка - от земли, строительных конструкций, анодных блюмов и металлических конструкций электролизера;
пакет анодных шин - от домкратов подъемного механизма анода.
7.10.81. Сборные баки для электролита и вентиляционные воздуховоды электролизных установок ферросплавного производства, выполненные из металла, должны быть заземлены.
7.10.82. Электролизные ванны никель-кобальтового производства должны быть укрыты и снабжены местными отсосами. (Необходимая степень укрытия определяется при проектировании.) Для загрузки и выгрузки ванны без перерыва тока в серии следует предусматривать шунтирующее ванну устройство, установка и снятие которого должны быть механизированы.
7.10.83. В залах электролиза рекомендуется применение медных шин токопроводов. Рекомендуемая плотность тока шин 1 А/мм2.
Алюминиевые шины применяются в обоснованных случаях, рекомендуемая плотность тока шин 0,7 А/мм2.
7.10.84. Корпуса ванн установок гальванических покрытий в гальванических цехах (участках), питающихся по блочной схеме (выпрямитель-ванна), при номинальном напряжении выпрямленного тока выше 110 В должны быть заземлены, а токоведущие части недоступны для прикосновения. Корпуса установленных на ваннах электроприемников переменного тока при их номинальном напряжении выше 50 В должны быть заземлены.
7.10.85. Все ванны в автоматических линиях гальванических покрытий должны устанавливаться на изоляторах для защиты ванн от потенциала, возникающего при блуждающих токах.
СОДЕРЖАНИЕ