СТРОИТЕЛЬНЫЕ НОРМЫ И ПРАВИЛА
АЛЮМИНИЕВЫЕ КОНСТРУКЦИИ
СНиП 2.03.06-85
ГОССТРОЙ СССР
Москва 1988
РАЗРАБОТАНЫ ЦНИИСК им. Кучеренко (д-р техн. наук В.И. Трофимов, канд. техн. наук Б.Г. Бажанов) при участии ЦНИИпроектстальконструкции им. Мельникова Госстроя СССР, ВИЛС Минавиапрома и КиевЗНИИЭП Госгражданстроя с использованием материалов УПИ им. С.М. Кирова Минвуза РСФСР.
ВНЕСЕНЫ ЦНИИСК им. Кучеренко.
ПОДГОТОВЛЕНЫ К УТВЕРЖДЕНИЮ Главтехнормированием Госстроя СССР (В.П. Поддубный).
С введением в действие СНиП 2.03.06-85 с 1 января 1987 г. утрачивают силу:
глава СНиП II-24-74 „Алюминиевые конструкции", утвержденная постановлением Госстроя СССР от 22 июля 1974 г. № 154;
изменения и дополнения главы СНиП II-24-74 „Алюминиевые конструкции", утвержденные постановлениями Госстроя СССР от 17 декабря 1980 г. № 191 и от 3 мая 1984 г. № 70.
Основные буквенные обозначения величин приведены в обязательном приложении 8.
|
Госстрой СССР |
Строительные нормы и правила |
СНиП 2.03.06-85 |
|
Алюминиевые конструкции |
Взамен главы |
Настоящие нормы распространяются на проектирование алюминиевых строительных конструкций зданий и сооружений.
Нормы не распространяются на проектирование алюминиевых конструкций мостов и конструкций зданий и сооружений, подвергающихся многократному воздействию нагрузок (усталостная прочность), а также непосредственному воздействию подвижных или динамических нагрузок или воздействию температуры выше 100 °С.
При проектировании алюминиевых конструкций, находящихся в особых условиях эксплуатации, конструкций уникальных зданий и сооружений, а также специальных видов конструкций необходимо соблюдать дополнительные требования, отражающие особенности работы этих конструкций, и требования соответствующих документов, утвержденных или согласованных Госстроем СССР.
1.1. Алюминиевые конструкции следует применять при строительстве и реконструкции зданий и сооружений для ограждающих и несущих конструкций при надлежащем технико-экономическом обосновании в следующих случаях:
при необходимости значительного снижения массы ограждающих и несущих конструкций зданий или сооружений;
с целью обеспечения повышенных архитектурных требований к конструкциям зданий или сооружений;
при необходимости для обеспечения повышенной коррозионной стойкости, сохранения прочностных характеристик при низких температурах, отсутствия искрообразования и магнитных свойств.
1.2. При проектировании алюминиевых конструкций следует:
соблюдать требования ТП 101-81*;
выбирать оптимальные в технико-экономическом отношении схемы конструкций, сечения элементов и марки деформируемых алюминиевых сплавов, технического алюминия и литейных сплавов1;
______________
1 Деформируемые алюминиевые сплавы и технический алюминий условно названы „алюминий", литейные сплавы - „литейный алюминий".
применять экономичные профили;
применять прогрессивные конструкции (типовые или стандартные); конструкции, совмещающие ограждающие и несущие функции, тонколистовые и комбинированные; пространственные системы из стандартных элементов и др.;
предусматривать высокую технологичность изготовления и монтажа;
применять конструкции, обеспечивающие наименьшую трудоемкость их изготовления, транспортирования и монтажа;
применять, как правило, поточное их изготовление;
предусматривать применение заводских и монтажных соединений прогрессивных типов (автоматической и полуавтоматической сварки, фланцевых, на болтах, в том числе высокопрочных, на вкладышах).
1.3. При проектировании зданий и сооружений необходимо принимать конструктивные схемы, обеспечивающие прочность, устойчивость и пространственную неизменяемость зданий и сооружений в целом, а также их отдельных элементов при транспортировании, монтаже и эксплуатации.
1.4. Алюминиевые конструкции и их расчет должны удовлетворять требованиям СТ СЭВ 384-76 и СТ СЭВ 3973-83.
1.5. Элементы алюминиевых конструкций следует проектировать минимального сечения и с учетом возможности их изготовления из прессованных профилей, удовлетворяющих требованиям настоящих норм, государственных стандартов и технических условий на прессованные профили и трубы.
|
Внесены ЦНИИСК им. Кучеренко Госстроя СССР |
Утверждены постановлением Госстроя СССР от 2 октября 1985 г. № 167 |
Срок введения в действие 1 января 1987 г. |
2.1. Выбор марки и состояния (вида обработки) алюминия для конструкций следует производить в зависимости от:
характера и интенсивности нагрузки, напряженного состояния элементов конструкций, расчетных температур и требуемых механических свойств алюминия;
химического состава алюминия и стойкости его к коррозии;
технологичности изготовления полуфабрикатов;
технологии изготовления и монтажа конструкций;
архитектурных требований.
2.2. Для алюминиевых конструкций следует применять алюминий марок и состояний, указанных соответственно в табл. 1 и 2.
Термически не упрочняемый алюминий
|
ГОСТ, ТУ |
|
|
АД1М |
ГОСТ 13726-78 |
|
АМцМ |
ГОСТ 13726-78 |
|
АМг2М |
ГОСТ 13726-78; ГОСТ 18475-82 |
|
АМг2Н2 |
ГОСТ 13726-78 |
|
АД31Т |
ГОСТ 8617-81; ГОСТ 18482-79; ГОСТ 22233-83 |
|
АД31Т1 |
ГОСТ 8617-81; ГОСТ 22233-83 |
|
АД31Т4 |
ГОСТ 8617-81; ГОСТ 22233-83 |
|
АД31Т5 |
ГОСТ 8617-81; ГОСТ 22233-83 |
|
1915 |
ГОСТ 8617-81; ГОСТ 18482-79; ГОСТ 22233-83 |
|
1915Т |
ГОСТ 8617-81; ГОСТ 18482-79; ГОСТ 22233-83 |
|
1925 |
ГОСТ 8617-81; ГОСТ 18482-79; ГОСТ 22233-83 |
|
1925 |
ГОСТ 8617-81; ГОСТ 18482-79; ГОСТ 22233-83 |
|
1935Т |
ТУ 1-9-346-77 |
|
Примечание. Допускается применять алюминий других марок и состояний (не указанных в табл. 1) при технико-экономическом обосновании и после проверки его в опытных конструкциях. Расчетные сопротивления в этом случае следует определять по табл. 4. |
|
2.3. В зависимости от назначения конструкции зданий и сооружений разделяются на четыре группы. Группы, перечень входящих в них конструкций, применяемые марки и состояния алюминия приведены в обязательном приложении 1.
2.4. Виды алюминиевых полуфабрикатов для строительных конструкций следует, как правило, принимать по табл. 4 обязательного приложения 1. Допускается применять другие виды алюминиевых полуфабрикатов при условии согласования их с заводами-поставщиками.
|
Состояние алюминия |
|
|
М |
Отожженный (мягкий) |
|
Н2 |
Полунагартованный |
|
Н |
Нагартованный |
|
Т |
Закаленный и естественно состаренный |
|
Т1 |
Закаленный и искусственно состаренный |
|
Т4 |
Не полностью закаленный и естественно состаренный |
|
Т5 |
Не полностью закаленный и искусственно состаренный |
|
Примечания:1. Полунагартовка и нагартовка применяются преимущественно для термически не упрочняемого алюминия. 2. Закалка и старение применяются для термически упрочняемого алюминия. |
|
2.5 Отливки из алюминиевых литейных сплавов следует проектировать из литейного алюминия марки АЛ8 по ГОСТ 2685-75. В алюминиевых конструкциях допускается применять отливки из материалов, указанных в СНиП II-23-81.
2.6. При дуговых способах сварки алюминиевых конструкций в качестве электродного и присадочного металлов следует применять сварочную проволоку по ГОСТ 7871-75 из алюминия марок СвА1, СвАМгЗ и 1557, а также по соответствующим техническим условиям. Условия применения электродной или присадочной проволоки приведены в табл. 8-10.
В качестве защитного инертного газа следует применять аргон марки А по ГОСТ 10157-79.
При соответствующем технико-экономическом обосновании для сварки конструкций допускается применять прогрессивные сварочные материалы (проволоку, защитные газы). При этом расчетные сопротивления металла сварных соединений должны быть не ниже приведенных в табл. 9 и 10.
2.7. Марки алюминия для заклепок, устанавливаемых в холодном состоянии, и для болтов следует принимать по табл. 3.
Стальные болты следует применять согласно требованиям СНиП II-23-81.
Таблица 3
|
ГОСТ |
|
|
Для заклепок: |
|
|
АД1Н; АМг2Н; АМг5пМ; АВТ |
|
|
Для болтов: |
|
|
АМг5п |
ГОСТ 14838-78 |
|
АВТ1 |
ГОСТ 21488-76 |
2.8. В алюминиевых конструкциях следует применять:
болты из алюминия (см. табл. 3) и стали (технические требования по ГОСТ 1759-70) повышенной, нормальной и грубой точности по ГОСТ 7796-70, ГОСТ 7798-70, ГОСТ 15589-70 и ГОСТ 15591-70, высокопрочные стальные болты, гайки и шайбы к ним соответственно по ГОСТ 22353-77, ГОСТ 22354-77 и ГОСТ 22355-77 с техническими требованиями к ним по ГОСТ 22356-77;
винты нормальной точности по ГОСТ 17473-80, ГОСТ 17475-80, ГОСТ 10619-80 и ГОСТ 10621-80.
заклепки из алюминия по ГОСТ 10299-80, ГОСТ 10300-80, ГОСТ 10301-80 и ГОСТ 10304-80.
2.9. Физические характеристики алюминия для строительных конструкций следует принимать по табл. 2 и 3 обязательного приложения 1.
3.1. Расчетные значения
сопротивления (расчетные сопротивления) алюминия и литейного алюминия для
расчетных температур наружного воздуха от плюс 50 до минус 65 °С приведены в табл. 5 и
6, при этом расчетные сопротивления сдвигу и смятию
установлены в соответствии с табл. 4 с округлением значений расчетных
сопротивлений до 5 МПа (50 кгс/см2).![]()
При расчете конструкций
следует учитывать коэффициенты влияния изменения температуры
t и коэффициенты условий
работы элементов алюминиевых конструкций
c , приведенные соответственно
в табл. 15
и 16, а также коэффициенты надежности по назначению
n ,
принимаемые согласно Правилам учета степени ответственности зданий и сооружений
при проектировании конструкций.
Таблица 4
|
Обозначение |
Расчетное сопротивление |
|
|
Растяжение, сжатие и изгиб |
R |
R |
|
Сдвиг |
Rs |
Rs=0,6R |
|
Смятие торцевой поверхности (при наличии пригонки) |
Rp |
Rp=1,6R |
|
Смятие местное при плотном касании |
Rlp |
Rlp= 0,75 R |
|
* Значение расчетного сопротивления алюминия R следует принимать равным меньшему из значений расчетного сопротивления алюминия R растяжению, сжатию, изгибу по условному пределу текучести Ry и расчетного сопротивления алюминия растяжению, сжатию, изгибу по временному сопротивлению Ru . При этом
Ru=Run / где Ryn - нормативное
сопротивление алюминия, принимаемое равным значению условного предела
текучести Run
- нормативное
сопротивление алюминия разрыву, принимаемое равным минимальному значению
временного сопротивления
|
||
Таблица 5
|
Обозначение |
Расчетное сопротивление R,МПа (кгс/см2), термически не упрочняемого алюминия марок |
||||||
|
АД1М |
АМцМ |
АМг2М |
АМг2Н2 |
литейного марки АЛ8 |
|||
|
листы |
ленты |
||||||
|
Растяжение, сжатие и изгиб |
R |
25 (250) |
40 (400) |
70 (700) |
125 (1250) |
145 (1500) |
135 (1400) |
|
Сдвиг |
Rs |
15 (150) |
25 (250) |
40 (400) |
75 (750) |
90 (900) |
80 (800) |
|
Смятие торцевой поверхности (при наличии пригонки) |
Rp |
40 (400) |
65 (650) |
110 (1100) |
200 (2000) |
230 (2400) |
215 (2250) |
|
Смятие местное при плотном касании |
Rlp |
20 (200) |
30 (300) |
50 (500) |
90 (900) |
110 (1100) |
105 (1050) |
|
Растяжение в направлении толщины прессованных полуфабрикатов |
Rth |
25 (250) |
40 (400) |
70 (700) |
125 (1250) |
- |
- |
|
Обозначение |
Расчетное сопротивление R, МПа (кгс/см2), термически упрочняемого алюминия марок |
||||||
|
АД31Т; АД31Т4 |
АД31Т5 |
АД31Т1 |
1935T |
1925; 1915 |
1915T |
||
|
Растяжение, сжатие и изгиб |
R |
55 (550) |
100 (1000) |
120 (1250) |
140 (1450) |
175 (1800) |
195 (2000) |
|
Сдвиг |
Rs |
35 (350) |
60 (600) |
75 (750) |
85 (850) |
105 (1050) |
120 (1200) |
|
Смятие торцевой поверхности (при наличии пригонки) |
Rp |
90 (900) |
160 (1600) |
190 (2000) |
225 (2300) |
280 (2900) |
310 (3200) |
|
Смятие местное при плотном касании |
Rlp |
40 (400) |
75 (750) |
90 (900) |
105 (1050) |
130 (1350) |
145 (1500) |
|
Растяжение в направлении толщины прессованных полуфабрикатов |
Rth |
55 (550) |
100 (1000) |
120 (1200) |
50 (500) |
50 (500) |
50 (500) |
За расчетную температуру наружного воздуха принимается средняя температура наиболее холодной пятидневки согласно требованиям СНиП 2.01.01-82.
3.2. Расчетные сопротивления растяжению алюминия Rpl из листов для элементов конструкций, эксплуатация которых возможна и после достижения алюминием предела текучести, следует принимать по табл. 7.
|
АД1М |
АМцМ |
AMr2M |
|
|
Расчетное сопротивление Rpl, МПа (кгс/см2) |
35 (350) |
55 (550) |
85 (850) |
3.3. Расчетные сопротивления сварных, заклепочных и болтовых соединений для расчетных температур наружного воздуха от плюс 50 до минус 65 oС приведены в табл. 9-14.
Для соединений на заклепках и болтах (см. табл. 12-14) расчетные сопротивления растяжению и срезу следует принимать по материалу заклепок или болтов, смятию - по марке алюминия соединяемых элементов конструкций.
3.4. Расчетное сопротивление Кwz алюминия в околошовной зоне (черт. 1, сечение 1-1) при аргонодуговой сварке следует принимать по табл. 8.
3.5. Расчетное сопротивление Rw сварных соединений, выполненных аргонодуговой сваркой с физическим контролем качества швов (рентгено- или гамма-графированием, ультразвуковой дефектоскопией и др.) следует принимать по табл. 9 и 10.
Для сварных стыковых растянутых швов, качество которых не контролируется физическими методами, значения расчетных сопротивлений по табл. 9 и 10 следует умножать на коэффициент 0,8.
3.6. При расчете на прочность сварных конструкций (см. черт. 1) с элементами без стыка, к которым прикрепляются сваркой поперечные элементы (черт. 1, г), следует учитывать местное ослабление этих элементов (в зоне термического влияния) путем снижения значения расчетного сопротивления R алюминия до значения Rw, принимаемого по табл. 9 и 10.
Черт. 1. Схемы сварных соединений конструкций
а - встык; б - внахлестку лобовыми швами; в - внахлестку фланговыми швами; г - схема прикрепления поперечного элемента к элементу, не имеющему стыка; 1 - поперечный элемент; 2 - элемент без стыка; 1-1 - расчетное сечение
3.7. В алюминиевых тонколистовых конструкциях допускается применять контактную и аргонодуговую точечную сварку плавящимся электродом. Расчетная несущая способность на срез сварных точек, выполненных контактной и аргонодуговой точечной сваркой плавящимся электродом по ГОСТ 14776-79, указана в рекомендуемом приложении 7.
3.8. Расчетные сопротивления срезу сварных соединений внахлестку Rwsm, выполненных контактной роликовой сваркой, для алюминия марок АД1М, АМцМ, АМг2М следует принимать равными расчетным сопротивлениям R (см. табл. 5 и 7).
Для алюминия марки AMr2H2 Rwsm = (0,9 - 0,1t)R (где t - толщина более тонкого из свариваемых элементов, мм).
3.9. Расчетные сопротивления срезу Rrs соединений на заклепках, поставленных в холодном состоянии в сверленые и рассверленные отверстия, приведены в табл. 11.
3.10. Расчетные сопротивления растяжению Rbt и срезу Rbs соединений на болтах, поставленных в сверленые или рассверленные отверстия, приведены в табл. 12.
Таблица 8
|
Напряженное состояние |
Обозначение |
Расчетное сопротивление, МПа (кгс/см2), алюминия в околошовной зоне |
||||||||||
|
термически не упрочняемого марок |
термически упрочняемого марок |
|||||||||||
|
АД1М |
АМцМ |
АМг2М; АМг2Н2 |
АД31Т; АД31Т4 |
АД31Т5 |
АД31Т1 |
1935T |
1915 |
1915T |
||||
|
при сварке с применением электродной или присадочной проволоки марок |
||||||||||||
|
СвА1 |
СвАМг3 |
СвАМг3; 1557 |
1557 |
|||||||||
|
Встык и внахлестку лобовыми швами (черт. 1,а,б, сечение 1-1) |
Растяжение, сжатие и изгиб |
Rwz |
25 (250) |
40 (400) |
65 (650) |
55 (550) |
65 (650) |
80 (800) |
115(1150) 120(1250) |
140(1450) |
511 (1600) |
|
|
Сдвиг |
Rwzs |
15(150) |
25 (250) |
40 (400) |
35 (350) |
40 (400) |
50 (500) |
80 (800) |
90 (900) |
105 (1050) |
||
|
Внахлестку фланговыми швами (черт. 1, в, сечение 1-1) |
Растяжение, сжатие и изгиб |
Rz |
25 (250) |
40 (400) |
65 (650) |
50 (500) |
60 (600)* 75 (750)* |
80 (800)* 105(1050)* |
100 (1000)* 105(1050)* |
130 (1300)* 140 (1450)* |
140 (1450)* 155 (1600)* |
|
* Для соединений внахлестку из профильных элементов.
Примечания: 1. Расчетное сопротивление Rwz алюминия марки 1915T указано для профилей толщиной 5-12 мм. Для профилей толщиной 4 мм при сварке вольфрамовым электродом Rwz = 165 МПа (1700 кгс/см2).
2. Влияние продольных сварных швов элементов конструкций (в обшивках, кровельных полотнищах и т. п.) на разупрочнение алюминия в околошовной зоне не учитывается.
3. Над чертой указаны расчетные сопротивления при сварке алюминия вольфрамовым электродом, под чертой - плавящимся электродом.
Таблица 9
|
Напряженное состояние |
Обозначение |
Расчетное сопротивление сварных швов, МПа (кгс/см2), алюминия марок |
|||
|
АД1М |
AMцM |
АМг2М; AMг2H2 |
|||
|
при сварке с применением электродной или присадочной проволоки марок |
|||||
|
СвА1 |
СвАМг3 |
СвАМг3 |
|||
|
Встык |
Сжатие, растяжение, изгиб |
Rw |
25 (250); 30 (300) * |
40 (400); 45 (450) * |
65 (650) |
|
Сдвиг |
Rws |
15(150) |
25 (250) |
40 (400) |
|
|
Угловые швы |
Срез |
Rwf |
20 (200) |
30 (300) |
45 (450) |
* Для конструкций, эксплуатация которых возможна после достижения алюминием предела текучести.
|
Сварные соединения и швы |
Напряженное состояние |
Обозначение |
Расчетное сопротивление сварных швов, МПа (кгс/см2), алюминия марок |
||||||
|
АД31Т; АД31Т4 |
АД31Т5 |
АД31Т1 |
1935T |
1915 |
1915T при толщине металла, мм |
||||
|
4 |
5-12 |
||||||||
|
при сварке с применением электродной или присадочной проволоки марок |
|||||||||
|
СвАМг3; 1557 |
1557 |
||||||||
|
Встык |
Сжатие, растяжение, изгиб при сварке электродом: |
|
|
|
|
|
|
|
|
|
а) плавящимся (автоматическая и полуавтоматическая сварка) |
Rw |
55 (550) |
65 (650) |
80 (800) |
120 (1250) |
140 (1450) |
- |
155 (1600) |
|
|
б) вольфрамовым (ручная и механизированная сварка) |
|
55 (550) |
65 (650) |
80 (800) |
115 (1150) |
140 (1450) |
155 (1600) |
155 (1600) |
|
|
Сдвиг |
Rws |
35 (350) |
40 (400) |
50 (500) |
80 (800) |
90 (900) |
110 (1100) |
105 (1050) |
|
|
Угловые (швы фланговые и лобовые) |
Срез |
Rwf |
45 (450) |
45 (450) |
45 (450) |
80 (800) |
110 (1100) |
110 (1100) |
110 (1100) |
Примечания: 1. Расчетные сопротивления сварных соединений алюминия марки 1915T указаны для прессованных профилей.
2. Расчетные сопротивления сварных соединений термически упрочняемого алюминия могут быть повышены повторной термической обработкой (после сварки соединения), при этом для алюминия системы Al-Mg-Si следует принимать rw =0,9R; для алюминия системы Al-Zn-Mg Rw, = R (где R - расчетное сопротивление, определяемое по табл. 6).
3. В сварных нахлесточных соединениях из алюминия марок АД31Т, АД31Т1, АД31Т4 и АД31Т5 применять лобовые швы не допускается.
Таблица 11
|
АД1Н |
АМг2Н |
АМг5пМ |
АВТ1 |
|
|
Расчетное сопротивление срезу соединений на заклепках Rrs, МПа (кгс/см2) |
35 (350) |
70 (700) |
100(1000) |
100(1000) |
Примечания: 1. В продавленные отверстия ставить заклепки не допускается.
2. Расчетные сопротивления соединений на заклепках с потайными или полупотайными головками следует снижать на 20 %. Указанные заклепки растягивающие усилия не воспринимают.
Таблица 12
|
Напряженное состояние |
Обозначение |
Расчетное сопротивление соединений на болтах Rb, МПа (кгс/см2), из алюминия марок |
||
|
Амг5п |
АВТ1 |
|||
|
Повышенной точности |
Растяжение |
Rbt |
125 (1250) |
155 (1600) |
|
Срез |
Rbs |
90 (900) |
95 (950) |
|
|
Нормальной и грубой точности |
Растяжение |
Rbt |
125 (1250) |
155 (1600) |
|
Срез |
Rbs |
80 (800) |
85 (850) |
|
3.11. Расчетные сопротивления смятию элементов конструкций для соединений на заклепках Rrp и болтах Rbp , поставленных в сверленые или рассверленные отверстия, следует принимать по табл. 13.
Таблица 13
|
Расчетное сопротивление смятию элементов конструкций, МПа (кг/см2) для соединений |
||
|
на заклепках, Rrp |
на болтах, Rbp |
|
|
АД1М |
40 (400) |
35 (350) |
|
АМцМ |
65 (650) |
60 (600) |
|
АМг2М |
110 (1100) |
100 (1000) |
|
АМг2Н2 |
195 (2000) |
175 (1800) |
|
АД31Т |
90 (900) |
80 (800) |
|
АД31Т4 |
90 (900) |
80 (800) |
|
АД31Т5 |
155 (1600) |
140 (1450) |
|
АД31Т1 |
195 (2000) |
175 (1800) |
|
1935Т |
225 (2300) |
205 (2100) |
|
1925 |
275 (2800) |
245 (2500) |
|
1915 |
275 (2800) |
245 (2500) |
|
1915Т |
315 (3200) |
285 (2900) |
Примечание. Расчетные сопротивления приведены для соединений на болтах, поставленных на расстоянии 2d от их оси до края элемента. При сокращении этого расстояния до 1,5d приведенные расчетные сопротивления следует понижать на 40 %.
3.12.
Расчетные сопротивления алюминия и литейного алюминия, соединений сварных, на
заклепках и болтах для конструкций, эксплуатируемых при расчетных температурах
выше 50 °С, необходимо умножать на коэффициент
, указанный
в табл. 14.
3.13.
При расчете элементов и соединений алюминиевых конструкций следует учитывать
коэффициенты условий работы
, принимаемые по табл. 15.
Таблица 14
|
АД1,АМц |
АМг2, АД31, 1915, 1925, 1935, АЛ8 |
|
|
Коэффициент
|
0,85 |
0,90 |
Примечания:
1. Приведенные значения коэффициентов
не зависят от
состояния алюминия (см. табл. 2).
2. Для
конструкций, эксплуатируемых при расчетных температурах выше 50 °С,
коэффициенты
следует уменьшать на
10% при непрерывном действии нормативной нагрузки свыше одного года, а также
при непрерывном действии свыше двух лет нормативной нагрузки, составляющей
свыше 0,9 расчетной.
Таблица 15
|
Коэффициент |
|
|
1. Корпуса и днища резервуаров |
0,8 |
|
2. Колонны жилых и общественных зданий и опор водонапорных башен |
0,9 |
|
3. Сжатые элементы решетки плоских ферм при гибкости: |
|
|
|
0,9 |
|
|
0,75 |
|
4. Сжатые раскосы пространственных решетчатых конструкций из одиночных уголков, прикрепляемых к поясам одной полкой: |
|
|
а) сварными швами или двумя заклепками (болтами) и более, поставленными вдоль уголка |
0,75 |
|
б) одним болтом |
0,6 |
|
5. Сжатые элементы из одиночных уголков, прикрепляемые одной полкой (для неравнополочных уголков - только узкой полкой), за исключением элементов конструкций, указанных в поз. 4 настоящей таблицы, и плоских ферм из одиночных уголков |
0,6 |
Примечания: 1. Коэффициенты условий работы поз. 3 и 5 одновременно не учитываются.
2. Коэффициенты условий работы поз. 3 и 4 не распространяются на крепления соответствующих элементов в узлах.
3. Для сжатых раскосов пространственных решетчатых конструкций из одиночных уголков при треугольной решетке с распорками (см. черт. 8, а) коэффициент условий работы поз. 4 не учитывается.
4. Для
случаев, не оговоренных настоящей таблицей, в формулах следует принимать
=1,0.
4.1. Расчет на прочность элементов, подверженных центральному растяжению или сжатию силой N, следует выполнять по формуле
. (1)
4.2. Расчет на устойчивость сплошностенчатых элементов, подверженных центральному сжатию силой N, следует выполнять по формуле
Численные значения
коэффициента
приведены в табл. 2 и
3 обязательного приложения 2.
4.3. При расчете стержней из одиночных уголков на центральное сжатие радиус инерции сечения i следует принимать:
а) минимальным, если стержни прикреплены только по концам;
б) относительно оси, параллельной одной из полок уголка при наличии промежуточного закрепления (распорок, шпренгелей, связей и т. п.), предопределяющего направление выпучивания уголка в плоскости, параллельной второй полке.
4.4.
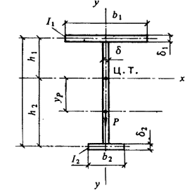
Сжатые элементы со сплошными стенками открытого П-образного сечения (черт. 2),
не усиленные и усиленные отбортовками или утолщениями (бульбами), при
(где
и
- расчетные гибкости элемента в
плоскостях, перпендикулярных осям х-х
и у-у) следует укреплять планками или
решеткой, при этом должны быть выполнены требования п.п. 4.5 и 4.7.
Черт. 2. П-о6разные сечения элементов
а, б - укрепленные планками или решеткой; в - открытое
При отсутствии планок или решеток такие элементы помимо расчета по формуле (2) следует проверять на устойчивость при изгибно-крутильной форме потери устойчивости по формуле
, (3)
где с - коэффициент, определяемый по формуле
, (4)
где
;
![]()
- относительное расстояние между центром тяжести и центром изгиба;
;
- секториальный момент инерции
сечения;
;
bi, ti - соответственно ширина и толщина прямоугольных элементов, составляющих сечение.
Для сечения, приведенного на черт. 2, в, значения
и
следует определять по формулам:
(5)
, (5)
где ![]()
При наличии утолщений
круглого сечения (бульб) момент инерции при кручении It следует увеличить на
, где п - число бульб в сечении; D -
диаметр бульб.
4.5. Для составных сжатых стержней, ветви которых соединены планками или
решетками, коэффициент
относительно
свободной оси (перпендикулярной плоскости планок или решеток) следует
определять по табл. 2 обязательного приложения 2 с заменой
на
. Значения
необходимо определять по формулам табл. 16.
В составных стержнях с решетками помимо расчета на устойчивость стержня в целом следует производить расчет на устойчивость отдельных ветвей на участках между узлами.
Гибкость отдельных ветвей
и
на участке между
планками должна быть не более 30.
В составных стержнях с
решетками гибкость отдельных ветвей между узлами не должна превышать
приведенную гибкость
стержня в целом.
4.6. Расчет составных элементов из уголков, швеллеров и т. п., соединенных вплотную или через прокладки, следует выполнять как сплошностенчатых при условии, что наибольшие расстояния между их соединениями (прокладками, шайбами и т. п.) не превышают: 30i - для сжатых элементов; 80i - для растянутых элементов.
Здесь радиус инерции i уголка или швеллера следует принимать для тавровых или двутавровых сечений относительно оси, параллельной плоскости расположения прокладок, а для крестовых сечений - минимальным. При этом в пределах длины сжатого элемента следует ставить не менее двух прокладок.
|
Схема сечения |
Приведенные гибкости Х составных стержней сквозного сечения |
|||
|
с планками при |
с решетками |
|||
|
Isl /(Ibb)<5 |
Isl /(Ibb)>5 |
|||
|
1 |
|
(6) |
(9) |
(12) |
|
2 |
|
(7) |
(10) |
(13) |
|
3 |
|
(8) |
(11) |
(14) |
|
Обозначения, принятые в табл. 16:
А - площадь сечения стержня; Ad1, Ad2 - площади сечения раскосов решеток (при крестовой решетке - двух раскосов), лежащих в плоскостях, перпендикулярных осям соответственно 1-1 и 2-2; Ad - площадь сечения раскоса решетки (при крестовой решетке - двух раскосов), лежащей в плоскости одной грани (для трехгранного равностороннего стержня);
a, b, l - размеры, принимаемые по черт. 3,a и черт. 4; n, n1 - коэффициенты, определяемые соответственно по формулам:
где
Is- момент инерции сечения одной планки относительно собственной оси х-х (черт. 4) ; Is1,Is2 - моменты инерции сечения одной из планок, лежащих в плоскостях, перпендикулярных осям соответственно 1-1 и 2- 2 (для сечения типа 2). |
||||
a) б)
Черт. 3. Схема решетки
a - раскосной; b - крестовой с распорками

2 - 2
Черт. 4. Составной стержень на планках
4.7. Расчет соединительных элементов (планок, решеток) сжатых составных стержней сквозного сечения следует выполнять на условную поперечную силу Qfic, принимаемую постоянной по всей длине стержня и определяемую по формуле
Qfic =
(15)
где N - продольное усилие в составном стержне;
- коэффициент продольного изгиба, принимаемый для
составного сквозного стержня в плоскости соединительных элементов.
Условную поперечную силу Qfic следует распределять при наличии:
только соединительных планок (решеток) - поровну между планками (решетками), лежащими в плоскостях, перпендикулярных оси, относительно которой производится проверка устойчивости;
сплошного листа и соединительных планок (решеток) - пополам между листом и планками (решетками), лежащими в плоскостях, параллельных листу.
При расчете равносторонних трехгранных составных стержней условную поперечную силу Qfic, приходящуюся на систему соединительных элементов, расположенных в одной плоскости, следует принимать равной 0,8 Qfic.
4.8. Расчет соединительных планок и их прикреплений (см. черт. 4) следует выполнять как расчет элементов безраскосных ферм по формулам:
на силу F, срезающую планку:
(16)
на момент M1, изгибающий планку в ее плоскости:
(17)
где Qs - условная поперечная сила, приходящаяся на планку одной грани;
l - расстояние между центрами планок;
b - расстояние между осями ветвей.
4.9. Расчет соединительных решеток следует выполнять как расчет решеток ферм. При расчете перекрестных раскосов крестовой решетки с распорками (см. черт. 3, б) необходимо учитывать дополнительное усилие Nad, возникающее в каждом раскосе от обжатия поясов и определяемое по формуле
(18)
где N - усилие в одной ветви стержня;
Ad - площадь сечения одного раскоса;
A1 - площадь сечения одной ветви;
- коэффициент, определяемый по формуле
(19)
a, l, b - размеры, приведенные на черт. 3, б.
4.10. Расчет стержней, предназначенных для уменьшения расчетной длины сжатых элементов, следует выполнять на усилия, равные условной поперечной силе в основном сжатом элементе, определяемой по формуле (15).
4.11. Расчет на прочность элементов, изгибаемых в одной из главных плоскостей, следует выполнять по формулам:
При наличии ослабления
отверстиями для заклепок или болтов значения касательных напряжений
в формуле (21) следует
умножать на величину отношения
где а - шаг отверстий;
d - диаметр отверстия.
4.12. Для стенок балок, рассчитываемых по формуле (20), должны быть выполнены условия:
где
- нормальные напряжения в срединной плоскости
стенки, параллельные оси балки;
- нормальные напряжения в
срединной плоскости стенки, перпендикулярные оси балки, в том числе
, определяемое по формуле (1)
обязательного приложения 5;
- среднее касательное напряжение, вычисляемое с учетом формулы (22);
t, h - соответственно толщина и высота стенки.
Напряжения
, и
следует определять в
одной и той же точке стенки балки и принимать в формуле (23) каждое со своим
знаком.
4.13. Расчет на устойчивость балок двутаврового сечения, изгибаемых в плоскости стенки, следует выполнять по формуле
где
- для сжатого пояса;
-
коэффициент, определяемый по обязательному приложению 3.
При определении значения
за расчетную длину
балки lef следует принимать
расстояния между точками закреплений сжатого пояса от поперечных смещений; при
отсутствии связей lef = l (где l - пролет балки). За
расчетную длину консоли следует принимать: lef = l
при отсутствии закрепления сжатого пояса на конце консоли в горизонтальной
плоскости (здесь l -
длина консоли); расстояние между точками закреплений сжатого пояса в
горизонтальной плоскости при закреплении пояса на конце и по длине консоли.
Устойчивость балок не требуется проверять:
а) при передаче нагрузки через сплошной жесткий настил, непрерывно опирающийся на сжатый пояс балки и надежно с ним связанный (плоский и профилированный металлический настил, волнистая сталь и т. п.);
б) при отношении расчетной длины балки lef к ширине сжатого пояса b, не превышающем значений, определяемых по формулам табл. 17 для балок симметричного двутаврового сечения и с более развитым сжатым поясом, для которых ширина растянутого пояса составляет не менее 0,75 ширины сжатого пояса.
Таблица 17
|
Наибольшие значения |
|
|
К верхнему поясу |
|
|
К нижнему поясу |
|
|
Независимо от уровня приложения нагрузки при расчете участка балки между связями или при чистом изгибе |
|
|
обозначения, принятые в табл. 17: b, t - соответственно ширина и толщина сжатого пояса; h - расстояние (высота) между осями поясных листов. Примечание.
Для балок с поясными соединениями на заклепках и высокопрочных болтах
значения |
|
4.14. Расчет на прочность элементов, изгибаемых в двух главных плоскостях, следует выполнять по формуле
где x, y - координаты рассматриваемой точки сечения относительно его главных осей. В балках, рассчитываемых по формуле (28), значения напряжений в стенке балки следует проверять по формулам (21) и (23) в двух главных плоскостях изгиба.
При выполнении требований п.4.13а балки, изгибаемые в двух плоскостях, на устойчивость не проверяются.
4.15. Расчет на прочность сплошностенчатых внецентренно сжатых, сжато-изгибаемых, внецентренно растянутых и растянуто-изгибаемых элементов следует выполнять по формуле
где x, у - координаты рассматриваемой точки сечения относительно его главных осей.
В составных сквозных стержнях каждую ветвь необходимо проверять по формуле (29) при соответствующих значениях N, Мx, Мy, вычисленных для данной ветви.
4.16. Расчет на устойчивость внецентренно сжатых и сжато-изгибаемых элементов следует выполнять как в плоскости действия момента (плоская форма потери устойчивости), так и из плоскости действия момента (изгибно-крутильная форма потери устойчивости).
Расчет на устойчивость внецентренно сжатых и сжато-изгибаемых элементов постоянного сечения в плоскости действия момента, совпадающей с плоскостью симметрии, следует выполнять по формуле
В формуле (30) коэффициент
следует определять:
а) для сплошностенчатых
стержней - по табл. 1 обязательного приложения 4 в зависимости от
условной гибкости
и приведенного
относительного эксцентриситета mef. определяемого по формуле
, (31)
где
- коэффициент влияния формы сечения, определяемый
по табл. 3 обязательного приложения 4;
- относительный эксцентриситет (здесь е - эксцентриситет; Wc - момент сопротивления сечения
для наиболее сжатого волокна).
Расчет на устойчивость выполнять не требуется для сплошностенчатых стержней при тef >10;
б) для сквозных стержней с решетками или планками, расположенными в плоскостях, параллельных плоскости изгиба, - по табл. 2 обязательного приложения 4 в зависимости от условной приведенной гибкости, определяемой по формуле
(32)
и относительного эксцентриситета т, определяемого по формулам
(33)
где x1, y1 - расстояния соответственно от оси у-у или х-х до оси наиболее сжатой ветви, но не менее расстояния до оси стенки ветви.
4.17.
Расчетные значения изгибающих моментов М,
необходимые для вычисления эксцентриситета
, следует принимать равными:
а) для стержней постоянного сечения рамных систем - наибольшему моменту в пределах длины стержней;
б) для ступенчатых стержней - наибольшему моменту на длине участка постоянного сечения;
в) для консолей - моменту в заделке, но не менее момента в сечении, отстоящем на треть длины стержня от заделки;
г) для сжатых стержней с шарнирно-опертыми концами и сечениями, имеющими одну ось симметрии, совпадающую с плоскостью изгиба, - моменту, определяемому по формулам табл. 18.
Для сжатых стержней с шарнирно-опертыми концами и сечениями, имеющими две оси симметрии, приведенные относительные эксцентриситеты тef следует определять по табл. 4 обязательного приложения 4.
Таблица 18
|
Расчетные значения М при условной гибкости стержня |
||
|
|
|
|
|
|
|
M = M1 |
|
|
|
|
|
Обозначения, принятые в табл. 18: Mmax - наибольший изгибающий момент в пределах длины стержня; M1 - наибольший изгибающий момент в пределах средней трети длины стержня, но не менее 0,5 Мmax; m - относительный эксцентриситет, определяемый по формуле
Примечание. Во всех случаях следует принимать М>0,5Мmax. |
||
4.18. Расчет на устойчивость внецентренно сжатых элементов постоянного сечения из плоскости действия момента при их изгибе в плоскости наибольшей жесткости (Ix>Iy), совпадающей с плоскостью симметрии, следует выполнять по формуле
где с - коэффициент, вычисляемый по формуле (35).
4.19. Коэффициент с следует определять по формуле
где
- коэффициенты, принимаемые по табл. 19.
При определении mx , за расчетный момент Му следует принимать:
а) для стержней с шарнирно-опертыми концами, закрепленными от смещения перпендикулярно плоскости действия момента, - максимальный момент в пределах средней трети длины (но не менее половины момента, наибольшего на длине стержня);
б) для консолей - момент в заделке (но не менее момента в сечении, отстоящем от заделки на треть длины стержня).
Таблица 19
|
Значения коэффициентов |
|||
|
|
|
||
|
|
|
||
|
Открытое |
0,75+0,05mx |
1 |
|
|
|
1 |
|
|
|
Замкнутое или сквозное с решетками (или планками) |
0,55+0,05mx |
1 |
|
|
Обозначения, принятые в табл. 19: I1, I2 - моменты инерции соответственно большей и меньшей полок относительно оси симметрии сечения у-у;
Примечания: 1. Значения коэффициентов a и b для сквозных стержней с решетками (или планками) следует принимать только при наличии не менее двух промежуточных диафрагм по длине стержня. В противном случае следует принимать коэффициенты, установленные для стержней открытого двутаврового сечения. 2. При значениях mx<1 или mx>5 следует принимать соответственно тx=1 или mx=5. |
|||
При гибкости
коэффициент с не должен превышать для стержней:
замкнутого сечения - единицы;
двутаврового сечения с двумя осями симметрии - значений, определяемых по формуле
(36)
где ![]()
h - расстояние между осями поясов;

4.20.
Внецентренно сжатые элементы, изгибаемые в плоскости наименьшей жесткости (Iy<Ix и
) при
, следует
рассчитывать по формуле (30), а также проверять на устойчивость
из плоскости действия момента как центрально-сжатые стержни по формуле
(37)
при
проверка устойчивости
из плоскости действия момента не требуется.
4.21. В сквозных внецентренно сжатых стержнях с решетками, расположенными в плоскостях, параллельных плоскости изгиба, кроме расчета на устойчивость стержня в целом по формуле (30) следует проверить отдельные ветви как центрально-сжатые стержни по формуле (2).
Продольную силу в каждой
ветви следует определять с учетом дополнительного усилия от момента; величину
этого усилия при параллельных ветвях (поясах) необходимо определять по формуле
где b - расстояние между осями ветвей (поясов).
Отдельные ветви внецентренно сжатых сквозных элементов с планками следует проверять на устойчивость как внецентренно сжатые элементы с учетом усилий от момента и местного изгиба ветвей от фактической или условной поперечной силы (как в поясах безраскосной фермы).
4.22.
Расчет на устойчивость сплошностенчатых стержней, подверженных сжатию и изгибу
в двух главных плоскостях, при совпадении плоскости наибольшей жесткости (
) с плоскостью
симметрии следует выполнять по формуле
где ![]()
здесь
- следует определять
согласно требованиям п. 4.16;
с - необходимо определять согласно требованиям п. 4.19.
Если
, то кроме расчета
по формуле
(38) следует произвести дополнительную проверку по формулам (30)
и (34), принимая ey=0.
Значения относительных эксцентриситетов следует определять по формулам
и
, (39)
где wcx, wcy - моменты сопротивления сечений для наиболее сжатого волокна относительно осей соответственно х-х и у-у.
Если
, то кроме расчета по формуле (38) следует произвести
дополнительную проверку по формуле (30), принимая ey=0. В случае несовпадения
плоскости наибольшей жесткости (
) с плоскостью симметрии расчетное значение mx следует увеличить на 25 %.
4.23. Расчет на устойчивость сквозных стержней из двух сплошностенчатых ветвей, симметричных относительно оси у-у (черт. 5), с решетками в двух параллельных плоскостях, подверженных сжатию и изгибу в обеих главных плоскостях, следует выполнять:
для стержней в целом - в плоскости, параллельной плоскостям решеток, согласно требованиям п. 4.16, принимая ey =0 (см. черт. 5);
для отдельных ветвей - как внецентренно сжатых элементов по формулам (30) и (34), при этом продольную силу в каждой ветви следует определять с учетом усилия от момента Mx (см. п. 4.21), а момент My - распределять между ветвями пропорционально их жесткостям;
если момент My действует в плоскости одной из ветвей, то следует считать его полностью передающимся на эту ветвь.
При проверке отдельной ветви по формуле (34) гибкость ее определяется по максимальному расстоянию между узлами решетки.
Черт. 5. Сечение составного элемента из двух сплошно-стенчатых ветвей с решетками в двух параллельных плоскостях
4.24. Расчет соединительных элементов (планок или решеток) сквозных внецентренно сжатых стержней следует выполнять согласно требованиям пп. 4.7-4.9 на наибольшую поперечную силу - фактическую Q или условную Qfic.
В случае, когда фактическая поперечная сила больше условной, соединять планками ветви сквозных внецентренно сжатых элементов, как правило, не следует.
5.1. Расчетную длину lef элементов плоских ферм и связей, за исключением элементов перекрестной решетки ферм (черт. 6,г), следует принимать по табл. 20.

Черт. 6. Схемы решеток ферм для определения расчетной длины элементов
а - треугольной с раскосом в крайней панели; б - треугольной со шпренгелем; в - полураскосной; г - перекрестной
Таблица 20
|
Расчетная длина lef |
|||
|
поясов |
опорных раскосов и стоек |
прочих элементов решетки |
|
|
В плоскости фермы |
l |
l |
0,8l |
|
В направлении, перпендикулярном плоскости фермы (из плоскости фермы) |
l1 |
l1 |
l1 |
|
Обозначения, принятые в табл. 20 и на черт. 6: l - геометрическая длина элемента (расстояние между центрами узлов) в плоскости фермы; l1 - расстояние между узлами, закрепленными от смещения из плоскости фермы (специальными связями, жесткими плитами покрытий, прикрепленными к поясу сварными швами или болтами, и т. п.). |
|||
5.2. Расчетную длину lef элемента, по длине l1 которого действуют сжимающие усилия N1 и N2 (N1>N2), из плоскости фермы (черт. 7) следует вычислять по формуле
(40)
Черт. 7. Схемы для определения расчетной длины элемента с различными усилиями N1 и N2 (по его длине)
а - схема связей между фермами (вид сверху); б - схема фермы
Расчет на устойчивость в этом случае следует выполнять на большую силу N1.
5.3. Расчетную длину lef элементов перекрестной решетки (см. черт. 6, г) следует принимать:
в плоскости фермы - равной расстоянию от центра узла фермы до точки их пересечения (lef =l);
из плоскости фермы: для сжатых элементов - по табл. 21; для растянутых элементов - равной полной геометрической длине элемента (lef=l).
Таблица 21
|
Расчетная длина lef из плоскости фермы при поддерживающем элементе |
|||
|
растянутом |
неработающем |
сжатом |
|
|
Оба элемента не прерываются |
l |
0,7l |
l1 |
|
Поддерживающий элемент прерывается и перекрывается фасонкой |
0,7l1 |
l1 |
1,4l1 |
|
Обозначения, принятые в табл. 21 и на черт. 6 г: l - расстояние от центра узла фермы до пересечения элементов; l1 - полная геометрическая длина элемента. |
|||
5.4. Радиусы инерции i сечений элементов перекрестной решетки из одиночных уголков следует принимать:
при расчетной длине элемента, равной l (где l - расстояние между ближайшими узлами), - минимальными (i=imin);
в остальных случаях - относительно оси уголка, перпендикулярной или параллельной плоскости фермы (i = ix или i = iy -в зависимости от направления продольного изгиба).
5.5. Расчетную длину lef и радиусы инерции сечений i элементов пространственных решетчатых конструкций из одиночных уголков следует принимать по табл. 22.
5.6. Расчетную длину lef колонн (стоек) следует определять по формуле
.
где l - длина колонны или ее отдельного участка.
Коэффициенты расчетной длины
колонн (стоек)
постоянного сечения в зависимости от условий закрепления их концов и вида
нагрузки следует принимать по табл. 26. Применение алюминия в колоннах
допускается в сборно-разборных конструкциях или при наличии агрессивной среды.
Таблица 22
|
Расчетная длина lef и радиус инерции сечения i |
|||||
|
поясов |
решетки |
||||
|
lef |
i |
lef |
i |
||
|
раскоса |
стойки |
||||
|
С узлами, совмещенными в смежных гранях (черт. 8, а, б) |
lm |
imin |
md ld |
0,8lc |
imin |
|
С узлами, не совмещенными в смежных гранях (черт. 8, в, г) |
mm lm |
ix или iy |
md ld |
- |
imin |
|
Обозначения, принятые в табл. 22: im - длина панели пояса фермы (при несовмещенных узлах принимается равной расстоянию между узлами одной грани; см. черт. 8, в, г) ;
imin - минимальный радиус инерции сечения (пояса или решетки); ld, lc - см. черт. 8; ix,iy - радиусы инерции поперечного сечения уголка относительно осей х и у, параллельных полкам;
|
|||||
Черт. 8. Схемы пространственных решетчатых конструкций из одиночных уголков
a - схема с совмещенными в смежных гранях узлами (треугольная решетка с распорками); б - то же (перекрестная решетка); в - схема с не совмещенными в смежных гранях узлами (треугольная решетка); г - то же (перекрестная решетка)
Таблица 23
|
10 |
5 |
2.5 |
1,25 |
1 |
|
|
|
1,13 |
1,08 |
1,03 |
1,00 |
0,98 |
|
Обозначение, принятое в табл. 23:
где Im,min, Id,min - минимальные моменты инерции сечения соответственно пояса и раскоса фермы. Примечание. Для промежуточных значений n коэффициент |
|||||
Таблица 24
|
Значения |
||||||||||
|
£ 2 |
0,89 |
0,81 |
0,77 |
0,74 |
0,72 |
0,70 |
0,65 |
0,61 |
|
|
|
³ 6 |
0,86 |
0,78 |
0,74 |
0,71 |
0,69 |
0,66 |
0,62 |
0,59 |
|
|
|
Обозначения, принятые в табл. 24: n - см. табл. 23; ld - см. черт. 8; imin - минимальный радиус инерции сечения раскосов. Примечание. Для промежуточных значений n и отношения |
|
|||||||||
Таблица 25
|
60 |
80 |
100 |
|
|
|
|
0,89 |
0,81 |
0,77 |
0,74 |
|
Обозначения те же, что в табл. 24. Примечание. Для промежуточных
значений отношения |
||||
Таблица 26
|
|
Схема закрепления колонн (стоек) и нагрузка |
|
|
|
|
2 |
|
1 |
|
|
1 |
|
2 |
|
|
0,7 |
|
0,725 |
|
|
0,5 |
|
1,12 |
5.7. Коэффициенты расчетной длины m колонн постоянного сечения одноэтажных рам (в плоскости рамы) при жестком креплении ригелей к колоннам и при нагружении верхних узлов следует определять по формулам при закреплении колонн в фундаментах:
шарнирном
жестком
В формулах (41) и (42):
![]()
где Ic, lc - соответственно момент инерции сечения и длина проверяемой колонны;
Ir1, Ir2 - соответственно моменты инерции;
lr1, lr2 -сечения и длина ригелей, примыкающих к этой колонне.
При шарнирном креплении ригелей к колонне в формуле (42) следует принимать п = 0.
5.8. Расчетную длину колонн рам в направлении вдоль здания (из плоскости рамы) следует принимать равной расстоянию между точками, закрепленными от смещения из плоскости рамы (опорами колонн, подкрановых балок и подстропильных ферм, узлами крепления связей и ригелей и т.п.). Расчетную длину допускается определять на основе расчетной схемы, учитывающей фактические условия закрепления концов колонн.
5.9. Гибкость сжатых элементов не должна превышать значений, приведенных в табл. 27.
Таблица 27
|
Предельная гибкость сжатых элементов |
|
|
Пояса, опорные раскосы и стойки ферм, передающие опорные реакции |
100 |
|
Прочие элементы ферм |
120 |
|
Колонны второстепенные (стойки фахверка, фонарей и т. п.), элементы решетки колонн |
120 |
|
Связи |
150 |
|
Стержни, служащие для уменьшения расчетной длины сжатых стержней, и другие ненагруженные элементы |
150 |
|
Элементы ограждающих конструкций: |
|
|
симметрично нагруженные |
100 |
|
несимметрично нагруженные (крайние и угловые стойки витражей и т.д.) |
70 |
|
Примечание. Приведенные в табл. 27 данные относятся к элементам с сечением, симметричным относительно действия сил. При сечениях, несимметричных относительно действия сил, предельную гибкость надлежит уменьшать на 30 %. |
|
5.10. Гибкость растянутых элементов не должна превышать значений, приведенных в табл. 28.
Таблица 28
|
Предельная гибкость растянутых элементов |
|
|
Пояса и опорные раскосы ферм |
300 |
|
Прочие элементы ферм |
300 |
|
Связи (кроме элементов, подвергающихся предварительному натяжению) |
300 |
|
Примечания: 1. Гибкость растянутых элементов проверяется только в вертикальной плоскости. 2. При проверке гибкости растянутых стержней перекрестной решетки из одиночных уголков радиус инерции принимается относительно оси, параллельной полке уголка. 3. Стержни перекрестной решетки в месте пересечения должны быть скреплены между собой. 4. Для растянутых раскосов стропильных ферм с незначительными усилиями, в которых при неблагоприятном расположении нагрузки может изменяться знак усилия, предельная гибкость принимается как для сжатых элементов, при этом соединительные прокладки должны устанавливаться не реже чем через 40i. |
|
6.1. Стенки балок для обеспечения их устойчивости следует укреплять двусторонними ребрами:
поперечными основными, поставленными на всю высоту стенки;
поперечными основными и продольными;
поперечными основными и промежуточными, расположенными в сжатой зоне стенки, короткими - только в клепаных балках.
6.2. Расчет на
устойчивость стенок балок следует выполнять с учетом всех компонентов
напряженного состояния:
. Напряжения
следует вычислять в предположении упругой
работы материала по сечению брутто без учета коэффициента.
Сжимающее (краевое)
напряжение
у расчетной границы
стенки (со знаком „плюс") и среднее касательное напряжение
следует вычислять по
формулам:
, (44)
где h - полная высота стенки;
М, Q - средние значения соответственно момента и поперечной силы в пределах отсека; если длина отсека больше его расчетной высоты, то М и Q следует вычислять для более напряженного участка длиной, равной высоте отсека; если в пределах отсека момент или поперечная сила меняют знак, то их средние значения следует вычислять на участке отсека с одним знаком.
Местное напряжение
в стенке под
сосредоточенной нагрузкой следует определять согласно требованиям обязательного
приложения
5.
При проверке устойчивости прямоугольных отсеков стенки, заключенных между поясами и соседними поперечными основными ребрами жесткости, расчетными размерами пластинки являются:
a - расстояние между осями поперечных ребер;
hef - расчетная высота стенки, равная: в балках с поясными соединениями на высокопрочных болтах - расстоянию между ближайшими к оси балки краями поясных уголков; в клепаных балках - расстоянию между ближайшими к оси балки рисками поясных уголков; в сварных балках - полной высоте стенки; в прессованных профилях - высоте в свету между полками;
t - толщина стенки.
6.3.
Устойчивость стенок балок не требуется проверять, если условная гибкость стенки
не превышает
предельных значений:
-
для сварных или прессованных балок;
- для балок клепаных, на болтах и высокопрочных болтах.
При наличии местных
напряжений в стенках балок указанные предельные значения
следует умножать на
коэффициент 0,7.
Стенки балок следует
укреплять поперечными ребрами жесткости (см. п. 6.6) при
>2,5.
6.4. В балках с местной нагрузкой по верхнему поясу устойчивость стенки следует проверять в соответствии с указаниями обязательного приложения 5.
6.5. Расчет на устойчивость стенок балок симметричного сечения, укрепленных
только поперечными основными ребрами жесткости, при отсутствии местного
напряжения (
) следует выполнять по формуле
(при
следует принимать
=1. Значения
не допускаются);
следует принимать по табл. 15.
В формулах (45) - (48):
m - отношение большей стороны пластинки к меньшей;
- условная гибкость пластинки
высотой d (здесь d -
меньшая из сторон hef
или а
пластинки);
. (49)
В стенке балки симметричного сечения (при отсутствии местного напряжения), укрепленной кроме поперечных основных ребер одним продольным ребром, расположенным на расстоянии h1 от расчетной (сжатой) границы отсека, обе пластинки, на которые это ребро разделяет отсек, следует рассчитывать отдельно:
а) пластинку, расположенную между сжатым поясом и продольным ребром, - по формуле
(50)
где
(51)
(здесь
- условная гибкость
пластинки высотой h1);
следует определять по формуле (47)
с подстановкой размеров проверяемой пластинки;
следует определять по формуле (48),
принимая при этом

следует принимать по табл. 15;
б) пластинку, расположенную между растянутым поясом и продольным ребром, - по формуле
, (52)
следует определять по формуле (47)
с подстановкой размеров проверяемой пластинки;
следует принимать по табл. 15.
6.6. В стенке,
укрепленной только поперечными ребрами жесткости, ширина их выступающей части bh должна быть для парного симметричного ребра не менее
мм; толщина ребра ts должна быть не менее
; расстояние между ребрами не должно превышать 2hef.
6.7. При укреплении стенки поперечными ребрами и одним продольным ребром необходимые моменты инерции Is сечений ребер жесткости следует определять:
для поперечных ребер - по формуле
Is=3hef t3 (54)
для продольного ребра - по формулам табл. 29 с учетом их предельных значений.
При расположении продольного и поперечных ребер с одной стороны стенки моменты инерции сечений каждого из них вычисляются относительно оси, совпадающей с гранью стенки, ближайшей к ребру.
Таблица 29
|
Необходимый момент инерции сечения продольного ребра Isl |
Предельные значения |
||
|
минимальные Isl,min |
максимальные Isl,max |
||
|
0,20 |
|
1,5heft3 |
7heft3 |
|
0,25 |
|
1,5heft3 |
3,5heft3 |
|
0,30 |
1,5heft3 |
- |
- |
|
Примечание. При вычислении Isl для промежуточных значений |
|||
6.8.
Участок стенки балки составного сечения над опорой при укреплении его ребрами
жесткости следует рассчитывать на продольный изгиб из плоскости как стойку,
нагруженную опорной реакцией. В расчетное сечение этой стойки следует включать
сечение ребра жесткости и полосы стенки шириной
с каждой стороны ребра. Расчетную длину стойки следует
принимать равной высоте стенки.
Нижние торцы опорных ребер жесткости должны быть плотно пригнаны или приварены к нижнему поясу балки и рассчитаны на воздействие опорной реакции.
6.9. Для
центрально-сжатых элементов условную гибкость стенки
следует принимать не
более значений, определяемых по формулам табл. 30.
При назначении сечения
элемента по предельной гибкости, а также при соответствующем обосновании
расчетом наибольшие значения
следует умножать на
коэффициент
(где
), но не более чем в 1,5 раза. При этом значения
следует принимать не
более 5,3.
Таблица 30
|
Наибольшие значения |
||
|
|
|
|
|
Двутавровое |
|
3,1 |
|
Н-образное |
|
3,5 |
|
Швеллерное, трубчатое прямоугольное (hef - для большей стенки) |
|
2,5 |
|
Трубчатое квадратное |
|
2,25 |
|
Примечания: 1. Приведенные в табл.
30 данные относятся к сварным и прессованным
профилям. В клепаных элементах значения 2. При вычислении |
||
6.10. Для
внецентренно сжатых и сжато-изгибаемых элементов условную гибкость стенки
следует определять в
зависимости от значения
(где
- наибольшее сжимающее напряжение у расчетной границы стенки,
принимаемое со знаком „плюс" и вычисленное без учета коэффициентов
,
или
;
- соответствующее
напряжение у противоположной расчетной границы стенки) и принимать не более
значений, определяемых при:
- по п. 6.9;
- по формуле
; (55)
- линейной интерполяцией
между значениями, вычисленными при
=0,5 и
=1.
6.11.
При укреплении стенки внецентренно сжатого или сжато-изгибаемого элемента
продольным ребром жесткости с моментом инерции Isl
, расположенным посредине
стенки, наиболее нагруженную часть стенки между поясом и осью ребра следует
рассматривать как самостоятельную пластинку и проверять согласно требованиям п. 6.10.
Продольные ребра жесткости следует включать в расчетные сечения элементов.
Если устойчивость стенки не
обеспечена, то в расчет следует вводить два крайних участка стенки шириной по
0,6
, считая от границ расчетной высоты.
6.12.
Стенки сплошных колонн и стоек при
следует укреплять
поперечными ребрами жесткости, расположенными на расстоянии 2hef одно от другого; на каждом отправочном элементе
должно быть не менее двух ребер. При наличии продольного ребра расстояние между
поперечными ребрами допускается увеличивать в 1,5 раза.
Минимальные размеры выступающей части поперечных ребер жесткости следует принимать согласно требованиям п. 6.6.
6.13. Расчетную ширину свеса поясных листов (полок) bef следует принимать равной расстоянию: в прессованных, прокатных сварных и клепаных элементах без поясных листов - от грани стенки до края поясного листа (полки); в клепаных элементах с поясными листами - от ближайшей риски заклепок до свободного края листа. При наличии вута, образующего со свесом угол не менее 30°, расчетную ширину свеса следует измерять до начала вута (в случае выкружки - принимать вписанный вут).
6.14.
В центрально-, внецентренно сжатых и сжато-изгибаемых элементах значение
гибкости свеса поясного листа (полки)
следует принимать не
более значений, указанных в табл. 31 в зависимости от условной гибкости
и типа сечений (где bef принимается в соответствии
с п. 6.13;
t - толщина свеса). В случае недонапряжения элемента наибольшие значения
табл. 31
следует увеличивать в
раз, но не более чем
в 1,5 раза, при этом значения
необходимо принимать
не более 1,3 (здесь
- меньшее из
значений
использованное при проверке устойчивости стержня;
).
Таблица 31
|
Наибольшие значения |
||
|
|
|
|
|
Неокаймленная двутавра и тавра |
|
0,8 |
|
Неокаймленная большая неравнополочного уголка, стенка тавра и полка швеллера |
|
0,8 |
|
Неокаймленная равнополочных уголков |
|
0,7 |
|
Примечание. При вычислении |
||
6.15. В изгибаемых элементах
наибольшую гибкость свеса поясного листа (полки) прессованных, сварных и
клепаных балок следует назначать с учетом предельных размеров свесов,
приведенных в табл.
31 для
< 1
Наибольшую гибкость свеса неокаймленных полок уголков в сжатых поясах клепаных балок без горизонтальных листов следует принимать по формуле
. (56)
В случае недонапряжения
элемента наибольшую гибкость свеса поясного листа (полки) следует увеличить в
раз, но не более чем
в 1,5 раза;
здесь
- большее из двух значений:
или 
6.16.
При усилении свободных свесов утолщениями (бульбами) наибольшее значение
гибкости свеса
[здесь bef1
- расчетная ширина свеса поясных листов или полок, измеряемая от центра
утолщения до грани примыкающей стенки (полки) или до начала вута; см. п. 6.13]
следует определять по формуле
где k - коэффициент, определяемый
по табл. 32
в зависимости от
;
- наибольшее значение условной гибкости свеса при отсутствии утолщения,
принимаемое по табл.
31.
Величина
равна:
![]()
где D - размер утолщения, принимаемый равным диаметру круглой бульбы; в квадратных и трапециевидных утолщениях нормального профиля D - высота утолщения при ширине бульбы не менее 1,5D в трапециевидных (черт. 9) и не менее D - в прямоугольных утолщениях.
Таблица 32
|
|
|
Значения коэффициента k в формуле
(57) при гибкости |
||
|
1 |
5 |
|||
|
Швеллер, двутавр |
|
2,5 |
1,06 |
1,35 |
|
3,0 |
1,24 |
1,69 |
||
|
3,5 |
1,46 |
2,05 |
||
|
|
2,5 |
1,04 |
1,28 |
|
|
3,0 |
1,20 |
1,59 |
||
|
3,5 |
1,40 |
1,94 |
||
|
Уголок, тавр, крестовое |
|
2,5 |
1,06 |
1,17 |
|
3,0 |
1,24 |
1,47 |
||
|
3,5 |
1,46 |
1,67 |
||
|
|
2,5 |
1,04 |
1,13 |
|
|
3,0 |
1,20 |
1,35 |
||
|
3,5 |
1,40 |
1,67 |
||
|
Примечание. Коэффициент k для промежуточных
значений |
||||
Черт. 9. Схема утолщения (бульбы)
6.17. Расчет на устойчивость замкнутых круговых цилиндрических оболочек вращения, равномерно сжатых параллельно образующим, следует выполнять по формуле
(58)![]()
где
- расчетное напряжение
в оболочке;
- критическое напряжение, равное меньшему из значений
или
(здесь r -
радиус срединной поверхности оболочки; t - толщина оболочки).
Значения коэффициентов
и с следует
определять соответственно по табл. 33 и 34.
В случае внецентренного
сжатия параллельно образующим или чистого изгиба в диаметральной плоскости при
касательных напряжениях в месте наибольшего момента, не превышающих значений
, напряжение
следует увеличить в
раз, где
- наименьшее
напряжение (растягивающие напряжения считать отрицательными).
6.18.
В круглых трубах, рассчитываемых как сжатые или сжато-изгибаемые стержни по разд. 4,
при условной гибкости
должно быть выполнено условие

Кроме этого, устойчивость стенок таких труб должна быть проверена по п. 6.17.
Расчет на устойчивость
стенок бесшовных труб не требуется, если
не превышает значений
или 35.
Таблица 33
|
Коэффициенты |
|||||||||
|
0 |
25 |
50 |
75 |
100 |
125 |
150 |
200 |
250 |
|
|
|
1,00 |
0,98 |
0,88 |
0,79 |
0,72 |
0,65 |
0,59 |
0,45 |
0,39 |
|
|
1,00 |
0,94 |
0,78 |
0,67 |
0,57 |
0,49 |
0,42 |
0,29 |
- |
|
Примечание. Значения
коэффициентов |
|||||||||
|
Значение |
|
100 |
150 |
200 |
250 |
500 |
|
Коэффициент с |
0,30 |
0,22 |
0,20 |
0,18 |
0,16 |
0,12 |
|
Примечание. Для промежуточных значений |
||||||
7.1. Тонколистовой алюминий (толщиной до 2 мм) следует применять в качестве элементов ограждающих и несущих конструкций:
а) плоских листов, укрепленных ребрами или специальной штамповкой;
б) плоских листов и лент, предварительно напряженных как в одном, так и в двух направлениях;
в) гофрированных листов без укреплений или со специальными укреплениями.
7.2. При расчете на прочность сжатого в одном направлении плоского листа, шарнирно-опертого по контуру (черт. 10), в рабочую площадь включается часть листа размером 2с, определяемым по формуле
где t - толщина листа.
Черт. 10. Расчетная схема сжатого тонколистового элемента
b - полная ширина сечения; с - рабочая ширина сечения
7.3. При расчете на прочность и деформативность тонколистовых конструкций, усиленных продольными ребрами, в которых плоский лист при действии продольной и поперечной нагрузок имеет сжимающие напряжения, в рабочую площадь ребер следует включать часть листа размером с (черт. 11, а), определяемым по формуле (59).
Черт. 11. Расчетная схема тонколистовых конструкций, усиленных продольными ребрами
а - плоский лист; б - гофрированный лист
7.4.
При расчете на прочность листов с волнистым и трапециевидным гофрами,
шарнирно-опертых по контуру и сжимаемых в направлении гофров, при отношении
(черт.
12, а) в рабочую площадь следует включать часть листа размером 2с:
, (60)
где
![]()
,
здесь К, d - соответственно шаг и длина по периметру одной полуволны (черт. 13);
Ix1 - момент инерции одной волны.
Когда отношение
или гофрированный
лист разделяется поперечными ребрами, имеющими момент инерции Is (см. п.
7.5), на ряд ячеек с соотношением сторон
(см. черт. 12,б),
значение с следует определять по
формуле
В формуле (61) обозначения те же, что в формуле (60); значения a и b следует принимать по черт. 12.
Черт. 12. Расчетная схема сжатого гофрированного листа
а - без поперечных ребер жесткости; б - с поперечными ребрами жесткости
Черт. 13. Геометрические параметры для гофра
а - трапециевидного; б - волнистого
При наличии продольных ребер (черт. 14) в рабочую площадь следует включать площадь этих ребер и часть листа размером с в каждую сторону от ребра.

Черт. 14. Схема плиты из гофрированного листа с продольными и поперечными ребрами
1 - продольные ребра; 2 - поперечные ребра
7.5. При расчете по формуле (43) момент инерции поперечных ребер жесткости не должен быть меньше величины
Если гофрированный лист и поперечные ребра имеют различные модули упругости, то
где Еs - модуль упругости материала ребра.
Обозначения в формулах (62) и (63) те же, что в формуле (60).
В случае, если значения Is меньше указанных в формулах (62) и (63) величин, то значение с подсчитывается по формуле (60). При этом значение Dy следует принимать
.
7.6. Гофрированный лист, не имеющий усиливающих ребер, при действии поперечной нагрузки следует рассчитывать на изгиб по формулам (20) и (21) как балку.
Для листов с трапециевидным гофром размер сжатых полок, включаемых в расчетное сечение, следует определять по формуле (59). При этом в формулах (20) и (21) Wx и Ix следует вычислять для рабочей площади сечения.
7.7. Прогиб f свободно опертых гофрированных листов при изгибе следует определять по формуле
, (64)
где
- коэффициент, учитывающий увеличение прогиба
вследствие деформации поперечного сечения гофрированного листа под нагрузкой и
принимаемый: для волнистых листов - равным 1, для трапециевидных - по табл. 35,
для листа с трапециевидным гофром с приклеенным жестким утеплителем (типа
пенопласта)
=1;
fo - прогиб гофрированного листа, работающего как балка, при вычислении которого Ix принимается согласно п. 7.6.
Таблица 35
|
Значения |
||||
|
45 |
60 |
75 |
90 |
|
|
³ 2 |
1,10 |
1,14 |
1,20 |
1,30 |
|
1,5 |
1,15 |
1,20 |
1,30 |
1,40 |
|
1,0 |
1,20 |
1,25 |
1,35 |
1,45 |
|
0,5 |
1,25 |
1,30 |
1,40 |
1,50 |
|
Обозначения, принятые в табл. 35: b - размер наклонной грани; a - размер сжатой горизонтальной грани (см. черт. 13). Примечание. Значения a для промежуточных отношений - следует определять линейной интерполяцией. |
||||
7.8. Изгибаемые тонколистовые конструкции с гофрированным листом, усиленным продольными ребрами, следует рассчитывать на прочность и прогиб с учетом включения в работу ребер и части листа размером с в каждую сторону от ребра (см. черт. 11, б), определяемым по формуле (60) независимо от наличия поперечных ребер.
7.9. При расчете сжато-изгибаемых и растянуто-изгибаемых гофрированных листов с трапециевидным гофром (обшивок трехслойных панелей с закладным утеплителем) на прочность при обеспечении совместной работы обшивок и продольных ребер кроме моментов инерции гофрированных листов относительно их нейтральных осей следует учитывать момент инерции сечения, в которое входят продольные ребра и часть обшивок размером с (черт. 15):
, (65)
где
- отношение ширины
панели к шагу поперечных ребер;
Eix - жесткость гофра на единицу длины относительно его нейтральной оси, кН м.
Черт. 15. Сечение трехслойной панели
7.10. Местную устойчивость сжатых горизонтальных граней изгибаемых листов с трапециевидным горфом (см. черт. 13,a) следует проверять с учетом упругого защемления продольных кромок по формуле
где
- сжимающие напряжения в грани от внешней
нагрузки;
kloc - коэффициент, принимаемый по табл. 36;
- коэффициент, принимаемый по табл. 37.
Таблица 36
|
0,4 |
0,5 |
0,6 |
0,7 |
0,8 |
0,9 |
1,0 |
1,1 |
1,2 |
1,4 |
|
|
Коэффициент kloc |
5,22 |
5,15 |
5,10 |
5,05 |
5,00 |
4,95 |
4,88 |
4,84 |
4,80 |
4,72 |
|
Обозначения, принятые в табл. 36: b - размер наклонной грани; a - размер сжатой горизонтальной грани (см. черт. 13). |
||||||||||
Таблица 37
|
0,7 |
0,8 |
1,0 |
1,2 |
1,4 |
1,6 |
1,8 |
2,0 |
2,5 |
3,0 |
|
|
Коэффициент |
1,00 |
0,86 |
0,76 |
0,67 |
0,61 |
0,56 |
0,52 |
0,48 |
0,41 |
0,35 |
|
Примечание. Напряжение |
||||||||||
7.11. Местную устойчивость наклонных граней листов с трапециевидным гофром в местах опирания на прогоны или ригели следует проверять по рекомендуемому приложению 6.
7.12. Местную устойчивость волнистых листов при изгибе (см. черт. 13, б) следует проверять по формуле
. (67)
7.13. Общую устойчивость центрально-сжатого гофрированного листа следует проверять в соответствии с указаниями п. 4.2 и табл. 2 обязательного приложения 2. За расчетную длину следует принимать расстояние между закреплениями, препятствующими смещению гофрированного листа из его плоскости, независимо от наличия поперечных ребер.
7.14. Местную устойчивость элементов листа трапециевидной формы при центральном сжатии следует проверять по формуле
, (68)
где b - ширина большей грани.
Местную устойчивость волнистого гофрированного листа при центральном сжатии следует проверять по формуле
7.15. Расчет элементов мембранных конструкций следует производить на основе совместной работы мембраны и контура с учетом их деформированного состояния и геометрической нелинейности мембраны.
7.16. При расчете элементов мембранных конструкций (мембраны и контура) следует учитывать:
осевое сжатие;
сжатие, вызываемое усилиями сдвига по линии контакта мембраны с элементами контура;
изгиб в тангенциальной и вертикальной плоскостях;
начальный (имеющийся до нагружения) прогиб мембраны.
7.17. При прикреплении мембраны с эксцентриситетом относительно центра тяжести сечения элементов контура кроме факторов, указанных в п. 7.16, при расчете контуров следует учитывать кручение.
7.18. При расчете пространственных блоков с предварительно напряженной обшивкой и наличии торцевых элементов жесткости обшивку следует вводить в работу каркаса блока при условии обеспечения надежной передачи усилий от элементов каркаса к обшивке.
Величину предварительного натяжения обшивки, расположенной в сжатой зоне, следует определять из условия равенства в ней нулю суммарных напряжений (без учета мембранных) при действии расчетной нагрузки.
Величину предварительного
натяжения листа в расчете обшивок при контроле процесса натяжения по силовым
параметрам и возможности регулирования растягивающих усилий следует определять
с учетом коэффициента условий работы
=1. При контроле по
геометрическим параметрам напряжения в обшивке должны удовлетворять условиям:
(70)
где
- напряжения в листе соответственно от
предварительного натяжения и от внешней нагрузки.
7.19. При расчете элементов мембранных конструкций с одноосным напряжением обшивок следует учитывать дополнительное воздействие цепных усилий в обшивке, воспринимаемых продольными элементами каркаса.
7.20. Соединения мембран из алюминиевых сплавов, а также прикрепление их к опорному контуру следует рассчитывать на воздействие температурного перепада (с учетом разности коэффициентов линейного расширения материалов мембраны и контура).
8.1. Сварные швы следует рассчитывать по формулам табл. 38.
Сварные соединения внахлестку двумя лобовыми швами имеют расчетное сопротивление, равное расчетному сопротивлению сварного стыкового соединения при условии, что лобовые швы наложены по всей толщине свариваемых элементов и концы их выведены за пределы соединения.
8.2. Сварные стыковые соединения, работающие на изгиб, следует рассчитывать по формулам для расчета целого сечения с расчетными сопротивлениями, принятыми по табл. 9 и 10.
8.3. Сварные стыковые соединения, работающие одновременно на изгиб и срез, следует проверять по формуле
, (71)
где
- напряжение в сварном соединении от изгиба;
- напряжение в сварном соединении от среза.
Таблица 38
|
Напряженное состояние |
Расчетная формула |
|
|
Стыковые, расположенные перпендикулярно действующей силе |
Сжатие, растяжение |
|
|
Угловые |
Срез |
|
|
Обозначения, принятые в табл. 38: N - расчетная продольная сила; lw - расчетная длина шва, равная его полной длине за вычетом 3t или 3kf ; при выводе шва за пределы соединения (на подкладки и т.п.) за расчетную длину шва принимается его полная длина; t - наименьшая толщина соединяемых элементов;
kf - катет углового шва, принимаемый равным катету вписанного равнобедренного треугольника. |
||
8.4. При одновременном действии срезывающих напряжений в двух направлениях в одном и том же сечении углового шва расчет следует производить на равнодействующую этих напряжений.
8.5. Угловые швы, прикрепляющие элемент, на который действуют одновременно осевое усилие и изгибающий момент, следует рассчитывать по формуле (29), в которой:
An=Awf - расчетная площадь швов;
Ixn, Iyn - момент инерции расчетной площади швов соответственно относительно осей х-х и у-у;
R = Rwf - расчетное сопротивление углового шва.
8.6. В заклепочных и болтовых соединениях при действии продольной силы N, проходящей через центр тяжести соединения, распределение этой силы между заклепками или болтами следует принимать равномерным.
Заклепочные или болтовые соединения, воспринимающие продольные силы, следует рассчитывать на срез и смятие заклепок и болтов по формулам табл. 39.
Таблица 39
|
Напряженное состояние |
Расчетная формула |
|
|
Заклепки (или болты) |
Срез |
|
|
Смятие |
||
|
Болты |
Растяжение |
|
|
Заклепки |
Отрыв головки заклепки |
|
|
Обозначения, принятые в табл. 39: N - расчетная продольная сила, действующая на соединение; n - число заклепок или болтов в соединении; ns - число рабочих срезов одной заклепки или болта; d - диаметр отверстия для заклепки или наружный диаметр стержня болта;
do - внутренний диаметр резьбы болта; h=0,4d - высота поверхности отрыва головки (черт. 16). Примечание. Расчет болтов на срез и смятие следует производить по формулам (73) и (74) с заменой Rrs и Rrp соответственно на Rbs и Rbp. |
||
Черт. 16. Заклепка с полукруглой головкой
8.7. Заклепки и болты, работающие одновременно на срез и растяжение, следует проверять отдельно на срез и на растяжение.
8.8. В креплениях одного элемента к другому через прокладки или иные промежуточные элементы, а также в креплениях с односторонней накладкой число заклепок (болтов) должно быть увеличено против расчетного числа на 10%.
При прикреплении выступающих полок уголков или швеллеров с помощью коротышей число заклепок (болтов), прикрепляющих одну из полок коротыша, должно быть увеличено против расчетного числа на 10%.
8.9. Монтажные соединения на высокопрочных стальных болтах следует рассчитывать в предположении передачи действующих в стыках и прикреплениях усилий через трение, возникающее по соприкасающимся плоскостям соединяемых элементов от натяжения высокопрочных болтов. При этом распределение продольной силы между болтами следует принимать равномерным.
8.10. Расчетное усилие Qbh, которое может быть воспринято каждой поверхностью трения соединяемых элементов, стянутых одним высокопрочным болтом, следует определять по формуле
Rbh - расчетное сопротивление растяжению высокопрочного болта, определяемое согласно СНиП II-23-81;
- коэффициент условий работы соединения, принимаемый равным 0,8;
Abn - площадь сечения болта нетто, определяемая согласно СНиП II-23-81;
- коэффициент трения, принимаемый по табл. 40;
- коэффициент надежности, принимаемый по СНиП II-23-81.
Таблица 40
|
Пескоструйная очистка |
Травление поверхности |
Без обработки (после обезжиривания) |
|
|
Коэффициент трения m |
0,45 |
0,4 |
0,15 |
Количество п высокопрочных болтов в соединении при действии продольной силы следует определять по формуле
, (77)
где k1 - количество поверхностей трения соединяемых элементов.
Натяжение высокопрочного болта следует производить осевым усилием Р = RbhAbn
8.11.
Расчет на прочность соединяемых элементов, ослабленных отверстиями под
высокопрочные болты, следует выполнять с учетом того, что половина усилия,
приходящегося на каждый болт, в рассматриваемом сечении уже передана силами
трения. При этом проверку ослабленных сечений следует производить по площади
сечения брутто А при An
или по условной площади Ас = 1,18An, при An < 0,85A.
8.12. В соединениях с фрезерованными торцами (в стыках сжатых элементов и т. п.) сжимающую силу следует считать полностью передающейся через торцы.
Во внецентренно сжатых и сжато-изгибаемых элементах сварные швы и болты, включая высокопрочные, указанных соединений следует рассчитывать на максимальное растягивающее усилие от действия момента и продольной силы при наиболее неблагоприятном их сочетании, а также на сдвигающее усилие от действия поперечной силы.
8.13. Сварные швы, заклепки и высокопрочные болты, соединяющие стенки и пояса составных двутавровых балок, следует рассчитывать по табл. 41.
Таблица 41
|
Вид соединения |
Формулы для расчета поясных соединений в составных балках |
|
|
Неподвижная (распределенная и сосредоточенная) |
Угловые швы |
|
|
Заклепки |
|
|
|
Высокопрочные болты |
|
|
|
Местная сосредоточенная |
Угловые швы |
|
|
Заклепки |
|
|
|
Высокопрочные болты |
|
|
|
Обозначения, принятые в табл. 41:
a - шаг поясных заклепок или высокопрочных болтов;
ns - число расчетных срезов одной заклепки; Qbh - расчетное усилие одного высокопрочного болта, определяемое по формуле (72); k1 - количество поверхностей трения соединяемых элементов;
lef - условная длина распределения сосредоточенной нагрузки, принимаемая по обязательному приложению 5; a - коэффициент, принимаемый при нагрузке по верхнему поясу балки, в которой стенка пристрогана к верхнему поясу, a = 0,4; при отсутствии пристрожки стенки или при нагрузке по нижнему поясу a = 1. |
||
8.14. В балках с соединениями на заклепках и высокопрочных болтах с многолистовыми поясными пакетами прикрепление каждого из листов за местом своего теоретического обрыва следует рассчитывать на половину усилия, которое может быть воспринято сечением листа. Прикрепление каждого листа на участке между действительным местом его обрыва и местом обрыва предыдущего листа следует рассчитывать на полное усилие, которое может быть воспринято сечением листа.
8.15. В конструкциях из алюминиевых сплавов анкерные болты следует выполнять из стали. Расчет стальных анкерных болтов следует производить по СНиП II-23-81.
9.1. При проектировании алюминиевых конструкций необходимо:
а) предусматривать связи, обеспечивающие в процессе монтажа и эксплуатации устойчивость и пространственную неизменяемость сооружения в целом и его элементов, назначая их в зависимости от основных параметров и режима эксплуатации сооружения (конструктивной схемы пролетов, температурных воздействий и т. д.);
б) учитывать производственные возможности предприятий-изготовителей металлоконструкций и мощность подъемно-транспортного оборудования монтажных организаций;
в) компоновать элементы конструкций из наименьшего числа деталей;
г) использовать металл с наименьшими отходами и потерями путем соответствующего размещения стыков в конструкции;
д) предусматривать конструктивные решения и производить разбивку конструкций на отправочные элементы с учетом рационального и экономичного транспортирования их на строительство:
е) предусматривать возможность укрупнения отправочных элементов конструкций на строительной площадке для монтажа их крупными блоками и обеспечения устойчивости отдельных элементов и блоков сооружения в процессе монтажа;
ж) предусматривать монтажные крепления элементов, обеспечивающие возможность их легкой сборки и удобного выполнения соединений на монтаже (устройство монтажных столиков и т. п.), а также быстроту выверки конструкций;
з) предусматривать монтажные соединения элементов болтовыми; сварные и клепаные монтажные соединения допускать лишь в тех случаях, когда применение болтов нерационально или не разрешается нормативными документами.
9.2. Прогибы и перемещения элементов конструкций не должны превышать предельных, установленных СНиП 2.01.07-85.
Относительные прогибы элементов не должны превышать значений, приведенных в табл. 42.
9.3. Температурные климатические воздействия на алюминиевые конструкции одноэтажных зданий и сооружений следует учитывать путем соблюдения наибольших расстояний между температурными швами в соответствии с табл. 43, а также применением конструктивных мер при проектировании ограждающих конструкций, их стыков и нащельников.
9.4. Ограждающие конструкции зданий (стены и покрытия, отдельные панели, настилы и их стыки), а также детали крепления ограждений к каркасу здания следует проектировать с учетом изменения температуры в течение года, обеспечивая при этом свободу температурных деформаций при сохранении теплотехнических свойств и герметичности ограждений.
9.5. При расчете ограждающих конструкций значения изменений температуры наружных поверхностей следует определять исходя из расчетных значений температуры наружного воздуха в летнее и в зимнее время года в соответствии со СНиП 2.01.01-82. При этом в летнее время должно быть учтено воздействие солнечной радиации.
9.6. Расчетные перепады температуры между наружными и внутренними поверхностями ограждающих конструкций следует принимать с учетом внутреннего температурного режима эксплуатации здания.
Таблица 42
|
Относительные прогибы элементов (к пролету l) |
|
|
1. Балки покрытий и чердачных перекрытий: |
|
|
главные балки |
1/250 (1/200) |
|
прогоны |
1/200 (1/150) |
|
обрешетки |
1/150 (1/125) |
|
2. Покрытия, в том числе большепролетные без подвесного транспорта |
1/300 (1/250) |
|
3. Элементы фахверка: |
|
|
стойки, ригели |
1/300 (1/200) |
|
прогоны остекления (в вертикальной и горизонтальной плоскостях) |
1/200 |
|
4. Стеновые панели: |
|
|
с остеклением |
1/200 |
|
без остекления |
1/125 (1/100) |
|
5. Кровельные панели, подвесные потолки |
1/150 (1/125) |
|
6. Вертикальные и горизонтальные элементы ограждающих конструкций (импосты) при остеклении: |
|
|
одинарном |
1/200 |
|
стеклопакетами |
1/300 |
|
Примечания: 1. Величины прогибов, приведенные в скобках, допускаются лишь при наличии обоснования (опытное строительство, наличие строительного подъема и др.). 2. Предельные значения прогибов допускается определять при соответствующем обосновании из условия сохранения плотности стыков. 3. При применении подвесного транспорта прогибы конструкций следует определять в каждом конкретном случае из условия нормальной эксплуатации подъемно-транспортного механизма. |
|
Таблица 43
|
Наибольшие расстояния, м |
|||
|
между температурными швами |
от температурного шва или торца здания до оси ближайшей вертикальной связи |
||
|
по длине блока (вдоль здания) |
по ширине блока |
||
|
Отапливаемые здания |
144 |
120 |
72 |
|
Неотапливаемые здания и горячие цехи |
96 |
90 |
48 |
|
Открытые эстакады |
72 |
- |
36 |
|
Примечание. Наибольшие расстояния указаны для зданий и сооружений, в которых конструкции покрытий или (и) стен выполнены из алюминия, а колонны - из стали или алюминия. |
|||
9.7. Выбор материала для утеплителя, клея и герметиков при проектировании ограждающих конструкций следует производить с учетом величин расчетных перепадов температуры между наружными и внутренними поверхностями ограждающих конструкций.
9.8. При технико-экономическом обосновании в конструкциях допускается применять алюминий в сочетании с другими строительными материалами (алюминий и дерево в оконных и дверных конструкциях, алюминий и полимеры в стеновых и кровельных конструкциях и др.). При этом необходимо учитывать различие в величинах модулей упругости и коэффициентов линейного расширения материалов, а также предусматривать мероприятия по защите алюминия от контактной коррозии.
9.9. В конструкциях сборно-разборных зданий алюминий следует применять в виде:
ограждающих полносборных элементов для стен, кровли, перегородок, дверных и оконных проемов и др.;
несущих элементов полной заводской готовности с монтажными соединениями на болтах и др.
9.10. При проектировании элементов ограждающих и несущих конструкций сборно-разборных зданий следует предусматривать их взаимозаменяемость. Монтажные узлы и стыки необходимо располагать в местах, исключающих скопление грязи, пыли, влаги и др.
9.11. При транспортировании следует предусматривать сохранность элементов сборно-разборных зданий и сооружений путем их пакетирования и перевозки в контейнерах.
9.12. Для защитно-декоративной отделки алюминиевых конструкций и изделий архитектурного назначения надлежит применять материалы, предусмотренные государственными стандартами и типовыми чертежами конструкций соответствующего вида.
9.13. Ограждающие конструкции следует проектировать совместно с разработкой необходимых приборов открывания, фиксации, а также других изделий и материалов.
9.14. При проектировании ограждающих алюминиевых конструкций необходимо обеспечить возможность легкой замены элементов, подверженных ускоренному старению, износу или ремонту (например, уплотнительных прокладок, стекла и др.).
9.15. Применение алюминия в ограждающих и несущих конструкциях зданий и сооружений допускается при специальном обосновании и на основании указаний ТП 101-81*.
9.16. Коррозионную стойкость алюминиевых конструкций производственных и сельскохозяйственных зданий и сооружений, подвергающихся воздействию агрессивных сред, следует обеспечивать путем выбора марки и состояния алюминия, назначения рациональных конструктивных форм и минимальных толщин в соответствии со СНиП 2.03.11-85.
10.1. Выбор вида соединения (сварное, болтовое, заклепочное и др.) следует производить в зависимости от характера работы соединения и с учетом степени ослабления алюминия, определяемого видом соединения.
Сварные соединения элементов несущих конструкций следует выполнять, как правило, в заводских условиях. При проектировании сварных конструкций необходимо предусматривать применение кондукторов.
10.2. Тонколистовые ограждающие конструкции и их соединения следует проектировать сварными или клепаными (заводские и монтажные крепления обшивок к каркасам, стыки для укрупнения тонколистовых элементов, стыки в кровельных покрытиях), а также с применением соединений на фальцах, защелках и др.
10.3. При проектировании сварных тонколистовых конструкций необходимо обеспечить сохранение внешнего вида конструкций путем: выбора способа сварки, обеспечивающего требуемый внешний вид сварных соединений; устройства нащельников и других конструктивных элементов на сварных соединениях; применения жестких кондукторов; проковки сварных швов для уменьшения сварочных деформаций и др.
10.4. Применение сварных соединений в конструкциях, предназначенных для антикоррозионной зашиты анодированием, допускается при специальном обосновании.
10.5. Минимальную толщину полуфабрикатов алюминиевых конструкций следует назначать по расчету и в зависимости от условий их перевозки и монтажа.
Толщина элементов ограждающих конструкций при нормальных условиях их эксплуатации допускается не менее 0,8 мм.
10.6. При проектировании строительных конструкций из алюминия необходимо учитывать требования государственных стандартов и пользоваться каталогами алюминиевых профилей.
10.7. Комбинированные соединения, в которых часть усилий воспринимается заклепками, а часть - сварными швами, применять запрещается.
10.8. Алюминий в сочетании со сталью допускается применять в составе:
одной конструкции при выполнении различных элементов конструкций из алюминия или стали;
одного элемента конструкции, выполненного из алюминия при стальных соединениях (болты).
10.9. Соединения элементов ограждающих конструкций (витрин, витражей, окон, дверей и др.), выполняемые на вкладышах, должны быть проверены в опытных конструкциях.
Непосредственное соприкосновение заполнения из стекла с элементами алюминиевого каркаса не допускается.
10.10. При проектировании конструкций со сварными соединениями следует:
применять высокопроизводительные механизированные способы сварки;
предусматривать возможность сварки без кантовки конструкций при изготовлении;
обеспечивать свободный доступ к местам наложения швов с учетом выбранного способа и технологии сварки;
назначать размеры и взаимное расположение швов и выбирать способ сварки исходя из требований обеспечения наименьших собственных напряжений и деформаций при сварке;
избегать сосредоточения большого числа швов в одном месте;
принимать число и размеры сварных швов минимально необходимыми.
10.11. Разделку кромок под сварку следует назначать с учетом способа и технологии сварки, положения шва в пространстве и толщины свариваемых элементов по ГОСТ 14806-80 и заводским нормалям.
10.12. При проектировании сварных соединений и узлов в несущих конструкциях следует предусматривать снижение концентрации напряжений, применяя для этого соответствующие конструктивные решения и технологические мероприятия. Следует предусматривать преимущественно сварные соединения встык с обязательной подваркой корня шва или с использованием формирующих подкладок. Концы швов встык следует выводить за пределы стыка (например, с помощью выводных планок).
При сварке встык двух листов разной толщины следует осуществлять переход от толстого листа к тонкому устройством скоса по ГОСТ 14806-80.
10.13. Число стыков в расчетных элементах должно быть минимальным.
10.14. Сварные соединения следует, как правило, располагать в менее напряженных местах элементов конструкции.
10.15. В узлах несущих конструкций из прессованных профилей следует предусматривать сварные соединения встык и втавр.
10.16. Размеры и форма сварных угловых швов должны удовлетворять следующим требованиям:
катет швов kf (при сварке элементов толщиной 4 мм и более) следует принимать не менее 4 мм. При сварке швов нахлесточных соединений катет по вертикальному размеру не должен выступать над поверхностью верхней детали более чем на 1 мм. Если в соединении более тонкий элемент имеет бульбу, то предельная величина катета шва kf может быть увеличена до 1,5t (где t - наименьшая толщина соединяемых элементов);
расчетная длина флангового и лобового швов должна быть не менее 40 мм и не менее kf;
расчетная длина флангового шва должна быть не более 50kf, за исключением соединений, где воспринимаемое фланговым швом усилие возникает на всем протяжении шва; в последнем случае длина флангового шва не ограничивается;
в соединениях внахлестку с угловыми швами величина нахлестки должна быть не менее пяти толщин наиболее тонкого элемента.
10.17. Сварные соединения тонколистовых конструкций следует проектировать с учетом технологических особенностей применяемых способов сварки:
приварку тонких листов обшивок к более толстым элементам каркаса допускается выполнять аргонодуговой точечной или контактной точечной сваркой; при контактной точечной сварке отношение толщин свариваемых элементов не должно превышать 1:3;
в заводских условиях для укрупнения тонколистовых элементов следует, как правило, применять контактную роликовую сварку, обеспечивающую получение прочных водонепроницаемых соединений. Размеры соединений при контактной роликовой сварке приведены в табл. 44.
Таблица 44
|
Контактная точечная сварка |
Роликовая сварка |
|||||||
|
диаметр ядра, мм |
минимальные размеры, мм |
ширина литой зоны, мм |
минимальные размеры, мм |
|||||
|
ширина нахлестки1 при шве |
шаг между точками |
ширина нахлестки1 при шве |
расстояние от оси шва до края листа |
|||||
|
однорядном |
двухрядном (в шахматном порядке) |
однорядном |
двухрядном2 |
|||||
|
0,5 |
3-4 |
10 |
18 |
10 |
3-4 |
10 |
12 |
5 |
|
0,8 |
3,5-4,5 |
12 |
25 |
13 |
3,5-4,5 |
10 |
14 |
5 |
|
1 |
4-5 |
14 |
28 |
15 |
4-5 |
12 |
16 |
6 |
|
1,2 |
5-6 |
16 |
30 |
15 |
5-6 |
14 |
20 |
7 |
|
1,5 |
6-7 |
18 |
35 |
20 |
6-7 |
16 |
24 |
8 |
|
2 |
7-8 |
20 |
42 |
25 |
7-8 |
20 |
28 |
10 |
|
3 |
9-10 |
26 |
56 |
35 |
8-9 |
24 |
34 |
12 |
|
1 При сварке трех листов алюминия ее следует увеличивать на 15-20 %. 2 Выполняется с перекрытием на 30-50 %. |
||||||||
Допускается укрупнение тонколистовых элементов в заводских условиях выполнять сваркой контактной точечной (размеры соединений приведены в табл. 44), аргонодуговой точечной и аргонодуговой непрерывным швом.
При сварке стыков кровельных покрытий в монтажных условиях следует, как правило, применять аргонодуговую сварку вольфрамовым или плавящимся электродом с импульсным питанием дуги. Основными видами соединений при этом являются нахлесточное и бортовое.
При применении аргонодуговой точечной сварки в монтажных условиях для соединения тонколистовых элементов основным видом соединения является нахлесточное; величина нахлестки должна быть не менее 30 мм.
Аргонодуговой точечной сваркой допускается сваривать пакет из трех элементов (толщина двух верхних листов в пакете не должна превышать 3 мм).
10.18. В рабочих элементах конструкций число расположенных по одну сторону стыка заклепок, прикрепляющих элемент в узле, должно быть не менее двух.
10.19. При заводской холодной клепке толщина склепываемого пакета на скобе не должна превышать четырех диаметров заклепок.
10.20. Разбивку заклепок и болтов, в том числе высокопрочных, следует производить согласно табл. 45. Соединительные заклепки и болты, располагаемые вне узлов и стыков, следует размещать на максимальных расстояниях.
10.21. Для соединений с использованием стальных болтов необходимо предусматривать мероприятия по защите их от контактной коррозии.
10.22. Диаметр заклепки должен быть не более пяти толщин наиболее тонкого элемента. За расчетный диаметр заклепки следует принимать диаметр отверстия.
10.23. Форма заклепки и ее размеры для холодной клепки устанавливаются техническими условиями на изготовление строительных конструкций из алюминия.
10.24. При соединении внахлестку профилированных листов кровли (вдоль гофра) элементы крепления (болты, заклепки) следует располагать в каждом гребне гофра.
Стыки мембранной или предварительно напряженной обшивки толщиной до 2 мм следует выполнять внахлестку, при этом стык должен быть соединен не менее чем двумя рядами сварных точек или заклепок.
10.25. В конструкциях из профилированных листов ребра жесткости или диафрагмы следует соединять в каждой точке касания с гофром и элементом, усиливающим конструкцию.
10.26. Конструкция соединения тонких алюминиевых лент с контуром должна иметь регулируемое предварительное натяжение и не допускать контакта между алюминием, сталью или бетоном.
Таблица 45
|
Расстояния при размещении заклепок и болтов |
|
|
Между центрами заклепок и болтов в любом направлении: |
|
|
минимальное |
Для заклепок 3d; для болтов 3,5d |
|
максимальное в крайних рядах при отсутствии окаймляющих уголков при растяжении и сжатии |
5 d или 10t |
|
максимальное в средних и крайних рядах при наличии окаймляющих уголков: |
|
|
при растяжении |
12d или 20t |
|
„ сжатии |
10d или 14t |
|
От центра заклепки или болта до края элемента: |
|
|
минимальное вдоль усилия и по диагонали |
2,5d |
|
минимальное поперек усилия при обрезных кромках |
2,5d |
|
то же, при прокатных или прессованных кромках |
2d |
|
максимальное |
6d |
|
Обозначения, принятые в табл. 45: d - диаметр отверстия для заклепки или болта; t - толщина наиболее тонкого наружного элемента пакета. |
|
Обязательное
Таблица 1
Марки и состояния алюминия для конструкций зданий и сооружений
|
Марка и состояние алюминия |
Государственные стандарты или технические условия на поставку алюминия |
||||||||||||
|
по химическому составу |
по механическим свойствам |
||||||||||||
|
листы |
профили |
трубы |
ленты |
||||||||||
|
Группа 1. Ограждающие конструкции - оконные и дверные заполнения, подвесные потолки, перегородки, витражи |
|||||||||||||
|
АД1М |
ГОСТ 4784-74 |
- |
- |
ГОСТ 13726-78 |
|||||||||
|
АМцМ |
ГОСТ 4784-74 |
- |
- |
ГОСТ 13726-78 |
|||||||||
|
АМг2М |
ГОСТ 4784-74 |
- |
ГОСТ 18475-82 |
ГОСТ 13726-78 |
|||||||||
|
АМг2Н2 |
ГОСТ 4784-74 |
- |
- |
ГОСТ 13726-78 |
|||||||||
|
АД31Т |
ГОСТ 4784-74 |
- |
ГОСТ 8617-81; |
ГОСТ 18482-79 |
- |
||||||||
|
|
|
|
ГОСТ 22233-83 |
|
|
||||||||
|
АД31Т1 |
ГОСТ 4784-74 |
- |
ГОСТ 8617-81; |
- |
- |
||||||||
|
|
|
|
ГОСТ 22233-83 |
|
|
||||||||
|
АД31Т4 |
ГОСТ 4784-74 |
- |
ГОСТ 8617-81; |
- |
- |
||||||||
|
|
|
|
ГОСТ 22233-83 |
|
|
||||||||
|
АД31Т5 |
ГОСТ 4784-74 |
- |
ГОСТ 8617-81; |
- |
- |
||||||||
|
|
|
|
ГОСТ 22233-83 |
|
|
||||||||
|
1935Т |
ОСТ 1-92014-76 |
- |
ТУ 1-9-346-77 |
- |
- |
||||||||
|
Группа II. Ограждающие конструкции - кровельные и стеновые панели и др. |
|||||||||||||
|
АМг2М |
ГОСТ 4784-74 |
- |
ГОСТ 18475-82 |
ГОСТ 13726-78 |
|||||||||
|
АМг2Н2 |
ГОСТ 4784-74 |
- |
- |
ГОСТ 13726-78 |
|||||||||
|
АД31Т |
ГОСТ 4784-74 |
- |
ГОСТ 8617-81; |
ГОСТ 18482-79 |
- |
||||||||
|
|
|
|
ГОСТ 22233-83 |
|
|
||||||||
|
АД31Т1 |
ГОСТ 4784-74 |
- |
ГОСТ 8617-81; |
- |
- |
||||||||
|
|
|
|
ГОСТ 22233-83 |
|
|
||||||||
|
АД31Т4 |
ГОСТ 4784-74 |
- |
ГОСТ 8617-81; |
- |
- |
||||||||
|
|
|
|
ГОСТ 22233-83 |
|
|
||||||||
|
АД31Т5 |
ГОСТ 4784-74 |
- |
ГОСТ 8617-81; |
- |
- |
||||||||
|
|
|
|
ГОСТ 22233-83 |
|
|
||||||||
|
1915 |
ГОСТ 4784-74 |
- |
ГОСТ 8617-81; |
ГОСТ 18482-79 |
- |
||||||||
|
|
|
|
ГОСТ 22233-83 |
|
|
||||||||
|
1915Т |
ГОСТ 4784-74 |
- |
ГОСТ 8617-81; |
ГОСТ 18482-79 |
- |
||||||||
|
|
|
|
ГОСТ 22233-83 |
|
|
||||||||
|
1935Т |
ОСТ 1-92014-76 |
- |
ТУ 1-9-346-77 |
- |
- |
||||||||
|
Группа III. Несущие сварные конструкции (фермы, колонны, прогоны покрытий, пространственные решетчатые покрытия, покрытия больших пролетов, сборно-разборные конструкции каркасов зданий, блоки покрытия и др.) |
|||||||||||||
|
АМг2М |
ГОСТ 4784-74 |
- |
ГОСТ 18475-82 |
ГОСТ 13726-78 |
|||||||||
|
|
|
|
|
ГОСТ 18482-79 |
- |
||||||||
|
АМг2Н2 |
ГОСТ 4784-74 |
- |
- |
ГОСТ 13726-78 |
|||||||||
|
АД31Т |
ГОСТ 4784-74 |
- |
ГОСТ 8617-81; |
ГОСТ 18482-79 |
- |
||||||||
|
|
|
|
ГОСТ 22233-83 |
|
|
||||||||
|
АД31Т1 |
ГОСТ 4784-74 |
- |
ГОСТ 8617-81; |
- |
- |
||||||||
|
|
|
|
ГОСТ 22233-83 |
|
|
||||||||
|
АД31Т4 |
ГОСТ 4784-74 |
- |
ГОСТ 8617-81; |
- |
- |
||||||||
|
|
|
|
ГОСТ 22233-83 |
|
|
||||||||
|
1935Т |
ОСТ 1-92014-76 |
- |
ТУ 1-9-346-77 |
- |
- |
||||||||
|
1915 |
ГОСТ 4784-74 |
- |
ГОСТ 8617-81; |
ГОСТ 18482-79 |
- |
||||||||
|
|
|
|
ГОСТ 22233-83 |
|
|
||||||||
|
1915Т |
ГОСТ 4784-74 |
- |
ГОСТ 8617-81; |
ГОСТ 18482-79 |
- |
||||||||
|
Группа IV. Клепаные конструкции, относящиеся к группе III, а также элементы конструкций, не имеющие сварных соединений |
|||||||||||||
|
АМг2Н2 |
ГОСТ 4784-74 |
- |
- |
ГОСТ 13726-78 |
|||||||||
|
АД31Т |
ГОСТ 4784-74 |
- |
ГОСТ 8617-81; |
ГОСТ 18482-79 |
- |
||||||||
|
|
|
|
ГОСТ 22233-83 |
|
|
||||||||
|
АД31Т1 |
ГОСТ 4784-74 |
- |
ГОСТ 8617-81; |
- |
- |
||||||||
|
|
|
|
ГОСТ 22233-83 |
|
|
||||||||
|
АД31Т4 |
ГОСТ 4784-74 |
- |
ГОСТ 8617-81; |
- |
- |
||||||||
|
|
|
|
ГОСТ 22233-83 |
|
|
||||||||
|
1935Т |
ОСТ 1-92014-76 |
- |
ТУ 1-9-346-77 |
- |
- |
||||||||
|
1925 |
ГОСТ 4784-74 |
- |
ГОСТ 8617-81; |
ГОСТ 18482-79 |
- |
||||||||
|
|
|
|
ГОСТ 22233-83 |
|
|
||||||||
|
1915 |
ГОСТ 4784-74 |
- |
ГОСТ 8617-81; |
ГОСТ 18482-79 |
- |
||||||||
|
|
|
|
ГОСТ 22233-83 |
|
|
||||||||
|
1915Т |
ГОСТ 4784-74 |
- |
ГОСТ 8617-81; ГОСТ 22233-83 |
ГОСТ 18482-79 |
- |
||||||||
|
Примечания: 1. Для конструкций I-IV групп приведен примерный их перечень. 2. Алюминий марки АМцМ следует применять преимущественно для листовых конструкций декоративного назначения, подлежащих анодированию в черный цвет. |
|||||||||||||
Физические характеристики алюминия
|
Физическая характеристика |
Значения |
|
Модуль упругости Е, МПа (кгс/см2), при температуре, °С: |
|
|
минус 70 |
|
|
от минус 40 до плюс 50 |
|
|
100 |
|
|
Модуль сдвига G, МПа (кгс/см2), при температуре, °С: |
|
|
минус 70 |
|
|
от минус 40 до плюс 50 |
|
|
100 |
|
|
Коэффициент поперечной деформации (Пуассона) v |
0,3 |
|
Коэффициент линейного расширения a, °С-1, при температуре от минус 70 до плюс 100°С |
|
|
Среднее значение плотности р, кг/м |
2700 |
|
Примечание. Для промежуточных значений температуры значения Е и G следует определять линейной интерполяцией. |
|
Плотность алюминия
|
Марка алюминия |
АД1 |
АМц |
АМг |
АД31 |
1935 |
1925 |
1915 |
АЛ8 |
|
Плотность, кг/м3 |
2710 |
2730 |
2680 |
2710 |
2760 |
2770 |
2770 |
2550 |
Алюминиевые полуфабрикаты, применяемые для строительных конструкций
|
Марка алюминия |
Полуфабрикаты |
|||||
|
листы |
ленты |
плиты |
прутки |
профили |
трубы |
|
|
АД1 |
+ |
+ |
- |
- |
- |
- |
|
АМц |
+ |
+ |
- |
- |
- |
- |
|
АМг2 |
+ |
+ |
+ |
- |
- |
+ |
|
АД31 |
- |
- |
- |
+ |
+ |
+ |
|
1935 |
- |
- |
- |
+ |
+ |
- |
|
1925 |
- |
- |
- |
+ |
+ |
+ |
|
1915 |
- |
- |
- |
+ |
+ |
+ |
|
Примечание. Знак „+" означает, что данный полуфабрикат применяется для строительных конструкций; знак „-" - данный полуфабрикат не применяется. |
||||||
Обязательное
В табл. 1 показаны схемы
сечения, для которых в табл. 2 и 3 настоящего приложения приведены значения
коэффициента
.
Таблица 1
Схемы сечений для
определения коэффициента ![]()
Коэффициенты
продольного изгиба центрально-сжатых элементов
для сечений типа 1
|
Гибкость элементов
|
Коэффициенты |
||||||||
|
АД1М |
АМцМ |
АД31Т; АД31Т4 |
АМг2М |
АД31Т5 |
АД31Т1; AMг2H2 |
1935T |
1925; 1915 |
1915T |
|
|
0 |
1000 |
1000 |
1000 |
1000 |
1000 |
1000 |
1000 |
1000 |
1000 |
|
10 |
1,000 |
1,000 |
1,000 |
1,000 |
1,000 |
1,000 |
1,000 |
1,000 |
1,000 |
|
20 |
1,000 |
1,000 |
0,995 |
0,982 |
0,946 |
0,936 |
0,930 |
0,915 |
0,910 |
|
30 |
0,985 |
0,955 |
0,930 |
0,915 |
0,880 |
0,865 |
0,852 |
0,838 |
0,830 |
|
40 |
0,935 |
0,900 |
0,880 |
0,860 |
0,818 |
0,802 |
0,790 |
0,770 |
0,758 |
|
50 |
0,887 |
0,860 |
0,835 |
0,812 |
0,763 |
0,740 |
0,772 |
0,696 |
0,676 |
|
60 |
0,858 |
0,820 |
0,793 |
0,766 |
0,705 |
0,675 |
0,650 |
0,615 |
0,590 |
|
70 |
0,825 |
0,782 |
0,750 |
0,717 |
0,644 |
0,605 |
0,572 |
0,530 |
0,500 |
|
80 |
0,792 |
0,745 |
0,706 |
0,665 |
0,590 |
0,542 |
0,500 |
0,440 |
0,385 |
|
90 |
0,760 |
0,710 |
0,656 |
0,608 |
0,510 |
0,450 |
0,403 |
0,348 |
0,305 |
|
100 |
0,726 |
0,665 |
0,610 |
0,555 |
0,432 |
0,367 |
0,326 |
0,282 |
0,246 |
|
110 |
0,693 |
0,625 |
0,562 |
0,506 |
0,382 |
0,313 |
0,270 |
0,233 |
0,204 |
|
120 |
0,660 |
0,530 |
0,518 |
0,458 |
0,330 |
0,262 |
0,228 |
0,196 |
0,171 |
|
130 |
0,630 |
0,545 |
0,475 |
0,415 |
0,290 |
0,227 |
0,192 |
0,167 |
0,146 |
|
140 |
0,595 |
0,505 |
0,435 |
0,362 |
0,255 |
0,197 |
0,168 |
0,144 |
0,126 |
|
150 |
0,562 |
0,470 |
0,400 |
0,313 |
0,212 |
0,168 |
0,146 |
0,125 |
0,110 |
Коэффициенты продольного
изгиба центрально-сжатых элементов
для сечений типа 2
|
Гибкость элементов
|
Коэффициенты |
||||||||
|
АД1М |
АМцМ |
АД31Т; АД31Т4 |
АМг2М |
АД31Т5 |
АД31Т1; AMг2H2 |
1935T |
1925; 1915 |
1915T |
|
|
0 |
1,000 |
1,000 |
1,000 |
1,000 |
1,000 |
1,000 |
1,000 |
1,000 |
1,000 |
|
10 |
1,000 |
1,000 |
1,000 |
1,000 |
0,990 |
0,983 |
0,980 |
0,967 |
0,960 |
|
20 |
0,975 |
0,950 |
0,940 |
0,920 |
0,885 |
0,880 |
0,880 |
0,867 |
0,860 |
|
30 |
0,922 |
0,895 |
0,878 |
0,862 |
0,820 |
0,808 |
0,802 |
0,790 |
0,775 |
|
40 |
0,877 |
0,842 |
0,822 |
0,807 |
0,760 |
0,742 |
0,730 |
0,715 |
0,695 |
|
50 |
0,832 |
0,796 |
0,773 |
0,750 |
0,700 |
0,678 |
0,662 |
0,638 |
0,613 |
|
60 |
0,795 |
0,752 |
0,725 |
0,698 |
0,635 |
0,607 |
0,590 |
0,560 |
0,530 |
|
70 |
0,757 |
0,713 |
0,680 |
0,647 |
0,574 |
0,538 |
0,516 |
0,482 |
0,450 |
|
80 |
0,720 |
0,670 |
0,635 |
0,597 |
0,520 |
0,480 |
0,450 |
0,413 |
0,380 |
|
90 |
0,690 |
0,632 |
0,588 |
0,545 |
0,466 |
0,422 |
0,392 |
0,348 |
0,305 |
|
100 |
0,657 |
0,593 |
0,543 |
0,498 |
0,410 |
0,360 |
0,328 |
0,282 |
0,246 |
|
110 |
0,625 |
0,553 |
0,500 |
0,450 |
0,362 |
0,310 |
0,272 |
0,233 |
0,204 |
|
120 |
0,590 |
0,515 |
0,460 |
0,408 |
0,316 |
0,263 |
0,230 |
0,196 |
0,171 |
|
130 |
0,560 |
0,480 |
0,420 |
0,370 |
0,280 |
0,228 |
0,195 |
0,167 |
0,146 |
|
140 |
0,527 |
0,445 |
0,385 |
0,333 |
0,237 |
0,194 |
0,170 |
0,144 |
0,126 |
|
150 |
0,497 |
0,412 |
0,352 |
0,300 |
0,205 |
0,166 |
0,146 |
0,125 |
0,110 |
Обязательное
1. Для балок двутаврового
сечения с двумя осями симметрии для определения коэффициента
необходимо вычислить
коэффициент
по формуле
где
- коэффициент, определяемый по табл. 1 и 2 настоящего
приложения в зависимости от характера нагрузки и параметра
.
Для прессованных двутавров
параметр
следует вычислять по
формуле
где
- момент инерции при кручении (здесь bi и ti - соответственно ширина и
толщина прямоугольников, образующих сечение);
lef - расчетная длина балки, определяемая согласно п. 4.13.
При наличии утолщений круглого сечения (бульб)
,
где D - диаметр бульб;
п - число бульб в сечении.
Для сварных и клепаных
двутавровых балок при отсутствии отбортовок, утолщений по краям и значительных
утолщений в углах параметр
следует определять по
формуле
, (3)
где
для сварных и прессованных двутавровых балок
t1,bf - соответственно толщина и ширина пояса балки;
![]()
для клепаных двутавровых балок
t1 - сумма толщин листов пояса и горизонтальной полки поясного уголка;
bf - ширина листов пояса;
h - расстояние между осями пакета поясных листов;
a - сумма высоты вертикальной полки поясного уголка с толщиной пакета горизонтальных листов;
f - сумма толщин стенки и вертикальных поясных уголков.
Коэффициенты для балок двутаврового сечения с двумя осями симметрии
|
Коэффициент |
Коэффициенты |
||||
|
для балок без закрепления в пролете |
при наличии не менее двух промежуточных закреплений верхнего пояса, делящих пролет на равные части, независимо от места приложения нагрузки |
||||
|
при сосредоточенной нагрузке, приложенной к поясу |
при равномерно распределенной нагрузке, приложенной к поясу |
||||
|
верхнему |
нижнему |
верхнему |
нижнему |
||
|
1 |
2 |
3 |
4 |
5 |
6 |
|
0,1 |
0,98 |
2,80 |
0,91 |
2,14 |
1,20 |
|
0,4 |
0,98 |
2,84 |
0,91 |
2,14 |
1,23 |
|
1,0 |
1,05 |
2,87 |
0,95 |
2,17 |
1,26 |
|
4,0 |
1,26 |
3,05 |
1,12 |
2,35 |
1,44 |
|
8,0 |
1,47 |
3,29 |
1,30 |
2,56 |
1,65 |
|
16,0 |
1,89 |
3,75 |
1,68 |
2,94 |
1,96 |
|
24,0 |
2,24 |
4,10 |
2,00 |
3,22 |
2,24 |
|
32,0 |
2,56 |
4,45 |
2,28 |
3,50 |
2,49 |
|
48,0 |
3,15 |
4,97 |
2,73 |
3,99 |
2,91 |
|
64,0 |
3,64 |
5,50 |
3,15 |
4,45 |
3,33 |
|
80,0 |
4,10 |
5,95 |
3,50 |
4,80 |
3,64 |
|
96,0 |
4,48 |
6,30 |
3,89 |
5,15 |
3,96 |
|
128,0 |
5,25 |
7,04 |
4,48 |
5,78 |
4,50 |
|
160,0 |
5,92 |
7,77 |
5,04 |
6,30 |
5,01 |
|
240,0 |
7,35 |
9,17 |
6,30 |
7,56 |
6,09 |
|
320,0 |
8,54 |
10,40 |
7,32 |
8,40 |
7,00 |
|
400,0 |
9,63 |
11,48 |
8,16 |
9,38 |
7,77 |
|
Примечание. При одном закреплении балки в середине пролета необходимо учитывать следующие случаи: при
сосредоточенной силе в середине пролета (независимо от уровня приложения) при
сосредоточенной силе в четверти пролета или равномерно распределенной
нагрузке, приложенной к верхнему поясу, при
сосредоточенной силе в четверти пролета, приложенной к нижнему поясу, при
равномерно распределенной нагрузке по нижнему поясу Здесь
значение |
|||||
Коэффициенты
для консолей двутаврового сечения с двумя осями симметрии
|
Коэффициент |
Коэффициенты |
|
|
верхнему |
нижнему |
|
|
4 |
0,875 |
3,640 |
|
6 |
1,120 |
3,745 |
|
8 |
1,295 |
3,850 |
|
10 |
1,505 |
3,920 |
|
12 |
1,680 |
4,025 |
|
14 |
1,855 |
4,130 |
|
16 |
2,030 |
4,200 |
|
24 |
2,520 |
4,550 |
|
32 |
2,975 |
4,830 |
|
40 |
3,290 |
5,040 |
|
100 |
5,040 |
6,720 |
Значение коэффициента
в формуле (24) норм необходимо принимать:
при
;
при ![]()
для алюминия всех марок, указанных в табл.
1 настоящих норм, за исключением АМг2Н2, АД31Т1 и АД31Т5, и
, но не более 1,0 - для алюминия марок АМг2Н2, АД31Т1 и
АД31Т5.
2. Для балок двутаврового
сечения с одной осью симметрии (с развитым верхним поясом; см. чертеж)
для определения коэффициента
необходимо вычислить
коэффициенты
и
по формулам:
. (6)
В формулах (4)-(6):
- коэффициент, зависящий от
вида нагрузки и принимаемый по табл. 3 настоящего
приложения;
h1, h2 - размеры (см. чертеж);
- относительная координата точки приложения нагрузки со своим знаком
(см. чертеж);
;
здесь
![]()
(I1, I2 - моменты инерции соответственно сжатого и растянутого поясов относительно оси симметрии сечения);
;
It - момент инерции при кручении [см. обозначения к формуле (2) настоящего приложения].
Коэффициент f в формуле (4) настоящего приложения
|
Вид нагрузки |
Чистый изгиб |
Равномерно распределенная нагрузка |
Сосредоточенная сила в середине пролета |
Момент на одном конце балки |
|
Коэффициент |
1,00 |
1,12 |
1,35 |
1,75 |
Поперечное сечение балки с развитым верхним поясом
Значение коэффициента
в формуле (24)
норм необходимо принимать:
при
0,667
;
при
0,667
для алюминия всех
марок, указанных в табл. 1 настоящих норм, за
исключением марок АМг2Н2, АД31Т1 и АД31Т5, для которых
вычисляется по формуле (5) настоящего приложения и принимается не
более 1,0.
3. Устойчивость балок
швеллерного сечения следует проверять так же, как балок двутаврового сечения,
при этом
вычислять по формуле (2) настоящего приложения; найденные
значения умножать на коэффициент 0,7.
Значения Ix, Iy и It в формулах (1) и (2) настоящего приложения следует принимать для швеллера.
Обязательное
Таблица 1
Коэффициенты
для проверки
устойчивости внецентренно сжатых (сжато-изгибаемых) сплошностенчатых стержней в
плоскости действия момента, совпадающей с плоскостью симметрии
|
Условная гибкость |
Коэффициенты |
||||||||||||||||||||
|
0,1 |
0,2 |
0,3 |
0,4 |
0,5 |
0,6 |
0,7 |
0,8 |
1,0 |
1,2 |
1,5 |
2,0 |
2,5 |
3,0 |
4,0 |
5,0 |
6,0 |
7,0 |
8,0 |
9,0 |
10,0 |
|
|
0,5 |
990 |
980 |
973 |
937 |
905 |
880 |
850 |
920 |
767 |
725 |
657 |
567 |
500 |
445 |
360 |
302 |
257 |
225 |
203 |
182 |
165 |
|
1,0 |
947 |
907 |
872 |
837 |
807 |
778 |
752 |
725 |
680 |
637 |
583 |
505 |
445 |
394 |
323 |
272 |
235 |
205 |
186 |
167 |
151 |
|
1,5 |
880 |
832 |
793 |
758 |
726 |
700 |
670 |
647 |
607 |
570 |
518 |
452 |
398 |
355 |
292 |
247 |
215 |
188 |
171 |
153 |
140 |
|
2,0 |
817 |
765 |
723 |
687 |
656 |
627 |
602 |
580 |
540 |
507 |
463 |
405 |
358 |
320 |
265 |
227 |
197 |
175 |
158 |
142 |
130 |
|
2,0 |
817 |
765 |
723 |
687 |
656 |
627 |
602 |
580 |
540 |
507 |
463 |
405 |
358 |
320 |
265 |
227 |
197 |
175 |
158 |
142 |
130 |
|
2,5 |
750 |
695 |
652 |
617 |
587 |
560 |
536 |
515 |
482 |
452 |
413 |
362 |
322 |
290 |
242 |
208 |
182 |
162 |
146 |
132 |
121 |
|
3,0 |
677 |
618 |
578 |
545 |
517 |
495 |
472 |
455 |
425 |
400 |
367 |
323 |
290 |
262 |
220 |
192 |
167 |
150 |
135 |
123 |
114 |
|
3,5 |
593 |
542 |
505 |
475 |
453 |
434 |
415 |
398 |
374 |
355 |
325 |
288 |
260 |
236 |
202 |
175 |
155 |
140 |
126 |
116 |
108 |
|
4,0 |
505 |
436 |
435 |
412 |
393 |
378 |
362 |
350 |
327 |
312 |
288 |
257 |
233 |
214 |
184 |
159 |
144 |
130 |
117 |
109 |
101 |
|
4,5 |
425 |
395 |
374 |
356 |
342 |
328 |
315 |
306 |
288 |
275 |
255 |
230 |
210 |
193 |
167 |
146 |
132 |
121 |
110 |
102 |
095 |
|
5,0 |
358 |
338 |
320 |
307 |
295 |
285 |
275 |
268 |
253 |
242 |
227 |
205 |
190 |
175 |
152 |
135 |
123 |
113 |
103 |
096 |
090 |
|
5,5 |
303 |
287 |
276 |
265 |
257 |
248 |
242 |
235 |
225 |
215 |
202 |
185 |
172 |
160 |
140 |
125 |
115 |
105 |
097 |
090 |
085 |
|
6,0 |
257 |
246 |
238 |
230 |
223 |
218 |
213 |
208 |
198 |
192 |
180 |
166 |
155 |
145 |
128 |
115 |
106 |
097 |
090 |
085 |
080 |
|
6,5 |
222 |
212 |
207 |
202 |
197 |
191 |
187 |
183 |
175 |
170 |
161 |
148 |
141 |
132 |
117 |
107 |
097 |
090 |
085 |
080 |
075 |
|
7,0 |
192 |
187 |
181 |
177 |
172 |
168 |
165 |
161 |
155 |
150 |
145 |
135 |
128 |
120 |
108 |
098 |
090 |
085 |
080 |
075 |
070 |
|
8,0 |
148 |
145 |
142 |
139 |
137 |
134 |
132 |
129 |
126 |
123 |
120 |
112 |
107 |
100 |
091 |
085 |
080 |
077 |
072 |
067 |
062 |
|
9,0 |
120 |
117 |
115 |
113 |
111 |
110 |
108 |
107 |
105 |
102 |
100 |
094 |
090 |
086 |
080 |
076 |
072 |
067 |
063 |
059 |
055 |
|
10,0 |
097 |
095 |
093 |
092 |
091 |
090 |
088 |
087 |
085 |
084 |
082 |
080 |
077 |
075 |
070 |
067 |
062 |
060 |
056 |
052 |
048 |
|
Примечания: 1. Значения коэффициентов 2. Значения
|
|||||||||||||||||||||
Коэффициенты
для проверки
устойчивости внецентренно сжатых (сжато-изгибаемых) сквозных стержней в
плоскости действия момента, совпадающей с плоскостью симметрии
|
Условная гибкость |
Коэффициенты |
||||||||||||||||||||
|
0,1 |
0,2 |
0,3 |
0,4 |
0,5 |
0,6 |
0,7 |
0,8 |
1,0 |
1,2 |
1,5 |
2,0 |
2,5 |
3,0 |
4,0 |
5,0 |
6,0 |
7,0 |
8,0 |
9,0 |
10,0 |
|
|
0,5 |
950 |
888 |
825 |
755 |
718 |
660 |
635 |
605 |
540 |
495 |
436 |
370 |
320 |
282 |
232 |
196 |
170 |
157 |
143 |
122 |
110 |
|
1,0 |
882 |
810 |
756 |
693 |
660 |
609 |
582 |
548 |
496 |
453 |
405 |
342 |
296 |
262 |
213 |
182 |
155 |
145 |
130 |
113 |
096 |
|
1,5 |
872 |
753 |
694 |
643 |
607 |
568 |
534 |
507 |
458 |
420 |
375 |
318 |
275 |
243 |
198 |
170 |
144 |
134 |
130 |
105 |
090 |
|
2,0 |
773 |
700 |
640 |
593 |
558 |
523 |
492 |
468 |
423 |
390 |
347 |
294 |
257 |
227 |
185 |
159 |
135 |
125 |
112 |
100 |
084 |
|
2,5 |
712 |
637 |
585 |
543 |
508 |
477 |
450 |
427 |
390 |
358 |
320 |
273 |
240 |
213 |
173 |
150 |
127 |
117 |
105 |
095 |
079 |
|
3,0 |
640 |
575 |
530 |
488 |
458 |
430 |
408 |
387 |
355 |
327 |
294 |
253 |
222 |
197 |
197 |
142 |
121 |
111 |
100 |
092 |
075 |
|
3,5 |
565 |
507 |
467 |
432 |
410 |
385 |
365 |
350 |
321 |
297 |
270 |
232 |
206 |
185 |
155 |
133 |
115 |
106 |
095 |
087 |
072 |
|
4,0 |
490 |
442 |
410 |
382 |
363 |
343 |
327 |
313 |
290 |
269 |
247 |
213 |
190 |
172 |
145 |
125 |
110 |
100 |
090 |
083 |
070 |
|
4,5 |
418 |
382 |
357 |
335 |
320 |
304 |
290 |
280 |
260 |
243 |
223 |
195 |
177 |
160 |
135 |
117 |
105 |
094 |
086 |
080 |
067 |
|
5,0 |
353 |
328 |
309 |
293 |
280 |
268 |
257 |
249 |
233 |
219 |
202 |
178 |
162 |
148 |
127 |
110 |
098 |
089 |
082 |
076 |
064 |
|
5,5 |
300 |
282 |
267 |
255 |
245 |
237 |
228 |
222 |
208 |
197 |
183 |
163 |
150 |
137 |
120 |
105 |
094 |
084 |
077 |
072 |
062 |
|
6,0 |
256 |
242 |
233 |
223 |
216 |
210 |
202 |
197 |
187 |
178 |
166 |
150 |
138 |
128 |
112 |
098 |
090 |
080 |
073 |
068 |
060 |
|
6,5 |
220 |
210 |
205 |
197 |
190 |
185 |
182 |
175 |
167 |
160 |
150 |
136 |
127 |
118 |
103 |
094 |
085 |
076 |
070 |
065 |
058 |
|
7,0 |
192 |
186 |
180 |
173 |
169 |
165 |
162 |
157 |
150 |
145 |
136 |
125 |
117 |
108 |
096 |
090 |
081 |
072 |
067 |
062 |
056 |
|
8,0 |
150 |
145 |
142 |
139 |
135 |
133 |
130 |
127 |
122 |
120 |
112 |
105 |
100 |
092 |
086 |
082 |
072 |
065 |
060 |
056 |
052 |
|
9,0 |
120 |
117 |
115 |
112 |
110 |
108 |
107 |
105 |
101 |
098 |
095 |
090 |
087 |
081 |
077 |
072 |
065 |
058 |
055 |
050 |
048 |
|
10,0 |
097 |
096 |
095 |
093 |
092 |
091 |
090 |
087 |
085 |
083 |
082 |
080 |
076 |
071 |
068 |
064 |
057 |
052 |
048 |
044 |
044 |
|
Примечания: 1. Значения коэффициентов 2. Значения
|
|||||||||||||||||||||
Коэффициенты влияния формы сечения ![]()
|
Тип сечения |
Схема сечения |
Отношение |
Коэффициенты |
||||
|
|
|
||||||
|
|
|
|
|
||||
|
1 |
|
- |
1,0 |
1,0 |
1,0 |
||
|
2 |
|
- |
0,85 |
0,85 |
0,85 |
||
|
3 |
|
- |
|
|
0,85 |
||
|
4 |
|
- |
|
1,1 |
1,1 |
||
|
5 |
|
0,25 0,5 1,0 |
|
1,2 1,25 1,4-0,02 |
1,2 1,25 1,3 |
||
|
6 |
|
- |
|
|
|
||
|
7 |
|
- |
|
|
|
||
|
8 |
|
0,25 0,5 1,0 |
|
1,0 1,0 1,0 |
1,0 1,0 1,0 |
||
|
9 |
|
0,5 1,0 |
|
1,0 1,0 |
1,0 1,0 |
||
|
10 |
|
0,5 1,0 2,0 |
1,4
|
1,4 1,6 1,8 |
1,4
|
1,4 1,6 1,8 |
|
|
11 |
|
0,5 1,0 1,5 2,0 |
|
1,65 2,4 - - |
- - |
1,65 2,4 - - |
|
|
Примечания: 1. Для сечений типов 5-7 при подсчете отношения 2. Для
сечений типов 6 и 7 значения |
|||||||
Приведенные относительные эксцентриситеты mef для стержней с шарнирно-опертыми концами
|
Отношение |
|
Приведенные
относительные эксцентриситеты mef при mef1 = h |
||||||||||
|
0,1 |
0,5 |
1,0 |
1,5 |
2,0 |
3,0 |
4,0 |
5,0 |
7,0 |
10,0 |
20,0 |
||
|
|
1 |
0,10 |
0,30 |
0,68 |
1,12 |
1,60 |
2,62 |
3,55 |
4,55 |
6,50 |
9,40 |
19,40 |
|
2 |
0,10 |
0,17 |
0,39 |
0,68 |
1,03 |
1,80 |
2,75 |
3,72 |
5,65 |
8,60 |
18,50 |
|
|
3 |
0,10 |
0,10 |
0,22 |
0,36 |
0,55 |
1,17 |
1,95 |
2,77 |
4,60 |
7,40 |
17,20 |
|
|
4 |
0,10 |
0,10 |
0,10 |
0,18 |
0,30 |
0,57 |
1,03 |
1,78 |
3,35 |
5,90 |
15,40 |
|
|
5 |
0,10 |
0,10 |
0,10 |
0,10 |
0,15 |
0,23 |
0,48 |
0,95 |
2,18 |
4,40 |
13,40 |
|
|
6 |
0,10 |
0,10 |
0,10 |
0,10 |
0,10 |
0,15 |
0,18 |
0,40 |
1,25 |
3,00 |
11,40 |
|
|
7 |
0,10 |
0,10 |
0,10 |
0,10 |
0,10 |
0,10 |
0,10 |
0,10 |
0,50 |
1,70 |
9,50 |
|
|
|
1 |
0,10 |
0,31 |
0,68 |
1,12 |
1,60 |
2,62 |
3,55 |
4,55 |
6,50 |
9,40 |
19,40 |
|
2 |
0,10 |
0,22 |
0,46 |
0,73 |
1,05 |
1,88 |
2,75 |
3,72 |
5,65 |
8,60 |
18,50 |
|
|
3 |
0,10 |
0,17 |
0,38 |
0,58 |
0,80 |
1,33 |
2,00 |
2,77 |
4,60 |
7,40 |
17,20 |
|
|
4 |
0,10 |
0,14 |
0,32 |
0,49 |
0,66 |
1,05 |
1,52 |
2,22 |
3,50 |
5,90 |
15,40 |
|
|
5 |
0,10 |
0,10 |
0,26 |
0,41 |
0,57 |
0,95 |
1,38 |
1,80 |
2,95 |
4,70 |
13,40 |
|
|
6 |
0,10 |
0,16 |
0,28 |
0,40 |
0,52 |
0,95 |
1,25 |
1,60 |
2,50 |
4,00 |
11,50 |
|
|
7 |
0,10 |
0,22 |
0,32 |
0,42 |
0,55 |
0,95 |
1,10 |
1,35 |
2,20 |
3,50 |
10,80 |
|
|
|
1 |
0,10 |
0,32 |
0,70 |
1,12 |
1,60 |
2,62 |
3,55 |
4,65 |
6,50 |
9,40 |
19,40 |
|
2 |
0,10 |
0,28 |
0,60 |
0,90 |
1,28 |
1,96 |
2,75 |
3,72 |
5,65 |
8,40 |
18,50 |
|
|
3 |
0,10 |
0,27 |
0,55 |
0,84 |
1,15 |
1,75 |
2,43 |
3,17 |
4,80 |
7,40 |
17,20 |
|
|
4 |
0,10 |
0,26 |
0,52 |
0,78 |
1,10 |
1,60 |
2,20 |
2,83 |
4,00 |
6,30 |
15,40 |
|
|
5 |
0,10 |
0,25 |
0,52 |
0,78 |
1,10 |
1,55 |
2,10 |
2,78 |
3,85 |
5,90 |
14,50 |
|
|
6 |
0,10 |
0,28 |
0,52 |
0,78 |
1,10 |
1,55 |
2,00 |
2,70 |
3,80 |
5,60 |
13,80 |
|
|
7 |
0,10 |
0,32 |
0,52 |
0,78 |
1,10 |
1,55 |
1,90 |
2,60 |
3,75 |
5,50 |
13,00 |
|
|
|
1 |
0,10 |
0,40 |
0,80 |
1,23 |
1,68 |
2,62 |
3,55 |
4,55 |
6,50 |
9,40 |
19,40 |
|
2 |
0,10 |
0,40 |
0,78 |
1,20 |
1,60 |
2,30 |
3,15 |
4,10 |
5,85 |
8,60 |
18,50 |
|
|
3 |
0,10 |
0,40 |
0,77 |
1,17 |
1,55 |
2,30 |
3,10 |
3,90 |
5,55 |
8,13 |
18,00 |
|
|
4 |
0,10 |
0,40 |
0,75 |
1,13 |
1,55 |
2,30 |
3,05 |
3,80 |
5,30 |
7,60 |
17,50 |
|
|
5 |
0,10 |
0,40 |
0,75 |
1,10 |
1,55 |
2,30 |
3,00 |
3,80 |
5,30 |
7,60 |
17,00 |
|
|
6 |
0,10 |
0,40 |
0,75 |
1,10 |
1,50 |
2,30 |
3,00 |
3,80 |
5,30 |
7,60 |
16,50 |
|
|
7 |
0,10 |
0,40 |
0,75 |
1,10 |
1,40 |
2,30 |
3,00 |
3,20 |
5,30 |
7,60 |
16,00 |
|
Обязательное
1. При сосредоточенной
нагрузке на верхнем поясе балки в местах, не укрепленных ребрами, местное
напряжение в стенке под грузом
следует определять по
формуле
где F - расчетное значение сосредоточенной нагрузки (силы);
t - толщина стенки;
- условная длина распределения сосредоточенной нагрузки;
с - коэффициент, принимаемый равным 3,25 для сварных балок и 3,75 для балок клепаных и на высокопрочных болтах;
If - момент инерции пояса балки относительно собственной оси.
2. В отсеках, где местная
нагрузка приложена к растянутому поясу, одновременно учитываются только два
компонента -
и
или
и
.
3. Расчет на устойчивость
стенок балок симметричного сечения, укрепленных только поперечными основными
ребрами жесткости, при наличии местного напряжения (
) следует выполнять:
а) при
- по формуле
где
- значения, определяемые
согласно указаниям п. 6.2;
-
значения, определяемые по формулам (46) и (47);
- критическое напряжение смятия стенки под нагрузкой, определяемое по
формуле
(здесь c1 - коэффициент, принимаемый по табл. 1 настоящего приложения;
);
- значения, определяемые согласно указаниям п. 6.5;
б) при
- по формуле (2) настоящего приложения два раза: при
первой проверке
следует определять по
формуле
, (4)
где c2 - коэффициент, принимаемый по табл. 2 настоящего приложения;
при второй проверке
следует определять по формуле (46), а
- по формуле (3) настоящего
приложения, но с подстановкой в формулу (3) и в табл. 1 величины
вместо а.
4. В стенке, укрепленной продольным ребром жесткости, расположенным на расстоянии h1 от сжатой кромки отсека, обе пластинки, на которые ребро разделяет отсек, следует проверять отдельно:
первую пластинку, расположенную между сжатым поясом и ребром, - по формуле
где
, (6)
здесь
;
- параметр, равный:
при
; 2 при
;
- значения, определяемые по формуле (47);
- значения, определяемые согласно
указаниям п.
6.5;
вторую пластинку, расположенную между растянутым поясом и ребром, - по формуле
,
где
- значения, определяемые соответственно по формулам (53) и (47);
![]()
- значения, определяемые по формуле (3) и табл. 1
настоящего приложения, принимая
вместо
.
Если первая пластинка укреплена дополнительно короткими поперечными ребрами, то их следует доводить до продольного ребра. При этом для проверки первой пластинки необходимо применять формулы (5) и (7) настоящего приложения, в которых а заменяется величиной а1, (где a1 - расстояние между осями соседних коротких ребер).
Проверка второй пластинки в этом случае остается без изменения.
Коэффициент с1
|
Отношение |
0,5 |
0,8 |
1,0 |
1,2 |
1,4 |
1,6 |
1,8 |
2,0 |
|
Коэффициент с1 |
11,28 |
14,52 |
17,77 |
21,86 |
26,80 |
32,30 |
38,35 |
45,00 |
|
обозначения, принятые в табл.1.- см. п. 6.2. |
||||||||
Коэффициент c2
|
Отношение |
1,0 |
1,2 |
1,4 |
1,6 |
1,8 |
2,0 |
2,2 |
2,4 |
2,6 |
|
Коэффициент с2 |
33,70 |
38,77 |
45,26 |
53,16 |
62,18 |
72,20 |
83,75 |
96,16 |
109,56 |
|
Обозначения, принятые в табл. 2. - см. п. 6.2. |
|||||||||
Рекомендуемое
Наклонные грани листов с
трапециевидным гофром (см. черт. 13) в местах опирания
на прогоны или ригели рекомендуется проверять на местную устойчивость по формуле (2) обязательного приложения 5 с заменой
коэффициента
=0,9 на
=0,7. При этом
значения напряжения
и критических
напряжений
следует определять по формулам:
; (1)
; (2)
; (3)
; (4)
, (5)
где
- нормальные напряжения
соответственно у верхней и нижней границ наклонной грани листа, взятые со
своими знаками;
b - размер наклонной грани, принимаемый по черт. 13;
Q - поперечная сила в проверяемом сечении волны листа.
Кроме наклонных граней
необходимо проверять на устойчивость горизонтальные сжатые грани
профилированного листа, при этом местные напряжения
следует определять с
учетом ослабления сечения по формуле
, (6)
где F - опорная реакция, приходящаяся на одну волну листа;
bf - ширина полки прогона или ригеля;
r - радиус сочленения наклонной и горизонтальной граней листа;
- угол наклона грани (см. черт. 13).
Рекомендуемое
|
Толщина элементов, мм |
Расчетная несущая способность точки на срез, Н (кгс) |
Толщина элементов, мм |
Расчетная несущая способность точки на срез, Н (кгс) |
|
1 |
2 |
1 |
2 |
|
Контактная сварка (алюминий марок АМг2Н2 и АМг2М) |
Аргонодуговая точечная сварка плавящимся электродом (алюминий марки АМг2Н2; сварочная проволока марки СвАМгЗ или 1557) |
||
|
1 |
800(80) |
1+1 |
1950(200) |
|
1,5 |
1250(130) |
1+2 |
2350 (240) |
|
2 |
1950 (200) |
1,5+1,5 |
2950 (300) |
|
|
|
2+2 |
3350(340) |
|
Примечания: 1. Для контактной сварки указана толщина наиболее тонкого элемента; для дуговой точечной сварки в гр.1 первая цифра - толщина верхнего элемента. 2. Сварные точки следует выполнять в соответствии с „Руководством по аргонодуговой сварке соединений элементов алюминиевых строительных конструкций"/ЦНИИСК им. Кучеренко Госстроя СССР. М., Стройиздат, 1984. |
|||
Обязательное
А - площадь сечения брутто;
An - площадь сечения нетто;
Е - модуль упругости;
F - сила;
G - модуль сдвига;
Im, Id - моменты инерции сечений пояса и раскоса фермы;
Is - момент инерции сечения ребер;
1t - момент инерции кручения балки;
Ix, Iy - моменты инерции сечения брутто относительно осей соответственно х - х и y-y;
Ixn, I yn - моменты инерции сечения нетто относительно осей соответственно х - х и y - y;
M - момент, изгибающий момент;
Мx, My - моменты относительно осей соответственно х - х и у - у;
N - продольная сила;
Q - поперечная сила;
Qfic - условная поперечная сила для соединительных элементов;
R - расчетное сопротивление алюминия растяжению, сжатию, изгибу;
Rbp - расчетное сопротивление смятию болтовых соединений;
Rbs - расчетное сопротивление срезу болтов;
Rbt - расчетное сопротивление растяжению болтов;
Rp - расчетное сопротивление алюминия смятию торцевой поверхности (при наличии пригонки);
Rs - расчетное сопротивление алюминия сдвигу;
Rth - расчетное сопротивление растяжению алюминия в направлении толщины прессованного полуфабриката;
Rw - расчетное сопротивление стыковых сварных соединений растяжению, сжатию и изгибу;
Rws - расчетное сопротивление стыковых сварных соединений сдвигу;
Rwf - расчетное сопротивление угловых швов срезу по металлу шва;
Rwsm - расчетное сопротивление соединений, выполненных контактной роликовой сваркой;
Rwz - расчетное сопротивление алюминия в околошовной зоне;
S - статический момент сдвигаемой части сечения брутто относительно нейтральной оси;
Wx,Wy - моменты сопротивления сечения брутто относительно осей соответственно х - х и у - у.
Wxn - моменты сопротивления сечения нетто;
Wyn - относительно осей соответственно х - х и y-y;
b - ширина;
е - эксцентриситет силы;
h - высота;
hef - расчетная высота стенки;
i - радиус инерции сечения;
imin - наименьший радиус инерции сечения;
ix, iy - радиусы инерции сечения относительно осей соответственно х-х и у -у ;
kf - катет углового шва;
l - длина, пролет, расстояние;
lc - длина стойки;
lef - расчетная, условная длина;
ld - длина раскоса;
lw - длина сварного шва;
lm - длина панели пояса фермы или колонны;
lx,ly - расчетные длины элемента в плоскостях, перпендикулярных осям соответственно х-х и у-у;
m -
относительный эксцентриситеты
;
mef - приведенный относительный эксцентриситет (
)
- коэффициент влияния формы сечения;
r - радиус;
t - толщина;
tw - толщина стенки;
- коэффициент условий работы;
- коэффициент надежности по назначению;
- коэффициент надежности по материалу;
- коэффициент надежности в расчетах по временному сопротивлению;
- гибкость (
);
- условная гибкость (
);
- приведенная гибкость стержня сквозного сечения;
- условная приведенная гибкость стержня сквозного сечения (
);
- условная гибкость стенки (
);
- гибкости элемента в плоскостях, перпендикулярных осям соответственно x
- x и у-у;
v - коэффициент поперечной деформации алюминия (Пуассона);
- местное напряжение;
- нормальные напряжения, параллельные осям соответственно x-x и у- у;
- касательные напряжения по осям соответственно х -х или у -у;
- коэффициенты продольного изгиба соответственно относительно осей х - х или y - y;
- коэффициент устойчивости при внецентренном сжатии;
- коэффициент устойчивости при изгибе балок.
СОДЕРЖАНИЕ