Нормативные документы размещены исключительно с целью ознакомления учащихся ВУЗов, техникумов и училищ.
Объявления:

ГОСУДАРСТВЕННЫЕ СТАНДАРТЫ СОЮЗА ССР

СВАИ ЗАБИВНЫЕ ЖЕЛЕЗОБЕТОННЫЕ

СВАИ ПОЛЫЕ КРУГЛОГО СЕЧЕНИЯ И СВАИ-ОБОЛОЧКИ ЖЕЛЕЗОБЕТОННЫЕ СОСТАВНЫЕ С НЕНАПРЯГАЕМОЙ АРМАТУРОЙ

Конструкция и размеры

ГОСТ 19804.6-83

ИЗДАТЕЛЬСТВО СТАНДАРТОВ

Москва

ГОСУДАРСТВЕННЫЙ СТАНДАРТ СОЮЗА ССР

СВАИ ПОЛЫЕ КРУГЛОГО СЕЧЕНИЯ И СВАИ-ОБОЛОЧКИ ЖЕЛЕЗОБЕТОННЫЕ СОСТАВНЫЕ С НЕНАПРЯГАЕМОЙ АРМАТУРОЙ

Конструкция и размеры

Reinforced-concrete round hole built-up piles and tubular piles.
Structure and dimensions

ГОСТ
19804.6-83

Постановлением Государственного комитета СССР по делам строительства от 2 февраля 1983 г. № 21 срок введения установлен

с 01.01.84

Переиздание. Май 1995 г.

1. Настоящий стандарт распространяется на железобетонные составные полые сваи круглого сечения (в дальнейшем - сваи) диаметром от 400 до 800 мм, сваи-оболочки диаметром от 1000 до 1600 мм с ненапрягаемой продольной арматурой, с болтовыми и сварными стыками и устанавливает конструкцию свай, свай-оболочек и их секций, а также конструкцию арматурных и закладных изделий к ним.

Сваи и сваи-оболочки и их секции должны удовлетворять всем требованиям ГОСТ 19804-91 и требованиям, изложенным в соответствующих разделах настоящего стандарта.

Условия расчета и применения свай и свай-оболочек даны в приложении.

Марки свай и их секций имеют в обозначении буквы СК, марки свай-оболочек и их секций - СО или СОУ (усиленные). Марки свай и свай-оболочек и их секций с болтовыми стыками имеют в конце цифрового обозначения букву «б», со сварными стыками - буквы «св», например: СК6-40б, СО6-100св. Марки свай и их секций с наконечником имеют в конце цифрового обозначения букву «н», например, СК10-80свн.

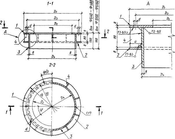
2. Конструкция и размеры секций свай и свай-оболочек

2.1. Секции свай изготовляют с закрытым нижним концом (с наконечником) или с открытым нижним концом. Секции свай-оболочек изготовляют с открытым нижним концом.

Концы секций, образующих стык в свае или свае-оболочке, изготовляют с элементами, предназначенными для выполнения болтового или сварного стыка.

2.2. Форма, марки, номинальные размеры секций и их технические показатели (марка бетона по прочности на сжатие и расход материалов), а также места строповки должны соответствовать указанным на черт. 1, 2 и в табл. 1.

Секции свай без наконечника или сваи-оболочки

1 - место строповки при выемке из опалубки и транспортировании (одинарная полоса); 2 - место строповки при подъёме на копер (двойная полоса); 3 - элемент стыка

Черт. 1

Секции свай с наконечником

1 - место строповки при выемке из опалубки и транспортировании (одинарная полоса); 2 - место строповки при подъеме на копер (двойная полоса); 3 - элемент стыка

Черт. 2

2.3. В качестве крупного и мелкого заполнителей для бетона секций следует применять фракционированный щебень из естественного камня с размерами фракций 10-20 мм и природный обогащенный песок, отвечающие требованиям ГОСТ 26633-91. Применение гравия в качестве крупного заполнителя не допускается.

2.4. Секции следует армировать пространственными каркасами из стали следующих видов и классов:

- продольная арматура - горячекатаная арматурная сталь класса A-III по ГОСТ 5781-82 или класса Ат-III по ГОСТ 10884-81 (только для стержней диаметром 10 мм и более);

- поперечная арматура (спираль) - арматурная проволока класса Вр-I или B-I по ГОСТ 6727-80, арматура наконечника - горячекатаная арматурная сталь класс A-I по ГОСТ 5781-82.

Для изготовления наконечника и стыковых элементов секций следует применять листовую сталь толщиной 1 мм по ГОСТ 19903-74.

2.5. Арматурные каркасы следует изготовлять на навивочно-сварочных станках. Спираль следует приваривать к продольным стержням в каждом третьем пересечении или в каждом пересечении через два витка на третий.

На расстоянии 0,5 м от концов каркаса спираль должна быть приварена в каждом пересечении к продольным стержням.

Допускается изготовлять арматурные каркасы на специализированных стендах с обязательной контактной точечной сваркой пересечений продольной и поперечной арматуры.

2.6. Армирование секций с элементами болтовых стыков должно соответствовать указанному на черт. 3 и 4.

Спецификация арматурных изделий и элементов болтовых стыков на одну секцию приведена в табл. 2, выборка стали - в табл. 3.

2.7. Форма и размеры арматурных каркасов секций с элементами болтовых стыков должны соответствовать указанным на черт. 5 и 6.

Ведомость стержней на один каркас приведена в табл. 4, выборка стали - в табл. 5.

2.8. Армирование секций с элементами сварных стыков должно соответствовать указанному на черт. 7 и 8.

Спецификация арматурных изделий и элементов сварных стыков на одну секцию приведена в табл. 6, выборка стали - в табл. 7.

2.9. Форма и размеры арматурных каркасов секций с элементами сварных стыков должны соответствовать указанным на черт. 9-12.

Ведомость стержней на один каркас приведена в табл. 8, выборка стали - в табл. 9.

2.10. Форма, марки, номинальные размеры наконечников и их арматурных каркасов, а также технические показатели наконечников (марка бетона по прочности на сжатие и расход материалов) должны соответствовать указанным на черт. 13, 14 и в табл. 10.

Ведомость стержней и закладных изделий на один каркас наконечника приведена в табл. 11, выборка стали на один каркас наконечника - в табл. 12.

Арматурные выпуски наконечника следует соединить с продольной арматурой каркаса секции точечной сваркой по ГОСТ 14098-91 или вязальной проволокой до установки в опалубку. Наконечник следует устанавливать по шаблону.

2.11. Концы секций с элементами сварных стыков должны быть усилены спиралями из проволоки класса Вр-I или B-I по ГОСТ 6727-80.

Ведомость стержней и выборка стали на одну спираль головы приведены в табл. 13.

Таблица 1

Номенклатура секций свай и свай-оболочек

Марка секции сваи и сваи-оболочки

Номинальные размеры, мм

Проектная марка бетона по прочности на сжатие

Объем бетона, м3

Масса секции, т

Расход стали на секцию, кг

L

l1

l2

D

d

d

l

CК6-40б

6000

-

-

400

240

80

-

М300

0,47

1,18

71,2

СК8-40б

СК8-40бн

8000

1650

2400

-

400

0,63

0,66

1,58

1,65

80,0

63,7

СК10-40б

СК10-40бн

10000

2100

2900

-

400

0,80

0,82

2,00

2,05

90,5

73,3

СК12-40б

СК12-40бн

12000

2500

3500

-

400

0,96

0,98

2,40

2,45

100,1

82,9

СК14-40б

СК14-40бн

14000

2900

4100

-

400

1,12

1,14

2,80

2,85

151,5

134,7

СК16-40б

СК16-40бн

16000

3300

4700

-

400

1,28

1,30

3,20

3,25

167,3

150,4

СК18-40б

СК18-40бн

18000

3700

5300

-

400

1,44

1,46

3,60

3,65

183,0

166,0

СК6-50б

6000

-

-

500

340

-

0,62

1,55

85,2

СК8-50б

СК8-50бн

8000

1650

2400

-

500

0,83

0,87

2,08

2,18

95,7

74,1

СК10-50б

СК10-50бн

10000

2100

2900

-

500

1,04

1,08

2,60

2,70

106,4

84,6

СК12-50б

СК12-50бн

12000

2500

3600

-

500

1,26

1,29

3,15

3,23

117,0

95,2

СК14-50б

СК14-50бн

14000

2900

4100

-

500

1,47

1,50

3,67

3,75

169,4

148,0

СК16-50б

СК16-50бн

16000

3300

4700

-

500

1,68

1,72

4,20

4,30

186,1

164,6

СК18-506

СК18-50бн

18000

3700

5300

-

500

1,89

1,93

4,72

4,83

202,7

181,2

СК6-60б

6000

-

-

600

400

100

-

0,93

2,32

107,1

СК8-60б

СК8-60бн

8000

1650

2400

-

600

1,24,

1,30

3,10

3,25

120,0

91,8

СК10-60б

СК10-60бн

10000

2100

2900

-

600

1,55

1,62

3,88

4,05

133,0

104,7

СК12-60б

СК12-60бн

12000

2500

3500

-

600

1,87

1,93

4,68

4,83

145,9

117,7

СК14-60б

СК14-60бн

14000

2900

4100

-

600

2,18

2,25

5,45

5,63

203,0

175,0

СК16-60б

СК16-60бн

16000

3300

4700

-

600

2,50

2,56

6,25

6,40

222,3

194,5

СК18-60б

СК18-60бн

18000

3700

5300

-

600

2,81

2,87

7,03

7,18

241,6

213,8

СК6-80б

6000

-

-

800

600

-

М400

1,30

3,25

189,2

СК8-80б

СК8-80бн

8000

-

800

1,74

1,88

4,35

4,70

218,4

175,8

СК10-80б

СК10-80бн

10000

-

800

2,18

2,32

5,45

5,80

247,6

205,0

СК12-80б

СК12-80бн

12000

-

800

2,62

2,76

6,55

6,90

276,9

234,4

СО6-100б

6000

1000

760

120

-

1,96

4,90

305,1

СО8-100б

8000

2,62

6,55

361,7

СО10-100б

10000

3,28

8,20

418,4

СО12-100б

12000

1000

760

-

3,95

9,88

475,0

СО6-120б

6000

1200

960

-

2,40

6,00

340,4

СО8-120б

8000

3,22

8,05

398,9

СО10-120б

10000

4,03

10,08

457,5

СО12-120б

12000

4,84

12,10

516,0

СО6-160б

6000

1600

1360

-

3,29

8,23

417,2

СО8-160б

8000

4,41

11,03

481,4

СО10-160б

10000

5,52

13,80

545,6

СО12-160б

12000

6,64

16,60

609,8

СК6-40св

6000

400

240

80

-

М300

0,48

l,20

82,7

СК8-40св

CК8-40свн

8000

-

400

0,64

0,66

1,60

1,65

100,3

89,3

СК10-40св

CК10-40свн

10000

-

400

0,80

0,82

2,00

2,05

118,0

107,0

СК12-40св

CК12-40свн

12000

-

400

0,96

0,98

2,40

2,45

135,6

124,6

СК14-40св

CК14-40свн

14000

2900

4100

-

400

1,12

1,14

2,80

2,85

153,2

142,2

СК16-40св

CК16-40свн

16000

3300

4700

-

400

1,28

1,30

3,20

3,25

170,7

159,8

СК18-40св

CК18-40свн

18000

3700

5300

-

400

1,45

1,46

3,60

3,65

188,3

177,4

CК6-50cв

6000

-

-

500

340

-

0,63

1,58

44,3

СК8-50св

CК8-50свн

8000

-

500

0,84

0,88

2,10

2,20

112,8

98,6

СК10-50св

CК10-50свн

10000

-

500

1,05

1,09

2,63

2,73

131,5

117,2

СК12-50св

CК12-50свн

12000

-

500

1,26

1,30

3,15

3,25

150,0

135,7

СК14-50св

CК14-50свн

14000

2900

4100

-

500

1,47

1,51

3,68

3,78

168,6

154,3

СК16-50св

CК16-50свн

16000

3300

4700

-

500

l,69

1,72

4,23

4,30

187,1

172,9

СК18-50св

CК18-50свн

18000

3700

5300

-

500

l,90

1,93

4,75

4,83

205,7

191,4

СК6-60св

6000

-

-

600

400

100

-

0,94

2,35

112,1

СК8-60св

CК8-60свн

8000

-

600

1,25

1,31

3,13

3,28

135,0

119,4

СК10-60св

CК10-60свн

10000

-

600

1,57

1,62

3,93

4,05

1,57,8

142,2

СК12-60св

CК12-60свн

12000

-

600

1,88

1,94

4,70

4,85

180,8

165,1

СК14-60св

CК14-60свн

14000

2900

4100

-

600

2,19

2,25

5,48

5,63

203,7

187,9

СК16-60св

CК16-60свн

16000

3300

4700

-

600

2,51

2,57

6,28

6,43

226,5

210,4

СК18-60св

CК18-60свн

18000

3700

5300

-

600

2,82

2,88

7,05

7,20

244,4

233,8

СК6-80св

6000

-

-

800

600

-

М400

1,31

3,28

151,5

СК8-80св

CК8-80свн

8000

-

800

1,75

1,89

4,38

4,73

179,9

155,1

СК10-80св

CК10-80свн

10000

-

800

2,19

2,33

5,48

5,83

208,2

183,5

СК12-80св

CК12-80свн

12000

-

800

2,63

2,77

6,58

6,93

236,5

211,9

СО6-100св

6000

1000

760

120

-

1,98

4,95

262,5

СО8-100св

8000

2,64

6,60

319,5

СО10-100св

10000

3,31

8,28

376,6

СО12-100св

12000

3,97

9,93

438,7

СО6-120св

СОУ6-120св

6000

12000

960

2,43

2,43

6,08

6,08

295,1

419,4

СО8-120св

СОУ8-120св

8000

3,24

3,24

8,10

8,10

359,0

518,4

СО10-120св

СОУ10-120св

10000

4,06

4,06

10,15

10,15

418,0

617,5

СО12-120св

СОУ12-120св

12000

4,87

4,87

12,18

12,18

477,0

716,4

СО6-160св

СОУ6-160св

6000

16000

1360

3,33

3,33

8,33

8,33

376,6

669,9

СО8-160св

СОУ8-160св

8000

4,44

4,44

11,10

11,10

440,8

832,5

СО10-160св

СОУ10-160св

10000

5,56

5,56

13,90

13,90

505,5,

995,2

СО12-160св

СОУ12-160св

12000

6,67

6,67

16,68

16,68

569,3

1157,7

Армирование секций свай и свай-оболочек с элементами болтовых стыков

Черт. 3

2.12. Форма, марки, номинальные размеры элементов болтовых стыков должны соответствовать указанным на черт. 15 и в табл. 14.

2.13. Форма, марки, номинальные размеры элементов сварных стыков должны соответствовать указанным на черт. 16 и в табл. 15.

Армирование секций свай с элементами болтовых стыков и с наконечником

Черт. 4

Арматурный каркас К6- 40б¸К12-160б

Черт. 5

Арматурный каркас К8-40бн¸К12-80бн

Черт. 6

Таблица 2

Спецификация арматурных изделий на секцию сваи и сваи-оболочки с элементами болтовых стыков

Марка секции сваи и сваи-оболочки

Арматурный каркас (1 шт.)

Элемент стыка

Каркас наконечника (1 шт.)

Марка

Кол.

СК6-40б

К6-40б

Фб40

2

-

СК8-40б

К8-40б

2

-

СК8-40бн

К8-40бн

1

КН40

СК10-40б

К10-40б

2

-

СК10-40бн

К10-40бн

1

КН40

СК12-40б

К12-40б

2

-

СК12-40бн

К12-40бн

1

КН40

СК14-40б

К14-40б

2

-

СК14-40бн

К14-40бн

1

КН40

СК16-40б

К16-40б

2

-

СК16-40бн

К16-40бн

1

КН40

СК18-40б

К18-40б

2

-

СК18-40бн

К18-40бн

1

КН40

СК6-50б

К6-50б

Фб50

2

-

СК8-50б

К8-50б

2

-

СК8-50бн

К8-50бн

1

КН50

СК10-50б

К10-50б

2

-

СК10-50бн

К10-50бн

1

КН50

СК12-50б

К12-50б

2

-

СК12-50бн

К12-50бн

1

КН50

СК14-50б

К14-50б

2

-

СК14-50бн

К14-50бн

1

КН50

СК16-50б

К16-50б

2

-

СК16-50бн

К16-50бн

1

КН50

СК18-50б

К18-50б

2

-

СК18-50бн

К18-50бн

1

КН50

СК6-60б

К6-60б

Фб60

2

-

СК8-60б

К8-60б

2

-

СК8-60бн

К8-60бн

1

КН60

СК10-60б

К10-60б

2

-

СК10-60бн

К10-60бн

1

КН60

СК12-60б

К12-60б

2

-

СК12-60бн

К12-60бн

1

КН60

СК14-60б

К14-60б

2

-

СК14-60бн

К14-60бн

1

КН60

СК16-60б

К16-60б

2

-

СК16-60бн

К16-60бн

1

КН60

СК18-60б

К18-60б

2

-

СК18-60бн

К18-60бн

1

КН60

СК6-80б

К6-80б

Фб80

2

-

СК8-80б

К8-80б

2

-

СК8-80бн

К8-80бн

1

КН80

СК10-80б

К10-80б

2

-

СК10-80бн

К10-80бн

1

КН80

СК12-80б

К12-80б

2

-

СК12-80бн

К12-80бн

1

КН80

СО6-100б

К6-100б

Фб100

2

-

СО8-100б

К8-100б

СО10-100б

К10-100б

СО12-100б

К12-100б

СО6-120б

К6-120б

Фб120

2

-

СО8-120б

К8-120б

СО10-120б

К10-120б

СО12-120б

К12-120б

СО6-160б

К6-160б

Фб160

2

-

СО8-160б

К8-160б

СО10-160б

К10-160б

СО12-160б

К12-160б

Таблица 3

Выборка стали на секцию сваи и сваи-оболочки с элементами болтовых стыков

Марка секции сваи и сваи-оболочки

Арматурная сталь

Листовая сталь

Всего масса, кг

по ГОСТ 5781-82

по ГОСТ 6727-80, класс B-I

по ГОСТ 19903-74

Класс A-I

Класс A-III

Толщина, мм

Масса наплавленного металла, кг

Итого, кг

Диаметр, мм

Масса, кг

Диаметр, мм

Масса, кг

Диаметр, мм

Масса, кг

1

5

8

Масса, кг

СК6-40б

-

-

8

18,3

5

12,7

-

3,8

34,0

2,4

40,2

71,2

СК8-40б

-

-

24,6

16,0

-

3,8

34,0

2,4

40,2

80,8

СК8-40бн

8

1,8

24,0

16,2

0,6

1,9

17,0

1,2

20,7

63,7

СК10-40б

-

-

31,0

19,3

-

3,8

34,0

2,4

40,2

90,5

СК10-40бн

8

1,8

31,3

19,5

0,6

1,9

17,0

1,2

20,7

73,3

СК12-40б

-

-

37,3

22,6

-

3,8

34,0

2,4

40,2

100,1

СК12-40бн

8

1,8

37,6

22,8

0,6

1,9

17,0

1,2

20,7

82,9

СК14-40б

-

-

10

85,1

26,2

-

3,8

34,0

2,4

40,2

151,5

СК14-40бн

8

1,8

85,8

26,4

0,6

1,9

17,0

1,2

20,7

134,7

СК16-40б

-

-

97,5

29,6

-

3,8

34,0

2,4

40,2

167,3

СК16-40бн

8

1,8

98,1

29,8

0,6

1,9

17,0

1,2

20,7

150,4

СК18-40б

-

-

109,8

33,0

-

3,8

34,0

2,4

40,2

183,0

СК18-40бн

8

1,8

110,4

33,1

0,6

1,9

17,0

1,2

20,7

166,0

СК6-50б

-

-

8

18,3

16,5

-

3,8

44,8

1,8

50,4

85,2

СК8-50б

-

-

24,6

20,7

-

3,8

44,8

1,8

50,4

95,7

СК8-50бн

8

2,0

25,0

21,0

0,9

1,9

22,4

0,9

26,1

74,1

СК10-50б

-

-

31,0

25,0

-

3,8

44,8

1,8

50,4

106,4

СК10-50бн

8

2,0

31,3

25,2

0,9

1,9

22,4

0,9

26,1

84,6

СК12-50б

-

-

37,3

29,3

-

3,8

44,8

1,8

50,4

117,0

СК12-50бн

8

2,0

37,6

29,5

0,9

1,9

22,4

0,9

26,1

95,2

СК14-50б

-

-

10

85,1

33,9

-

3,8

44,8

1,8

50,4

169,4

СК14-50бн

8

2,0

858,

34,1

0,9

1,9

22,4

0,9

26,1

148,0

СК16-50б

-

-

97,5

38,2

-

3,8

44,8

1,8

50,4

186,1

СК16-50бн

8

2,0

98,1

38,4

0,9

1,9

22,4

0,9

26,1

164,6

СК18-50б

-

-

109,8

42,5

-

3,8

44,8

1,8

50,4

202,7

СК18-50бн

8

2,0

110,4

42,7

0,9

1,9

22,4

0,9

26,1

181,2

СК6-60б

-

-

8

22,9

19,4

-

3,2

59,4

2,2

64,8

107,1

СК8-60б

-

-

30,8

24,4

-

3,2

59,4

2,2

64,8

120,0

СК8-60бн

8

2,2

31,2

24,7

1,3

1,6

29,7

1,1

33,7

91,8

СК10-60б

-

-

38,7

29,5

-

3,2

59,4

2,2

64,8

133,0

СК10-60бн

8

2,2

39,1

29,7

1,3

1,6

29,7

1,1

33,7

104,7

СК12-60б

-

-

46,6

34,5

-

3,2

59,4

2,2

64,8

145,9

СК12-60бн

8

2,2

47,0

34,8

1,3

1,6

29,7

1,1

33,7

117,7

СК14-60б

-

-

12

98,0

40,2

-

3,2

59,4

2,2

64,8

203,0

СК14-60бн

8

2,2

98,7

40,4

1,3

1,6

29,7

1,1

33,7

175,0

СК16-60б

-

-

112,2

45,3

-

3,2

59,4

2,2

64,8

222,3

СК16-60бн

8

2,2

113,0

45,6

1,3

1,6

29,7

1,1

33,7

194,5

СК18-60б

-

-

126,4

50,4

-

3,2

59,4

2,2

64,8

241,6

СК18-60бн

8

2,2

127,2

50,7

1,3

1,6

29,7

1,1

33,7

213,8

СК6-80б

-

-

10

64,4

27,0

-

7,2

83,4

7,2

97,8

189,2

СК8-80б

-

-

86,6

34,0

-

7,2

83,4

7,2

97,8

218,4

СК8-80бн

8

2,7

87,7

34,3

2,2

3,6

41,7

3,6

51,1

175,8

СК10-80б

-

-

108,8

41,0

-

7,2

83,4

7,2

97,8

247,6

СК10-80бн

8

2,7

109,9

41,3

2,2

3,6,

41,7

3,6

51,1

205,0

СК12-80б

-

-

131,1

48,0

-

7,2

83,4

7,2

97,8

276,9

СК12-80бн

8

2,7

132,2

48,4

2,2

3,6

41,7

3,6

51,1

234,4

СО6-100б

-

-

12

139,1

33,4

-

8,6

120,2

3,8

132,6

305,1

СО8-100б

187,0

42,1

361,7

СО10-100б

235,0

50,8

418,4

СО12-100б

282,9

59,5

475,0

СО6-120б

139,1

40,9

147,6

4,2

160,4

340,4

СО8-120б

187,0

51,5

398,9

СО10-120б

235,0

62,1

457,5

СО12-120б

282,9

72,7

516,0

СО6-160б

144,2

55,8

9,4

202,2

5,6

217,2

417,2

СО8-160б

193,9

70,3

481,4

СО10-160б

243,7

84,7

545,6

СО12-160б

293,4

99,2

609,8

Таблица 4

Ведомость стержней на один каркас секции сваи и сваи-оболочки с элементами болтовых стыков

Марка каркаса

Поз.

Эскиз

Диаметр, мм, класс

Размеры каркаса, мм

Кол.

l

D1

с

К6-40б

1

2

8AIII

5BI

5810

82670

-

341

129

-

8

1

К8-40б

1

2

8AIII

5BI

8700

104180

-

341

129

-

8

1

К8-40бн

1

2

8AIII

5BI

7900

105260

-

341

129

-

8

1

К10-40б

1

2

8AIII

5BI

9800

125690

-

341

129

-

8

1

К10-40бн

1

2

8AIII

5BI

9900

126760

-

341

129

-

8

1

К12-40б

1

2

8AIII

5BI

11800

147200

-

341

129

-

8

1

К12-40бн

1

2

8AIII

5BI

11900

148270

-

341

129

-

8

1

К14-40б

1

2

10AIII

5BI

13800

170670

 

345

104

-

10

1

К14-40бн

1

2

10AIII

5BI

13900

171760

 

345

104

-

10

1

К16-40б

1

2

10AIII

5BI

15800

192430

 

345

104

-

10

1

К16-40бн

1

2

10AIII

5BI

15900

193520

 

345

104

-

10

1

К18-40б

1

2

10AIII

5BI

17800

214180

 

345

104

-

10

1

К18-40бн

1

2

10AIII

5BI

17900

215270

 

345

104

-

10

1

К6-60б

1

2

8AIII

5BI

5800

106800

-

441

168

-

8

1

К8-50б

1

2

8AIII

5BI

7800

134570

-

441

168

-

8

1

К8-50бн

1

2

8AIII

5BI

7900

135960

-

441

168

-

8

1

К10-50б

1

2

8AIII

5BI

9800

162330

-

441

168

-

8

1

К10-50бн

1

2

8AIII

5BI

9900

163720

-

441

168

-

8

1

К12-50б

1

2

8AIII

5BI

11800

190100

-

441

168

-

8

1

К12-50бн

1

2

8AIII

5BI

11900

191490

-

441

168

-

8

1

К14-50б

1

2

10AIII

5BI

13800

219830

-

445

135

-

10

1

К14-50бн

1

2

10AIII

5BI

13900

221240

-

445

135

-

10

1

К16-50б

1

2

10AIII

5BI

15800

247850

-

445

135

-

10

1

К16-50бн

1

2

10AIII

5BI

15900

2492500

-

445

135

-

10

1

К18-50б

1

2

10AIII

5BI

17800

275870

-

445

135

-

10

1

К18-50бн

1

2

10AIII

5BI

17900

277270

-

445

135

-

10

1

К6-60б

1

2

8AIII

5BI

5800

126120

-

521

160

-

10

1

К8-60б

1

2

8AIII

5BI

7800

158900

-

521

160

-

10

1

К8-60бн

1

2

8AIII

5BI

7900

160530

-

521

160

-

10

1

К10-60б

1

2

8AIII

5BI

9800

191670

-

521

160

-

10

1

К10-60бн

1

2

8AIII

5BI

9900

193310

-

521

160

-

10

1

К12-60б

1

2

8AIII

5BI

11800

224450

-

521

160

-

10

1

К12-60бн

1

2

8AIII

5BI

11000

226090

-

521

160

-

10

1

К14-60б

1

2

12AIII

5BI

13800

261170

-

529

201

-

8

1

К14-60бн

1

2

12AIII

5BI

13900

262840

-

529

201

-

8

1

К16-60б

1

2

12AIII

5BI

15800

294450

-

529

201

-

8

1

К16-60бн

1

2

12AIII

5BI

15900

296120

-

529

201

-

8

1

К18-60б

1

2

12AIII

5BI

17800

327740

-

529

201

-

8

1

К18-60бн

1

2

12AIII

5BI

17900

329400

-

529

201

-

8

1

К6-80б

1

2

10AIII

5BI

5800

175400

-

725

124

-

18

1

К8-80б

1

2

10AIII

5BI

7800

220970

-

725

124

-

18

1

К8-80бн

1

2

10AIII

5BI

7900

223250

-

725

124

-

18

1

К10-80б

1

2

10AIII

5BI

9800

266540

-

725

124

-

18

1

К10-80бн

1

2

10AIII

5BI

9900

268820

-

725

124

-

18

1

К12-80б

1

2

10AIII

5BI

11800

312120

-

725

124

-

18

1

К12-80бн

1

2

10AIII

5BI

11900

314400

-

725

124

-

18

1

К6-100б

1

2

12AIII

5BI

5800

216960

-

897

102

-

27

1

К8-100б

1

2

12AIII

5BI

7800

273330

-

897

102

-

27

1

К10-800б

1

2

12AIII

5BI

9180

329700

-

897

102

-

27

1

К12-100б

1

2

12AIII

5BI

11800

386060

-

897

102

-

27

1

К6-120б

1

2

12AIII

5BI

5800

265300

-

1097

126

-

27

1

К8-120б

1

2

12AIII

5BI

7800

234220

-

1097

127

-

27

1

К10-120б

1

2

12AIII

5BI

9800

403140

-

1097

126

-

27

1

К12-120б

1

2

12AIII

5BI

11800

472060

-

1097

126

-

27

1

К6-160б

1

2

12AIII

5BI

5800

362000

-

1497

166

-

28

1

К8-160б

1

2

12AIII

5BI

7800

456030

-

1497

166

-

28

1

К10-160б

1

2

12AIII

5BI

9800

550060

-

1497

166

-

28

1

К12-160б

1

2

12AIII

5BI

11800

644090

-

1497

166

-

28

1

Таблица 5

Выборка стали на каркас секции сваи и сваи-оболочки с элементами болтовых стыков

Марка каркаса

Арматурная сталь

Всего масса, кг

по ГОСТ 5781-82, класс A-III

по ГОСТ 6727-80, класс B-I

Диаметр, мм

Масса, кг

Диаметр, мм

Масса, кг

К6-40б

8

18,3

5

12,7

31,0

К8-40б

24,6

16,0

40,6

К8-40бн

25,0

16,2

41,2

К10-40б

31,0

19,3

50,3

К10-40бн

31,3

19,5

50,8

К12-40б

37,3

22,6

59,9

К12-40бн

37,6

22,8

60,4

К14-40б

10

85,1

26,2

111,3

К14-40бн

85,8

26,4

112,2

К16-40б

97,5

29,6

127,1

К16-40бн

98,1

29,8

127,9

К18-40б

109,8

33,0

142,8

К18-40бн

110,4

33,1

142,5

К6-50б

8

18,3

16,5

34,8

К8-50б

24,6

20,7

45,3

К8-50бн

25,0

21,0

46,0

К10-50б

31,0

25,0

56,0

К10-50бн

31,3

25,2

56,5

К12-50б

37,3

29,3

66,6

К12-50бн

37,6

29,5

67,1

К14-50б

10

85,1

33,9

119,0

К14-50бн

85,8

34,1

119,9

К16-50б

97,5

38,2

135,7

К16-50бн

98,1

38,4

136,5

К18-50б

109,8

42,5

152,3

К18-50бн

110,4

42,7

153,1

К6-60б

8

22,9

19,4

42,3

К8-60б

30,8

24,4

55,2

К8-60бн

31,2

24,7

55,9

К10-60б

38,7

29,5

68,2

К10-60бн

39,1

29,7

68,8

К12-60б

46,6

34,5

81,1

К12-60бн

47,0

34,8

81,8

К14-60б

12

98,0

40,2

138,2

К14-60бн

98,7

40,4

139,1

К16-60б

112,2

45,3

157,5

К16-60бн

113,0

45,6

158,6

К18-60б

126,4

50,4

176,8

К18-60бн

127,2

50,7

177,9

К6-80б

10

64,4

27,0

91,4

К8-80б

86,6

34,0

120,6

К8-80бн

87,7

34,3

122,0

К10-80б

108,8

41,0

149,8

К10-80бн

109,9

41,3

151,2

К12-80б

131,1

48,0

179,1

К12-80бн

132,2

48,4

180,6

К6-100б

12

139,1

33,4

172,5

К8-100б

187,0

42,1

229,1

К10-1006

235,0

50,8

285,8

К12-100б

282,9

59,5

342,4

К6-120б

139,1

40,9

180,0

К8-120б

187,0

51,5

238,5

К10-1206

235,0

62,1

297,1

К12-120б

282,9

72,7

355,6

К6-160б

144,2

55,8

200,0

К8-160б

193,9

70,3

214,2

К10-1606

243,7

84,7

328,4

К12-160б

293,4

99,2

392,6

Армирование секций свай и свай-оболочек с элементами сварных стыков

Черт. 7

Армирование секций и свай-оболочек с элементами сварных стыков и с наконечниками

Черт. 8

Арматурный каркас К6-40св¸К18-60св

Черт 9

Таблица 6

Спецификация арматурных изделий на секцию сваи и сваи-оболочки с элементами сварных стыков

Марка секции сваи и сваи-оболочки

Арматурный каркас (1 шт.)

Элемент стыка

Спираль головы

Каркас наконечника (1 шт.)

Марка

Кол.

Марка

Кол.

CК6-40св

К6-40св

Фсв40

2

СГ40

2

-

СК8-40св

К8-40св

2

2

-

СК8-40свн

К8-40свн

1

1

КН40

СК10-40св

К10-40св

2

2

-

СК10-40свн

К10-40свн

1

1

КН40

СК12-40св

К12-40св

2

2

-

СК12-40свн

К12-40свн

1

1

КН40

СК14-40св

К14-40св

2

2

-

СК14-40свн

К14-40свн

1

1

КН40

СК16-40св

К16-40св

2

2

-

СК16-40свн

К16-40свн

1

1

КН40

СК18-40св

К18-40св

2

2

-

СК18-40свн

К18-40свн

1

1

КН40

CК6-50св

К6-50св

Фсв50

2

СГ50

2

-

СК8-50св

К8-50св

2

2

-

СК8-50свн

К8-50свн

1

1

КН50

СК10-50св

К10-50св

2

2

-

СК10-50свн

К10-50свн

1

1

КН50

СК12-50св

К12-50св

2

2

-

СК12-50свн

К12-50свн

1

1

КН50

СК14-50св

К14-50св

2

2

-

СК14-50свн

К14-50свн

1

1

КН50

СК16-50св

К16-50св

2

2

-

СК16-50свн

К16-50свн

1

1

КН50

СК18-50св

К18-50св

2

2

-

СК18-50свн

К18-50свн

1

1

КН50

CК6-60св

К6-60св

Фсв60

2

СГ60

2

-

СК8-60св

К8-60св

2

2

-

СК8-60свн

К8-60свн

1

1

КН60

СК10-60св

К10-60св

2

2

-

СК10-60свн

К10-60свн

1

1

КН60

СК12-60св

К12-60св

2

2

-

СК12-60свн

К12-60свн

1

1

КН60

СК14-60св

К14-60св

2

2

-

СК14-60свн

К14-60свн

1

1

КН60

СК16-60св

К16-60св

2

2

-

СК16-60свн

К16-60свн

1

1

КН60

СК18-60св

К18-60св

2

2

-

СК18-60свн

К18-60свн

1

1

КН60

CК6-80св

К6-80св

Фсв80

2

СГ80

2

-

СК8-80св

К8-80св

2

2

-

СК8-80свн

К8-80свн

1

1

КН80

СК10-80св

К10-80св

2

2

-

СК10-80свн

К10-80свн

1

1

КН80

СК12-80св

К12-80св

2

2

-

СК12-80свн

К12-80свн

1

1

КН80

СО6-100св

К6-100св

Фсв100

2

СГ100

2

-

СО8-100св

К8-100св

СО10-100св

К10-100св

СО12-100св

К12-100св

СО6-120св

К6-120св

Фсв120

СГ120

СОУ6-120св

КУ6-120св

СО8-120св

К8-120св

СОУ8-120св

КУ8-120св

СО10-120св

К10-120св

СОУ10-120св

КУ10-120св

СО12-120св

К12-120св

СОУ12-120св

КУ12-120св

СО6-160св

К6-160св

Фсв160

СГ160

СОУ6-160св

КУ6-160св

СО8-160св

К8-160св

СОУ8-160св

КУ8-160св

СО10-160св

К10-160св

СОУ10-160св

КУ10-160св

СО12-160св

К12-160св

СОУ12-160св

КУ12-160св


Таблица 7

Выборка стали на секцию сваи и сваи-оболочки с элементами сварных стыков

Марка секции свай и свай-оболочек

Арматурная сталь

Листовая сталь

Всего масса,. кг

по ГОСТ 5781-82

по ГОСТ 6727-80, класс B-I

по ГОСТ 19903-74

Класс A-I

Класс A-II

Толщина, мм

Масса наплавленного металла. кг

Итого, кг

Диаметр, мм

Масса, кг

Диаметр, мм

Масса, кг

Диаметр, мм

Масса, кг

Итого, кг

Диаметр, мм

Масса, кг

1

5

8

Масса, кг

СК6-40св

-

-

12

42,3

18

4,8

47,1

5

15,6

-

1,0

17,2

1,8

20,0

82,7

СК8-40св

56,5

61,3

19,0

100,3

СК8-40свн

8

1,8

56,7

2,4

59,1

18,0

0,6

0,5

8,6

0,9

10,6

89,5

СК10-40св

-

-

70,8

4,8

75,6

22,4

-

1,0

17,2

1,8

20,0

118,0

СК10-40свн

8

1,8

70,9

2,4

73,3

21,3

0,6

0,5

 

0,9

10,6

107,0

СК12-40св

-

-

85,0

4,8

89,8

25,8

-

1,0

17,2

1,8

20,0

135,6

СК12-40свн

8

1,8

85,1

2,4

87,5

24,7

0,6

0,5

 

0,9

10,6

124,6

СК14-40св

-

-

99,2

4,8

104,0

29,2

-

1,0

17,2

1,8

20,0

153,2

СК14-40свн

8

1,8

99,3

2,4

101,7

28,1

0,6

0,5

8,6

0,9

10,6

142,2

СК16-40св

-

-

113,4

4,8

118,2

32,5

-

1,0

17,2

1,8

20,0

170,7

CК16-40свн

8

1,8

113,5

2,4

115,9

31,5

0,6

0,5

8,6

0,9

10,6

159,8

СК18-40св

-

-

127,6

4,8

132,4

35,9

-

1,0

17,2

1,8

20,0

188,3

СК18-40свн

8

1,8

127,7

2,4

130,1

34,9

0,6

0,5

8,6

0,9

10,6

177,4

СК6-50св

-

-

42,3

6,0

48,3

20,4

-

1,0

22,4

2,2

25,6

94,3

СК8-50св

56,5

62,5

24,7

112,8

СК8-50свн

8

2,0

56,7

3,0

59,7

23,2

0,9

0,5

11,2

1,1

13,7

98,6

СК10-50св

-

-

70,8

6,0

76,8

29,1

-

1,0

22,4

2,2

25,6

131,5

СК10-50свн

8

2,0

70,9

3,0

73,9

27,6

0,9

0,5

11,2

1,1

13,7

117,2

СК12-50св

-

-

85,0

6,0

91,0

33,4

-

1,0

22,4

2,2

25,6

150,0

СК12-50свн

8

2,0

85,1

3,0

88,1

32,0

0,9

0,5

11,2

1,1

13,7

135,7

СК14-50св

-

-

99,2

6,0

105,2

37,0

-

1,0

22,4

2,2

25,6

168,6

СК14-50свн

8

2,0

99,3

3,0

102,3

36,3

0,9

0,5

11,2

1,1

13,7

154,3

СК16-50св

-

-

113,4

6,0

119,4

42,1

-

1,0

22,4

2,2

25,6

187,1

CК16-50свн

8

2,0

113,5

3,0

116,5

40,7

0,9

0,5

11,2

1,1

13,7

172,0

СК18-50св

-

-

127,6

6,0

133,6

46,5

-

1,0

22,4

2,2

25,6

205,7

СК18-50свн

8

2,0

127,7

3,0

130,7

45,0

0,9

0,5

11,2

1,1

13,7

191,4

СК6-60св

-

-

52,9

-

-

52,9

24,6

-

5,2

28,0

1,4

34,6

112,1

СК8-60св

70,7

70,7

29,7

135,0

СК8-60свн

8

2,2

70,9

70,9

27,6

1,3

2,6

14,0

0,7

18,6

119,4

СК10-60св

-

-

88,4

88,4

34,8

-

5,2

28,0

1,4

34,6

157,8

СК10-60свн

8

2,2

88,6

88,6

32,7

1,3

2,6

14,0

0,7

18,6

142,2

СК12-60св

-

-

106,2

106,2

40,0

-

5,2

28,0

1,4

34,6

180,8

СК12-60свн

8

2,2

106,4

106,4

37,9

1,3

2,6

14,0

0,7

18,6

165,1

СК14-60св

-

-

124,0

124,0

45,1

-

5,2

28,0

1,4

34,6

203,7

СК14-60свн

8

2,2

124,1

124,1

43,0

1,3

2,6

14,0

0,7

18,6

187,9

СК16-60св

-

-

141,7

141,7

50,2

-

5,2

28,0

1,4

34,6

226,5

CК16-60свн

8

2,2

141,9

141,9

48,1

1,3

2,6

14,0

0,7

18,6

210,9

СК18-60св

-

-

159,5

159,5

55,3

-

5,2

28,0

1,4

34,6

249,4

СК18-60свн

8

2,2

159,7

159,7

53,2

1,3

2,6

14,0

0,7

18,6

233,8

СК6-80св

-

-

63,5

63,5

34,4

-

6,8

45,0

1,8

53,6

151,5

СК8-80св

84,8

84,8

41,5

179,9

СК8-80свн

8

2,7

85,0

85,0

38,4

2,2

3,4

22,5

0,9

29,0

155,1

СК10-80св

-

-

106,1

106,1

48,5

-

6,8

45,0

1,8

53,6

208,2

СК10-80свн

8

2,7

106,3

106,3

45,5

2,2

3,4

22,5

0,9

29,0

183,5

СК12-80св

-

-

127,4

127,4

55,6

-

6,8

45,0

1,8

53,6

236,6

СК12-80свн

8

2,7

127,7

127,7

52,5

2,2

3,4

22,5

0,9

29,0

211,9

СО6-100св

-

-

14

144,0

144,0

44,7

-

13,6

57,8

2,4

73,8

262,5

СО8-100св

192,3

192,3

53,4

319,5

СО10-100св

240,6

240,6

62,2

376,6

СО12-100св

289,0

289,0

70,9

438,7

CО6-120св

144,0

144,0

56,7

16,2

80,0

3,2

99,4

295,1

СО8-120св

192,3

192,3

67,3

359,0

СОУ8-120св

16

351,7

351,7

16,3

518,4

СО10-120св

14

240,6

240,6

78,0

16,2

418,0

СОУ10-120св

16

440,1

440,1

16,7

617,5

СО12-120св

14

289,0

289,0

88,6

16,2

477,0

СОУ12-120св

16

528,4

528,4

716,2

СО6-160св

12

148,2

148,2

82,8

21,2

120,2

4,2

145,6

376,0

СОУ6-160св

20

440,9

440,9

83,4

669,9

СО8-160св

12

197,9

197,9

97,3

440,8

СОУ8-160св

20

588,9

588,9

98,0

832,5

СО10-160св

12

247,66

247,6

111,8

505,0

СОУ10-160св

20

736,8

736,8

112,8

995,0

СО12-160св

12

297,4

297,4

126,3

569,2

СОУ12-160св

20

884,8

884,8

127,3

1157,7


Арматурный каркас К8-40свн¸К18-60свн

Черт. 10

Арматурный каркас К6-80св¸К12-160св, КУ6-120св¸КУ12-120cв, КУ6-160св¸КУ12-160св

Черт. 11

Арматурный каркас К8-80свн¸К12-80свн

Черт. 12

Таблица 8

Ведомость стержней на один каркас секции сваи и сваи-оболочки с элементами сварных стыков

Марка каркаса

Поз.

Эскиз

Диаметр, мм, класс

Размеры каркаса, мм

Кол.

l

D1

с

К6-40св

1

2

12AIII

5BI

5960

85700

-

349

104

-

8

1

К8-40св

1

2

12AIII

5BI

7960

107710

-

349

104

-

8

1

К8-40свн

1

2

12AIII

5BI

7980

108810

-

349

104

-

8

1

К10-40св

1

2

12AIII

5BI

9960

129720

-

349

104

-

8

1

К10-40свн

1

2

12AIII

5BI

9980

130820

-

349

104

-

8

1

К12-40св

1

2

12AIII

5BI

11960

151730

-

349

104

-

8

1

К12-40свн

1

2

12AIII

5BI

11980

152820

-

349

104

-

8

1

К14-40св

1

2

12AIII

5BI

13960

173740

-

349

104

-

8

1

К14-40свн

1

2

12AIII

5BI

13980

174830

-

349

104

-

8

1

К16-40св

1

2

12AIII

5BI

15960

195740

-

349

104

-

8

1

К16-40свн

1

2

12AIII

5BI

15980

196840

-

349

104

-

8

1

К18-10св

1

2

12AIII

5BI

17960

217750

-

349

104

-

8

1

К18-40свн

1

2

12AIII

5BI

17980

218850

-

349

104

-

8

1

К6-50св

1

2

12AIII

5BI

5960

110140

-

449

136

-

8

1

К8-50св

1

2

12AIII

5BI

7960

138410

-

449

136

-

8

1

К8-50свн

1

2

12AIII

5BI

7980

139820

-

449

136

-

8

1

К10-50св

1

2

12AIII

5BI

9960

166680

-

449

136

-

8

1

К10-50свн

1

2

12AIII

5BI

9980

168100

-

449

136

-

8

1

К12-50св

1

2

12AIII

5BI

11960

194950

-

449

136

-

8

1

К12-50свн

1

2

12AIII

5BI

11980

196360

-

449

136

-

8

1

К14-50св

1

2

12AIII

5BI

13960

223220

-

449

136

-

8

1

К14-50свн

1

2

12AIII

5BI

13980

224630

-

449

136

-

8

1

К16-50св

1

2

12AIII

5BI

15960

251480

-

449

136

-

8

1

К16-50свн

1

2

12AIII

5BI

15980

252900

-

449

136

-

8

1

К18-50св

1

2

12AIII

5BI

17960

279750

-

449

136

-

8

1

К18-50свн

1

2

12AIII

5BI

17980

281170

-

449

136

-

8

1

К6-60св

1

2

12AIII

5BI

5960

129710

-

529

134

-

10

1

К8-60св

1

2

12AIII

5BI

7960

162990

-

529

134

-

10

1

К8-60свн

1

2

12AIII

5BI

7980

164650

-

529

134

-

10

1

К10-60св

1

2

12AIII

5BI

9960

196270

-

529

134

-

10

1

К10-60свн

1

2

12AIII

5BI

9980

197940

-

529

134

-

10

1

К12-60св

1

2

12AIII

5BI

11960

229560

-

529

134

-

10

1

К12-60свн

1

2

12AIII

5BI

11980

231220

-

529

134

-

10

1

К14-60св

1

2

12AIII

5BI

13960

262840

-

529

134

-

10

1

К14-60свн

1

2

12AIII

5BI

13980

264500

-

529

134

-

10

1

К16-60св

1

2

12AIII

5BI

15960

296120

-

529

134

-

10

1

К16-60свн

1

2

12AIII

5BI

15980

297780

-

529

134

-

10

1

К18-60св

1

2

12AIII

5BI

17960

329400

-

529

134

-

10

1

К18-60свн

1

2

12AIII

5BI

17980

331060

-

529

134

-

10

1

К6-80св

1

2

12AIII

5BI

5960

174070

-

729

186

-

12

1

К8-80св

1

2

12AIII

5BI

7960

219900

-

729

186

-

12

1

К8-80свн

1

2

12AIII

5BI

7980

224480

-

729

186

-

12

1

К10-80св

1

2

12AIII

5BI

9960

265720

-

729

186

-

12

1

К10-80свн

1

2

12AIII

5BI

9980

270300

-

729

186

-

12

1

К12-80св

1

2

12AIII

5BI

11960

311550

-

729

186

-

12

1

К12-80свн

1

2

12AIII

5BI

11980

316130

-

729

186

-

12

1

К6-100св

1

2

14AIII

5BI

5960

215100

-

901

138

-

20

1

К8-100св

1

2

14AIII

5BI

7960

271720

-

901

138

-

20

1

К10-100св

1

2

14AIII

5BI

9960

328340

-

901

138

-

20

1

К12-100св

1

2

14AIII

5BI

11960

384960

-

901

138

-

20

1

К6-120св

1

2

14AIII

5BI

5960

262810

-

1101

170

-

20

1

КУ6-120св

1

2

16AIII

5BI

5960

262810

-

1105

121

-

28

1

К8-120св

1

2

14AIII

5BI

7960

331980

-

1101

170

-

20

1

КУ8-120св

1

2

16AIII

5BI

7960

331980

-

1105

121

-

28

1

К10-120св

1

2

14AIII

5BI

9950

401160

-

1101

170

-

20

1

КУ10-120св

1

2

16AIII

5BI

9960

401160

-

1105

121

-

28

1

К12-120св

1

2

14AIII

5BI

11960

470330

-

1101

170

-

20

1

КУ12-120св

1

2

16AIII

5BI

11960

470330

-

1105

121

-

28

1

К6-160св

1

2

12AIII

5BI

5960

357300

-

1497

166

-

28

1

КУ6-160св

1

2

20AIII

5BI

5960

361110

 

1513

156

-

30

1

К8-160св

1

2

12AIII

5BI

7960

451330

-

1497

166

-

28

1

КУ8-160св

1

2

20AIII

5BI

7960

456150

 

1513

156

-

30

1

К10-160св

1

2

12AIII

5BI

9960

545360

-

1497

166

-

28

1

КУ10-160св

1

2

20AIII

5BI

9960

551190

 

1513

156

-

30

1

К12-160св

1

2

12AIII

5BI

11960

639390

-

1497

166

-

28

1

КУ12-160св

1

2

20AIII

5BI

11960

646230

 

1513

156

-

30

1

Таблица 9

Выборка стали на каркас секции сваи и сваи-оболочки с элементами сварных стыков

Марка каркаса

Арматурная сталь

Всего масса, кг

по ГОСТ 5781-82, класс A-III

по ГОСТ 6727-80, класс B-I

Диаметр, мм

Масса, кг

Диаметр, мм

Масса, кг

К6-40св

12

42,3

5

12,7

55,5

К8-40св

56,5

16,6

73,1

К8-40свн

56,7

16,7

73,5

К10-40св

70,8

20,0

90,8

К10-40свн

70,9

20,1

91,0

К12-40св

85,0

23,4

108,4

К12-40свн

85,1

23,5

108,6

К14-40св

99,2

26,8

126,0

К14-40свн

99,3

26,9

126,2

К16-40св

113,4

30,1

143,5

К16-40свн

113,5

30,3

143,8

К18-40св

127,6

33,5

161,1

К18-40свн

127,7

33,7

161,4

К6-50св

42,3

17,0

59,3

К8-50св

56,5

21,3

77,8

К8-50свн

56,7

21,5

78,2

К10-50св

70,8

25,7

96,5

К10-50свн

70,9

25,9

96,8

К12-50св

35,0

30,0

115,0

К12-50свн

85,1

30,3

115,3

К14-50св

99,2

34,4

133,6

К14-50свн

99,3

34,6

133,9

К16-50св

113,4

38,7

152,1

К16-50свн

113,5

39,0

152,5

К18-50св

127,6

43,1

170,7

К18-50свн

127,7

43,3

171,0

К6-60св

52,9

20,0

72,9

К8-60св

70,7

25,1

95,8

К8-60свн

70,9

25,3

96,3

К10-60св

88,4

20,2

118,6

К10-60свн

88,6

30,4

119,1

К12-60св

106,2

35,4

141,6

К12-60свн

106,4

35,6

142,0

К14-60св

124,0

40,5

164,5

К14-60свн

124,1

40,7

164,8

К16-60св

141,7

45,6

187,3

К16-60свн

141,9

45,8

187,8

К18-60св

159,5

50,7

210,2

К18-60свн

159,7

50,9

210,7

К16-80св

63,5

26,8

90,3,

К8-80св

84,8

33,9

118,7

К8-80свн

85,0

34,6

119,6

К10-80св

106,1

40,9

147,0

К10-80свн

106,3

41,7

148,0

К12-80св

127,4

48,0

175,4

К12-80свн

127,7

48,7

176,4

К6-100св

14

144,0

33,1

177,1

К8-100св

192,3

41,8

234,1

К10-100св

240,6

50,6

291,2

К12-100св

239,0

59,3

348,3

К6-120св

14

16

14

16

14

16

14

16

144,0

40,5

184,5

КУ6-120св

263,3

40,5

303,8

К8-120св

192,3

51,1

243,4

КУ8-120св

351,7

51,1

402,8

К10-120св

240,6

61,8

502,4

КУ10-120св

440,1

61,8

501,9

К12-120св

289,0

72,4

361,4

КУ12-120св

528,4

72,4

600,8

К6-160св

12

20

12

20

12

12

20

148,2

55,0

203,2

КУ6-160св

440,9

55,6

496,5

К8-160св

197,9

69,5

267,4

КУ8-160св

588,9

70,2

659,1

К10-160св

247,6

84,0

331,6

К12-160св

297,4

98,5

395,9

КУ12-160св

884,8

99,5

984,8

Наконечники Н40¸Н80

Черт. 13

Каркасы КН40¸КН80

Черт. 14

Таблица 10

Номенклатура наконечников

Марка наконечника

Арматурные каркасы (1 шт.)

Номинальные размеры, мм

Проектная марка по прочности на сжатие, кгс/см2

Объем бетона, м3

Масса наконечника, т

Расход стали на один наконечник, кг

Н

D

Н40

КН40

400

400

М300

0,02

0,05

2,4

Н50

КН50

500

500

0,03

0,08

2,9

Н60

КН60

600

600

М400

0,06

0,15

3,5

Н80

КН80

800

800

0,13

0,32

5,1

Таблица 11

Ведомость стержней и закладных изделий на один каркас наконечника

Марка каркаса

Поз.

Эскиз

Размеры, мм

Кол.

с1

с2

d1

d2

a

R

l

КН40

1

150

170

300

190

-

-

1928

2

2

-

-

-

-

148

592

1

3

-

223

-

1

КН50

1

200

220

400

238

-

2150

2

2

-

-

-

-

183

732

1

3

-

279

-

1

КН60

1

250

270

480

288

-

2367

2

2

-

-

-

-

225

9001

1

3

-

335

-

1

КН80

1

360

370

680

388

-

3050

2

2

-

-

-

-

298

1192

1

3

-

446

-

1

Таблица 12

Выборка стали на один каркас наконечника, кг

Марка каркаса

Арматурная сталь по ГОСТ 5781-82, диаметр 8 мм, класс A-I

Листовая сталь по ГОСТ 19903-74, толщина 1 мм

Всего масса

КН40

1,8

0,6

2,4

КН50

2,0

0,9

2,9

КН60

2,2

1,3

3,5

КН80

2,7

2,2

5,1

Таблица 13

Ведомость стержней и выборка стали на одну спираль головы

Марка спирали

Эскиз

Диаметр, мм, класс

l, мм

D2, мм

Кол. витков

Масса, кг

СГ40

I

7450

395

6

1,2

СГ50

10890

495

7

1,7

СГ60

14950

595

8

2,3

СГ80

24970

795

10

3,8

СГ100

37500

995

12

5,8

СГ-120

52540

1195

14

8,1

СГ-160

90150

1595

18

13,9

Элемент болтового стыка

Черт. 15

2.14. Соединение элемента болтового стыка с арматурным каркасом секции должно соответствовать указанному на черт. 17.

2.15. Соединение элемента сварного стыка с арматурным каркасом должно соответствовать указанному на черт. 18.

2.16. В целях обеспечения соосности составных свай и свай-оболочек установку стыковых элементов и сварку их с каркасами секций следует производить в специальных кондукторах.

2.17. Сварные соединения закладных изделий следует выполнять по ГОСТ 5264-80, арматурных изделий к закладным - по СН 393-78. Арматурные изделия, закладные детали и сварные соединения должны соответствовать требованиям ГОСТ 10922-90.

2.18. Отклонения от номинальных размеров элементов стыков секций не должны превышать величин, мм:

- по наружному диаметру стыкового элемента для:

- свай диаметром до 600 мм включ.                             +2

»          »             » 800 мм и свай-оболочек              +5

- по смещению болтовых отверстий                            +1

2.19. Отклонение от прямолинейности профиля торцевой плоскости стыкового элемента секции не должно превышать 1,5 мм.

2.20. Обвалы бетона внутренней поверхности секции с обнажением арматуры не допускаются.

2.21. Щели и наплывы в местах соединения стыковых элементов с бетоном секций не допускаются.


Таблица 14

Номенклатура элементов болтовых стыков

Марка элемента

Поз.

Эскиз

Номинальные размеры, мм

Кол.

Масса, кг

D1

D2

D3

D4

d

a

j

1 шт.

Всех

Фб40

1

400

240

354

-

15

-

24°

1

4,9

4,9

2

-

-

320

-

-

2,8

2,8

3

-

8,7

8,7

4

-

35

-

15

0,126

1,9

Всего: 18,8

Фб50

1

500

340

454

-

15

-

24°

1

6,5

6,5

2

-

-

420

-

-

3,6

3,6

3

-

11,5

11,5

4

 

35

15

0,126

1,9

Всего: 24,2

Фб60

1

600

400

540

-

19

-

36°

1

9,7

9,7

2

-

-

500

-

-

5,4

5,4

3

-

13,8

13,8

4

-

45

10

0,157

1,6

Всего: 31,3

Фб80

1

800

600

740

-

19

-

15°39¢

1

13,4

13,4

2

-

-

700

-

-

7,4

7,4

3

-

19,4

19,4

4

-

45

23

0,157

3^,6

Всего: 45,1

Фб100

1

1000

760

918

-

27

-

17°08¢

1

20,1

20,1

2

-

-

868

-

-

-

12,2

12,2

3

-

25,8

25,8

4

-

65

21

0,204

4,3

Всего: 64,3

Фб120

1

1200

960

1118

-

27

-

17°08¢

1

24,8

24,8

2

-

-

1068

-

-

14,8

14,8

3

-

31,8

31,8

4

-

65

21

0,204

4,3

Всего: 78,0

Фб160

1

1600

1360

1518

-

27

-

15°39¢

1

34,2

34,2

2

-

-

1468

-

-

20,0

20,0

3

-

43,8

43,8

4

-

65

23

0,204

4,7

Всего: 105,3

Примечание. В массу элемента вошла масса наплавленного металла.

Элемент сварного стыка

Черт. 16

Таблица 15

Номенклатура элементов сварных стыков

Марка элемента

Поз.

Эскиз

Номинальные размеры, мм

Кол.

Масса, кг

D1

D2

D3

D4

H

а

b

j

1 шт.

Всех

Фсв40

1

346

240

-

-

-

-

-

-

1

3,1

3,1

2

-

-

362

80

60°

5,6

5,6

3

398

-

-

2,4

2,4

4

-

-

45

6

0,08

0,5

Всего: 11,9

Фсв50

1

446

340

-

-

-

-

-

-

1

4,1

4,1

2

-

-

462

80

60°

7,2

7,2

3

498

-

-

3,0

3,0

4

-

-

45

6

0,08

0,5

Всего: 15,2

Фсв60

1

526

400

-

-

-

-

-

-

1

5,7

5,7

2

-

-

542

80

60°

8,4

8,4

3

600

-

50

29

-

2,0

2,0

4

-

-

-

6

0,098

0,6

Всего: 17,2

Фсв80

1

726

600

-

-

-

-

-

-

1

8,2

8,2

2

-

-

742

100

60°

14,4

14,4

3

800

-

-

29

-

2,8

2,8

4

-

-

50

-

6

0,098

0,6

Всего: 26,8

Фсв100

1

898

760

-

-

-

 

-

-

1

11,3

11,3

2

-

-

914

100

36°

17,8

17,8

3

1000

-

43

-

5,1

5,1

4

-

-

50

-

10

0,165

1,7

Всего: 37,0

Фсв120

1

1098

960

-

-

-

-

-

-

1

14,0

14,0

2

-

-

1114

120

30°

26,2

26,2

3

1200

-

43

-

6,1

6,1

4

-

-

65

-

12

0,165

2,0

Всего: 49,8

Фсв160

1

1494

1360

-

-

-

-

-

-

1

18,8

18,8

2

-

-

1510

140

30°

41,5

41,5

3

1600

-

45

-

8,61

8,6

4

-

-

65

-

12

0,165

2,0

Всего 73,0

Примечание. В массу элемента вошла масса наплавленного металла.


Узлы сопряжения арматурных каркасов с элементами болтовых стыков

1 - элемент болтового стыка Фб40-Фб60; 2 - элемент болтового стыка Фб60-Фб80; 3 - тип 14 СН 393-78; 4 - продольная арматура сваи; 5 - элемент болтового стыка Фб100-Фб160; 6 - продольная арматура сваи-оболочки

Черт. 17

3. Конструкция и размеры составных свай и свай-оболочек

3.1. Длина свай должна быть не менее 14 м и не более, м:

- для свай диаметром 400 мм                                    26

»      »            »         500 мм                                     30

»      »            »         600 мм                                     40

»      »            »         800 мм                                     48

3.2. Длина свай-оболочек независимо от их диаметра должна быть не менее 14 м и не более 48 м.

Узлы сопряжения арматурных каркасов с элементами сварных стыков

1 - элемент сварного стыка Фсв40, Фсв50; 2 - элемент сварного стыка Фсв60,. Фсв80; 3 - тип 14 СН 393-78; 4 - спираль головы; 5 - продольная арматура сваи; 6 - элемент стыка Фсв100-Фсв160; 7 - продольная арматура сваи-оболочки

Черт. 18

3.3. При сборке свай и свай-оболочек следует использовать секции таких длин, при которых получается минимальное число стыков. Секции длиной 6 м следует применять для сборки свай и свай-оболочек длиной только 14 м, секции длиной 8, 10 и 12 м - для сборки свай и свай-оболочек длиной более 14 м.

3.4. Болтовой стык

3.4.1. Соединение секций свай и свай-оболочек при помощи болтов следует производить в соответствии с черт. 19 только при наращивании свай и свай-оболочек в процессе погружения в вертикальном положении.

3.4.2. Перед соединением секций на торцевые плоскости стыковых элементов следует нанести антикоррозионное покрытие.

3.4.3. После затяжки болтов гайки и шов между стыковыми элементами заварить. Сварку секций производить электродами типа Э50А по ГОСТ 9467-75.

3.4.4. Спецификация стали на болтовой стык приведена в табл. 16.

3.5. Сварной стык

3.5.1. Соединение свай и свай-оболочек при помощи сварки следует производить в соответствии с черт. 20. Сварку секций производить электродами типа Э50А по ГОСТ 9467-75.

3.5.2. Сварной стык свай и свай-оболочек можно осуществлять как в вертикальном положении по мере наращивания секций в процессе погружения, так и в горизонтальном положении при укрупнительной сборке, которая может быть произведена как на предприятии-изготовителе, так и на строительной площадке.

Сварку стыков в горизонтальном положении следует производить на поворотных роликах.

Длина укрупненных секций должно быть не более 20 м.

3.5.3. Спецификация стали на сварной стык приведена в табл. 17.

Болтовой стык

Черт. 19

4. Испытание секций свай и свай-оболочек на раскрытие трещин

4.1. Секции свай длиной 10 м и более с элементами болтовых стыков, секции и укрупненные секции свай длиной 14 м и более с элементами сварных стыков, а также укрупненные секции свай-оболочек длиной 18 м и более с элементами сварных стыков должны быть испытаны на раскрытие трещин путем укладки их на две опоры, расположенные по схеме, указанной на черт. 21.

Усиленные секции свай-оболочек (марки СОУ) испытанию на раскрытие трещин не подвергают.

Черт. 21

Таблица 16

Спецификация стали на болтовой стык

Диаметр сван, сваи-оболочки, мм

Номер детали

Наименование детали

Масса детали, кг

Кол. деталей на стык

Расход стали на стык, кг

400

1

Элемент болтового стыка Фб40

18,8

2

37,6

2

Болт М12´40.58. ГОСТ 7798-70

0,0529

15

0,79

3

Гайка M12.5 ГОСТ 5915-70

0,0154

15

0,23

4

Шайба 12.01 ГОСТ 11371-78

0,00627

15

0,09

 

 

Итого: 38,71

500

1

Элемент болтового стыка Фб50

24,2

9

48,4

2

Болт М12´40.58. ГОСТ 7798-70

0,0529

15

0,79

3

Гайка M12.5 ГОСТ 5915-70

0,0154

15

0,23

4

Шайба 12.01 ГОСТ 11371-78

0,00627

15

0,09

 

 

Итого: 49,51

600

1

Элемент болтового стыка Фб60

31,4

2

62,8

2

Болт М12´40.58. ГОСТ 7798-70

0,098

10

0,98

3

Гайка М16.5 ГОСТ 5915-70

0,0332

10

0,33

4

Шайба 16.01.05 ГОСТ 11371-78

0,0113

10

0,11

 

 

Итого: 64,22

800

1

Элемент болтового стыка Фб80

45,1

2

90,2

2

Болт M16´40.58 ГОСТ 7798-70

0,098

23

2,25

3

Гайка М16.5 ГОСТ 5915-70

0,0332

23

0,76

4

Шайба 16.01 ГОСТ 11371-78

0,0113

23

0,26

 

 

Итого: 93,47

1000

1

Элемент болтового стыка Фб100

64,3

2

128,6

2

Болт М24´60.58 ГОСТ 7798-70

0,33

21

6,93

3

Гайка М24.5 ГОСТ 5915-70

0,107

21

2,25

4

Шайба 24.01 ГОСТ 11371-78

0,0323

21

0,68

 

 

Итого: 138,46

1200

1

Элемент болтового стыка Фб120

78,0

2

156,0

2

Болт М24´60.58 ГОСТ 7798-70

0,33

21

6,93

3

Гайка М24.5 ГОСТ 5915-70

0,107

21

2,25

4

Шайба 24.01 ГОСТ 11371-78

0,0323

21

0,68

 

 

Итого: 165,86

1600

1

Элемент болтового стыка Фб160

105,8

2

211,6

2

Болт М24´60.58 ГОСТ 7798-70

0,33

23

7,59

3

Гайка М24.5 ГОСТ 5915-70

0,107

23

2,46

4

Шайба 24.01 ГОСТ 11371-78

0,0320

23

0,74

 

 

Итого: 222,39

Сварной стык

Черт. 20

Таблица 17

Спецификация стали на сварной стык

Диаметр сваи, сваи-оболочки, мм

Наименование детали

Масса детали, кг

Кол. деталей

Расход стали на стык, кг

400

Элемент сварного стыка Фсв40

11,9

2

23,8

500

Элемент сварного стыка Фсв50

15,2

2

30,4

600

Элемент сварного стыка Фсв60

17,2

2

34,4

800

Элемент сварного стыка Фсв80

26,8

2

53,8

1000

Элемент сварного стыка Фсв100

37,0

2

74,0

1200

Элемент сварного стыка Фсв120

49,8

2

99,6

1600

Элемент сварного стыка Фсв160

78,0

2

146,0

4.2. После укладки секции (укрупненной секции) на две опоры через 10 мин проводят осмотр ее верхней поверхности над опорой. Секцию (укрупненную секцию) считают выдержавшей испытание, если ширина раскрытия трещин не превышает 0,2 мм.

5. Транспортирование секций и подъем их на копер

5.1. Подъем секций (укрупненных секций) следует производить захватами в местах, отмеченных на поверхности секций: в виде одинарной полосы на расстоянии l1 от торца - при транспортировании и выемке из опалубки и после укрупненной сборки; в виде двойной полосы на расстоянии l2 от торца - при подъеме на копер.

Полосы следует наносить на двух противоположных поверхностях секций. Длина полосы должна быть не менее 10 см для свай и 20 см для свай-оболочек.

5.2. Разметку мест захвата следует производить в соответствии с указанной на черт. 1, 2 и в табл. 1 для секций свай и свай-оболочек и в табл. 18 для укрупненных секций свай и свай-оболочек со сварными стыками.

Таблица 18

Длина укрупненной секции, мм

Наименование конструкции

Расстояние от торца до отметки захвата, мм

при транспортировании (одинарная полоса)

при подъеме на копер (двойная полоса)

14000

Свая

2900

4100

Свая-оболочка

0 (за торцы)

0 (за торцы)

16000

Свая

3300

4700

Свая-оболочка

0 (за торцы)

0 (за торцы)

18000

Свая

3700

5300

Свая-оболочка

20000

Свая

4100

5900

Свая-оболочка

14000-20000

Свая-оболочка усиленная

0 (за торцы)

0 (за торцы)

5.3. Секции, для которых в табл. 1 не указаны места подъема при транспортировании и выемке из опалубки, допускается поднимать за торцы при помощи захватов специальной конструкции.

При складировании и транспортировании таких секций прокладки между ними следует располагать на расстоянии 0,5 м от торцов.

5.4. Подъем секций на копер следует производить за торец при помощи захвата специальной конструкции,

ПРИЛОЖЕНИЕ
Справочное

УСЛОВИЯ РАСЧЕТА И ПРИМЕНЕНИЯ СВАЙ И СВАЙ-ОБОЛОЧЕК

1. Секции и укрупненные секции свай и свай-оболочек со сварными стыками рассчитаны на изгиб от усилий, возникающих при подъеме на копер за одну точку, расположенную от торца на расстоянии, равном 0,294 длины цилиндрической части сваи и сваи-оболочки, по прочности и по кратковременному раскрытию трещин до ат.кр = 0,3 мм.

Коэффициент перегрузки к нагрузке от собственной массы не учитывают.

Коэффициент динамичности принят равным:

1,5 - при расчете по прочности;

1,25 - при расчете по раскрытию трещин.

2. Сваи сваи-оболочки рассчитаны также на вибропогружение. Рекомендуемые марки вибропогружателей приведены в таблице.

Диаметр сваи или сваи-оболочки, мм

Типы стыка

Марка вибропогружателя

600

Сварной

ВП-3М

800

Болтовой, сварной

ВП-3М

1000

То же

ВП-80

1200

 

ВП-80

1200 (усиленная)

Сварной

ВП-170

1600

Болтовой, сварной

ВУ-1,6

1600 (усиленная)

Сварной

ВП-250

3. При проектировании свайных фундаментов сваи и сваи-оболочки должны быть рассчитаны по прочности и раскрытию трещин на нагрузки, передаваемые на сваю или сваю-оболочку в строительный и эксплуатационный периоды. При этом допустимую ширину раскрытия трещин принимают в соответствии с требованиями СНиП II-21-75.

Допускается увеличивать поперечное сечение продольной арматуры, если это требуется по расчету. При этом в конце обозначения марки сваи или сваи-оболочки добавляют строчную букву «у» (усиленная) и в заказной спецификации дополнительно указывают класс, диаметр и число стержней продольной арматуры.

4. При проверке свай и свай-оболочек по прочности и раскрытию трещин до ат.дл = 0,2 мм на внецентренно сжатие от эксплуатационных нагрузок М и N допускается пользоваться графиками, приведенными на черт. 1-10 на стоящего приложения.

На графиках приняты обозначения: N - нормальная сила, тс, и М - изгибающий момент, относительно оси сваи или сваи-оболочки, т×см, передаваемые на сваю или сваю-оболочку при эксплуатации здания или сооружения. Предполагается, что свая или свая-оболочка по всей длине находится в грунте и ее продольный изгиб не учитывают.

5. После выбора длины и диаметра сваи или сваи-оболочки (по геологическим условиям) устанавливают класс, диаметр и число стержней продольной арматуры в соответствии с настоящим стандартом.

6. Если точка с координатами М и N лежит ниже кривой, соответствующей принятому армированию сваи или сваи-оболочки, то выбранная свая или свая-оболочка удовлетворяет расчету по прочности и раскрытию трещин на эксплуатационные нагрузки М и Л, если точка лежит выше - не удовлетворяет.

Сваи диаметром 400 мм. Бетон М300 (болтовой стык)

Черт. 1

Сваи диаметром 500 мм. Бетон М300 (болтовой стык)

Черт. 2

Сваи диаметром 600 мм. Бетон М300 (болтовой стык)

Черт. 3

Сваи диаметром 800 мм. Бетон М400 (болтовой стык)

Черт. 4

Сваи-оболочки диаметром 1000, 1200, 1600 мм. Бетон М400 (болтовой стык)

Черт. 5

Сваи диаметром 400 мм. Бетон М300 (сварной стык)

Черт. 6

Сваи диаметром 500 мм. Бетон М300 (сварной стык)

Черт. 7

Сваи диаметром 600 мм. Бетон М300 (сварной стык)

Черт. 8

Сваи диаметром 800 мм. Бетон М400 (сварной стык)

Черт. 9

Сваи-оболочки диаметром 1000, 1200, 1600 мм. Бетон М400 (сварной стык)

Черт. 10

2008-2013. ГОСТы, СНиПы, СанПиНы - Нормативные документы - стандарты.