Нормативные документы размещены исключительно с целью ознакомления учащихся ВУЗов, техникумов и училищ.
Объявления:

ГОСУДАРСТВЕННЫЙ СТАНДАРТ СОЮЗА ССР

ОКНА И БАЛКОННЫЕ ДВЕРИ ДЕРЕВЯННЫЕ
С ТРОЙНЫМ ОСТЕКЛЕНИЕМ ДЛЯ ЖИЛЫХ
И ОБЩЕСТВЕННЫХ ЗДАНИЙ

Типы, конструкция и размеры

ГОСТ 16289-86

Государственный строительный комитет СССР

Москва 1986

РАЗРАБОТАН Государственным комитетом по гражданскому строительству и архитектуре при Госстрое СССР

Исполнители

И.В. Строков (руководитель темы); Б.А. Филозофович; И.С. Посельская; Г.Г. Коваленко; Н.Н. Цаплев, канд. техн. наук; А.В. Ткаченко; Г.В. Левушкин; Н.В. Шведов

ВНЕСЕН Государственным комитетом по гражданскому строительству и архитектуре при Госстрое СССР

Зам. Председателя М.П. Коханенко

УТВЕРЖДЕН И ВВЕДЕН В ДЕЙСТВИЕ постановлением Государственного комитета СССР по делам строительства от 14 ноября 1985 № 192

Содержание

1. ОСНОВНЫЕ РАЗМЕРЫ И МАРКИ

2. ТРЕБОВАНИЯ К КОНСТРУКЦИИ

ПРИЛОЖЕНИЕ 1 Справочное

ПРИЛОЖЕНИЕ 2 Справочное

ПРИЛОЖЕНИЕ 3 Рекомендуемое

ПРИЛОЖЕНИЕ 4 Справочное

ПРИЛОЖЕНИЕ 5 Справочное

ПРИЛОЖЕНИЕ 6 Справочное

ГОСУДАРСТВЕННЫЙ СТАНДАРТ СОЮЗА ССР

ОКНА И БАЛКОННЫЕ ДВЕРИ ДЕРЕВЯННЫЕ
С ТРОЙНЫМ ОСТЕКЛЕНИЕМ ДЛЯ ЖИЛЫХ
И ОБЩЕСТВЕННЫХ ЗДАНИЙ

Типы, конструкция и размеры

Wooden windows and balcony doors of triple
glazing for dwelling and public buildings.

Types, structure and dimensions

ГОСТ
16289-86

Взамен
ГОСТ 16289-80

Постановлением Государственного комитета СССР по делам строительства от 14 ноября 1985 № 192 срок введения установлен

с 01.01.87

Настоящий стандарт распространяется на деревянные окна и балконные двери с тройным остеклением, предназначаемые для жилых и общественных зданий, а также для вспомогательных зданий и помещений предприятий различных отраслей народного хозяйства.

1. ОСНОВНЫЕ РАЗМЕРЫ И МАРКИ

1.1. Окна и балконные двери изготовляют по настоящему стандарту с раздельно-спаренными переплетами и дверными полотнами.

1.2. Габаритные размеры окон и балконных дверей и размеры проемов для них должны соответствовать:

для жилых зданий - указанным на черт. 1 и в приложении 1;

для общественных зданий - указанным на черт. 2 и в приложении 2.

Окна и балконные двери, приведенные на черт. 1, допускается применять и для общественных зданий.

1.3. Окна размерами 9-13,5; 12-13,5; 15-13,5; 18-13,5 и 21-13,5 модулей (модуль М=100 мм) для заполнения проемов в стенах из немодульного кирпича лицевой кладки по требованию потребителя должны изготовлять шириной на 80 мм больше указанной на черт. 1 за счет увеличения ширины широких створок, а окно размерами 15-6 модулей - шириной на 70 мм меньше указанной на черт. 1, при этом маркировку изменяют соответственно на 9-14; 12-14; 15-14; 18-14; 21-14 и 15-5.

1.4. По требованию потребителей одностворные окна и балконные двери, в т.ч. с форточными створками и фрамугами, должны изготовляться также и левыми, а много створные окна с несимметричным рисунком - в негативном изображении.

1.5. Устанавливают следующую структуру условного обозначения (марки) окон и балконных дверей:

Примеры условных обозначений:

Окно правое типа РС для проема высотой 15 и шириной 9 дм:

ОРС15-9 ГОСТ 16289-86

То же, левое:

ОРС15-9Л ГОСТ 16289-86

Окно типа РС для проема высотой 15 и шириной 13,5 дм, с форточной створкой:

ОРС15-13,5 ГОСТ 16289-86

То же, для проема высотой 18 и шириной 18 дм, с несимметричным рисунком (вариант В):

ОРС18-18В ГОСТ 16289-86

То же, в негативном изображении:

ОРС18-18ВН ГОСТ 16289-86

Дверь балконная правая типа РС для проема высотой 22 и шириной 7,5 дм:

БРС22-7,5 ГОСТ 16289-86

То же, левая:

БРС22-7,5 Л ГОСТ 16289-86

2. ТРЕБОВАНИЯ К КОНСТРУКЦИИ

2.1. Окна и балконные двери должны изготовляться в соответствии с требованиями ГОСТ 23166-78 и настоящего стандарта по рабочим чертежам, утвержденным в установленном порядке.

2.2. Конструкция, форма, основные размеры и марки окон, и балконных дверей для жилых зданий, должны соответствовать указанным на черт. 3-6, размеры сечений - на черт. 7-15; для общественных зданий на черт. 16-22, размеры сечений - на черт. 23-32.

2.3. Размеры на общих видах окон и балконных дверей даны в свету, по наружным сторонам створок, форточек, фрамуг и полотен дверей и по наружным сторонам коробок.

На чертежах, приведенных в настоящем стандарте, указаны размеры, для неокрашенных деталей и изделий в миллиметрах.

2.4. Для отвода дождевой воды в нижних брусках коробок и в горизонтальных импостах под широкими створками, фрамугами и полотнами сверлят отверстия диаметром 10 мм, располагаемые на расстоянии 50 мм от вертикальных брусков коробок и импостов, а под форточными и узкими створками - одно отверстие посередине створок.

2.5. Наружные створки окон и наружные полотна балконных дверей должны быть оснащены врезными завертками со съемными ручками, а фрамуги - фрамужными приборами по ГОСТ 5090-79.

2.6. Наружные створки окон и наружные полотна балконных дверей должны быть навешены на врезные петли с вынимающимися стержнями по ГОСТ 5088-76.

Внутренние створки окон высотой более 1400 мм и шириной более 600 мм, высотой более 1000 мм и шириной более 900 мм, а также полотна балконных дверей должны быть навешены на три петли.

2.7. Для остекления окон и балконных дверей жилых зданий следует применять стекло по ГОСТ 111-78 толщиной 2,5-3 мм, а для общественных зданий - толщиной 3-4 мм.

Толщину стекла уточняют в проекте с учетом ветровых нагрузок и шумовых воздействий в районе строительства и указывают в заказе на изделия.

2.8. Места расположения уплотняющих пенополиуретановых прокладок по ГОСТ 10174-72 в притворах окон и балконных дверей указаны на чертежах сечений.

2.9. По требованию потребителей по периметру коробок окон и балконных дверей на торцевых и боковых поверхностях допускаются продольные пазы различного профиля, заполняемые деревянными вкладышами и обрамляемые наличниками при соединении изделий друг с другом.

2.10. Для обеспечения возможности оборудования окон и балконных дверей общественных зданий фрамужными приборами рычажного типа допускается увеличивать толщину верхних и вертикальных брусков коробок и импостов на 20 мм без изменения габаритов изделий.

2.11. По согласованию изготовителя с потребителем допускается изготовление балконных дверей высотой 28 модулей с фрамугами в отдельных коробках. В этом случае высоту глухой части полотен или остекленной части фрамуг уменьшают на 50 мм.

2.12. Расположение приборов в окнах и балконных дверях (примеры) приведено в приложении 3; спецификация стекол для окон и балконных дверей жилых зданий приведена в приложении 4, спецификация стекол для окон и балконных дверей общественных зданий - в приложении 5; фрамужный соединитель и ручка-упор приведены в приложении 6.

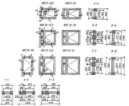
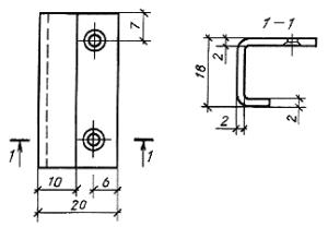
Типы и габаритные размеры окон и балконных дверей жилых зданий

Черт. 1

Типы и габаритные размеры окон и балконных дверей общественных зданий

Примечания к черт. 1 и 2.

1. Схемы изделий изображены со стороны фасада.

2. Цифры над схемами изделий означают размеры проемов в модулях.

Черт. 2

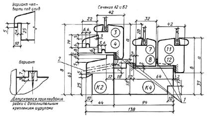
Конструкция, форма, основные размеры и марки окон и балконных дверей жилых зданий

Черт. 3

Черт. 4

Черт. 5

Черт. 6

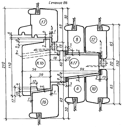
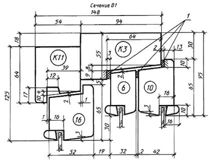
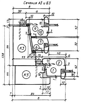
Сечения по притворам окон и балконных дверей жилых зданий

Сечение

а

б

в

Деталь

А1

55

115

85

1

5

9

Б1

65

125

95

2

6

10

Примечание. Допускается размеры раскладки по стеклу уменьшать на 1 мм.

Черт. 7

1 - уплотняющие прокладки; 2 - отверстие диаметром 10 мм для отвода воды

Сечение

а

б

в

Деталь

А2

55

110

90

3

7

11

Б2

65

120

100

4

8

12

Примечания

1. К1 - профили сечения коробок; 1 (в круге) - профили сечения створок.

2. Вариант отлива из алюминия см. черт. 10.

Черт. 8

Сечение

а

б

в

Деталь

А3

55

125

85

1

5

9

Б3

65

135

95

2

6

10

Черт. 9

Сечение

а

б

в

Деталь

А4

55

165

115

1

5

9

3

7

11

Б4

65

185

135

2

6

10

4

8

12

Черт. 10

Сечение

а

б

в

Деталь

А5

55

190

130

1

5

9

Б5

65

210

150

2

6

10

Черт. 11

Черт. 12

1 - твердая ДВП по ГОСТ 4598; толщиной 3,2-4 мм; 2 - мягкая ДВП по ГОСТ 4598; толщиной 8 мм; 3 - пергамин по ГОСТ 2697; 4 - обшивка типа 2 по ГОСТ 8242; 5 - раскладка

Черт. 13

Черт. 14

Черт. 15

Конструкция, форма, основные размеры и марки окон и балконных дверей общественных зданий

Черт. 16

Черт. 17

Черт. 18

Черт. 19

Черт. 20

Черт. 21

Черт. 22

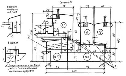
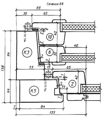
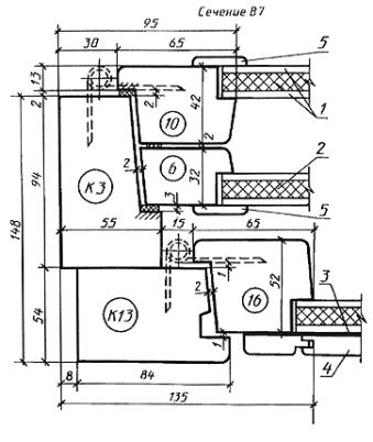
Сечения по притворам окон и балконных дверей общественных зданий

Черт. 23

1 - уплотняющие прокладки; 2 - отверстие диаметром 10 мм для отвода воды

Черт. 24

Черт. 25

Сечения

а

б

в

г

Деталь

В4

210

5

30

124

К14

В5

220

15

40

134

К15

Примечание. Петля для сечения В5.

Черт. 26

Черт. 27

Примечание. Заполнение полотен см. черт. 29.

Черт. 28

1 - твердая древесноволокнистая плита Т-400 по ГОСТ 4598-74, толщиной 3,2-4 мм; 2 - мягкая древесноволокнистая плита по ГОСТ 4598-74, толщиной 8 мм; 3 - пергамин по ГОСТ 2697-83; 4 - обшивка типа 2 по ГОСТ 8242-75; 5 - раскладки.

Черт. 29

Черт. 30

Черт. 31

1 - нащельник

Черт. 32

ПРИЛОЖЕНИЕ 1
Справочное

ГАБАРИТЫ ПРОЕМОВ ОКОН И БАЛКОННЫХ ДВЕРЕЙ В НАРУЖНЫХ СТЕНАХ ЖИЛЫХ ЗДАНИЙ

Примечание. Размеры ширины проемов указаны для стен из панелей и модульного кирпича.

ПРИЛОЖЕНИЕ 2
Справочное

ГАБАРИТЫ ПРОЕМОВ ОКОН И БАЛКОННЫХ ДВЕРЕЙ В НАРУЖНЫХ СТЕНАХ ОБЩЕСТВЕННЫХ ЗДАНИЙ

Примечание. Размеры ширины проемов указаны для стен из панелей и модульного кирпича.

ПРИЛОЖЕНИЕ 3
Рекомендуемое

РАСПОЛОЖЕНИЕ ПРИБОРОВ В ОКНАХ И БАЛКОННЫХ ДВЕРЯХ
(примеры)

1 - петля ПВ1-100Л для внутренних створок, ПВ2-100-1 для наружных створок; 2 - петля ПВ3-1 для спаривания; 3 - петля ПВ1-80П для внутренних створок, ПВ2-75-1 для наружных створок; 4 - завертка ЗР2-1 для внутренних створок; ЗР2-2 для наружных створок со съемной ручкой; 5 - стяжка СТ

Черт. 1

1 - петля ПВ1-100П для внутренних, ПВ2-100-1 для наружных створок; 2 ¾ петля ПВ3-1 для спаривания; 3 - петля ПВ2-100-2 для наружных и внутренних фрамуг; 4 - завертка ЗР2-1 для внутренних створок; ЗР2-2 для наружных створок со съемной ручкой; 5 - прибор фрамужный ПФ2; 6 - петля ПВ3-2 для спаривания; 7 - фрамужный соединитель; 8 - стяжка СТ; 9 - ручка РС80; 10 - фиксатор ФК1

Черт. 2

Примечания к черт. 1 и 2:

1. Приборы для окон и балконных дверей должны соответствовать ГОСТ 538-78, ГОСТ 5087-80, ГОСТ 5088-78, ГОСТ 5090-79 и ГОСТ 5091-78.

2. Наружные створки должны навешиваться на петли типов ПВ2 с вынимающимися стержнями.

3. Завертки показаны в открытом положении.

4. Ручки РС80 устанавливают на наружных створках с внешней стороны здания на высоте 1000 мм от порога.

5. Фрамужный прибор показан условно.

6. Стяжки СТ располагают на створках со стороны помещения.

7. Угольники устанавливают в соответствии с п. 2.13 ГОСТ 23166-78.

8. Фиксаторы устанавливают на узкие створки окон жилых и общественных зданий.

ПРИЛОЖЕНИЕ 4
Справочное

СПЕЦИФИКАЦИЯ СТЕКОЛ ДЛЯ ОКОН И БАЛКОННЫХ ДВЕРЕЙ ЖИЛЫХ ЗДАНИЙ

Марка

Размер, мм

внутренний

наружный

Высота

Ширина

Кол.

Высота

Ширина

Кол.

ОРС 6-9

400

715

2

350

635

1

ОРС 6-12

400

585

2

350

515

1

315

245

ОРС 9-9

700

715

2

650

635

1

ОРС 9-12

700

585

2

650

515

1

315

245

ОРС 9-13,5

700

735

2

650

665

1

315

245

ОРС 9-15

700

885

2

650

815

1

315

245

ОСП 12-9

535

715

2

485

635

1

365

315

ОРС 12-12

1000

585

2

950

515

1

535

315

485

245

365

315

ОРС 12-13,5

1000

735

2

950

245

1

535

315

485

365

315

ОРС 12-15

1000

885

2

950

245

1

535

315

485

365

315

ОРС 15-6

835

415

2

785

335

1

365

315

ОРС 15-9

835

715

2

785

635

1

365

315

ОРС 15-9А

1300

715

2

1250

635

1

ОРС 15-12

1300

585

2

1250

515

1

835

315

785

245

365

315

ОРС 15-13,5

1300

735

2

1250

665

 

835

315

785

245

1

365

315

 

 

ОРС 15-18

1300

755

315

2

2

1250

685

245

1

835

315

785

245

365

315

ОРС 15-21

1300

685

4

1250

615

1

835

315

2

785

245

365

315

ОРС 18-9

995

695

2

945

615

1

465

 

415

ОРС 18-9А

1580

695

2

1530

615

1

ОРС 18-13,5

1580

695

2

1530

625

1

995

315

945

245

465

415

ОРС 15-15

1300

885

2

1250

815

1

835

315

785

245

365

315

 

ОРС 18-15

1580

815

2

1530

77

 

995

315

945

245

1

465

415

 

 

БРС 22-7,5

1300

545

2

1250

465

1

БРС 22-9

1300

695

2

1250

615

1

БРС24-7,5

1580

545

2

1530

465

1

БРС 24-9

1580

695

2

1530

615

1

ПРИЛОЖЕНИЕ 5
Справочное

СПЕЦИФИКАЦИЯ СТЕКОЛ ДЛЯ ОКОН И БАЛКОННЫХ ДВЕРЕЙ ОБЩЕСТВЕННЫХ ЗДАНИЙ

Марка

Размер,мм

внутренний

наружный

Высота

Ширина

Кол.

Высота

Ширина

Кол.

ОРС12-9В

980

695

2

930

615

1

ОРС12-12В

980

995

2

930

915

1

ОРС12-13,5В

980

1145

2

930

1065

1

ОРС12-15В

980

775

2

930

705

1

 

 

385

 

 

315

 

ОРС12-18В

980

995

2

930

925

1

 

 

465

 

 

395

 

ОРС12-21В

980

1195

2

930

1125

1

 

 

565

 

 

495

 

ОРС18-9В

1050

695

2

1000

615

1

 

395

 

 

335

 

 

ОРС18-12В

1050

995

2

1000

915

1

 

395

 

 

335

 

 

ОРС18-13,5В

1050

1145

2

1000

1065

1

 

395

 

 

335

 

 

 

1580

385

 

1530

315

 

ОРС18-15В

1050

775

2

1000

705

1

 

395

 

 

335

 

 

 

1580

465

 

1530

395

 

ОРС18-18В

1050

995

2

1000

925

1

 

395

 

 

335

 

 

 

1580

565

 

1530

495

 

ОРС18-21В

1050

1195

2

1000

705

1

 

395

 

 

335

1125

 

 

1580

 

 

1530

 

 

ОРС18-24В

1050

1030

2

1000

960

1

 

395

 

 

335

 

 

ОРС18-9Г

1580

695

2

1530

615

1

 

1580

 

 

1530

 

 

ОРС18-27В

1050

1180

2

1000

1110

1

 

395

 

 

335

 

 

ОРС18-12Г

1580

995

2

1530

915

1

ОРС18-13,5Г

1580

1145

2

1530

1065

1

ОРС18-15Г

1580

775

2

1530

705

1

 

 

385

 

 

315

 

ОРС18-18Г

1580

995

2

1530

925

1

 

 

465

 

 

395

 

ОРС18-21Г

1580

1195

2

1530

1125

1

 

 

565

 

 

495

 

ОРС18-24Г

1580

1030

4

1530

960

2

ОРС18-27Г

1580

1175

2

1530

1105

1

 

 

525

4

 

455

2

ОРС21-9В

1350

695

2

1300

615

1

 

395

 

 

335

 

 

ОРС21-12В

1350

995

2

1300

915

1

 

395

 

 

335

 

 

ОРС21-13,5В

1350

1145

2

1300

1065

1

 

395

 

 

335

 

 

 

1880

385

 

1830

315

 

ОРС21-15В

1350

775

2

1300

705

1

 

395

 

 

335

 

 

 

1880

465

 

1830

395

 

ОРС21-18В

1350

995

2

1300

925

1

 

395

 

 

335

 

 

ОРС21-9Г

1880

695

2

1830

615

1

 

1880

565

 

1830

495

 

ОРС21-21В

1350

1195

2

1300

1125

1

 

395

 

 

335

 

 

 

1880

 

 

1830

 

 

ОРС21-24В

1350

1030

2

1300

960

1

 

395

 

 

335

 

 

 

1880

 

 

1830

 

 

ОРС21-27В

1350

1080

2

1300

1110

1

 

395

 

 

335

 

 

ОРС21-12Г

1880

995

2

1830

915

1

ОРС21-13,5Г

1880

1145

2

1830

1065

1

ОРС21-15Г

1880

775

2

1830

705

1

 

 

385

 

 

315

 

ОРС21-18Г

1880

995

2

1830

925

1

 

 

465

 

 

395

 

ОРС21-21Г

1880

1195

2

1830

1125

1

 

 

565

 

 

495

 

ОРС21-24Г

1880

1030

4

1830

960

2

ОРС21-27Г

1880

1175

2

1830

1105

1

 

 

525

4

 

455

2

БРС28-9

1350

695

2

1300

615

1

 

395

 

 

335

 

 

БРС28-12

1350

995

2

1300

915

1

 

395

 

 

335

 

 

БРС28-18

1350

 

 

1300

735

 

 

 

750

4

 

685

1

 

395

 

 

335

735

 

 

 

 

 

 

685

 

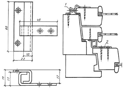
ПРИЛОЖЕНИЕ 6
Справочное

СОЕДИНИТЕЛЬ ФРАМУЖНЫЙ

1 - ограничитель; 2 - соединитель

Черт. 1

РУЧКА-УПОР

Шурупы 1-3´25 по ГОСТ 1145-80 (2 шт.).

Черт. 2

Приложение к письму Минстроя России от 17 апрели 1997 г. № СП-232/13

РЕКОМЕНДАЦИИ
по применению окон и балконных дверей с различными значениями сопротивления теплопередаче (
Rо, м2 С/Вт) для жилых и общественных зданий

Градусосутки отопительного периода

Планируемое значение Rотр

Рекомендуемые конструкции деревянных и поливинилхлоридных (ПВХ) окон и балконных дверей

Справочное значение Rо

до 2500

0,38

Деревянные по ГОСТ 24700 и ПВХ окна с однокамерными стеклопакетами (СПО)

0,38

 

 

Деревянные спаренные по ГОСТ 11214

0,40

 

 

Деревянные раздельные по ГОСТ 11214

0,43

до 4000

0,50

Деревянные по ГОСТ 24700 и ПВХ окна с двухкамерными стеклопакетами (СПД)

0,50

 

 

Деревянные по ГОСТ 24700 и ПВХ окна с СПО и теплоотражающим покрытием внутреннего стекла (ТОП)

0,53

до 5000

0,55

Деревянные с тройным остеклением по ГОСТ 16289

0,55

 

 

Деревянные со стеклом и СПО по ГОСТ 24699

0,55

 

 

Деревянные по ГОСТ 24700 и ПВХ окна с СПД и ТОП

0,57

 

 

Деревянные по ГОСТ 24700 и ПВХ окна с СПО и ТОП, заполнение - аргон

0,60

до 6000

0,65

Деревянные по ГОСТ 24700 и ПВХ окна с СПД и ТОП, межстекольные расстояния 12 и 8 мм.

0,65

 

 

с усиленными сечениями профилей

0,55

 

 

Деревянные спаренные по ГОСТ 11214 с установкой теплового экрана между стекол

0,65

 

 

Деревянные с тройным остеклением по ГОСТ 24699 с ТОП

0,65

 

 

Деревянные со стеклом и СПО с ТОП по ГОСТ 24699

0,65

до 8000

0,75

Деревянные со стеклом и СПО с ТОП по ГОСТ 24699, заполнение - аргон, с усиленным сечением профилей ГОСТ 24699

0,75

 

 

Деревянные со стеклом и СПД с ТОП по ГОСТ 24699, межстекольные расстояния 12 и 8 мм, аргон, с усиленным сечением профилей

0,75

свыше 8000

0,85

Деревянные с тройным остеклением с ТОП по ГОСТ 16289 и установкой в спаренной части теплового экрана

0,85

 

 

Деревянные со стеклом и СПО с ТОП по ГОСТ 24699, заполнение - криптон, с усиленным сечением профилей

1,0

Примечания:

1. До внесения изменений в ГОСТ 11214-86, ГОСТ 16289-86, ГОСТ 24699-81, ГОСТ 24700-81 рекомендуется по согласованию с Минстроем России проводить работы по модернизации конструктивных решений окон с учетом современного опыта их производства и применения. При этом в конструкциях окон с сопротивлением теплопередаче выше 0,4 м2 С/Вт рекомендуется применять 2 ряда уплотнительных прокладок.

2. Сопротивление теплопередаче глухой части балконных дверей должно быть не менее чем в 1,5 раза выше сопротивления теплопередаче светопрозрачной части этих изделий.

3. Справочное значение Rо приведено для конструкции с отношением площади остекления к площади заполнения светового проема 0,7-0,75.

2008-2013. ГОСТы, СНиПы, СанПиНы - Нормативные документы - стандарты.