МЕЖГОСУДАРСТВЕННЫЙ СТАНДАРТ
|
ЯЩИКИ ДЕРЕВЯННЫЕ ДЛЯ ГРУЗОВ МАССОЙ |
ГОСТ |
|
св. 200 до 20000 кг |
|
|
Общие технические условия |
|
|
Wooden boxes for weights of mass |
|
|
over 200 up to 20000 kg. General specifications |
Дата введения 01.01.93
Содержание
Настоящий стандарт распространяется на разборные и неразборные дощатые ящики с планками и деталями каркаса из пиломатериалов и обшивкой из фанеры или древесно-волокнистой плиты для грузов массой свыше 200 до 20000 кг.
Стандарт применяется при разработке нормативно-технической документации на дощатые ящики для грузов массой до 500 кг, если габаритные размеры ящиков превышают 1200´800´1200 мм.
Требования, изложенные в разд. 3, 4 и п. 2.2.11 настоящего стандарта, являются обязательными, остальные - рекомендуемыми.
Термины, применяемые в настоящем стандарте, и их пояснения приведены в приложении 1, наименования деталей ящиков - в приложении 2.
1.1. Типы ящиков должны соответствовать указанным в табл. 1.
Таблица 1
|
Тип и характеристика ящика |
Обозначение типа |
Чертеж |
Предельная масса груза в ящике, кг |
|
I - щитовые неразборные с торцовыми стенками, собранными на четырех планках, плотные (высотой и шириной до 1000 мм) |
I-1 |
Черт. 1 |
1000 |
|
решетчатые (высотой и шириной до 1000 мм) |
I-2 |
Черт. 2 |
1000 |
|
плотные на полозьях, нештабелируемые |
I-3 |
Черт. 3 |
3000 |
|
решетчатые на полозьях, нештабелируемые |
I-4 |
Черт. 4 |
3000 |
|
II - каркасно-щитовые неразборные плотные и решетчатые |
II-1 |
Черт. 5 |
20000 |
|
|
II-2 |
Черт. 6 |
20000 |
|
|
II-3 |
Черт. 7 |
20000 |
|
III - каркасно-щитовые плотные разборные на болтах или шурупах (многооборотные): |
|
|
|
|
с наружным каркасом |
III-1 |
Черт. 8 |
20000 |
|
с внутренним каркасом |
III-2 |
Черт. 9 |
20000 |
|
IV - каркасные неразборные плотные и решетчатые |
IV-1 |
Черт. 10 |
20000 |
|
|
IV-2 |
Черт. 11 |
20000 |
|
V - щитовые неразборные плотные и решетчатые, нештабелируемые |
V-1 |
Черт. 12 |
5000 |
|
|
V-2 |
Черт. 13 |
5000 |
|
VI - щитовые неразборные с обшивкой из фанеры или древесно-волокнистой плиты на 24 наружных планках и с планками-полозьями на дне (с габаритными размерами не более 1200 мм) |
VI-1 |
Черт. 14 |
300 |
|
на 16 наружных планках и с планками-полозьями на дне (с габаритными размерами не более 1200 мм) |
VI-2 |
Черт. 15 |
300 |
|
на 12 наружных и 8 внутренних планках с дощатым дном и планками-полозьями на дне (с габаритными размерами св. 600 до 2000 мм) |
VI-3 |
Черт. 16 |
500 |
|
на 8 наружных и 10 внутренних планках с дощатой крышкой и дном на полозьях (с габаритными размерами св. 600 до 2500 мм) |
VI-4 |
Черт. 17 |
800 |
|
VII - щитовые с боковыми, торцовыми щитами и крышкой рамной конструкции, с дощатым дном на полозьях: неразборные на гвоздевых соединениях |
VII-1 |
Черт. 18 |
800 |
|
разборные на болтах или шурупах |
VII-2 |
Черт. 19 |
1000 |
|
VIII – каркасно-щитовые, каркасные, щитовые с обшивкой боковых и торцовых щитов фанерой или древесно-волокнистой плитой: каркасно-щитовые неразборные |
VIII-1 |
Черт. 20 |
20000 |
|
каркасные неразборные |
VIII-2 |
Черт. 21 |
20000 |
|
каркасно-щитовые разборные на болтах или шурупах с наружным каркасом |
VIII-3 |
Черт. 22 |
20000 |
|
щитовые неразборные с наружным расположением деталей, предназначенные для грузов, воспринимающих нагрузки и занимающих полностью внутренний объем ящика |
VIII-4 |
Черт. 23 |
20000 |
Примечание. Внутреннее расположение деталей ящиков с обшивкой листовыми древесными материалами указано в приложении 3;
для ящиков типа VI-3 черт. 26, типа VI-4 черт. 27, типа VII - черт. 28.
Допускается изготовлять ящики типов:
I - с внутренним расположением планок и раскосов;
с досками боковых стенок, дна и крышки, состоящими из двух отрезков при длине ящика более 4000 мм. Стыковка отрезков производится на планках пояса, при этом на каждой планке доски стыкуются через две и более;
с полозьями;
I-3, I-4, V - разборными, для грузов массой до 500 кг;
I-3, II-1, III-1, IV-1 и V-1 - с решетчатым дном для грузов, имеющих сплошное жесткое основание, и для грузов, закрепленных на крепежных брусьях или полозьях, если это не влияет на сохранность и качество грузов;
I-3, I-4, II, III, IV, V и VIII - с полозьями и продольными брусьями боковых стенок длиной более 4000 мм, составными по длине в соответствии с приложением 4, причем стыки отдельных отрезков не должны находиться на одном уровне;
с полозьями, составными по ширине, в соответствии с приложением 5;
с полозьями или дном из профильного проката (двутавр, швеллер), при этом предельные допустимые изгибающие моменты должны быть одинаковыми Мпред.с= Мпред.д;
с применением брусьев, стоек, раскосов щитов и досок крышки других сечений, без уменьшения момента сопротивления изгибу;
с досками дна, составными по длине, при трех и более полозьях, со стыковкой по оси полоза шириной не менее 125 мм;
II-1 и И-2 - с горизонтальным расположением досок обшивки торцовых стенок и установкой угловых стоек только на торцовых стенках для грузов массой до 3000 кг;
II-2, IV-2 - с плотным дном и крышкой, с плотной крышкой;
II и III-1 - с дополнительными продольными планками сечением 40´60 мм по краям на дне ящика, прибиваемыми к доскам дна, для ящиков типа II - с внутренней стороны, для ящиков типа III-1 - с наружной стороны. При креплении боковых стенок длиной и высотой более 2000 мм, а также в случае установки боковых стенок на полозья доски дна должны быть смещены или уменьшены по ширине на толщину досок обшивки. При ширине ящика свыше 1000 мм устанавливается дополнительная продольная планка посередине ящика;
II и IV - с досками обшивки, состоящими из двух отрезков, при высоте ящика более 2000 мм, при этом стыковка производится по оси среднего горизонтального бруса шириной не менее 100 мм;
III - решетчатыми с величиной просвета между досками не более 100 мм;
III-1 - с перекрытием торцовых стенок боковыми;
IV-2 - с обшивкой решетчатыми щитами шириной от 700 до 1000 мм с просветами между деталями щита до 400 мм для боковых и торцовых стенок;
V - с раскосами;
VII, VIII - для ящиков длиной или высотой более 2000 мм с дополнительными продольными брусьями, прибиваемыми с внутренней стороны ящика к доскам дна;
с прорезями в продольных и крайних поперечных деталях крышки рамной конструкции для обеспечения стока воды;
VIII - с решетчатым дном и крышкой, если это не влияет на сохранность и качество груза;
VIII-1 с облегченным каркасом и крышкой рамной конструкции, нештабелируемые, перевозимые железнодорожным и автомобильным транспортом;
VIII-4 - облегченными, нештабелируемыми для грузов массой до 5000 кг, с крышкой рамной конструкции с обшивкой листовыми древесными материалами;
VIII-4 - с обшивкой стенок и крышки древесно-волокнистой плитой, находящейся между досками, расположенными во взаимно перпендикулярном направлении, с обшивкой фанерой с наружным расположением деталей;
II, IV, VIII - по форме отличающиеся от параллелепипеда (ящики со скошенными верхними углами с защитой отдельных выступающих частей изделия или с двускатной или наклонной крышкой с уклоном не более 10 %).
В ящиках типов II, V, имеющих высоту в 2-2,5 раза больше ширины и с центром массы, расположенным на высоте 1000 мм и более, а также в ящиках для грузов массой свыше 10000 кг допускается изготовлять крышку с открывающимися люками для строповки изделия за грузовые винты (рым-болты).
Люки вырезают в обшивке крышки без нарушения целостности продольных и поперечных брусьев.
Люки должны быть защищены прокладками из водонепроницаемого материала в зависимости от требования к упаковке конкретных видов продукции.
Допускается изготовлять ящики для грузов со сплошным жестким основанием колпачной конструкции.
1.2. Размеры ящиков должны устанавливаться исходя из габаритных размеров упаковываемого груза, с учетом рационального использования транспортных средств и габарита погрузки, а ящиков размерами до 1200´800 мм - с учетом ГОСТ 21140.
Зазор между упаковываемым грузом и стенками ящика устанавливается исходя из технических требований к упаковыванию конкретного изделия, а также с учетом установки приспособлений, применяемых для крепления и амортизации изделий.
При конструировании ящиков для перевозки конкретных видов продукции, кроме требований, установленных настоящим стандартом, должны учитываться требования:
при перевозке грузов морским транспортом - ГОСТ 26653;
при отправке грузов в районы Крайнего Севера и приравненные к ним районы - ГОСТ 15846;
при отправке грузов на экспорт - ГОСТ 24634;
при отправке грузов в районы с тропическим климатом - ГОСТ 15155;
при транспортировании грузов в ящиках с негабаритными размерами по железным дорогам - правил перевозки негабаритных и погруженных на транспортеры грузов, утвержденных Министерством путей сообщения.
1.3. Тип ящика, а также вид дополнительного крепления груза в нем устанавливаются нормативно-технической документацией на ящики для конкретных видов продукции в зависимости от свойств и массы этой продукции, условий транспортирования, хранения и требований к ее упаковке.
1.4. Размеры деталей ящиков типов I-I, I-2.
1.4.1. Толщина досок, планок и раскосов боковых, торцовых стенок, дна и крышки должны соответствовать указанным в табл. 2.
Таблица 2
Размеры, мм
|
Плотность упаковывания, кг/дм3 |
Толщина досок, планок и раскосов в ящиках |
|
|
плотных |
решетчатых с суммой просветов св. 10 до 50 % |
|
|
До 1 |
22 |
25 |
|
Св. 1 » 3 |
25 |
32 |
|
» 3 |
32 |
32 |
Ящики, имеющие сумму просветов до 10 % ширины щита включительно, рассчитывают как плотные.
При изготовлении ящиков с полозьями высота полозьев должна быть не менее 50 мм, ширина должна быть равна ширине планок.
1.4.2. При внутренней высоте ящиков 1000 мм или внутренней длине ящиков более 5000 мм, или в ящиках для изделий с упаковочной плотностью более 3 кг/дм3 на боковых, торцовых стенках, дне и крышке должны устанавливаться раскосы в соответствии с приложением 6, черт. 34.
1.4.3. Ширина планок и раскосов должна быть 75-100 мм, досок - не менее 75 мм. В щитах шириной до 400 мм допускается не более одной доски шириной 75 мм, а в щитах шириной свыше 400 мм - не более двух.
При ширине досок более 150 мм толщина досок, планок и раскосов плотных ящиков может быть снижена на одну градацию по сравнению с указанной в табл. 2.
1.4.4. Расстояние между поясами должно быть не более 700 мм. При расстоянии между поясами 400-500 мм толщина досок, планок и раскосов должна быть снижена на одну градацию.
Расстояние от планок крайних поясов до торцов ящика должно быть равно 1/6 длины ящика, но не должно превышать расстояния между поясами.
Допускается устанавливать дополнительные пояса в местах сосредоточенной нагрузки.
1.5. Толщина фанеры и древесно-волокнистой плиты и размеры деталей ящиков типов VI и VII
1.5.1. Толщина фанеры и древесно-волокнистой плиты, толщина и ширина наружных и внутренних планок боковых и торцовых щитов и крышки в ящиках типов VI-VII и планок дна в ящиках типов VI и VI-2 должны соответствовать указанным в табл. 3.
Допускается изготовление ящиков типов VI и VII с использованием древесно-волокнистой плиты толщиной 3,2-4 мм и фанеры толщиной 3-4 мм, при этом толщина планок должна быть увеличена на две градации по сравнению с указанной в табл. 3 либо на одну градацию, но с дополнительной установкой раскосов с толщиной и шириной, равными толщине и ширине планок, при условии сохранности груза. Расстояние между планками на боковых, торцовых щитах и крышке в ящиках типов VI-VII и дне в ящиках типов VI-1, VI-2 не должно быть более 600 мм.
Таблица 3
Размеры, мм
|
Масса груза нетто, кг |
Толщина |
Толщина и ширина планок |
|
|
фанеры |
древесно-волокнистой плиты |
||
|
Св. 200 до 300 |
5 |
6 |
19´60 |
|
» 300 » 400 |
5 |
6 |
19´75 |
|
» 400 » 500 |
6 |
6 |
19´75 |
|
» 500 » 700 |
6 |
8 |
22´75 |
|
» 700 » 1000 |
7 |
8 |
22´75 |
Листы фанеры или древесно-волокнистой плиты должны быть цельными.
В ящиках типов VI-3, VI-4 и VII допускается применение листового материала из двух и более листов, при этом стыковка производится на планках.
Допускается увеличение сечения планок в ящиках типа VII-2 (на две градации) для обеспечения соединения щитов ящика болтами или шурупами.
1.5.2. Толщина досок крышки в ящиках типа VI-4 не должна быть менее 19 мм, а ширина - менее 75 мм.
1.5.3. Толщина планок-полозьев в ящиках типов VI-1, VI-2, VI-3 должна быть не менее 50 мм, ширина должна быть 70-75 мм.
Планки-полозья устанавливают на дне на расстоянии от торцовой стенки, равном не более 1/3 длины ящика.
Допускается планки-полозья располагать по торцам ящика, в местах сосредоточенной нагрузки или местах крепления груза к дну.
1.5.4. Толщина досок дна в ящиках типов VI-3 и VI-4 в зависимости от массы груза должна соответствовать, мм:
св. 200 до 400 кг…………….. 19
» 400 » 600 кг…………….. 22
» 600 » 800 кг…………….. 25
Ширина досок должна быть не менее 100 мм.
1.6. Конструкция и размеры деталей ящиков типов I-3, I -4, II, III, IV, V, VI-4, VII, VIII
1.6.1. Дно ящиков должно состоять из двух или более полозьев, досок дна, подполозных досок, торцовых и крепежных брусьев.
Крепежные брусья устанавливают в том случае, если изделие не может быть закреплено на полозьях или досках дна.
Допускается торцовые брусья дна в ящиках типов VI-4 и VII не устанавливать.
1.6.2. Длина полозьев должна быть равна наружной длине ящика, при морских перевозках - на 25 мм больше с каждой стороны.
Концы полозьев должны быть скошены под углом 30°-60°, при этом катеты треугольника не должны превышать половины толщины бруса, но должны быть не менее 20 мм.
При транспортировании грузов на открытых железнодорожных платформах допускается концы полозьев не скашивать.
Расположение полозьев должно определяться возможностью крепления к ним груза.
Расстояние между осями смежных полозьев не должно превышать 1200 мм.
1.6.3. Высота и ширина полозьев в ящиках типов VI-4 и VII в зависимости от массы груза при двух полозьях должны соответствовать, мм:
для древесины хвойных пород:
св. 300 до 500 кг…………….. 44´100
» 500 » 600 кг…………….. 50´100
» 600 » 800 кг…………….. 60´100
» 800 » 1000 кг…………….. 75´100
При установке трех и более полозьев толщина полозьев может быть снижена на одну градацию и не должна быть менее 50 мм.
1.6.4. Высота и ширина полозьев в ящиках типов I-3, I-4, II, III, IV, V, VIII должны соответствовать указанным в пп. 1.6.6-1.6.8 и приложениях 7-9.
1.6.5. Высота и ширина полозьев для грузов со сплошным жестким основанием при строплении за полозья в пределах основания груза, а также при строплении за изделие, в зависимости от массы груза, должны соответствовать, мм:
св. 500 до 800 кг……………. 44´100
» 800 » 1000 кг…………… 50´100
» 1000 » 3000 кг…………… 75´125
» 3000 » 5000 кг…………… 100´100
» 5000 » 10000 кг…………… 125´150
» 10000 » 20000 кг…………… 150´175
Расстояние между полозьями допускается принимать более 1200 мм.
При креплении груза к полозьям допускается доски дна не устанавливать, если это не влияет на сохранность и качество груза.
1.6.6. Высота и ширина полозьев для грузов, конструкция которых рассчитана на восприятие нагрузки штабеля, и грузов со сплошным жестким основанием в случае стропления за полозья за пределами основания груза должны соответствовать указанным в приложении 9, при этом высоту и ширину полозьев для грузов массой свыше 200 до 500 кг принимают по массе груза 500 кг
1.6.7. Для грузов массой до 1000 кг, не имеющих опорных площадок и закрепленных на металлических или деревянных рамах, продольные элементы которых опираются на полозья по всей их длине, высота и ширина полозьев должны быть равны 40´100 мм.
1.6.8. Толщина и ширина торцовых брусьев дна в зависимости от массы груза должны соответствовать, мм:
до 1000 кг………………… 44´100
св.1000 » 2000 кг…………………. 60´100
» 2000 » 3500 кг…………………. 75´100
» 3500 » 5000 кг………………….. 100´100
» 5000 » 20000 кг……………….. 125´125
Допускается принимать толщину торцовых брусьев равной высоте полозьев или толщине крепежных брусьев, если разница между величинами не превышает одну градацию.
1.6.9. При креплении груза к доскам дна толщина досок дна должна соответствовать указанной в табл. 4, высота и ширина полозьев - указанной в приложении 7.
1.6.10. При закреплении изделия на крепежных брусьях расположение и количество крепежных брусьев определяются в зависимости от формы, размеров и массы изделия.
Толщина и ширина крепежных брусьев должны соответствовать указанным в приложении 10.
Допускается устанавливать распорные брусья дна между полозьями в местах прохождения строп для грузов, состоящих из отдельных узлов, закрепляемых на дне ящика.
При креплении груза к крепежным брусьям или полозьям допускается доски дна располагать между полозьями на дополнительных планках сечением 40´50 мм.
Таблица 4
Размеры, мм
|
Удельная нагрузка на дно ящика, кг/см2 |
Толщина досок дна при расстоянии между осями смежных полозьев |
Удельная нагрузка на дно ящика, кг/см2 |
Толщина досок дна при расстоянии между осями смежных полозьев |
||||||||
|
500 |
600 |
800 |
1000 |
1200 |
500 |
600 |
800 |
1000 |
1200 |
||
|
0,10 |
19 |
19 |
19 |
22 |
25 |
0,35 |
19 |
22 |
32 |
40 |
50 |
|
0,20 |
19 |
19 |
22 |
32 |
32 |
0,40 |
22 |
25 |
32 |
40 |
50 |
|
0,25 |
19 |
22 |
25 |
32 |
40 |
0,45 |
22 |
25 |
40 |
50 |
50 |
|
0,30 |
19 |
22 |
32 |
40 |
40 |
0,50 |
22 |
32 |
40 |
50 |
50 |
Примечания.
1. Толщина досок дна рассчитана при ширине доски 100 мм.
2. При удельной нагрузке меньше 0,10 кг/см2 толщина досок должна быть не менее 19 мм.
3. Если груз распределяется по площади дна неравномерно, толщина досок дна должна устанавливаться по большей расчетной удельной нагрузке.
Толщина распорных брусьев должна быть равна толщине полоза или на одну-две градации меньше, а ширина - не более 75 мм. Брусья крепят к доскам дна гвоздями, а к полозьям - гвоздями или скобами.
При креплении груза к крепежным брусьям или полозьям толщина досок дна для грузов массой до 1000 кг должна быть не менее 16 мм, для грузов массой до 20000 кг - не менее 19 мм.
1.6.11. На полозья ящиков набивают подполозные доски, которые располагают на расстоянии не менее 200 мм от концов полозьев.
Подполозные доски располагают симметрично относительно центра массы.
Ширина подполозной доски должна быть равна ширине полоза, но не более 150 мм.
Толщина подполозной доски в зависимости от массы груза должна соответствовать, мм:
до 1000 кг……………… 25
св. 1000 » 5000 кг..……………… 32
» 5000 » 10000 кг ..…………….. 40
» 10000 кг ………………………….. 50
Допускается применять составные по длине и толщине подполозные доски, состоящие из 2-3 отрезков.
При погрузке ящиков авто- или электропогрузчиками должны применяться подполозные доски, состоящие из отдельных отрезков толщиной не менее 50 мм и длиной не менее 300 мм. Расположение отрезков и их толщина должны быть рассчитаны под вилочные захваты.
При строплении за изделие подполозные доски не устанавливаются.
1.6.12. В разборных ящиках типов III-1, VII-2, VIII-3 для крепления боковых щитов должны устанавливаться продольные брусья, расположенные под досками дна. Толщина их должна быть равна толщине планок или деталей каркаса, ширина должна определяться конструктивно.
Допускается для крепления боковых щитов применять металлическую полосу толщиной 2 мм, шириной 15-20 мм по ГОСТ 19904, расположенную под досками дна.
1.6.13. Толщина досок обшивки боковых, торцовых стенок и крышки ящиков типов II-IV должна быть не менее 16 мм, а при морских перевозках - не менее 19 мм.
Допускается применять доски обшивки толщиной 19 мм, при этом толщина деталей каркаса должна быть снижена на одну градацию.
При морских перевозках допускается применять доски обшивки толщиной 22 мм, при этом толщина деталей каркаса должна быть снижена на одну градацию.
При укладывании в ящик не связанных между собой и не закрепленных к дну ящика деталей или насыпного груза толщина досок обшивки должна быть не менее 19 мм, а при морских перевозках - не менее 22 мм.
1.6.14. Ширина крайних досок торцовых и боковых стенок, крышки должна быть не менее 100 мм, ширина средних досок должна быть не менее 75 мм - из древесины хвойных пород и не менее 80 мм - из древесины лиственных пород.
1.6.15. Толщина досок, планок и раскосов боковых, торцовых стенок и крышки ящиков типов I-3, I-4 в зависимости от массы груза должна соответствовать, мм:
до 1000 кг………………. 19
св. 1000 до 3000 кг……..22
Толщина досок, планок и раскосов ящиков типа V должна быть не менее 19 мм.
Ширина досок ящиков типов I-3, I-4, планок и раскосов ящиков типов I-3, I-4, V должна быть не менее 100 мм.
Расстояние между планками боковых щитов и крышки ящиков типов I-3, I-4 и поясами ящиков типов V-1 и V-2 не должно превышать 1000 мм.
Расстояние от крайних планок до торцов в ящиках типов I-3, I-4 должно быть равно 1/6 длины ящика, но не должно превышать расстояния между планками.
Планки боковых щитов ящиков типов I-3 и I-4 должны перекрывать полозья на 2/3 их высоты, но не более чем на 70 мм.
Нижние планки боковых щитов ящиков типа V должны располагаться выше кромок досок боковых щитов так, чтобы доски перекрывали полозья на 2/3 их высоты, но не более чем на 70 мм.
Верхние планки боковых и торцовых щитов ящиков типа V должны выходить за торцы досок на толщину досок крышки.
1.6.16. Боковые и торцовые стенки ящиков должны состоять:
в ящиках типов I-3, I-4 - из досок, планок и раскосов;
в ящиках типов II, III, IV - из продольных брусьев, стоек, раскосов и обшивки, при внутренней высоте ящиков 2000 мм и более должны устанавливаться средние продольные брусья;
в ящиках типа V - из досок и планок;
в ящиках типов VIII-1, VIII-2, VIII-3 - из продольных брусьев, стоек и обшивки;
в ящиках типов VIII-4 - из горизонтальных и вертикальных деталей, расположенных с наружной стороны ящика, и обшивки.
Допускается в ящиках типа VIII-4 древесно-волокнистую плиту располагать между деталями, расположенными во взаимно перпендикулярном направлении, при этом толщина деталей должна быть не менее 19 мм, ширина - не менее 100 мм.
При изготовлении ящиков типов VIII-1, VIII-2, VIII-4 облегченных с обшивкой из фанеры толщиной 3-4 мм или древесноволокнистой плиты толщиной 3,2-4 мм, состоящих из отдельных листов, допускается на боковых и торцовых стенках устанавливать раскосы.
Раскосы устанавливают с внутренней или наружной стороны щита, они должны быть толщиной 16 мм, шириной 75 мм.
1.6.17. Толщина деталей облегченного каркаса в ящиках типов VIII-1, располагаемого с внутренней и наружной сторон листового материала, должна быть равна половине толщин деталей каркаса, определяемых по табл. 5, 6, с округлением до ближайшей стандартной толщины пиломатериала, но не менее 16 мм; ширина деталей должна быть равна 100 мм.
1.6.18. Толщина горизонтальных и вертикальных деталей в ящиках типа VIII-4 должна быть равна 40 мм, ширина - 60 мм.
1.6.19. В ящиках типов II, III, VIII-1, VIII-3 продольные брусья с угловыми и промежуточными стойками, в ящиках типов IV и VIII-2 продольные брусья с промежуточными стойками, а в ящиках типа VIII-4 горизонтальные и вертикальные детали должны соединяться встык.
Соединения продольных брусьев боковых и торцовых щитов с угловыми стойками в ящиках типов IV и VIII-2 должны, а в ящиках типа III могут соединяться с зарезкой стоек и брусьев или с зарезкой стоек и установкой вкладыша.
Угловые стойки с торцовыми брусьями дна в ящиках типа IV должны соединяться с зарезкой торцового бруса или должна предусматриваться установка вкладыша.
Толщина вкладыша должна быть равна толщине стойки, а ширина должна быть не менее 50 мм.
Варианты соединения угловых стоек с продольными брусьями щитов и торцовыми брусьями дна указаны в приложении 11.
В ящиках типа VIII-1 с облегченным каркасом детали наружного каркаса должны перекрывать соединения продольных брусьев и угловых стоек внутреннего каркаса.
1.6.20. Нагрузка на единицу длины стенки qст, Н/см, определяется по табл. 5.
Таблица 5
|
Ширина ящика наружная, мм |
Высота ящика наружная, мм |
Нагрузка на единицу длины стенки qст, Н/см |
Ширина ящика наружная, мм |
Высота ящика наружная, мм |
Нагрузка на единицу длины стенки qст, Н/см |
Ширина ящика наружная, мм |
Высота ящика наружная, мм |
Нагрузка на единицу длины стенки qст, Н/см |
|
1000 |
До 2000 |
35 |
1750 |
До 2000 |
55 |
2500 |
До 2000 |
80 |
|
2500 |
30 |
|
2500 |
50 |
|
2500 |
70 |
|
|
3000 |
25 |
|
3000 |
45 |
|
3000 |
60 |
|
|
|
|
|
3500 |
35 |
|
3500 |
50 |
|
|
|
|
|
4000 |
20 |
|
4000 |
40 |
|
|
1500 |
До 2000 |
50 |
2000 |
До 2000 |
65 |
3000 |
До 2000 |
100 |
|
2500 |
45 |
|
2500 |
60 |
|
2500 |
90 |
|
|
3000 |
35 |
|
3000 |
50 |
|
3000 |
70 |
|
|
3500 |
30 |
|
3500 |
35 |
|
3500 |
60 |
|
|
4000 |
25 |
|
4000 |
30 |
|
4000 |
45 |
Примечание. Для ящика шириной до 1000 мм нагрузка на единицу длины стенки должна быть такой же, как при ширине ящика 1000 мм.
1.6.21. Расстояние между стойками /на боковых и торцовых щитах в ящиках с обшивкой из фанеры должно быть от 600 до 1200 мм, с обшивкой из древесно-волокнистой плиты - от 400 до 1000 мм.
1.6.22. Нагрузку на стойку Рст, Н, вычисляют по формуле
![]()
1.6.23. Толщина стоек и продольных брусьев в ящиках типов VIII-1 - VIII-3 должна определяться в зависимости от нагрузки на стойку Рст и высоты стойки h по табл. 6.
Размеры, мм
|
Нагрузка на стойку Рст, Н |
Толщина стоек и продольных брусьев при высоте стойки h, мм |
||||||||
|
1500 |
1750 |
2000 |
2250 |
2500 |
2750 |
3000 |
3250 |
3500 |
|
|
800-1000 |
16 |
16 |
16 |
16 |
19 |
19 |
22 |
22 |
22 |
|
1000-1200 |
16 |
16 |
19 |
19 |
19 |
22 |
22 |
25 |
25 |
|
1200-1500 |
16 |
19 |
19 |
19 |
22 |
22 |
25 |
25 |
32 |
|
1500-1800 |
16 |
19 |
19 |
22 |
22 |
25 |
25 |
32 |
32 |
|
1800-2100 |
16 |
19 |
22 |
22 |
25 |
25 |
32 |
32 |
32 |
|
2100-2400 |
19 |
19 |
22 |
25 |
25 |
32 |
32 |
32 |
32 |
|
2400-2700 |
19 |
22 |
22 |
25 |
25 |
32 |
32 |
32 |
40 |
|
2700-3200 |
19 |
22 |
25 |
25 |
32 |
32 |
32 |
40 |
40 |
|
3200-3500 |
22 |
22 |
25 |
25 |
32 |
32 |
32 |
40 |
40 |
|
3500-3900 |
22 |
25 |
25 |
32 |
32 |
32 |
40 |
40 |
40 |
|
3900-4300 |
22 |
25 |
32 |
32 |
32 |
40 |
40 |
40 |
40 |
|
4300-4700 |
22 |
25 |
32 |
32 |
32 |
40 |
40 |
40 |
40 |
|
4700-5300 |
25 |
32 |
32 |
32 |
40 |
40 |
40 |
40 |
44 |
|
5300-6100 |
25 |
32 |
32 |
32 |
40 |
40 |
40 |
44 |
44 |
|
6100-7000 |
32 |
32 |
32 |
40 |
40 |
40 |
44 |
44 |
50 |
|
7000-7900 |
32 |
32 |
32 |
40 |
40 |
40 |
44 |
50 |
50 |
|
7900-8800 |
32 |
32 |
40 |
40 |
40 |
44 |
50 |
50 |
50 |
|
8800-9900 |
32 |
32 |
40 |
40 |
44 |
44 |
50 |
50 |
50 |
|
9900-12000 |
32 |
40 |
40 |
40 |
44 |
50 |
50 |
50 |
50 |
|
12000-14000 |
32 |
40 |
40 |
44 |
44 |
50 |
50 |
50 |
50 |
|
14000-15000 |
40 |
40 |
44 |
44 |
50 |
50 |
50 |
50 |
50 |
Примечания:
1. Если высота стойки не совпадает с указанной в табл. 6, то толщину стоек и продольных брусьев принимают по ближайшей высоте стойки.
2. Толщина стоек и продольных брусьев при нагрузке на единицу длины стенки qст больше 100 Н/см должна определяться по значению нагрузки на стойку 14000-15000 Н.
1.6.24. Ширина стоек и продольных брусьев должна быть равна 100 мм.
Допускается применять стойки и продольные брусья шириной до 150 мм, при этом толщина их должна быть снижена на одну градацию против указанной в табл. 6 и не должна быть менее 16 мм.
1.6.25. Толщина фанеры боковых и торцовых щитов в ящиках типов VIII-1 - VIII-3 должна выбираться в зависимости от величины нагрузки на единицу длины стенки qст и расстояния между стойками по табл. 7.
Таблица 7
Размеры, мм
|
Нагрузка на единицу длины стенки qст, Н/см |
Толщина фанеры при расстоянии между стойками l на боковых и торцовых щитах |
|||
|
600 |
800 |
1000 |
1200 |
|
|
Св. 20 до 25 |
4 |
5 |
6 |
6 |
|
» 25 » 30 |
4 |
5 |
6 |
7 |
|
» 30 » 35 |
5 |
5 |
6 |
7 |
|
» 35 » 45 |
5 |
6 |
7 |
7 |
|
» 45 » 60 |
6 |
6 |
7 |
7 |
|
» 65 » 100 |
6 |
7 |
7 |
7 |
1.6.26. Толщина древесно-волокнистой плиты боковых и торцовых щитов в ящиках типов VIII-1, VIII-2, VIII-3 должна выбираться в зависимости от величины нагрузки на единицу длины стенки qст и расстояния между стойками по табл. 8.
Таблица 8
Размеры, мм
|
Нагрузка на единицу длины стенки qст, Н/см |
Толщина древесно-волокнистой плиты при расстоянии между стойками / на боковых и торцовых щитах |
|||
|
400 |
600 |
800 |
1000 |
|
|
Св. 20 до 25 |
3,2 |
6 |
6 |
6 |
|
» 25 » 30 |
3,2 |
6 |
6 |
8 |
|
» 30 » 40 |
4 |
6 |
6 |
8 |
|
» 40 » 45 |
4 |
6 |
8 |
8 |
|
» 45 » 50 |
6 |
6 |
8 |
8 |
|
» 50 » 100 |
6 |
8 |
8 |
8 |
1.6.27. При применении фанеры или древесно-волокнистой плиты из двух и более листов стыковка должна проводиться на промежуточных стойках, при высоте ящиков более 2000 мм - на дополнительных горизонтальных брусьях.
Допускается стыковку листов фанеры и древесно-волокнистой плиты проводить на дополнительных горизонтальных брусьях при высоте ящиков более 1500 мм, исходя из стандартных размеров листовых материалов.
При установке раскосов в облегченных ящиках типов VIII-1, VIII-2, VIII-4 фанеру толщиной 3-4 мм и древесно-волокнистую плиту толщиной 3,2-4 мм, состоящие из двух или более листов, прибивают с нахлестом 100 мм, при этом листовой материал прибивают к раскосам и продольным брусьям.
1.6.28. На боковых и торцовых щитах в ящиках типа VIII-1 с облегченным каркасом и типа VIII-4 должна применяться фанера толщиной 3-4 мм или древесно-волокнистая плита толщиной 3,2-4 мм.
Расстояние между стойками в ящиках типа VIII- 1 с облегченным каркасом должно быть не менее 500 мм и не более 1000 мм, а в ящиках типа VIII-4 расстояние между вертикальными деталями или горизонтальными должно быть не более 600 мм.
1.6.29. Боковые и торцовые щиты с обшивкой из фанеры толщиной до 5 мм или из древесно-волокнистой плиты должны быть обиты облицовочными досками толщиной 16 мм, шириной 75 мм;
в ящиках типов VIII-1, VIII-2 - обиты по периметру щитов, вдоль промежуточных стоек и дополнительных горизонтальных брусьев с наружной стороны ящика. Облицовочные доски в ящиках типа VIII-1 должны перекрывать соединения продольных брусьев и угловых стоек;
в ящиках типа VIII-3 - обиты по периметру щитов вдоль торцовых и продольных брусьев боковых щитов и промежуточных стоек с внутренней стороны ящиков.
1.6.30. В ящиках типа VIII-1 с облегченным каркасом облицовочные доски не устанавливаются, их назначение выполняют детали каркаса, располагаемого с наружной стороны ящика.
1.6.31. В ящиках типа VIII-4 с внутренней стороны в местах стыковки листов из фанеры или древесно-волокнистой плиты должны устанавливаться планки толщиной 16 мм, шириной 50 мм, отходы электроизоляционного картона или мягкая стальная упаковочная лента по ГОСТ 3560.
1.7. Размеры деталей каркаса ящиков типов II-IV и ящиков типа VIII с использованием фанеры толщиной 3-4 мм и древесно-волокнистой плиты толщиной 3,2-4,0 мм
1.7.1. Толщина и ширина деталей каркаса ящиков типов II, III, IV, VIII-1, VIII-2, VIII-3 должны определяться по табл. 9-11.
1.7.2. Толщина и ширина продольных брусьев боковых и торцовых стенок должны соответствовать указанным в табл. 9.
Таблица 9
Размеры, мм
|
Масса груза, нетто, кг |
Толщина и ширина продольных брусьев при расстоянии между осями основных поперечных брусьев крышки |
|||||
|
500 |
600 |
700 |
800 |
900 |
1000 |
|
|
До 500 включ. |
25´100 |
25´100 |
25´100 |
25´100 |
25´100 |
25´100 |
|
Св. 500 » 1000 » |
25´100 |
25´100 |
25´100 |
25´100 |
32´100 |
32´100 |
|
» 1000 » 2000 » |
32´100 |
32´100 |
40´100 |
40´100 |
40´100 |
40x100 |
|
» 2000 » 4000 » |
40´100 |
50´100 |
50´100 |
50´100 |
50´100 |
50´100 |
|
» 4000 » 6000 » |
50´100 |
60´100 |
60´100 |
60´100 |
60´100 |
75´100 |
|
» 6000 » 8000 » |
60´100 |
60´100 |
75´100 |
75´100 |
75´100 |
100´100 |
|
» 8000 » 10000 » |
75´100 |
75´100 |
75´100 |
100´100 |
100´100 |
100´100 |
|
» 10000 » 12000 » |
75´100 |
75´100 |
100´100 |
100´100 |
100´100 |
100´100 |
|
» 12000 » 14000 » |
75´100 |
100´100 |
100´100 |
100´100 |
100´100 |
100´100 |
|
» 14000 » 16000 » |
75´100 |
100´100 |
100´100 |
100´100 |
100´100 |
100´100 |
|
» 16000 » 20000 » |
100´100 |
100´100 |
100´100 |
100´100 |
100´125 |
100´125 |
Примечания:
Если масса груза или расстояние между осями поперечных брусьев крышки не совпадает с указанными в табл. 9, то толщину и ширину продольных брусьев принимают по ближайшей массе и ближайшему расстоянию.
2. Толщина продольных брусьев боковых и торцовых стенок при расстоянии между осями поперечных брусьев крышки менее 500 мм должна быть снижена на одну градацию по сравнению с расстоянием 500 мм.
3. В штабелируемых ящиках ширина брусьев и стоек при массе груза до 2000 кг и высоте ящика до 1000 мм должна быть не менее 70 мм.
1.7.3. В ящиках типа VIII при железнодорожных и автомобильных перевозках для грузов, закрепленных болтами на крепежных брусьях или полозьях, допускается применять фанеру толщиной 3-4 мм или древесно-волокнистую плиту толщиной 3,2-4,0 мм. Расстояние между стойками не должно превышать 1250 мм.
1.7.4. Расчетная нагрузка на стойку для штабелируемых ящиков при морских и смешанных перевозках устанавливается по табл. 10.
Таблица 10
Размеры, мм
|
Ширина ящика (наружная) |
Высота ящика (наружная) |
Условная расчетная нагрузка на стойку, Н, при расстоянии между осями стоек |
|||||
|
750 |
1000 |
1250 |
1500 |
1750 |
2000 |
||
|
1500 |
1500 |
1700 |
2250 |
2800 |
3350 |
3900 |
4450 |
|
|
1750 |
- |
4200 |
5250 |
6300 |
7350 |
8400 |
|
|
2000 |
- |
5700 |
7100 |
8550 |
9950 |
11400 |
|
1750 |
1500 |
3250 |
4300 |
5400 |
6450 |
7500 |
8600 |
|
|
1750 |
- |
6300 |
7900 |
9450 |
11050 |
13600 |
|
|
2000 |
- |
7700 |
9630 |
11550 |
13500 |
15400 |
|
|
2250 |
- |
8500 |
10620 |
12750 |
14900 |
17000 |
|
|
1500 |
4200 |
5600 |
7000 |
8400 |
9800 |
11200 |
|
|
1750 |
- |
7600 |
9500 |
11400 |
13300 |
15200 |
|
2000 |
2000 |
- |
9000 |
11250 |
13500 |
15750 |
18000 |
|
|
2250 |
- |
- |
12300 |
15000 |
17600 |
20200 |
|
|
2500 |
- |
- |
- |
17250 |
20000 |
23000 |
|
|
1500 |
6300 |
8400 |
10500 |
12600 |
14700 |
16800 |
|
|
1750 |
- |
10300 |
12870 |
15450 |
18000 |
20600 |
|
2250 |
2000 |
- |
12000 |
15000 |
18000 |
21000 |
24000 |
|
|
2250 |
- |
- |
13750 |
16500 |
19250 |
22000 |
|
|
2500 |
- |
- |
12500 |
15000 |
17500 |
20000 |
|
|
3000 |
- |
- |
- |
13500 |
15750 |
18000 |
|
|
1500 |
6750 |
9000 |
11250 |
13500 |
15750 |
18000 |
|
|
1750 |
- |
13500 |
16870 |
20250 |
23600 |
27000 |
|
2500 |
2000 |
- |
12500 |
15600 |
18750 |
21870 |
25000 |
|
|
2250 |
- |
- |
15000 |
18000 |
21000 |
24000 |
|
|
2500 |
- |
- |
14750 |
17250 |
20000 |
23000 |
|
|
3000 |
- |
- |
- |
9600 |
11200 |
12800 |
|
|
1500 |
10900 |
14500 |
18200 |
21750 |
24870 |
29000 |
|
|
1750 |
- |
16500 |
20600 |
24750 |
28870 |
33000 |
|
|
2000 |
- |
15000 |
18750 |
22500 |
25750 |
30000 |
|
3000 |
2250 |
- |
- |
17900 |
21400 |
24900 |
28400 |
|
|
2500 |
- |
- |
16250 |
19500 |
22750 |
26000 |
|
|
3000 |
- |
- |
- |
15000 |
12500 |
20000 |
|
|
3500 |
- |
- |
- |
- |
9950 |
11000 |
|
|
1500 |
14250 |
19000 |
23750 |
28500 |
33250 |
38000 |
|
|
1750 |
- |
18500 |
23100 |
27750 |
33250 |
37000 |
|
|
2000 |
- |
18000 |
22500 |
27000 |
31500 |
36000 |
|
3500 |
2250 |
- |
- |
20250 |
25500 |
29750 |
34000 |
|
|
2500 |
- |
- |
20000 |
24000 |
28000 |
32000 |
|
|
3000 |
- |
- |
- |
17250 |
20100 |
23000 |
|
|
3500 |
- |
- |
- |
- |
10850 |
13000 |
Примечание. Если ширина или высота ящика, или расстояние между осями стоек не совпадают с указанными в табл. 10, то нагрузку принимают по ближайшим ширине или высоте ящика и расстоянию между осями стоек.
1.7.5. Толщину и ширину стоек определяют по расчетной нагрузке согласно табл. 11.
Таблица 11
Размеры, мм
|
Длина стойки |
Допускаемая нагрузка на стойку, Н, при толщине и ширине стойки |
||||||
|
22´100 |
25´100 |
32´100 |
40´100 |
50´100 |
60´100 |
75´100 |
|
|
1250 |
3500 |
7100 |
13700 |
26200 |
- |
- |
- |
|
1500 |
2500 |
5900 |
9200 |
18600 |
35900 |
- |
- |
|
1750 |
- |
3700 |
7200 |
14100 |
28500 |
- |
- |
|
2000 |
- |
3400 |
5600 |
10200 |
22000 |
40800 |
- |
|
2250 |
- |
- |
4600 |
7700 |
15900 |
33000 |
- |
|
2500 |
- |
- |
4200 |
7000 |
11900 |
22500 |
- |
|
2750 |
- |
- |
- |
5700 |
10400 |
16900 |
- |
|
3000 |
- |
- |
- |
5100 |
9500 |
13800 |
37100 |
|
3500 |
- |
- |
- |
- |
- |
10900 |
33000 |
Примечания:
1. Толщина стоек должна быть снижена на одну градацию по сравнению с указанной в табл. 11 при железнодорожных, автомобильных и речных перевозках.
2. При ширине и высоте ящиков менее 1250 мм толщина и ширина стоек должна быть 22´100 мм.
Допускается толщину стойки принимать равной толщине продольного бруса боковой или торцовой стенки при условии обеспечения сохранности груза.
1.7.6. Для нештабелируемых ящиков толщину и ширину стоек определяют по табл. 12.
Таблица 12
|
Масса груза нетто, кг |
Толщина и ширина стоек при наружной высоте ящика |
||||
|
1000 |
1500 |
2000 |
2500 |
3000 |
|
|
До 4000 |
25´100 |
25´100 |
32´100 |
32´100 |
40´100 |
|
Св. 4000 » 6000 |
25´100 |
25´100 |
32´100 |
40´100 |
40´100 |
|
» 6000 » 8000 |
25´100 |
32´100 |
40´100 |
40´100 |
50´100 |
|
» 8000 » 10000 |
25´100 |
32´100 |
40´100 |
50´100 |
50´100 |
|
» 10000 » 16000 |
25´100 |
40´100 |
50´100 |
50´100 |
50´100 |
|
» 16000 » 20000 |
32´100 |
40´100 |
50´100 |
50´100 |
50´100 |
Примечание. Если масса груза или наружная высота ящика не совпадает с указанной в табл. 12, то толщину и ширину стоек принимают по ближайшей массе и ближайшей высоте.
1.7.7. На боковых и торцовых стенках ящиков типов I-3, I-4, II, III, IV, V, VIII-1, VIII-2, VIII-3 должны устанавливаться раскосы при внутренней высоте ящика свыше 600 до 2000 мм в соответствии с черт. 35, при внутренней высоте ящика более 2000 мм - в соответствии с черт. 36 приложения 6.
Угол между раскосом и продольным брусом должен быть 20°-60°. Раскосы должны иметь двухсторонний срез, а в ящиках типов IV и V допускается односторонний срез под углом.
Толщина раскосов должна быть не менее 2/3 толщины стойки.
При морских перевозках должны устанавливаться перекрещивающиеся раскосы, один из которых должен быть изготовлен из цельного бруса, другой - из отдельных отрезков.
Толщина перекрещивающихся раскосов не должна быть менее половины толщины стойки.
Ширина раскосов принимается равной ширине стойки.
1.8. Конструкция и размеры деталей крышки ящиков типов I-3, I-4, II, III, IV, VII, VIII.
1.8.1. Крышка ящиков типов I-3, I-4 должна состоять из досок, планок, поперечных брусьев.
Крышка ящиков типов II, III-2, IV, VIII-1, VIII-2, VIII-4 должна состоять из досок, продольных и поперечных брусьев.
Доски обшивки крышки в ящиках указанных типов располагают по длине или ширине ящика.
При расположении досок по длине ящика продольные брусья не устанавливают.
Крышка ящиков типов III-1, VIII-3 должна состоять из досок обшивки и рамы с расстоянием между поперечными брусьями рамы от 500 до 800 мм, при этом толщина и ширина продольных и поперечных брусьев рамы должна быть равна толщине и ширине продольных брусьев боковой стенки.
Крышка ящиков типа V должна состоять из досок обшивки и поперечных брусьев.
Крышка ящиков типов VII и VIII-1 с облегченным каркасом должна быть рамной конструкции и состоять из поперечных и продольных брусьев рамы, поперечных брусьев крышки, листа фанеры или древесно-волокнистой плиты.
Крышку ящиков типов II-1, III-2, IV-1, V-1 в зависимости от требований к упаковке конкретной продукции допускается изготовлять двухслойной, при этом доски верхнего и нижнего слоев располагают взаимно перпендикулярно, толщина досок каждого слоя принимается равной толщине досок обшивки, продольные брусья не устанавливаются.
Допускается в ящиках типов VIII-1 - VIII-4 крышка рамной конструкции.
Толщина фанеры и древесно-волокнистой плиты на крышке должна быть равна толщине фанеры и древесно-волокнистой плиты на боковых и торцовых щитах.
Толщина и ширина деталей рамы должны быть равны толщине и ширине деталей каркаса, определяемых по табл. 5-6.
Расстояние между поперечными деталями рамы не должно быть более 500 мм.
Допускается в ящиках типа VIII-1 с облегченным каркасом изготовлять крышку из досок, листового материала и поперечных брусьев, толщина досок в этом случае должна быть не менее 16 мм, листового материала - 3-4 мм.
Допускается крышку облегченных ящиков типа VIII-4 для груза массой до 5000 кг изготовлять из досок и поперечных брусьев сечением 25´100 мм, обшивки из фанеры толщиной 3-4 мм. Расстояние между досками не должно превышать 400 мм.
1.8.2. Основные поперечные брусья крышки должны устанавливаться между верхними продольными брусьями боковых стенок в местах прохождения строп симметрично центру массы или местам строповки на расстоянии X, мм, вычисляемом по формуле

где A0 - расстояние между точками захвата полоза стропами, мм;
В - наружная ширина ящика, мм;
H - наружная высота ящика без подполозной доски, мм.
При получении значения X менее 1/3 длины ящика результат округляют до значения Х= 1/3.
Формула справедлива при минимально допускаемом угле a = 45°.
a - угол наклона плоскости, ограниченной ветвями строповочного троса и отрезком ребра боковой стенки, над плоскостью крышки ящика.
Кроме основных поперечных брусьев крышки должны устанавливаться дополнительные поперечные брусья на равных расстояниях друг от друга в пределах прохождения строп на расстоянии Х и за его пределами.
Для штабелируемых ящиков основные и дополнительные поперечные брусья должны иметь одинаковые размеры и выбираться по табл. 13.
Таблица 13
мм
|
Ширина ящика внутренняя |
Толщина и ширина поперечных брусьев крышки при расстоянии между ними |
|||||
|
500 |
600 |
700 |
800 |
900 |
1000 |
|
|
До 1000 |
40´100 |
40´100 |
40´100 |
40´100 |
50´100 |
50´100 |
|
Св. 1000 » 1250 |
50´100 |
50´100 |
50´100 |
60´100 |
60´100 |
60´100 |
|
» 1250 » 1500 |
60´100 |
60´100 |
60´100 |
75´100 |
75´100 |
75´100 |
|
» 1500 » 1750 |
75´100 |
75´100 |
75´100 |
75´125 |
75´125 |
100´100 |
|
» 1750 » 2000 |
75´100 |
75´100 |
100´100 |
100´100 |
100´100 |
100´100 |
|
» 2000 » 2500 |
100´100 |
100´100 |
100´125 |
100´125 |
100´125 |
100´125 |
|
» 2500 » 3200 |
100´100 |
100´125 |
100´125 |
100´125 |
125´125 |
125´125 |
Примечание. Если ширина ящика или расстояние между поперечными брусьями крышки не совпадают с указанной в табл. 13, то толщину и ширину поперечных брусьев крышки принимают по ближайшей ширине ящика и ближайшему расстоянию между поперечными брусьями.
Для нештабелируемых ящиков размеры основных поперечных брусьев должны выбираться по табл. 14, а толщина дополнительных поперечных брусьев должна быть равна половине толщины основных поперечных брусьев, но не менее 19 мм.
Таблица 14
Размеры, мм
|
Масса груза нетто, кг |
Толщина и ширина поперечных брусьев крышки при наружной ширине ящика |
||||
|
1000 |
1500 |
2000 |
2500 |
3200 |
|
|
До 1000 |
32´100 |
32´100 |
32´100 |
40´100 |
40´100 |
|
Св. 1000 » 3000 |
32´100 |
32´100 |
40´100 |
50´100 |
50´100 |
|
» 3000 » 5000 |
32´100 |
40´100 |
50´100 |
60´100 |
75´100 |
|
» 5000 » 8000 |
40´100 |
50´100 |
60´100 |
75´100 |
75´100 |
|
» 8000 » 12000 |
40´100 |
60´100 |
75´100 |
75´100 |
100´100 |
|
» 12000 » 20000 |
50´100 |
75´100 |
75´100 |
100´100 |
100´100 |
Примечание. Если масса груза или наружная ширина ящика не совпадает с указанной в табл. 14, то толщину и ширину поперечных брусьев крышки принимают по ближайшей массе и большей наружной ширине.
Толщина и ширина основных поперечных брусьев крышки в ящике типа VIII-1 с облегченным каркасом для нештабелируемых ящиков должны соответствовать указанной в табл. 15, а толщина дополнительных брусьев крышки должна быть равна половине толщины основных поперечных брусьев, но не менее 19 мм.
Таблица 15
мм
|
Ширина ящика наружная |
Толщина и ширина поперечных брусьев крышки при расстоянии между ними |
|||
|
400 |
500 |
600 |
700 |
|
|
До 1500 |
32´100 |
40´100 |
44´100 |
50´100 |
|
Св. 1500 » 2000 |
40´100 |
44´100 |
50´100 |
60´100 |
|
» 2000 » 2500 |
44´100 |
50´100 |
60´100 |
75´100 |
|
» 2500 » 3200 |
50´100 |
60´100 |
60´100 |
75´100 |
Схема расположения основных и дополнительных поперечных брусьев крышки для штабелируемых и нештабелируемых ящиков приведена в приложении 12.
Поперечные брусья крышки должны опираться на опорные планки толщиной, равной толщине досок обшивки, шириной 50-75 мм или крепиться к боковым щитам угольниками из металлической ленты толщиной 0,9 мм, шириной 30-40 мм и длиной 350 400 мм или гвоздями. Варианты крепления указаны в приложении 13 (черт. 38).
Для нештабелируемых ящиков опорные планки устанавливают под основными поперечными брусьями. Длина планок должна быть не менее 300 мм.
Для штабелируемых и нештабелируемых ящиков допускается:
поперечные брусья крышки крепить гвоздями;
толщину поперечных брусьев крышки в случае стропления за изделие и при строплении с распорной рамой принимать равной толщине продольных брусьев крышки;
устанавливать поперечные брусья крышки на ребро, при этом момент сопротивления их не должен уменьшаться.
1.8.3. Толщина и ширина продольных брусьев крышки и расстояние между ними должны соответствовать указанным в табл. 16.
Таблица 16
мм
|
Расстояние между осями продольных брусьев крышки |
Толщина и ширина продольных брусьев крышки при расстоянии между осями поперечных брусьев крышки |
|||||
|
500 |
600 |
700 |
800 |
900 |
1000 |
|
|
До 750 |
25´75 |
25´100 |
32´100 |
32´100 |
32´100 |
40´100 |
|
Св. 750 » 1000 |
25´100 |
32´100 |
32´100 |
32´100 |
40´100 |
40´100 |
Примечание. Если расстояние между осями поперечных брусьев крышки не совпадает с указанным в табл. 16, то ширину и толщину брусьев принимают по ближайшему расстоянию.
1.9. Предельные отклонения размеров ящиков и их деталей приняты с учетом ГОСТ 6449.1 и должны соответствовать указанным в приложении 14.
2.1. Ящики должны изготовляться в соответствии с требованиями настоящего стандарта по нормативно-технической документации на ящики для конкретных видов продукции, по чертежам, утвержденным в установленном порядке.
2.2. Характеристики
2.2.1. Качество древесины деталей ящика должно соответствовать требованиям, указанным в табл. 17.
Таблица 17
|
Пороки древесины по ГОСТ 2140 |
Норма ограничения пороков |
|
|
в досках |
в планках, деталях каркаса (стойки, брусья, раскосы), полозьях, брусьях дна и крышки, досках дна и крышки |
|
|
1. Сучки |
|
|
|
а) сросшиеся и частично сросшиеся, здоровые светлые и темные и с трещинами |
½ ширины |
1/3 ширины деталей каркаса или полозьев, 4 шт. на 1 м длины |
|
в том числе сшивные |
1/4 ширины или толщины |
|
|
б) несросшиеся здоровые светлые и темные и с трещинами |
1/3 ширины доски , 4 шт. на 1 м длины |
1/4 ширины планок, деталей каркаса или полозьев, 3 шт. на 1 м - длины |
|
в) загнившие, гнилые и табачные |
Допускаются в общем количестве несросшихся здоровых сучков тех же размеров и до половины количества, допущенного для несросшихся сучков. |
|
|
Древесина, окружающая табачные сучки, не должна иметь признаков гнили |
||
|
2. Трещины пластевые и кромочные |
Допускаются глубокие - глубиной не более 1/4 толщины с суммарной длиной не более 1/4 длины доски, планки, детали каркаса или - полоза. Не допускаются сквозные в планках, а в деталях каркаса и полозьях допускаются общей длиной на обоих торцах не более200 мм |
|
|
3. Пороки строения древесины: |
|
|
|
а) наклон волокон |
Допускается, если отклонение волокон от прямого направления не превышает в процентах: |
|
|
|
15 |
7 |
|
б) прорость, односторонняя, сквозная |
Допускается не более 1/3 ширины или толщины доски или планки и не более 1/5 толщины деталей каркаса или полоза |
|
|
в) сердцевина и двойная сердцевина |
Допускается только здоровая |
|
|
4. Грибные поражения |
|
|
|
а) ядровая гниль, заболонная гниль, наружная трухлявая гниль |
Не допускаются |
|
|
б) плесень |
Допускается, если она не влияет на качество упакованного груза |
|
|
в) побурение |
Допускается не более чем на 50 % поверхности |
|
|
5. Повреждение насекомыми: |
|
|
|
червоточина глубокая и сквозная |
Допускается с расположением ходов перпендикулярно пласти детали в общем числе учитываемых несросшихся сучков: |
|
|
|
- |
с диаметром ходов до 10 мм |
Примечания:
1. Пороки древесины по ГОСТ 2140, не указанные в настоящем стандарте, допускаются.
2. Сросшиеся сучки размером до 15 мм не учитывают.
3. Отверстия от несросшихся, табачных, загнивших и гнилых сучков, глубокой и сквозной червоточины с диаметром ходов 10 мм и более должны быть заделаны деревянными пробками на клею или специальными мастиками.
4. В местах забивки гвоздей, скоб сучки не допускаются.
5. Нормы ограничения пороков для досок дна при креплении груза на крепежных брусьях принимаются равными соответствующим нормам для досок обшивки.
2.2.2. В неразборных ящиках всех типов для торцовых, крепежных брусьев дна и средних полозьев допускается применять двухкантные брусья, при этом толщина брусьев и полозьев должна соответствовать предусмотренным в настоящем стандарте.
2.2.3. Доски обшивки, планки, детали каркаса, полозья, брусья дна и крышки должны быть обрезными.
Зазор между кромками досок в плотных ящиках должен быть не более 8 мм.
Обзол допускается без ограничения длины величиной не более 2/3 толщины и 1/3 ширины деталей.
2.2.4. В дощатых ящиках допускается наличие коры на обзольной части деталей, расположенных внутри ящика. Обзол не допускается на кромках досок и планок, которые участвуют в сборке ящика.
2.2.5. Допускается использовать необрезные доски в боковых и торцовых щитах, крышке и щитах дна ящиков с применением древесно-волокнистой плиты и фанеры, при этом одна кромка крайних досок должна быть пропилена.
Допускается использовать необрезные доски в дощатых ящиках, при этом сумма просветов не должна превышать 10 %.
2.2.6. Детали ящиков, а также листы фанеры и древесно-волокнистой плиты должны быть опилены под прямым углом.
Углы щитов и ящиков должны быть прямыми, а стороны - параллельными.
Отклонения от параллельности не должны превышать размеров предельных отклонений для внутренних размеров ящиков.
Допускается использовать доски с кромками, опиленными параллельно сбегу.
2.2.7. В зависимости от требований к упаковке конкретных видов продукции допускается изготовлять плотные ящики с профилированными кромками в соответствии с соединениями К-2, К-3, К-6 по ГОСТ 9330.
Неплотность соединения по типам К-2 и К-3 не должна быть более 3 мм.
2.2.8. Влажность древесины дощатых ящиков может устанавливаться в нормативно-технической документации на ящики для конкретных видов продукции.
По требованию потребителя ящики или детали для них должны изготовляться влажностью 22 % и менее.
Влажность древесины планок, досок и брусьев в ящиках с применением фанеры и древесно волокнистой плиты должна быть (22+3) % и обеспечиваться по требованию потребителя.
2.2.9. Без согласования с потребителями влажностью более 22 % допускается изготовлять:
в ящиках типов I-3, II-2, II-3, IV-2, V-2 доски обшивки, если это не влияет на сохранность и качество груза, а также подполозные и облицовочные доски, продольные и торцовые брусья дна, доски дна при креплении груза на крепежных брусьях.
2.2.10. Параметр шероховатости поверхностей деталей ящиков Rmmax не должен превышать 1600 мкм для пиломатериалов хвойных пород и должен быть 1000 мкм для пиломатериалов лиственных пород по ГОСТ 7016.
Конкретное значение Rmmax устанавливается нормативно-технической документацией на ящики в зависимости от требований, предъявляемых к упаковке конкретных видов продукции.
2.2.11. Нормы механической прочности ящиков должны соответствовать ГОСТ 24170 и ГОСТ 25014.
Ящики типов I, II, III, IV, V, VI, VII, VIII испытывают на сжатие при строповке. При испытании ящики поднимают 10 раз на высоту 2 м и выдерживают в поднятом состоянии 10 мин, затем образец опускают на основании и фиксируют повреждения.
Нештабелируемые ящики испытывают только на сжатие при строповке.
Для ящиков типов VI-1, VI-2, VI-3 проводят испытания на сжатие при штабелировании. Нагруженный образец выдерживают в течение времени, установленного в стандартах (технических условиях) на конкретные виды тары.
Показатели механической прочности ящиков определяют при разногласиях в оценке качества ящиков.
2.3. Требования к сырью и материалам
2.3.1. Для изготовления ящиков
должны применяться пиломатериалы мягких лиственных пород и березы по ГОСТ
2695, фанера сортов
- и
- марок ФК и ФСФ по ГОСТ
3916.1 и сортов
и
марок ФК и ФСФ по ГОСТ
3916.2, древесно-волокнистая плита марки Т групп качества А и Б по ГОСТ
4598 или марок То-450 и То-400, выпускаемых по нормативно-технической
документации. Допускается применять пиломатериалы хвойных пород по ГОСТ
8486 и ГОСТ
24454. Толщины и ширины деталей при изготовлении ящиков из древесины березы
могут быть уменьшены на 14 % (на одну градацию), а при изготовлении из
древесины мягких лиственных пород должны быть увеличены на 14 % (на одну
градацию) с округлением до ближайших стандартных размеров пиломатериала по ГОСТ
2695.
2.3.2. Ящики должны применяться:
типов I-3, I-4, V, VI, VII и VIII (с обшивкой из древесно-волокнистой плиты) для продукции, транспортируемой автомобильным и железнодорожным транспортом;
типов I-I, I-2, II, III и IV - для продукции, транспортируемой всеми видами транспорта;
типов VI, VII и VIII - с обшивкой из фанеры для продукции, транспортируемой смешанным железнодорожно-водным или водным транспортом.
Транспортирование грузов в ящиках с обшивкой из древесно-волокнистой плиты по железной дороге на открытом подвижном составе мелкими отправками не допускается.
2.3.3. Ящики типа I должны быть обтянуты по торцам стальной лентой.
В ящиках типов I-3, I-4 лента должна предварительно прибиваться на полозьях.
Ленту крепят не менее чем четырьмя гвоздями, прибиваемыми в кромки крайних досок боковых щитов. Концы ленты соединяют в замок.
Допускается стальную ленту прибивать гвоздями одновременно со сборкой ящиков. Концы ленты при этом соединяют внахлест.
Допускается ящики типа I обтягивать по торцам термически обработанной проволокой. Проволока должна быть пришита скобами или закручена вокруг гвоздей, которыми прибиты боковые стенки, дно и крышка. Концы проволоки сбивают.
Углы неразборных ящиков должны быть обиты, а в ящиках типа VIII-4 горизонтальные и вертикальные детали должны быть соединены между собой угольниками из стальной ленты. Стальная лента должна быть размером: при массе груза до 1000 кг - 0,4´20 мм, свыше 1000 кг - 0,5-0,7´20 мм.
Длина каждого конца угольника должна быть не менее 100 мм.
Допускается применять для обтяжки и обшивки ящиков полоски листовой стали вышеуказанных размеров.
Допускается ящики типа I-I, I-2 обтягивать по торцам термически обработанной проволокой диаметром 1,6 мм.
Допускается в облегченном ящике типа VIII-4 соединять горизонтальные и вертикальные детали на боковых и торцовых стенках между собой с помощью накладок из стальной ленты размером 1-2´20 мм, а боковые и торцовые щиты между собой - стальными накладками размером 0,7´20 мм.
2.3.4. Углы ящиков типов II, III, IV, VIII-1 для грузов массой свыше 5000 кг при морских перевозках должны быть скреплены по вертикальным ребрам снаружи или внутри ящика угольниками из стальной полосы толщиной 3-5 мм, шириной 40-50 мм, которые должны крепиться болтами или шпильками диаметром 10-12 мм, пропущенными через брусья каркаса, гвоздями или шурупами.
Допускается при морских перевозках для соединения деталей каркаса применять металлические накладки, скобы, угольники или деревянные бруски в соответствии с приложением 15.
2.3.5. Крепление крышки в ящиках типа III должно производиться в соответствии с приложением 13 (черт. 39), в ящиках типов VII-2, VIII-3 - черт. 40.
2.3.6. Крепление боковых и торцовых щитов к дну ящиков типа Ш-2 должно производиться в соответствии с приложением 16 (черт. 42 и 43).
Сборка ящиков типа III-2 должна производиться при помощи металлических угольников или накладок, указанных в приложении 16 (черт. 44-47).
Сборка ящиков и размеры крепежных элементов приведены в приложении 17.
2.3.7. В ящиках для грузов массой более 5000 кг в местах прохождения строп на крайних полозьях и крышке ящиков должны устанавливаться угольники из листовой стали толщиной не менее 5 мм, в ящиках для грузов массой менее 5000 кг и в ящиках типа V-1 - из листовой стали толщиной 1-3 мм при условии сохранности груза.
2.3.8. Для сборки ящиков и крепления металлической арматуры должны применяться материалы, соответствующие стандартам: гвозди - ГОСТ 4034, ГОСТ 4029, ГОСТ 4028; скобы – ГОСТ 3282, ГОСТ 17305; стальная упаковочная лента для угольников и поясов - ГОСТ 3560, ГОСТ 503 и листовая сталь - ГОСТ 19904; болты - ГОСТ 7798, ГОСТ 7808; шпильки - ГОСТ 22032, ГОСТ 22042; гайки - ГОСТ 5915, ГОСТ 5927; шайбы - ГОСТ 11371, ГОСТ 6958; шурупы - ГОСТ 11473; сталь прокатная угловая равнополочная для угольников и накладок - ГОСТ 103; проволока для обтяжки - ГОСТ 3282.
Допускается применять скобы, гвозди, болты, шпильки и шурупы, изготовленные по нормативно-технической документации, при условии сохранности груза.
2.3.9. Крышку ящиков в зависимости от назначения и условий транспортирования груза покрывают с наружной или внутренней стороны рубероидом марок РКК, РКП или РПП по ГОСТ 10923, полиэтиленовой пленкой марок М и Т толщиной не менее 0,3 мм по ГОСТ 10354, толем по нормативно-технической документации, пергамином по ГОСТ 2697 или упаковочной бумагой марок БУ-Б и БУ-Д по ГОСТ 515.
Края листов должны перекрывать боковые и торцовые стенки на 100 мм и закрепляться по верхнему периметру ящика и местам стыков листов деревянными планками толщиной не менее 16 мм и шириной не менее 50 мм или металлической лентой размером (0,5-0,7´20) мм или (0,9´30-40) мм.
Места стыков листов допускается заливать битумом марки БН-90/10 по ГОСТ 6617.
2.3.10. В ящиках, изготовленных из досок с профилированными кромками, и в плотных ящиках, обитых водонепроницаемым материалом, в зависимости от требований к упаковке конкретных видов продукции для обеспечения циркуляции воздуха внутри ящика и удаления влаги должны быть вентиляционные и сточные отверстия.
Вентиляционные отверстия располагают в торцовых стенках ящика, сточные - в досках дна.
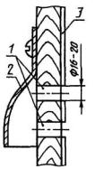
Вентиляционные отверстия с наружной стороны должны быть защищены козырьком или решеткой (листовая сталь, пластмасса и др.). Конструкция козырька и решетки указана на черт. 48 и 49 приложения 18.
Допускается изготовлять ящики без вентиляционных и сточных отверстий для окрашенных изделий, предназначенных для работы на открытом воздухе, а также изделий, предварительно упакованных в полиэтиленовые чехлы.
2.3.11. На торцовой стенке ящика должен быть прикреплен карман для сопроводительной документации, если это требуется по условиям поставки грузов (приложение 18, черт. 50).
2.3.12. Требования, предъявляемые к сборке ящиков, к обивке и выстиланию стенок ящика водонепроницаемым материалом и вид материала, размеры, конструкция и место расположения угольников, накладок, вентиляционных отверстий, карманов для сопроводительной документации, а также типы, количество и размеры крепежных элементов должны устанавливаться в нормативно-технической документации на упаковку конкретных видов продукции.
2.4. Маркировка
2.4.1. В нормативно-технической документации, разработанной в соответствии с требования ми настоящего стандарта, должно быть предусмотрено указание о нанесении транспортной маркировки и маркировки, характеризующей тару, по ГОСТ 14192.
2.4.2. При транспортировании комплектов пачками на одной из верхних досок, планок или брусьев каждой пачки комплектов должны быть нанесены краской начальные буквы назначения элемента ящика: Т - торцовый щит, Б - боковой щит, Д - дно, К - крышка, П - планка, ББ - брус боковой, БТ - брус торцовый, ПК - продольный и поперечный брус крышки, С - стойка.
2.5. Упаковка
2.5.1. Комплекты щитов или деталей ящиков формируют в пакеты по ГОСТ 21100 на ящичные поддоны по ГОСТ 9570 или упаковывают в контейнеры.
2.5.2. Щиты и детали ящиков подбирают отдельно: торцовые щиты, боковые щиты, дно и крышка. Планки могут изготовляться одинарных или кратных длин с припуском 5 мм на каждый пропил.
2.5.3. Каждую пачку комплектов перевязывают в двух местах поперек проволокой диаметром не менее 1,2 мм по ГОСТ 3282 или другим обвязочным материалом, обеспечивающим прочность упаковки.
2.5.4. При поставке комплектов в районы Крайнего Севера и приравненные к ним районы пачки комплектов перевязывают в трех местах.
2.5.5. При упаковывании комплектов в контейнеры или ящичные поддоны по согласованию с потребителем допускается доски и планки в пачки не увязывать.
В каждый контейнер или поддон укладывают детали одного размера.
3.1. Приемку ящиков или комплектов деталей ящиков проводят партиями.
Партией считают количество ящиков или комплектов одного размера или типа, оформленное одним документом о качестве.
3.2. Для контроля качества ящиков или комплектов от партии отбирают 5 %, но не менее 10 шт.
При партиях в 20 и менее ящиков проводится сплошной контроль их качества. Если в выборке окажется хотя бы один ящик или комплект, не соответствующий требованиям настоящего стандарта, проводят повторный контроль качества на удвоенном количестве ящиков или комплектов, взятых от той же партии.
По результатам контроля удвоенной выборки партию считают не соответствующей требованиям настоящего стандарта, если хотя бы один ящик не соответствует требованиям настоящего стандарта.
4.1. При контроле визуально устанавливают соответствие настоящему стандарту: типов ящиков, отсутствия перекосов и выступающих гвоздей или скоб, качества древесины досок, планок, деталей каркаса и полозьев.
4.2. Внутренние размеры ящиков, длину и ширину деталей контролируют измерительными инструментами с погрешностью не более 0,5 мм.
4.3. Пороки древесины, указанные в табл. 16, измеряют в соответствии с требованиями ГОСТ 2140.
4.4. Влажность древесины деталей ящиков или комплектов измеряют по ГОСТ 16588, фанеры - по ГОСТ 9621.
4.5. Шероховатость поверхности деталей ящиков измеряют по ГОСТ 15612.
4.6. Для контроля механической прочности при разногласиях в оценке качества ящики типов VI-1, VI-2, VI-3 испытывают на сопротивление сжатию при штабелировании по ГОСТ 25014, ящики типов I-V, VI-3, VI-4, VII, VIII - на сопротивление сжатию при строповке по ГОСТ 24170.
5.1. Ящики транспортируют в комплектах всеми видами транспорта в соответствии с правила ми, действующими на транспорте данного вида.
При транспортировании комплекты ящиков должны быть защищены от воздействия атмосферных осадков и солнечных лучей.
5.2. Ящики или комплекты должны храниться в штабелях на прокладках в крытом складе или под навесом.
При хранении под навесом их защищают водонепроницаемым материалом (брезентом, поли этиленовой пленкой и др.).
При укладывании их на землю под нижний ряд должны быть подложены прокладки высотой не менее 100 мм. Высота штабеля не должна превышать 8 м.
Удельная нагрузка q, кг/см2, - нагрузка, вычисляемая по формуле
![]()
где G - масса упаковываемого груза нетто, кг;
S - площадь, занимаемая грузом, см2.
Плотность упаковывания Пу, кг/дм3, - масса груза в единице номинальной внутренней вместимости, вычисляемая по формуле
![]()
где V- внутренний объем ящика, дм3.
Градация - увеличение или уменьшение толщины детали (означает выбор ближайшего большего или меньшего значения толщины пиломатериалов по размерным сеткам по ГОСТ 24454 - для хвойных пород, по ГОСТ 2695 - для лиственных пород).
Равномерно распределенная нагрузка - нагрузка от массы равномерно уложенных на дно ящика отдельных, не связанных между собой или гибких грузов (насыпной груз, детали машин, трубы, арматура, тонко листовой металл и др.).
Штабелируемые ящики - ящики, конструкция и прочностные показатели которых позволяют укладывать их в устойчивый штабель (ГОСТ 17527).
Сумма просветов, %, - отношение суммы ширины просветов между досками стенки к общей ширине (длине) стенки, умноженное на 100.
Ящик колпачной конструкции - ящик, состоящий из корпуса и крышки, предназначенный для защиты от атмосферных воздействий и механических повреждений груза, укрепленного на дне или полозьях.
Момент сопротивления изгибу сечения профильного проката WП , см3, вычисляют по формуле
![]()
где WД - момент сопротивления изгибу сечения бруса из древесины, см3;
RД - расчетное сопротивление древесины, мПа;
RП - расчетное сопротивление профильного проката, мПа.

1 - доска торцового щита; 2 - планки торцовых щитов;
3 - доска крышки; 4 - доска бокового щита; 5 - доска дна;
6 - планки поясов; 7 - металлическая лента
Черт. 24

1 - доски обшивки; 2 - продольный
брус; 3 - угловые стойки
4 - раскосы; 5 - промежуточная стойка; 6
- опорная планка;
7 - продольные брусья крышки; 8 - поперечные брусья крышки;
9 - водонепроницаемый материал; 10 - планка; 11
- металлический угольник;
12 - торцовый брус; 13 - полоз; 14 - подполозная
доска;
15 - крепежный брус; 16 - доска дна
Черт. 25
Для полозьев

1 - болт (5 шт.); 2 - гайка (5 шт.); 3 - пластина, Ст. 3 по ГОСТ 380 (2 шт.); 4 - брус (2 шт.); 5 - доска подполозная; d - диаметр болта; h - толщина полоза; b - ширина полоза; b¢ - ширина накладки
Черт. 29

7 - брус (2 шт.); 2 - пластина, Ст. 3 по ГОСТ 380 (2 шт.); 3 - болт (6 шт.); 4 -гайка (6 шт.); 5 - шпонка (1 шт.)
Черт. 30

Черт. 31
Для продольных брусьев

Черт. 32
(табл. 18)

Черт. 33
Таблица 18
Размеры, мм
|
Высота полоза h |
Ширина цельного полоза b |
Толщина b1 и количество соединяемых деталей составного по ширине полоза |
Схема соединения |
|
75 |
100 |
25+25+25+25 |
|
|
25+50+25 |
|||
|
50+50 |
|||
|
100 |
100 |
25+25+25+25 |
|
|
25+50+25 |
|||
|
50+50 |
|||
|
125 |
125 |
25+25+25+25+25 |
|
|
40+44+40 |
|||
|
50+25+50 |
|||
|
150 |
44+32+32+44 |
||
|
50+50+50 |
|||
|
75+75 |
|||
|
150 |
150 |
44+32+32+44 |
|
|
50+50+50 |
|||
|
75+75 |
|||
|
150 |
175 |
44+44+44+44 |
|
|
50+75+50 |
|||
|
75+25+75 |
|||
|
200 |
40+40+40+40+40 |
||
|
50+50+50+50 |
|||
|
60+40+40+60 |
|||
|
75+50+75 |
|||
|
100+100 |
|||
|
175 |
175 |
44+44+44+44 |
|
|
50+75+50 |
|||
|
75+25+75 |
|||
|
200 |
40+40+40+40+40 |
||
|
50+50+50+50 |
|||
|
75+25+25+75 |
|||
|
225 |
75+50+75 |
||
|
60+40+25+40+60 |
|||
|
75+75+75 |
|||
|
100+25+100 |
|||
|
200 |
200 |
40+40+40+40+40 |
|
|
50+50+50+50 |
|||
|
75+25+25+75 |
|||
|
75+50+75 |
|||
|
100+100 |
|||
|
225 |
50+50+25+50+50 |
||
|
60+40+25+40+60 |
|||
|
75+75+75 |
|||
|
250 |
50+50+50+50+50 |
||
|
75+50+50+75 |
|||
|
75+100+75 |
|||
|
100+50+100 |
|||
|
225 |
225 |
50+50+25+50+50 |
|
|
60+40+25+40+60 |
|||
|
75+75+75 |
|||
|
100+25+100 |
|||
|
250 |
50+50+50+50+50 |
||
|
75+50+50+75 |
|||
|
75+105+75 |
|||
|
100+50+100 |
|||
|
250 |
250 |
50+50+50+50+50 |
|
|
75+50+50+75 |
|||
|
75+100+75 |
|||
|
100+50+100 |
Примечания:
1. Расстояние l1 должно быть не менее 200 мм.
2. Расстояние между осями болтов, расположенных в разных плоскостях и соединяющих детали составного по ширине полоза, и болтами, служащими для крепления торцового и крепежного брусьев к полозу, должно быть не менее 50 мм, расстояние между осями болтов, соединяющих детали полоза, должно быть не более 1200 мм.
(табл. 19)
Таблица 19
Размеры, мм
|
Масса груза, кг |
Количество полозьев, шт. |
Высота и ширина полозьев при рабочей длине полоза |
Примечание |
||||||||
|
1000 |
1500 |
2000 |
2500 |
3000 |
3500 |
4000 |
4500 |
5000 |
|||
|
500 |
2 |
50´100 |
60´100 |
60´100 |
75´100 |
75´100 |
100´100 |
100´100 |
- |
- |
При четырех полозьях высоту или ширину полозьев принимают на одну градацию ниже, чем при трех полозьях |
|
|
3 |
40´100 |
50´100 |
50´100 |
60´100 |
100´60 |
100´75 |
100´75 |
- |
- |
|
|
800 |
2 |
60´100 |
75´100 |
75´100 |
100´100 |
100´100 |
100´125 |
125´100 |
- |
- |
|
|
|
3 |
50´100 |
60´100 |
60´100 |
75´100 |
100´75 |
100´100 |
100´100 |
- |
- |
|
|
1000 |
2 |
75´100 |
100´100 |
100´100 |
100´125 |
100´125 |
125´100 |
125´125 |
- |
- |
|
|
|
3 |
60´100 |
75´100 |
75´100 |
75´125 |
100´100 |
100´100 |
100´125 |
- |
- |
|
|
1500 |
2 |
100´75 |
100´100 |
100´125 |
125´125 |
125´150 |
150´125 |
150´150 |
- |
- |
|
|
|
3 |
60´100 |
75´100 |
100´100 |
100´125 |
100´125 |
125´100 |
125´125 |
- |
- |
|
|
2000 |
2 |
100´100 |
100´125 |
125´125 |
125´150 |
150´125 |
150´125 |
150´150 |
- |
- |
|
|
|
3 |
75´100 |
100´100 |
100´125 |
125´100 |
125´125 |
125´125 |
150´125 |
- |
- |
|
|
2500 |
2 |
100´125 |
125´100 |
125´150 |
150´150 |
150´150 |
175´150 |
175´150 |
175´200 |
- |
|
|
|
3 |
75´100 |
100´125 |
125´100 |
125´125 |
125´150 |
150´125 |
150´150 |
175´175 |
- |
|
|
3000 |
2 |
125´100 |
125´125 |
150´150 |
150´175 |
175´150 |
175´175 |
175´175 |
200´175 |
200´200 |
|
|
|
3 |
100´100 |
125´100 |
125´125 |
125´150 |
150´125 |
150´150 |
175´150 |
175´175 |
175´175 |
|
|
4000 |
2 |
125´125 |
150´100 |
150´175 |
175´175 |
175´200 |
200´175 |
200´200 |
225´200 |
225´225 |
|
|
|
3 |
100´125 |
125´125 |
150´125 |
150´150 |
150´175 |
175´150 |
175´175 |
175´200 |
175´200 |
|
|
5000 |
3 |
125´100 |
125´150 |
150´150 |
50´175 |
175´150 |
175´200 |
175´200 |
200´200 |
200´200 |
При пяти полозьях высоту или ширину полозьев принимают на одну градацию ниже, чем при четырех полозьях |
|
|
4 |
100´100 |
125´100 |
125´150 |
150´125 |
150´175 |
150´175 |
175´150 |
175´150 |
175´175 |
|
|
6000 |
3 |
125´125 |
150´125 |
150´175 |
175´150 |
175´175 |
200´175 |
200´200 |
200´225 |
225´225 |
|
|
|
4 |
125´100 |
125´125 |
150´125 |
150´150 |
150´175 |
175´150 |
175´150 |
175´175 |
175´200 |
|
|
7000 |
3 |
125´150 |
150´150 |
175´150 |
175´175 |
175´200 |
200´200 |
200´200 |
225´200 |
225´225 |
|
|
|
4 |
125´100 |
125´125 |
150´125 |
150´150 |
175´150 |
175´175 |
175´175 |
175´200 |
200´200 |
|
|
8000 |
3 |
150´125 |
150´175 |
175´175 |
175´200 |
200´200 |
200´225 |
225´225 |
225´225 |
225´250 |
|
|
|
4 |
125´125 |
150´125 |
150´175 |
150´175 |
175´175 |
175´200 |
175´200 |
200´200 |
200´200 |
|
|
10000 |
3 |
- |
175´175 |
175´200 |
200´200 |
225´225 |
225´250 |
250´225 |
250´225 |
250´250 |
|
|
|
4 |
- |
150´150 |
175´150 |
175´200 |
200´175 |
200´200 |
200´200 |
200´225 |
225´225 |
|
|
12000 |
4 |
- |
150´175 |
175´150 |
175´200 |
200´200 |
200´225 |
225´225 |
225´250 |
250´225 |
При шести полозьях толщину или ширину полозьев принимают на одну градацию ниже, чем при пяти полозьях |
|
|
5 |
- |
150´150 |
150´150 |
175´175 |
175´175 |
175´200 |
175´225 |
200´200 |
225´200 |
|
|
14000 |
4 |
- |
175´175 |
175´175 |
200´200 |
200´225 |
225´225 |
225´225 |
225´250 |
250´225 |
|
|
|
5 |
- |
150´175 |
175´150 |
175´175 |
175´200 |
200´200 |
200´200 |
200´225 |
225´225 |
|
|
16000 |
4 |
- |
175´200 |
175´200 |
200´200 |
225´225 |
225´250 |
250´225 |
250´225 |
250´250 |
|
|
|
5 |
- |
175´175 |
175´175 |
175´200 |
175´200 |
200´200 |
200´200 |
225´200 |
225´225 |
|
|
18000 |
4 |
- |
- |
175´200 |
200´200 |
225´225 |
225´250 |
250´225 |
250´225 |
250´250 |
|
|
|
5 |
- |
- |
175´175 |
175´200 |
200´200 |
225´225 |
225´225 |
225´225 |
225´250 |
|
|
20000 |
4 |
- |
- |
200´200 |
225´225 |
225´250 |
250´225 |
250´225 |
250´225 |
250´250 |
|
|
|
5 |
- |
- |
175´200 |
200´200 |
200´200 |
200´225 |
225´225 |
225´250 |
225´250 |
|
Примечания:
1. Допускается крайние полозья шириной 75 и 100 мм принимать на одну градацию больше, при этом средние полозья уменьшаются на одну градацию.
2. Сечения полозьев установлены для общей длины опорных площадок груза, не превышающей 1/3 длины ящика. При большей общей длине опорных площадок или равномерно распределенной нагрузке на доски дна высота полозьев должна быть снижена на одну градацию, но не должна быть менее чем 50´100 мм.
3. Если масса груза или рабочая длина полоза не совпадает с указанными в приложении 6, то высоту и ширину полозьев принимают по ближайшей массе и ближайшей рабочей длине полоза.
(табл. 20)
Таблица 20
Размеры, мм
|
Масса грунта, нетто, кг |
Количество полозьев, шт. |
Высота и ширина полозьев при рабочей длине полоза |
Примечание |
||||||||
|
1000 |
1500 |
2000 |
2500 |
3000 |
3500 |
4000 |
4500 |
5000 |
|||
|
500 |
2 |
50´100 |
60´100 |
75´100 |
75´100 |
100´100 |
100´125 |
100´125 |
125´125 |
125´125 |
|
|
|
3 |
40´100 |
50´100 |
60´100 |
60´100 |
75´100 |
100´100 |
100´100 |
125´100 |
125´100 |
|
|
800 |
2 |
60´100 |
75´100 |
75´100 |
100´100 |
100´100 |
125´125 |
125´125 |
150´125 |
150´125 |
|
|
|
3 |
50´100 |
60´100 |
60´100 |
75´100 |
100´100 |
125´100 |
125´100 |
125´125 |
125´125 |
|
|
1000 |
2 |
75´100 |
100´75 |
100´100 |
125´100 |
125´125 |
125´150 |
150´125 |
150´150 |
150´175 |
|
|
|
3 |
60´100 |
75´100 |
100´75 |
100´100 |
100´125 |
125´100 |
125´150 |
150´125 |
150´150 |
|
|
1500 |
2 |
100´75 |
100´100 |
100´125 |
125´100 |
125´125 |
125´150 |
150´125 |
150´150 |
150´175 |
При четырех полозьях высоту или ширину полозьев принимают на одну градацию ниже, чем при трех полозьях |
|
|
3 |
100´600 |
100´75 |
100´100 |
100´100 |
100´125 |
125´125 |
125´150 |
150´125 |
150´150 |
|
|
2000 |
2 |
100´100 |
100´100 |
100´125 |
125´100 |
125´150 |
150´150 |
150´150 |
150´175 |
175´150 |
|
|
|
3 |
75´100 |
75´100 |
100´100 |
100´125 |
125´100 |
125´125 |
125´150 |
150´150 |
150´175 |
|
|
2500 |
2 |
100´125 |
125´100 |
125´125 |
125´150 |
150´125 |
150´150 |
150´175 |
175´175 |
175´200 |
|
|
|
3 |
100´75 |
100´100 |
100´125 |
125´100 |
125´125 |
125´150 |
150´125 |
150´175 |
175´175 |
|
|
3000 |
2 |
100´125 |
125´125 |
125´150 |
150´125 |
150´150 |
150´175 |
175´175 |
175´200 |
175´225 |
|
|
|
3 |
100´100 |
100´125 |
125´125 |
125´125 |
125´150 |
150´125 |
150´150 |
175´150 |
175´175 |
|
|
4000 |
2 |
125´100 |
125´150 |
150´125 |
150´175 |
175´150 |
175´175 |
175´175 |
200´175 |
175´225 |
|
|
|
3 |
100´125 |
125´125 |
125´150 |
150´125 |
150´150 |
150´150 |
150´175 |
175´150 |
175´175 |
|
|
5000 |
2 |
125´125 |
125´150 |
150´175 |
175´150 |
175´175 |
175´175 |
175´200 |
200´175 |
225´175 |
|
|
|
3 |
100´125 |
125´125 |
125´150 |
150´150 |
150´175 |
150´175 |
175´150 |
175´175 |
175´175 |
|
|
|
4 |
100´100 |
100´125 |
125´125 |
125´150 |
150´125 |
150´150 |
150´175 |
175´150 |
175´150 |
|
|
6000 |
2 |
125´150 |
150´150 |
150´175 |
150´175 |
175´175 |
175´175 |
175´200 |
200´175 |
225´175 |
|
|
|
3 |
125´125 |
125´150 |
150´125 |
150´150 |
150´150 |
175´150 |
175´175 |
175´175 |
175´200 |
|
|
|
4 |
100´125 |
125´100 |
125´125 |
125´150 |
150´125 |
150´150 |
150´175 |
175´150 |
175´175 |
|
|
7000 |
3 |
125´125 |
150´125 |
150´150 |
150´175 |
175´175 |
175´200 |
175´225 |
175´225 |
200´200 |
При пяти полозьяґ высоту или ширину полозьев принимают на одну градацию ниже, чем при четырех полозьях |
|
|
4 |
100´125 |
125´125 |
125´150 |
150´125 |
150´150 |
150´175 |
175´150 |
175´175 |
175´175 |
|
|
8000 |
3 |
125´150 |
150´125 |
150´150 |
175´150 |
175´175 |
175´225 |
225´175 |
200´200 |
200´200 |
|
|
|
4 |
125´125 |
125´150 |
150´125 |
150´150 |
150´175 |
175´150 |
175´150 |
175´175 |
175´175 |
|
|
9000 |
3 |
125´150 |
150´150 |
150´175 |
175´175 |
175´225 |
225´175 |
225´175 |
200´200 |
200´200 |
|
|
|
4 |
125´125 |
125´150 |
150´150 |
150´175 |
175´150 |
175´175 |
175´175 |
175´200 |
225´175 |
|
|
10000 |
3 |
150´125 |
150´175 |
175´150 |
175´175 |
225´175 |
225´175 |
200´200 |
200´200 |
225´225 |
|
|
|
4 |
125´125 |
125´150 |
150´125 |
150´175 |
175´150 |
175´175 |
175´175 |
200´175 |
225´175 |
|
|
12000 |
4 |
125´150 |
150´125 |
150´150 |
150´175 |
175´150 |
175´200 |
175´225 |
175´225 |
225´175 |
|
|
|
5 |
125´125 |
125´150 |
150´125 |
150´150 |
150´175 |
150´175 |
175´150 |
175´175 |
175´175 |
|
|
14000 |
4 |
150´125 |
150´150 |
175´150 |
175´175 |
175´225 |
175´225 |
225´175 |
200´200 |
225´225 |
|
|
|
5 |
125´150 |
150´125 |
150´150 |
150´175 |
175´150 |
175´175 |
175´175 |
175´200 |
175´225 |
|
|
16000 |
4 |
150´150 |
150´175 |
175´150 |
175´175 |
225´175 |
200´200 |
200´200 |
225´225 |
225´225 |
|
|
|
5 |
150´125 |
150´125 |
150´150 |
175´150 |
175´175 |
175´200 |
175´225 |
200´225 |
225´200 |
|
|
18000 |
4 |
150´175 |
175´150 |
175´175 |
175´225 |
225´175 |
200´200 |
200´200 |
225´225 |
225´225 |
|
|
|
5 |
150´125 |
150´150 |
175´150 |
175´175 |
175´225 |
225´175 |
225´175 |
200´200 |
200´200 |
|
|
20000 |
4 |
175´175 |
175´225 |
225´175 |
200´200 |
225´225 |
225´225 |
225´225 |
225´225 |
225´225 |
|
|
|
5 |
150´175 |
175´150 |
175´175 |
175´225 |
225´175 |
200´200 |
200´200 |
225´200 |
225´225 |
|
Примечания:
1. Сечения полозьев установлены для крепления груза на двух крепежных брусьях. При креплении груза к трем и более крепежным брусьям, а также при прямых железнодорожных и автомобильных перевозках высота полозьев должна быть снижена на одну градацию.
2. Если масса груза или рабочая длина полоза не совпадает с указанными в приложении 7, то высоту и ширину полозьев принимают по ближайшей массе и ближайшей рабочей длине полоза.
(табл. 21)
Таблица 21
Размеры, мм
|
Масса груза нетто, кг |
Количество полозьев, шт. |
Высота и ширина полозьев при расстоянии от оси болта крайнего крепежного бруса до точки захвата полоза стропами |
Масса груза нетто, кг |
Количество полозьев, шт. |
Высота и ширина полозьев при расстоянии от оси болта крайнего крепежного бруса до точки захвата полоза стропам |
||||||
|
200 |
300 |
400 |
500 |
200 |
300 |
400 |
500 |
||||
|
500 |
2 |
40´100 |
50´100 |
60´100 |
75´100 |
10000 |
3 |
125´150 |
150´150 |
150´150 |
175´175 |
|
|
3 |
32´100 |
40´100 |
50´100 |
60´100 |
|
4 |
100´125 |
125´125 |
150´125 |
150´175 |
|
800 |
2 |
50´100 |
60´100 |
75´100 |
75´100 |
|
5 |
100´100 |
125´100 |
125´125 |
125´150 |
|
|
3 |
40´100 |
50´100 |
60´100 |
60´100 |
11000 |
3 |
125´150 |
150´175 |
175´150 |
175´175 |
|
1000 |
2 |
60´100 |
75´100 |
75´100 |
75´100 |
|
4 |
100´125 |
125´150 |
150´150 |
175´175 |
|
|
3 |
60´100 |
60´100 |
60´100 |
60´100 |
|
5 |
100´100 |
125´125 |
125´150 |
150´150 |
|
1500 |
2 |
75´100 |
75´100 |
100´100 |
100´100 |
12000 |
3 |
125´150 |
150´175 |
175´150 |
175´200 |
|
|
3 |
60´100 |
75´100 |
100´75 |
100´75 |
|
4 |
125´100 |
125´150 |
150´150 |
150´175 |
|
2000 |
2 |
75´100 |
75´125 |
100´100 |
100´125 |
|
5 |
100´125 |
125´125 |
125´150 |
150´150 |
|
|
3 |
60´100 |
75´100 |
75´125 |
100´100 |
13000 |
3 |
150´125 |
175´150 |
175´175 |
200´175 |
|
2500 |
2 |
75´100 |
100´100 |
125´100 |
100´125 |
|
4 |
125´125 |
150´125 |
150´175 |
175´150 |
|
|
3 |
75´100 |
75´100 |
100´100 |
100´100 |
|
5 |
125´100 |
125´125 |
150´125 |
150´175 |
|
3000 |
2 |
75´125 |
100´100 |
125´100 |
125´125 |
14000 |
3 |
150´125 |
175´150 |
175´175 |
200´175 |
|
|
3 |
75´100 |
75´125 |
100´125 |
125´100 |
|
4 |
125´125 |
150´125 |
150´175 |
175´150 |
|
4000 |
2 |
100´100 |
100´125 |
125´125 |
125´150 |
|
5 |
125´100 |
125´125 |
150´125 |
150´175 |
|
|
3 |
75´125 |
100´100 |
125´100 |
125´125 |
15000 |
3 |
150´150 |
175´150 |
175´200 |
200´200 |
|
|
4 |
75´100 |
75´125 |
100´100 |
100´125 |
|
4 |
125´125 |
150´150 |
175´150 |
175´175 |
|
5000 |
2 |
100´125 |
125´100 |
125´150 |
150´125 |
|
5 |
125´100 |
125´150 |
150´150 |
150´175 |
|
|
3 |
100´100 |
100´125 |
125´125 |
125´150 |
16000 |
3 |
150´150 |
175´150 |
175´200 |
200´200 |
|
|
4 |
75´100 |
100´100 |
125´100 |
125´100 |
|
4 |
125´125 |
150´150 |
175´150 |
175´175 |
|
6000 |
2 |
125´100 |
125´125 |
150´150 |
150´150 |
|
5 |
125´100 |
125´150 |
150´150 |
150´175 |
|
|
3 |
100´100 |
125´100 |
125´150 |
150´125 |
17000 |
3 |
150´150 |
175´175 |
200´175 |
200´225 |
|
|
4 |
75´100 |
100´100 |
125´100 |
125´125 |
|
4 |
125´150 |
150´175 |
175´150 |
175´200 |
|
7000 |
2 |
125´100 |
125´150 |
150´150 |
150´175 |
|
5 |
125´125 |
150´125 |
150´175 |
175´175 |
|
|
3 |
100´125 |
125´125 |
150´125 |
150´150 |
18000 |
3 |
150´150 |
175´175 |
200´175 |
200´225 |
|
|
4 |
100´100 |
100´125 |
125´125 |
125´125 |
|
4 |
125´150 |
150´175 |
175´150 |
175´200 |
|
8000 |
2 |
125´125 |
125´150 |
150´175 |
175´150 |
|
5 |
125´125 |
150´125 |
150´175 |
175´175 |
|
|
3 |
125´100 |
125´125 |
150´150 |
150´175 |
19000 |
3 |
150´175 |
175´175 |
200´200 |
225´200 |
|
|
4 |
100´100 |
125´100 |
125´125 |
150´125 |
|
4 |
150´125 |
150´175 |
175´175 |
200´175 |
|
9000 |
2 |
125´150 |
150´150 |
150´175 |
175´175 |
|
5 |
125´125 |
150´125 |
150´175 |
175´175 |
|
|
3 |
125´125 |
150´125 |
150´150 |
175´150 |
20000 |
3 |
150´175 |
175´175 |
200´200 |
225´200 |
|
|
4 |
100´125 |
125´100 |
125´150 |
150´150 |
|
4 |
150´125 |
150´175 |
175´175 |
200´175 |
|
|
|
|
|
|
|
|
5 |
125´125 |
150´150 |
150´175 |
175´175 |
Примечания:
1. При креплении груза к полозьям высота и ширина полозьев должны выбираться в зависимости от расстояния от края жесткого основания груза до точки захвата полоза стропами.
2. При несимметричном расположении груза по длине ящика высота и ширина полозьев определяется по наибольшему расстоянию.
3. При установке четырех полозьев и массе груза до 3000 кг включительно высота полозьев должна быть ниже на одну градацию, чем при трех полозьях.
(табл. 22)
Таблица 22
Размеры, мм
|
Масса груза нетто, кг |
Количество полозьев, шт. |
Толщина и ширина крепежных брусьев при внутренней ширине ящика |
|||||
|
1000 |
1500 |
2000 |
2500 |
3000 |
3200 |
||
|
500 |
2 |
44´75 |
50´75 |
- |
- |
- |
- |
|
|
3 |
40´75 |
44´75 |
50x75 |
60´75 |
- |
- |
|
800 |
2 |
50´75 |
60´75 |
- |
- |
- |
- |
|
|
3 |
44´75 |
60´75 |
60´75 |
75´75 |
- |
- |
|
1000 |
2 |
60´100 |
75´100 |
- |
- |
- |
- |
|
|
3 |
50´100 |
60´100 |
75´100 |
100´75 |
- |
- |
|
2000 |
2 |
75´100 |
100´75 |
- |
- |
- |
- |
|
|
3 |
60´100 |
75´100 |
100´75 |
100´100 |
- |
- |
|
3000 |
2 |
75´100 |
100´75 |
- |
- |
- |
- |
|
|
3 |
60´100 |
75´100 |
100´75 |
100´100 |
- |
- |
|
4000 |
2 |
100´75 |
100´100 |
- |
- |
- |
- |
|
|
3 |
75´100 |
100´75 |
100´100 |
100´125 |
- |
- |
|
|
4 |
60´100 |
75´100 |
100´75 |
100´100 |
100´125 |
125´100 |
|
5000 |
2 |
100´100 |
100´125 |
- |
- |
- |
- |
|
|
3 |
100´75 |
100´100 |
100´125 |
125´100 |
125´125 |
- |
|
|
4 |
60´100 |
75´100 |
100´75 |
100´100 |
100´125 |
125´125 |
|
6000 |
2 |
100´125 |
125´100 |
- |
- |
- |
- |
|
|
3 |
100´100 |
100´125 |
125´100 |
125´125 |
125´150 |
- |
|
|
4 |
75´100 |
100´75 |
100´100 |
100´125 |
125´125 |
125´150 |
|
|
и более |
|
|
|
|
|
|
|
7000 |
2 |
125´100 |
125´125 |
- |
- |
- |
- |
|
|
3 |
100´100 |
100´125 |
125´100 |
125´125 |
125´150 |
- |
|
|
4 |
100´75 |
100´100 |
100´125 |
125´100 |
125´125 |
150´125 |
|
|
и более |
|
|
|
|
|
|
|
8000 |
2 |
125´125 |
125´150 |
- |
- |
- |
- |
|
|
3 |
100´125 |
125´100 |
125´125 |
125´150 |
150´125 |
- |
|
|
4 |
100´100 |
100´125 |
125´100 |
125´125 |
125´150 |
150´125 |
|
|
и более |
|
|
|
|
|
|
|
9000 |
2 |
125´125 |
125´150 |
- |
- |
- |
- |
|
|
3 |
125´100 |
125´125 |
125´150 |
150´125 |
150´150 |
- |
|
|
4 |
100´100 |
100´125 |
125´100 |
125´125 |
150´125 |
150´150 |
|
|
и более |
|
|
|
|
|
|
|
10000 |
3 |
125´125 |
150´125 |
150´150 |
150´150 |
175´150 |
- |
|
|
4 |
100´125 |
125´100 |
125´125 |
125´150 |
150´125 |
150´150 |
|
|
и более |
|
|
|
|
|
|
|
11000 |
3 |
125´150 |
150´150 |
150´175 |
175´150 |
175´175 |
- |
|
|
4 |
125´100 |
125´125 |
125´150 |
150´150 |
150´150 |
175´175 |
|
|
и более |
|
|
|
|
|
|
|
12000 |
3 |
150´125 |
150´175 |
175´150 |
175´175 |
175´200 |
- |
|
|
4 |
125´125 |
125´150 |
150´150 |
150´175 |
175´175 |
175´175 |
|
|
и более |
|
|
|
|
|
|
|
13000 |
3 |
150´150 |
175´150 |
175´150 |
175´175 |
200´175 |
- |
|
|
4 |
125´150 |
150´125 |
150´150 |
150´175 |
175´150 |
175´200 |
|
14000 |
3 |
150´150 |
150´175 |
175´150 |
175´175 |
200´175 |
- |
|
|
4 |
125´150 |
150´150 |
150´175 |
175´150 |
175´175 |
175´225 |
|
|
и более |
|
|
|
|
|
|
|
15000 |
3 |
150´175 |
175´150 |
175´175 |
175´200 |
200´175 |
- |
|
|
4 |
125´150 |
150´150 |
175´150 |
175´175 |
175´200 |
175´225 |
|
|
и более |
|
|
|
|
|
|
|
16000 |
4 |
150´125 |
150´150 |
150´175 |
175´175 |
175´200 |
225´175 |
|
|
и более |
|
|
|
|
|
|
|
17000 |
4 |
150´150 |
150´175 |
175´150 |
175´175 |
200´175 |
225´200 |
|
|
и более |
|
|
|
|
|
|
|
18000 |
4 |
150´150 |
175´150 |
175´175 |
175´225 |
225´175 |
225´225 |
|
|
и более |
|
|
|
|
|
|
|
19000 |
4 |
150´175 |
175´150 |
175´175 |
200´175 |
225´200 |
225´225 |
|
|
и более |
|
|
|
|
|
|
|
20000 |
4 |
150´175 |
175´150 |
175´175 |
175´225 |
200´200 |
225´225 |
|
|
и более |
|
|
|
|
|
|
Примечания:
1. При креплении груза к четырем и более крепежным брусьям их толщина должна быть снижена на одну градацию.
2. Если масса груза и ширина ящика не совпадают с указанными в приложении, то толщину и ширину крепежных брусьев принимают по ближайшим значениям массы и ширины.
3. При установке четырех полозьев и массе груза до 3000 кг включительно толщина крепежного бруса должна быть ниже на одну градацию, чем при трех полозьях.

1 - продольный брус торцового щита; 2 - продольный брус бокового щита; 3 - вкладыш; 4 - угловая стойка; 5 - раскос бокового щита; 6 - доски дна; 7 - полоз; 8 - поперечный торцовый брус
Черт. 37
(табл. 23)
Таблица 23
Размеры, мм
|
Наружная длина ящика |
Установка поперечных брусьев |
Наружная длина ящика |
Установка поперечных брусьев |
|
До 1500 |
|
Св. 3000 до 5000 |
|
|
Св. 1500 до 3000 |
|
Св. 5000 |
|
L - длина ящика наружная; х - расстояние, определяемое местами прохождения строп; а - равные расстояния друг от друга за пределами прохождения строп; b - равные расстояния друг от друга в пределах прохождения строп.
|
При продольном расположении досок |
При поперечном расположении |
|
обшивки крышки |
досок обшивки крыш |
|
|
|
1 - продольный брус крышки; 2 - поперечный брус крышки; 3 - продольный брус бокового щита; 4 - опорная планка; 5 – стойка
КРЕПЛЕНИЕ КРЫШКИ К ЩИТАМ ЯЩИКОВ
|
Тип III-1 |
Тип III-2 |
Тип VII-2 |
Тип VIII-3 |
|
|
|
|
|
|
1 -продольный брус крышки; 2 - доски обшивки; 3 - продольный брус бокового щита |
1 - продольный брус крышки; 2 - обшивка; 3 - продольный брус бокового щита |
||
(табл. 24)
Таблица 24
Размеры, мм
|
Характеристика и интервал |
Поля допусков |
Примечание |
|
По внутренним размерам до 10000 |
Is 16 |
По табл. 1 |
|
По длине досок боковых, торцовых щитов, деталей каркаса в ящиках типов II, V, VII, VIII, досок ящиков типа I |
js 16 |
По табл. 5 |
|
|
|
но не более ±8 |
|
По длине досок дна и крышки ящиков типов II-VIII и планок ящиков типов I, V, VI |
h l4 |
По табл. 5 |
|
но не более -5 |
||
|
По длине полозьев до 10000 |
js 16 |
По табл. 5 |
|
|
||
|
|
но не более ±12 |
|
|
По длине и ширине щитов до 10000 |
js 16 |
По табл. 5 |
|
|
||
|
По толщине досок, планок и брусьев |
- |
По ГОСТ 24454 |
|
или ГОСТ 2695 |
|
Металлическая накладка |
Деревянный брусок |
|
|
|
|
Металлическая скоба |
Металлический угольник |
|
|
|
Черт. 41
|
|
|
|
1 - полоз; 2 - продольный брус бокового щита; |
1 - накладка бокового щита; |
Угольники и накладки для сборки ящиков типа III-2
![]()
1. Размеры крепежных элементов для сборки
1.1. Длина гвоздя и длина ножки скобы определяются суммой толщин соединяемых деталей с добавлением 6-11 мм на загиб гвоздя при его длине до 60 мм и 11-25 мм при длине гвоздя 60 мм и более, на подгиб концов скоб - 6-10 мм.
1.2. Диаметр гвоздей принимается в зависимости от их длины по табл. 25, диаметр проволоки для скоб принимается равным 1,8-2,0 мм.
Таблица 25
мм
|
Длина гвоздя |
Диаметр гвоздя |
|
До 60 |
2,5 |
|
Св. 60 » 80 |
3,0 |
|
» 80 » 120 |
4,0 |
|
» 120 » 150 |
5,0 |
1.3. Выступающие концы гвоздей должны быть загнуты и утоплены в древесину, концы скоб должны быть подогнуты и плотно прижаты к древесине.
Скобы с косым срезом концов допускается забивать без подгиба концов.
Допускается прибивать детали без загиба гвоздей, если это не влияет на прочность ящика, сохранность груза и не опасно для рук работающего.
1.4. При прибивании поясов из стальной ленты, угольников, накладок длина гвоздей или шурупов не должна превышать суммы толщин деревянных деталей в этом сечении.
1.5. Диаметр болтов и шпилек при креплении торцовых и крепежных брусьев дна к полозьям в зависимости от массы груза выбирают по табл. 26.
Таблица 26
|
Масса груза, кг |
Диаметр болтов и шпилек, мм |
|
При двух полозьях до 3000 |
12 |
|
Св. 3000 до 6000 |
16 |
|
» 6000 |
20 |
|
При трех и более полозьях до 6000 |
12 |
|
Св. 6000 до 10000 |
16 |
|
» 10000 |
20 |
1.6. Диаметр болтов для сборки разборных ящиков должен быть не более 12 мм, диаметр шурупов должен быть не более 16 мм.
1.7. Под головки болтов и гайки должны быть подложены шайбы.
Гайки должны быть застопорены; головки болтов и шайбы должны быть утоплены в полозьях.
2. Сборка щитов и ящиков
2.1. Доски дна и подполозные доски должны прибиваться к полозьям гвоздями: к крайним полозьям доски дна шириной до 130 мм прибивают двумя гвоздями, шириной более 130 мм - тремя, к средним полозьям доски дна прибивают двумя гвоздями.
Подполозные доски прибивают к наружной пласта полозьев гвоздями, расположенными в шахматном порядке на расстоянии 150-180 мм между ними.
2.2. Торцовые и крепежные брусья дна должны крепиться к полозьям болтами или шпильками.
Допускается торцовые и крепежные брусья дна прибивать к полозьям гвоздями: при массе груза до 1000 кг и ширине ящика до 1500 мм - размером 4´100 мм; при массе груза до 2000 кг - размером 5´150 мм: к крайним полозьям - тремя гвоздями в каждый конец, к средним полозьям - двумя гвоздями в каждое соединение.
2.3. Сборка торцовых щитов боковых стенок ящиков, дна и крышки производится гвоздями или проволочными скобами из светлой, термически необработанной проволоки.
При сборке щитов гвозди, и скобы должны располагаться на расстоянии не менее 15 мм от торцов и кромок планок и раскосов.
Гвозди должны располагаться в шахматном порядке.
2.4. Брусья, стойки и раскосы должны быть соединены между собой гвоздями под углом - по два гвоздя в каждое соединение. Допускается скреплять их за счет досок обшивки.
2.5. Доски обшивки к продольным брусьям, стойкам и раскосам боковых, торцовых щитов, а также к продольным брусьям крышки должны прибиваться гвоздями, расположенными в шахматном порядке, на расстоянии не менее 20 мм от кромок и торцов деталей каркаса и досок обшивки: при толщине деталей каркаса до 50 мм - с загибом в доступных местах концов гвоздей, более 50 мм - без загиба.
К продольным брусьям доски шириной до 125 мм прибивают двумя гвоздями, более 125 мм - тремя гвоздями, к раскосам - двумя гвоздями.
Доски обшивки прибивают к стойкам гвоздями с шагом 150 мм.
Допускается доски обшивки в ящиках типов II и III прибивать металлическими скобами с загибом их концов.
2.6. Боковые щиты через доски обшивки в ящиках типов II, IV, V крепят к полозьям так, чтобы концы досок перекрывали 2/3 высоты полозьев, но не более чем на 70 мм, при этом гвозди забивают под углом.
При установке бокового щита на полозья в ящиках типов II и V-1 его прибивают к доскам дна через дополнительную продольную планку дна гвоздями с шагом 150 мм.
2.7. Боковые щиты к стойкам торцовых щитов и торцовые щиты к торцовым брусьям должны быть прибиты гвоздями, расположенными на расстоянии 100-150 мм друг от друга и 25 мм от торца обшивки.
2.8. Продольные брусья крышки должны быть прибиты к поперечным брусьям двумя гвоздями в каждое соединение.
2.9. Опорные планки прибивают к верхним продольным брусьям боковых щитов гвоздями с шагом 100 мм.
2.10. Листовой материал к планкам, продольным брусьям, стойкам должен прибиваться гвоздями с шагом не более 150 мм.
Допускается сборка щитов скобами с шагом 100 мм. Скобы прибивают под углом 30°-45° к волокнам прибиваемой детали или под углом 90° к продольной оси планки.
Гвозди должны забиваться со стороны листового материала в шахматном порядке.
Планки должны прибиваться гвоздями со стороны наружных планок во внутренние по одному гвоздю в каждое соединение с загибом концов гвоздей на внутренних планках.
При прибивании листового материала, состоящего из двух или более кусков, гвозди располагают на промежуточных стойках или дополнительных горизонтальных брусьях в шахматном порядке с шагом 180 мм.
2.11. В ящиках типа VIII-1 боковые щиты прибивают к доскам дна и торцовые щиты - к торцовым брусьям дна гвоздями с шагом 180-200 мм; боковые щиты, кроме того, прибивают через облицовочные доски к полозьям, при этом гвозди с шагом 180-200 мм располагают под углом в промежутке между гвоздями, которыми боковые щиты крепятся к доскам дна.
2.12. В ящиках типа VIII-1 боковые щиты к стойкам торцовых щитов через облицовочные доски прибивают гвоздями с шагом 100-150 мм.
2.13. Опорные планки прибивают к верхним продольным брусьям боковых щитов гвоздями с шагом 100 мм.
2.14. Доски крышки прибивают к поперечным брусьям двумя гвоздями в каждое соединение, к боковым и торцовым стенкам гвоздями с шагом 150 мм.
2.15. Поперечные планки крышки в ящиках типа VI-3 прибивают к доскам крышки, а в ящиках типа VII-1 - к продольным деталям рамы двумя гвоздями в каждое соединение.
2.16. Разборные ящики должны собираться на болтах или шурупах.
Расстояние между болтами или шурупами не должно превышать 1000 мм, при этом каждый щит должен соединяться с другим не менее чем двумя болтами или шурупами.
Болты или шурупы должны располагаться на расстоянии не менее 200 мм от торцов щитов.
|
|
|
|
1 - вентиляционные отверстия; |
|
Конструкция и размеры кармана для сопроводительной документации (табл. 27)
Таблица 27
Размеры, мм
|
Номер кармана |
L1 |
L |
H1 |
H |
|
1 |
115 |
145 |
80 |
110 |
|
2 |
115 |
145 |
160 |
190 |

1. РАЗРАБОТАН И ВНЕСЕН Министерством лесной промышленности СССР РАЗРАБОТЧИКИ
Н.А. Брусин, канд. техн. наук; Н.Ф. Мороз; Т.А. Афанасьева
2. УТВЕРЖДЕН И ВВЕДЕН В ДЕЙСТВИЕ Постановлением Государственного комитета СССР по управлению качеством продукции и стандартам от 13.03.91 № 249
3. ВЗАМЕН ГОСТ 10198-78, ГОСТ 26014-83
4 ССЫЛОЧНЫЕ НОРМАТИВНО-ТЕХНИЧЕСКИЕ ДОКУМЕНТЫ
|
Обозначение НТД, на который дана ссылка |
Номер пункта |
Обозначение НТД, на который дана ссылка |
Номер пункта |
|
ГОСТ 11473-75 |
|||
|
2.4.1, 2.6.1 |
|||
|
ГОСТ 15155-89 |
|||
|
ГОСТ 17305-91 |
|||
|
ГОСТ 21100-93 |
|||
|
ГОСТ 6958-78 |
ГОСТ 24170-80 |
||
|
ГОСТ 25014-81 |
|||
5. ПЕРЕИЗДАНИЕ