Министерство
топлива и энергетики Российской Федерации
(Минэнерго России)
Государственный
комитет Российской Федерации по надзору за безопасным ведением работ в
промышленности и горному надзору
(Госгортехнадзор
России)
|
УТВЕРЖДЕН |
УТВЕРЖДЕН |
РУКОВОДЯЩИЙ ДОКУМЕНТ РД 34.15.027-93
СВАРКА,
ТЕРМООБРАБОТКА И КОНТРОЛЬ ТРУБНЫХ
СИСТЕМ КОТЛОВ И ТРУБОПРОВОДОВ ПРИ
МОНТАЖЕ И
РЕМОНТЕ ОБОРУДОВАНИЯ ЭЛЕКТРОСТАНЦИЙ (РТМ-1с-93)
Обязателен для всех министерств, ведомств, предприятий и организаций.
Москва
НПО ОБТ
1995
СОДЕРЖАНИЕ
РАЗРАБОТЧИКИ: Государственный институт "Оргэнергострой" с участием института "Энергомонтажпроект", Всероссийского теплотехнического института (ВТИ) и фирмы "Центроэнергомонтаж".
СОСТАВИТЕЛИ: С.С. Якобсон, канд. техн. наук (ответственный исполнитель), С.А. Белкин, Г.М. Гинзбург, Ю.И. Гусев, Г.С. Зислин, канд. техн. наук, Н.Д. Курносова, канд. техн. наук, Н.С. Урман, канд. техн. наук, Н.А. Хапонен, Ф.А. Хромченко, д-р техн. наук, А.А. Шельпяков.
Внесено Изменение № 1, утвержденное Госгортехнадзором России и Министерством топлива и энергетики России
Руководящий документ заменяет ранее выпущенный документ РТМ-1с-89 под таким же названием. РД определяет технологию сборочно-сварочных работ, термической обработки сварных стыков труб, а также объем и порядок контроля и нормы оценки качества сварных соединений. РД охватывает все виды сварки, применяющиеся при монтаже и ремонте оборудования и трубопроводов электростанций.
РД предназначен для персонала, занимающегося монтажом и ремонтом оборудования и трубопроводов электростанций и отопительных котельных, а также изготовлением трубопроводов с рабочим давлением до 2,2 МПа и температурой не более 425°С.
ПРЕДИСЛОВИЕ
РД 34.15.027-93 является нормативно-техническим (НТД) и производственно-технологическим (ПТД) документом, включающим требования правил Госгортехнадзора России, СНиП, стандартов, касающихся сборки, сварки, термообработки и контроля качества сварных соединений трубопроводов и трубных систем котлов электростанций и отопительных котельных, а также указания по технологии сборочно-сварочных работ при монтаже и ремонте этих объектов.
Настоящий РД разработан на основе аналогичного документа РД 34.15.027-89, который подвергся серьезной переработке в связи с выходом новых "Правил устройства и безопасной эксплуатации паровых и водогрейных котлов" и "Правил устройства и безопасной эксплуатации трубопроводов пара и горячей воды" Госгортехнадзора России. В РД также учтены требования новых стандартов и других нормативных материалов, опыт монтажных и ремонтных организаций и результаты научно-исследовательских работ, выполненных в последние годы институтами "Оргэнергострой", "Энергомонтажпроект", Всероссийским теплотехническим институтом (ВТИ) и др.
Отступления от требований РД должны быть согласованы для объектов Минтопэнерго с институтом "Оргэнергострой", если в РД нет других указаний на этот счет; для прочих объектов согласование может производиться с любой специализированной научно-исследовательской организацией соответствующего профиля, указанной в приложениях к правилам Госгортехнадзора России.
Отступления от требований РД, являющиеся одновременно отступлениями от требований правил Госгортехнадзора, согласовываются также с Госгортехнадзором.
1.1.1. Настоящий Руководящий документ предназначен для персонала, осуществляющего организацию и производство сборочно-сварочных работ при монтаже и ремонте трубопроводов и трубных систем паровых и водогрейных котлов независимо от параметров рабочей среды, а также при изготовлении трубопроводов с рабочим давлением до 2,2 МПа (22 кгс/см2) и температурой не более 425оС.
Технологические рекомендации РД, касающиеся требований к монтажным сварным соединениям, должны учитывать заводы-изготовители котлов и трубопроводов.
Примечание. При ремонте оборудования ТЭС и отопительных котельных разрешается изготовлять на заводах и ремонтных базах отдельные элементы котлов и трубопроводов независимо от параметров рабочей среды при условии наличия разрешения (лицензии) Госгортехнадзора России и соблюдения требований настоящего РД или технологических указаний основного завода-изготовителя этих элементов.
1.1.2. РД распространяется на следующие изделия:
трубы поверхностей нагрева котлов, которые подпадают под действие "Правил устройства и безопасной эксплуатации паровых и водогрейных котлов" Госгортехнадзора России;
паровые и водогрейные котлы и водоподогреватели, подпадающие под действие "Правил устройства и безопасной эксплуатации паровых котлов с давлением пара не более 0,07 МПа (0,7 кгс/см2), водогрейных котлов и водоподогревателей с температурой нагрева воды не выше 388 К (115 градусов Цельсия)" Минстроя России;
коллекторы (камеры) котла;
трубопроводы пара и горячей воды всех категорий, на которые распространяются правила Госгортехнадзора России (см. приложение 1), в том числе трубопроводы в пределах котла и турбины, трубопроводы тепловых сетей;
трубопроводы пара и горячей воды, на которые не распространяются правила Госгортехнадзора России, в том числе трубопроводы тепловых сетей, дренажные, сливные, контрольно-измерительных приборов и средств автоматизации, воздушники;
трубопроводы фосфатирования, отбора проб и кислотных промывок;
мазутопроводы и маслопроводы;
газопроводы (трубопроводы горючего газа), находящиеся на территории монтируемого объекта (от газорегуляторного пункта до горелок котла), транспортирующие газ давлением не более 1,2 МПа (12 кгс/см2);
трубопроводы наружных сетей водоснабжения и канализации.
Указанные трубные системы котлов и трубопроводы изготавливаются из углеродистых сталей, теплоустойчивых низколегированных и конструкционных сталей перлитного класса, высоколегированных сталей мартенситного, мартенситно-ферритного и аустенитного классов, характеристики которых приведены в приложениях 2 и 3, а подразделение сталей на типы и классы - в приложении 20.
1.1.3. РД определяет технологию сборки, сварки и термообработки сварных стыков труб при монтаже и ремонте изделий, перечисленных в п. 1.1.2, а также объем, порядок контроля и нормы оценки качества сварных соединений.
1.1.4. РД регламентирует все виды сварки, применяющиеся при монтаже и ремонте изделий, указанных в п. 1.1.2, а также при изготовлении трубопроводов с рабочим давлением до 2,2 МПа (22 кгс/см2): ручную дуговую покрытыми электродами, ручную и автоматическую аргонодуговую неплавящимся электродом, газовую, ацетиленокислородную, автоматическую под флюсом, механизированную в углекислом газе, механизированную порошковой проволокой.
1.2.1. Изготовление, монтаж и ремонт котлов, трубопроводов и их элементов должны выполняться специализированными предприятиями (организациями), имеющими разрешение (лицензию) Госгортехнадзора на выполнение соответствующих работ, в том числе работ по контролю качества сварных соединений.
1.2.2. При изготовлении трубопроводов на заводах сборочно-сварочные работы необходимо выполнять по технологическому процессу, разработанному в соответствии с требованиями РД и других НТД, с учетом конкретных условий производства.
Основные положения организации и технологии работ по сборке, сварке, термообработке и контролю сварных соединений при монтаже и ремонте котлов и трубопроводов должны быть отражены в проекте производства монтажных и ремонтных работ (ППР), разработанном в соответствии с требованиями настоящего РД и других нормативных документов. ППР разрабатывается организацией - производителем работ или по ее заданию специализированной проектной организацией. Примерное содержание раздела сварочных работ ППР приведено в приложении 4.
Рекомендуемая структура служб сварки и контроля монтажного и ремонтного участков дана в приложении 5.
Определяющими факторами при выборе технологии сварочных работ должны быть реальная возможность материального (оборудование, сварочные и вспомогательные материалы, оснастка и т.д.) и организационно-технического (энерго - и газопитание, наличие квалифицированных кадров и т.п.) обеспечения прогрессивных способов сварки и степень их освоения данным предприятием.
1.2.3. При выборе способа сварки следует руководствоваться следующими основными положениями:
а) стыки трубопроводов предпочтительнее сваривать комбинированным способом: корневую часть шва - ручной или автоматической аргонодуговой сваркой неплавящимся электродом, остальное сечение - ручной дуговой сваркой покрытыми электродами, при этом стык сваривают без остающегося подкладного кольца; если применяют сварное соединение с подкладным остающимся кольцом, весь шов (включая корневой слой) можно выполнять ручной дуговой сваркой;
б) стыки труб поверхностей нагрева, импульсных трубок контрольно-измерительных приборов, напорных маслопроводов системы смазки, стыки трубопроводов системы регулирования турбины, трубопроводов, подвергающихся гуммированию, следует сваривать преимущественно комбинированным способом; при толщине стенки труб до 10 мм можно все сечение шва выполнять аргонодуговой сваркой;
в) для соединения стыков труб диаметром до 57 мм при толщине стенки 8 мм можно применять газовую ацетиленокислородную сварку; в отдельных случаях для трубопроводов, на которые не распространяются правила Госгортехнадзора России, этот способ можно применять для сварки трубопроводов диаметром до 150 мм.
Для соединения труб поверхностей нагрева котлов газовую ацетиленокислородную сварку следует применять в исключительных случаях по согласованию с заказчиком, при этом ацетилен к сварочным постам должен поступать из баллонов. Стыки труб из сталей 12Х2МФСР, 12Х2МФБ и из стали мартенситно-ферритного и аустенитного классов газовой сваркой сваривать запрещается;
г) для соединения стыков труб из углеродистых и кремнемарганцовистых сталей рекомендуется применять (преимущественно при изготовлении трубопроводов на заводах) механизированную сварку в среде защитных газов и автоматическую под слоем флюса;
д) продольные швы газоплотных панелей котлов следует сваривать ручной дуговой или механизированной сваркой в углекислом газе или порошковой проволокой;
е) во всех остальных случаях следует использовать ручную дуговую сварку или механизированную в углекислом газе.
1.2.4. Стыки труб необходимо собирать в последовательности, обеспечивающей свободный подход к стыкам для их сварки и контроля качества швов, а также для переварки стыков; на это должно быть обращено особое внимание во время приварки труб к штуцерам коллекторов (или непосредственно к коллекторам), так как эти стыки часто размещаются в труднодоступных местах. В ППР должна быть разработана схема крепления трубопровода в месте сварки монтажных стыков.
1.2.5. Сборку трубопровода в укрупненные пространственные блоки (узлы) следует производить на специальном стенде, обеспечивающем правильное взаимное расположение элементов блока. На горизонтальных участках необходимо предусмотреть установку временных опор или подвесок на расстоянии не более 1 м от стыка, чтобы исключить провисание труб и разгрузить сварной шов при сварке и термообработке. Временные опоры (подвески) удаляют только после заварки всего сечения стыка и окончания его термообработки.
Блоки (узлы) трубопроводов и поверхностей нагрева котлов, в которых элементы соединены только прихватками или корневым швом, запрещается перемещать, транспортировать, подвергать воздействию каких-либо нагрузок во избежание образования трещин в швах, а также оставлять незаваренными на срок более одних суток.
Примечание. На заводах при поточно-операционном методе изготовления трубопроводов разрешается блок, собранный на прихватках, перемещать на место для сварки при условии, что технологическим процессом предусмотрен способ перемещения, который обеспечивает отсутствие трещин в прихватках, изгибов и смещений в стыках. После перемещения прихваточные швы должны быть подвергнуты внешнему осмотру с целью выявления в них трещины.
1.2.6. В монтажных условиях стыки труб из теплоустойчивых низколегированных сталей при толщине стенки более 12 мм и из прочих сталей при толщине стенки более 20 мм следует сваривать неповоротными во избежание появления трещин в первых слоях шва во время поворота. Если сварка производится на вращающихся устройствах, то стыки труб независимо от толщины стенки можно сваривать поворотными.
1.2.7. Для обеспечения стабильного режима сварки и нагрева стыков при термообработке источники электропитания целесообразно подсоединять к отдельным силовым трансформаторам, к которым не должны подключаться другие потребители. Колебания напряжения питающей сети не должны превышать ± 5% от номинального значения.
Если на сборочной площадке или в главном корпусе сварку труб будут выполнять одновременно более 10 сварщиков, рекомендуется использовать многопостовые источники питания (выпрямители или преобразователи) с кольцевой разводкой сварочного тока. Аналогичные разводки рекомендуется применять для термообработки сварных соединений током средней частоты.
1.2.8. Сечение провода, присоединяющего источник питания для сварки или термообработки к сети, следует подбирать по данным табл. 1.1. При ручной дуговой сварке электрододержатель соединяют со сварочной цепью гибким медным проводом с резиновой изоляцией марки ПРД, ПРИ, КОГ1, КОГ2, сечение которого необходимо выбирать в зависимости от сварочного тока: при токе до 100 А - не менее 16 мм2, при 250 А - 25 мм2, при 300 А - 50 мм2. Длина гибкого провода должна быть не менее 5 м.
Сечение провода, присоединяющего к сети источника питания для сварки и термообработки
|
Источники питания |
Сечение одной жилы медного провода*, мм2 при напряжении сети, В |
|
|
220 |
380 |
|
|
Сварочные трансформаторы, преобразователи или выпрямители на максимальный сварочный ток, А: |
|
|
|
до 300 (ТД-102УХЛ2, ТД-306УХЛ2, ТИР-300ДМ1, УДГ-350УХЛ, ТДМ-319УХЛ5, ВД-201У3, УДГ-201УХЛ4, ВДГ-303У3, ВС-300У3, ПСО-300-2У2, ВДГИ-302У3, ПД-305У2 и др.) |
16 |
10 |
|
до 500 (ТДМ-503У2, ТДМ-401-1У2, ВД-401У3, ПСГ-500-1У3, ПД-502-1У2, ВДУ-505У3, ВДУ-506У3, ВДУ-601У3 и др.) |
35 |
16 |
|
до 1000 (ТДФЖ-1002, ВДУ-1201У3, ВДМ-1001У3, ВМ-1000 и др.) |
70 |
50 |
|
до 2000 (ВМ-2000 и др.) |
- |
75 |
|
до 3000 (ВМ-3000 и др.) |
- |
120 |
|
Преобразователи средней частоты (для термообработки сварных соединений): |
|
|
|
ВПЧ-50 |
- |
50 |
|
ВПЧ-100 |
- |
70 |
_______________
* Сечение алюминиевого провода должно быть примерно в 1,5 раза больше.
1.2.10. Очистку, рубку и намотку в кассеты проволоки для механизированной сварки должен производить специально выделенный для этого рабочий. На всех кассетах с намотанной проволокой должны быть этикетки с указанием марки, плавки и диаметра проволоки.
1.2.11. Место сварки и термообработки необходимо защитить от ветра, сквозняков и атмосферных осадков и обеспечить первичными средствами для тушения пожара в соответствии с инструкцией, разработанной согласно п. 1.2.13. При сварке и термообработке стыков труб из закаливающихся сталей (мартенситно-ферритного класса и низколегированных теплоустойчивых перлитного класса) концы труб следует закрывать заглушками.
1.2.12. Сварщик должен быть обеспечен необходимым набором инвентаря и инструментов. Электросварщики (в том числе операторы по механизированной и автоматической сварке) должны иметь защитный щиток или маску, рукавицы, молоток, зубило или крейцмейсель для отбивки шлака, стальную щетку, струбцину (зажим) для обратного провода, личное клеймо и шаблоны для проверки размеров и формы швов. Кроме того, у сварщиков по ручной дуговой сварке должны быть пеналы или пакет из влагостойкой бумаги для хранения электродов и ящик или сумка для электродов с отделением для огарков; у сварщиков по ручной аргонодуговой сварке неплавящимся электродом - кожаные (или хлопчатобумажные) перчатки, набор заточенных вольфрамовых электродов и пассатижи; у сварщиков-операторов по автоматической сварке неплавящимся электродом - набор заточенных вольфрамовых электродов, пенал для проволоки, комплект гаечных ключей к сварочному автомату, пассатижи с кусачками для проволоки.
Газосварщики должны иметь защитные очки, со светофильтрами типа Г, молоток, зубило, стальную щетку и личное клеймо.
- СНиП III-4-80*. "Техника безопасности в строительстве";
- ГОСТ 12.3.003-86. "ССБТ. Работы электросварочные. Требования безопасности";
- "Правила устройства электроустановок" (М.: Энергоатомиздат, 1986);
- "Правила технической эксплуатации электроустановок потребителей" (М.: Энергоатомиздат, 1992);
- "Санитарные правила при проведении рентгеновской дефектоскопии", № 2191-80;
- "Санитарные правила при радиоизотопной дефектоскопии", № 1171-74;
- "Санитарные правила по сварке, наплавке и резке металлов", № 1009-73;
- "Санитарные нормы и правила при работе с оборудованием, создающим ультразвук, передаваемый контактным путем на руки работающих", № 2282-80;
- "Правила пожарной безопасности при производстве строительно-монтажных работ" ППБ 05-86;
"Инструктивные материалы по технике безопасности при производстве сварочных работ и работ по термической резке в условиях монтажа оборудования энергетических объектов Минэнерго СССР" (М.: Информэнерго, 1981).
2.1.1. Для ручной дуговой сварки стыков трубопроводов и труб котлов из углеродистых, низколегированных и высоколегированных сталей необходимо применять электроды, удовлетворяющие требованиям ГОСТ 9466-75, 9467-75 и ГОСТ 10052-75. Марку электродов, следует выбирать в зависимости, от марки свариваемой стали (табл. 2.1). В приложениях 6 и 7 приведены химический состав и механические свойства соответственно отечественных и зарубежных электродов, а также типы электродов по ГОСТ 9467 и ГОСТ 10052-75.
Таблица 2.1
Области применения электродов для сварки труб
|
Сталь труб (элементов) |
Марка электродов* |
|
Углеродистая |
|
|
08, 10, 20, Ст.2, Ст3, СтЗГ |
АНО-4**, АНО-6М**, ВСЦ-4А***, МР-3**, ОЗС-4**, АНО-18**, АНО-24**, УОНИ-13/45, УОНИ-13/55, ИТС-4С, ТМУ-21У, ЦУ-5, ЦУ-7, ЦУ-8, ЦУ-6, ТМУ-46, ТМУ-50
|
|
Ст4, 15Л, 20Л, 25Л |
УОНИ-13/45, УОНИ-13/55, ИТС-4С, ВСЦ-4А***, ЦУ-5, ТМУ-21У, ЦУ-7, ЦУ-8, ТМУ-46, ТМУ-50
|
|
Низколегированная конструкционная |
|
|
15ГС, 16ГС, 17ГС, 14ГН, 16ГН, 09Г2С, 10Г2С1, 14ХГС, 20ГСЛ, 17Г1С, 171Г1СУ |
ВСЦ-4А***, ЦУ-5, УОНИ-13/55, ТМУ-21У, ЦУ-7, ЦУ-8, ИТС-4С |
|
Низколегированная теплоустойчивая |
|
|
Трубы диаметром 100 мм и менее 12МХ, 15ХМ, 12Х2М1, 12Х1МФ, 12Х2МФБ, 12Х2МФСР |
ТМЛ-1У, ЦЛ-39, ЦУ-2ХМ, ЦЛ-38, ТМЛ-ЗУ |
|
Трубы диаметром более 100 мм 12МХ, 15ХМ, 20ХМЛ |
ТМЛ-1У, ЦУ-2ХМ, ЦЛ-38 |
|
12Х1МФ, работающая при температуре среды до 510°С вкл. |
ТМЛ-1У, ЦУ-2ХМ, ЦЛ-20, ЦЛ-39, ТМЛ-ЗУ, ЦЛ-38 |
|
12Х1МФ, 15Х1М1Ф, 20ХМФЛ, 15Х1М1ФЛ, 15Х1М1Ф-ЦЛ, работающие при температуре среды до 570°С |
ЦЛ-20, ТМЛ-ЗУ, ЦЛ-39, ЦЛ-45 |
|
Высоколегированная (трубы диаметром 100 мм и менее) |
|
|
12Х11В2МФ (ЭИ756) |
ЭА-400/10У, ЭА-400/10Т |
|
12Х18Н12Т, 12Х18Н10Т |
ЦТ-26, ЭА-400/10У, ЭА-400/10Т, ЦТ-26М, ЦТ-15, ЦТ-15К |
_______________
Примечание. 1. Если проектом предусмотрены трубы (арматура) из углеродистой стали, а устанавливают трубы (арматуру) тех же размеров (диаметр и толщина стенки) из низколегированной стали, то разрешается применять углеродистые электроды с основным покрытием.
(Измененная редакция, Изм. №1)
2.1.2. Электроды для приварки деталей крепления из высоколегированных сталей к трубам пароперегревателя и другим элементам котла или к трубопроводу из низколегированных перлитных сталей, а также для сварки деталей крепления необходимо выбирать по данным табл. 2.2.
Области применения электродов для приварки креплений к трубам
|
Сталь привариваемой детали |
Марка электрода |
|
20Х13, 31Х19Н9МВБТ, Х23Н13Г2, Х20Н19 |
ОЗЛ-6, ЦЛ-9, ЦЛ-25/1, ЦЛ-25/2, ЗИО-8, ЭА-395/9 |
|
13Х11Н2В2МФ, 20Х12ВНМФ, 18Х12ВМБФР, ХН35ВТ |
ЭА-395/9, ЦТ-10 |
(Измененная редакция, Изм. №1)
Примечание. Все электроды предназначены для сварки постоянным током обратной полярности.
Для приварки креплений из стали любой марки к трубам из стали аустенитного класса следует применять электроды ЭА-395/9, ЗИО-8, ЦЛ-25, ЦТ-10, из стали 12Х11В2МФ - электроды ЭА-400/10У и ЭА-400/10Т.
2.1.3. Перед сваркой производственных стыков и испытаниями электроды должны быть прокалены по режиму, приведенному в соответствующем документе (OCT, ТУ) или этикетке. В случае отсутствия таких данных режим прокалки выбирается по табл. 2.3.
Таблица 2.3
Режимы прокалки электродов, порошковой проволоки и флюсов
|
Режимы повторной (перед использованием) прокалки |
|||
|
температура, °С |
продолжительность, ч (допуск + 0,5 ч) |
||
|
номинальная |
предельное отклонение |
||
|
Электроды |
|
|
|
|
ТМУ-21У, ЦУ-5, ЦУ-6, ЦУ-7, ЦУ-8, ИТС-4С, УОНИ-13/45, УОНИ-13/55, ТМЛ-1У, ЦЛ-39, ЦЛ-20, ЦЛ-45, ТМЛ-ЗУ, ЦУ-2ХМ, ТМУ-46, ТМУ-50 |
380 |
±20 |
2,0 |
|
МР-3, АНО-4, АНО-6М, ОЗС-4, АНО-18, АНО-24 |
170 |
±20 |
1,0 |
|
ОЗЛ-6, ЦЛ-9, ЦЛ-25/1, ЦЛ-25/2, ЗИО-8, ЭА-395/9, ЦТ-10, ЦТ-26, ЦТ-26М, ЦТ-15К, ЭА-400/10У, ЭА-400/10Т, ЦТ-15 |
220 |
±20 |
1,0 |
|
ВСЦ-4А |
100 |
±10 |
1,0 |
|
Порошковая проволока |
|
|
|
|
ПП-АН1 |
165 |
±15 |
1,0 |
|
ПП-АНЗ, ПП-АН7 |
240 |
±10 |
2,0 |
|
СП-2 |
200 |
±10 |
1,5 |
|
ПП-АН8 |
245 |
±5 |
2,0 |
|
СП-3 |
200 |
±10 |
1,5 |
|
Флюсы |
|
|
|
|
АН-348А, АН-348АМ, ОСЦ-45, ОСЦ-45М, АНЦ-1 |
350 |
±50 |
1,0 |
|
АН-42, АН-42М, ФЦ-22 |
650 |
±20 |
4,0 |
|
ФЦ-11 |
375 |
±20 |
4,0 |
|
ФЦ-16 |
620 |
±20 |
4,0 |
Примечание. Прокалка электродов может производиться не более трех раз. Число прокалок порошковой проволоки и флюса не ограничивается. Если электроды после трех прокалок показали неудовлетворительные сварочно-технологические свойства, то применение их для сварочных работ, выполняемых по настоящему РД, не допускается.
Импортные электроды прокаливают по тому же режиму, что и отечественные с аналогичным типом покрытия.
2.1.4. Электроды с основным покрытием, предназначенные для сварки перлитных сталей, следует использовать в течение 5 суток после прокалки, остальные электроды - в течение 15 суток, если их хранят на складе с соблюдением требований п. 1.2.9. По истечении указанного срока электроды перед применением необходимо вновь прокалить. В случае хранения электродов в сушильном шкафу при температуре 60-100°С срок их годности не ограничивается.
2.2.1. Для ручной и автоматической аргонодуговой сварки неплавящимся электродом, газовой (ацетиленокислородной) сварки, механизированной в углекислом газе, и автоматической сварки под флюсом необходимо применять сварочную проволоку сплошного сечения, удовлетворяющую требованиям ГОСТ 2246-70. Марку сварочной проволоки следует подбирать по данным табл. 2.4.
Химический состав сварочной проволоки сплошного сечения по ГОСТ 2246-70 приведен в табл. П 8.1 приложения 8.
2.2.2. Поверхность проволоки сплошного сечения должна быть чистой, без окалины, ржавчины, масла и грязи. При необходимости ее очищают от ржавчины и грязи пескоструйным аппаратом или травлением в 5% растворе соляной или ингибированной кислоты (3% раствор уротропина в соляной кислоте). Можно очищать проволоку, пропуская ее через специальные механические устройства (в том числе через устройства, заполненные сварочным флюсом, кирпичом; осколками наждачных кругов и войлочными фильтрами). Перед очисткой бухту проволоки рекомендуется отжечь при 150-200°С в течение 1,5-2 часов. Разрешается также очищать проволоку наждачной шкуркой или другим способом до металлического блеска. При очистке проволоки, предназначенной для автоматической сварки, нельзя допускать ее резких перегибов (переломов).
2.2.3. Для механизированной сварки порошковой проволокой следует применять самозащитные порошковые проволоки, изготовленные по ГОСТ 26271-84 и соответствующим техническим условиям.
Характеристика этих проволок приведена в табл. П 8.2 приложения 8.
Порошковую проволоку необходимо хранить в мотках в специальной таре. Перемотка порошковой проволоки запрещается.
Перед применением порошковая проволока должна быть прокалена по режиму, приведенному в табл. 2.3. После прокалки проволока может быть использована в течение 5 суток, если она хранится в соответствии с требованиями п. 1.2.9. По истечении указанного срока порошковую проволоку перед применением следует вновь прокалить.
2.3.1. Для автоматической сварки под флюсом поворотных стыков труб из углеродистой и низколегированной конструкционной стали, следует применять флюс марок, приведенных в табл. 2.4.
2.3.2. Флюс необходимо хранить в сухом помещении в соответствии с требованиями п. 1.2.9.
2.3.3. Перед применением флюс должен быть прокален по режиму, указанному в табл. 2.3 после чего его можно использовать в течение 15 суток, если хранить в соответствии с требованиями, приведенными в п. 1.2.9. По истечении указанного срока флюс перед применением следует вновь прокалить.
2.4.1. В качестве защитного газа при ручной и автоматической аргонодуговой сварке неплавящимся электродом применяют аргон высшего и первого сортов с физико-химическими показателями по ГОСТ 10157-79. Допускается использовать газообразный и жидкий аргон.
Таблица 2.4
Области применения сварочной проволоки и флюсов
|
Сталь труб |
Марка проволоки (ГОСТ 2246-70) и флюсов для сварки |
||||
|
ручной и автоматической аргонодуговой*1 |
газовой |
механизированной в двуокиси углерода*2 |
автоматической под флюсом |
||
|
проволока |
флюс |
||||
|
08, 10, 20, Ст2, Ст3, Ст4, Ст3Г, 15Л, 20Л, 25Л |
Св-08ГА-2*3, Св-08Г2С, Св-08ГС |
Св-08, Св-08А, Св-08ГА, Св-08ГС, Св-08Г2С, Св-08МХ |
Св-08Г2С |
Св-08, Св-08А, Св-08АА, Св-08ГА |
ОСЦ-45, ОСЦ-45М, АН-348А, АН-42, АН-42М, АНЦ-1, АН-348АМ |
|
15ГС, 16ГС, 17ГС, 14ГН, 16ГН, 09Г2С, 10Г2С1, 14ХГС, 20ГСЛ, 17Г1С, 17Г1СУ |
Св-08Г2С, Св-08ГС |
Св-08ГС, Св-08Г2С |
Св-08Г2С |
Св-08ГС, Св-12ГС |
ФЦ-11, ФЦ-16, ФЦ-22 |
|
|
|
|
|
Св-10Г2, |
ФЦ-22 |
|
|
|
|
|
Св-08ГА, Св-10ГА, Св-10Г2 |
ОСЦ-45, ОСЦ-45М, АН-348А, АН-42, АН-348АМ, АН-42М, АНЦ-1 |
|
12МХ, 15ХМ, 12Х2М1, 20ХМЛ |
Св-08МХ, Св-08ХМ, Св-08ХМФА |
Св-08ХГСМА |
- |
- |
|
|
12Х1МФ |
Св-08ХМФА*4, Св-08ХМФ-2*3, Св-08ХГСМФА, Св-08ХМ*5, Св-08ХМА-2*5, Св-08МХ*6, Св-08ХГСМА*5 |
Св-08МХ, Св-08ХМ, Св-08ХМФА |
- |
- |
- |
|
15Х1М1Ф, 20ХМФЛ, 15Х1М1ФЛ, 15Х1М1Ф-ЦЛ, 12Х2МФБ, 12Х2МФСР |
Св-08ХМФА-2*3, Св-08ХМФА, Св-08ХГСМФА |
- |
- |
- |
- |
|
12Х11В2МФ |
Св-10Х11НВМФ, |
- |
- |
- |
- |
|
|
Св-12Х11НМФ |
|
|
|
|
|
|
Св-04Х19Н11М3, |
|
|
|
|
|
|
Св-08Х19Н10Г2Б, |
|
|
|
|
|
|
Св-04Х20Н10Г2Б*3 |
|
|
|
|
|
12Х18Н12Т, |
Св-04Х19Н11М3, |
- |
- |
- |
- |
|
12Х18Н10Т |
Св-08Х19Н10Г2Б, Св-04Х20Н10Г2Б*3, Св-01Х19Н9, Св-04Х19Н9, Св-06Х19Н9Т |
|
|
|
|
_______________
*1Под аргонодуговой сваркой следует понимать как сварку в аргоне, так и в смесях аргона со сварочной двуокисью углерода до 25% (кроме сварки сталей аустенитного класса) и с кислородом до 5%.
*2В том числе с добавкой в двуокись углерода до 25% аргона.
*3Проволока марок Св-08ГА-2, Св-08ХМА-2, Св-08ХМФА-2 изготавливается по ТУ 14-1-4369-87; Св-04Х20Н10Г2Б - по ТУ 14-1-3252-81.
*4Проволоку марок Св-08МХ, Св-08ХМ и Св-08МФА допускается применять для аргонодуговой сварки только при содержании кремния в проволоке не менее 0,25%.
*5Проволока марок Св-08ХГСМА, Св-08ХМ и Св-ХМА-2 применяется для сварки стыков трубопроводов, работающих при температуре среды до 510°С включительно, а также для сварки стыков труб поверхностей нагрева и корневого слоя стыков трубопроводов независимо от параметров рабочей среды.
*6Проволока марки Св-08МХ применяется для сварки корневого слоя стыков трубопроводов, работающих при температуре среды до 510°С включительно, и для сварки стыков труб поверхностей нагрева независимо от параметров рабочей среды.
(Измененная редакция, Изм. № 1)
2.4.2. Для газовой ацетиленокислородной сварки необходимо использовать газообразный кислород первого или второго сорта по ГОСТ 5583-78.
В качестве горючего газа следует применять растворенный и газообразный технический ацетилен по ГОСТ 5457-75, поставляемый потребителю в баллонах или получаемый из карбида кальция, отвечающего требованиям ГОСТ 1460-81.
2.4.3. Для механизированной сварки в углекислом газе в качестве защитного газа следует применять газообразный и жидкий диоксид (двуокись) углерода высшего и первого сортов по ГОСТ 8050-85.
2.5.1. Для ручной и автоматической сварки в среде аргона в качестве нeплавящегося электрода следует применять вольфрамовые электроды из вольфрама марок ЭВЛ, ЭВИ-1, ЭВИ-2, ЭВИ-3, ЭВТ-15 по ГОСТ 23949-80, лантанированного вольфрама марки ВЛ по ТУ 48-19-27-77 или иттрированного вольфрама марки СВИ-1 по ТУ 48-19-221-83 диаметром 2-4 мм.
2.5.2. Для легкого возбуждения дуги и повышения стабильности ее горения конец вольфрамового электрода необходимо затачивать на конус; длина конической части должна составлять 6-10, а диаметр притупления 0,2-0,5 мм.
3.1.1. К сварочным работам при изготовлении, монтаже и ремонте трубных элементов котлов и трубопроводов, на которые распространяется настоящий РД (см. п. 1.1.2), могут быть допущены сварщики, выдержавшие теоретические и практические испытания в соответствии с действующими "Правилами аттестации сварщиков" и имеющие удостоверение на право производства соответствующих сварочных работ.
К испытанию на право сварки стыков труб из стали аустенитного класса допускаются сварщики, имеющие квалификацию не ниже 4-го разряда и стаж работы по сварке труб не менее одного года. К механизированным и автоматическим способам сварки стыков труб допускаются сварщики-операторы, прошедшие специальный курс теоретической и практической подготовки и сдавшие испытания на право производства этих работ.
Сварщики всех специальностей и квалификаций, кроме газосварщиков, должны иметь квалификационную группу по электробезопасности не ниже II. Кроме того, все сварщики должны сдать испытания на знание противопожарных мероприятий и требований по безопасности труда.
3.1.2. Сварщики допускаются к тем видам работ, которые указаны в удостоверении.
В удостоверении должны быть перечислены способ и положение сварки, вид работ, марки или группы стали, к сварке которых допускается сварщик.
3.1.3. Сварщик, впервые приступающий в данной организации к сварке труб котлов и трубопроводов, несмотря на наличие удостоверения, должен перед допуском к работе пройти проверку путем сварки допускных (пробных) стыков. Количество и номенклатуру допускных стыков, а также методы и объем контроля качества сварки устанавливает руководитель сварочных работ в зависимости от свариваемого изделия и типа сварных соединений. Допускные стыки газопроводов, согласно СНиП 3.05.02-88, помимо визуального и измерительного контроля, проверяются путем радиографирования и механических испытаний.
При проверке качества допускных стыков труб поверхностей нагрева котла путем внешнего осмотра определяют сплошность и правильность формирования корневого слоя шва, а после заварки всего сечения осматривают наружную и внутреннюю поверхности шва, а также сплошность металла шва в процессе послойной проточки с торца или с наружной поверхности трубы на токарном станке через каждые 0,5 - 1,0 мм. Качество допускных стыков трубопровода проверяют осмотром наружной и внутренней поверхностей шва, осмотром шва при послойной его проточке на токарном станке. Осмотр шва при послойной проточке может быть заменен контролем его сплошности ультразвуковой или радиографической дефектоскопией.
Качество допускных стыков необходимо оценивать по нормам, которые предусмотрены для таких же производственных стыков (см. раздел 16).
Допускные стыки должны быть идентичны производственным стыкам, которые будет сваривать проверяемый сварщик, или однотипны с ними. Определение понятия однотипности сварных соединений приведено в приложении 9.
(Измененная редакция, Изм. № 1)
3.1.4. К термообработке сварных соединений (включая предварительный и сопутствующий подогрев) трубопроводов и труб котлов допускаются термисты - операторы термических установок, прошедшие специальную подготовку, сдавшие соответствующие испытания и имеющие удостоверение на право производства указанных работ в монтажных и ремонтных условиях. Термисты-операторы должны сдать испытания не ниже чем на III квалификационную группу по электробезопасности, а также по противопожарным мероприятиям и охране труда. Термисты-операторы подвергаются ежегодной переаттестации, результаты которой должны быть оформлены протоколом и соответствующей записью в удостоверении.
Подготовку термистов-операторов предприятие - производитель работ осуществляет на специальных курсах или в учебных комбинатах (центрах) по программе, утвержденной вышестоящей организацией.
Аттестацию и переаттестацию термистов-операторов производит комиссия, созданная для аттестации сварщиков, или комиссия по проверке знаний по безопасности труда.
3.1.5. К контролю сварных соединений труб физическими методами (в том числе стилоскопированием швов и деталей) допускаются контролеры, аттестованные в соответствии с "Правилами аттестации специалистов неразрушающего контроля" (Госгортехнадзор России, 1992).
3.1.6. К руководству работами по сварке, контролю и термообработке сварных соединений, контролю за соблюдением технологии допускаются инженерно-технические работники (ИТР), производственные и контрольные мастера, изучившие правила Госгортехнадзора России, настоящий РД, ПТД, рабочие чертежи, методические инструкции по контролю. Знания ИТР должны проверяться в порядке, предусмотренном Госгортехнадзором России.
3.2.1. Оборудование для сварки и термообработки, аппаратура для дефектоскопии, контрольно-измерительные приборы (амперметры, вольтметры и др.), поставляемые отдельно от оборудования (именуемые в дальнейшем "оборудование"), должны иметь паспорт завода-изготовителя, подтверждающий пригодность данного экземпляра оборудования для предназначенной работы.
3.2.2. Оборудование перед использованием должно быть проконтролировано на: наличие паспорта завода-изготовителя; комплектность и исправность; действие срока последней проверки и госповерки (для аппаратуры и приборов, подлежащих госповерке).
3.2.3. На каждом предприятии (заводе, монтажном участке или площадке, ремонтной организации) должны быть составлены графики осмотров, проверок, профилактических (текущих) и капитальных ремонтов оборудования, поверок средств измерений, утвержденные главным инженером. В графиках, помимо сроков (дат) контроля, указываются фамилии лиц, ответственных за проведение этих операций.
Периодичность осмотров, проверок, ремонтов должна соответствовать требованиям паспортов или других документов. Основные требования к организации и порядку проведения поверки средств измерений должны соответствовать ГОСТ 8.513-84.
Для сварочного оборудования может быть принята периодичность осмотра и ремонта, указанная в табл.3.1.
Таблица 3.1
Периодичность осмотров и ремонтов сварочного оборудования
|
Вид оборудования |
Вид обслуживания и межремонтные сроки |
||
|
осмотр |
текущий ремонт |
капитальный ремонт |
|
|
Сварочные трансформаторы и выпрямители |
2 раза в месяц |
4 раза в год |
1 раз в 3 года |
|
Сварочные преобразователи |
Еженедельно |
6 раз в год |
1 раз в 2 года |
|
Сварочные автоматы и полуавтоматы |
Ежедневно |
4 раза в год |
1 раз в 2 года |
Каждый раз перед началом работы лицом, которое будет работать на оборудовании, производится проверка этого оборудования.
3.2.4. Все вновь полученные, а также отремонтированные аппараты для дефектоскопии и контрольно-измерительные приборы подлежат настройке и проверке правильности их показаний. Результаты проверки, а также данные о характере ремонта должны быть зафиксированы в паспорте (формуляре) дефектоскопа или журнале учета состояния оборудования.
3.2.5. Сварочные установки (источники питания, автоматы, полуавтоматы) должны быть снабжены исправной контрольно-измерительной аппаратурой или другими устройствами, предусмотренными конструкцией данной установки. Для периодического контроля сварочного тока можно пользоваться переносным амперметром.
3.2.6. На каждом предприятии (организации) необходимо вести журнал учета состояния оборудования, в котором следует фиксировать результаты ремонта и проверки оборудования.
3.3.1. Входной контроль металла (труб, листов, профильного проката), конструктивных элементов котлов и трубопроводов, поступающих на предприятие для изготовления, монтажа или ремонта энергетического объекта, включает следующие контрольные операции:
а) проверку наличия сертификата или паспорта, полноты приведенных в нем данных и соответствия этих данных требованиям стандарта, технических условий или конструкторской документации;
б) проверку наличия заводской маркировки и соответствия ее сертификатным или паспортным данным;
в) осмотр металла и конструктивных элементов для выявления поверхностных дефектов и повреждений.
3.3.2. При отсутствии сертификата или неполноте сертификатных данных применение этого металла может быть допущено только после проведения испытаний, подтверждающих соответствие металла всем требованиям стандарта или технических условий.
3.3.3. Конструктивные элементы котлов и трубопроводов, не имеющие заводского паспорта (сертификата), не могут быть допущены для дальнейшего производства (монтажа, ремонта, укрупнения).
3.3.4. Входной контроль основных материалов (металла и конструктивных элементов) осуществляет в соответствии с ГОСТ 24297-87 организация-заказчик этих материалов. Результаты входного контроля должны быть переданы монтажной (ремонтной) организации.
3.4.1. Перед использованием сварочных материалов (электродов, сварочной проволоки, флюса и др.) должны быть проверены:
а) наличие сертификата (на электроды, проволоку и флюс), полнота приведенных в нем данных и их соответствие требованиям стандарта, технических условий или паспорта на конкретные сварочные материалы;
б) наличие на каждом упаковочном месте (пачке, коробке, ящике, мотке, бухте и пр.) соответствующих этикеток (ярлыков) или бирок с проверкой полноты указанных в них данных;
в) сохранность упаковок и самих материалов;
г) для баллонов с газом - наличие документа, регламентированного стандартом на соответствующий газ.
3.4.2. При отсутствии сертификата или неполноте сертификатных сведений сварочный материал данной партии может быть допущен к использованию после проведения испытаний и получения положительных результатов по всем показателям, установленным соответствующим нормативным техническим документом (НТД) (стандартом, техническими условиями или паспортом) на данный вид материала.
В случае расхождения сертификатных данных с требованиями соответствующего НТД партия сварочных материалов к использованию не допускается.
Результаты проверки химического состава сварочной проволоки должны удовлетворять требованиям, приведенным в приложении 8. При неудовлетворительных результатах химического анализа проводят повторный анализ на удвоенном числе проб, который является окончательным.
3.4.3. При обнаружении повреждения или порчи упаковки или самих материалов вопрос о возможности использования этих материалов решает руководитель сварочных работ совместно с ОТК (СТК) предприятия (организации).
3.4.4. Каждая часть сварочной проволоки, отделенная от бухты (мотка), должна быть снабжена биркой, на которой указываются марка, номер плавки и диаметр проволоки.
Контроль электродов для ручной дуговой сварки
а) сварочно-технологические свойства;
б) соответствие наплавленного металла легированных электродов требованиям марочного состава.
Результаты проверки электродов должны быть оформлены соответствующим актом (см. раздел 19).
Перед выдачей электродов сварщику необходимо убедиться в том, что они были прокалены, и срок действия прокалки не истек.
Примечание. При наличии на этикетках пачек номеров замесов обмазки электродов (в пределах одной партии) рекомендуется проводить указанный в п. 3.4.5 контроль каждого замеса.
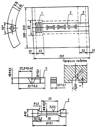
3.4.6. Сварочно-технологические свойства электродов, предназначенных для сварки трубопроводов из углеродистых и низколегированных сталей, а том числе для приварки труб (штуцеров) к коллекторам или трубопроводам, необходимо определять при сварке в потолочном положении одностороннего таврового образца из двух погонов, вырезанных из труб, или двух пластин размером 180×140 мм (рис. 3.1). Сварку погонов выполняют в один слой.
Рис. 3.1. Схема сварки таврового соединения пластин (погонов из труб) для определения технологических свойств электродов
Технологические свойства электродов можно проверить также при сварке потолочного участка или всего вертикального стыка труб диаметром 133-159 мм с толщиной стенки 10-18 мм из соответствующей стали.
Сварку нужно производить с подогревом, если он предусмотрен для данного сварного соединения технологической документацией.
После сварки таврового образца шов и излом по шву осматривают. Для облегчения разрушения образца следует сделать надрез по середине шва со стороны усиления глубиной 1,5 - 2,0 мм. После сварки стыка труб шов протачивают на токарном станке со снятием слоя толщиной до 0,5 мм или подвергают радиографическому контролю для определения сплошности металла.
3.4.7. Толщину пластин (погонов) и катет шва при сварке тавровых образцов выбирают в зависимости от диаметра электрода:
|
Диаметр электрода, мм |
До 2 включительно |
Свыше 2 до 3 включительно |
Свыше 3 до 4 включительно |
Свыше 4 |
|
Толщина пластины, мм |
3-5 |
6-10 |
10-16 |
14-20 |
|
Катет шва, мм |
2-3 |
4-5 |
6-8 |
8-10 |
3.4.8. Пластины и погоны из труб для проверки технологических свойств электродов должны быть изготовлены из стали той марки, для сварки которой, могут быть использованы проверяемые электроды в соответствии с данными табл. 2.1 или 2.2.
3.4.10. Сплошность металла шва, определяемая согласно пп. 3.4.6 и 3.4.9, должна отвечать требованиям, приведенным в табл.5 ГОСТ 9466-75 (с изменениями № 1).
3.4.11. Сварочно-технологические свойства электродов должны удовлетворять требованиям ГОСТ 9466-75. Основные из этих требований следующие:
дуга легко зажигается и стабильно горит;
покрытие плавится равномерно без чрезмерного разбрызгивания, отваливания кусков и образования "козырька", препятствующих нормальному плавлению электрода во всех пространственных положениях;
образующийся при сварке шлак обеспечивает правильное формирование шва и легко удаляется после охлаждения;
в металле шва и наплавленном металле нет трещин.
Образование "козырька" из покрытия размером более 4 мм и отваливание кусков нерасплавившегося покрытия от стержня являются браковочными признаками.
Для определения размера "козырька" и прочности покрытия отбирается 10-12 электродов из 5-6 пачек и производится их расплавление в вертикальном положении при угле наклона электрода к шву 50-60°. Размер "козырька" измеряется от торца стержня электрода до наиболее удаленной части оплавившегося покрытия.
3.4.12. При неудовлетворительных сварочно-технологических свойствах электродов они должны быть повторно прокалены. Если после этого при проверке сварочно-технологических свойств получены неудовлетворительные результаты, то данная партия электродов бракуется, на нее оформляется акт-рекламация, который направляется заводу-изготовителю и в свою вышестоящую организацию.
3.4.13. Для проверки соответствия легированных электродов марочному составу на малоуглеродистую пластинку наплавляют три бобышки высотой и диаметром у основания, равным не менее чем четырем диаметрам контролируемого электрода. Из разных пачек замеса берут три электрода, при этом каждую бобышку наплавляют одним электродом. Верхнюю площадку бобышки зачищают до металлического блеска и стилоскопированием определяют содержание элементов, входящих в марочный состав (см. подразд. 16.2). Если при проверке выявлено несоответствие наплавленного металла марочному составу (хотя бы одного из трех испытанных электродов), замес должен быть подвергнут повторному стилоскопированию. При повторном контроле проверяют по 10 электродов каждого замеса, результаты испытаний которых были неудовлетворительными.
Все электроды необходимо отбирать из разных пачек каждого замеса. После повторного стилоскопирования бракуют электроды только тех замесов, на которых получены неудовлетворительные результаты. Если при проверке в отдельных замесах встречаются удовлетворительные и неудовлетворительные результаты, бракуют всю контролируемую партию электродов.
Стилоскопический контроль может быть заменен количественным химическим или спектральным анализом верхней части наплавки.
3.4.14. При неполноте данных в сертификате или сомнении в качестве электродов, помимо проверки сварочно-технологических свойств, определяются химический состав и (или) механические свойства наплавленного металла (металла шва) партии электродов.
Для этого необходимо сварить встык две пластины (или два погона) размером 350×110 мм толщиной 12-18 мм из соответствующей стали; погоны вырезают из трубы диаметром более 150 мм.
Механические свойства и химический состав наплавленного металла электродов типов Э-09Х1М и Э-09Х1МФ можно также определять на пластинах из углеродистой стали толщиной 12-18 мм, предварительно наплавив испытуемыми электродами на свариваемые кромки три слоя общей толщиной не менее 10 мм. Чтобы изготовить образцы для механических испытаний наплавленного металла аустенитными электродами, следует сварить встык две пластины (или два погона), вырезанные из листов (или труб) той стали, для сварки которой они предназначены. Пластины сваривают по технологии, рекомендованной для данной стали настоящим РД.
Из сварного соединения (рис. 3.2) необходимо изготовить согласно ГОСТ 6996-66 три образца для испытания на ударный изгиб и три - для испытания на растяжение, чтобы определить временное сопротивление и относительное удлинение.
Рис. 3.2. Схема вырезки образцов для испытания металла шва:
1 -заготовка под образцы для испытания на ударный изгиб; 2 - заготовка под образцы для испытания на растяжение; 3 - заготовка под пробы для химического анализа; 4 - образец для испытания на ударный изгиб (тип VI по ГОСТ 6996-66); 5 - образец для испытания на растяжение (тип II)
Для проверки химического состава из наплавленного металла должно быть набрано 30-40 г стружки.
Заготовки образцов наплавленного металла углеродистых и низколегированных электродов для испытаний на ударный изгиб и растяжение можно вырезать с помощью ацетиленокислородной резки с припуском не менее 4 мм на последующую чистовую механическую обработку. Заготовки образцов наплавленного металла аустенитных электродов необходимо вырезать только механическим способом.
Химический состав наплавленного металла электродов должен соответствовать указанному в приложении 6 или 7.
Механические свойства наплавленного металла определяют на образцах, прошедших термообработку по режимам, указанным в приложении 6 или 7.
3.4.15. Механические свойства направленного металла определяют как среднее арифметическое из данных, полученных при испытании образцов. Значения должны быть не менее указанных в приложении 6 или 7. Испытания считают удовлетворительными, если их результаты на одном из образцов не более чем на 10% ниже требований, указанных в приложении 6 или 7, а для ударной вязкости - не более чем на 20 Дж/см2 (2 кгс·м/см2) ниже установленных норм при условии, что средний арифметический показатель соответствует нормативным требованиям.
3.4.16. При неудовлетворительных результатах какого-либо вида механических испытаний, а также при несоответствии химического состава наплавленного металла данным, приведенным в приложении 6 или 7, разрешаются повторные испытания на удвоенном количестве образцов.
Повторно проводят тот вид механических испытаний, по которому получены неудовлетворительные результаты.
При повторном химическом анализе определяют содержание тех элементов, которые не удовлетворяют требованиям, указанным в приложении 6 или 7.
При неудовлетворительных результатах повторных испытаний даже по одному из видов партия электродов бракуется и не может быть использована для сварки изделий, на которые распространяется настоящий РД.
Контроль сварочной проволоки
3.4.17. Каждая партия сварочной проволоки перед выдачей на производственный участок должна быть проконтролирована путем осмотра поверхности проволоки в каждой бухте (мотке, катушке). На поверхности проволоки не должно быть окалины, ржавчины, следов смазки, задиров, вмятин и других дефектов и загрязнений.
3.4.18. Каждая бухта (моток, катушка) легированной проволоки сплошного сечения перед сваркой (независимо от способа сварки) должна быть проверена стилоскопированием на соответствие содержания основных легирующих элементов требованиям, приведенным в приложении 8. Стилоскопированию подвергают концы каждой бухты (мотка, катушки). При неудовлетворительных результатах стилоскопирования бухта не может быть использована для сварки до установления точного химического состава проволоки количественным химическим анализом.
3.4.19. Каждая партия сварочной проволоки сплошного сечения, предназначенная для сварки под флюсом изделий, на которые распространяются правила Госгортехнадзора России, должна быть проверена на механические свойства металла шва в сочетании с флюсом той партии, которая будет использоваться в производстве с проволокой данной партии. Для этого свариваются встык две пластины и из этого сварного соединения изготавливаются три образца для испытания на ударный изгиб и два - для испытания на растяжение, чтобы определить временное сопротивление и относительное удлинение (см. рис. 3.2). Испытание проводится при температуре +20°С. Результаты испытания считаются удовлетворительными, если временное сопротивление разрыву будет не ниже минимально допустимого для основного металла, который будет свариваться этими сварочными материалами, относительное удлинение - не менее 16%, ударная вязкость - не менее 49 Дж/см2 (5 кгс·м/см2).
3.4.20. Каждая партия порошковой проволоки перед применением должна быть подвергнута проверке сварочно-технологических свойств путем наплавки валика на пластину и визуального контроля с помощью лупы пятикратного увеличения, чтобы выявить трещины, поры и неровности на поверхности валика. Валик наплавляется на пластину толщиной 14-18 мм, из углеродистой стали (марок Ст3пс; Ст3сп; 20) в нижнем положении по режиму, предписанному для данной марки проволоки. Сварочно-технологические свойства считаются удовлетворительными, если на поверхности валика не обнаружено трещин, максимальный размер пор не более 1,2 мм и их число на любых 100 мм протяженности валика не более пяти; углубление между чешуйками должно быть не более 1,5 мм.
Контроль флюса
3.4.21. Перед выдачей флюса для сварки необходимо убедиться в том, что он был, подвергнут прокалке, в соответствии с требованиями п. 2.3.3 и срок ее действия не истек, а также проверке в соответствии с п. 3.4.19.
Контроль защитного газа
3.4.22. Перед использованием газа из каждого баллона следует проверить качество газа, для чего надо наплавить на пластину или трубу валик длиной 100-150 мм и по внешнему виду поверхности наплавки определить ее качество. При обнаружении пор в металле шва газ, находящийся в данном баллоне, бракуют.
Контроль материалов для дефектоскопии
3.4.23. Каждая партия материалов для дефектоскопии (травящих реактивов, радиографической пленки, усиливающих экранов, фотореактивов и др.) перед использованием должна быть проконтролирована на:
наличие на каждом упаковочном месте (пачке, коробке, емкости и др.) этикеток с проверкой полноты приведенных в них данных и соответствия этих данных требованиям соответствующих ГОСТ, ТУ и инструкций;
отсутствие повреждения и порчи упаковки или самих материалов;
действие срока годности, указанного в сопроводительной документации;
соответствие качества, материалов требованиям методических документов на данный вид контроля.
3.4.24. При неудовлетворительных результатах контроля данная партия материала для дефектоскопии бракуется (полностью или частично).
Примечание. По истечении срока годности материалов для радиографирования их использование допускается только после проведения испытаний, подтверждающих их пригодность в соответствии с требованиями настоящего РД. Испытания проводятся не менее чем на четырех контрольных образцах. Результаты таких испытаний действительны 6 месяцев.
3.5.1. Аттестация технологии сварки проводится для сварных соединений изделий, на которые распространяются правила Госгортехнадзора России.
3.5.2. Аттестация технологии сварки подразделяется на исследовательскую и производственную.
3.5.3. Исследовательская аттестация проводится научно-исследовательской организацией или предприятием (совместно или самостоятельно) при подготовке к внедрению новой (ранее не аттестованной) технологии сварки с целью определения характеристик сварных соединений, необходимых для расчетов при проектировании и для обеспечения безопасной эксплуатации котлов и трубопроводов
Результаты исследовательской аттестации, должны быть оформлены в виде аттестационного отчета, содержащего все необходимые технологические рекомендации для возможности использования новой технологии в производственных условиях (область применения, сварочные материалы, оборудование, режимы подогрева, режимы сварки и термообработки, гарантированные показатели свойств и качества сварных соединений, методы контроля и т. п.).
3.5.4. Разрешение на применение предлагаемой новой технологии сварки в производственных условиях выдается Госгортехнадзором России на основании заключения специализированной научно-исследовательской или экспертной организации. Для использования предлагаемой технологии в условиях монтажа и ремонта энергетического оборудования на объектах Минтопэнерго такое заключение должны выдавать институт "Оргэнергострой" и ВТИ в виде совместного решения.
Примечание. Технология выполнения сварных соединений, предусмотренная настоящим РД, считается прошедшей исследовательскую аттестацию.
3.5.5. Производственная аттестация технологии сварки проводится организацией - производителем сварочных работ с целью проверки соответствия сварных соединений, выполненных по аттестуемой технологии, требованиям правил Госгортехнадзора России, настоящего РД и проектно-конструкторской документации.
3.5.6. Производственную аттестацию технологии сварки проводит завод, подразделение монтажной и ремонтной организации (управление, монтажная площадка) непосредственно на месте производства работ для каждой группы однотипных* сварных соединений, выполняемых на данном предприятии.
_______________
* Определение понятия однотипности сварных соединений приведено в приложении 9.
3.5.8. Первичной аттестации подлежит технология, которая на данном предприятии до сих пор не применялась.
Технология сварки, применявшаяся на предприятии до введения в действие настоящего РД и отвечающая требованиям настоящего РД, считается прошедшей первичную аттестацию, что оформляется актом, в котором указываются:
- наименования изделий, которые свариваются с применением настоящей технологии;
- марки стали и типоразмеры труб;
- способ сварки и сварочные материалы.
Акт подписывается руководителем сварочных работ и руководителем службы контроля, утверждается главным инженером предприятия и ставится печать предприятия.
3.5.9. Периодическая аттестация технологии сварки проводится через каждые 3 года.
Если к окончанию срока действия предыдущей производственной аттестации технологии сварки (первичной, периодической или внеочередной) предприятие показало стабильное удовлетворительное качество сварных соединений, выполненных по этой технологии, то по решению аттестационной комиссии срок действия предыдущей аттестации может быть продлен, но не более чем на 3 года.
Периодическую аттестацию технологии сварки можно не проводить, если согласно правилам Госгортехнадзора России производственные сварные соединения, выполненные по этой технологии, контролируются путем проверки контрольных сварных соединений с помощью механических испытаний и металлографических исследований (см. п. 16.6.3).
3.5.10. Внеочередную аттестацию технологии сварки проводят при изменениях ПТД, которые могут привести к изменению свойств и качества сварных соединений, а также в случаях ухудшения качества производственных сварных соединений.
Внеочередная аттестация технологии сварки проводится либо по требованию органов Госгортехнадзора, либо решение о ее проведении принимает аттестационная комиссия или руководство предприятия.
3.5.11. Для проведения производственной аттестации технологии сварки на предприятии создается аттестационная комиссия. В ее состав входят главный инженер предприятия или его заместитель (председатель комиссии), руководитель сварочных работ, представитель службы контроля (ОТК, СТК), а также другие специалисты по усмотрению руководства предприятия. По согласованию с органом Госгортехнадзора в комиссию может входить представитель Госгортехнадзора. Состав аттестационной комиссии утверждается приказом по предприятию.
3.5.12. Предприятие, проводящее производственную аттестацию, должно составить ее программу, в которой указываются:
наименование изделий (трубопроводы, трубы котла), в которые входят сварные соединения, выполняемые по аттестуемой технологии;
вид производственной аттестации (первичная, периодическая, внеочередная);
перечень групп однотипных сварных соединений, подлежащих выполнению по аттестуемой технологии;
перечень ПТД, используемый при выполнении и контроле производственных и контрольных сварных соединений;
конструкция контрольных сварных соединений, которые должны быть однотипными с аттестуемыми производственными сварными соединениями;
методы неразрушающего контроля контрольных сварных соединений;
схемы вырезки образцов из контрольных сварных соединений для механических испытаний и металлографических исследований (типовые схемы вырезки образцов из вертикальных неповоротных стыков приведены на рис. 16.1, для горизонтальных стыков можно принять любое расположение заготовок по окружности стыка);
типы и количество образцов для механических испытаний сварных соединений по ГОСТ 6996-66 или эскизы образцов со всеми необходимыми размерами;
перечень показателей свойств сварных соединений, которые определяются при механических испытаниях образцов.
Программа производственной аттестации технологии сварки должна быть согласована членами аттестационной комиссии и утверждена ее председателем.
3.5.13. Производственная аттестация осуществляется путем сварки, термообработки и контроля качества контрольных сварных соединений для каждой из групп однотипных стыков, выполняемых в процессе производства.
Количество контрольных сварных соединений для каждой аттестуемой группы должно быть достаточным (но не менее одного), чтобы обеспечить изготовление образцов из контрольных сварных соединений для механических, металлографических и других видов испытаний.
3.5.14. Контрольные сварные соединения должен сваривать сварщик (или сварщики), допущенный к сварке подобных производственных соединений и имеющий соответствующее удостоверение.
Если на производстве по аттестуемой технологии данное сварное соединение будут выполнять одновременно несколько сварщиков, то контрольное сварное соединение должно сваривать такое же число сварщиков.
Для сварки контрольных сварных соединений следует применять сварочные материалы, предварительно проверенные и прокаленные в соответствии с требованиями настоящего РД.
3.5.15. Допускается в качестве контрольного сварного соединения использовать стык, сваренный при переаттестации сварщика или при допуске сварщика к работе в соответствии с п. 3.1.3 настоящего РД.
3.5.16. Контрольные сварные соединения должны быть подвергнуты 100% неразрушающему контролю ультразвуком либо радиографией, а также механическим испытаниям и металлографическим исследованиям. Угловые и тавровые сварные соединения механическим испытаниям не подвергаются.
По результатам контроля и испытаний составляются заключения и протоколы.
3.5.17. Основными видами механических испытаний, которым должны подвергаться образцы, вырезанные из контрольных сварных соединений, являются растяжение, статический изгиб или сплющивание, ударный изгиб.
Испытание на ударный изгиб можно не проводить для сварных соединений элементов, работающих под давлением ниже 8 МПа (80 кгс/см2) и при температуре стенки не выше 450°С, а также для всех сварных соединений элементов толщиной менее 12 мм.
3.5.18. Количество образцов, изготовляемых из контрольного сварного соединения, устанавливается программой аттестации, но во всех случаях оно должно быть не менее:
для испытания на растяжение - двух,
на статический изгиб или сплющивание - двух,
на ударный изгиб - трех,
для металлографических исследований - не менее одного шлифа при контроле сварных соединений из углеродистой и легированной стали перлитного класса и не менее двух шлифов при контроле соединений из высоколегированной стали.
3.5.19. При механических испытаниях определяют следующие показатели механических свойств сварных соединений (испытания проводят при комнатной температуре):
временное сопротивление разрыву с указанием места разрыва образца;
угол изгиба;
зазор при сплющивании;
ударную вязкость на образцах типа VI по ГОСТ 6996-66 с надрезом по оси шва со стороны его раскрытия.
3.5.20. Образцы для механических испытаний вырезают из тех участков стыка, в которых при контроле радиографией или ультразвуком не было обнаружено внутренних дефектов. Из участков, в которых они были обнаружены, изготавливают образцы для металлографического макроисследования таким образом, чтобы наиболее характерные дефекты находились в анализируемом сечении образцов.
3.5.21. Результаты механических испытаний и металлографических исследований должны удовлетворять требованиям, предъявляемым к производственным сварным соединениям (см. подраздел 16.6).
3.5.22. Если при аттестации технологии сварки были получены неудовлетворительные результаты по какому-либо виду испытаний, аттестационная комиссия должна принять меры по выяснению и устранению причин несоответствия контрольного соединения установленным требованиям, после чего взамен забракованного контрольного сварного соединения должно быть выполнено и проконтролировано новое. Указанные причины и меры по их устранению должны быть отражены в протоколе.
3.5.23. По решению аттестационной комиссии результаты проведенной и документально оформленной производственной аттестации технологии сварки для выполнения однотипных сварных соединений конкретной группы допускается распространить на другие группы сварных соединений в следующих случаях (при условии сохранения остальных признаков однотипности сварных соединений согласно приложению 9):
1) сварные соединения с диапазоном номинальной толщины от 3 до 10 мм - на сварные соединения с диапазоном номинальной толщины свыше 10 до 50 мм и наоборот;
2) сварные соединения с диапазоном номинальных наружных диаметров свыше 100 до 500 мм - на сварные соединения с наружным диаметром более 500 мм;
3) сварные соединения, выполненные электродами с основным покрытием, - на сварные соединения, выполняемые электродами с другим видом покрытия.
3.5.24. Результаты производственной аттестации технологии сварки должны быть оформлены протоколом (см. приложение 19.1).
3.5.25. Разрешение на применение технологии сварки, прошедшей производственную аттестацию на предприятии, выдается органами Госгортехнадзора на основании протокола производственной аттестации технологии сварки. В случае, если первичная производственная аттестация проводится организацией, впервые приступающей к сварке объектов, на которые распространяются правила Госгортехнадзора России, или используется впервые новая технология сварки после исследовательской аттестации, а также в случае внеочередной аттестации должно быть получено на основании протокола аттестации заключение специализированной научно-исследовательской организации (для объектов Минтопэнерго - института "Оргэнергострой" или "Энергомонтажпроект").
4.1.1. На всех поступающих, на монтажную площадку блоках, трубах и деталях до начала сборки мастером (или другим ответственным лицом) должно быть проверено наличие клейм, маркировки, а также сертификатов завода-изготовителя, подтверждающих соответствие блоков, труб и деталей их назначению. При отсутствии клейм, маркировки или сертификатов блоки, трубы и детали к дальнейшей обработке не допускаются.
4.1.2. При подготовке стыковых соединений труб для сварки необходимо проверить их соответствие чертежам и требованиям НТД. Отклонение плоскости реза от угольника (размер е на рис. 4.1) должно быть не выше следующих значений:
|
Номинальный внутренний диаметр трубы, штуцера или патрубка, мм |
До 65 включительно |
66-125 |
126-225 |
226-500 |
Более 500 |
|
Допускается перекос плоскости e, мм + |
0,5 |
1 |
1,5 |
2 |
2,5 |
Рис. 4.1. Схема проверки перпендикулярности торцов труб
Следует также проверить:
соответствие формы, размеров и качества подготовки кромок (в том числе расточки под заданный внутренний диаметр, разделки для угловых и тавровых соединений) предъявляемым требованиям (обработку фасок под сварку и размеры кромок проверяют специальными шаблонами);
качество зачистки наружной и внутренней поверхностей концов труб (патрубков, штуцеров), а также их поверхностей в местах угловых и тавровых соединений;
правильность выполнения переходов от одного сечения к другому (на концах труб, патрубков и штуцеров, подлежащих сварке с элементами других типоразмеров);
соответствие минимальной фактической толщины стенки подготовленных под сварку концов труб (патрубков, деталей, штуцеров) установленным допускам (после расточки под подкладное кольцо или под заданный внутренний диаметр, зачистки наружной и внутренней поверхностей и после калибровки).
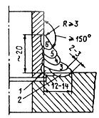
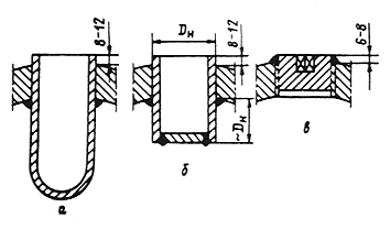
4.1.3. При обработке концов труб длина цилиндрической расточки l под подкладное кольцо (рис. 4.2) должна быть (мм):
|
S |
До 5 |
Свыше 5 до 25 включительно |
Свыше 25 |
|
l |
40 |
50 |
1,6S + 10 |
Рис. 4.2. Конструктивные размеры кромки трубы, обработанной под подкладное кольцо
Переход
от проточенного участка к необработанной поверхности трубы должен быть плавным
с углом выхода резца
не более 15°. Расточку можно не производить,
если внутренние диаметры стыкуемых труб позволяют собрать стык в соответствии с
требованиями п.
4.2.5.
4.1.4. Обработку кромок труб под сварку следует производить механическим способом (резцом, фрезой или абразивным кругом) с помощью труборезного станка либо шлифмашинки. Шероховатость поверхности кромок труб, подготовленных для сварки, должна соответствовать нормам, приведенным на рис. 4.2.
Концы труб из углеродистых и низколегированных сталей разрешается обрабатывать кислородной, плазменно-дуговой или воздушно-дуговой резкой с последующей зачисткой кромок режущим или абразивным инструментом до удаления следов огневой резки. Подготовленные к сборке кромки должны быть без вырывов, заусенцев, резких переходов и острых углов.
Трубы из сталей аустенитного и мартенситно-ферритного классов можно обрезать механическим способом, а также плазменно-дуговой, газофлюсовой или воздушно-дуговой резкой. При огневой резке этих сталей должен быть предусмотрен припуск не менее 1 мм на последующую механическую обработку.
Фаски на трубах из углеродистых и низколегированных сталей под ручную или автоматическую аргонодуговую сварку стыков без подкладных колец, а также на трубах из сталей аустенитного и мартенситно-ферритного классов независимо от способа сварки необходимо снимать только механическим способом с помощью переносного станка.
Все местные уступы и неровности, имеющиеся на кромках собираемых труб и препятствующие их соединению в соответствии с требованиями чертежей или настоящего РД, следует до сборки устранить с помощью абразивного круга или напильника, не допуская острых углов и резких переходов.
При резке трубы наружным диаметром более 76 мм на оставшейся ее части (которая в данный момент не идет в работу) должна быть сохранена маркировка завода-изготовителя или нанесены вновь несмываемой краской марка стали, номер плавки и размер трубы.
4.1.5. Кислородную резку труб из хромомолибденовых и хромомолибденованадиевых сталей со стенкой толщиной более 12 мм при температуре окружающего воздуха ниже 0°С нужно производить с предварительным подогревом до 200°С и медленным охлаждением под слоем асбеста.
4.1.6. Если разность внутренних диаметров стыкуемых труб превышает допустимую*, для обеспечения плавного перехода в месте стыка может быть применен один из следующих способов:
_______________
* Допустимая разность внутренних диаметров стыкуемых элементов приведена в п. 4.2.5.
а) раздача (без нагрева или с нагревом) конца труб с меньшим внутренним диаметром (рис. 4.3, а). Области применения этого способа и допустимое значение раздачи приведены в табл. 4.1. После раздачи необходимо проверить соответствие толщины стенки трубы минимально допустимому расчетному значению:
б)
механическая обработка (расточка) по внутренней поверхности конца трубы с
меньшим диаметром в соответствии с рис.
4.3, б (для стыка без подкладного кольца) или 4.3,
в (для стыка с остающимся подкладным кольцом) при условии, что толщина стенки
трубы после расточки будет не меньше расчетной. Этот способ можно применять для
труб из любой стали. Угол выхода резца
должен быть не более 6° на трубах из
аустенитной стали и не более 15° из других сталей;
Рис.4.3. Способы обработки концов труб при стыковке элементов, имеющих разные внутренние диаметры
в) наплавка на внутреннюю поверхность трубы, имеющей больший внутренний диаметр, слоя металла с последующей его обработкой резцом или абразивным камнем для снятия неровностей и обеспечения плавного перехода к поверхности трубы (рис. 4.3, г). Такой способ можно применять для труб диаметром 159 мм и более из углеродистых и низколегированных конструкционных сталей перлитного класса.
Таблица 4.1
Способы раздачи концов труб
|
Сталь |
Способ раздачи* |
Диаметр трубы, мм, не более |
Раздача А**, %, не более |
|
|
Углеродистая |
Вхолодную |
83 84-200 |
6 8 |
6 4 |
|
|
С нагревом |
300 |
20 |
10 |
|
Низколегированная: |
|
|
|
|
|
теплоустойчивая |
Вхолодную |
100 |
8 |
4 |
|
|
С нагревом |
100 |
8 |
10 |
|
конструкционная |
Вхолодную |
200 |
8 |
4 |
|
|
С нагревом |
300 |
20 |
10 |
|
Аустенитная |
Вхолодную |
83 |
6 |
6 |
|
|
" |
84-100 |
10 |
4 |
|
Мартенситно-ферритная |
" |
100 |
6 |
4 |
_______________
После механической обработки длина наплавки l должна быть не менее:
|
Диаметр трубы, мм |
l, мм |
|
До 219 |
20 |
|
219-273 |
30 |
|
Более 273 |
50 |
Толщина наплавки должна быть не более 6 мм. Наплавку можно выполнять ручной дуговой или ручной аргонодуговой сваркой неплавящимся электродом с использованием присадочных материалов, которые применяют для сварки стыка, при режиме подогрева и охлаждения, предусмотренном для сварки данных стыков. Наплавку следует производить кольцевыми (спиральными) валиками в направлении изнутри трубы к ее торцу. Термообработку места наплавки перед сваркой стыка не производят;
г) приварка впритык к элементу (трубе, патрубку, тройнику, арматуре) с меньшим внутренним диаметром кольца шириной b=18-20 мм и наружным диаметром, равным внутреннему диаметру другого стыкуемого элемента (рис. 4.3, д).
При сборке стыка элемент с большим внутренним диаметром надвигается на приваренное кольцо с соблюдением требований к сборке и сварке как к обычному стыку с подкладным кольцом. Такой способ может быть применен к трубопроводам из углеродистой и кремнемарганцовистой стали при разности внутренних диаметров стыкуемых элементов не более 8 мм.
4.1.7. При соосной стыковке труб с разными наружными диаметрами размер h (рис. 4.4) должен быть не более:
для труб из углеродистой и низколегированной сталей - 30% толщины более тонкой трубы, но не более 5 мм;
Рис 4.4. Схема обработки концов труб при стыковке элементов, имеющих разные наружные диаметры; угол a, не более 15±2°
для труб из стали аустенитного и мартенситно-ферритного классов при номинальной толщине стенки 10 мм и менее - 15% толщины более тонкой трубы.
Когда смещение (несовпадение) стыкуемых труб по наружной поверхности из за разности наружных диаметров превышает указанное, конец трубы с большим наружным диаметром должен быть обработан механическим способом (обточкой) согласно одному из эскизов рис. 4.4.
4.1.8 Вмятины на концах труб следует исправлять с помощью домкратов или других разжимных устройств при условии, что глубина вмятины не превышает 3,5% диаметра трубы, а толщина стенки для труб из углеродистых и низколегированных сталей не более 20 мм, из аустенитных - 10, из мартенситно-ферритных - 6 мм.
Вмятины на трубах из углеродистых и низколегированных сталей допускается исправлять в холодную или с нагревом (табл. 4.1), из аустенитных и мартенситно-ферритных - только в холодную.
Концы труб с вмятинами глубиной более 3,5%, а также с забоинами и задирами глубиной более 5 мм следует обрезать или исправлять путем наплавки.
4.1.9. Кромки литых деталей трубопровода (клапанов, задвижек, тройников и т.п.) необходимо подготавливать в заводских условиях механическим путем. Никакой дополнительной обработки литых деталей в условиях монтажа и ремонта производить не разрешается без согласования с заводом - поставщиком детали и заказчиком.
4.1.10. В монтажных и ремонтных условиях разрешается производить подгибку труб из хромомолибденовых и хромомолибденованадиевых сталей на угол не более 10°, из прочих низколегированных и углеродистых сталей - на угол не более + °.
Трубы из хромомолибденовых и хромомолибденованадиевых сталей независимо от толщины стенки при подгибке следует подогревать в месте подгибки до 710-740°С. Трубы из прочих низколегированных и углеродистых сталей можно подгибать в холодном состоянии при толщине стенки до 20 мм, при большей толщине - с подогревом до 650-680°С. После подгибки нагретый участок необходимо обернуть асбестом. Место подгибки должно находиться вне гиба трубы; при ее диаметре более 100 мм место подгибки должно быть на расстоянии не менее 200 мм отгиба.
Температуру контролируют с помощью термокарандаша, термоэлектрического преобразователя (ТП) или термокраски. Термообработка места подгибки не требуется.
4.1.11. Подгибка труб из сталей аустенитного класса диаметром менее 100 мм при толщине стенки не более 10 мм может быть допущена в монтажных условиях на угол не более 15°. Подгибка осуществляется в холодном состоянии без последующей термообработки.
4.1.12. Подгибку труб пароперегревателя из стали мартенситно-ферритного класса в условиях монтажа можно производить в холодном состоянии, угол подгибки должен быть не более 10°.
4.2.1. Конструкции сварных соединений должны быть указаны в проектно-конструкторской документации.
Основные рекомендуемые конструкции стыковых сварных соединений даны в табл. 4.2. Допускается применение сварных соединений с другими конструктивными размерами подготовки кромок, если при этом обеспечивается надлежащее качество соединения.
Таблица 4.2
Конструкции сварных стыковых соединений труб
|
Тип разделки |
Конструктивные элементы подготовленных кромок свариваемых деталей |
Способ сварки |
Конструктивные размеры |
Наружный диаметр трубы, Дн, мм |
|||
|
S, мм |
a, мм |
b, мм |
a, град. |
||||
|
Тр-1 |
|
Ар |
1-3 |
≤0,3 (1± 0,5) |
- |
- |
≤100 |
|
|
|
Г |
1-3 |
1± 0,5 |
- |
- |
≤100 |
|
|
|
Аа |
≤4 |
|
- |
- |
|
|
|
|
Р |
2-3 |
1± 0,5 |
- |
- |
≤159 |
|
|
|
Аф |
4-8 |
1,5± 0,5 |
- |
- |
|
|
Тр-2 |
|
Р, М |
3-5 |
1± 0,5 |
|
|
Р, М - независимо,
|
|
|
|
Р, М, Аф |
6-14 |
1,5± 0,5 |
|
|
Аф - более |
|
|
|
|
15-25 |
2± 0,5 |
|
30±3 |
200 |
|
|
|
К(Ар), К(Аа) |
4-25 |
≤0,5 (1,5± 0,5) |
1±0,5 |
(25-45) |
≥32 |
|
|
|
Ар, Аа |
2-10 |
≤0,5 (1,5± 0,5) |
|
|
≤630 |
|
|
|
Г |
3-8 |
1,5± 0,5 |
|
|
≤159 |
|
Тр-3 |
|
Р |
≥16 |
По п. 4.2.9 |
- |
15± 2 |
> 100 |
|
Тр-3а |
|
Р |
≥16 |
По п. 4.2.9 |
- |
7+ 1 |
> 100 |
|
Тр-3б |
|
Аф |
4-5 |
4+ 1 |
- |
12± 2 |
> 200 |
|
|
|
|
> 5 |
6+ 1 |
- |
12± 2 |
> 200 |
|
Тр-3в |
|
М |
≥10 |
8+ 1 |
- |
15± 2 |
≥133 |
|
Тр-3г |
|
Р |
≥5 |
По п. 4.2.8 |
- |
30±3 |
|
|
Тр-3д |
|
М |
≥5 |
8+1 |
- |
(25-45) |
> 100 |
|
Тр-6 |
|
М |
≥16 |
2± 0,5 |
1,5± 0,5 |
10±2 |
≥133 |
|
|
|
К(Ар), К(Аа) |
≥10 |
≤ 0,5(1,5± 0,5) |
1,5± 0,5 |
10± 2 |
≥133 |
|
Тр-7 |
|
К(Ар), К(Аа) |
> 5 |
≤ 0,5(1,5± 0,5) |
3,0± 0,2 |
15± 2 |
≥108 |
(Измененная редакция, Изм. № 1)
Примечания. 1. В таблице приняты следующие условные обозначения способов сварки: Р - ручная дуговая; Ар - ручная аргонодуговая; Аа - автоматическая аргонодуговая; Аф - автоматическая под слоем флюса; М - механизированная в углекислом газе; Г - газовая; К(Ар) - комбинированная: корень - ручная аргонодуговая, остальное - ручная дуговая или механизированная в углекислом газе; К(Аа) - комбинированная: корень - автоматическая аргонодуговая, остальное - ручная дуговая или механизированная в углекислом газе.
2. Зазор "а" для способов сварки Ар, Аа, К(Ар), К(Аа) указан без скобок в случае выполнения коневого слоя шва (первого прохода) без присадочной проволоки, в скобках - с присадочной проволокой. В седьмой графе в скобках приведены допустимые пределы угла скоса кромок а, отличного от оптимального из-за неточности обработки или из-за изготовления труб по другим стандартам или техническим условиям.
4.2.2. При сборке стыков труб под сварку следует пользоваться центровочными приспособлениями, предпочтительно инвентарными, не привариваемыми к трубам. Рекомендуются приспособления, приведенные в приложении 10.
При сборке стыков труб из хромомолибденовых и хромомолибденованадиевых сталей с помощью уголков (см. рис. П 10.1 приложения 10) приварка этих элементов к трубам должна производиться электродами типа Э42А или Э50А с предварительным подогревом места приварки согласно данным табл. 4.3. Уголки могут быть удалены (механическим путем или газовой резкой) после наложения не менее трех первых слоев шва. Места приварки этих деталей к трубам должны быть зачищены и тщательно осмотрены для выявления поверхностных трещин. В случае обнаружения дефекта это место должно быть выбрано с помощью абразивного инструмента. Если после выборки дефекта толщина трубы будет меньше допустимой расчетной, производится наплавка в соответствии с рекомендациями раздела 17.
(Измененная редакция, Изм. № 1)
Таблица 4.3
Температура
подогрева стыков труб перед прихваткой
и сваркой дуговыми способами при положительной температуре
окружающего воздуха
|
Номинальная толщина свариваемых деталей, мм |
Температура подогрева, °С** |
|
|
Ст2, Ст3, Ст3Г, Ст4, 08, 10, 15Л, |
До 100 вкл. |
- |
|
20, 20Л |
Св.100 |
100-150 |
|
25Л, 10Г2 |
До 60 вкл. |
- |
|
|
Св.60 |
100-150 |
|
15ГС, 16ГС, 17ГС, 14ГН, 16ГН, |
До 30 вкл. |
- |
|
09Г2С, 10Г2С1, 17Г1С, 17Г1СУ, 14ХГС |
Св.30 |
100-150 |
|
20ГСЛ |
До 30 вкл. |
- |
|
|
Св.30 |
150-200 |
|
12МХ, 15ХМ |
До 10 вкл. |
- |
|
|
Св.10 до 30 вкл. |
150-200 |
|
|
Св.30 |
200-250 |
|
12Х1МФ*, 12Х2М1, 20ХМЛ |
До 10 вкл. |
- |
|
|
Св.10 до 30 вкл. |
200-250 |
|
|
Св.30 |
250-300 |
|
20ХМФЛ, 15Х1М1ФЛ, 15Х1М1Ф- |
До 10 вкл. |
- |
|
ЦЛ, 15Х1М1Ф |
Св.10 |
300-350 |
|
12Х2МФСР, 12Х2МФБ |
До 6 вкл. |
- |
|
|
Св.6 |
300-350 |
_______________
** Аргонодуговую сварку корневой части шва стыков труб из стали 15Х1М1Ф с толщиной стенки более 10 мм следует выполнять с подогревом 200-250° С, а из других марок стали - без подогрева.
(Измененная редакция, Изм. № 1)
4.2.3. Временные технологические крепления, применяющиеся при сборке деталей или узлов (монтажных блоков), должны устанавливаться и привариваться в соответствии с требованиями ППР или другой ПТД. В случае отсутствия таких указаний установка временных технологических креплений должна производиться с соблюдением следующих требований:
временные технологические крепления должны быть изготовлены из стали того же структурного класса, что и собираемые детали. При этом желательно, чтобы уровень легирования стали временных технологических креплений, был ниже уровня легирования, стали собираемой детали. При сборке детали из стали перлитного класса с деталью из стали аустенитного класса временные технологические крепления следует изготавливать из углеродистой стали; в этом случае присадочный материал для приварки крепления к трубе из аустенитной стали, выбирается по табл. 13.1;
приварка временных технологических креплений к собираемым деталям должна производиться ручной дуговой или ручной аргонодуговой сваркой;
сварочный материал должен использоваться в соответствии с требованиями табл. 2.1 и 2.4 и выбираться по менее легированному из свариваемых элементов;
подогрев свариваемых элементов должен осуществляться в соответствии с требованиями подраздела 4.4, при этом приварку креплений из углеродистых сталей к деталям из углеродистой и кремнемарганцовистой стали, допускается выполнять без подогрева независимо от толщины свариваемых деталей;
нельзя приваривать временные технологические крепления к сварным швам и разделкам под сварные швы;
после выполнения сварного соединения (полностью или частично) временные технологические крепления должны быть удалены механическим путем или кислородной, плазменно-дуговой либо воздушно-дуговой резкой без углубления в основной металл с последующей обработкой этого места абразивным инструментом.
Для стыков трубопроводов на рабочее давление до 2,2 МПа (22 кгс/см2) при диаметре труб более 200 мм, свариваемых без подкладного кольца, смещение внутренних кромок должно быть не выше: при толщине стенки трубы до 4 мм - 0,2 S, при большей толщине 0,15 S, но не более 2 мм.
В стыках труб, собираемых и свариваемых на остающемся подкладном кольце, допускаются разность внутренних диаметров элементов не более 2 мм, зазор между кольцом и внутренней поверхностью элемента не более 1 мм. Если эти требования нельзя выполнить из-за большей разности внутренних диаметров стыкуемых элементов, плавный переход от одного элемента к другому следует сделать в соответствии с указаниями п. 4.1.6.
Для стыков с остающимся подкладным кольцом при разности внутренних диаметров стыкуемых элементов не более 6 мм может быть применено фигурное подкладное кольцо (рис. 4.5).
Рис. 4.5. Стыковка труб с разными внутренними диаметрами с использованием фигурного подкладного кольца
4.2.6. При сборке труб и других элементов, имеющих продольные или спиральные швы, последние должны быть смещены один относительно другого. Смещение должно быть, не менее трехкратной толщины стенки свариваемых труб (элементов), но не менее 100 мм; на трубы и элементы наружным диаметром менее 100 мм это требование не распространяется.
4.2.7. Прямолинейность труб в месте стыка (отсутствие переломов) и смещение кромок проверяют линейкой длиной 400 мм, прикладывая ее в трех-четырех местах по окружности стыка. В правильно собранном стыке максимально допустимый просвет между концом линейки и поверхностью трубы должен быть не более 1,5 мм на расстоянии 200 мм от стыка, в сваренном стыке - не более 3 мм (без учета смещения согласно п. 4.1.7).
4.2.9. При сборке стыков трубопроводов с подкладным кольцом его прихватку и приварку должен выполнять сварщик, который в дальнейшем будет сваривать этот стык, или сварщик, имеющий удостоверение на право сварки подобных стыков. В собранном стыке не должно быть перекоса подкладного кольца.
Последовательность сборки стыка с подкладным кольцом такова:
устанавливают подкладное кольцо в одну из труб с зазором между кольцом и внутренней поверхностью трубы не более 1 мм;
производят прихватку кольца с наружной стороны трубы в двух местах и затем приварку его к трубе ниточным швом катетом не более 4 мм (рис. 4.6 а)*. Прихватку и приварку кольца к трубе из низколегированной стали, следует выполнять с предварительным подогревом конца трубы и подкладного кольца в соответствии с требованиями подраздела 4.4;
_______________
* При приварке кольца к первой трубе ручной аргонодуговой сваркой следует руководствоваться указаниями, приведенными в подразделе 6.3.
Рис. 4.6. Приварка подкладного кольца к первой (а) и второй (б) трубам
зачищают ниточный шов от шлака и брызг;
надвигают на выступающую часть подкладного кольца вторую трубу; зазор между ниточным швом и второй трубой должен быть 4-5 мм; проверяют правильность сборки стыка;
приваривают подкладное кольцо ниточным швом ко второй трубе (рис. 4.6 б), предварительно подогрев стык согласно требованиям подраздела 4.4.
Корневой слой шва следует сваривать электродами диаметром 2,5-3 мм.
Примечание. Трубы с приваренным подкладным кольцом в процессе сборки не должны подвергаться ударам по кромкам и кольцу.
(Измененная редакция, Изм. № 1)
4.2.11. Сборку замыкающего стыка при холодном натяге (независимо от способа сварки стыка) следует производить после окончания сварки, термообработки и контроля качества остальных стыков по всей длине участка трубопровода, на котором необходимо выполнить холодный натяг; в процессе сварки и термообработки замыкающего стыка необходимо укрепить трубопровод в таком положении, чтобы стык не испытывал усилий от холодного натяга. Рекомендуется следующий порядок технологических операций сборки, сварки и термообработки стыка с холодным натягом (рис. 4.7):

Рис. 4.7. Схема сборки и сварки замыкающего стыка при холодном натяге:
1 и 2 - неподвижные опоры; 3 - временная вставка; Р - трос; ЗС - замыкающий стык
при сборке стыка установить временную вставку 3 в виде кольца из трубы; длина вставки должна быть равна размеру холодного натяга lхн;
после сварки и термообработки всех других стыков на этой нитке трубопровод освободить от связей на неподвижной опоре 2;
из стыка удалить временную вставку, с помощью троса левый участок трубопровода подтянуть на длину lхн и закрепить в таком положении с помощью троса;
произвести сборку, прихватку, сварку и термообработку замыкающего стыка;
трубопровод установить на опоре 2 в проектное положение.
4.2.12. За качество сборки стыков отвечает производитель работ (мастер, бригадир, звеньевой).
Качество сборки стыков трубопроводов давлением выше 2,2 МПа, а также трубопроводов диаметром более 600 мм независимо от рабочего давления должен проверять мастер (бригадир, звеньевой) или контролер.
Перед прихваткой и началом сварки качество сборки стыка должен проверять сварщик.
При контроле качества сборки стыков паропроводов с рабочей температурой 450°С и выше необходимо проверить наличие заводских номеров (номера плавки и номера трубы) в маркировке труб.
Примечание. На заводах порядок приемки собранных стыков устанавливают в соответствии с технологическим процессом и указывают в карте операционного контроля.
4.3.1. Собранные стыки труб к другим элементам необходимо прихватывать в нескольких местам. Прихватки на месте пересечения швов не допускаются.
4.3.2. Прихваточные швы рекомендуется выполнять тем же способом сварки, что и корневой. Если корневой слой шва накладывается автоматическим или механизированным способом, прихватки следует выполнять ручным дуговым или ручным аргонодуговым способом. При прихватке должен применяться тот же присадочный материал, который будет использоваться (или может быть использован) для сварки корневого слоя. Прихватку, должен производить сварщик, допущенный к сварке стыков труб, соответствующей марки стали, по возможности тот, который будет сваривать данный стык.
4.3.3. Прихватки необходимо выполнять с полным проваром и по возможности переваривать при наложении основного шва.
4.3.4. К качеству прихваток. предъявляются такие же требования, как и к сварному шву. Прихватки, имеющие недопустимые дефекты, обнаруженные при визуальном контроле, следует удалять механическим способом.
В стыках, собираемых без подкладочных колец, число прихваток и их протяженность зависят от диаметра труб и должны соответствовать следующим нормам:
|
Диаметр труб, мм |
До 50 |
Свыше 50 до 100 |
Свыше 100 до 426 |
Свыше 426 |
|
Число прихваток по периметру |
1-2 |
1-3 |
3-4 |
Через 300-400 мм |
|
Протяженность одной прихватки, мм |
5-20 |
20-30 |
30-40 |
40-60 |
Высота прихваток должна быть равна:
при их выполнении ручной дуговой сваркой на стыках труб с толщиной стенки S=3 мм и менее - толщине стенки трубы; с толщиной стенки более 3 до 10 мм - (0,6-0,7)S, но не менее 3 мм; с толщиной стенки более 10 мм - 5-6 мм;
при
их выполнении ручной аргонодуговой сваркой без присадочной проволоки на стыках
труб с разделкой Тр-1 (см. табл. 4.2) - толщине
стенки трубы; на стыках труб с разделками Тр-2, Тр-6, Тр 7 - величине +..
0,5 мм
(b - размер притупления). При выполнении прихваток с присадочной
проволокой высота прихватки может быть увеличена на 0,5-1 мм.
4.4.1. Температура подогрева стыков труб перед прихваткой и сваркой дуговыми способами при положительной температуре окружающего воздуха регламентируется данными табл. 4.3.
Газовая сварка выполняется без специального подогрева стыка, но с прогревом его перед сваркой в соответствии с требованиями пункта 8.9.
4.4.2. Выполнять сварку при температуре металла в месте стыка выше 450°С не разрешается.
Стыки труб из сталей 12Х1МФ и 15Х1М1Ф при толщине стенки более 45 мм следует нагревать индуктором. Подогрев этих стыков должен быть организован так, чтобы сразу после окончания сварки можно было произвести их термообработку.
Стыки труб с толщиной стенки 20 мм и менее разрешается нагревать газовым пламенем. Стыки труб с толщиной стенки более 20 мм можно нагревать газопламенными сварочными горелками или резаками лишь в исключительных случаях, если нет возможности установить индуктор, радиационный нагреватель или кольцевую горелку; при этом необходимо надеть на трубу асбестовые муфели (манжеты) и обеспечить равномерный нагрев стыка по всему периметру.
При приварке подкладного кольца конец трубы можно подогревать газовым пламенем независимо от толщины стенки трубы.
4.4.4. Температуру подогрева следует контролировать с помощью термоэлектрических преобразователей (ТП), термокарандашей или термокрасок. Для контроля температуры предварительного и сопутствующего подогрева стыков трубопроводов из низколегированных сталей диаметром свыше 600 мм при толщине стенки более 25 мм необходимо установить два ТП в противоположных точках по периметру стыка, при этом для вертикальных стыков ТП должны быть установлены в нижней и верхней точках стыка.
При положительной температуре окружающего воздуха температуру подогрева стыка разрешается контролировать с помощью спички: ее воспламенение (без трения о поверхность металла) происходит при температуре металла около 270°С. Замер температуры подогрева следует производить в пределах зоны нагрева, ширина которой определяется п. 4.4.3.
4.5.1. Сварку стыков труб следует начинать сразу после прихватки. Промежуток времени между окончанием выполнения прихваток и началом сварки стыков труб из теплоустойчивых низколегированных сталей перлитного и мартенситно-ферритного классов должен быть не более 4 ч. Непосредственно перед сваркой необходимо проверить состояние поверхности стыка и в случае необходимости зачистить его в соответствии с указаниями п. 4.2.4.
4.5.2. Стыки труб (деталей) из низколегированных теплоустойчивых сталей перлитного и мартенситно-ферритного классов, следует сваривать без перерыва. Не допускается прекращение сварки стыка до заполнения хотя бы половины высоты разделки по всей окружности. При вынужденных перерывах в работе (авария, отключение тока) необходимо обеспечить медленное и равномерное охлаждение стыка любыми доступными средствами (например, обкладкой листовым асбестом), а при возобновлении сварки следует подогреть стык (если это требуется) до температуры, указанной в табл. 4.3. Эту температуру нужно поддерживать до окончания сварки.
Не допускается никаких силовых воздействий на стык до завершения его сварки.
Примечание. Сварное соединение трубопроводов из теплоустойчивых сталей, выполненное с перерывом, должно быть обязательно проконтролировано УЗД по всему периметру шва.
(Измененная редакция, Изм. № 1)
4.5.3. Во всех случаях многослойной сварки разбивать шов на участки необходимо с таким расчетом, чтобы стыки участков ("замки" швов) в соседних слоях не совпадали, а были смещены один относительно другого, и каждый последующий участок перекрывал предыдущий. Размер смещения и перекрытия а (рис. 4.8) при автоматической сварке под флюсом должен быть не менее 50 мм, при всех других способах сварки - 12-18 мм.
Рис. 4.8. Схема наложения "замков" швов
4.5.4. Ручную дуговую сварку следует выполнять, возможно, короткой дугой, особенно при использовании электродов с основным покрытием, для которых длина дуги должна быть не более диаметра электрода. В процессе сварки необходимо как можно реже обрывать дугу. Перед гашением дуги сварщик должен заполнить кратер путем постепенного отвода электрода и вывода дуги назад на 15-20 мм на только что наложенный шов. Последующее зажигание дуги производится на кромке трубы или на металле шва на расстоянии 20-25 мм от кратера.
4.5.5. При ручной дуговой сварке во избежание зашлаковки металла шва около кромок труб следует наплавлять, возможно, более плоский валик.
4.5.6. В процессе сварки должны быть обеспечены полный провар корня шва и заделка кратера. По окончании наплавки каждого валика необходимо полностью удалить шлак после его охлаждения (потемнения). При обнаружении на поверхности шва дефектов (трещин, скоплений пор и т.п.) дефектное место следует удалить механическим способом до "здорового" металла и при необходимости заварить вновь.
4.5.7. Сварные швы стыков должны иметь выпуклость (усиление) в следующих пределах:
|
Толщина стенки трубы, мм |
Выпуклость, мм |
|
Менее 10 |
0,5-3,5 |
|
10-20 |
0,5-5,0 |
|
Более 20 |
0,5-5,5 |
В стыковых швах, выполненных автоматической сваркой, при толщине стенки труб до 8 мм допускается отсутствие выпуклости (шов наложен заподлицо с трубой). По ширине выпуклость должна перекрывать наружные кромки на 1-3 мм с каждой стороны.
4.5.8. Во время сварки элементов из подкаливающихся сталей (15ХМ, 12Х1МФ, 15Х1М1Ф, 12Х2МФСР, 12Х11В2МФ) и литья аналогичного состава следует заглушать концы труб или закрывать задвижки на трубопроводе.
а) минимальная температура окружающего воздуха, при которой может выполняться прихватка и сварка элементов котлов и трубопроводов в зависимости от марки стали, приведена в табл. 4.4.
Таблица 4.4
Требования к
температуре окружающего воздуха при сварке
и прихватке элементов котлов и трубопроводов
|
Сталь свариваемых элементов |
Номинальная толщина металла, мм |
Минимальная температура окружающего воздуха, °С |
|
Ст2, СтЗ, СтЗГ, Ст4, 08, 10, 20 |
Независимо |
-20 |
|
15Л, 20Л, 25Л, 20ГСЛ, углеродистая сталь с содержанием углерода более 0,24% |
Независимо |
-10 |
|
10Г2, 09Г2С, 10Г2С1, 15Г2С, 16ГН, |
|
-20 |
|
14ГН, 14ХГС, 17Г1С, 17Г1СУ, 15ГС, 16ГС, 17ГС |
>10 |
-10 |
|
12МХ, 15ХМ, 12Х1МФ |
|
-15 |
|
|
>10 |
-10 |
|
15Х1М1Ф, 15Х1М1Ф-ЦЛ,12Х2М1 12Х2МФСР, |
|
-10 |
|
12Х2МФБ |
>10 |
0 |
|
20ХМЛ, 20ХМФЛ, 15Х1М1ФЛ, 12Х11В2МФ, 20Х13, 31Х19Н9МВБТ, 13Х11Н2В2МФ, 20Х12ВНМФ, 18Х12ВМБФР, ХН35ВТ |
Независимо |
0 |
|
12Х18Н12Т, 12Х18Н10Т |
Независимо |
-20 |
(Измененная редакция, Изм. № 1)
Примечание. При сварке деталей из сталей разных марок требования по допустимой температуре окружающего воздуха принимаются по стали, для которой допустимой температурой окружающего воздуха является более высокая температура.
б) стыки труб, которые при положительной температуре полагается сваривать с подогревом и термообрабатывать, при отрицательной температуре должны быть подвергнуты термообработке непосредственно после сварки; перерыв между сваркой и термообработкой допускается при условии поддержания в это время в стыке температуры сопутствующего подогрева;
в) стыки, которые при положительной температуре полагается сваривать с подогревом без термообработки (включая, продольные швы плавников и вварку уплотнений), при отрицательной температуре должны быть непосредственно после окончания сварки (не допуская остывания стыка) укрыты слоем изоляции толщиной 8-15 мм для обеспечения замедленного охлаждения;
г) металл в зоне сварного соединения перед прихваткой и сваркой должен быть просушен и прогрет с доведением его температуры до положительной. В случае сварки на трассе трубопроводов из углеродистых и низколегированных конструкционных сталей стык может не прогреваться, если не требуется подогрева стыка согласно табл. 4.3;
д) подогрев стыков при прихватке и сварке производится в тех же случаях, что и при положительной температуре окружающего воздуха, но температура подогрева должна быть на 50°С выше указанной в табл. 4.3 и п. 4.4.1;
е) во время всех термических операций (прихватки, сварки, термообработки и т.п.) стыки труб должны быть защищены от воздействия осадков, ветра, сквозняков до полного их остывания.
Примечание. При сварке в местных укрытиях типа будок, кабин, палаток температурой окружающего воздуха считается температура внутри укрытия на расстоянии 0,5-0,8 м от стыка по горизонтали.
4.5.10. Магнитное поле, возникшее вследствие намагничивания трубы (так называемое магнитное дутье) и затрудняющее процесс сварки стыка, устраняется следующим образом: на стык наматывают индуктор (шесть-восемь витков) и пропускают по нему в течение 2-3 мин. постоянный ток 200-300 А; если после этого магнитное поле не исчезает, пропускают ток в обратном направлении, т.е. присоединяют токоподводящие провода к противоположным выводам индуктора.
4.5.11. Сваренный и зачищенный стык труб диаметром более 100 мм с толщиной стенки более 6 мм сварщик должен заклеймить присвоенным ему клеймом. Клеймо ставят на самом сварном шве вблизи верхнего "замка" (на площадке размером около 20×20 мм, зачищенной абразивным камнем или напильником) или на трубе на расстоянии 30-40 мм от шва. Если стык сваривают несколько сварщиков, каждый ставит свое клеймо в верхнем конце того участка, который он выполнял. Если стык сваривают по технологии, предусматривающей, что сварщик накладывает швы (слои) в разных местах или по всему периметру стыка (например, при сварке поворотных стыков труб большого диаметра), клеймо ставят все сварщики, выполнившие этот стык, в одном месте, желательно на его верхнем участке. При зачистке стыка для ультразвукового контроля место расположения клейма не зачищается; если клеймо было сошлифовано, то его необходимо восстановить.
Для стыков труб из углеродистых сталей с рабочим давлением до 2,2 МПа (22 кгс/см2) клеймо можно наплавлять сваркой. Клеймение стыков трубопроводов диаметром более 100 мм из перлитных сталей можно производить также с помощью металлической пластины размером 40×30×2 мм, на которой выбивается клеймо сварщика (сварщиков); пластина прихватывается около верхнего "замка" шва вертикального стыка или в любом месте по периметру горизонтального стыка непосредственно к сварному шву или к трубе на расстоянии 200 мм от шва. Пластина должна быть изготовлена из малоуглеродистой стали (марок 10, 20, Ст2, Ст3).
5.1.1. Конструкция сварного соединения должна соответствовать типам, приведенным в табл. 4.2. Могут быть применены конструкции сварного соединения в соответствии с рис. 5.1. Такие конструкции получаются, если в соединении Тр-6 стачивается нижний пояс на одной (рис. 5.1, а) или на обеих трубах (рис. 5.1, б).
Рис. 5.1. Конструкции сварных соединений труб со снятым нижним скосом.
При сварке стыков труб внутренним диаметром более 900 мм, когда возможно выполнять подварку корня шва изнутри трубы, следует применять конструкции стыков Тр-2, Тр-6, Тр-7 или согласно рис. 5.1 (без подкладного кольца) с зазором между трубами 1-2 мм. Перед подваркой корень шва должен быть обработан абразивным инструментом.
5.1.2. Марку электродов выбирают в соответствии с рекомендациями, приведенными в табл. 2.1.
5.1.3. Для выполнения корневого слоя шва стыков труб и деталей с толщиной стенки более 10 мм из хромомолибденовых сталей, а также из хромомолибденованадиевых сталей, работающих при температуре не более 510°С, могут быть использованы электроды ЦУ-5, ЦУ-6, ЦУ-7, ЦУ-8, УОНИ-13/55, ТМУ-21У диаметром 2,5-3,0 мм. Высота корневого слоя шва при сварке углеродистыми электродами должна быть 4-5 мм.
5.1.4. Примерные значения тока при сварке в нижнем положении шва в зависимости от диаметра и типа покрытия электрода приведены в табл. 5.1. При вертикальном и потолочном положениях шва ток должен быть уменьшен на 10-20%. Для каждой марки электрода режим необходимо уточнять по паспортным данным. Электроды диаметром 5 мм можно применять при сварке в нижнем и вертикальном положениях шва вертикальных* неповоротных стыков. Потолочный участок шва следует выполнять электродами диаметром не более 4 мм.
_______________
Таблица 5.1
Рекомендуемые значения сварочного тока для электродов различных диаметров
|
Диаметр электрода, мм |
Ток, А |
|
|
Основное (электроды УОНИ-13/55, ЦУ-5, ТМУ-21У, ТМЛ-3У, ТМЛ-1У, ЦЛ-39 и др.) |
2,5 |
70-90 |
|
3,0 |
90-110 |
|
|
|
4,0 |
120-170 |
|
|
5,0 |
170-210 |
|
Рутиловое (электроды ОЗС-4, АНО-6 и др.) |
2,5 |
70-90 |
|
|
3,0 |
90-130 |
|
|
4,0 |
140-190 |
|
|
5,0 |
180-230 |
5.1.5. При сварке вертикальных стыков трубопроводов (рис. 5.2, а) из углеродистых и низколегированных сталей высота каждого слоя (валика) должна составлять 6-10, ширина одного слоя - не более 35 мм.
Рис. 5.2. Примерное расположение слоев и валиков (1-20) по сечению шва:
а - сварка вертикального
стыка труб при толщине стенки 25-30 мм;
б - сварка горизонтального стыка труб при толщине стенки 20-25 мм
Примечание. Пункт 6.1.5 относится к сварке по обычной технологии. Требования к размерам слоя (валика) при сварке вертикальных стыков слоями повышенной толщины указаны в подразделе 5.6.
5.1.6. Сварка стыков труб в узкую разделку с углом скоса кромок 7° (тип Тр-3а по табл. 4.2) во избежание зашлаковки и несплавлений в корневой части шва должна выполняться следующим образом:
корневой слой накладывается ниточным швом без колебательных поперечных движений электрода; диаметр электрода - не более 3 мм;
при наложении последующих слоев электрод передвигается шагообразно вдоль шва с шагом 2-4 мм с задержкой после каждого перемещения на 2-2,5 с. В местах задержки сварщик наклоняет электрод в плоскости, перпендикулярной оси шва, на угол 5-8° в каждую сторону и оставляет его в этом положении в течение 0,5-1 с; диаметр электрода - не более 4 мм;
шагообразное перемещение электрода продолжается до тех пор, пока ширина разделки (расстояние между кромками) не позволит выполнять электродом колебательные движения поперек шва, т.е. производить сварку с обычными манипуляциями электродом.
5.1.7. При сварке горизонтальных* стыков трубопроводов (рис. 5.2,б) из углеродистых и низколегированных сталей высота валика должна быть 4-6 мм, ширина (наибольший размер в поперечном сечении) 8-14 мм.
_______________
5.1.8. Неповоротные (вертикальные и горизонтальные) стыки труб диаметром 219 мм и более могут сваривать в зависимости от диаметра труб одновременно два, три или четыре сварщика. В этом случае должны быть приняты меры для защиты каждого сварщика от брызг расплавленного металла и шлака.
Примечание. Если сварку стыка труб из хромомолибденовой или хромомолибденованадиевой стали, выполняют одновременно несколько сварщиков, необходимо следить за тем, чтобы металл труб в месте стыка нагревался не выше 450°С.
5.1.9. Вертикальные неповоротные стыки сваривают в направлении снизу вверх. Начиная сварку слоя в потолочной части стыка, следует отступить на 10-30 мм от нижней точки. Порядок наложения слоев, когда вертикальный стык сваривает один сварщик без поворота труб, показан на рис. 5.3.
Рис. 5.3. Порядок наложения слоев, когда сварку вертикальных неповоротных стыков труб выполняет один сварщик:
а - стык труб диаметром до 219 мм; б - стык труб диаметром более 219 мм;
1-14 - последовательность наложения участков (слоев); I-IV - слои шва.
Сварку первых трех слоев в стыках труб диаметром более 219 мм следует выполнять обратноступенчатым способом, при этом длина каждого участка должна быть в пределах 200-250 мм. Длина участков последующих слоев может составлять половину окружности стыка. Стыки труб с толщиной стенки до 16 мм можно сваривать участками длиной, равной половине окружности, начиная со второго слоя.
5.1.10. Наложение валиков первого слоя, если сварку вертикального неповоротного стыка диаметром 219 мм и более выполняют два сварщика, производится в следующем порядке (рис. 5.4): 1-й сварщик начинает сварку от точки А и ведет к точке Б, в это время 2-й сварщик сваривает участок от точки Г до точки В; далее 1-й сварщик (без перерыва) продолжает сварку от точки Б до точки В, а 2-й переходит к сварке участка от точки А к точке Г.
Рис. 5.4. Порядок наложения первого слоя шва, когда сварку вертикальных неповоротных стыков труб диаметром 219 мм и более выполняют два сварщика
Второй и третий слои сваривают аналогично с учетом требований, указанных в п. 5.1.9. Последующие слои можно накладывать участками длиной, равной половине окружности трубы. При сварке верхнего участка вертикальных неповоротных стыков трубопроводов должны соблюдаться требования приведенные в п. 5.1.4.
5.1.11. Горизонтальные стыки труб диаметром менее 219 мм сваривает один сварщик с учетом правил смещения "замков" в соседних слоях или участках (рис. 5.5, а).
Рис. 5.5. Порядок наложения слоев (валиков), когда сварку горизонтальных стыков труб выполняет один сварщик:
а - стык труб диаметром до 219 мм; б - стык труб диаметром более 219 мм;
1-12 - последовательность наложения участков
При сварке горизонтальных стыков труб диаметром более 219 мм, выполняемых одним сварщиком, необходимо первые три слоя сваривать обратноступенчатым способом (рис. 5.5, б) участками длиной 200-250 мм. Последующие слои можно сваривать вкруговую.
5.1.12. Последовательность сварки первого (корневого) слоя горизонтальных стыков труб (два сварщика) зависит от диаметра труб. При диаметре труб менее 300 мм каждый сварщик заваривает участок длиной, равной половине окружности; в один и тот же момент сварщики должны находиться в диаметрально противоположных точках стыка (рис. 5.6, а). При диаметре труб 300 мм и более первый слой сваривают обратноступенчатым способом участками длиной по 200-250 мм (рис. 5.6, б). В стыках труб диаметром до 300 мм при толщине стенки более 40 мм первые три слоя следует накладывать обратноступенчатым способом, последующие слои - участками длиной, равной половине окружности трубы, с учетом требований, приведенных в п. 5.1.9. В стыках труб из низколегированных сталей диаметром более 600 мм при толщине стенки 25-45 мм все слои шва необходимо выполнять обратноступенчатым способом участками длиной не более 250 мм.
Рис. 5.6. Порядок наложения первого слоя шва, когда сварку горизонтальных стыков труб выполняют два сварщика:
а - стык труб диаметром до 300 мм; б - стык труб диаметром более 300 мм;
1-3 - последовательность наложения участков
5.1.13. Стыки труб диаметром более 600 мм из хромомолибденованадиевых сталей должны сваривать одновременно два сварщика или более, каждый из которых сваривает свой участок стыка по схеме, представленной на рис. 5.7. Швы накладывают обратноступенчатым способом участками длиной 200-250 мм. Четвертый и последующие слои можно сваривать участками длиной, равной 1/4 окружности.
Рис. 5.7. Порядок сварки вертикального неповоротного стыка труб диаметром более 600 мм, выполняемой тремя (а) и четырьмя (б) сварщиками: 1-4 - последовательность наложения участков
5.1.14. Поворотные стыки труб можно сваривать с поворотом на 360° (круговое вращение), 180 и 90°. Поворотные стыки сваривает, как правило, один сварщик.
Если сварку стыка с поворотом на 360° выполняют на рольгангах с механическим вращением труб (с частотой вращения, соответствующей скорости сварки), то удобнее накладывать шов не в зените, а на участке, отстоящем от вертикали на 30-35° в сторону, обратную направлению вращения труб (рис. 5.8, а).

Рис 5.8. Порядок сварки стыка труб с поворотом на 360°: I - направление вращения труб;
II - направление сварки
При отсутствии механического вращателя трубы поворачивают несколько раз, причем угол одного поворота a в зависимости от диаметра труб составляет 60-110°, что обеспечивает наложение шва в нижнем и вертикальном положениях (рис. 5.8, б).
Сварку труб диаметром более 219 мм выполняют обратноступенчатым способом за два полных поворота. Сначала на каждый участок АБ (рис. 5.8, в) накладывают один-два первых слоя, затем, когда по всей окружности будут выполнены два первых слоя, заполняют последовательно оставшуюся часть разделки за время второго поворота трубы.
5.1.15. Сварку стыков с поворотом на 180° производят в два приема. Сначала на участках ГА и ВА (рис. 5.9, а) накладывают один-два первых слоя, затем трубу поворачивают на 180° и заваривают участки ВБ и ГБ, заполняя все сечение шва (рис. 5.9, б). После этого трубы снова поворачивают на 180° и накладывают остальные слои на участках ГА и ВА (рис. 5.9, в). Сварка может выполняться одним или двумя сварщиками.
Рис. 5.9. Порядок сварки стыка труб с поворотом на 180°

Рис. 5.10. Порядок сварки стыка труб с поворотом на 90°
5.2.1. Настоящий подраздел распространяется на сварку стыков труб поверхностей нагрева котлов, трубопроводов дренажных, фосфатирования, отбора проб, проводок к контрольно-измерительным приборам и средствам автоматизации и других трубопроводов диаметром менее 100 мм при толщине стенки 2-10 мм, изготовленных из углеродистых и низколегированных конструкционных и теплоустойчивых сталей.
5.2.2. Конструкция сварного соединения должна соответствовать типу Тр-1 или Тр-2 (см. табл. 4.2).
5.2.3. Марка электродов подбирается по данным табл. 2.1.
5.2.4. При сборке и сварке стыков труб, поверхностей нагрева котла необходимо соблюдать следующие требования:
стык необходимо собирать в приспособлении и прихватывать в одной или двух точках, расположенных в диаметрально противоположных местах. Если сборочное приспособление позволяет сваривать весь периметр стыка, то прихватки не следует накладывать и корневой слой шва или весь шов нужно выполнять в стыке, зафиксированном в приспособлении;
стык, скрепленный одной прихваткой, нужно сваривать сразу после выполнения прихватки, при этом наложение корневого слоя необходимо начинать на участке, диаметрально противоположном прихватке;
до полного окончания сварки и остывания шва нельзя подвергать стык каким-либо механическим воздействиям;
прихватку и сварку стыков, следует производить без предварительного подогрева, независимо от марки стали труб;
для прихватки стыков труб с толщиной стенки до 6 мм включительно нужно применять электроды диаметром не более 2,5 мм, с большей толщиной - электроды диаметром не более 3 мм.
Прихватку разрешается производить аргонодуговой сваркой.
Сварочный ток должен быть минимальным, обеспечивающим нормальное ведение сварки и стабильное горение дуги:
|
Диаметр электрода, мм |
2 |
2,5 |
3 |
|
Максимально допустимый ток, А |
65 |
90 |
110 |
Расположение слоев и валиков показано на рис. 5.11. Последовательность наложения слоев при сварке вертикального и горизонтального стыков труб поверхностей нагрева должна быть такой же, как при сварке трубопроводов диаметром до 219 мм (см. рис. 5.3, а и 5.5, а).
Стыки труб с толщиной стенки более 2 мм следует сваривать не менее чем в два слоя.
(Измененная редакция, Изм. № 1)
Рис. 5.11. Примерное расположение слоев и валиков при сварке вертикального (а) и горизонтального (б) стыков труб поверхностей нагрева: 1-4 - очередность наложения слоев
При укрупнительной сборке блоков котла сварку стыков труб поверхностей нагрева выполняют два сварщика. Они располагаются с противоположных сторон блока, и каждый сваривает свою половину стыка.
Стыки труб поверхностей нагрева, собранных в блоки, могут сваривать два сварщика одним из следующих способов.
Первый способ (рис. 5.12). Сварщики выполняют сварку с разрывом в один-два стыка: когда 1-й сварщик заваривает стык 3, 2-й приступает к сварке стыка 1 или 2, который уже заваривал 1-й сварщик на своей половине. При сварке вертикальных стыков (рис. 5.12, а) 1-й сварщик начинает сварку в точке А и ведет ее в направлении точки Б или Г, заваривая последовательно участки АБ и АГ своей половины стыка 3. 2-й сварщик, отставая от первого на один-два стыка, заваривает участки ГВ и БВ также в направлении снизу вверх (стык 1). При сварке горизонтальных стыков (рис. 5.12, б) 1-й сварщик заваривает сразу свою половину стыка на участке БАГ (стык 3), а 2-й с разрывом в один-два стыка заваривает другую половину стыка на участке ГВБ, накладывая шов в том же направлении, что и 1-й сварщик (стык 1). “Замки” участков швов должны быть смещены в соответствии с требованиями п. 4.5.3.

Второй способ (рис. 5.13). На вертикальном стыке 1-й сварщик начинает сварку в точке А и ведет ее в направлении точки Б, где 2-й сварщик, находящийся с противоположной стороны трубы (блока), как бы перехватывает дугу, зажигая ее на жидкой сварочной ванне. 2-й сварщик заваривает участок БВ, а в это время 1-й накладывает шов на участке АГ того же стыка; в районе точки Г 2-й сварщик вновь перехватывает дугу 1-го и заваривает последний участок ГВ. Горизонтальный стык сваривают по аналогичной схеме, но с той разницей, что “перехват” дуги осуществляется 1 раз (в точке Б или Г), после того как 1-й сварщик заварит сразу половину периметра стыка.
Рис. 5.13. Схема сварки вертикального стыка труб поверхностей нагрева, когда ее выполняют два сварщика методом “перехвата” дуги: 1-4 - последовательность наложения участков
При тесном расположении труб, например в газоплотных панелях из оребренных труб, предпочтительнее применять второй способ.
5.2.6. Вертикальные стыки труб поверхностей нагрева сваривает один сварщик участками по четверти периметра. Чтобы уменьшить перелом трубы в месте стыка вследствие неравномерной усадки, участки необходимо сваривать в последовательности, указанной на (рис. 5.14, а) цифрами. Горизонтальный стык один сварщик сваривает по схеме, приведенной на (рис. 5.14, б): наложение шва начинается со стороны, противоположной прихватке; каждый последующий слой накладывается в направлении, противоположном направлению сварки предыдущего слоя, при этом “замки” швов должны быть смещены согласно требованиям, приведенным в п. 4.5.3.
Рис. 5.14. Схема сварки вертикального (а) и горизонтального (б) стыков труб поверхностей нагрева, выполняемой одним сварщиком: 1-4 - последовательность наложения участков
5.2.7. При приварке труб к штуцерам или непосредственно к коллекторам необходимо в каждом конкретном случае применять в зависимости от конструкции котла такую последовательность сварки, которая позволила бы в процессе сварочных работ проводить контроль сварных стыков и при необходимости их переваривать.
5.3.1. Ручную дуговую сварку газопроводов внутри зданий и на территории ТЭС можно выполнять без подкладного кольца или на остающемся металлическом кольце. Конструкции стыковых соединений должны соответствовать типам Тр-2 или Тр-3 (см. табл. 4.2).
Сварка стыков газопроводов может выполняться с применением ручной аргонодуговой сварки согласно разделу 6.
(Измененная редакция, Изм. № 1)
5.3.2. Первый корневой слой стыков газопроводов диаметром 219 мм и более без подкладных колец рекомендуется сваривать электродами ВСЦ-4А диаметром 3 или 4 мм. Сварка этими электродами ведется методом опирания без колебательных движений, вертикальные стыки сваривают в направлении сверху вниз.
При сварке корневого слоя шва электродами других марок диаметр электрода должен быть не более 3 мм. Сварку последующих слоев неповоротных стыков производят снизу вверх электродами диаметром 4-5 мм.
5.3.3. Сварку вертикальных стыков труб с толщиной стенки до 6 мм необходимо выполнять не менее чем в два слоя (см. рис. 5.11) при толщине стенки труб от 6 до 12 мм - в три слоя и при толщине более 12 мм - в четыре слоя и более (рис. 5.15).

Рис. 5.15. Примерное расположение слоев и валиков при ручной дуговой сварке вертикальных (а) и горизонтальных (б) стыков газопроводов с толщиной стенки труб более 12 мм:
1-7 - последовательность наложения слоев (валиков)
5.3.4. Технология ручной дуговой сварки стыков газопроводов во всем остальном должна отвечать требованиям, изложенным в подразделе 5.1.
5.4.1. В данном подразделе рассматривается сварка стыков трубопроводов из углеродистых и низколегированных конструкционных сталей, на которые не распространяются правила Госгортехнадзора России, в том числе мазутопроводов, напорных маслопроводов системы смазки, трубопроводов системы регулирования турбины, водоснабжения и канализации.
5.4.2. Сварку стыков трубопроводов при толщине стенки 12-14 мм следует выполнять тремя основными слоями шва и одним внутренним подварочным слоем толщиной 4-5 мм, который накладывают изнутри трубы (рис. 5.16). Подварочный слой накладывают в тех случаях, когда диаметр трубопровода и расположение стыка позволяют это.
В остальных случаях сварку следует выполнять на подкладном кольце, кроме мазутопроводов маслопроводов (включая трубопроводы системы регулирования турбины), корень шва которых или весь шов следует выполнять ручным аргонодуговым способом.
(Измененная редакция, Изм. № 1)
Рис. 5.16. Расположение слоев (валиков) при сварке стыков трубопроводов со стенкой толщиной 12-14 мм: 1-3 - последовательность наложения участков шва
5.4.3. В процессе сварки должны соблюдаться следующие требования:
при диаметре труб 600 мм и более, сварку следует производить обратноступенчатым способом участками длиной 250-300 м;
при выполнении сварки без подварочного шва корневой слой необходимо накладывать электродами диаметром 3 мм для обеспечения полного провара корня, в остальных случаях можно применять электроды диаметром 4, а при сварке в нижнем и вертикальном положениях - диаметром 5 мм;
подварочный слой следует накладывать после выполнения второго или третьего наружного слоя; перед наложением подварочного слоя корень шва должен быть тщательно очищен абразивным кругом или стальной щеткой с подрубкой зубилом излишних наплывов металла и вырубкой местных непроваров;
“замки” швов в соседних слоях (валиках) должны быть смещены один относительно другого, а также по отношению к продольным или спиральным швам сварных труб на 40-50 мм.
5.4.4. Неповоротные стыки труб диаметром 1200 мм и более можно выполнять по следующей технологии: окружность стыка разбить на две половины - нижнюю и верхнюю; раскрытие кромок и сварку в нижней части стыка выполнить с внутренней, а в верхней части - с наружной стороны трубы. Таким образом, весь стык следует сваривать в нижнем и вертикальном положениях. Сварку должны выполнять одновременно два или четыре сварщика: один сварщик (или два) сваривает верхнюю часть стыка снаружи трубы, другой сварщик (или два других) - нижнюю изнутри (рис. 5.17); при этом должны быть приняты меры для защиты сварщиков, работающих внутри трубы, от брызг шлака и расплавленного металла.
Рис. 5.17. Порядок наложения валиков при сварке первого слоя стыков труб диаметром 1200 мм и более: 1-4 - последовательность наложения участков шва
5.5.1. Арматуру (вентили, задвижки), фланцы, донышки, заглушки и другие фасонные детали, присоединяемые к трубам стыковым сварным швом, приваривают с соблюдением тех же режимов и технологии, что и при сварке стыков трубопровода соответствующих диаметра и марки стали, а также требований п. 1.2.6 и подразделов 4.4 и 4.5.
5.5.2. Плоские (дисковые) фланцы приваривают к трубе двумя угловыми швами - наружными и внутренними (рис. 5.18). Сначала накладывают наружный шов, затем - внутренний. Если в чертежах или другой технической документации не указаны размеры швов приварки фланцев, они должны соответствовать приведенным в табл. 5.2. Внутренний шов, являющийся лишь уплотняющим, должен иметь катет К2, равный толщине стенки трубы, но не более 7 мм независимо от толщины стенки трубы.
(Измененная редакция, Изм. № 1)

Рис. 5.18. Приварка плоских фланцев к трубе: а - при условном давлении
P
£ 1,6 МПа (16 кгс/см2);
б - при P
£ 2,5 МПа (25 кгс/ см2)
(Измененная редакция, Изм. № 1)
Таблица 5.2
Рекомендуемые размеры швов приварки плоских фланцев
|
Наружный диаметр и толщина стенки трубы Дн×S, мм |
Глубина фаски на фланце, С ± 1, мм |
Размер катетов шва, мм |
||
|
К |
К1 |
|||
|
32×2 |
0,5 |
3 |
3+2 |
6+2 |
|
89×3,5, 108×4, 159×4,5 |
1,0 |
4 |
4+2 |
9+2 |
|
219×6 |
1,5 |
6 |
6+3 |
13+5 |
|
325×8 |
1,5 |
8 |
8+3 |
16+5 |
|
426×9 |
1,5 |
9 |
9+3 |
18+5 |
|
530×8 |
1,5 |
8 |
8+3 |
16+5 |
|
630×12 |
1,5 |
12 |
12+3 |
22+5 |
|
820×10 |
1,5 |
10 |
10+3 |
20+5 |
|
1220×14 |
1,5 |
14 |
14+5 |
26+5 |
5.5.3. Приварку креплений из высоколегированных сталей к трубам пароперегревателя и другим элементам котла, находящимся в зонах высоких температур, а также приварку к паропроводам реперов для измерения ползучести необходимо выполнять аустенитными электродами диаметром не более 3 мм на режимах с минимальным тепловложением. Марка электродов выбирается по данным табл. 2.2. Ток устанавливается из расчета 25-30 А на 1 мм диаметра электрода. Сварку следует вести короткой дугой с незначительными колебательными движениями электрода. Каждый следующий валик необходимо накладывать только после снижения температуры металла в зоне сварки ниже 100°С. Термическая обработка таких сварных соединений не производится.
5.5.4. К трубам из углеродистых и теплоустойчивых низколегированных и конструкционных сталей упоры, накладки, подвески и другие детали креплений из таких же сталей следует приваривать сплошным угловым швом с катетом, указанным в рабочих чертежах, с использованием электродов, подбираемых по данным табл. 2.1. Диаметр электродов должен быть не более 3 мм. Если детали креплений и трубы изготовлены из стали разных марок одного структурного класса, электроды нужно выбирать по менее легированной стали.
Подогрев при приварке деталей креплений к трубам из углеродистых и низколегированных сталей осуществляется в соответствии с рекомендациями, приведенными в табл. 4.3, при этом за толщину свариваемых деталей принимается толщина трубы. Подогрев трубы и детали осуществляется в районе приварки.
Приварка упоров к трубопроводам из теплоустойчивых низколегированных сталей должна выполняться по одной из схем рис. 5.19. В случае приварки упора двумя фланговыми швами (рис. 5.19, а) каждый слой сваривается в направлении, противоположном направлению сварки предыдущего слоя. В случае приварки упора двумя фланговыми и одним лобовым швами (рис. 5.19, б) сварка начинается в середине лобового шва (в точке Б) и ведется до конца правого или левого флангового шва. Если длина шва от точки Б до конца флангового шва более 250 мм, то сварка должна выполняться обратноступенчатым способом. Приварку упора к трубе диаметром более 500 мм должны выполнять одновременно два сварщика.
Рис.5.19. Схемы приварки упора к трубопроводу двумя фланговыми швами (а), двумя фланговыми и одним лобовым швами (б): 1 - прихватки
Условия, при которых необходима термообработка угловых швов приварки деталей креплений к трубам, и режим термообработки указаны в подразделе 15.2.
Сварные соединения деталей креплений из углеродистой стали с трубами из низколегированной стали термической обработке не подвергаются.
5.5.5. Приварка бобышек для термопар к трубопроводам производится электродами диаметром не более 3 мм. Марка электродов выбирается по данным табл. 2.1.
Необходимость и режим предварительного подогрева определяются по данным табл. 4.3 и п. 4.4.1. При приварке бобышек к трубопроводу диаметром менее 219 мм необходим предварительный подогрев бобышек и трубы по всему периметру, при диаметре трубопровода 219 мм и более подогревается труба только в районе приварки бобышки и сама бобышка.
Необходимость и режим термообработки этих сварных соединений указаны в подразделе 15.2.
5.6.1. Сварку слоями повышенной толщины можно применять для вертикальных неповоротных стыков труб с толщиной стенки более 20 мм из углеродистых н низколегированных конструкционных сталей.
5.6.2. К сварке слоями повышенной толщины может быть допущен сварщик, имеющий удостоверение на право производства работ по сварке данного трубопровода и обладающий, кроме того, навыками по технике сварки слоями повышенной толщины. Для проверки навыка сваривается пробный стык, а затем определяется сплошность шва с помощью ультразвукового контроля.
5.6.3. Конструкция сварного соединения должна соответствовать типам Тр-3, Тр-3а, Тр-3г, Тр-6 (табл. 4.2). Можно применять также конструкции стыка, изображенные на рис. 5.1. Подготовку кромок труб и сборку стыка, а также наложение корневого слоя и подогрев стыка производят по обычной технологии в соответствии с требованиями РД.
5.6.4. Основной шов, накладываемый после корневого слоя, выполняют два сварщика. Для совместной работы подбираются сварщики, в равной степени владеющие техникой сварки слоями повышенной толщины и выполняющие ее примерно с одинаковой скоростью.
5.6.5. Первый слой основного шва накладывают по обычной технологии, второй - по следующей схеме (рис. 5.20): 1-й сварщик начинает сварку в зените потолочного участка (в точке Е) и проваривает свою половину стыка против часовой стрелки до точки М. Толщина слоя на потолочном участке составляет 6-7 мм. Начиная от точки Д, сварщик плавно наращивает толщину слоя; для этого он путем специальных манипуляций электродом вначале создает небольшую горизонтальную площадку (рис. 5.21), а затем производит наплавку на эту площадку в нижнем положении, постепенно увеличивая ее размер до максимального в точке В (рис. 5.20), где толщина слоя может составлять 18-26 мм, далее он уменьшает толщину слоя до 6-7 мм в точке М; 2-й сварщик начинает сварку в точке И, и проваривает по часовой стрелке четверть стыка до точки М, а затем переходит на нижнюю часть своей половины стыка и накладывает второй слой на участке ЕЖЗИ; способ сварки такой же, как 1-го сварщика, т.е. путем наращивания металла наплавки на горизонтальной площадке.
Рис. 5.20. Схема сварки неповоротного вертикального стыка слоями повышенной толщины:
1-4 - номера валиков (слоев)
Рис. 5.21. Схема наложения слоя повышенной толщины на вертикальном участке стыка
5.6.6. Порядок наложения третьего и последующих слоев может быть таким же, как для второго слоя, с той лишь разницей, что сварщики попеременно начинают сварку с потолочного (из точки Е) и с вертикального (из точек В, И) положений. Можно принять и другой порядок наложения третьего и последующего слоев заполнения: оба сварщика начинают сварку в точке Е, но один начинает тогда, когда другой прошел до точки Д или Ж.
5.6.7. Для выравнивания толщины слоев каждый сварщик на участках Е3, ЕГ, КМ и БМ должен накладывать подварочные слои (на рис. 5.20 эти слои заштрихованы).
5.6.8. В процессе сварки необходимо следить за тем, чтобы жидкая ванна не стекала с горизонтальной площадки, для чего следует плавно менять угол наклона электрода по мере перемещения ванны по окружности стыка.
5.6.9. Сварку нужно выполнять, возможно, короткой дугой. Ориентировочное значение сварочного тока при выполнении основного сечения шва приведено в табл. 5.3.
Таблица 5.3
Ориентировочные режимы сварки слоями повышенной толщины
|
Слой |
Участки (рис. 5.20) |
Диаметр электрода, мм
|
Ток, А |
|
Первый |
ЗЕГ |
3,0 |
100-120 |
|
|
|
4,0 |
150-170 |
|
|
Остальные |
3,0 |
120-150 |
|
|
|
4,0 |
170-190 |
|
Второй и последующие |
ЖЕД |
4,0 |
160-180 |
|
|
|
5,0 |
200-220 |
|
|
Остальные |
4,0 |
180-200 |
|
|
|
5,0 |
220-240 |
|
Облицовочный |
ЖЕД |
4,0 |
140-160 |
|
|
Остальные |
4,0 |
180-200 |
5.7.1. Конструкция сварных соединений штуцеров (труб) с коллекторами, барабанами и трубопроводами, выполняемых при ремонте или монтаже котлов, должна соответствовать чертежам или нормалям завода-изготовителя. При отсутствии таких указаний следует, исходя из местных условий, выбрать одну из конструкций, представленных на рис. 5.22, а - е, оформив это совместным техническим решением владельца котла (заказчика) и организации, выполняющей сварочные работы. В конструкции на рис. 5.22, в остающееся подкладное кольцо изготавливается из материала в соответствии с п. 4.2.10 шириной 20-25 мм и толщиной не мене 2 мм и не более величины, обеспечивающей минимальное проходное сечение трубы; для штуцеров (труб) номинальным наружным диаметром до 83 мм толщина кольца должна быть не более 0,1 Двн, но не более 5 мм (Двн - номинальный внутренний диаметр штуцера).
(Измененная редакция, Изм. № 1)
Рис. 5.22. Конструкция сварных соединений штуцеров (труб) с коллекторами, трубопроводами и барабанами:
а, б, в, г, д - приварка штуцеров (труб) снаружи коллектора, трубопровода, барабана;
е - приварка штуцеров (труб) изнутри барабана
Примечание. При внутреннем диаметре штуцера (трубы) более 100 мм следует применять конструкции, показанные на (рис. 5.22, в, г), которые позволяют контролировать качество сварного соединения с помощью ультразвуковой дефектоскопии.
Качество контрольных сварных соединений из углеродистой и кремнемарганцовистой стали, а также соединений из хромомолибденованадиевой стали, которые в производственных условиях подвергаются термообработке, проверяется путем визуального контроля, измерения швов и исследования макроструктуры шва и около шовной зоны, а сварных соединений из стали 12Х1МФ, которые в производственных условиях не подвергаются термообработке (см. п. 5.7.8),- кроме того, путем определения твердости металла шва. Для исследования макроструктуры и измерения твердости шва из каждого контрольного образца изготовляют по два поперечных шлифа.
Результаты визуального контроля контрольных образцов должны отвечать требованиям подраздела 16.3, измерения размеров и формы шва - п. 5.7.9 и рис. 5.22 для сварных соединений из углеродистой и кремнемарганцовистой сталей, а также для угловых сварных соединений из стали 12Х1МФ и 15Х1МФ с последующей термообработкой, п. 5.7.10 и рис. 5.23 - для угловых сварных соединений из стали 12Х1МФ без термообработки.
Рис. 5.23. Схема расположения валиков и размеры шва приварки штуцера (трубы) к коллектору (трубопроводу) без последующей термообработки: 1-6 - номера слоев
Результаты исследования макроструктуры должны удовлетворять требованиям п. 16.6.24. Твердость шва угловых сварных соединений из стали 12Х1МФ без термообработки, определяемая как среднее арифметическое четырех измерений (по два измерения на каждом шлифе), должна быть не более 270 НВ, при этом при каждом измерении твердость должна быть не выше 290 НВ.
5.7.3. При длине коллектора, трубопровода или барабана свыше 4 м во время сварки через каждые 2,5 м необходимо установить временные опоры.
5.7.5. Необходимость и режим предварительного подогрева определяют по данным табл. 4.3 и п. 4.4.1, при этом за номинальную толщину свариваемых деталей принимается толщина барабана, коллектора или трубопровода. Подогрев рекомендуется осуществлять изнутри коллектора или трубопровода специальной ацетиленокислородной горелкой. При диаметре коллектора (трубопровода) менее 500 мм подогрев необходимо выполнять по всему периметру, при диаметре 500 мм и более можно подогревать коллектор, трубопровод и барабан только вокруг зоны приварки штуцера (трубы).
5.7.6. Штуцер (патрубок, трубу) в отверстие нужно устанавливать без натяга с требуемым зазором между штуцером и очком. Прихватку штуцера (трубы) к коллектору, трубопроводу или барабану следует производить в двух-трех точках швами длиной 10-15 мм. Не рекомендуется заранее устанавливать и прихватывать более трех штуцеров, которые приваривает один сварщик.
5.7.7. В случае приварки большого числа штуцеров (труб) необходимо с целью обеспечения наименьших деформаций коллектора или барабана руководствоваться следующими положениями:
приварку штуцеров должны выполнять по возможности два или четыре сварщика одновременно при общем направлении их движения от середины коллектора (барабана) к его краям;
приварку штуцеров в ряду необходимо производить через два-три штуцера;
если приварку выполняют одновременно два сварщика: первый ведет сварку по одному ряду слева направо, а второй - по соседнему ряду справа налево и т.д.
Во избежание перегрева штуцера каждый сварщик должен одновременно приваривать два или три штуцера, накладывая поочередно на каждом штуцере один-два валика.
а) коллектор (трубопровод) и привариваемые штуцера (трубы) изготовлены из углеродистой или кремнемарганцовистой стали, толщина стенки коллектора (трубопровода) из кремнемарганцовистой стали, не превышает 40 мм, а диаметр штуцера (трубы) 108 мм: допускается приварка к коллектору не более двух штуцеров диаметром 159 мм;
б) коллектор (трубопровод) и (или) привариваемые штуцера (трубы) изготовлены из стали 12Х1МФ, диаметр штуцера не превышает 60, а толщина 10 мм, при этом расстояние (просвет) между штуцерами должно быть не менее 90 мм, а твердость металла коллектора (трубопровода) - не более 195 НВ.
5.7.9. Приварку штуцеров (труб) необходимо производить многослойным швом.
При приварке штуцеров (труб) из углеродистой и кремнемарганцовистой сталей, а также штуцеров (труб) из хромомолибденованадиевой стали с последующей термообработкой сварного соединения размеры катетов шва должны быть (см. рис. 5.22): K = S1 + 3 мм, К1= S1 + 5 мм; допустимые отклонения составляют +2 мм для катета размером до 5 мм, +3 мм для катета размером до 12 мм и +5 мм для катета размером более 12 мм (S1 - толщина штуцера).
5.7.10. Приварка штуцеров (труб) из хромомолибденованадиевой стали к коллекторам (трубопроводам) без последующей термообработки угловых сварных соединений должна производиться швом из шести-семи валиков с соблюдением следующих требований (рис. 5.23):
угол между поверхностями шва и штуцера должен быть не менее 150°, катет шва на коллекторе - 12-14 мм, на штуцере 17- 22 мм;
валик 3 следует накладывать как отжигающий, т.е. расстояние от его края до места перехода шва к поверхности коллектора должно составлять 2-3 мм;
переход от шва к штуцеру должен быть плавным, радиусом не менее 3 мм; при необходимости плавность перехода можно обеспечить с помощью дополнительной обработки этого места сварочной дугой в среде аргона (без присадки) или абразивным инструментом, если такая обработка не приводит к подрезам на поверхности шва или штуцера.
5.7.11. Усиление углового шва наплавкой для повышения работоспособности штуцерных сварных соединений (при ремонте или реконструкции котлов) выполняется по следующей технологии:
электроды для наплавки выбирают в соответствии с требованиями п. 5.7.4; поверхность ранее выполненного шва и штуцера на расстоянии 25-30 мм от шва тщательно зачищают:
место наплавки подогревают до температуры, указанной в табл. 4.3;
три-четыре валика усиленного шва накладывают с обеспечением плавного перехода к поверхности штуцера; размеры и форма шва должны быть выдержаны в соответствии с рис. 5.24.
Рис. 5.24. Схема расположения валиков и размеры шва при усилении соединения штуцера (трубы) с коллектором (трубопроводом) путем наплавки:
1-3 - номера слоев
усиливающего шва;
- ранее выполненный шов
5.7.12. Контроль качества угловых сварных соединений штуцеров (труб) с коллекторами, барабанами и трубопроводами проводится путем:
а) визуального контроля всех швов, результаты которого должны удовлетворять требованиям табл. 16.2;
б) измерительного контроля размеров и формы швов в объеме не менее 10% сварных соединений; контроль следует производить с помощью шаблонов, и результаты контроля должны отвечать требованиям пп. 5.7.9 и 5.7.10;
в) измерения твердости металла шва приварки штуцеров (труб) к коллекторам и трубопроводами хромомолибденованадиевой стали; объем и результаты контроля должны соответствовать требованиям п п. 16.4.2, б и 16.4.4.
(Измененная редакция, Изм. № 1)
6.1.1. Требования данного подраздела распространяются на сборку и сварку неповоротных стыков труб наружным диаметром 100 мм и менее из стали марок 10, 20, 15ГС, 12МХ, 15ХМ, 12Х1МФ, 15Х1М1Ф, 12Х2М1, 12Х2МФСР, 12Х2МФБ, при этом предусматривается два технологических варианта сварки:
сварной шов выполняется комбинированным способом: корневой слой - ручной аргонодуговой сваркой неплавящимся электродом, последующие - ручной дуговой сваркой покрытыми электродами;
сварной шов полностью выполняется ручной аргонодуговой сваркой неплавящимся электродом.
Для стыков труб при толщине стенки 4 мм и более предпочтение следует отдавать комбинированному способу; при меньшей толщине нужно сваривать стык полностью ручной аргонодуговой сваркой.
Примечание. Требования подраздела 6.1 могут быть распространены также на стыки труб из углеродистых и низколегированных конструкционных сталей (в том числе на стыки газопроводов); диаметр труб должен соответствовать требованиям п. 6.1.1.
(Измененная редакция, Изм. № 1)
Аргон из баллона должен поступать в горелку через редуктор с дозирующим устройством; могут быть также применены редукторы-расходомеры АР-10, АР-40 или любой кислородный редуктор с ротаметром типа РМ.
Для ручной сварки неплавящимся электродом в среде аргона стыков труб в монтажных и ремонтных условиях рекомендуется применять малогабаритные горелки МАГ-3, АГМ-2, ЭЗР-3 и др.
(Измененная редакция, Изм. № 1)
6.1.3. Конструкция сварных соединений должна соответствовать требованиям, приведенным в табл. 4.2 (разделки Тр-1 или Тр-2).
6.1.4. Собранные стыки прихватывают в одном или двух местах ручной аргонодуговой сваркой с применением присадочной проволоки или без нее. Исключение составляют стыки труб из углеродистой стали, которые всегда следует прихватывать с применением присадочной проволоки, а также стыки труб, из стали других марок при зазоре между трубами более 0,5 мм. Используется присадочная проволока той же марки, какая будет применяться для сварки данного стыка. Длина прихваточных швов на стыках труб диаметром до 50 мм должна быть 5-10 мм, более 50 мм - 10-20 мм. Остальные размеры прихватки и их количество должны соответствовать требованиям подраздела 4.3.
Подогрев стыков при выполнении прихватки регламентирован требованиями, приведенными в подразделе 4,4.
6.1.6. Прихваченный стык по возможности следует полностью сваривать в приспособлении.
Корневой слой (первый проход) выполняется ручной аргонодуговой сваркой с использованием присадочной проволоки или без нее. Корневые слои стыков труб из углеродистой стали, а также стыков труб из стали других марок при зазоре более 0,5 мм должны свариваться с присадкой. Последующие слои шва выполняются с применением присадочной проволоки диаметром 1,6-3 мм. Марка проволоки выбирается по данным табл. 2.4.
6.1.7. Ручную аргонодуговую сварку нужно выполнять, возможно, короткой дугой на постоянном токе (70-100 А) прямой полярности вольфрамовым электродом диаметром 2-4 мм. Значение тока сварки уточняют при выполнении пробных стыков.
6.1.8. Зажигание и гашение дуги следует производить в разделке трубы или на уже наложенном шве на расстоянии 20-25 мм от его конца.
Подачу аргона необходимо прекращать спустя 5-8 с после обрыва дуги и в течение этого времени подавать аргон на кратер для защиты металла шва от воздействия воздуха.
6.1.9. Высота слоя (валика), выполненного ручной аргонодуговой сваркой, должна быть 2-4 мм. Примерное расположение слоев и валиков в сечении шва показано в табл. 6.1. Порядок наложения слоев (валиков) такой же, как при ручной дуговой сварке стыков труб аналогичного диаметра (см. рис. 5.3, а, 5.5, а, 5.13-5.14).
Предпочтительно, чтобы сварку стыков труб поверхностей нагрева котлов, собранных в блоки, выполняли одновременно два сварщика одним из способов, приведенных в п. 5.2.5.
Таблица 6.1
Примерное расположение слоев и валиков в сечении стыков, выполненных комбинированным способом и ручной аргонодуговой сваркой
|
Толщина стенки трубы, мм |
Вертикальный стык |
Горизонтальный стык |
|
До 4* |
|
|
|
Свыше 4 до 7 |
|
|
|
Свыше 7 до 10 |
|
|
_______________
* При толщине стенки до 2 мм все сечение следует сваривать аргонодуговой сваркой в один слой.
Примечание: а - комбинированная сварка; б - ручная аргонодуговая сварка всего сечения.
6.1.10. При комбинированной сварке основную часть разделки (после наложения корневого слоя ручной аргонодуговой сваркой) следует заполнить дуговой сваркой в соответствии с требованиями, изложенными в подразделе 5.2.
6.1.11. Размеры выпуклости швов (независимо от метода сварки) должны соответствовать приведенным в п. 4.5.7.
Примечание. Требования подраздела могут быть распространены также на стыки труб при толщине 10 мм и более из углеродистых и низколегированных конструкционных сталей (в том числе на стыки газопроводов).
(Измененная редакция, Изм. № 1)
6.2.2. Оборудование поста для ручной сварки в среде аргона корневого слоя шва стыков толстостенных трубопроводов должно соответствовать указанному в п. 6.1.2.
6.2.3. Конструкция сварных соединений должна отвечать требованиям табл. 4.2 (разделки типов Тр-2, Тр-6, Тр-7).
6.2.4. Собранные в приспособлении стыки прихватываются ручной аргонодуговой сваркой. Количество и размеры прихваток, а также требования к подогреву стыка приведены в подразделах 4.3 и 4.4.
Прихваточные швы выполняются без применения присадочной проволоки, кроме стыков труб из углеродистой стали, которые всегда накладываются с использованием присадочной проволоки, а также стыков труб из других сталей при зазоре более 0,5 мм. Применяется проволока диаметром 1,6-3 мм марки Св-08Г2С или Св-08ГС независимо от марки стали свариваемых труб.
6.2.5. Аргонодуговая сварка корневого слоя шва осуществляется в сборочном приспособлении сразу после прихватки стыка. Корневой слой (1-3 проходы) выполняется, как правило, с применением присадочной проволоки; в стыках с разделкой кромок типа Тр-7 первый проход может выполняться без присадочной проволоки, если зазор в стыке не превышает 0,5 мм. Для стыков трубопроводов с рабочей температурой не более 510° С может применяться присадочная проволока марок Св-08Г2С или Св-08ГС диаметром 1,6-3 мм независимо от марки стали свариваемых труб, а для стыков труб из углеродистой стали - также проволока марки Св-08ГА-2 (Св-08ГА). Сила тока 90-110 А.
(Измененная редакция, Изм. № 1)
6.2.6. Взаимное расположение горелки и проволоки при сварке корневого слоя вертикального и горизонтального стыков показано на рис. 6.1. Присадочная проволока 1 всегда располагается перед горелкой, которой одновременно с перемещением вдоль шва сообщают поперечные колебания амплитудой 3-4 мм. Присадочную проволоку следует вводить в ванну равномерно, перемещая ее впереди дуги. Конец проволоки должен постоянно находиться в сварочной ванне расплавленного металла.
Рис. 6.1. Взаимное расположение горелки и присадочной проволоки при ручной аргонодуговой сварке корневого слоя шва стыка труб без подкладного кольца:
1 - присадочная проволока; 2 - горелка
6.2.7. Направление и порядок сварки корневого слоя шва вертикального и горизонтального неповоротных стыков показаны на рис. 6.2. Последующий участок должен перекрывать предыдущий на 10-20 мм. Сварку стыков труб диаметром более 219 мм следует вести обратноступенчатым способом при длине участка не более 250 мм.

Рис. 6.2. Направление и порядок ручной аргонодуговой сварки корневого слоя вертикального
(а) и горизонтального (б) стыков: 1-3 - порядок выполнения участков шва
6.2.8. Корневой слой, выполненный ручной аргонодуговой сваркой в стыке труб при толщине стенки более 10 мм, должен иметь высоту (толщину) 3-5 мм и плавные переходы к поверхности и к кромкам разделки.
6.3.1. Требования данного подраздела распространяются на стыки труб из углеродистых и низколегированных сталей марок, указанных в п. 6.2.1, собираемых и свариваемых на остающихся, подкладных кольцах с разделкой любого типа (см. табл. 4.2 и рис. 5.1).
6.3.2. Кольцо плотно, но без натяга устанавливают в трубу; допускается зазор межу кольцом и внутренней поверхностью трубы не более 1 мм. Установленное кольцо прихватывают снаружи угловым швом длиной 15-20, катетом 2,5-3,0 мм; количество прихваток, равномерно расположенных по периметру, для труб диаметром до 200 мм должно быть две, для труб большего диаметра - три-четыре. Прихватку (независимо от марки стали трубы и кольца) производят с применением присадочной проволоки Св-08Г2С или Св-08ГС диаметром 1,6-3 мм.
6.3.3. Кольцо к трубе приваривают однослойным угловым швом катетом 3-4 мм при использовании присадочной проволоки марки Св-08Г2С или Св-08ГС диаметром 1,6-3 мм независимо от марки стали трубы и кольца. Прихватку и приварку кольца к трубе, производят без предварительного подогрева, независимо от марки стали и толщины стенки трубы. Исключение составляют трубы из стали 15Х1М1Ф при толщине стенки более 10 мм; в этом случае конец трубы перед прихваткой и приваркой кольца подогревают до 200-250°С газовым пламенем.
6.3.4. Кольцо к трубе приваривает одни сварщик. Порядок наложения шва такой же, как при сварке корневого слоя неповоротных стыков труб соответствующего диаметра и пространственного положения (см. п. 6.2.7).
6.3.5. После приварки подкладного кольца шов осматривают для выявления возможных наружных дефектов и определения его размеров и формы.
7.1.1. Требования подраздела 7.1 распространяются на автоматическую сварку неплавящимся вольфрамовым электродом в среде аргона корневой части шва неповоротных вертикальных и горизонтальных стыков труб с толщиной стенки 4 мм и более из стали любой марки, приведенной в приложении 2.
Под корневой частью шва понимается часть шва, выполненная за первый проход автомата.
Остальная часть шва может выполняться автоматической аргонодуговой сваркой в соответствии с рекомендациями подраздела 7.3 или ручной дуговой, аргонодуговой или механизированной сваркой.
7.1.2. Для сварки корневой части шва разрешается применять автоматы любой конструкции*, обеспечивающие следующие операции:
_______________
* Рекомендуется применять сварочные автоматы следующих типов:
ОДА-2СИ (ОДА-2И), ОДА-3СИ (ОДА-3И) в комплекте с источниками тока типа ТИР-300ДМ1 или УДГ-350 (160, 250) УХЛ4;
ОКА-1И, ОКА-2И, ГСМ (57-76; 89-108; 120-133; 152-160) в комплекте с источником тока ТИР-300ДМ1;
ТАК201УЗ и АДГ201УХЛ4 (головки ГДТ-76, ГДТ-108, ГДТ-133, ГДТ-160) в комплекте с источником тока УДГ-350 (160, 250) УХЛ4.
Во всех случаях может быть использован источник тока Кемпи PS-3500.
предварительную продувку газовых магистралей защитным газом;
возбуждение дуги;
прогрев участка начала сварки;
равномерное или шаговое перемещение сварочной горелки с дугой вокруг стыка; в некоторых случаях (см. п. 7.1.10) требуется также подача присадочной проволоки;
заварку кратера;
обдув кратера защитным газом после гашения дуги.
7.1.3. В комплекте с источниками питания дуги типа ВДУ-506УЗ, ВД-306УЗ и другими аналогичного типа для регулировки сварочного тока следует применять балластные реостаты РД-302У, РБК-200У3 и др.
7.1.4. Сварочный пост автоматической сварки должен быть оснащен баллоном с аргоном и редуктором-расходомером АР-10 или АР-40. Вместо редуктора-расходомера допускается использовать комплект, состоящий из любого кислородного редуктора (ДКП-1-65, ДКД-8-65) и ротаметра типа РМ с требуемым расходом газа (РМ-0,63 ГУЗ, РМ-1 ГУЗ, РМ-1,6 ГУЗ).
7.1.5. Сборку и автоматическую аргонодуговую сварку, корневой части шва стыков труб, необходимо выполнять по технологическому процессу или технологической инструкции, разработанной применительно к конкретным свариваемым к конструкциям, и сварочному оборудованию с учетом требований данного подраздела.
7.1.6. Конструкция сварных соединений должна соответствовать требованиям, изложенным в табл. 4.2 (разделки типов Тр-2, Тр-6, Тр-7).
7.1.7. Марку присадочной проволоки подбирают, с учетом марки свариваемой стали по данным табл. 2.4.
7.1.8. Сборку стыка под сварку следует осуществлять в сборочном приспособлении с помощью прихваток, выполняемых ручной аргонодуговой сваркой, или без прихваток. После установки прихваток приспособление удаляется. Допускается производить прихватки с помощью автомата, которым будет производиться сварка.
Прихватку стыков труб типов Тp-2 и Тр-6 из стали любой марки, а также всех типов соединений труб из стали марок 12Х18Н12Т и 12Х18Н10Т следует выполнять с присадочной проволокой или расплавляемой вставкой круглого сечения.
Смещение кромок с внутренней стороны не должно превышать 0,5 мм.
Сварку корневой части шва можно выполнять по слою активирующего флюса марок ВС-2ЭК (для стыков труб из сталей перлитного класса) и ВС-31К (для стыков труб из сталей аустенитного класса).
7.1.10. Сварку корневого слоя шва стыковых соединений труб типов Тр-2 и Тр-6 независимо от марки стали, а также соединений труб из стали марок 12Х18Н12Т и 12Х18Н10Т и замыкающих участков шва длиной 20-50 мм в стыках труб из углеродистых сталей следует выполнять с присадочной проволокой или расплавляемой вставкой, которая устанавливается при сборке стыка. При сварке замыкающих участков стыков из углеродистых сталей присадочную проволоку можно подавать вручную.
В остальных случаях сварку корневой части шва следует выполнять без присадки.
7.1.11. Вертикальные стыки труб диаметром до 159 мм и горизонтальные стыки труб любого диаметра рекомендуется сваривать за полный оборот горелки вокруг стыка, а вертикальные стыки диаметром более 159 мм - за два полуоборота снизу вверх ("на подъем"). Начинать и заканчивать сварку вертикальных стыков, выполняемых за полный оборот горелки, следует на участке шва, свариваемом "на спуск".
Технология и организация работ по поддуву должны разрабатываться для каждого конкретного случая в зависимости от расположения стыков, диаметра труб, используемого для поддува оборудования. При этом, следует руководствоваться "Технологическими указаниями по поддуву защитного газа для зашиты обратной стороны шва при сварке неповоротных стыков трубопроводов РДИ 42.006-85" (Энергомонтажпроект, 1985).
Вместо поддува защитного газа можно применить флюс пасты отечественного и зарубежного производства.
7.1.13. Ориентировочные режимы автоматической сварки корневой части шва приведены в табл. 7.1.
Таблица 7.1
Ориентировочные
режимы автоматической аргонодуговой импульсной
сварки неплавящимся электродом корневой части шва стыков труб
|
Номинальная толщина стенки, мм |
Время прогрева, с |
Ток импульса, А |
Длительность импульса, с |
Длительность паузы, с |
Скорость сварки мм/с |
|
1,0 |
0,5 |
80-95 |
0,1-0,15 |
0,15-0,25 |
4,4-5,0 |
|
1,5 |
1,5 |
90-95 |
0,1-0,15 |
0,15-0,25 |
3,1-3,3 |
|
2,0 |
1,8 |
105-100 |
0,2-0,25 |
0,25-0,30 |
2,8-3,3 |
|
2,5 |
2,0 |
120-125 |
0,5-0,60 |
0,40-0,50 |
2,2-2,5 |
|
3,0 |
2,5 |
140-145 |
0,6-0,70 |
0,70-0,80 |
1,9-2,2 |
|
3,5 |
3,0 |
155-165 |
0,75-0,90 |
0,70-0,80 |
1,4-1,9 |
_______________
Примечание. Во всех случаях ток паузы 10-15 А, длина дуги - 1,0-1,5 мм.
7.2.1. Требования подраздела 7.2 распространяются на сборку н автоматическую аргонодуговую сварку неплавящимся электродом неповоротных вертикальных и горизонтальных стыков труб диаметром до 159 мм с толщиной стенки до 4 мм без разделки кромок из стали любой марки, приведенной в приложении 2.
При использовании активирующего флюса (см. п. 7.1.9) разрешается без разделки кромок выполнять сварку вертикальных стыков труб с толщиной стенки до 5 мм, горизонтальных стыков - с толщиной стенки до 6 мм.
Сварку можно выполнять в двухгазовой защитной среде с использованием специальной горелки, из сопла которой вытекают два кольцевых потока: внутренний поток, защищающий электрод и дугу, - аргон, наружный, защищающий сварочную ванну, - двуокись углерода.
Примечание. Сварка стыков труб толщиной более 4 мм без скоса кромок для объектов Минтопэнерго допускается при условии согласования ПТД с институтом "Оргэнергострой" или "Энергомонтажпроект", для других объектов - с любой специализированной научно-исследовательской организацией в области сварки, приведенной в приложении к правилам Госгортехнадзора России.
7.2.2. Конструкция сварных соединений труб должна соответствовать типу Тр-1 (см. табл. 4.2).
На внутренних кромках свариваемых деталей рекомендуется выполнять фаску 0,3+0,2×45° для улучшения формирования обратного валика и выявления непровара в корне шва с помощью радиографирования.
(Измененная редакция, Изм. № 1)
7.2.3. Сборку и автоматическую аргонодуговую сварку стыков труб без разделки кромок необходимо выполнять по технологическому процессу или технологической инструкции, разработанной применительно к конкретным свариваемым конструкциям и сварочному оборудованию с учетом требований данного подраздела, а также пп. 7.1.2-7.1.4, 7.1.7-7.1.13.
7.2.4. После выполнения первого прохода, обеспечивающего формирование обратной стороны шва, выполняется второй проход с подачей присадочной проволоки, формирующей выпуклость шва.
Сварку этого слоя шва рекомендуется выполнять с поперечным колебанием электрода.
В случае применения автомата без узла подачи присадочной проволоки следует формировать выпуклость шва по методу автоопрессовки или за счет выполнения прохода, с помощью ручной дуговой сварки с присадкой в соответствии с требованиями раздела 6 либо с использованием кольцевой расплавляемой вставки из присадочной проволоки.
7.2.5. При выполнении второго прохода следует использовать проволоки, приведенные в табл. 2.4.
7.3.1. Требования подраздела 7.3 распространяются на автоматическую аргонодуговую сварку неплавящимся вольфрамовым электродом с присадкой стыков труб, указанных в п. 7.1.1, при заполнении разделки кромок после сварки корневой части шва в соответствии с требованиями подраздела 7.1.
7.3.2. Применяемые для сварки автоматы должны обеспечивать операции, указанные в п. 7.1.2, и, кроме того, подачу присадочной проволоки и поперечные колебания электрода либо синхронные колебания электрода и проволоки. Допускается сварка без поперечных колебаний импульсной дугой. Остальное оборудование должно соответствовать рекомендациям пп. 7.1.3 и 7.1.4.
7.3.3. Заполнение разделки кромок автоматической аргонодуговой сваркой необходимо выполнять по технологическому процессу или технологической инструкции, разработанной применительно к конкретным свариваемым конструкциям и сварочному оборудованию с учетом требований данного подраздела.
7.3.4. При сварке второго прохода параметры режима следует выбирать такими, чтобы исключить сквозное повторное проплавление корневого слоя. Толщина наплавленного слоя при втором проходе должна составлять 1,5-2,0 мм, последующих слоев - 3-4 мм.
7.3.5. Заполнение разделки кромок рекомендуется выполнять за два полупрохода "на подъем". Допускается сварка "за полный оборот" при толщине наплавляемого слоя не более 2 мм.
Требования к подогреву стыка приведены в подразделе 4.4.
7.3.6. Для заполнения разделки применяется присадочная проволока диаметром 1,2-2 мм. Ее марка подбирается по данным табл. 2.4.
7.3.7. При выполнении облицовочного валика сила сварочного тока должна быть уменьшена по сравнению с током, на котором заполнялась разделка, на 15-20%.
8.1. Требования раздела 8 распространяются на газовую (ацетиленокислородную) сварку неповоротных стыков труб из углеродистых и низколегированных сталей диаметром не более 150 мм при толщине стенки не более 8 мм (для газопроводов - не более 5 мм).
8.2. Газовую сварку следует применять преимущественно для стыков трубопроводов горючего газа, дренажных систем, контрольно-измерительных приборов и автоматики, отбора проб, кислотных промывок, малоответственных трубопроводов различного назначения. Для стыков труб поверхностей нагрева котлов и трубопроводов, на которые распространяются правила Госгортехнадзора России, газовая сварка допускается в исключительных случаях, при этом питание сварочных постов ацетиленом должно осуществляться из баллонов. Стыки труб из сталей 12Х2М1, 12Х2МФСР и 12Х2МФБ выполнять газовой сваркой не разрешается.
Примечание. При ремонте труб поверхностей нагрева и трубопроводов, на которые распространяются правила Госгортехнадзора России, разрешается для газовой сварки использовать ацетилен, получаемый на месте в ацетиленовых генераторах, при условии проверки его качества на пробных стыках.
8.3. Конструкция сварного соединения должна соответствовать требованиям табл. 4.2 (разделки типов Тр-1 и Тр-2).
8.4. Марку присадочной проволоки подбирают по марке свариваемой стали в соответствии с данными табл. 2.4.
Примечание. Во избежание образования свищей стыки труб из стали 20 водяных экономайзеров и нижней радиационной части прямоточных котлов с рабочим давлением более 6 МПа (60 кгс/см2) следует сваривать с присадочной проволокой Св-08МХ.
8.5. Собранные стыки труб необходимо прихватывать в одной-двух точках в соответствии с требованиями, приведенными в подразделе 4.3.
8.6. Для прихватки используются та же присадочная проволока и тот же наконечник горелки, которые применяются для сварки данного стыка. Прихватки должны быть в дальнейшем полностью перекрыты основным швом. Прихватывать стыки должен сварщик, который будет сваривать стык.
8.7. Трубы при толщине стенки менее 3 мм сваривают горелкой с наконечником № 1 или 2, при толщине стенки 3,0-4,5 мм - горелкой с наконечником № 2 или 3, а при толщине свыше 4,5 мм - горелкой с наконечником № 3 и 4. Трубы, имеющие толщину стенки до 4,5 мм, сваривать горелкой с наконечником № 3 или 4 при повышенном расходе газа могут лишь опытные сварщики, выполняющие шов достаточно быстро.
8.8. Диаметр присадочной проволоки подбирают в зависимости от толщины свариваемого металла и способа сварки. При правом способе сварки стыков труб со стенкой толщиной до 3 мм необходимо применять проволоку диаметром 2 мм, толщиной более 3 до 8 мм - диаметром 3 мм, при левом способе следует использовать проволоку диаметром 3 мм для сварки стыков труб с толщиной стенки до 8 мм.
Примечание. В случае прихватки стыка труб в одной точке сварку надо начинать сразу после наложения прихватки стыка диаметрально противоположного участка.
8.10. Последовательность наложения слоев такая же, как при ручной дуговой сварке аналогичных стыков (см. рис. 5.3, а и 5.5, а).
8.11. Стыки труб поверхностей нагрева в монтажных блоках должны сваривать одновременно два сварщика в последовательности, изложенной в п. 5.2.5 применительно к ручной дуговой сварке.
8.12. Сварку труб следует выполнять нормальным (восстановительным) пламенем при соотношении кислорода и ацетилена в газовой смеси, равном 1,1-1,25. При сварке стыков труб из легированных сталей необходимо особенно тщательно следить за составом пламени и не допускать избытка ацетилена.
8.13. При сварке труб из хромомолибденовых и хромомолибденованадиевых сталей в целях уменьшения выгорания легирующих элементов основного и присадочного материала необходимо обеспечивать минимальную длительность пребывания сварочной ванны в расплавленном состоянии.
8.14. В процессе сварки конец присадочной проволоки все время должен находиться в зоне пламени во избежание насыщения шва кислородом и азотом воздуха.
8.15. Во время сварки стыка нельзя допускать длительного перерыва в работе до заполнения всей разделки. При вынужденных перерывах (перехват горелки, переход сварщика на другую сторону стыка и т.п.) и по окончании сварки пламя горелки во избежание образования трещин, усадочных раковин и пор следует отводить от расплавленного металла постепенно.
В процессе сварки и охлаждения стыка из низколегированной стали, нельзя допускать сквозняков внутри труб, для чего их концы следует закрывать пробками.
9.1. Требования настоящего раздела распространяются на механизированную сварку в углекислом газе стыков труб из углеродистых и низколегированных конструкционных сталей независимо от диаметра при толщине стенки 3 мм и более. Механизированной сваркой можно сваривать стыки трубопроводов на подкладных кольцах (разделки типов Тр-3в и Тр-3д по табл. 4.2) независимо от рабочего давления среды и стыки трубопроводов без подкладных колец (разделки типов Тр-2, Тр-6) при рабочем давлении среды не более 4 МПа (40 кгс/см2). При сварке без остающихся подкладных колец трубопроводов с толщиной стенки 17 мм и более корень шва необходимо выполнять аргонодуговой сваркой неплавящимся электродом.
Механизированную сварку в углекислом газе можно также применять при изготовлении сегментных отводов и тройников и при вварке штуцеров в трубопроводы низкого давления.
9.2. В качестве источников питания дуги можно использовать однопостовые сварочные преобразователи (ПСГ-500, ПСУ-500 и др.) и выпрямители (ВС-300, ВС-500, ВСЖ-303 и др.) с жесткой или пологопадающей вольтамперной характеристикой. Сварка выполняется на токе обратной полярности с помощью переносных шланговых полуавтоматов А-929С (А-1011), А-825М, А-547, ПДПГ-500 и др.
9.3. В состав установки (поста) для механизированной сварки в углекислом газе должны входить подающий механизм, шкаф управления, осушитель газа, держатель со шлангом, катушка для электродной проволоки, баллон с углекислым газом (или система подачи газа при централизованном питании), подогреватель газа, источник сварочного тока, редуктор У-30, УР-2 или ДЗД-1-50М.
9.4. При сборке и прихватке стыков следует соблюдать требования, приведенные в подразделах 4.2 и 4.3. Необходимость и температура подогрева стыка определяются в соответствии с данными подраздела 4.4.
9.5. Прихваточные швы можно выполнять механизированной сваркой в углекислом газе или ручной дуговой сваркой электродом диаметром не более 3 мм. При выполнении прихваток механизированной сваркой в углекислом газе присадочная проволока должна быть той же марки, какая будет применяться при сварке корневого слоя шва. При выполнении прихваток ручной дуговой сваркой марки электродов следует выбирать по марке основного металла в соответствии с требованиями табл. 2.1.
9.6. На стыках труб, собираемых без подкладных колец, число и размеры прихваток должны соответствовать требованиям, приведенным в подразделе 4.3. Прихваченные швы должны плавно переходить с обеих сторон к внутренней поверхности трубы; при необходимости такой переход обеспечивается обработкой шва абразивным инструментом.
Сборку и прихватку стыков следует производить в сборочных приспособлениях (см. приложение 10) или на сборочно-сварочных стендах, обеспечивающих соосность стыкуемых элементов, а также необходимый зазор между ними. На потолочном участке вертикального неповоротного стыка прихватка не ставится.
Стыки с подкладными кольцами собираются в последовательности, изложенной в подразделе 4.2.
9.7. Марка присадочной проволоки подбирается с учетом марки основного металла по данным табл. 2.4. Диаметр проволоки должен быть 1,2 мм. Для сварки вертикальных швов в нижнем положении и горизонтальных швов допускается применение проволоки диаметром 1,6 мм.
9.8. Неповоротные вертикальные стыки труб свариваются в последовательности, приведенной в п. 5.1.9. В стыках с подкладным кольцом корневой слой накладывается в процессе сборки стыка в соответствии с требованиями, приведенными в подразделе 4.2. В вертикальных стыках без подкладного кольца корневой слой необходимо накладывать по схеме, приведенной на рис. 9.1.

Рис. 9.1. Последовательность (1-4) наложения корневого слоя в неповоротном вертикальном стыке без подкладного кольца механизированной сваркой в углекислом газе
Если корневой слой накладывают два сварщика, один заваривает из точки в потолочном положении участок 1 в направлении снизу вверх, а другой в это время - последовательно участки 2, 3 и 4. Если корневой слой сваривает один сварщик, последовательность наложения участков должна соответствовать цифрам на рис. 9.1.
В стыках труб диаметром более 630 мм, свариваемых без подкладных колец, рекомендуется корневой слой накладывать изнутри трубы ручной дуговой, аргонодуговой или механизированной сваркой в углекислом газе. Обратная сторона корневого слоя (со стороны раскрытия шва) перед наложением основного шва должна быть защищена абразивным инструментом или металлической щеткой.
Положение горелки при сварке вертикального участка неповоротного стыка схематически показано на рис. 9.2.

Рис. 9.2. Положение горелки при механизированной сварке в углекислом газе вертикального неповоротного стыка
9.9. Горизонтальные стыки труб свариваются в последовательности, указанной в п. 5.1.11 и п. 5.1.12.
9.10. Поворотные стыки следует сваривать в последовательности, указанной в пп. 5.1.14-5.1.16. При сварке стыка с поворотом труб на 360° следует использовать вращатель (манипулятор), обеспечивающий равномерное вращение трубы, соответствующее скорости сварки. Сварщик не перемещает держатель вдоль швов, а ведет сварку на одном участке, отстоящем от вертикали на 30-35° в сторону, обратную направлению вращения трубы. При отсутствии вращателя единовременный угол поворота труб должен быть 60-110° (в зависимости от диаметра трубы), чтобы наложение шва происходило преимущественно в нижнем и вертикальном положениях.
9.11. Высота (толщина) слоя или валика должна быть 5-6 мм. Примерное расположение слоев и валиков в поперечном сечении шва приведено на рис. 9.3.

Рис. 9.3. Примерное расположение слоев и валиков по сечению шва вертикального
(а) и горизонтального (б) стыков труб с разделкой Тр-3в (угол скоса 15°), выполненных механизированной сваркой в углекислом газе: 1-12 - последовательность наложения участков шва
9.12. Ориентировочные режимы сварки неповоротных стыков (вертикальных и горизонтальных) с помощью двухрежимного полуавтомата А-929С (А-1011), позволяющего выполнять сварку на двух режимах, приведены в табл. 9.1.
Таблица 9.1
Ориентировочные режимы механизированной сварки в углекислом газе стыков трубопроводов
|
Режим сварки |
Диаметр проволоки, мм |
Напряжение дуги, В |
Ток, А |
|
Вертикального стыка: |
|
|
|
|
1 |
1,2 |
19-20 |
120-140 |
|
2 |
|
20-22 |
140-180 |
|
Горизонтального стыка: |
|
|
|
|
3 |
1,2 |
22-23 |
140-160 |
|
4 |
|
24-25 |
180-200 |
|
5 |
1,6 |
24-25 |
240-260 |
|
6 |
|
25-26 |
260-280 |
Примечание. Расход углекислого газа должен составлять 900-1200 л/ч.
Режим сварки вертикального неповоротного стыка в зависимости от положения свариваемого участка (рис. 9.4) и конструкции стыка следует выбирать по данным табл. 9.2.

Рис. 9.4. Схема положения свариваемых участков: 1 - нижнее; 2 - вертикальное; 3 - потолочное
Таблица 9.2
Режимы механизированной сварки в углекислом газе вертикального неповоротного стыка труб
|
Характеристика стыка (по табл. 4.2) |
Слой шва |
Режим сварки (табл. 9.1) при положении шва |
||
|
нижнем |
вертикальном |
|
||
|
Без подкладного кольца (разделки Тр-2 и Тр-6) |
Корневой |
2 |
1 |
|
|
|
Остальные |
2 |
2 |
|
|
На подкладном кольце (разделки Тр-3в и Тр-3д) |
Первый корневой |
1 |
1 |
|
|
|
Второй корневой |
2 |
1 |
|
|
|
Остальные |
2 |
2 |
|
Примечание. Сварка в потолочном положении выполняется на режиме 1.
Корневой слой горизонтального стыка в случае применения проволоки диаметром 1,2 мм сваривают на режиме 3, за исключением мест переварки прихваток и замков швов, которые следует выполнять на режиме 4, а в случае применения проволоки диаметром 1,6 мм - соответственно на режимах 5 и 6.
При использовании полуавтомата, позволяющего выполнять сварку только на одном режиме (А-547У, А-825М и др.), неповоротные вертикальные стыки труб диаметром до 219 мм сваривают на режиме, соответствующем примерно режиму 1 (см. табл. 9.1).
Неповоротные вертикальные стыки диаметром более 219 мм сваривают два сварщика, при этом один полуавтомат настраивают на режим 1, а второй - на режим 2; сварщики обмениваются держателем в зависимости от того, какой участок стыка они сваривают.
9.13. Режимы сварки поворотных стыков в случае применения полуавтомата А-929С должны соответствовать приведенным в табл. 9.1 и 9.2 для соответствующих участков шва. Для полуавтоматов, не допускающих регулирования режимов, ориентировочные режимы сварки должны быть следующие:
|
|
Корень шва |
Остальное сечение |
|
Напряжение дуги, В |
18-20 |
20-22 |
|
Ток, А |
100-130 |
130-160 |
10.1. Требования раздела 10 распространяется на автоматическую сварку под флюсом поворотных (кольцевых) стыков труб диаметром более 200 мм при толщине стенки 4 мм и более из углеродистых и кремнемарганцовистых сталей, выполняемую на заводе или на сборочной площадке.
10.2. Установка для автоматической сварки под флюсом поворотных стыков труб комплектуется роликовым стендом с механизмом для вращения свариваемого изделия, сварочной головкой, аппаратурой управления (отдельного исполнения или встроенной в источник питания) и источником питания. При сварке секторных отводов вместо роликового стенда в качестве вращающего устройства следует применять манипулятор, оборудованный приспособлением для крепления отвода (наиболее часто используют манипуляторы M 11070, M 11080). В качестве сварочной головки, могут быть использованы подвесная головка любого типа, сварочный трактор или шланговый полуавтомат. В случае применения сварочного трактора его устанавливают неподвижно на трубе в зоне стыка.
Автоматическую сварку под флюсом допускается производить как на переменном, так и на постоянном токе обратной полярности.
10.3. Сборку и автоматическую сварку под флюсом необходимо выполнять по технологическому процессу, разработанному применительно к конкретно свариваемым изделиям, сборочно-сварочной оснастке и сварочному оборудованию с учетом требований, изложенных в данном разделе.
10.4. Конструкцию стыка следует выбирать по данным табл. 4.2 (разделки Тр-1, Тр-2, Тр-3б).
10.5. Для автоматической сварки под флюсом марку присадочной проволоки и флюса подбирают в зависимости от марки свариваемой стали по данным табл. 2.4.
10.6. Собранные стыки необходимо прихватывать ручной дуговой сваркой углеродистыми электродами диаметром не более 3 мм или механизированной сваркой в углекислом газе. Число и размеры прихваток должны соответствовать требованиям подраздела 4.3.
10.7. Независимо от конструкции стыков (с подкладным кольцом или без него) один или два корневых слоя следует выполнять ручной дуговой или механизированной сваркой в углекислом газе. Толщина корневого слоя (слоев) должна быть в стыках с подкладным кольцом не менее 4, без подкладного кольца - не менее 6 мм. На стыках труб диаметром более 800 мм, собираемых без подкладных колец, а также на стыках секторных отводов независимо от их диаметра корневой слой выполняют изнутри трубы в виде подварочного шва. Присадочный материал и технология сварки корневых слоев должны отвечать требованиям, изложенным в разделах 2 и 9 и подразделе 5.1.
10.8. Мундштук сварочной головки необходимо устанавливать таким образом, чтобы электрод был смещен от верхней точки (зенита) в сторону, обратную направлению вращения трубы. Размер смещения электрода от верхней точки зависит от диаметра свариваемых труб Дн и должен быть следующим:
|
Дн, мм |
200-400 |
> 400-800 |
>800 |
|
Смещение, мм |
15-20 |
30-50 |
60-70 |
10.9. Слой флюса в зоне сварки должен быть 40-50 мм. Для удержания флюса на цилиндрической поверхности трубы следует применять флюсовые коробки, плотно прилегающие к ее поверхности.
10.10. Стыки труб толщиной до 12 мм можно выполнять автоматической сваркой под флюсом за один проход (в один слой), при большей толщине шов накладывается за два прохода и более.
10.11. Ориентировочные режимы автоматической сварки под флюсом поворотных стыков труб (по предварительной подварке) даны в табл. 10.1. В каждом конкретном случае режим должен уточняться при сварке пробного стыка.
Таблица 10.1
Ориентировочные режимы автоматической сварки под флюсом поворотных стыков труб из углеродистой и кремнемарганцовистой стали
|
Толщина стенки трубы, мм |
Диаметр электродной проволоки, мм |
Ток, А |
Напряжение дуги, В |
Скорость сварки, м/ч |
|
4 |
2 |
275-300 |
26-28 |
48-50 |
|
6 |
2 |
400-425 |
26-28 |
38-40 |
|
|
4 |
450-475 |
30-34 |
34-46 |
|
8 |
4 |
450-600 |
30-36 |
34-37 |
|
|
5 |
500-675 |
38-40 |
28-32 |
|
10 |
4 |
450-650 |
30-36 |
34-36 |
|
|
5 |
500-700 |
38-40 |
28-32 |
|
12 |
4 |
450-700 |
30-38 |
34-36 |
|
|
5 |
500-750 |
38-40 |
28-32 |
11.1. Требования раздела 11 распространяются на ручную дуговую, ручную аргонодуговую и комбинированную сварку стыков пароперегревательных и других труб малого диаметра (менее 100 мм) со стенкой толщиной до 10 мм из аустенитных сталей марок 12Х18Н12Т, 12Х18Н10Т.
Для стыков труб с толщиной стенки до 5 мм предпочтительнее ручная аргонодуговая сварка, с большей толщиной - комбинированная.
Аргонодуговую сварку корневой части шва следует производить с поддувом аргона внутрь трубы или с использованием флюс пасты в соответствии с п. 7.1.12.
11.2. Сварка стыков труб из аустенитных сталей должна производиться с минимальным тепловложением. С этой целью следует:
ручную дуговую сварку выполнять электродами диаметром не более 3 мм, при этом сила тока должна быть для электродов диаметром 2,5 мм 60-75 А, диаметром 3 мм - 80-90 А;
ручную аргонодуговую сварку выполнять вольфрамовым электродом диаметром 2-3 мм при токе 70-100 А;
ручную дуговую сварку вести почти без поперечных колебаний электрода узкими валиками шириной не более трех диаметров электрода; при диаметре электрода 2,5 мм высота валика должна быть 2,5-4 мм, при диаметре электрода 3 мм высота валика - 3-5 мм;
при ручной аргонодуговой сварке валики накладывать шириной не более 6, а высотой не более 3 мм;
при выполнении многопроходных швов наложение каждого последующего валика производить только после остывания металла шва и околошовной зоны (по 20-25 мм в каждую сторону от кромки разделки) до температуры ниже 100° С.
11.3. Приварка к трубам из аустенитных сталей сборочных приспособлений и других временных вспомогательных деталей, в том числе сварочного провода не допускается.
Вторичный провод к трубе следует присоединить с помощью хомута или струбцины.
11.4. Во избежание образования мелких поверхностных трещин нельзя допускать попадания на поверхность труб из аустенитных сталей брызг расплавленного металла или шлака. С этой целью поверхности свариваемых труб необходимо на длине не менее 100 мм от свариваемого стыка покрывать асбестовой тканью или асбестовым картоном либо наносить слой эмульсии КБЖ*, или смеси каолина (мела) с жидким стеклом, или препарата "Дуга-1".
______________
* Состав: 50-150 г сульфитно-спиртовой барды КБЖ, 20-30 г технического мыла, 15-30 г кальцинированной соды (на 1 л воды). Эту смесь растворяют в воде при 70°С и наносят на поверхность трубы в два слоя.
11.5. Конструкция сварного соединения должна соответствовать типу Тр-1 или Тр-2 (см.. табл. 4.2).
11.6. Оборудование поста ручной аргонодуговой сварки должно отвечать требованиям, изложенным в п. 6.1.2.
11.7. Марка электродов для ручной дуговой сварки и марка присадочной проволоки для ручной аргонодуговой сварки подбираются в соответствии с рекомендациями, приведенными в табл. 2.1 и 2.4. Диаметр проволоки для ручной аргонодуговой сварки должен быть 1,6-2 мм.
11.8. При сборке стыков труб необходимо выполнять требования подраздела 4.2.
11.9. Собранный в приспособлении стык должен быть прихвачен в одном или двух местах. Если вертикальный стык прихватывается в одном месте, то прихватка располагается в верхней его части, если в двух, то на вертикальных его участках в диаметрально противоположных точках; на горизонтальном стыке прихватки могут располагаться в любом месте, но в диаметрально противоположных точках окружности стыка. Прихватку следует выполнять тем же способом сварки, каким будет свариваться корневой слой.
Размеры прихваточных швов должны соответствовать требованиям п. 4.3.5.
Для наложения прихваточных швов ручным дуговым способом должны использоваться электроды той же марки, какие будут применены для сварки стыка. Прихватку аргонодуговым способом следует выполнять без присадочной проволоки; присадочная проволока применяется только в случае, если зазор в стыке превышает 0,5 мм.
11.10. При закреплении стыка одной прихваткой необходимо сразу после прихватки заварить корневой слой по всему периметру, начиная сварку со стороны, противоположной прихватке.
11.11. Ручная аргонодуговая сварка корневого слоя может выполняться с присадочной проволокой или без нее. При зазоре в стыке более 0,5 мм необходимо применять присадочную проволоку диаметром 1,6-2,0 мм.
11.12. Последовательность наложения слоев и валиков и их расположение в сечении шва должны быть такими же, как при сварке труб аналогичных размеров из углеродистой и низколегированной стали (см. подразделы 5.2 и 6.1).
12.1. Требования раздела 12 распространяются на сварку стыков пароперегревательных и других труб малого диаметра (менее 100 мм) при толщине стенки до 10 мм из мартенситно-ферритной стали 12Х11В2МФ ручным дуговым, ручным аргонодуговым и комбинированным способами.
Для стыков труб с толщиной стенки до 5 мм предпочтительна ручная аргонодуговая сварка, при большей толщине стенки - комбинированная.
12.2. Оборудование поста для ручной аргонодуговой сварки должно отвечать требованиям, приведенным в п. 6.1.2. Прихватка и сварка стыков выполняются аустенитным присадочным материалом.
12.3. Марка электродов для ручной дуговой сварки и марка присадочной проволоки для ручной аргонодуговой сварки подбираются в соответствии с данными табл. 2.1 и 2.4.
Для ручной аргонодуговой сварки следует применять проволоку диаметром 1,6-2 мм, для ручной дуговой - электроды диаметром не более 3 мм.
12.4. Конструкция сварного соединения должна соответствовать типу Тр-1 или Тр-2 (см. табл. 4.2).
12.5. При сборке и прихватке стыков труб необходимо руководствоваться требованиями подразделов 4.2 и 4.3.
12.6. Прихватка и сварка ручным дуговым способом стыков труб с использованием аустенитных электродов (табл. 2.1) должна выполняться без подогрева, аргонодуговым способом с использованием высокохромистой проволоки марок Св-10Х11НВМФ и Св-12Х11НМФ (табл. 2.4) - с подогревом стыка до температуры 300-350° С.
12.7. Прихватку и сварку корневого слоя ручным аргонодуговым способом следует выполнять с применением присадочной проволоки.
12.8. Последовательность наложения слоев и валиков и их расположение в сечении шва должны быть такими же, как при сварке труб аналогичных размеров из углеродистой и низколегированной стали (см. подразделы 5.2 и 6.1).
13.1. Требования раздела 13 распространяются на ручную дуговую и аргонодуговую сварку трубных элементов из сталей одного структурного класса, но разного легирования и из сталей разных структурных классов (перлитного с мартенситно-ферритным, перлитного с аустенитным, мартенситно-ферритного с аустенитным), при этом сварные соединения сталей разных структурных классов рассматриваются применительно к трубам поверхностей нагрева и трубопроводам диаметром не более 100 мм и толщиной стенки не более 10 мм, которые встречаются в монтажной и ремонтной практике.
13.2. Конструкцию сварного соединения следует выбирать по табл. 4.2 в зависимости от способа сварки, диаметра и толщины стенки свариваемых труб.
При сварке аустенитной стали с перлитной и мартенситно-ферритной соединяемые встык элементы должны иметь одинаковую толщину. Если соединяются элементы разной толщины, то должна быть произведена обработка более толстого элемента до толщины более тонкого (с допуском ±1 мм) на длине не менее 10 мм с последующим плавным переходом к номинальной толщине под углом не более 15°.
13.3. Если стык элементов из сталей разного структурного класса сваривается на остающемся подкладном кольце, то кольцо следует изготовлять из менее легированной свариваемой стали или из стали того же структурного класса, к которому относится металл корня шва. Подкладное кольцо для соединений элементов из сталей перлитного класса должно изготавливаться в соответствии с требованиями п. 4.2.10.
13.4. Марку присадочного материала следует выбирать по данным табл. 13.1.
Таблица 13.1
Присадочный материал для сварки стыков труб из разнородных сталей
|
Присадочный материал |
|||
|
электроды для ручной дуговой сварки |
проволока для аргонодуговой сварки |
||
|
Ст2, СтЗ, СтЗГ, Ст4, 10, 08, 20 в сочетании с 15ГС, 16ГС. 17ГС, 10Г2С1, 09Г2С, 14ХГС, 14ГН, 16ГН |
УОНИ-13/45. ТМУ-46, УОНИ-13/55, ЦУ-5, ТМУ-21У, ЦУ-6, ЦУ-7, ЦУ-8, ИТС-4С, ТМУ-50 |
Св-08Г2С, Св-08ГА-2, Св-08ГС |
|
|
10, 20, 15ГС. 16ГС в сочетании с 12МХ, 15ХМ (и литье аналогичного состава) |
УОНИ-13/55, ЦУ-5, ТМУ-21У, ЦУ-7, ТМУ-50, ЦУ-8, ИТС-4С, ЦУ-2ХМ, ТМЛ-1У, ЦЛ-38 |
Св-08Г2С, Св-08ГС, Св-08МХ*, СВ-08ХМ*, СВ-08ХМА-2, Св-08ХГСМА |
|
|
10, 20, 15ГС, 16ГС в сочетании с 12Х2М1, 12Х1МФ, 15Х1М1Ф (и литье аналогичного состава) |
УОНИ-13/55, ЦУ-5, ТМУ-21У, ЦУ-7, ЦУ-8, ТМУ-50, ИТС-4С, ЦУ-2ХМ, ТМЛ-1У, ЦЛ-38, ЦЛ-39, ТМЛ-ЗУ, ЦЛ-20 |
Св-08Г2С, Св-08ГС, Св-08МХ*, СВ-08ХМ*, Св-08ХМА-2, Св-08ХГСМА, Св-08ХМФА*, Св-08ХМФА-2, Св-08ХГСМФА |
|
|
12МХ, 15ХМ, 12Х2М1 в сочетании с 12Х1МФ, 15Х1М1Ф (и литье аналогичного состава) |
ТМЛ-1У, ЦУ-2ХМ, ЦЛ-38, ЦЛ-39, ТМЛ-ЗУ, ЦЛ-20, ЦЛ-45 |
Св-08МХ*, Св-08ХМ*, Св-08ХМА-2, Св-08ХГСМА, Св-08ХМФА*,. Св-8ХМФА-2, Св-08ХГСМФА |
|
|
Трубы диаметром не более 100 мм и толщиной не более 10 мм |
|||
|
12Х1МФ в сочетании с 12Х2МФСР |
ТМЛ-1У, ЦУ-2ХМ, ЦЛ-38, ЦЛ-39, ТМЛ-ЗУ, ЦЛ-20, ЦЛ-45 |
Св-08ХМ*, Св-08ХМА-2, Св-08ХГСМА, Св-08ХМФА*, Св-08ХМФА-2, Св-08ХГСМФА |
|
|
12Х1МФ в сочетании с 12Х11В2МФ** |
ЦЛ-39 ТМЛ-ЗУ, ЦЛ-20, ЦЛ-45, ОЗЛ-6, ЗИО-8, ЦЛ-25/1, ЦЛ-25/2, ЭА-395/9, ЦТ-10 |
Св-08ХМФА*, Св-08ХМФА-2, Св-08ХГСМФА, СВ-07Х25Н13, СВ-10Х16Н25АМ6 |
|
|
20, 12Х1МФ, 12Х2МФСР, 15Х1М1Ф, 12Х11В2МФ в сочетании с 12Х18Н10Т, 12Х18Н12Т |
ЗИО-8, ОЗЛ-6, ЦЛ-25/1, ЦЛ-25/2, ЭА-395/9, ЦТ-10 |
СВ-07Х25Н13, СВ-10Х16Н25АМ6 |
|
** Допускается применять металл шва 09Х1МФ для труб поверхностей нагрева.
(Измененная редакция, Изм. № 1)
13.5. Сварка сталей разных структурных классов, с использованием аустенитного присадочного материала, выполняется без предварительного подогрева стыка с минимальным тепловложением, руководствуясь рекомендациями раздела 11.
Сварка сталей одного структурного класса (перлитного) с использованием перлитного присадочного материала выполняется с подогревом, если таковой требуется, согласно данным табл. 4.3 для более легированной из свариваемых сталей.
Сварка должна выполняться с соблюдением технологических требований, изложенных в соответствующих разделах РД.
13.6. Сварные соединения из сталей разных структурных классов, на которые распространяется настоящий раздел, термической обработке не подвергаются.
(Измененная редакция, Изм. № 1)
14.1.1. Требования раздела 14 распространяются на сборку и сварку на сборочной площадке, и на месте монтажа поверхностей нагрева котлов из плавниковых труб, изготовленных из хромомолибденованадиевой стали (2Х1МФ), хромомолибденовых (15ХМ, 12Х2М1, I2MX) и углеродистых (20, 10) сталей, а также из гладких труб с приваренными полосами (плавниками).
Рассматривается технология сварки стыков труб (кольцевых швов) и продольных швов (по плавникам) при укрупнительной сборке заводских блоков газоплотных панелей и их монтаже, приварке уплотнительных вставок, и гребенок узла уплотнения, разъемов поверхности нагрева газоплотных котлов.
14.1.2. В процессе сварочных работ при монтаже котлов с газоплотными панелями необходимо обратить особое внимание на качество подготовки и сборки стыков труб и продольных швов плавников, вварки уплотнительных вставок и узлов уплотнения разъемов. Нельзя .допускать натяга панелей плавниковых труб, а также большого зазора при сборке во избежание необходимости наложения швов чрезмерно больших сечений.
Выполнение продольных швов по плавникам, собранным без зазора, запрещается.
Качество сборки и сварки плавниковых труб на укрупнительной площадке и в процессе монтажа котла должен проверять мастер по сварке.
14.1.3. К выполнению кольцевых и продольных швов газоплотных панелей могут быть допущены сварщики, которые прошли специальную тренировку по сварке плавниковых труб.
14.1.4. Сварку продольных швов по плавникам, вварку уплотнительных вставок и гребенок из хромомолибденованадиевых и хромомолибденовых сталей (12Х1МФ, 12Х2М1 и др.) следует производить с предварительным подогревом мест сварки до 150-200° С газопламенными горелками на ширину не менее 50 мм по обе стороны от места наложения шва, при этом должны быть соблюдены требования п. 4.5.9.
14.2.1. Стыки труб газоплотных панелей можно сваривать ручной дуговой, ручной аргонодуговой и комбинированной сваркой. Конструкция стыка должна соответствовать типу Тр-2 (см. табл. 4.2). При подготовке, сборке и сварке стыков должны соблюдаться требования, изложенные в соответствующих разделах РД. Электроды и сварочную проволоку необходимо выбирать с учетом марки свариваемых труб в соответствии с рекомендациями раздела 2 (см. табл. 2.1 и 2.4).
14.2.2. Концы труб в газоплотных панелях нужно обрабатывать механическим способом. Зазор а в стыках труб должен быть 0,5-2,0 мм. При заклинивании труб или образовании зазора в стыках меньше указанного панели следует отодвинуть, оттянуть из ряда мешающие трубы и обточить их торцы до требуемого размера. Для уменьшения опасности заклинивания труб может быть применена ступенчатая подготовка торцов труб одной из стыкуемых панелей (рис. 14.1). При таком способе обработки и сборки панелей в первую очередь собирают и сваривают стыки труб на участке 1, отторцованные с нулевым допуском на зазор а, затем - стыки труб на участке 2, отторцованные с допуском 1,25 мм, и в последнюю очередь - на участке 3, где допуск составляет 1,5 мм.

Рис. 14.1. Схема ступенчатой подготовки торца одной из стыкуемых газоплотных панелей (на каждом участке примерно 10 труб): 1-3 - номера участков
14.2.4. Сборку стыков труб и сварку корневого слоя шва необходимо осуществлять в специальном центровочном приспособлении без предварительной прихватки. Сварку должны выполнять одновременно два сварщика одним из способов, приведенных в п. 5.2.5.
14.2.5. Стыки может сваривать один сварщик в следующем порядке: с одной стороны панели он сваривает не более четырех стыков, переходит на другую сторону панели и заваривает вторую половину периметра этих четырех стыков, затем продолжает сварку в такой же последовательности по три-четыре стыка, соблюдая требования, изложенные в п. 14.2.3.
14.2.6. Контроль качества сварных соединений труб (кольцевых швов) газоплотных панелей производится в соответствии с требованиями, приведенными в разделе 16.
14.3.1. Продольные швы (по плавникам) выполняют ручной дуговой сваркой, механизированной сваркой в углекислом газе или механизированной сваркой порошковой проволокой.
Сварка производится углеродистым, присадочным материалом независимо от способа сварки и марки свариваемой стали:
при ручной дуговой сварке - электродами Э50А (УОНИ-13/55, ЦУ-5, ТМУ-21У) диаметром не более 4 мм;
при механизированной сварке в углекислом газе - сварочной проволокой Св-08Г2С или СВ-08ГС диаметром 1,2-1,6 мм;
при механизированной сварке порошковой проволокой - проволокой марок, указанных в табл. П 8.2 приложения 8 (при использовании проволоки ПП-АН8 требуется дополнительная защита углекислым газом).
14.3.2. Наложение продольных швов по плавникам в районе стыковых соединений труб (на участках, остающихся недоваренными на заводе), а также при соединении (укрупнении) панелей на сборочной площадке необходимо производить с двух сторон. Допускается односторонняя сварка при условии снятия фаски на плавниках под углом 30° с обеспечением провара корня шва на всю глубину плавника.
14.3.3. Зазор между свариваемыми плавниками независимо от способа сварки должен быть не менее 1,5 и не более 3 мм. В местах отсутствия зазора необходимо пропилить плавники механическим путем (наждачным кругом, фрезой и т.п.) и обеспечить требуемый зазор.
Если зазор превышает норму и составляет 3-5 мм или плавники состыкованы со смещением (ступенькой), сварку продольных швов необходимо выполнять с двух сторон обратноступенчатым способом.
14.3.4. После сварки и ультразвукового контроля стыков труб соединения выравнивают по плавникам на участках, оставшихся недоваренными на заводе, и накладывают по две прихватки длиной 60-70 мм на каждом участке.
14.3.6. Сварку швов необходимо осуществлять обратноступенчатым способом. Заварив швы с одной стороны панели, сварщики в той же последовательности должны сваривать швы с противоположной стороны блока (панели).
14.3.8. При сварке продольных швов допускается, чтобы сварщики работали одновременно на противоположных сторонах панели (один сверху, другой снизу). В этом случае порядок сварки тот же, что указан в пп. 14.3.5-14.3.7.
14.3.9. Стенки топочной части котла собирают на плазе из блоков панелей с зазором между плавниками 1,5-3,0 мм. Панели, собранные в блоки, прихватывают по краям, отступая от края на 50-70 мм и далее через каждые 400-500 мм по всей длине блока. Длина прихваточных швов должна быть 150-200 мм, высота - равной толщине плавника. Прихватки не перевариваются, а являются частью основного шва.
14.3.10. Продольные швы панелей должны выполнять одновременно два или четыре сварщика. Швы длиной более 16 м должны выполнять одновременно четыре сварщика. Сварку могут вести одновременно все сварщики с одной стороны панели (сверху или снизу) или с противоположных ее сторон (один снизу, другой сверху или двое снизу и двое сверху). Сварку следует производить от середины блока к краям независимо от числа сварщиков по схеме рис. 14.2. Каждую часть шва выполняют обратноступенчатым способом.

Рис. 14.2. Схема сварки блоков по плавникам на сборочной площадке: А - общее направление сварки; 1 - 3 - очередность наложения участков шва.
14.3.11. При стыковке блоков А и Б панелей с большой серповидностью, когда зазор а между плавниками превышает 5 мм (рис 14.3), необходимо распределить его равномерно по соседним стыкам. Для этого следует разрезать несколько (два-пять) соседних продольных швов на участках длиной l и развести трубы до образования зазоров не более 5 мм, затем эти участки прихватить и заварить с двух сторон обратноступенчатым способом. Если панели нельзя состыковать с зазором менее 5 мм, сваривать их необходимо по технологии завода-изготовителя котла.
Рис. 14.3. Стыковка
панелей с большой серповидностью: А, Б - блоки; 1 - разрезаемые швы;
- зазор
14.3.13.
Стенки в углах топки соединяют с помощью прутка диаметром d = 8
10 мм
из стали 20 или 12Х1МФ (рис. 14.4), при этом зазор b между стенками должен быть
не более 12 мм. Если зазор превышает указанный, то конструкция узла соединения
стенок и технология сварки должны быть определены заводом-изготовителем котла.

Рис. 14.4. Соединение стенок газоплотных панелей (1 - соединительный пруток)
После установки стенок в проектное положение приваривают пруток к обеим стенкам в вертикальное положение с соблюдением требований, изложенных в п. 14.3.12. Пруток к трубе необходимо приваривать электродами диаметром 2,5-3,0 мм на минимальном токе, чтобы глубина проплавления стенки трубы была не более 2 мм. Для приварка прутка к плавнику могут быть применены электроды диаметром 4 мм.
14.3.14. Оборудование и режим механизированной сварки, в углекислом газе приведены в разделе 9.
14.3.15. Для механизированной сварки порошковой проволокой используются полуавтоматы ПМП-6, А-765УЗ, А-1197П, А-1197С, А-1035. При сварке самозащитной порошковой проволокой полуавтоматы комплектуются горелками А-1231-5-02 или А-1231-5-03, при сварке порошковой проволокой с дополнительной защитой углекислым газом - горелками А-1231-5Г2 или А-1231-5ГЗ.
Сварку порошковой проволокой следует выполнять на постоянном токе обратной полярности.
В качестве источников питания постоянного тока используются преобразователи или выпрямители с жесткой или пологопадающей вольтамперной характеристикой.
Ориентировочные режимы механизированной сварки порошковой проволокой приведены в табл. 14.1; они должны уточняться при пробной сварке.
Таблица 14.1
Ориентировочные режимы механизированной сварки порошковой проволокой
|
Mарка проволоки |
Диаметр проволоки, мм |
Сварочный ток, А |
Напряжение на дуге, В |
Скорость подачи проволоки, м/мин |
Вылет проволоки, мм |
Положение при сварке |
Характер защиты сварочной ванны |
|
ПП-АН1 |
2,8 |
220-280 |
26-30 |
160-180 |
15-35 |
Нижнее |
Без дополнительной защиты |
|
ПП-АНЗ |
2.8 |
250-320 |
22-24 |
190-220 |
20-50 |
|
|
|
|
3,0 |
270-450 |
24-29 |
180-190 |
40-50 |
|
|
|
ПП-АН7 |
2.0 |
160-220 |
20-22 |
140-160 |
20-30 |
|
|
|
|
2,3 |
200-250 |
22-25 |
160-210 |
20-30 |
|
|
|
СП-3 |
2,3 |
200-240 |
24-26 |
180-190 |
40-60 |
|
|
|
СП-2 |
2,3 |
280-300 |
26-30 |
265-500 |
20-60 |
|
|
|
ПП-АН7 |
2,0 |
130-150 |
20-22 |
120-160 |
20-30 |
Вертикальное |
|
|
СП-3 |
2,3 |
140-160 |
21-23 |
100-140 |
20-30 |
|
|
|
|
2,3 |
160-200 |
22-24 |
160-180 |
30-50 |
|
|
|
ПП-АН8 |
3,0 |
150-200 |
20-24 |
170-190 |
15-25 |
Нижнее |
С дополнительной защитой диоксидом углерода |
Толщина наплавляемого слоя должна быть не более 6 мм.
14.3.16. Все продольные швы по плавникам подвергаются визуальному контролю и проверке керосиновой пробой. Нормы оценки качества швов по результатам визуального контроля приведены в подразделе 16.3. Керосиновая проба на плотность производится по документу ПНАЭ Г-7-019-89 "Унифицированная методика контроля основных материалов (полуфабрикатов), сварных соединений и наплавки оборудования и трубопроводов АЭУ. Контроль герметичности. Газовые и жидкостные методы".
14.4.1. Уплотнительные элементы привариваются ручной дуговой сваркой электродами диаметром 2,5-3 мм. Электроды для приварки уплотнительных вставок в местах расположения сварных стыков труб выбираются в зависимости от марки стали труб (см. табл. 2.1) или применяются электроды типа Э50А независимо от марки стали труб. Для приварки гребенок и накладок в узле разъема применяются электроды типа Э50А независимо от марки стали труб и уплотняющих элементов.
14.4.2 Уплотнительные вставки плотно подгоняются к ребрам и прихватываются в двух местах (рис. 14.5). При вертикальном положении панели сварка выполняется двумя швами снизу вверх с таким расчетом, чтобы замки швов оказались на плавнике, а не на трубе. При горизонтальном положении панели швы 1 и 2 накладываются в противоположных направлениях и замки швов также должны быть на плавниках. Для уменьшения внутренних напряжений уплотнительные вставки следует приваривать от середины блока к краям поочередно через одну уплотнительную вставку.

Рис. 14.5. Приварка уплотнительных вставок при вертикальном (а) и горизонтальном (б) положениях стенки: 1, 2 - прихватки
Сварку необходимо вести на минимальном токе (не более 110 А), чтобы глубина проплавления стенки трубы была не более 2 мм.
14.4.3. К прихватке и сварке гребенок следует допускать сварщиков, прошедших специальную дополнительную подготовку по сварке этого узла.
14.4.4. Сварку уплотнения разъемов (рис. 14.6 и 14.7) необходимо выполнять в такой последовательности:
Рис. 14.6. Схема сварки узла уплотнения разъемов по плавникам (на участках, недоваренных на заводе): 1 - центральные швы; 2 - периферийные швы
Рис. 14.7. Последовательность сварки (1-9) узла уплотнения разъемов топочных экранов
а) после выравнивания и подгонки труб в зоне разъема заварить недоваренные на заводе центральные швы по плавникам в последовательности, указанной цифрами 1, 2, 3, и направлении, показанном стрелками на рис. 14.6, чередуя сварку через одну гребенку при общем направлении движения сварщиков от середины блока к его краям;
б) после наложения центральных продольных швов по плавникам устанавливают накладки В и Г и прихватывают их к плавникам в четырех местах - а, б, в, г (рис. 14.7), затем устанавливают гребенки А и Б; зазор между деталями должен быть не более 2 мм; каждую гребенку прихватывают к плавникам труб в точках д и е; длина прихватки должна быть равна ширине плавника;
в) приваривают уплотнительные гребенки А, Б к трубам угловым швом катетом не более 3 мм или катетом, предусмотренным чертежами завода-изготовителя (последовательность приварки уплотнительных гребенок показана на рис. 14.7 цифрами 1, 2, 3, 4, а направление - стрелками); для того чтобы исключить опасность прожога трубы, сварку необходимо вести на минимальном токе с проплавлением трубы не более 2 мм;
г) после приварки уплотнительных гребенок к трубам по всему блоку производят сварку незаваренной части периферийных швов по плавникам между уплотнительными гребенками поочередно через одну гребенку, так же как при сварке центральных швов; последовательность сварки обозначена цифрами 1’, 2’, 3’, 4’ и направление - стрелками на рис. 14.6;
д) после наложения продольных периферийных швов по плавникам между уплотнительными гребенками приваривают накладки В, Г; направление приварки накладок показано на рис. 14.7 стрелками, а последовательность - цифрами 5, 6, 7, 8;
е) в последнюю очередь сваривают две .детали гребенки (А и Б) нахлесточным швом с катетом 3 мм (шов 9).
Примечание. Если гребенка состоит из одной детали, ее следует собирать и варить в последнюю очередь, когда наложены все швы по плавникам.
14.4.5. После зачистки сварных швов от шлака и брызг необходимо произвести контроль качества сварных соединений узла уплотнения путем визуального контроля и керосиновой пробы.
14.4.6. Шипы следует устанавливать в последнюю очередь после сварки и контроля всего узла уплотнения, обваривать ручной аргонодуговой сваркой с применением присадочной проволоки Св-08Г2С диаметром 1,6-2 мм. Фаску на шипах должны снимать на заводе (угол фаски под сварку на шипах должен быть равен 30°, притупление - 2 мм).
Примечание. Разрешается приваривать шипы к трубам с помощью сварочного пистолета или ручной дуговой сваркой, если данный способ сварки обеспечивает надлежащее качество сварных соединений. Допускается дуговая сварка шипов без фаски.
14.4.7. Все швы приварки уплотнительных вставок, гребенок и накладок проверяются путем визуального контроля и керосиновой пробы. Нормы оценки качества швов по результатам визуального контроля приведены в подразделе 16.3. Керосиновая проба на плотность производится по документу ПНАЭ Г-7-019-89.
15.1.1. Термообработка сварных соединений труб производится индукционным способом токами промышленной (50 Гц) и средней (до 8000 Гц) частоты, а также радиационным способом - электронагревателями сопротивления и газопламенными горелками.
15.1.2. Основным способом нагрева при термообработке стыков трубопроводов диаметром 108 мм и более со стенкой толщиной свыше 10 мм является индукционный нагрев током промышленной и средней частоты.
Термообработку сварных соединений радиационным способом с помощью гибких проволочных электронагревателей и муфельных печей сопротивления можно применять при толщине стенок труб не более 60 мм, а газопламенным способом с применением многопламенных кольцевых горелок - не более 45 мм. При радиационном электронагреве стыков труб со стенкой толщиной более 25 мм следует устанавливать внутри трубы на расстоянии 300-500 мм от шва тепловые заглушки, а также строго соблюдать требования к равномерности нагрева и измерению температур, изложенные в этом разделе.
(Измененная редакция, Изм. № 1)
15.1.4. До термообработки подвергать сварные соединения воздействию нагрузок, снимать блоки с опор, кантовать, транспортировать и т.п. запрещается.
Перед термообработкой необходимо для трубопроводов, расположенных горизонтально, установить временные опоры на расстоянии не более 1 м по обе стороны от сварного соединения, а для трубопроводов, расположенных вертикально, разгрузить сварное соединение от веса трубопровода путем его закрепления ниже термообрабатываемого стыка. Временные опоры можно убирать только после полного остывания стыка.
15.1.5. Термообработку стыков труб следует выполнять до холодного натяга трубопровода, т. е. до сборки и сварки замыкающего стыка.
15.2.1. Режимы термообработки стыковых сварных соединений труб котлов и трубопроводов приведены в табл. 15.1.
Термообработка угловых сварных соединений штуцеров, бобышек, упоров и других деталей из низколегированной хромомолибденованадиевой стали с трубопроводами и коллекторами обязательна в следующих случаях:
при толщине стенки штуцера или бобышки более 10 мм;
при приварке в пределах 1 м трубы (коллектора) более трех штуцеров (или бобышек) со стенкой толщиной 10 мм и менее, кроме случая, предусмотренного п. 5.7.8, б;
при приварке упоров или других деталей креплений угловым швом с общим (по всему периметру привариваемой детали) объемом наплавленного металла более 15 см3 (объем 15 см3 соответствует шву длиной 300 мм с катетом 10 мм).
Температуру термообработки угловых сварных соединений и время выдержки при этой температуре необходимо выбирать по данным табл. 15.1 в зависимости от марки свариваемых сталей и типа металла шва. За толщину термообрабатываемых элементов принимается приведенная толщина, полученная умножением номинальной толщины стенки штуцера (бобышки) или катета углового шва (при приварке упоров и других деталей креплений угловым швом) на коэффициент 1,25; если приведенная толщина получается меньше 11 мм, то берется время выдержки, соответствующее 11 мм.
Примечание. Если приварка деталей креплений к трубопроводам и коллекторам котлов должна быть выполнена на заводе, а по каким-либо причинам производится на монтаже, то необходимость и режим термообработки этих сварных соединений (как и технологию сварки) устанавливает завод-изготовитель.
(Измененная редакция, Изм. № 1)
Таблица 15.1
Режимы термообработки стыковых сварных соединений трубных элементов
|
Свариваемая сталь |
Металл шва |
Толщина*1 элемента, мм |
Режим термической обработки*2 |
|
|
температура, °С |
длительность выдержки, ч, не менее*3 |
|||
|
10, 20, 15Л, 20Л, 15ГС, 16ГС, 25Л, 20ГСЛ и их сочетания |
Углеродистый |
Св. 36*4 до 60 Св. 60 |
560-590 560-590 |
1 2 |
|
12МХ, 15ХМ, 20ХМЛ и их сочетания |
09МХ, 09Х1М |
Св. 10 до 20 Св. 20 |
700-730 700-730 |
1 2 |
|
|
|
до 45 |
|
|
|
|
|
Св. 45 |
700-730 |
3 |
|
12Х1МФ |
09Х1М |
Св. 10 |
710-740 |
1 |
|
|
|
до 20 |
|
|
|
|
|
Св. 20 |
710-740 |
2 |
|
|
|
до 45 |
|
|
|
|
|
Св. 45 |
710-740 |
3 |
|
12Х1МФ, |
09Х1МФ |
Св. 10*5 |
720-750 |
1*6 |
|
15Х1М1Ф, |
|
до 20 |
|
|
|
20ХМФЛ, |
|
Св. 20 |
720-750 |
3 |
|
15Х1М1ФЛ и |
|
до 60 |
|
|
|
их сочетания |
|
Св. 60 |
720-750 |
5 |
|
15Х1М1Ф-ЦЛ*7 |
09Х1МФ |
Св. 20 |
735-765 |
5 |
|
10, 20, 20Л, |
Э50А, |
Св. 20 |
690-720 |
2 |
|
25Л, 15ГС. |
09Х1М, |
до 60 |
|
|
|
16ГС, 20ГСЛ в сочетании с 12МХ и 15ХМ |
09МХ |
Св. 60 |
690-720 |
3 |
|
10, 20, 20Л, |
Э50А*8, |
Св. 10 |
700-730 |
1 |
|
25Л, 15ГС, |
09Х1М, |
до 20 |
|
|
|
16ГС, 20ГСЛ |
09МХ, |
Св. 20 до 45 |
700-730 |
2 |
|
в сочетании с 12Х1МФ, 20ХМФЛ, 15Х1М1Ф, 15Х1М1ФЛ |
19Х1МФ |
Св. 45 |
700-730 |
3 |
|
12МХ, 15ХМ, |
09Х1М, |
Св. 10 |
710-740 |
1 |
|
20ХМЛ в |
09МХ, |
до 20 |
|
|
|
сочетании с |
09Х1МФ |
Св. 20 до 45 |
710-740 |
2 |
|
12Х1МФ |
|
Св. 45 |
710-740 |
3 |
|
12МХ, 15ХМ |
09Х1М, |
Св. 10 |
710-740 |
1 |
|
20ХМЛ в |
09МХ, |
до 20 |
|
|
|
сочетании с |
|
Св. 20 до 60 |
710-740 |
3 |
|
20ХМФЛ, |
|
Св. 60 |
710-740 |
5 |
|
15Х1М1Ф, |
09Х1МФ |
|
|
|
|
15Х1М1ФЛ |
|
|
|
|
|
Газовая сварка |
||||
|
12МХ, 15ХМ |
09МХ, 09Х1М |
3-7 |
940 |
1,0-1,5 мин/мм толщины стенки |
|
12Х1МФ |
09Х1М, 09МХ, 09Х1МФ |
3-7 |
960 |
1,0-1,5 мин/мм толщины стенки |
*1 При соединении элементов одинаковой толщины - номинальная толщина этих элементов, при соединении элементов разной толщины (обработанных в соответствии с рис. 4.3 и 4.4) - фактическая наибольшая толщина элемента непосредственно в месте сварки.
*2 Охлаждение до 300°С после выдержки при отпуске должно обеспечиваться с нагревательным устройством или под слоем теплоизоляции, далее - на спокойном воздухе; при отрицательных температурах охлаждение после термообработки следует производить под слоем теплоизоляции до полного остывания сварного соединения.
*3 Может быть выше указанных значений не более чем на 1 ч. При вынужденных перерывах в процессе термообработки за длительность выдержки следует принимать суммарное время нахождения стыка при температуре обработки.
*4 В случае предварительного и сопутствующего, подогрева стыка до температуры не ниже 100° С при толщине стенки элемента 40 мм и менее термообработку сварного соединения можно не производить.
*5 Стыки труб диаметром более 219 мм подлежат термообработке при толщине стенки 8 мм и более.
*6 Для стыков труб из стали 12Х1МФ с литьем 20ХМФЛ и 15Х1М1ФЛ, а также из стали 15Х1М1Ф с литьем 15Х1М1ФЛ при толщине стенки трубы 20 мм и менее, сваренных электродами типа Э-09Х1МФ, длительность выдержки должна составлять 1,5 ч.
*7 Скорость нагрева до температуры отпуска не более 200°С/ч, при этом в интервале температур 600-700°С скорость нагрева должна быть не менее 100°С/ч.
*8 Сварные соединения должны подвергаться термообработке при толщине металла свыше 20 мм.
(Измененная редакция, Изм. № 1)
15.2.2. Не требуется термообработка:
стыков труб поверхностей нагрева с толщиной стенки до 11 мм включительно из углеродистых, хромомолибденовых и хромомолибденованадиевых сталей, выполненных дуговой, аргонодуговой или комбинированной сваркой, а также стыков труб из стали 12Х11В2МФ (ЭИ-756), 12Х18Н12Т и 12Х18Н10Т, выполненных дуговой, аргонодуговой или комбинированной сваркой с применением аустенитного присадочного материала;
стыков труб из углеродистых и кремнемарганцовистых сталей при толщине стенки до 40 мм в случае выполнения сварки с подогревом до температуры не ниже 100°С;
стыков труб диаметром не более 800 мм из стали 22К, сваренных электродами УОНИ-13/45 при толщине стенки не более 45 мм;
стыков труб диаметром не более 219 мм из сталей 12МХ, 15ХМ, 20ХМЛ и 12Х1МФ, сваренных электродами типа Э-09Х1М, при толщине стенки не более 12 мм;
стыков труб диаметром не более 219 мм из сталей 12МХ, 15ХМ и 12Х1МФ, сваренных электродами Э-09Х1М, работающих при температуре до 510°С включительно, при толщине стенки не более 18 мм;
стыков труб поверхностей нагрева из сталей 15ХМ, 12МХ и 12Х1МФ, выполненных газовой сваркой проволокой Св-08МХ, Св-08ХМ и Св-08ХМФ, при отсутствии в шве и околошовной зоне участков со структурой перегрева (зерна размером крупнее балла 3 по шкале ГОСТ 5639-82), мартенситной и троостомартенситной структуры, что проверяется на двух-трех образцах, вырезанных из производственных стыков.
15.2.3. Если после термообработки твердость металла шва превышает допустимую (см. п. 16.4.4), следует производить повторный отпуск сварного соединения, но не более трех раз.
15.3.1. При монтаже и ремонте тепломеханического оборудования для местной термообработки сварных соединений труб применяются установки разной мощности, с различными способами нагрева и регулирования режима нагрева, с разной частотой тока. В состав этих установок входят источник питания (нагрева), нагреватель и устройство для контроля за температурой и режимом нагрева стыка.
15.3.2. Для индукционного нагрева токами частотой 50 Гц и радиационного электронагрева применяются установки, в которых в качестве источников питания используются трансформаторы с падающей и жесткой характеристиками.
15.3.3. Для индукционного нагрева током средней частоты используются установки, в которых в качестве источников питания могут применяться преобразователи, технические данные которых приведены в приложении 11. Для электронагревателей сопротивления могут быть использованы сварочные преобразователи и выпрямители.
15.3.4. Для питания многоканальной системы термообработки сварных соединений током средней частоты (рис. 15.1) используется машинный преобразователь ВПЧ. От источника питания 4 идет кольцевая кабельная разводка 6. На равных расстояниях одно от другого к ней подключены стационарные постовые устройства 9, к которым присоединены переносные постовые устройства 7, связанные с индукционными нагревателями. Управление индукционными нагревателями осуществляется через стационарные и переносные постовые устройства с пультом управления 1, на который поступает информация о процессе нагрева от датчиков температуры (термоэлектрических преобразователей), установленных на стыках.

Рис. 15.1. Схема многоканальной (многопостовой) системы термообработки сварных соединений током средней частоты: 1 - пульт управления; 2 - шкаф запуска; 3 - кабель питания током частотой 50 Гц; 4 - источник питания; 5 - силовая сборка; 6 - кабель питания током средней частоты; 7 - переносные постовые устройства, 8 - граница сборочной площадки; 9 - стационарные постовые устройства; 10 - щиток компенсационной разводки; 11 - кабель компенсационной разводки; 12 - кабель управления
Многоканальная система дает возможность одновременно вести термообработку нескольких стыков различных размеров на разных режимах в радиусе обслуживания от одного источника питания до 800 м. Пульт управления, размещенный в кабине, может быть выполнен на трех или шести каналах (в зависимости от числа постовых устройств). Для каждого постового устройства устанавливается программа, обеспечивающая нагрев стыка по заданному режиму. Пульт управления позволяет автоматически управлять процессом термообработки, обеспечивает контроль за электрическими и температурными параметрами нагрева, пуск и остановку источника питания.
15.3.5. Для компенсации реактивной мощности при термообработке токами средней частоты используются конденсаторы. Технические данные конденсаторов и схемы подключения их приведены в приложении 12.
15.3.6. Для присоединения индукционного и радиационного нагревателей к источнику питания с током частотой 50 Гц необходимо применять провода и кабели ПС (ТУ 16-505, 657-74), КРПТ (ТУ 16.К73-05-88), КОГ1 и КОГ2 (ТУ 16.К73-03-88), сечение которых следует выбирать по рабочему току нагревателя:
|
Допустимая токовая нагрузка, А |
80 |
100 |
140 |
170 |
215 |
270 |
330 |
385 |
440 |
510 |
605 |
695 |
|
Сечение провода (кабеля), мм2 |
10 |
16 |
25 |
35 |
50 |
70 |
95 |
120 |
150 |
185 |
240 |
300 |
Для присоединения индуктора к конденсаторной батарее и разводке тока средней частоты (2400 и 8000 Гц) применяется кабель КРПТ; сечение кабеля подбирается по данным табл. 15.2.
Таблица 15.2
Данные для подбора сечения кабеля КРПТ для присоединения индуктора к конденсаторной батарее и разводке тока средней частоты
|
Допустимая токовая нагрузка, А, при частоте |
Число и сечение* жил, мм2 |
Допустимая токовая нагрузка, А, при частоте |
Число и сечение* жил, мм2 |
||
|
2400Гц |
8000 Гц |
2400 Гц |
8000 Гц |
||
|
96 |
72 |
2 × 50 |
135 |
105 |
3 × 70 |
|
115 |
90 |
2 × 70 |
155 |
115 |
3 × 95 |
|
135 |
100 |
2 × 95 |
180 |
135 |
3 × 120 |
|
150 |
115 |
2 × 120 |
205 |
155 |
- |
|
170 |
130 |
3 × 95 |
220 |
165 |
- |
|
115 |
90 |
3 × 50 |
250 |
185 |
- |
______________
* Указано общее сечение кабеля (к обоим выводам нагревателя или конденсатора).
15.3.7. В качестве индукционных нагревателей применяются гибкие неохлаждаемые (естественно охлаждаемые) индукторы, которые наматываются на трубу в виде одной или двух последовательно соединенных секций. Гибкий неохлаждаемый индуктор выполняется из многожильного медного неизолированного провода сечением 35-240 мм2 марок М (жилы диаметром 2,51-3,15 мм), МГ (жилы диаметром 0,58-0,85 мм) или МГЭ (жилы диаметром 0,73 мм), наматываемого на предварительно изолированную тепловой изоляцией наружную поверхность трубы. Технические данные гибких проводов для индукторов приведены в приложении 13. Пример гибкого двухсекционного индуктора представлен на рис. 15.2.

Рис. 15.2. Двухсекционный индуктор: 1 - труба; 2, 3 - секции индуктора;
4 - ось сварного стыка; ИП - источник питания
В качестве индукционных нагревателей могут быть также использованы гибкие водоохлаждаемые индукционные кабели (ВГИК). ВГИК представляют собой гофрированную гибкую трубку наружным диаметром 20-30 мм из нержавеющей стали толщиной 0,2-0,3 мм, на которую натягивается медная оплетка. Сверху кабель изолируется асбестовой тканью. Кабель охлаждается водой, пропускаемой внутри гофрированной трубки.
Технические данные ВГИК приведены в приложении 13.
15.3.8. Для радиационного электрического нагрева используются нагреватели сопротивления, в которых нагревательным элементом служит нихромовая проволока или лента. Гибкий проволочный электронагреватель сопротивления (ГПЭС) (рис. 15.3) выполняется в виде витков двух-трех проволок 1 диаметром по 3,6 мм, изготовленных из хромоникелевого сплава Х20Н80. В качестве изолятора 2, 3 используются керамические нагревательные изоляторы серии ИКН наружным диаметром 30 и высотой 20 мм. Пояс электронагревателя к трубе прикрепляется с помощью ленточных поясков 5 из нержавеющей стали толщиной 0,5-1,0 мм и специальных скоб.

Рис. 15.3. Гибкий проволочный электронагреватель сопротивления (ГПЭС):
1 - нагревательный элемент; 2, 3 - керамические изолировочные кольца; 4 - токоподводящие нихромовые пластины; 5 - лента из нержавеющей стали для крепления пояса нагревателя на трубе
Гибкие пальцевые электронагреватели (ГЭН), изготовляемые по ТУ 36-1837-82, имеют конструкцию, аналогичную ГПЭС.
15.3.9. Электронагреватели комбинированного действия представляют собой нагревательные элементы, обычно состоящие из одной или нескольких параллельно расположенных нихромовых проволок, покрытых теплоэлектроизоляцией из керамических изоляторов. Гибкие электронагреватели комбинированного действия наматывают на нагреваемую трубу в виде соленоида. При работе на постоянном токе электронагреватели комбинированного действия являются электронагревателями сопротивления, при работе на переменном токе нагреватель выполняет также функцию индуктора.
Для термической обработки сварных соединений коллекторов применяются жесткие электронагреватели комбинированного действия, изготовляемые из полосы аустенитной стали 12Х18Н10Т и размещаемые внутри коллектора.
Технические данные электронагревателей комбинированного действия типа КЭН, выпускаемые по ТУ 36-2633-85, приведены в приложении 14.
Характеристики теплоизоляционных материалов приведены в приложении 15.
15.3.11. Температура трубы при термообработке сварных стыков измеряется хромель-алюмелевыми термоэлектрическими преобразователями (ТП), подключенными к показывающим или самопишущим милливольтметрам или потенциометрам. Температуру трубы при нормализации можно измерять оптическими пирометрами марок ОППИР-017 и "Проминь", позволяющими определять температуру металла трубы в пределах 800-1400°С с погрешностью ±20 и ±12°С. При нагреве стыка газопламенным способом горячий спай ТП должен быть защищен тепловой изоляцией от непосредственного воздействия пламени горелки.
Технические данные термоэлектродных проводов, применяемых для подключения ТП к электроизмерительному прибору, приведены в приложении 16.
15.4.1. Общая ширина зоны равномерного нагрева (т.е. участка трубы со швом посередине, на поверхности которого температура не выходит за пределы, указанные в табл. 15.1) должна быть не менее
![]()
(Дн - наружный диаметр трубы, S - номинальная толщина стенки трубы), но не менее трехкратной толщины стенки.
Примечание. В отдельных случаях, когда конструктивные особенности узла не позволяют обеспечить требуемую ширину зоны равномерного нагрева, разрешается уменьшить ширину этой зоны на 20% указанной в данном пункте с одновременным увеличением длительности выдержки на 1 час против приведенной в табл. 15.1.
15.4.2. Длительность нагрева до температуры отпуска сварных соединений хромомолибденовых и хромомолибденованадиевых сталей должна соответствовать данным табл. 15.3. Длительность (скорость) нагрева сварных соединений углеродистых и кремнемарганцовистых (15ГС, 16ГС) сталей не регламентируется.
Таблица 15.3
Длительность нагрева до температуры отпуска стыков труб из хромомолибденовых и хромомолибденованадиевых сталей
|
Номинальная толщина стенки труб, мм |
Время нагрева* мин, не менее, |
|
|
способами |
||
|
индукционным (частота 50 Гц/повышенная частота) |
радиационным |
|
|
До 20 |
20/30 |
40 |
|
21-25 |
30/50 |
70 |
|
26-30 |
30/50 |
100 |
|
31-35 |
50/80 |
120 |
|
36-45 |
50/80 |
140 |
|
46-60 |
80/100 |
160 |
|
61-80 |
100/120 |
- |
|
81-100 |
130/150 |
- |
* Дано при начальной температуре стыка 20°С. Если нагрев начинается при более высокой температуре (например, сразу после сварки), его длительность соответственно уменьшается.
Примечание. В интервале температур 550-700°С скорость нагрева должна быть не ниже 100°С/ч.
Индукционный способ
15.4.3. Индукционный нагреватель может быть одно или двухсекционным; двухсекционный индуктор дает возможность проводить подогрев перед сваркой и последующую термообработку без перемотки или перестановки индуктора.
15.4.4. При установке индуктора на трубу необходимо руководствоваться следующими положениями:
кольцевой зазор между индуктором и нагреваемой поверхностью должен быть минимальным и равномерным по периметру, для чего следует плотно навивать гибкий индуктор на трубу, покрытую тепловой изоляцией (асбестом);
на трубах диаметром менее 200 мм длина теплоизолируемого участка должна быть 200-250 мм в каждую сторону от сварного шва при толщине изоляции 8-12 мм, на трубах диаметром менее 400 мм - 300-400 мм при той же толщине изоляции, на трубах диаметром 400 мм и более эти размеры должны быть соответственно 500-700 и 15-20 мм; при использовании двухсекционных индукторов, которые применяют одновременно для подогрева перед сваркой, зона сварного шва изолируется отдельно;
расстояние (зазор) между витками гибкого индуктора должно составлять 10-20 мм (кроме случая, оговоренного в п. 15.4.5);
не должно быть скруток, оборванных прядей медных жил, снижающих площадь поперечного сечения индуктора более чем на 15%.
создать тепловую изоляцию различной толщины по окружности стыка - в нижней части толще, чем в верхней (при изоляции листовым асбестом верхняя половина стыка изолируется обычно двумя слоями, нижняя - тремя);
установить индуктор так, чтобы расстояние между витками (или между секциями двухсекционного индуктора) в зоне стыка на верхнем участке было на 10-30 мм больше, чем на нижнем.
Для выравнивания температуры вдоль оси трубы при термообработке горизонтальных стыков рекомендуется смешать ось индуктора относительно оси стыка вниз на один-два витка.
При термообработке стыков труб диаметром 900 мм и более для эффективного и равномерного нагрева следует устанавливать внутри труб на расстоянии 300-500 мм по обе стороны стыка теплоизоляционные заглушки.
Рекомендуемое расположение гибких индукторов на вертикальных и горизонтальных стыках труб в зависимости от диаметра показано в табл. 15.4.
Таблица 15.4
Расположение гибких индукторов на вертикальных и горизонтальных стыках труб
|
Положение стыка |
Диаметр трубы, мм |
Схема расположения индуктора |
Расстояние, мм |
||||
|
А |
Б |
В |
Г |
Д |
|||
|
Вертикальное |
108-194 |
|
25 |
- |
- |
- |
- |
|
|
|
|
|
|
|
|
|
|
|
219-300 |
|
- |
40-45 |
30 |
- |
- |
|
|
325-377 |
|
- |
50-55 |
35 |
- |
- |
|
|
426-465 |
|
- |
60-65 |
40 |
- |
- |
|
|
530-630 |
|
- |
80-85 |
50 |
- |
- |
|
|
720-820 |
|
- |
85-90 |
60 |
- |
- |
|
|
1020 |
|
- |
95-100 |
70 |
- |
- |
|
|
|
|
|
|
|
|
|
|
Горизонтальное |
108-194 |
|
- |
- |
- |
10-15 |
20 |
|
|
219-300 |
|
- |
- |
- |
10-15 |
25 |
|
|
325-377 |
|
- |
- |
- |
10-15 |
30 |
|
|
426-465 |
|
- |
- |
- |
15-20 |
35 |
|
|
530-630 |
|
- |
- |
- |
15-20 |
40 |
|
|
720-820 |
|
- |
- |
- |
15-20 |
45 |
|
|
1020 |
|
- |
- |
- |
15-20 |
55 |
15.4.6. Индуктор для подогрева стыка перед сваркой и для последующей термообработки нужно устанавливать на трубу в такой последовательности:
закрепить горячий спай ТП на поверхности трубы в соответствии с требованиями подраздела 15.5 и подключить его к регистрирующему прибору;
на трубу в районе сварного шва наложить тепловую изоляцию в соответствии с требованиями пп. 15.3.10, 15.4.4 и 15.4.5;
намотать индуктор на трубу;
присоединить к выводам индуктора токопроводящие провода от источника питания;
подключить конденсаторную батарею (при нагреве током повышенной частоты);
включить источники питания и провести нагрев по заданному режиму.
15.4.7. Ориентировочные технологические параметры термообработки сварных стыков труб различных диаметров гибкими индукторами из неизолированного медного провода приведены в табл. 15.5. Ориентировочные пусковые режимы нагрева стыков труб тиристорными преобразователями частоты (инверторами) даны в табл. 15.6.
Таблица 15.5
Ориентировочные технологические параметры термообработки сварных стыков труб гибкими индукторами
|
Наружный диаметр трубы, мм |
Толщина стенки труб, мм |
Ширина
индуктора мм |
Расстояние между секциями, мм |
Общее число витков при частоте, Гц |
Площадь поперечного сечения витка, мм2, при частоте, Гц |
Электрические параметры индуктора |
Потребляемая мощность, кВт |
Емкость,
мкФ |
||||||||||
|
напряжение на выводах, В, при частоте, Гц |
рабочий ток, А, при частоте, Гц |
|||||||||||||||||
|
50 |
2400 |
8000 |
50 |
2400 |
8000 |
50 |
2400 |
8000 |
50 |
2400 |
8000 |
2400 |
8000 |
|||||
|
108-168 |
11-36 |
250-400 |
- |
8-12 |
10-14 |
10-16 |
150-185 |
50-70 |
35-50 |
15-20 |
55-85 |
80-120 |
700-900 |
160-180 |
100-120 |
8-15 |
200-300 |
40-60 |
|
194-245 |
11-28 |
300-350 |
45-50 |
8-10 |
10-12 |
12-14 |
185-240 |
50-70 |
50-70 |
20-25 |
90-100 |
130-150 |
800-950 |
170-190 |
110-125 |
15-18 |
160-200 |
30-35 |
|
|
30-45 |
350-450 |
50-60 |
10-12 |
12-16 |
14-18 |
|
|
|
25-30 |
100-120 |
150-170 |
950-1100 |
190-200 |
125-140 |
18-25 |
200-250 |
35-45 |
|
273-377 |
11-20 |
350-400 |
55-65 |
8-10 |
12-14 |
14-16 |
185-240 |
70-95 |
50-70 |
25-30 |
120-135 |
170-180 |
900-1000 |
170-185 |
120-135 |
18-22 |
110-120 |
20-25 |
|
|
25-45 |
400-500 |
65-75 |
10-12 |
14-16 |
16-18 |
|
|
|
30-35 |
135-145 |
180-195 |
1000-1100 |
185-200 |
135-150 |
22-27 |
120-135 |
25-35 |
|
|
50-60 |
500-550 |
75-85 |
12-14 |
16-18 |
18-20 |
|
|
|
35-40 |
145-160 |
195-220 |
1100-1200 |
200-220 |
150-160 |
27-35 |
135-150 |
35-40 |
|
426-530 |
16-36 |
400-450 |
75-80 |
8-10 |
14-16 |
16-18 |
240 |
95-120 |
70-95 |
30-35 |
150-165 |
230-250 |
1100-1200 |
190-210 |
130-140 |
20-30 |
80-90 |
18-22 |
|
|
40-70 |
450-500 |
80-90 |
10-12 |
16-18 |
18-20 |
|
|
|
35-40 |
165-180 |
250-270 |
1200-1300 |
210-220 |
140-155 |
30-40 |
90-100 |
22-26 |
|
|
80-100 |
500-600 |
90-100 |
12-14 |
18-20 |
20-22 |
|
|
|
40-50 |
180-200 |
270-300 |
1300-1400 |
220-240 |
155-170 |
40-50 |
100-110 |
26-30 |
|
630-1000 |
20-45 |
450-500 |
100-110 |
10-12 |
14-16 |
16-18 |
240 |
95-120 |
70-95 |
40-50 |
190-210 |
300-330 |
1300-1400 |
230-250 |
150-160 |
30-35 |
60-70 |
12-15 |
|
|
50-65 |
500-600 |
110-120 |
12-14 |
16-18 |
18-20 |
|
|
|
50-60 |
210-230 |
330-360 |
1400-1500 |
250-270 |
160-180 |
35-50 |
70-85 |
15-20 |
|
|
70-90 |
600-650 |
120-140 |
14-16 |
18-20 |
20-22 |
|
|
|
60-70 |
230-260 |
360-400 |
1500-1600 |
270-300 |
180-200 |
50-65 |
85-100 |
20-25 |
Примечание. На трубы диаметром 108-168 мм устанавливается одна секция индуктора на каждом стыке, в остальных случаях - по одной - две секции.
Таблица 15.6
Ориентировочные пусковые режимы при нагреве стыков труб тиристорными преобразователями частоты (инверторами)
|
Наружный диаметр трубы, мм |
Толщина стенки трубы, мм |
Общее число витков |
Электрические параметры сети, питающей инвертор |
Электрические параметры индуктора при частоте тока 1200 Гц |
Ток конденсаторной батареи, А |
Емкость конденсаторной батареи, мкФ |
Индуктивность в цепи индуктора, х 10+.. Гн |
||
|
напряжение, В |
ток, А |
напряжение на выводах, В |
ток, А |
||||||
|
133 |
15 |
8,0 |
165 |
60 |
60 |
180 |
230 |
80 |
0,5 |
|
219 |
40 |
12,0 |
160 |
100 |
110 |
240 |
320 |
120 |
1,0 |
|
273 |
50 |
10,0 |
170 |
95 |
95 |
260 |
360 |
160 |
1,0 |
|
325 |
60 |
16,0 |
155 |
155 |
175 |
250 |
360 |
140 |
0,5 |
|
426 |
96 |
16,0 |
160 |
190 |
240 |
210 |
370 |
140 |
- |
|
426 |
96 |
16,0 |
240 |
125 |
265 |
235 |
290 |
100 |
- |
|
630 |
25 |
14,0 |
150 |
100 |
160 |
160 |
230 |
100 |
0,5 |
|
630 |
25 |
16,0 |
230 |
80 |
280 |
250 |
370 |
120 |
- |
|
920 |
35 |
14,5 |
205 |
300 |
350 |
200 |
>400 |
120 |
- |
15.4.8. Для нагрева сварного соединения штуцера диаметром 168×32 мм с трубой диаметром 245×45 мм до температуры высокого отпуска на токе частотой 50 Гц используют индуктор из гибкого кабеля сечением 120 мм2 с намоткой по схеме, приведенной на рис. 15.4, а. Индуктор состоит из 12 - 14 витков кабеля, который намотан на трубу и штуцер. Витки, наматываемые на штуцер, удерживаются установочными штырями. Питается индуктор от трансформатора ТДФЖ-2002.
Рис.15.4. Схема расположения гибких индукторов при нагреве угловых сварных соединений:
а - нагрев сварного соединения штуцера большого диаметра с трубой: 1-5 - места расположения термоэлектрических преобразователей; 6 - асбест; 7 - установочные штыри диаметром 6-8 мм (12 шт.); б - нагрев сварных соединений штуцеров малого диаметра с коллектором: 1-2 - места расположения термоэлектрических преобразователей; 5 - асбест; 6 - неизолированный кабель сечением 120 мм2
Равномерность нагрева, требуемые температура выдержки и скорость охлаждения стыков обеспечиваются регулированием тока в индукторе с помощью дросселя. При использовании в качестве источника питания трансформаторов без дросселя заданная температура поддерживается переключением ступеней обмотки трансформатора или периодическим его отключением.
Для нагрева сварных соединений штуцеров малого диаметра (не более 100 мм) с коллекторами диаметром 219-325 мм гибкий кабель наматывают по схеме, приведенной на рис. 15.4, б, при этом от одного трансформатора ТДФЖ-2002 одновременно можно нагревать два соединения. На штуцер диаметром менее 76 мм следует наматывать четыре витка кабеля, на штуцер большего диаметра - пять витков. Для размещения витков на штуцере его обертывают утолщенной асбестовой изоляцией в несколько слоев.
15.4.9. Термообработку стыков труб диаметром 980×40 мм можно осуществлять с помощью двух трансформаторов ТДФЖ-2002. К каждому трансформатору присоединяются шесть витков гибкого индуктора из медного кабеля сечением 240 мм2 по одной из схем, показанных на рис.15.5. Трансформаторы должны быть подключены кабелями одинаковой длины и сечения к одним и тем же фазам сети через автоматические выключатели. При использовании преобразователей повышенной частоты термообработку стыков этих труб можно выполнять двумя индукторами сечением 95-120 мм2, состоящими из пяти-семи витков каждый и соединенными последовательно. Индукторы устанавливаются симметрично оси стыка на расстоянии 70-90 мм один от другого.

Рис. 15.5. Схемы подключения индукторов при нагреве стыка труб диаметром 980 мм:
а - два шестивитковых односекционных индуктора; б - односекционный шестивитковый и двухсекционный (по три витка в секции) индукторы; 1, 2 - места расположения термоэлектрических преобразователей
15.4.10. Нагрев при термообработке стыков труб диаметром 465- 720 мм (например, 465×56, 630×25, 630×80, 720×22 мм) током промышленной частоты можно производить от одного трансформатора ТДФЖ-2002 (ТСД-2000) с помощью 12 - 14-виткового индуктора, если расстояние между трансформатором и стыком не превышает 15 м, или от двух трансформаторов, подключенных по одной из схем, показанных на рис. 15.5.
15.4.11. При термической обработке сварных соединений труб с фасонными деталями применяют следующие технологические приемы, обеспечивающие равномерность нагрева:
на сварные соединения труб с арматурой устанавливают индукторы с разным шагом намотки витков (на элементы с большей толщиной стенки шаг витков меньше) или на арматуру устанавливают двухслойный индуктор, в котором между первым и вторым слоями имеются асбоцементные прокладки (рис.15.6, а, б);
при нагреве соединения трубы или коллектора с заглушкой к последней прихватывают отрезок трубы (фальшпатрубок) для возможности намотки индуктора, как на обычное сварное соединение (рис. 15.6, в); после термообработки фальшпатрубок удаляют и места прихваток зачищают.

Рис. 15.6. Схемы установки индукторов для термической обработки фасонных изделий:
а - соединение трубы с патрубком задвижки: 1 - труба, 2 - теплоизоляция, 3 - индуктор с различным шагом витков, 4 - корпус задвижки; б - соединение трубы с патрубком задвижки:
1 - труба, 2 - теплоизоляция, 3 - первый (внутренний) слой индуктора, 4 - асбоцементная прокладка, 5 - второй (наружный) слой индуктора, 6 - корпус задвижки; в - соединение трубы с заглушкой: 1 - труба, 2 - теплоизоляция, 3 - индуктор, 4 - заглушка, 5 - временные прихватки,
6 - фальшпатрубок
Радиационный и комбинированный способы
Гибкий проволочный электронагреватель сопротивления (ГПЭС)
15.4.12. При установке ГПЭС на трубу следует:
закрепить горячий спай термоэлектрического преобразователя (ТП) на поверхности трубы согласно требованиям подраздела 15.5 и подключить его к регистрирующему прибору;
установить и закрепить нагреватель на трубе;
присоединить к нагревателю токоподводящие провода от источника питания;
установить и закрепить тепловую изоляцию;
включить источник питания и провести нагрев по заданному режиму.
После установки, нагреватель закрывается теплоизоляционным матом или асбестовой тканью и закрепляется проволокой или асбестовым шнуром; толщина теплоизоляции в зоне нагрева должна быть не менее 40 мм, ширина - на 400-500 мм больше зоны нагрева (в каждую сторону от шва); при отрицательной температуре окружающего воздуха толщина теплоизоляции должна быть увеличена в 1,5-2 раза.
15.4.13. Нагрев стыков может производиться с помощью двух или трех поясов ГПЭС схемы, размещения которых даны в табл. 15.7 в зависимости от диаметра труб и положения стыка.
Таблица 15.7
Порядок размещения поясов электронагревателя ГПЭС (ГЭН) на нагреваемых стыках труб
|
Положение сварного стыка |
Диаметр нагреваемых труб, мм |
Схемы размещения поясов |
Расстояние, мм |
|||
|
А |
Б |
В |
Г |
|||
|
Вертикальное |
108-194 |
|
20 |
- |
- |
- |
|
|
219-245 |
|
|
30 |
25 |
- |
|
|
260-273 |
|
|
35 |
30 |
- |
|
|
|
|
20 |
50 |
40 |
- |
|
|
300-325 |
|
|
60 |
50 |
- |
|
|
377 |
|
|
70 |
60 |
- |
|
|
426-465 |
|
|
80 |
70 |
- |
|
|
530-630 |
|
|
90 |
80 |
- |
|
|
720-820 |
|
|
100 |
90 |
- |
|
|
1020 |
|
|
|
|
|
|
|
|
|
|
|
|
|
|
Горизонтальное |
108-300 |
|
|
|
|
|
|
|
325-1020 |
|
|
|
- |
10-15 |
|
|
|
|
|
|
- |
15-20 |
Пояса должны быть плотно прижаты к трубе и надежно закреплены. Толщина теплоизоляции на стыке должна быть равномерной по всей поверхности нагреваемого участка. Технологические параметры термообработки с помощью ГПЭС приведены в табл. 15.8.
Таблица 15.8
Параметры термообработки с помощью проволочных электронагревателей сопротивления ГПЭС
|
Марка электронагревателя |
Наружный диаметр нагреваемой трубы, мм |
Общее число параллельно включаемых секций |
Ширина пояса нагревателя, мм, |
Число витков в поясе |
|
ГПЭС-168 |
159-168 |
1 |
160 |
20 |
|
ГПЭС-219 |
219 |
2 |
100 |
25 |
|
ГПЭС-273 |
273 |
2 |
100 |
30 |
|
ГПЭС-426 |
426 |
4 |
80 |
44 |
|
ГПЭС-630 |
630 |
4 |
80 |
64 |
|
Марка электронагревателя |
Ориентировочные электрические параметры нагрева |
Масса нагревателя, кг |
||
|
ток, А |
напряжение, В |
потребляемая мощность, кВт |
||
|
ГПЭС-168 |
100-120 |
40-48 |
4-6 |
7,5 |
|
ГПЭС-219 |
200-240 |
33-38 |
6,5-9 |
11,0 |
|
ГПЭС-273 |
200-240 |
39-45 |
8-11 |
13,0 |
|
ГПЭС-426 |
600-720 |
22-29 |
13-21 |
16,4 |
|
ГПЭС-630 |
600-720 |
32-42 |
19-30 |
22,0 |
Электронагреватель комбинированного действия (КЭН)
15.4.14. Секции КЭН необходимо устанавливать в положение, указанное в табл. 15.9 и 15.10.
Таблица 15.9
Размещение секций КЭН на вертикальных стыках труб
|
Размеры нагреваемого стыка труб, мм |
Схема установки |
Марка электронагревателя |
Общая ширина намотки, мм, не менее |
||||||||||
|
КЭН-1 |
КЭН-2 |
КЭН-3 |
|||||||||||
|
расстояние, мм, не более |
|||||||||||||
|
диаметр |
максимальная толщина стенки |
Д |
Е |
Ж |
Д |
Е |
Ж |
Д |
Е |
Ж |
|||
|
До 108 |
10 |
|
20 |
- |
- |
- |
- |
- |
- |
- |
- |
250 |
|
|
108 |
25 |
|
- |
- |
- |
20 |
- |
- |
- |
- |
- |
400 |
|
|
133-219 |
25 |
|
20 |
20 |
- |
- |
- |
- |
- |
- |
- |
250 |
|
|
|
40 |
|
- |
- |
- |
20 |
20 |
- |
- |
- |
- |
400 |
|
|
219 |
70 |
|
- |
- |
- |
- |
- |
- |
20 |
- |
- |
650 |
|
|
245-325 |
25 |
|
- |
25-50 |
30-40 |
- |
- |
- |
- |
- |
- |
250 |
|
|
|
40 |
|
- |
- |
- |
- |
25-50 |
- |
25-50 |
- |
- |
400 |
|
|
|
41-70 |
|
- |
- |
- |
- |
- |
- |
25-50 |
30-40 |
- |
650 |
|
|
377-426 |
40 |
|
- |
- |
- |
- |
- |
50-60 |
|
50-60 |
- |
400 |
|
|
|
41-70 |
|
- |
- |
- |
- |
- |
- |
- |
50-60 |
- |
650 |
|
|
465 |
40 |
|
- |
- |
- |
- |
- |
- |
- |
60-70 |
- |
400 |
|
|
|
41-70 |
|
- |
- |
- |
- |
- |
- |
- |
60-70 |
50-60 |
650 |
|
|
530-630 |
40 |
|
- |
- |
- |
- |
- |
- |
- |
- |
65-70 |
400 |
|
|
|
41-70 |
|
- |
- |
- |
- |
- |
- |
- |
- |
65-70 |
650 |
|
|
720 |
40 |
|
- |
- |
- |
- |
- |
- |
- |
- |
75-80 |
400 |
|
|
|
41-70 |
|
- |
- |
- |
- |
- |
- |
- |
- |
75-80 |
650 |
|
Таблица 15.10
Размещение секций КЭН на горизонтальных стыках труб
|
|
|
|
|
|
Рис. 1 |
Рис. 2 |
Рис. 3 |
Рис. 4 |
|
Размеры нагреваемого стыка труб, мм |
Марка электронагревателя |
Общая максимальная ширина намотки, мм |
||||||
|
КЭН 1 |
КЭН-2 |
КЭН-3 |
||||||
|
Диаметр |
Максимальная толщина стенки |
номер рисунка |
максимальное расстояние К, мм |
номер рисунка |
максимальное расстояние К, мм |
номер рисунка |
максимальное расстояние К, мм |
|
|
До 108 |
11 |
1 |
10-15 |
- |
- |
- |
- |
250 |
|
108 |
25 |
- |
- |
1 |
10-15 |
- |
- |
400 |
|
133-219 |
25 |
1; 2 |
10-15 |
- |
- |
- |
- |
250 |
|
|
40 |
- |
- |
1; 2 |
10-15 |
- |
- |
400 |
|
219 |
70 |
- |
- |
- |
- |
1 |
10-15 |
650 |
|
245-325 |
25 |
2; 3 |
10-15 |
- |
- |
- |
- |
250 |
|
|
40 |
- |
- |
2 |
10-15 |
1 |
10-15 |
400 |
|
|
41-70 |
- |
- |
- |
- |
1; 2 |
10-15 |
650 |
|
377-426 |
40 |
- |
- |
3 |
10-15 |
2 |
15-20 |
400 |
|
|
41-70 |
- |
- |
- |
- |
2 |
15-20 |
650 |
|
465 |
40 |
- |
- |
- |
- |
2 |
15-20 |
400 |
|
|
41-70 |
- |
- |
- |
- |
2; 3 |
15-20 |
650 |
|
530-630 |
40 |
- |
- |
- |
- |
3 |
15-20 |
400 |
|
|
41-70 |
- |
- |
- |
- |
3; 4 |
15-20 |
650 |
|
720 |
40 |
- |
- |
- |
- |
3 |
15-20 |
400 |
|
|
41-70 |
- |
- |
- |
- |
3; 4 |
15-20 |
650 |
Примечание. К - расстояние между осями шва и КЭН.
15.4.15. Для обеспечения равномерного распределения температуры по периметру сварного соединения и креплений секций КЭН на трубах используются те же способы, что и при применении ГПЭС (ГЭН).
При установке КЭН секции должны наматываться обязательно одинаково (по часовой или против часовой стрелки); не следует накладывать витки один на другой. Размеры теплоизоляции должны соответствовать п. 15.4.12.
15.4.16. Секции, установленные на одном сварном соединении, должны подсоединяться к источнику питания, как правило, параллельно. Допускается последовательное соединение двух-трех секций нагревателя КЭН-1 и двух секций нагревателя КЭН-2.
15.4.17. Для термической обработки сварных соединений труб больших диаметров (1020 мм и более) могут быть использованы нагреватели ГЭН и КЭН-4. Для уменьшения теплоотвода из зоны нагрева и снижения перепада температуры по толщине стенки необходимо использовать следующие технологические приемы:
увеличивать зону нагрева сварных соединений путем установки на наружной поверхности труб дополнительных поясов ГЭН или секций КЭН-4;
устанавливать на внутренние поверхности сварных соединений электронагреватели ГЭН и КЭН-4 (если есть доступ внутрь нагреваемых труб).
Групповая термообработка стыков труб с помощью электронагрева
15.4.18. Групповая термообработка, т.е. одновременный нагрев нескольких сварных соединений от одного источника питания, может производиться как с помощью индукторов, так и с помощью радиационных и комбинированных электронагревателей. Групповой термообработке с нагревом газовым пламенем могут подвергаться только стыки труб поверхностей нагрева котла, собранные в блоки (см. п. 15.4.25).
15.4.19. При групповой термообработке стыков труб необходимо выполнять следующие требования:
а) трубы должны быть одинакового размера (диаметра и толщины стенки), из стали одной марки, и иметь одинаковую исходную температуру;
б) все сварные соединения подвергаются термообработке по одному и тому же режиму;
в) стыки должны иметь одинаковую теплоизоляцию и условия теплоотвода;
г) все стыки должны нагреваться с помощью одинаковых нагревателей. Индукторы должны иметь одинаковое число витков, шаг намотки и сечение витка; когда стыки расположены на незначительном расстоянии один от другого (не более 1-1,5 м) на одном трубопроводе, следует обеспечить совпадение направления намотки витков индуктора. Нагреватели ГПЭС должны иметь одинаковую длину, ширину и число поясов, число и размеры нагревательных элементов и должны устанавливаться на стыки по одной схеме; диаметр труб при групповой термообработке с помощью ГПЭС не должен превышать 200 мм.
15.4.20. Групповой нагрев с помощью индукторов швов приварки донышек к штуцерам коллекторов по режиму высокого отпуска можно производить от трансформатора ТДФЖ-2002 или преобразователей средней частоты при последовательном соединении индукторов. От трансформатора ТДФЖ-2002 можно одновременно нагревать до пяти стыков приварки донышек к штуцерам диаметром 108-168 мм, от преобразователей средней частоты - три-четыре стыка. Для симметричной установки индуктора относительно сварного шва к донышку временно прихватывают патрубок (отрезок трубы) длиной 200-300 мм того же диаметра, что и диаметр штуцера коллектора. По окончании термообработки этот патрубок удаляют.
Схема одновременного нагрева током частотой 50 Гц двух донышек штуцеров коллекторов с помощью гибких индукторов, каждый из которых состоит из шести-семи витков сечением 90-120 мм2, показана на рис. 15.7. Напряжение на общих выводах составляет 45-55 В, ток - 1000-1200 А. При использовании тока средней частоты сечение витка индуктора составляет 50-70 мм2 при напряжении 110-170 (2400 Гц) и 160-220 В (8000 Гц) и токах 300-350 и 200-240 А соответственно.

Рис. 15.7. Схема подключения гибких индукторов при одновременном нагреве двух донышек штуцеров коллекторов: 1 - термообрабатываемый шов приварки донышка к штуцеру коллектора; 2 - донышко штуцера коллектора; 3 - прихватка; 4 - временно прихваченная труба; 5 - теплоизоляция (асбест)
15.4.21. Замер температуры сварного соединения при групповой термообработке должен производиться не менее чем на двух стыках с соблюдением требований, изложенных в подразделе 15.5.
15.4.22. Основные технологические параметры групповой термообработки стыков с помощью индукционного нагрева приведены в табл. 15.11, основные электрические параметры пускового режима при групповой термообработке стыков с использованием в качестве источника питания тиристорного преобразователя - в табл. 15.12.
Таблица 15.11
Технологические параметры групповой термообработки стыков труб гибкими индукторами
|
Наружный диаметр нагреваемых труб, мм |
Толщина стенки труб, мм |
Число одновременно нагреваемых стыков |
Ширина индуктора, мм |
Число секций индуктора на каждом стыке |
Расстояние между секциями, мм |
Число витков индуктора на один стык |
Площадь поперечного сечения витка индуктора, мм2 |
Электрические параметры индуктора |
Емкость конденсаторной батареи, мкФ, при частоте 2400 Гц |
|||||||
|
напряжение на выводах, В |
ток, А |
потребляемая мощность, кВт |
||||||||||||||
|
при частоте, Гц |
||||||||||||||||
|
50 |
2400 |
50 |
2400 |
50 |
2400 |
50 |
2400 |
50 |
2400 |
|||||||
|
108-168 |
11-36 |
5-6 |
150-200 |
1 |
- |
6-7 |
- |
150-185 |
- |
65-75 |
- |
1200-1300 |
- |
62-80 |
- |
- |
|
108-168 |
11-36 |
5-6 |
200- 250 |
1 |
- |
- |
9-10 |
- |
50-70 |
- |
180-210 |
- |
180-200 |
- |
32-42 |
30-40 |
|
194- 245 |
11-45 |
2-3 |
250- 350 |
1-2 |
45-60 |
8-9 |
- |
185-240 |
- |
65-75 |
- |
1300- 1400 |
- |
68-85 |
- |
- |
|
194- 245 |
До 45 |
4-6 |
250- 350 |
1-2 |
45-60 |
- |
9-12 |
- |
50-70 |
- |
230-260 |
- |
200-230 |
- |
46-60 |
15-25 |
|
273- 377 |
11-60 |
2-3 |
300- 400 |
1-2 |
55-85 |
8-9 |
|
185-240 |
- |
65-75 |
- |
1300- 1400 |
- |
68-85 |
- |
- |
|
273- 377 |
до 60 |
3-4 |
300-400 |
1-2 |
55-85 |
- |
9-10 |
- |
70-95 |
- |
230-260 |
- |
210-230 |
- |
48-60 |
25-35 |
|
426-630 |
до 90 |
2-3 |
300-500 |
1-2 |
75-100 |
- |
8-12 |
- |
95-120 |
- |
230-260 |
- |
210-230 |
- |
48-60 |
35-50 |
Основные электрические параметры пускового режима нагрева при групповой термообработке стыков труб тиристорными преобразователями частоты (инверторами)
|
Наружный диаметр и толщина стенки труб, мм |
Число одновременно нагреваемых стыков |
Число витков на одном стыке |
Пусковая частота тока, Гц |
Электрические параметры сети, питающей инвертор |
Ток конденсаторной батареи, А |
Емкость конденсаторной батареи, мкФ |
Электрические параметры индуктора |
||
|
напряжение, В |
ток, А |
напряжение на выводах, А |
ток, а |
||||||
|
133×15 |
4 |
8 |
1600 |
165 |
75 |
220 |
100 |
115 |
165 |
|
155×13 |
6 |
9 |
1600 |
150 |
190 |
290 |
100 |
190 |
170 |
|
219×40 |
2 |
13 |
2400 |
155 |
200 |
340 |
120 |
160 |
225 |
|
219×40 |
3 |
13 |
1600 |
155 |
180 |
320 |
160 |
200 |
170 |
|
273×50 |
2 |
10 |
1600 |
240 |
160 |
450 |
120 |
200 |
300 |
|
325×60 |
2 |
10 |
1600 |
235 |
145 |
360 |
120 |
235 |
295 |
|
426×30 |
2 |
12 |
1600 |
245 |
100 |
240 |
80 |
220 |
170 |
Примечание. Стыки труб диаметром 325×60 мм нагреваются от тиристорного преобразователя частоты мощностью 250 кВт, остальные - от преобразователя мощностью 100 кВт. Соединение индукторов последовательное.
Газопламенный способ
15.4.23. При термообработке по режиму нормализации (Тто = 940-960°С) стыки труб диаметром до 100 мм можно нагревать газопламенным способом горелками с наконечниками № 6 и 7.
15.4.24. Для нагрева стыка на трубу предварительно устанавливают воронку из листового асбеста или специальную теплоизоляционную манжету. Нагрев производят двумя горелками, пламя которых вводят внутрь воронки или манжеты для равномерного распределения температуры по периметру стыка.

Рис. 15.8. Схема групповой термообработки стыков труб поверхностей нагрева котлов
газопламенным способом двумя горелками: 1 - обрабатываемый стык;
2 - асбестовая манжета; 3 - металлическая воронка; 4 - асбестовая изоляция.
15.5.1. Температура сварного соединения во время термообработки контролируется термоэлектрическими преобразователями ТП с автоматическими самопишущими потенциометрами (далее в тексте - потенциометрами). Температуру следует регистрировать во время нагрева, выдержки и охлаждения стыка до 300°С. Показывающие приборы можно применять для контроля температуры стыков труб с толщиной стенки не менее 20 мм, при этом измерять и записывать температуру должен оператор через каждые 30 мин во время нагрева и выдержки.
Технические данные термоэлектрических преобразователей и термоизмерительных приборов приведены в приложениях 16 и 17 соответственно.
(Измененная редакция, Изм. № 1)
15.5.2. Горячий спай ТП следует устанавливать на шве или трубе на расстоянии не более 30 мм от шва; ТП крепится к поверхности трубы способами, показанными на рис. 15.9.

Рис. 15.9 Способы крепления горячего спая термоэлектрического преобразователя к трубе:
а - между двумя наплавленными бобышками (А), которые потом расчеканиваются (Б);
б - под бобышку с прорезью (А), которая потом расчеканивается (Б);
1 - термоэлектрический преобразователь; 2 - шов
15.5.3. При нагреве вертикального стыка труб диаметром менее 400 мм индукционным способом устанавливают один ТП в верхней части стыка, при диаметре труб 400 мм и более - два (в верхней и нижней частях стыка). На горизонтальном стыке устанавливают один ТП в любом месте по периметру независимо от диаметра труб (табл. 15.13). При групповом нагреве стыков труб диаметром не более 200 мм может быть установлен один ТП на одном из нагреваемых стыков при условии строгого выполнения требований, приведенных в п. 15.4.19.
При групповом нагреве стыков труб большего диаметра ТП необходимо устанавливать на каждом стыке.
Таблица 15.13
Установка горячего спая термоэлектрических преобразователей при термической обработке стыков труб одинаковой толщины
|
Способ нагрева |
Расположение термоэлектрических преобразователей (ТП) |
|||||
|
на вертикальном стыке труб |
на горизонтальном стыке труб |
|||||
|
наружный диаметр труб, мм |
число ТП |
схемы установки горячего спая ТП |
наружный диаметр труб, мм |
число ТП |
схемы установки горячего спая ТП |
|
|
Индукционный |
Менее 400 |
1 |
|
Любой |
1 |
|
|
|
|
|
|
|
|
|
|
|
400 и более |
2 |
|
|
|
|
|
|
|
|
|
|
|
|
|
Радиационный |
Менее 200 |
1 |
|
Менее 200 |
1 |
|
|
|
|
|
|
|
|
|
|
|
200 и более |
2 |
|
200 и более |
2 |
|
|
|
|
|
|
|
|
|
|
Газопламенный
|
Любой |
2 |
|
Любой |
2 |
|
15.5.4. При термообработке сварного соединения труб (элементов) разной толщины при разности толщин более 7 мм ТП устанавливают на каждой трубе (элементе) на расстоянии 10-30 мм от шва независимо от способа нагрева. Если термообрабатывается вертикальный стык разностенных труб наружным диаметром 400 мм и более, то устанавливается три ТП: два в верхней части стыка на обеих трубах и один в нижней части на более толстой трубе.
15.5.5. При нагреве стыков труб диаметром менее 200 мм электрическими радиационными нагревателями сопротивления устанавливают один ТП на вертикальном стыке в верхней части, на горизонтальном - в любом месте; при нагреве стыков труб диаметром более 200 мм на вертикальном стыке устанавливают два ТП на верхнем и нижнем участках, на горизонтальном - в двух любых диаметрально противоположных местах, при этом ТП укладывают по поверхности трубы, а участок ТП длиной 250-300 мм вместе с его рабочим концом дополнительно защищают от воздействия тепла. исходящего от нагретой трубы.
15.5.6. При индукционном способе нагрева и использовании потенциометров для снижения вредного влияния электромагнитного поля индуктора на их показания следует устанавливать ТП перпендикулярно магнитному полю индуктора (т. е. оси трубы).
15.5.7. Рабочий конец (горячий спай) ТП следует сваривать аргонодуговой сваркой неплавящимся электродом; допускается также дуговая или газовая сварка с флюсом (бурой). При сварке нельзя вводить в рабочий конец ТП какой-либо присадочный металл.
15.5.8. До установки ТП на рабочее место его нужно проверить способом "горящей спички" или "кипящей воды". Свободные концы ТП подключают к милливольтметру, затем рабочий конец при первом способе нагревают пламенем зажженной спички, а при втором опускают в кипящую воду. Хромель-алюмелевый ТП в первом случае должен показывать около 400-450, во втором - 100°С. Неподвижность стрелки прибора при испытании означает, что электроды ТП сделаны из одного материала.
15.5.9. Термоэлектрические преобразователи независимо от способа нагрева стыка необходимо устанавливать так, чтобы их свободные концы не нагревались.
15.5.10. Длина нагреваемого участка ТП в области высоких температур должна быть не более 150 мм.
15.5.11. Подключение ТП к приборам выполняется с помощью соединительных удлиняющих термоэлектродных проводов. Марка провода должна соответствовать типу ТП, подбирать ее необходимо в соответствии с данными приложения 18.
15.5.12. Соединять ТП с термоэлектродным проводом необходимо с помощью винтовых муфт или другим надежным способом; соединение посредством скрутки не допускается. При наращивании термоэлектродного провода участки могут быть соединены скруткой с обязательным пропаиванием (без кислоты).
15.5.13. При значительном расстоянии от стыка до потенциометра термоэлектродный провод следует использовать только на участках присоединения к прибору и ТП (длиной не менее 100 мм), а на остальной длине нужно заменить его медным проводом, при этом должен быть обеспечен надежный контакт в местах соединения.
15.5.14. Подключение ТП к милливольтметру допускается как термоэлектродными, так и медными проводами при условии предварительной подгонки сопротивления цепи ТП под сопротивление, указанное на милливольтметре. К хромель-алюмелевому ТП присоединяют термоэлектродные провода, состоящие из меди (положительный потенциал) и константана (отрицательный потенциал). Примерное сопротивление 1 м - такого провода составляет при сечении 1 мм2- 0,52, при сечении 1,5 мм2- 0,35, при сечении 2,5 мм2- 0,21 Ом.
15.5.15. При подсоединении ТП к прибору термоэлектродными проводами следует соблюдать полярность, т.е. соединять материалы одинакового потенциала: плюс с плюсом, минус с минусом. Положительным потенциалом обладает хромель, отрицательным - алюмель (хромель в отличие от алюмеля не притягивается магнитом). Материал жил термоэлектродного провода легко определяется по красному цвету медной жилы или по цвету оплетки. На приборе в месте подключения термоэлектродного провода на контактной колодке обязательно должны быть поставлены знаки "+" и "-".
15.5.16. Термоэлектродные провода следует по возможности прокладывать вдали от электрических кабелей и мест перемещений оборудования. В целях снижения вредного влияния электромагнитных переменных полей на показания электронных потенциометров допускается только перпендикулярное пересечение термоэлектродным проводом электропроводов.
15.5.17. Измерение температуры милливольтметром разрешается только после подготовки сопротивления ТП (вместе с термоэлектродным или соединительным проводом) и цепи с помощью подгоночной катушки (из манганинового провода) до сопротивления прибора, которое указывается на шкале милливольтметра.
При измерении температуры милливольтметром следует учитывать температуру холодного спая (окружающего воздуха):
при отрицательной температуре воздуха показания милливольтметра должны равняться арифметической сумме заданной температуры нагрева и температуры окружающего воздуха;
при положительной температуре показания милливольтметра должны равняться разности между заданной температурой нагрева и температурой окружающего воздуха; при этом милливольтметр может быть скорректирован на температуру окружающего воздуха (стрелку милливольтметра устанавливают с помощью корректора на значение температуры воздуха, предварительно закоротив выводы ТП).
16.1.1. В процессе изготовления, монтажа и ремонта трубопроводов и трубных систем котлов необходимо осуществлять систематический контроль качества сварочных работ и сварных соединений - предварительный контроль (включая входной контроль), операционный контроль и приемочный контроль сварных соединений.
Требования к методам, объемам и объектам предварительного контроля, включающего проверку аттестации персонала, проверку оборудования и аппаратуры, контроль основных и сварочных материалов, а также требования к операционному контролю сборочно-сварочных работ, изложены в соответствующих разделах настоящего РД.
Результаты по каждому виду предварительного и операционного контроля должны оформляться отдельными документами или фиксироваться в журналах организации, выполняющей этот контроль.
Результаты приемочного контроля сварных соединений оформляются в соответствии с требованиями раздела 19.
16.1.2. Приемочный контроль сварных соединений труб котлов и трубопроводов, на которые распространяются правила Госгортехнадзора России, включает следующие виды:
визуальный и измерительный контроль;
стилоскопирование металла шва;
измерение твердости металла шва;
ультразвуковая или радиографическая дефектоскопия;
механические испытания;
металлографические исследования;
контроль прогонкой металлического шара;
капиллярный или магнитопорошковый контроль;
гидравлические испытания.
16.1.3. Контроль качества сварных соединений трубопроводов, на которые не распространяются правила Госгортехнадзора России, должен осуществляться с помощью визуального, ультразвукового и радиографического контроля и механических испытаний, если другие методы контроля не оговорены соответствующими СНиП, чертежами или техническими условиями на изготовление и монтаж этих трубопроводов.
Контроль качества сварных соединений котлов, подпадающих под действие "Правил устройства и безопасной эксплуатации паровых котлов с давлением пара не более 0,07 МПа (0,7 кгс/см2), водогрейных котлов и водоподогревателей с температурой нагрева воды не выше 388 К (115°С)", производится в соответствии с этими правилами.
(Измененная редакция, Изм. № 1)
16.1.4. Назначение и применение методов контроля, их объемов и сочетания регламентируются настоящим РД в соответствии с правилами Госгортехнадзора России и СНиП, а также ведомственными нормативными актами, если иное не оговорено чертежами или техническими условиями на изготовление, монтаж и ремонт конкретного изделия.
16.1.5. Контроль качества угловых соединений штуцеров (труб) с коллекторами, барабанами или трубопроводами, выполненных по технологии, регламентированной в подразделе 5.7 настоящего РД, производится в соответствии с требованиями этого подраздела.
16.1.6. Контроль сварных соединений (за исключением стилоскопирования) должен производиться после термической обработки стыков. Рекомендуется осуществлять операции по контролю готовых сварных соединений в той последовательности, в какой они изложены в настоящем разделе. Ультразвуковой или радиографический контроль следует выполнять после визуального контроля сварных соединений и устранения недопустимых наружных дефектов.
Сроки выполнения контрольных операций должны быть минимальными с тем, чтобы была обеспечена возможность исправления дефектов без нарушения последовательности технологии монтажа или ремонта изделия.
16.1.7. Объем испытаний и количество контрольных сварных соединений, а также объем контроля производственных сварных соединений, в том числе неразрушающими методами, могут быть уменьшены по согласованию с органом Госгортехнадзора России, в случае массового изготовления монтажа и ремонта изделий с однотипными сварными соединениями при неизменном технологическом процессе, специализации сварщиков на определенных видах работ и высоком качестве работ, подтвержденном результатами контроля за период не менее шести месяцев.
16.1.8. Обоснованные отступления от требований настоящего раздела РД в части норм оценки качества сварных соединений для объектов Минтопэнерго могут быть допущены по согласованию с институтами "Оргэнергострой" или "Энергомонтажпроект" в пределах, предусмотренных приложением 21, для конкретных сварных соединений, для других объектов - с любой специализированной научно-исследовательской организацией в области сварки и контроля, приведенной в приложении к правилам Госгортехнадзора России.
16.1.9. Все перечисленные виды и методы контроля должны осуществлять организации, получившие разрешение (лицензию) органов Госгортехнадзора на право проведения контрольных работ.
16.1.10. Использованные в настоящем РД термины и определения, касающиеся контроля качества сварных соединений, приведены в приложении 22.
16.2.1. При монтаже и ремонте изделий, на которые распространяются правила Госгортехнадзора России, стилоскопированию подлежат:
все свариваемые части конструкций и деталей (трубы, арматура, переходы, отводы, тройники, штуцера, бобышки и др.) независимо от наличия сертификата, маркировки и предстоящего срока эксплуатации, которые должны быть по проекту выполнены из легированной стали (кроме марганцовистой и кремнемарганцовистой), при этом устанавливают соответствие марки стали контролируемых изделий марке, указанной в чертежах или ТУ, и определяют содержание характерных легирующих элементов. Стилоскопирование свариваемых деталей производят перед сборкой или непосредственно в процессе сборки, а также после окончания монтажа (ремонта) трубопровода или агрегата в целом;
металл шва сварных соединений, выполненных легированным присадочным материалом (см. табл. 16.1), в объеме 100% стыков трубопроводов и 20% стыков труб поверхностей нагрева каждого котлоагрегата. Стилоскопирование металла шва выполняется до термообработки сварных соединений (за исключением случаев, оговоренных в п. 15.1.3).
16.2.2. При выполнении стилоскопирования деталей и металла шва следует руководствоваться "Унифицированной методикой стилоскопирования деталей и сварных швов энергетических установок" РД 34.10.122-94 (Энергомонтажпроект, 1994) с занесением результатов проверки в журнал по стилоскопированию.
16.2.3. Стилоскопирование следует производить на зачищенных до металлического блеска участках (площадках) поверхности. Сварные соединения, которые выполняли одновременно два сварщика, необходимо стилоскопировать на двух диаметрально противоположных участках шва. В остальных случаях стилоскопирование можно осуществлять на одном участке.
Требования к результатам стилоскопирования металла шва в зависимости от марки присадочного материала приведены в табл. 16.1.
Требования к результатам стилоскопирования металла шва (наплавленного металла)
|
Присадочный материал |
Результаты стилоскопирования |
|
|
электрод |
сварочная проволока (ГОСТ 2246-70) |
|
|
ТМЛ-1У |
Св-08МХ |
Наличие молибдена, отсутствие ванадия и содержание хрома* |
|
ЦУ-2ХМ, |
Св-08ХМ, |
То же |
|
ЦЛ-38 |
Св-08ХМА-2, |
|
|
|
Св-08ХГСМА |
|
|
ЦЛ-20, |
Св-08ХМФА, |
Наличие ванадия и молибдена, отсутствие |
|
ТМЛ-3У, |
Св-08ХМФА-2 |
ниобия и содержание хрома* и марганца. |
|
ЦЛ-39, |
Св-08ХГСМФА |
Содержание марганца более 1% недопустимо |
|
ЦЛ-45 |
|
|
|
- |
Св-12Х11НМФ |
Содержание хрома (10,5-12%), наличие никеля, молибдена, ванадия |
|
|
|
|
|
|
Св-10Х11НВМФ |
Содержание хрома (10,5-12%), молибдена (1-1,3%), вольфрама (1-1,4%), наличие никеля, ванадия |
|
|
|
|
|
- |
Св-01Х19Н9, |
Отсутствие молибдена, ванадия и ниобия, |
|
- |
Св-04Х191Н9 |
содержание хрома (18-20%), никеля (8-10%) |
|
|
|
|
|
- |
Св-06Х19Н9Т |
Отсутствие молибдена, ванадия и ниобия и содержание хрома (18-20%), никеля (8-10%), наличие титана |
|
|
|
|
|
ЦТ-26, |
Св-04Х19Н11М3 |
Отсутствие, ванадия и содержание хрома |
|
ЦТ-26М |
|
(14-21%), никеля (7-12%) и молибдена (1,5-3%) |
|
|
|
|
|
ЭА-400/10У ЭА-400/10Т |
- |
Содержание хрома (16-19%), никеля (9-12%), молибдена (2-3,1%), марганца (1,5-3%) и ванадия (0,3-0,75%) |
|
|
|
|
|
ЦТ-15 |
Св-08Х19Н10Г2Б, |
Содержание хрома (16-24%), никеля (9-14%), |
|
ЦТ-15К |
Св-04Х20Н10Г2Б |
марганца (1-2,5%) и наличие ниобия |
|
|
|
|
|
ЦЛ-25, |
Св-07Х25Н13 |
Отсутствие молибдена, ванадия и ниобия и |
|
ОЗЛ-6, |
|
содержание хрома (22-27%), никеля (11-14%) |
|
ЗИО-8 |
|
|
|
|
|
|
|
ЭА-395/9, |
Св-10Х16Н25АМ6 |
Содержание хрома (13-17%), никеля (23-27%) и молибдена (4,5-7%) |
|
ЦТ-10 |
|
|
|
|
|
|
|
ЦЛ-9 |
- |
Содержание хрома (21-26%), никеля (11-14%), марганца (1,2-2,5%) и наличие ниобия |
___________
* Производятся с целью не допустить ошибочного использования высоколегированных присадочных материалов (с содержанием хрома свыше 4%) для сварки изделий из стали перлитного класса.
Примечание. С помощью переносного стилоскопа процентное содержание никеля может быть определено при наличии его в металле не более 20 %. При большем содержании никеля определяется лишь его наличие и в акте на проверку присадочного материала (см. приложение 19.9) пишется: "Никеля более 20 %".
(Измененная редакция, Изм. № 1)
16.2.4. При неудовлетворительных результатах контроля производят количественный спектральный или химический анализ деталей и металла шва, результаты которого считают окончательными.
16.2.5. Результаты стилоскопирования металла шва фиксируют в журналах контроля и оформляют протоколом по форме приложения 19.18.
16.3.1. Визуальному контролю подвергаются все законченные сварные соединения труб поверхностей нагрева котлов, коллекторов и трубопроводов независимо от марки стали, категорий, типа сварного соединения, назначения и условий работы, включая сварные соединения, не работающие под давлением (приварка к трубам шипов, элементов опор, подвесок и др.).
16.3.2. Перед визуальным контролем сварные швы и прилегающая к ним поверхность основного металла шириной не менее 20 мм (по обе стороны шва) должны быть очищены от шлака, брызг расплавленного металла, окалины и других загрязнений.
16.3.3. Визуальный контроль производится невооруженным глазом или с помощью лупы 4-7-кратного увеличения для участков, требующих уточнения характеристик обнаруженных дефектов, с применением, при необходимости, переносного источника света.
16.3.5. Нормы на допустимые дефекты приведены в табл. 16.2.
Таблица 16.2
Нормы допустимых поверхностных дефектов, выявляемых при визуальном контроле сварных соединений
|
Дефект |
Допустимый максимальный размер дефекта, мм |
Допустимое число дефектов на любых 100 мм шва |
|||||
|
Отступления от размеров и формы шва |
Независимо |
По п. 4.5.7 |
- |
||||
|
Западания (углубления) между валиками и чешуйчатость поверхности шва |
От |
2 |
до |
4 |
вкл. |
1,0 |
|
|
Св. |
4 |
" |
6 |
" |
1,2 |
|
|
|
" |
6 |
" |
10 |
" |
1,5 |
|
|
|
Св. |
10 |
|
|
|
2,0 |
|
|
|
|
|
|
|
|
|
|
|
|
Одиночные включения |
От |
2 |
до |
3 |
вкл. |
0,5 |
3 |
|
|
Св. |
3 |
" |
4 |
" |
0,6 |
4 |
|
|
" |
4 |
" |
5 |
" |
0,7 |
4 |
|
|
" |
5 |
" |
6 |
" |
0,8 |
4 |
|
|
" |
6 |
" |
8 |
" |
1,0 |
5 |
|
|
" |
8 |
" |
10 |
" |
1,2 |
5 |
|
|
" |
10 |
" |
15 |
" |
1,5 |
5 |
|
|
" |
15 |
" |
20 |
" |
2,0 |
6 |
|
|
" |
20 |
" |
40 |
" |
2,5 |
7 |
|
|
Св. |
40 |
|
|
|
2,5 |
8 |
|
|
|
|
|
||||
|
Подрезы основного металла |
Независимо |
0,2** |
- |
||||
|
Отклонения от прямолинейности сварных стыков труб |
Независимо |
Просвет между линейкой и трубой на расстоянии 200 мм от стыка не должен быть более 3 мм |
|||||
___________________
*За размерный показатель принимается: номинальная толщина сваренных деталей - для стыковых сварных соединений деталей одинаковой толщины (при предварительной обработке концов деталей путем расточки, раздачи, калибровки или обжатия - номинальная толщина сваренных деталей в зоне обработки); номинальная толщина более тонкой детали - для стыковых сварных соединений деталей различной номинальной толщины (при предварительной обработке конца более тонкой детали - номинальная толщина в зоне обработки); расчетная высота углового шва - для угловых, тавровых и нахлесточных сварных соединений (для угловых и тавровых сварных соединений с полным проплавлением за размерный показатель допускается принимать номинальную толщину более тонкой детали). Расчетная высота углового шва определяется по ГОСТ 2601-84. При сварке деталей под прямым углом без разделки кромок швом с одинаковыми катетами за расчетную высоту углового шва можно принять 0,8 К, где К - катет шва.
** Подрез размером 0,2 мм и менее измерению не подлежит, определяется визуально.
Нормы на дефекты в корне шва, выявляемые при визуальном контроле в случае возможности осмотра стыков изнутри трубы (выпуклость, вогнутость и непровар корня шва), должны отвечать нормам на эти дефекты, выявляемые при радиографическом контроле (см. табл. 16.6-16.9).
16.3.6. Измерительный контроль сварных соединений (определение размеров швов, смещения кромок, переломов осей, углублений между валиками, чешуйчатости поверхности швов и др.) следует выполнять в местах, где допустимость этих показателей вызывает сомнения при визуальном контроле, если в ПТД нет других указаний. Размеры и форма шва проверяются с помощью шаблонов, размеры дефекта - с помощью мерительных инструментов.
16.3.7. Корневая часть шва должна подвергаться визуальному контролю до заполнения остальной части шва. Этот контроль проводится сварщиком после зачистки поверхности корня шва. Результаты контроля считаются удовлетворительными, если не обнаружены трещины, незаваренные прожоги и кратеры, скопления, поверхностные поры (включения), превышающие нормы табл. 16.2, и другие дефекты, свидетельствующие о нарушении режима сварки или о недоброкачественности сварочных материалов. При обнаружении недопустимых дефектов вопрос о продолжении сварки или способе исправления дефектов должен решать руководитель сварочных работ.
16.3.8. Результаты визуального контроля угловых сварных соединений штуцеров (труб) с коллекторами, барабанами и трубопроводами считаются удовлетворительными, если выдержаны требования, приведенные в табл. 16.2, а также в пп. 5.7.9 и 5.7.10.
Сварные соединения штуцеров с коллекторами или трубопроводами из хромомолибденованадиевой стали, не подвергающиеся после сварки термообработке, необходимо, кроме того, проверять в объеме не менее 10% путем измерений с помощью шаблона размеров и формы шва; при этом должно быть обращено особое внимание на плавность перехода от шва к поверхности штуцера в соответствии с требованиями, изложенными в п. 5.7.10.
16.3.9. Выявленные при визуальном и измерительном контроле дефекты, которые могут быть исправлены (удалены) без последующей заварки выборок, должны быть исправлены до проведения контроля другими методами.
16.4.1. Измерение твердости металла шва производится с целью проверки качества термообработки сварных соединений или качества подогрева в случае приварки штуцеров (труб) к коллекторам и трубопроводам из хромомолибденованадиевой стали без последующей термообработки (в соответствии с требованиями подраздела 5.7).
16.4.2. Измерению твердости металла шва подвергаются:
а) все сварные соединения трубопроводов, выполненные хромомолибденовым и хромомолибденованадиевым присадочным материалом и подвергнутые термообработке;
б) сварные соединения приварки штуцеров (труб) к коллекторам и трубопроводам из хромомолибденовых и хромомолибденованадиевых сталей, выполненные легированным присадочным материалом и подвергнутые термообработке, а также без термообработки (согласно подразделу 5.7) - в объеме не менее 10% (но не менее 2 швов) однотипных сварных соединений, сваренных каждым сварщиком на данном коллекторе или трубопроводе.
16.4.3 Твердость металла шва следует измерять переносными твердомерами на зачищенных до металлического блеска участках его поверхности. На каждом сварном шве должно быть подготовлено не менее трех участков в разных местах по периметру стыка и на каждом участке должно быть проведено не менее трех измерений. На стыках труб диаметром менее 60 мм измерение твердости может производиться на одном участке периметра.
16.4.4. Результаты измерений твердости металла шва после высокого отпуска оцениваются по нормам, приведенным в табл. 16.3.
Таблица 16.3
Допустимые значения твердости металла шва после высокого отпуска
|
Металл шва |
Допустимая твердость НВ металла шва при толщине стенки, мм |
|||
|
20 и менее для стыковых соединений |
более 20 для стыковых соединений, 20 и менее для угловых* соединений |
более 20 для угловых соединений |
|
|
|
09Х1М |
135-240 |
135-230 |
135-220 |
|
|
09Х1МФ** |
150-250 |
150-240 |
150-230 |
|
______________
* За толщину стенки угловых соединений принимается толщина стенки приваренных штуцеров (труб, патрубков).
** На сварных соединениях элементов из стали 12Х1МФ допускается снижение средней твердости до 140 НВ.
Твердость металла шва приварки штуцеров (труб) к коллекторам или трубопроводам из стали 12Х1МФ без термообработки не должна превышать значений, приведенных в п. 5.7.2 настоящего РД.
Твердость металла шва определяется как среднее арифметическое результатов измерений твердости на трех участках. Твердость каждого участка в свою очередь определяется как среднее арифметическое результатов трех измерений, при этом отклонение значения твердости, полученного при любом измерении, от норм, приведенных в табл. 16.3, должно быть не более 7%.
16.4.5. Если твердость металла шва оказалась выше норм, приведенных в табл. 16.3, сварное соединение подлежит повторной термообработке, но не более 3 раз, после чего проводится контроль твердости шва в соответствии с требованиями настоящего подраздела.
16.4.6. Вопрос о возможности допуска в эксплуатацию сварных соединений с твердостью металла шва, не соответствующей нормам (табл. 16.3 с учетом приложения 21), должен решаться заказчиком и специализированной научно-исследовательской организацией.
16.4.7. Результаты измерения твердости должны быть оформлены протоколом (см. приложение 19.17) и занесены в специальный журнал.
16.5. Ультразвуковая и радиографическая дефектоскопия
16.5.1. Для обнаружения возможных внутренних дефектов сварные соединения подлежат ультразвуковой или радиографической дефектоскопии в объемах, указанных в табл. 16.4 и 16.5.
Таблица 16.4
Объемы контроля неразрушающими методами сварных соединений труб котлов и трубопроводов пара и горячей воды
|
Изделие, сварное соединение |
Параметры среды |
Наружный диаметр, мм |
Номинальная толщина стенки, мм |
Метод контроля |
Объем контроля, %*1, не менее |
Минимальное число контролируемых стыков |
Дополнительный объем контроля, %*2 |
|||||||||||||||||||||||||||
|
рабочее давление, МПа (кгс/см2) |
температура, °С |
|||||||||||||||||||||||||||||||||
|
Трубы котлов и трубопроводы, на которые распространяются правила Госгортехнадзора России |
||||||||||||||||||||||||||||||||||
|
1. Коллекторы: |
|
|
|
|
|
|
|
|
||||||||||||||||||||||||||
|
а) стыковые соединения из сталей перлитного и |
Независимо |
³15
|
УЗД |
100 |
- |
- |
||||||||||||||||||||||||||||
|
мартенситно-ферритного классов; |
|
|
|
< 15 |
УЗД-Р |
100 |
- |
- |
||||||||||||||||||||||||||
|
б) стыковые соединения из сталей аустенитного класса и сталей разных структурных классов |
Независимо |
Р |
100 |
- |
- |
|||||||||||||||||||||||||||||
|
в) угловые соединения со штуцерами (трубами) внутренним диаметром 100 мм и более с полным проплавлением (без конструктивного непровара) из сталей перлитного и мартенситно-ферритного классов |
Независимо |
УЗД-Р |
100 |
- |
|
|||||||||||||||||||||||||||||
|
г) места сопряжения стыковых продольных и поперечных швов (независимо от марки стали) повергаемых ультразвуковому контролю |
Независимо |
Р |
100 |
- |
|
|||||||||||||||||||||||||||||
|
2. Трубопроводы в пределах котла и турбины: |
|
|
|
|
|
|
||||||||||||||||||||||||||||
|
а) стыковые соединения из сталей перлитного и мартенситно-ферритного классов |
Независимо |
³15
|
УЗД |
100 |
- |
- |
||||||||||||||||||||||||||||
|
|
Независимо |
³200 |
<15 |
УЗД-Р |
100 |
- |
- |
|||||||||||||||||||||||||||
|
|
>4(40) |
Независимо |
<200 |
<15 |
" |
20(100) |
5 |
100 |
||||||||||||||||||||||||||
|
|
£4(40) |
Независимо |
<200 |
<15 |
" |
10(100) |
5 |
100 |
||||||||||||||||||||||||||
|
б) стыковые соединения из стали аустенитного класса и сталей разных структурных классов |
Независимо |
Р |
100 |
- |
- |
|||||||||||||||||||||||||||||
|
в) места сопряжения продольных и поперечных стыковых швов из сталей перлитного и мартенситно-ферритного классов повергаемых ультразвуковому контролю |
Независимо |
Р |
100 |
- |
- |
|||||||||||||||||||||||||||||
|
3. Трубы поверхностей нагрева - стыковые соединения из сталей: |
|
|
|
|
|
|||||||||||||||||||||||||||||
|
а) перлитного и мартенситно-ферритного классов |
³10 (100) |
Независимо |
УЗД-Р |
100 |
- |
- |
||||||||||||||||||||||||||||
|
|
<10(100) |
" |
" |
5 |
5 |
100 |
||||||||||||||||||||||||||||
|
б) аустенитного класса и сталей разных структурных классов |
Независимо |
Р |
10(100) |
10 |
100 |
|||||||||||||||||||||||||||||
|
4. Трубопроводы пара и горячей воды, детали и элементы из перлитных и мартенситно-ферритных сталей:
|
|
|
|
|
|
|||||||||||||||||||||||||||||
|
а) продольные стыковые соединения |
Независимо |
УЗД-Р |
100 |
- |
- |
|||||||||||||||||||||||||||||
|
|
|
|
|
|
|
5 |
100 |
|||||||||||||||||||||||||||
|
I и II категорий |
- |
- |
Независимо |
³15 |
УЗД |
100 |
- |
- |
||||||||||||||||||||||||||
|
I категории |
- |
- |
³ 200 |
<15 |
УЗД-Р |
100 |
- |
- |
||||||||||||||||||||||||||
|
|
|
|
<200 |
<15 |
" |
20(100) |
5 |
100 |
||||||||||||||||||||||||||
|
II категории |
- |
- |
³ 200 |
<15 |
" |
20(100) |
5 |
100 |
||||||||||||||||||||||||||
|
|
|
|
<200 |
<15 |
" |
10(100) |
4 |
100 |
||||||||||||||||||||||||||
|
III категории |
- |
- |
>465* |
Независимо |
УЗД-Р |
10 |
4 |
100 |
||||||||||||||||||||||||||
|
|
|
|
£ 465 |
" |
" |
5 |
3 |
100 |
||||||||||||||||||||||||||
|
IV категории |
- |
- |
>465* |
Независимо |
УЗД-Р |
6 |
3 |
100 |
||||||||||||||||||||||||||
|
|
|
|
£465 |
" |
" |
3 |
2 |
100 |
||||||||||||||||||||||||||
|
в) угловые соединения со штуцерами (трубами) внутренним диаметром 100 мм и более с полным проплавлением (без конструктивного непровара)
|
Независимо |
УЗД-Р |
100 |
- |
- |
|||||||||||||||||||||||||||||
|
г) детали и изделия для трубопроводов - стыковые соединения секторных отводов: |
|
|
|
|
|
|||||||||||||||||||||||||||||
|
продольные III и IV категорий |
- |
- |
Независимо |
УЗД-Р |
100 |
- |
- |
|||||||||||||||||||||||||||
|
поперечные III категории |
- |
- |
>465 |
Независимо |
УЗД-Р |
30 |
8 |
100 |
||||||||||||||||||||||||||
|
|
|
|
<465 |
" |
" |
15 |
6 |
100 |
||||||||||||||||||||||||||
|
IV категории |
- |
- |
>465 |
" |
УЗД-Р |
18 |
6 |
100 |
||||||||||||||||||||||||||
|
|
|
|
£ 465 |
" |
" |
9 |
4 |
100 |
||||||||||||||||||||||||||
|
д) места сопряжения продольных и поперечных стыковых швов трубопроводов повергаемых ультразвуковому контролю
|
Независимо |
Р |
100*4 |
- |
- |
|||||||||||||||||||||||||||||
|
5. Соединения по п.4 из теплоустойчивых сталей, сваренные при температуре окружающего воздуха ниже 0°С без предварительного подогрева
|
Независимо |
УЗД-Р |
100 |
- |
- |
|||||||||||||||||||||||||||||
|
6. Соединения стыковые и угловые с внутренним диаметром привариваемых штуцеров 100 мм и более из сталей аустенитного класса и сталей разных структурных классов
|
Независимо |
Р |
100 |
- |
- |
|||||||||||||||||||||||||||||
|
7. Соединения стыковые литых деталей между собой и с трубами из сталей перлитного и мартенситно-ферритного классов* 5
|
Независимо |
Р-УЗД |
100 |
- |
- |
|||||||||||||||||||||||||||||
|
8. Трубопроводы сбросные, растопочные, дренажные*6, впрыска, воздушники*6 I и II категорий
|
Независимо |
УЗД-Р |
100 |
- |
- |
|||||||||||||||||||||||||||||
|
9. Трубопроводы выхлопные |
>2,5 (25) |
Независимо |
УЗД-Р |
50 |
5 |
100 |
||||||||||||||||||||||||||||
|
|
£ 2,5 (25) |
Независимо |
УЗД-Р |
10 |
4 |
30-100 |
||||||||||||||||||||||||||||
|
10. Трубопроводы продувочные |
>4 (40) |
Независимо |
УЗД-Р |
50 |
5 |
100 |
||||||||||||||||||||||||||||
|
11. Трубопроводы контрольно-измерительных приборов и средств автоматизации
|
Независимо |
Р-УЗД |
3 |
2 |
9-100 |
|||||||||||||||||||||||||||||
|
Трубопроводы тепловых сетей, на которые распространяются СНиП 3.05.03-85 |
||||||||||||||||||||||||||||||||||
|
12. Паропроводы тепловых сетей |
£ 0,07 (0,7) |
Независимо |
>465 |
Независимо |
УЗД-Р |
6 |
3 |
18-100 |
||||||||||||||||||||||||||
|
|
|
|
£465 |
" |
|
3 |
2 |
9-100 |
||||||||||||||||||||||||||
|
13. Трубопроводы горячей воды тепловых сетей |
£ 2,5 (25) |
£115 |
>465 |
Независимо |
" |
6 |
3 |
18-100 |
||||||||||||||||||||||||||
|
|
|
|
£465 |
" |
" |
3 |
2 |
9-100 |
||||||||||||||||||||||||||
|
14. Паровые и водяные тепловые сети на особо ответственных участках*7 |
Независимо
|
УЗД-Р |
100 |
- |
- |
|||||||||||||||||||||||||||||
____________
* 1 Процент общего числа стыков, выполненных каждым сварщиком.
* 2 Должен быть выполнен, если при контроле данной группы сварных соединений (однотипных стыков) были обнаружены недопустимые дефекты. Первая цифра обозначает объем первого дополнительного контроля; если при этом также будут обнаружены недопустимые дефекты, то необходимо проверить 100% однотипных стыков, выполненных данным сварщиком на данном котлоагрегате или трубопроводе за период времени, прошедший после предыдущего контроля сварных соединений изделия этим же методом.
* 3 Сварные соединения трубопроводов тепловых сетей при диаметре труб более 900 мм контролируются в объеме не менее 15% общего числа однотипных стыков, выполненных каждым сварщиком, но не менее 4 стыков.
* 4 Не засчитывается в объем выборочного контроля поперечных стыковых соединений трубопроводов по п. 4б, г.
* 5 Ультразвуковой контроль труб с литыми деталями проводится только со стороны трубы.
* 6 Для сварных соединений на участках от основного трубопровода до первой запорной задвижки с ручным управлением.
* 7 Особо ответственные участки - это участки, прокладываемые в непроходных каналах под проезжей частью дорог, в футлярах, тоннелях или технических коридорах совместно с другими инженерными коммуникациями, а также участки на следующих пересечениях: железных дорог и трамвайных путей на расстоянии не менее 4 м, электрифицированных железных дорог не менее 11 м от оси крайнего пути; железных дорог общей сети на расстоянии не менее 3 м от ближайшего земляного полотна; автодорог на расстоянии не менее 2 м от края проезжей части, укрепленной полосы обочины или подошвы насыпи; метрополитена на расстоянии не менее 8 м от сооружений; кабелей силовых, контрольных и связи на расстоянии не менее 2 м; газопроводов на расстоянии не менее 4 м; магистральных газопроводов и нефтепроводов на расстоянии не менее 9 м; зданий и сооружений на расстоянии не менее 5 м от стен и фундаментов.
Примечания. 1. УЗД - ультразвуковой контроль; Р - радиографический контроль; УЗД-Р - ультразвуковой или радиографический контроль (первым указан более предпочтительный метод).
2. В графе 7 в скобках приведен объем неразрушающего контроля в соответствии с указанием бывш. Минэнерго СССР № С-371-14 от 10.11.89 г., который является обязательным для объектов Минтопэнерго России.
(Измененная редакция, Изм. № 1)
Объемы контроля неразрушающими методами сварных соединений технологических трубопроводов и газопроводов (независимо от диаметра трубопровода)
|
Изделие, сварное соединение |
Рабочее давление, МПа (кгс/см2) |
Метод контроля |
Объем контроля, %* 1, не менее |
Минимальное число контролируемых стыков |
Дополни- тельный объем контроля, %* 2 |
|
1. Технологические трубопроводы (системы регулирования турбины, мазутопроводы, маслопроводы, кислотной промывки), подпадающие под действие СНиП 3.05.05-84 |
Независимо |
УЗД-Р |
100 |
- |
- |
|
2. Газопроводы природного газа (трубопроводы горючего газа), подпадающие под действие СНиП 3.05.02-88 |
|
|
|
|
|
|
а) наружные надземные и внутренние; |
>0,005 до 1,2 |
Р-УЗД* 3 |
5 |
1 |
10-100 |
|
|
(>0,05 до 12) вкл. |
|
|
|
|
|
б) подземные (кроме указанных в п. "в") |
≤0,005 (≤0,05) |
" |
10 |
1 |
20-100 |
|
|
>0,005 до 0,3 |
" |
50 |
1 |
100 |
|
|
(>0,05 до 3) вкл. |
|
|
|
|
|
|
>0,3 до 1,2 |
" |
100 |
- |
- |
|
|
(>3 до 12) вкл. |
|
|
|
|
|
в) подземные, прокладываемые в сильно - и среднепучинистых и просадочных грунтах; |
≤0,005 (≤0,05) |
" |
25 |
1 |
50-100 |
|
г) прокладываемые в особых условиях* 4 |
Независимо |
" |
100 |
- |
- |
|
3. Трубопроводы наружного водоснабжения и канализации, подпадающие под действие СНиП 3.05.04-85. |
≤1 (10) |
" |
2 |
1 |
4-100 |
|
|
>1 (10) до 2(20) вкл. |
" |
5 |
2 |
10-100 |
|
|
>2 (20) |
" |
10 |
3 |
20-100 |
|
То же, прокладываемые в особых условиях* 5 |
Независимо |
" |
100 |
- |
- |
________________
* 1, * 2 - см. сноски 1 и 2 к табл. 16.4.
*4 Особые условия по СНиП 3.05.02-88 - это прокладка газопроводов под проезжей частью, под железнодорожными путями, в футлярах, в пределах перехода через водные и другие естественные преграды, при пересечении коммуникационных коллекторов каналов, тоннелей на расстоянии не менее 10 м от фундамента здания, 5 м от края пересекаемого сооружения, коммуникационных коллекторов, каналов, тоннелей 50 м от края пересекаемого земляного полотна железной дороги, 3 м от коммуникационных коллекторов и каналов (в том числе тепловых сетей); газопроводы, подвешенные к мостам, в районах с сейсмичностью свыше 7 баллов и на подрабатываемых территориях.
*5 Особые условия по СНиП 3.05.04-85 - это прокладка трубопроводов под и над железнодорожными и трамвайными путями, через водные преграды, под автомобильными дорогами, в городских коллекторах при совмещенной прокладке с другими инженерными коммуникациями. Длину контролируемых участков трубопроводов следует принимать не менее: для железнодорожных и трамвайных путей - по 40 м в каждую сторону от крайних путей; для автомобильных дорог - по 25 м в каждую сторону от конца насыпи (выемки); для водных преград - в соответствии с разд. 6 СНиП 2.05.06-85; для других инженерных сооружений - по 4 м в каждую сторону от крайних границ пересекаемого сооружения.
Примечание. См. примечание 1 к табл. 16.4.
Применение других физических методов контроля, модернизированных или автоматизированных вариантов существующих, а также замену одного метода другим либо их сочетанием разрешается производить по инструкции, согласованной с Госгортехнадзором России.
16.5.2. Отступления от предусмотренного объема ультразвукового или радиографического контроля сварных соединений при монтажных и ремонтных работах могут быть допущены в случае технической невозможности проведения контроля или недопустимости радиографического контроля по условиям охраны труда. В таких случаях допускается либо уменьшить объем ультразвукового или радиографического контроля, либо заменить этот вид контроля послойным визуальным контролем в процессе сварки с фиксацией результатов в специальном журнале и контролем готового сварного соединения магнитопорошковой или капиллярной дефектоскопией или методом травления.
Такие отступления оформляются совместным техническим решением дирекции электростанции, организации, выполняющей контроль, и специализированной научно-исследовательской организации.
16.5.3. Радиографический и ультразвуковой контроль кольцевых сварных соединений при 100% контроле проводится по всему периметру стыка. Сварные соединения труб поверхностей нагрева из-за недоступности контроля по всему периметру могут контролироваться на длине не менее 50% периметра стыка.
Ультразвуковому контролю должны подвергаться только соединения с полным проплавлением (без конструктивного непровара).
При выборочном контроле трубопроводов (объем контроля менее 100%) каждое сварное соединение должно быть проверено не менее чем на трех участках.
Объем выборочного контроля стыковых поперечных соединений и угловых соединений труб или штуцеров условным проходом 250 мм и менее разрешается относить не к протяженности каждого соединения, а к общему количеству однотипных соединений, выполненных каждым сварщиком на каждом котле и трубопроводе. В этом случае каждое контролируемое соединение следует проверять по всей длине, а минимальное количество соединений должно быть не менее пяти.
При выборочном контроле отбор контролируемых сварных соединений или участков должен проводиться отделом технического контроля предприятия из числа наиболее трудновыполнимых или вызывающих сомнения по результатам визуального и измерительного контроля.
16.5.4. Кроме указанного в табл. 16.4 обязательного ультразвукового контроля с поперечной ориентацией преобразователя относительно продольной оси шва, сварные соединения из хромомолибденованадиевых сталей подвергаются ультразвуковому контролю с продольной ориентацией преобразователя относительно продольной оси шва (для определения поперечных трещин) в объеме 100% в следующих случаях:
если сварные стыковые соединения труб имеют номинальную толщину более 60 мм;
если сварные стыковые соединения литых деталей между собой и с трубами имеют толщину деталей в месте сварки более 35 мм;
если сварные стыковые соединения подвергнуты ремонту с последующей подваркой и имеют номинальную толщину элементов более 35 мм; в случае длины подваренного участка менее 1/4 периметра стыка ультразвуковому контролю может подвергаться участок, включающий подваренную часть и 30-40 мм основного шва с каждой стороны подварки; при большей длине подварки ультразвуковому контролю на поперечные трещины подвергается весь периметр стыка.
16.5.5. Радиографическую дефектоскопию производят согласно требованиям ГОСТ 7512-82 и РД 34.10.068-91 "Соединения сварные оборудования тепловых электростанций. Радиографический контроль".
Нормы предельно допустимых несплошностей приведены в табл. 16.6 и 16.7, допустимых выпуклости и вогнутости корня шва - в табл. 16.8 и 16.9. При радиографическом контроле сварных соединений через две стенки нормы оценки качества следует принимать по тому же размерному показателю, что и при контроле через одну стенку.
Нормы допустимых дефектов, выявляемых радиографическим контролем в сварных соединениях изделий, на которые распространяются правила Госгортехнадзора России, и технологических трубопроводов по п. 1 табл. 16.5
|
Размерный показатель сварного соединения, мм |
Минимальный фиксируемый размер включения, мм |
Одиночные включения и скопления |
Протяженные одиночные включения |
Непровар в корне шва стыков с односторонним доступом без подкладного кольца, мм |
||||||||||
|
допустимый максимальный размер, мм |
условия допустимости на любом участке сварного соединения длиной 100 мм |
допустимые |
допустимое число на любом участке сварного соединения протяженностью 100 мм |
высотой (глубиной)* |
суммарной длиной |
|||||||||
|
включения |
скопления |
допустимое число |
допустимая суммарная приведенная площадь, мм2 |
максимальный размер, мм |
максимальная ширина, мм |
|||||||||
|
От |
2,0 |
до |
3,0 |
вкл. |
0,10 |
0,6 |
1,0 |
12 |
2,0 |
5,0 |
0,6 |
2 |
0,3 |
|
|
Св. |
3,0 |
" |
4,0 |
" |
0,20 |
0,8 |
1,2 |
12 |
3,5 |
5,0 |
0,8 |
2 |
0,4 |
|
|
" |
4,0 |
" |
5,0 |
" |
0,20 |
1,0 |
1,5 |
13 |
5,0 |
5,0 |
1,0 |
2 |
0,5 |
|
|
" |
5,0 |
" |
6,5 |
" |
0,20 |
1,2 |
2,0 |
13 |
6,0 |
5,0 |
1,2 |
3 |
0,6 |
20% |
|
" |
5,6 |
" |
8,0 |
" |
0,20 |
1,5 |
2,5 |
13 |
8,0 |
5,0 |
1,5 |
3 |
0,8 |
внутреннего |
|
" |
8,0 |
" |
10,0 |
" |
0,30 |
1,5 |
2,5 |
14 |
10,0 |
5,0 |
1,5 |
3 |
1,0 |
|
|
Св. |
10,0 |
до |
12,0 |
вкл. |
0,30 |
2,0 |
3,0 |
14 |
12,0 |
6,0 |
2,0 |
3 |
1,2 |
периметра |
|
" |
12,0 |
" |
14,0 |
" |
0,40 |
2,0 |
3,0 |
15 |
14,0 |
6,0 |
2,0 |
3 |
1,4 |
|
|
" |
14,0 |
" |
18,0 |
" |
0,40 |
2,5 |
3,5 |
15 |
16,0 |
6,0 |
2,5 |
3 |
1,8 |
|
|
" |
18,0 |
" |
22,0 |
" |
0,50 |
3,0 |
4,0 |
16 |
20,0 |
7,0 |
3,0 |
3 |
2,0 |
|
|
" |
22,0 |
" |
24,0 |
" |
0,50 |
3,0 |
4,5 |
16 |
25,0 |
7,0 |
3,0 |
3 |
2,0 |
|
|
" |
24,0 |
" |
28,0 |
" |
0,60 |
3,0 |
4,5 |
18 |
25,0 |
8,0 |
3,0 |
3 |
2,0 |
|
|
" |
28,0 |
" |
32,0 |
" |
0,60 |
3,5 |
5,0 |
18 |
31,0 |
8,0 |
3,5 |
3 |
2,0 |
20% |
|
" |
32,0 |
" |
35,0 |
" |
0,60 |
3,5 |
5,0 |
20 |
35,0 |
9,0 |
3,5 |
3 |
2,0 |
внутреннего |
|
" |
35,0 |
" |
38,0 |
" |
0,75 |
3,5 |
5,0 |
20 |
35,0 |
9,0 |
3,5 |
3 |
2,0 |
|
|
" |
38,0 |
" |
44,0 |
" |
0,75 |
4,0 |
6,0 |
21 |
41,0 |
10,0 |
4,0 |
3 |
2,0 |
периметра |
|
" |
44,0 |
" |
50,0 |
" |
0,75 |
4,0 |
6,0 |
22 |
47,0 |
11,0 |
4,0 |
3 |
2,0 |
|
|
" |
50,0 |
" |
60,0 |
" |
1,00 |
4,0 |
6,0 |
23 |
55,0 |
12,0 |
4,0 |
4 |
2,0 |
|
|
" |
50,0 |
" |
70,0 |
" |
1,00 |
4,0 |
6,0 |
24 |
65,0 |
13,0 |
4,0 |
4 |
2,0 |
|
|
" |
70,0 |
" |
85,0 |
" |
1,25 |
5,0 |
7,0 |
25 |
78,0 |
14,0 |
5,0 |
4 |
2,0 |
|
|
" |
85,0 |
" |
100,0 |
" |
1,50 |
5,0 |
7,0 |
26 |
92,0 |
14,0 |
5,0 |
4 |
2,0 |
|
|
Св. |
100,0 |
|
|
|
2,00 |
5,0 |
8,0 |
27 |
115,0 |
14,0 |
5,0 |
4 |
2,0 |
|
____________
* Высоту (глубину) дефектов определяют по имитаторам или эталонным снимкам.
Нормы
допустимых дефектов, выявляемых радиографическим контролем в сварных
соединениях изделий, на которые не распространяются правила Госгортехнадзора
России
|
Изделия |
Номинальная толщина стенки, мм |
Требуемая чувствительность снимка, мм* |
Одиночные включения, скопления и цепочки |
Дефекты в корне шва при сварке с односторонним доступом без подкладного кольца, мм |
|||||||||||||
|
максимальный размер, мм |
суммарная длина на любом участке шва дли- ной 100 мм, мм |
Максимальное число включений и скоплений на любые 100 мм шва |
непровары и вогнутость |
выпуклость |
|||||||||||||
|
ширины включения |
длины включения |
скопления |
цепочки |
высотой (глубиной)** |
суммарной длиной |
||||||||||||
|
|
|
|
|
|
|
|
|
|
|
|
|||||||
|
Трубопроводы КИПиА*** |
Св. 1 до 1,5 |
0,1 |
0,4 |
0,6 |
- |
1,2 |
4 |
0,2 |
|
0,4 |
|||||||
|
|
" |
1,5 |
" |
2 |
0,2 |
0,5 |
0,8 |
- |
1,5 |
4 |
0,2 |
|
0,6 |
||||
|
|
" |
2 |
" |
3 |
0,2 |
0,6 |
1 |
- |
2 |
4 |
0,3 |
20% внутреннего |
0,8 |
||||
|
|
" |
3 |
" |
4 |
0,2 |
0,8 |
1,2 |
- |
2,5 |
4 |
0,4 |
периметра |
1 |
||||
|
|
" |
4 |
" |
5 |
0,3 |
1 |
1,5 |
- |
3 |
4 |
0,5 |
|
1,2 |
||||
|
|
" |
5 |
" |
6,5 |
0,3 |
1,2 |
2 |
- |
4 |
4 |
0,6 |
|
1,5 |
||||
|
Газопроводы по СНиП 3.05.02-88 |
До 3 |
0,2 |
0,8 |
3 |
5 |
8 |
8 |
- |
0,4 |
1/4 внутреннего |
Не ограничивается |
||||||
|
|
Свыше |
3 |
до |
5 |
0,3 |
1,0 |
4 |
6 |
10 |
10 |
- |
0,6 |
периметра |
|
|||
|
|
Свыше |
5 |
до |
8 |
0,4 |
1,2 |
5 |
7 |
12 |
12 |
- |
1,0 |
|
|
|||
|
|
" |
8 |
" |
11 |
0,5 |
1,5 |
6 |
9 |
15 |
15 |
- |
1,5 |
|
|
|||
|
|
" |
11 |
" |
1 |
0,6 |
2,0 |
8 |
12 |
20 |
20 |
- |
2 |
|
|
|||
|
|
" |
14 |
" |
20 |
0,75 |
2,5 |
10 |
15 |
25 |
25 |
- |
2 |
|
|
|||
|
|
|
|
|
|
|
|
|
|
|
|
|
|
|
|
|||
|
Трубопроводы тепловых сетей по СНиП 3.05.03-85 |
До 3 |
|
|
|
0,2 |
1,0 |
5 |
8 |
10 |
10 |
- |
0,3 |
1/3 внутреннего |
0,6 |
|||
|
|
Свыше |
3 |
до |
5 |
0,3 |
1,2 |
6 |
10 |
12 |
12 |
- |
0,5 |
периметра |
1 |
|||
|
|
" |
5 |
" |
8 |
0,4 |
1,5 |
8 |
12 |
15 |
15 |
- |
0,8 |
|
1,5 |
|||
|
|
" |
8 |
" |
11 |
0,5 |
2,0 |
10 |
15 |
20 |
20 |
- |
1 |
|
2 |
|||
|
|
" |
11 |
" |
14 |
0,6 |
2,5 |
15 |
20 |
25 |
25 |
- |
1,2 |
|
2 |
|||
|
|
" |
14 |
" |
20 |
0,75 |
3,0 |
20 |
25 |
30 |
30 |
- |
1,5 |
|
2 |
|||
_________________
* Требуемая чувствительность снимка приведена применительно к канавочным эталонам и радиографированию через две стенки. При радиографировании через одну стенку чувствительность снимка определяют по ГОСТ 7512-82.
** Высоту (глубину) дефектов определяют по имитаторам или эталонным снимкам.
*** Указанные в графе 8 нормы для трубопроводов КИПиА относятся к участку шва длиной 10 мм в месте максимальной концентрации включений и скоплений.
Нормы
допустимой выпуклости корня шва, выявляемой радиографическим контролем
в сварных соединениях изделий, на которые распространяются правила
Госгортехнадзора России, при односторонней сварке без подкладных колец
|
Номинальный внутренний диаметр сваренных элементов, мм |
Допустимая максимальная высота выпуклости корня шва, мм |
|
До 25 вкл. |
1,5 |
|
Св. 25 до 150 вкл. |
2,0 |
|
Св. 150 |
2,5 |
Примечание. Для сварных соединений, подвергаемых контролю прогонкой металлического калибра (шара), приведенные в таблице нормы не являются обязательными.
Нормы
допустимой вогнутости корня шва, выявляемой радиографическим контролем
в сварных соединениях изделий, на которые распространяются правила
Госгортехнадзора России , при односторонней сварке без подкладных колец
|
Номинальная толщина стенки сваренных элементов, мм |
Допустимая максимальная высота (глубина) вогнутости корня шва, мм |
||||
|
От |
2,0 |
до |
2,8 |
вкл. |
0,6 |
|
Св. |
2,8 |
" |
4,0 |
." |
0,8 |
|
" |
4,0 |
" |
6,0 |
" |
1,0 |
|
" |
6,0 |
" |
8,0 |
" |
1,2 |
|
Св. |
8,0 |
" |
|
|
1,5 |
16.5.6. Зафиксированные на радиографических снимках включения и скопления с максимальным размером менее значений минимально фиксируемого размера включения, указанного в табл. 16.6, или менее требуемой чувствительности, приведенной в табл. 16.7, допускается не учитывать как при подсчете числа одиночных включений и одиночных скоплений и их суммарной приведенной площади или суммарной длины, так и при рассмотрении расстояний между включениями (скоплениями).
Любую совокупность включений, которая может быть вписана в квадрат с размером стороны, не превышающим значения допустимого максимального размера одного включения, можно рассматривать как одно сплошное одиночное включение.
Любую совокупность включений, которая вписывается в прямоугольник с размерами сторон, не превышающими значений допустимого максимального размера и допустимой максимальной ширины протяженного одиночного включения, можно рассматривать как одно сплошное протяженное одиночное включение.
16.5.7. В случае отсутствия протяженных одиночных включений или наличия их в количестве менее допустимого по нормам табл. 16.6 и 16.7, вместо них могут быть допущены в соответствующем количестве одиночные включения и (или) одиночные скопления допустимых размеров без их учета при подсчете суммарной эквивалентной площади или суммарной длины включений и одиночных скоплений.
16.5.8. Ультразвуковой контроль сварных стыков трубных систем котлов и трубопроводов и их деталей должен выполняться в соответствии с требованиями ГОСТ 14782-86 и методическими руководящими документами, согласованными с Госгортехнадзором России.
Нормы допустимых отдельных несплошностей в зависимости от их эквивалентной площади и числа приведены в табл. 16.10 и 16.11.
Примечания. 1. При ультразвуковом контроле одиночной считается несплошность, для которой расстояние по поверхности сканирования между двумя соседними несплошностями не менее условной протяженности несплошности, указанной в графе 6 табл. 16.10, или значение эквивалентной площади на противоположных ее краях не превышает значений, указанных в графе 3 табл. 16.11.
2. При определении одиночности выявленных несплошностей учитываются расстояния только между фиксируемыми несплошностями.
Нормы допустимых несплошностей, выявляемых ультразвуковым контролем в сварных соединениях изделий, на которые распространяются правила Госгортехнадзора России
|
Размерный показатель сварного соединения |
Эквивалентная площадь одиночных несплошностей, мм2 |
Максимально допустимое число фиксируемых одиночных несплошностей на любых 100 мм протяженности сварного соединения |
Протяженность несплошностей |
|||||
|
минимально фиксируемая |
максимально допустимая |
суммарная в корне шва |
одиночных в сечении шва |
|||||
|
Св. |
2 |
до |
3 |
0,3 |
0,6 |
6 |
20% внутреннего периметра соединения |
Не более условной протяженности максимально допустимой эквивалентной несплошности |
|
" |
3 |
" |
4 |
0,45 |
0,9 |
6 |
|
|
|
" |
4 |
" |
5 |
0,6 |
1,2 |
7 |
|
|
|
" |
5 |
" |
6 |
0,6 |
1,2 |
7 |
|
|
|
" |
6 |
" |
9 |
0,9 |
1,8 |
7 |
|
|
|
" |
9 |
" |
10 |
1,2 |
2,5 |
7 |
|
|
|
" |
10 |
" |
12 |
1,2 |
2,5 |
8 |
|
|
|
" |
12 |
" |
18 |
1,8 |
3,5 |
8 |
|
|
|
" |
18 |
" |
26 |
2,5 |
5,0 |
8 |
|
|
|
" |
26 |
" |
40 |
3,5 |
7,0 |
9 |
|
|
|
" |
40 |
" |
60 |
5,0 |
10,0 |
10 |
|
|
|
" |
60 |
" |
80 |
7,0 |
15,0 |
11 |
|
|
|
|
80 |
" |
120 |
10,0 |
20,0 |
11 |
|
|
Примечание. Нормы эквивалентной площади приведены для отверстий с плоским дном по ГОСТ 14782. Допускается контроль по другим отражателям, если обеспечена идентичность их эквивалентной площади, подтвержденная процедурами пересчета, предусмотренными ГОСТ 14782, или свидетельством об аттестации используемого отражателя и образца, выданным специализированной научно-исследовательской организацией в области контроля.
Таблица 16.11
|
Изделие |
Номинальная толщина, мм |
Размеры (площадь) эквивалентных отдельных несплошностей |
Максимальное количество отдельных несплошностей на любых 100 мм шва |
Протяженность несплошностей условная, мм |
|
||||||
|
минимально фиксируемые, дБ |
максимально допустимые при эталонировании по зарубке, мм × мм |
отдельных |
суммарная |
|
|||||||
|
Газопроводы по СНиП 3.05.02-88 |
До 4 |
На 6 дБ ниже- |
2,0×0,8 |
Не нормируется |
Не нормируется |
25 на 300 мм длины |
|
||||
|
Св. |
4 |
до |
6 |
эхо-сигнала |
2,0×0,8 |
|
|
шва или |
|
||
|
|
" |
6 |
" |
8 |
от максимально |
2,0×1,0 |
|
|
10% |
|
|
|
|
" |
8 |
" |
12 |
2,0×1,5 |
|
|
периметра |
|
||
|
|
" |
12 |
" |
15 |
допустимой |
2,0×2,0 |
|
|
при длине |
|
|
|
|
" |
15 |
" |
20 |
несплошности |
2,5×2,0 |
|
|
сварного |
|
|
|
|
" |
20 |
" |
26 |
3,0×2,0 |
|
|
соединения |
|
||
|
|
" |
26 |
" |
40 |
|
3,0×2,5 |
|
|
менее 300 мм |
|
|
|
|
|
|
|
|
|
|
|
В сечении шва |
|
|
|
|
Трубопроводы тепловых сетей по СНиП 3.05.03-85, КИПиА, |
До 4 |
На 6 дБ ниже эхо-сигнала от максимально |
2,0×0,8 |
6 |
5 |
В корне шва 1/3 внутреннего периметра шва |
|||||
|
технологические |
Св. |
4 |
до |
8 |
допустимой |
2,0×1,0 |
7 |
10 |
|
||
|
|
" |
8 |
" |
15 |
несплошности |
2,5×2,0 |
8 |
20 |
|
||
|
|
" |
15 |
" |
20 |
3,5×2,0 |
8 |
20 |
|
|||
Примечания:
1. Для угловых сварных соединений труб с полным проплавлением кромок (без конструктивного непровара) максимально допустимая и наименьшая фиксируемая эквивалентные площади на 3 дБ ниже площадей, установленных в графах 3-4.
2. Допускается эталонирование чувствительности и оценка эквивалентной площади несплошностей по другим отражателям соблюдением требований примечания к табл. 16.10.
3. При
изготовлении угловых отражателей точность выполнения их размеров должна быть не
менее
0,1 мм.
16.5.9. Мерой эквивалентной площади несплошностей является амплитуда отраженного от нее эхо-сигнала. Оценку эквивалентной площади осуществляют либо прямым сравнением с площадью эквивалентных отражателей, указанных в графе 3 табл. 16.10 и графе 4 табл. 16.11, либо с помощью специальных АРД-диаграмм. Условная протяженность несплошности не должна превышать условную протяженность эталонного отражателя.
16.5.10. Качество сварных соединений по результатам радиографического или ультразвукового контроля оценивают по двухбалльной системе:
балл 1 - неудовлетворительное качество (в соединении выявлены недопустимые несплошности или число допустимых несплошностей превышает установленные нормы);
балл 2 - удовлетворительное качество (в соединении выявлены только допустимые несплошности числом менее установленных норм или не обнаружены несплошности, выявляемые при заданном уровне чувствительности используемой методики контроля).
16.5.11. Сварные соединения независимо от их подведомственности оценивают баллом 1, если в них при контроле любым из неразрушающих методов выявлены следующие дефекты:
трещины любых видов и направлений, расположенные в металле шва, по линии сплавления и в околошовной зоне основного металла;
непровары (несплавления), расположенные у поверхности и по сечению сварного соединения (между основным металлом и швом, а также между отдельными валиками и слоями);
незаваренные (или не полностью заваренные) прожоги;
свищи;
непровары в корне шва в стыках, сваренных с остающимся подкладным кольцом или расплавляемой вставкой;
несплошности, размеры или число которых превышают нормы, приведенные в табл. 16.6, 16.7, 16.10 и 16.11;
выпуклость и вогнутость корня шва, превышающие нормы табл. 16.8 и 16.9.
16.5.12. Сварные соединения оценивают баллом 2, если размеры и число обнаруженных в них несплошностей не превышают норм, приведенных в табл. 16.6, 16.7, 16.10 и 16.11, или несплошности не обнаружены при заданном минимально фиксируемом размере включения или при заданном уровне чувствительности.
16.5.13. Для сварных соединений или их участков протяженностью менее 100 мм указанные в табл. 16.6, 16.7, 16.10 и 16.11 нормы числа и суммарной приведенной площади протяженности несплошностей должны быть пропорционально уменьшены. Дробные значения допустимого числа включений и скоплений в этом случае округляют до ближайшего целого.
16.6.1. Разрушающий контроль путем механических испытаний и металлографических исследований сварных соединений проводят в целях проверки соответствия прочностных и пластических свойств, характеристик макро- и микроструктуры, формы, размеров и сплошности различных участков сварного соединения требованиям настоящего РД и другой НТД. Механические испытания сварных соединений выполняются по ГОСТ 6996-66 и включают испытания на растяжение, на изгиб или сплющивание, на ударный изгиб. Металлографические исследования включают исследования макроструктуры, сплошности и формы шва, микроструктуры различных зон сварного соединения.
16.6.2. Механические испытания и металлографические исследования выполняют:
при аттестации технологии сварки объектов, на которые распространяются правила Госгортехнадзора России - в объеме, указанном в подразделе 3.5 настоящего РД;
при контроле сварочных материалов - в случае и в объеме, регламентированных указаниями раздела 3 настоящего РД; при контроле квалификации сварщиков - во время их аттестации или допуска к работе; при контроле производственных сварных соединений.
Допускается совмещать механические и металлографические испытания при аттестации технологии сварки (кроме первичной), проверке сварочных материалов и испытаниях сварщиков.
а) путем механических испытаний - стыковых сварных соединений, выполненных газовой и контактной сваркой;
б) путем металлографических исследований - стыковых соединений, выполненных газовой и контактной сваркой; деталей из сталей разных структурных классов независимо от способа сварки; угловых и тавровых сварных соединений (в том числе соединений труб или штуцеров с коллекторами и трубопроводами), а также тройниковых соединений независимо от способа сварки.
Не являются обязательными испытания на растяжение и металлографические исследования контрольных сварных соединений, выполненных газовой сваркой, при условии контроля производственных стыков УЗД, или радиографированием в объеме 100%, а также испытания на ударный изгиб для труб и деталей с толщиной стенки менее 12 мм элементов котлов, работающих под давлением менее 8 МПа (80 кгс/см2) при расчетной температуре стенки не выше 450°С, трубопроводов пара и горячей воды II-IV категорий.
16.6.4. Контроль производственных сварных соединений трубопроводов, на которые не распространяются правила Госгортехнадзора России, проводится путем механических испытаний допускных (пробных) стыков, а для газопроводов, кроме того, путем механических испытаний контрольных стыков: надземных и внутренних газопроводов всех давлений диаметром менее 50 мм; надземных и внутренних газопроводов давлением до 0,005 МПа (0,05 кгс/см2) диаметром 50 мм и более; подземных (наземных) газопроводов всех давлений, сваренных газовой сваркой.
Допускные стыки свариваются в соответствии с требованиями п. 3.1.3, а также в случае, если сварщик приступает к сварке новой группы однотипных стыков, которые он на данном объекте не сваривал.
Механические испытания проводятся в соответствии с требованиями п. 16.6.8.
16.6.5. Механические испытания и металлографические исследования проводят на образцах, изготавливаемых из:
сварных соединений, свариваемых для проведения производственной аттестации технологии сварки (см. подраздел 3.5);
сварных соединений, свариваемых для проверки качества сварочных материалов (см. пп. 3.4.14 и 3.4.19);
контрольных сварных соединений (стыков), вырезаемых из штатного изделия (либо из допускного стыка) или свариваемых одновременно со сваркой этого изделия для оценки качества готовых производственных сварных соединений в соответствии с требованиями настоящего подраздела.
Контрольные сварные соединения должны быть идентичны контролируемым производственным стыкам по марке стали, размерам труб (при контроле однотипных сварных соединений - по одному из типоразмеров), конструкции и виду соединения и выполнены по технологическому процессу, применяемому при изготовлении, монтаже или ремонте котлов и трубопроводов (тем же методом сварки, с использованием соответствующих сварочных материалов, на тех же режимах, с тем же подогревом и т.п.). Сварные соединения (или вырезанные из них образцы) должны быть термообработаны (если термообработке подвергаются производственные стыки) по режиму, регламентированному требованиями раздела 15.
16.6.6. Число контрольных сварных соединений, контролируемых в соответствии с п. 16.6.3 (для изделий, подконтрольных Госгортехнадзору России), должно быть не менее одного на все однотипные производственные сварные соединения, выполненные каждым сварщиком в течение 6 месяцев (в том числе для разных заказов).
После перерыва в работе сварщика более 3 месяцев следует выполнять новое контрольное сварное соединение. Из каждого контрольного сварного соединения изготавливается не менее:
двух образцов для испытания на статическое растяжение;
двух образцов для испытания на статический изгиб;
трех образцов для испытания на ударный изгиб;
одного образца (шлифа) для металлографических исследований при контроле сварных соединений из углеродистой и низколегированной стали и двух образцов - при контроле сварных соединений из высоколегированной стали.
В случае невозможности вырезки всех предусмотренных настоящим пунктом образцов из одного контрольного стыка образцы в требуемом количестве должны быть вырезаны из двух или нескольких контрольных стыков, при этом число выполняемых контрольных стыков должно быть соответственно увеличено.
16.6.7. Механические испытания контрольных стыков труб, поверхностей нагрева котлов и трубопроводов пара и горячей воды наружным диаметром 108 мм и менее при толщине стенки менее 12 мм можно проводить как на отдельных образцах, вырезанных из контрольного стыка, так и на целых стыках со снятым усилением. В последнем случае испытание на изгиб заменяется испытанием на сплющивание, а минимальное число контрольных стыков должно быть не менее одного для каждого из предусмотренных видов испытаний.
для газопроводов - не менее 0,5% общего числа стыков, сваренных каждым сварщиком в течение календарного месяца при сооружении объекта;
для прочих трубопроводов - не менее 1% общего числа стыков, сваренных на данном объекте независимо от числа сварщиков.
В случае, если производственные стыки трубопроводов (кроме газопроводов) подвергаются неразрушающему контролю в объеме 100%, механические испытания не производятся.
По окончании изготовления контролируемого соединения, включая термическую обработку (если она предусмотрена), сварное соединение должно быть, проверено теми же неразрушающими методами контроля (УЗД или радиографией), которые предусмотрены для производственных сварных соединений. При неудовлетворительных результатах контроля контрольные соединения должны быть изготовлены в удвоенном количестве. Если и при повторном неразрушающем контроле будут получены неудовлетворительные результаты, общий результат считается неудовлетворительным. В этом случае должны быть подвергнуты дополнительной проверке качество материала, оборудование и квалификация сварщика.
16.6.9. Из каждого контрольного стыка трубопроводов, на которые не распространяются правила Госгортехнадзора России, вырезаются:
из стыка газопровода (условным диаметром свыше 50 мм) - три образца для испытания на растяжение, три образца для испытания на изгиб;
из стыка прочих трубопроводов - два образца для испытания на растяжение, два образца для испытания на изгиб, три образца для испытания на ударный изгиб (для технологических трубопроводов Ру более 10 МПа и I категории по СН 527-80 при толщине стенки 12 мм и более).
Стыки газопроводов условным диаметром до 50 мм включительно испытываются целыми стыками (с неснятым усилением) на растяжение и (со снятым усилением) на сплющивание. Таким же образом могут испытываться контрольные стыки прочих трубопроводов диаметром 108 мм и менее при толщине стенки менее 12 мм.
16.6.10. Заготовку из контрольных стыков для изготовления образцов вырезают механическим способом. Разрешается вырезать заготовки огневой резкой, кроме контрольных стыков из хромомолибденованадиевой стали. В этом случае заготовка должна быть сделана до термообработки (если она предусмотрена) и должен быть оставлен припуск не менее 5 мм на каждую сторону реза для образцов, подвергаемых механическим испытаниям, и 10 мм для образцов, предназначенных для металлографических исследований. Окончательная форма придается образцам путем механической обработки без применения предварительной правки.
16.6.11. Из вертикальных контрольных стыков, сваренных без поворота труб, заготовки образцов вырезают по схеме, приведенной на рис. 16.1. Для горизонтальных стыков можно применять любое расположение заготовок по окружности стыка.
Рис. 16.1. Схемы вырезки образцов из вертикальных неповоротных контрольных стыков:
а - стык труб котлов и трубопроводов пара и горячей воды, подведомственных Госгортехнадзору России, из углеродистых и низколегированных сталей; б - то же из высоколегированных сталей аустенитного или мартенситно-ферритного класса; в - то же из углеродистых и низколегированных сталей при контроле только корневого слоя шва, выполненного аргонодуговой сваркой; г - стык газопроводов и технологических трубопроводов; Р- заготовки под образцы для испытаний на растяжение; З - заготовки под образцы для испытаний на изгиб; У - заготовки под образцы для испытания на ударный изгиб; М - заготовки под образцы для металлографических исследований
16.6.12. Форма и размеры образцов для механических испытаний должны соответствовать ГОСТ 6996-66.
Размеры плоских образцов, вырезанных из стыков труб при толщине стенки 12 мм и более, и размеры образцов, вырезанных из стыков труб поверхностей нагрева, для испытания на растяжение должны составлять (рис. 16.2), мм:
|
S........ |
До 6 |
7-10 |
11-25 |
26-50 |
51-75 |
|
|
15 |
20 |
25 |
30 |
35 |
|
|
25 |
30 |
35 |
40 |
45 |
|
l.......... |
50 |
60 |
100 |
160 |
200 |
Рис.16.2. Форма и размеры образцов для испытаний сварных соединений на растяжение:
а - для толстостенных труб; б - для тонкостенных труб
Длина захватной части образца h устанавливается в зависимости от конструкции испытательной машины:
L=l+2h
16.6.13. Образцы для испытания на растяжение и изгиб, вырезанные из контрольных стыков трубопроводов при толщине стенки до 30 мм включительно, необходимо изготовлять на всю толщину основного металла. Усиление шва и остатки подкладных колец следует снять заподлицо с основным металлом.
Состругивать усиление у образцов, предназначенных для испытания на растяжение, необходимо поперек шва, при этом основной металл можно снять на всей рабочей части образца на глубину до 1 мм с каждой стороны. При изготовлении плоских образцов (рис. 16.2, а и 16.3, а) состругивание корня шва должно быть минимальным, позволяющим придать образцу необходимую прямоугольную форму. Удаление корня шва при изготовлении образцов из стыков труб поверхностей нагрева не разрешается.
16.6.14. Испытание на изгиб производят по схеме, показанной на рис. 16.3, б.
Рис. 16.3. Испытание на
изгиб: b=1,5S, но не менее 10 мм;
; D=2S;
, но не
более 25 мм; ![]()
16.6.15. При толщине стенки трубопровода более 30 мм, если основной металл труб имеет временное сопротивление более 500 МПа (50 кгс/мм2) и мощность разрывной машины недостаточна для испытания стандартных образцов на растяжение, допускается состругивание образцов со стороны усиления шва до 25 мм (рис. 16.4).

Рис.16.4. Схема вырезки и размеры образца
для испытания на растяжение сварных соединений при размере
> 30
мм (размер h устанавливается в зависимости от конструкции испытательной
машины)
16.6.16. Испытание на изгиб сварных соединений трубопроводов при толщине стенки более 30 мм следует производить на образцах, изготовленных во всю толщину стенки трубы, шириной h = 20 мм, при этом испытания образцов проводят "на ребро". Размеры образца и схема испытания на изгиб "на ребро" приведены на рис. 16.5.

Рис. 16.5. Испытание на
изгиб "на ребро" сварных образцов из толстостенных труб (при S>
30 мм): а -схема вырезки и размеры образцов; б -схема испытаний;
-
диаметр пуансона;
мм
-длина образца;
;
; l
- сварной
шов; грани образца на длине l закруглить
Размеры образца и схема испытания на сплющивание даны на рис. 16.6.

Рис. 16.6. Испытание на сплющивание: а - размеры образца; б - схема испытания на сплющивание;
Dн - наружный диаметр трубы; L - длина образца; S - толщина стенки трубы; b - просвет между сжимающими поверхностями в момент появления трещины
(Измененная редакция, Изм. № 1)
16.6.17. Для испытания сварного соединения на ударный изгиб образцы изготовляют из средней части шва с надрезом, расположенным по середине образца со стороны раскрытия шва.
16.6.18. Все механические испытания необходимо производить при комнатной температуре.
а) временное сопротивление разрыву при испытании однородных сварных соединений на растяжение должно быть не ниже минимально допустимого для основного металла, а при испытании сварных соединений элементов с разными нормативными значениями временного сопротивления - не ниже минимально допустимого значения временного сопротивления разрыву менее прочной из свариваемых сталей. Для сварных соединений из стали 15ГС, подвергнутых термообработке, временное сопротивление разрыву должно быть не ниже 451 МПа (46 кгс/мм2). Для сварных соединений труб из стали 20, выполненных газовой сваркой, временное сопротивление разрыву должно быть не ниже 373 МПа (38 кгс/мм2);
б) угол изгиба при испытании сварных соединений на изгиб должен отвечать требованиям табл. 16.12; просвет "b" между сжимающими поверхностями при испытании сварных стыков на сплющивание независимо от марки стали труб должен быть при появлении первой трещины не более величины, подсчитанной по формуле:
.
в) ударная вязкость при испытаниях на ударный изгиб сварных соединений на образцах типа VI по ГОСТ 6996-66 должна быть не менее 49 Дж/см2 (5 кгс·м/см2) для сварных соединений элементов из стали перлитного и мартенситно-ферритного классов и не менее 69 Дж/см2 (7 кгс·м/см2) для сварных соединений элементов из стали аустенитного класса.
(Измененная редакция, Изм. № 1)
Таблица 16.12
Требования к результатам испытания сварных соединений на изгиб и сплющивание
|
Тип (класс) сталей сваренных деталей |
Номинальная толщина сваренных деталей, S, мм |
Угол изгиба при испытании на изгиб, град. (не менее) |
|
|
трубопроводы всех назначений, кроме газопроводов |
газопроводы по СНиП 3.05.02-88 |
||
|
Углеродистые |
До 20 вкл. |
100 (70)* |
120 |
|
|
Св. 20 |
80 |
(100) |
|
Низколегированные |
До 20 вкл. |
80 (50) |
120 |
|
конструкционные |
Св. 20 |
60 |
(100) |
|
Хромомолибденовые и хромомолибденованадиевые перлитного |
До 20 вкл. |
50 (30) |
- |
|
класса и высоколегированные хромистые мартенситно-ферритного класса |
Св. 20 |
40 |
|
|
Хромоникелевые аустенитного класса |
До 20 вкл. |
150 |
- |
|
|
Св. 20 |
120 |
|
___________
* В скобках указаны значения угла изгиба для сварных соединений, выполненных газовой сваркой.
(Измененная редакция, Изм. № 1)
16.6.20. Показатели механических свойств определяются как среднее арифметическое результатов, полученных на заданном числе образцов (по каждому виду испытаний для каждого контрольного сварного стыка). Общий результат испытаний считается неудовлетворительным, если результаты испытаний хотя бы одного из образцов ниже установленных норм: по временному сопротивлению разрыву и углу изгиба - более чем на 10%; по ударной вязкости - более чем на 10 Дж/см2 (1 кгс·м/см2).
16.6.21. При получении неудовлетворительных результатов по какому-либо виду механических испытаний допускаются повторные испытания на удвоенном числе образцов, вырезанных из тех же контрольных сварных соединений. Если невозможно вырезать требуемое количество образцов из тех же контрольных стыков (а также проверить механические свойства испытанием целых стыков), повторные механические испытания (в удвоенном объеме) необходимо провести на производственных стыках, которые выполнил тот же сварщик, вырезанных из контролируемого изделия. Если при повторном испытании хотя бы на одном из образцов получены результаты, не отвечающие установленным нормам, то общий результат механических испытаний считается неудовлетворительным.
16..6.22. Изломы образцов, которые получены при механических испытаниях, следует просматривать и обнаруженные крупные дефекты заносить в протоколы механических испытаний. При выявлении хотя бы на одном образце трещин или других дефектов, выходящих за пределы норм, установленных настоящим РД, даже при удовлетворительных результатах механических испытаний и приемлемых результатах металлографического исследования образцы необходимо забраковывать.
16.6.23. Образцы (шлифы) для металлографического исследования сварных соединений нужно вырезать поперек шва. Образцы для макроисследования всех сварных соединений и для микроисследования сварных соединений элементов при толщине стенки менее 25 мм должны включать все сечение шва, обе зоны термического влияния, прилегающие к ним участки основного металла, а также подкладное кольцо, если оно применялось и не подлежит удалению на производственных стыках. Образцы для микроисследования сварных соединений элементов с толщиной стенки 25 мм и более могут включать лишь часть сечения соединения. При этом расстояние от линии сплавления до краев образца должно быть не менее 12 мм, а площадь контролируемого сечения - не менее 25×25 мм. При изготовлении образцов для металлографического исследования угловых и тавровых сварных соединений, выполненных на трубных элементах, контролируемые сечения необходимо разрезать вдоль оси штуцера (трубы). Исследование макроструктуры сварных соединений и швов ребер с трубами следует производить на поперечном разрезе пробного образца.
а) трещины любых размеров и всех видов и направлений, расположенные в металле шва, по линии сплавления и в околошовной зоне основного металла. В стыках труб из стали аустенитного класса допускаются отдельные надрывы протяженностью не более 0,3 мм в пределах одного слоя, вызванные усадкой металла при обрыве дуги (один надрыв в данном сечении шва);
б) непровары (несплавления), расположенные у поверхности и по сечению сварного соединения (между основным металлом и металлом шва, а также между отдельными валиками и слоями);
в) поры, расположенные в виде сплошной сетки, незаваренные (или не полностью заваренные) прожоги, свищи, смещения внутренних кромок состыкованных труб (деталей), превышающие нормы;
г) местные непровары, вогнутость или выпуклость корня шва (рис. 16.7), превышающие нормы (см. табл. 16.6-16.9);

Рис. 16.7 Дефекты корня шва: а - выпуклость корня шва на участке стыка, сваренного в нижнем положении; б - вогнутость корня шва на участке стыка, сваренного в потолочном положении; в - непровар в корне шва
Таблица 16.13
Допустимые размеры включений, выявляемые при металлографическом исследовании
|
Номинальная толщина стенки труб (деталей) в стыковых соединениях или меньший катет шва в угловых, мм |
Допустимый наибольший размер одиночных включений и скоплений, мм |
Максимально допустимое число включений (скоплений) в шлифе |
Максимально допустимый
показатель К |
|
До 5 |
0,5 |
4 |
1,3 |
|
Свыше 5 до 6,5 |
0,6 |
4 |
1,4 |
|
Свыше 6,5 до 8,5 |
0,8 |
4 |
1,7 |
|
Свыше 8,5 до 12 |
1 |
4 |
2 |
|
Свыше 12 до 20 |
1,3 |
5 |
2,5 |
|
Свыше 20 до 35 |
2 |
6 |
3,5 |
|
Свыше 35 до 50 |
2,5 |
7 |
5 |
|
Свыше 50 |
3 |
8 |
8 |
Примечания. 1. Включения (скопления) с максимальным размером до 0,2 мм включительно не учитываются.
2. Расстояние между любыми двумя включениями и скоплениями должно составлять не менее трехкратного наибольшего размера любого из двух рассматриваемых включений или скоплений.
д) поры, шлаковые и вольфрамовые включения, превышающие нормы, приведенные в табл. 16.13. Показатель концентрации дефектов КД определяется как сумма наибольших линейных размеров (по высоте шва) всех допустимых дефектов (объемных включений, непровара, смещения кромок и др.), выявленных на любой полосе шириной 10 мм, проходящей по высоте шва или параллельно линии сплавления. Схема подсчета приведена на рис. 16.8.

Рис. 16.8. Схема подсчета показателя
концентрации дефектов (КД): ![]()
16.6.25. В околошовной зоне сварных соединений элементов из стали аустенитного класса, выполненных ручной дуговой сваркой, не допускается действительное зерно крупнее номера 1 по шкале ГОСТ 5639-82 для основного металла.
16.6.26. При микроисследовании сварных соединений, выполненных газовой сваркой на элементах из стали перлитного класса, не допускаются в металле шва и околошовной зоне зерна номера 1 и крупнее по шкале ГОСТ 5639-82, участки с мартенситной структурой.
16.6.27. При микроисследовании сварных соединений труб из аустенитных сталей структура металла шва должна быть аустенитной с незначительным количеством карбидов, равномерно распределенных по полю и границам зерен, и феррита в случае применения аустенитно-ферритных электродов. Зона термического влияния должна иметь аустенитную структуру с небольшим количеством карбидов, равномерно распределенных по сечению зоны.
16.6.28. При микроисследовании сварных соединений труб, поверхностей нагрева котлов из сталей мартенситно-ферритного класса, выполненных ручной дуговой сваркой аустенитным присадочным материалом, типичными структурами являются: для наплавленного металла - аустенит с ферритными прослойками по границам зерен и единичными выделениями карбидов, для высокотемпературной зоны термического влияния - ферритно-аустенитная. Допускается наличие ферритной полосы вдоль линии сплавления со стороны основного металла.
16.6.29. Если при металлографическом исследовании контрольных сварных стыков в соответствии с п. 16.6.3 б, проверенных ультразвуком или радиографией, обнаружены недопустимые внутренние дефекты, которые по нормам этих методов контроля должны и могли быть выявлены примененным методом неразрушающего контроля, то все производственные сварные соединения, контролируемые дефектным стыком, подлежат 100% проверке тем же методом дефектоскопии независимо от предусмотренного и выполненного объема неразрушающего контроля. Эту проверку должен осуществлять наиболее опытный и квалифицированный дефектоскопист. Дефектоскописту, проверявшему контрольный стык, и пропустившему в нем дефект, выполнять указанный контроль производственных стыков не разрешается.
16.7.1. Контроль прогонкой металлического шара производится с целью проверки обеспечения заданного проходного сечения в сварных соединениях труб поверхностей нагрева котлов.
16.7.2. Контроль прогонкой металлического шара проводится в случаях, оговоренных конструкторской документацией.
16.7.3. Диаметра шара должен быть равен 0,8D (где D - наименьший внутренний диаметр трубы с учетом допусков на наружный диаметр и толщину стенки).
D подсчитывается по формуле:
,
где Da - номинальный наружный диаметр; ∆Da - минусовый допуск на наружный диаметр трубы; S - номинальная толщина стенки трубы; ∆S - плюсовой допуск на толщину стенки трубы.
(Измененная редакция, Изм. № 1)
16.7.4. Контроль прогонкой металлического шара должен проводиться по технологии, изложенной в производственной инструкции, разработанной для монтажа котла конкретного типа.
16.8.1. Капиллярный или магнитопорошковый контроль сварных соединений проводится с целью определения поверхностных дефектов при ремонте сварных соединений в соответствии с разделом 17 либо для уточнения результатов визуального и других методов контроля.
16.8.2. Капиллярный контроль должен проводиться в соответствии с ГОСТ 18442-80, магнитопорошковый - с ГОСТ 21105-87 и унифицированными методиками контроля ПНАЭ Г-7-018-89 и ПНАЭ Г-7-015-89.
При капиллярном контроле класс чувствительности должен быть не ниже III, при магнитопорошковом - не ниже уровня Б.
16.8.3. При капиллярном контроле сварных соединений по индикаторным следам наличие удлиненных и неодиночных индикаторных следов является браковочным признаком. Число округлых одиночных индикаторных следов не должно превышать норм, установленных табл. 16.2 для одиночных включений, а наибольший размер каждого индикаторного следа не должен превышать трехкратных значений этих норм.
16.8.4. Нормы оценки качества при магнитопорошковом контроле должны соответствовать нормам для визуального контроля (п. 16.3.4 и табл. 16.2).
16.8.5. Выявленные при контроле по пп. 16.8.3 и 16.8.4 дефекты допускается оценивать по фактическим показателям размеров после удаления реактива или эмульсии (порошка). При этом следует руководствоваться требованиями п. 16.3.4 и табл. 16.2. Результаты этой оценки должны считаться окончательными.
16.9.1. Все сварные соединения котлов и трубопроводов пара и горячей воды, на которые распространяются правила Госгортехнадзора России, проверяют на прочность и плотность гидравлическим испытанием. Пробное давление, технология проведения и оценка результатов гидравлического испытания устанавливаются соответствующими правилами Госгортехнадзора России.
Сварные соединения газопроводов проверяют гидравлическим (или пневматическим) испытанием в соответствии с требованиями СНиП 3.05.02-88.
Сварные соединения технологических трубопроводов, на которые распространяются СНиП 3.05.05-84, проверяют гидравлическим испытанием в соответствии с требованиями этих СНиП.
Сварные соединения прочих трубопроводов проверяют гидравлическим испытанием, если это указано в чертеже, технических условиях или инструкции на изготовление изделия. При отсутствии в этих документах указаний о величине пробного давления она должна быть равна 1,25 рабочего (избыточного), но не менее 0,2 МПа (2 кгс/см2).
16.9.2. Результаты гидравлического испытания считаются удовлетворительными, если манометр не показывает падение давления, а в сварных швах не обнаружено течи, "слезок" и "потения" и изделие не получило видимых остаточных деформаций.
17.1. Настоящий раздел распространяется на исправление дефектов в сварных соединениях, выполненных в условиях монтажа и ремонта, в которых дефекты исправляются до эксплуатации сварных соединений.
Исправление дефектов в сварных соединениях (заводских, монтажных, ремонтных), бывших в эксплуатации, должно производиться по технологии, согласованной:
для объектов Минтопэнерго - с Всероссийским теплотехническим институтом (ВТИ) (за исключением штуцерных соединений, технология ремонта которых регламентирована подразделом 5.7, и ремонта барабанов котлов давлением до 4 МПа согласно разделу 18);
для других объектов - с любой специализированной научно-исследовательской организацией в области сварки, приведенной в приложении к правилам Госгортехнадзора России.
В заводских сварных соединениях, не бывших в эксплуатации, дефекты исправляют по технологии завода - поставщика оборудования либо по ПТД, разработанной в соответствии с требованиями правил Госгортехнадзора России, РД 2730.940.102-92 и РД 2730.940.103-92.
17.2. Исправление с помощью сварки дефектов в литых деталях, не бывавших в эксплуатации, производится в соответствии с требованиями РД 108.021.112-88 "Исправление дефектов в литых корпусных деталях паровых турбин и арматуры методом заварки без термической обработки" (НПО ЦКТИ, ВТИ) либо по технологии, согласованной с заводом-изготовителем. Технология исправления с помощью сварки дефектов в новых сварно-кованых и сварно-штампованных деталях должна быть согласована с заводом-изготовителем либо с НПО ЦНИИТМаш или ЦКБА.
Исправление дефектов с помощью сварки в таких деталях, бывших в эксплуатации на объектах Минтопэнерго, должно производиться по технологии, разработанной или согласованной ВТИ, на объектах других ведомств - по технологии, разработанной или согласованной ВТИ или одной из специализированных научно-исследовательских организаций по технологии сварки, приведенных в приложении к правилам Госгортехнадзора России.
17.3. Поверхностные и подповерхностные дефекты в стыках трубопроводов и труб поверхностей нагрева котлов (в том числе в корневых слоях, выполненных аргонодуговой сваркой) должны исправляться следующим образом:
а) чрезмерные усиления сварных швов удалить механическим способом, недостаточные усиления - исправить подваркой предварительно зачищенного шва;
б) наплывы удалить механическим способом и при необходимости подварить;
в) подрезы и углубления между валиками подварить, предварительно зачистив место подварки;
г) сквозной прожог или непровар в корневом слое, выполненном аргонодуговой сваркой (до заполнения остальной части разделки), исправить ручной аргонодуговой сваркой с применением присадочной проволоки соответствующей марки.
Исправление поверхностных и под поверхностных дефектов без последующей заварки мест их выборки допускается на сварных соединениях в случае, если остающаяся толщина металла в месте максимальной глубины выборки не менее расчетной толщины стенки, но не менее 75% ее номинальной толщины.
17.4. Размеры подлежащих заварке выборок сварных швов (в том числе заходящих в основной металл) не ограничиваются.
Допускается удаление дефектных участков воздушно-дуговой, воздушно-плазменной или кислородной строжкой (резкой) с последующей обработкой поверхности выборки механическим способом с удалением слоя металла на сварных соединениях из углеродистых и кремнемарганцовистых сталей до полной ликвидации следов строжки (резки); на сварных соединениях из других легированных сталей - с удалением слоя толщиной не менее 1 мм. Стыки труб из хромомолибденовых и хромомолибденованадиевых сталей при толщине стенки более 10 мм перед огневой строжкой (резкой) следует подогревать до 200-300°С.
Кромки выборки следует плавно вывести на поверхность трубы или шва; в поперечном сечении выборка должна иметь чашеобразную форму разделки. Исправляемый участок после выборки с целью проверки полноты удаления дефекта контролируется визуально и капиллярной или магнитопорошковой дефектоскопией либо путем травления соответствующим реактивом.
Форма и размеры выборки и последующей ее заварки в зависимости от места расположения дефекта и типа стали, приведены на рис. 17.1.

Рис. 17.1. Формы выборки и подварочного шва при исправлении дефектов в сварных соединениях: а, б - из углеродистых и низколегированных сталей для температур эксплуатации до 510°С и хромомолибденовых сталей для температур эксплуатации до 545°С. Исправление дефектов в металле шва (а) и в ЗТВ соединения (б); в - из хромомолибденованадиевых сталей для температур эксплуатации до 560-570°С. Исправление дефектов в металле шва и в ЗТВ соединения; г - подготовка к заварке участка со сквозной трещиной
При обработке выборки согласно рис. 17.1, в (в хромомолибденованадиевых сталях) необходимо обязательно удалить зону термического влияния металла трубы, образовавшуюся при сварке основного шва.
Если исправляют стык с трещиной, то ее концы должны быть точно определены путем травления или капиллярным методом и засверлены сверлом диаметром 2-3 мм, после чего дефектный металл удаляют полностью. При сквозной трещине для удобства последующего заплавления целесообразно оставлять слой металла толщиной 2-2,5 мм в качестве подкладки нового шва (эту толщину проверяют несколькими сквозными сверлениями) (рис. 17.1, г). Подварку в этом случае нужно начинать с переплавления оставшейся части стенки с трещиной, причем сварщик должен следить за полным (сквозным) расплавлением стенки; если перед электродом перемещается маленькое сквозное отверстие, то это означает, что сварка идет с полным проваром.
17.6. Подварку дефектного участка и наплавку для исправления шва следует выполнять с применением присадочного материала, предназначенного для сварки данного стыка (табл. 2.1, 2.4 и 13.1). Перед подваркой или наплавкой стык независимо от толщины стенки трубы и марки стали необходимо подогреть по всему периметру до температуры предварительного подогрева, регламентированной при сварке стыков труб из стали этой марки.
Один и тот же участок может быть исправлен не более 3 раз.
Под участком понимается прямоугольник наименьшей площади, в контур которого вписывается подлежащая заварке (или уже заваренная) выборка, и примыкающая к нему поверхность на расстоянии, равном трехкратной ширине этого прямоугольника.
17.7. После заварки выборки стык подвергается термообработке по всему периметру в случае, если глубина выборки (толщина подварки) равна или больше толщины элемента сварного соединения, для которого согласно табл. 15.1 требуется термообработка. При выполнении подварки стыков труб из хромомолибденованадиевой стали аналогичным присадочным материалом (металл шва 09Х1МФ) термообработка должна проводиться независимо от размеров (глубины) подварки. Режимы термообработки должны соответствовать табл. 15.1 для данной марки стали, однако длительность выдержки может быть сокращена на один-два часа, но должна быть не менее одного часа.
17.8. Исправленные с помощью сварки стыки нужно подвергнуть 100% визуальному контролю, ультразвуковой дефектоскопии или радиографии, а также магнитопорошковому или капиллярному контролю.
Контролируемая зона должна включать место заварки и прилегающие к нему участки шириной не менее 20 мм сварного шва и 10 мм основного металла.
17.9. В продольных швах газоплотных панелей паровых котлов дефекты в виде трещин, распространяющихся в пределах плавников (не захватывая тело трубы), исправляют путем подварки. Для этого дефектное место вышлифовывают, обеспечивая плавные очертания выборок, проверяют капиллярным методом или травлением очертания дефекта, рассверливают концы трещины и заваривают электродами диаметром 2,5-3 мм. Если после вышлифовки трещины в плавнике образовалась сквозная щель шириной более 4 мм, на это место ставят пластину из стали, аналогичной по химическому составу стали свариваемых плавниковых труб, и приваривают ее к трубам в соответствии с указаниями, приведенными в разделе 14.
17.10. Если трещины проходят и в теле плавниковых труб, дефектное место необходимо удалить вместе с участком трубы, как это показано на рис. 17.2. Огневым способом разрезают плавники на участке с обнаруженными дефектами, а затем вырезают трубу (рис. 17.2, а). С обеих сторон выреза удаляют плавники на длине 60 мм. Плавники и торцы труб перед сваркой обрабатывают механическим способом. К сварке подготавливают отрезок плавниковой трубы (рис. 17.2, б), вводят его в вырез с зазором 0,5-1,5 мм и сваривают сначала один стык, затем другой - аргонодуговым либо комбинированным способом.

Рис. 17.2. Схема вырезки участка трубы с трещиной и размеры ремонтной вставки:
1 - трещина; 2 - вырезаемый участок трубы; 3 - вырезаемые участки плавников; 4 - разрезы по продольным швам с обеих сторон вырезаемого участка труб
После сварки кольцевых соединений сначала выполняют продольные швы по плавникам, а затем уплотняют "окна" по технологии, изложенной в разделе 14.
17.11. Исправленные в соответствии с пп. 17.9 и 17.10 дефекты в сварных соединениях газоплотных панелей контролируются согласно разделу 14 (пп. 14.2.6, 14.3.17, 14.4.7).
17.12. При ремонте сварных соединений оформляют ту же техническую документацию, что и в процессе монтажа трубопроводов и труб поверхностей нагрева котла. Кроме того, составляют акт на переварку дефектных стыков.
______________________
* Ремонт барабанов котлов высокого давления должен производиться в соответствии с "Основными положениями по обследованию и технологии ремонта барабанов котлов высокого давления из сталей 16ГНМ, 16ГНМА и 22К" (М.: Союзтехэнерго, 1978) либо по технологии, согласованной с заводом-изготовителем барабана или с одной из специализированных организаций в области сварки, приведенными в приложении к правилам Госгортехнадзора России.
18.1.2. В настоящем разделе рассматривается ремонт путем наплавки коррозионных раковин, заварки трещин, вварки заплат, устранения не плотностей вальцовочных соединений и глушения трубных отверстий, как в новых барабанах, так и в барабанах, бывших в эксплуатации.
Вварка штуцерных соединений в барабаны должна производиться в соответствии с требованиями подраздела 5.7, а ремонт сварных соединений - раздела 17.
18.1.3. Ремонт барабанов котлов должен выполняться по технологии, разработанной для каждого конкретного случая в соответствии с требованиями настоящего РД и согласованной с заводом-изготовителем котла (барабана) или специализированной научно-исследовательской организацией в области сварки, приведенной в приложении к "Правилам устройства и безопасной эксплуатации паровых и водогрейных котлов" Госгортехнадзора России .
18.1.4. Выполнение всех сварочных и наплавочных операций, изложенных в настоящем разделе, должны производиться с использованием электродов типа Э50А (УОНИ-13/55, ТМУ-21У, ЦУ-5 и др.) диаметром 2,5-4 мм.
Результаты визуального контроля должны отвечать требованиям пп. 16.3.4 и 16.3.5, ультразвукового - табл. 16.10, радиографического - табл. 16.6.
18.1.6. Обнаруженные при контроле недопустимые дефекты в сварных соединениях должны быть исправлены в соответствии с указаниями раздела 17.
18.2.2. Дефектный участок должен быть тщательно зачищен и определены его границы. Удаление дефектного металла следует производить абразивным инструментом, не допуская острых углов и резких переходов.
После удаления дефектного металла поверхность выборки подвергается травлению 10% раствором азотной кислоты в спирте и тщательному визуальному контролю; если будут обнаружены трещины, то они должны быть выбраны абразивным кругом или исправлены в соответствии с требованиями п. 17.5.
18.2.3. Наплавка выполняется многослойной. Первый слой валиков накладывается перпендикулярно образующей барабана, каждый последующий - перпендикулярно предыдущему. Каждый валик должен перекрывать соседний на 1/3-1/2 его ширины.
В случае, если поверхность раковины после удаления дефектного металла превышает 200-250 см2, ее заварка производится следующим образом. Первый слой (или два первых слоя) накладываются перпендикулярно образующей барабана. Затем вся площадь выборки разбивается на квадратные участки со стороной 50-100 мм, которые наплавляются в последовательности, указанной цифрами на рис. 18.1 с таким расчетом, чтобы валики располагались под углом 90° к валикам соседних участков.

Рис. 18.1. Заплавка раковины
18.2.4. После окончания наплавки вся ее поверхность обрабатывается абразивным кругом заподлицо с основным металлом и производится контроль качества наплавленного участка согласно п. 18.1.5.
18.3.1. Поверхность барабана в районе обнаруженной трещины должна быть тщательно зачищена до металлического блеска, определены границы распространения трещины, произведена разделка места будущей заварки и контроль полноты удаления дефектного металла в соответствии с требованиями п. 17.5.
При глубине трещины размером более 1/3 толщины стенки барабана разделку трещины производят насквозь и ремонтируют как сквозную трещину.
Если ширина разделки в корне шва составляет 12-40 мм, то подкладную планку можно не удалять, обварив ее по периметру ниточным швом, а в концах разделки установить штуцерные заглушки, обработав предварительно концы разделки резцом или абразивным кругом под наружный диаметр заглушки (рис. 18.2). Штуцерные заглушки целесообразно устанавливать также в качестве разгрузочных элементов посреди протяженных трещин (длиной более 300-400 мм) в случае, если трещина располагается в местах барабана с низкой деформационной способностью (вблизи приваренных ребер жесткости, перегородок, днищ барабана).

Рис. 18.2. Заварка трещины в барабане котла с установкой штуцерных заглушек в концах трещины
При значительной ширине разделки в корне шва (более 30-40 мм) следует устанавливать заплату шириной не менее 100 мм в соответствии с требованиями подраздела 18.4.
18.3.3. Заварка трещины при ее длине более 150 мм производится обратноступенчатым способом с минимальным разогревом металла.
18.3.5. В случае расположения нескольких трещин в одном месте, ограниченном окружностью не более 100 мм (рис. 18.3), целесообразно исправить такой дефект путем вварки заглушки. Для этого сначала устанавливаются методом травления границы распространения трещин, затем дефектное место удаляется путем высверливания или газовой резки с последующей обработкой отверстия абразивным кругом либо резцом (фрезой), устанавливается заглушка и обваривается согласно требованиям подраздела 18.5.

Рис. 18.3. Исправление скопления трещин путем вварки заглушки
18.3.6. Заварка трещин в мостиках между трубными отверстиями допускается, если их длина (при расположении трещин цепочкой через несколько мостиков - суммарная длина) не превышает 10% длины мостиков в направлении трещины. При большей длине трещин или концентрации их на большом участке ремонт этого участка барабана производят путем вварки заплаты.
18.4.1. Вварка заплат (вставок) в тело барабана производится в том случае, если дефекты в виде трещин, раковин, выпучин, вмятин, коррозионных растрескиваний настолько значительны или охватывают такую большую поверхность барабана, что устранить их путем наплавки или заварки нецелесообразно или невозможно (см. пп. 18.2.1 и 18.3.2).
Если заплата устанавливается в районе трубных отверстий, то сварные швы не должны пересекать трубные отверстия.
18.4.2. Заплата должна изготавливаться из листовой стали одной из марок, приведенных в п. 18.1.1. Толщина заплаты должна быть равна толщине барабана или превышать ее не более чем на 3 мм.
Металл, из которого изготавливается заплата, должен иметь сертификат завода-изготовителя.
18.4.3. Форма вырезки дефектного участка барабана должна по возможности приближаться к кругу, овалу или прямоугольнику с радиусом закругления в углах не менее 50 мм. Кромка реза должна отстоять от дефекта на расстоянии не менее 30 мм.
Лист, из которого будет изготавливаться заплата, должен быть проконтролирован на сплошность, изогнут на вальцах или другим способом радиусом, равным радиусу барабана.
Вырезка дефектного участка барабана и заплаты из листа производится по шаблону кислородной, плазменно-дуговой или воздушно-дуговой резкой с припуском на механическую обработку для удаления следов огневой резки.
Размеры заплаты должны быть такими, чтобы при установке ее в барабан зазор по всему периметру был в пределах 2-4 мм.
Кромки на заплате и барабане обрабатываются под стыковое соединение с углом скоса 15° и притуплением 1,5-2 мм.
18.4.4. Подготовку кромок заплаты и барабана следует выполнять таким образом, чтобы по возможности избегать потолочных швов. Поэтому если заплата ставится в нижней части барабана, то раскрытие кромок должно быть внутрь барабана и, следовательно, сварка должна производиться изнутри. В случае постановки заплаты в верхней части барабана раскрытие кромок делается с наружной стороны барабана, и сварка производится снаружи.
18.4.5. Заплаты небольшого размера (длиной или диаметром до 200 мм) устанавливаются с равномерным зазором 2-4 мм и прихватываются через каждые 150-200 мм швами длиной 15-20 мм и высотой 8-10 мм. Заплаты большего размера следует устанавливать с помощью сборочных планок, приваренных к заплате по всему периметру с обеих сторон (внутренней и наружной) на таком расстоянии друг от друга, чтобы было обеспечено правильное положение заплаты относительно барабана (рис. 18.4). Сборочные планки могут быть изготовлены из любой марки стали, указанной в п. 18.1.1, длиной 100-150 мм, сечением примерно 20×10 мм. Заплата устанавливается со смещением так, чтобы с двух сторон зазор совсем отсутствовал или был меньше, чем с противоположных сторон, где он должен составлять 3-5 мм.

Рис. 18.4. Установка заплаты на сборочных планках
18.4.6. Сварка начинается со стороны, собранной с зазором, и ведется обратноступенчатым способом участками длиной 150-200 мм от ее середины в направлении и последовательности, указанными на рис. 18.4 стрелками и цифрами. По мере заполнения разделки сборочные планки срубаются, и места приварки планок зачищаются абразивным инструментом.
После заполнения разделки шва производится подварка корня с предварительной зачисткой и, при необходимости, с подрубкой металла шва.
18.4.7. Поверхность сварного шва с обеих сторон должна быть обработана абразивным инструментом согласно требованиям п. 18.3.4.
18.5.1. В случае необходимости глушения трубного отверстия барабана применяют одну из конструкций заглушек, приведенных на рис. 18.5.
Рис. 18.5. Конструкция заглушек трубных отверстий барабана: а - заглушка колпачковая;
б - заглушка с приварным донышком; в - заглушка на резьбе
Колпачковая заглушка (рис. 18.5, а) изготавливается из отрезка трубы путем обжатия в горячем состоянии одного конца и его заварки. Эти заглушки могут устанавливаться на барабаны котлов давлением до 4 МПа. Заглушки с приварными донышками (рис. 18.5, б) разрешается устанавливать на барабаны котлов давлением до 1,3 МПа. Заглушки на резьбе (рис. 18.5, в) следует использовать при диаметре отверстия не более 30 мм в барабанах котлов давлением до 4 МПа.
Заглушки изготавливаются из стали одной из марок, приведенных в п. 18.1.1.
18.5.2. Перед установкой заглушки поверхности барабана вблизи очка (отверстия под трубу) и самого очка должны быть тщательно очищены до металлического блеска и осмотрены на предмет обнаружения трещин. В случае наличия трещин они должны быть удалены и при необходимости заварены в соответствии с рекомендациями подраздела 18.3.
18.5.3. Заглушки должны устанавливаться донышками внутрь барабана и привариваться по возможности изнутри барабана. Приварку заглушек снаружи барабана разрешается производить в исключительных случаях, когда нельзя это сделать изнутри барабана вследствие наличия мешающих внутрибарабанных устройств.
18.5.4. Сварку следует производить электродами диаметром не более 3 мм с минимальным тепловложением. Заглушки типов, изображенных на рис. 18.5, а, б, привариваются многослойным швом катетом, равным толщине трубы, из которой изготовлена заглушка; заглушка на резьбе приваривается уплотняющим швом, обеспечивающим герметичность соединения.
18.6.1. Перед устранением неплотности вальцовочного соединения с помощью сварки должны быть тщательно проверены поверхность барабана вокруг ввальцованной трубы и сама труба на предмет обнаружения трещин и других повреждений. Обнаруженные дефекты должны быть устранены до обварки вальцовочного соединения.
18.6.2. Устранение неплотностей вальцовочных соединений производится путем наложения шва изнутри (рис. 18.6, а) или снаружи барабана (рис. 18.6, б). Нельзя делать обварку одного соединения с обеих сторон - изнутри и снаружи барабана.

Рис. 18.6. Устранение не плотностей вальцовочных
соединений с помощью сварки:
а - обварка изнутри барабана; б - обварка снаружи барабана
18.6.3. Сварку следует производить электродами диаметром не более 3 мм с минимальным тепловложением многослойным швом (3-4 валика). Размер шва указан на рис. 18.6.
а) трубным системам паровых котлов рабочим давлением Рр > 0,07 МПа (0,7 кгс/см2) (в том числе по трубопроводам в пределах котла и турбины);
б) трубным системам водогрейных котлов (в том числе по трубопроводам в пределах котла) с температурой Тв > 115 °С;
в) трубопроводам пара и горячей воды категории I диаметром Дн > 51 мм и трубопроводам пара и горячей воды II-IV категорий диаметром Дн > 76 мм, на которые распространяются правила Госгортехнадзора России;
г) газопроводам на территории монтируемого объекта;
д) мазутопроводам давлением Рр
1,6 МПа (16 кгс/см2);
е) трубопроводам системы регулирования и системы смазки турбины и питательных насосов;
ж) трубопроводам теплоснабжения, на которые не распространяются правила Госгортехнадзора России , диаметром Дн > 76 мм;
з) сборным, растопочным, дренажным, выхлопным трубопроводам диаметром Дн > 76 мм.
Для остальных трубопроводов техническая документация на сварочные работы не оформляется.
19.2. Формы технической документации, рассмотренные в настоящем разделе и приведенные в приложении 19, являются рекомендуемыми. Могут быть использованы другие формы при условии, что в них отражена требуемая информация.
По трубопроводам, на которые не распространяются правила Госгортехнадзора России (газопроводы, тепловые сети, технологические трубопроводы, трубопроводы водоснабжения и канализации и др.), техническая документация на сварочные работы должна включать сведения, оговоренные соответствующими СНиП или другими нормативными документами.
На паровые котлы с давлением пара до 0,07 МПа и водогрейные котлы и водоподогреватели с температурой воды до 115°С техническая документация на сварочные работы отдельно не оформляется, но каждый котел или водоподогреватель снабжается заводом-изготовителем паспортом по форме, приведенной в "Правилах устройства и безопасной эксплуатации паровых котлов с давлением пара не более 0,07 МПа (0,7 кгс/см2), водогрейных котлов и водоподогревателей с температурой воды не выше 388°К (115°С)".
19.3. Предприятие (завод, монтажная, ремонтная организация), проводящее производственную аттестацию технологии сварки в соответствии с подразделом 3.5, должно оформить протокол заседания аттестационной комиссии (приложение 19.1) и представить его (или заверенную копию) в местный орган Госгортехнадзора и заказчику (дирекции ТЭС).
19.4. Проектная организация, разрабатывающая проект производства работ (ППР), составляет перечень трубопроводов, подлежащих сдаче заказчику. Перечень согласовывается с заказчиком и сдается ему после окончания монтажа (ремонта) вместе со сварочной сдаточной документацией. Пример составления перечня трубопроводов приведен в приложении 19.2.
19.5. Основным документом на сварочные работы являются "Сведения о сварных соединениях и результатах их контроля" (см. приложение 19.3). Его составляет монтажная (ремонтная) организация на основании первичной документации - сертификатов на сварочные материалы, актов, протоколов и заключений по контролю качества сварных соединений, диаграмм или журнала термообработки. Рабочий экземпляр этого документа заполняет монтажная (ремонтная) организация в процессе выполнения сварочных работ в виде журнала, который по форме может не отличаться от приведенной в приложении 19.3, за исключением того, что в журнале должна указываться фамилия бригадира слесарей-сборщиков стыка и термиста, проводившего термообработку стыка, и должны быть их подписи.
19.6. На каждое свариваемое изделие или его узел, перечисленные в п. 19.1, монтажная (ремонтная) организация подбирает или оформляет следующую документацию:
схему расположения сварных стыков трубопроводов;
сварочный формуляр элементов котла;
сертификаты (или их копии) на основной металл, заказчиком которого была непосредственно монтажная (ремонтная) организация;
сертификаты (или их копии) на электроды и сварочную проволоку, использованные при сварке;
сводную таблицу сварных стыков;
сведения о сварщиках, выполнявших сварочные работы на данном объекте;
акт на заварку контрольных или вырезку производственных сварных соединений в случае проведения механических испытаний и/или металлографических исследований согласно п. 16.6.3;
акт на визуальный контроль сварных соединений;
протоколы механических испытаний и металлографических исследований образцов сварных соединений контролируемых этими методами согласно п. 16.6.3;
заключения по ультразвуковому контролю и (или) радиографированию сварных соединений;
протокол стилоскопирования легированных деталей трубопроводов и элементов котла, а также сварных швов;
протокол измерения твердости металла шва;
диаграммы или журнал термообработки сварных стыков.
(Измененная редакция, Изм. № 1)
19.7. На трубопроводы, перечисленные в п. 19.1, организация, разрабатывающая ППР, составляет схемы расположения сварных стыков (см. приложение 19.4). Каждая схема должна охватывать весь трубопровод или участок трубопровода, заканчивающийся запорным или регулирующим органом либо местом вварки трубопровода в другой трубопровод или узел (коллектор, тройник и т.п.).
На схеме (или в виде отдельных таблиц, прилагаемых к ней) должны быть приведены следующие сведения:
диаметр и толщина стенки трубы;
марки стали труб;
расположение и номера сварных стыков: заводским стыкам присваивается номер рядом расположенного на этом трубопроводе монтажного стыка с индексом "зав";
расположение опор, арматуры, штуцеров, бобышек для измерения ползучести, спускных, продувочных и дренажных устройств;
расстояния между сварными стыками (местонахождение дополнительных стыков и стыков, расположение которых изменено в процессе монтажа, указывает монтажная организация);
список деталей, подлежащих стилоскопированию;
номера, названия рабочих чертежей, на основании которых выполнена схема.
Нумерация стыков на схеме и во всех документах (заключениях, протоколах, журналах) должна быть единой.
При появлении дополнительных стыков их обозначают номером стыка, расположенного рядом на этом трубопроводе, с индексом "а", "б" и т.д. К каждой схеме трубопровода прилагается "Сводная таблица сварных стыков" (см. приложение 19.5).
19.8. Для элементов котла организация, разрабатывающая ППР, составляет сварочный формуляр (см. приложение 19.6). В нем должны быть указаны места расположения и номера монтажных стыков. К каждому формуляру прилагается "Сводная таблица сварных стыков" (см. приложение 19.5).
19.9. Сведения о сварщиках, выполнявших сварочные работы на данном энергообъекте по изделиям и узлам, перечисленным в п. 19.1, составляют по форме, приведенной в приложении 19.7.
19.10. Проверку технологических свойств электродов и соответствия присадочного материала марочному составу оформляют актом (см. приложение 19.8 и 19.9).
19.11. Сварку контрольного или вырезку производственного стыка для проверки качества сварного соединения оформляют соответствующими актами (см. приложения 19.10, 19.11).
19.12. Визуальный контроль и измерения размеров швов сварных стыков оформляют актом по форме, приведенной в приложении 19.12.
19.13. При сдаче в лабораторию образцов сварных соединений для механических испытаний, металлографических исследований и химического (количественного спектрального) анализа монтажный (ремонтный) участок оформляет наряд-заказ (см. приложение 19.13) или сопроводительную маркировочную ведомость. В этих сопроводительных документах даются полные характеристики образцов. Наряд-заказ оформляют в двух экземплярах, один из которых отправляют с образцами в лабораторию металлов, другой оставляют в делах монтажного (ремонтного) участка.
19.14. Результаты механических испытаний и металлографических исследований образцов сварных стыков оформляют протоколами (см. приложения 19.14, 19.15). В эти протоколы лаборатория, проводившая испытания, вносит характеристики испытанных и исследованных образцов, приведенные в сопроводительном документе (наряде-заказе) монтажного (ремонтного) участка. В заключение о металлографических исследованиях описывают микро- и макроструктуру, а также оценивают качество сварки (удовлетворительное или неудовлетворительное). При получении неудовлетворительных результатов исследований в протоколе (или в виде отдельного приложения к нему) следует давать фотографии дефектных макрошлифов в натуральную величину, а также фотографии участков микрошлифа с неудовлетворительной структурой при 100-500-кратном увеличении.
19.15. На сварные стыки, подвергавшиеся ультразвуковому контролю или радиографированию, оформляют заключение с оценкой их качества (см. приложения 19.16, 19.17). Результаты контроля, кроме того, заносят в специальный журнал, который является первичным документом и хранится в делах лаборатории, проводившей контроль, или монтажного (ремонтного) участка.
19.16. Результаты стилоскопирования деталей и трубопроводов из легированных сталей, а также сварных швов, выполненных легированным присадочным материалом, оформляют протоколом (см. приложение 19.18). Протокол стилоскопирования прилагают к сварочному формуляру котла или схеме расположения сварных стыков трубопровода.
При стилоскопировании элементов поверхностей нагрева котла и их креплений нумерация деталей и сварных стыков должна соответствовать их нумерации в сварочном формуляре (см. приложение 19.6) или на рабочих чертежах, о чем делают соответствующую ссылку в протоколе. Формы документации по стилоскопированию, включая схемы и чертежи узлов и деталей, подлежащих стилоскопированию, разрабатывает проектная организация, составляющая ППР.
19.17. Результаты измерения твердости металла шва оформляют протоколом по форме, приведенной в приложении 19.19.
19.18. Режим термообработки сварных стыков трубопроводов должен записываться самопишущим потенциометром (в координатах температура - время).
На записанной диаграмме проставляются названия узла (трубопровода), номер схемы расположения стыков трубопровода, номер стыка, диаметр и толщина стенки трубы, марка стали и дата проведения термообработки.
Если температуру стыка контролируют без автоматической записи режима, термист ведет журнал термообработки (см. приложение 19.20), в котором фиксирует режим термообработки (через каждые 30 мин). После охлаждения стыка до 300°С температуру можно не записывать.
19.19. Результаты проверки сварных соединений путем прогонки металлического шара оформляют актом, форма которого приведена в приложении 19.21.
19.20. Монтажная (ремонтная) организация после окончания монтажных (ремонтных) работ передает заказчику техническую документацию на сварочные работы по изделиям и узлам, перечисленным в п. 19.1, а, б, д, е, ж, а также:
трубопроводам пара и горячей воды категории I диаметром Ду > 70 мм;
трубопроводам пара и горячей воды II и III категорий диаметром Ду > 100 мм, а также трубопроводами IV категории диаметром Dн ³ 100 мм, расположенным в пределах зданий электростанций и котельных;
газопроводам подземным и внутри зданий.
Все остальные изделия (узлы), а также трубопроводы, не перечисленные в п. 19.1, сдаются заказчику с удостоверением о качестве изготовления и монтажа.
(Измененная редакция, Изм. № 1)
19.21. На изделия и узлы, перечисленные в п. 19.20, монтажная (ремонтная) организация передает заказчику следующие документы:
сведения о сварных соединениях и результатах их контроля (см. приложение 19.3);
схемы расположения сварных стыков трубопроводов (см. приложение 19.4) со сведениями, перечисленными в п. 19.7, и "Сводной таблицей сварных стыков" (см. приложение 19.5);
сварочные формуляры элементов котла (см приложение 19.6) со сведениями, указанными в п. 19.8, и "Сводной таблицей сварных стыков" (см. приложение 19.5);
сведения о сварщиках, выполнявших работы по изделиям, перечисленным в п. 19.1 (см приложение 19.7).
Вся остальная документация на сварочные работы, оформленная в соответствии с требованиями настоящего раздела, а также копии документов, переданных заказчику, хранятся в делах монтажной (ремонтной) организации. Срок хранения определяется соответствующей НТД. Передачу заказчику сварочной документации оформляют двусторонним актом.
19.22. Техническую сварочную документацию на специфические ремонтные работы (ремонт барабанов котлов, исправление дефектов в литых деталях, приварку шипов к экранным трубам котлов и др.) оформляют в соответствии с РДИ 34-38-043-86 "Инструкция по оформлению технической документации на сварочные работы при ремонте оборудования ТЭС".
Документацию на ремонт барабанов, коллекторов, камер паровых котлов давлением пара 4 МПа и менее и водогрейных котлов разрешается ограничить чертежом развертки изделия с указанием расположения и размеров дефектов, заключением о проведенном контроле дефектного участка, сертификатом на основной металл и электроды, заключением о неразрушающем контроле заваренного участка.
ПРИЛОЖЕНИЯ
|
Категория трубопроводов |
Группа |
Рабочие параметры среды |
|
|
температура, °С |
давление (избыточное), МПа (кгс/см2) |
||
|
I |
1 |
Выше 560 |
Не ограничивается |
|
|
2 |
Выше 520 до 560 включительно |
То же |
|
|
3 |
Выше 450 до 520 включительно |
То же |
|
|
4 |
До 450 |
Более 8 (80) |
|
II |
1 |
Выше 350 до 450 включительно |
До 8 (80) |
|
|
2 |
До 350 |
Более 4 (40) до 8 (80) включительно |
|
III |
1 |
Выше 250 до 350 включительно |
До 4 (40) включительно |
|
|
2 |
До 250 |
Более 1,6 (16) до 4 (40) включительно |
|
IV |
- |
Выше 115 до 250 включительно |
Более 0,07 (0,7) до 1,6 (16) включительно |
Таблица П 2.1
Трубы из углеродистой стали
|
Марка стали |
НТД на сталь |
Углерод |
Кремний |
Марганец |
Фосфор |
Сера |
Другие элементы |
|
не более |
|||||||
|
Ст2сп |
ГОСТ 380-88 |
0,09-0,15 |
0,15-0,30 |
0,25-0,5 |
0,04 |
0,05 |
|
|
Ст2пс |
|
0,09-0,15 |
0,05-0,17 |
0,25-0,5 |
0,04 |
0,05 |
|
|
Ст2кп |
|
0,09-0,15 |
|
0,25-0,5 |
0,04 |
0,05 |
Хром, никель, медь - не более |
|
Ст3сп |
|
0,14-0,22 |
0,15-0,30 |
0,4-0,65 |
0,04 |
0,05 |
0,3% каждого элемента |
|
Ст3Гпс |
|
0,14-0,22 |
|
0,8-1,1 |
0,04 |
0,05 |
|
|
Ст3пс |
|
0,14-0,22 |
0,05-0,15 |
0,4-0,65 |
0,04 |
0,05 |
|
|
Ст3кп |
|
0,14-0,22 |
|
0,3-0,6 |
0,04 |
0,05 |
|
|
Ст4сп |
|
0,18-0,27 |
0,15-0,30 |
0,4-0,7 |
0,04 |
0,05 |
|
|
08 |
ГОСТ 1050-88 |
0,05-0,12 |
0,17-0,37 |
0,35-0,65 |
0,035 |
0,04 |
Хром не более 0,1% |
|
10 |
|
0,07-0,14 |
0,17-0,37 |
0,35-0,65 |
0,035 |
0,04 |
" 0,15% |
|
20 |
ГОСТ 1050-88 |
0,17-0,24 |
0,17-0,37 |
0,35-0,65 |
0,035 |
0,04 |
" 0,25% |
|
|
ТУ 14-3-460-75, |
|
|
|
|
|
|
|
|
ТУ 14-3-341-75 |
|
|
|
|
|
|
Таблица П 2.2
Трубы из низколегированной стали
|
Марка стали |
НТД на сталь |
Углерод |
Кремний |
Марганец |
Хром |
Молибден |
Ванадий |
Фосфор |
Сера |
Другие элементы |
|
не более |
||||||||||
|
10Г2С1 |
ГОСТ 19281-89 |
≤0,12 |
0,8-1,1 |
1,3-1,65 |
≤0,3 |
- |
- |
0,035 |
0,04 |
Никель, |
|
09Г2С |
ГОСТ 19281-89 |
≤0,12 |
0,5-0,8 |
1,3-1,7 |
≤0,3 |
- |
- |
0,035 |
0,04 |
медь - не |
|
15Г2С |
- |
0,13-0,17 |
0,9-1,2 |
1,3-1,65 |
≤0,3 |
- |
- |
0,04 |
0,04 |
более 0,3% каждого элемента |
|
16ГН |
- |
0,13-0,19 |
0,3-0,6 |
0,9-1,5 |
≤0,4 |
- |
- |
0,04 |
0,04 |
Никель 0,4-0,8% |
|
14ГН |
- |
0,11-0,17 |
0,2-0,5 |
0,75-1,2 |
≤0,4 |
- |
- |
0,04 |
0,04 |
|
|
14ХГС |
ГОСТ 19281-89 |
0,11-0,16 |
0,4-0,7 |
0,9-1,3 |
0,5-0,8 |
- |
- |
0,035 |
0,04 |
Никель, медь - не |
|
17Г1С |
ГОСТ 19281-89 |
0,15-0,2 |
0,4-0,6 |
1,15-1,6 |
≤0,3 |
- |
- |
0,035 |
0,04 |
более 0,3% |
|
17Г1СУ |
ТУ14-1-1921-76 |
0,15-0,2 |
0,4-0,6 |
1,15-1,55 |
≤0,3 |
- |
- |
0,025 |
0,02 |
каждого элемента |
|
17ГС |
ТУ14-1-2723-79 |
0,14-0,2 |
0,4-0,6 |
1,0-1,4 |
≤0,3 |
- |
- |
0,035 |
0,04 |
|
|
16ГС |
ОСТ 108.030.113-87 |
0,12-0,18 |
0,4-0,7 |
0,9-1,2 |
≤0,3 |
- |
- |
0,04 |
0,035 |
|
|
|
ТУ 3-923-75 |
|
|
|
|
|
|
|
|
|
|
10Г2 |
ГОСТ 4543-71 |
0,07-0,15 |
0,17-0,37 |
1,2-1,6 |
≤0,3 |
- |
- |
0,035 |
0,035 |
|
|
15ГС |
ТУ 14-3-460-75, |
0,12-0,18 |
0,7-1,0 |
0,9-1,3 |
≤0,3 |
- |
- |
0,035 |
0,025 |
|
|
|
ТУ 14-3-420-75 |
|
|
|
|
|
|
|
|
|
|
12МХ |
ГОСТ 20072-74 |
0,09-0,16 |
0,17-0,37 |
0,4-0,7 |
0,4-0,7 |
0,4-0,6 |
- |
0,025 |
0,025 |
Никель не более 0,3% |
|
15ХМ |
ТУ 14-3-460-75 |
0,10-0,15 |
0,17-0,37 |
0,4-0,7 |
0,8-1,1 |
0,4-0,55 |
- |
0,035 |
0,025 |
Никель 0,25%, медь - 0,2% |
|
12Х1МФ |
ТУ 14-3-460-75 |
0,08- |
0,17- |
0,4- |
0,9- |
0,25- |
0,15- |
0,025 |
0,025 |
Никель, |
|
|
ТУ 14-3-341-75 |
0,15 |
0,37 |
0,7 |
1,2 |
0,35 |
0,3 |
|
|
медь не более 0,25% каждого элемента |
|
15Х1М1Ф |
ТУ 14-3-460-75 |
0,1-0,15 |
0,17- |
0,4-0,7 |
1,1- |
0,9- |
0,2- |
0,025 |
0,025 |
|
|
|
ТУ 3-923-75 |
|
0,37 |
|
1,4 |
1,1 |
0,35 |
|
|
|
|
|
ТУ 14-3-420-75 |
|
|
|
|
|
|
|
|
|
|
15Х1М1Ф-ЦЛ |
ТУ 108.874-79 |
0,1-0,15 |
0,17-0,37 |
0,4-0,7 |
1,1-1,4 |
0,9-1,1 |
0,2-0,35 |
0,025 |
0,025 |
|
|
12Х2М1 |
ТУ 14-3-341-75 |
≤0,15 |
0,1-0,5 |
0,3-0,6 |
1,9-2,6 |
0,9-1,1 |
- |
0,03 |
0,03 |
|
|
12Х2МФСР |
ТУ 14-3-460-75 |
0,08-0,15 |
0,4-0,7 |
0,4-0,7 |
1,6-1,9 |
0,5-0,7 |
0,2-0,35 |
0,025 |
0,025 |
Бор 0,002-0,005, никель, медь - не более 0,25% каждого элемента |
|
12Х2МФБ |
- |
0,08-0,12 |
0,4-0,7 |
0,4-0,7 |
2,1-2,6 |
0,5-0,7 |
0,2-0,35 |
0,025 |
0,025 |
Ниобий 0,5-0,8%, никель, медь - не более 0,25% каждого элемента |
Таблица П 2.3
Трубы из высоколегированной стали
|
Марка стали |
НТД на сталь |
Углерод |
Кремний |
Марганец |
Хром |
Никель |
Молибден |
Фосфор |
Сера |
Другие элементы |
|
не более |
||||||||||
|
12Х11В2МФ (ЭИ-756) |
ТУ 14-3-460-75 |
0,1-0,15 |
≤0,5 |
0,5-0,8 |
10,0-12,0 |
≤0,6 |
0,6-0,9 |
0,025 |
0,025 |
Вольфрам 1,7-2,2%. Ванадий - 0,15-0,3%. Медь - не более 0,3%
|
|
12Х18Н12Т |
ТУ 14-3-460-75, ТУ 14-3-796-79 |
≤0,12 |
≤0,8 |
1,0-2,0 |
17,0-19,0 |
11,0-13,0 |
- |
0,035 |
0,020 |
Титан (С - 0,02)
|
|
12Х18Н10Т |
ТУ 14-3-796-79, ГОСТ 5632-72 |
≤0,12 |
≤0,8 |
≤2,0 |
17,0-19,0 |
8-9,5 |
- |
0,035 |
0,020 |
Титан не более 0,8%. Медь - не более 0,3%
|
Таблица П 2.4
Отливки из углеродистой стали* по ГОСТ 977-88
|
Марка стали |
Углерод |
Кремний |
Марганец |
Фосфор |
Сера |
|
|
не более |
|
|||||
|
15Л гр. II |
0,12-0,2 |
0,2-0,52 |
0,3-0,9 |
0,04 |
0,045 |
|
|
20Л гр. II |
0,17-0,25 |
0,2-0,52 |
0,35-0,9 |
0,05 |
0,05 |
|
|
20Л гр. III |
0,17-0,25 |
0,2-0,52 |
0,35-0,9 |
0,04 |
0,045 |
|
|
25Л гр. II |
0,22-0,3 |
0,2-0,52 |
0,35-0,9 |
0,05 |
0,05 |
|
|
20Л гр. III |
0,22-0,3 |
0,2-0,52 |
0,35-0,9 |
0,04 |
0,045 |
|
_______________
* Хром, никель, медь - не более 0,3% каждого элемента.
Таблица П 2.5
Отливки из легированной стали по ОСТ 108.961.03-79
|
Марка стали |
Углерод |
Кремний |
Марганец |
Хром |
Молибден |
Ванадий |
Фосфор |
Сера |
Другие элементы |
|
не более |
|||||||||
|
20ГСЛ |
0,16-0,22 |
0,6-0,8 |
1-1,3 |
|
- |
- |
0,03 |
0,03 |
|
|
20ХМЛ |
0,15-0,25 |
0,2-0,4 |
0,4-0,9 |
0,4-0,7 |
0,4-0,6 |
- |
0,04 |
0,04 |
Никель, |
|
20ХМФЛ |
0,18-0,25 |
0,2-0,4 |
0,6-0,9 |
0,9-1,2 |
0,5-0,7 |
0,2-0,3 |
0,025 |
0,025 |
медь - не |
|
15Х1М1ФЛ |
0,14-0,2 |
0,2-0,4 |
0,6-0,9 |
1,2-1,7 |
0,9-1,2 |
0,25-0,4 |
0,025 |
0,025 |
более 0,3% каждого элемента |
Примечание. Область применения каждой марки стали, устанавливается соответствующим НТД: "Правилами устройства и безопасной эксплуатации паровых и водогрейных котлов"; "Правилами устройства и безопасной эксплуатации трубопроводов пара и горячей воды".
|
Марка стали |
Временное сопротивление разрыву, МПа (кгс/мм2) |
Предел текучести, МПа (кгс/мм2) |
Относительное удлинение, % |
Относительное сужение, % |
Ударная вязкость, Дж/см2 (кгс·м/см2) |
Твердость по Бринеллю, НВ |
|
не менее |
не более |
|||||
|
Трубы |
||||||
|
Ст2сп |
333,5 (34) |
225,6 (23) |
32 |
- |
- |
- |
|
Ст2пс |
333,5 (34) |
225,6 (23) |
32 |
- |
- |
- |
|
Ст2кп |
323,7 (33) |
215,8 (22) |
33 |
- |
- |
- |
|
Ст3сп |
372,8 (38) |
245,3 (25) |
26 |
- |
78(8) |
- |
|
Ст3Гпс |
372,8 (38) |
245,3 (25) |
26 |
- |
78(8) |
- |
|
Ст3пс |
372,8 (38) |
245,3 (25) |
26 |
- |
78(8) |
- |
|
Ст3кп |
369,9 (37) |
235,4 (24) |
27 |
- |
78(8) |
- |
|
Ст4сп |
412 (42) |
264,9 (27) |
24 |
- |
58(6) |
- |
|
08 |
324 (33) |
196 (21) |
33 |
60 |
- |
- |
|
10 |
333,5 (34) |
196 (21) |
31 |
55 |
- |
137 |
|
20 |
412 (42) |
245,3 (25) |
25 |
55 |
- |
156 |
|
10Г2С1 |
510,1 (52) |
372,8 (38) |
21 |
- |
58 (6) |
- |
|
09Г2С |
490,5 (50) |
343,4 (35) |
20 |
- |
- |
- |
|
15Г2С |
519,9 (53) |
343,4 (35) |
18 |
- |
- |
- |
|
16ГН |
490,5 (50) |
343,4 (35) |
18 |
- |
- |
- |
|
14ГН |
461,1 (47) |
323,7 (33) |
18 |
- |
- |
- |
|
14ХГС |
490,5 (50) |
343,4 (35) |
22 |
- |
- |
- |
|
17Г1С |
510,1 (52) |
355 (36) |
23 |
- |
- |
- |
|
17ГС |
510,1 (52) |
343,4 (35) |
20 |
- |
- |
- |
|
16ГС |
461,1 (47) |
323,7 (33) |
21 |
- |
58 (6) |
- |
|
10Г2 |
421,8 (43) |
245,3 (25) |
22 |
50 |
- |
- |
|
15ГС |
490,5 (50) |
294,3 (20) |
18 |
45 |
58,6 |
- |
|
15ХМ |
441,5 (45) |
235,4 (24) |
21 |
50 |
58 (6) |
- |
|
12Х1МФ |
441,5 (45) |
255,1 (26) |
21 |
55 |
58 (6) |
- |
|
15Х1М1Ф |
490,5 (50) |
313,9 (32) |
18 |
50 |
49 (5) |
- |
|
(15Х1М1Ф-ЦЛ) |
|
|
|
|
|
|
|
12Х2М1 |
441,5 (45) |
264,9 (27) |
27 |
- |
- |
- |
|
12Х2МФСР |
470,9 (48) |
255,1 (26) |
21 |
- |
- |
- |
|
12Х2МФБ |
412 (42) |
190 (21) |
24 |
- |
- |
- |
|
12МХ |
412 (42) |
190 (21) |
21 |
50 |
68 (7) |
- |
|
12Х11В2МФ |
558,6 (60) |
392,4 (40) |
18 |
- |
- |
255 |
|
12Х18Н12Т |
549 (56) |
215,8 (22) |
35 |
55 |
- |
200 |
|
12Х18Н10Т |
510 (52) |
196,2 (20) |
35 |
- |
- |
180 |
|
Стальные отливки |
||||||
|
15Л |
392,4 (40) |
196,2 (20) |
24 |
35 |
49 (5) |
136 |
|
20Л |
412 (42) |
215,8 (22) |
22 |
35 |
49 (5) |
144 |
|
25Л |
441,5 (45) |
235,4 (24) |
19 |
30 |
39 (4) |
151 |
|
20 ГСЛ |
490,5 (50) |
294,3 (30) |
18 |
30 |
29 (3) |
151 |
|
20ХМЛ |
441,5 (45) |
245,3 (25) |
18 |
30 |
29 (3) |
- |
|
20ХМФЛ |
490,5 (50) |
274,8 (28) |
15 |
30 |
29 (3) |
223 |
|
15Х1М1ФЛ |
490,5 (50) |
313,9 (32) |
15 |
30 |
29 (3) |
223 |
В проекте производства работ по монтажу (ремонту*) трубных систем котлов и трубопроводов должны содержаться следующие данные по сварке, термической обработке и контролю:
_______________
* Проект производства работ при ремонте энергетического оборудования составляется в случае выполнения значительного объема работ на одном объекте, например: замена элементов котла (пароперегревателя, водяного экономайзера, коллекторов, пучков змеевиков), замена гибов, арматуры, отдельных участков трубопроводов и т.п., что связано с серьезными такелажными работами. В остальных случаях ремонта с помощью сварки можно ограничиться разработкой технологии сборочно-сварочных работ или ссылкой на действующий ПТД.
а) требования к организации работ по сварке, термической обработке и контролю качества сварных соединений, включая инженерную подготовку производства работ; структура служб сварки и контроля;
б) состав и квалификация сварщиков, термистов, контролеров и ИТР; требования к проведению квалификационных и контрольных испытаний персонала;
в) ведомость физических объемов работ по сварке, термической обработке и контролю качества, включая сводную таблицу характеристик сварных соединений трубных систем котлов и трубопроводов;
г) сварочные формуляры (или схемы) трубопроводов и трубных систем котлов; ведомость потребности в сварочных материалах (электроды, сварочная проволока, газы для сварки и резки), материалах для термообработки и контроля качества;
д) ведомость оборудования для сварки, термической обработки и контроля;
е) ведомость вспомогательных материалов, инструментов и приспособлений;
ж) схема энергоснабжения постов сварки и термической обработки (на стадии рабочих чертежей);
з) аппликация помещений службы сварки и контроля, в том числе для складирования и подготовки сварочных материалов, наладки и ремонта оборудования, подготовки и аттестации персонала, хранения и перезарядки ампул с радиоактивными изотопами, обработки радиографической пленки и т.п.;
и) технологические указания по сварке, термообработке и контролю (технологические карты, инструкции и пр.);
к) карты (схемы) операционного контроля технологических процессов;
л) требования безопасности и промышленной санитарии при производстве сварочных работ, работ по термообработке и контролю качества.
1. Структура служб сварки и контроля монтажного участка (управления)
1. На участке монтажа оборудования электростанции создается единый цех сварки во главе с начальником цеха или старшим прорабом. Начальник цеха (старший прораб) подчиняется главному инженеру монтажного участка (управления), а в техническом и методическом отношении - главному сварщику и начальнику центральной лаборатории сварки треста. В цех сварки входят подразделения, выделенные по технологическому признаку, характеру или месту выполнения работ (сварка котла на сборочной площадке, сварка котла в котельной, сварочные работы в машинном зале, сварка трубопроводов и т.п.). В цех сварки входит также группа термообработки сварных соединений. При монтаже блоков мощностью 300 МВт и более целесообразно иметь в цехе заместителя начальника (старшего прораба или прораба).
2. Численность ИТР - специалистов по сварке, термообработке и контролю - следует определять из расчета, чтобы на одного ИТР приходилось 12-16 рабочих соответствующей специальности. Примерная численность ИТР цеха сварки в зависимости от объема и сложности оборудования составляет при монтаже (человек):
|
Котлов паропроизводительностью по 220 т/ч |
1-3 |
|
Энергоблоков мощностью, МВт: |
|
|
50-150 |
6-8 |
|
200-300 |
8-12 |
|
500-800 |
14-18 |
|
1200 |
18-20 |
3. Группу термообработки возглавляет прораб или мастер. В нее входят термисты-операторы 2-5-го разрядов, слесари-электромонтажники 3-5-го разрядов и электрослесари 5-6-го разрядов. Рекомендуемый численный состав группы термообработки приведен в табл. П 5.1.
Помимо работников, перечисленных в табл. П 5.1, в группу термообработки следует включать электрослесарей 5-6-го разрядов по наладке оборудования для термообработки, наладке разводок для сварки и термообработки из расчета 1-2 человека при монтаже энергоблоков мощностью не более 300 МВт и 2-3 человека при мощности блока 500 МВт и более.
4. Группа контроля качества сварных соединений неразрушающими методами (в том числе стилоскопированием) подчиняется главному инженеру монтажного участка (управления), ее возглавляет прораб или мастер со специальным техническим образованием. При определении численного состава группы можно руководствоваться рекомендациями табл. П 5.1.
|
Монтируемое оборудование |
Группа термообработки |
Группа контроля |
|||||
|
общая численность персонала |
термисты- операторы 2-5-го разрядов |
Слесари электромонтажники 3-5-го разрядов |
электрослесари 5-6-го разрядов |
общая численность персонала |
контролеры |
слесари 2-3-го разрядов |
|
|
Котлы паропроизводительностью не более 220 т/ч. Энергоблоки мощностью, МВт: |
5-8 |
1-2 |
3-4 |
1-2 |
5-7 |
3-4 |
2-3 |
|
50-150 |
12-15 |
2-4 |
5-7 |
2-3 |
7-10 |
4-6 |
3-4 |
|
200-300 |
16-21 |
4-6 |
9-11 |
3-4 |
11-16 |
8-10 |
3-6 |
|
500-800 |
22-28 |
7-9 |
11-13 |
3-6 |
17-24 |
12-15 |
5-9 |
|
1200 |
25-30 |
7-9 |
12-14 |
6-7 |
25-30 |
15-18 |
10-12 |
5. При наличии 10 операторов и более по механизированной сварке целесообразно назначить мастера, которому подчиняются сварщики и наладчики, обслуживающие автоматы и полуавтоматы. Число наладчиков назначается из расчета один наладчик на шесть постов механизированной сварки, при этом в каждой смене, в которой работают посты, должен быть наладчик.
6. В монтажных управлениях (участках), монтирующих энергоблоки мощностью 200 МВт и более, целесообразно организовать цех сварки на правах линейного цеха (по типу турбинного и котельного), в состав которого входят все сварщики, рабочие группы термообработки и дефектоскопии, электрики и электрослесари, обслуживающие сварочное и дефектоскопическое оборудование и осуществляющие профилактический ремонт, вспомогательные рабочие по подготовке и хранению сварочных материалов и инструмента.
2. Структура служб сварки и контроля ремонтного участка
1. Для технического и методического руководства производством сварочных работ и подготовки кадров в энергоремонтных предприятиях численностью сварщиков 150 и более целесообразно организовать службы главного сварщика, при меньшей численности - лаборатории сварки и контроля.
2. В службу главного сварщика (лабораторию сварки и контроля) входят отдельные подразделения, выделенные по технологическому признаку, во главе с руководителями. При возложении на лабораторию сварки и контроля функций регионального учебного и аттестационного пункта либо других специальных функций лаборатория подчиняется непосредственно главному инженеру предприятия.
3. Главный сварщик (начальник лаборатории) непосредственно подчиняется главному инженеру предприятия. Все ИТР предприятия - специалисты по сварке, термообработке и контролю - находятся в техническом и методическом подчинении главного сварщика предприятия и начальника лаборатории.
4. Мастеру по сварке - руководителю сварочных работ на участке (объекте) подчинены в техническом отношении все сварщики и термисты. Численность мастеров по сварке определяется из расчета 1 мастер на 12-15 рабочих соответствующей специальности (сварщиков, термистов, электриков, подсобных рабочих).
5. Мастер по сварке оперативно взаимодействует с мастером по контролю. Численность ИТР по неразрушающим методам контроля следует определять из расчета один мастер на пять контролеров.
6. Структура и численный состав службы сварки и контроля определяются объемами и сложностью выполняемых работ.
Таблица П 6.1
Химический состав наплавленного металла, %, по паспортным данным
|
Тип и марка электрода |
Углерод |
Кремний |
Марганец |
Фосфор, не более |
Сера, не более |
|
Э42: |
|
|
|
|
|
|
АНО-6М |
0,08-0,12 |
0,08-0,18 |
0,5-0,8 |
0,05 |
0,04 |
|
Э42А: |
|
|
|
|
|
|
УОНИ-13/45 |
0,08-0,12 |
0,18-0,3 |
0,55-0,7 |
0,04 |
0,03 |
|
ЦУ-6 |
0,05-0,12 |
0,20-0,45 |
0,45-0,85 |
0,035 |
0,03 |
|
Э46: |
|
|
|
|
|
|
МР-3 |
0,08-0,12 |
0,1-0,2 |
0,38-0,5 |
0,05 |
0,04 |
|
ОЭС-4 |
0,08-0,12 |
0,15-0,3 |
0,45-0,6 |
0,05 |
0,04 |
|
АНО-4 |
До 0,10 |
До 0,18 |
0,6-0,8 |
0,04 |
0,04 |
|
АНО-18 |
До 0,10 |
0,12-0,20 |
0,6-0,9 |
0,04 |
0,04 |
|
АНО-24 |
0,07-0,11 |
0,10-0,17 |
0,5-0,8 |
0,04 |
0,04 |
|
Э46А: ТМУ-46 |
0,07-0,12 |
0,20-0,45 |
0,6-0,9 |
0,035 |
0,035 |
|
Э50: |
|
|
|
|
|
|
ВСЦ-4А |
До 0,12 |
До 0,2 |
0,5-0,8 |
0,045 |
0,04 |
|
Э50А: |
|
|
|
|
|
|
ЦУ-5 |
0,06-0,12 |
0,20-0,5 |
1,0-1,6 |
0,04 |
0,035 |
|
УОНИ-13/55 |
0,08-0,12 |
0,18-0,4 |
0,8-1,0 |
0,03 |
0,03 |
|
ТМУ-21У |
0,08-0,12 |
0,2-0.4 |
0,8-1,0 |
0,04 |
0,04 |
|
ЦУ-7 |
0,06-0,12 |
0,17-0,40 |
0,9-1,40 |
0,035 |
0,03 |
|
ИТС-4С |
До 0,11 |
0,15-0,35 |
0,8-1,2 |
0,03 |
0,03 |
|
ЦУ-8 |
0,07-0,14 |
0,30-0,60 |
1,00-1,60 |
0,04 |
0,035 |
|
ТМУ-50 |
0,07-0,12 |
0,20-0,45 |
0,75-1,0 |
0,035 |
0,035 |
Таблица П 6.2
Химический состав наплавленного металла, %, по ГОСТ 9467-75 или ГОСТ 10052-75
|
Тип и марка электрода |
Углерод |
Кремний |
Марганец |
Хром |
Никель |
Молибден |
Ванадий |
Сера |
Фос- фор |
|
|
не более |
||||||||||
|
Э-09 Х1М: |
|
|
|
|
|
|
|
|
|
|
|
ТМЛ-1У, |
0,06-0,12 |
0,15-0,4 |
0,5-0,9 |
0,8-1,2 |
- |
0,4-0,7 |
- |
0,025 |
0,035 |
|
|
ЦУ-2ХМ, |
|
|
|
|
|
|
|
|
|
|
|
ЦЛ-38 |
0,06-0,12
|
0,20-0,45 |
0,5-0,9 |
0,7-1,0 |
- |
0,4-0,7 |
- |
0,030 |
0,035 |
|
|
Э-09Х1МФ: |
|
|
|
|
|
|
|
|
|
|
|
ЦЛ-39, |
|
|
|
|
|
|
|
|
|
|
|
ЦЛ-20, |
0,06-0,12
|
0,15-0,4 |
0,5-0,9 |
0,8-1,25 |
- |
0,4-0,7 |
0,1-0,3 |
0,025 |
0,03 |
|
|
ТМЛ-3У |
|
|
|
|
|
|
|
|
|
|
|
ЦЛ-45 |
0,07-0,12
|
0,12-0,35 |
0,6-0,9 |
0,85-1,15 |
- |
0,7-0,95 |
0,08-0,18 |
0,03 |
0,035 |
|
|
Э-07Х19Н11М3Г2Ф: |
|
|
|
|
|
|
|
|
|
|
|
ЭА-400/10У, |
До 0,09 |
До 0,6 |
1,5-3 |
17-20 |
9,5-12 |
2-3,5 |
0,35-0,75 |
0,02 |
0,03 |
|
|
ЭА-400/10Т |
|
|
|
|
|
|
|
|
|
|
|
Э-08Х16Н8М2: |
|
|
|
|
|
|
|
|
|
|
|
ЦТ-26 |
До 0,08 |
0,3-0,75 |
1-2,3 |
16,5-18,5
|
7,5-10 |
1,5-2,3 |
- |
0,02 |
0,025 |
|
|
ЦТ-26М*1 |
До 0,05 |
0,3-0,75 |
1,2-2,3 |
16,5-18,5 |
7,5-10 |
1,5-2,3 |
- |
0,02 |
0,025 |
|
|
Э-11Х15Н25М6АГ2
|
|
|
|
|
|
|
|
|
|
|
|
ЭА-395/9*2, |
0,08-0,14 |
До 0,07 |
1,0-2,3 |
13,5-17,0 |
23-27 |
4,5-7 |
- |
0,02 |
0,03 |
|
|
ЦТ-10*2 |
|
|
|
|
|
|
|
|
|
|
|
Э-08Х19Н10Г2Б: |
|
|
|
|
|
|
|
|
|
|
|
ЦТ-15*3 |
0,05-0,12 |
До 1,3 |
1,0-2,5 |
18,0-20,0 |
8,5-10,5 |
- |
- |
0,02 |
0,03 |
|
|
ЦТ-15К*4 |
До 0,06 |
0,20-0,80 |
1,5-2,2 |
17,5-20,5 |
8,5-10,5 |
- |
- |
0,02 |
0,03 |
|
|
Э-10Х25Н13Г2: |
|
|
|
|
|
|
|
|
|
|
|
ОЗЛ-6, |
До 0,12 |
До 1,0 |
1,0-2,5 |
22,5-27 |
11,5-14 |
- |
- |
0,02 |
0,03 |
|
|
ЗИО-8 |
|
|
|
|
|
|
|
|
|
|
|
ЦЛ-25/1*1, |
До 0,12 |
До 1,0 |
1,0-2,5 |
23-27 |
11,5-14,0 |
- |
- |
0,02 |
0,03 |
|
|
ЦЛ-25/2*1 |
|
|
|
|
|
|
|
|
|
|
|
Э-10Х25Н13Г2Б: |
|
|
|
|
|
|
|
|
|
|
|
ЦЛ-9*5 |
До 0,12 |
0,4-1,2 |
1,2-2,5 |
21,5-26,5 |
11,5-14 |
- |
- |
0,02 |
0,03 |
|
_______________
*1 Условно соответствует данному типу.
*2 Содержит до 0,2% азота.
*3 Содержит 0,7-1,3% ниобия, но не менее 8·% С.
*4 Содержит 0,8-1,1% ниобия.
*5 Содержит 0,7-1,3% ниобия.
Таблица П 6.3
Механические свойства наплавленного металла при комнатной температуре
|
Марка электрода |
Режим термообработки |
Временное сопротивление разрыву, МПа (кгс/мм2) |
Относительное удлинение, % |
Ударная вязкость, Дж/см2 (кгс·м/см2) |
|
не менее |
||||
|
АНО-6М |
Без термообработки |
450 (46) |
28 |
127 (13) |
|
УОНИ-13/45 |
То же |
410 (42) |
22 |
147 (15) |
|
ЦУ-6 |
" |
410 (42) |
24 |
157 (16) |
|
ОЗС-4 |
" |
450 (46) |
18 |
117 (12) |
|
АНО-4 |
" |
450 (46) |
22 |
117 (12) |
|
АНО-18, |
" |
470 (48) |
22 |
117 (12) |
|
АНО-24 |
|
|
|
|
|
МР-3 |
" |
460 (47) |
25 |
147 (15) |
|
ТМУ-46 |
" |
460 (47) |
24 |
- |
|
ВСЦ-4А |
" |
490 (50) |
16 |
69 (7) |
|
УОНИ-13/55, |
" |
490 (50) |
20 |
127 (13) |
|
ТМУ-21У |
|
|
|
|
|
ИТС-4С |
" |
490 (50) |
20 |
127 (13) |
|
ЦУ-5, |
" |
490 (50) |
20 |
137 (14) |
|
ЦУ-7 |
|
|
|
|
|
ЦУ-8 |
" |
510 (52) |
20 |
137 (14) |
|
ТМУ-50 |
" |
490 (50) |
22 |
- |
|
ЦУ-2ХМ, |
Отпуск |
470 (48) |
18 |
88 (9) |
|
ТМЛ-1У, |
695-725,4 |
|
|
|
|
ЦЛ-38 |
|
|
|
|
|
ЦЛ-20, |
Отпуск |
490 (50) |
16 |
78 (8) |
|
ТМЛ-3У, |
720-750,5 |
|
|
|
|
ЦЛ-39 |
|
|
|
|
|
ЦЛ-45 |
|
490 (50) |
18 |
88 (9) |
|
ЭА-400/10У, ЭА-400/10Т |
Без термообработки |
539 (55) |
25 |
79 (8) |
|
|
|
|
|
|
|
ЦТ-26, |
То же |
539 (55) |
30 |
98 (10) |
|
ЦТ-26М |
|
|
|
|
|
ОЗЛ-6 |
" |
540 (55) |
25 |
88 (9) |
|
ЗИО-8 |
" |
570 (58) |
25 |
88 (9) |
|
ЦЛ-25/1, |
" |
539 (55) |
25 |
49 (5) |
|
ЦЛ-25/2 |
|
|
|
88 (8) |
|
ЦЛ-9 |
" |
590 (60) |
25 |
69 (7) |
|
ЦТ-15 |
" |
540 (55) |
24 |
78,5 (8) |
|
ЦТ-15К |
" |
588 (60) |
25 |
49 (5) |
|
ЭА-395/9, |
" |
608 (62) |
30 |
118 (12) |
|
ЦТ-10 |
|
|
|
|
Таблица П 7.1
Химический состав наплавленного металла, % (среднее значение)
|
Марка электрода* |
Страна |
Соответствие типу по ГОСТ 9467-75 |
Углерод |
Кремний |
Марганец |
Хром |
Молибден |
|
В-17 |
Япония |
Э42А |
0,08 |
0,08 |
0,49 |
- |
- |
|
Е-В121 |
ЧСФР |
Э42А |
0,1 |
0,4 |
0,7 |
- |
- |
|
Emo № a |
Югославия |
Э46 |
0,1 |
0,12 |
0,45 |
- |
- |
|
LB-26 |
Япония |
Э50А |
0,08 |
0,43 |
0,93 |
- |
- |
|
LB-52U |
Япония |
Э50А |
0,08 |
0,64 |
0,86 |
- |
- |
|
OK48.30 |
Швеция |
Э50А |
0,08 |
0,5 |
1 |
- |
- |
|
Е-В125 |
ЧСФР |
Э50А |
0,1 |
0,5 |
1,3 |
- |
- |
|
Гарант |
Германия |
Э50А |
0,1 |
0,5 |
1 |
- |
- |
|
Fox EV-50 |
Австрия |
Э50А |
0,05 |
0,6 |
0,9 |
- |
- |
|
LB-52А |
Япония |
Э50А |
0,08 |
0,5 |
1,08 |
- |
- |
|
Phoe № Ix 120K |
Германия |
Э50А |
0,08 |
0,5 |
1,1 |
- |
- |
|
CMB-86 |
Япония |
Э-09МХ |
0,07 |
0,51 |
0,81 |
0,51 |
0,47 |
|
CMB-95 |
Япония |
Э-09Х1М |
0,03 |
0,9 |
0,76 |
1,27 |
0,54 |
|
CMB-96 |
Япония |
Э-09Х1М |
0,07 |
0,53 |
0,79 |
1,2 |
0,5 |
|
Е-В324** |
ЧСФР |
Э-09Х1МФ |
0,08 |
0,4 |
1,4 |
0,5 |
1,2 |
_______________
* Содержание серы и фосфора у всех электродов не более 0,03% каждого.
** Соответствие типу Э-09Х1МФ условное, так как содержание марганца, хрома и молибдена не удовлетворяет требованиям ГОСТ 9467-75; содержит 0,35% ванадия.
Таблица П 7.2
Механические свойства наплавленного металла
|
Марка электрода |
Режим термообработки |
Временное сопротивление разрыву, МПа (кгс/мм2) |
Относительное удлинение, % |
Ударная вязкость, Дж/см2 (кгс·м/ см2) |
|
В-17 |
Без термообработки |
440 (45) |
33 |
124 (13)* |
|
Е-В121
|
То же |
430-533 |
30-32 |
128-216 |
|
|
|
(44-54) |
|
(13-22) |
|
Emo№ a |
" |
450-540 |
24-30 |
87,5-125 |
|
|
|
(45-54) |
|
(8,8-12,5) |
|
Е-В125 |
" |
510-610 |
28-22 |
128-196 |
|
|
|
(52-62) |
|
(13-20) |
|
LB-26 |
" |
540 (55) |
33 |
240 (24)* |
|
LB-52U |
" |
550 (56) |
31 |
140 (13,8)* |
|
OK48.30 |
" |
533-607 |
30 |
177 (18) |
|
|
|
(54-62) |
|
|
|
Гарант |
" |
500-550 |
22 |
147-177 |
|
|
|
(51-56,5) |
|
(15-18) |
|
Fox EV-50 |
" |
510-615 |
24 |
110 (11)** |
|
|
|
(52-63) |
|
|
|
Phoe№ix 120K |
" |
555 (56) |
28 |
225 (22,5)* |
|
CMB-86 |
Отпуск при 620°С, 1 ч |
677 (69) |
26 |
- |
|
CMB-95 |
Отпуск при 690°С, 1 ч |
607 (62) |
28 |
- |
|
CMB-96 |
То же |
654 (67) |
25 |
- |
|
Е-В324 |
Отпуск при |
637-785 |
24-16 |
49-118 |
|
|
660-680°С, 2 ч |
(65-80) |
|
(5-12) |
|
LB-52А |
Без термообработки |
590 (58) |
30 |
110 |
_______________
* Данные испытаний при температуре 0°С, остальные - при температуре 15°С.
** Образцы с надрезом типа Шарпи, остальные - с надрезом типа Менаже.
Таблица П 8.1
Химический состав, %, сварочной проволоки сплошного сечения (ГОСТ 2246-70)
|
Марка проволоки |
Углерод |
Марганец |
Кремний |
Хром |
Никель |
Молибден |
Сера |
Фосфор |
|
не более |
||||||||
|
Св-08 |
≤0,1 |
0,35-0,6 |
≤0,03 |
≤0,15 |
≤0,3 |
- |
0,04 |
0,04 |
|
Св-08А |
≤0,1 |
0,35-0,6 |
≤0,12 |
≤0,25 |
- |
0,03 |
0,03 |
|
|
Св-08АА |
≤0,1 |
0,35-0,6 |
≤0,03 |
≤0,1 |
≤0,25 |
- |
0,02 |
0,02 |
|
Св-08ГА |
≤0,1 |
0,8-1,1 |
≤0,06 |
≤0,1 |
≤0,25 |
- |
0,025 |
0,03 |
|
Св-08ГА-2*1 |
≤0,09 |
0,7-1 |
0,25-0,4 |
≤0,1 |
≤0,25 |
- |
0,025 |
0,025 |
|
Св-10ГА |
≤0,12 |
1,1-1,4 |
≤0,06 |
≤0,2 |
≤0,30 |
- |
0,025 |
0,03 |
|
Св-08ГС |
≤0,1 |
1,4-1,7 |
0,6-0,85 |
≤0,2 |
≤0,25 |
- |
0,025 |
0,03 |
|
Св-12ГС |
≤0,14 |
0,8-1,1 |
0,6-0,9 |
≤0,2 |
≤0,3 |
- |
0,025 |
0,03 |
|
Св-10Г2 |
≤0,12 |
1,5-1,9 |
≤0,06 |
≤0,2 |
≤0,3 |
- |
0,03 |
0,03 |
|
Св-08Г2С |
0,05-0,11 |
1,8-2,1 |
0,7-0,95 |
≤0,2 |
≤0,25 |
- |
0,025 |
0,03 |
|
Св-08МХ |
0,06-0,1 |
0,35-0,6 |
0,12-0,3 |
0,45-0,65 |
≤0,3 |
0,4-0,6 |
0,025 |
0,03 |
|
Св-08ХМ |
0,06-0,1 |
0,35-0,6 |
0,12-0,3 |
0,9-1,2 |
≤0,3 |
0,5-0,7 |
0,025 |
0,03 |
|
Св-08ХМА-2*2 |
0,05-0,09 |
0,65-0,9 |
0,25-0,4 |
0,9-1,2 |
≤0,3 |
0,5-0,7 |
0,025 |
0,025 |
|
Св-08ХМФА*3 |
0,06-0,1 |
0,35-0,6 |
0,12-0,3 |
0,9-1,2 |
≤0,3 |
0,5-0,7 |
0,025 |
0,025 |
|
Св-08ХМФА2*4 |
0,05-0,09 |
0,65-0,9 |
0,25-0,4 |
0,9-1,2 |
≤0,3 |
0,5-0,7 |
0,025 |
0,025 |
|
Св-08ХГСМА |
0,06-0,1 |
1,15-1,45 |
0,45-0,7 |
0,85-1,15 |
≤0,3 |
0,4-0,6 |
0,025 |
0,025 |
|
Св-08ХГСМФА*5 |
0,06-0,1 |
1,2-1,5 |
0,45-0,7 |
0,95-1,25 |
≤0,3 |
0,5-0,7 |
0,025 |
0,025 |
|
Св-12Х11НМФ*6 |
0,08-0,15 |
0,35-0,65 |
0,25-0,55 |
10,5-12,0 |
0,6-0,9 |
0,6-0,9 |
0,025 |
0,03 |
|
Св-10Х11НВМФ*7 |
0,08-0,13 |
0,35-0,65 |
0,3-0,6 |
10,5-12 |
0,8-1,1 |
1,0-1,3 |
0,025 |
0,03 |
|
Св-01Х19Н9 |
≤0,03 |
1-2 |
0,5-1 |
18-20 |
8-10 |
- |
0,015 |
0,025 |
|
Св-04Х19Н9 |
≤0,06 |
1-2 |
0,5-1 |
18-20 |
8-10 |
- |
0,018 |
0,025 |
|
Св-06Х19Н9Т*8 |
≤0,08 |
1-2 |
0,4-1 |
18-20 |
8-10 |
- |
0,015 |
0,03 |
|
Св-04Х19Н11М3 |
≤0,06 |
1-2 |
≤0,6 |
18-20 |
10-12 |
2-3 |
0,018 |
0,025 |
|
Св-08Х19Н10Г2Б*9 |
0,05-0,1 |
1,8-2,2 |
0,2-0,45 |
18,5-20,5 |
9,5-10,5 |
- |
0,020 |
0,030 |
|
Св-04Х20Н10Г2Б*9 |
≤0,04 |
1,8-2,2 |
0,1-0,3 |
18,0-20,5 |
9,0-10,5 |
≤0,25 |
0,018 |
0,025 |
|
Св-07Х25Н13 |
≤0,09 |
1-2 |
0,5-1,0 |
23-26 |
12-14 |
- |
0,018 |
0,025 |
|
Св-10Х16Н25АМ6*10 |
0,08-0,12 |
1-2 |
≤0,6 |
15-17 |
24-27 |
5,5-7,0 |
0,018 |
0,025 |
________________
*1 Содержит не более 0,02% титана и не более 0,03% алюминия.
*2Содержит алюминия 0,05%.
*3 Содержит ванадия 0,15-0,3%.
*4 Содержит ванадия 0,15-0,30%, алюминия 0,05%.
*5 Содержит ванадия 0,2-0,35%.
*6 Содержит 0,25-0,5% ванадия.
*7 Содержит 0,25-0,50% ванадия и 1,0-1,4% вольфрама.
*8 Содержит титана 0,50-1,0%.
*9 Содержит ниобия 0,9-1,3%.
*10 Содержит азота 0,10-0,20%.
Примечание. Проволока марок Св-08ГА-2, Св-08ХМА-2 и Св-08ХМФА-2 изготавливается по ТУ 14-1-4369-87.
Таблица П 8.2
Характеристика порошковой проволоки
|
Марка проволоки |
Диаметр, мм |
Химический состав наплавленного металла, % |
Механические свойства металла шва при 20°С |
Технические условия |
||||||
|
Углерод |
Марганец |
Кремний |
Сера |
Фосфор |
Временное сопротивление разрыву, МПа (кгс/мм2) |
Относительное удлинение, % |
Ударная вязкость, Дж/см2 (кг·с/см2 ) |
|||
|
не более |
||||||||||
|
ПП-АН1 |
2,8 |
Не более 0,10 |
0,6-1,0 |
Не более 0,15 |
0,03 |
0,04 |
490 (50) |
16 |
59 (6) |
ТУ 14-4-1121-81 |
|
ПП-АН3 |
3,0 |
Не более 0,12 |
0,7-1,5 |
0,2-0,5 |
0,03 |
0,035 |
490 (50) |
20 |
132 (13,5) |
ТУ 14-4-982-79 |
|
ПП-АН7 |
2,0-2,3 |
0,08-0,13 |
0,2-0,5 |
0,2-0,5 |
0,03 |
0,03 |
490 (50) |
21 |
127 (13) |
ТУ 14-4-1350-85 |
|
СП-2 |
2,35 |
0,08-0,13 |
0,7-1,0 |
0,1-0,3 |
0,04 |
0,04 |
530 (54) |
24 |
160 (16) |
ТУ 36-44-15-7-88 |
|
ПП-АН8 |
2,0 |
|
|
|
|
|
|
|
|
|
|
|
2,2 |
Не более 0,12 |
0,9-1,5 |
0,15-0,4 |
0,03 |
0,04 |
490 (50) |
20 |
127 (13) |
ТУ 14-4-1059-80 |
|
|
2,5 |
|
|
|
|
|
|
|
|
|
|
|
3,0 |
|
|
|
|
|
|
|
|
|
|
СП-3 |
2,2 |
0,08-0,13 |
0,7-1,0 |
0,15-0,30 |
0,035 |
0,035 |
530 (54) |
20 |
150 (15) |
ТУ 36-2516-83 |
В одну группу однотипных сварных соединений объединяются производственные сварные соединения труб, имеющие следующие общие признаки:
а) способ сварки;
б) марка (сочетание марок) основного металла; в одну группу допускается объединять сварные соединения деталей из сталей различных марок, для сварки которых согласно РД предусмотрено применение сварочных материалов одних и тех же марок (сочетаний марок);
в) марки (сочетание марок) сварочных материалов; в одну группу допускается объединять сварные соединения, выполняемые с применением различных марок (сочетания марок) сварочных материалов, которые согласно указаниям настоящего РД могут использоваться для сварки деталей из одной и той же стали; электроды должны иметь одинаковый вид покрытия по ГОСТ 9466 (основной, рутиловый, целлюлозный, кислый);
г) номинальную толщину свариваемых труб в зоне сварки; в одну группу допускается объединять соединения с номинальной толщиной деталей, мм: до 3, свыше 3 до 10, свыше 10 до 50, свыше 50. Для угловых сварных соединений указанные диапазоны относятся к привариваемым деталям, толщина основной детали не учитывается;
д) диаметр труб в зоне сварки; в одну группу допускается объединять сварные соединения труб диаметром, мм: до 25, свыше 25 до 100, свыше 100 до 500, свыше 500;
е) вид сварного соединения (стыковое, угловое);
ж) форму подготовки кромок. В одну группу допускается объединять сварные соединения с одной из следующих форм подготовки кромок:
с односторонней разделкой кромок и углом их скоса более 8°;
с односторонней разделкой кромок и углом их скоса до 8° включительно (узкая разделка);
с двусторонней разделкой кромок;
без разделки кромок;
3) способ сварки корневого слоя: на остающемся подкладном кольце, на расплавляемом подкладном кольце, без подкладного кольца (свободное формирование обратного валика), с подваркой корня шва;
и) термический режим сварки: с предварительным и сопутствующим подогревом, без подогрева, с послойным охлаждением;
к) режим термической обработки сварного соединения.
Контрольным сварным соединением является соединение, вырезанное из числа производственных сварных соединений или сваренное отдельно, но являющееся идентичным либо однотипным по отношению к производственным сварным соединениям и предназначенное для проведения разрушающего контроля при аттестации технологий сварки или проверке качества и свойств производственных сварных соединений.
Рис. П 10.1 Сборка на стяжных уголках стыков труб диаметром более 100 мм

Рис. П 10.2. Приспособление для центровки труб диаметром 32-83 мм (размеры даны для труб диаметром 32 мм)

Рис. П 10.3 Приспособление для стыковки труб диаметром 60 мм

Рис. П 10.4. Приспособление для центровки труб диаметром 25-60 мм

Рис. П 10.5. Приспособление хомутного типа для центровки труб диаметром 133-377 мм
(1 - вырезы в хомутах для наложения прихваток)
Таблица П 11.1
Преобразователи (машинные) средней частоты для индукционного нагрева сварных соединений
|
Марка преобразователя |
Рабочая частота тока, Гц |
Параметры генератора |
Мощность электродвигателя, кВт |
КПД преобразователя, % |
Система охлаждения агрегата |
Расход на охлаждение воды, м3/ч |
Габаритные размеры преобразователя, мм [высота (длина) × диаметр] |
Масса преобразователя, кг |
||
|
мощность, кВт |
напряжение, В |
сила тока, А |
||||||||
|
ПВ-50/2500* |
2650 |
50 |
750/375 |
74/148 |
60 |
75 |
Воздушно- принудительная |
- |
1120× 1040 |
2100 |
|
ПВС-100/2500* |
2650 |
100 |
750/375 |
148/296 |
125 |
75 |
Воздушно-водяная |
- |
1495× 1040 |
3000 |
|
ПВВ-100/2500* |
2700 |
100 |
750/375 |
148/296 |
125 |
74 |
То же |
5 |
1616× 1100
|
4000 |
|
ВПЧ-30-2400
|
2400 |
30 |
400/200 |
83/166 |
41 |
75 |
" |
1,8 |
972×660 |
800 |
|
ВПЧ-50-2400
|
2400 |
50 |
800/400/200 |
69/139/273 |
76 |
75 |
" |
2,1 |
1306×860 |
1660 |
|
ВПЧ-100-2400
|
2400 |
100 |
800/400/200 |
139/278/556 |
138 |
75 |
" |
2,4 |
1555×855 |
2240 |
|
ПВВ-100/8000*
|
8000 |
100 |
750/375 |
148/296 |
120 |
75 |
Водяная |
5 |
1616× 1150 |
4000 |
|
ВПЧ-20-8000 |
8000 |
20 |
400/200 |
55/111 |
30,5 |
70 |
Воздушно-водяная |
1,5 |
1090×660 |
870 |
|
ВПЧ-30-8000
|
8000 |
30 |
400/200 |
83/166 |
42 |
75 |
То же |
1,8 |
1090×660 |
1030 |
|
ВПЧ-50-8000 |
8000 |
50 |
800/400/200 |
69,5/139/278 |
77 |
Не менее 70
|
" |
2,1 |
1390 |
1870 |
|
ВПЧ-100-8000
|
8000 |
100 |
800/400/200 |
139/278/556 |
140 |
Не менее 75 |
" |
2,4 |
1685 |
2610 |
|
ОПЧ-250-2, 4-380/660
|
2965 |
250 |
800 |
329 |
290 |
86 |
" |
3,6 |
1870× 1062 |
4360 |
|
ОПЧ-320-1, 0-380/660
|
2960 |
320 |
800 |
400 |
364 |
88 |
" |
3,6 |
1870× 1062 |
4400 |
_______________
* Сняты с производства.
Таблица П 11.2
Тиристорные преобразователи частоты (инверторы) для индукционного нагрева сварных соединений
|
Марка преобразователя |
Рабочая частота тока, Гц |
Номинальная мощность, кВт |
Входные параметры |
КПД, % |
Система охлаждения агрегата |
Расход воды на охлаждение, м3/ч |
Габаритные размеры преобразователя, мм |
Масса преобразователя кг |
|
|
напряжение, В |
ток, А |
||||||||
|
СЧИ-100-2,4 |
2400 |
100 |
400 |
250 |
94 |
Водяное |
1,5 |
1845× 1120× 1700 |
1840 |
|
СЧИ-100/3 |
3000 |
100 |
400 |
250 |
92 |
То же |
2,5 |
1695× 1120×1700 |
1200 |
|
ТПЧ-160-2,4 |
2400 |
160 |
800 |
340 |
90 |
" |
2,0 |
2000× 800×2200 |
2000 |
|
ИТ-100* |
2400 |
100 |
480 |
250 |
94 |
Воздушное |
- |
1200× 1200×1760 |
420 |
|
ИТ-250* |
1000-1600 |
250 |
≤1000 |
≤1000 |
94 |
То же |
- |
3500× 2120×2000 |
2000 |
_______________
* Установки выпускаются инженерным центром "Сварка" института "Оргэнергострой". Подсоединяются непосредственно к сварочным разводкам напряжением 95, 180, 275 В или имеют свой автономный источник питания.
Таблица П 11.3
Установки для термической обработки сварных соединений труб
|
Показатель |
Марка установки |
|
|
|
МИТ-100* |
ИТ7-200/2,4** |
||
|
Максимальная потребляемая мощность, кВА |
100 |
200 |
|
|
Выходные параметры постового устройства: |
|
|
|
|
максимальная температура нагрева, °С |
800 |
1050 |
|
|
напряжение, В |
400 |
400 |
|
|
максимальный ток, А |
276 |
550 |
|
|
частота, Гц |
2400 |
2400 |
|
|
Максимальное расстояние от источника питания (преобразователя частоты) до сварного стыка, м |
175 |
175 |
|
|
Максимальное расстояние от постового устройства до сварного стыка, м |
25 |
25 |
|
|
Диаметр обрабатываемого трубопровода, мм |
133-830 |
133-830 |
|
|
Толщина стенки, мм |
12-90 |
до 100 |
|
|
КПД преобразователя, % |
77 |
77 |
|
|
Расход охлаждающей воды, л/мин: |
|
|
|
|
через один преобразователь |
60 |
60 |
|
|
через одно постовое устройство |
40 |
40 |
|
|
Масса установки, кг |
2623 |
5480 |
|
_______________
* Установка МИТ-100 включает в себя: преобразователь частоты ВПЧ-100-2400, шкаф запуска, постовое устройство, пульт управления. Изготавливается инженерным центром "Сварка" ГИ "Оргэнергострой".
** Установка ИТ7-200/2,4 включает в себя: 2 преобразователя частоты ВПЧ-100-2400, 2 шкафа запуска, пульт управления и постовые устройства - 6 шт. Изготавливается Дагестанским заводом электротермического оборудования.
Таблица П 12.1
Параметры конденсаторов
|
Марка конденсатора |
Напряжение, В |
Частота, Гц |
Мощность, квар |
Емкость, мкФ |
Номер схемы включения (по табл. П 12.2) |
|
ЭСВ-0,5-2,4-4УЗ |
500 |
2400 |
300 |
79,60 |
1 |
|
ЭСВ-0,8-2,4-2(4)УЗ |
800 |
2400 |
300 |
31,20 |
2,1 |
|
ЭСВП-0,8-2,4УЗ |
800 |
2400 |
300 |
31,20 |
5 |
|
ЭСВ-1-2,4-2(4)-УЗ |
1000 |
2400 |
300 |
19,90 |
2,1 |
|
ЭСВП-1-2,4УЗ |
1000 |
2400 |
300 |
19,90 |
5 |
|
ЭСВ-1,6-2,4-2 (4) УЗ |
1600 |
2400 |
300 |
7,80 |
3,4 |
|
ЭСВ-2-2,4-2(4)УЗ |
2000 |
2400 |
300 |
4,97 |
3,4 |
|
ЭСВ-0,5-10-4УЗ |
500 |
10000 |
400 |
25,50 |
1 |
|
ЭСВ-0,8-10-2(4)УЗ |
800 |
10000 |
400 |
9,96 |
2,1 |
|
ЭСВП-0,8-10-УЗ |
800 |
10000 |
400 |
9,96 |
5 |
|
ЭСВ-0,5-2,4-4ТЗ |
500 |
2400 |
250 |
66,40 |
1 |
|
ЭСВ-0,8-2,4-2(4)ТЗ |
800 |
2400 |
250 |
25,90 |
2,1 |
|
ЭСВП-0,8-2,4ТЗ |
800 |
2400 |
250 |
25,90 |
5 |
|
ЭСВ-1-2,4-2(4)ТЗ |
1000 |
2400 |
250 |
16,60 |
2,1 |
|
ЭСВП-1-2,4ТЗ |
1000 |
2400 |
250 |
16,60 |
5 |
|
ЭСВ-1,6-2,4-2(4)ТЗ |
1600 |
2400 |
250 |
6,47 |
4,3 |
|
ЭСВ-2-2,4-2(4)-ТЗ |
2000 |
2400 |
250 |
4,15 |
4,3 |
|
ЭСВ-0,5-10-4ТЗ |
500 |
10000 |
300 |
19,10 |
1 |
|
ЭСВ-0,8-10-2(4)ТЗ |
800 |
10000 |
300 |
7,46 |
2,1 |
|
ЭСВ-П-0,8-10ТЗ |
800 |
10000 |
300 |
7,46 |
5 |
Таблица П 12.2
Схемы включения групп конденсаторов
|
№ схемы |
Схемы включения |
Точки приложения рабочего напряжения |
Емкость конденсатора |
|
1 |
|
0-1, 2, 3, 4 |
С=4Сгр |
|
2 |
|
0-1, 2 |
С=2Сгр |
|
3 |
|
1, 2 - 3, 4 |
С=Сгр |
|
4 |
|
1-2 |
С=Сгр/2 |
|
|
|
0-1, 2, 3, 4 |
С=Сгр1+Сгр2+Сгр3+Сгр4 |
|
5 |
|
0-1 |
Сгр1=9/16С |
|
|
|
0-2 |
Сгр2=4/16С |
|
|
|
0-3 |
Сгр3=2/16С |
|
|
|
0-4 |
Сгр4=1/16С |
Таблица П 13.1
Технические
данные гибких проводов для индукционных нагревателей (медные
провода марки М по ГОСТ
839-80, МГ и МГЭ по ТУ 16-705.466-87)
|
Марка |
Номинальное сечение провода, мм2 |
Число и номинальный диаметр проволоки, мм |
Диаметр провода, мм |
Электрическое сопротивление, 1 км провода, Ом, не более
|
Масса, кг/км |
|
М |
35 |
7×2,51 |
7,5 |
0,52 |
311 |
|
|
50 |
7×3,0 |
9,0 |
0,37 |
444 |
|
|
70 |
19×2,13 |
10,7 |
0,27 |
612 |
|
|
95 |
19×2,51 |
12,6 |
0,194 |
850 |
|
|
120 |
19×2,80 |
14,0 |
0,156 |
1058 |
|
|
150 |
19×3,15 |
15,8 |
0,123 |
1338 |
|
|
185 |
37×2,51 |
17,6 |
0,10 |
1659 |
|
|
240 |
37×2,84 |
19,9 |
0,0789 |
2124 |
|
МГ |
35 |
133×0,58 |
8,70 |
0,521 |
322 |
|
|
50 |
133×0,68 |
10,20 |
0,375 |
442 |
|
|
70 |
189×0,68 |
12,55 |
0,254 |
629 |
|
|
95 |
259×0,68 |
14,28 |
0,193 |
861 |
|
|
120 |
259×0,77 |
16,17 |
0,150 |
1104 |
|
|
150 |
259×0,85 |
17,85 |
0,123 |
1346 |
|
|
185 |
361×0,80 |
20,00 |
0,100 |
1662 |
|
|
240 |
427×0,85 |
22,95 |
0,0748 |
2219 |
|
МГЭ |
240 |
570×0,73 |
26,60 |
0,0776 |
2370 |
Таблица П 13.2
Технические данные водоохлаждаемых гибких индукционных кабелей (ВГИК)
|
Показатель |
Марка индукционного кабеля |
||
|
ВГИК 2000 |
ВГИК 1000 |
ВГИК 600 |
|
|
Длина одной секции, м |
До 15 |
До 15 |
До 15 |
|
Диаметр кабеля, мм |
35 |
30 |
25 |
|
Диаметр нагреваемого изделия, мм |
200-4000 |
200-4000 |
150-4000 |
|
Рабочая частота, Гц |
50-8000 |
50-8000 |
50-8000 |
|
Предельный ток, А |
2000 |
1000 |
600 |
|
Максимальная температура нагреваемого изделия, °С |
1200 |
1200 |
1200 |
|
Показатель |
Марка электронагревателя |
|||||
|
КЭН-1 |
КЭН-2 |
КЭН-3 |
КЭН-4-1 |
КЭН-4-2 |
КЭН-4-3
|
|
|
Максимально допустимый ток, А |
60 |
120 |
300 |
360 |
360 |
360 |
|
Максимальная мощность, кВт |
0,9 |
3,3 |
13,5 |
17,7 |
20,5 |
23,4 |
|
Падение напряжения на электронагревателе, В |
15 |
28 |
45 |
49 |
57 |
65 |
|
Количество нихромовых проволок диаметром 3,6 мм, шт. |
1 |
2 |
5 |
6 |
6 |
6 |
|
Марка керамического нагревательного изолятора |
ИКН-202 |
ИКН-202 |
ИКН-302 |
ИКН-302 |
ИКН-302 |
ИКН-302 |
|
Размеры сварных соединений труб, мм: |
|
|
|
|
|
|
|
диаметр |
25-325 |
108-426 |
219-720 |
1020 |
1220 |
1420 |
|
толщина стенки |
До 25 |
До 40 |
До 70 |
До 70 |
До 70 |
До 70 |
|
Габаритные размеры, КЭН, мм:
|
|
|
|
|
|
|
|
длина |
2316 |
4316 |
6604 |
7104 |
8404 |
9604 |
|
ширина |
22 |
22 |
33 |
33 |
33 |
33 |
|
высота |
22 |
22 |
33 |
33 |
33 |
33 |
|
Масса КЭН, кг |
1,8 |
4,5 |
11,4 |
12,7 |
14,7 |
19,6 |
Примечание. Максимальная температура нагрева для электронагревателей типа КЭН 1000°С; число допустимых нагревов до 750°С составляет 25.
|
Материал |
Предельная температура рабочей среды (температура металла), °С |
Нормативный документ |
|
Волокно каолинового состава: |
|
|
|
вата ВКР I и II сортов, маты ВКМ |
1100 |
ТУ 6-11-245-77 |
|
Асбестовые ткани - марка (толщина, мм): |
|
ГОСТ 6102-78 |
|
АТ-3 (2,5): |
400 |
|
|
АТ-4 (3,1): |
400 |
|
|
АТ-5 (2,2): |
400 |
|
|
АТ-7 (2,4): |
450 |
|
|
АТ-8 (3,3): |
450 |
|
|
АТ-9 (2,0): |
450 |
|
|
АТ-13 (4,4): |
400 |
|
|
АТ-14 (4,2): |
400 |
|
|
АСТ-1 (1,8): |
500 |
|
|
Асбестовый картон |
500 |
ГОСТ 2850-80 |
|
КАОН-1, |
|
|
|
КАОН-2 |
|
|
|
Асбестовые шнуры: |
|
|
|
ШАОН-1, ШАИ-1 |
400 |
ГОСТ 1779-83 |
|
ШАИ-2, ШАВТ |
425
|
|
|
ШАПТ |
350
|
|
|
Кремнеземистые ткани: |
|
|
|
КТ-11 |
1300 |
ОСТ 6-11-376-74 |
|
КТ-11-ТО |
1100
|
|
|
КТ-11-ТО-А |
1100 |
ТУ 6-11-175-77 |
|
КТ-11-3-02 |
1100 |
ТУ 6-11-224-77 |
|
Маты: |
|
|
|
теплоизоляционные МРПК-2 |
1100 |
ТУ 6-11-388-75 |
|
минераловатные прошивные1М, 2М |
600 |
ГОСТ 21880-86 |
|
высокотемпературные, МВТ |
1100 |
ТУ 36-1846-77 |
|
Марка преобразователя |
Рабочая длина, м |
Диаметр термоэлектрода, мм |
|
ТХА-0806 |
0,5-3,15 |
3,2 |
|
ТХА-1489 |
1,0-20,0 |
1,2 |
|
ТХА-0279 |
0,5-3,15 |
3,2 |
|
ТХА-0279-01 |
0,365-3,195 |
3,2 |
|
ТХА-706-02 |
0,32-2,5 |
1,2 |
|
ТХА-0179 |
0,32-2,0 |
3,2 |
|
ТХА-151* |
0,32-3,15 |
3,2 |
|
ТХА-0515* |
0,32-2,0 |
3,2 |
_______________
* Сняты с производства.
Примечания. 1. Градуировка всех марок термоэлектрических преобразователей - ХА.
2. Пределы измерений: при длительном применении (сотни часов) - от -50 до +1000°С; при кратковременном применении (десятки часов) - 1300°С.
Таблица П 17.1
Милливольтметры
|
Марка |
Наименование |
Класс точности |
Предел измерения, °С |
Внешнее сопротивление, Ом |
Габариты, мм |
Масса, кг |
|
МПП-054* |
Показывающий, контрольный, переносный, одноточечный |
1 |
0-800, 0-1100, 0-1300 |
0,6; 5; 15 0,6; 5; 15 0,6 |
184×168×75 |
0,5 |
|
МПЩПр-54М* |
Показывающий, щитовой с профильной шкалой, одноточечный |
1,5 |
0-800, 0-1100, 0-1300 |
0,6; 5; 15; 25 0,6; 5; 15; 25 0,6 |
295×108×201 |
0,5 |
|
М-64* |
То же |
1,5 |
0-800, 0-1100, 0-1300
|
5; 15 5; 15 5; 15 |
233×214×100 |
3,0 |
|
МР-64-02* |
Показывающий, регулирующий (двухпозиционного регулирования), щитовой, со шкалой, одноточечный |
1,5 |
0-800, 0-1100, 0-1300 |
0,6; 5; 15 0,6; 5; 15 0,6; 5; 15 |
214×214×100 |
4,5 |
|
Ш-450 |
Показывающий, щитовой, с профильной шкалой, одноточечный
|
1; 1,5 |
0-800, 0-900, 0-1300, 0-1100 |
15 |
197× 160×40 |
1,0 |
|
Ш-4512* |
То же |
1 |
0-800, 0-900, 0-1100, 0-1300
|
15 |
230×160×80 |
1,5 |
|
Ш-4514* |
Показывающий, регулирующий (двухпозиционного регулирования), с профильной шкалой, одноточечный |
1 |
0-800, 0-900, 0-1100, 0-1300 |
15 |
230×160×80 |
2,0 |
|
Ш-4501 |
То же |
1; 1,5 |
0-800, 0-900, 0-1100, 0-1300
|
15 |
290 |
4,5 |
|
Ш-4500 |
Показывающий, щитовой, с профильной шкалой, одноточечный |
1; 1,5 |
0-800, 0-900, 0-1100, 0-1300 |
15 |
244×200×100 |
3,0 |
_______________
* Сняты с производства.
Примечания. 1. Милливольтметры, за исключением милливольтметров МПП-054 и МПЩПр-54М, имеют термокомпенсатор для автоматической компенсации влияния окружающей температуры.
2. Градуировка всех марок милливольтметров - ХА.
Таблица П 17.2
Автоматические самопишущие потенциометры
|
Марка |
Общие данные |
Класс точности |
Напряжение сети, В |
Пределы измерения, °С |
Число точек измерения |
Габариты, мм |
Масса, кг |
|
ЭПП-09МЗ |
С электронным усилителем, ленточной диаграммой шириной 275 мм, с трехпозиционным регулятором (или без него)
|
0,5 |
220 |
0-800, 0-900, 0-1100, 0-1300 |
1, 3, 6 12, 24 |
507×483×387 |
40 |
|
ЭПД-120 |
С электронным усилителем, дисковой диаграммой, с трехпозиционным регулятором (или без него), диаметр диаграммы 300 мм
|
1,0 |
127, 220 |
0-800, 0-900, 0-1100, 0-1300 |
1 |
422×451×292 |
25 |
|
ПС1-08 |
С электронным усилителем, ленточной диаграммой шириной 160 мм
|
1,0 |
127, 220 |
0-800, 0-900, 0-1100, 0-1300 |
1, 2, 3, 6, 12 |
330×287×404 |
22 |
|
КСП-3 |
С электронным усилителем, дисковой диаграммой диаметром 250 мм, с регулирующим устройством (или без него) |
0,5 |
127 |
0-800, 0-900, 0-1100, 0-1300 |
1 |
300×300×380 |
15 |
|
КСП-4 |
С электронным усилителем, ленточной диаграммой шириной 250 мм, с трехпозиционным регулятором (или без него) |
0,25 |
220 |
0-800, 0-900, 0-1100, 0-1300 |
1, 3, 6, 12 |
400×400×367 |
22 |
|
ПСМР-2 |
С электронным усилителем, ленточной диаграммой шириной 100 мм, с трех контактным регулирующим устройством |
1,0 |
127 |
0-800, 0-900, 0-1100, 0-1300 |
1 |
186×186×480 |
17 |
|
ПСР-1 |
То же с регулирующим устройством для автоматического регулирования температуры в одной из точек |
1,0 |
127, 220 |
0-800, 0-900, 0-1100, 0-1300 |
1, 2, 3, 6, 12 |
330×287× 404 |
22 |
|
КСП-1 |
С ленточной диаграммой шириной 100 мм, с трехпозиционным регулятором (или без него) |
1,0 |
220 |
0-800, 0-900, 0-1100, 0-1300 |
1 |
500×20×160 |
12,5 |
|
КСП-2 |
С полупроводниковым усилителем, ленточной диаграммой шириной 160 мм, с трехпозиционным регулятором (или без него) |
0,5 |
220 |
0-800, 0-900, 0-1100, 0-1300 |
1, 3, 6, 12 |
450×320×283 |
17-21 |
_______________
Примечание. Градуировка всех марок потенциометров - ХА.
|
Обозначение провода |
Число и сечение жил, мм2 |
Изоляционное покрытие провода |
Рекомендуемая область применения |
|
ПТВ |
2×(1,0-2,5) |
Поливинилхлоридная изоляция и оболочка |
В трубах, внутри приборов и помещений при температуре от -40 до +70°С |
|
ПТГВ |
2×(1,0-2,5) |
То же |
То же, если требуется повышенная гибкость провода |
|
ПТПЭ |
2×(1,5-2,5) |
Изоляция из полиэтилентерефталатной пленки в общей оплетке полиэфирными нитями, пропитанной клеем БФ, экранированный провод |
В местах, где действуют внешние электромагнитные поля и возможны механические воздействия |
19.1. Содержание протокола заседания аттестационной комиссии по аттестации технологии сварки.
19.2. Перечень трубопроводов, подлежащих сдаче заказчику после окончания монтажа (ремонта) (пример).
19.3. Сведения о сварных соединениях и результатах их контроля.
19.4. Схема расположения сварных стыков трубопровода (пример).
19.5. Сводная таблица сварных стыков.
19.6. Сварочный формуляр фронтового экрана котла (пример).
19.7. Сведения о сварщиках.
19.8. Акт на проверку сварочно-технологических свойств электродов.
19.9. Акт на проверку соответствия присадочного материала марочному составу.
19.10. Акт на сварку контрольного стыка.
19.11. Акт на вырезку производственных сварных стыков.
19.12. Акт на проверку визуальным контролем и измерением размеров шва сварных стыков.
19.13. Наряд-заказ на испытание образцов сварных стыков.
19.14. Протокол механических испытаний образцов сварных соединений.
19.15. Протокол металлографических исследований образцов сварных соединений.
19.16. Заключение по ультразвуковому контролю качества сварных соединений.
19.17. Заключение по радиографированию сварных соединений.
19.18. Протокол стилоскопирования деталей и металла шва.
19.19. Протокол измерения твердости металла шва.
19.20. Журнал термообработки сварных стыков.
19.21. Акт на проверку сварных соединений путем прогонки металлического шара.
Наименование предприятия-изготовителя (завода, монтажной, ремонтной организации) и адрес.
Дата проведения аттестации.
1. Причина проведения производственной аттестации технологии сварки (в соответствии с п. 3.5.7 РД).
2. Характеристика аттестуемых производственных сварных соединений.
2.1. Наименование изделия и их шифр.
2.2. Перечень аттестуемых групп однотипных сварных соединений с указанием для каждой группы:
1) названия и номера чертежа изделия;
2) марки стали и размеров труб (диаметра и толщины стенки);
3) наименования и шифра производственно-технологической документации (ПТД), по которой выполняются аттестуемые сварные соединения.
3. Характеристики контрольных сварных соединений.
3.1. Чертежи или эскизы контрольных сварных соединений для каждой аттестуемой группы однотипных производственных сварных соединений (дается в виде приложения к протоколу).
3.2. Наименование и шифр ПТД, по которой выполнялось каждое контрольное сварное соединение.
3.3 Способ сварки.
3.4. Положение стыка при сварке (вертикальный неповоротный стык, вертикальный поворотный, горизонтальный).
3.5. Схемы вырезки образцов из контрольных сварных соединений с указанием назначения и типов образцов со ссылкой на соответствующие стандарты или с эскизами образцов со всеми необходимыми размерами (дается в виде приложения к протоколу).
3.6. Перечень ПТД, по которой проводилась проверка контрольных сварных соединений и образцов, вырезанных из этих соединений.
4. Результаты проверки контрольных сварных соединений и образцов, вырезанных из этих соединений (приводятся результаты всех испытаний, предусмотренных программой аттестации, и дается оценка каждого испытания в соответствии с нормами РД 34.15.027-93).
5. Общая оценка результатов аттестации технологии сварки.
6. Перечень мероприятий, вытекающих из результатов контроля (при его неудовлетворительных результатах), и результаты повторных испытаний.
7. Общая характеристика качества производственных сварных соединений, выполняемых по аттестуемой технологии (в случае, если эта технология ранее применялась на данном предприятии).
8. Протокол подписывают председатель и члены аттестационной комиссии с указанием их фамилий и должностей; проставляется дата составления протокола и ставится печать предприятия.
Электростанция ____________________________________________________________
Энергоблок (котел, турбина) № ________________________________________________
Монтажная (ремонтная) организация ___________________________________________
|
Согласовано |
Утверждаю |
|
__________________________________________ Главный инженер ТЭС |
_______________________________________ Главный инженер монтажного (ремонтного) участка |
|
_______________ (фамилия, инициалы) _________________ (фамилия, инициалы) (подпись) (подпись) |
|
|
" __ " __________ 19 _______ г. |
" __ " __________ 19 _______ г. |
|
Наименование трубопровода и номер чертежа |
Среда |
Параметры |
Труба |
Категория трубопровода |
Номер схемы |
||
|
давление, МПа (кгс/см2) |
температура, °С |
диаметр и толщина, мм |
марка стали |
||||
|
Паропровод острого пара от котла к стопорному клапану и предохранительным клапанам, черт. № ___ |
Пар |
14 (140) |
570 |
273 |
12Х1МФ |
Iв |
1 |
|
Паропровод острого пара от стопорного клапана к турбине, черт. № ___ |
Пар |
14 (140) |
570 |
325 |
15Х1М1Ф |
Iв |
4 |
|
Питательный трубопровод от питательных насосов до котла, черт. № ___ |
Вода |
21 (210) |
230 |
133 194 273 325 |
20 |
Iг |
6 |
|
Газопровод от ГРП до первой задвижки (под землей), черт. № ___ |
Природный газ |
0,3 (3) |
- |
426 |
15ГС |
- |
25 |
Электростанция ______________________________________________________
Энергоблок (котел, турбина) № __________________________________________
Монтирующая (ремонтная) организация __________________________________
|
Изделие (узел) и № схемы (формуляра) |
Дата проведения сварки |
Номер стыка по схеме или формуляру |
Марка стали, диаметр и толщина стенки труб |
Способ и температура подогрева стыка |
Способ сварки и тип стыка (поворотный, неповоротный, горизонтальный) |
Присадочный материал |
Фамилия, инициалы сварщика, клеймо |
Визуальный контроль свар- ного соединения, номер, дата акта |
Способ и режим термообработки |
Твердость металла шва, НВ |
|
|
марка, диаметр |
номер партии и сертификата |
||||||||||
|
1 |
2 |
3 |
4 |
5 |
6 |
7 |
8 |
9 |
10 |
11 |
12 |
|
|
|
|
|
|
|
|
|
|
|
|
|
|
|
|
|
|
|
|
|
|
|
|
|
|
Продолжение таблицы
|
УЗД |
Радиографирование |
Стилоскопирование |
Механические испытания |
Металлографические исследования |
|||
|
оценка, баллы |
номер и дата заключения |
оценка, баллы |
номер и дата заключения |
тип металла шва |
номер и дата протокола |
Номер и дата протокола |
|
|
13 |
14 |
15 |
16 |
17 |
18 |
19 |
20 |
|
|
|
|
|
|
|
|
|
|
|
|
|
|
|
|
|
|
Главный инженер монтажного (ремонтного) участка ______________(фамилия, инициалы)
(подпись)
Руководитель сварочных работ ________________________________(фамилия, инициалы)
(подпись)
Схема № ____________
Параметры
среды: Р
=16,1
МПа (161 кгс/см2, Тр 345°С
Трубы диаметром ______________ мм, толщиной стенки _______________________ мм
Сталь марки _____________________________
|
Расстояние между стыками |
Марка стали, номер плавки и номер трубы |
|
|
номер стыка |
расстояние, мм |
|
|
1-2 |
|
|
|
2-3 |
|
|
|
. . . |
|
|
|
18-19 |
|
|

|
Монтажная (ремонтная) организация |
Электростанция |
|||
|
|
|
|
Энергоблок № ___________________ (тип) |
|
|
Должность |
Фамилия, инициалы |
Подпись |
Котел № _________________________ (тип) |
|
|
|
|
|
Турбина № _______________________ (тип) |
|
|
Главный инженер |
|
|
Представитель дирекции |
|
|
|
|
|
фамилия, инициалы
|
подпись |
|
Прораб по монтажу (ремонту) |
|
|
|
|
|
Руководитель сварочных работ |
|
|
|
|
Схема выполнена на основании _______________________________________________
(номер чертежа и наименование проектной организации)
__________________________________________________________________________
Электростанция ____________________________________________________________
Энергоблок (котел, турбина) № _______________________________________________
Монтажная (ремонтная) организация __________________________________________
К схеме расположения сварных стыков трубопровода № ___________________________
К сварочному формуляру № ___________________________________________________
|
№ п/п |
Наименование узла
|
Соединяемые трубы |
Данные по сварке монтажных (ремонтных) стыков (по рабочим чертежам) |
Данные по дополнительно заваренным стыкам |
|||
|
диаметр и толщина, мм |
марка стали |
количество стыков |
номер стыка |
количество стыков |
номер стыка |
||
|
|
|
|
|
|
|
|
|
|
|
|
|
|
|
|
|
|
|
|
|
|
|
|
|
|
|
" __ " _______ 19 ___ г.
Руководитель сварочных работ _____________________________________________________
(подпись) (фамилия, инициалы)

|
Монтажная организация |
Электростанция |
||||
|
Должность |
Фамилия, инициалы
|
Подпись |
Энергоблок № ________________ |
||
|
Главный инженер |
|
|
Представитель дирекции |
Фамилия, инициалы |
Подпись |
|
Прораб по монтажу |
|
|
|
|
|
|
Руководитель сварочных работ |
|
|
|
|
|
Настоящий формуляр выполнен на основании _____________________________________
(номер чертежа, наименование проектной организации)
Электростанция ____________________________________________________
Энергоблок (котел, турбина) № _______________________________________
Монтажная (ремонтная) организация __________________________________
К схеме расположения сварных стыков трубопровода № __________________
К сварочному формуляру № ___________________________________________
|
Фамилия, имя, отчество |
Клеймо |
Номер и срок действия удостоверения |
|
|
|
|
|
|
|
|
|
|
|
|
|
|
|
|
Руководитель сварочных работ _______________________ (фамилия, инициалы)
(подпись)
" ___ " _________ 19 ___ г.
Электростанция ____________________________________________________________
Энергоблок (котел, турбина) № _______________________________________________
Монтажная (ремонтная) организация __________________________________________
|
" ___ " _________ 19 ___ г. Мы, нижеподписавшиеся, руководитель сварочных работ ________________________ _____________________ и дипломированный сварщик ___________________________ (фамилия, инициалы) __________________________________________________ составили настоящий акт в том, (фамилия, инициалы) что нами произведена проверка сварочно-технологических свойств электродов марки ____________________________________________ диаметром ________________ мм, партии № ________________. Сварочно-технологические свойства электродов проверялись путем: сварки в потолочном положении таврового соединения пластин (погонов) толщиной __________ мм из стали марки ________; сварки вертикального неповоротного стыка труб (потолочного участка труб) диаметром ___________ мм при толщине стенки _____________ мм из стали марки _________________________________ (ненужное зачеркнуть). Электроды по сварочно-технологическим свойствам в соответствии с требованиями ГОСТ 9466-75 признаны годными для сварки ответственных изделий. Подписи:
|
Электростанция ____________________________________________________________
Энергоблок (котел, турбина) № _______________________________________________
Монтажная (ремонтная) организация __________________________________________
|
" ___ " _________ 19 ___ г. Мы, нижеподписавшиеся, руководитель сварочных работ ___________________________ _____________________, стилоскопист ___________________________________________ (фамилия, инициалы) (фамилия, инициалы) и дипломированный сварщик ___________________________________________________ (фамилия, инициалы) составили настоящий акт в том, что нами произведена проверка соответствия марочному составу наплавленного металла электродов марки ___________________, партии № _____________, сварочной проволоки марки __________, плавки № ________ ___________________ (ненужное зачеркнуть) путем стилоскопирования. Результаты стилоскопирования показали следующее: Наплавленный металл, сварочная проволока (ненужное зачеркнуть) относится к типу ______________________, марке ___________________________________________________ Подписи:
|
Электростанция ____________________________________________________________
Энергоблок (котел, турбина) № _______________________________________________
Монтажная (ремонтная) организация __________________________________________
|
" ___ " _________ 19 ___ г. Мы, нижеподписавшиеся, мастер (ИТР) монтажного (ремонтного) участка_____________ (фамилия, инициалы) и представитель заказчика (дирекции электростанции) ______________________________ (фамилия, инициалы) составили настоящий акт в том, что сварщик (и) ____________________________________ (фамилия, инициалы) клеймо № _______________ сварил (и) контрольный стык труб диаметром __________ мм с толщиной стенки ___________ мм из стали марки ___________________________________ Стык собран __________________________________________________________________ _____________________________________________________________________________ (с кольцом, без кольца, зазор, форма разделки кромок) Сварка стыка производилась __________ способом в _______________________________ ____________________ положении без поворота электродами (проволокой) марки ____________ диаметром ________ мм, партии № _________________________________ с предварительным и сопутствующим подогревом до температуры _________°С. Корень шва выполнен ____________ сваркой электродами (проволокой) марки _________________. После сварки контрольный стык подвергался термообработке по режиму: нагрев до температуры ________________°С, выдержка ________ ч, охлаждение со скоростью ________________°С/мин. до температуры _______°С, стык заклеймен _____. Подписи: |
Электростанция ____________________________________________________________
Энергоблок (котел, турбина) № _______________________________________________
Монтажная (ремонтная) организация __________________________________________
|
" ___ " _________ 19 ___ г. Мы, нижеподписавшиеся, мастер (ИТР) монтажного (ремонтного) участка _________________________________________________________ и представитель заказчика (фамилия, инициалы) (представитель дирекции электростанции) ______________________________________ (фамилия, инициалы) составили настоящий акт в том, что в нашем присутствии вырезано _________________ производственных стыков № _______________________________ по схеме (формуляру) № _______________________, труб диаметром ________________________ мм с толщиной стенки ______________ мм из (наименование изделия, узла) стали марки _____________________ котла № _____________________, блока № ____________, ряда № ___________, которые сварил (и) сварщик (и) ________________________________ клейма № ____________________ (фамилия, инициалы) Сварка стыков производилась ________ способом в _______________________положении без поворота присадочным материалом __________________________ марки _______________ диаметром ________ мм, партии № _________________________________ Стыки заклеймены _________________ Подписи: |
Электростанция ____________________________________________________________
Энергоблок (котел, турбина) № _______________________________________________
Монтажная (ремонтная) организация __________________________________________
|
" ___ " _________ 199 ___ г. Мы, нижеподписавшиеся, мастер (ИТР) монтажного (ремонтного) участка_______________________________ и представитель дирекции электростанции _____ (фамилия, инициалы) ___________________ составили настоящий акт в представитель дирекции электростанции ___________________ составили настоящий акт (фамилия, инициалы) в том, что нами произведены визуальный контроль и измерение размеров швов стыков труб __________________ из стали марки ____________________________________________ (наименование узла) _____________ диаметром _____________________ мм при толщине стенки ___________ мм, которые сварил (и) сварщик (и) _________________________________________________ (фамилия, инициалы) клеймо № ____________________, В результате визуального контроля и измерения установлено: 1. Стыки № __________________ подлежат исправлению путем _______________ввиду наличия дефектов _______________________________________________________________ 2. Остальные стыки по результатам визуального контроля признаны годными. Примечание. После устранения дефектов эти стыки должны быть вторично проверены с составлением повторного акта. Подписи: |
Электростанция _________________________________________________
Энергоблок (котел, турбина) № ____________________________________
Монтажная (ремонтная) организация ________________________________
" ___ " __________ 199 ___ г.
В лабораторию сварки и испытания металлов ______________________________________
(треста, управления)
от _____________________________________________________________________
[номер или наименование монтажного (ремонтного) участка, треста]
|
Трубопровод или узел |
Диаметр и толщина стенки, мм |
Марка стали |
Вид стыка (контрольный или производственный) |
Вид сварки |
Марка присадочного материала |
Режим термообработки |
Вид испытания |
Количество образцов |
Маркировка образца |
Фамилия, инициалы сварщика |
|
|
|
|
|
|
|
|
|
|
|
|
|
|
|
|
|
|
|
|
|
|
|
|
|
|
|
|
|
|
|
|
|
|
|
|
Главный инженер монтажного (ремонтного) участка __________________________________
(фамилия, инициалы) (подпись)
Руководитель сварочных работ __________________________________(фамилия, инициалы)
(подпись)
Штамп лаборатории
Электростанция ___________________________________________________
Энергоблок (котел, турбина) № _______________________________________
Монтажная (ремонтная) организация __________________________________
Образцы получены по наряду-заказу № _______ от " __ "__________ 199 ___ г.
Результаты
|
Трубопровод, узел |
Диаметр и толщина стенки, мм |
Марка стали |
Маркировка образца |
Места разрушения и виды дефектов в изломе образца |
Временное сопротивление разрыву, МПа (кгс/мм2 |
Угол изгиба, град., или просвет при сплющивании, мм |
Ударная вязкость, Дж/см2(кгс·м/см2 |
Фамилия, инициалы сварщика |
|
|
|
|
|
|
|
|
|
|
|
|
|
|
|
|
|
|
|
|
|
|
|
|
|
|
|
|
|
|
|
|
|
|
|
|
|
|
|
|
Начальник лаборатории _________________________________(фамилия, инициалы)
(подпись)
Испытание провел ______________________________________(фамилия, инициалы)
(подпись)
Штамп лаборатории
Электростанция _______________________________________________________
Энергоблок (котел, турбина) № __________________________________________
Монтажная (ремонтная) организация _____________________________________
от " __ " __________________ 199___ г.
Образцы получены по наряду-заказу № _______ от " __ "__________ 199 ___ г.
Результаты
|
Трубопровод, узел |
Диаметр и толщина стыкуемых труб или элементов, мм |
Марка стали |
Маркировка образца |
Макро- исследование (описание и оценка) |
Микро- исследование (описание и оценка) |
Фамилия, инициалы сварщика |
Оценка качества сварки |
|
|
|
|
|
|
|
|
|
|
|
|
|
|
|
|
|
|
|
|
|
|
|
|
|
|
|
|
|
|
|
|
|
|
|
|
Начальник лаборатории ______________________________________(фамилия, инициалы)
(подпись)
Исследование провел ___________________________________(фамилия, инициалы)
(подпись)
Электростанция _________________________________________________
Энергоблок (котел, турбина) № ____________________________________
Монтажная (ремонтная) организация ________________________________
" __ " ___________________199 ___ г.
|
Проверка качества _____________________________________________ сварных соединений (стыковых, угловых) _______________________________________________________________________________ (наименование трубопровода, узла) по схеме (формуляру) № ___________________________ проводилась в соответствии с____ _______________________________________________________________________________ (наименование НТД) ультразвуковым дефектоскопом типа ______________________________________________, рабочая частота _________________ МГц, угол призмы искателя _______________________ _______________________________________________________________________________
|
Результаты
|
Номер стыка по схеме или формуляру |
Диаметр и толщина стыкуемых труб или элементов, мм |
Описание обнаруженных дефектов |
Наибольшие допустимые размеры эквивалентного дефекта, мм |
Оценка результатов контроля, баллы |
Номер записи в журнале УЗК |
|
|
|
|
|
|
|
|
|
|
|
|
|
|
|
|
|
|
|
|
|
Мастер по контролю ________________________________________ (фамилия, инициалы)
(подпись)
Контроль провел ___________________________________________ (фамилия, инициалы)
(подпись)
Электростанция _______________________________________________________________
Монтажная (ремонтная) организация ______________________________________________
" __ " ___________________199 ___ г.
|
Контроль качества сварных соединений __________________________________________ _____________________________________________________________________________ (наименование трубопровода или узла) проводился с применением _____________________________________________________ (аппаратура или источник излучения) о ___________________________________________________________________________ (наименование НТД) с оценкой качества по _________________________________________________________ (наименование НТД, номер ГОСТ) Схема формуляра №___________________________________________________________
|
Результаты
|
Номер сварного стыка по схеме (формуляру) |
Объем контроля стыка, % |
Номер записи в журнале учета результатов радиографического контроля
|
Описание обнаруженных дефектов |
Оценка результатов контроля, баллы |
|
|
|
|
|
|
|
|
|
|
|
|
|
|
|
|
|
|
Мастер по контролю ________________________________________ (фамилия, инициалы)
(подпись)
Контроль провел ____________________________________________(фамилия, инициалы)
(подпись)
Электростанция _________________________________________________
Энергоблок (котел, турбина) № ____________________________________
Монтажная (ремонтная) организация _______________________________
Наименование трубопровода или узла котла _________________________
Схема (формуляр) № _____________________________________________
от " __ " _________________ 199 ___ г.
|
Номер позиции по схеме или формуляру |
Наименование детали или номер стыка |
Диаметр трубы или арматуры, мм |
Количество |
Содержание, % |
Соответствует марке стали или типу металла шва |
||||||
|
деталей или стыков |
спектральных анализов |
Cr |
Mo |
V |
M№ |
№b |
в соответствии с произведенным анализом |
по проекту |
|||
|
|
|
|
|
|
|
|
|
|
|
|
|
|
|
|
|
|
|
|
|
|
|
|
|
|
|
|
|
|
|
|
|
|
|
|
|
|
|
Мастер по контролю _______________________________________ (фамилия, инициалы)
(подпись)
Контроль проводил ________________________________________ (фамилия, инициалы)
(подпись)
Электростанция _______________________________________________________
Энергоблок (котел, турбина) № __________________________________________
Монтажная (ремонтная) организация _____________________________________
от " ___ " ____ 199 ___ г.
К схеме расположения сварных стыков трубопровода № ____________________
К сварочному формуляру № ____________________________________________
Твердость металла шва измерена твердомером типа ________________________
_____________________________________________________________________
|
Номер стыка по формуляру или схеме |
Диаметр и толщина стенки труб, мм |
Марка стали трубы |
Способ сварки |
Марка электрода или проволоки |
Твердость* металла шва, НВ |
|
|
|
|
|
|
|
|
|
|
|
|
|
|
|
|
|
|
|
|
|
_______________
* Указать минимальную, максимальную и среднюю твердость.
Начальник лаборатории __________________________________ (фамилия, инициалы)
(подпись)
Испытание провел ______________________________________ (фамилия, инициалы)
(подпись)
Электростанция ______________________________________________________________
Энергоблок (котел, турбина) № _________________________________________________
Монтажная (ремонтная) организация _____________________________________________
Наименование трубопровода ____________________________________________________
Схема расположения стыков трубопровода № _____________________________________
Вид нагревателя _________________ Способ измерения температуры _________________
|
Дата проведения термообработки |
Номер стыка по схеме |
Способ нагрева |
Марка стали
|
Диаметр и толщина стенки трубы, мм |
Режим |
Фамилия, подпись термиста |
||
|
время измерения температуры |
температура, °С |
характер охлаждения |
||||||
|
|
|
|
|
|
|
|
|
|
|
|
|
|
|
|
|
|
|
|
|
|
|
|
|
|
|
|
|
|
Мастер по термообработке ___________________________________ (фамилия, инициалы)
(подпись)
Электростанция ____________________________________________________________
Энергоблок (котел, турбина) № _______________________________________________
Монтажная (ремонтная) организация __________________________________________
" ___ " _________ 19 ___ г.
|
Мы, нижеподписавшиеся, представители заказчика (дирекции электростанции)_________ ______________________________________________________ и монтажной (ремонтной) (должность, фамилия, инициалы) организации ________________________________________________________ составили (должность, фамилия, инициалы) настоящий акт в том, что сварные соединения труб наружным диаметром____________________ мм с толщиной стенки ___________ мм _______________ _____________________________________________________________________________ (указывается элемент котла - пароперегреватель, водяной экономайзер и др.) проверены путем прогонки металлического шара диаметром ____________ мм согласно требованиям НТД ________________________________________________________________ _____________________________________________________________________________ (указывается название и шифр НТД или чертежа) Сварные соединения по результатам прогонки шара признаны годными. Подписи: представитель заказчика ______________________________________________ представитель монтажной (ремонтной) организации _________________________________________________________________
|
|
Тип, класс стали |
Марка стали |
|
Перлитный класс: |
|
|
- Углеродистые |
Ст2сп, Ст2пс, Ст2кп, Ст3сп, Ст3Гпс, Ст3пс, Ст3кп, Ст4сп, 08, 10, 20, 15Л, 20Л, 25Л |
|
- Низколегированные конструкционные - марганцовистые, кремнемарганцовистые, марганценикелевые, хромокремнемарганцовистые |
10Г2, 09Г2С, 10Г2С1, 15Г2С, 16ГН, 14ГН, 14ХГС, 17Г1С, 17Г1СУ, 15ГС, 16ГС, 17ГС, 20ГСЛ |
|
- Низколегированные теплоустойчивые - хромомолибденовые, хромомолибденованадиевые |
12МХ, 15ХМ, 12Х1МФ, 15Х1М1Ф, 15Х1М1Ф-ЦЛ, 12Х2М1, 12Х2МФСР, 12Х2МФБ, 20ХМЛ, 20ХМФЛ, 15Х1М1ФЛ |
|
Высоколегированные мартенситного и мартенситно-ферритного классов |
20Х13, 12Х11В2МФ, 13Х12Н2В2МФ, 20Х12ВНМФ, 18Х12ВМБФР |
|
Высоколегированные хромоникелевые аустенитного класса |
12Х18Н12Т, 12Х18Н10Т, 31Х19Н9МВБТ, ХН35ВТ |
(Измененная редакция, Изм. № 1)
|
Наименование контролируемого показателя |
Номер пункта, таблицы РД |
Пределы допустимых отступлений от установленных норм, %
|
|
Смещение внутренних поверхностей труб в стыках без подкладных колец |
30 |
|
|
Размеры шва |
50 |
|
|
Максимальный размер западания (углубления) между валиками и чешуйчатость поверхности шва |
30 |
|
|
Максимальный размер подреза |
50 |
|
|
Твердость металла шва |
5 |
|
|
Угол изгиба |
10 |
|
|
Просвет между сжимающими поверхностями при испытании на сплющивание |
15 |
|
|
Временное сопротивление разрыву |
10 |
|
|
Ударная вязкость |
10 |
|
|
Максимальный показатель КД при металлографическом исследовании |
25 |
|
|
Выпуклость корня шва |
п. 16.6.24, г |
25 |
|
Вогнутость корня шва |
п. 16.6.24, г |
20 |
|
Минимальное расстояние между соседними включениями и (или) скоплениями |
Табл. 16.13 (примеч. 2) |
25 |
|
Максимальный размер одиночных включений и скоплений |
Табл. 16.2, 16.6, 16.7, 16.13 |
40 |
|
Число одиночных включений и скоплений (несплошностей) |
табл. 16.6, 16.7, 16.10, 16.11, 16.13 |
25 |
|
Суммарная приведенная площадь одиночных включений и скоплений |
20 |
|
|
Суммарная длина одиночных включений, скоплений и цепочек на длине 100 мм |
20 |
|
|
Высота непровара в корне шва |
20 |
|
|
Суммарная длина непровара в корне шва |
20 |
Номинальная толщина сваренных деталей - указанная в чертеже (без учета допусков) толщина основного металла деталей в зоне, примыкающей к сварному шву.
Расчетная высота углового шва - по ГОСТ 2601 (расчетная высота двустороннего углового шва определяется как сумма расчетных высот двух его частей, выполненных с разных сторон).
Несплошность - обобщенное наименование всех нарушений сплошности и формы сварного соединения (трещина, непровар, несплавление, включение, вогнутость и др.).
Включение - обобщенное наименование пор, шлаковых и вольфрамовых включений.
Максимальный размер включения - наибольшее расстояние между двумя точками внешнего контура включения.
Максимальная ширина включения - наибольшее расстояние между двумя точками внешнего контура включения, измеренное в направлении, перпендикулярном максимальному размеру включения.
Включение одиночное - включение, минимальное расстояние от края которого до края любого другого соседнего включения не менее трехкратной максимальной ширины каждого из двух рассматриваемых включений, но не менее трехкратного максимального размера включения с меньшим значением этого показателя (из двух рассматриваемых).
Скопление - два или несколько включений, минимальное расстояние между краями которых менее установленных для одиночных включений, но не менее максимальной ширины каждого из любых двух рассматриваемых соседних включений.
Внешний контур скопления - контур, ограниченный внешними краями включений, входящих в скопление, и касательными линиями, соединяющими указанные края.
Максимальный размер скопления - наибольшее расстояние между двумя точками внешнего контура скопления.
Максимальная ширина скопления - наибольшее расстояние между двумя точками внешнего контура скопления, измеренное в направлении, перпендикулярном максимальному размеру скопления.
Скопление одиночное - скопление, минимальное расстояние от внешнего контура которого, до внешнего контура любого другого соседнего скопления или включения не менее трехкратной максимальной ширины каждого из двух рассматриваемых скоплений (или скопления и включения), но не менее трехкратного максимального размера скопления (включения) с меньшим значением этого показателя (из двух рассматриваемых).
Группа включений - два или несколько включений, минимальное расстояние между краями которых менее максимальной ширины хотя бы одного из двух рассматриваемых соседних включений. Внешний контур группы включений ограничивается внешними краями включений, входящих в рассматриваемую группу, и касательными линиями, соединяющими указанные края. При оценке качества сварных соединений группа включений рассматривается как одно сплошное включение.
Включения одиночные протяженные (при радиографическом контроле) - включения, максимальный размер которых превышает допустимый максимальный размер одиночных включений, а допустимость устанавливается только в зависимости от размеров и количества без учета их площади при подсчете суммарной приведенной площади и без включения их количества в общее количество одиночных включений и скоплений.
Приведенная площадь включения или скопления (при радиографическом контроле) - произведение максимального размера включения (скопления) на его максимальную ширину (учитывается для одиночных включений и одиночных скоплений).
Суммарная приведенная площадь включений и скоплений (при радиографическом контроле) - сумма приведенных площадей отдельных одиночных включений и скоплений.
Индикаторный след (при капиллярном контроле) - окрашенный пенетрантом участок (пятно) поверхности сварного соединения или наплавленного металла в зоне расположения несплошности.
Индикаторный след округлый (при капиллярном контроле) - индикаторный след с отношением его максимального размера к максимальной ширине не более трех.
Индикаторный след удлиненный (при капиллярном контроле) - индикаторный след с отношением его максимального размера к максимальной ширине более трех.
Индикаторный след одиночный (при капиллярном контроле) - индикаторный след, минимальное расстояние от края которого до края любого другого соседнего индикаторного следа не менее максимальной ширины каждого из двух рассматриваемых индикаторных следов, но не менее максимального размера индикаторного следа с меньшим значением этого показателя (из двух рассматриваемых).
|
Номер или обозначение НТД |
Наименование |
|
|
Правила |
|
|
Правила устройства и безопасной эксплуатации паровых и водогрейных котлов. М.: НПО ОБТ, 1993. |
|
|
|
|
|
Правила устройства и безопасной эксплуатации трубопроводов пара и горячей воды. М.: НПО ОБТ, 1994. |
|
|
Правила аттестации сварщиков. М.: НПО ОБТ, 1993. |
|
|
Правила аттестации специалистов неразрушающего контроля. М.: НПО ОБТ, 1992. |
|
|
Государственные стандарты |
|
ГОСТ 380-88 |
Сталь углеродистая обыкновенного качества. Марки. |
|
ГОСТ 1050-88 |
Прокат сортовой, калиброванный, со специальной отделкой поверхности из углеродистой качественной конструкционной стали. Общие технические условия. |
|
ГОСТ 19281-89 |
Прокат из стали повышенной прочности. Общие технические условия. |
|
ГОСТ 4543-71 |
Сталь легированная конструкционная. Технические условия. |
|
Отливки стальные. Общие технические условия. |
|
|
ГОСТ 9466-75 |
Электроды покрытые для ручной дуговой сварки сталей и наплавки. Классификация и общие технические условия. |
|
ГОСТ 9467-75 |
Электроды покрытые металлические для ручной дуговой сварки конструкционных и теплоустойчивых сталей. Типы. |
|
ГОСТ 10052-75 |
Электроды покрытые металлические для ручной дуговой наплавки поверхностных слоев с особыми свойствами. Типы. |
|
ГОСТ 2246-70 |
Проволока стальная сварочная. Технические условия. |
|
ГОСТ 26271-84 |
Проволока порошковая для дуговой сварки углеродистых и низколегированных сталей. Общие технические условия. |
|
ГОСТ 10157-79 |
Аргон газообразный и жидкий. Технические условия. |
|
ГОСТ 5583-78 |
Кислород газообразный технический и медицинский. Технические условия. |
|
ГОСТ 5457-75 |
Ацетилен растворенный и газообразный технический. Технические условия. |
|
ГОСТ 1460-81 |
Карбид кальция. Технические условия. |
|
ГОСТ 8050-85 |
Двуокись углерода газообразная и жидкая. Технические условия. |
|
ГОСТ 23949-80 |
Электроды вольфрамовые сварочные неплавящиеся. Технические условия. |
|
ГОСТ 8.513-84 |
ГСИ. Поверка средств измерений. Организация и порядок проведения. |
|
ГОСТ 6996-66 |
Сварные соединения. Методы определения механических свойств. |
|
ГОСТ 5639-82 |
Стали и сплавы. Методы выявления и определения величины зерна. |
|
ГОСТ 7512-82 |
Контроль неразрушающий. Соединения сварные. Радиографический метод. |
|
ГОСТ 14782-86 |
Контроль неразрушающий. Соединения сварные. Методы ультразвуковые. |
|
ГОСТ 20072-74 |
Сталь теплоустойчивая. Технические условия. |
|
ГОСТ 5632-72 |
Сталь высоколегированная и сплавы коррозионно-стойкие, жаростойкие и жаропрочные. Марки. |
|
ГОСТ 839-80 |
Провода неизолированные для воздушных линий электропередачи. Технические условия. |
|
ГОСТ 2850-80 |
Картон асбестовый. Технические условия. |
|
ГОСТ 6102-78 |
Ткани асбестовые. Технические условия. |
|
ГОСТ 1779-83 |
Шнуры асбестовые. Технические условия. |
|
ГОСТ 21880-86 |
Маты минераловатные прошивные для тепловой изоляции промышленного оборудования. Технические условия. |
|
ГОСТ 24335-80 |
Провода термоэлектродные. Технические условия. |
|
|
Прочие НТД |
|
Технологическое оборудование и технологические трубопроводы. |
|
|
Газоснабжение. |
|
|
Тепловые сети. |
|
|
Наружные сети и сооружения водоснабжения и канализации. |
|
|
РД 34.10.068-91 |
Соединения сварные оборудования тепловых электростанций. Радиографический контроль. |
|
СН 527-80 |
Инструкция по проектированию технологических
стальных трубопроводов Р |
|
Унифицированная методика контроля основных материалов (полуфабрикатов) сварных соединений и наплавки оборудования и трубопроводов АЭУ. Контроль герметичности. Газовые и жидкостные методы. |
|
|
ТУ 14-3-460-75 |
Трубы стальные бесшовные для паровых котлов и трубопроводов. |
|
ТУ 14-3-341-75 |
Трубы плавниковые холоднокатаные из стали марок 12Х1МФ и 20 для паровых котлов. |
|
ТУ 14-1-1921-76 |
Сталь листовая низколегированная для прямошовных магистральных газонефтепроводных труб диаметром 530-820 мм. |
|
ОСТ 108-030.113-87 |
Поковки из углеродистой и легированной стали для оборудования и трубопроводов тепловых и атомных станций. |
|
ТУ 14-3-420-75 |
Трубы стальные бесшовные горячекатаные толстостенные для паровых котлов и трубопроводов. |
|
ТУ 108.874-79 |
Трубы центробежнолитые из стали 15Х1М1Ф. |
|
ТУ 14-3-796-79 |
Трубы бесшовные холоднодеформированые для паровых котлов и трубопроводов из коррозионностойкой стали. |
|
ОСТ 108.961.03-79 |
Отливки из углеродистой и легированной стали для фасонных элементов паровых котлов и трубопроводов с гарантированными характеристиками прочности при высоких температурах. |
|
ТУ 16-705.466-87 |
Провода медные неизолированные гибкие. |
|
ТУ 14-4-1121-81 |
Проволока порошковая марки ПП-АН1. |
|
ТУ 14-4-982-79 |
Проволока порошковая марки ПП-АН3. |
|
ТУ 14-4-1442-87 |
Проволока порошковая марки ПП-АН7. |
|
ТУ 14-4-1059-80 |
Проволока порошковая марки ПП-АН8. |
|
ТУ 36-44-15-7-88 |
Проволока порошковая марки СП-2. |
|
ТУ 36-2516-83 |
Проволока порошковая марки СП-3. |
|
ТУ 3-923-75 |
Трубы котельные бесшовные механически обработанные из конструкционной марки стали. |
|
ТУ 16.505.657-74 |
Провода с резиновой изоляцией для электрифицированного транспорта. |
|
ТУ 14-1-4369-87 |
Проволока стальная сварочная из низкоуглеродистых и легированных сталей для сварки в защитных газах для атомного машиностроения. Технические условия. |
|
ПНАЭ Г-7-015-89 |
Унифицированные методики контроля основных материалов (полуфабрикатов), сварных соединений и наплавки оборудования и трубопроводов АЭУ. Магнитопорошковый контроль. |
|
ПНАЭ Г-7-018-89 |
Унифицированная методика контроля основных материалов (полуфабрикатов), сварных соединений и наплавки оборудования и трубопроводов АЭУ. Капиллярный контроль. |
|
|
Основные положения по обследованию и технологии ремонта барабанов котлов высокого давления из стали 16ГНМ, 16ГНМА и 22К. М.: Союзтехэнерго, 1978. |
|
РД 2730.940.102-92 |
Котлы паровые и водогрейные, трубопроводы пара и горячей воды. Сварные соединения. Общие требования. |
|
РД 2730.940.103-92 |
Котлы паровые и водогрейные, трубопроводы пара и горячей воды. Сварные соединения. Контроль качества. |
|
РД 108.021.112-88 |
Исправление дефектов в литых корпусных деталях паровых турбин и арматуры методом заварки без термической обработки. |
|
РДИ 34.38.043-86 |
Инструкция по оформлению технической документации на сварочные работы при ремонте оборудования ТЭС. М.: ПО Союзтехэнерго, 1986. |
|
РД 34.10.122-94 |
Унифицированная методика стилоскопирования деталей и сварных швов энергетических установок. М.: Энергомонтажпроект, 1994. |